Микронизация ибупрофена методом RESS
Микронизация ибупрофена методом RESS
Ибупрофен (хоральное нестероидное противовоспалительное лекарство) микронизировалась с помощью процесса Быстрого Расширения Сверхкритического Раствора СО>2> (RESS). Эксперименты проводились для изучения влияний давления экстракции (130-180 бар), температуры предрасширения (76-104 оС), длины капилляра (8-12 мм), дистанции распыления (20-60 мм) и угла столкновения (45-90о) на размер и морфологию осаждённых частиц ибупрофена. Параметры (размер, морфологию и упорядоченность структуры) частиц изучались с помощью электронной сканирующей микроскопии (SEM) и рентгеновской дифракции (XRD). Первоначальный средний размер частиц составляет 45 мкм (±1,151) тогда, как средний размер частиц после микронизации методом RESS зависит от экспериментальных условий, и находится в пределах 2,85 мкм (±0,31) и 7,48 мкм (±0,54). После микронизации с помощью RESS степень упорядочности структуры слегка уменьшилось по сравнению с исходным материалом. В ходе наблюдений не удалось найти определённой зависимости размера частиц от давления расширения, тогда как увеличение дистанции распыления приводит к увеличению размера частиц. Однако, увеличение температуры предрасширения, длины капилляра и угла столкновения приводит к уменьшению среднего размера частиц.
Введение
Большинство лекарств, используемых в фармацевтической промышленности, не растворимы или слабо растворимы в воде. Биопригодность (доля абсорбированных лекарств по сравнению с первоначальной дозой) ограничивается нерастворимостью. Для того чтобы в конечном итоге абсорбироваться, лекарство должно растворяться. Степень растворения - это функция от поверхности и растворимости частиц. Площадь поверхности может быть определена посредством контроля над размерами частиц. Поэтому уменьшение размера частиц (увеличением площади поверхности) позволяет улучшить биопригодность, не растворимых в воде лекарств.
Таблетки всё ещё широко используются и выпускаются в удобной твёрдой дозировке. В состав таблеток входит несколько различных наполнителей таких как: набухающие и связывающие агенты, смазочные материалы, пластификаторы, а так же и другие ингредиенты. Производство таблеток при непосредственном сжатии требует хорошего смешения наполнителя и лекарства (уровень однородности). Меньшие по размеру частицы лекарств позволяют улучшить однородность таблеток.
В организме, таблетка распадается на наполнители и терапевтические агенты (лекарство). Поэтому размеры лекарственных частиц играют важную роль в биопригодности таблетированных форм. Размер частиц является важным как для внутривенного введения слаборастворимых в воде наносуспензий, так и для внутриротового применения. Кроме влияния размера частиц на степень растворения, размер частиц лекарств также важен при использовании прибора лёгочной доставки. Только частицы с диаметром 5 мкм смогут достичь дальней области альвеол в лёгких, которая состоит из большого количества кровеносных сосудов специализирующихся на доставке лекарств.
В фармацевтической промышленности были использованы некоторые традиционные методы для измельчения частиц такие как: дробление, размалывание, помол, сушка распылением, сублимационная сушка, перекристаллизация растворенных частиц из растворов, использующих жидкий антирастворитель. Непривлекательность этих методов обусловлена: термическим и химическим разрушением продуктов из-за высокой температуры; высокой энергозатратностью; большим количеством используемого раствора; проблемам удаления растворителя; широким диапазоном разбросов размера частиц (PSDs).
Быстрое расширение сверхкритических растворов (RESS) - это технология сверхкритических флюидов, которая исключает недостатки традиционных методов для производства мелких частиц с узким распределением разброса размеров. В процессе RESS ,чтобы получить вещество, сначала необходимо растворить его в сверхкритическом растворителе, обычно СО>2>, затем сверхкритический раствор расширяется через сопло или капилляр с малым диаметром. Отличительная черта процесса RESS это высокая степень пресыщения (отношение мольной фракции растворенного вещества при температуре и давлении экстракции к равновесной мольной фракции при данной температуре и давлении) и гомогенизации, полученного из-за быстрого расширения сильносжатой сверхкритической смеси. Высокое пресыщение введёт к образованию маленьких частиц, а гомогенизация, обеспечивает узкий диапазон распределения размера частиц. Эти Свойство RESS используется в производстве очень маленьких частиц различных неорганических (SiO>2> /вода [1-3]; SiO>2> /вода-NaCl [1]; SiO>2>/ вода-Kl [1-3]; SiO>2> /NH>3 >[2]; Si /NH3[2]; GeO>2>/вода [2,3]; ферроцен, нейтрал-металлкарбонилы/ СО>2> [4], органических (нафталин /СО>2 >[5-8]; фенантрен /СО>2> [9-11]; антрацен/ СО>2 >[9,12]; кофеин / СО>2> [12]), фармацевтических (ловастанин /СО>2 >[5]; салициловая кислота/СО>» >[10,1 1,13]; грицофулбин /СHF>3> [14,15]; стероидные лекарства/ СО>2> [16]; напраксин /СО>2 >[17]; аспирин/ СО>2 >[10]; бензольная кислота/СНF>3> [15,18]; ибупрофен /СО>2 >[19]; холестрол/ СО>2> [15,18]) и полимеров (поли (карбосиланом)/пентан[2,3]; поли - (метил-метакрилат)/пропан[2]; поли (фенилсульфон)/пропан[2,3]; полипропилен/пентан[2,3]; полистирол/пентан [2,3]; поли (винил-хлорид)/KI/этанола[2,3]; поли (метил-метакрилат)/CHClF>2>[20,21]; поли(этил-метакрилат)/CHClF>2>[21]; поли- капролактон/CHClF>2>[20,21]; стирол/метил-метакрилат- блок-сополимер/CHClF>2>[20,21]; поли (L-молочная кислота) / CHClF>2> [21]; поли (L-молочная кислота) / CO>2> [17,22]; поли (L-молочная кислота)/СО>2> -ацетон [22]; поли (L-молочная кислота)/СО>2>/CHClF>2 >[23]; поли (L-молочная кислота)/CClF>3> [22]; поли (D, L-молочная - кислота)/CO>2> [22]; поли (гликолевая кислота)/CO>2> [22]; поли (TA-N) / CO>2> [24]; HYAFF-11/CO>2.> Хотя в большинстве трудов, посвященных RESS, целью было осаждение бинарных систем (растворенное вещество и растворитель), некоторые учёные [7,9,11,12,23] так же заинтересовались методом RESS для тройных систем (два растворённых вещества и растворитель) и изучали влияния второго растворенного вещества на сверхкритический растворитель, а также эффект соосаждения на параметры осаждаемых кристаллов. Кроме того, некоторые учёные [17,26,27] изучали возможности RESS для производства системы с контролируемым освобождением лекарства. Том(Tom) и Дебендетти (Debenedetti) [28] изучали теоретические основы, экспериментальные методы, опытные данные по процессу RESS. Кроме того, Джанг (Jung) и Перут (Perrut)[29] подготовили литературный и патентный обзор по сверхкритическим технологиям образования частиц, включающий метод антирастворителя.
Главное ограничение в использовании RESS состоит в низкой или полной нерастворимости высокомолекулярных соединений, полярных структур в нетоксичном, не воспламеняемом и недорогом СО>2>. В этой ситуации сверхкритический флюид может использоваться как антирастворитель для твёрдых материалов. Сверхкритическими флюидными технологиями, использующимися для производства мелких частиц, в которых сверхкритический растворитель действует как антирастворитель, являются методы перекристаллизация газового антирастворителя (GAS)[30-35], осаждения с сжатым антирастворителем (PCA) [36-39] и осаждение сверхкритического антирастворителя (SAS) [25,40].
В этих антирастворяющих процессах растворенное вещество, которое должно быть микронизировано, предварительно растворяют в жидком органическом растворителе. Затем сверхкритический антирастворитель, который характеризуется высоким коэффициентом диффузии, помещают в жидкий растворитель. Жидкий растворитель и сверхкритический флюид полностью смешиваются. Добавление сверхкритического антирастворителя в жидкий раствор ведёт к расширению объёма жидкого антирастворителя, таким образом, уменьшается сила растворения, что приводит к пресыщению и осаждению растворенного вещества. В литературе описаны различные компоновки экспериментальных установок, в которых используются принцип сверхкритического антирастворителя. Для того чтобы обозначить различные компоновки авторами используются различные названия (GAS,PCA,SAS).Сверхкритические флюидные технологии наиболее эффективны в лабораторных условиях, однако применение этих технологий в промышленном масштабе тоже достаточно интересно. Тиеринг(Thiering) и другие [41] обсуждает специфику в масштабировании процесса микронизации методом сверхкритического антирастворителя.
Ибупрофен – хиральное нестероидное противовоспалительное лекарство (NSAID) , которое проявляет слабую растворимость в воде и его биопригодность может быть улучшена уменьшением размера частиц лекарства. Чарунчатракул(Charoenchatrakool) и другие [19] изучали влияние давления предрасширения, дистанции распыления и длины сопла на размер и морфологию частиц ибупрофена полученных методом RESS. Они также изучали и сравнивали кинетику растворения исходного ибупрофена и частиц ибупрофена произведенного методом RESS. Джанг(Young) и другие [42] предложили вариант метода RESS, который называется метод быстрого расширение из сверхкритического раствора в жидкий раствор (RESAS) и применили этот метод для получения циклоспарина (не растворимое в воде лекарство). В RESAS методе вместо расширения в воздух сверхкритический раствор был расширен в жидкий раствор Tween-80 (полисорбат 80) . Целью исследования являлось минимилизация роста и агломерации (проблема в RESS процессе) частиц циклоспарина после расширения. Частицы, полученные методом RESSAS, были на порядок мельче, чем произведённые по методу RESS.
В этой работе, процесс RESS, применяется для микронизации ибупрофена. Исследуется влияние давления расширения, длины капилляра, дистанции распыления, а также влияния угла столкновения и температуры предрасширения на размер и морфологию осажденных частиц ибупрофена.
1. Экспериментальная часть
1.1 Установка
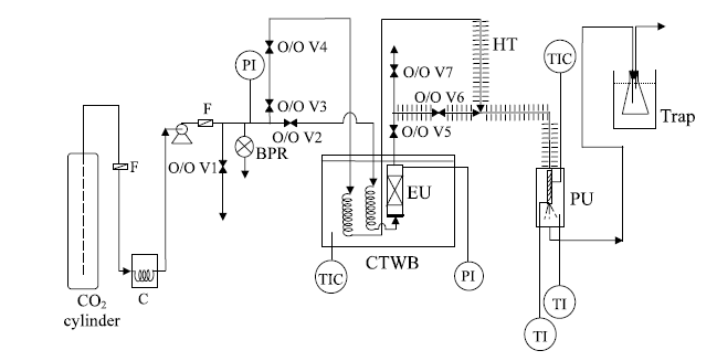
Схема экспериментальной установки, используемая для процесса RESS, показана на рис.1 [43]. Установка состоит главным образом из секции экстракции и секции осаждения, в которой собираются осажденные частицы.
Растворитель CO>2>, подавался в систему, при давлении экстракции, с помощью мембранного насос марки EK(Lewa). Регулятор обратного давления, который можно использовать при давлении до 170 бар, был установлен на выходе из насоса. Как изображено на рис. 1, СО>2> после прохождения через регулятор обратного давления разделяется на два основных потока. Двухпозиционный клапан V2 направляет CO>2 >через подогревательную спираль, выполненную из трубопровода нержавеющей стали высокого давления с наружным диаметром 1\4 дюйма, погружённую в водяной термостат. После прохождения через нагревательную спираль CO>2> попадает в секцию экстракции. Вторая линия, которая проходит через двухпозиционные клапаны V3 и V4, также попадает в нагревательную спираль, но в обход экстрактора. Эта линия также была изготовлена из трубопровода нержавеющей стали высокого давления с наружным диаметром 1\4 дюйма, и используется для достижения равновесного состояния системы.
Две нагревательные спирали и экстракционная колонна погружались водяной термостат постоянной температуры. Экстракционная колонна пригодна для использования при давлении до 250 бар. Её внутренний объём составляет 318 см3, внутренний диаметр 45 мм и глубина 200 мм. Внутри колонны расположена цилиндрическая проволочная сеть, наполненная стекловатой, с помощью которой удерживается раствор на месте. Трубопровод Swagelok с наружным диаметром 1\4 дюйма соединяет двухпозиционный клапан V5 с секцией осаждения. Линия до секции осаждения подогревается нагревательной лентой. Две основные линии системы соединяются до входа в подогревательную линию. Двухпозиционный клапан V6 позволяет сбросить давление из ячейки экстракции.

Рис. 1. Экспериментальная установка для RESS процесса (BPR, регулятор обратного давления; C, камера охлаждения; CTWB, водяной термостат постоянной температуры; EU, секции экстракции; F, фильтр; HT, нагревательная спираль; PI ,индикатор давления; PU, секция осаждения; О/О V, двухпозиционный клапан; TI, индикатор температуры; TIC, контроллер индикатора температуры).

Рис.2. Нагреваемое устройство расширения.
Секция осаждения показана на рис.1. состоит из ячейки осаждения, устройства расширения и устройства сбора. Корпус ячейки осаждения сделан из стекла, который визуально позволяет наблюдать содержимое ячейки. Большинство осаждаемых частиц, не удерживающихся на сборнике, скапливается в фильтре секции осаждения (150 меш (число ячеек сетки на один дюйм)) установленном на нижнем фланце. Фильтр размещается на алюминиевой подложке.
Устройство расширения показано на рис. 2. Для того чтобы избежать фазовые изменения в капилляре и предотвратить замерзание и закупоривания при быстром расширении, сопло нагревается с помощью трубчатого резистивного нагревателя, управляемого PID регулятором. Капилляр, через который сверхкритический раствор расширяется, является PEEK трубопроводом с входным и выходным диаметром 80 мкм и 1,59 мкм (1\16 дюйма) соответственно. Капилляр прикреплён на тонком конце выходного устройства резьбовым соединением (1\16 к 1\8 дюйма MRT). Самый короткий капилляр, использованный в эксперименте, был 8 мм, что является минимальной длиной, которую надёжно удерживает уплотнительное кольцо и гайка. Капилляры использовались только раз, чтобы избежать искажения в результате, которое может возникать из-за осаждении в капилляре. Температура газового потока через сопло измерялась термопарой (J типа).
Для поддержания точной температуры предрасширения, термопара была установлена непосредственно в потоке раствора, приблизительно на расстоянии 5 мм от входа в капиллярную область. Температура в ячейке осаждения измерялась другой термопарой J-типа.
Устройство сбора, на котором собираются осаждённые частицы, расположено внутри ячейки осаждения. Верхняя часть устройства сбора, называемая также столом сбора, изготавливается из нержавеющей стали. Стол сбора имеет углубления 2 мм в глубину и 74, 5 мм в диаметре. В этом углублении расположен стеклянный сборник с толщиной 2 мм. Угол столкновения и расстояние столкновения (расстояние между концом капилляра и поверхностью стеклянного сборника) может изменяться регулируемым болтом и гайкой.
1.2 Методика
В каждом эксперименте 4 г ибупрофена (количество превышено, чтобы быть уверенным в достижении равновесных условий) было загружено в ячейку экстрактора через проволочную цилиндрическую сеть со стекловатой. После достижения требуемой температуры во всей системе, через двухпозиционный клапан V2 СО>2 >заполняет секцию экстракции. Для получения нужного давления в системе был включен мембранный насос. После этого для получения равновесия в системе сверхкритический раствор держали в экстракционной секции в течение часа. Был включен трубчатый резистивный нагреватель сопла и установлена рабочая температура. Затем включают нагревательную ленту, обернутую вокруг линии на участке от секции экстракции до секции осаждения. После достижения равновесия СО>2 >начинает проходить через расширяющее устройство по обходной линии. Сверхкритический СО>2> при экстракционном давлении был пропущен через капилляр (в обход экстрактора) в течение 10 мин для стабилизации температуры перед расширением. После этого двухпозиционные клапаны V3 и V4 были закрыты и сразу же были открыты двухпозиционный клапаны V5 и V6 для протекания сверхкритического раствора в экстракционную секцию через расширяющее устройство. В секции осаждения образцы были собраны на стеклянной поверхности за 10 мин.
В конце каждого эксперимента образцы, собранные на стеклянной поверхности, немедленно удаляются из секции осаждения и помещаются в чашки Петри. До тех пор пока не потребуется электронная микроскопия (SEM) и электрозвуковая дифракция, образцы хранятся при комнатной температуре, вдали от солнечного света, в чашках Петри. Перед началом следующего эксперимента проводились вышеописанные процедуры с чистым CO>2>, без загрузки растворённого вещества в экстракционную колонну для того, чтобы устранить остатки растворённого Ибупрофена, который может быть в линии.
1.3 Материалы
Ибупрофен, который является NSAID, был использован в качестве растворяемого вещества. Ибупрофен плохо растворяется в воде и легко растворяется во многих органических растворителях. Ибупрофен поставлялся компанией Atabay I˙lac¸ Sanayi A.S¸ (Стамбул, Турция) и использовался без дальнейшей очистки. Диоксид углерода (99,7 % чистоты) в цилиндрическом оборудовании с погруженными баллонами, поставлялся компанией Habas A.S. (Стамбул, Турция) и использовался в качестве растворителя.
1.4 Анализ
В этой работе, частицы ибупрофена, осаждённые методом RESS, были определенны с помощью SEM (сканирование с помощью электронной микроскопии Jeol 6400) и XRD (ультразвуковая дифракция) (Shimadzu XRD-6000). В этой работе, как и в большинстве работ, описанных в литературе, использовался оффлайн метод, и морфология осаждённых частиц изучалась с соблюдением их форм и размеров методом SEM. В литературе только в немногих работах используется онлайн метод изучения размера частиц [8,15,18]. Средний размер частиц был вычислен из среднего размера около 50 частиц, выбранных произвольно. Хотя частицы ибупрофена агрегировались, они легко были диспергированны с помощью ультразвука в воде. Изображение SEM сняты для частиц без обработки и с обработкой в течение 3 мин. Результаты показали, что более длительная обработка ультразвуком приводила к слабой растворимости в воде. Перед SEM исследованием на частицы покрывалось распылением золото - палладиевым сплав устройством для нанесения покрытий (Fisons Instrument, Polaron SC502). Исследования кристалличности структур проводились с помощью XRD.
2. Результаты и обсуждения
2.1 Эффект температуры предрасширения
Были проведены 18 экспериментов для изучения влияния давления экстракции, температуры предрасширения, расстояния распыления, угла столкновения, длины капилляра на размер и морфологию частиц ибупрофена полученных методом RESS. Проведённые эксперименты внесены в хронологическом порядке в табл. 1. Давление экстракции было определено в соответствии с пределом растворимости ибупрофена в сверхкритическом СО>2> и эксплуатационными ограничениями системы. Самая низкая температура трубчатого резистивного нагревателя до сопла (T>сопла>) составляет 125 оС. При более низкой температуре невозможно скомпенсировать тепловые потери во время расширения, что приводит к охлаждению на конце капилляра. Верхний предел температуры поддерживался 135 оС, так как при более высоких температурах полимерные материал в капиллярном сопле начинает плавиться. Капиллярную трубку короче, чем 8 мм надежно не закрепить зажимом и гайкой, поэтому самый короткий капилляр, который использовали, в эксперименте был 8 мм. Самый длинный капилляр, который использовали, был 12 мм, с увеличением длины происходит закупоривание. Расстояния распыления и угол столкновения определяли в соответствии с размерами секции осаждения.
Таблица 1.Экспериментальная программа
|
№ |
P>экстракции> (бар) |
T>экстракции> (oC) |
Длина капилляра (мм) |
Расстояние распыления (мм) |
Угол столкновения (град) |
T>сопла> (оС) |
T>предрасширения> (оС) |
|
|
Самое длинное расстояние между концом капилляра и столом сборки может быть 60 мм, с расстоянием между концом капилляра и дном секции осаждения 85 мм (15 мм остаётся для высоты стола сборки).
Самое большое значение размеров первоначальных частиц ибупрофена полученных от Atabay I˙lac¸ Sanayi A.S¸.(Истабул, Турция) достигало 95 мкм, а средний размер первоначальных частиц составило 45 мкм. К тому же первоначальное вещество имело чётко выраженную прямоугольную форму, тогда как частицы подвергшиеся процессу имели несимметричные формы В зависимости от экспериментальных условий средний размер частиц произведенных с помощью RESS составляет от 2,85 до 7,48 мкм. Количественные результаты экспериментов даны в табл. 2. Как видно из табл. 2, образцы, полученные из опыта 2 имеют самый маленький средний размер частиц и самое меньшее стандартное отклонение.
Кроме того, средний размер частиц и стандартное отклонение частиц полученных из опыта 16 является самым большим среди остальных образцов .Изображение первоначальных частиц показано на рис. 3б и частицы, произведенных с помощью RESS, которые были взяты после 3-х минут обработки ультразвуком. SEM изображение образцов полученных с помощью RESS показывает, что частицы высоко агригатированы. Для того чтобы измерить размер частиц, их необходимо диспергировать. Вода была выбрана как дисперсная среда, так как ибупрофен слабо растворяется в воде. Образцы подвергли ультразвуку в воде в течение 3х минут, это оказалось оптимальным временем обработки ультразвуком для частиц ибупрофена в воде. Изображение SEM показали, что обработка ультразвуком меньше 3-х минут не приводит к достаточной дисперсии и только после 3-х минут частицы ибупрофена начинают растворяться в воде.
Распределение размеров частиц (PSD), не подвергших к процессу и полученных из опытов 2 и 16 показывает, что 95 % изученных первоначальных частиц меньше 70 мкм, а частицы подвергшиеся обработке были меньше, чем 15 мкм. С другой стороны, после процесса RESS 45 % полученных частиц из опыта 2 были меньше 2 мкм и 88 % из них меньше 5 мкм. Видно, что 95 % полученных частиц из опыта 16 были меньше, чем 13 мкм и здесь нет частиц меньше чем 2 мкм. На рис. 6 представлено сравнение разброса размеров необработанных частиц из опыта 16(наихудший случай производства частиц, наибольшие средние размеры частиц, наибольшее стандартное отклонение). Видно, что даже при наихудшем результате в процессе RESS имеет место более узкое распределение размера частиц, чем у первоначального вещества.
Кристалличность фармацевтических веществ влияет на биопригодность, и на физическую и химическую стабильность. Благодаря этому свойству большинство фармацевтических продуктов содержат лекарства в кристаллической форме. При большинстве фармацевтических процессах, таких как сушка, грануляция, измельчение и сжатие наблюдается изменение температуры, давления и относительной влажности. Напряжение приложенные на кристаллы в этих процессах могут вызвать дефекты в кристаллической решетке и быть причиной в снижении степени кристалличности [44]. Также было обнаружено, что после процесса RESS уменьшается степень кристалличности первоначального ибупрофена. На рис. 7 показано различие XRD образцов, не подвергшихся процессу и частиц полученных по методу RESS.Образцы показывают идентичные структуры (с одинаковой длинной волны и дифракционным углом, пучки рентгеновских лучей отражаются от одинаковых поверхностей), но для частиц обработанных процессом максимальная интенсивность меньше. Снижение в интенсивности происходить из-за уменьшения в кристалличности или в размерах частиц.
В ходе экспериментов температура предрасширения устанавливалась выше, чем температура плавления ибупрофена. В противном случае, не избежать охлаждения конца капилляра. Чарунчатракул (Charoenchaitrakool) и
Т
абл.
2. Количественные результаты экспериментов

Рис. 2. Сравнение PSD необработанного ибупрофена (□) с обработанным методом RESS получаемого из опыта 16 (наихудший случай)(■)

Рис.3. XRD образцы(а) необработанного ибупрофена (б) обработанного методом RESS получаемые из опыта 9 до обработки ультразвуком
Другие[19] изучили фазовое поведение системы ибупрофен-СО>2> и представили график давление-температура для трёхфазовой линии твёрдость-жидкость-газ. Согласно этим результатам все условия предрасширения, используемые в нашей работе, находятся в области двух фаз.Когда насыщенный или ненасыщенный раствор подогревают перед расширением, раствор становился пересыщенным и частицы ибупрофена, выделяющиеся из капель жидкости, могут образовываться до расширения [45]. Уменьшения интенсивности образцов XRD для частиц полученных методом RESS по сравнению с частицами не подвергшимся процессу, могут быть отнесены к образованию жидкой фазы. Дифенбаченер (Diefenbachener) и Турк (Turk) [45] изучили фазовое равновесие бинарных систем Нафтали- CO>2>,нафталин CHF>3 >и тройную систему нафталин-CO>2>-CHF>3>, для того чтобы внести свой вклад в объяснении образования частиц методом RESS.Авторы[45] также показали, что для системы бензольная кислота- CHF>3>, чем ниже температура предрасширения от температуры точки плавления, тем частицы, полученные c помощью RESS меньше и сферичнее, тогда как при более высоких температур предрасширения от температуры точки плавления получаются более крупные объединения частиц, что указывает на образование частиц из жидкой фазы.
В противоположность температуры предрасширения, используемой в нашей работе, в результате которой раствор попал в двухфазную область Чарунчатракул (Charoenchaitrakool) и другие[19], провели эксперименты при более низкой температуре предрасширения и в однофазной области перед расширением. Однако они также отметили уменьшение пика интенсивности показаний XRD после процесса RESS, что указывает на более низкую степень кристалличности. Чарунчатракул (Charoenchaitrakool) и другие[19], также изучали влияния степени кристалличности на степень растворения путём измерения степени внутреннего растворения диска (диск – IDR). Они обнаружили, что диск –IDR обработанного ибупрофена был слегка выше, чем у первоначального материала в связи со снижением в степени кристалличности.
Далее в этом разделе, будут рассмотрены влияния параметров RESS (давления экстракции, температуры предрасширения, длины капилляра дистанции распыления, угла столкновения) на размер частиц, будут обсуждаться при средних значениях распределения размеров частиц образцов.
Увеличение температуры предрасширения примерно в 10 оС в диапазоне 76-104 оС при давлении экстракции 150 бар (вне реакционной области), приводило к незначительному уменьшению среднего размера частиц (рис. 4).
Данные представлены на рис 4, являются усредненными значениями результатов экспериментов, устанавливающие зависимости от температуры предрасширения. Например, значение при 104 оС является усредненными значения размеров частиц полученных из опытов 11 и 12. Рис 8 построен с использованием результатов серии опытов проведенных при давлении экстракции 150 бар (серия опытов с 9 по 17). Другие важные параметры этой серии опытов можно увидеть на табл. 1.

Рис.4. Влияние температуры предрасширения на средний размер частиц (P>экстракции>=150 бар, Т>экстрации>=35оС)

Рис.5. Влияние давления экстракции на средний размер частиц (Т>экстрации>=35оС, длина капилляра=8мм, расстояние распыления =60мм, угол столкновения=90оС)
Средние размеры частиц полученных из опытов 3 и 4 не попали на рис 4, так как было трудно определять показания термопары для температуры предрасширения в этих опытах. Результаты опытов 3. 4 не использовались в определении влияния температуры предрасширения, но так как наблюдалось незначительное изменение размеров частиц при изменении температуры предрасширения, результаты были включены в Рис. 5, Рис. 6, на которых представлено влияние других параметров RESS. В других источниках много исследований посвящено получением частиц нафталина методом RESS , в которых зависимости влияния температуры предрасширения на характеристики частиц не выявлено, в некоторых случаях даже сообщаются противоречивые результаты[5,7,8]. В данном случае нафталин используется в качестве примера, потому что это идеальное соединение, по которому имеется много данных. Мохамед (Mohamed) и другие[5], Лиу, Нагахама (Liu,Nagahama)[7] обнаружили что для нафталина увеличение температуры предрасширения приводило к увеличению среднего размера частиц. Оба исследования были проведены в нереакционной области, вследствие этого увеличение температуры предрасширения приводило к ненасыщению раствора, в результате происходило уменьшение степени пресыщения и таким образом размеры частиц увеличивались.

Рис. 6. Влияние расстояния распыления на средний размер частиц (P>экстракции>=150 бар, длина капилляра=8мм, угол столкновения=90оС)
Однако, Турк (Тurk) [8] получил противоречивые результаты, по влиянию температуры предрасширения, в пределах 75-95 оС, на частицы нафталина. Температуры предрасширения используемые в исследованиях выполняемых Мохамедом(Mohamed) и другими[5],Лиу, Нагахамой (Liu,Nagahama)[7] находится в диапазонах 110-170 оС и 87-120 оС соответственно. Мохамед(Mohamed) и другие [5] также изучали влияние температуры предрасширения на частицы ловастанина. В отличие от частиц нафталина, было обнаружено, что частицы ловастанина совсем нечувствительны к изменением температуры предрасширения. Когда насыщенный сверхкритический раствор нагревается перед расширением, вне реакционной зоны, полученный ненасыщенный раствор приводит к меньшей степени пресыщения и таким образом к большему размеру частиц. В тоже самое время, ненасыщенный раствор предотвращает образование частиц в капилляре и позволяет уменьшить зародышеобразования и время роста частиц. Таким образом, в этом исследовании именно это свойство объясняет уменьшение размера частиц с увеличением температуры предрасширения.
2.2 Влияние давления экстракции.
Концентрация растворенного вещества в сверхкритическом растворителе может быть варьирована изменением давления экстракции и температуры. На всём протяжении эксперимента температура была постоянной 35 оС. Влияния давления на размер и морфологию частиц была изучена при трёх различных значениях давления (130,150 и 170 бар). Не было получено явной зависимости среднего размера частиц от давления экстракции (Рис. 5). На рис. 5 показаны средние результаты всех экспериментов при тех же значениях давлениях. Данные по растворимости ибупрофена в СО>2> при 35 оС взятые из Чарунчатракул (Charoenchaitrakool)и другие [19] показывают, что диапазон давления, изученные в данной работе, принадлежат к пологой области в растворимости. Другими словами растворимость ибупрофена в СО>2> при 35 оС и в пределах 130-170 бар меняется не значительно. Следовательно, не наблюдается изменения размеров и морфологии частиц.
2.3 Эффект от расстояния распыления
Кроме влияния экстракционных условий и условий предрасширения на размер и морфологию частиц, условия после расширения, такие как дистанция распыления и угол столкновения образованной свободной струи на конце сопла, могут иметь явное влияние на параметры частиц, так как зародышеобразования и рост частиц продолжается в области после расширения[15].Теоретические расчёты Хелфгена(Helfgen)[и других 15] показывают, что частицы продолжают расти после диска Маха, где свободная струя встречается с фоновыми газами в области после расширения. Когда расстояние распыления небольшое, то и время, которое частицы находятся в области роста, также не большое. В виду этого перед столкновением с поверхностью сбора можно избежать роста частиц. Изменение расстояния распыления от 20 до 35 мм и до 60 мм при давлении 150 бар, при длине капилляра 8 мм, при этом угол столкновения равен 90о, приводило к увеличению среднего размера частиц и это явно видно из рис. 6. Те же самые результаты были получены Субром (sub>ra) и другими[12] для кофеина, тогда как Реверчон (Reverchon) и другие[13] , Чарунчатракул (Charoenchaitrakool) и другие [19] получили противоположные результаты влияния расстояния распыления для силициловой кислоты и частиц ибупрофена соответственно. Размеры частиц при расстоянии распыления 20 мм, получены из средних результатов опытов 1 и 2,что представлено на рис. 10. Кроме того размеры частиц, при расстоянии распыления 60 мм, являются средними значениями опытов 3,4, 11,12,16,17.
Максимальное различие в рабочие условиях в опыте 2(наименьшие размеры частиц и наименьшее стандартное отклонение) и в опыте 16 (наибольшие размеры частиц и наибольшее стандартное отклонение) было между их расстояний распыления (табл. 1).
2.4 Влияния угла столкновения.
Во многих RESS экспериментах плоскость сбора установлена под углом 90о по направлению к расширяющемуся раствору. Том и Дебендети (Tom и Debenedetti) [22] использовали стеклянную поверхность под углом 15о по направлению к потоку газа и Пиерико и другие(Peirico) [22] использовали стекло Перспекс под углом 35о по направлению к потоку газа. Оба исследователя не сравнивали свои результаты с результатами, полученными при 90о.
В этой работе поверхность сбора была наклонена под углом 45о и 90о. Когда поверхность была наклонена под углом 45о расстояние между концом капилляра и центром поверхности столкновения составило 35 мм, но другие точки поверхности были на разных расстояниях от капилляра. Средний размер частиц образцов наклоненной поверхности сбора вычислялся по частицам, осажденных под концом капилляра и в области вокруг неё. Результаты экспериментов, проведенных для исследования влияния угла столкновения, при давлении экстракции 150 бар и температуре 35 о, с длинной капилляра и дистанцией распыления 8 и 35 мм, соответственно, показали, что когда угол равен 90 о частицы получаются более мелкие, чем при 45о. Средние размеры частиц полученных из опытов 13,14,15 определяет размер частиц при 45о. Несмотря на различные температуры предрасширения, был взят средний размеры, так как размеры частиц меняются не значительно с изменением температуры предрасширения. При столкновении с поверхностью частицы расщепляются. И если площадь столкновения больше, то можно получить более мелкие частицы. Уменьшение угла столкновения, а также площади соударения, приводит к более мягким условиям столкновения и исключается расщепление частиц.
2.5 Влияние длины капилляра
Для изучения влияния длины капилляра на характеристики получающихся частиц длину капилляра меняли от 8 до 12 мм при постоянном диаметре капилляра 180 мкм, другими словами отношение длины к диаметру (L/D) увеличивали от 44, 4 до 66,6. Данные приведенные показывают, что чем короче капилляр, тем больше частицы. Уменьшение размера частиц с увеличением длины капилляра может, объясняется следующим. Когда длина капилляра короче, уменьшение давления начинается раньше в расширяющем устройстве, даже на входе в капилляр. Так как снижение давления начинается раньше в коротких капиллярах, по сравнению с длинными происходит более последовательное снижения давления вместо ожидаемого более быстрого расширения. Более последовательное снижение ведёт к снижению пресыщения и степени зародышеобразования, что приводит к возрастанию образования более крупных частиц.
Вышеупомянутые результаты получены на основе средних размеров частиц, вычисленных по средним значениям величины распределения. Как видно из рис. 7, имеется небольшое количество частиц размером выше 7 мкм, что приводит к увеличению значение среднего размера частиц. Среднее значения распределения 4,2 мкм, тогда как по методике 3,5 мкм. По этой причине влияние параметров RESS было также оценено в соответствии с методикой. Результаты показывают, что вышеупомянутые обсуждения с средним значения по-прежнему верны для давления экстракции, расстояния распыления, угла столкновения и длины капилляра, однако исчезают изменение влияния температуры предрасширения на размер частиц.

Рис. 7. PSD частиц, получаемых из опыта 7, после обработки ультразвуком.
Заключение
Микронизация ибупрофена была успешно выполнена методом RESS, с использованием CO>2>, в качестве сверхкритического растворителя. При различных условий экспериментов, средний размер частиц Ибупрофена осажденных по методу RESS оказался ниже 8 мкм для всех разных условий испытанных в эксперименте, это значит, что размер первоначальных частиц уменьшились приблизительно на порядок. Ибупрофен слабо растворим в воде и его биопригодность для всасывания в желудочно-кишечном тракте ограничивается степенью растворения. Так как меньшие по размеру частицы или большая площадь поверхности, увеличивает степени растворения лекарств, можно сделать вывод, что более мелкие частицы полученные методом RESS улучшают биопригодность ибупрофена.
Как можно увидеть из SEM изображений, частицы не имеют определённую форму. Размеры частиц измерялись после трёхминутной обработки ультразвуком в воде в виду того, что полученные частицы сильно агрегатированны. Средние размеры частиц первоначального ибупрофена составляли 45 мкм. Образцы XRD показали снижение кристалличности ибупрофена после процесса RESS.
Невозможно определить явную зависимость размера частиц от давления экстракции, так как растворимость ибупрофена в СО>2> в промежутке 130-170 меняется не значительно. Наблюдалось небольшое уменьшение размера частиц при увеличении температуры предрасширения. Также уменьшились размеры частиц с увеличением длины капилляра от 8 до 12 мм. При увеличении дистанции распыления от 2 до 6 см, средний размер частиц также увеличивался. С другой стороны, при увеличении угла столкновения от 45 о до 90, о размер частиц уменьшался. Не наблюдалось резкого изменения средних размеров частиц образцов полученных при различных рабочих условиях. Диапазон рассчитанных средних размеров частиц был в пределах от 2,85 мкм до 7,48 мкм. Поэтому, невозможно точное сравнение влияния параметров и основной фактор в изменении размера частиц при этих условиях не был определён.
Процесс RESS позволяет получать маленькие частицы с небольшим изменением кристалличности материала, таким образом, подтверждается возможность применение этого метода для обработки фармацевтического материала.
