Модернізація апарату для ультразвукової терапії шляхом удосконалення блоку живлення
Зміст
Вступ
1. Загально-технічна частина
1.1 Призначення і технічна характеристика приладу
1.2 Критичний аналіз літературних джерел та існуючих для проектованого апарата аналогів
1.3 Фізичні основи роботи використаного в роботі підсилювача
2. Розрахунково-конструкторська частина
2.1 Структурна схема приладу
2.2 Електрична схема приладу і взаємозв’язок між її елементами
2.3 Принцип дії апарата
2.4 Розрахунок електронного блока
2.5 Особливості підготовки і роботи приладу
3. Спеціальна частина
3.1 Медична частина
4. Економічна частина
4.1 Попередній розрахунок річного економічного ефекту
5. Питання техніки безпеки при роботі з апаратом
6. Загальні висновки
Література
Вступ
Завдання роботи полягало у вдосконаленні блоку живлення апарату для ультразвукової терапії. Поряд з науково-дослідними роботами, які проводяться в даний час і мають на меті вивчення механізмів фізичної і біологічної дії ультразвуку, накопичуються дані про значення для терапії інтенсивності, тривалості опромінення та частоти. Все більш удосконалюється портативна ультразвукова терапевтична апаратура.
Лікування різних захворювань ультразвуком виявилося настільки ефективним, що сучасна фізіотерапія немислима без ультразвукової. При цілому ряді захворювань використання ультразвукової терапії забезпечує повне видужання.
Тому важливими є досконала конструкція джерела живлення даного апарату. Наукова новизна полягає у використанні принципово нового типу елементної бази, а саме мікросхеми КР142ЕН1А в стабілізаторі, замість транзистора КТ815М. Цим і визначається наукова новизна запропонованого рішення. Достовірність отриманих результатів пов’язана з використанням стандартних перевірочних методів розрахунку електронних мереж.
Проведеними дослідженнями і дослідами встановлено, що фізіологічні дії ультразвуку зумовлені наступними вторинними фізичними факторами:
1. Основна механічна дія викликає змінний звуковий тиск. При певних інтенсивностях ультразвукові коливання здійснюють мікромасаж опроміненої тканини.
2. Вторинний тепловий ефект. При ультразвуковому опроміненні цей ефект не є екзогенним, а виникає всередині тканини.
3. Ультразвук викликає комплексні фізико-хімічні дії.
Проектований прилад порівняно з його аналогами має наступні переваги: зниження споживання за рахунок застосування мікросхем; у зв’язку з тим, що зменшились розміри друкованої плати, зменшилися габаритні розміри проектованого приладу, а також зріс і термін експлуатації даного приладу.
Здійснено розрахунок річного економічного ефекту, який складає 4100гр.
1. Загально-технічна частина
1.1 Призначення і технічна характеристика приладу
Апарат для ультразвукової терапії використовується для лікування низькочастотним ультразвуком хворих з гінекологічними захворюваннями. Апарат застосовується в гінекологічних відділеннях клінік і лікарень. Застосування апарата дає високий лікувальний ефект і не викликає хворобливих відчуттів у пацієнтки.
Апарат призначений для експлуатації при температурі навколишнього повітря від 10 до 35°С, відносної вологості 80 % при температурі 25°С и атмосферному тиску від 84 до 106,6кПа (від 630 до 800 мм рт. ст.).
ТЕХНІЧНІ ХАРАКТЕРИСТИКИ:
1. Робочі частоти
апарата (22
1,65)
кГц і (44
4,4)
кГц.
2. Амплітуда
ультразвукових коливань на робочих
кінцях хвилеводів, що знаходяться в
повітрі, (2
1)
і (5
2)
мкм.
3. Установка амплітуди здійснюється східчасто за допомогою перемикача.
4. Час установлення робочого режиму не перевищує 30с з моменту включення апарата.
5. Режим роботи повторно-короткочасний: експозиція 2 с, пауза 5с.
6. Час процедури
установлюється від 10 з до 9 хв. із
дискретністю 10с і витримується з точністю
5
% від встановленого значення.
7. Апарат працює
від мережі змінного струму частотою
(50
0,5)
Гц із номінальною напругою 220 В при
відхиленні напруги мережі на
10
% від номінального значення.
8. Підключення апарата до мережі - через розетку з контактом, що заземлює.
9. Потужність,
споживана апаратом від мережі, не більш
230В
А.
10. Час безперервної роботи в повторно-короткочасному режимі - не більш 8 год.
11. Маса апарата в повному комплекті постачання без транспортного упакування - не більш 20 кг. Маса випромінювача - не більш 0,8 кг.
12. Габаритні розміри генератора 415х265х138мм, габаритні розміри перетворювачів ø 50x220 мм і ø 50х260 мм.
13. Середній термін служби апарата - не менш 5 років. Критерієм граничного стану, що визначає списання апарата, є неможливість його відновлення при поточному ремонті до відповідності вимогам.
14. Установлений безвідмовний наробіток апарата - не менш 4000 циклів. Критерієм відмовлення є невідповідність апарата вимогам.
1.2 Критичний аналіз літературних джерел та існуючих для проектованого апарата аналогів
В даний час застосовуються такі апарати для ультразвукової терапії.
"TUR US 6 - 1" (ФРН) - ультразвуковий фізіотерапевтичний апарат, може працювати як у безперервному, так і в імпульсному режимі.
"УЗТ 101" - прилад, застосовуваний для лікування периферичної нервової системи, опорно-рухового апарата.
"Лор - 3" -
апарат для лікування
тонзилітів, гайморитів, ринітів. Основні
технічні дані: частота ультразвукових
коливань 880 кГц +1%; інтенсивність
ультразвукових коливань регулюється
чотирма ступінями 0,2; 0,4; 0,6; 0,8 Вт/см2;
ефективна площа випромінювача XT, Г-2
см2,
кожного випромінювача Р-0,4 см2;
є імпульсний режим коливань при тривалості
імпульсів 10 мс і частоті проходження
50 Гц; тривалість процедури (експозиція)
постійна 6
1
хв.; живлення від мережі змінного струму
частотою 50 Гц, напругою 220 В
10%;
по захисту від поразки електричним
струмом апарат виконаний по класу 01;
габаритні розміри 320
208
104
мм; маса не більше 5 кг.
Комплекс "Байкал" використовується для руйнування каменів при сечокам’яної хвороби.
"Узум" - апарат, використовуваний для розрізування тканин при хірургічних операціях і зупинки кровотечі.
"УТП - 1" - переносний апарат для ультразвукової терапії. Основні технічні дані апарата: частота ультразвукових коливань 880 кГц; максимальна потужність ультразвуку 8 - 10 Вт; максимальна інтенсивність 2 - 2,5 Вт/см2 (площа випромінювача 4 см2). Регулювання потужності здійснюється 10-ю ступінями. Апарат працює як у безперервному, так і в імпульсному режимах при тривалості імпульсів 10 ± 2; 4 ± 1; 2 ± 0,5 мсек. і частоті повторення імпульсів 50 Гц; живлення від мережі змінного струму частотою 50 Гц, напругою 127 і 220 В з відхиленнями від +5% до - 15% від номінального; максимальна споживана з мережі потужність 165 Вт. Маса апарата близько 13 кг.
"Ультразвук - Т5". Як п'єзоелектричний перетворювач використовується кераміка з титанату барію. Це дозволило понизити напругу живлення перетворювача. Замість компенсатора напруги живильної мережі в цьому апараті використовуються схеми стабілізації вихідної напруги й стабілізатора розжарення ламп. Незалежність вихідних параметрів апарата від напруги живлення спростило його експлуатацію і підвищило точність дозиметрії. Основні технічні дані апарата: частота ультразвукових коливань 880 кГц; максимальна потужність ультразвуку при роботі з випромінювачем з активною площею 4 см2 8 Вт, при роботі з випромінювачем з активною площею 1 см2 1 Вт; апарат працює як у безперервному, так і в імпульсному режимах при тривалості імпульсів 10 і 4 мсек. і частоті повторення імпульсів 50 кГц; живлення від мережі змінного струму напругою 110, 127 і 220 В, частотою 50 Гц із відхиленнями +5% - 10% від номіналу; потужність, споживана, споживана з мережі, не більш 130 Вт; маса апарата не більш 8 кг. Керування апаратом для проведення процедур не відрізняється від керування апаратом "УТП - 1", особливість - наявність клавішного переключення інтенсивності й роду роботи, а також звукової сигналізації про закінчення процедури.
"УТП - 3М" - портативний апарат для ультразвукової терапії. Призначений для впливу на поверхневі шари тканин і знаходять основне застосування в дерматології. Основні технічні дані апарата: частота ультразвукових коливань 2640 кГц; максимальна потужність ультразвуку при роботі з випромінювачем з активною площею 4 см2 12 Вт, при роботі з випромінювачем з активною площею 1 см2 3 Вт; апарат працює як у безперервному, так і в імпульсному режимах при тривалості імпульсів 10 мсек. і частоті повторення імпульсів 50 кГц; живлення від мережі змінного струму напругою 127 і 220 В, частотою 50 Гц із відхиленнями +5% - 15% від номіналу; потужність, споживана, споживана з мережі, не більш 130 Вт; маса апарата не більш 12 кг. Керування апаратом для проведення процедур: не відрізняється від керування апаратом "УТП - 1".
"УТС - 1" - стаціонарний апарат для ультразвукової терапії. Основні технічні дані апарата: частота ультразвукових коливань 880 кГц; максимальна потужність ультразвуку 20 Вт; регулювання потужності плавна; апарат працює як у безперервному, так і в імпульсному режимах при тривалості імпульсів 10, 4 і 2 мсек. і частоті повторення імпульсів 50 кГц; живлення від мережі змінного струму напругою 127 і 220 В, частотою 50 Гц із відхиленнями від +5% до - 15% від номіналу; потужність, споживана з мережі, не більш 280 Вт; маса апарата 23 кг.
Апарат для ультразвукової терапії УЗТ-31. Апарат призначений для лікування акушерсько-гінекологічних захворювань, але застосовується також в оториноларингології, стоматології дерматології й в інших областях медицини. Апарат розроблений ВНИИМП і випускається Московським заводом ЕМА.
Основні технічні
дані апарата: частота ультразвукових
коливань 2,64 МГц +0,1%; інтенсивність
ультразвукових коливань регулюється
чотирма ступінями 0,05; 0,2; 0,5 і 1,0 Вт/см2;
ефективна площа великого випромінювача
2 см2
малого-0,5 см2;
передбачений імпульсний режим роботи
при тривалості імпульсів 2, 4 і 10 мс,
частоті проходження 50 Гц; живлення від
мережі змінного струму частотою 50 Гц
напругою 220 В +10%; споживана потужність
не більш 50 ВА; по захисту від ураження
електричним струмом апарат виконаний
по класу I; габаритні розміри 342
274
142
мм; маса (з комплектом) не більше 10 кг.
Використаний в даній роботі апарат є найбільш досконалим і сучасним апаратом, який використовується в гінекології. Він має такі технічні характеристики.
Використовується для лікування низькочастотним ультразвуком хворих з гінекологічними захворюваннями. Апарат застосовується в гінекологічних відділеннях клінік і лікарень. Застосування апарата дає високий лікувальний ефект.
Робочі частоти
апарата (22
1,65)
кГц і (44
4,4)
кГц., амплітуда ультразвукових коливань
на робочих кінцях хвилеводів, що
знаходяться в повітрі, (2
1)
і (5
2)
мкм. Установка амплітуди здійснюється
східчасто за допомогою перемикача.
Апарат працює від мережі змінного струму
частотою (50
0,5)
Гц із номінальною напругою 220 В при
відхиленні напруги мережі на
10
% від номінального значення. Підключення
апарата до мережі - через розетку з
контактом, що заземлює. Потужність,
споживана апаратом від мережі, не більш
230В
А.
1.3 Фізичні основи роботи використаного в роботі підсилювача
Сучасна техніка широко використовує принцип керування енергією, який дозволяє за допомогою затрати невеликої її кількості керувати енергією набагато більшою.
Керування енергією, при якому процес керування безперервний, плавний та однозначний, називають підсиленням; пристрій, який здійснює процес підсилення, називають підсилювачем.
Форма як керуючої, так і керованої енергії може бути різноманітною - електричною, механічною, світловою і т.д.; підсилювачі, в яких як керуюча, так і керована енергія є електричною енергією називають підсилювачами електричних сигналів.
Підсилення сигналів здійснюється в підсилювачі за допомогою підсилюючих елементів - особливих пристроїв, які володіють керуючими властивостями.
Керуюче джерело живлення, від якого сигнали, які потрібно підсилити, надходять на підсилювач, називають джерелом сигналу, а ланцюг підсилювача, в який ці сигнали вводять, - вхідним ланцюгом або входом підсилювача. Пристрій, який є споживачем підсилених сигналів, називають навантаженням підсилювача, а ланцюг підсилювача, до якого підключають навантаження, - вихідним ланцюгом або виходом підсилювача.
Потужність підсилених сигналів, яка віддається підсилювачем в навантаження, завжди більша потужності сигналів, яка підводиться до входу.
Джерело керованої енергії, яка перетворюється підсилювачем в енергію підсилюваних сигналів, називають джерелом живлення підсилювача або основним джерелом живлення. Крім основного, підсилювач нерідко має допоміжні джерела живлення, енергія яких не перетворюється в підсилювані сигнали, а використовується для приведення підсилюючих елементі в робочий стан.
Підсилювачі можна класифікувати за характером підсилюваних сигналів, за частотою підсилюваних частот, за призначенням підсилювача, за родом використаних підсилюючих елементів.
За характером підсилюваних сигналів розрізняють:
1. Підсилювачі гармонійних сигналів, або гармонійні підсилювачі, призначені для підсилення безперервних періодичних та квазіперіодичних електричних сигналів, гармонійні складові яких змінюються набагато повільніше тривалості нестаціонарних процесів в ланцюгах підсилювача.
2. Підсилювачі імпульсних сигналів, або імпульсні підсилювачі, призначені для підсилення електричних імпульсів різної форми і величини. Нестаціонарні процеси в ланцюгах таких підсилювачів повинні протікати настільки швидко, щоб форми підсилюваних сигналів цими процесами майже не спотворювалися.
За шириною смуги і абсолютними значеннями підсилюваних підсилювачем частот розрізняють:
1. Підсилювачі постійного струму (точніше, підсилювачі повільно змінюючихся напруг і струмів), які підсилюють електричні коливання любої частоти в межах від нижчої частоти f>н>0 до вищої робочої частоти f>в>, тобто підсилюючий як змінні складові сигналу, так і його постійну складову.
2. Підсилювачі змінного струму, які підсилюють лише змінні складові сигналу в смузі частот від нижчої робочої частоти f>н> до вищої робочої частоти f>в>.
3. Підсилювачі високої частоти, призначені для підсилення електричних коливань модульованої високої частоти.
4. Підсилювачі проміжної частоти, призначені для підсилення електричних сигналів модульованої проміжної (перетвореної) частоти. Підсилювачі як високої, так і проміжної частоти характеризуються малою величиною відношення вищої робочої частоти до нижчої (звичайно f>в>/f>н>1,1).
5. Підсилювачі низької частоти, призначені для підсилення неперетворених (преривчатих) електричних коливань.
Підсилювачі з вищою робочою частотою близько мегагерца і вище і нижчою робочою частотою близько кілогерца або менше мають дуже велике відношення вищої частоти до нижчої; такі підсилювачі називають широкосмуговими.
Вибірковими або селективними називають підсилювачі, які підсилюють сигнали в дуже вузькій смузі частот, підсилення яких різко падає за межами цієї смуги; їх поділяють на резонансні, частотна характеристика яких має вид резонансної кривої, та смугові, підсилення яких майже постійно в вузькій смузі частот і різко падає за її межами.
Підсилювачі, в яких сигнали підсилюються без перетворення їх частоти, називають підсилювачами прямого підсилення; підсилювачі, в яких частота підсилюваних сигналів перетворюється, називають підсилювачами з перетворенням.
За родом використаних в підсилювачі елементів розрізняють транзисторні, лампові, магнітні, діодні, молекулярні і т.д. підсилювачі.
Р
озглянемо
призначення і структуру основних вузлів
підсилюючого пристрою, зображених на
рис.1.1.
Рис.1.1 Блок-схема підсилюючого пристрою.
Вхідний пристрій служить для передачі сигнала від джерела у вхідний ланцюг першого підсилюючого елемента. Його використовують, коли безпосереднє підключення джерела сигналу до входа підсилювача неможливе або недоцільне. Вхідний пристрій у виді симетруючого трансформатора широко використовують для перетворення несиметричного вхідного ланцюга підсилювача в симетричний. Вхідний пристрій у вигляді звичайного трансформатора широко використовують для узгодження (для отримання умов, близьких до узгодження) вихідного опору джерела сигналу і вхідного опору першого підсилюючого елемента, що іноді є необхідним для джерла сигнала, а також дозволяє отримати найбільшу напругу сигналу на вході підсилювача.
Вхідний пристрій використовують також для попередження проходження постійної складової струму або анпруги зміщення першого підсилюючого елемента в джерело сигналу і попадання постійної складової від джерела на вхід підсилюючого елемента, які перешкоджають правильному режиму роботи джерела сигналу і виводять робочу точку підсилюючого елемента з її правильного положення; якщо вхідний пристрій використовують тільки для розділення постійних складових джерела сигналу і вхідного ланцюга, його виконують простіше - у вигляді роздільчого конденсатора. При можливості безпосереднього включення джерела сигналу у вхідний ланцюг підсилювача вхідний пристрій не використовують.
Призначення попереднього підсилювача - підсилити напругу, струм і потужність сигналу до величини, необхідної для подачі на вхід потужного підсилювача. Попередній підсилювач може складатися з декількох каскадів попереднього підсилення; кількість останніх визначається необхідним підсиленням. Якщо напруга, струм і потужність, які віддаються джерелом сигналу достатні для підведення до входу потужного підсилювача, попередній підсилювач у складі пристрою відсутній.
Потужний підсилювач призначений для віддачи в навантаження необхідної потужності сигналу. Транзисторні підсилювачі з вихідною потужністю декілька ватт і вище звичайно мають 2-3 каскади потужності підсилення, так як останній каскад потребує подачі на вхід значної потужності сигналу, яку повинен віддавати попередній каскад, який є при цьому також каскадом потужного підсилення. Коли навантаженням підсилювача є невелика ємність, на навантаженні потрібно забезпечити лише напругу сигналу певної величини, а не задану вихідну потужність; а в цьому випадку потужний підсилювач не потрібний і вихідний каскад підсилюючого пристрою являє собою каскад попереднього підсилення.
Вихідний пристрій служить для передачі підсиленого сигналу з вихідного ланцюга останнього підсилюючого елемента в навантаження і використовується тоді, коли безпосереднє підключення навантаження до вихідного ланцюга неможливе або недоцільне. Вихідний пристрій у вигляді симетруючого трансформатора використовують при роботі несиметричного вихідного каскаду на симетричне навантаження, наприклад симетричну лінію зв’язку.
Вихідний пристрій у вигляді вихідного трансформатора дуже часто використовують для створення підсилюючому елементу вихідного каскаду найвигіднішого опору навантаження, при якому цей каскад віддасть необхідну потужність при високому коефіцієнті корисної дії і малих нелінійних спотвореннях, а іноді і при необхідності узгодження вихідного опору з опором навантаження.
Для розділення постійних складових струму і напруги вихідного ланцюга і навантаження використовують вихідний пристрій у вигляді роздільного конденсатора; при можливості безпосереднього включення навантаження у вихідний ланцюг кінцевого каскаду вихідний пристрій не використовують.
Основні технічні показники підсилювачів. Вхідні і вихідні дані.
При посиленні сигналів підсилювач трохи змінює їхню форму; відхилення форми вихідного сигналу від форми вхідного називають викривленнями. Дані, що характеризують властивості підсилювача і внесені їм викривлення, називають показниками. Основними показниками підсилювача є: вхідні і вихідні дані, коефіцієнти підсилення і корисної дії, частотна, фазова і перехідна характеристики, рівень внутрішніх перешкод, нелінійність, стабільність, надійність.
Вхідними даними підсилювача є: його вхідна напруга U>вх>, вхідний струм I>вх> і вхідна потужність сигналу Р>вх>, при яких підсилювач віддає в навантаження задану потужність, струм або напругу, а також вхідний опір підсилювача Z>вх>. Вхідний опір підсилювача в загальному випадку комплексно, але вхідну потужність, струм і напругу звичайно визначають в умовах, при яких вхідний опір можна вважати активному і рівним R>вх>; у цьому випадку
U>вх>=I>вх>R>вх>; R>вх>=U>вх>/I>вх>; Р>вх>=U>вх>I>вх>.
Джерело сигналу, що підключається до входу підсилювача, характеризується електрорушійною силою Е>дж> і внутрішнім опором Z>дж>.
До вихідних даних відносяться: розрахункова, тобто задана технічними вимогами, потужність сигналу P>нагр> віддається підсилювачем у навантаження і називана вихідною потужністю підсилювача; вихідна напруга сигналу U>вих> або вихідний струм сигналу I>вих>, що віддаються підсилювачем при роботі його на розрахунковий опір навантаження Z>нагр>, а також вихідний опір підсилювача Z>вих>.
Опір навантаження підсилювача в загальному випадку комплексно, але вихідну потужність, струм і напругу також звичайно визначають в умовах, при яких навантаження можна вважати активної і рівної R>нагр>; при цьому
U>вих>=I>вих>R>нагр>; Р>нагр>=I>вих>U>вих>=I2>вих>R>нагр>=U2>вих>/R>нагр>.
Вихідний опір підсилювача в загальному випадку також комплексно, однак воно рідко є істотним показником, а тому звичайно не вказується.
Коефіцієнти підсилення і коефіцієнти корисної дії.
Коефіцієнт підсилення напруги К, називаний звичайно просто коефіцієнтом підсилення підсилювача, являє собою відношення сталого значення напруги сигналу на виході до напруги сигналу на вході пристрою:
К=U>вих>/U>вх> (1)
Наскрізний коефіцієнт підсилення напруги К* являє собою відношення вихідної напруги до ЕРС джерела сигналу Е>дж>:
К*=U>вих>/Е>дж (>2)
Відношення сталого значення струму сигналу на виході до струму сигналу на вході являє собою коефіцієнт підсилення струму K>т> а відношення потужності сигналу в навантаженні підсилювача до потужності сигналу на вході - коефіцієнт підсилення потужності К>м>:
К>т>=I>вих>/I>вх>; К>м>=Р>нагр>/Р>вх>
Коефіцієнти підсилення напруги і токи є комплексними величинами, тому що вихідна напруга і струм через наявність у навантаженні і ланцюгах підсилювача реактивних складові опори зрушені по фазі щодо вхідних значень.
У зв'язку з тим, що сприйняття органів почуттів людини підкоряється логарифмічному законові, абсолютну величину (модуль) коефіцієнтів підсилення нерідко виражають у логарифмічних одиницях - децибелах або неперах, для чого користуються співвідношеннями:
К> [дб] >=20lg; К>т [дб] >=20lgK>т>; К>м [дб] >=20lgK>м>;
К> [неп] >=ln; К>т [неп] >=lnK>т>; К>м [неп] >=lnK>м>; (3)


де е - основа натуральних логарифмів. З (3) випливає, що
(ДО; К>т>;
К>м>)
>[неп] >=1,115
(ДО; К>т>;
К>м>)
>[дб] (>4)
Коефіцієнт корисної дії вихідного ланцюга підсилювального каскаду η являє собою відношення потужності сигналу Р>~>, що віддається витівкою ланцюгом, до споживаній нею потужності Р>о> від джерела живлення вихідного ланцюга:
η=P>~>/P>0 (>5)
ККД вихідного ланцюга є важливим показником економічності роботи каскаду і використовується для оцінки властивостей різних режимів роботи підсилювальних елементів. Для оцінки економічності роботи могутніх підсилювачів використовують поняття коефіцієнта корисної дії підсилювача η>підс>, рівного відношенню віддається підсилювачем у навантаження потужності сигналу Р>нагр> до сумарної потужності ΣР, споживаної їм від усіх джерел харчування:
Η>підс>= Р>нагр>/ ΣР (6)
Частотна і фазова характеристики.
Форма складного гармонійного сигналу на виході лінійного чотириполюсника відрізняється від форми сигналу на його вході, якщо
1) гармонійні складового вхідного сигналу змінюються (підсилюються або послабляються) чотириполюсником неоднаково. Зміни форми сигналу, викликані цією причиною, називають частотними перекручуваннями;
2) внесені чотириполюсником фазові зрушення змінюють взаємне розташування гармонійних складових у вихідному сигналі. Викликувані цим зміни форми вихідного сигналу називають фазовими перекручуваннями.
Тому що частотні і фазові перекручування можуть виникати в лінійному електричному ланцюзі, що не містить нелінійних елементів, них називають лінійними перекручуваннями.
Представивши вихідну напругу підсилювача на частоті ω як вектор, зрушений на кут φ>ω> стосовно вектора вхідної напруги U>вх>, на підставі (1) одержимо
К=
(7)
відкіля видно, що коефіцієнт підсилення на будь-якій частоті також є вектором, який характеризується модулем К>ω>=U>вих. ω>/U>вх> і фазовим кутом φ>ω>, який являє собою кут зрушення фази між вихідною і вхідною напругами підсилювача
Якщо відкласти вектор коефіцієнта підсилення підсилювача К>ω> у площині комплексних чисел або полярній системі координат, то при зміні частоти сигналу ω від 0 до ∞ кінець вектора опише криву, називану частно-фазовой характеристикою підсилювача або його годографом коефіцієнта підсилення (рис 1.2). Частотнофазова характеристика містить повну інформацію як про залежності величини коефіцієнта підсилення від частоти, так і про зміну з частотою внесеного підсилювачем кута зрушення фази, характеристики такого типу (годографи) зручні для аналізу стійкості підсилювачів з негативним зворотним зв'язком і визначення деяких їхніх показників. Для судження про внесений підсилювачем лінійних викривлень частотнофазову характеристику не використовують тому що для цієї мети вона недостатньо наочна.

Рис.1.2 Частотнофазова характеристика підсилювача.

Рис.1.3 Частотна характеристика підсилювача
Оцінку внесених підсилювачем частотних спотворень роблять по його частотній характеристиці (називаною також амплітудно-частотною характеристикою), що представляє собою графік залежності модуля коефіцієнта підсилення До від частоти (мал.1.3), де по вертикальній осі відкладають К в лінійному або логарифмічному масштабі (або вихідна напруга U>вих>, що відповідає незмінному значенню вхідної напруги U>вх>) і по горизонтальній осі - частоту f у герцах (або кутову частоту ω=2πf) у логарифмічному масштабі. Необхідність застосування логарифмічного масштабу на осі частот диктується широким діапазоном робочих частот сучасних підсилювачів.
Діапазоном робочих частот підсилювача гармонійних сигналів називають смугу частот від нижчої робочої частоти f>н> до вищої робочої частоти f>в>, у межах якої абсолютна величина (модуль) коефіцієнта підсилення, а іноді і його фаза не повинні виходити за межі заданих допусків.
Діапазон робочих частот, а отже, і частоти f>н> і f>в> визначаються призначенням підсилювача; їх вибирають у відповідності зі спектральним складом посилюваних сигналів.
Амплітудна характеристика і динамічний діапазон.
Амплітудною характеристикою підсилювача називають залежність амплітуди (або діючого значення) напруги сигналу на виході, від амплітуди (або діючого значення) напруги сигналу на вході. Тому що коефіцієнт підсилення ідеального підсилювача надає собою постійну величину, що не залежить від величини вхідного сигналу, його амплітудна характеристика являє собою пряму. минаючу через початок координат; під кутом, обумовленим посиленням підсилювача (мал.1.4, пунктир).

Рис.1.4 Амплітудна характеристика підсилювача
Амплітудна характеристика реального підсилювача (мал.1.4, суцільна лінія) не проходить через початок координат, а згинається при малих вхідних напругах, перетинаючи вертикальну вісь у точці U>ш>, тому що при відсутності вхідного сигналу вихідна напруга підсилювача дорівнює напрузі власних шумів у його вихідному ланцюзі U>ш>. При занадто великих вхідних напругах реальна амплітудна характеристика також розходиться з ідеальної, згинаючи внаслідок перевантаження нелінійних елементів, що містяться в схемі підсилювача, в основному тому, що амплітуда сигналу на останньому (вихідному) підсилювальному елементі при цьому виходить за межі робочої ділянки його характеристики.
З мал.3 видно, що реальний підсилювач може підсилювати підведені до його входу сигнали з напругою не нижче U>вхмін> тоді як більш слабкі сигнали будуть маскуватися (заглушатися) напругою власних шумів підсилювача U>ш>, і не вище U>вхмакс> тому що інакше підсилювач буде вносити дуже великі нелінійні спотворення. Відношення U>вхмакс>/U>вх. мін> характеризує діапазон напруг сигналу, посилюваних даним підсилювачем без надмірних перешкод і перекручувань, і називається динамічним діапазоном підсилювача:
Д>у>=U>вхмакс>/U>вхмін>; Д>у (дБ) >=20lgД>у>=20lgU>вх. макс>/U>вх. мін> (8)
У більшості випадків напруга сигналу, підведена до входу підсилювача, не є постійною величиною, а змінюється від найбільшого значення U>сигн. макс> до найменшого U>сигн. мін>. Відношення найбільшої напруги до найменшого характеризує робочий діапазон напруг даного джерела сигналу і називається динамічним діапазоном сигналу:
Д>с>=U>сигн. макс>/U>сигн. мін>; Д>с (дБ) >=20lgД>с>=20lgU>сигн. макс>/U>сигн. мін> (9)
Щоб підсилювач міг підсилювати весь діапазон напруг джерела сигналу, динамічний діапазон підсилювача повинний бути більше або дорівнює динамічному діапазонові сигналу, тобто Д>у>=Д>с>. Якщо цю вимога задовольнити не вдається, то для посилення з припустимими спотвореннями і перешкодами сигналів, що надходять на підсилювач, динамічний діапазон сигналу стискають за допомогою автоматичного регулятора посилення; іноді для цієї мети використовують ручний регулятор.
Підсилювачі потужності.
Основною задачею підсилювача потужності є забезпечення на навантаженні заданої потужності корисного сигналу. Більшість електронних підсилювачів складається з декількох каскадів попереднього посилення напруги сигналу й одного або двох каскадів посилення потужності, називаних відповідно предоконечным і кінцевим каскадами.
Підсилювачі потужності мають ряд особливостей у порівнянні з підсилювачами напруги. Зовнішніми навантаженнями кінцевих каскадів звичайно служать обмотки електродвигунів, реле, динамічних гучномовців і т.д., опору яких у більшості випадків мають порядок одиниць і десятків омів. У той же час вихідні опори транзисторів і ламп, до яких підключається зовнішнє навантаження, складають тисячі омів і більш. А тому що максимальна потужність, виділювана в навантаженні, виникає за умови рівності внутрішнього опору джерела й опору навантаження, необхідно погодити ці опори один з одним. Ця задача вирішується за допомогою погоджуючого трансформатора погодить, називаного вихідним. Первинну обмотку вихідного трансформатора включають у колекторний ланцюг транзистора або анодний ланцюг лампи, а до вторинної обмотки підключають зовнішнє навантаження підсилювача потужності. Тоді опір зовнішнього навантаження R>н>, приведений до первинної обмотки трансформатора, буде мати величину R'>н>, обумовлену коефіцієнтом трансформації трансформатора k>т>.
R'>н>= R>н> k>т>2= R>н> (ω>1/>ω>2>) 2, (10)
де ω>1 >і ω>2 - >відповідно число витків первинної і вторинної обмоток трансформатора.
Підбором коефіцієнта трансформації можна домогтися оптимального режиму роботи підсилювача потужності. При вихідному опорі підсилювача потужності R>вих>= R'>н> формули (10) знаходимо
k>т>=ω>1/>ω>2>=
(11)
Величина вихідної потужності Р>вих> у залежності від призначення підсилювача може складати від часток вата до десятків кіловатів і більш. Ця потужність передається навантаженню R>н> підсилювача і дорівнює
Р>вих>=
U>вих. т>/R>н>
(12)
де U>вих. m>=I>нm>R>н> - амплітуда перемінної напруги на навантаженні R>н>.
Чим більше вихідна потужність підсилювача, тим більшого практичного значення набуває його коефіцієнт корисної дії (ККД), тому що споживання енергії від джерел живлення може виявитися досить значним. Тому в підсилювачах потужності часто використовують режим класу В, що забезпечує більш високий ККД, чим режим класу А. Але в режимі класу В виникають значні нелінійні перекручування. Для їхнього зменшення служать спеціальні двотактні підсилювачі потужності, а в однотактных підсилювачах потужності приходиться застосовувати тільки режим класу А.
Як правило, двотактні схеми підсилювачів потужності на лампах застосовують при вихідній потужності понад 2-6 Вт, а на транзисторах - уже при потужності більш 50-100 мВт. Для одержання значної вихідної потужності (порядку сотень ват і вище) застосовують потужні генераторні лампи.
Однотактные підсилювачі потужності.
На мал.1.5 представлена схема однотактного підсилювача потужності на транзисторі.

Рис.1.5 Схема однотактного підсилювача потужності.
Конденсатори С>вх> є вхідними розділовими, резистори R>б1> і R>б2> утворять дільник, що створює необхідний зсув на базу транзисторів, а резистор R>е> і конденсатор С>е> є елементами температурної стабілізації режиму роботи каскаду.
Розрахунок основних величин, що характеризують режим роботи підсилювача потужності, проводять графоаналітичним методом по вихідних характеристиках транзистора або анодних характеристик лампи. При цьому граничні експлуатаційні величини підсилювальних приладів не повинні бути перевищені. Для транзистора цими величинами є максимальна напруга колектора U>к>>макс> максимальний струм колектора I>кмакс >і максимальна потужність, що розсіюється на колекторі транзистора, Р>кмакс>.
Двотактні підсилювачі потужності.
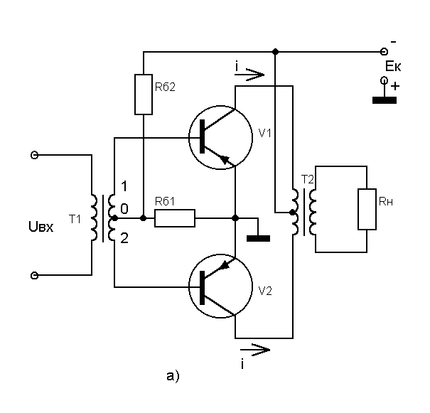
Схема двотактного підсилювача потужності на транзисторах і часових діаграмах, що пояснюють принцип його роботи, дані на мал.1.6 а і б.
Двотактний підсилювач потужності складається з двох симетричних пліч на транзисторах VI і V2 з максимально близькими параметрами і працюючими в однакових режимах. Звичайно двотактні підсилювачі потужності працюють у режимі посилення класу В, тому що при цьому їхній КПД найбільший. Напруга зсуву на бази транзисторів у режимі класу У вибирають таким чином, щоб робоча крапка знаходилася на нижньому кінці лінії навантаження й обоє транзистора при відсутності сигналу були замкнені. У схемі мал.1.6 а, це досягається підбором співвідношення опору резисторів R>б1> і R>б2>.
На вході схеми мається вхідний трансформатор Т1, вторинна обмотка якого складається з двох половин з висновками 0-1 і 0-2. На кожній з цих половин виникають однакові по величині, але протилежні по фазі сигнали, що передаються на бази транзисторів.
Протягом першого напівперіоду сигналу U>вх> відкривається тільки транзистор V1, у ланцюзі його колектора і через одну половину первинної обмотки вихідного трансформатора Т2 проходить струм i>1до> (мал.1.6, б). Другий транзистор V2 при цьому залишається закритим, а струм i>к2> = 0. Під час другого напівперіоду сигналу U>вх> відкривається транзистор V2, з'являється струм і>к2> а струм і>к1> дорівнює 0 і т.д.
Таким чином, у двотактній схемі підсилювача транзистори V1 і V2 працюють по черзі, і кожний з них підсилює один напівперіод вхідного сигналу. В вторинній обмотці вихідного трансформатора виникає ЕРС від обох напівперіодів струму первинної обмотки і>к1> і і>к2> і відновлюється перемінна напруга U>вых>, що діє на навантаженні R>н>.


Рис.1.6. Двотактний підсилювач потужності:
а - схема; б - графіки, що пояснюють принцип його роботи.
У деяких схемах двотактних підсилювачів потужності замість вхідного трансформатора для одержання двох протифазних вхідних напруг використовують спеціальний фазоінверсний каскад на транзисторі або лампі.
Досить часто застосовують двотактні бестрансформаторные підсилювачі потужності, у яких плечі утворені транзисторами різних типів, тобто типів р-n-р і n-р-n. Достоїнством таких підсилювачів потужності є відсутність вхідного і вихідного трансформаторів, що особливо важливо в портативній апаратурі. Однак їм властивий і недолік - труднощі підбора однакових транзисторів різних типів.
2. Розрахунково-конструкторська частина
2.1 Структурна схема приладу
Апарат складається з наступних функціональних вузлів А1 - пристрою індикації часу процедури; А2 - пристрою установки часу процедури; А3 - електронні генератори; А4 - пристрою індикації частоти й амплітуди вібрації; трансформатора з випрямлячем; мережного фільтра; комплекту випромінювачів.
Електронний
генератор призначений для одержання
напруги ультразвукової частоти, подаваної
на п'єзоелектричний перетворювач, і
являє собою генератор гармонійних
коливань частотою (22
1,65)
кГц і (44
4,4)
кГц із пристроєм зворотного зв'язку.
Електронний генератор розташований на платі A3 і містить: емітерний повторювач; блок регулювання й установки величини зворотного зв'язку; попередній підсилювач напруги; погоджуючий пристрій; передкінцевий підсилювач; підсилювач потужності; пристрій захисту; перемикач амплітуди; перемикач хвилеводів; стабілізатор +40 В.
Пристрій установки часу процедури розташовано на платі А 2 і містить: формувач прямокутних, імпульсів; формувач тимчасових інтервалів; каскад керування; дільник на п'ять або шість; каскади керування, каскад збігу; дільник на десять; каскади збігу; формувач звукової сигналізації.
Пристрій індикації часу процедури розміщено на платі А1 і містить: стабілізатор +5 В; цифрові індикатори часу; дешифратори; лічильник імпульсів.
Пристрій індикації частоти й амплітуди вібрації розміщені на платі А4 і містить: цифровий індикатор амплітуди; двоїчно-десяткові лічильники; цифровий індикатор хвилеводів; дешифратори; цифрові індикатори частоти.
Блок живлення забезпечує стабілізованими напругами +5, +40В усі функціональні вузли генератора і складається з: трансформатора з випрямлячем; стабілізаторів.
Мережний фільтр призначений для фільтрації перешкод, створюваних ультразвуковим генератором радіомовному діапазонові.
У комплект випромінювачів входять два п'єзоелектричних перетворювачі, змінні хвилеводи. П’єзокерамічні перетворювачі служать для перетворення енергії електричних коливань у механічні і посилення механічних коливань по амплітуді. Хвилеводи служать для посилення і підведення механічних коливань до хворої ділянки органів людини.
2.2 Електрична схема приладу і взаємозв’язок між її елементами
Апарат складається з наступних функціональних вузлів; А1 - пристрою індикації часу процедури; А2 - пристрою установки часу процедури; А3 - електронні генератори; А4 - пристрою індикації частоти й амплітуди вібрації; трансформатора з випрямлячем; мережного фільтра; комплекту випромінювачів.
Електронний
генератор призначений для одержання
напруги ультразвукової частоти, подаваної
на п'єзоелектричний перетворювач, і
являє собою генератор гармонійних
коливань частотою (22
1,65)
кГц і (44
4,4)
кГц із пристроєм зворотного зв'язку.
Електронний генератор розташований на платі A3 і містить: емітерний повторювач; блок регулювання й установки величини зворотного зв'язку; попередній підсилювач напруги; погоджуючий пристрій; передкінцевий підсилювач; підсилювач потужності; пристрій захисту; перемикач амплітуди; перемикач хвилеводів; стабілізатор +40 В.
Коливання ультразвукової частоти виникають у результаті підбора значень елементів у ланцюзі зворотного зв'язку генератора.
Для самозбудження генератора на частоті п'єзоелектричного перетворювача повинні виконуватися умови балансу амплітуд і фаз. Баланс амплітуд забезпечується вибором робочих точок і коефіцієнтом підсилення попереднього підсилювача, передкінцевого підсилювача і вихідного підсилювача потужності. Баланс фаз досягається вибором кількості каскадів.
Напруга зворотного зв'язку, що знімається із сектора п'єзоелектричного перетворювача, через елемент R54 надходить на резистор R3 при роботі генератора на 44 кГц або на R4 при роботі генератора на 22 кГц.
З резистора R3 або R4 напруга надходить на контур L1, С5, С4 (44 кГц) або L1, С5, С4, С3, С2 (22 кГц) і далі через R1 на вхід емітерного повторювача, зібраного на транзисторі V 2 (КТ315Б).
Регулятор амплітуди напруги на резисторі R12 дозволяє регулювати величину напруги зворотного зв'язку, що надходить на попередній підсилювач напруги, зібраний на транзисторах V3 (КТ315Б) і V4 (КТ815В) за схемою з загальним емітером.
З попереднього підсилювача напруга зворотного зв'язку через проміжний трансформатор Т1 надходить на передкінцевий підсилювач напруги, що виконує роль фазоінвертора, зібраний на транзисторах V 5, V6 (КТ815В). Для вибору робочих точок фазоінвертора встановлені два резистори R21, R24.
З емітерних резисторів R26, R27 напруга зворотного зв'язку надходить на вхід підсилювача потужності, зібраного за двотактною схемою, на транзисторах V3, V4 (КТ819ВМ), установлених на радіаторах.
Підсилювач потужності працює в режимі „В”.
Навантаженням підсилювача потужності є погоджуючий пристрій, виконаний у виді підвищувального трансформатора Т2.
Пристрій установки часу процедури розташовано на платі А 2 і містить: формувач прямокутних, імпульсів; формувач тимчасових інтервалів; каскад керування; дільник на п'ять або шість; каскади керування, каскад збігу; дільник на десять; каскади збігу; формувач звукової сигналізації.
Формувач прямокутних імпульсів зібраний на мікросхемі D6 (К155ТЛ2) і формує прямокутні імпульси з частотою мережі.
Імпульсна напруга 10В з частотою мережі надходить на вхід мікросхеми V 6 через дільник, зібраний на резисторах R11, R12.
З мікросхеми D 6 прямокутні імпульси надходять на мікросхему D10 (К155ИЕ2) яка поділяє імпульси на п'ять або шість, потім імпульси надходять на мікросхему D5 (К155ИЕ2), що поділяє імпульси на десять.
Прямокутні імпульси частотою проходження 1 Гц надходять на каскади керування, зібрані на елементах збігу D 2 (К155ЛА4) і D7 (К155ЛА3).
Каскади керування забезпечують подачу на лічильники прямокутних імпульсів при роботі лічильника в прямому (установка часу процедури) і реверсивному (процедура) режимах, на формувач часових інтервалів, зібраний на мікросхемах D1 (К155ИЕ2) і D 4 (К155КП7), а також включення формувача звукової сигналізації, зібраного на мікросхемі D 6.
Сформовані часові інтервали (2с - експозиція, 5с - пауза) служать для забезпечення роботи електронного генератора в повторно-короткочасному режимі.
Дозвіл на роботу генератора здійснюється каскадом керування, зібраному на мікросхемі D3 (К155ЛА3),
Синусоїдальна напруга частотою 22 кГц або 44 кГц перетвориться в прямокутні імпульси мікросхемою D6 і через каскад збігу на мікросхемі V 8 (К155ЛАЗ) надходить на двійково-десяткові лічильники.
Керування каскадом збігу здійснюється через мікросхеми D 2 і D9 (К155ЛЕ1).
Пристрій індикації часу процедури розміщено на платі А1 і містить: стабілізатор +5В; цифрові індикатори часу; дешифратори; лічильник імпульсів.
Реверсивний лічильник імпульсів зібраний на мікросхемах D 2, D3, D4 (К155ИЕ6) і призначений для рахунку імпульсів, що надходять із пристрою установки часу процедури.
З виходу лічильників імпульси надходять на дешифратори D5, D6, D7 (КР514ИД2), призначені для керування 7-сегментними напівпровідниковими цифровими індикаторами з загальним анодом D 8, D9, D10 (АЛСЗЗЗБ).
Пристрій індикації частоти й амплітуди вібрації розміщені на платі А4 і містить: цифровий індикатор амплітуди; двоїчно-десяткові лічильники; цифровий індикатор хвилеводів; дешифратори; цифрові індикатори частоти.
Двоїчно-десяткові лічильники D1, D2, D3 і D 4 З виходу лічильників імпульси надходять на дешифратори D6 і D7 (КР514ИД2), призначені для керування 7-сегментними напівпровідниковими цифровими індикаторами D9 і D10 (АЛС333Б).
Для індикації положення перемикача АМПЛІТУДА (плата A3) у пристрої міститься 7-сегментний цифровий індикатор D11 (АЛС333Б), керування яким здійснюється перемикачем АМПЛІТУДА.
Для індикації номера хвилеводу пристрій містить 7-сегментний цифровий індикатор D12 (АЛСЗЗЗБ), керування яким здійснюється перемикачем ХВИЛЕВІД (плата A3).
Блок живлення забезпечує стабілізованими напругами +5, +40 В усі функціональні вузли генератора і складається з: трансформатора з випрямлячем; стабілізаторів.
Понижуючий трансформатор Т1 призначений для зниження напруги мережі до 10 і 50 В. Випрямляч +50 В зібраний за мостовою схемою на діодах V 5-V8 (КД202Д).
Як згладжуючі фільтри застосовані електролітичні конденсатори С1, С3, С4 (К50-35). Постійна напруга +60 В подається на стабілізатор напруги +40В, зібраний на транзисторах \/8 (КТ815М), V10 (КТ815М), стабілітроні V9 (КС512А), розташованих на платі A3, і транзисторі V2 (КТ819ВМ), що знаходиться на радіаторі.
Випрямляч +10 В зібраний за мостовою схемою на діодах V9. V12 (КД202Д).
Стабілізатор +5 В розміщений на платі А1. Стабілізатор зібраний на мікросхемі D11 (KP142EH2A), транзисторі V1 (КТ645А) і транзисторі V1 (КТ819ВМ), розташованому на радіаторі.
Для захисту підсилювача потужності генератора від перевантажень у блоці живлення встановлений пристрій захисту, виконаний на тиристорі \/12 (КУ101Е), діоді V14 (КД10 2А), конденсаторі С18, розташованих на платі A3, Напруга керування пристроєм захисту знімається з резистора R55, рівень спрацьовування захисного пристрою регулюється резистором R53. При спрацьовуванні пристрою захисту для повернення його у вихідний стан необхідно відключити і включити живлення апарата кнопкою МЕРЕЖА.
Мережний фільтр призначений для фільтрації перешкод, створюваних ультразвуковим генератором радіомовному діапазонові, і складається з двох котушок індуктивності L1, L 2, конденсатора С2 (К75-37).
2.3 Принцип дії апарата
Апарат складається з генератора, двох ультразвукових випромінювачів, тримача і комплекту змінних частин (хвилеводів).
Генератор виконаний у виді окремого приладу, що складається із шасі і кожуха.
Шасі складається з передньої і задньої панелей, з'єднаних за допомогою бічних і середньої вертикальних перегородок.
На кожусі міститься ніжка - підставка, що дозволяє розміщати прилад під кутом близько 15°, при необхідності прилад можна розміщати горизонтально, змінивши положення ніжки-підставки.
На задній панелі закріплені радіатори, мережний фільтр із запобіжниками, роз’єми ВИХІД, кнопка РУЧ. РЕЖИМ і гучномовець.
Блок живлення розміщений на горизонтальній панелі шасі.
Друковані плати індикації закріплені на вертикальній передній панелі шасі.
Інші друковані плати генератора розташовані горизонтально усередині шасі.
На передній панелі розміщені органи керування й індикації:
1) кнопка МЕРЕЖА, призначена для комутації мережного ланцюга генератора з живильною мережею;
2) перемикач ХВИЛЕВІД, що складається з трьох кнопок „1”,”2”, „3”, призначений для комутації ланцюга напруги, подаваного на перетворювач, з відповідним хвилеводом;
3) перемикач АМПЛІТУДА, що складається з двох кнопок „2” і „5”, призначений для комутації ланцюга напруги, подаваного на ультразвуковий випромінювач;
4) індикатор ЧАСТОТА кГц, що складається з двох цифрових індикаторів, що забезпечують світлову індикацію частоти ультразвукової вібрації на хвилеводі;
5) індикатор, що забезпечує світлову цифрову індикацію положення кнопок перемикача ХВИЛЕВІД;
6) індикатор амплітуди вібрації МКМ, що забезпечує світлову цифрову індикацію положення кнопок перемикача АМПЛІТУДА;
7) індикатор, що складається з трьох цифрових індикаторів, що забезпечують світлову індикацію установки, скидання й обліку часу процедури в хвилинах і секундах;
8) перемикач ЧАС, що складається з двох кнопок СКИДАННЯ й ВСТАН., призначений для комутації ланцюга скидання часу процедури й установки часу процедури;
9) кнопка ПРОЦЕДУРА, призначена для комутації ланцюга включення і вимикання амплітуди механічних коливань, а також для вимикання звукової сигналізації.
Перетворювачі ИУТ-22 і ИУТ-44 на 22 і 44 кГц виконані циліндричної форми і складаються з: джгута, кришки, пружини, підвісу, перетворювача, роз’єму, що служить для приєднання до генератора.
Змінні хвилеводи мають веретеноподібну форму, приєднання їх до перетворювача здійснюється за допомогою різьбового з’єднання, на кінці хвилеводу міститься наконечник, що виконаний з урахуванням анатомічної будови органів людини, що озвучуються.
2.4 Розрахунок електронного блока
Блок живлення повинен підключатися до промислової мережі ~U>вх>=220В, f=50Гц. Вихідні параметри:
U>вих1>=+10В,U>вих2>=50В, Р>вих1>= І∙U=10·2=20Вт; Р>вих2>=1∙50=50Вт.
Складемо схему блока живлення (рис.2.4.1), яка складається з силового трансформатора, трьох мостових двонапівперіодних випрямлячах на напівпровідникових діодах, трьох RC фільтрів для згладжування пульсацій і схем стабілізації, які виконані як транзисторні компенсаційні стабілізатори напруги, які повинні працювати з коефіцієнтом стабілізації К>ст>=30 при струмі навантаження до 50мА.
Рис.2.4.1.
Розрахунок силового трансформатора.
1. Потужність, яка знімається з двох вторинних обмоток трансформатора
Р>ІІ>=Р>вих1>+Р>вих2> =20+50=70Вт.
2. Прийняв ККД трансформатора η>тр>=0,85, отримаємо потужність, яка споживається від електромережі [7]:
Р>ІІ>’=
=82,4Вт.
3. Площа поперечного перерізу осердя:
Q>0>=1,1
=10см2.
Коефіцієнт перед радикалом взятий 1,1 з врахуванням того, що використовується трансформаторна сталь середньої якості.
Вибираємо для зборки осердя стрічковий кільцевий магнітопровід типу ОЛ.
Для площі Q>0>=10см2 підходить кільце ОЛ40/64-40, для якого
Q>0>’=11 см2
Як бачимо 11см2>10см2, відповідно магнітопровід вибраний правильно.
4. Число витків на один вольт
N>1>=
6.
5. Число витків первинної обмотки:
n>1>=N>1>∙U>1>=6∙220=1320.
6. Число витків вторинних обмоток:
n>2>’= 1.25∙N>1>∙U>H>=1,25·6·10=75, n>2>’’=1.25∙N>1>∙U>H>=1,25∙6∙50=375.
7. Струм, який протікає по первинній обмотці:
І>І>=
0,37А.
8. Діаметр проводу первинної обмотки:
d>1>=0,8∙
=0,5мм.
9. Діаметри проводів вторинних обмоток:
d>2>’=0.8
=0,8мм,
d>2>’’
= 0.8
=1,1мм
10. Перевіряємо можливість розміщення розрахованих обмоток у вікні осердя. Із таб.20 [7] знаходимо число витків, що припадає на 1см2 рядової обмотки діаметром 0,5мм (первинна обмотка). Якщо провід з емалевою ізоляцією марки ПЕ, то це число рівне 308. При загальному числі витків 1320 площа, яку займе первинна обмотка:
1320: 308= 4,3см2.
Площа, яка зайнята вторинними обмотками: для проводу 0,8 з емалевою ізоляцією марки ПЕ, число витків, що припадає на 1см2 відповідно до таб.20 [7] 128, для проводу 1,1см2 з емалевою ізоляцією марки ПЕ, число витків, що припадає на 1см2 відповідно до таб.20 [7] 69.
Тоді
75: 128=0,6см2.
375: 69=5,4см2
Загальна площа всіх обмоток:
4,3+0,6+5,4=10,3см2
Приймаючи коефіцієнт заповнення 0,7, отримаємо загальну площу реальних обмоток:
Q>обм>=
=14,7см2.
Приймаємо осердя кільцеве типу ОЛ.
Площа вікна у вибраного осердя:
Q>в>=
=15см2.
Очевидно, що розраховані обмотки розмістяться у вікні вибраного осердя.
Розрахунок трьох випрямлячів.
Випрямляч складається з трансформатора Тр>1>, який змінює напругу в розгляненій схемі з 220В 50Гц до 22В 50Гц; вентилів, які випрямляють змінну напругу і згладжуючого фільтра. Вентиль являє собою нелінійний елемент, опір якого в прямому напрямку у сотні-тисяч разів менше, ніж у зворотному. В якості вентилів будемо використовувати напівпровідникові діоди.
Основні параметри випрямлячів - напруга та частота живлячої мережі та їх відхилення від номінальних, повна потужність, яка споживається від живлячої мережі при номінальному навантаженні, номінальний струм навантаження та його можливі відхилення від номінального, номінальна вхідна напруга, коефіцієнт пульсації вихідної напруги.
Коефіцієнт пульсації вихідної напруги Кп>0>, %, являє собою відношення подвійної амплітуди пульсацій 2U>m> до номінальної вхідної напруги U>0>:
Кп>0>=
.
Подвійна амплітуда пульсацій вимірюється як сума позитивної та від’ємної напівхвилі змінної складової вихідної напруги.
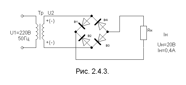
З трьох схем, які частіше всього використовуються у випрямлячах для пісилюючо-перетворюючих пристроїв приладів: однонапівперіодна (однофазна), двонапівперіодна (двофазна) та однофазна мостова схема вибираємо останню, яка характеризується хорошим використанням потужності трансформатора. Зворотна напруга на вентилях при такій схемі у два рази менша, ніж при одно - і двонапівперіодній схемах випрямлення. Напруга на вторинній обмотці трансформатора при мостовій схемі приблизно у два рази менша, ніж при двонапівперіодній із середнім виводом обмотки, частота пульсацій така ж, тобто у два рази більша частоти живлячої мережі 502=100Гц (мал.2.4.2).

Рис.2.4.2.
Однофазна мостова схема (рис.2.4.2) містить трансформатор Тр та чотири вентилі, зібрані за схемою моста. Живляча напруга вторинної обмотки трансформатора включена в одну з діагоналей моста, а в іншу включений опір навантаження. Додатнім полюсом навантаження являється загальна точка з’єднання катодів вентилів, від’ємним - точка з’єднання анодів.
Форма кривої напруги вторинної обмотки трансформатора показана на рис.2.4.3.

Рис.2.4.3 Лінійні діаграми мостового випрямляча.
При додатній напівхвилі синусоїди напруги U>2> струм протікає через вентиль В>1>, опір навантаження R>н> і вентиль В>3> у напрямку, показаному суцільними стрілками. Вентилі В>2> і В>4> у цей момент струм не пропускають і знаходяться під зворотною напругою, тобто вони закриті. У другий напівперіод, коли потенціал верхнього кінця обмотки стає від’ємним, а потенціал нижнього - додатнім, струм протікає через вентиль В>2>, опір навантаження R>н >і вентиль В>4 >у напрямку вказаному пунктирними стрілками.
Вентилі В>1> і В>3 >у цей напівперіод струму не пропускають. З діаграми бачимо і на схемі (рис.2.4.2), що напрям струмів, які протікають крізь навантаження протягом обох напівперіодів, співпадають.
Струм вторинної обмотки трансформатора протікає протягом усього періоду, причому напрям його змінюється кожний напівперіод (рис.2.4.3 І>21>, І>22>). Відповідно, у вторинній обмотці протікає змінний синусоїдний струм (при активному навантаженні), забезпечуючи хороше використання трансформатора в схемі.
Співвідношення між параметрами навантаження і вентиля наступні:
1. Фазова ЕРС у вторинній обмотці трансформатора:
U>2>=
=11,1B.
2. Максимальне значення зворотної напруги:
U>звор. макс>=1,57∙U>н>=1,57∙10=15,7В.
3. Середнє значення струму через вентиль:
І>а>=0,5∙І>н>=0,5∙1=0,5А.
4. Максимальне значення струму через вентиль:
І>а >>макс>=1,57∙І>н>=1,57∙1=1,57А.
5. Значення струму, який протікає у вторинній обмотці трансформатора:
І>2>=1,11∙І>н>=1,11∙1=1,11А.
6. Значення струму, який протікає в первинній обмотці трансформатора:
І>1>=
=0,06А,
де К>Т>=
20.
7. По розрахованим параметрам згідно табл. IV-4 [5] вибираємо для мостової схеми кремнієві діоди типу КД202Д з наступними параметрами:
найбільше значення зворотної напруги U>звор. макс>=200В;
середнє значення випрямленого струму без радіатора 1,0А;
падіння напруги в прямому напрямку при максимальному значенні випрямленого струму 1В.
Для другого випрямляча розрахунок аналогічний. Вибираємо діоди типу КД202Д.
Розрахунок згладжуючих фільтрів.
Так як після фільтру стоїть стабілізатор і струм на виході фільтра часто не перевищує 30мА, то приймаємо коефіцієнт пульсації на виході фільтрів К>п. доп>=0,01=1%, а вид фільтру (рис.2.4.4).

Рис.2.4.4.
Параметри фільтру визначаємо із співвідношення:
RC=1,5∙105q/мf,
де q - коефіцієнт згладжування
q=
,
де К>по> і К>п1> - коефіцієнти пульсацій на вході і виході фільтра відповідно.
q=
.
У противному випадку можуть виникнути резонансні явища.
м - число фаз випрямляча, м=1.
f - частота живлячої мережі, f=50Гц.
Задаючи R>ф1>=6,2кОм, отримаємо С>ф1>:
С>ф1>=
=940мкФ.
Для другого фільтра
R>ф2>=6,2кОм.
С>ф2>=
=940мкФ.
Приймаємо для С>ф> два конденсатори електролітичних по 470мкФ і включаємо їх паралельно.
Вибір стабілізаторів напруги.
Основним параметром стабілізаторів напруги являється коефіцієнт стабілізації напруги - величина, яка показує у скільки разів відносна зміна напруги на вході менше, ніж на вході:
К>ст>=
.
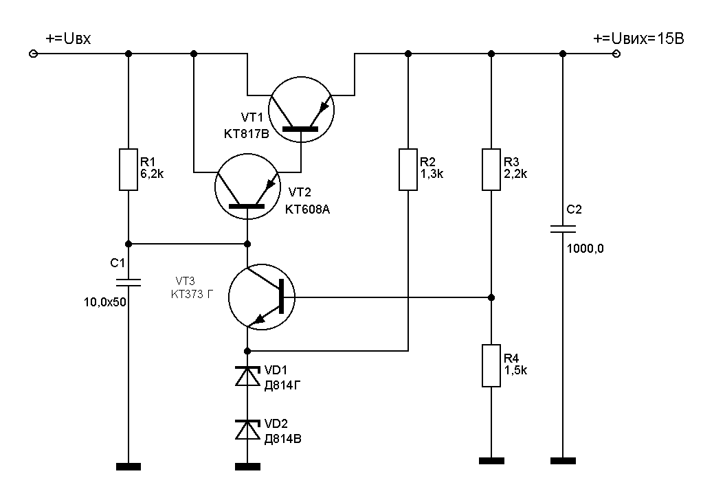
Для навантаження, яке не перевищує 50мА і коефіцієнті стабілізації К>ст>=30 вибираємо схему транзисторного стабілізатора напруги (рис.2.4.5).

Рис.2.4.5.
Схема транзисторного компенсаційного стабілізатора напруги (ТКСН) являє собою стабілізатор з послідовно включеним складовим регулюючим елементом VТ>1> і VТ>2> (КТ817В, КТ608А) і одно каскадним підсилювачем постійного струму VТ>3> (КТ373Г) і джерелом опорної напруги у вигляді двох кремнієвих стабілітронів VД>1> і VД>2> (Д814Г, Д814В), включених в ланцюг емітера транзистора - підсилювача постійного струму.
Транзистор VТ>3>, стабілітрони VД>1> і Стабілізатор повинен підтримувати постійною (з заданою точністю) напругу U>вих> на навантаженні незалежно від зміні U>вх >і R>н>.
Це здійснюється за рахунок використання від’ємного зворотного зв’язку, вплив якого так змінює опір нижнього плеча подільника R>3>-R>4>, що напруга на верхньому плечі залишається постійною.
В схемі ТКСН послідовно з навантаженням включений складовий регулюючий транзистор VТ>1> VТ>2>, за допомогою якого регулюється U>вих> або і>н>; схеми порівняння, де проходить порівняння U>вих> з U>оп> і підсилювача постійного струму (ППС - VТ>3>), з виходу якого підсилена різниця U>вих> і U>оп> подається на регулюючий в такій фазі, яка перешкоджає зміні U>вих> або і>н>.
В якості джерела опорної напруги U>оп> використовується кремнієвий стабілітрон (КС). Тип і кількість КС вибираємо відповідно до вихідної напруги на навантаженні і струму навантаження.
Розрахуємо граничний коефіцієнт стабілізації стабілізатора (рис.2.4.5), якщо відомо:
U>вих>=40В, І>н>=2А, І>н мін>=1мА, К>ст>≥30.
Δ>1>=10% - допустиме відносне зменшення вхідної напруги порівняно з номінальною;
Δ>2>=10% - допустиме відносне збільшення вхідної напруги.
R>вих>=1,1k.
Вибираємо КС типу КС512А для яких U>ст>=12В, І>ст. мін>=1мА, І>ст. макс>=67мА, r>ст>=25Ом [5], і вичислюємо
К>ст.
пр>=
=72.
К>ст. пр>>К>ст. задан>, тобто 72>30, відповідно схема стабілізатора вибрана правильно.
2.5 Особливості підготовки і роботи приладу
ПІДГОТОВКА АПАРАТА ДО РОБОТИ
1. Протріть зовнішні поверхні генератора, тримача, перетворювача і хвилеводу тампоном, змоченим 1% -ним розчином хлораміну або 3% -ним розчином перекису водню.
Встановіть генератор на відстані до 1,5 м від штепсельної розетки і не далі 1 м від місця роботи.
2. Встановіть кнопку МЕРЕЖА у віджате положення.
3. Підключіть до роз’єму ВИХІД генератора відповідний перетворювач на 22 або 44 кГц.
4. Приєднайте за допомогою різьбового з’єднання до концентратора перетворювача необхідний для лікування хвилевід.
5. Натисніть кнопку перемикача ХВИЛЕВІД, що відповідає цифрі, що слідує після 22 або 44 приєднаного хвилеводу,
6. Натисніть кнопку "2" або "5'' перемикача АМПЛІТУДА.
7. Підключіть мережний кабель до мережі 50 Гц 220 В. Заземлення відбувається одночасно з підключенням мережного кабелю до розетки з контактом, що заземлює.
8. Підготуйте судину ємністю 500 мл і налийте в нього води 500 мл.
9. Натисніть кнопку МЕРЕЖА, при цьому загоряються цифрові табло ЧАСТОТА, ХВИЛЕВІД, МКМ, ЧАС.
Переконайтеся в правильності інформації на цифровому табло у відповідності натиснутим кнопкам перемикачів ХВИЛЕВІД, АМПЛІТУДА, на інших цифрових табло повинна бути нульова інформація.
10. Натисніть кнопку УСТАН. перемикача ЧАС і установіть на цифровому табло час у хвилинах і секундах.
11. Опустіть на 1-2см у воду робочий кінець хвилеводу.
12. Натисніть кнопку
ПРОЦЕДУРА, при цьому в момент експозиції
повинний вироблятися зворотний відлік
часу процедури, у цей же час спостерігається
коливання води, а на цифровому табло
ЧАСТОТА повинна бути індикація частоти
(22
2)
кГц або (44
4)
кГц.
13. Виключите кнопку ПРОЦЕДУРА.
14. Після виконання операцій апарат готовий до роботи.
ПОРЯДОК РОБОТИ
1. Натисніть кнопку СКИДАННЯ перемикача ЧАС і переконаєтеся в нульових показаннях на цифровому табло.
2. Натисніть кнопку хвилинах і секундах.
3. Зробіть предстерилізаційне очищення хвилеводу і простерилізуйте його сухим нагріванням до 180°С.
4. Піднесіть до хворого органа пацієнта хвилевід, після чого закріпіть випромінювач у тримачу і натисніть кнопку ПРОЦЕДУРА.
Після закінчення заданого часу генератор автоматично виключається і включається звуковий сигналізатор.
Для передчасного закінчення процедури або вимикання сигналізатора необхідно виключити кнопку ПРОЦЕДУРА.
5. Після закінчення процедур апарат необхідно відключити від мережі.
3. Спеціальна частина
3.1 Медична частина
Способи введення ультразвукової енергії.
Існує кілька способів уведення ультразвукової енергії в оброблювану область. Найбільш розповсюджений спосіб - контактний, коли перетворювач прикладається безпосередньо до шкіри. У цьому випадку передача акустичної енергії здійснюється через тонкий шар контактної речовини, акустичний імпеданс (повний опір) якого близький до імпедансу шкіри.
При лікуванні частин тіла незручних конфігурацій, наприклад, колін або ліктів, опромінення можна проводити при зануренні тіла у ванну з водою. Також можуть використовуватися акустично прозорі мішки з водою. Мішок може приймати форму частини тіла, що опромінюється, а акустичний контакт зі шкірою здійснюється через шар контактної речовини.
Звичайно як контактні речовини використовуються рідини з підходящим акустичним імпедансом, такі як мінеральна або парафінова олії. Використовуються і тиксотропні речовини (типу гелів). Їх зручно використовувати, оскільки у звичайному стані вони досить в'язкі, але під дією ультразвуку розріджуються. Кількість енергії, передана через різні рідини, практично одна і таж, якщо шар досить тонкий, і залежить скоріше від тиску перетворювача на контактну речовину, чим від його складу.
Під час процедури перетворювач може утримуватися в одному положенні (режим стаціонарного випромінювача) або безупинно переміщатися над оброблюваною областю (режим випромінювача, що рухається). При будь-якій можливості необхідно уникати режиму стаціонарного випромінювача, оскільки можливо утворення стоячих хвиль і "гарячих точок", що можуть привести до локальних ушкоджень.
Дія ультразвуку на біологічні тканини. Теплові ефекти ультразвуку.
Кероване нагрівання глибоко розташованих тканин може дати в ряді випадків позитивний терапевтичний ефект. Високий коефіцієнт поглинання ультразвуку в тканинах з великими молекулами обумовлює помітне нагрівання колагеновмісних тканин, на які найчастіше і впливають ультразвуком при фізіотерапевтичних процедурах. Основний фактор, що часто перешкоджає відновленню м'якої тканини після її ушкодження - це контрактура (обмеження рухливості в суглобі, викликане рубцевим стягуванням шкіри, сухожиль, захворюваннями м'язів, суглоба, болючим рефлексом), що виникає в результаті ушкодження й обмежує нормальний рух. Слабке підігрівання тканини може підвищити її еластичність. Амплітуда рухів суглобів у випадку контрактури може бути збільшена шляхом їхнього нагрівання. Для нагрівання суглоба, оточеного значним шаром м'яких тканин, ультразвуковий спосіб найкращий, оскільки ультразвук краще інших форм діатермічної енергії (діатермія - метод електротерапії; глибоке прогрівання тканин струмами високої частоти і великої сили) проникає в м'язову тканину. Леман порівнював короткохвильову, мікрохвильову й ультразвукову діатермію кульчового суглоба. Було показано, що нагрів при максимально стерпних дозах короткохвильового й мікрохвильового опромінення приводить до опіків першого ступеня на шкірі й у підшкірних тканинах без помітного підвищення температури самого кульчового суглоба. У той же час ультразвук дає адекватне збільшення температури на кістці без перегріву шкіри.
Багато пацієнтів відзначають ослаблення болів при тепловому впливі на уражені області. Знеболюючий ефект може бути як короткочасним, так і тривалим. Рубін і Куітерт знайшли, що ультразвук послабляє фантомні болі після ампутації кінцівок, а також болі, викликані утворенням рубців і невром.
При локальному нагріванні тканини часто відзначаються судинні реакції. Тер Хаар і Хоупвел показали, що кровотік у м'язовій тканині збільшується в 2-3 рази при ультразвуковому прогріванні до температури 40 - 45оС. У роботах Іміга зміна кровотоку зв'язується з місцевим розширенням судин. Місцеве розширення судин збільшує надходження кисню в тканину і, отже, поліпшує умови, у яких знаходяться клітини.
Прогрівання може зменшити м'язовий спазм. Це обумовлено седативною (заспокійливою) дією підвищення температури на периферичні нервові закінчення. Ультразвук дозволяє швидко нагріти строго визначену область. До анатомічних структур, що вибірково нагріваються ультразвуком, відносяться багаті колагеном поверхневі шари кістки, окістя, суглобові меніски, синовіальна рідина, суглобові сумки, сполучні тканини, внутрим'язеві рубці, м'язові волокна, оболонки сухожиль і головні нервові стовбури.
Нетеплові ефекти ультразвуку.
Нетеплові механізми, за допомогою яких ультразвук може впливати на тканині, можна розділити на два класи: періодичні й неперіодичні.
Періодичні ефекти виникають із самої коливальної природи звукового поля і можуть розглядатися як своєрідний мікро масаж, що сприяє, наприклад, розсмоктуванню спайок, що утворяться в м'яких тканинах при їхніх ушкодженнях.
Головним неперіодичним ефектом, що приводить до лікувальної дії ультразвуку, є акустичні течії. Вони можуть бути викликані стійкими осцилюючими порожнинами або радіаційними силами як усередині, так і поза клітинами. Акустичні течії можуть впливати на середовище біля мембран, змінюючи градієнти концентрацій, впливаючи тим самим на дифузію іонів і молекул через мембрани. Чемпен показав, що ультразвук in vitro може зменшувати зміст калію в деяких клітках. Збільшення сили скорочення матки мишей при впливі ультразвуку може пояснюватися зміною змісту кальцію в клітинах гладких м'язів.
Деякі з нетеплових ефектів ультразвуку можуть нанести шкоду. В об’ємі, що опромінюється, утримуючі поверхні, що відбивають, можливе утворення стоячої хвилі, і еритроцити в кровоносних судинах, що попадають у цей об’єм, можуть збиратися в згустки. Тривалий вплив ультразвуку в цих умовах може привести до значного погіршення постачання киснем тканин, що харчуються даними судинами.
Застосування ультразвуку. У фізіотерапії.
Прискорення регенерації тканин.
Одне з найбільш розповсюджених застосувань ультразвуку у фізіотерапії - це прискорення регенерації тканин і загоєння ран. Відновлення тканин можна описати за допомогою трьох фаз, що перекриваються.
Протягом запальної фази фагоцитарна активність макрофагів і поліморфнонуклеарних лейкоцитів веде до видалення клітинних фрагментів і патогенних часток. Переробка цього матеріалу відбувається головним чином за допомогою лізосомальних ферментів макрофагів. Відомо, що ультразвук терапевтичних інтенсивностей може викликати зміни в лізосомальних мембранах, тим самим прискорюючи проходження цієї фази.
Друга фаза в заліковуванні ран - проліферація або фаза розростання. Клітини мігрують в область ураження і починають ділитися. Фібробласти починають синтезувати колаген. Інтенсивність загоєння починає збільшуватися, і спеціальні клітки, міофібробласти, змушують рани стягатися. Показано, що ультразвук значно прискорює синтез колагену фібробластами як in vitro, так і in vivo. Якщо диплоїдні фібробласти людини опромінити ультразвуком частотою 3 МГц і інтенсивністю 0,5 Вт/см2 in vitro, то кількість синтезованого білка збільшиться. Дослідження таких клітин в електронному мікроскопі показало, що в порівнянні з контрольними клітинами в них утримується більше вільних рибосом, шорсткуватої ендоплазматичної сітки.
Третя фаза - відновлення. Еластичність нормальної сполучної тканини обумовлена упорядкованою структурою колагенної сітки, що дозволяє тканини напружуватися й розслаблюватися без особливих деформацій. У рубцевій тканині волокна часто розташовуються нерегулярно й заплутано, що не дозволяє їй розтягуватися без розривів. Рубцева тканина, що формувалася при впливі ультразвуку, міцніша й еластичніша в порівнянні з "нормальною" рубцевою тканиною.
Лікування трофічних виразок.
При опроміненні хронічних варикозних виразок на ногах ультразвуком частотою 3 МГц і інтенсивністю 1 Вт/см2 в імпульсному режимі 2 мс: 8 мс були отримані наступні результати: після 12 сеансів лікування середня площа виразок складала приблизно 66,4% від їхньої попередньої площі, у той час як площа контрольних виразок зменшилась усього до 91,6%. Ультразвук може також сприяти приживленню пересаджених шматків шкіри на краї трофічних виразок.
Прискорення розсмоктування набряків.
Ультразвук може прискорити розсмоктування набряків, викликаних ушкодженнями м'яких тканин, що швидше за все обумовлене збільшенням кровотоку або місцевими змінами в тканинах під дією акустичних мікро струмів.
Загоєння переломів.
При експериментальному дослідженні переломів малої гомілкової кісти в пацюків було виявлено, що ультразвукове опромінення під час запальної і ранньої проліферативної фаз прискорює й поліпшує видужання. Кісткова мозоль у таких тварин містила більше кісткової тканини і менше хрящів. Однак у пізній проліферативній фазі приводило до негативних ефектів - посилювався ріст хрящів і затримувалося утворення кісткової тканини.
Застосування ультразвуку в хірургії.
Ультразвук, застосовуваний у медицині, може бути умовно розділений на ультразвук низьких і високих інтенсивностей. Основна задача застосування ультразвуку низьких інтенсивностей (0,125 - 3,0 Вт/см2) - нагрівання, що не ушкоджує, або які-небудь нетеплові ефекти, а також стимуляція й прискорення нормальних фізіологічних реакцій при лікуванні ушкоджень. При більш високих інтенсивностях (> 5 Вт/см2) основна мета - викликати кероване виборче руйнування в тканинах.
Перший напрямок містить у собі більшість застосувань ультразвуку у фізіотерапії і деякі види терапії рака, друге - ультразвукову хірургію.
Існують дві основні області застосування ультразвуку в хірургії. У першій з них використовується здатність сильно сфокусованого пучка ультразвуку викликати локальні руйнування в тканинах, а в другий механічні коливання ультразвукової частоти накладаються на хірургічні інструменти типу лез, пилок, механічних наконечників.
Хірургія за допомогою сфокусованого ультразвуку.
Хірургічна техніка повинна забезпечувати керованість руйнування тканин, впливати тільки на чітко обмежену область, бути швидкодіючою, викликати мінімальні втрати крові. Могутній ультразвук має більшість з цих якостей.
Можливість використання сфокусованого ультразвуку для створення зон ураження в глибині органа без руйнування вище лежачих тканин вивчено в основному в операціях на мозку. Пізніше операції проводилися на печінці, спинному мозку, нирках і оці.
Застосування сфокусованого ультразвуку.
Вплив сфокусованим ультразвуком застосовувалося в експериментальній нейрохірургії для вивчення функцій мозку і для перерізання мозолистого тіла при вивченні поведінкових реакцій. Використання цієї методики для лікування людей частково лімітовано необхідністю видаляти частину черепа для створення акустично прозорого "вікна", через яке можна було б пропускати ультразвуковий пучок.
Хвороба Мен’єра.
Замість традиційної хірургії ультразвук може застосовуватися і при лікуванні хвороби Мен’єра. Сутність хвороби полягає в порушеннях у внутрішнім вусі, що приводить до приступів запаморочення. Тонкий ультразвуковий пучок великої інтенсивності направляється на латеральний напівкруглий канал вуха для руйнування нейроепітелію крісти й макули в лабіринті. Для цього методу лікування дуже важлива точна дозиметрія, оскільки поблизу напівкруглого каналу проходить лицьовий нерв і руйнування цього нерва веде до лицьового паралічу. При методиці, описаної Арсланом, у сосцьовидному відростку скроневої кісти пророблюється жолобок у який уводиться ультразвуковий випромінювач. Це дозволяє опромінити лабіринт. Нервові закінчення в ньому руйнуються, пацієнти на тривалий час рятуються від запаморочень. Відсоток вилікуваних високий і складає від 67 до 95%, при цьому слух не змінюється.
Хвороба Паркінсона.
Неконтрольовані посмикування голови й кінцівок, що є симптомами цієї хвороби, можна ліквідувати, порушивши діяльність деяких глибинних ділянок мозку.
Інструментальна ультразвукова хірургія
Ультразвукові хірургічні інструменти складаються звичайно з напівхвильового магнітострикційного або п’єзокерамічного перетворювача, зв'язаного з хвилеводом, що має робочий наконечник, форма якого відповідає виконуваним операціям. Амплітуда коливання наконечника може складати від 15 до 350 мкм, а робоча частота вибирається з діапазону до 30 кГц.
Оскільки тертя між двома поверхнями зменшується, якщо одна з поверхонь коливається, то застосування ультразвукових інструментів для розрізу вимагає менших зусиль у порівнянні з традиційними скальпелями. Висока температура, що досягається на кінці ультразвукового скальпеля, може припікати судину до 2 мм у діаметрі. Це зменшує кровотечу в операційній зоні, і таким чином, полегшує проведення операції.
Перевага ультразвукової техніки в порівнянні з кріохірургічною полягає в тому, що кінчик скальпеля не прилипає до тканини, і поверхні розрізу не піддаються додатковим травмам.
Перевага ультразвукового скальпеля в порівнянні з лазерною хірургією полягає в тім, що хірург почуває опір тканини при її розрізі і тому руйнування тканини краще контролюється.
Ультразвукові інструменти знайшли безліч застосувань у клініці, серед яких можна виділити дві великі області. До першої відноситься аспірація (видалення) тканин. Тут найбільш розповсюдженим випадком використання ультразвуку є видалення катаракти з кристалика ока - факоемульсіфікація. Кінчик інструмента робиться у формі порожньої трубочки, що вставляється в невеликий отвір в оці. Кінчик вібрує, руйнуючи кристалик, і невеликі його фрагменти всмоктуються через трубочку. Аналогічна методика може бути використана і для зменшення обсягу твердої пухлини, наприклад, ректальної.
До другої області застосування ультразвукових інструментів відноситься розрізування тканин. Достоїнством тут є малі втрати крові. Метод успішно застосовується на таких багатих судинами органах, як печінка й селезінка. Він використовується також при трахеотомії, тонзилектомії, при операціях на легенях, бронхах, грудній клітці й оці. Для різання кісти може застосовуватися ультразвукова пилка. При порівняльному дослідженні було знайдено, що поверхня розрізу, зробленого ультразвуковою пилкою, була шорсткуватіше, чим зроблена звичайною пилкою, однак вона не містила видимих мікро тріщин. Ультразвукова пилка працює більш плавно, і з її допомогою легше здійснювати точну остеотомію.
Ультрафонофорез.
Ультрафонофорез - це одночасний вплив на організм ультразвуком і лікарськими препаратами. Ультразвукові коливання збільшують проникність шкіри для частинок лікарської речовини: вони легко проникають в організм і накопичуються, утворюючи "шкірне депо", потім ліки поступові з депо надходять у кров. Важливо правильно вибрати дозування препарату, частоту й режим роботи.
Застосування ультразвуку в стоматології.
Уперше Циннер у 1955 році запропонував використовувати ультразвук для лікування періодонтиту; він же запропонував використовувати його для видалення каменів.
Інструмент, використовуваний для лікування зубів, складається зі стрижневого ультразвукового перетворювача і має на кінці наконечник. У наконечнику збуджуються повздовжні коливання на частоті в діапазоні 25 - 42 кГц і з амплітудою в області 6 - 100 мкм. Ультразвук дозволяє зчистити й видалити налиплі скупчення з поверхні зубів і їхніх коренів. Наконечником можна чистити, стирати й шліфувати зуби, рятуючи їх від каменів, бляшок, залишків їжі, плям і розм'якшеного цементу. Фотомікрографічні дослідження показали, що після ультразвукового очищення поверхня зуба стає більш гладкої, чим після ручної обробки. Ультразвукові інструменти можуть використовуватися для вискоблювання патологічного зубодесневого карману. У цьому випадку наконечник може прикладатися до м'якої тканини для того, щоб зробити слабкий опік.
Використання ультразвуку для лікування раку.
Ультразвук достатньої інтенсивності може нагріти будь-яку локалізовану область тканини до використовуваних у гіпертермії температур (більше 42оС). З технічної точки зору перевага ультразвуку перед електромагнітним нагріванням полягає в тому, що виділення енергії в середовищі може бути краще локалізовано, при необхідності можна використовувати фокусування.
Завдання полягає в тім, щоб рівномірно нагріти весь обсяг пухлини до деякої постійної температури за умови, щоб температура нормальної тканини підтримувалася на фізіологічно прийнятному рівні. Є вказівки на те, що крім чисто температурної дії ультразвук може володіти і деяким цитотоксичним ефектом.
Лі, опромінюючи ультразвуком in vitro клітини, показав, що відсоток клітин, що втратили репродуктивну здатність при нагріванні ультразвуком більший, у порівнянні з клітинами, нагрітими іншим способом.
Маються дані, що використання рентгенівського опромінення в комбінації з використанням ультразвуку при лікуванні раку дає більший ефект, у порівнянні з тими випадками, коли ці методи використовувалися по окремості.
Механізм руйнування тканин
При порівнянні даних по граничним інтенсивностях, при яких відбувається руйнування тканин, виявилося, що при інтенсивностях звуку менше 2103 Вт/см2 і часу експозиції менше 410-2 с працює кавітаційний механізм, а у випадку, коли час експозиції перевищує 1с, а інтенсивність звуку менше, ніж 200 Вт/см2 працює механізм теплового руйнування. У проміжній області механізм руйнування не ясний. Під акустичною кавітацією розуміють утворення й активацію газових або парових порожнин (пухирців) у середовищі, що піддається ультразвуковому впливові.
По загальноприйнятій термінології існують два типи активності пухирців: стабільна кавітація і колапсуюча, або не стаціонарна кавітація, хоча границя між ними не завжди чітко обкреслена.
Стабільні порожнини пульсують під впливом тиску ультразвукового поля. Радіус пухирця коливається біля рівноважного значення, порожнина існує протягом значного числа періодів звукового поля. З активністю такої стабільної кавітації може бути зв'язане виникнення акустичних мікро потоків і високих напругах зсуву.
Колапсуючі або нестаціонарні порожнини осцилюють нестійко біля своїх рівноважних розмірів, виростають у кілька разів і енергійно захлопуються. Захлопуванням таких пухирців можуть бути обумовлені високі температури й тиски, а також перетворення енергії ультразвуку у випромінювання світла або хімічні реакції.
На порошинах і домішкових частках, що містяться в рідинах можуть існувати мікро тріщини. Надлишковий тиск усередині часточок, що задається s/R, де R - радіус часточок і s - коефіцієнт поверхневого натягу, малий, але під дією звуку досить високої інтенсивності газ може накачуватися в них і порожнини можуть рости. Було показано, що інтенсивність звуку, необхідна для одержання кавітації, помітно підвищується при збільшенні чистоти рідини.
Малі пухирці можуть рости внаслідок процесу, називаного випрямленою, або спрямованої, дифузією. Пояснення цього явища полягає в тому, що за період акустичного поля газ по черзі дифундує в пухирець під час фази розрядження і з пухирця під час фази стиску. Тому що поверхня пухирця у фазі розрядження максимальна, сумарний потік газу спрямований усередину пухирця, тому пухирець росте. Щоб пухирець ріс за рахунок випрямленої дифузії, амплітуда акустичного тиску повинна перевищити граничне значення. Поріг випрямленої дифузії і визначає поріг кавітації.
Мікроскопічна структура руйнувань.
Вивчення зони уражень під мікроскопом, виконане Уорвіком і Пондом, показує, що руйнування мають структуру "острів" і "рів", причому існує різка границя між нормальною й ураженою тканиною. У мозковій тканині "острів" являє собою коагульовану центральну частину, а "рів" характеризують розпушення цитоплазми нервових клітин. Вивчення тканини за допомогою електронного мікроскопа показує, що спочатку руйнуються мітохондрії; вони набухають і здобувають низьку електронну щільність. Однак у мозку найбільш чуттєвими виявляються синапси і вони руйнуються ще раніш.
ФІЗІОЛОГІЧНІ ОСНОВИ ЛІКУВАЛЬНОГО ЗАСТОСУВАННЯ НИЗЬКОЧАСТОТНОГО УЛЬТРАЗВУКУ.
Потрапляючи в живий організм, низькочастотний ультразвук робить на нього комплексний біологічний вплив: мікромасаж клітинних структур, тепловий ефект, хімічні впливи.
Озвучування низькочастотним ультразвуком підвищує проникність клітинних мембран, прискорює процеси дифузії у клітках, процеси біохімічного окислювання, підсилює проникнення в шкіру рідких ліків, викликає мікро акустичні потоки, капілярні ефекти.
ПОКАЗАННЯ Й ПРОТИПОКАЗАННЯ ДО УЛЬТРАЗВУКОВОЇ НИЗЬКОЧАСТОТНОЇ ТЕРАПІЇ.
1. Ультразвукова хронічних запальних процесах жіночих статевих органів:
хронічних кольпіті, уретриті, циститі;
хронічних ендометриті, лараметриті;
хронічному аднекситі;
хронічному спаєчному пельвіоперитоніті;
епітеліальних дисплазіях шийки матки;
щирих доброякісних ерозіях шийки матки;
трубній безплідності;
краурозі зовнішніх полових органів.
2. Ультразвукова низькочастотна терапія показана: у післяопераційному періоді на область рани з метою попередження інфільтративних утворень і прискорення репаративних процесів.
3. Ультразвукова низькочастотна терапія протипоказана при:
гострому запальному процесі жіночих статевих органів;
злоякісних новоутвореннях жіночих статевих органів;
кисті і кистомі яєчників;
тромбофлебітах;
маткових кровотечах;
загальних протипоказаннях до ультразвукової терапії;
туберкульозі жіночих статевих органів.
КЛІНІЧНІ ОСОБЛИВОСТІ СПОСОБУ ЗАСТОСУВАННЯ УЛЬТРАЗВУКОВОЇ НИЗЬКОЧАСТОТНОЇ ТЕРАПІЇ.
1. Підготовка хворої до ультразвукової низькочастотної терапії,
1.1 Усім хворим попередньо проводиться клінічне обстеження. Крім аналізів, огляду в дзеркалах шийки матки і бімануального дослідження, проводяться спеціальні методи, що включають: цитологічне, кольпоскопічне, кольпоцервікоскопічне, а при показаннях і гістологічне дослідження.
1.2 Під час огляду особлива увага звертається на стан суміжних органів.
1.3 Перед призначенням піхвової низькочастотної терапії визначається ступінь піхвової чистоти, при II ступеня чистоти проводиться лікування шляхом використання масляних контактних середовищ (вазелінове, облепіхове, шипшинова олія або гліцерин), фізрозчину або розчину ДНК, при ступені III-1У в якості контактних середовищ використовується синтоміцинова емульсія, мазі з антибіотиками, розчин фурациліну 1: 5000 або біфуранова суміш (розчин фурациліну і фурадоніну 1: 5000), при кандідозах як контактне середовище використовується ністатинова мазь або леворинова емульсія.
2. Проведення курсу ультразвукової низькочастотної терапії при лікуванні хронічних запальних процесів цервікального каналу і матки.
2.1 Лікування гінекологічних хворих, як правило, робиться в амбулаторних умовах при положенні хворої на гінекологічному кріслі.
2.2 Озвучування виробляється за допомогою ультразвукового перетворювача ИУТ-22 із приєднаним хвилеводом 22-1, робоча поверхня якого вводиться в цервікальний канал.
2.3 Лікування робити щодня протягом 5-7 днів, час озвучування по цифровому табло ЧАС 1-2 хв., амплітуда ультразвукових механічних коливань на робочій ділянці хвилеводу 2 або 5 мкм.
2.4 Після 5-7-го дня лікування хворі піддаються повторному оглядові (проводяться цитологічні і кольпоскопічні дослідження).
2.5 Контрольний огляд проводиться через 1 місяць, 3 місяці і 1 рік.
2.6 Курс лікування можна повторити через 3 місяці. У рік допускається 2-3 курси лікування ультразвуковою низькочастотною терапією.
3. Ультразвукова низькочастотна терапія шийки матки і матки.
3.1 Положення хворої на гінекологічному кріслі.
3.2 Шийку матки оголюється дзеркалом Куско, видаляється слиз із шийки матки і піхви сухим тампоном.
3.3 Озвучування шийки матки і матки виробляється за допомогою ультразвукового перетворювача ИУТ-44 із приєднаним хвилеводом 44-2, робоча поверхня якого прикладається до шийки матки.
3.4 Під час процедури необхідно стежити за повним приляганням робочої поверхні хвилеводу до ділянки, що озвучується.
3.5 Лікування робити щодня протягом 5-7 днів, час озвучування 1 - 2 хв., амплітудою 2 мкм.
4. Ультразвукова низькочастотна терапія зовнішнім озвучуванням жіночих статевих органів.
4.1 Зовнішнє озвучування жіночих статевих органів робиться за допомогою ультразвукового перетворювача ИУТ-44 із приєднаним хвилеводом 44-1, Контактне середовище наноситься на торцеву поверхню хвилеводу 44-1, а також на ділянку, що піддається озвучуванню.
4.2 При краурозі статевих органів попередньо розмічаються поля впливу, що також озвучуються з нанесенням масляних інгредієнтів.
5. При застосуванні фонофорезу лікарські речовини у виді мазей (гідрокортизон, дезоксирибонуклеази й ін.) наносяться на випромінюючу поверхню хвилеводів 22-1, 44-1, 44-2, а також на ділянку, що піддається озвучуванню.
Ультразвукова терапія зазначених вище захворювань не викликає побічних явищ.
Для успішного проведення ультразвукової терапії повинна строго дотримуватися дана інструкція.
4. Економічна частина
4.1 Попередній розрахунок річного економічного ефекту
Техніко-економічні розрахунки проводимо з метою встановлення доцільного введення апарату для ультразвукової терапії.
Річний економічний ефект отриманий в результаті введення приладу визначається як різниця приведених затрат до цього введення і базового приладу.
Е= [ (с>1>-с>2>) - Е>п> (К>2>-К>1>)].
Приймаємо для даного приладу термін окупності 6 років. Зміна продуктивності нейтральна до введення проектованого приладу:
3 операції за годину х 5год. робочого дня х 0,5=7 операцій за зміну.
А при використанні даного приладу:
5 операції за годину х 5год. робочого дня х 0,5=12 операцій за зміну.
Собівартість машинної зміни приладу 20гр., запропонованого приладу 15гр., тоді собівартість даної процедури:
с>1>=20/7=3гр. за операцію
с>2>=15/12=1,3гр. за операцію
Річна норма виробітку при 200 змінах в рік буде становити:
А=12∙200=2400 операцій.
При вартості базового апарату 1000гр., для запропонованого апарату для ультразвукової терапії 800гр., тоді:
К>1>=1000/2400=0,4гр. за операцію
К>2>=800/2400=0,3гр. за операцію
Річний економічний ефект при цьому складає:
Е=2400 [ (3-1,3) - 0,2 (0,3-0,4)] =4100гр.
5. Питання техніки безпеки при роботі з апаратом
5.1 Працювати з апаратом дозволяється тільки після ознайомлення з паспортом.
5.2 По способі захисту пацієнта й обслуговуючого персоналу від ураження електричним струмом апарат відповідає виробам класу 1 відповідно до ГОСТ 12.2.025-76.
5.3 При виході апарата з ладу необхідно його знеструмити і вжити заходів по усуненню несправності. Ремонт апарата, зміну деталей, запобіжників робити в знеструмленому стані.
5.4 Не допускати можливості зіткнення робочої поверхні хвилеводу з твердими предметами.
5.5 Під час експлуатації апарата категорично забороняється доторкатися руками до робочої частини хвилеводу.
6. Загальні висновки
Проектований прилад порівняно з його аналогами має наступні переваги:
1) зниження споживання за рахунок застосування мікросхем;
2) у зв’язку з тим, що зменшились розміри друкованої плати, зменшилися габаритні розміри проектованого приладу, а також зріс і термін експлуатації даного приладу.
Виконано розрахунок джерела живлення.
Мікросхема споживає струм 0.5А, напруга споживання 15В.
Здійснено розрахунок річного економічного ефекту, який складає 4100гр.
Література
1. Велика медична енциклопедія.
2. Алтаев Д.И.О., Болотников В.А. Аналоговые интегральные микросхемы для бытовой радиоаппаратуры. Справочник. М.: Изд-во МЭИ. 1991 - 240с., ил.
3.В.И. Безак. Медицинский инструментарий и аппаратура.
4. Техника и методики физиотерапевтических процедур. Справочник. Под ред.В.М. Боголюбова. М.: Медицина, 1987.
5. Справочная книга радиолюбителя конструктора. / А.А. Бакуняев, Н.М. Борисов, Р.Г. Варламов и др.; Под ред.Н.И. Чистякова. - М.: Радио и связь. 1990. - 624с
6. А.Н. Великорецкий. Медицинская техника.
7. Гершунский Б.С. Расчет основных электронных и полупроводниковых схем в примерах. Изд-во Киевского университета.
8. Голиков В.Ф. и др. простейшие устройства на микросхемах. - Минск: Беларусь. 1997.
9. Катона Золтан. Электроника в медицине.М. 1989.
10. Катона Золтан. Техника лечит. М.: Мир. 1980.
11. Н.М. Ливенцев, А.Р. Ливенсон. Электромедицинская аппаратура. М.: Медицина. 1974г.
12. Проектирование источника питания устройств связи, Китаев В.Е., Букуняев А.А., М., 1972.
13. Л.М. Клечкин, М.Н. Виноградова. Физиотерапия. М.: Медицина. 1988г.
14. Н.М. Ливенцев, А.Р. Ливенсон. Электромедицинская аппаратура. М.: Медицина. 1974г.
15. Марголін Г.Г. Розрахунки деталей та вузлів радіоапаратури. Харків: Енергія. 1991. - 235с.
16. Справочник разработчика и конструктора РЭА. Элементная база. Масленников М.Ю., Соболев Е.А., Соколов Г.В., Соловейчик Л.Ф., Переверзева А.В., Федотов Б.А., Книга 1. Книга 2. - М.: Энергоатомиздат. 1993.
17. Б.М. Нефедов. Интегральные схемы и их зарубежные аналоги: Справочник.
18. Медична техніка, під ред. Г.С. Стеценка, Луцьк, “Настир‘я”, 2002р.
19. Посібник з фізіотерапії, під ред. Фіногенова С.М. К.: Здоров’я, 1978.