Организация, планирование и управление на нефтеперерабатывающих предприятиях
Министерство Образования Российской Федерации
уфимский государственный АВИАЦИОННЫЙ
технический университет
Кафедра теоретической механики
Расчетно-графическая работа №1
по теоретической механике
Выполнил: ст. группы РМП-109
Галиуллина в.в.
Проверил: МИХАЙЛОВ
Уфа 2004
Введение
Курсовая работа решает задачу закрепления, укрепления и практического применения знаний, полученных при изучении раздела курса “Организация, планирование и управление на нефтеперерабатывающих предприятиях”
Курсовая работа включает технико-экономические расчёты важнейших показателей плана предприятия. Исходные данные разработаны для предприятия нефтепереработки, дают достаточное представление о процессе разработки плана и формировании оценочных технико-экономических показателей.
На основе исходных данных студент должен произвести расчёт производственной программы и следующих основных технико-экономических показателей условного нефтеперерабатывающего предприятия:
1) объём и ассортимент товарной продукции;
2) объём товарной продукции;
3) себестоимость товарной продукции;
4) затраты на 1 рубль товарной продукции;
5) прибыль от реализации продукции;
6) рентабельность капитала;
7) рентабельность издержек;
8) фондоотдача;
9) производительность труда.
Разработка курсовой работы и её защиты являются важным фактором в подготовке студентов к следующему этапу – выполнению экономического обоснования эффективности технических и технологических решений, принятых в дипломном проекте.
Качество выполнения задания по курсовой работе и результат защиты служат объективной характеристикой теоретических знаний практических навыков в области экономики и управления производством будущих инженеров-механиков.
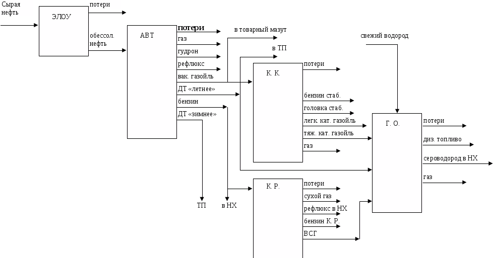
В тексте приняты следующие сокращения:
ЭЛОУ – электрообессоливающая установка;
АВТ – атмосферно-вакуумная трубчатка;
К.К. – каталитический крекинг;
К.Р. – каталитический риформинг;
Г.О. – гидроочистка;
В.С.Г. – водородосодержащий газ.

Рисунок 1. Схема технологических потоков по условному предприятию
1 Исходные данные
Таблица 1
|
1) Объем сырой нефти, тыс. тонн |
7028 |
|
2) Потери на ЭЛОУ |
0,4 |
|
3) Мощность АВТ: |
7000 |
|
4) Выход продукта на АВТ: |
|
|
бензин |
13 |
|
д/т “летнее” |
23,5 |
|
д/т “зимнее” |
14,5 |
|
вакуумный газойль |
15 |
|
рефлюкс |
1,0 |
|
газ |
2,0 |
|
гудрон |
30,5 |
|
потери |
0,5 |
|
5) Мощность К.К., тыс. тонн |
950 |
|
6) Выход продукта на КК: |
|
|
бензин стабильный |
27,0 |
|
головка стабилизации |
7,0 |
|
легкий каталитический газойль |
38,0 |
|
тяжелый каталитический газойль |
20,0 |
|
газ |
2,0 |
|
потери |
6,0 |
|
7) Мощность каталитического риформинга, тыс. тонн |
910 |
|
8) Выход продукта на КР: |
|
|
сухой газ |
11,3 |
|
рефлюкс |
3,0 |
|
бензин КР |
81,0 |
|
ВСГ |
3,0 |
|
Потери |
1,7 |
|
9) Мощность гидроочистки, тыс. тонн |
1450 |
|
10) Выход продукта на гидроочистке |
|
|
д/т (S<0.2) |
97,6 |
|
сероводород |
0,9 |
|
газ |
0,5 |
|
потери |
1,0 |
|
11) Стоимость ОФ (тыс. рублей): |
|
|
ЭЛОУ |
18300 |
|
АВТ |
53100 |
|
К.К. |
18400 |
|
К.Р. |
21600 |
|
Г.О. |
16100 |
|
12) Явочная численность рабочих в смену |
|
|
ЭЛОУ: оператор 4-го разряда |
2 |
|
оператор 5-го разряда |
1 |
|
АВТ: ст. оператор 6-го разряда |
1 |
|
оператор 5-го разряда |
3 |
|
оператор 4-го разряда |
1 |
|
машинист 4-го разряда |
1 |
|
К.К.: ст. оператор 6-го разряда |
1 |
|
оператор 5-го разряда |
3 |
|
оператор 4-го разряда |
1 |
|
машинист 5-го разряда |
3 |
|
машинист 4-го разряда |
1 |
|
К.Р.: ст. оператор 6-го разряда |
1 |
|
оператор 5-го разряда |
2 |
|
оператор 4-го разряда |
1 |
|
машинист 5-го разряда |
1 |
|
машинист 4-го разряда |
1 |
|
Г.О.: ст. оператор 6-го разряда |
1 |
|
оператор 5-го разряда |
1 |
|
оператор 4-го разряда |
1 |
|
машинист 5-го разряда |
1 |
|
машинист 4-го разряда |
1 |
2. Расчет производственной программы
Производственная программа рассчитывается исходя из заданного объема перерабатываемого сырья, годовой мощности установки, нормативов выхода продукции по установке и нормативов возвратных и безвозвратных потерь. На основе предварительно рассчитанных материальных балансов по отдельным установкам составляется сводный материальный баланс по заводу, который, в свою очередь, является базой для составления ведомости товарных продуктов.
Таблица 2
|
Материальный баланс по установке ЭЛОУ |
||
|
Наименование сырья и нефтепродукта |
Тысяч |
% |
|
1. Взять: а) Нефть сырая |
7028 |
100 |
|
Итого: |
7028 |
100 |
|
2. Получить: а) Нефть обессоленная |
7000 |
99,6 |
|
Потери: |
28 |
0,4 |
|
Итого: |
7028 |
100 |
|
Материальный баланс по установке АВТ |
||
|
1. Взять: а) Нефть обезвоженная |
7000 |
100 |
|
Итого: |
7000 |
100 |
|
2. Получить: а) Бензин (КР) |
910,00 |
13 |
|
б) Д/т “л” (ГО) |
1645,00 |
23,5 |
|
в) Д/т “з” (весь в товар) |
1015,00 |
14,5 |
|
г) Вакуумный газойль (КК) |
1050,00 |
15 |
|
д) рефлюкс (сырье НХ) |
70,00 |
1,0 |
|
е) газ |
140,00 |
2,0 |
|
ж) гудрон (в мазут) |
2135,00 |
30,5 |
|
Потери |
35,00 |
0,5 |
|
Итого: |
7000 |
100 |
|
Материальный баланс по установке К.К. |
||
|
1. Взять: а) Вакуумный газойль (с АВТ) |
950 |
100 |
|
Итого |
950 |
100 |
|
2. Получить: а) Бензин стабильный |
256,5 |
27,0 |
|
б) Головка стабилизации |
66,5 |
7,0 |
|
в ) Легкий каталитический газойль (ГО) |
361,0 |
38,0 |
|
г) Тяжелый каталитический газойль (ГО) |
190 |
20,0 |
|
д) газ |
19,0 |
2,0 |
|
Потери |
57,0 |
6,0 |
|
Итого: |
950 |
100 |
|
Материальный баланс по установке К.Р. |
||
|
1) Взять: а) Бензин прямогонный (с АВТ ) |
910,00 |
100 |
|
Итого: |
910,00 |
100 |
|
2) Получить: а) Сухой газ |
102,83 |
11,3 |
|
б) Рефлюкс |
27,3 |
3,0 |
|
в) Бензин КР |
737,1 |
81,0 |
|
г) ВСГ |
27,3 |
3,0 |
|
Потери |
15,47 |
1,7 |
|
Итого: |
910,00 |
100 |
|
Материальный баланс по установке Г.О. |
||
|
1) Взять: а) ВСГ (с КР) |
27,3 |
1,9 |
|
б) Легкий каталитический газойль |
361,0 |
24,9 |
|
в) Водород |
7,25 |
0,50 |
|
г) Дизельное топливо “Л” |
1054,45 |
72,7 |
|
Итого: |
1450 |
100 |
|
2) Получить: а) Дизельное топливо (S<0.2) |
1415,2 |
97,6 |
|
б) газ |
7,25 |
0,5 |
|
в) сероводород |
13,05 |
0,9 |
|
Потери |
14,5 |
1,0 |
|
Итого: |
1450 |
100 |
Остаток дизельного топлива “ летнее “ (S>0.2) с АВТ равен 590,55 тысяч тонн входит в состав товарной продукции.
3. Расчет объема товарной продукции
Производится расчет потребного топлива для всех установок, а затем из этого количества вычитается все количество газообразного топлива. К последним относятся все ресурсы газа, полученного на всех установках завода.
Таблица 4.
Расчет потребности в топливе по предприятию
|
Установка |
Объем переработки сырья, тысяч тонн |
Норма расхода, кг/т |
Количество, тонн |
|
АВТ |
7000 |
27 |
189,00 |
|
К.К. |
950 |
22 |
20,9 |
|
К.Р. |
910 |
45 |
40,95 |
|
Г.О. |
1450 |
17 |
24,65 |
|
Итого |
10310 |
111 |
275,5 |
Для расчета товарных бензинов принимать следующие значения октановых чисел:
-компонент бензина КК=74 п;
-компонент бензина КР=87 п;
-товарный бензин АИ-93=86 п;
-товарный бензин А-76=76 п.
Расчет рецептов смешения товарных бензинов основан на принципе аддитивности (лимитности) октановых чисел, т.е. октановое число смеси равно сумме октановых чисел компонентов.
74*X1+87*X3=86*X1+86*X3 74*(256,5-X2)+87*(737,1-X4)=86*(256,5-X2+737,1-X4)
74*X2+87*X4=76*X2+76*X4 (1) 87*X4-76*X4=76*X2-74*X2 (2)
X1+X2=Q (КК) X1=256,5-X2
X3+X4=Q (КР) X3=737,1-X4
18981-74*X2+64127,7-87*X4=22059-86X2+63390,6-86X4 12*X2=2340,9+X4
X4=2/11*X2 (3) X2=11/2*X4 (4)
X1=256,5-X2 X1=256,5-X2
X3=737,1-X4 X3=737,1-X4
12*11/2*X4-X4=2340,9 65*X4=2340,9 X4=36,01
X4=2/11*X2 (5) X4=2/11*X2 (6) X2=198,06 (7)
X1=256,5-X2 X1=256,5-X2 X1=58,44
X3=737,1-X4 X3=737,1-X4 X3=701,09
Таблица 5.
Схема смешения компонентов.
|
Компоненты |
Товарные бензины |
|
|
АИ-93 (86) |
А-76 (76) |
|
|
Бензин КК (76) Бензин КР (87) |
X1=58,44 X3=701,09 |
X2=198,06 X4=36,01 |
Таблица 6.
Расчет объема товарной продукции.
|
Наименование товарного продукта |
С какой установки поступает |
Количество, тысяч тонн |
|
Автобензин всего: |
|
993,6 |
|
в т.ч. А-76 |
К.К. |
256,50 |
|
АИ-93 |
К.Р. |
737,10 |
|
Дизельное топливо “летнее” |
|
|
|
c содержанием S<0.2 % |
Г.О. |
1415,2 |
|
c содержанием S>0.2% |
АВТ |
590,55 |
|
Дизельное топливо “ зимнее “ |
АВТ |
1015,00 |
|
Сырье для нефтехимии |
АВТ, К.К.,К.Р.,Г.О. |
176,85 |
|
Мазут |
АВТ, К.К. |
2425,00 |
4. Расчет численности и фонда заработной платы производственного персонала
Таблица 7.
Баланс рабочего времени
|
Дни |
Часы |
|
Выходные дни
Невыходы на работу: а) основной отпуск: б) неявки по болезни в) выполнение гос. обязанностей 3. Эффективный фонд времени, Т>эф.> |
365 91 274 27 3 2 242 |
2920 728 2192 216 24 16 1936 |
На базе исходных данных о невыполнении, а также явочной численности рабочих в смену рассчитывается номинальный и эффективный фонд рабочего времени одного работника. Для обеспечения последующих расчетов фонда зарплаты, расчет численности определяется умножением явочной численности в смену на количество бригад и на отношение номинального фонда времени к эффективному, т.е. на коэффициент подмены.
К>п>=Т>ном.>/Т>эф.>,
где Т>н>=274 дней, т.к. непрерывное производство;
Т>эф.>=242 дней, эффективный фонд времени.
К>п>=274/242=1,13
Таблица 8.
Расчет списочной численности производственных рабочих.
|
Профессия и разряд |
Количество человек в смене |
Количество бригад |
Коэффициент подмены |
Списочная численность |
|
ЭЛОУ |
|
|
|
|
|
Оператор 5 разряда |
2 |
4 |
1,13 |
9 |
|
Оператор 4 разряда |
1 |
4 |
1,13 |
5 |
|
АВТ |
|
|
|
|
|
Старший оператор |
1 |
4 |
1,13 |
5 |
|
Оператор 5 разряда |
3 |
4 |
1,13 |
14 |
|
Оператор 4 разряда |
1 |
4 |
1,13 |
5 |
|
Машинист 4 разряда |
1 |
4 |
1,13 |
5 |
|
КК |
|
|
|
|
|
Старший оператор 6 разряд |
1 |
4 |
1,13 |
5 |
|
Оператор 5 разряда |
3 |
4 |
1,13 |
14 |
|
Оператор 4 разряда |
1 |
4 |
1,13 |
5 |
|
Машинист 5 разряда |
3 |
4 |
1,13 |
14 |
|
Машинист 4 разряда |
1 |
4 |
1,13 |
5 |
|
КР |
|
|
|
|
|
Старший оператор 6 разряд |
1 |
4 |
1,13 |
5 |
|
Оператор 5 разряда |
2 |
4 |
1,13 |
9 |
|
Оператор 4 разряда |
1 |
4 |
1,13 |
5 |
|
Машинист 5 разряда |
1 |
4 |
1,13 |
5 |
|
Машинист 4 разряда |
1 |
4 |
1,13 |
5 |
|
ГО |
|
|
|
|
|
Старший оператор 6 разряд |
1 |
4 |
1,13 |
5 |
|
Оператор 5 разряда |
1 |
4 |
1,13 |
5 |
|
Оператор 4 разряда |
1 |
4 |
1,13 |
5 |
|
Машинист 5 разряда |
1 |
4 |
1,13 |
5 |
|
Машинист 4 разряда |
1 |
4 |
1,13 |
5 |
|
Итого: |
29 |
|
|
140 |
Расчет годового фонда зарплаты старшего оператора 6 разряда возглавляющего бригаду.
Оплата по тарифной ставке
Ф>т.с.>=Т>эф.>*С>6>
где С>6>=18,80 - часовая тарифная ставка рабочего 6 разряда;
Ф>т.с.>= 1936*18,80=36396,8рублей
Премиальный фонд
Ф>пр.>=30 % от Ф>т.с.>
Ф>пр.>=0,3*36396,8=10919,04 рублей
Доплата за работу в ночное время
Ф>ноч.>=Т>ноч.>*С>6>*n ,
где Т>ноч.>- количество ночных часов, отрабатываемых каждым рабочим;
n=50 %
Т>ноч.>=(Тр.*t>см.>*Т>эф.>)/(В*Т>ном.>),
где Т>р.>- годовое количество дней работы установки;
t>см.>- продолжительность рабочего дня по графику сменности, 2;
В- количество бригад по графику сменности.
Т>ноч.>=(365*8*242)/(4*274)=644,74
Ф>ноч.>= 644,74*18,80*0,5=6060,59 рублей
Доплата за работу в праздничные дни
Ф>празд.>=nсм. празд.*С>6>*t>см.>,
где nсм. празд.- количество праздничных смен, отрабатываемое каждым рабочим.
nсм.празд.=(Т>праз.>*nсм.*Т>эф.>)/(В*Т>ном.>),
где Тпразд.- количество праздничных дней, Т>празд.>=15.
nсм.празд.=(15*3*1936)/(4*2192)=9,93
Ф>празд.>=9,93*18,80*8=1,49439 тысяч рублей
Основной фонд зарплаты старшего оператора 6 разряда
Ф>осн.>=Ф>т.с.>+Ф>пр.>+Ф>ноч.>+Ф>празд.>
Ф>осн.>= 36,3968+10,91904 +6,06059 +1,494339=54,8709 тысяч рублей
Дополнительный фонд рабочего времени
Оплата отпусков
Ф>отп.>=Ф>осн.>*t>отп.>/Т>эф.>
где t>отп.>- количество дней отпуска, t>отп.>=27 дня.
Ф>отп.>= 54,8709 *27/242=6,12 тысяч рублей
Оплата государственных обязанностей
Ф>гос.>=Ф>осн.>*t>гос.>/Т>эф.>,
где t>гос.>-время государственных обязанностей, t>гос.>=2 дня.
Ф>гос.>= 54,8709 *2/243=0,45 тысяч рублей
Оплата больничных листов
Ф>бол.>=Ф>осн.>*t>бол.>/Т>эф.>,
где t>бол.>- неявки по болезни, t>бол.>=3 дня.
Ф>бол.>= 54,8709 *3/243=0,68
Фонд зарплаты старшего оператора 6 разряда
=Ф>осн.>+Ф>доп.>
=
54,8709 +7,25=62,12 тысяч рублей
Фонд зарплаты рабочих других разрядов, определяется по формуле:

где
-фонд
зарплаты одного работника i-го
разряда, тысяч рублей;
-
фонд зарплаты рабочего, возглавляющего
бригаду, тысяч рублей;
-
часов тарифная ставка рабочего i-го
разряда, рублей;
-
часовая тарифная ставка рабочего
возглавляющего бригаду, рублей.
Фонд зарплаты оператора 5 разряда и машиниста 5 разряда:
,
где
-
часовая тарифная ставка рабочего 5
разряда,
=16,00;
=62,12*16,00/18,80=52,87
тысяч рублей
Фонд зарплаты оператора и машиниста 4 разряда:

,
где
-
часовая тарифная ставка рабочего 4
разряда,
=14,50
рублей.
=62,12*14,50/18,80=47,91
рублей.
Таблица 9.
Расчет фонда зарплаты производственного персонала установки.
|
Наимено вание установки |
Профессия и разряд |
Фонд осн. З/п i-го рабочего |
Фонд допол. з/п i-го рабочего |
Общий фонд з/п i-го рабочего |
Списочная численность |
Общий фонд з/п |
Район ный коэф. |
Всего фонд з/п |
|
ЭЛОУ |
а) Рабочие: |
|||||||
|
оператор 5 разряда |
52,87 |
9 |
475,83 |
1,15 |
547,20 |
|||
|
оператор 4 разряда |
47,91 |
5 |
239,55 |
1,15 |
275,48 |
|||
|
б) специалисты: |
||||||||
|
начальник установки |
163,80 |
1 |
163,80 |
1,15 |
188,37 |
|||
|
механик |
124,80 |
1 |
124,80 |
1,15 |
143,52 |
|||
|
Всего: |
16 |
1 154,57 |
||||||
|
АВТ |
а) Рабочие: |
|||||||
|
ст. оператор 6 разряда |
62,12 |
5 |
310,60 |
1,15 |
357,19 |
|||
|
оператор 5 разряда |
52,87 |
14 |
740,18 |
1,15 |
851,21 |
|||
|
оператор 4 разряда |
47,91 |
5 |
239,55 |
1,15 |
275,48 |
|||
|
машинист 4 разряда |
47,91 |
5 |
239,55 |
1,15 |
275,48 |
|||
|
б) специалисты: |
||||||||
|
начальник установки |
163,80 |
1 |
163,80 |
1,15 |
188,37 |
|||
|
механик |
124,80 |
1 |
124,80 |
1,15 |
143,52 |
|||
|
Всего: |
31 |
2 091,25 |
||||||
|
КК |
а) Рабочие: |
|||||||
|
ст.оператор 6 разряда |
62,12 |
5 |
310,60 |
1,15 |
357,19 |
|||
|
оператор 5 разряда |
52,87 |
14 |
740,18 |
1,15 |
851,21 |
|||
|
оператор 4 разряда |
47,91 |
5 |
239,55 |
1,15 |
275,48 |
|||
|
машинист 5 разряда |
52,87 |
14 |
740,18 |
1,15 |
851,21 |
|||
|
машинист 4 разряда |
47,91 |
5 |
239,55 |
1,15 |
275,48 |
|||
|
б) специалисты: |
||||||||
|
начальник установки |
163,80 |
1 |
163,80 |
1,15 |
188,37 |
|||
|
механик |
124,80 |
1 |
124,80 |
1,15 |
143,52 |
|||
|
Всего: |
45 |
2 942,46 |
||||||
|
КР |
а) Рабочие: |
|||||||
|
ст.оператор 6 разряда |
62,12 |
5 |
310,60 |
1,15 |
357,19 |
|||
|
оператор 5 разряда |
52,87 |
9 |
475,83 |
1,15 |
547,20 |
|||
|
оператор 4 разряда |
47,91 |
5 |
239,55 |
1,15 |
275,48 |
|||
|
машинист 5 разряда |
52,87 |
5 |
264,35 |
1,15 |
304,00 |
|||
|
машинист 4 разряда |
47,91 |
5 |
239,55 |
1,15 |
275,48 |
|||
|
б) специалисты |
||||||||
|
начальник установки |
163,80 |
1 |
163,80 |
1,15 |
188,37 |
|||
|
механик |
124,80 |
1 |
124,80 |
1,15 |
143,52 |
|||
|
Всего: |
31 |
2 091,24 |
||||||
|
ГО |
а) Рабочие: |
|||||||
|
ст.оператор 6 разряда |
62,12 |
5 |
310,60 |
1,15 |
357,19 |
|||
|
оператор 5 разряда |
52,87 |
5 |
264,35 |
1,15 |
304,00 |
|||
|
оператор 4 разряда |
47,91 |
5 |
239,55 |
1,15 |
275,48 |
|||
|
машинист 5 разряда |
52,87 |
5 |
264,35 |
1,15 |
304,00 |
|||
|
машинист 4 разряда |
47,91 |
5 |
239,55 |
1,15 |
275,48 |
|||
|
б) специалисты: |
||||||||
|
начальник установки |
163,80 |
1 |
163,80 |
1,15 |
188,37 |
|||
|
механик |
124,80 |
1 |
124,80 |
1,15 |
143,52 |
|||
|
Всего: |
27 |
1 848,04 |
||||||
|
Итого |
150 |
5. Расчет себестоимости продукции
Исходными данными для составления калькуляции являются материальные балансы по процессам, а также нормы расходов на текущий ремонт, кроме того, используются данные о расходе жидкого и газообразного топлива, а также данные расчета фонда заработной платы производственного персонала по установкам.
Таблица 10.
Расчет материально-технических средств
|
Наименование установки |
Наименование материально-технических средств |
Норма расхода на 1 тонну |
Годовой расход, млн. тонн |
Цена за единицу, рублей |
Сумма, тыс. рублей |
|
ЭЛОУ |
Деэмульгатор, кг |
0,03 |
0,211 |
47 000,00 |
9917,00 |
|
|
Сода каустическая, кг |
0,041 |
0,288 |
3 700,00 |
1065,60 |
|
|
Пар, Гкал |
0,011 |
0,077 |
174,00 |
13398,00 |
|
|
Вода, м3 |
0,429 |
3,015 |
0,54 |
1628,10 |
|
|
Электроэнергия, кВтч |
0,982 |
6,901 |
0,52 |
3588,52 |
|
|
Сжатый воздух, м3 |
0,502 |
3,528 |
0,12 |
423,36 |
|
АВТ |
Сода кальцинированная, кг |
0,055 |
0,385 |
1 500,00 |
577,50 |
|
|
Сода каустическая, кг |
0,02 |
0,140 |
3 700,00 |
518,00 |
|
|
Аммиак, кг |
0,058 |
0,406 |
2 800,00 |
1136,80 |
|
|
Топливо, кг |
27 |
189,000 |
1 360,00 |
257040,00 |
|
|
Пар, Гкал |
0,052 |
0,364 |
174,00 |
63,34 |
|
|
Вода, м3 |
9,42 |
65,940 |
0,54 |
35,61 |
|
|
Электроэнергия, кВтч |
6,41 |
44,870 |
0,52 |
23,33 |
|
|
Сжатый воздух, м3 |
4,15 |
29,050 |
0,12 |
3,49 |
|
К.К. |
Катализатор, кг |
3,559 |
3,381 |
70 000,00 |
236670,00 |
|
|
Сода каустическая, кг |
0,015 |
0,014 |
3 700,00 |
51,80 |
|
|
Топливо, кг |
22 |
20,900 |
1 360,00 |
28424,00 |
|
|
Пар, Гкал |
0,76 |
0,722 |
174,00 |
125,63 |
|
|
Вода, м3 |
18,7 |
17,765 |
0,54 |
9,59 |
|
|
Электроэнергия, кВтч |
36,87 |
35,027 |
0,52 |
18,21 |
|
|
Сжатый воздух, м3 |
9,28 |
8,816 |
0,12 |
1,06 |
|
К.Р. |
Сода каустическая, кг |
0,049 |
0,045 |
3 700,00 |
166,50 |
|
|
Катализатор АП-64, кг |
0,034 |
0,031 |
258 660,00 |
8018,46 |
|
|
Инертный газ, кг |
1,61 |
1,465 |
400,00 |
586,00 |
|
|
Моноэтаноламин, кг |
0,032 |
0,029 |
10 512,00 |
304,85 |
|
|
Диэтиленгликоль, кг |
0,32 |
0,291 |
9 900,00 |
2880,9 |
|
|
Топливо, кг |
45 |
40,95 |
1 360,00 |
55692,00 |
|
|
Пар, Гкал |
0,032 |
0,029 |
174,00 |
5046,00 |
|
|
Вода, м3 |
10,9 |
9,919 |
0,54 |
5356,00 |
|
|
Электроэнергия, кВтч |
37,8 |
34,398 |
0,52 |
17887,00 |
|
|
Сжатый воздух, м3 |
4,13 |
3,758 |
0,12 |
451,00 |
|
Г.О. |
Инертный газ, кг |
1,278 |
1,853 |
400,00 |
741,2 |
|
|
Сода каустическая, кг |
0,83 |
1,204 |
3 700,00 |
4454,8 |
|
|
Катализатор, кг |
0,021 |
0,030 |
36 000,00 |
1080,00 |
|
|
Моноэтаноламин |
0,051 |
0,074 |
10 452,00 |
773,45 |
|
|
Топливо, кг |
17 |
24,65 |
1 360,00 |
32524,00 |
|
|
Пар, Гкал |
0,032 |
0,046 |
174,00 |
8,00 |
|
|
Вода, м3 |
5,46 |
7,917 |
0,54 |
4,28 |
|
|
Электроэнергия, кВтч |
11,13 |
16,139 |
0,52 |
8,39 |
|
|
Сжатый воздух, м3 |
1,54 |
2,233 |
0,12 |
0,27 |
|
|
Цена 1 тонны нефти поступающей на завод |
|
|
2 000,00 |
|
Расшифровка затрат на калькулируемую продукцию
Примечание: 16 и 16а заполняются только в случае получения на установке товарной продукции
Калькуляция себестоимости нефтепродуктов по установке АВТ
Таблица 12
|
Наименование статей |
Количество, тыс. т |
Цена, р. |
Сумма, тыс.р. |
Наименование продукции |
Количество, тыс. т |
Коэф. |
Себестоимость |
|
|
всего выпуска, тыс.р. |
одной тонны, р. |
|||||||
|
1. Сырье и основные материалы: |
|
|
|
Основная продукция: |
|
|
|
|
|
1) Нефть обессоленная |
7 000,00 |
2023,456 |
14 164192,00 |
1) Бензин |
980,00 |
- |
3098194,54 |
3161,423 |
|
2) |
|
|
|
2) Д/т "Л" |
1540,00 |
- |
4868591,42 |
3161,423 |
|
3) |
|
|
|
3) Д/т "З" |
1050,00 |
- |
3319494,15 |
3161,423 |
|
4) |
|
|
|
4) |
|
- |
|
|
|
5) |
|
|
|
5) |
|
- |
|
|
|
Итого по ст. 1: |
7 000,00 |
- |
14 164192,00 |
6) |
|
- |
|
|
|
2. Полуфабрикаты собственного производства: |
|
|
7) |
|
- |
|
|
|
|
8) |
|
- |
|
|
||||
|
1) |
|
|
9) |
|
- |
|
|
|
|
2) |
|
|
10) |
- |
|
|||
|
3) |
|
|
Итого: |
3570,00 |
11286278,66 |
|||
|
Итого по ст. 2: |
|
- |
|
Попутная продукция: |
||||
|
3. Покупные изделия и полуфабрикаты: |
|
|
||||||
|
1) |
|
|
1) Газ |
175,00 |
|
238000 |
1360,000 |
|
|
2) |
|
|
2) Гудрон |
2170,00 |
|
2170000 |
1000,000 |
|
|
3) |
|
|
3) Вакуумный газойль |
980,00 |
|
980000 |
1000,000 |
|
|
Итого по ст. 3: |
|
- |
|
4) Рефлюкс |
70,00 |
|
70000 |
1000,000 |
|
Исключаются потери и безвозвратные отходы |
21 |
- |
|
5) |
|
|
|
|
|
6) |
|
|
|
|
||||
|
4. Отходы возвратные |
14 |
- |
|
7) |
|
|
|
|
|
Итого отходов: |
35 |
- |
|
8) |
|
|
|
|
|
Итого по статьям 1+2+3-4 за вычетом потерь и безвозвратных отходов: |
6 965,00 |
- |
14 164192,00 |
9) |
|
|
|
|
|
10) |
|
|
|
|
||||
|
Итого: |
3395,00 |
|
3458000 |
|
||||
|
Затраты по обработке (ст.5+6+7+8+9+10+11+12+13+14) |
- |
- |
578791,356 |
Всего: |
6965,00 |
|
14744278,66 |
|
|
Всего: |
6 965,00 |
- |
14744278,66 |
Расшифровка затрат на калькулируемую продукцию
|
№ статьи |
Наименование статьи |
Единица измерения |
На весь выпуск |
На единицу измерения |
||
|
Количество |
Цена, р. |
Сумма, тыс.р. |
||||
|
|
Сырьё, основные материалы и полуфабрикаты за вычетом потерь и безвозвратных отходов |
- |
- |
- |
14 164192,00 |
|
|
5. |
Вспомогательные материалы, в т.ч.: |
|
|
|||
|
а) Сода кальцинированная |
тыс. тонн |
0,385 |
1 500,000 |
577,500 |
|
|
|
б) Сода каустическая |
тыс. тонн |
0,140 |
3 700,000 |
518,000 |
|
|
|
в) Аммиак |
тыс. тонн |
0,406 |
2 800,000 |
1 136,800 |
|
|
|
г) |
|
|
||||
|
д) |
|
|
||||
|
е) |
|
|
||||
|
Итого по статье 5: |
- |
- |
- |
2 232,300 |
|
|
|
6. |
Топливо и энергия на технологические цели, в т.ч.: |
|
|
|||
|
а) топливо |
тонн |
189,000 |
1 360,000 |
257 040,000 |
|
|
|
б) пар |
Гкал. |
0,364 |
174,000 |
63 336,000 |
|
|
|
в) вода |
м3 |
65,940 |
0,540 |
35 607,600 |
|
|
|
г) электроэнергия |
кВтч |
44,870 |
0,520 |
23 332,400 |
|
|
|
д) сжатый воздух |
м3 |
29,050 |
0,120 |
3 486,000 |
|
|
|
е) |
|
|
||||
|
Итого по статье 6: |
- |
- |
- |
382 802,000 |
|
|
|
7. |
Затраты на оплату труда производственного персонала |
- |
- |
- |
2 091,250 |
|
|
8. |
Отчисления на социальные нужды производственного персонала |
- |
- |
- |
744,485 |
|
|
9. |
Затраты на подготовку и освоение производства |
- |
- |
- |
|
|
|
10. |
Внутризаводская перекачка |
- |
- |
- |
70 000,000 |
|
|
11. |
Общепроизводственные расходы |
- |
- |
- |
43 793,774 |
|
|
12. |
Общехозяйственные расходы |
- |
- |
- |
77 127,547 |
|
|
13. |
Потери от брака |
- |
- |
- |
- |
|
|
14. |
Прочие производственные расходы |
- |
- |
- |
- |
|
|
14а. |
Производственная себестоимость выработанной продукции (ст.1+2+3+4+5+6+7+8+9+10+11+12+13+14) |
- |
- |
- |
14 744278,66 |
|
|
15. |
Попутная продукция |
- |
- |
- |
3 458 000,000 |
- |
|
15а. |
Производственная себестоимость основной продукции (ст.14а-15) |
- |
- |
- |
11 286278,66 |
|
|
16. |
Коммерческие расходы |
- |
- |
- |
- |
|
|
16а. |
Полная себестоимость товарной продукции (ст.15а+16) |
- |
- |
- |
11 286278,66 |
|
Примечание: 16 и 16а заполняются только в случае получения на установке товарной продукции
Калькуляция себестоимости нефтепродуктов по установке КК Таблица 13
|
Наименование статей |
Количество, тыс.т |
Цена, р. |
Сумма, тыс.р. |
Наименование продукции |
Количество, тыс.т |
Коэф. |
Себестоимость |
|
|
всего выпуска, тыс.р. |
одной тонны, р. |
|||||||
|
1. Сырье и основные материалы: |
|
|
|
Основная продукция: |
|
|
|
|
|
1) Вакуумный газойль |
950,00 |
1000,000 |
950000 |
1) Бензин |
256,5 |
- |
600242,319 |
2340,126 |
|
2) |
|
|
|
2) ЛКГ |
361 |
- |
511694,396 |
1417,436 |
|
3) |
|
|
|
3) |
|
- |
|
|
|
4) |
|
|
|
4) |
|
- |
|
|
|
5) |
|
|
|
5) |
|
- |
|
|
|
Итого по ст. 1: |
950,00 |
- |
950000 |
6) |
|
- |
|
|
|
2. Полуфабрикаты собственного производства: |
|
|
|
7) |
|
- |
|
|
|
8) |
|
- |
|
|
||||
|
1) |
|
|
|
9) |
|
- |
|
|
|
2) |
|
|
|
10) |
- |
|
||
|
3) |
|
|
|
Итого: |
617,5 |
1111936,947 |
||
|
Итого по ст. 2: |
|
- |
|
Попутная продукция: |
||||
|
3. Покупные изделия и полуфабрикаты: |
|
|
|
|||||
|
1) |
|
|
|
1) Газ |
28,5 |
|
38760 |
1360,000 |
|
2) |
|
|
|
2) Головка стабилизации |
85,5 |
|
119700 |
1400,000 |
|
3) |
|
|
|
3) ТКГ |
171 |
|
171000 |
1000,000 |
|
Итого по ст. 3: |
|
- |
|
4) |
|
|
|
|
|
Исключаются потери и безвозвратные отходы |
28,50 |
- |
|
5) |
|
|
|
|
|
6) |
|
|
|
|
||||
|
4. Отходы возвратные |
19 |
- |
|
7) |
|
|
|
|
|
Итого отходов: |
47,50 |
- |
|
8) |
|
|
|
|
|
Итого по статьям 1+2+3-4 за вычетом потерь и безвозвратных отходов: |
902,50 |
- |
950000 |
9) |
|
|
|
|
|
10) |
|
|
|
|
||||
|
Итого: |
285 |
|
329460 |
|
||||
|
Затраты по обработке (ст.5+6+7+8+9+10+11+12+13+14) |
- |
- |
491396,947 |
Всего: |
902,5 |
|
1441396,947 |
|
|
Всего: |
902,50 |
- |
1441396,947 |
Расшифровка затрат на калькулируемую продукцию
|
№ статьи |
Наименование статьи |
Единица измерения |
На весь выпуск |
На единицу измерения |
||
|
Количество |
Цена, р. |
Сумма, тыс.р. |
||||
|
|
Сырьё, основные материалы и полуфабрикаты за вычетом потерь и безвозвратных отходов |
- |
- |
- |
950 000,000 |
|
|
5. |
Вспомогательные материалы, в т.ч.: |
|
|
|||
|
а) Катализатор |
тыс. тонн |
3,381 |
70 000,000 |
236 670,000 |
|
|
|
б) Сода каустическая |
тыс. тонн |
0,014 |
3 700,000 |
51,800 |
|
|
|
в) |
|
|
||||
|
г) |
|
|
||||
|
д) |
|
|
||||
|
е) |
|
|
||||
|
Итого по статье 5: |
- |
- |
- |
236 721,800 |
|
|
|
6. |
Топливо и энергия на технологические цели, в т.ч.: |
|
|
|||
|
а) топливо |
тонн |
20,900 |
1 360,000 |
28 424,000 |
|
|
|
б) пар |
Гкал. |
0,722 |
174,000 |
125 628,000 |
|
|
|
в) вода |
м3 |
17,765 |
0,540 |
9 593,100 |
|
|
|
г) электроэнергия |
кВтч |
35,027 |
0,520 |
18 214,040 |
|
|
|
д) сжатый воздух |
м3 |
8,816 |
0,120 |
1 057,920 |
|
|
|
е) |
|
|
||||
|
Итого по статье 6: |
- |
- |
- |
182 917,060 |
|
|
|
7. |
Затраты на оплату труда производственного персонала |
- |
- |
- |
2 942,460 |
|
|
8. |
Отчисления на социальные нужды производственного персонала |
- |
- |
- |
1 047,516 |
|
|
9. |
Затраты на подготовку и освоение производства |
- |
- |
- |
|
|
|
10. |
Внутризаводская перекачка |
- |
- |
- |
9 500,000 |
|
|
11. |
Общепроизводственные расходы |
- |
- |
- |
20 886,704 |
|
|
12. |
Общехозяйственные расходы |
- |
- |
- |
37 381,407 |
|
|
13. |
Потери от брака |
- |
- |
- |
- |
|
|
14. |
Прочие производственные расходы |
- |
- |
- |
- |
|
|
14а. |
Производственная себестоимость выработанной продукции (ст.1+2+3+4+5+6+7+8+9+10+11+12+13+14) |
- |
- |
- |
1 441 396,947 |
|
|
15. |
Попутная продукция |
- |
- |
- |
329 460,000 |
- |
|
15а. |
Производственная себестоимость основной продукции (ст.14а-15) |
- |
- |
- |
1 111 936,947 |
|
|
16. |
Коммерческие расходы |
- |
- |
- |
- |
|
|
16а. |
Полная себестоимость товарной продукции (ст.15а+16) |
- |
- |
1 111 936,947 |
|
Примечание: 16 и 16а заполняются только в случае получения на установке товарной продукции
Калькуляция себестоимости нефтепродуктов по установке КР Таблица 14
|
Наименование статей |
Количество, тыс.т |
Цена, р. |
Сумма, тыс.р. |
Наименование продукции |
Количество, тыс.т |
Коэф. |
Себестоимость |
|
|
всего выпуска, тыс.р. |
одной тонны, р. |
|||||||
|
1. Сырье и основные материалы: |
|
|
|
Основная продукция: |
|
|
|
|
|
1) Бензин прямогонный |
980,00 |
3161,423 |
3098194,54 |
1) Бензин |
788,9 |
- |
3025133,269 |
3834,622 |
|
2) |
|
|
|
2) |
|
- |
|
|
|
3) |
|
|
|
3) |
|
- |
|
|
|
4) |
|
|
|
4) |
|
- |
|
|
|
5) |
|
|
|
5) |
|
- |
|
|
|
Итого по ст. 1: |
980,00 |
- |
3098194,54 |
6) |
|
- |
|
|
|
2. Полуфабрикаты собственного производства: |
|
|
|
7) |
|
- |
|
|
|
8) |
|
- |
|
|
||||
|
1) |
|
|
|
9) |
|
- |
|
|
|
2) |
|
|
|
10) |
- |
|
||
|
3) |
|
|
|
Итого: |
788,9 |
3025133,269 |
||
|
Итого по ст. 2: |
|
- |
|
Попутная продукция: |
||||
|
3. Покупные изделия и полуфабрикаты: |
|
|
|
|||||
|
1) |
|
|
|
1) ВСГ |
34,3 |
|
41160 |
1200,000 |
|
2) |
|
|
|
2) Сухой газ |
109,76 |
|
149273,6 |
1360,000 |
|
3) |
|
|
|
3) Рефлюкс |
29,4 |
|
29400 |
1000,000 |
|
Итого по ст. 3: |
|
- |
|
4) |
|
|
|
|
|
Исключаются потери и безвозвратные отходы |
10,584 |
- |
- |
5) |
|
|
|
|
|
6) |
|
|
|
|
||||
|
4. Отходы возвратные |
7,056 |
- |
- |
7) |
|
|
|
|
|
Итого отходов: |
17,640 |
- |
- |
8) |
|
|
|
|
|
Итого по статьям 1+2+3-4 за вычетом потерь и безвозвратных отходов: |
962,360 |
- |
3052161,98 |
9) |
|
|
|
|
|
10) |
|
|
|
|
||||
|
Итого: |
173,46 |
|
219833,6 |
|
||||
|
Затраты по обработке (ст.5+6+7+8+9+10+11+12+13+14) |
- |
- |
146772,329 |
Всего: |
962,36 |
|
3244966,869 |
|
|
Всего: |
962,360 |
- |
3244966,869 |
Расшифровка затрат на калькулируемую продукцию
|
№ статьи |
Наименование статьи |
Единица измерения |
На весь выпуск |
На единицу измерения |
||
|
Количество |
Цена, р. |
Сумма, тыс.р. |
||||
|
|
Сырьё, основные материалы и полуфабрикаты за вычетом потерь и безвозвратных отходов |
- |
- |
- |
3 098 194,540 |
|
|
5. |
Вспомогательные материалы, в т.ч.: |
|
|
|||
|
а) Сода каустическая |
тыс. тонн |
0,048 |
3 700,000 |
177,600 |
|
|
|
б) Катализатор АП-68 |
тыс. тонн |
0,033 |
258 660,000 |
8 535,780 |
|
|
|
в) Инертный газ |
тыс. тонн |
1,578 |
400,000 |
631,200 |
|
|
|
г) Моноэтаноламин |
тыс. тонн |
0,031 |
10 512,000 |
325,872 |
|
|
|
д) Диэтиленгликоль |
тыс. тонн |
0,314 |
9 900,000 |
3 108,600 |
|
|
|
е) |
|
|
||||
|
Итого по статье 5: |
- |
- |
- |
12 779,052 |
|
|
|
6. |
Топливо и энергия на технологические цели, в т.ч.: |
|
|
|||
|
а) топливо |
тонн |
44,100 |
1 360,000 |
59 976,000 |
|
|
|
б) пар |
Гкал. |
0,031 |
174,000 |
5 394,000 |
|
|
|
в) вода |
м3 |
10,682 |
0,540 |
5 768,280 |
|
|
|
г) электроэнергия |
кВтч |
37,044 |
0,520 |
19 262,880 |
|
|
|
д) сжатый воздух |
м3 |
4,047 |
0,120 |
485,640 |
|
|
|
е) |
|
|
||||
|
Итого по статье 6: |
- |
- |
- |
90 886,800 |
|
|
|
7. |
Затраты на оплату труда производственного персонала |
- |
- |
- |
2 091,240 |
|
|
8. |
Отчисления на социальные нужды производственного персонала |
- |
744,481 |
|
||
|
9. |
Затраты на подготовку и освоение производства |
- |
- |
- |
|
|
|
10. |
Внутризаводская перекачка |
9 800,000 |
|
|||
|
11. |
Общепроизводственные расходы |
- |
- |
- |
11 726,252 |
|
|
12. |
Общехозяйственные расходы |
- |
- |
- |
18 744,504 |
|
|
13. |
Потери от брака |
- |
- |
- |
- |
|
|
14. |
Прочие производственные расходы |
- |
- |
- |
- |
|
|
14а. |
Производственная себестоимость выработанной продукции (ст.1+2+3+4+5+6+7+8+9+10+11+12+13+14) |
- |
- |
- |
3 244 966,869 |
|
|
15. |
Попутная продукция |
- |
- |
219 833,600 |
- |
|
|
15а. |
Производственная себестоимость основной продукции (ст.14а-15) |
- |
- |
- |
3 025 133,269 |
|
|
16. |
Коммерческие расходы |
- |
- |
- |
- |
|
|
16а. |
Полная себестоимость товарной продукции (ст.15а+16) |
- |
- |
- |
3 025 133,269 |
|
Примечание: 16 и 16а заполняются только в случае получения на установке товарной продукции
Калькуляция себестоимости нефтепродуктов по установке ГО Таблица 15
|
Наименование статей |
Количество, тыс. т |
Цена, р. |
Сумма, тыс.р. |
Наименование продукции |
Количество, тыс. т |
Коэф. |
Себестоимость |
|
|
всего выпуска, тыс.р. |
одной тонны, р. |
|||||||
|
1. Сырье и основные материалы: |
|
|
|
Основная продукция: |
|
|
|
|
|
1) ВСГ |
34,30 |
1200,000 |
41160 |
1) Д/т "Л" |
1372 |
- |
3851347,01 |
2807,104 |
|
2) ЛКГ |
361,00 |
1417,436 |
511694,396 |
2) |
|
- |
|
|
|
3) Водород |
7,00 |
8700 |
60900 |
3) |
|
- |
|
|
|
4) Д/т "Л" |
997,64 |
3161,423 |
3153962,042 |
4) |
|
- |
|
|
|
5) |
|
|
|
5) |
|
- |
|
|
|
Итого по ст. 1: |
1 400 |
- |
3767716,438 |
6) |
|
- |
|
|
|
2. Полуфабрикаты собственного производства: |
|
|
|
7) |
|
- |
|
|
|
8) |
|
- |
|
|
||||
|
1) |
|
|
|
9) |
|
- |
|
|
|
2) |
|
|
|
10) |
|
|
||
|
3) |
|
|
|
Итого: |
1372 |
3851347,01 |
||
|
Итого по ст. 2: |
|
- |
|
Попутная продукция: |
||||
|
3. Покупные изделия и полуфабрикаты: |
|
|
|
|||||
|
1) |
|
|
|
1) Газ |
4,2 |
|
5712 |
1360,000 |
|
2) |
|
|
|
2) Сероводород |
9,8 |
|
4900 |
500,000 |
|
3) |
|
|
|
3) |
|
|
|
|
|
Итого по ст. 3: |
|
- |
|
4) |
|
|
|
|
|
Исключаются потери и безвозвратные отходы |
8,4 |
- |
- |
5) |
|
|
|
|
|
6) |
|
|
|
|
||||
|
4. Отходы возвратные |
5,6 |
- |
- |
7) |
|
|
|
|
|
Итого отходов: |
14,00 |
- |
- |
8) |
|
|
|
|
|
Итого по статьям 1+2+3-4 за вычетом потерь и безвозвратных отходов: |
1 386,00 |
- |
3767716,438 |
9) |
|
|
|
|
|
10) |
|
|
|
|
||||
|
Итого: |
14 |
|
10612 |
|
||||
|
Затраты по обработке (ст.5+6+7+8+9+10+11+12+13+14) |
- |
- |
94242,572 |
Всего: |
1386 |
|
3861959,01 |
|
|
Всего: |
1 386,00 |
- |
3861959,01 |
Расшифровка затрат на калькулируемую продукцию
|
№ статьи |
Наименование статьи |
Единица измерения |
На весь выпуск |
На единицу измерения |
||
|
Количество |
Цена, р. |
Сумма, тыс.р. |
||||
|
|
Сырьё, основные материалы и полуфабрикаты за вычетом потерь и безвозвратных отходов |
- |
- |
- |
3 767 716,438 |
|
|
5. |
Вспомогательные материалы, в т.ч.: |
|
|
|||
|
а) Инертный газ |
тыс. тонн |
1,789 |
400,000 |
715,600 |
|
|
|
б) Сода каустическая |
тыс. тонн |
1,162 |
3 700,000 |
4 299,400 |
|
|
|
в) Катализатор |
тыс. тонн |
0,029 |
36 000,000 |
1 044,000 |
|
|
|
г) Моноэтаноламин |
тыс. тонн |
0,071 |
10 452,000 |
742,092 |
|
|
|
д) |
|
|
||||
|
е) |
|
|
||||
|
Итого по статье 5: |
- |
- |
6 801,092 |
|
||
|
6. |
Топливо и энергия на технологические цели, в т.ч.: |
|
|
|||
|
а) топливо |
тонн |
23,800 |
1 360,000 |
32 368,000 |
|
|
|
б) пар |
Гкал. |
0,045 |
174,000 |
7 830,000 |
|
|
|
в) вода |
м3 |
7,644 |
0,540 |
4 127,760 |
|
|
|
г) электроэнергия |
кВтч |
15,582 |
0,520 |
8 102,640 |
|
|
|
д) сжатый воздух |
м3 |
2,156 |
0,120 |
258,720 |
|
|
|
е) |
|
|
||||
|
Итого по статье 6: |
- |
- |
- |
52 687,120 |
|
|
|
7. |
Затраты на оплату труда производственного персонала |
- |
- |
- |
1 848,040 |
|
|
8. |
Отчисления на социальные нужды производственного персонала |
- |
- |
657,902 |
|
|
|
9. |
Затраты на подготовку и освоение производства |
- |
- |
- |
|
|
|
10. |
Внутризаводская перекачка |
- |
- |
- |
14 000,000 |
|
|
11. |
Общепроизводственные расходы |
- |
- |
- |
7 209,806 |
|
|
12. |
Общехозяйственные расходы |
- |
- |
- |
11 038,612 |
|
|
13. |
Потери от брака |
- |
- |
- |
- |
|
|
14. |
Прочие производственные расходы |
- |
- |
- |
- |
|
|
14а. |
Производственная себестоимость выработанной продукции (ст.1+2+3+4+5+6+7+8+9+10+11+12+13+14) |
- |
- |
- |
3 861 959,01 |
|
|
15. |
Попутная продукция |
- |
- |
- |
10 612,000 |
- |
|
15а. |
Производственная себестоимость основной продукции (ст.14а-15) |
- |
- |
- |
3 851 347,01 |
|
|
16. |
Коммерческие расходы |
- |
- |
- |
- |
|
|
16а. |
Полная себестоимость товарной продукции (ст.15а+16) |
- |
- |
- |
3 851 347,01 |
|
Примечание: 16 и 16а заполняются только в случае получения на установке товарной продукции
Таблица 16
Амортизационный годовой фонд
|
Установка |
Норма амортизации % |
Основной капитал, тыс. руб. |
Амортизационный годовой фонд, тыс. руб. |
|
ЭЛОУ |
8 |
18300 |
1464 |
|
АВТ |
10 |
53100 |
5210 |
|
К.К. |
12 |
18400 |
2208 |
|
К.Р. |
11 |
21600 |
2376 |
|
Г.О. |
10,5 |
16100 |
1690,5 |
Таблица 17.
Расчет средней себестоимости 1 тонны товарной продукции
|
Товарная продукция и их компоненты |
С какой установки поступает |
Себестои- |
Количество, тонн |
Сумма затрат по компонентам тыс. рублей |
Средняя себ-ть 1т. товарной продукции рублей |
|
Автобензин АИ-93 |
|
|
|
|
|
|
а. Бензин (О.Ч.=74) |
КК |
2340,126 |
62,8 |
146,960 |
|
|
б. Бензин (О.Ч.=87) |
КР |
3834,622 |
753,69 |
2890,116 |
|
|
Всего: |
|
|
816,49 |
3037,076 |
3719,67 |
|
Автобензин А-76 |
|
|
|
|
|
|
а. Бензин (О.Ч.=74) |
КК |
2340,126 |
193,69 |
453,259 |
|
|
б. Бензин (О.Ч.=87) |
КР |
3834,622 |
35,21 |
135,017 |
|
|
Всего: |
|
|
228,90 |
588,276 |
2570,01 |
|
Д/т “Л” S<0.2 |
ГО |
2807,104 |
1372,00 |
3851,347 |
2807,10 |
|
S>0.2 |
АВТ |
3161,423 |
542,36 |
1714,629 |
3161,42 |
|
Д/т “З” |
АВТ |
3161,423 |
1050,00 |
3319,494 |
3161,42 |
|
Сырье для нефтехимии |
|
|
|
|
|
|
1. Головка стабилизации |
КК |
1400 |
85,50 |
119,700 |
|
|
2. Сероводород |
ГО |
500 |
9,80 |
4,900 |
|
|
3. Рефлюкс |
АВТ |
1000 |
70,00 |
70,000 |
|
|
|
КР |
1000 |
29,40 |
29,400 |
|
|
4. Бензин |
АВТ |
3161,423 |
0,00 |
0,000 |
|
|
Всего: |
|
|
194,70 |
224,000 |
1150,49 |
|
Мазут: |
|
|
|
|
|
|
1. Гудрон |
АВТ |
1000 |
2170,00 |
2170,000 |
|
|
3. Тяжелый каталитический газойль. |
КК |
1000 |
171,00 |
171,000 |
|
|
4. ЛКГ |
|
1417,436 |
361,00 |
511,694 |
|
|
5. ВГ |
|
1 000,00 |
30,00 |
30,000 |
|
|
6. Нефтеловушки |
|
2488,237 |
56,86 |
3024,175 |
|
|
Всего: |
|
|
2788,86 |
5906,869 |
2118,02 |
|
Итого: |
|
|
|
18641,6910 |
|
Таблица 18.
Расчет цен реализации продукции
|
Наименование продукта |
Себ-ть 1т. продукции |
Рентаб. Продукции % |
Прибыль рублей |
Оптовая цена |
Акциз |
Оптовая цена с акцизом |
НДС % |
Отпускная цена |
|
АИ-93 |
3719,67 |
20 |
743,934 |
4463,604 |
3360 |
7823,604 |
1408,25 |
9231,853 |
|
А-76 |
2570,01 |
20 |
514,002 |
3084,012 |
2460 |
5544,012 |
997,922 |
6541,934 |
|
Д/т “Л” S<0.2 |
2807,1 |
20 |
561,420 |
3368,520 |
1000 |
4368,520 |
786,334 |
5154,854 |
|
S>0.2 |
3161,42 |
15 |
474,213 |
3635,633 |
1000 |
4635,633 |
834,414 |
5470,047 |
|
Д/т “З” |
3161,42 |
15 |
474,213 |
3635,633 |
1000 |
4635,633 |
834,414 |
5470,047 |
|
Сырье для нефтехимии |
1150,49 |
15 |
172,574 |
1323,064 |
|
1323,064 |
238,152 |
1561,216 |
|
Мазут |
2118,02 |
12 |
254,162 |
2372,182 |
|
2372,182 |
426,993 |
2799,175 |
|
Газ |
1360 |
12 |
163,2 |
1523,2 |
|
1523,2 |
274,176 |
1797,376 |
Таблица 19
Расчет стоимости товарной продукции
|
Наименование продукции |
Количество, тыс. тонн |
Оптовая цена, руб./т |
Стоимость продукции по оптовой цене тыс. руб |
|
АИ-93 |
816,49 |
4 463,60 |
3 644 484,76 |
|
А-76 |
228,90 |
3 084,01 |
705 929,89 |
|
Д/т “Л” S<0.2 |
1 372,00 |
3 368,52 |
4 621 609,44 |
|
S>0.2 |
542,36 |
3 635,63 |
1 971 820,29 |
|
Д/т “З” |
1 050,00 |
3 635,63 |
3 817 411,50 |
|
Сырье для нефтехимии |
194,70 |
1 323,06 |
257 599,78 |
|
Мазут |
2 788,86 |
2 372,18 |
6 615 677,91 |
|
Итого: |
|
|
21 634 533,57 |
6. Расчет технико-экономических показателей
На основе производственных расчетов и необходимых исходных данных в этом разделе рассчитываются следующие технико-экономические показатели:
затраты на 1 рубль товарной продукции определяется по формуле:
,
где С - себестоимость всей товарной продукции, тыс. рублей;
ТП - стоимость всей товарной продукции, тыс. рублей;
С>i> - себестоимость единицы i-го вида продукции, рублей;
Ц>i>- действующая оптовая цена i-го вида продукции, рублей;
Q>i>- количество i-го вида продукции, тонн;
n- количество видов товарной продукции.
ЗТ=18 641 691/21 634 533,57=0,8617рубль/рубль
Прибыль от реализации товарной продукции.
П=ТП-С;
П=21 634 533 570 - 18 641 691 000=2 993 000 000 рублей.
Рентабельность производственных фондов:
Р=П/(Ф>ос>+ Ф>об>)*100%,
где Ф>ос>- стоимость основных фондов завода, тыс. рублей;
Ф>об>- стоимость нормируемых оборотных средств завода, тыс. рублей.


где
- стоимость основных фондов i-ой
установки, тыс. рублей;
k - отношение стоимости основных фондов общехозяйственного и общепроизводственного хозяйства к стоимости основных фондов технологических установок (дается в исходных данных).
Ф>ос>=18*(1+0,6)+52,3*(1+0,6)+18,3*(1+0,6)+21,4*(1+0,6)+
16,1*(1+0,6)=201,76 млн. рублей.
Ф>об>=0,1*201,76=20,176 млн. рублей.
Р=2993000/(201,76 +20,176)*100 %=1485,29 %
Рентабельность издержек

Р>u>=(2 993000 /18 641 691)*100=16,05 %
Фондоотдача
Ф>о>=ТП/Ф>ос>
Ф>о >= 21 634,53357/201,76 =107,229рубль/рубль
Производительность труда
ПТ=ТП/Ч,
где Ч- численность промышленно-производственного персонала завода.
Численность производственного персонала технологических установок составляет 50 % от общей численности промышленно - производственного персонала завода и составляет:
Ч=(150*100)/50=300
ПТ=21634,5 /300=72,1150 млн. рублей/чел.
Прибыль остающаяся в распоряжении предприятия
П>р>=П*(1-Н/100),
где Н- ставка налога на прибыль, Н=24 %.
П>р> =2993 (1-24/100)= 2274,528 млн. рублей
Таблица 20
Основные технико-экономические показатели НПЗ
-
Наименование показателя.
Величина показателей
Объем выпуска товарной продукции млрд. рублей
21,6345
Номенклатура товарной продукции, млрд. рублей:
а) АИ-93
3,6445
б) А-76
0,7059
в) Д/т “Л” S<0.2
4,6216
г) Д/т “Л” S>0.2
1,9718
д) Д/т “З”
3,8174
е) Сырье для нефтехимии
0,2576
ж) Мазут
6,6157
Себестоимость товарной продукции, млрд. рублей
18,6417
Затраты на 1 рубль товарной продукции, рублей
0,8617
Прибыль от реализации продукции, млрд. рублей
2,9928
Рентабельность производственных фондов, %.
1348,50
Фондоотдача, рублей.
107,2291
Производительность труда, млн. рублей/человека
72,1150
Прибыль, остающаяся в распоряжении предприятия, млрд. рублей
2,274528