Производственно-финансовая модель фирмы: строительство оптимальной политики
Реферат на тему:
«Виробничо - фінансова модель фірми: будування оптимальної політики»
Ст. гр. САУ 06-1 Семеновська М.В.
Керівник асист. Буданцева Ю.В.
Харків 2009 г.
ЦЕЛЬ РАБОТЫ
Построить модель прогнозирования спроса на товар.
Исследовать задачу построения оптимальной стратегии управления для динамической производственно-финансовой модели фирмы, использующей один технологический процесс на примере задачи оптимального ценообразования в однопродуктовой экономической модели.
системный анализ предметной области

Рисунок 1 Контекстная диаграмма системы
системный анализ предметной области

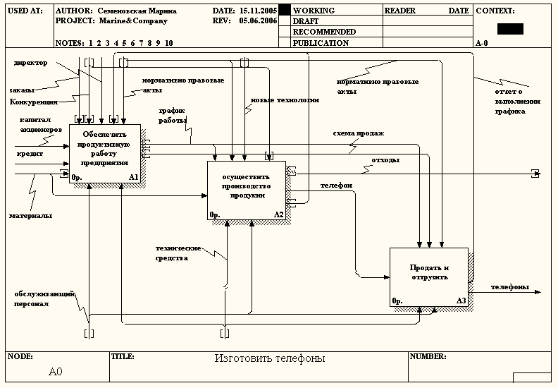
Рисунок 2 Диаграмма декомпозиции. Уровень А0
Иерархическая модель анализа проблемы

Рисунок 3
Иерархическая модель анализа проблемы: продуктивная работа предприятия
Получили вектор глобальных приоритетов, отранжировали его и, применяя принцип Парето, определили самые значимые неудовлетворенности:
неквалифицированность кадров (0.2510);
конкуренция аналогичных фирм (0.1656);
длительный цикл производства (0.1329);
большие затраты на материалы (0.1107);
недостаток технического обеспечения (0.1067).
СОДЕРЖАТЕЛЬНАЯ ПОСТАНОВКА ЗАДАЧИ
Общая задача управления состоит в следующем: требуется найти
,
(1)
при условии,
что
,
t>0>
и х (t>0>)
= х>0>
фиксированы, (x(t),t) є T при t = t>1>,
u(t) є U.
Подынтегральная функция I показывает, что функционал зависит от фазовых координат, управляющих параметров, являющихся функциями времени, и от времени, т. е.
I(х, u, t) = I (x>1>(t), x>2>(t), . . ., х>n>(t); u>1>(t), u>2>(t), . . .,u>r>(t); t), (2)
где t задано на промежутке t>0>≤t≤t>1. >Второе слагаемое F, которое называется функцией конечных параметров, показывает, что функционал зависит от конечного состояния и от конечного момента времени:
F(х>1>,t>1>) = F(x>1>(t>1>), х>2>(t>1>), . . ., х>n>(t>1>); t>1>). (3)
ФОРМАЛЬНАЯ ПОСТАНОВКА ЗАДАЧИ
Рассматривается задача оптимального ценообразования на примере однопродуктовой макроэкономической модели.
,
(4)
,
(5)
k(0)=k>0> , k(T) = k>1>> >.> > (6)
Заметим, что потребление с(t) является прогнозируемой величиной, которую мы находим по методу множественной регрессии. Принцип максимума в данной задаче позволяет для оптимального процесса (k(t),m(t)) получить систему дифференциальных уравнений (7).
(7)
Для этой системы необходимо решить краевую задачу с условиями (6).
МНОЖЕСТВЕННАЯ РЕГРЕССИЯ
В матричной форме обобщенное уравнение регрессии имеет вид:
(8)
где:
– вектор наблюдений зависимой переменной;
– матрица наблюдений независимых
переменных;
– вектор неизвестных коэффициентов;
– вектор ошибок.
Согласно МНК искомые оценки
минимизируют сумму квадратов отклонений
,
т.е.
,
(9)
Для получения оценок
по МНК нужно продифференцировать
величину
по
из условия равенства производной нулю,
тогда оценка
имеет
вид:
. (10)
ОБЗОР РЕШЕНИЙ
Задача оптимального управления в вариационном исчислении (11) можно рассматривать как частный случай (1), в которую не входит функция конечных параметров.
(11)
Метод динамического программирования может применятся непосредственно для решения общей задачи управления
(12)
ОБЗОР РЕШЕНИЙ
Основным дифференциальным уравнение является уравнение Белмана
(13)
Принцип максимума применяется к задачам такого же типа, как и динамическое программирование (14). Для решения задачи вводится функция Гамильтона:
.
Для существования максимума должны выполняться необходимые условия (14), которые показывают что в каждой точке оптимальной траектории функция Гамильтона достигает максимума относительно управляющих параметров(16).
(15)
(15)
результаты Вычислительного эксперимента
Следующие факторы влияют на потребление выпускаемой продукции :
X>1> - индекс промышленного производства, характеризующий изменение его физического объема по сравнению с базисным месяцем. В качестве базисного месяца выбран декабрь 2008 года;
X>2> – индекс изменения спроса на конкурирующий товар по сравнению с базисным месяцем;
X>3> – индекс изменения затрат на материалы по сравнению с базисным месяцем;
X>4 >– индекс трудоемкости единицы продукции;
X>5> – индекс изменения постоянных издержек (аренда, фонд оплаты труда, общехозяйственные расходы);
X>6> - индекс изменения по сравнению с базисным месяцем соотношения между экспортом данного товара из Украины и его импортом в Украину;
X>7> – индекс изменения переменных издержек;
X>8> - индекс потребительских цен текущего месяца по отношению к декабрю 2008;
X>9> - отношение официального курса доллара США в конце текущего месяца к его курсу в начале декабря 2008 года;
X>10> - удельный вес рабочих в составе предприятия по отношению к декабрю 2008 года.
Значения X>i>, были получены за 36 месяцев (с января 2006г. по январь 2008г.), и взятые по отношению к значениям соответствующих показателей в декабре 2008 года. Для удобства вычислений значения всех показателей за декабрь 2008 года приняты за единицу.
РЕЗУЛЬТАТЫ ВЫЧИСЛИТЕЛЬНОГО ЭКСПЕРИМЕНТА
Влияние вышеописанных факторов на потребление показано в уравнение регрессии, которое имеет следующий вид

Таблица анализа остатков
|
Характеристики |
Значение |
|
Множественная R |
0,80355007 |
|
R2 |
0,64569272 |
|
Скорректированная R |
0,50396980 |
|
Стандартная ошибка оценки |
0,156546615 |
|
Число наблюдений |
36 |
|
Стандартная ошибка |
1,225402 |
Прогнозируемый спрос равен Y = 0,524, если взято среднему значению факторов. Прогнозируемый спрос равен Y = 1,216, если взято максимальное значение главного фактора, влияющего на потребление (индекс изменения затрат на материалы по сравнению с базисным месяцем). Если взято минимальное значение этого фактора, то получим Y = 1,086. Графики оптимальных траекторий k(t) и m(t) соответствующие спросу Y = 0,524 приведены на рисунке 4 – 7
РЕЗУЛЬТАТЫ ВЫЧИСЛИТЕЛЬНОГО ЭКСПЕРИМЕНТА

Рисунок 4
Оптимальная траектория m(t) на протяжении 1 года
Рисунок 5
Оптимальная траектория k(t) на протяжении 1 года

Рисунок 6
Оптимальная траектория m(t) на протяжении 5 лет

Рисунок 7
Оптимальная траектория k(t) на протяжении 5 лет
Была составлена таблицу условий труда, в результате сравнения полученных результатов и нормативных значений, определили, что все факторы в норме. В связи с планируемым ремонтом рассчитано необходимое зануление электрооборудования.
По степени опасности поражения электрическим током, согласно ПУЭ-85, помещение зала ПК относится к классу помещений с повышенной опасностью, поскольку в помещении возможно одновременное прикосновение к корпусам ПЭВМ с одной стороны и к заземленным металлическим конструкциям помещения (батареи отопления) с другой стороны. Для приведения к помещения без повышенной опасности следует оградить батареи деревянными решетками. Согласно требованиям ГОСТ 12.1.019-79, ГОСТ 12.1.030-8 для обеспечения безопасности необходимо выполнить зануление. Для этого следует преднамеренно соединить с нулевым проводником сети корпуса все ПЭВМ, которые могут случайно оказаться под напряжением. Помещение зала расположено в здании, имеющем 1 степень огнестойкости, по пожаро - взрывобезопасности относится к категории В, а по ПУЭ - 85 помещение относится к классу II - Па. Требования по пожаро - взрывобезопасности выполнены.
заключение
управление производственный финансовый ценообразование
Была построена модель прогнозирования спроса на товар.
Исследована задача построения оптимальной стратегии управления для динамической производственно-финансовой модели фирмы, использующей один технологический процесс на примере задачи оптимального ценообразования в однопродуктовой экономической модели.
Проект был обоснован экономически.
Было проведено, что помещение соответствует всем нормам по охране труда и не выявлено никаких отклонений, было рассчитано необходимое зануление в связи с планируемым ремонтом здания.