Расчёт полупроводникового выпрямителя
Расчёт полупроводникового выпрямителя.
Лабораторная работа
Теоретическое обоснование:
Однополупериодный выпрямитель. За счет односторонней проводимости диодов ток протекает только в положительные полупериоды напряжения U и следовательно имеет импульсную форму.
Наиболее широкое распространение получила схема мостового выпрямителя, схема состоит из 4 диодов Д>1> - Д>4>. В положительные полупериоды напряжения U2 открыты диоды Д>1> и Д>3>; в отрицательные полупериоды напряжения U>2> открыты диоды Д>2> - Д>4>.
Трёхфазные выпрямители применяют в устройствах большой и средней мощности.
Вторичные обмотки трёхфазного выпрямителя соединены "Звездой". К фазам А, В, С трансформатора подключены диоды Д>1>, Д>2>, Д>3> катоды которых присоединяют к нулевой точке.
Между нейтральной точкой трансформатора О и О>1> включена нагрузка Рн. Ток через каждый диод может проходить только тогда, когда потенциал на аноде выше потенциала на катоде. это возможно в течении одной трети периода, тогда напряжение в данной фазе, выше напряжения в двух других фазах. Так например, когда открыт диод Д>1>, через него нагрузку Р, течёт ток определяемый. В это время диоды Д>2> и Д>3> заперты.
Пример:
Для питания постоянным током потребителя мощностью Р=300 Вт при напряжении U=20 В необходимо собрать схему однополупериодного выпрямителя, использовав имеющиеся стандартные диоды типа Д 242 А.
Решение:
1. Выписываем из таблицы параметры диода: Iдоп=10 А; Uобр=100 В.
2.
Определяем ток потребителя из формул
Р=UI;

3. Определяем напряжение, действующее на диод в не проводящий период; U=3,14*20=63 В.
4.
Проверяем диод по параметрам I>доп>
и U>обр>.
Для данной схемы диод должен удовлетворять
условием
.
В данном случае второе условие не
соблюдается, т.к. 10 А < 15 А .
Первое условие выполняется т.к. 100 В >
63 В.
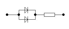
5
.
Составляем схему выпрямителя. Для того
чтобы выполнить условие, надо два диода
соединить параллельно, тогда I>доп>=2*10=20
А; 20 > 15 А.