Полупроводниковый преобразователь
Полупроводниковый преобразователь тепловой энергии окружающей среды в энергию постоянного электрического тока.
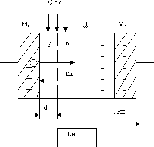
Преобразователь представляет собой следующую принципиальную схему (см. рис. 1).

Рис.1. Принципиальная схема преобразователя.
где: П – кристалл полупроводника (кремний n-типа);
р-n – переход с контактным электрическим полем Ек;
М>1> – металлический контакт с р-областью (алюминий);
М>2> - металлический контакт с n-областью (алюминий);
d – глубина залегания р-n перехода (не более 10 мКм);
RH – сопротивление нагрузки внешней цепи.
Принцип работы преобразователя заключается в следующем.
Например, работа выхода электрона из полупроводника n-типа составляет 4,25 эВ, р-типа – 5,25 эВ, из алюминия – 4,25 эВ. Поэтому, контакт М>2> с полупроводником n-типа является оммическим и не влияет на работу преобразователя, а контакт М>1> с полупроводником р-типа является инжектирующим.
Под действием сил теплового движения и в результате различия работ выхода, электроны из металлического контакта М>1> будут инжектироваться в р-область полупроводника. Часть электронов рекомбинирует с дырками р-области кристалла, а остальная часть электронов будет перебрасываться электрическим полем р-n перехода Ек в n-область кристалла. При этом n-область полупроводникового кристалла и контакт М>2> будут заряжаться отрицательно, а контакт М>1>, из-за ухода из него электронов, - положительно, что в итоге приведет к возникновению разности электрических потенциалов между контактами М>1> и М>2>.
Поток электронов из М>1> в М>2> будет иметь место до тех пор, пока возрастающее электрическое поле между контактами не вызовет встречный поток электронов из n-области в р-область кристалла из-за снижения потенциального барьера р-n перехода. Когда эти токи электронов сравняются, в изолированном кристалле установится электрическое и термодинамическое равновесие. При этом между контактами М>1 >и М>2> установится разность потенциалов равная половине контактной разности потенциалов p-n перехода (в данном случае – 0,55В), что означает наличие между ними Э.Д.С. (холостого хода).
Если замкнуть контакты М>1> и М>2> внешним металлическим проводником с сопротивлением RH, то электрическое и термодинамическое равновесие полупроводникового кристалла нарушится и в цепи нагрузки потечет электрический ток I RH. При этом p-n переход будет охлаждаться, т. к. энергия электронов переходящих из р-области в n-область полупроводника будет увеличина за счет внутренней (тепловой) энергии кристаллической решетки полупроводника. Для поддержания в цепи нагрузки постоянного по величине тока к нему необходимо подводить теплоту от окружающей среды – Qo.c.
Автор Зерний Анатолий Николаевич