Усилитель генератора с емкостным выходом (работа 1)
Министерство образования Российской Федерации.
ТОМСКИЙ ГОСУДАРСТВЕННЫЙ УНИВЕРСИТЕТ СИСТЕМ УПРАВЛЕНИЯ И РАДИОЭЛЕКТРОНИКИ (ТУСУР)
Кафедра радиоэлектроники и защиты информации (РЗИ)
УСИЛИТЕЛЬ ГЕНЕРАТОРА С ЕМКОСТНЫМ ВЫХОДОМ
Пояснительная записка к курсовому проекту по дисциплине «Схемотехника АЭУ»
Студент гр. 148-3
_______Д.А. Дубовенко
12.05.01
Руководитель
Доцент кафедры РЗИ
________ _______А. А. Титов
2001
Реферат
Курсовая работа 35 с., 15 рис., 1 табл., 4 источника.
УСИЛИТЕЛЬ, ТРАНЗИСТОР, КАСКАД, ЧАСТОТНЫЕ ИСКАЖЕНИЯ, ПОЛОСА РАБОЧИХ ЧАСТОТ, КОРРЕКТИРУЮЩАЯ ЦЕПЬ, КОЭФФИЦИЕНТ УСИЛЕНИЯ
В данной курсовой работе рассчитывается широкополосный высокочастотный усилитель генератора с емкостным выходом, а также корректирующие и стабилизирующие цепи.
Цель работы - приобретение навыков расчета номиналов элементов усилительного каскада, подробное изучение существующих корректирующих и стабилизирующих цепей, умения выбрать необходимые схемные решения на основе требований технического задания.
В процессе работы были осуществлены инженерные решения (выбор транзисторов, схем коррекции и стабилизации), расчет номиналов схем.
В результате работы получили принципиальную готовую схему усилительного устройства с известной топологией и номиналами элементов, готовую для практического применения.
Полученные данные могут использоваться при создании реальных усилительных устройств.
Курсовая работа выполнена в текстовом редакторе Microsoft Word 2000 и представлена на дискете 3,5” (в конверте на обороте обложки).
Задание
на курсовое проектирование по курсу «Аналоговые электронные устройства».
Тема проекта – Усилитель генератора с емкостным выходом.
Исходные данные для проектирования:
диапазон частот: 1МГц – 200МГц,
допустимые частотные искажения: М>н>=3 дБ М>в>=3 дБ,
усиление: 15 дБ,
источник
входного сигнала: R>н>=
,
С>г>=15 пФ,
выходная мощность: 2 Вт,
нагрузка: 50 Ом,
условия эксплуатации: +10 С - +60 С.
Содержание
1 Введение --------------------------------------------------------------------------------- 5
2 Расчеты ----------------------------------------------------------------------------------- 6
2.1 Определение числа каскадов------------------------------------------------------- 6
2.2 Распределение искажений ---------------- ----------------------------------------- 6
2.3 Расчет оконечного каскада ---------------------------------------------------------- 6
2.3.1 Расчет рабочей точки, выбор транзистора ------------------------------------- 6
2.3.2 Расчет эквивалентных схем ------------------------------------------------------ 10
2.3.3 Расчет схем термостабилизации ------------------------------------------------ 12
2.3.4 Расчет выходной корректирующей цепи -------------------------------------- 16
2.3.5 Расчет межкаскадной корректирующей цепи ------------------------------- 17
2.4 Расчет предоконечного каскада.--------------------------------------------------- 20
2.4.1 Расчет схемы термостабилизации ---------------------------------------------- 20
2.4.2 Расчет межкаскадной корректирующей цепи -------------------------------- 22
2.5 Расчет входного каскада.------------------------------------------------------------ 24
2.5.1 Расчет схемы термостабилизации входного каскада ---------------------- 25
2.5.2 Расчет входной корректирующей цепи ---------------------------------------- 27
2.6 Расчет разделительных емкостей -------------------------------------------------- 29
3 Заключение ------------------------------------------------------------------------------ 31
Список использованных источников ------------------------------------------------- 32
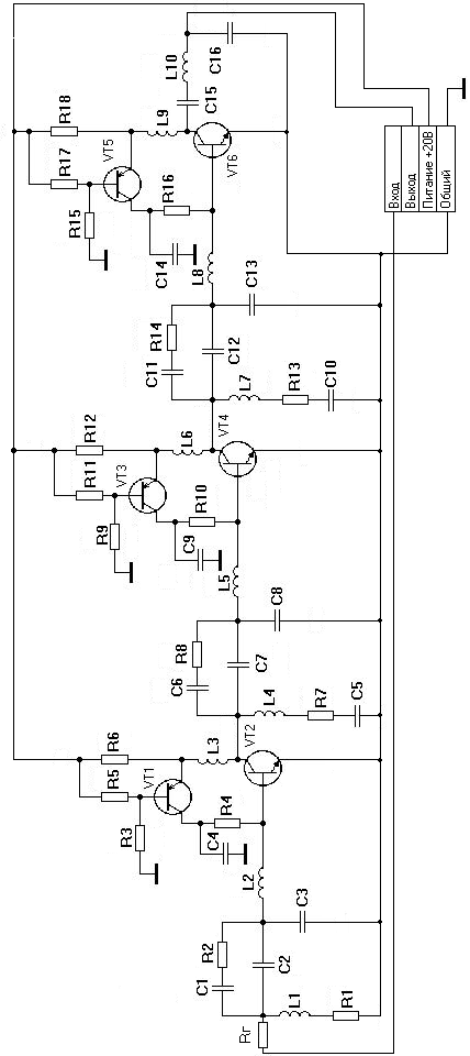
РТФ КП. 468740.001.Э3 Усилитель генератора с емкостным выходом.
Схема электрическая принципиальная ------------------33
РТФ КП.468740.001.ПЭЗ Усилитель генератора с емкостным выходом.
Перечень элементов ----------------------------------------34
Введение.
Основная цель работы - получение необходимых навыков практического расчета радиотехнического устройства (усилителя мощности), обобществление полученных теоретических навыков и формализация методов расчета отдельных компонентов электрических схем.
Усилители электрических сигналов применяются во всех областях современной техники и народного хозяйства: в радиоприемных и радиопередающих устройствах, телевидении, системах звукового вещания, аппаратуре звукоусиления и звукозаписи, радиолокации, ЭВМ. Также они нашли широкое применение в автоматических и телемеханических устройствах, используемых на современных заводах. Как правило, усилители осуществляют усиление электрических колебаний, сохраняя их форму. Усиление происходит за счет электрической энергии источника питания. Т. о., усилительные элементы обладают управляющими свойствами.
Устройство, рассматриваемое в данной работе, может широко применяться на практике. Примерами может служить телевизионный приемник, система индикации радиолокационной станции и другие устройства индикации.
Устройство имеет немалое научное и техническое значение благодаря своей универсальности и широкой области применения.
2. Расчеты
2.1. Определение числа каскадов
Число каскадов определяется исходя из технического задания. Данное устройство должно обеспечивать коэффициент усиления 15дБ, поэтому целесообразно использовать три каскада, отведя на каждый только по 5дБ, чтобы усилитель был стабильным. Также с тремя каскадами легче обеспечить запас усилению мощности.
2.2. Распределение искажений амлитудно-частотной характеристики (АЧХ)
Исходя из технического задания, устройство должно обеспечивать искажения не более 3дБ. Так как используется три каскада, то каждый может вносить не более 1дБ искажений в общую АЧХ. Эти требования накладывают ограничения на номиналы элементов, вносящих искажения.
2.3. Расчет оконечного каскада
2.3.1. Расчет рабочей точки (энергетический расчет)
Рассмотрим две схемы реализации выходного каскада: резистивную и дроссельную. Выбор той или иной схемы осуществим на основе полученных данных расчета. Критерий выбора – оптимальные энергетические характеристики схемы. Также выберем транзистор, удовлетворяющий требованиям задания.
а) Резистивная схема
Схема резистивного каскада приведена на рисунке 2.1 данного пункта.

Рисунок 2.1 – Схема оконечного каскада по переменному току.
Обычно сопротивление в цепи коллектора принимают порядка R>н>. Рассчитаем энергетические параметры. Напряжение на выходе усилителя рассчитывается по формуле:
,
(2.1)
где P- мощность на выходе усилителя, Вт;
R>н> – сопротивление нагрузки, Ом.
Тогда
.
Ток транзистора вычисляется по формуле
(2.2).
,
(2.2)
где R>перем> – сопротивление цепи коллектора по переменному току, Ом.
Тогда
.
Теперь можно определить рабочую точку:
U>кэ0>=U>вых>+U>остаточное> =16.5В, (2.3)
I>к0>=1.1*I>тр>=0.62А.
Напряжение U>кэ0> получено при условии, что величина напряжения U>остаточное>, находящаяся в пределах от 2В до 4В, имеет значение 2.4В.
Напряжение источника питания при этом:
Е>ип>=U>кэ0>+R>к>*I>к0>=16.5В+50*0.62В=47.5В. (2.4)
Видно, что напряжение питания достаточно высокое.
Нагрузочные прямые по постоянному и переменному току приведены на рисунке 2.2.

Рисунок 2.2 – Нагрузочные прямые по постоянному и переменному току.
Расчет прямой по постоянному току производится по формуле:
Е>ип>=U>кэ0>+R>к>*I>к0>. (2.5)
> >I>к0>=0: U>кэ0>=Е>ип>=47.5 В,
U>кэ0>=0: I>к0>= Е>ип>/ R>к>=47.5/50А=0.95А.
Расчет прямой по переменному току производится по соотношениям:
,
,
,
.
б) Дроссельная схема
Схема каскада приведена на рисунке 2.3 данного пункта.

Рисунок 2.3 – Схема оконечного некорректированного каскада.
Рассчитаем энергетические параметры по известным формулам:
,
,
где R>н> – сопротивление нагрузки по переменному току.
Определим рабочую точку:
U>кэ0>=U>вых>+U>остаточное> (2.4В)=16.5В
I>к0>=1.1*I>тр>=0.31А.
Напряжение источника питания:
Е>ип>=U>кэ0> =16.5В.
Видно, что напряжение питания значительно уменьшилось. Нагрузочные прямые по постоянному и переменному току приведены на рисунке 2.4.

Рисунок 2.4 – Нагрузочные прямые по постоянному и переменному току.
Расчет прямой по постоянному току:
Е>ип>=U>кэ0>
Расчет прямой по переменному току:
,
,
,
.
Проведем сравнительный анализ двух схем.
Таблица 2.1 - Сравнительный анализ схем
|
Параметр |
Е>ип>, В |
Р>расс>, Вт |
Р>потр>, Вт |
I>к0>, мА |
U>кэ0>, В |
|
R>к> |
47.5 |
10.2 |
29.45 |
0.62 |
16.5 |
|
Дроссель |
16.5 |
5.1 |
5.1 |
0.31 |
16.5 |
,
(2.6)
(2.7).
Таблица наглядно показывает, что использовать дроссель в цепи коллектора намного выгоднее с энергетической точки зрения. Поэтому далее будем использовать именно эту схему.
Выбор транзистора осуществляется исходя из технического задания, по которому можно определить предельные электрические и частотные параметры требуемого транзистора. Для данного задания они составляют (с учетом запаса 20%):
I>к доп> > >> 1.2*I>к0>=0.372 А
U>к доп> > 1.2*U>кэ0>=20 В (2.8)
Р>к доп> > 1.2*P>расс>=6.2 Вт
F>т>= (3-10)*f>в>=(3-10)*200 МГц.
Этим требованиям с достаточным запасом отвечает транзистор 2Т 916А [1], сравнительные справочные данные которого приведены ниже:
> >I>к>=2 А – максимально допустимый постоянный ток коллектора,
U>кэ>=55 В – максимальное постоянное напряжение коллектор-эмиттер,
P>к>=20 Вт – выходная мощность при 1ГГц,
F>т>= 1.4 ГГц – граничная частота коэффициента передачи тока базы,
,
постоянная времени цепи обратной связи,
,
статический коэффициент передачи тока
в схеме с общим эмиттером,
,
емкость коллекторного перехода,
,
коэффициент передачи тока в схеме с
общей базой,
,
емкость коллекторного перехода, при
напряжении коллектор-эмиттер, равном
10 В,
L>э>=0.35 нГн, индуктивность эмиттерного выхода,
L>б>=1 нГн, индуктивность базового вывода.
2.3.2. Расчет эквивалентных схем транзистора 2Т 916А
В данном пункте рассчитаем две эквивалентные схемы замещения транзистора: низкочастотную модель Джиаколетто [2] и высокочастотную однонаправленную модель [2]. Полученные эквивалентные параметры найдут применение в последующих расчетах.
а) Модель Джиаколетто
Модель Джиаколетто представлена на рисунке 2.5.

Рисунок 2.5 - Эквивалентная схема Джиаколетто.
Для расчета используем справочные данные, выписанные выше [1]. Пересчитаем емкость коллекторного перехода на напряжение 10 В:
,
емкость коллекторного перехода,
рассчитанная при том же напряжении, что
и постоянная времени цепи обратной
связи.
Элементы схемы рассчитываются по формулам [2]:
,
(2.9)
,
,
(2.10)
,
(2.11)
,
,
(2.12)
,
(2.13)
,
(2.14)
.
б) Однонаправленная модель
Однонаправленная модель представлена на рисунке 2.6 данного пункта.

Рисунок 2.6 - Однонаправленная модель.
Элементы модели рассчитываются на основе справочных данных по формулам [2]:
,
(2.15)
.
(2.16)
2.3.3 Расчет схем термостабилизации
В этом пункте производится сравнение эффективности использования различных схем термостабилизации транзистора выходного каскада: эмиттерной и активной коллекторной. Схема термостабилизации поддерживает значение постоянного тока, текущего через транзистор, на определенном, неизменном уровне при изменении внешних факторов (температура). Схема эмиттерной термостабилизации приведена на рисунке 2.7.

Рисунок 2.7 – Схема эмиттерной термостабилизации.
Расчет
номиналов элементов осуществляется по
известной методике, исходя из заданной
рабочей точки. На эмиттере должно падать
напряжение не менее 3-5 В, чтобы стабилизация
была эффективной. Рабочая точка:
U>кэ0>= 16.5В,
I>к0>=0.31А.
Номинал резистора R>э> находится по закону Ома:
.
(2.17)
Емкость С>Э> обеспечивает беспрепятственное прохождение высокочастотной составляющей эмиттерного тока. Рассчитывается по формуле:
.
(2.18)
Тогда
.
Мощность, рассеиваемая на резисторе R>Э>:
.
(2.19)
Видно, что рассеиваемая мощность значительна. Это является определенным недостатком, т.к. создает дополнительные сложности при практическом исполнении устройства.
Энергетический расчет производится по формулам:
.
(2.20)
Номиналы резисторов делителя рассчитываются по формулам:
.
(2.21)
Расчет схемы эмиттерной термостабилизации закончен.
Схема активной коллекторной термостабилизации усилительного каскада приведена на рисунке 2.8.

Рисунок 2.8 – Схема активной коллекторной термостабилизации.
В качестве управляемого активного сопротивления выбран маломощный транзистор КТ 316А со средним коэффициентом передачи тока базы 50. Напряжение на сопротивлении цепи коллектора по постоянному току должно быть больше 1 В, в данной схеме оно принято за 1.24 В.
Энергетический расчет схемы производится по формулам [2]:
.
(2.22)
Мощность, рассеиваемая на сопротивлении коллектора:
.
(2.23)
Видно, что мощность рассеивания на отдельном резисторе уменьшилась почти в три раза по сравнению с предыдущей схемой.
Рассчитаем номиналы схемы [2]:
.
(2.24)
Номиналы реактивных элементов рассчитываются по формулам:
(2.25)
Этим требованиям удовлетворяют следующие номиналы:

Сравнивая две схемы видно, что более эффективно использовать активную коллекторную термостабилизацию, и с энергетической, и с практической точек зрения. Поэтому далее в принципиальной электрической схеме усилителя будет использоваться активная коллекторная схема термостабилизации.
2.3.4. Расчет выходной корректирующей цепи
Схема оконечного каскада с высокочастотной индуктивной коррекцией приведена на рисунке 2.9.

Рисунок 2.9 – Схема выходной корректирующей цепи.
От выходного каскада усилителя требуется получение максимально возможной выходной мощности в заданной полосе частот [1]. Это достигается путем реализации ощущаемого сопротивления нагрузки для внутреннего генератора транзистора равным постоянной величине во всем рабочем диапазоне частот. Одна из возможных реализаций - включение выходной емкости транзистора в фильтр нижних частот, используемый в качестве выходной КЦ. Расчет элементов КЦ проводится по методике Фано, обеспечивающей максимальное согласование в требуемой полосе частот.
По имеющейся выходной емкости каскада (вычисленной в пункте 2.3.2) найдем параметр b3, чтобы применить таблицу коэффициентов [1]:
.
(2.26)
Требуемые параметры из таблицы коэффициентов [1] с учетом величины b3:
C>1н>=b1=1.2,
L>1н>=b2=0.944,
1.238.
Разнормируем параметры и найдем номиналы элементов схемы:
.
(2.27)
2.3.5 Расчет межкаскадной корректирующей цепи
Межкаскадная корректирующая цепь четвертого порядка представлена на рисунке 2.10.

Рисунок 2.10 - Межкаскадная корректирующая цепь четвертого порядка.
Цепь такого вида обеспечивает
реализацию усилительного каскада с
различным наклоном АЧХ, лежащим в
пределах необходимых отклонений
(повышение или понижение) с заданными
частотными искажениями [1]. Таблица
коэффициентов, полученная с помощью
методики проектирования
согласующе-выравнивающих цепей
транзисторных усилителей, позволяет
выбрать нормированные значения элементов
МКЦ исходя из технического задания. МКЦ
в данном усилителе должна обеспечить
нулевой подъем АЧХ, с частотными
искажениями в пределах
.
Требованиям технического задания
соответствуют табличные [1] значения:
Тип транзистора в каскаде, предшествующему данной МКЦ, точно такой же, как и в выходном каскаде. Это имеет значение для параметров нормировки элементов МКЦ оконечного каскада. Для расчета нормированных значений элементов МКЦ, обеспечивающих заданную форму АЧХ с учетом реальных значений C>вых> и R>н>, следует воспользоваться формулами пересчета [1]:
.
(2.28)
Найдем величины, необходимые для расчета нормированных величин по известным формулам:

Пересчитаем табличные величины с учетом корректирующих формул:
(2.29)
Разнормируем элементы МКЦ по формулам:
,
.
(2.30)
Рассчитаем номиналы элементов корректирующей схемы:

Рассчитаем дополнительные параметры:
(2.31)
где S>210>- коэффициент передачи оконечного каскада. Расчет оконечного каскада закончен.
Расчет предоконечного каскада
Транзистор остался прежним. Это диктуется требованиями к коэффициенту усиления. Значения элементов схемы Джиаколетто и однонаправленной модели не изменились.
Активная коллекторная термостабилизация
Схема активной коллекторной термостабилизации предоконечного каскада приведена на рисунке 2.11.

Рисунок 2.11 – Схема активной коллекторной термостабилизации.
Все параметры для предоконечного каскада остались прежними, но изменилась рабочая точка:
U>кэ0>=
16.5В
I>к0>= I>к0оконечного>/S>210>>Vt>>оконечного>=0.101А.
Энергетический расчет производится по формулам, аналогичным (2.22):

Мощность, рассеиваемая на сопротивлении коллектора:
.
Рассчитаем номиналы схемы по формулам (2.24):

Номиналы реактивных элементов рассчитываются по формулам (2.25):
Этим требованиям удовлетворяют следующие номиналы:

Межкаскадная корректирующая цепь
Межкаскадная корректирующая цепь приведена на рисунке 2.12.

Рисунок 2.12 - Межкаскадная корректирующая цепь четвертого порядка.
Методика расчета корректирующей цепи не изменилась, условия – прежние, т.к. тип транзистора не изменился. Транзистор входного каскада аналогичен транзистору предоконечного каскада, поэтому параметры нормировки не изменились. Табличные значения прежние:

Величины, необходимые для разнормировки, не изменились по сравнению с оконечным каскадом:

Нормированные параметры МКЦ не изменились:

Разнормируем элементы МКЦ:

Рассчитаем дополнительные параметры:

где S>210> - коэффициент передачи предоконечного каскада. Расчет предоконечного каскада окончен.
Расчет входного каскада
Схема входного корректированного каскада приведена на рисунке 2.13. Сигнал подается от генератора с емкостным выходом. У генератора по заданию активная составляющая выходного сопротивления равна бесконечности. Так как невозможно реализовать реальный усилительный каскад с таким параметром генератора, сопротивление Rг приняли равным 100 Ом.

Рисунок 2.13 – Входной корректированный каскад.
Транзистор входного каскада остался прежним. Это диктуется требованиями к коэффициенту усиления.
Активная коллекторная термостабилизация
Схема активной коллекторной термостабилизации приведена на рисунке 2.14. Расчет схемы производится по той же методике, что и для оконечного каскада.

Рисунок 2.14 – Схема активной коллекторной термостабилизации.
Все
параметры для входного каскада остались
прежними, но изменилась рабочая точка:
U>кэ0>= 16.5В,
I>к0>= I>к0предоконечного>/S>210>>Vt>> предоконечного>=33мА.
Энергетический расчет производится по известным формулам:

Мощность, рассеиваемая на сопротивлении коллектора:
.
Рассчитаем номиналы схемы:

Номиналы реактивных элементов рассчитываются по формулам (2.25):
Этим требованиям удовлетворяют следующие номиналы:

Расчет входной корректирующей цепи
В качестве входной корректирующей цепи используется диссипативная корректирующая цепь четвертого порядка, которая приведена на рисунке 2.15. Применение такой цепи позволяет обеспечить требования, поставленные техническим заданием. Нормировка элементов МКЦ осуществляется на выходные емкость генератора и сопротивление.

Рисунок 2.15 - Входная корректирующая цепь четвертого порядка.
Методика расчета корректирующей цепи не изменилась, условия – прежние, т.к. тип транзистора не изменился. Нормировка элементов цепи осуществляется на выходные емкость и сопротивление генератора. Табличные значения нормированных элементов прежние:

Величины, необходимые для разнормировки, изменились с учетом параметров генератора:
Нормированные параметры изменились:

Разнормируем элементы МКЦ:

Рассчитаем дополнительные параметры:

где S>210 >- коэффициент передачи входного каскада. Расчет входного каскада окончен.
Расчет разделительных емкостей
Рассчитываемый усилитель имеет 4 реактивных элемента, вносящих частотные искажения - разделительные емкости. Усилитель должен обеспечивать в рабочей полосе частот искажения АЧХ, не превышающие 3дБ. Номинал каждой емкости с учетом заданных искажений, параметров корректирующей цепи и транзистора, рассчитывается по формуле [2]:
(2.32)
где Y>н> – заданные искажения; R>11> – параллельное соединение выходного сопротивления транзистора и соответствующего сопротивления МКЦ (R2), Ом R>22> – соответствующий номинал резистора МКЦ (Rдоп), Ом; w>н> – нижняя частота, Рад/с.
Приведем искажения, заданные в децибелах,
к безразмерной величине:
,
(2.33)
где М – частотные искажения, приходящиеся на каскад, Дб. Тогда

Номинал разделительной емкости оконечного каскада:
Номинал разделительной емкости предоконечного каскада:

Номинал разделительной емкости входного каскада:

На этом расчет разделительных емкостей и усилителя заканчивается.
3. Заключение.
В результате выполненной курсовой работы получена схема электрическая принципиальная усилителя генератора с емкостным выходом. Известны топология элементов и их номиналы. Поставленная задача решена в полном объеме, однако для практического производства устройства данных недостаточно. Необходимая информация может быть получена в результате дополнительных исследований, необходимость которых в техническом задании настоящего курсового проекта не указывается.
Список использованных источников
1 Петухов В.М. Полевые и высокочастотные биполярные транзисторы средней и большой мощности и их зарубежные аналоги: Справочник. – М.: КУБК-а, 1997.
2 Титов А.А. Расчет корректирующих цепей широкополосных усилительных каскадов на биполярных транзисторах – http://referat.ru/download/ref-2764.zip.
3 Титов А.А. Григорьев Д.А. Расчет элементов высокочастотной коррекции усилительных каскадов на полевых транзисторах. – Томск, 2000. - 27 с.
4 Мамонкин И.Г. Усилительные устройства: Учебное пособие для вузов. – М.: Связь, 1977.

РТФ КП 468740.001 Э3 |
|||||||||
|
Усилитель генератора с емкостным выходом Схема электрическая принципиальная |
Литер. |
Масса |
Масштаб |
||||||
|
Изм |
Лист |
№ докум. |
Подп. |
Дата |
|||||
|
Разраб. |
Дубовенко Д |
||||||||
|
Пров. |
Титов А.А. |
||||||||
|
Т.контр. |
Лист 1 |
Листов 3 |
|||||||
ТУСУР, РТФ, гр.148-3 |
|||||||||
|
Н.контр. |
|||||||||
|
Утв. |
|
Поз.обоз-начение |
Наименование |
Кол. |
Примечание |
|||||
|
Конденсаторы ОЖО.460.107ТУ |
||||||||
|
С1 |
К10-17б-56пФ± 5% |
1 |
||||||
|
С2 |
К10-17б-11пФ± 5% |
1 |
||||||
|
С3 |
К10-17б-2.2пФ± 5% |
1 |
||||||
|
С4 |
К10-17б-1пФ± 5% |
1 |
||||||
|
С5,С10 |
К10-17б-110пФ± 5% |
2 |
||||||
|
С6 |
К10-17б-330пФ± 5% |
1 |
||||||
|
С7,С12 |
К10-17б-150пФ± 5% |
2 |
||||||
|
С8,С13 |
К10-17б-75пФ± 5% |
2 |
||||||
|
С9 |
К10-17б-1.2пФ± 5% |
1 |
||||||
|
С11 |
К10-17б-300пФ± 5% |
1 |
||||||
|
С14 |
К10-17б-3.6пФ± 5% |
1 |
||||||
|
С15 |
К10-17б-4700пФ± 5% |
1 |
||||||
|
С16 |
К10-17б-20пФ± 5% |
1 |
||||||
|
Дроссели ОЮО.475.000.ТУ |
||||||||
|
L1 |
175нГн |
1 |
||||||
|
L2 |
55нГн |
1 |
||||||
|
L3 |
245мкГн |
1 |
||||||
|
L4,L7 |
48нГн |
2 |
||||||
|
L5,L8 |
8нГн |
2 |
||||||
|
L6,L9 |
400мкГн |
2 |
||||||
|
L10 |
37нГн |
1 |
||||||
|
РТФ КП 468740.001 ПЭ3 |
||||||||
|
Изм. |
Лист |
№ Докум |
Подпись |
Дата |
||||
|
Выполнил |
Дубовенко |
Усилитель Перечень элементов |
Лит |
Лист |
Листов |
|||
|
Проверил |
Титов А.А. |
2 |
3 |
|||||
|
Принял |
Титов А.А. |
ТУСУР, РТФ, гр. 148-3 |
||||||
|
Поз.обоз-начение |
Наименование |
Кол |
Примечание |
|||||
|
Резисторы ГОСТ 7113-77 |
||||||||
|
Rг |
МЛТ – 0.25 –100 Ом ± 5% |
1 |
||||||
|
R1 |
МЛТ – 0.25 –120 Ом ± 5% |
1 |
||||||
|
R2 |
МЛТ – 0.25 –6.8 КОм ± 5% |
1 |
||||||
|
R3 |
МЛТ – 0.25 –91 КОм ± 5% |
1 |
||||||
|
R4 |
МЛТ – 0.25 –8.2 КОм ± 5% |
1 |
||||||
|
R5 |
МЛТ – 0.25 –11 КОм ± 5% |
1 |
||||||
|
R6 |
МЛТ – 0.25 –39 Ом ± 5% |
1 |
||||||
|
R7 |
МЛТ – 0.25 –33 Ом ± 5% |
1 |
||||||
|
R8 |
МЛТ – 0.25 –680 Ом ± 5% |
1 |
||||||
|
R9 |
МЛТ – 0.25 –30 КОм ± 5% |
1 |
||||||
|
R10 |
МЛТ – 0.25 –2.7 КОм ± 5% |
1 |
||||||
|
R11 |
МЛТ – 0.25 –3.3 КОм ± 5% |
1 |
||||||
|
R12 |
МЛТ – 0.25 –12 Ом ± 5% |
1 |
||||||
|
R13 |
МЛТ – 0.25 –33 Ом ± 5% |
1 |
||||||
|
R14 |
МЛТ – 0.25 –1.2 КОм ± 5% |
1 |
||||||
|
R15 |
МЛТ – 0.25 –5.1 КОм ± 5% |
1 |
||||||
|
R16 |
МЛТ – 0.25 –1 КОм ± 5% |
1 |
||||||
|
R17 |
МЛТ – 0.25 –1.1 КОм ± 5% |
1 |
||||||
|
R18 |
МЛТ – 0.25 –3.9 Ом ± 5% |
1 |
||||||
|
Транзисторы |
||||||||
|
V1,V3,V5 |
КТ 316 А СБ.0336049М |
3 |
||||||
|
V2,V4,V6 |
2Т 916 А аАО. 339136 ТУ |
3 |
||||||
|
РТФ КП 468740.001 ПЭ3 |
||||||||
|
Изм. |
Лист |
№ Докум |
Подпись |
Дата |
||||
|
Выполнил |
Дубовенко |
Усилитель Перечень элементов |
Лит |
Лист |
Листов |
|||
|
Проверил |
Титов А.А. |
3 |
3 |
|||||
|
Принял |
Титов А.А. |
ТУСУР, РТФ, гр. 148-3 |
||||||