Расчет релаксационного генератора на ИОУ
КУРСОВАЯ РАБОТА |
||
|
ДИСЦИПЛИНА: Электроника ТЕМА: Расчет релаксационного генератора на ИОУ ИСПОЛНИТЕЛЬ: ПРЕПОДАВАТЕЛЬ: |
||
СОДЕРЖАНИЕ
ЗАДАНИЕ 3
ВВЕДЕНИЕ 4
1. ОБОСНОВАНИЕ ВЫБОРА СХЕМЫ 7
2. РАСЧЕТНАЯ ЧАСТЬ 11
3. СПЕЦИФИКАЦИЯ ЭЛЕМЕНТОВ СХЕМЫ 17
ЗАКЛЮЧЕНИЕ 18
СПИСОК ИСПОЛЬЗУЕМОЙ ЛИТЕРАТУРЫ 19
ЗАДАНИЕ
Разработать и рассчитать релаксационный генератор на ИОУ
(интегральной схеме операционного усилителя) в соответствии с данными, представленными:
вид генератора - мультивибратор
режим работы – автоколебательный
период следования импульсов Т, мс – 0.09
длительность выходного импульса t>u>, мкс – 35
длительность фронта выходного импульса
,
мкс -

Проанализировать нестабильность длительности генерируемых импульсов разработанного релаксационного генератора в зависимости от разброса параметров навесных элементов.
ВВЕДЕНИЕ
Неотъемлемой частью почти любого электронного устройства является генератор гармонических или каких-либо других колебаний. Кроме очевидных случаев автономных генераторов (а именно генераторы синусоидальных сигналов, генераторы каких-либо функций, импульсные генераторы) источник регулярных колебаний необходим в любом периодически действующем измерительном приборе, в устройствах инициирующих измерения или технологические процессы, и вообще в любом приборе, работа которого связана с периодическими колебаниями.
Они присутствуют практически везде. Так, например, генераторы колебаний специальной формы используются в цифровых мультиметрах, осциллографах, радиоприемниках, ЭВМ, в любом периферийном устройстве ЭВМ (накопители на магнитной ленте или магнитных дисках, устройство печати, алфавитно-цифровой терминал), почти в любом цифровом приборе (счетчики, таймеры, калькуляторы и любые приборы с “многократным отображением”) и во множестве других устройств.
Устройство без генератора либо, либо предназначено для подключения к другому (которое скорее всего содержит генератор).
В зависимости от конкретного применения генератор может использоваться просто как источник регулярных импульсов («часы» в цифровой системе); от него может потребоваться стабильность и точность (например, опорный интервал времени в частотомере), регулируемость (гетеродин передатчика или приемника) или способность генерировать колебания в точности заданной формы (как например, генератор горизонтальной развертки осциллографа).
Возможность построения мультивибратора на ИОУ (интегральный операционный усилитель) обусловлена тем, что при соединении выхода ИОУ с его неинвертирующим входом получаем замкнутую резисторную или резисторно-конденсаторную цепь положительной обратной связи, обеспечивающую возможность возникновения лавинообразных процессов.
При этом напряжение на выходе ИОУ меняется скачкообразно от своего максимального до минимального значения и наоборот – при изменении знака напряжения входного дифференциального сигнала.
В импульсных устройствах широкое применение находят генераторы, выходное напряжение которых имеет форму, резко отличающуюся от синусоидальных. Колебания такой формы носят название релаксационных и бывают прямоугольными, пилообразными, пилообразно-импульсными и т.д.
Мультивибратор является релаксационным генератором. Он может работать в режиме автоколебаний, либо в ждущем режиме.
В режиме автоколебаний он не имеет состояния устойчивого равновесия. При работе мультивибратора в этом режиме существуют два чередующихся состояния квазиравновесия. Состояние квазиравновесия характеризуется сравнительно медленным изменением токов и напряжений, приводящих к некоторому критическому состоянию, при котором создаются условия для скачкообразного перехода мультивибратора из одного состояния в другое. Период колебаний при этом зависит от параметров схемы.
В ждущем режиме мультивибратор имеет состояние устойчивого равновесия и состояние квазиравновесия. Переход из первого во второе происходит в результате воздействия внешних запускающих импульсов, а возвращение в устойчивое состояние - самостоятельно по истечении некоторого времени, зависящего от параметров схемы.
1. ОБОСНОВАНИЕ ВЫБОРА СХЕМЫ
Итак, мультивибратор – это релаксационный генератор, вырабатывающий импульсы почти прямоугольной формы. При выборе схемы реализации данного устройства мы будем стараться найти оптимальный вариант между простотой, низкой стоимостью и исходными данными задания.
Найдем скважность генерируемых импульсов:
|
|
(1) |
где Т=0,09 мс – период следования импульсов
t>u>=35 мкс – длительность выходного импульса
В нашем
случае требуется получить генерируемые
импульсы большой скважности
,
следовательно, цепь заряда конденсатора
должна отличаться от цепи разряда.
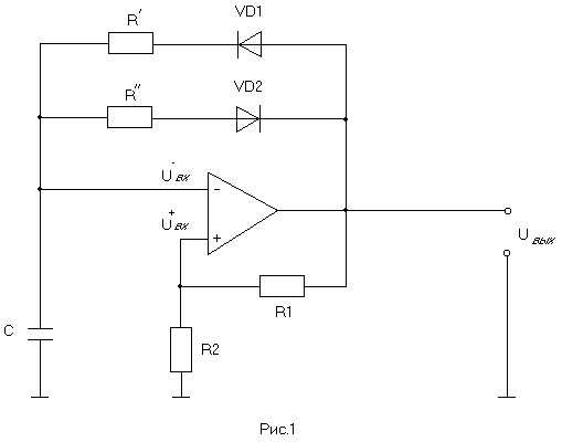
Выберем схему мультивибратора на ОУ, приведенной на рисунке №1.
В данном случае положительная обратная связь обеспечивается делителем напряжения на резисторах R1, R2.
В момент
t=0
(рис.2) включается источник питания ИОУ.
При этом начинает возрастать
,
а следовательно, и напряжение, снимаемое
с делителя R1,
R2
и поданное на вход
,
что вызывает дальнейшее увеличение
выходного напряжения
,
т.е. происходит лавинообразный процесс,
в результате которого
скачкообразно возрастает до значения
(это первое состояние квазиравновесия),
а
-
до значения
,
где
|
|
(2) |
Напряжение
при этом практически не изменяется и
равно нулю.
С
увеличением t
за счет заряда конденсатора через
резистор
увеличивается
напряжение
по экспоненциальному закону
до значения Е.
В момент
времени
.
При этом
уменьшается
лавинообразно, меняя полярность на
противоположную. В результате окончания
этого лавинообразного процесса
,
а
.
Конденсатор
начинает разряжаться через резистор
и
стремится перезарядиться до напряжения
.
В момент,
когда при перезагрузке конденсатора
напряжение
достигает значения
,
вновь возникает регенеративный процесс,
завершающийся переключением схемы во
второе состояние квазиравновесия.
Таким образом, периодически происходит переход из одного состояния квазиравновесия в другое.
Первый
импульс имеет меньшую длительность
,
т.к он формулируется при зарядке
конденсатора от нуля до
,
и определяется по формуле:
,
где

Последующие импульсы определяются по формуле:
|
|
(3) |
Период следования импульсов в нашем случае равен:
|
|
(4) |
где
и
-
сопротивления зарядного и разрядного
резисторов соответственно.
Синфазный
сигнал
мал и
,
а максимальный дифференциальный сигнал
.
При
выборе интегральной схемы операционного
усилителя (ИОУ) необходимо обратить
особое внимание на тот факт, что во
избежании выхода из строя ИОУ требуется
выполнение условия
,
следовательно,
,
где
-
допустимый дифференциальный сигнал.
Выбор
резисторов
и
с одной стороны должен обеспечивать
выполнение вышеуказанного условия для
,
а с другой стороны – обеспечивать
требуемую по заданию длительность
генерируемого импульса
по формуле (3).
2. РАСЧЕТНАЯ ЧАСТЬ
Опираясь на результаты теоретической части данной работы, выберем ИОУ, удовлетворяющий основным требованиям задания и выбранной схемы реализации мультивибратора, а также произведем расчет отдельных элементов схемы обеспечивающих выполнение требуемых параметров устройства.
Выберем К574УД1 – быстродействующий операционный усилитель с полевыми транзисторами на входе. Обладает высоким входным сопротивлением, большой частотой единичного усиления и высокой скоростью нарастания выходного напряжения.
Допустимые значения параметров:
E=
15,
B
U>вых
мах>=
10,
В
U>сф
м>=
10,
В
К>u>=50000
R>вх>=10000 МОм
R>вых>=1 кОм
V>u>> вых>=90 в/мкс
1) Согласно теоретической части работы:

,
следовательно

,
также

2) Подберем параметры резисторов R>1> и R>2>.
Реальные
значения
и
оказывают влияние на длительность и
форму генерируемых импульсов. Однако
это влияние незначительно, если
сопротивления резисторов R>1> и R>2 >удовлетворяют неравенствам:
|
|
||
|
|
Следовательно, R>1> и R>2> должны лежать в пределах от
1 кОм до
10000 МОМ, а также должно выполняться
.
Возьмем
кОм
и
кОм
условие
выполнено.
3) Подберем параметры для времязадающей цепи:
Чем
меньше
,
тем быстрее происходит перезаряд
конденсатора и тем выше частота выходного
сигнала.
Однако
следует иметь в виду, что при малых
значениях постоянной времени может
наблюдаться явление возбуждения
паразитных колебаний. Для обеспечения
устойчивости генерации коротких
импульсов целесообразно использовать
наиболее рациональный путь – уменьшение
коэффициента связи по неинвертирующему
входу
при
значениях времязадающей цепи, превышающих
критическую величину. При этом стабильная
работа мультивибратора наблюдается
при значениях
.


>с>
Необходимо
подобрать параметры
,
и
таким образом, чтобы выполнить равенство.
>с.>
Выберем
>Ом > ,
>Ом>
,
>Ф>
учитывая, что на разряд конденсатора
времени должно уйти больше чем на заряд.
>с.>
>мс.>
4)
Длительность фронтов выходных импульсов
в рассматриваемом мультивибраторе
зависят от предельной скорости
>вых>
нарастания выходного напряжения
используемой микросхемы операционного
усилителя:
,
у нас по условию задания
>мкс.>
условие
выполнено.
Длительность
фронта выходного импульса
.
Чем меньше отношение
тем форма импульса ближе к прямоугольной.


3. СПЕЦИФИКАЦИЯ ЭЛЕМЕНТОВ СХЕМЫ
|
№ п/п |
Обозначение |
Тип |
Количество |
|
1 |
|
Резистор МЛТ-0,5 – 1.3 кОм 5% |
1 |
|
2 |
|
Резистор МЛТ-0,5 – 3.6 кОм 5% |
1 |
|
3 |
|
Резистор МЛТ-0,5 – 9.1 кОм 5% |
1 |
|
4 |
|
Резистор МЛТ-0,5 – 4.7 кОм 5% |
1 |
|
5 |
|
Конденсатор К1030 – 0.01 мкФ |
1 |
|
6 |
|
Операционный усилитель К574УД1 |
1 |
ЗАКЛЮЧЕНИЕ
В курсовой работе был разработан релаксационный генератор на ИОУ с большой скважностью генерируемых импульсов в режиме автоколебания. В процессе ее выполнения получены навыки выбора схемы и ее элементов в зависимости от необходимого результата.
Приобретены знания об основных свойствах интегральных операционных усилителей, используемых при построении импульсных генераторов различного назначения, в частности с использованием в данной курсовой работе ИОУ К574УД1.
СПИСОК ИСПОЛЬЗУЕМОЙ ЛИТЕРАТУРЫ
П. М. Грицевский, А. Е. Мамченко, Б. М. Степенский Основы автоматики, импульсной и вычислительной техники. - М.; «Радио и связь», 1987г.
П. Хоровиц, У. Хилл Искусство схемотехники-1 – М.; «Мир» 1993 г.
Справочник: Интегральные микросхемы. Операционные усилители Том I. – М.; ВО «Наука» 1993г.
ПРИЛОЖЕНИЕ




,


