Широкополосный усилитель с подъемом АЧХ (работа 1)
32
Министерство образования Российской Федерации.
ТОМСКИЙ ГОСУДАРСТВЕННЫЙ УНИВЕРСИТЕТ СИСТЕМ УПРАВЛЕНИЯ И РАДИОЭЛЕКТРОНИКИ (ТУСУР)
Кафедра радиоэлектроники и защиты информации (РЗИ)
ШИРОКОПОЛОСНЫЙ
УСИЛИТЕЛЬ
С ПОДЪЁМОМ АЧХ
Пояснительная записка к курсовой работе по дисциплине «Схемотехника»
Студент гр. 148-3
_______Д.С. Ломакин
________дата
Руководитель
Доцент кафедры РЗИ
_______А.А. Титов
Томск 2001
Реферат
Курсовая работа 35 с., 13 рис., 1 табл., 5 источников.
УСИЛИТЕЛЬ, ТРАНЗИСТОР, КАСКАД, ЧАСТОТНЫЕ ИСКАЖЕНИЯ, ПОЛОСА РАБОЧИХ ЧАСТОТ, КОРРЕКТИРУЮЩАЯ ЦЕПЬ, КОЭФФИЦИЕНТ УСИЛЕНИЯ
В данной курсовой работе исследуется широкополосный усилитель с подъёмом АЧХ, а также корректирующие и стабилизирующие цепи.
Цель работы - приобретение навыков расчета номиналов элементов усилительного каскада, подробное изучение существующих корректирующих и стабилизирующих цепей, умения выбрать необходимые схемные решения на основе требований технического задания.
В процессе работы были осуществлены инженерные решения (выбор транзисторов, схем коррекции и стабилизации), расчет номиналов схем.
В результате работы получили принципиальную готовую схему усилительного устройства с известной топологией и номиналами элементов, готовую для практического применения.
Полученные данные могут использоваться при создании реальных усилительных устройств.
Курсовая работа выполнена в текстовом редакторе Microsoft Word 2000 и представлена на дискете 3,5. (в конверте на обороте обложки).
Задание
Диапазон частот от 10 МГц, до 200 МГц
Допустимые частотные искажения М>н> 3 дБ, М>в> 3 дБ
Коэффициент усиления 30 дБ
Источник входного сигнала R>г>=50 Ом
Амплитуда напряжения на выходе U>вых>=5 В
Величина нагрузки R>н>=50 Ом
Условия эксплуатации t= +10 +60C
Линейный подъём АЧХ на 5дБ
Содержание
1. Введение 4
2. Основная часть 5
2.1. Определение числа каскадов 5
2.2. Распределение искажений на ВЧ 5
2.3. Расчёт оконечного каскада 5
2.3.1. Расчет рабочей точки 5
2.3.2. Выбор транзистора 8
2.3.3. Расчёт эквивалентных схем транзистора 9
2.3.4. Расчет цепей питания и термостабилизации 11
2.3.5. Расчёт выходной корректирующей цепи 14
2.3.6. Расчёт межкаскадной корректирующей цепи 16
2.4. Выбор входного транзистора 18
2.5. Расчёт предоконечного каскада 19
2.5.1. Расчёт рабочей точки 19
2.5.2. Эмиттерная термостабилизация 19
2.5.3. Расчёт элементов ВЧ коррекции и коэффициента усиления 20
2.6. Расчёт входного каскада 22
2.6.1. Расчёт рабочей точки 22
2.6.2. Однонаправленная модель входного транзистора 22
2.6.3. Эмиттерная термостабилизация 23
2.6.4. Расчёт элементов ВЧ коррекции и коэффициента усиления 24
2.7. Расчёт разделительных и блокировочных конденсаторов 25
3. Заключение 30
Список использованной литературы 31
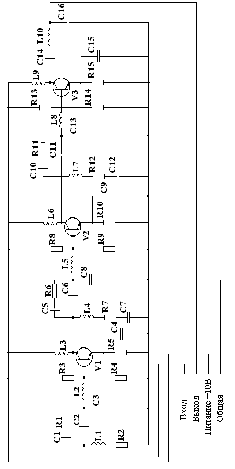
Схема принципиальная 32
Спецификация 33
1. Введение
Основная цель работы - получение необходимых навыков практического расчета радиотехнического устройства (усилителя-корректора), обобществление полученных теоретических навыков и формализация методов расчета отдельных компонентов электрических схем.
Усилители электрических сигналов применяются во всех областях современной техники и народного хозяйства: в радиоприемных и радиопередающих устройствах, телевидении, системах звукового вещания, аппаратуре звукоусиления и звукозаписи, радиолокации, ЭВМ. Также они нашли широкое применение в автоматических и телемеханических устройствах, используемых на современных заводах. Как правило, усилители осуществляют усиление электрических колебаний, сохраняя их форму. Усиление происходит за счет электрической энергии источника питания. Т. о., усилительные элементы обладают управляющими свойствами.
Устройство, рассматриваемое в данной работе, может широко применяться на практике.
Устройство имеет немалое научное и техническое значение благодаря своей универсальности и широкой области применения.
2. Основная часть
2.1. Определение числа каскадов
Так как на одном каскаде невозможно
реализовать усиление 30дБ, то для того,
чтобы обеспечить такой коэффициент
усиления, используем сложение каскадов.
Считаем, что каждый каскад в среднем
даёт 10дБ, и так как необходимо получить
30дБ, то:
Таким образом, число каскадов равно трём.
2.2. Распределение искажений на ВЧ
По заданию, допустимые искажения АЧХ, вносимые данным устройством, равны 3дБ. Так как используем 3 каскада, то допустимые искажения АЧХ, вносимые одним каскадом, равны 1дБ.
2.3. Расчёт оконечного каскада
2.3.1. Расчет рабочей точки
1). Возьмём сопротивление коллектора равное сопротивлению нагрузки (R>к>=R>н>).
Согласно закону Ома:
U>вых>=I>вых>R>н> (2.1)
Отсюда найдём ток на выходе каскада:
I>вых>= U>вых >/R>н>=5/50=0,1. (2.2)
Выходная мощность:


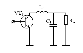
Рисунок 2.1. - Схема оконечного некорректированного каскада.
Ток на коллекторе транзистора определяется из выражения:
(2.3)
Так как остаточное напряжение выбирается 2-3 В, возьмём U>ост>=2 В.
U>кэ0> – напряжение рабочей точки
I>к0> – ток рабочей точки.
Таким образом, рабочая точка:
.
Найдём напряжение питания:
Е>п>=U>кэ0 >+R>к>I>к0>=7+500,22=18 В. (2.4)
Построим нагрузочные прямые:

Рисунок 2.2. – Нагрузочные прямые
На рисунке 3.2. i(u) - нагрузочная прямая по постоянному току (красная)
y(u) - нагрузочная прямая по переменному току (синяя)
Сопротивление по переменному току:
Ом. (2.5)
Амплитуда выходного напряжения:
U>вых>=I>к0>R>н>/2=0,2225=5,5 В. (2.6)
Рассчитаем мощность:
P>потр>=I>к0>E>п>=0,2218=3,96 Вт (2.7а)
P>рас>=I>к0>U>кэ0>=0,227=1,54 Вт. (2.7б)
2). Вместо сопротивления коллектора поставим дроссель (R>к> – дроссель L>к>).

Рисунок 2.3. - Схема оконечного дроссельного каскада.
В данном случае Е>п>=U>кэ0>=7 В, так как на коллекторе нет активного сопротивления.
Построим нагрузочные прямые для этого случая.

I>к0>R>н>=0,1150=5,5В.

Рисунок 2.4. – Нагрузочные прямые
На рисунке 3.4. z(u) - нагрузочная прямая по постоянному току (красная)
U=7- нагрузочная прямая по переменному току (пунктирная)
По формулам (2.7а) и (2.7б) рассчитаем мощность:
P>потр>=0,117=0,77 Вт
P>рас>=0,117=0,77 Вт.
Сравним эти каскады:
Таблица 2.1 – сравнение каскадов
|
Е>п>> >, В |
Р>расс> ,Вт |
Р>потр> , Вт |
I>к0 >, А |
U>кэ0> , В |
|
|
R>к>=R>н> |
18 |
1,54 |
3,96 |
0,22 |
7 |
|
R>к >– Др. |
7 |
0,77 |
0,77 |
0,11 |
7 |
Так как напряжение питания и мощности дроссельного каскада меньше, чем у каскада с R>к >= R>н> , то возьмём каскад с дросселем на коллекторе.
2.3.2. Выбор транзистора
Выбор транзистора осуществляется исходя из условий:
I>к.доп >>1,2I>к0>
U>кэ.доп >>1,2U>кэ0>
P>к.доп >>1,2P>к0>
f>т>310f>в> ,
где индекс “доп” означает максимально допустимое значение,
I>к> – ток коллектора,
U>кэ> – напряжение между коллектором и эмиттером,
P>к> – мощность, рассеиваемая на коллекторе,
f>в> – верхняя частота.
Подставим численные значения:
I>к.доп >>0,132 А
U>кэ.доп >>8,4 В
P>к.доп >>0,924 Вт
f>т>6002000 МГц
Исходя из этих требований, выберем в качестве выходного транзистора транзистор КТ939А. Электрические параметры транзистора КТ939А [1]:
Статический коэффициент передачи тока в схеме с ОЭ (типовое значение):
=113
Граничная частота коэффициента передачи тока в схеме с ОЭ при U>кэ>=12В, I>к>=200мА:
f>Т>=3060МГц
Ёмкость коллекторного перехода при U>кб>=12В:
С>U>>кэ>=3,9пФ
Постоянная времени цепи ОС на ВЧ при U>к>=10В, I>э>=50мА, f=30МГц:
>с>=4,6пФ
Предельные эксплуатационные данные транзистора КТ939:
Постоянная рассеиваемая мощность коллектора
Р>к>=4Вт
Рабочая точка:
I>к0>=0,11 А
U>кэ0>=7 В
E>п>=7 В
2.3.3. Расчёт эквивалентных схем транзистора
В данном пункте рассчитываются эквивалентные схемы транзистора, низкочастотная - схема Джиаколетто и высокочастотная – однонаправленная модель.
1). Схема Джиаколетто [2]
а). Сначала найдём С>u>> кэ >, чтобы найти R>б>.
Так как в справочнике С>u>> кэ> найдена при напряжении 12 В, а нам необходима при 10 В, то используем такую формулу:
, (2.8)
где С>U>>кк1> – ёмкость коллектор-эмиттерного перехода, рассчитанная при U>кэ1>,
U>кэ2> – напряжение, при котором необходимо найти С>U>>кк2>.
Подставим численные значения в формулу (2.8):
Ф.
Теперь найдём R>б> по формуле:
(2.9)
Подставим численные значения:
Ом.
б). Сопротивление эмиттера
Ом. (2.10)
Здесь I>э> – в мили Амперах.
в). Проводимость база-эмиттер
Ом
-1. (2.11)
г). Ёмкость эмиттерного перехода
Ф. (2.12)
д). Крутизна
(2.13)
(2.14)
е).
Ом. (2.15)
ж). В соответствии с формулой (2.8):
Ф.
Элементы схемы Джиаколетто:
g>б>=0,934 Ом-1
g>бэ>=16,810-3 Ом-1
g>i>=13,310-3 Ом-1
C>э>=100 пФ
С>к>=5,1 пФ

Рисунок 2.5 - Эквивалентная схема Джиаколетто
2). Однонаправленная модель [3]
L>вх>=L>э>+L>б>=0,2+1=1,2 нГн
R>вх>=r>б>=1,07 Ом
R>вых>=R>i>=g>i> –1=75,2
С>вых>=С>к>=5,1 пФ
G>12ном>=(f>max>/f>тек>)2=(3060/200)2=15,32=234,09

Рисунок 2.6 - Однонаправленная модель
2.3.4. Расчет цепей питания и термостабилизации
1). Эмиттерная термостабилизация [4]
Найдём мощность, рассеиваемую на R>э>:
Рабочая точка: I>к0>=0,11 А
U>кэ0>=7 В
Для эффективной термостабилизации падение напряжения на R>э> должно быть порядка 3-5В. Возьмём U>э>=3В. Тогда мощность, рассеиваемая на R>э> определяемая выражением (2.16), равна:
P>R>>э>=I>к0>U>э>=0,113=0,33 Вт. (2.16)

Рисунок 2.7 - Схема оконечного каскада с эмиттерной термостабилизацией
Найдём необходимое Е>п> для данной схемы:
Е>п>=U>R>>э>+ U>кэ0>+ U>R>>к>=3+7+0=10 В. (2.17)
Рассчитаем R>э>, R>б1>, R>б2>:
Ом, (2.18)
мА, (2.19)
ток базового делителя:
I>д>=10I>б>=9,73 мА, (2.20)
Ом, (2.21)
Ом. (2.22)
Найдём L>к>, исходя из условий, что на нижней частоте полосы пропускания её сопротивление много больше сопротивления нагрузки. В нашем случае:
мкГн. (2.23)
2). Активная коллекторная термостабилизация [4]

Рисунок 2.8 – Схема активной коллекторной стабилизации
Напряжение U>R>>4>
выбирается из условия:

В.
Возьмём U>R>>4>=1,5 В.
Рассчитаем мощность, рассеиваемую на R>4>:
P>R4>=U>R4>I>К>>02>=1,50,11=0,165 Вт. (2.24)
Найдём Е>П>:
Е>П>=U>кэ 02>+U>R>>4>=7+1,5=8,5 В, (2.25)
где U>кэ 02> – напряжение в рабочей точке второго транзистора.
Ом (2.26)
Первый транзистор выбирается исходя из условия, что статический коэффициент передачи тока базы >01>=50100.
Примем >01>=75.
Ток базы второго транзистора находится по формуле (2.19):
мА.
В. (2.27)
кОм. (2.28)
В соответствии с формулой (2.19):
А.
Ток базового делителя первого транзистора рассчитывается поформуле (2.20):
I>д1>=10I>б1>=1019,510-6=0,195 мА.
кОм. (2.29)
кОм. (2.30)
Так как усилитель маломощный, то возьмём эмиттерную термостабилизацию.
2.3.5. Расчёт выходной корректирующей цепи

Рисунок 2.9 - Выходная корректирующая цепь
Нормировка элементов производится по формулам (2.31):
, (2.31)
где R>нор> и w>нор> – сопротивление и частота, относительно которых производится нормировка,
L, C, R – значения нормируемых элементов
L>н>, C>н>, R>н> – нормированные значения.
Нормируем С>вых> (относительно R>н> и w>в>) в соответствии с (2.31)
С>выхН>=С>вых>R>н>w>в>=5,110-12502200106=0,32
В таблице 7.1 [4] находим нормированные значения L>1> и С>1>, соответствующие найденному С>выхН>. Ближайшее значение С>выхН>=0,285, ему соответствуют:
С>1Н>=0,3
L>1Н>=0,547
=1,002.
Денормирование элементов производится по следующим формулам:
(2.32)
По (2.32) разнормируем С>1Н> и L>1Н> :
нГн,
пФ.
Найдём ощущаемое сопротивление транзистора:
R>ощ>=R>н>/=50/1,002=49,9 Ом (2.33)
2.3.6. Расчёт межкаскадной корректирующей цепи
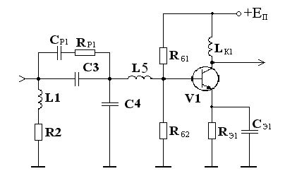
Чтобы обеспечить подъём АЧХ, воспользуемся межкаскадной корректирующей цепью четвертого порядка [5].
Схема каскада по переменному току приведена на рисунке 3.9.

Рисунок 2.10 - Каскад с межкаскадной корректирующей цепью четвёртого порядка.
По заданию необходимо осуществить подъём АЧХ на 5 дБ.
Так как неравномерность АЧХ всего устройства составляет 1,5дБ, а число каскадов равно трём, то на каждый каскад приходится неравномерность АЧХ=0,5дБ.
Нормированные значения элементов корректирующей цепи взяты из таблицы 9.1, исходя из заданных частотных искажений [5].





Так как транзистор биполярный, то его входная ёмкость С>вх>=
Рассчитаем нормированное значение выходной ёмкости первого транзистора (С>вых1>) по формуле (2.31).
Здесь нормируем относительно выходного сопротивления промежуточного (первого) транзистора и верхней частоты.
С>вых1Н>=С>вых1>R>вых1>2f>в>=5,110-1275,22200106=0,482
Найдём элементы коррекции с учетом С>вых1Н>:
(2.34)
(2.35)
(2.36)
(2.37)
(2.38)
(2.39)
Разнормируем элементы коррекции в соответствии с (2.32):
нГн
Ом
пФ
пФ
нГн.
Найдём коэффициент усиления выходного каскада:
(2.40)
где R>вх.н> – входное сопротивление оконечного транзистора, нормированное относительно выходного сопротивления предоконечного транзистора,
G>ном12> – коэффициент усиления транзистора, находится по формуле (2.41)
, (2.41)
f>мах> – максимальная частота транзистора,
f>в> – верхняя частота заданной полосы пропускания.

Подставим в формулу (2.40), и получим:
раз
= 16,3дБ.
2.4. Выбор входного транзистора
Транзистор входного каскада должен иметь такую же полосу частот, но, так как выходной каскад даёт достаточно высокий коэффициент усиления, то коэффициент усиления входного транзистора можно взять поменьше, чем у транзистора выходного и предоконечного каскадов [1].
Электрические параметры транзистора 2Т911А:
Коэффициент усиления по мощности при U>кэ>=28В, Т>к>40С, на частоте f=1,8ГГц при Р>вых>=0,8Вт:
G>ном1,2>=2
Статический коэффициент передачи тока в схеме с ОЭ при U>кэ>=5В, I>э>=200мА (типовое значение):
=40
Граничная частота коэффициента передачи тока в схеме с ОЭ при U>кэ>=12В, I>к>=200мА:
f>Т>=3060МГц
Ёмкость коллекторного перехода при U>кб>=28В:
С>U>>кэ>=4пФ
Постоянная времени цепи ОС на ВЧ при U>кб>=10В, I>э>=30мА, f=5МГц:
>с>=25пФ
Предельные эксплуатационные данные транзистора 2Т911А:
Средняя рассеиваемая мощность в динамическом режиме
Р>к>=3Вт
По всем параметрам нам подходит транзистор 2Т911А.
Подставив в формулу (2.41) справочные значения коэффициента усиления и верхней частоты транзистора, найдём максимальную частоту:
,
где f>вТР> – граничная частота транзистора.
Таким образом f>мах>=
1,8109=2,5
ГГц
Подставив в формулу (2.41) найденное значение максимальной частоты и верхнюю частоту заданной полосы, найдём усиление:


Найдём выходное сопротивление транзистора (R>вых>):
U>кб>=55 В, I>к>=400 мА
Ом.
2.5. Расчёт предоконечного каскада
2.5.1. Расчёт рабочей точки
В данном каскаде используем транзистор КТ939, то есть такой же, как и в выходном каскаде.
Чтобы для всего усилительного каскада использовалось одно и тоже питание, рабочая точка для этого транзистора имеет такое же напряжение, но ток меньше, чем у выходного каскада в ‘коэффициент усиления конечного каскада’ раз.
U>кэ0>=7 В,
мА.
Таким образом рабочая точка: I>к0>=16,7 мА
U>кэ0>=7 В
Эквивалентные схемы транзистора представлены в пункте 2.3.3.
2.5.2. Эмиттерная термостабилизация
Возьмём напряжение на эмиттере U>э>=3 В.
Мощность, рассеиваемая на R>э> находится по формуле (2.16):
P>R>>э>=16,7
3=50,1
мВт.
Е>п> для данной схемы находится по формуле (2.17):
Е>п>=3+7+0=10 В.
Рассчитаем R>э>, R>б1>, R>б2> в соответствии с формулами (2.18)-(2.22)
Ом,
мА,
ток базового делителя: I>д>=10I>б>=1,48 мА,
Ом,
Ом.
Схема каскада с эмиттерной термостабилизацией приведена на рисунке 2.7.
Найдём L>к>, исходя из условий, что на нижней частоте полосы пропускания её сопротивление много больше сопротивления нагрузки для данного транзистора. В нашем случае:
нГн.
2.5.3. Расчёт элементов ВЧ коррекции и коэффициента усиления
По таблице [5] найдём коэффициенты, соответствующие нулевому подъёму АЧХ и неравномерности 0,5дБ





Рассчитаем нормированное значение выходной ёмкости первого транзистора (С>вых1>) по формулам (2.31).
Здесь нормируем относительно выходного сопротивления входного транзистора (R>вых1>) и верхней частоты.
С>вых1Н>=С>вых1>R>вых1>2f>в>=5,110-12137,52200106=0,88

По формулам (2.34)-(2.39) найдём элементы коррекции:






В соответствии с (2.32) разнормируем элементы коррекции:
нГн
Ом
пФ
пФ
нГн.
Найдём коэффициент усиления предоконечного каскада по формуле (2.40), где R>вх.н> – входное сопротивление предоконечного транзистора, нормированное относительно выходного сопротивления входного транзистора:

2.6. Расчёт входного каскада
2.6.1. Расчёт рабочей точки
Рабочая точка для этого транзистора имеет такое же напряжение, но ток меньше, чем у предоконечного каскада в ‘коэффициент усиления предоконечного каскада’ раз.
U>кэ0>=7 В,
мА.
Таким образом рабочая точка: I>к0>=2,7 мА
U>кэ0>=7 В
2.6.2. Однонаправленная модель входного транзистора
а). Сначала найдём С>u>> кэ >, чтобы найти R>б>.
Так как в справочнике С>u>> кэ> найдена при напряжении 28 В, а нам необходима при 10 В, то, используя формулу (2.8), получим:
Ф.
Теперь найдём R>б> по формуле (2.9):
Ом.
R>вх>=r>б>=1,5 Ом.
б). Найдём R>вых> по формуле (2.15).
U>кб>=55 В, I>к>=400 мА
Ом.
в). Индуктивность входа
L>б>=0,5 нГн, L>э>=0,55 нГн
L>вх>= L>б>+ L>э>=0,5+0,55=1,05 нГн
г). По формуле (2.8) рассчитаем выходную ёмкость
Ф.
Коэффициент усиления транзистора находится по формуле (2.14), где >0> и r>э> – из (2.13) и (2.10) соответственно:
,
Ом
.
Т.о. элементы однонаправленной модели:
L>вх>=1,05 нГн
R>вх>=1,5 Ом
R>вых>=137,5 Ом
С>вых>=20 пФ
Однонаправленная модель приведена на рисунке 3.6.
2.6.3. Эмиттерная термостабилизация
Возьмём напряжение на эмиттере равным U>э>=3 В.
В соответствии с формулой (2.16), мощность, рассеиваемая на R>э> равна
P>R>>э>=2,7
3=8,1
мВт.
По формулам (2.18)-(2.22) рассчитаем R>э>, R>б1>, R>б2>:
Ом,
мкА,
ток базового делителя: I>д>=10I>б>=238 мкА,
Ом,
Ом.
Схема каскада с эмиттерной термостабилизацией приведена на рисунке 2.7.
Аналогично, как и для предыдущего каскада найдём L>к>:
нГн.
2.6.4. Расчёт элементов ВЧ коррекции и коэффициента усиления
В соответствии с таблицей 9.1 [5], для нулевого подъёма и с неравномерностью АЧХ=0,5дБ:





Здесь нормируем относительно сопротивления генератора (R>г>) и верхней частоты.

Нормированные значения элементов находятся по формулам(2.34)-(2.39)






По (2.32) разнормируем элементы коррекции:
нГн
Ом
пФ
пФ
нГн.
Найдём коэффициент усиления входного каскада по формуле (2.40), но здесь R>вх.н> – входное сопротивление входного транзистора, нормированное относительно сопротивления генератора:
раз=21,5дБ.
2.7. Расчёт разделительных и блокировочных конденсаторов
Найдём искажения, вносимые разделительными и блокировочными конденсаторами [4]:
дБ=1,05
раз.
Искажения, вносимые каждым конденсатором:

В общем виде:
, (2.42)
где f>н> – нижняя частота,R>1>, R>2> – обвязывающие сопротивления

Рисунок 2.11 – Входной каскад с разделительными и блокировочными конденсаторами.

Рисунок 2.12 – Предоконечный каскад с разделительными и блокировочными конденсаторами.

Рисунок 2.13 –Оконечный каскад с разделительными и блокировочными конденсаторами.
С>доп> выбирается таким, что на нижней частоте её сопротивление было много меньше, чем R>2>, то есть:
(2.43)
В (2.43) подставим численные значения, и найдём С>доп>:
нФ,
нФ.
Найдём R>р1>, R>р2>, R>р3>, исходя из формулы:
, (2.44)
где S>210> – коэффициент усиления соответствующего транзистора,
для выходного каскада R>3>=R>н>, а для остальных двух – R>1,2>=R>2> соответствующего каскада.
В соответствии с (2.44):
для входного каскада:
Ом,
для оконечного:
Ом,
для выходного:
Ом,
По (2.42) найдём С>р1>, С>р2>, С>р3>.




По заданным искажениям найдём блокировочные конденсаторы (в нашем случае С>э>>i>), исходя из формулы:
, (2.45)
где S – крутизна соответствующего транзистора,
R>э>>i> – сопротивление эмиттера (схема термостабилизации) для соответствующего транзистора.
Подставляя численные значения в (2.45), получим:
пФ,
нФ,
нФ.
Коэффициент усиления всего усилителя:
раз
= 53,6 дБ.
3. Заключение
В результате выполненной курсовой работы получена схема электрическая принципиальная усилителя-корректора. Известны топология элементов и их номиналы. Поставленная задача решена в полном объеме, однако для практического производства устройства данных недостаточно. Необходимая информация может быть получена в результате дополнительных исследований, необходимость которых в техническом задании настоящего курсового проекта не указывается.
Таким образом, в данной курсовой работе был разработан усилитель-корректор на транзисторах КТ911А и КТ939А, имеющий следующие технические характеристики:
Полоса рабочих частот 10-200 МГц
Подъём АЧХ 5 дБ
Амплитуда выходного напряжения 5В
Коэффициент усиления 50дБ
Напряжение питания 10В
Сопротивления генератора и нагрузки 50 Ом
Список использованной литературы
1. Полупроводниковые приборы : Транзисторы. П53 Справочник / В.Л. Аронов, А.В. Баюков, А.А. Зайцев и др. Под общ. ред. Н.Н. Гарюнова. – 2-е изд., перераб. – М.: Энергоатомиздат, 1985 – 904 c., ил.
2. Мамонкин И.Г. Усилительные устройства: учебное пособие для вузов. – М.: Связь, 1977г.
3. А.А. Титов, Л.И. Бабак, М.В. Черкашин. Электронная техника. сер. СВ – техника. Вып. 1 (475), 2000
4. Титов А.А. Расчет корректирующих цепей широкополосных усилительных каскадов на биполярных транзисторах – http://referat.ru/download/ref-2764.zip
5. Титов А.А. Расчет корректирующих цепей широкополосных усилительных каскадов на полевых транзисторах – http://referat.ru/download/ref-2770.zip






|
РТФ КП 468730.009 ПЭ3 |
||||||||
|
Изм. |
Лист |
№ Докум |
Подпись |
Дата |
||||
|
Выполнил |
Ломакин Д.С. |
Широкополосный усилитель с подъёмом АЧХ Принципиальная схема |
Лит |
Лист |
Листов |
|||
|
Проверил |
Титов А.А. |
2 |
4 |
|||||
|
Принял |
ТУСУР, РТФ, гр.148-3 |
|||||||
Поз.обознач. |
Наименование |
Кол. |
Примечание |
|||||
|
Конденсаторы ОЖО.460.107ТУ |
||||||||
|
С1 |
К10-17а-120пФ± 10% |
1 |
||||||
|
С2 |
К10-17а-82пФ± 10% |
1 |
||||||
|
С3 |
К10-17а-56пФ± 10% |
1 |
||||||
|
С4 |
К10-17а-470пФ± 10% |
1 |
||||||
|
С5 |
К10-17а-12пФ± 10% |
1 |
||||||
|
С6 |
К10-17а-27пФ± 10% |
1 |
||||||
|
С7 |
К10-17а-1нФ± 10% |
1 |
||||||
|
С8 |
К10-17а-12пФ± 10% |
1 |
||||||
|
С9 |
К10-17а-4,7нФ± 10% |
1 |
||||||
|
С10 |
К10-17а-39пФ± 10% |
1 |
||||||
|
С11 |
К10-17а-47пФ± 10% |
1 |
||||||
|
С12 |
К10-17а-3,3нФ± 10% |
1 |
||||||
|
С13 |
К10-17а-47пФ± 10% |
1 |
||||||
|
С14 |
К10-17а-560пФ± 10% |
1 |
||||||
|
С15 |
К10-17а-12пФ± 10% |
1 |
||||||
|
С16 |
К10-17а-4,7пФ± 10% |
1 |
||||||
|
Дроссели ОЮО.475.000.ТУ |
||||||||
|
L1 |
88нГн |
1 |
||||||
|
L2 |
12нГн |
1 |
||||||
|
L3 |
170нГн |
1 |
||||||
|
L4 |
245нГн |
1 |
||||||
|
РТФ КП 468730.009 ПЭ3 |
||||||||
|
Изм. |
Лист |
№ Докум |
Подпись |
Дата |
||||
|
Выполнил |
Ломакин Д.С. |
Широкополосный усилитель с подъёмом АЧХ Перечень элементов |
Лит |
Лист |
Листов |
|||
|
Проверил |
Титов А.А. |
2 |
4 |
|||||
|
Принял |
ТУСУР, РТФ, гр.148-3 |
|||||||
Поз.обознач. |
Наименование |
Кол. |
Примечание |
|||||
|
L5 |
46нГн |
1 |
||||||
|
L6 |
170нГн |
1 |
||||||
|
L7 |
80нГн |
1 |
||||||
|
L8 |
13нГн |
1 |
||||||
|
L9 |
8мкГн |
1 |
||||||
|
L10 |
22нГн |
1 |
||||||
|
Резисторы ГОСТ 7113-77 |
||||||||
|
R1 |
МЛТ – 0.25 –470 Ом ± 10% |
1 |
||||||
|
R2 |
МЛТ – 0.25 –56 Ом ± 10% |
1 |
||||||
|
R3 |
МЛТ – 0.25 –22 кОм ± 10% |
1 |
||||||
|
R4 |
МЛТ – 0.25 –15 кОм ± 10% |
1 |
||||||
|
R5 |
МЛТ – 0.25 –1,2 кОм ± 10% |
1 |
||||||
|
R6 |
МЛТ – 0.25 –4,7 кОм ± 10% |
1 |
||||||
|
R7 |
МЛТ – 0.25 –150 Ом ± 10% |
1 |
||||||
|
R8 |
МЛТ – 0.25 –3,9 кОм ± 10% |
1 |
||||||
|
R9 |
МЛТ – 0.25 –2,7 кОм ± 10% |
1 |
||||||
|
R10 |
МЛТ – 0.25 –180 Ом ± 10% |
1 |
||||||
|
R11 |
МЛТ – 0.25 –1,8 кОм ± 10% |
1 |
||||||
|
R12 |
МЛТ – 0.25 –47 Ом ± 10% |
1 |
||||||
|
R13 |
МЛТ – 0.25 –560 Ом ± 10% |
1 |
||||||
|
R14 |
МЛТ – 0.25 –390 Ом ± 10% |
1 |
||||||
|
R15 |
МЛТ – 0.25 –27 Ом ± 10% |
1 |
||||||
|
РТФ КП 468730.009 ПЭ3 |
||||||||
|
Изм. |
Лист |
№ Докум |
Подпись |
Дата |
||||
|
Выполнил |
Ломакин Д.С. |
Широкополосный усилитель с подъёмом АЧХ Перечень элементов |
Лит |
Лист |
Листов |
|||
|
Проверил |
Титов А.А. |
3 |
4 |
|||||
|
Принял |
ТУСУР, РТФ, гр.148-3 |
|||||||
Поз.обознач. |
Наименование |
Кол. |
Примечание |
|||||
|
Транзисторы |
||||||||
|
V1 |
2Т 9111 аА О.339.542 ТУ |
1 |
||||||
|
V2,V3 |
KT 939 aA o.339150ТУ |
2 |
||||||
|
РТФ КП 468730.009 ПЭ3 |
||||||||
|
Изм. |
Лист |
№ Докум |
Подпись |
Дата |
||||
|
Выполнил |
Ломакин Д.С. |
Широкополосный усилитель с подъёмом АЧХ Перечень элементов |
Лит |
Лист |
Листов |
|||
|
Проверил |
Титов А.А. |
4 |
4 |
|||||
|
Принял |
ТУСУР, РТФ, гр.148-3 |
|||||||