Усилитель радиорелейной линии связи (работа 1)
Министерство образования Российской Федерации
ТОМСКИЙ ГОСУДАРСТВЕННЫЙ УНИВЕРСИТЕТ
СИСТЕМ УПРАВЛЕНИЯ РАДИОЭЛЕКТРОНИКИ (ТУСУР)
Кафедра радиоэлектроники и защиты информации (РЗИ)
УСИЛИТЕЛЬ РАДИОРЕЛЕЙНОЙ ЛИНИИ СВЯЗИ
Пояснительная записка к курсовому проекту по дисциплине
Схемотехника АЭУ
Студент гр. 148-3
__________Валтеев В.В.
2001
Объектом проектирования является усилитель радиорелейных линий связи.
Цель работы – научиться проектировать широкополосный усилитель по заданным требованиям к нему.
В процессе работы производился аналитический расчёт усилителя и вариантов его исполнения, при этом был произведён анализ различных схем термостабилизации, рассчитаны эквивалентные модели транзистора, рассмотрены варианты коллекторной цепи транзистора.
В результате расчета был разработан усилитель с заданными требованиями.
Полученный усилитель может быть использован для компенсации потерь мощности в радиорелейных линиях связи.
Курсовая работа выполнена в текстовом редакторе Microsoft Word 7.0 (представлена на дискете).
ТЕХНИЧЕСКОЕ ЗАДАНИЕ
на курсовое проектирование по курсу “Аналоговые электронные устройства”
студент гр. 148-3 Валтеев В.В.
Тема проекта: Усилитель радиорелейных линий связи.
Исходные данные для проектирования аналогового устройства.
1. Диапазон частот от 40 МГц до 450 МГц.
2. Допустимые частотные искажения Мн 3 dB, МВ 3 dB.
3. Коэффициент усиления 15 dB.
4. Сопротивление источника сигнала 50 Ом.
5. Амплитуда напряжения на выходе 0.5 В.
6. Характер и величина нагрузки 50 Ом.
7. Условия эксплуатации (+5 +40)ºС.
8. Дополнительные требования: согласование усилителя по входу и выходу.
Содержание
1 Введение ------------------------------------------ ----------------------------- 5
2 Основная часть ---------------------------------------------------------------- 6
2.1 Анализ исходных данных -------------------------------------------------- 6
2.2 Расчёт оконечного каскада ----------------------------------------------- 6
2.2.1 Расчёт рабочей точки ---------------------------------------------------- 6
2.2.2 Расчёт эквивалентных схем замещения транзистора ------------- 8
2.2.2.1 Расчёт параметров схемы Джиаколетто -------------------------- 8
2.2.2.2 Расчёт однонаправленной модели транзистора ------------------ 9
2.2.3 Расчёт и выбор схемы термостабилизации --------------------------10
2.2.3.1 Эмитерная термостабилизация -------------------------------------- 10
2.2.3.2 Пассивная коллекторная ---------------------------------------------- 11
2.2.3.3 Активная коллекторная ----------------------------------------------- 11
2.3 Расчёт усилителя ----------------------------------------------------------- 12
2.4 Расчёт ёмкостей и дросселей --------------------------------------------- 14
Схема электрическая принципиальная ------------------------------------- 15
Спецификация ------------------------------------------------------------------- 16
3 Заключение -------------------------------------------------------------------- 17
Список использованных источников----------------------------------------- 18
1 Введение
Цель работы – научиться проектировать усилители, в данном случае – усилители радиорелейных линий связи, по заданным требованиям.
Во всём мире используется много разных систем связей, и одни из них – радиорелейные. Эти системы связи представляют из себя радиовышки, которые расположены на расстоянии прямой видимости. Радиорелейные линии связи относятся к широкополосным системам телекоммуникаций и содержат в своем составе маломощные широкополосные усилители (МШУ). МШУ стоят между приемной антенной и блоком обработки сигналов и обеспечивают заданный уровень сигнала на входе блока обработки. Но все системы связи имеют потери, и в нашем случае не исключение, поэтому разрабатываются усилители для того, чтобы скомпенсировать эти потери.
Так как радиовышки раскинуты по большим территориям, то возникает проблема обслуживания усилителей (ремонт, реставрация, и т.д.), поэтому такие усилители должны обладать следующими достоинствами: малая неравномерность амплитудно-частотной характеристики; хорошее согласование по входу и выходу; стабильность параметров усилителя во времени и при изменении температуры окружающей среды.
Все перечисленные выше достоинства можно реализовать в усилителе с перекрёстными обратными связями [1,2]. Такие усилители не требуют настройки, имеют стабильные параметры и сохраняют неизменной полосу пропускания при наращивании числа каскадов.
2 Основная часть
2.1 Анализ исходных данных
Для обеспечения заданного коэффициента усиления 15 dB нам потребуется 4 каскада, тогда на каждый каскад будет приходиться примерно по 4 dB. Вследствие того, что у нас будут перекрёстные обратные связи, которые нам дадут хорошее согласование по входу и выходу, в них будет теряться ориентировочно около одной трети выходного напряжения, то возьмём Uвых в 2 раза больше заданного, т.е. 1В.
2.2 Расчёт оконечного каскада
2.2.1 Расчёт рабочей точки
На основании выше изложенного, вычислим напряжение на нагрузке и выходной ток:
Uвых=2Uвых(заданного)=2·0.5=1 (В);
Iвых=>
>=>
>=0,02
(А).
Рассчитаем рабочую точку для резистивного и дроссельного каскадов:


а)
резистивный каскад:
Рисунок 2.2.1.1- Резистивный каскад Рисунок 2.2.1.2- Нагрузочные
по переменному току. прямые
Рассчёт рабочей точки заключается в нахождении тока коллектора Iк0 и напряжения коллектор-эмитер Uкэ0. Для нахождения Iк0 необходимо рассчитать переменную составляющую тока коллектора Iк», а для Uкэ0 – выходное напряжение Uвых и остаточное напряжение транзистора Uост, которое мы примем равным 2В, при условии R>н>.=R>к>:
Iк»=>
>=>
>=0,04
(А);
Uкэ0=Uвых+Uост , (2.2.1)
где Uвых выходное напряжение,
Uост остаточное напряжение транзистора;
Iк0= Iк»+0,1 Iк», (2.2.2)
где Iк» ток коллектора по переменному току;
Uкэ0=3 (В);
Iк0=0,044 (А);
Pвых=>
>=>
>=0,01
(Вт) – выходная мощность, Rн
– сопротивление нагрузки;
Eп=Uкэ0+URк=Uкэ0+ Iк0×Rк=5,2 (В) – напряжение питания,
где URк напряжение на Rк, равное Iк0×Rк..
Pрасс=Uкэ0×Iк0=0,132 (Вт) – мощность, рассеиваемая на транзисторе;
Рпотр= Eп×Iк0=0,2288 (Вт) – мощность, потребляемая каскадом;


б)
дроссельный каскад:
Рисунок 2.2.1.3- Дроссельный каскад Рисунок 2.2.1.4- Нагрузочные прямые.
по переменному току.
Iвых=>
>
=>
>=0,02
(А) – выходной ток;
По формулам (2.2.1) и (2.2.2) рассчитаем рабочую точку.
Uкэ0=3 (В)
Iк0=0,022 (А)
Pвых=>
>=>
>=0,01
(Вт) - выходная мощность;
Eп=Uкэ0=3 (В) - напряжение питания;
Рк расс=Uкэ0×Iк0=0,066 (Вт) - мощность, рассеиваемая на коллекторе;
Рпотр= Eп×Iк0=0,066 (Вт) – мощность, потребляемая каскадом;
Таблица 2.2.1.1- Характеристики вариантов схем коллекторной цепи.
|
Еп,(В) |
Ррасс,(Вт) |
Рпотр,(Вт) |
Iк0,(А) |
|
|
С Rк |
5,2 |
0,132 |
0,2288 |
0,044 |
|
С Lк |
3 |
0,066 |
0,066 |
0,022 |
Как видно из таблицы, лучше использовать каскад с дросселем в цепи коллектора На основании следующих неравенств: Uкэ0(допустимое)>Uкэ0*1,2; Iк0(доп)>Iк0*1.2; Рк расс> Рк расс(доп)*1,2; fт>(3¸10)*fв>2300 МГц выберем транзистор КТ371А. Его параметры [3] необходимые при расчете приведены ниже:
tс=8 пс и Ск=0,7 пФ при Uкэ=10 В, b0=150, Uкэ0(доп)=10 В, Iк0(доп)=30 мА,
Рк расс(доп)=0,1 Вт, fт=4,5 ГГц, Lб=2,5 нГн, Lэ=2,5 нГн.
2.2.2 Выбор транзистора и расчет эквивалентной схемы замещения.

2.2.2.1Расчёт
параметров схемы Джиаколетто.
Рисунок 2.2.2.1.1- Эквивалентная схема биполярного
транзистора (схема Джиаколетто).
Проведём расчёт элементов эквивалентной схемы замещения транзистора [4], используя паспортные данные:
Ск(треб)=Ск(пасп)*>
>=0,7×>
>=0,9
(пФ),
где Ск – ёмкость коллекторного перехода;
rб=
>
>=11,43
(Ом); gб=>
>=0,0875
(Cм),
где rб и gб сопротивление и проводимость базы соответственно,
τс – постоянная времени цепи обратной связи;
rэ=>
>
=1,82 (Ом), - сопротивление эмиттера,
где Iк0 взят в мА;
gбэ=>
>=0,0036
(См), – проводимость перехода база-эмиттер,
где β0 – статический коэффициент передачи тока в схеме с ОЭ;
Cэ=>
>=24,3
(пФ),
- ёмкость эмиттерного перехода,
где fт граничная частота транзистора;
Ri= >
>=333
(Ом), gi=0.003(См),
где Ri и gi выходные сопротивление и проводимость транзистора соответственно.
2.2.2.2Расчёт однонаправленной модели транзистора.
Данная модель применяется в области высоких частот [5].

Рисунок 2.2.2.2.1- Однонаправленная модель транзистора.
Lвх= Lб+Lэ=(2,5+2,5)нГн=5 (нГн) – входная индуктивность транзистора,
где Lб и Lэ индуктивности базы и эмиттера соответственно;
Rвх=rб=11,43 (Ом) – входное сопротивление;
Rвых=Ri=333 (Ом) – выходное сопротивление;
Свых=Ск(треб)=0,9 (пФ) – выходная ёмкость;
fmax=fт=4,5 (ГГц) – максимальная граничная частота.
2.2.3 Расчёт и выбор схемы термостабилизации.
2.2.3.1 Эмитерная термостабилизация.

Эмитерная
термостабилизация [5]
широко
используется в маломощных каскадах,
так как потери мощности в ней при этом
не значительны и её простота исполнения
вполне их компенсирует, а также она
хорошо стабилизирует ток коллектора в
широком диапазоне температур при
напряжении на эмиттере более 3В.
Рисунок 2.2.3.1.1- Каскад с эмитерной термостабилизацией.
Рассчитаем параметры элементов данной схемы.
URэ=(2÷5)=3 (В);
Eп=Uкэ0+URэ=3+3=6 (В);
Rэ=>
>
=>
>=136,4
(Ом);
Rб1=>
>,
Iд=10×Iб,
Iб=>
>,
Iд=10×>
>
=10×>
>=1,46
(мА),
где Iд ток базового делителя,
Iб ток базы;
Rб1=>
>=1575
(Ом),
- элемент базового делителя;
Rб2=>
>
=2534 (Ом), -
элемент базового делителя.
Наряду с эмитерной термостабилизацией используются пассивная и активная коллекторные термостабилизации [5].
2.2.3.2 Пассивная коллекторная термостабилизация:
Рисунок 2.2.3.2.1- Схема пассивной коллекторной термостабилизации.
URк=6 (В);
Rк=URк/Iк0=6/0.022=273 (Ом);
Eп=Uкэ0+URк=9 (В);
Iб=>
>=0.022/150=0,146
(мА),
Rб=>
>
=15,7 (КОм).
Ток базы определяется величиной Rб. При увеличении тока коллектора напряжение в точке А падает и следовательно уменьшается ток базы, а значит уменьшает ток коллектора. Но чтобы стал изменяться ток базы, напряжение в точке А должно измениться на 10-20%, то есть Rк должно быть очень велико, что применимо только в маломощных каскадах. Но, так как мы будем применять перекрёстные обратные связи, то данная схема нам не подходит.
2.2.3.3 Активная коллекторная термостабилизация.
Можно сделать так, чтобы Rб зависило от напряжения в точке А см. рис.(2.2.3.2.1). Получим что при незначительном уменьшении (увеличении) тока коллектора значительно увеличится (уменьшится) ток базы. И вместо большого Rк можно поставить меньшее на котором бы падало порядка 1В см. рис.(2.2.3.3.1).
b2=50;
UR4 >1 B; UR4 =2 (B);
R4=>
>=>
>=91
(Ом);
Eп=Uкэ0+UR4=5 (В);
Iб1= Iк0/β01=0,022/150=146 (мкА);
Iб1= Iк02;
Uкэ02= Uкэ01/2=1,5 (B);
Iд=10×Iб2=10×>
>=9,6
(мкA);
R3=>
>=280
(КОм);
R1=>
>=240
(кОм);
R2=>
>=5450
(Ом).
Рисунок 2.2.3.3.1- Активная коллекторная термостабилизация.
Данная схема требует значительное количество дополнительных элементов, в том числе и активных. Если Сф утратит свои свойства, то каскад самовозбудится и будет не усиливать, а генерировать, т.е. данный вариант не желателен, поскольку параметры усилителя должны как можно меньше зависеть от изменения параметров его элементов, по заданию. Основываясь на проведённом выше анализе схем термостабилизации выберем эмитерную.
2.3 Расчёт усилителя.
Схема
усилительных каскадов по переменному
току приведена на рисунке 2.3.1
[1].
Рисунок 2.3.1 - Схема усилительных каскадов с перекрестными ООС
При заданном коэффициенте усиления схема с перекрёстными обратными связями обладает большей полосой пропускания, которая практически не сокращается при увеличении числа каскадов, что объясняется комплексным характером обратной связи на высоких частотах [1]. Рассчитаем усилитель на 4-х каскадах. Для того, чтобы схема была согласована по входу и по выходу, требуется соблюдение условия:
>
>;
>
>
(2.3.1)
При выполнении условия (2.3.1) и при пренебрежении величинами второго порядка малости, коэффициент усиления двухтранзисторного варианта усилителя изображенного на рисунке 2.3.1 описывается выражением
>
>;
(2.3.2)
где >
>;
(2.3.3)
>
>;
(2.3.4)
>
>;
(2.3.5)
>
>;
(2.3.6)
Выберем
К=0.5 и произведём расчет >
>,
>
>,>
>по
формулам (2.3.3-2.3.5):
К0=>
>=2,125;
b1=>
>=3,375;
b2=>
>=3,625.
>
>
двухтранзисторного
варианта усилителя равна
>
>
(2.3.7)
где
>
>=89,2
(пс)
>
>;
(2.3.8)
>
>,
(2.3.9)
Мн = 3 dB – допустимые частотные искажения.
По формуле
(2.3.7) с помощью формул(2.3.8-2.3.9) произведём
расчет >
>:
>
>;
>
>;
>
>
=713 (МГц);
При
увеличении числа каскадов усилителя,
его >
>
практически не меняется и может быть
рассчитана по эмпирической зависимости
>
>,
(2.3.10)
где
n - общее число каскадов; >
>
- верхняя частота полосы пропускания
двухтранзисторного варианта усилителя,
рассчитываемая по формуле (2.3.7).
>
>
(МГц).
Подключение
дополнительных каскадов усиления к
двухтранзисторному варианту усилителя
приводит к возрастанию усиления в >
>
раз, где n - общее число каскадов, и общий
коэффициент усиления, в этом случае,
равен:
>
>.
Кu(общ)=>
>
(раз), что
соответствует 18,6 dB;
Из формулы
(2.3.6) вычислим Rос,
потом выразим
Rэ,
оно будет являться сопротивлением ООС
и назовём его >
>:
>
>
(Ом);
>
>
(Ом);
>
>;
>
>(Ом);
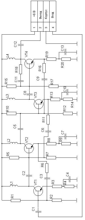
Рисунок 2.3.2- Радиорелейный усилитель на четырёх каскадах.
2.4 Расчёт ёмкостей и дросселей.
Проводимый ниже расчёт основан на [4].
>
>>
>
(пФ);
>
>>
>
(мкГн);
На нижних частотах неравномерность АЧХ обусловлена ёмкостями Ср и Сэ, поэтому пусть 1,5 dB вносят Ср и столько же Сэ.
>
>
,
(2.4.1)
где R1 и R2 сопротивления соответственно слева и справа от Ср
Yн допустимые искажения вносимые одной ёмкостью.
>
>
(dB),
>
>
(раз), для Ср1 и
>
>
(раз), для
Сэ.
R1=Rвых(каскада), R2=Rвх(каскада)=Rн=50 (Ом), для Ср1 (межкаскадной),
R1=Rг=Rвых(3-го каскада)=50 (Ом), R2=Rвх(каскада)=Rн=50 (Ом), для Ср2,
>
>;
>
>;
>
>;
>
>;
>
>
(Ом).
По формуле (2.4.1) рассчитаем Ср.
>
>
(пФ);
>
>
(пФ);
>
>;
>
>;
>
>
(нс);
>
>
(пФ).
|
|
||||||||||
|
РТФ КП 468730.001 ПЗ |
||||||||||
|
Лит |
Масса |
Масштаб |
||||||||
|
Из |
Лист |
Nдокум. |
Подп. |
Дата |
УСИЛИТЕЛЬ РАДИОРЕЛЕЙНЫХ |
|||||
|
Выполнил |
Валтеев |
ЛИНИЙ СВЯЗИ |
||||||||
|
Проверил |
Титов |
СХЕМА ЭЛЕКТРИЧЕСКАЯ ПРИНЦИПИАЛЬНАЯ |
||||||||
|
ПРИНЦИПИАЛЬНАЯ |
Лист |
Листов |
||||||||
|
ТУСУР РТФ |
||||||||||
|
Кафедра РЗИ |
||||||||||
|
гр. 148-3 |
|
КД-2-130 пФ±5% |
2 |
|||||||||
|
С2,С5,C8 |
КД-2-10 пФ±5% |
3 |
|||||||||
|
С3,С6 С9,C11 |
КД-2-3,4 нФ±5 |
4 |
|||||||||
|
С4,С7 С10,C13 |
КД-2-300 пФ±5% |
4 |
|||||||||
|
Катушки индуктивности |
|||||||||||
|
L1.L2 L3,L4 |
Индуктивность 10 мкГн±10% |
4 |
|||||||||
|
Резисторы ГОСТ 7113-77 |
|||||||||||
|
R1,R5 R10,R15 |
МЛТ–0,125-1600 Ом±10% |
4 |
|||||||||
|
R2,R7 R12,R17 |
МЛТ–0,125-2400 Ом±10% |
4 |
|||||||||
|
R3,R8 R13,R19 |
МЛТ–0,125-43 Ом±10% |
4 |
|||||||||
|
R4,R9 R14,R20 |
МЛТ–0,125-91 Ом±10% |
4 |
|||||||||
|
R6,R11 R16,R18 |
МЛТ–0,125-62 Ом±10% |
4 |
|||||||||
|
Транзисторы |
|||||||||||
|
VT1,VT2 VT3,VT4 |
КТ371А |
4 |
|||||||||
|
РТФ КП 468730.001 ПЗ |
|||||||||||
|
Лит |
Масса |
Масштаб |
|||||||||
|
Из |
Лист |
Nдокум. |
Подп. |
Дата |
УСИЛИТЕЛЬ |
||||||
|
Выполнил |
Валтеев |
РАДИОРЕЛЕЙНЫХ |
|||||||||
|
Проверил |
Титов |
ЛИНИЙ СВЯЗИ |
|||||||||
|
Лист |
Листов |
||||||||||
|
ТУСУР РТФ |
|||||||||||
|
Перечень элементов |
Кафедра РЗИ |
||||||||||
|
гр. 148-3 |
3 Заключение
В данном курсовом проекте разработан усилитель радиолинейных систем связи с использованием транзисторов КТ371А и перекрестных обратных связей, имеет следующие технические характеристики: полоса рабочих частот (40-450) МГц; коэффициент усиления 18,5 дБ; неравномерность амплитудно-частотной характеристики + 1,5 дБ; максимальное значение выходного напряжения 0,5 В; сопротивление генератора и нагрузки 50 Ом; напряжение питания 6 В.
Список использованных источников
Титов А.А. Упрощенный расчет широкополосного усилителя //Радиотехника. 1979. № 6.
Титов А.А. Расчет корректирующих цепей широкополосных усилительных каскадов на биполярных транзисторах
Полупроводниковые приборы. Транзисторы малой мощности: Справочник/А.А. Зайцев и др. Под ред. А.В.Голомедова.-М.: Радио и Связь, 1989.:Ил.
Мамонкин И.П. Усилительные устройства: Учебное пособие для вузов.-М.:Связь,1977
Титов А.А. Расчет межкаскадной согласующей цепи транзисторного полосового усилителя мощности.// Электронная техника, СВЧ-техника. Вып.1(475),2000
