Кодер - декодер речевого сигнала
Кодер - декодер речевого сигнала Амплитудно - фазовое преобразование
Введение
Эффекты возникновения амплитудно-зависимых фазовых сдвигов в различных, работающих в нелинейных режимах, узлах приемно - усилительных трактов называется “Амплитудно - фазовая конверсия” (АФК).
АФК - от английского слова “conversion” - преобразование.
По условиям эксплуатации большинства устройств в них должны быть применены специальные меры для устранения или ослабления АФК до значений, при которых показатели разрабатываемого устройства ухудшаются незначительно. Решение задачи сводится к созданию цепи, аргументы комплексной функции, передачи которой остается постоянным в широком интервале изменений воздействующих на цепь факторов. Ясно, что на основе известных схемотехнических и конструктивно - технологических решений не представится возможным создание такой цепи. Однако реальным является устройство, фазо - инвариантное к изменениям амплитуды сигнала в ограниченном интервале этих изменений и в конкретных условиях эксплуатации.
В ряде случаев явление АФК является полезным и позволяет обеспечить требуемые показатели радиоэлектронной аппаратуры. В таких устройствах эффекты АФК принудительно необходимы, например, в модуляторах фазы, в системах с предыскажением фазы и др.
В данной работе применяется метод АФК для сокрытия речевой информации телефонного канала.
Метод анализа устройств с АФК
В теоретической радиотехнике известны различные методы исследования.
Наиболее строгим методом, позволяющим описать устройство любого типа и оценить закономерности прохождения сигналов через него, является метод, основанный на решении нелинейных интегрально - дифференциальных уравнений, описывающих физику работы устройства. Получение решения поведения рассматриваемого устройства в широком интервале переменных, представляется затруднительным. Решения делаются для частных случаев и этот метод не универсален т.е. результаты решения не распространяются на другие устройства.
Менее строгим, но более общим является метод замены устройства эквивалентным четырехполюсником с некоторыми характеристиками, свойственными рассматриваемому устройству. Данному четырехполюснику соответствует определенная передаточная функция. Характеристики, определяющие передаточную функцию можно найти теоретически или экспериментально. При аналитическом исследовании цепей с АФК следует использовать четырехполюсник, который отражает лишь основные черты поведения устройства и не учитывает ряд побочных явлений, не играющих принципиальной роли. (Л4)
При воздействии квазигармонического колебания (1) на вход реального, т.е. нелинейного, четырехполюсника на его выходе появляется ряд спектральных составляющих. Отличительной способностью цепей с АФК является изменение фазы составляющих в зависимости от амплитуды входного воздействия.
>
>
(1)
X(t), j(t) - изменяются по закону передаваемой информации
Выходной сигнал представляется:
>
>
(2)
где Yn(t)- медленно изменяющиеся амплитуда n-й гармоники, yn(t) - фаза гармоники
Явление АФК сводится к тому, что yn(t) отличается от входной функции j(t) не только на детерминированный угол j0, характеризующий фазовую постоянную устройства, но и на угол j[X(t)], зависящий от уровня входного сигнала:
>
>
(3)
Амплитуды выходного и входного сигналов связаны нелинейной зависимостью:
Yn(t)=Yn[X(t)] (4)
отражающей амплитудную нелинейнейность
Выражение (2) можно записать:
y(t)=Y[X(t)]expinw0t (5)
где Yn[X(t)]=Yn[X(t)]expij[X(t)] - комплексная амплитуда выходного сигнала, характеризующая комплексную нелинейность тех устройств, в которых амплитудная нелинейность и АФК проявляются в главной мере при одних и тех же уровнях входного колебания X(t). Устройства, в которых АФК пренебрежимо мала, полностью характеризуется функцией Yn[X(t)], а устройства с АФК - функцией j[X(t)] (Л4).
Выбор четырехполюсника с АФК
Выберем в качестве четырехполюсников:
-для кодера компрессор речевых сигналов;
-для декодера экспандер речевого сообщения;
Компрессор речевых сигналов действует по принципу усилителя с нелинейной отрицательной обратной связью (ООС). Это означает, что нелинейные элементы, сопротивление которых изменяется в соответствии с уровнем усиливаемого сигнала, входят в цепь ООС, охватывающей как отдельные каскады, так и усилитель в целом.
Для обеспечения требуемого закона изменения коэффициента усиления, необходимо определенным образом выбрать способ включения нелинейных элементов и режимы их работы.
Рассмотрим причины АФК в усилителях с нелинейной обратной связью. На основании известных соотношений:
>
>
определяющих комплексный коэффициент усиления усилителя с обратной связью. На рис.1 построена векторная диаграмма для случая гармонического сигнала, позволяющая судить о закономерностях изменениях показаний усилителя в зависимости от глубины ООС.

На рис.1 векторная диаграмма, определяющая коэффициент усиления усилителя с ООС, здесь:
>
>;
Кос - модуль коэффициента усиления;
jос-фазовый сдвиг,
создаваемый усилителем с ООС.
>
>-
не комплексный коэффициент усиления
усилителя без ООС. b
- коэффициент передачи канала обратной
связи, предполагаемой действительной
величиной, т.е. рассматривается усилитель
с частотно-независимой ООС.
Из диаграммы следует, что с увеличением глубины ООС, вносимый усилителем фазовый сдвиг- уменьшается.
>
>>
> (7)
Но поскольку в усилителе глубина ООС растет с увеличением уровня сигнала (компрессор):
b=F2(Uвхм) (8)
то связь фазового сдвига с изменением уровня входного сигнала при W=const:
>
> (9)
В экспандере процесс изменения ООС обратный:
>
> (10)
т.е. для малых амплитуд усиления мало, а для больших амплитуд усиление велико.
Кодер на операционном усилителе с амплитудно - фазовой конверсией
Эквивалентная схема кодера (декодера) приведена на рис. 2

Коэффициенты усиления идеального усилителя:
>
> (11)
Для кодера выберем: >
>
Z2=R1
Коэффициент передачи кодера:
>
>
(12)
Цепь с сопротивлением Z2 представлена на рис. 3. Сопротивление R вводится для работы усилителя с малым уровнем сигнала.

Коэффициенты передачи декодера:
>
>(13)
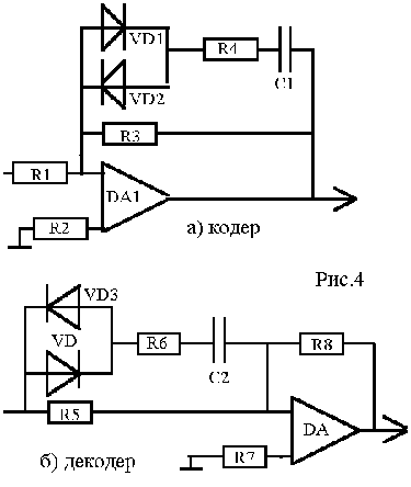
Принципиальные схемы кодера и декодера
Коэффициенты передачи для схемы рис.4

Кодер:
>
>
Коэффициент передачи для декодера, где: R3=R5; R4=R6; C1=c2
>
>(19)
Сопротивление R1 выбирается из max тока через диод
Ig=IR1
IR1=Uвх/R1=R1=Uвх/IR1
при Ig=0.1 mA; Rg=26/0.1=260 Om;
при Uвх=0.1B; R1=0.1/0.1=1 Kom;
Выберем коэффициент в (15) К0=10, тогда R3=R1*K0=1.0*10=10Kom
Выберем сопротивление R4=100 ом, от случайных больших воздействий напряжения защищающей диоды VD1 и VD2.
Возьмем конденсатор С1 исходя из его реактивного сопротивления на частоте 300 Гц.
Xc1=2(R4+Rgmin)=2(100+260)=720 Om
>
>
Выберем ближайший номинал конденсатора С1:
КМ6 - М750-25-0.68 10%
Расчетные значения модуля и аргумента коэффициента передачи кодера, рассчитанные по программе Koder AFK, см. Приложение 1, приведены в таблице 1.
Таблица значений коэффициента передачи кодера от амплитуды входного сигнала, вычисленных по программе Koder AFK
Таблица 1.
|
Uвх |
К |
FK,рад |
Uвых |
|
0,001 |
7,23 |
-0,0072 |
-0,008 |
|
0,011 |
2,193 |
-0,222 |
-0,022 |
|
0,021 |
1,398 |
-0,442 |
-0,028 |
|
0,031 |
1,128 |
-0,609 |
-0,034 |
|
0,041 |
1,003 |
-0,733 |
-0,04 |
|
0,051 |
0,935 |
-0,826 |
-0,046 |
|
0,061 |
0,894 |
-0,897 |
-0,054 |
|
0,071 |
0,867 |
-0,953 |
-0,061 |
|
0,081 |
0,849 |
-0,997 |
-0,068 |
|
0,091 |
0,836 |
-1,033 |
-0,075 |
|
0,101 |
0,826 |
-1,063 |
-0,082 |
Таким образом:
R2=R3=R5=10 Kom;
R4=R6=100 Om;
C1=C2=0.65 мкф;
R1=R7=R8=1 Kom;
DA1,DA2 - КР140УД14

Данная схема закрытия речевой информации в законченном виде приведена на рис.5

В точке а усилителя напряжение приблизительно равно 0, т.к. коэффициент усиления О.У. велико - 105. Для того, чтобы Ua=0 токи через R1 и цепь Rg, C, R приблизительно одинаковы. Входное сопротивление источника сигнала велико и ток в R1 не протекает.
IR1=Irg,C,R (20)
Напряжение на выходе кодера:
>
> (21)
Ток I в формуле (21) при условии (20):
I=Uвх/R1 (22)
Перепишем выражение (21) с учетом (22)
>
>
(23)

рис. 7 Принципиальная схема декодера
Для схемы на рис.7 Напряжение на входе, при Ua=0
>
>
(24)
Решив уравнение (16) относительно I получим зависимость:
I=F(Uвх.дек) (25)
Выходное напряжение на выходе декодера рис. 7 :
Uвых.дек=R1F(Uвх.дек)=R1I (26)
Выходным напряжением декодера является напряжение кодера:
Uвх.дек= Uвых.дек. Таким образом схема рис. 7 Решает обратную задачу нахождения тока от значения формул (25) и (26).
На основании формул (22) и (26) выходное напряжение декодера:
>
>
Расчет параметров микрофонного усилителя
Выберем микрофон типа МД-62. Микрофон имеет параметры:
Диапазон рабочих частот: 120-10000 Гц
Номинальное сопротивление нагрузки: 250 Ом
Чувствительность: 88 Дб
Определим напряжение на нагрузке:
88Дб=80Дб+8Дб=6,31*10-3
Мощность в нагрузке:
>
>
Определим коэффициент усиления микрофонного усилителя для нормальной работы кодера. Напряжение на входе кодера Uвх=0-1.1 В.
>
>
Используем схему с двумя каскадами усиления, построенных на ОУ:
К=К1К2=100×50=5000
Схема усилителя приведена на рис. 8

Рис. 8 Принципиальная схема микрофонного усилителя
В данном усилителе применим ОУ типа КР140УД14 (л3)
Сопротивление R1 определяется из условия согласования микрофона (номинальное сопротивление нагрузки)
R1=250 Ом
Сопротивление R2 определяется из коэффициента усиления каскада:
R2=K×R1=100×250=25 кОм.
Сопротивление R3:
>
>
Номинальный ток нагрузки КР140УД14 Iн=20 мА;
Максимальное входное напряжение микросхемы Uмах=13 В;
Сопротивление в цепи нагрузки - R4
>
>
Сопротивление R5 при К=50
R5=K×R4=50×620=31 кОм
Ближайшее сопротивление 30 кОм
Сопротивление R6 = 620 Ом.
Для декодерного блока рис. Микрофонный усилитель будет иметь такую же принципиальную схему, но в цепи обратной связи включают переменное сопротивление. Переменное сопротивление служит для изменения коэффициента усиления микрофонного усилителя декодера, чтобы получить уровень входных сигналов 0.082 В на входе декодера.
Расчет усилителя низкой частоты
Выберем громкоговоритель типа 0.5 ГД-11 с параметрами: (Л2)
Полоса рабочих частот: 150 ¸ 7000 Гц;
Сопротивление звуковой катушки : 5 Ом;
Размеры: 102-50 мм;
Масса: 150 гр.
В качестве усилителя НЧ применим микросхему К174УН7 (Л3). Ее параметры:
Рвых ³ 4.5 Вт на нагрузке 4 Ом при напряжении питания 15 В. Схема включения микросхемы приведена на рис. 9 . Выходная мощность усилителя регулируется потенциометром R1.
Конденсаторы:
С1 = 100 пФ; С2 = 500 пФ; С3 = 100 пФ = С5;
С4 = 2700 пФ; С6 = 510 пФ; С7 = 0.1 мкф; С8 = 100 пФ.
Сопротивления:
R1 = R3 = 100 Ом; R2 = 56 Ом; R4 = 1 Ом; R5 = 4 Ом.

Рис. 9 Усилитель мощности К174УН7 схема электрическая, принципиальная.
Литература
Амплитудно - фазовая конверсия /Крылов Г.М., Пруслин В.З., Богатырев Е.А. и др. Под ред. Г.М. Крылова. - М.: Связь, 1979.-256 с., ил.
Бодиловский В.Г., Смирнова М.А. Справочник молодого радиста. Изд. 3-е переработ. И доп. М.,”Высшая школа”, 1975 г.
Цифровые и интегральные микросхемы: Справочник/ С.В. Якубовский, Л.Н.Ниссельсон, В.И.Кулешова и др.; под ред. С.В. Якубовского. - М.: Радио и связь, 1990.-496 с. Ил.
Фолкенбери Л.М. Применение операционных усилителей/ под ред. Гальперина, 1985 - 572 с.
Приложение 1
Программа расчета коэффициента передачи
кодера с АФК на операционном усилителе.
1 REM KODER AFK
10 R1=
20 R3=
30 R4=
40 C1=
50 F=
60 WC1=
70 FOR U=0.001 TO 0.11 STEP 0.01
80 RD=26E-3*R1/U
90 K0=R3/R1
100 A=RG+R4
110 B=1/WC1
120 C=RG+R3+R4
130 K=K0*SQR((A^2+B^2)/(C^2+B^2))
140 FK=ATN(B/C)-ATN(B/A)
150 PRINT K; TAB 17; FK
160 NEXT U