Свойства синхротронного излучения
Основные свойства синхротронного излучения.
Синхротронное излучение (СИ) испускается заряженными частицами (электронами, протонами, позитронами), движущимися с релятивистскими скоростями по искривленным траекториям. Генерация СИ обусловлена наличием у частицы центростремительного ускорения. Предсказанное в конце прошлого века и открытое почти 50 лет назад (1945г.) СИ рассматривалось вначале как “помеха” в работе циклических ускорителей - синхротронов. Только в последние 10¼15 лет СИ привлекло внимание исследователей исключительным богатством своих специфических свойств и возможностью их применения.
Структура накопителя электронов.

ПМ - поворотные магниты; В - магнитное поле; Р - вектор поляризации фотонов, излучаемых в плоскости орбиты электронов; Щ - щель канала вывода, ограничивающая ширину пучка СИ по горизонтали.
СИ обладает следующими уникальными свойствами:
СИ - излучение с исключительно высокой коллимацией пучка. Пучок СИ испускается электроном по касательной к траектории и имеет угловую расходимость y»g-1, где g - релятивистский фактор (отношение энергии электронов Е в накопителе к энергии покоя электрона Е>0>=0.511МэВ); для типичных значений Е»1ГэВ имеем g»103 и y»1мра¶.
СИ обладает широким, непрерывным, легко перестраиваемым спектром, перекрывающим практически весь рентгеновский диапазон и область ультрафиолетового излучения (0.1¼100нм). Для описания спектральных свойств СИ вводится понятие критической длины волны l>с>. Это длина волны, которая делит энергетический спектр СИ на две равные части (суммарная энергия излучаемых фотонов с длинами волн меньше l>с> равна суммарной энергии фотонов с длинами волн больше l>с>).
СИ обладает очень высокой интенсивностью. Интенсивность СИ в наиболее важном для исследований и технологии рентгеновском диапазоне более чем на пять порядков превышает интенсивность рентгеновских трубок.
СИ обладает естественной поляризацией: строго линейной на оси пучка (вектор электрического поля лежит в плоскости орбиты электронов) и строго циркулярной на его периферии. Поляризация СИ играет важную роль во многих прецизионных методах исследования материалов и структур микроэлектроники.
Перечисленные выше уникальные свойства синхротронного излучения позволяют поднять на новый качественный уровень субмикронную микротехнологию и аналитические методы диагностики субмикронных функциональных структур.
Контраст в системах экспонирования с применением синхротронного излучения.
Рентгенолитография с применением синхротронного излучения - это многофакторный технологический процесс, в котором важную роль играют параметры многих компонентов литографической системы: источника излучения, канала вывода, рентгеношаблона, рентгенорезиста.
Главный фактор, определяющий потенциальные возможности того или иного литографического метода в микротехнологии СБИС - разрешение или минимальный размер надежно воспроизводимого в резисте элемента рентгеношаблона. В рентгенолитографии разрешение определяется, с одной стороны, волновой природой рентгеновского излучения (дифракционные искажения), с другой стороны, нелокальным характером формирования реального скрытого изображения (генерация фото- и оже- электронов рентгеновскими фотонами и вторичное экспонирование резиста этими электронами). Кроме того, реальное технологическое разрешение очень сильно зависит от процесса проявления полученного скрытого изображения.
Для оценки эффективности работы рентгенолитографической системы экспонирования в той или иной области спектра нужно учитывать не только спектральную эффективность рентгенорезиста, но и рентгеновскую прозрачность, то есть оптические характеристики литографического канала вывода СИ. Поэтому в системах экспонирования с применением рентгеновского излучения (например, в рентгенолитографических системах экспонирования) одним из важных параметров является контраст получаемого рентгеновского изображения (например контраст скрытого изображения в рентгенорезисте).
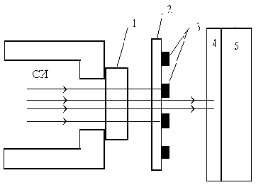
Схема рентгенографической системы экспонирования в пучках СИ.

1-вакуумное окно; 2-мембрана рентгеношаблона; 3-маска; 4-резист; 5-рабочая пластина.