Усилитель мощности широкополосного локатора (работа 1)
Министерство Образования Российской Федерации
Томский государственный университет систем управления и радиоэлекроники (ТУСУР)
Кафедра радиоэлектроники и защиты информации(РЗИ)
Усилитель мощности широкополосного локатора
Пояснительная записка к курсовой работе по дисциплине “Схемотехника аналоговых устройств”
Студент гр.148-3
Уткин А.Н
Руководитель
Доцент каф. РЗИ
Титов А.А
Томск 2001
Реферат
Курсовая работа 39 с., 13 рис., 2 табл., 7 источников.
Усилитель мощности, выходная корректирующая цепь, межкаскадная корректирующая цепь, рабочая точка, выбор транзистора, схемы термостабилизации, методика Фано, однонаправленная модель транзистора, эквивалентная схема Джиаколетто, нагрузочные прямые, дроссельный каскад.
Объектом исследования является усилитель мощности нелинейного локатора.
В данной курсовой работе рассматриваются условия выбора транзистора,
методы расчета усилительных каскадов, корректирующих цепей, цепей термостабилизации.
Цель работы – приобрести навыки расчета транзисторных усилителей мощности.
В результате работы был расчитан широкополосный усилитель мощности, который может использоваться в широкополосной локации для исследования прохождения радиоволн в различных средах.
Курсовая работа выполнена в текстовом редакторе Microsoft World 97 и представлена на дискете 3,5”.
Техническое задание
Усилитель должен отвечать следующим требованиям:
1 Рабочая полоса частот: 50-500 МГц
2 Допустимые частотные искажения
в области нижних частот не более 3 дБ
в области верхних частот не более 3 дБ
3 Коэффициент усиления 20 дБ
4 Выходная мощность P=0.5 Вт
5 Диапазон рабочих температур: от +10 до +50 градусов Цельсия
6 Сопротивление источника сигнала и нагрузки Rг=Rн=50 Ом
Содержание
1 Введение……………………………………………………………………… .5
2 Определение числа каскадов…………………………………………………6
3 Распределение искажений на высоких частотах……………………...…….6
4 Расчет оконечного каскада……………………………………………..…….6
4.1 Расчет рабочей точки………………………………………………………..6
4.1.1 Расчет рабочей точки при использовании Rк=Rн……………………….7
4.1.2 Расчет рабочей точки для дроссельного каскада………………………..9
4.2 Выбор транзистора оконечного каскада …………………………………10
4.3 Расчет эквивалентной схемы транзистора ……………………………….11
4.4 Расчет цепей питания и термостабилизации……………………………..13
4.4 1 Эмиттерная термостабилизация…………………………………………13
4.4.2 Коллекторная пассивная термостабилизация…………………………..14
4.4.3 Коллекторная активная термостабилизация……………………………15
4.5 Расчет элементов высокочастотной коррекции…………………………..17
4.5.1 Расчет выходной корректирующей цепи………………………………..17
4.5.2 Расчет межкаскадной корректирующей цепи…………………………..20
5 Расчет предварительного каскада……………………………………………24
6 Расчет входного каскада……………………………………………………...27
7 Расчет дросселей, разделительных и блокировочных конденсаторов…….31
8 Заключение…………………………………………………………………….35
9 Литература……………………………………………………………………..39
1 Введение
В данной курсовой работе расчитывается усилитель широкополосного локатора, который может использоваться в исследованиях прохождения радиоволн в различных средах, в том числе прохождения различных длин волн в городских условиях, исследования влияния радиоволн на микроорганизмы.
Но так как коэффициент усиления транзистора на высоких частотах составляет единицы раз, то при создании усилителя необходимо применять корректирующие цепи, обеспечивающие максимально возможный коэффициент усиления каждого каскада усилителя в заданной полосе частот. Для нейтрализации влияния выходной емкости выходного транзистора на уровень выходной мощности усилителя, предложено использовать выходную корректирующую цепь, рассчитанную по методике Фано. С целью повышения коэффициента полезного действия усилителя, целесообразно применение активной коллекторной термостабилизации
2 Определение числа каскадов
При расчете усилителей первым делом определяют количество каскадов [1,2]. Число каскадов определяется по коэффициенту усиления, который определяется техническим заданием (тз). Для этого выбирается коэффициент усиления для одного каскада. Потом коэффициент усиления усилителя делится на коэффициент усиления одного каскада.
В данном мне задании коэффициент усиления усилителя 20дб. Я задался коэффициентом усиления одного каскада около 6дб. Так число каскадов должно быть целым, то тогда после вычислений получается, что в состав усилителя будет входить 3 каскада и на каждый каскад будет приходиться по 6.67дб усиления:
>
>
3 Распределение искажений на высоких частотах
На высоких частотах в усилителе возникают нелинейные искажения вследствие нелинейности его элементов, что приводит к отклонению амплитудно-частотной характеристики.
При распределении искажений на высоких частотах определяются искажения приходящиеся на каждый каскад усилителя[1,2].
Для этого допустимые частотные искажения, определяемые заданием, делятся на число каскадов усилителя.
По заданию допустимые частотные искажения на высоких частотах равны 3дб. В усилитель входит 3 каскада. Тогда на каждый каскад будет приходиться по 1дб искажений.
4 Расчет оконечного каскада
4.1 Расчет рабочей точки
Рабочей точкой называется ток или напряжение на транзисторе при отсутствии входного сигнала.
Рабочая точка расчитывается по заданной мощности Рвых или выходному напряжению Uвых. Но чаще даётся мощность, по которой можно найти выходное напряжение (амплитуду) из соотношения [1,2]:
>
>
(4.1)
>
>
(4.2)
Тогда амплитуда выходного напряжения будет равна:
>
>
По известному сопротивлению нагрузки и выходному напряжению можно найти ток в нагрузке:
>
>
(4.3)
В результате ток равен:
>
>
4.1.1 Расчет рабочей точки для реостатного каскада
Чтобы найти ток в рабочей точке, нужно знать ток на выходе каскада:
>
>
(4.4)
Сопротивления Rк и Rн выбраны равными, то равны и токи, протекающие через них:
>
>
(4.5)
Тогда получим:
>
>
Схема для данного случая изображена на рисунке (4.1).
Координаты рабочей точки находится по выражениям:
>
>
(4.6)
>
>
(4.7)
Здесь Uост начальное напряжение нелинейного участка выходных характеристик транзистора, берется от 2В до 3В. После подстановки в выражения (4.6, 4.7) получится:
>
>

Рисунок 4.1
Напряжение источника питания для схемы будет составлять сумму падений напряжений на сопротивлении Rк и транзисторе:
>
>
(4.8)
где
>
>
>
>
- напряжение
в рабочей точке
Выражение (4.8) называется нагрузочной прямой по постоянному току. В пределах этой прямой будет изменяться рабочая точка.
Чтобы провести прямую, достаточно знать две точки:
>
>
В сигнальном режиме строится нагрузочная прямая по переменному току:
>
>
(4.9)
>
>
(4.10)
Для
упрощения расчетов берут >
>
>
>
После подстановки
получается:
>
>
На рисунке (4.2) изображен вид нагрузочных прямых по постоянному и переменному токам.

Рисунок 4.2 – Нагрузочные прямые
Мощности рассеиваемая на транзисторе и потребляемая каскадом определяются по выражениям:
>
>
(
4.11)
>
>
(4.12)
Соответственно мощности будут равны:
>
>
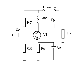
4.1.2 Расчет рабочей точки для дроссельного каскада
В отличие от предыдущего каскада дроссельный имеет вместо сопротивления Rк дроссель Lдр, который по постоянному току имеет сопротивление близкое к нулю, а по переменному – намного большее сопротивления нагрузки.
Положим выходное напряжение тем же (Uвых=7.71В).
Рисунок 4.3- Дроссельный каскад
Расчет рабочей точки производится по тем же выражениям, что и для предыдущего каскада (4.6, 4.7), но выходной ток каскада будет равен току нагрузки:
>
>
Тогда рабочая точка будет иметь следующие координаты:
>
>
Так как дроссель по постоянному току является короткозамкнутым проводником, то напряжение питания будет равным падению напряжения на транзисторе, то есть Еп=Uкэо=10.71В.
Нагрузочная прямая по переменному току описывается выражением:
>
>
(4.13)
Для
упрощения здесь >
>Тогда
изменение напряжения на транзисторе
будет равно:
>
>
Вид нагрузочных прямых изображен на рисунке (4.4).

Рисунок 4.4- Нагрузочные прямые для дроссельного каскада
Потребляемая
мощность каскадом и рассеиваемая на
транзисторе аналогично определяется
по выражениям (4.11, 4.12). В результате
получается:
>
>
Видно, что мощность рассеивания равна потребляемой.
Сравнивая энергетические характеристики двух каскадов, можно сделать вывод, что лучше взять дроссельный каскад, так как он имеет наименьшее потребление, напряжение питания и ток.
4.2 Выбор транзистора оконечного каскада
Выбор транзистора осуществляется по следующим предельным параметрам:
-
предельный допустимый ток коллектора>
>;
-
предельно допустимое напряжение
коллектор-эмиттер >
>;
-
предельная мощность, рассеиваемая на
коллекторе>
>.
-
граничная частота усиления транзистора
по току в схеме с ОЭ >
>.
Этим требованиям удовлетворяет транзистор КТ939А [3]. Основные технические характеристики этого транзистора приводятся ниже.
Электрические параметры:
-граничная
частота коэффициента передачи тока в
схеме с ОЭ >
>МГц;
-постоянная
времени цепи обратной связи при >
>В
>
>пс;
-индуктивность
базового вывода >
>;
-индуктивность
эмиттерного вывода >
>;
-статический
коэффициент передачи тока в схеме с ОЭ
>
>;
-емкость
коллекторного перехода при >
>
В >
>пФ.
Предельные эксплуатационные данные:
-постоянное
напряжение коллектор-эмиттер >
>В;
-постоянный
ток коллектора >
>мА;
-постоянная
рассеиваемая мощность коллектора при
Тк=298К >
>
Вт;
-температура
перехода >
>К.
4.3 Расчет эквивалентной схемы транзистора
Так
как рабочие частоты усилителя больше
частоты>
>,
то входная ёмкость не будет влиять на
характер входного сопротивления
транзистора на высоких частотах, а будет
влиять индуктивность выводов транзистора.
Ёмкость можно исключить из эквивалентной
схемы, а индуктивность оставить.
Эквивалентная однонаправленная модель
представлена на рисунке (4.5). Описание
такой модели можно найти в [4].

Рисунок 4.5 – Однонаправленная модель транзистора
Рисунок 4.6 – Схема Джиаколетто
Параметры эквивалентной схемы не даны в справочнике, но они совпадают с параметрами схемы транзистора, предложенной Джиаколетто [1,4] (рис.4.6).
Входная индуктивность:
>
>
(4.14)
>
>–индуктивности
выводов базы и эмиттера.
Входное сопротивление:
>
>,
(4.15)
где
>
>,
причём >
>,
>
>-
напряжение, при котором измерялось
>
>
– берётся
из справочника.
Крутизна транзистора:
>
>,
(4.16)
где
>
>
>
>-
ток в рабочей точке в милиамперах
Выходное сопротивление:
>
>.
(4.17)
Выходная ёмкость:
>
>.
(4.18)
Тогда в соответствие с этими формулами получаются следующие значения элементов эквивалентной схемы:
>
>
>
>Ом
>
>А/В
>
>
>
>
Ом
>
>
Ом
>
>
4.4 Расчет цепей термостабилизации
Существует несколько видов схем термостабилизации[5,6]. Использование этих схем зависит от мощности каскада и требований к термостабильности. В данной работе рассмотрены следующие схемы термостабилизации: эмиттерная, пассивная коллекторная, активная коллекторная.
4.4.1 Эмиттерная термостабилизация
Рассмотрим эмиттерную термостабилизацию, схема которой приведена на рисунке (4.7). Метод расчёта и анализа эмиттерной термостабилизации подробно описан в [5,6].

Рисунок 4.7 – Схема эмиттерной термостабилизации
При
расчёте элементов схемы выбирается
падение напряжения Uэ
на сопротивлении Rэ
(в интервале 2-5В), расчитываются ток
делителя >
>,
напряжение питания>
>,
сопротивления >
>.
Так как взят дроссельный каскад, то
координаты рабочей точки равны Uкэо=10.71В
и Iко=0.154А.
Выбрано напряжение Uэ=3В.
Ток базового делителя находится по выражению:
>
>
(4.19)
где
>
>
Сопротивления
>
>
определяются выражениями:
>
>;
(4.20)
>
>;
(4.21)
>
>.
(4.22)
Напряжение
питания >
>:
>
>
(4.23)
После
подстановки получаются следующие
результаты:
>
>Ом
>
>
>
>
>
>
Ом
>
>
Ом
Рассеиваемая мощность на Rэ:
>
>
(4.24)
Тогда мощность Pэ равна:
>
>
4.4.2 Коллекторная пассивная термостабилизация
Этот вид термостабилизации [5,6] применяется в маломощных каскадах и менее эффективен, чем две другие, потому что напряжение отрицательной обратной связи, регулирующее ток через транзистор подаётся на базу. Расчет начинают с того, что выбирается напряжение Urк в интервале 5-10В. Потом расчитываются напряжение питания, ток базы Iб, сопротивления Rб и Rк по выражениям:
>
>
(4.25)

Рисунок 4.8 – Схема коллекторной пассивной термостабилизации
>
>
(4.26)
>
>
(4.27)
>
>
(4.28)
Результатом подстановки будет:
>
>Ом
>
>
>
>
>
>
Ом
Напряжение Еп=Uкэо, потому что при постоянном токе Urк равно нулю.
Рассеиваемая мощность при такой термостабилизации находится по формуле:
>
>
(4.29)
Тогда получится:
>
>
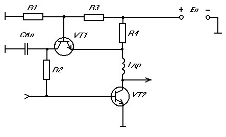
4.4.3 Коллекторная активная термостабилизация
В активной коллекторной термостабилизации используется дополнительный транзистор, который управляет работой основного транзистора. Эта схема применяется в мощных каскадах, где требуется высокий КПД. Её описание и расчёт можно найти в [5,6].

Рисунок 4.9 – Схема активной коллекторной термостабилизации
Вначале, при расчете выбирается транзистор VT1. В качестве VT1 выбран КТ361А [3]. Основные технические параметры приведены ниже.
Электрические параметры:
-статический
коэффициент передачи тока в схеме с ОЭ
>
>;
-емкость
коллекторного перехода при >
>
В >
>пФ.
Предельные эксплуатационные данные:
-постоянное
напряжение коллектор-эмиттер >
>В;
-постоянный
ток коллектора >
>мА;
-постоянная
рассеиваемая мощность коллектора при
Тк=298К >
>Вт;
После
этого выбирается падение напряжения
на резисторе >
>
из условия >
>(пусть
>
>В),
затем производится расчёт по выражениям:
>
>;
(4.30)
>
>;
(4.31)
>
>;
(4.32)
>
>;
(4.33)
>
>,
(4.34)
>
>;
(4.35)
>
>;
(4.36)
>
>
(4.37)
>
>
(4.38)
После подстановки получаем следующие значения:
>
>
Ом
>
>А
>
>
>
>
Ом
>
>
>
>
>
>Ом
>
>
>
>Ом
Рассеиваемая мощность на сопротивлении R4 определяется по выражению:
>
>
(4.39)
После подстановки имеем:
>
>
В результате, если сравнить все три вида схем термостабилизации, то видно, что лучше взять активную коллекторную, так как она более экономична. К тому же, у высокочастотных транзисторов на высокой частоте эмиттер заземлен, поэтому эмиттерная термостабилизация не используется.
4.5 Расчет элементов высокочастотной коррекции
4.5.1 Расчет выходной корректирующей цепи
Из теории усилителей известно [1,6], что для получения максимальной выходной мощности в заданной полосе частот необходимо реализовать ощущаемое сопротивление нагрузки для внутреннего генератора транзистора, равное постоянной величине во всем рабочем диапазоне частот. Этого добиваются включением выходной емкости транзистора (см. рисунок 4.10) в фильтр нижних частот, используемый в качестве выходной корректирующей цепи (ВКЦ). Схема включения ВКЦ приведена на рисунке (4.10).
Рисунок 4.10 - Схема выходной корректирующей цепи
При
работе усилителя без ВКЦ модуль
коэффициента отражения |>
>|
ощущаемого сопротивления нагрузки
внутреннего генератора транзистора
равен
|>
>|=>
>, (4.40)
а уменьшение выходной мощности относительно максимального значения, обусловленное наличием C>вых>, составляет:
>
>,
(4.41)
где
>
>
- максимальное значение выходной мощности
на частоте >
>
при условии равенства нулю >
>;
>
>
- максимальное
значение выходной мощности на частоте
>
>
при наличии >
>.
Методика
Фано [6] позволяет при заданной величине
>
>
и >
>
усилителя
таким образом рассчитать элементы ВКЦ
>
>
и>
>,
что максимальное значение модуля
коэффициента отражения >
>в
полосе частот от нуля до >
>
минимально
возможно.
Найдём
>
>
– выходная емкость транзистора
нормированная относительно >
>
и >
>
[6,7]:
>
>
(4.42)
>
>.

Рисунок 4.11 – Схема каскада с ВКЦ
Теперь,
согласно методике Фано, по таблице,
приведённой в [7], найдём ближайшее к
рассчитанному значение >
>
и выберем соответствующие ему нормированные
величины элементов ВКЦ >
>
и >
>,
а также >
>–коэффициент,
определяющий величину ощущаемого
сопротивления нагрузки >
>
и модуль коэффициента отражения >
>:
>
>
Найдём истинные значения элементов по формулам:
>
>;
(4.43)
>
>;
(4.44)
>
>.
(4.45)
В результате получится:
>
>нГн;
>
>пФ;
>
>Ом.
4.5.2 Расчет межкаскадной корректирующей цепи
Существует много межкаскадных корректирующих цепей для коррекции АЧХ, но так как расчитывается широкополосный усилитель, то нужна корректирующая цепь, которая обеспечивала бы требуемую неравномерность АЧХ на широкой полосе частот. Этому требованию соответствует межкаскадная корректирующая цепь (МКЦ) третьего порядка. Описание цепи можно найти в [6,7].
Схема каскада по переменному току приведена на рисунке (4.12) .

Рисунок 4.12 - Каскад с межкаскадной корректирующей цепью третьего порядка
Используя схему замещения транзистора приведенную на рисунке (4.5), схему (рисунок 4.12) можно представить в виде эквивалентной схемы, приведенной на рисунке (4.13).

Рисунок 4.13 - Эквивалентная схема каскада
При
расчете цепи находятся нормированные
значения>
>
и >
>
относительно >
>
Т1 и >
>
по выражениям:
>
>=>
>,
(4.46)
>
>=>
>
(4.47)
Потом
выбираются
нормированные значения её элементов
из таблицы, исходя из требуемой
неравномерности АЧХ на каскад. Нужно
учесть, что элементы, приведённые в
таблице, формируют АЧХ в диапазоне
частот от 0 до >
>.
По известным коэффициентам >
>,
>
>,
>
>,
которые нелинейно зависят от элементов
схемы и являющиеся коэффициентами
полинома функции передачи каскада на
транзисторе Т2[6,7]:
>
>, (4.48)
где>
>
- коэффициент
усиления каскада
>
>-
коэффициент усиления по мощности в
режиме двустороннего согласования
рассчитываются
нормированные значения >
>,
>
>,
>
>
по формулам [6,7]:
>
>
(4.49)
где
>
>;
>
>;
>
>;
>
>;
>
>;
>
>;
>
>;
>
>,
>
>,
>
>=
-
нормированные значения >
>,
>
>,
>
>.
После
расчета>
>,
>
>>
>,
>
>
производится разнормировка для нахождения
истинных значений элементов по выражениям:
>
>,
>
>, >
>.
(4.50)
В
области нижних частот АЧХ выравнивается
резистором >
>,
который рассчитывается по формуле:
>
>
(4.51)
В качестве транзистора предварительного каскада я выбрал КТ939А (его основные характеристики в п.4.2), который будет выполнять роль транзистора Т1 на рисунке (4.13). Тогда элементы, стоящие справа и слева от МКЦ, будут равны:
>
>
>
>
Так
как на каждый из трех каскадов приходится
неравномерность АЧХ по одному децибеллу,
то коэффициенты >
>,
>
>,
>
>
будут равны соответственно:
>
>
Найдем
нормированные значения >
>,
>
>,
>
>
относительно >
>
Т1 и >
>
по выражениям (4.49):
>
>,
>
>,
>
>=
>
>
После этого найдем все коэффициенты для выражений (4.49):
>
>>
>
>
>>
>>
>>
>
В
результате получатся
нормированные
значения >
>,
>
>,
>
>:
>
>>
>>
>
После
разнормировки >
>
с помощью
выражений
(4.50) истинные значения будут иметь вид:
>
>
Коэффициент усиления по мощности в режиме двухстороннего согласования:
>
>
Тогда коэффициент усиления каскада на транзисторе Т2 будет равен:
>
>
или в децибеллах
>
>
Сопротиление R1 по формуле (4.51) получается равным:
>
>Ом
5
Расчет предварительного каскада
Расчет предваритетельного каскада аналогичен расчету оконечного. Но только рабочая точка транзистора предваритетельного каскада находится из условий работы оконечного каскада.
В целях уменьшения числа источников питания целесообразно взять рабочую точку транзистора предваритетельного каскада равной рабочей точке транзистора оконечного каскада, т.е Uкэо=10.71В.
Током в
рабочей точке>
>
транзистора предваритетельного каскада
является ток >
>в
рабочей точке транзистора оконечного
каскада поделенный на коэффициент
передачи каскада>
>:
>
>
(5.1)
Тогда ток в рабочей точке транзистора предваритетельного каскада равен:
>
>
После определения рабочей точки выбирается транзистор по тем же самым критериям, что рассмотрены в ( п.4.2). Выбран транзистор КТ939А [3], так как он удовлетворяет этим требованиям. Основные технические характеристики этого транзистора были приведены выше (см. п.4.2).
Вследствие
индентичности параметров транзистора
для однонаправленной модели (см. рис.4.5)
из параметров, расчитанные по формулам
(4.14 – 4.16), изменятся только сопротивление
>
>и
крутизна транзистора >
>потому,
что изменился ток в рабочей точке,
который входит в состав выражения
сопротивления эмиттера. В результате
параметры однонаправленной модели
будут следующие:
>
>
>
>Ом
>
>А/В
>
>
>
>
Ом
>
>
Ом
>
>
Для
данного каскада, как и для оконечного,
удобнее взять цепь активной термостабилизации
в связи с особенностью работы транзистора
КТ939А. В качестве вспомогательного
транзистора цепи термостабилизации
взят тот же самый (КТ361А, см. п.4.4.3), падение
напряжения на резисторе >
>я
выбрал тем же (>
>В).
После расчета по формулам (4.30-4.39)
получаются следующие значения:
>
>
Ом
>
>А
>
>
>
>
Ом
>
>
>
>
>
>
Ом
>
>
>
>Ом
Рассеиваемая мощность на сопротивлении R4:
>
>
Перед расчетом межкаскадной корректирующей цепи удобно взять МКЦ третьего порядка, так как она обеспечивает хорошую коррекцию АЧХ на заданной полосе частот.
Для
входного каскада был выбран транзистор
КТ996А (см. п.6), который будет выполнять
роль транзистора Т1 на рисунке (4.13). Тогда
элементы>
>
>
>будут
равны:
>
>
>
>
Так
как на каскад приходится неравномерность
АЧХ в один децибелл, то коэффициенты >
>,
>
>,
>
>
останутся прежними:
>
>
Нормированные
значения >
>,
>
>,
>
>
относительно >
>
Т1 и >
>
по выражениям (4.49) будут равны:
>
>,
>
>,
>
>=
>
>
После этого находятся коэффициенты для выражений (4.49):
>
>>
>>
>
>
>>
>
>
>
В
результате получатся
нормированные
значения >
>,
>
>,
>
>:
>
>>
>>
>
Разнормируем
>
>
с помощью выражений
(4.50), тогда истинные значения будут
иметь вид:
>
>
Коэффициент усиления по мощности в режиме двухстороннего согласования:
>
>
Тогда коэффициент усиления каскада на транзисторе Т2 будет равен:
>
>
а в децибеллах
>
>
Сопротиление R1 находится по формуле (4.51), где в качестве нагрузочного сопротивления Rн выступает параллельное соединение выходного сопротивления транзистора и активного сопротивления межкаскадной корректирующей цепи оконечного каскада.
Сопротивление R1 получилось равным:
>
>кОм
6 Расчет входного каскада
При расчете входного каскада рабочая точка транзистора находится из рабочей точки транзистора предоконечного каскада.
Для уменьшения числа источников питания рабочая точка транзистора входного каскада взята равной рабочей точке транзистора предоконечного каскада (Uкэо=10.71В).
Ток
в рабочей точке >
>транзистора
входного каскада равен >
>току
в рабочей точке транзистора предоконечного
каскада поделенный на коэффициент
передачи каскада >
>:
>
>
(6.1)
Тогда ток в рабочей точке транзистора входного каскада равен:
>
>
После определения рабочей точки выбирается транзистор по тем же самым критериям, что рассмотрены в п.4.2. Был выбран транзистор КТ996А [3], так как он удовлетворяет этим требованиям. Основные технические характеристики этого транзистора были приведены ниже.
Электрические параметры:
-граничная
частота коэффициента передачи тока в
схеме с ОЭ >
>МГц;
-статический
коэффициент передачи тока в схеме с ОЭ
>
>;
-емкость
коллекторного перехода при >
>
В >
>пФ.
Предельные эксплуатационные данные:
-постоянное
напряжение коллектор-эмиттер >
>В;
-постоянный
ток коллектора >
>мА;
-постоянная
рассеиваемая мощность коллектора >
>
Вт;
-температура
перехода >
>С.
Однонаправленная модель транзистора входного каскада (см. рис.4.5) расчитывается по формулам (4.14 – 4.16). В справочных данных нет сведений о входной индуктивности, то ее берут равной половине входной индуктивности ближайшего аналога, которым является транзистор КТ939А В результате параметры однонаправленной модели будут следующие:
>
>
>
>Ом
>
>А/В
>
>
Ом
>
>
Ом
>
>
При отсутствии постоянной времени цепи обратной связи сопротивление базы так же берут равным сопротивлению базы аналога (КТ939А).
Как и для предоконечного каскада, удобнее взять цепь активной коллекторной термостабилизации, так как она имеет лучшие характеристики.
В
качестве вспомогательного транзистора
цепи термостабилизации выбран КТ361А,
падение напряжения на резисторе >
>выбрано
тем же (>
>В).
После подстановки в формулы (4.30-4.39)
получаются следующие значения:
>
>
Ом
>
>А
>
>
>
>
Ом
>
>
>
>
>
>
Ом
>
>
>
>Ом
При этом рассеиваемая мощность на сопротивлении R4 равна:
>
>
Перед расчетом межкаскадной корректирующей цепи выбрана МКЦ третьего порядка, так как она кроме хорошей коррекции АЧХ на заданной полосе частот обеспечивает и согласование каскада.
Так как перед входным каскадом находится источник сигнала.Тогда элементы, окружающие МКЦ,будут равны:
>
>
>
>
На
каскад приходится неравномерность АЧХ
в один децибелл, то коэффициенты >
>,
>
>,
>
>
останутся прежними:
>
>
Нормированные
значения >
>,
>
>,
>
>
относительно >
>
и сопротивления генератора по выражениям
(4.49) будут равны
>
>,
>
>,
>
>=
>
>
Коэффициенты для выражений (4.49) равны
>
>>
>>
>>
>>
>
>
>
Нормированные
значения >
>,
>
>,
>
>
равны:
>
>
>
>
>
>
Разнормируем
значения >
>,
>
>,
>
>
с помощью
выражений
4.50, тогда истинные значения будут иметь
вид:
>
>
Коэффициент усиления по мощности в режиме двухстороннего согласования:
>
>
Тогда коэффициент усиления каскада на транзисторе будет равен:
>
>
а в децибеллах
>
>
Сопротиление R1 находится по формуле (4.51), где в качестве нагрузочного сопротивления Rн выступает параллельное соединение выходного сопротивления транзистора и активного сопротивления межкаскадной корректирующей цепи предоконечного каскада.
Сопротивление R1 получилось равным:
>
>кОм
Анализируя все три каскада, можно сказать, что общий коэффициент усиления усилителя будет равен:
>
>
7 Расчет дросселей, блокировочных и разделительных конденсаторов
В схеме активной коллекторной термостабилизации дроссель нужен для того, чтобы увеличить сопротивление ветви, к которой он подключен, до выходного сопротивления транзистора; обеспечить протекание всей переменной составляющей тока в нагрузку с нижней частоты заданного частотного диапазона. В результате, дроссель выбирается из условия [1,2]:
>
>
(7.1)
или
>
>
(7.2)
где
>
>-
нижняя круговая частота частотного
диапазона
>
>
- выходное
сопротивление транзистора
Дроссели расчитанные по формуле (7.2) для входного, предварительного каскадов будут равны:
>
>
Для оконечного каскада дроссель нужно расчитывать по сопротивлению нагрузки, так как оно вносит большее влияние. Тогда получим:
>
>
В схеме усилителя на входе и на выходе каждого каскада ставится разделительный конденсатор, который нужен для того чтобы обеспечить протекание переменного и препятствовать протеканию постоянного токов, а иначе изменялась бы рабочая точка транзистора.
Так
как искажения на низких частотах в
основном определяются разде-лительной
емкостью, то искажения >
>
приходящиеся на одну
емкость
равны отношению
искажений на нижних частотах на число
емкостей N
усилителя. В результате искажения
приходящиеся
на одну емкость равны:
>
>
Для расчета емкости нужно ее искажения перевести в разы
>
>
Расчет емкости производится по формуле [1,2]:
>
>
(7.3)
где
>
>-
нижняя частота
>
>-
сопротивление, стоящее слева от емкости
>
>-
сопротивление, стоящее справа от емкости
>
>нормированные
искажения в разах
В результате после подстановки получится:
>
>
Из-за того, что на высоких частотах транзисторы становятся инерционными, на какой-то частоте происходит набег фазы на 360 градусов. Отсюда усилительные каскады самовозбуждаются. Чтобы этого не допустить ставится блокировочный конденсатор, который разрывает кольцо обратной связи, и в реультате сигнал уходит на “землю”.
Блокировочная емкость находится из условия [1,2]:
>
>
(7.4)
где
>
>-
нижняя круговая частота
>
>-
сопротивление в схеме активной
коллекторной термостабилизации (см.
рис.4.9)
Поскольку в усилителе три каскада с тремя схемами термостабилизации, то и блокировочных емкостей будет три.
Тогда емкости будут равны:
>
>
8 Заключение
Рассчитанный усилитель на нагрузку Rн=50 Ом имеет следующие технические характеристики:
1 Рабочая полоса частот: 50-500 МГц
2 Линейные искажения
в области нижних частот не более 3 дБ
в области верхних частот не более 3 дБ
3 Коэффициент усиления 28дБ
4 Амплитуда выходного напряжения Uвых=7.71 В
5 Питание однополярное, Eп=12.6 В
6 Диапазон рабочих температур: от +10 до +50 градусов Цельсия
7 Выходная мощность Рвых=0.5Вт
Усилитель имеет запас по усилению 8дБ. Это нужно для того, чтобы в случае ухудшения усилительных свойств коэффициент передачи усилителя не опускался ниже заданного уровня, определённого техническим заданием.
Обозна- чение |
Наименование |
Кол. |
Примечание |
||||||||||||||||||||||||||||||||||||||||||||||||||||||||||||||||||||||||||||||||||||
|
Транзисторы |
|||||||||||||||||||||||||||||||||||||||||||||||||||||||||||||||||||||||||||||||||||||||
|
VT1 |
КТ996А аА о.339150ТУ |
1 |
|||||||||||||||||||||||||||||||||||||||||||||||||||||||||||||||||||||||||||||||||||||
|
VT2 |
КТ361А ФЫ о.336.201ТУ |
1 |
|||||||||||||||||||||||||||||||||||||||||||||||||||||||||||||||||||||||||||||||||||||
|
VT3 |
КТ939А аА о.339150ТУ |
1 |
|||||||||||||||||||||||||||||||||||||||||||||||||||||||||||||||||||||||||||||||||||||
|
VT4 |
КТ361А ФЫ о.336.201ТУ |
1 |
|||||||||||||||||||||||||||||||||||||||||||||||||||||||||||||||||||||||||||||||||||||
|
VT5 |
КТ939А аА о.339150ТУ |
1 |
|||||||||||||||||||||||||||||||||||||||||||||||||||||||||||||||||||||||||||||||||||||
|
VT6 |
КТ361А ФЫ о.336.201ТУ |
1 |
|||||||||||||||||||||||||||||||||||||||||||||||||||||||||||||||||||||||||||||||||||||
|
Конденсаторы |
|||||||||||||||||||||||||||||||||||||||||||||||||||||||||||||||||||||||||||||||||||||||
|
С1 |
КД-2-3.6пФ ±5% ОЖО.460.203 ТУ |
1 |
|||||||||||||||||||||||||||||||||||||||||||||||||||||||||||||||||||||||||||||||||||||
|
С2 |
КД-2-16пФ ±5% ОЖО.460.203 ТУ |
1 |
|||||||||||||||||||||||||||||||||||||||||||||||||||||||||||||||||||||||||||||||||||||
|
С3 |
КД-2-13пФ ±5% ОЖО.460.203 ТУ |
1 |
|||||||||||||||||||||||||||||||||||||||||||||||||||||||||||||||||||||||||||||||||||||
|
С4 |
КД-2-0.22нФ ±5% ОЖО.460.203 ТУ |
1 |
|||||||||||||||||||||||||||||||||||||||||||||||||||||||||||||||||||||||||||||||||||||
|
С5 |
КД-2-1.1пФ ±5% ОЖО.460.203 ТУ |
1 |
|||||||||||||||||||||||||||||||||||||||||||||||||||||||||||||||||||||||||||||||||||||
|
С6 |
КД-2-6.2пФ ±5% ОЖО.460.203 ТУ |
1 |
|||||||||||||||||||||||||||||||||||||||||||||||||||||||||||||||||||||||||||||||||||||
|
С7 |
КД-2-1.3пФ ±5% ОЖО.460.203 ТУ |
1 |
|||||||||||||||||||||||||||||||||||||||||||||||||||||||||||||||||||||||||||||||||||||
|
С8 |
КД-2-0.22нФ ±5% ОЖО.460.203 ТУ |
1 |
|||||||||||||||||||||||||||||||||||||||||||||||||||||||||||||||||||||||||||||||||||||
|
С9 |
КД-2-1.5пФ ±5% ОЖО.460.203 ТУ |
1 |
|||||||||||||||||||||||||||||||||||||||||||||||||||||||||||||||||||||||||||||||||||||
|
С10 |
КД-2-6.8пФ ±5% ОЖО.460.203 ТУ |
1 |
|||||||||||||||||||||||||||||||||||||||||||||||||||||||||||||||||||||||||||||||||||||
|
С11 |
КД-2-0.22пФ ±5% ОЖО.460.203 ТУ |
1 |
|||||||||||||||||||||||||||||||||||||||||||||||||||||||||||||||||||||||||||||||||||||
|
С12 |
КД-2-0.47нФ ±5% ОЖО.460.203 ТУ |
1 |
|||||||||||||||||||||||||||||||||||||||||||||||||||||||||||||||||||||||||||||||||||||
|
С13 |
КД-2-0.62пФ ±5% ОЖО.460.203 ТУ |
1 |
|||||||||||||||||||||||||||||||||||||||||||||||||||||||||||||||||||||||||||||||||||||
|
С14 |
КД-2-6.2пФ ±5% ОЖО.460.203 ТУ |
1 |
|||||||||||||||||||||||||||||||||||||||||||||||||||||||||||||||||||||||||||||||||||||
|
Катушки индуктивности |
|||||||||||||||||||||||||||||||||||||||||||||||||||||||||||||||||||||||||||||||||||||||
|
L1 |
Индуктивность 6.8нГн ±5% |
1 |
|||||||||||||||||||||||||||||||||||||||||||||||||||||||||||||||||||||||||||||||||||||
|
L2 |
Индуктивность 16мкГн ±5% |
1 |
|||||||||||||||||||||||||||||||||||||||||||||||||||||||||||||||||||||||||||||||||||||
|
L3 |
Индуктивность 7.2нГн ±5% |
1 |
|||||||||||||||||||||||||||||||||||||||||||||||||||||||||||||||||||||||||||||||||||||
|
L4 |
Индуктивность 12мкГн ±5% |
1 |
|||||||||||||||||||||||||||||||||||||||||||||||||||||||||||||||||||||||||||||||||||||
|
L5 |
Индуктивность 3.6нГн ±5% |
1 |
|||||||||||||||||||||||||||||||||||||||||||||||||||||||||||||||||||||||||||||||||||||
|
L6 |
Индуктивность 8.2мкГн ±5% |
1 |
|||||||||||||||||||||||||||||||||||||||||||||||||||||||||||||||||||||||||||||||||||||
|
L7 |
Индуктивность 16нГн ±5% |
1 |
|||||||||||||||||||||||||||||||||||||||||||||||||||||||||||||||||||||||||||||||||||||
|
РТФ КП 468740.001 ПЗ |
|||||||||||||||||||||||||||||||||||||||||||||||||||||||||||||||||||||||||||||||||||||||
|
Лит |
Масса |
Масштаб |
|||||||||||||||||||||||||||||||||||||||||||||||||||||||||||||||||||||||||||||||||||||
|
Изм |
Лист |
Nдокум. |
Подп. |
Дата |
|
||||||||||||||||||||||||||||||||||||||||||||||||||||||||||||||||||||||||||||||||||
|
Выполнил |
Уткин |
ШИРОКОПОЛОСНЫЙ |
|||||||||||||||||||||||||||||||||||||||||||||||||||||||||||||||||||||||||||||||||||||
|
Провер. |
Титов |
УСИЛИТЕЛЬ |
|||||||||||||||||||||||||||||||||||||||||||||||||||||||||||||||||||||||||||||||||||||
|
НЕЛИНЕЙНОГО |
Лист |
Листов |
|||||||||||||||||||||||||||||||||||||||||||||||||||||||||||||||||||||||||||||||||||||
|
ЛОКАТОРА |
ТУСУР РТФ |
||||||||||||||||||||||||||||||||||||||||||||||||||||||||||||||||||||||||||||||||||||||
|
Перечень элементов |
Кафедра РЗИ |
||||||||||||||||||||||||||||||||||||||||||||||||||||||||||||||||||||||||||||||||||||||
|
гр. 148-3 |
|
Поз. Обозна- чение |
Наименование |
Кол. |
Примечание |
|||||||
|
Резисторы |
||||||||||
|
R1 |
МЛТ – 0.125 – 2.2 кОм ±10%ГОСТ7113-77 |
1 |
||||||||
|
R2 |
МЛТ – 0.125 – 7.5 кОм ±10%ГОСТ7113-77 |
1 |
||||||||
|
R3 |
МЛТ – 0.125 – 82 кОм ±10%ГОСТ7113-77 |
1 |
||||||||
|
R4 |
МЛТ – 0.125 – 16 кОм ±10%ГОСТ7113-77 |
1 |
||||||||
|
R5 |
МЛТ – 0.125 – 43 Ом ±10%ГОСТ7113-77 |
1 |
||||||||
|
R6 |
МЛТ – 0.125 – 7.5 кОм ±10%ГОСТ7113-77 |
1 |
||||||||
|
R7 |
МЛТ – 0.125 – 7.5к Ом ±10%ГОСТ7113-77 |
1 |
||||||||
|
R8 |
МЛТ – 0.125 – 82 кОм ±10%ГОСТ7113-77 |
1 |
||||||||
|
R9 |
МЛТ – 0.125 – 18 кОм ±10%ГОСТ7113-77 |
1 |
||||||||
|
R10 |
МЛТ – 0.125 – 20 Ом ±10%ГОСТ7113-77 |
1 |
||||||||
|
R11 |
МЛТ – 0.125 – 5.6 кОм ±10%ГОСТ7113-77 |
1 |
||||||||
|
R12 |
МЛТ – 0.125 – 3.6кОм ±10%ГОСТ7113-77 |
1 |
||||||||
|
R13 |
МЛТ – 0.125 – 39 кОм ±10%ГОСТ7113-77 |
1 |
||||||||
|
R14 |
МЛТ – 0.125 – 7.5к Ом ±10%ГОСТ7113-77 |
1 |
||||||||
|
R15 |
МЛТ – 0.125 – 9.1 Ом ±10%ГОСТ7113-77 |
1 |
||||||||
|
РТФ КП 468740.001 ПЗ |
||||||||||
|
Лит |
Масса |
Масштаб |
||||||||
|
Изм |
Лист |
Nдокум. |
Подп. |
Дата |
||||||
|
Выполнил |
Уткин |
ШИРОКОПОЛОСНЫЙ |
||||||||
|
Провер. |
Титов |
УСИЛИТЕЛЬЛЬ |
||||||||
|
НЕЛИНЕЙНОГО |
Лист |
Листов |
||||||||
|
ЛОКАТОРА |
ТУСУР РТФ |
|||||||||
|
Перечень элементов |
Кафедра РЗИ |
|||||||||
|
гр. 148-3 |
9 Литература
1) Красько А.С. Проектирование аналоговых электронных устройств - Томск: ТУСУР, 2000.-29с.
2) Мамонкин И.Г. Усилительные устройства. Учебное пособие для вузов - М.: Связь. 1977 г.
3) Полупроводниковые приборы. Транзисторы средней и большой мощности. Справочник / А.А. Зайцев, А.И. Миркин; Под ред. А.В. Голомедова. – М.: Радио и связь,1989 – 640 с.
4) Титов А.А., Бабак Л.И., Черкашин М.В. Расчет межкаскадной согласующей цепи транзисторного полосового усилителя мощности. Электронная техника. Серия СВЧ-техника. Выпуск 1/2000
5) Болтовский Ю.Г. Расчёт цепей термостабилизации электрического режима транзисторов. Методические указания. – Томск: ТИАСУР, 1981 г.
6) Широкополосные радиопередающие устройства /Под ред. О.В. Алексеева. - М.: Связь. 1978.
7) Расчет корректирующих цепей широкополосных усилительных каскадов на биполярных транзисторах./ Титов А.А –http://www.referat.ru/referats/015-0030.zip