Циркуляторы
Введение.
Под сверхвысокими частотами (СВЧ) принято понимать участок электромагнитного спектра с частотами колебаний, лежащими приблизительно между 30Мгц и 3000Ггц, и с длинами волн соответственно между 10м и 0,1мм. Таким образом, диапазон СВЧ расположен между областью “обычных” радиоволн и участком инфракрасных и световых излучений.
Роль диапазона СВЧ непрерывно возрастает в связи с бурным развитием самых разнообразных областей науки и техники- радиолокации, радиоуправления, связи. Сверхвысокочастотные приборы широко используются в ракетной и атомной технике и во многих областях физических исследований. Освоение космического пространства, нарастающее использование электроники СВЧ в народном хозяйстве и медицине потребуют ещё более широкого применения техники иприборов СВЧ.
Циркуляторы.


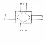
Идеальный
циркулятор должен обладать недиссипативными
свойствами, т. е. передача сигнала между
соответствующими плечами должна
происходить без потерь мощности. Получить
перечисленные свойства можно только с
помощью невзаимных (необратимых)
элементов, входящих в состав рассматриваемого
восьмиполюсника.


В отличие
от резонансного вентиля, напряженность
постоянного магнитного поля выбирается
значительно ниже величины Hорез,
соответствующей
условию ферромагнитного резонанса. При
этом потери в феррите для обоих направлений
вращения высокочастотного магнитного
поля могут быть сделаны достаточно
малыми. Однако ввиду различия величин
активной и пассивной магнитных
проницаемостей фазовые скорости волн,
распространяющихся по волноводу в
противоположных направлениях, также
оказываются различными.
Выберем такую длину ферритовой пластины, при которой разность фазовых сдвигов в “прямом” и “обратном” направлениях составляет ровно π. Такой четырёхполюсник иногда называют гиратором. Тогда при подаче сигнала на вход 1 схемы, изображённой на рис. 2,а (т. е. в Н- плечо двойного тройника), две волны, приходящие во второй тройник и являющиеся первоначально синфазными, оказываются в противофазе ввиду сдвига на π в гираторе. С учётом свойств тройниковых разветвлений передача энергии в этом случае возможна только в Е- плечо, обозначенное цифрой 2. Таким образом, вся мощность, поданная на вход 1, поступает без потерь и отражения в плечо 2.
Если теперь подать сигнал со стороны Е- плеча второго моста (вход 2 на рис. 2,а), то две волны, поступающие справа налево в первый мост, не претерпевают относительно друг друга сдвига фаз в ферритовой секции. По свойствам Е-тройников эти волны на выходе из второго моста являлись противофазными. Поступая в первый мост, две противофазные волны обеспечивают передачу энергии только в Е-плечо, обозначенное цифрой 3.
Рассматривая движение волн из плеча 3, а затем из плеча 4, можно убедиться в полном соответствии схемы, изображённой на рис. 2,а, идеальному циркулятору (рис. 1).
Схема циркулятора изображённого на рис. 2,б, чаще применяется на практике и отличается от выше рассмотренной схемы заменой двойных тройников на щелевые мосты. Вместо одной ферритовой пластины большей частью используются две более короткие одинаковые пластины, расположенные в обоих каналах циркулятора и создающие разностный сдвиг фаз, равный π/2. В этом случае в одном из каналов включается также обычный ножевой диэлектрический фазосдвигатель, обеспечивающий взаимный фазовый сдвиг на π/2 (см. рис. 2,б).


На рис.
4 и 5 схематически изображены два других
типа ферритовых циркуляторов. В
четырёхплечем устройстве, показанном
на рис. 4, используется эффект Фарадея.
Ферритовый стержень, находящийся в
продольном постоянном магнитном поле,
располагается вдоль оси круглого
волновода, возбуждаемого на волне типа
Н11.
К этому волноводу под углами 45град
подключаются четыре входа, выполненных
на базе стандартных прямоугольных
волноводов.





В трёхплечем циркуляторе, изображённом на рис. 5, используется Y-образный 120-градусный волноводный тройник в плоскости Н. Ферритовый цилиндр располагается в центре тройника; постоянное магнитное поле Но, перпендикулярно плоскости чертежа.
Принцип
действия Y-циркулятора
можно пояснить так. Волна типа Н10,
поступающая со стороны плеча 1, дифрагирует
на ферритовом
цилиндре и создаёт две поверхностные волны, обегающие намагниченный ферритовый цилиндр в двух противоположных направлениях. Подбирая диаметр цилиндра и величину Н0, можно обеспечить расположение максимума электрического поля в центре плеча 2 при узле, расположенном в центре плеча 3. В результате энергия из плеча 1 передаётся в плечо 2 и не попадает в плечо 3. Невзаимность обеспечивается за счёт различия фазовых скоростей волн, обегающих ферритовый стержень в направлении часовой стрелки и в противоположном направлении. Поэтому при подаче энергии в плечо 2 она передаётся только в плечо 3, которое в свою очередь оказывается связанным только с плечом 1.
На частотах порядка 3 Ггц и ниже часто используются Y-циркуляторы, образованные не волноводами, а полосковыми линиями. Благодаря своей компактности и простоте конструкции Y-циркуляторы находят на практике широкое применение.
На рис. 6,апоказано простейшее применение циркулятора в качестве развязывающего вентиля при большой мощности СВЧ генератора. Более интересным и практически важным является применение циркуляторов в так называемых отражательных усилителях СВЧ диапазона, к числу которых относятся квантовые парамагнетические усилители на полупроводниковых диодах. Усиленный сигнал, отражающийся от усилителя, отделяется циркулятором от падающей волны, как показано на рис. 6,б, и направляется в нагрузку, например, в приёмник. Наконец, циркуляторы могут применяться также в качестве основного элемента ферритового антенного переключателя, изображенного на рис. 6,в. Ввиду того, что развязка плеч циркулятора обычно не превышает 30-40 дб, в плече, идущем к приёмнику, оказывается необходимым включать резонансный разрядник защиты приёмника.
Вывод
В диапазоне СВЧ можно разместить значительно большее число каналов связи, чем на более низких частотах. Например, легко увидеть, что даже узкая полоса частот в 1% при средней частоте 10Ггц (λ=3см) позволяет в принципе разместить столько же независимых каналов, сколько их имеется во всём диапазоне от сверхдлинных до ультракоротких волн длиною 3м. Большая информационная ёмкость СВЧ диапазона позволяет осуществлять многоканальную телефонную и телевизионную связь, в особенности на сантиметровых, миллиметровых и, возможно, на субмиллиметровых волнах. Создание квантовых генераторов и усилителей оптического диапазона даёт возможность ещё более повысить информационную ёмкость каналов связи с непосредственным использованием методов и аппаратуры СВЧ диапазона.
Литература.
1.Лебедев И.В. Техника и приборы СВЧ. М. 1970.
2. Альтман Д. Устройства СВЧ. М. 1968.
3. Дулин В.Н. Устройства СВЧ. М. 1972.
4. Передающие устройства СВЧ. Под ред. Вамберского М.В. М. 1984.
Содержание.
1.Введение. 2
2.Основная часть. 3
3.Вывод. 7
4.Литература. 8
5.Содержание. 9