Законы распределения случайных процессов
Государственный комитет Российской Федерации по высшему
образованию
МОСКОВСКИЙ
ГОСУДАРСТВЕННЫЙ ОТКРЫТЫЙ УНИВЕРСИТЕТ
Кафедра электронной техники
УТВЕРЖДАЮ
проректор по учебной работе
“ИЗУЧЕНИЕ ЗАКОНОВ НОРМАЛЬНОГО РАСПРЕДЕЛЕНИЯ
И РАСПРЕДЕЛЕНИЯ Релея”
Методические указания к проведению лабораторных работ
Москва
1998г.
Цель работы—исследование законов распределения различных случайных процессов нормального шума, гармонического и треугольного сигналов со случайными фазами, суммы случайных взаимно независимых сигналов, аддитивной смеси гармонического сигнала и шумовой помехи, проверка нормализации распределения при увеличении числа взаимно независимых слагаемых в случайном процессе.
Теоретическая часть
В отличие от детерминированных процессов, течение которых определено однозначно, случайный процесс — это изменение во времени физической величины (тока, напряжения и др.), значение которой невозможно предсказать заранее с вероятностью, равной единице.
Статистические свойства случайного процесса X{t) можно определить, анализируя совокупность случайных функций времени {X>k>(t)}, называемую ансамблем реализаций. Здесь k—номер реализации.
Мгновенные значения случайного процесса в фиксированный момент времени являются случайными величинами. Статистические свойства случайного процесса характеризуются законами распределения, аналитическими выражениями которых являются функции распределения. Одномерная интегральная функция распределения вероятностей случайного процесса
>
>
Здесь P{X(t>1>)<=x} - вероятность того, что мгновенное Значение случайного процесса в момент времени t>1> - примет значение, меньшее или равное x
Одномерная дифференциальная функция распределения случайного процесса или плотность вероятности определяется равенством
>
>
Аналогично определяются многомерные функции распределения для моментов времени t>1>, t>2>, ...t>n>.
Одномерная плотность вероятности мгновенных значений суммы взаимно независимых случайных процессов Z (t) = Y (t) +Х (t) определяется формулой
>
>
где W>1x>(x), W>1y>(y), W>1z>(z) - плотности вероятности процессов X(t), Y(t), Z(t).
Наиболее распространенными функциями случайного процесса (моментами) являются:
среднее значение (первый начальный момент)
>
>
дисперсия (второй центральный момент)
>
>
Для стационарных случайных процессов выполняется условие
>
>
Статистические характеристики стационарных случайных процессов, имеющих эродические свойства, можно найти усреднением не только по ансамблю реализаций, но и по времени одной реализации X>k>(t) продолжительностью T:
среднее значение
>
>
дисперсия
>
>
интегральная функция распределения
>
>
где >
>
- относительное время пребывания
реализации X>k>(t)>
>ниже уровня x;
плотность вероятности
>
>
где >
>
- относительное время пребывания
реализации X>k>(t)>
> в интервале
[x, x+Dx].
Для нормального распределения интегральная функция и функция плотности и вероятности имеют следующий вид:
>
>>
>
>
>
Описание лабораторной установки
Для выполнения работы необходимо использовать универсальный стенд для изучения законов распределения случайных процессов и электронный осциллограф.

Передняя панель стенда
Стенд включает в себя:
- семь источников независимых случайных сигналов (одного шумового с нормальным распределением, одного треугольного и пять гармонических). Дисперсия случайных сигналов регулируется соответствующими потенциометрами ;
- переключатель исследуемых законов распределения (нормальный, Рэлея);
- переключатель рода работ (для снятия статистических характеристик m>x>, s>x>2,а также интегрального F(x) дифференциального W(х) законов распределения);
- регулятор уровня анализа;
- регулятор глубины анализа;
- индикатор уровня выхода;
- индикатор уровня анализа;
- гнёзда для подключения осциллографа;
- гнездо для заземления стенда.
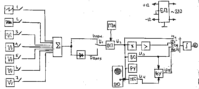
Блок схема стенда

1 - генератор треугольных импульсов;
2 - генератор шума;
3-7 - генераторы гармонических сигналов:
S - сумматор;
- детектор;
ЭП - эммиторный повторитель;
ГПН - генератор постоянного напряжения;
ВС - верхний селектор;
РУ - регулятор уровня;
НС - нижний селектор;
ВУ - вычитающее устройство;
>- усилитель;
ò- интегратор;
И - индикатор;
Э0 - осциллограф.
Принцип работы стенда
Аппаратурный анализ законов распределения осуществляемый в лабораторной установке основан на измерений относительного времени пребывания реализации в заданном интервале значения.
Сумматор позволяет получать сигналы с разными законами распределения.
Требуемый уровень "х" при снятии законов распределения по точках устанавливают с помощью потенциометра “постоянная составляющая". Глубину анализа " х” определяет потенциометр "уровень анализа".

С помощью амплитудных селекторов и формирователей вырабатываются прямоугольные импульсы длительность которых равна времени пребывания входного сигнала ниже порогов селекции. Величина постоянной составляющей на выходе ВС пропорциональна P{X(t)<=x} на выходе НС - P{X(t)<=x-Dx}, на выходе ВУ:
>
>
Измерение постоянной составляющей осуществляется интегратором, нагрузкой которого является индикатор-прибор магнитно-электрической системы.
Порядок выполнения работы
1. Заземлить стенд и осциллографы.
2. Произвести включение по разрешению преподавателя.
3. Установить переключатель законов распределения в положение "нормальное".
4. Включить генератор шума и установить ручку уровня сигнала в среднее положение.
5. Переключатель рода работ (ПРР) установить в положение "m>x>" и снять величину математического ожидания.
6. Установить ПРР в положение "s2>x>" и снять величину дисперсии случайного процесса. (Все значения сводите в таблицу )
7. Установить требуемый уровень "Dx".
8. Установить ПРР в положение F(х) и снять интегральную функцию распределения в зависимости от уровня анализа для значений -3... +4 с шагом 1.
9. Установить ПРР в положение “W>x>” и снять зависимость функции плотности вероятности “W>x>” от уровня анализа для значений согласно п.8.
10. Отключить генератор шума и включить генератор треугольного сигнала. Повторить пп. 5...9.
11. Выполнить п.10 для одного гармонического сигнала.
12. Включить еще 2 гармонических сигнала и повторить пп.5...9.
13. Включить все 5 генераторов гармоник и генератор треугольного сигнала и повторить пп. 5...9.
14. Установить переключатель законов распределения в положение "распределение Рэлея". Повторить пп. 4...13.
Указания к отчету
Отчет должен содержать:
1) расчеты дисперсий, законов распределения сигналов;
2) функциональную схему анализатора законов распределения;
3) графики рассчитанных и измеренных функций распределения;
4) сравнение теоретических и экспериментальных результатов и анализ возможных источников погрешностей измерения;
5) выводы и оценку полученных результатов.
Контрольные вопросы
1. Какие основные статистические характеристики случайных процессов вам известны?
2. Дайте определение стационарного случайного процесса.
3. Определите эргодическое свойство стационарного случайного процесса.
4. Перечислите основные свойства интегральной функции распределения вероятностей.
5. Какие статистические свойства процесса характеризует одномерная (многомерная) плотность вероятности? Как она измеряется?
6. Какие свойства имеет дифференциальная функция распределения?
7. Как определяют среднее значение и дисперсию случайного эргодического процесса усреднением по ансамблю реализацией и усреднением по времени?
8. Найдите плотность вероятности мгновенных значении гармонического (треугольного) сигнала со случайной равновероятной фазой. Результат объясните физически.
9. Приведите пример дискретного эргодического случайного процесса. Начертите для него графики плотности вероятности и функции распределения вероятностей.
10. Дайте определение одномерной характеристической функции распределения вероятностей случайного процесса.
11. Найдите дифференциальный закон распределения суммы двух случайных взаимно независимых сигналов.
12. Найдите законы распределения суммы двух треугольных сигналов со случайными взаимно независимыми начальными фазами.
13. Запишите нормальный закон распределения. Начертите его графики. Перечислите основные свойства нормального распределения.
14 Сформулируйте центральную предельную теорему Ляпунова.
Литература:
[1, с. 132-144; 2, с. 76-98; 3, с. 166-174; 4, с. 403-421; 5, с. 83—88; 12; , с. 63—74, 183—188; 18].
1. Гонаровский И.С. Радиотехнические цепи и сигналы -М.: Советское радио, 1977.
2, Зиновьев А.Л., Филиппов Л. И. Введение в теорию сигналов и цепей — М.: Высшая школа, 1975.
3. Áàñêàêîâ С. И. Радиотехнические цепи и сигналы.—М.: Высшая школа, 1983.
4. Радиотехнические цепи и сигналы/Под ред. К. А. Самойло - М.: Радио и связь 1982.
5. Гонаровский И. С. Радиотехнические цепи и сигналы. - М.: Советское радио 1971.
12. Харкевич А. А. Избранные труды (в трех томах)- М .. Наука 1973.