Обеспечение ИБ выделенного объекта по аудио каналу
Обеспечение ИБ выделенного объекта по аудио каналу
Курсовая работа
Выполнил студент группы БИ-5-2 Зыков Антон В.
Московский государственный университет гражданской авиации
Москва 2008
Введение
С древнейших времен любая деятельность людей основывалась на получении и владении информацией, т.е. на информационном обеспечении. Именно информация является одним из важнейших средств решения проблем и задач, как на государственном уровне, так и на уровне коммерческих организаций и отдельных лиц. Но так как получение информации путем проведения собственных исследований и создания собственных технологий является достаточно дорогостоящим, то часто выгоднее потратить определенную сумму на добывание уже существующих сведений. Таким образом, информацию можно рассматривать как товар. А бурное развитие техники, технологии и информатики в последние десятилетия вызвало еще более бурное развитие технических устройств и систем разведки. В создание устройств и систем ведения разведки всегда вкладывались и вкладываются огромные средства во всех развитых странах. Сотни фирм активно работают в этой области. Серийно производятся десятки тысяч моделей «шпионской» техники. Этому во многом способствуют недостатки правовой базы Украины. Хотя в последнее время органы власти уделяют вопросам защиты информации более пристальное внимание. Эта отрасль бизнеса давно и устойчиво заняла свое место в общей системе экономики Запада и имеет под собой прочную законодательную базу в отношении как юридических, так и физических лиц, т.е. строго регламентирована и реализована в четко отлаженном механизме исполнения.
Тематики разработок на рынке промышленного шпионажа охватывают практически все стороны жизни общества, безусловно, ориентируясь на наиболее финансово-выгодные. Спектр предлагаемых услуг широк: от примитивных радиопередатчиков до современных аппартно-промышленных комплексов ведения разведки. Конечно, у нас нет еще крупных фирм, производящих технику подобного рода, нет и такого разнообразия ее моделей, как на Западе, но техника отечественных производителей вполне может конкурировать с аналогичной западной, а иногда она лучше и дешевле. Естественно, речь идет о сравнении техники, которая имеется в открытой продаже. Аппаратура же, используемая спецслужбами (ее лучшие образцы), намного превосходит по своим возможностям технику, используемую коммерческими организациями.
Все это связано с достаточным риском ценности разного рода информации, разглашение которой может привести к серьезным потерям в различных областях (административной, научно-технической, коммерческой и т.д.). Поэтому вопросы защиты информации (ЗИ) приобретают все более важное значение.
Целью несанкционированного сбора информации в настоящее время является, прежде всего - коммерческий интерес. Как правило, информация разнохарактерна и разноценна и степень ее секретности (конфиденциальности) зависит от лица или группы лиц, кому она принадлежит, а также сферы их деятельности. Бизнесмену, например, необходимы данные о конкурентах: их слабые и сильные стороны, рынки сбыта, условия финансовой деятельности, технологические секреты. А в политике или в военном деле выигрыш иногда оказывается просто бесценным, т.к. политик, администратор или просто известный человек является информантом. Интересны его уклад жизни, связи в определенных кругах, источники личных доходов и т.д. А развитие деловых отношений определяет сегодня резкое возрастание интереса к вопросам безопасности именно речевой информации. Особенностью защиты речевой информации является то, что она не материальна, поэтому защищать ее чисто техническими средствами сложнее, чем секретные документы, файлы и другие носители информации.
В процессе зарождения новых проектов и заключения выгодных соглашений непрерывно растет число деловых контактов. При этом любая процедура принятия решения подразумевает, прежде всего, речевое общение партнеров. По данным аналитиков, работающих в области безопасности, удельный вес речевой информации может составлять до 80 % в общем объеме конфиденциальных сведений и конкуренты или недоброжелатели могут в своих корыстных целях использовать полученную конфиденциальную информацию. Ее знание может позволить им оперативнее и эффективнее решать такие проблемы, как: избежать деловых отношений с недобросовестным партнером, пресечь готовящиеся невыгодные действия, шантаж. Т.е. решать проблемы наиболее коротким и быстрым путем. В такой обстановке ни один бизнесмен или руководитель не может чувствовать себя спокойно и быть уверенным в том, что его секреты надежно защищены, несмотря на все многообразие аппаратуры противодействия.
В данной курсовой работе рассматриваются проблемы организации защиты кабинета руководителя от НСД, а также анализируются возможные действия злоумышленника направленные на дестабилизацию целостности, конфиденциальности, доступности информации. Кроме этого, рассматриваются основные методы противодействия от дестабилизирующих факторов, а также даётся оценка эффективности их применения.
АКУСТИЧЕСКИЙ КАНАЛ
МЕТОДЫ СЪЁМА ИНФОРМАЦИИ
Акустический канал утечки информации - это регистрация информативного звукового сигнала из контролируемого помещения и дальнейшая трансляция его любым доступным способом. Физику явления передачи звука, наверное, все представляют из школьного курса. Закладные устройства для снятия и передачи акустической информации (ЗУ) можно классифицировать по способу регистрации и способу трансляции.
По способу регистрации ЗУ можно разбить на группы:
- с помощью микрофона;
- с помощью пьезокристаллического датчика;
- используя модуляцию отраженного луча от светоотражающих поверхностей.
По способу передачи:
- с помощью проводных линий;
- с помощью радиоканала;
- с помощью оптического канала.
Способ регистрации звука, распространяющегося по воздуху, с помощью микрофона, я думаю, пояснять не надо. Многие сталкивались с микрофонами на бытовом уровне, когда обращались с магнитофоном, да и в школьной программе принцип действия микрофона рассматривался. Отдельный разговор о двух следующих способах регистрации.
Звуковая волна, распространяясь по воздуху, воздействует своей кинетической энергией на элементы строительных конструкций и предметы, находящиеся в контролируемом помещении. Далее звуковая волна распространяется в материале, из которого выполнены конструкции и предметы с затуханием, определяемым свойством материала. Понятно, что чем плотнее материал, тем дальше и с меньшими потерями пройдёт звуковой сигнал. Так как стены помещения имеют конечную толщину, звуковая волна, с определённой амплитудой дойдёт до внешней стороны стены. Это означает, что с внешней стороны стен контролируемого помещения мы можем зарегистрировать микроколебания, создаваемые источником звука внутри помещения. Физические свойства пъезокристалла позволяют преобразовывать механические воздействия на него в электрические сигналы. Если плотно прижать пьезокристалл к поверхности стены, энергия микроколебаний, вызванная источником звука, будет действовать на него и преобразовываться в электрический сигнал. Усилив этот электрический сигнал и подав его на громкоговоритель, мы услышим то, что происходит за стеной. Этот принцип заложен в устройстве электронного стетоскопа, который применяется как для исследования помещения на возможные каналы утечки информации, так и для ведения разведки. Трансляция полученной с помощью стетоскопа звуковой информации происходит любым из приведённых выше способом.

Стетоскоп с передачей информации по радиоканалу.

Стереофонический измерительный стетоскоп.
Электронные стетоскопы применяют для съёма акустической информации через стены, потолок, пол, трубы отопления, окна контролируемого помещения.
Другой схожий способ разведки – применение эффекта отражения тонко сфокусированного луча лазерного излучателя, наведенного на окно контролируемого помещения. В данном случае оконное стекло выступает в роли мембраны большой площади, на которую действует энергия звуковой волны и приводит её в движение. Луч лазера достигает поверхности стекла и отражается. Фотоприёмник, входящий в состав прибора для съёма информации, регистрирует отражённый луч и преобразует световую энергию в электрический сигнал, усиливает этот сигнал и воспроизводит с помощью громкоговорителя или наушника. Так как стекло колеблется под воздействием звука, лазерный луч будет отражаться под разным углом, соответственно фотоприёмник будет регистрировать и преобразовывать световую энергию отражённого луча в электрические колебания с разной амплитудой. В конечном счёте, громкоговоритель прибора воспроизведёт звуковую информацию контролируемого помещения. Конечно, серийные изделия более сложные. В них, как правило, лазерный луч формируется с некоторой частотой, есть системы компенсации «дрожания», аналог антишока автомобильного CD проигрывателя и т. д. Применение таких установок не так часто, как показывают в фильмах. Во-первых, они довольно дорогие, во-вторых, в бытность СССР стёкла были «кривыми» и нормально зафиксировать отражённый луч было проблематично. Сейчас с применением евроокон, стёкла «готовы» к применению данной аппаратуры, но конструктивные особенности стеклопакета сильно ослабляют возможность прослушивания.
Ещё один способ дистанционного прослушивания упомянем вкратце. Это направленный микрофон. Конструкций таких микрофонов много, это микрофоны органного типа, параболического, дифракционная решётка. О принципах их действия можно написать очень много, но в рамках этого пособия излагать данный материал не будем. Скажу только, что «сказочные» характеристики, приведённые в ТТХ на подобные изделия, обычно завышены. Паспортные данные отражают испытания прибора в лабораторных условиях. Реально в городских условиях на оживлённой улице эффективность применения таких средств маленькая. Внешний вид направленных микрофонов органного и параболического типа известен всем по фильмам. Это «большая страшная на вид труба» - органный тип и «тарелка» - параболический вид. Интересный вид может быть у микрофона с дифракционной решёткой, см. иллюстрацию.
Направленный микрофон
"Кейс"

Назначение: контроль акустической информации на удалении от объекта с возможностью одновременной записи на диктофон.
Направленный микрофон выполнен в виде кейса. Акустическая решетка микрофона закамуфлирована в его верхней крышке. Камуфляж выполнен таким образом, что кейс не имеет внешних отличительных признаков наличия встроенного направленного микрофона как снаружи, так и внутри кейса.
Максимум диаграммы направленности микрофона расположен перпендикулярно плоскости верхней крышки кейса.
Получаемую информацию можно одновременно записывать на магнитофон “Sony 727” или “ТР-6”, который входит в комплект поставки.
Технические характеристики направленного микрофона в кейсе:
Дальность действия микрофона
до 40 м
Ослабление боковых лепестков ДН
20 дБ
Коэффициент усиления акустической решетки
+ 10 дБ
Неравномерность АЧХ
10 дБ
Питание
3 х 1,2 В АА
Габариты кейса
100 х 350 х 420 мм
Мы привели примеры методов съёма акустической информации, рассмотрим теперь методы защиты.
МЕТОДЫ ЗАЩИТЫ АКУСТИЧЕСКОГО КАНАЛА УТЕЧКИ ИНФОРМАЦИИ
1. Как защититься от внедрённых в помещение микрофонов? Очевидно, что каналом передачи информации в этом случае является воздушная среда, а мы должны создать в помещении шумовой сигнал, который излучается громкоговорителем. В быту, если встает необходимость поговорить конфиденциально, обычно люди включают магнитофон или телевизор погромче и ведут беседу. Некоторые уходят в ванную комнату и включают воду. Человек интуитивно чувствует, что надо сделать, чтобы не прослушивали. Но современные способы шумоочистки позволяют вырезать такой искусственный фон.
Чтобы очистить запись переговоров было невозможно, необходимо создать звуковой сигнал во всём речевом (и даже звуковом) диапазоне с достаточно равномерно распределённой спектральной мощностью и математически не обрабатываемого. Таким требованием отвечает БЕЛЫЙ ШУМ, а прибор – генератор белого шума. Если сигнал от такого генератора усилить и подать на громкоговорители, то получим установку пространственного зашумления в акустическом диапазоне. Так как уровень шумового сигнала в месте установки микрофона должен превышать уровень речевой информации, то надо использовать несколько звуковых колонок, расставленных вокруг собеседников. Конечно, такая защита очень не комфортна в эксплуатации, но выхода нет, можно лишь слегка улучшить ситуацию, применяя направленные, специально сфазированные излучатели и систему акустопуск для управления работой генератора. Идеальным является создание подвешенной звуконепроницаемой капсулы, где ведутся переговоры, за её пределами установить мощные шумогенераторы (такую установку показывали в фильме). Другой радикальный метод – использование установки с переговорным блоком и шумогенератором. В этом случае, при включенном шумогенераторе собеседники ведут переговоры с помощью телефонных гарнитур (наушники с микрофоном).
Как защититься от возможного съёма информации с помощью стетоскопа и лазерной установки? Необходимо сообщать вибрационные колебания элементам строительной конструкции, трубам отопления и воздухопроводам, стеклам с помощью генератора белого шума и равномерно распределить их по поверхностям зашумляемых элементов. Достигается это жёсткой установкой виброизлучателей на стены, потолок, пол, трубы, стекла защищаемого помещения и подачей на них мощного шумового сигнала.
Генератор виброакустического шума ANG-2000

Назначение:
Для создания виброакустических помех с целью защиты от проводных и радио- микрофонов, вмонтированных в стену, а также лазерных и микроволновых систем, использующих отражение от окон.
Особенности:
- два независимых выходных канала;
- регулировка по высоким и низким частотам.
Генератор виброакустического зашумления DNG-010

Назначение:
Для создания виброакустических помех с целью защиты от проводных и радио- микрофонов, вмонтированных в стену, а также лазерных и микроволновых систем, использующих отражение от окон.
Особенности: два независимых выходных канала для использования магнитодинамических и пъезодатчиков
Генератор шума VNG-012GL

Для защиты информации от утечки по акустическим и виброакустическим каналам, в том числе:
- от прямого прослушивания,
- от прослушивания с помощью электронных стетоскопов,
- от съема информации с помощью лазерных и микроволновых систем.
Отличительной особенностью изделия является наличие пяти независимых шумовых каналов и возможность регулировки их спектра в октавных или 1/3-октавных частотных полосах. Это позволяет оптимальным образом формировать частотную характеристику и уровень помехи.
Настройка параметров комплекса осуществляется с применением персонального компьютера и специальной программы. Установленная частотная характеристика помехи запоминается, и изделие работает автономно (без компьютера).
Комплект поставки изделия позволяет зашумлять стены, пол, потолок, оконные проемы, трубы тепло-водоснабжения, а также вентиляционные каналы и дверные тамбуры. В состав входят генератор шума VNG-012GL; виброизлучатели VN-GL с комплектом крепления; кабель соединительный генератора VNG-012GL с компьютером; дискета с дистрибутивом программы управления генератором "ЭКВАЛАЙЗЕР".
Комплекс виброакустической защиты БАРОН

Для защиты объектов информатизации 1 категории и противодействия техническим средствам перехвата речевой информации (стетоскопы, направленные и лазерные микрофоны, выносные микрофоны) по виброакустическим каналам (наводки речевого сигнала на стены, пол, потолок помещений, окна, трубы отопления, вентиляционные короба и воздушная звуковая волна).
Имеет четыре канала формирования помех, к каждому из которых могут подключаться вибропреобразователи пьезоэлектрического или электромагнитного типа, а также акустические системы, обеспечивающие преобразование электрического сигнала, формируемого прибором, в механические колебания в ограждающих конструкциях защищаемого помещения, а также в акустические колебания воздуха.
Сертификат Гостехкомиссии РФ.
Вибрационный излучатель на стену.

Вибрационный излучатель на стекло.
Вибрационный излучатель на раму окна.

Комплекс виброакустической защиты SP-51/A

Для активной защиты информации по виброакустическому каналу для объектов информатизации 1 категории.
Отличительные особенности:
- Наличие управляемых микропроцессором 2-х независимых формирователей цифрового шума с 40 минутной длительностью его корреляции, что исключает возможность очистки аппаратно – программными методами, в том числе систем с опорным каналом.
- Программирование параметров работы системы, в том числе управления системой дистанционно или с использованием акустопуска (система VOX).
- Постоянный контроль параметров работы системы и независимая (по каждому каналу) защита от перегрузки.
- Электромагнитные виброизлучатели системы герметичны.
Виброизлучатели для зашумления подразделяются на два вида: магнитодинамические и пьезокристаллические.
Конструкция магнитодинамического датчика напоминает конструкцию звукового динамика, у которого вместо диффузора массивная платформа. Корпус датчика навинчивается на штыревое крепление жестко, которое с помощью холодной сварки вмуровано в стену. Этим обеспечивается высокий КПД передачи колебаний датчика в защищаемую стену. Магнитодинамические датчики хорошо воспроизводят колебания в речевом диапазоне частот, генераторы для совместной с ними работы легко реализуются на интегральных усилителях, питание датчиков низковольтное.
К недостаткам конструкции магнитодинамических датчиков можно отнести высокое энергопотребление, необходимость согласования по сопротивлению с выходом генератора, наличие подвижных механических частей, что ведёт к ограниченному ресурсу работы и повышенной шумности в работе.
Конструкция пьезокристаллического датчика состоит из цилиндрического металлического корпуса, внутри которого вклеен пьезокристалл. В данном случае используется обратное свойство материала. Если на пьезокристалл подать напряжение, он начнёт сжиматься. Таким образом, при подаче на кристалл шумового сигнала он передаёт колебания корпусу датчика, а тот в свою очередь через крепление - в стену. Способы крепления у обоих видов датчиков одинаковы. К преимуществам такого типа датчиков можно отнести малые габариты, малое энергопотребление, отсутствие подвижных элементов, вследствие чего - повышенный ресурс работы и низкая шумность при работе.
К недостаткам данного типа датчиков надо отнести превышение резонансной частоты кристалла речевого диапазона, высокие - 100–120В питающие напряжения, в следствие чего - более сложную реализацию конструкции генератора.
К водопроводным трубам датчики крепятся с помощью хомутов, на стёкла окон датчики клеятся.
Радиус действия датчиков, как правило, не превышают величины 1.5-2м. При зашумлении всех плоскостей, труб, стёкол помещения приходится применять большое количество датчиков, кроме того, для создания более комфортных условий эксплуатации датчики надо располагать как можно ближе друг к другу и использовать их на малых мощностях. В результате число датчиков ещё увеличивается. Из-за большого количества датчиков, а следовательно, и увеличения применяемых генераторов виброакустическая защита помещений является одной из самых дорогих видов защит.
Разработка предложений по предотвращению утечки акустической информации во время совещания сотрудников с участием представителей сторонних организаций.
Глава 3. Разработка рекомендаций по защите акустической информации при проведении совещаний.
3.1. Организационные меры при проведении совещаний
Совещание с участием представителей сторонних организаций должно проводиться с разрешения директора, который, в свою очередь, назначает ответственного за проведение совещания.
Ответственное лицо, совместно с представителями службы безопасности и соответствующими техническими специалистами проводит необходимые организационные и технические мероприятия, направленные на обеспечение сохранения секретности обсуждаемых вопросов.
Очередность рассмотрения вопросов, вынесенных на совещание, должна исключать участие лиц, не имеющих отношение к рассматриваемым вопросам. Ответственное лицо должно составить проект программы совещания и список участников, в котором указывается фамилия, имя отчество, место работы, должность и вопросы, в обсуждении которых он может принимать участие.
Участники пропускаются на совещание по спискам при предъявлении документов, удостоверяющих личность.
Меры при защите информации при проведении совещаний с участием представителей сторонних организаций направлены на подготовку соответствующего помещения и предотвращение утечки информации из него, с учетом особенностей проводимого совещания.
Целесообразно и обоснованно применение следующих организационных мер:
1. перед проведением совещания необходимо проводить визуальный осмотр помещения на предмет выявления закладных устройств. Осмотр должен проводиться систематизировано и тщательно, обращая внимание на любую мелочь, на первый взгляд незначительную: наличие посторонних предметов, бытовой аппаратуры или предметов интерьера. Осмотр по возможности, должен проводиться сотрудником службы безопасности и человеком, хорошо знакомым с обычной обстановкой зала, например, сотрудником охраны.
2. непосредственно перед проведением совещания охрана должна осматривать прилегающие к комнате для совещаний помещения, на предмет удаления из них сотрудников или посторонних лиц, которые могут вести подслушивание непосредственно через систему вентиляционных коммуникаций или через стену при помощи специальной аппаратуры; закрывать эти помещения на время проведения совещания и вести контроль за доступом в них.
3. количество лиц, участвующих в конфиденциальных переговорах должно быть ограничено до минимума;
4. вход посторонних лиц во время проведения совещания должен быть запрещен;
5. должна быть четко разработана охрана выделенного помещения во время совещания, а также наблюдение за обстановкой на этаже. Во время проведения закрытого совещания необходимо не допускать близко к дверям комнаты никого из посторонних лиц или сотрудников организации. Стоя под дверью, или поблизости от нее, злоумышленник может подслушать то, о чем говориться в комнате. Особенно это вероятно в те моменты, когда кто-то входит или выходит из зала, так как на то время, пока дверь остается открытой, разборчивость речи резко повышается. Помимо этого, выходя или входя, человек может не совсем плотно закрыть за собой дверь, что также повысит разборчивость речи. Для реализации этой меры необходимо, чтобы в течение всего времени, которое длится совещание, у двери комнаты дежурил охранник, осуществляющий контроль за дверью и коридором около входа в комнату, а также следить за тем, чтобы никто из посторонних не проник внутрь.
Для большей надежности, у дверей зала должен дежурить охранник из постоянного штата организации, так как подобное дежурство создает возможность подслушивания непосредственно охранником.
6. по возможности проведение совещаний переносить на нерабочее время;
7. любые работы в комнате, проводимые вне времени проведения конфиденциальных совещаний, например: уборка, ремонт бытовой техники, мелкий косметический ремонт, должен проводиться в обязательном присутствии сотрудника службы безопасности. Наличие этих сотрудников поможет обезопасить помещение от установки подслушивающих устройств сотрудниками организации или же посторонними лицами (электромантер, рабочие, уборщица и так далее).
8. после проведения совещания комната должна тщательно осматриваться, закрываться и опечатываться
9. между совещаниями комната должна быть закрыта и опечатана ответственным лицом. Ключи от комнаты должны быть переданы дежурной смене охраны под расписку и храниться в комнате охраны, доступ к ним должен быть регламентирован руководством.
Перечисленные меры организационной защиты информации в комнате для совещаний считаются весьма действенными и не несут серьезных материальных затрат или проблем с персоналом и могут применяться как отдельно, так и совместно, что позволит значительно повысить степень защиты информации рассматриваемого объекта.
3.2. Технические меры по защите акустической информации в комнате для совещаний.
Для осуществления полной защищенности акустической информации при проведении совещания в рассматриваемой организации, необходимо применение в комплексе последующих предложенных рекомендаций.
В предложенной для рассмотрения комнате для проведения совещаний можно выделить следующие каналы утечки акустической информации из помещения:
1. окно;
2. стены;
3. пол, потолок;
4. дверь;
5. батарея центрального отопления.
Акустическая защита помещения для совещаний является особенно важной, так как при проведении совещания акустическая информация относится к наиболее конфиденциальной.
Для защиты речевой информации применяется комплекс активных и пассивных средств:
1. энергетическое скрытие путем:
- звукоизоляции акустического сигнала;
- звукопоглощения акустической волны;
- глушения акустических сигналов;
- зашумления помещения или твердой среды распространения другими широкополосными звуками, которые обеспечивают маскировку акустических сигналов.
2. обнаружение, локализация и изъятие закладных устройств.
Пассивные способы защиты
К пассивным методам относится звукоизоляция и экранирование.
В условиях совещания неуместно уменьшение громкости речи, поэтому для защиты такой информации следует применять звукоизоляцию, звукопоглощение и глушение звука.
Звукоизоляция локализует источники акустических сигналов в замкнутом пространстве, в данном случае в комнате для совещаний. Основное требование к звукоизоляции: за пределами комнаты соотношение сигналов/помеха не должно превышать максимально допустимые значения, исключающие добывание информации злоумышленниками.
Применительно к рассматриваемому объекту, необходима звукоизоляция оконных проемов дверей, а также использование звукоизолирующих покрытий.
Наиболее слабыми элементами помещения являются окна и двери. Двери обладают существенно меньшими по сравнению с другими ограждающими конструкциями поверхностными плотностями полотен и трудно уплотняемыми зазорами и щелями. Стандартные двери не удовлетворяют требованиям по защите информации в помещениях от прослушивания, поэтому следует применять двери с повышенной звукоизоляцией, путем применения дополнительных уплотняющих прокладок по периметру притвора дверей. Применение уплотняющих прокладок повышает звукоизоляцию дверей на 5-10 дБ. Однако в результате эксплуатации двери, резиновые прокладки изнашиваются, стираются, затвердевают. Эти факторы ведут к нарушению звукоизоляции.
Следовательно, для защиты информации в рассматриваемом объекте, целесообразно применять специально разработанные звукоизолирующие двери, либо двойные двери с тамбуром. При этом, целесообразно применить утяжеленные полотна дверей, обить их материалами со слоями ваты или войлока, использовать дополнительные уплотняющие прокладки, герме тирующие валики и так далее. При организации тамбуров дверей, звукоизоляцию повысит уплотнение щелей над полом при отсутствии порогов, а также облицовка внутренних поверхностей тамбура звукопоглощающими покрытиями.
Окна, занимающие по условиям освещенности достаточно большие площади ограждающих конструкций помещений, также как и двери, являются элементом среды распространения потенциальных каналов утечки информации.
Из приведенных данных следует, что звукоизоляция одинарного остекления соизмерима со звукоизоляцией одинарных дверей и недостаточна для надежной защиты информации в помещении. Таким образом, для повышения звукоизоляции рационально использование окон с остеклением в раздельных переплетах с шириной воздушного промежутка более 200 мм или с тройным комбинированным остеклением.
Кроме окон и дверей, утечка акустической информации в рассматриваемом помещении возможна по обогревательным батареям и вентиляции. На вентиляционные отверстия необходимо установить экраны, таким образом, чтобы экран изготовленный, например, из алюминия и обитый внутри пенопластом, был размером на несколько сантиметров больше вентиляционного отверстия и был установлен на расстоянии 10 см от отверстия.
Для предотвращения утечки информации по отопительным системам необходимо использование экранирования батарей. Экраны изготовляются в основном из алюминия и покрываются сверху слоем пенопласта или какого-либо другого изолирующего материала.
Звукоизоляцию в помещении можно повысить применив звукопоглощающие материалы.
Так как для достижения наибольшей эффективности снижения уровня опасного сигнала площадь акустической отделки помещений должна составлять не менее 60%, то для защиты помещения лучше всего применить для отделки стен и потолка панели из пенопласта (с зазором 3 мм).
Для более надежной защиты информации рекомендуется установка подвесного потолка (с отделкой панелями из пенопласта).
Кроме пассивных методов, рассмотренных выше, целесообразно применение и активных методов, например, генераторы шума.
Одним из распространенных генератором шума является устройство “Порог-2М” НИИСТ МВД России, предназначенный для защиты служебных помещений от подслушивания при помощи радиотехнических, лазерных, акустических и других средств. Позволяет защищать от утечки информации через стены, окна, трубы отопления и водоснабжения, вентиляционные колодцы и т. п.
Устройство работает в режиме “дежурного приема”, то есть включается только в случае, если в защищенном помещении начинается разговор. [3]
Другим, аналогичным по назначению устройством, является изделие “Кабинет” СНПО “Элерон”, предназначенное для предотвращения прослушивания речевой информации за пределами защищаемого помещения. Принцип действия основан на создании маскирующего вибрационного шума в ограждающих конструкциях и акустического шума в объеме помещения и вне его.
В целом, как показывает практика [1], применение описанных генераторов шума не нарушает комфортности при работе в защищенном с их помощью помещении. Однако, с точки зрения полной комфортности работы человека в помещении, по мнению специалистов [4], является комплекс виброакустической защиты “Барон”, в котором реализованы возможности по оптимальной настройке помехового сигнала. Имеющаяся в комплексе система настройки спектра помехи (эквалайзер) позволяет обеспечить необходимое превышение уровня помехи над уровнем речевого сигнала при минимальном воздействии на людей, то есть создать оптимальную помеху. Использование именно этого генератора рекомендуется для рассматриваемой комнаты для совещаний.
Технические меры по защите информации включают в себя три основных направления:
- обнаружение, локализация и изъятие закладных устройств;
- подавление опасных сигналов с речевой информации;
- повышение звукоизоляции помещения.
Для предотвращения подслушивания с помощью закладных устройств перед обсуждением комплексных работ необходимо проведение углубленной “чистки” помещения. Она должна проводится специалистами службы безопасности организации. Приглашение сотрудников специализированных организаций, для проведения подобных мероприятий нежелательно.
После проведения “чистки” помещение должно опечатываться и допуск в него должен быть разрешен лишь в сопровождении сотрудника службы безопасности.
Для обеспечения защиты от закладных устройств в комнате для проведения совещаний необходимо:
- не только проверять помещение в нерабочее время на предмет оставленных в нем радиозакладок, но также вести оперативную проверку обстановки во время проведения конфиденциального совещания на предмет выявления радиозакладных устройств, находящихся на теле человека и в предметах одежды или только что установленных;
- необходимо не только выявление наличия закладки, но и установление с максимально возможной точностью ее местонахождения, с целью дальнейшего ее изъятия;
- в случае обнаружения закладки во время проведения совещания, нецелесообразно немедленно прекращать его и начинать заниматься поиском злоумышленника. Это может создать неделовую атмосферу у участников совещания, вызвать напряженность подозрительность друг к другу, бросить тень на невиновного человека. Это также может насторожить злоумышленника и спровоцировать его на то, чтобы избавиться от закладки. В этом случае, необходимо применение активных мер защиты – пространственного зашумления комнаты.
- по окончании совещания необходимо провести непосредственное обследование подозреваемого. Именно для этого необходимо применение аппаратуры, позволяющей максимально точно определить местонахождение закладки и ее потенциального обладателя.
Защита от радиозакладок возможна путем непосредственного изъятия закладки или создания активных радиоэлектронных помех в диапазоне частот закладки.
Изъятие закладки не составляет труда вне времени проведения совещаний. В противном же случае, целесообразно использование метода создания активных радиоэлектронных помех.
Для обнаружения работающего диктофона, спрятанного на теле одного из участников совещания, наиболее эффективно офисное устройство PRD 018, который комплектуется восемнадцатью датчиками, которые размещаются под столешницей стола в комнате. Данное устройство локализует местонахождение диктофона, а соответственно и указывает его обладателя.
Злоумышленник может получить конфиденциальную информацию через окна. Во избежании утечки акустической информации с помощью лазерного устройства съема информации со стекла, с помощью закладных устройств, а также с использованием направленных микрофонов, рекомендуется покрыть окна металлизированной пленкой.
Применение всего комплекса перечисленных организационных и технических мер по защите, обеспечит надлежащий уровень защиты акустической информации, циркулирующей в комнате для проведения совещания.
Обеспечение безопасности при проведении совещаний с участием представителей сторонних организаций имеет ряд особенностей, вызванных большим ущербом в случае утечки информации, разнородностью состава и относительно большим количеством участников, высокой степенью концентрации и обобщения сведений, большой вероятностью проноса диктофонов и радиозакладок участниками совещания.
Данные особенности предъявляют повышенные требования к подготовке помещения, способам и средствам защиты информации в ходе совещания.
На основании результатов проведенной работы можно сделать следующие выводы:
1. информацию, циркулирующую в рассматриваемом помещении, можно разделить на речевую и на магнитных носителях.
2. в качестве основных угроз безопасности информации во время проведения совещания выступают:
- подслушивание и несанкционированная запись речевой информации с помощью закладных устройств, систем лазерного подслушивания, стетоскопов, диктофонов;
- регистрация на неконтролируемой территории с помощью радиомикрофонов участниками, выполняющими агентурное задание;
- перехват электромагнитных излучений при работе звукозаписывающих устройств и электроприборов.
1. для предотвращения утечки информации предлагается комплекс организационных и технических мер перед проведением совещания и в ходе совещания.
В качестве основных организационных мер рекомендуется:
- проверка помещения перед проведение совещания, с целью оценки состояния обеспечения безопасности информации;
- управление допуском участников совещания в помещение;
- организация наблюдения за входом в выделенное помещение и окружающей обстановкой в ходе проведения совещания.
2. основными средствами обеспечения защиты акустической информации при проведении совещания являются:
- установка различных генераторов шума, мониторинг помещения на предмет наличия закладных устройств, звукоизоляция.
3. в качестве основных технических средств защиты информации были предложены следующие меры:
- проведение “чистки” помещения на предмет наличия закладок перед проведением совещаний;
- использование ковровых покрытий для повышения звукоизоляции;
- обивка звукопоглощающим материалом дверей помещения ;
- заделка имеющихся в окнах щелей звукопоглощающим материалом;
- установка в помещении генераторов шума “Барон”.
Приложение 1. Схема комнаты для проведения совещаний.
ЗАЩИТА ВСПОМОГАТЕЛЬНЫХ ТЕХНИЧЕСКИХ СРЕДСТВ И СИСТЕМ ОТ УТЕЧКИ ПО НИМ РЕЧЕВОЙ ИНФОРМАЦИИ
Для обсуждения информации ограниченного доступа (совещаний, обсуждений, конференций, переговоров и т.п.) используются специальные помещения (служебные кабинеты, актовые залы, конференц-залы и т.д.), которые называются выделенными, или защищаемыми, помещениями.
В выделенных помещениях часто устанавливаются вспомогательные технические средства и системы (ВТСС), которые непосредственно не задействуются для обработки конфиденциальной информации. Это, как правило, аналоговые и цифровые телефонные аппараты управленческих и городских АТС, громкоговорители системы оповещения, одно- и трехпрограммные приемники, вторичные электрочасы, датчики средств охранной и пожарной сигнализации и т.п.
В случае если соединительные линии ВТСС выходят за границы контролируемой зоны, то возможен перехват разговоров, ведущихся в выделенных помещениях, по акустоэлектрическим (пассивному и активному) каналам утечки информации. Наиболее часто к таким ВТСС относятся телефонные аппараты городских АТС.
Телефонный аппарат имеет несколько элементов, имеющих способность преобразовывать акустические колебания в электрические, то есть обладающих “микрофонным эффектом”. К ним относятся: звонковая цепь, телефонный и, конечно, микрофонный капсюли. За счет акустоэлектрических преобразований в этих элементах возникают информационные (опасные) сигналы.
При положенной трубке телефонный и микрофонный капсюли гальванически отключены от телефонной линии и при подключении к ней специальных высокочувствительных низкочастотных усилителей возможен перехват опасных сигналов, возникающих в элементах только звонковой цепи. Амплитуда этих опасных сигналов, как правило, не превышает долей мВ.
При использовании для съема информации метода “высокочастотного навязывания”, несмотря на гальваническое отключение микрофона от телефонной линии, сигнал навязывания благодаря высокой частоте проходит в микрофонную цепь и модулируется по амплитуде информационным сигналом. Следовательно, в телефонном аппарате необходимо защищать как звонковую цепь, так и цепь микрофона.
Для защиты телефонного аппарата от утечки акустической (речевой) информации по акустоэлектрическому каналу используются пассивные, активные и комбинированные методы и средства. Технические характеристики некоторых средств защиты приведены в табл. 1 [1 – 5]. Как пассивные, так и активные средства защиты имеют свои характерные преимущества и недостатки.
Достоинствами пассивных средств защиты являются:
относительная простота электрической схемы и малые габариты;
для них не требуется источников электропитания;
они включаются в разрыв цепей ВТСС и поэтому выход из строя некоторых элементов электрической схемы обнаруживается в процессе эксплуатации;
относительно низкая стоимость.
Активные средства защиты, по сравнению с пассивными, построены по более сложной схеме и, следовательно, имеют более высокую стоимость. Они требуют при работе использования электропитания. Но при этом активные средства защиты, как правило, более эффективны.
Комбинированные средства защиты построены на основе комбинации пассивных и активных средств.
К наиболее широко применяемым пассивным методам защиты относятся:
ограничение сигналов малой амплитуды;
фильтрация сигналов высокой частоты (сигналов “высокочастотного навязывания”;
отключение преобразователей (источников) сигналов.
Возможность ограничения сигналов малой амплитуды основывается на нелинейных свойствах полупроводниковых элементов, главным образом диодов. В схеме ограничителя малых амплитуд используются два встречно-включенных диода (диодный мост), имеющих вольт-амперную характеристику (зависимость значения протекающего по диоду электрического тока от приложенного к нему напряжения), показанную на рис. 1. Такие диоды имеют сопротивление для токов малой амплитуды - сотни кОм, а для токов большой амплитуды (полезных сигналов) - единицы Ом и менее, что исключает прохождение опасных сигналов малой амплитуды в телефонную линию и практически не оказывает влияние на прохождение через диоды полезных сигналов. В схемах защиты, как правило, устанавливаются диоды с напряжением открытия 0,1- 0,2 В.
Диодные ограничители включаются последовательно в линию звонка (рис. 2а) или непосредственно в каждую из телефонных линий (рис. 2б).

Рис. 1. Вольт-амперная характеристика диодов, используемых в схемах ограничителей малых амплитуд

а)

б)
Рис. 2. Установка диодных ограничителей в линии электрозвонка (а) и телефонной линии (б)
К простейшим изделиям, в которых реализован метод ограничения сигналов малой амплитуды, является устройство защиты аналоговых двухпроводных телефонных аппаратов (ТА) “Корунд” [2, 4]. Диодные ограничители устройства обеспечивают подавление низкочастотных сигналов малой амплитуды (Uc ? 50 мВ) на частоте 1 кГц в сторону абонентской линии (АТС) более чем на 60 дБ. При ведении телефонных переговоров устройство практически не влияет на качество разговора (затухание речевых сигналов менее 2 дБ).
Устройство защиты “Корунд” имеет небольшие размеры (40х13х10 мм) и устанавливается внутри евророзеток и безобрывных розеток типа РТШ-4.
Метод фильтрации высокочастотных сигналов используется главным образом для защиты телефонных аппаратов от “высокочастотного навязывания”.
Простейшим фильтром является конденсатор С, устанавливаемый в звонковую цепь телефонных аппаратов с электромеханическим звонком (рис. 2а) и в микрофонную цепь всех аппаратов (рис. 3) [1]. Емкость конденсаторов выбирается такой величины, чтобы зашунтировать сигнал высокой частоты, подаваемый в линию и не оказывать существенного влияния на качество телефонных разговоров. Обычно для установки в звонковую цепь используются конденсаторы емкостью 1 мкФ, а для установки в микрофонную цепь - емкостью 0,01 мкФ [1].
Более сложное фильтрующее устройство представляет собой многозвенный LC-фильтр нижних частот (рис. 4) [1].

Рис. 3. Установка конденсатора С в микрофонную цепь

Рис. 4. Схема устройства защиты двухпроводной линии “Гранит-8”
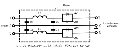
Для защиты телефонных аппаратов от утечки информации по акустоэлектрическим каналам, как правило, используются устройства, сочетающие в себе фильтр нижних частот и ограничитель малых сигналов. К таким устройствам относятся: устройства типа “Гранит-8” и др.
Устройство защиты “Гранит-8” предназначено для обеспечения защиты речевой информации от утечки по акустоэлектрическим каналам через двухпроводные линии открытых телефонных сетей, сетей радиотрансляции, систем директорской, диспетчерской связи и рассчитано на круглосуточную работу в автоматическом режиме под непрерывной нагрузкой в линиях с сопротивлением 600 Ом ±10%.
Принципиальная схема устройства защиты “Гранит-8” представлена на рис. 4 [1]. Устройство представляет собой четырехполюсник, состоящий из двух П-образных индуктивно-емкостных звеньев и двух диодных мостов [3].
Диодный мост схемы является входом изделия и предназначен для подавления низкочастотных сигналов малой амплитуды, возникающих в телефонном аппарате при акустоэлектрических преобразованиях (вносимое затухание в полосе частот речевых сигналов 0,3 - 4 кГц при уровне входного сигнала Uc ? 100 мВ в сторону абонентской линии (АТС) не менее 60 дБ) [3].
Выходным звеном четырехполюсника является П-образный LC-фильтр нижних частот. Фильтр предназначен для подавления высокочастотных сигналов, подаваемых в линию аппаратурой “высокочастотного навязывания” (вносимое затухание на частоте 100 кГц при уровне входного сигнала Uc= 5 В в сторону телефонного аппарата не менее 10 дБ) [3].
В диапазоне частот от 150 Гц до 10 кГц затухание речевых сигналов (Uc = 5 В) не превышает 3 дБ и поэтому не оказывает существенного влияния на качество связи.
Конструктивно устройство может быть выполнено в различных вариантах. На фото 1 представлено изделие “Гранит-8”, выполненное в металлическом корпусе, в котором под крышкой корпуса закреплена печатная плата изделия. На фото 2 представлен внешний вид устройства защиты “Гранит-VIII”, в котором все элементы схемы защищены электростатическим экраном.

а) - вид сверху;

б) – вид со снятой крышкой
Фото 1. Внешний вид устройства защиты “Гранит-8”

а) - вид сверху;

б) – вид со снятой крышкой
Фото 2. Внешний вид устройства защиты “Гранит-VIII”
Устройство подключается в разрыв телефонной линии при помощи клемм, расположенных на печатной плате. Крайние клеммы (фото 2) предназначены для подключения телефонных проводов, а центральные – для подключения заземления.
При установке устройства крайне важно правильно его подключить к телефонной линии: к клеммам “вход” подключаются телефонный провод, идущий от телефонного аппарата, а к клеммам “выход” – телефонная линия, идущая к АТС. При неправильном подключении устройства, оно не обеспечивает защиту телефонного аппарата от утечки информации по активному акустоэлектрическому каналу (при использовании для перехвата информации метода “высокочастотного навязывания”).
Отключение преобразователей (источников) сигналов от линии при положенной трубке телефонного аппарата является наиболее эффективным методом защиты информации.
Самый простой способ реализации этого метода защиты заключается в установке в корпусе телефонного аппарата или телефонной линии специального ручного переключателя. Более удобным в эксплуатации является установка в телефонной линии специального устройства защиты, автоматически (без участия оператора) отключающего телефонный аппарат от линии при положенной телефонной трубке.
К типовым устройствам, реализующим данный метод защиты, относится устройство защиты двухпроводных телефонных линий связи “Барьер-М1”. В его состав входят [5]:
электронный коммутатор;
схема анализа состояния телефонного аппарата, наличия вызывных сигналов и управления коммутатором;
схема защиты телефонного аппарата от воздействия высоковольтных импульсов.
Устройство работает в следующих режимах: дежурном, передачи сигналов вызова и рабочем. В дежурном режиме (при положенной телефонной трубке) телефонный аппарат отключен от линии, и устройство находится в режиме анализа положения телефонной трубки и наличия сигналов вызова. При этом сопротивление развязки между телефонным аппаратом и линией АТС составляет не менее 20 МОм. Напряжение на выходе устройства в дежурном приеме составляет 5 - 7 В [5].
При получении сигналов вызова устройство переходит в режим передачи сигналов вызова, при котором через электронный коммутатор телефонный аппарат подключается к линии. Подключение осуществляется только на время действия сигналов вызова.
При поднятии телефонной трубки устройство переходит в рабочий режим и телефонный аппарат подключается к линии. Переход устройства из дежурного в рабочий режим осуществляется при токе в телефонной линии не менее 5 мА [5].
Изделие устанавливается в разрыв телефонной линии, как правило, при выходе ее из выделенного (защищаемого) помещения или в распределительном щитке (кроссе), находящемся в пределах контролируемой зоны.
Электропитание устройства осуществляется от телефонной линии при токе потребления в дежурном режиме не более 0,3 мА [5].
Устройство “Барьер-М1” обеспечивает защиту телефонного аппарата не только от утечки информации по акустоэлектрическому каналу, но также и его защиту от воздействия высоковольтных импульсов (напряжением до 1 000 В и длительностью до 100 мкс) [5].
Устройство защиты МП-8 “Сигма-РА” также реализует метод защиты информации, основанный на отключении преобразователей (источников) сигналов от линии, и предназначено для непрерывной круглосуточной работы [4].
Принцип действия устройства основан на механическом отключении телефонного аппарата от подходящей телефонной линии аналоговой АТС в режиме “ожидания” (при положенной телефонной трубке). При снятии абонентом телефонной трубки с рычагов происходит подключение контактов телефонного аппарата к телефонной линии, что обеспечивает ведение двустороннего разговора.
Сигнал “вызов” (звонок) поступает из телефонной линии в специальную автономную схему устройства через оптоэлектронную развязку. Это обеспечивает одностороннюю передачу сигналов от телефонной линии и абсолютно исключает любую утечку информации из помещения через телефонную линию (при положенной телефонной трубке в режиме ожидания вызова входное сопротивление устройства со стороны АТС стремится к бесконечности (R ® ?)).
Конструктивно устройство выполнено в виде отдельного блока, который коротким кабелем (до 15 см) подключается к телефонному аппарату, а длинным (~ 1,5 м) – к евророзетке. Устройство имеет автономный источник питания (микробатарейку 12 В, которая устанавливается внутри блока). Для контроля за состоянием работоспособности батарейки используется специальный индикатор [4].
Для защиты телефонных аппаратов цифровых АТС используется устройство защиты МП-7 “Гвард” [4]. При положенной на рычаг телефонной трубке устройство отключает от линии не только микрофон и телефон телефонной трубки, но также микрофон и динамик громкоговорящей связи (ГГС), что исключает возможность прослушивания разговоров в помещении внутренним абонентом АТС при использовании им функции акустического контроля помещения (часто называемой “полицейским режимом”), реализуемого на всех цифровых мини-АТС.
Активные методы защиты от утечки информации по акустоэлектрическому каналу предусматривают подачу в линию при положенной телефонной трубке маскирующего сигнала (наиболее часто ? типа “белого шума”) речевого диапазона частот (как правило, основная мощность помехи сосредоточена в диапазоне частот стандартного телефонного канала: 300 - 3 400 Гц). При снятии трубки телефонного аппарата подача в линию шумового сигнала прекращается. К устройствам, реализующим активные методы защиты, относится генератор шума “Гранит-12”.
Наиболее часто используются устройства защиты комбинированного типа, реализующие одновременно несколько методов защиты. К таким устройствам относятся, например, устройства защиты МП-1А и МП-1Ц [4].
Устройства защиты МП-1А и МП-1Ц предназначены для защиты телефонных аппаратов абонентских линий аналоговых и цифровых АТС соответственно в режиме ожидания вызова от утечки информации по пассивному и активному акустоэлектрическим каналам. В них одновременно используются как пассивные, так и активные методы защиты.
Устройства содержат генератор шума, нелинейные цепи и узел подавления сигналов малого уровня. Они отличаются малыми габаритами (размеры 32х15х13 мм) и низкой потребляемой мощностью по сравнению с ближайшими прототипами типа “Гранит-8,11,12”, что позволяет размещать их внутри телефонных розеток [2, 4].
Вносимое затухание в сторону абонентской линии (АТС) в полосе речевых частот для сигналов малого уровня составляет для МП-1А не менее 68 дБ, а для МП-1Ц - не менее 43 дБ. При этом ток потребления составляет не менее 0,42 А [4]. В режиме ожидания вызова в телефонную линию подается шумовой сигнал амплитудой не менее 32 мВ в диапазонах 0,02 – 30 кГц для МП-1А и 0,02 – 300 кГц - для МП-1Ц [4]. Акустическая чувствительность устройств составляет не более 0,1 мкВ/Па.
Для защиты приемников городской ретрансляционной сети, громкоговорителей системы оповещения используются устройства защиты МП-2 и МП-5 [4].
Устройство защиты МП-2 предназначено для защиты информации от утечки по трансляционной сети при акустическом воздействии на трехпрограммный приемник. Устройство содержит генератор шума, узел контроля и реле, с помощью которого обеспечивается введение шумового сигнала в цепь трансляции, а также отключение приемника от трансляционной сети при пропадании напряжения питания. Контроль наличия шумового сигнала осуществляется с помощью светодиода, который гаснет при пропадании шумового сигнала.
Устройство МП-2 имеет габаритные размеры изделия 51х56 х13 мм и массу не более 70 г [4].
Устройство защиты МП-5 (аналог “Гранит-9”) предназначено для защиты громкоговорителей системы оповещения или однопрограммных приемников от утечки речевой информации через них по акустоэлектрическим каналам.
Устройство МП-5 содержит: узел подключения громкоговорителя к линии, который срабатывает при приеме информационного сообщения, анализатор поступающего на вход сигнала и узел управления.
При отсутствии сигналов оповещения (или сигналов трансляции) громкоговоритель отключается от линии с помощью контактов реле. При поступлении сигнала оповещения громкоговоритель подключается к линии (время срабатывания изделия при поступлении информационного сигнала составляет не более 5,0 мс). Время удержания подключенного состояния громкоговорителя на время пауз составляет от 1 до 9 с. При этих параметрах устройство МП-5 не влияет на качество сообщения [4].
При отключенном громкоговорителе устройство обеспечивают подавление электрических сигналов в полосе частот 0,02 - 10 кГц, возникающих вследствие акустоэлектрического преобразования акустических сигналов, до попадания их в трансляционную линию не менее чем на 90 дБ [4]. Акустическая чувствительность устройства не более 0,1 мкВ/Па.
Питание устройства может осуществляться от внешнего источника напряжением 12 В и/или батареи типа “Крона”. Время непрерывной работы устройства от одной батареи типа “Крона” при приеме информационного сигнала составляет не менее 100 ч. Устройство имеет габаритные размеры 120х55х23 мм и массу 0,2 кг [4].
Для защиты вторичных часов от утечки речевой информации через них по акустоэлектрическим каналам используются устройства защиты типа “Гранит-6” (фото 3), МП-4 и др.
Устройство защиты МП-4 (аналог “Гранит-6”) содержит генератор шума и схему контроля, с помощью которых обеспечивается введение шумового сигнала в цепь вторичных часов и контроль его наличия [4]. Схема оптического контроля работы срабатывает через каждые 2 мин и индицирует исправную работу с помощью кратковременного свечения светодиода.

а) - вид сверху;

б) – вид со снятой крышкой
Фото 3. Внешний вид устройства защиты “Гранит-6”:
Напряжение шумового сигнала на выходе устройства в речевой полосе частот без нагрузки составляет не менее 50 мВ. Устройство питается от встроенной гальванической батареи. Ток, потребляемый устройством, не превышает 70 мкА. Устройство имеет габаритные размеры 84х60х20 мм и массу не более 0,3 кг [4].
1.Анализ объекта защиты.
Объект защиты представляет собой кабинет руководителя, который
расположен на втором этаже здания ,с трёх сторон окружён задействованными помещениями в которых расположены разные отделы организации. За одной из стен (в которой расположено окно) находится улица нас.пункта. Объект предназначен для осуществления управления предприятием, проведение совещаний и переговоров.
Краткое описание содержимого комнаты.
Заявляемая категория объекта:
.....3(секретно)
Этаж: .....2
Площадь (кв. м), высота потолков (м): каб. - 48 м2, (6*8 м), h - 3,30 м
- подвесной (воздушный зазор) потолок гипсолитовый, зазор h - 0,3 м
Перекрытия (потолок, пол), толщина (мм): железобетонные перекрытия
Стеновые перегородки: бетон толщина 50 мм
Стены наружные: кирпичные
- толщина (73см)
- кирпич керамический пустотелый
- экранирование и штукатурка: присутствует
- другие материалы: с внутренней стороны стены отделаны под «евростандарт»
Окна:
- размер проема: .....200*80 см
- количество проемов: .....2
- наличие пленок (назначение, тип, марка) .....отсутствуют
- тип окна (с двойным утолщенным стеклом): толщина стекла 6 мм (ОРС 18-15 В)
Двери :
- размер проема: одностворчатые 220*90 см
- двери: 220*90 см одностворчатые
- тип: легкая одинарная деревянная без уплотнений, замок электронный
Описание смежных помещений:
-назначение, характер проводимых работ: сверху: бухгалтерия, снизу: отдел кадров, север - коридор, юг - трасса, запад - приемная, восток – внешняя стена.
-наличие в них технических средств ..... передачи и обработки данных: ПЭВМ, телефоны.
Система электропитания (освещение):
- сеть: 220 В / 50 Гц
- тип светильников и их количество: галогеновые потолочные светильники (6 шт.)
Система заземления: имеется
Системы сигнализации (тип): имеется: пожарная (фотооптические детекторы) - 2 шт., охранная (акустические детекторы) - 6 шт.
Система вентиляции (тип): приточно-вытяжная, с мех. побуждением, проем 250*160 мм
Система отопления:
-центральное водяное: водяное, три стояка, проходящие транзитом снизу вверх
- наличие экранов на батареях: декоративное укрытие
Телефонные линии:
- количество и тип ТА: .....2 шт., (Voice Coder-2400- 1 шт), Panasonic - беспроводной 900 МГц )
- городская сеть 1 шт., два параллельных аппарата (обычный и беспроводной)
- тип розеток: евророзетка.
- тип проводки: двухпроводные линии, «хлорка»
Оргтехника: ПЭВМ в полной конфигурации - 1 шт.
Бытовая техника:
- телевизор
- видеомагнитофон
Описание обстановки вокруг объекта:
Объект расположен в центре города, окружен с трех сторон постройками различного назначения и ведомственной принадлежности, с 4-той стороны трассой. Слева от объекта расположено двухэтажное здание, в котором размещен спортивный магазин. Расстояние между зданиями составляет около 10-20 м. Справа от объекта на расстоянии 30-35 м расположен двухэтажный жилой дом.
Схематический план объекта защиты:
1.Телефонные аппараты (обычный и беспроводной).
2.ПК.
3.Окна.
4.Стол для переговоров.
5.Входные двери.
6.Розетки.
7.Телефонная розетка.
8.Место руководителя.
9.Тлевизор, видеомагнитофон.
2.Расчет контролируемой зоны объекта
Контролируемая зона – это территория объекта, на которой исключено неконтролируемое пребывания лиц не имеющие постоянного или разового доступа.
Контролируемая зона может ограничиваться периметром охраняемой территорией частично, охраняемой территорией охватывающей здания и сооружения, в которых проводятся закрытые мероприятия, частью зданий, комнаты, кабинеты, в которых проводятся закрытые мероприятия. Контролируемая зона может устанавливаться больше чем охраняемая территория, при этом обеспечивающая постоянный контроль за не охраняемой частью территории. Постоянная контролируемая зона – это зона границы, которой устанавливается на длительный срок. Временная зона – это зона, устанавливаемая для проведения закрытых мероприятий разового характера.
Согласно нормативным документам объекты СО делятся на универсальные объекты, которые в свою очередь делятся на три категории. Согласно требованиям НДТЗИ должна обеспечиваться контролируемая зона следующих размеров.
Первой категории универсального объекта, требуется 50 метров контролируемой зоны. Второй категории объекта, требуется 30 метров, а третей категории объектов требуется 15 метров контролируемой зоны.
Также требуется определенный размер контролируемой зоны для разных типов специализированных объектов таблица №1.
Таблица№1
Тип СО КЗ (м)
1 250
2 100
3 50
4 45
5 40
6 35
7 30
8 20
9 15
При выборе мест для размещения объектов необходимо строго
соблюдать требования по обеспечению размера КЗ.
Требования размеров КЗ по защите перехвата побочных электромагнитных излучений.
Если на объекте невозможно обеспечить размер КЗ согласно
ДНТЗИ, либо если для размещения отдельной ОТС требуется КЗ
больше чем R то необходимо разделить ОТС на две группы устройств.
a) Устройства прошедшие специальное исследование и удовлетворяющие реальным размерам КЗ объекта.
b) Устройства прошедшие специальное исследование, но не удовлетворяющие реальным размерам КЗ объекта.
Для второй группы необходимо принять дополнительные меры такие как, размещение ОТС в экранированных помещений, кожухах или применение локальных экранов, что обеспечивает защиту в диапазоне частот от 0,15-1000 Мгц.
Требования размеров КЗ по защите от перехвата наводок на вспомогательных технических средствах.
При установки ВТС имеющие выход за пределы КЗ, помещения объектов необходимо обеспечить расстоянием ни менее указанных в нормах ДНТЗИ.
Минимальные допустимые расстояния для универсальных средств.
Категория универсальногообъекта Минимальные допустимые расстояния до ВТС
От техническихсредств ВТС (м) От не экранированныхпроводов, кабелей ВТС(м) От экранированныхпроводов, кабелей ВТС(м)
1 15 5,5 1,4
2 10 3,7 0,8
3 5 1,8 0,5
Минимальные допустимые расстояния по специализированным объектам
Тип специализированногообъекта Минимальные допустимые расстояния
От техническихсредств ВТС (м) От не экранированныхпроводов, кабелей ВТС(м) От экранированныхпроводов, кабелей ВТС(м)
1 75 27,5 7,5
2 30 11 2,7
3 15 5,5 1,4
4 14 5,2 1,2
5 12,5 4,6 1,1
6 11,5 4,2 1
7 10 3,7 0,8
8 7 2,5 0,6
9 5 1,8 0,5
Если на объекте не возможно обеспечить требуемые минимальные расстояния для защиты или если для размещения отдельных ОТС требуется минимальные допустимые расстояния до ОТС, то ОТС делят на две группы устройств:
1. устройства прошедшие специальное исследование и удовлетворяющие реальным, т. е. максимально возможным для данного объекта расстоянием до технических средств и коммутации ВТС имеющий выход за пределы контролируемой зоны.
2. устройства прошедшие специальное исследование и не удовлетворяющие реальным расстояниям до ВТС.
Для устройств второй группы необходимо применять дополнительные меры защиты, которые определяются при помощи ДНТЗИ и на основании категорий и вида объекта.
Поскольку мы не можем обеспечить требуемое минимальное расстояние для защиты за территорией объекта, то мы ограничиваем КЗ стенами кабинета.
3. Выявление каналов утечки и
несанкционированного доступа к ресурсам.
Сущность защитных мероприятий сводится к перекрытию возможных каналов утечки защищаемой информации, которые появляются в силу объективно складывающихся условий ее распространения и возникающей у конкурентов заинтересованности в ее получении. Каналы утечки информации достаточно многочисленны. Они могут быть как естественными, так и искусственными, т.е. созданными с помощью технических средств.
Перекрытие всех возможных каналов несанкционированного съема информации требует значительных затрат, и, поэтому, в полном объеме сделать это удается далеко не всегда. Следовательно, в первую очередь необходимо обратить внимание на те из них, которыми с наибольшей вероятностью могут воспользоваться недобросовестные конкуренты.
наибольшую привлекательность для злоумышленников представляют акустические каналы утечки информации, в особенности такой канал, как виброакустический(за счет распространения звуковых колебаний в конструкции здания).
Возможные каналы утечки информации
Рассмотрим возможные каналы утечки информации и несанкционированного доступа к ресурсам, которые могут быть использованы противником в данном помещении, а также возможную защиту от них.
Анализ представленных материалов показывает, что в настоящее время номенклатура технических средств коммерческой разведки весьма обширна, что делает задачу надежного блокирования каналов утечки и несанкционированного доступа к информации исключительно сложной.
Решение подобной задачи возможно только с использованием профессиональных технических средств и с привлечением квалифицированных специалистов.
Основные методы и средства несанкционированного получения информации и возможная защита от них.
N п/п Действие человека (типовая ситуация) Каналы утечки информации Методы и средства получения информации Методы и средства защиты информации
1 Разговор в помещении · Акустика · Виброакустика · Гидроакустика · Акустоэлектроника · Подслушивание, диктофон, микрофон, направленный микрофон, полуактивная система · Стетоскоп, вибродатчик · Гидроакустический датчик · Радиотехнические спецприемники Шумовые генераторы, поиск закладок, защитные фильтры, ограничение доступа
2 Разговор по проводному телефону · Акустика · Электросигнал в линии · Наводки · Аналогично п.1Параллельный телефон, прямое подключение, электромагнитный датчик, диктофон, телефонная закладка · Аналогично п.1 · Маскирование, скремблирование, шифрование · Спецтехника
3 Разговор по радиотелефону · Акустика · Электромагнитные волны · Аналогично п.1 · Радиоприемные устройства · Аналогично п.1 · Аналогично п.2
4 Документ на бумажном носителе Наличие Кража, визуально, копирование, фотографирование Ограничение доступа, спецтехника
5 Изготовление документа на бумажном носителе · Наличие · Паразитные сигналы, наводки · Аналогично п.4 · Специальные радиотехнические устройства · Аналогично п.1 · Экранирование
6 Почтовое отправление Наличие Кража, прочтение Специальные методы защиты
7 Документ на небумажном носителе Носитель Хищение, копирование, считывание Контроль доступа, физическая защита, криптозащита
8 Изготовление документа на небумажном носителе · Изображение на дисплее · Паразитные сигналы, наводки · Визуально, копирование, фотографирование · Специальные радиотехнические устройства Контроль доступа, криптозащита
9 Передача документа по каналу связи Электрические и оптические сигналы Несанкционированное подключение, имитация зарегистрированного пользователя Криптозащита
10 Производственный процесс Отходы, излучения и т.п. Спецаппаратура различноного назначения, оперативные мероприятия Оргтехмероприятия, физическая защита
Таким образом, основным направлением противодействия утечке информации является обеспечение физической(технические средства, линии связи, персонал) и логической (операционная система, прикладные программы и данные) защиты информационных ресурсов. При этом безопасность достигается комплексным применением аппаратных, программных и криптографических методов и средств защиты, а также организационных мероприятий.
Основными причинами утечки информации являются:
• несоблюдение персоналом норм, требований, правил эксплуатации АС;
• ошибки в проектировании АС и систем защиты АС;
• ведение противостоящей стороной технической и агентурной разведок.
Несоблюдение персоналом норм, требований, правил эксплуатации АС может быть как умышленным, так и непреднамеренным. От ведения противостоящей стороной агентурной разведки этот случай отличает то, что в данном случае лицом, совершающим несанкционированные действия, двигают личные побудительные мотивы. Причины утечки информации достаточно тесно связаны с видами утечки информации.
В соответствии с ГОСТ Р 50922-96 рассматриваются три вида утечки информации:
• разглашение;
• несанкционированный доступ к информации;
• получение защищаемой информации разведками (как отечественными, так и иностранными).
Под разглашением информации понимается несанкционированное доведение защищаемой информации до потребителей, не имеющих права доступа к защищаемой информации.
Под несанкционированным доступом понимается получение защищаемой информации заинтересованным субъектом с нарушением установленных правовыми документами или собственником, владельцем информации прав или правил доступа к защищаемой информации. При этом заинтересованным субъектом, осуществляющим несанкционированный доступ к информации, может быть: государство, юридическое лицо, группа физических лиц, в том числе общественная организация, отдельное физическое лицо.
Получение защищаемой информации разведками может осуществляться с помощью технических средств (техническая разведка) или агентурными методами (агентурная разведка).
Канал утечки информации - совокупность источника информации, материального носителя или среды распространения несущего указанную информацию сигнала и средства выделения информации из сигнала или носителя. Одним из основных свойств канала является месторасположение средства выделения информации из сигнала или носителя, которое может располагаться в пределах контролируемой зоны, охватывающей "АС, или вне ее.
Применительно к АС выделяют следующие каналы утечки:
1. Электромагнитный канал. Причиной его возникновения является электромагнитное поле, связанное с протеканием электрического тока в аппаратных компонентах АС. Электромагнитное поле может индуцировать токи в близко расположенных проводных линиях (наводки). Электромагнитный канал в свою очередь делится на следующие каналы:
• радиоканал (высокочастотное излучение);
• низкочастотный канал;
• сетевой канал (наводки на сеть электропитания);
• канал заземления (наводки на провода заземления);
• линейный канал (наводки на линии связи между компьютерными системами).
2. Акустический (виброакустический) канал. Связан с распространением звуковых волн в воздухе или упругих колебаний в других средах, возникающих при работе устройств отображения информации АС.
3. Визуальный канал. Связан с возможностью визуального наблюдения злоумышленником за работой устройств отображения информации АС без проникновения в помещения, где расположены компоненты системы. В качестве средства выделения информации в данном случае могут рассматриваться фото-, видеокамеры и т. п.
4. Информационный канал. Связан с доступом (непосредственным и телекоммуникационным) к элементам АС, к носителям информации, к самой вводимой и выводимой информации (и результатам), к программному обеспечению (в том числе к операционным системам), а также с подключением к линиям связи. Информационный канал может быть разделен на следующие каналы:
• канал коммутируемых линий связи,
• канал выделенных линий связи,
• канал локальной сети,
• канал машинных носителей информации,
• канал терминальных и периферийных устройств.
4. Возможные каналы утечки информации
Утечка акустической информации из-за применения подслушивающих устройств
Для перехвата и регистрации акустической информации существует огромный арсенал разнообразных средств разведки: микрофоны, электронные стетоскопы, радиомикрофоны или так называемые "радиозакладки", направленные и лазерные микрофоны, аппаратура магнитной записи. Набор средств акустической разведки, используемых для решения конкретной задачи, сильно зависит от возможности доступа агента в контролируемое помещение или к интересующим лицам.
Применение тех или иных средств акустического контроля зависит от условий применения, поставленной задачи, технических и прежде всего финансовых возможностей организаторов подслушивания.
Утечка информации за счет скрытного и дистанционного видеонаблюдения
Из средств данного типа наиболее широко применяются скрыто устанавливаемые фото-, кино-, и видеокамеры с выходным отверстием объектива несколько миллиметров.
Используются также миниатюрные видеосистемы состоящие из микровидеокамеры с высокой чувствительностью и микрофоном. Устанавливаются на двери или в стене. Для конспиративного наблюдения используются также микровидеокамеры в настенных часах, в датчиках пожарной сигнализации, небольших радиомагнитолах, а также в галстуке или брючном ремне. Видеоизображение может записываться на малогабаритный видеомагнитофон или передаваться с помощью малогабаритного передатчика по радиоканалу в другое помещение или автомашину на специальный или стандартный телеприемник. Расстояние передачи, в зависимости от мощности передачи достигает от 200 метров до 1 км. При использовании ретрансляторов расстояние передачи может быть значительно увеличено.
Привлекает внимание автомобильная система скрытого видеонаблюдения. Видеокамера, обеспечивающая круговой обзор, закамуфлирована под наружную антенну сотового телефона. Плоский экран устанавливается либо на солнцезащитном козырьке, либо в "бардачке", пульт управления - или в пепельнице, или в кармане на двери. Видеосигнал, в зависимости от комплектации, может записываться прямо на видеомагнитофон либо передаваться по радиолинии на расстояние до 400 м. Видеокамера комплектуется сменными объективами с различными углами зрения.
Лазерный съем речевой информации
Для дистанционного перехвата информации (речи) из помещений иногда используют лазерные устройства. Из пункта наблюдения в направлении источника звука посылается зондирующий луч. Зондирующий луч обычно направляется на стекла окон, зеркала, другие отражатели.
Все эти предметы под действием речевых сигналов циркулирующих в помещении колеблются и своими колебаниями модулируют лазерный луч, приняв который в пункте наблюдения, можно путем несложных преобразований восстановить все речевые сигналы, циркулирующие в контролируемом помещении. На сегодняшний день создано целое семейство лазерных средств акустической разведки. Такие устройства состоят из источника излучения (гелий-неоновый лазер), приемника этого излучения с блоком фильтрации шумов, двух пар головных телефонов, аккумулятора питания и штатива. Наводка лазерного излучения на оконное стекло нужного помещения осуществляется с помощью телескопического визира. Съем речевой информации с оконных рам с двойными стеклами с хорошим качеством обеспечивается с расстояния до 250 метров. Такой возможностью, в частности, обладает система SIPE LASER 3-DA SUPER производства США.
Однако на качество принимаемой информации, кроме параметров системы оказывают влияние следующие факторы:
· параметры атмосферы (рассеяние, поглощение, турбулентность, уровень фона);
· качество обработки зондируемой поверхности (шероховатости и неровности, обусловленные как технологическими причинами, так и воздействием среды - грязь, царапины и пр.);
· уровень фоновых акустических шумов;
· уровень перехваченного речевого сигнала.
Кроме того, применение подобных средств требует больших затрат не только на саму систему, но и на оборудование по обработке полученной информации. Применение такой сложной системы требует высокой квалификации и серьезной подготовки операторов.
Из всего этого можно сделать вывод, что применение лазерного съема речевой информации дорогое удовольствие и довольно сложное, поэтому надо оценить необходимость защиты информации от этого вида разведки.
Пути утечки информации в вычислительных системах
Вопросы безопасности обработки информации в компьютерных системах пока еще волнуют в нашей стране не слишком широкий круг специалистов.
До сих пор эта проблема более-менее серьезно вставала у нас, пожалуй, только перед рядом государственных и военных органов, а также перед научными кругами. Теперь же появилось большое число фирм и банков, эффективная деятельность которых практически немыслима без использования компьютеров. Как только должностные лица этих и других организаций это поймут, перед ними сразу же встанут именно вопросы защиты имеющейся у них критичной информации.
Так что, пока еще есть время, стоит очень серьезно задуматься над имеющимся зарубежным опытом, чтобы не изобретать собственного велосипеда. В частности, для начала небесполезно будет ознакомиться с классификацией и принципами оценивания безопасности компьютерных систем, используемыми в США. Различают два типа некорректного использования ЭВМ:
· доступ к ЭВМ лиц, не имеющих на это права;
· неправильные действия тех лиц, которые имеют право на доступ к ЭВМ (так называемый санкционированный доступ).
Обычно разработчиков систем волнует только решение второй проблемы. Анализ вероятных путей утечки информации или ее искажений показывает, что при отсутствии специальных мер защиты обеспечивающих выполнение функций,возложенных на вычислительную систему, возможно:
· снятие дистанционными техническими средствами секретных сообщений с мониторов ЭВМ, с принтеров (перехват электромагнитных излучений;
· получение информации обрабатываемой в ЭВМ по цепям питания;
· акустическая или электроакустическая утечка вводимой информации;
· перехват сообщений в канале связи;
· навязывание ложного сообщения;
· считывание (изменение) информации ЭВМ при несанкционированном доступе.
· хищение носителей информации и производственных отходов;
· чтение остаточной информации в ЗУ системы после выполнения санкционированных запросов;
· копирование носителей информации;
· несанкционированное использование терминалов зарегистрированных пользователей;
· маскировка под зарегистрированного пользователя с помощью хищения паролей и других реквизитов разграничения доступа;
· маскировка несанкционированных запросов под запросы операционной системы (мистификация);
· использование программных ловушек;
· получение защищаемых данных с помощью серии разрешенных запросов;
· использование недостатков языков программирования и операционных систем;
· преднамеренное включение в библиотеки программ специальных блоков типа "троянских коней";
· злоумышленный вывод из строя механизмов защиты.
В особую группу следует выделить специальные закладки для съема информации с компьютеров.
Миниатюрный радиомаяк, встроенный в упаковку, позволяет проследить весь путь следования закупленной ЭВМ, транслируя сигналы на специальный передатчик. Узнав таким путем, где установлена машина, можно принимать любую обработанную компьютером информацию через специально вмонтированные электронные блоки, не относящиеся к ЭВМ, но участвующие в ее работе. Самая эффективная защита от этой закладки - экранированное помещение для вычислительного центра.
По мнению специалистов универсальных "компьютерных закладок" сегодня не бывает. Те закладки, которые удавалось обнаружить, можно условно разделить на три типа: те, которые выбирают информацию по ключевым словам или знакам, те, которые передают всю информацию, находящуюся на винчестере ЭВМ и просто уничтожающие ее.
Утечка информации за счет ПЭМИН
Одной из наиболее вероятных угроз перехвата информации в системах обработки данных считается утечка за счет перехвата побочных электромагнитных излучений и наводок (ПЭМИН), создаваемых техническими средствами. ПЭМИН существуют в диапазоне частот от единиц Гц до полутора ГГц и способны переносить (распространять) сообщения, обрабатываемые в автоматизированных системах. Дальность распространения ПЭМИ исчисляется десятками, сотнями, а иногда и тысячами метров. Наиболее опасными источниками ПЭМИН являются дисплеи, проводные линии связи, накопители на магнитных дисках и буквопечатающие аппараты последовательного типа.
Например с дисплеев можно снять информацию с помощью специальной аппаратуры на расстоянии до 500-1500 метров, с принтеров до 100-150 метров. Перехват ПЭМИН может осуществляться и с помощью портативной аппаратуры. Такая аппаратура может представлять собой широкополосный автоматизированный супергетеродинный приемник. В качестве устройств регистрации принятых сигналов (сообщений) может использоваться магнитный носитель или дисплей.
Утечка информации при использовании средств связи и различных проводных коммуникаций
В данном случае, когда речь заходит о возможности перехвата информации при использовании линий связи и проводных коммуникаций, следует иметь в виду, что перехват может осуществляться не только с телефонных линий и не только речевой информации. В этот раздел можно отнести:
· прослушивание и запись переговоров по телефонным линиям;
· использование телефонных линий для дистанционного съема аудио- информации из контролируемых помещений;
· перехват факсимильной информации;
· перехват разговоров по радиотелефонам и сотовой связи;
· использование сети 220 В и линий охранной сигнализации для передачи акустической информации из помещений;
· перехват пейджинговых сообщений.
Рассмотрим кратко каждый из перечисленных каналов утечки информации в отдельности.
Прослушивание и запись переговоров по телефонным линиям
Телефонные абонентские линии обычно состоят из трех участков: магистрального (от АТС до распределительного шкафа (РШ)), распределительного (от РШ до распределительной коробки (КРТ)), абонентской проводки (от КРТ до телефонного аппарата). Последние два участка - распределительный и абонентский являются наиболее уязвимыми с точки зрения перехвата информации. Подслушивающее устройство может быть установлено в любом месте, где есть доступ к телефонным проводам, телефонному аппарату, розетке или в любом месте линии вплоть до КРТ.
Наиболее простой способ подслушивания это подключение параллельного телефонного аппарата или "монтерской" трубки. Используются также специальные адаптеры для подключения магнитофонов к телефонной линии. Адаптеры сделаны таким образом, что диктофон, установленный на запись в режиме акустопуска, включается только при поднятой трубке телефонного аппарата. Это дает возможность экономно расходовать пленку на кассете, не сматывая ее вхолостую.
гальванически (прямым подсоединением), а и с помощью индукционных или емкостных датчиков. Такое подсоединение практически не обнаруживается с помощью тех аппаратных средств, которые широко используются для поисковых целей.
Самыми распространенными из подобных средств прослушивания являются телефонные контроллеры радиоретрансляторы которые чаще называются телефонными передатчиками или телефонными "закладками". Телефонные закладки подключаются параллельно или последовательно в любом месте телефонной линии и имеют значительный срок службы, так как питаются от телефонной сети. Эти изделия чрезвычайно популярны в промышленном шпионаже благодаря простоте и дешевизне.
Большинство телефонных "закладок" автоматически включается при поднятии телефонной трубки и передают разговор по радиоканалу на приемник пункта перехвата, где он может быть прослушан и записан. Такие "закладки" используют микрофон телефонного аппарата и не имеют своего источника питания, поэтому их размеры могут быть очень небольшими. Часто в качестве антенны используется телефонная линия. Для маскировки телефонные "закладки" выпускаются в виде конденсаторов, реле, фильтров и других стандартных элементов и узлов, входящих в состав телефонного аппарата.
Чаще всего телефонные "закладки" стараются устанавливать за пределами офиса или квартиры, что существенно снижает риск. Для упрощения процедуры подключения подслушивающих устройств и уменьшения влияния на телефонную линию используются изделия с индуктивным датчиком съема информации. Особенностью подобных устройств является то, что требуется автономный источник питания и устройство должно иметь схему автоматического включения при снятии телефонной трубки. Качество перехватываемой информации практически всегда хуже.
Использование телефонных линий для дистанционного съема аудио- информации из контролируемых помещений.
Отдельное место занимают системы, которые предназначены не для подслушивания телефонных переговоров, а для использования телефонных линий при прослушивании контролируемых помещений, где установлены телефонные аппараты или проложены провода телефонных линий.
Примером такого устройства может служить "телефонное ухо". "Телефонное ухо" представляет собой небольшое устройство, которое подключается параллельно к телефонной линии или розетке в любом удобном месте контролируемого помещения. Для прослушивания помещения необходимо набрать номер абонента, в помещении которого стоит "телефонное ухо". Услышав первый гудок АТС необходимо положить трубку и через 10-15 секунд повторить набор номера. Устройство дает ложные гудки занято в течение 40-60 секунд, после чего гудки прекращаются и включается микрофон в устройстве "телефонное ухо" - начинается прослушивание помещения. В случае обычного звонка "телефонное ухо" пропускает все звонки после первого, выполняя роль обычной телефонной розетки и не мешая разговору.
Кроме того, возможно использование телефонной линии для передачи информации с микрофона, скрытно установленного в помещении. При этом используется несущая частота в диапазоне от десятков до сотен килогерц с целью не препятствовать нормальной работе телефонной связи. Практика показывает, что в реальных условиях дальность действия подобных систем с приемлемой разборчивостью речи существенно зависит от качества линии, прокладки телефонных проводов, наличия в данной местности радиотрансляционной сети, наличия вычислительной и оргтехники и т.д.
Из числа, так называемых "беззаходовых" систем съема речевой информации с контролируемых помещений, когда используются телефонные линии, следует отметить возможность съема за счет электроакустического преобразования, возникающего в телефонных аппаратах и за счет высокочастотного (ВЧ) навязывания. Но эти каналы утечки используются все реже. Первый из-за того, что современные телефонные аппараты не имеют механических звонков и крупных металлических деталей, а второй из-за своей сложности и громоздкости аппаратуры. Но тем не менее меры защиты от утечки информации по этим каналам применяются, они общеизвестны и не дорогие.
Использование сети 220 В для передачи акустической информации из помещений.
Для этих целей применяют так называемые сетевые "закладки". К этому типу "закладок" чаще всего относят устройства, которые встраиваются в приборы, питающиеся от сети 220 В или сетевую арматуру (розетки, удлинители и т.д.). Передающее устройство состоит из микрофона, усилителя и собственно передатчика несущей низкой частоты. Частота несущей обычно используется в диапазоне от 10 до 350 кГц. Передача и прием осуществляется по одной фазе или, если фазы разные то их связывают по высокой частоте через разделительный конденсатор. Приемное устройство может быть изготовлено специально, но иногда применяют доработанные блоки бытовых переговорных устройств, которые сейчас продаются во многих специализированных магазинах электронной техники. Сетевые передатчики подобного класса легко камуфлируются под различного рода электроприборы, не требуют дополнительного питания от батарей и трудно обнаруживаются при использовании поисковой аппаратуры, широко применяемой в настоящее время.
Рассмотрим подробнее возможности акустического перехвата информации.
ТЕХНИЧЕСКИЕ КАНАЛЫ УТЕЧКИ АКУСТИЧЕСКОЙ (РЕЧЕВОЙ ИНФОРМАЦИИ)
Под техническим каналом утечки информации (ТКУИ) понимают совокупность объекта разведки, технического средства разведки (TCP), с помощью которого добывается информация об этом объекте, и физической среды, в которой распространяется информационный сигнал. По сути, под ТКУИ понимают способ получения с помощью TCP разведывательной информации об объекте.
Сигналы являются материальными носителями информации. По своей физической природе сигналы могут быть электрическими, электромагнитными, акустическими и т.д. То есть сигналами, как правило, являются электромагнитные, механические и другие виды колебаний (волн), причем информация содержится в их изменяющихся параметрах.
В зависимости от природы сигналы распространяются в определенных физических средах. В общем случае средой распространения могут быть газовые (воздушные), жидкостные (водные) и твердые среды, Например, воздушное пространство, конструкции зданий, соединительные линии и токопроводящие элементы, грунт(земля) и т.п.
Технические средства разведки служат для приема и измерения параметров сигналов.
Под акустической понимается информация, носителем которой являются акустические сигналы. В том случае, если источником информации является человеческая речь, акустическая информация называется речевой.
Акустический сигнал представляет собой возмущения упругой среды, проявляющиеся в возникновении акустических колебаний различной формы и длительности. Акустическими называются механические колебания частиц упругой среды, распространяющиеся от источника колебаний в окружающее пространство в виде волн различной длины.
Первичными источниками акустических колебаний являются механические колебательные системы, например органы речи человека, а вторичными -преобразователи различного типа, в том числе электроакустические. Последние представляют собой устройства, предназначенные для преобразования акустических колебаний в электрические и обратно. К ним относятся пьезоэлементы, микрофоны, телефоны, громкоговорители и другие устройства.
В зависимости от формы акустических колебаний различают простые (тональные) и сложные сигналы. Тональный - это сигнал, вызываемый колебанием, совершающимся по синусоидальному закону. Сложный
сигнал включает целый спектр гармонических составляющих. Речевой сигнал является сложным акустическим сигналом в диапазоне частот от 200...300 Гц до 4…6 кГц. В зависимости от физической природы возникновения информационных сигналов, среды распространения акустических колебаний и способов их перехвата технические каналы утечки акустической (речевой) информации можно разделить на воздушные, вибрационные, электроакустические, оптико-электронный и параметрические.
ВОЗДУШНЫЕ ТЕХНИЧЕСКИЕ КАНАЛЫ УТЕЧКИ ИНФОРМАЦИИ
В воздушных технических каналах утечки информации средой распространения акустических сигналов является воздух, и для их перехвата используются миниатюрные высокочувствительные микрофоны и специальные направленные микрофоны.
Миниатюрные микрофоны объединяются (или соединяются) с портативными звукозаписывающими устройствами (диктофонами) или специальными миниатюрными передатчиками. Автономные устройства, конструкционно объединяющие миниатюрные микрофоны и передатчики, называют закладными устройствами перехвата речевой информации, или просто акустическими закладками. Перехваченная закладными устройствами речевая информация может передаваться по радиоканалу, оптическому каналу (в инфракрасном диапазоне длин волн), по сети переменного тока, соединительным линиям вспомогательных технических средств и систем (ВТСС), посторонним проводникам (трубам водоснабжения и канализации, металлоконструкциям и т. п.).Г1ричем для передачи информации по трубам и металлоконструкциям могут использоваться не только электромагнитные, но и механические ультразвуковые колебания
Прием информации, передаваемой закладными устройствами я осуществляется, как правило, на специальные приемные устройства, работающие в соответствующем диапазоне длин волн. Однако встречаются закладные устройства, прием информации с которых можно осуществлять с обычного телефонного аппарата. Такие устройства устанавливаются или непосредственно в корпусе телефонного аппарата, находящегося в контролируемом помещении и называемом "телефоном-наблюдателем", или подключаются к телефонной линии, чаще всего в телефонной розетке.
Подобное устройство конструкционно объединяет миниатюрный микрофон и специальный блок коммутации часто называется "телефонным ухом". Блок коммутации подключает микрофон к телефонной линии придозвоне по определенной схеме до "телефона-наблюдателя" или подаче в линию специального кодированного сигнала. Использование портативных диктофонов и акустических закладок требует проникновения на контролируемый объект (в помещение). В том случае, когда это не удается, для перехвата речевой информации используются направленные микрофоны.
ВИБРАЦИОННЫЕ ТЕХНИЧЕСКИЕ КАНАЛЫ УТЕЧКИ ИНФОРМАЦИИ
В вибрационных (структурных) технических каналах утечки информации средой распространения акустических сигналов являются конструкции зданий, сооружений (стены, потолки, полы), грубы водоснабжения, отопления, канализации и другие твердые тела. Для перехвата акустических колебаний в этом случае используются контактные микрофоны (стетоскопы). Контактные микрофоны, соединенные с электронным усилителем, называют электронными стетоскопами. По вибрационному каналу также возможен перехват информации с использованием закладных устройств. В основном для передачи информации используется радиоканал поэтому такие устройства часто называют радиостетоскопами. Возможно использование закладных устройств с передачей информации по оптическому каналу в ближнем инфракрасном диапазоне длин волн, а также по ультразвуковому каналу (по металлоконструкциям здания).
ЭЛЕКТРОАКУСТИЧЕСКИЕ ТЕХНИЧЕСКИЕ КАНАЛЫ УТЕЧКИ ИНФОРМАЦИИ
Электроакустические технические каналы утечки информации возникают за счет электроакустических преобразований акустических сигналов в электрические и включают перехват акустических колебаний через ВТСС. обладающие "микрофонным эффектом", а также путем "высокочастотного навязывания".
Некоторые элементы ВТСС. в том числе трансформаторы, катушки индуктивности, электромагнитывторичных электрочасов, звонков телефонных аппаратов, дроссели ламп дневного света, электрореле и т. п " обладают свойством изменять свои параметры (емкость, индуктивность, сопротивление) под действием акустического поля, создаваемого источником акустических колебаний.
Изменение параметров приводит либо к появлению на данных элементах электродвижущей силы (ЭДС). изменяющейся по закону воздействующего информационного акустического поля, либо к модуляции токов, протекающих по этим элементам, информационным сигналом. Например, акустическое поле, воздействуя и на якорь электромагнита вызывного телефонного звонка, вызывает его колебание. В результате чего изменяется магнитный поток сердечника электромагнита. Изменение этого потока вызывает появление ЭДС самоиндукции в катушке звонка, изменяющейся по закону изменения акустического поля. ВТСС, кроме указанных элементов, могут содержать непосредственно электроакустические преобразователи.
К таким ВТСС относятся некоторые датчики пожарной сигнализации, громкоговорители ретрансляционной сети и т.д. Эффект электроакустического преобразования акустических колебаний в электрические часто называют "микрофонным эффектом". Причем из ВТСС, обладающих "микрофонным эффектом", наибольшую чувствительность к акустическому полю имеют абонентские громкоговорители и некоторые датчики пожарной сигнализации. Перехват акустических колебаний в данном канале утечки информации осуществляется путем непосредственного подключения к соединительным линиям ВТСС, обладающих"микрофонным эффектом", специальных высокочувствительных низкочастотных усилителей.
Например, подключая такие средства к соединительным линиям телефонных аппаратов с электромеханическими вызывными звонками, можно прослушивать разговоры, ведущиеся в помещениях, где установлены эти аппараты. Технический канал утечки информации путём "высокочастотного навязывания" может быть осуществлен путем несанкционированного контактного введения токов высокой частоты от соответствующего генератора в линии (цепи), имеющие функциональные связи с нелинейными или параметрическими элементами ВТСС, на которых происходит модуляция высокочастотного сигнала информационным. Информационный сигнал в данных элементах ВТСС появляется вследствие электроакустического преобразования акустических сигналов в электрические.
В силу того, что нелинейные или параметрические элементы ВТСС для высокочастотного сигнала, как правило, представляют собой несогласованную нагрузку, промодулированный высокочастотный сигнал будет отражаться от нее и распространяться в обратном направлении по линии или излучаться. Для приема излученных или отраженных высокочастотных сигналов используется специальные приемники с достаточно высокой чувствительностью. Для исключения влияния зондирующего и переотраженного сигналов могут использоваться импульсные сигналы.
Наиболее часто такой канал утечки информации используется для перехвата разговоров, ведущихся в помещении, через телефонный аппарат, имеющий выход за пределы контролируемой зоны. Для исключения воздействия высокочастотного сигнала на аппаратуру АТС в линию, идущую в ее сторону, устанавливается специальный высокочастотный фильтр .
ОПТИКО-ЭЛЕКТРОННЫЙ ТЕХНИЧЕСКИЙ КАНАЛ УТЕЧКИ ИНФОРМАЦИИ
Оптико-электронный (лазерный) канал утечки акустической информации образуется при облучении лазерным лучом вибрирующих в акустическом поле тонких отражающих поверхностей (стекол окон, картин, зеркал и т.д.). Отраженное лазерное излучение (диффузное или зеркальное) модулируется по амплитуде и фазе (по закону вибрации поверхности) и принимается приемником оптического (лазерного) излучения, при демодуляции которого выделяется речевая информация. Причем лазер и приемник оптического излучения могут быть установлены в одном или разных местах (помещениях). Для перехвата речевой информации по ' данному каналу используются сложные лазерные акустические локационные системы, иногда называемые "лазерными микрофонами". Работают они, как правило в ближнем инфракрасном диапазоне волн.
ПАРАМЕТРИЧЕСКИЕ ТЕХНИЧЕСКИЕ КАНАЛЫ УТЕЧКИ ИНФОРМАЦИИ
В результате воздействия акустического поля меняется давление на все элементы высокочастотных генераторов ТСГШ и ВТСС. При этом изменяется (незначительно) взаимное расположение элементов схем, проводов в катушках индуктивности, дросселей и т. п.,, что может привести к изменениям параметров высокочастотного сигнала, например к модуляции его информационным сигналом. Поэтому этот канал утечки информации называется параметрическим. Это обусловлено тем, что незначительное изменение взаимного расположения, например, проводов в катушках индуктивности (межвиткового расстояния) приводит к изменению их индуктивности, а, следовательно, к изменению частоты излучения генератора, т.е. к частотной модуляции сигнала.
Или воздействие акустического поля на конденсаторы приводит к изменению расстояния между пластинами и, следовательно, к изменению его емкости, что, в свою очередь, также приводит к частотной модуляции высокочастотного сигнала генератора. Наиболее часто наблю дается паразитная модуляция информационным сигналом излучений гетеродинов радиоприемных и телевизионных устройств, находящихся в выделенных помещениях и имеющих конденсаторы переменной емкости с воздушным диэлектриком в колебательных контурах гетеродинов.
Промодулированные информационным сигналом высокочастотные колебания излучаются в окружающее пространство и могут быть перехвачены и детектированы средствами радиоразведки. Параметрический канал утечки информации может быть реализован и путем "высокочастотного облучения" помещения, где установлены полуактивные закладные устройства, имеющие элементы, некоторые параметры которых (например, добротность и резонансная частота объемного резонатора) изменяются по закону изменения акустического(речевого)сигнала.
При облучении мощным высокочастотным сигналом помещения, в котором установлено такое закладное устройство, в последнем при взаимодействии облучающего электромагнитного поля со специальными элементами закладки (например, четвертьволновым вибратором) происходит образование вторичных радиоволн, т.е. переизлучение электромагнитного поля. А специальное устройство закладки (например, объемный резонатор) обеспечивает амплитудную, фазовую или частотную модуляцию переотраженного сигнала по закону изменения речевого сигнала. Подобного вида закладки иногда называют полуактивными. Для перехвата информации по данному каналу кроме закладного устройства необходимы специальный передатчик с направленной антенной и приемник.
ТЕХНИЧЕСКИЕ КАНАЛЫ УТЕЧКИ АКУСТИЧЕСКОЙ (РЕЧЕВОЙ) ИНФОРМАЦИИ .
ВОЗДУШНЫЕ
Перехват акустических сигналов
* микрофонами, комплексированными с портативными устройствам и звукозаписи
* направленными микрофонами
* микрофонами, комплексированными с устройствами передачи информации по радиоканалу
* микрофонами, комплексированными с устройствами передачи информации по сети электропитания 220В
* микрофонами, комплексированными с устройствами передачи информации по оптическому каналу в ИК-диапазоне, длин волн.
* микрофонами, комплексированными с устройствами передачи информации по телефонной линии " микрофонами, комплексированными с устройствами их подключения к телефонной линии ("телефону-наблюдателю") по сигналам вызова от внешнего телефонного абонента
* микрофонами, комплексированными с устройствами передачи информации по трубам водоснабжения, отопления, металлоконструкциям и т.п.
ВИБРАЦИОННЫЕ
Перехват акустических сигналов
* электронными стетоскопами
* стетоскопам и, комплексированными с устройствами передачи информации по радиоканалу
* стетоскопами, комплексированными с устройствами передачи информации по оптическому каналу в ИК-диапазоне длин волн
* стетоскопами 2 комплексированными с устройствами передачи информации по трубам водоснабжения, отопления, металлоконструкциям и т.п.
ПОДКУП.
Это самый простой и эффективный способ получения конфиденциальной информации. Разумеется, он требует некоторой предварительной работы для выяснения степени осведомленности тех или иных сотрудников фирмы в ее делах. Кроме того, подкуп обычно осуществляется через посредников, поэтому необходимым условием является сбор информации о них: надо точно знать, кому дать деньги, сколько, когда, через кого и за что. Однако все издержки такого рода с лихвой перекрываются одним важным обстоятельством — работнику фирмы не требуется преодолевать физические и технические препятствия для проникновения в ее секреты. Значит, остается лишь одно: найти обладателей нужной информации, недовольных своим продвижением по службе, заработком, характером отношений с руководителями, остро нуждающихся в деньгах или просто алчных, готовых ради наживы на любое предательство. Известна грустная статистика (данные Интерпола), согласно которой 25% служащих фирмы готовы продать ее секреты в любое время кому угодно, 50% идут на это в зависимости от обстоятельств и только 25% являются патриотами данного предприятия. Одним из видов подкупа является переманивание ценных специалистов фирмы к себе ради последующего овладения их знаниями. История конкурентной борьбы полна подобных примеров. Для тех 50% сотрудников, которые идут на сотрудничество с конкурентами в зависимости от обстоятельств, необходимые обстоятельства нередко создают через шантаж. Шантаж бывает двух видов. В первом случае человека ловят на крючок, угрожая предать огласке компрометирующие его сведения. Во втором случае, ему просто угрожают мерами физического воздействия (взорвем автомобиль, сожжем дачу, похитим ребенка, изнасилуем дочь или жену, запугаем престарелых родителей и т.д., средств у преступников много).
ВНЕДРЕНИЕ СВОИХ ЛЮДЕЙ В СОСТАВ ПЕРСОНАЛА КОНКУРИРУЮЩЕЙ ФИРМЫ.
Тоже представляет распространенный и эффективный способ экономического шпионажа. Для внедрения имеются два пути: первый — когда агент выступает под собственной фамилией и работает в соответствии с имеющейся у него профессией. Второй — когда он трудоустраивается по поддельным документам, под прикрытием легенды. Внедрение собственной агентуры к конкурентам более сложный метод, чем обычный подкуп или шантаж, но, в отличие от завербованных информаторов, свой агент намного надежнее и эффективнее как источник конфиденциальной информации.
В зависимости от степени ценности информатора строятся и отношения между сотрудничающими сторонами. Чем он важнее, тем больше соблюдается мер конспирации. В частности, встречи с ним маскируются под бытовые контакты, происходят на конспиративных квартирах либо в общественных местах, через тайники и даже с помощью технических средств. Общение с менее ценными людьми может носить обычный характер. При этом стороны особо не заботятся о своей безопасности. Так что выборочное скрытое наблюдение за собственными сотрудниками может дать руководителю фирмы (через его оперативных сотрудников) весьма любопытные сведения для размышлений.
НАБЛЮДЕНИЕ.
тоже дает ценную конфиденциальную информацию, особенно если оно сопряжено с копированием документации, чертежей, образцов продукции и т.д. В принципе, процесс наблюдения сложен, так как требует значительных затрат сил, времени и средств. Поэтому его ведут, как правило, выборочно, это значит, в определенном месте, в определенное время, специально подготовленными людьми и с помощью технических средств. Например, волоконно-оптическая система типа РК-1715 имеет кабель длиной до двух метров. Она позволяет проникать в помещения через замочные скважины, кабельные и отопительные вводы, вентиляционные шахты, фальшпотолки и другие отверстия. Угол обзора системы — 65, фокусировка — от 10 км до бесконечности. Работает при слабом освещении. С ее помощью можно читать и фотографировать документы на столах, заметки в настольных календарях, настенные таблицы и диаграммы, считывать информацию с дисплеев. Вообще фотографирование применяется в экономическом шпионаже достаточно широко. Фотосъемка осуществляется с помощью современной аппаратуры при дневном освещении и ночью, на сверхблизком расстоянии и на удалении до нескольких километров, в видимом свете и в инфракрасном диапазоне (в последнем случае можно выявить исправления, подделки, а также прочесть текст на обгоревших документах).
Современные шпионские фотоаппараты поражают воображение. Так, известны телеобъективы размером всего со спичечный коробок, однако четко снимающие печатный текст на расстояниях до 100 метров! А миниатюрная фотокамера в наручных часах (типа РК-420) позволяет делать 7 кадров на одной кассете с расстояния от одного метра и далее без наводки на резкость, установки выдержки, диафрагмы и прочих тонкостей.
Большую опасность в плане экономического шпионажа представляют люди, обладающие фотографической зрительной памятью. Им достаточно одного взгляда, чтобы охватить значительное содержание, запомнить и воспроизвести его практически без искажений. Особенно легко это удается специалистам в разведываемой области деятельности, которым достаточно лишь намека, чтобы понять основное содержание текста (чертежа, разработки). Вот пример. Конкурирующая фирма послала на просмотр моделей одежды своего конкурента группу модельеров, каждый из которых специализировался на какой-либо одной детали демонстрируемых моделей: на рукаве, воротнике, спинке и т.д. В условиях строжайшего запрета на фотографирование, видеосъемку, зарисовки и даже на разговоры (чтобы исключить диктовку на магнитофон) они запомнили каждый свои детали. Потом у себя на фирме они восстановили в рисунках все, что видели, по каждой модели!
5. Планирование защитных мероприятий по видам дестабилизирующего воздействия.
Для защиты от НС доступа который приводит к дестабилизирующему воздействию нужно использовать технические средства защиты информации, и придерживаться правил безопасности.
На этапе проведения организационных мероприятий необходимо:
— определить перечень сведений с ограниченным доступом, подлежащих технической защите (определяет собственник информации в соответствии с действующим законодательством Украины);
— обосновать необходимость разработки и реализации защитных мероприятий с учетом материального или иного ущерба, который может быть нанесен вследствие возможного нарушения целостности ИсОД либо ее утечки по техническим каналам;
— установить перечень выделенных помещений, в которых не допускается реализация угроз и утечка информации с ограниченным доступом;
— определить перечень технических средств, которые должны использоваться как ОТС(основные технические средства);
— определить технические средства, применение которых не обосновано служебной и производственной необходимостью и которые подлежат демонтажу;
— определить наличие задействованных и незадействованных воздушных, наземных, настенных и заложенных в скрытую канализацию кабелей, цепей и проводов, уходящих за пределы выделенных помещений;
— определить системы, подлежащие демонтажу, требующие переоборудования кабельных сетей, цепей питания, заземления или установки в них защитных устройств.
Подготовительные технические мероприятия включают в себя первичные меры блокирования электроакустических преобразователей и линий связи, выходящих за пределы выделенных помещений.
Блокирование линий связи может выполняться следующими способами:
— отключением линий связи ТСПИ и ВТСС или установкой простейших схем защиты;
— демонтажем отдельных технических средств, кабелей, цепей, проводов, уходящих за пределы выделенных помещений;
— удалением за пределы выделенных помещений отдельных элементов технических средств, которые могут являться источником возникновения канала утечки информации.
Блокирование каналов возможной утечки ИсОД в системах городской и ведомственной телефонной связи может осуществляться:
— отключением звонковых (вызывных) линий телефонного аппарата;
— установкой в цепи телефонного аппарата безразрывной розетки для временного отключения;
— установкой простейших устройств защиты.
Предотвращение утечки ИсОД через действующие системы громкоговорящей диспетчерской и директорской связи осуществляется применением следующих защитных мер:
— установкой в вызывных цепях выключателей для разрыва цепей;
— установкой на входе громкоговорителей выключателей (реле), позволяющих разрывать цепи по двум проводам;
— обеспечением возможности отключения питания микрофонных усилителей;
— установкой простейших устройств защиты.
Защита ИсОД от утечки через радиотрансляционную сеть, выходящую за пределы выделенного помещения, может быть обеспечена:
— отключением громкоговорителей по двум проводам;
— включением простейших устройств защиты.
Для службы оповещения следует выделить дежурные абонентские устройства вне выделенных помещений; цепи к этим устройствам должны быть проложены отдельным кабелем.
Предотвращение утечки ИсОД через системы пожарной и охранной сигнализаций осуществляется отключением датчиков пожарной и охранной сигнализации на период проведения важных мероприятий, содержащих ИсОД, или применением датчиков, не требующих специальных мер защиты.
Блокирование утечки ИсОД через системы электронной оргтехники и кондиционирования может быть обеспечено следующими мерами:
— расположением указанных систем внутри контролируемой территории без выноса отдельных компонентов за ее пределы;
— электропитанием систем от трансформаторной подстанции, находящейся внутри контролируемой территории.
При невыполнении указанных выше условий системы должны отключаться от сети электропитания по двум проводам.
Защита ИсОД от утечки через цепи электроосвещения и электропитания бытовой техники должна осуществляться подключением указанных цепей к отдельному фидеру трансформаторной подстанции, к которому не допускается подключение сторонних пользователей.
В случае невыполнения указанного требования электробытовые приборы на период проведения закрытых мероприятий должны отключаться от цепей электропитания.
Технические мероприятия
Технические мероприятия являются основным этапом работ по технической защите ИсОД и заключаются в установке ОТС, обеспечении ТСПИ и ВТСС устройствами ТЗИ.
При выборе, установке, замене технических средств следует руководствоваться прилагаемыми к этим средствам паспортами, техническими описаниями, инструкциями по эксплуатации, рекомендациями по установке, монтажу и эксплуатации.
ОТС должны размещаться, по возможности, ближе к центру здания или в сторону наибольшей части контролируемой территории. Составные элементы ОТС должны размещаться в одном помещении либо в смежных.
Если указанные требования невыполнимы, следует принять дополнительные меры защиты:
— установить высокочастотные ОТС в экранированное помещение (камеру);
— установить в незащищенные каналы связи, линии, провода и кабели специальные фильтры и устройства;
— проложить провода и кабели в экранирующих конструкциях;
— уменьшить длину параллельного пробега кабелей и проводов разных систем с проводами и кабелями, несущими ИсОД;
— выполнить технические мероприятия по защите ИсОД от утечки по цепям заземления и электропитания.
К средствам технической защиты относятся:
— фильтры-ограничители и специальные абонентские устройства защиты для блокирования утечки речевой ИсОД через двухпроводные линии телефонной связи, системы директорской и диспетчерской связи;
— устройства защиты абонентских однопрограммных громкоговорителей для блокирования утечки речевой ИсОД через радиотрансляционные линии;
— фильтры сетевые для блокирования утечки речевой ИсОД по цепям электропитания переменного (постоянного) тока;
— фильтры защиты линейные (высокочастотные) для установки в линиях аппаратов телеграфной (телекодовой) связи;
— генераторы линейного зашумления;
— генераторы пространственного зашумления;
— экранированные камеры специальной разработки.
Для телефонной связи, предназначенной для передачи ИсОД, рекомендуется применять аппараты отечественного производства, совместимые с устройствами защиты. Телефонные аппараты иностранного производства могут применяться при условии прохождения специсследований и положительного заключения компетентных организаций системы ТЗИ о их совместимости с устройствами защиты.
Выбор методов и способов защиты элементов ТСПИ и ВТСС, обладающих микрофонным эффектом, зависит от величины их входного сопротивления на частоте 1 кГц.
Элементы с входным сопротивлением менее 600 Ом (головки громкоговорителей, электродвигатели вентиляторов, трансформаторы и т.п.) рекомендуется отключать по двум проводам или устанавливать в разрыв цепей устройства защиты с высоким выходным сопротивлением для снижения до минимальной величины информативной составляющей тока.
Элементы с высоким входным сопротивлением (электрические звонки, телефонные капсюли, электромагнитные реле) рекомендуется не только отключать от цепей, но и замыкать на низкое сопротивление или закорачивать, чтобы уменьшить электрическое поле от данных элементов, обусловленное напряжением, наведенным при воздействии акустического поля. При этом следует учитывать, что выбранный способ защиты не должен нарушать работоспособность технического средства и ухудшать его технические параметры.
Высокочастотные автогенераторы, усилители (микрофонные, приема, передачи, громкого-ворящей связи) и другие устройства, содержащие активные элементы, рекомендуется отключать от линий электропитания в “дежурном режиме” или “режиме ожидания вызова”.
Защиту ИсОД от утечки по кабелям и проводам рекомендуется осуществлять путем:
— применения экранирующих конструкций;
— раздельной прокладки кабелей ОТС, ТСПИ и ВТСС.
При невозможности выполнения требований по разносу кабелей электропитания ОТС, ТСПИ и ВТСС электропитание последних следует осуществлять либо экранированными кабелями, либо от разделительных систем, либо через сетевые фильтры.
Не допускается образование петель и контуров кабельными линиями. Пересечение кабельных трасс разного назначения рекомендуется осуществлять под прямым углом друг к другу.
Электропитание ОТС должно быть стабилизировано по напряжению и току для нормальных условий функционирования ОТС и обеспечения норм защищенности.
В цепях выпрямительного устройства источника питания необходимо устанавливать фильтры нижних частот. Фильтры должны иметь фильтрацию по симметричным и несимметричным путям распространения.
Необходимо предусмотреть отключение электросети от источника питания ОТС при исчезновении напряжения в сети, при отклонении параметров электропитания от норм, заданных в ТУ, и при появлении неисправностей в цепях электропитания.
Все металлические конструкции ОТС (шкафы, пульты, корпуса распределительных устройств и металлические оболочки кабелей) должны быть заземлены.
Заземление ОТС следу
|
Работа с удаленными базами данных |
Сигналы, наводки |
Программные и аппаратные закладки, несанкционированный доступ, компьютерные вирусы |
Криптозащита, специальное программное обеспечение, Оргтехмероприятия, антивирусная защита |
Таблица 3
Характеристики современных электронных средств съема информации
|
Устройство перехвата информации |
Место установки |
Дальность действия, м |
Стоимость |
Вероятность применения |
|
Контроль акустической информации |
||||
|
Радиомикрофон с передачей по телефону |
Телефонный аппарат, розетка |
200—500 |
Низкая |
Высокая |
|
Радиомикрофон с передачей по сети питания |
Устройства с сетевым питанием, розетки, удлинители |
До силового трансформатора |
Низкая |
Высокая |
|
Автономный радиомикрофон однократного действия |
Любое место в помещении |
50—200 |
Средняя |
Высокая |
|
Встроенный радиомикрофон |
Калькулятор, телефон, приемник, телевизор, ПК |
200—1000 |
Средняя |
Высокая |
|
Радиомикрофон длительного действия с аналоговой модуляцией и дистанционным управлением |
Строительные конструкции, элементы интерьера |
200—1000 |
Выше средней |
Высокая |
|
Радиомикрофон с цифровой передачей и кодированием |
Строительные конструкции, элементы интерьера |
200—1000 |
Высокая |
Средняя |
|
Радиомикрофон с цифровой передачей и кодированием и записью и сбросом информации в случае необходимости |
Строительные конструкции, элементы интерьера |
200—1000 |
Очень высокая |
Низкая |
|
Видеоконтроль помещений |
||||
|
Миниатюрная камера с передачей изображения по сети питания |
Различные электрические приборы |
10—30 |
Высокая |
Низкая |
|
Миниатюрная камера с передачей изображения по радиоканалу |
Предметы интерьера |
50—200 |
Высокая |
Средняя |
|
Контроль информации на мониторе ПК |
||||
|
Передатчик с модуляцией видеосигналом монитора |
Монитор ПК |
50—200 |
Высокая |
Средняя |
Схема возможных каналов утечки и несанкционированного доступа к информации в типовом одноэтажном офисе
1) утечка за счет структурного звука в стенах и перекрытиях,
2) съем информации с ленты принтера, плохо стертых дискет и т. п.,
3) съем информации с использованием видеозакладок,
4) npoграммно-аппаратные закладки и ПК,
5) радиозакладки в стенах и мебели,
6) съем информации по системе вентиляции,
7) лазерный съем акустической информации с окон,
8) производственные и технологические отходы,
9) компьютерные вирусы, логические бомбы и т. п.,
10) съем информации за счет наводок и "навязывания",
11) дистанционный съем видеоинформации (оптика),
12) съем акустической информации с использованием диктофонов,
13) хищение носителей информации,
14) высокочастотный канал угечки в бытовой технике,
15) съем информации направленным микрофоном ном,
16) внутренние каналы утечки информации (через обслуживающий персонал),
17) несанкционированное копирование,
18) утечка зa счет побочного излучения терминала,
19) съем информации за счет использования "телефон ого уха",
20) съем инфopмации с клавиатуры принтера по акустическому каналу,
21) съем информации с дисплея но электромагнитному у каналу,
22) визуальный съем информации с дисплея и принтера,
23) наводки нa линии коммуникаций и сторонние проводники ,
24) утечка через линии связи,
25) утечка но цепям заземления,
26) утечка по сети электрочасов,
27) утечка по трансляционной сети и громкоговорящей связи,
28) утечка по охранно-пожарной сигнализации,
29) утечка по сети,
30) утечка по сети отопления, газо и водоснабжения, электропитания
Список литературы
Гавриш В.Ф. Практическое пособие по защите коммерческой тайны. Симферополь: Таврида, 1994, с. 112.
Елисеев А.А. Средства защиты слаботочных линий. Специальная техника, 2000, № 1, с. 9 – 12.
Техника защиты: Каталог. С.-Петербург: Лаборатория ППШ, 2005, с. 14.
Устройства защиты слаботочных линий: Каталог. www.renom.ru
Устройство защиты телефонных “Барьер-М1”. Инструкция по эксплуатации. М.: ТОО “Энсанос”, 1998, с. 4.
Список литературы
Для подготовки данной применялись материалы сети Интернет из общего доступа