Расчёт частотных и временных характеристик линейных цепей
МИНИСТЕРСТВО ОБРАЗОВАНИЯ УКРАИНЫ
Харьковский государственный технический университет радиоэлектроники
Расчетно пояснительная записка
к курсовой работе
по курсу «Основы радиоэлектроники»
Тема: Расчёт частотных и временных характеристик линейных цепей
Вариант №34
|
Выполнил: студент группы БЭА 98 1 Дмитренко С.Н. |
Консультант: доц. Олейников А.Н. |
2000
СОДЕРЖАНИЕ
|
ВВЕДЕНИЕ |
3 |
|
ЗАДАНИЕ |
4 |
|
1 РАСЧЁТ КОМПЛЕКСНОГО ВХОДНОГО СОПРОТИВЛЕНИЯ ЦЕПИ |
5 |
|
1.1 Определение комплексного входного сопротивления цепи |
5 |
|
1.2 Определение активной составляющей комплексного входного сопротивления цепи |
6 |
|
1.3 Определение реактивной составляющей комплексного входного сопротивления цепи |
7 |
|
1.4 Определение модуля комплексного входного сопротивления цепи |
9 |
|
1.5 Определение аргумента комплексного входного сопротивления цепи |
10 |
|
2 РАСЧЁТ ЧАСТОТНЫХ ХАРАКТЕРИСТИК ЦЕПИ |
12 |
|
2.1 Определение комплексного коэффициента передачи цепи |
12 |
|
2.2 Определение амплитудно-частотной характеристики цепи |
12 |
|
2.3 Определение фазочастотной характеристики цепи |
14 |
|
3 РАСЧЕТ ВРЕМЕННЫХ ХАРАКТЕРИСТИК ЦЕПИ |
16 |
|
3.1 Определение переходной характеристики цепи |
16 |
|
3.2 Определение импульсной характеристики цепи |
19 |
|
3.3 Расчет отклика цепи на заданное воздействие методом интеграла Дюамеля |
22 |
|
ВЫВОДЫ |
27 |
|
СПИСОК ИСПОЛЬЗОВАНЫХ ИСТОЧНИКОВ |
28 |
ВВЕДЕНИЕ
Знание фундаментальных базовых дисциплин в подготовке и формировании будущего инженера-конструктора весьма велико.
Дисциплина «Основы радиоэлектроники» (ОРЭ) относится к числу базовых дисциплин. При изучении данного курса приобретаются теоретические знания и практические навыки по использованию этих знаний для расчета конкретных электрических цепей.
Основная цель курсовой работы – закрепление и углубление знаний по следующим разделам курса ОРЭ:
расчет линейных электрических цепей при гармоническом воздействием методом комплексных амплитуд;
частотные характеристики линейных электрических цепей;
временные характеристики цепей;
методы анализа переходных процессов в линейных цепях (классический, интегралы наложения).
Курсовая работа закрепляет знания в соответствующей области, а тем у кого никаких знаний нет предлагается их получить практическим методом – решением поставленных задач.
ЗАДАНИЕ
Вариант № 34
|
R1, Ом |
4,5 |
t1, мкс |
30 |
|
R2, Ом |
1590 |
I1, А |
7 |
|
R3, Ом |
1100 |
||
|
L, мкГн |
43 |
||
|
C, пФ |
18,8 |
||
|
Реакция |
|
Задание:
Определить комплексное входное сопротивление цепи.
Найти модуль, аргумент, активную и реактивную составляющие комплексного сопротивления цепи.
Расчет и построение частотных зависимостей модуля, аргумента, активной и реактивной составляющих комплексного входного сопротивления.
Определить комплексный коэффициент передачи цепи, построить графики амплитудно-частотной (АЧХ) и фазочастотной (ФЧХ) характеристик.
Определить классическим методом переходную характеристику цепи и построить ее график.
Найти импульсную характеристику цепи и построить ее график.
Рассчитать отклик цепи на заданное воздействие и построить график отклика.
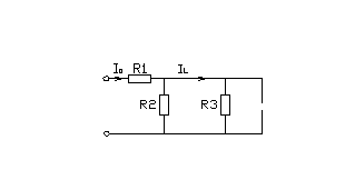
1 РАСЧЁТ КОМПЛЕКСНОГО ВХОДНОГО СОПРОТИВЛЕНИЯ ЦЕПИ
1.1 Определение комплексного входного сопротивления цепи
(1)
После подстановки числовых значений получим:

(2)
1.2 Определение активной составляющей комплексного входного сопротивления цепи
Из (2) видно, что активная составляющая комплексного входного сопротивления цепи равна:
|
|
(3) |
Результаты расчётов приведены в таблице 1.1, а кривая, построенная на основании результатов, имеет вид графика изображённого на рисунке 1.1
|
Таблица 1.1 |
Зависимость активной составляющей от частоты |
|
w, рад/c |
R(w), Ом |
|
0 |
654.6858736 |
|
1*10^7 |
644.7488512 |
|
2*10^7 |
628.547516 |
|
3*10^7 |
640.8052093 |
|
4*10^7 |
711.6552945 |
|
5*10^7 |
835.0124845 |
|
6*10^7 |
975.66653 |
|
7*10^7 |
1103.2978887 |
|
8*10^7 |
1206.27837 |
|
9*10^7 |
1285.1867918 |
|
1*10^8 |
1344.7103773 |
|
1.1*10^8 |
1389.7224921 |
|
1.2*10^8 |
1424.132605 |
|
1.3*10^8 |
1450.8140349 |
|
1.4*10^8 |
1471.8158424 |
|
1.5*10^8 |
1488.5909995 |
|
1.6*10^8 |
1502.175626 |
|
1.7*10^8 |
1513.316686 |
|
1.8*10^8 |
1522.5598201 |
|
1.9*10^8 |
1530.3091743 |
|
2*10^8 |
1536.8682451 |
|
2.1*10^8 |
1542.4679891 |
|
2.2*10^8 |
1547.2863847 |
|
2.3*10^8 |
1551.4622108 |
|
2.4*10^8 |
1555.104878 |
|
2.5*10^8 |
1558.3015308 |
|
2.6*10^8 |
1561.1222429 |
|
2.7*10^8 |
1563.623861 |
|
2.8*10^8 |
1565.8528828 |
|
2.9*10^8 |
1567.8476326 |
|
3*10^8 |
1569.6399241 |
|
3.1*10^8 |
1571.2563425 |
|
3.2*10^8 |
1572.7192423 |
|
3.3*10^8 |
1574.04753 |
|
3.4*10^8 |
1575.2572835 |
|
3.5*10^8 |
1576.3622454 |
|
3.6*10^8 |
1577.3742185 |
|
3.7*10^8 |
1578.3033862 |
|
3.8*10^8 |
1579.1585717 |
|
3.9*10^8 |
1579.9474512 |
|
4*10^8 |
1580.676728 |
|
4.1*10^8 |
1581.3522774 |
|
4.2*10^8 |
1581.9792664 |
|
4.3*10^8 |
1582.5622541 |
|
4.4*10^8 |
1583.1052755 |
|
4.5*10^8 |
1583.6119126 |
|
4.6*10^8 |
1584.0853538 |
|
4.7*10^8 |
1584.5284451 |
|
4.8*10^8 |
1584.9437332 |
|
4.9*10^8 |
1585.3335025 |
|
5*10^8 |
1585.699807 |
|
|
1594.5 |

Рисунок 1.1 Зависимость активной составляющей от частоты; размерность R(w) – Ом, w – рад/с
1.3 Определение реактивной составляющей комплексного входного сопротивления цепи
Из (2) видно, что реактивная составляющая комплексного входного сопротивления цепи равна:
|
|
(4) |
Результаты расчётов приведены в таблице 1.2, а кривая, построенная на основании результатов, имеет вид графика изображённого на рисунке 1.2
|
Таблица 1.2 |
Зависимость реактивной составляющей от частоты |
|
w, рад/с |
X(w), Ом |
|
0 |
0 |
|
2.5*10^7 |
246.0721781 |
|
7.5*10^7 |
621.5367231 |
|
1*10^8 |
537.3271164 |
|
1.5*10^8 |
383.2305778 |
|
1.75*10^8 |
331.4740341 |
|
2.25*10^8 |
259.7380449 |
|
2.5*10^8 |
234.1512213 |
|
3*10^8 |
195.4771722 |
|
3.25*10^8 |
180.5329631 |
|
3.5*10^8 |
167.7003466 |
|
3.75*10^8 |
156.564089 |
|
4*10^8 |
146.8103054 |
|
4.5*10^8 |
130.5374047 |
|
4.75*10^8 |
123.6804004 |
|
5*10^8 |
117.5068169 |
|
5.25*10^8 |
111.9195119 |
|
5.75*10^8 |
102.199084 |
|
6*10^8 |
97.9451927 |
|
6.5*10^8 |
90.4174982 |
|
6.75*10^8 |
87.071266 |
|
7.25*10^8 |
81.070308 |
|
7.5*10^8 |
78.3695601 |
|
8*10^8 |
73.4739969 |
|
8.25*10^8 |
71.2485584 |
|
8.75*10^8 |
67.1789125 |
|
9*10^8 |
65.313547 |
|
9.5*10^8 |
61.8771764 |
|
1*10^9 |
58.7842651 |
|
|
0 |
Рисунок 1.2 Зависимость реактивной составляющей от частоты; размерность X(w) – Ом, w – рад/с
1.4 Определение модуля комплексного входного сопротивления цепи
Модуль комплексного входного сопротивления цепи:
|
|
(5) |
Подставляя выражения (3) и (4) получим:
|
|
(6) |
Результаты расчётов приведены в таблице 1.3, а кривая, построенная на основании результатов, имеет вид графика изображённого на рисунке 1.3
|
Таблица 1.3 |
Зависимость модуля от частоты |
|
w, рад/с |
ModZ(w), Ом |
|
0 |
654.6858736 |
|
1*10^7 |
649.2212009 |
|
1.42*10^7 |
647.35766 min |
|
3*10^7 |
715.7636509 |
|
4*10^7 |
849.7354647 |
|
6*10^7 |
1158.5565761 |
|
7*10^7 |
1270.5610656 |
|
9*10^7 |
1407.7765634 |
|
1*10^8 |
1448.0906149 |
|
1.2*10^8 |
1498.7078464 |
|
1.3*10^8 |
1514.9060929 |
|
1.5*10^8 |
1537.1300659 |
|
1.6*10^8 |
1544.9118415 |
|
2*10^8 |
1564.25307 |
|
2.1*10^8 |
1567.2999067 |
|
2.3*10^8 |
1572.1477461 |
|
2.4*10^8 |
1574.0946495 |
|
2.6*10^8 |
1577.2894385 |
|
2.7*10^8 |
1578.6096652 |
|
2.9*10^8 |
1580.827954 |
|
3*10^8 |
1581.7650952 |
|
3.2*10^8 |
1583.3693222 |
|
3.3*10^8 |
1584.059005 |
|
3.5*10^8 |
1585.257498 |
|
3.6*10^8 |
1585.7801122 |
|
3.8*10^8 |
1586.699579 |
|
3.9*10^8 |
1587.1052533 |
|
4.1*10^8 |
1587.8264025 |
|
4.2*10^8 |
1588.1477312 |
|
4.4*10^8 |
1588.7239824 |
|
4.5*10^8 |
1588.9829149 |
|
4.6*10^8 |
1589.2246865 |
|
4.7*10^8 |
1589.4507882 |
|
4.8*10^8 |
1589.6625517 |
|
4.9*10^8 |
1589.8611698 |
|
5*10^8 |
1590.0477131 |
|
|
1594.5 |
Рисунок 1.3 Зависимость модуля от частоты; размерность ModZ(w) – Ом,
w – рад/с
1.5 Определение аргумента комплексного входного сопротивления цепи
Аргумент комплексного входного сопротивления цепи:
|
|
(7) |
Подставляя выражения (3) и (4) получим:
|
|
(8) |
Результаты расчётов приведены в таблице 1.4, а кривая, построенная на основании результатов, имеет вид графика изображённого на рисунке 1.4
|
Таблица 1.4 |
Зависимость аргумента от частоты |
|
w, рад/c |
ArgZ(w),рад |
|
0 |
0 |
|
1*10^7 |
0.1174454 |
|
2*10^7 |
0.2790074 |
|
3*10^7 |
0.4617485 |
|
4*10^7 |
0.5781004 |
|
5*10^7 |
0.6013055 |
|
6*10^7 |
0.5695574 |
|
7*10^7 |
0.5189209 |
|
8*10^7 |
0.4671155 |
|
9*10^7 |
0.4204151 |
|
1*10^8 |
0.3801492 |
|
1.3*10^8 |
0.2919224 |
|
1.4*10^8 |
0.2705269 |
|
1.6*10^8 |
0.2357585 |
|
1.8*10^8 |
0.2088236 |
|
1.9*10^8 |
0.1975292 |
|
2*10^8 |
0.1873925 |
|
2.2*10^8 |
0.1699518 |
|
2.3*10^8 |
0.1623974 |
|
2.4*10^8 |
0.1554881 |
|
2.6*10^8 |
0.1433007 |
|
2.7*10^8 |
0.1378992 |
|
2.8*10^8 |
0.1328918 |
|
3*10^8 |
0.1238984 |
|
3.2*10^8 |
0.1160497 |
|
3.3*10^8 |
0.1124883 |
|
3.4*10^8 |
0.1091398 |
|
|
0 |
Рисунок 1.3 Зависимость аргумента от частоты; размерность ArgZ(w) – рад,
w – рад/с
2 РАСЧЁТ ЧАСТОТНЫХ ХАРАКТЕРИСТИК ЦЕПИ
2.1 Определение комплексного коэффициента передачи цепи
Комплексный коэффициент передачи цепи:
-

(9)
Предположим, входной ток есть, тогда:
(10)
Подставляя выражение (10) в (9) получим:
-

(11)
2.2 Определение амплитудно-частотной характеристики цепи
Амплитудно-частотная характеристика (АЧХ):
-
,(12)
где:
(13), а
(14)
Подставляя числовые значения в выражения (13) и (14), а затем в (12) получим:
(15)
Результаты расчётов приведены в таблице 2.1, а кривая, построенная на основании результатов, имеет вид графика изображённого на рисунке 2.1
|
Таблица 2.1 |
Зависимость ModK(jw) от частоты |
|
w, рад/с |
ModK(jw) |
|
0 |
0.5910781 |
|
1*10^7 |
0.5992408 |
|
2*10^7 |
0.6179827 |
|
3*10^7 |
0.6324491 |
|
4*10^7 |
0.6273599 |
|
5*10^7 |
0.5983093 |
|
7*10^7 |
0.5024911 |
|
8*10^7 |
0.4538942 |
|
9*10^7 |
0.4104007 |
|
1*10^8 |
0.3726731 |
|
1.1*10^8 |
0.3403078 |
|
1.3*10^8 |
0.2887096 |
|
1.4*10^8 |
0.2680577 |
|
1.5*10^8 |
0.2500606 |
|
1.6*10^8 |
0.2342674 |
|
1.7*10^8 |
0.2203143 |
|
1.9*10^8 |
0.1968111 |
|
2*10^8 |
0.186831 |
|
2.1*10^8 |
0.1778097 |
|
2.2*10^8 |
0.169617 |
|
2.3*10^8 |
0.1621448 |
|
2.4*10^8 |
0.1553027 |
|
2.5*10^8 |
0.1490146 |
|
2.7*10^8 |
0.1378528 |
|
2.8*10^8 |
0.132877 |
|
3*10^8 |
0.1239321 |
|
3.1*10^8 |
0.1198974 |
|
3.2*10^8 |
0.1161177 |
|
3.3*10^8 |
0.1125694 |
|
3.4*10^8 |
0.109232 |
|
3.5*10^8 |
0.1060873 |
|
3.6*10^8 |
0.1031189 |
|
3.8*10^8 |
0.097655 |
|
3.9*10^8 |
0.0951351 |
|
4*10^8 |
0.0927421 |
|
4.1*10^8 |
0.0904669 |
|
4.2*10^8 |
0.0883008 |
|
4.3*10^8 |
0.0862362 |
|
4.4*10^8 |
0.0842662 |
|
4.6*10^8 |
0.0805848 |
|
4.7*10^8 |
0.0788623 |
|
4.8*10^8 |
0.0772121 |
|
4.9*10^8 |
0.0756296 |
|
5*10^8 |
0.0741108 |
|
5.1*10^8 |
0.0726519 |
|
5.2*10^8 |
0.0712494 |
|
5.4*10^8 |
0.0686011 |
|
5.5*10^8 |
0.0673495 |
|
5.6*10^8 |
0.0661428 |
|
5.7*10^8 |
0.0649787 |
|
5.8*10^8 |
0.0638548 |
|
5.9*10^8 |
0.0627693 |
|
6*10^8 |
0.0617201 |
|
|
0 |

Рисунок 2.1 АЧХ цепи; размерность w – рад/с, ModK(w) – безразмерная величина
2.3 Определение фазочастотной характеристики цепи
Фазочастотная характеристика цепи (ФЧХ):
|
|
(16) |
Подставляя числовые значения в (16) получим:
|
|
(17) |
Результаты расчётов приведены в таблице 2.2, а кривая, построенная на основании результатов, имеет вид графика изображённого на рисунке 2.2
|
Таблица 2.2 |
Зависимость ArgK(jw) от частоты |
|
w, рад/с |
ArgK(jw), рад |
|
0 |
0 |
|
1*10^7 |
-0.0799271 |
|
3*10^7 |
-0.3226808 |
|
5*10^7 |
-0.6462386 |
|
7*10^7 |
-0.9086729 |
|
9*10^7 |
-1.0769648 |
|
1.1*10^8 |
-1.1826898 |
|
1.3*10^8 |
-1.2524606 |
|
1.5*10^8 |
-1.3011954 |
|
1.7*10^8 |
-1.3369474 |
|
1.9*10^8 |
-1.3642366 |
|
2.1*10^8 |
-1.3857381 |
|
2.3*10^8 |
-1.4031184 |
|
2.5*10^8 |
-1.4174637 |
|
2.7*10^8 |
-1.42951 |
|
2.9*10^8 |
-1.4397731 |
|
3.1*10^8 |
-1.4486249 |
|
3.3*10^8 |
-1.4563401 |
|
3.5*10^8 |
-1.4631264 |
|
3.7*10^8 |
-1.4691435 |
|
3.9*10^8 |
-1.4745161 |
|
4.1*10^8 |
-1.4793434 |
|
4.3*10^8 |
-1.483705 |
|
4.6*10^8 |
-1.4895127 |
|
4.8*10^8 |
-1.492969 |
|
5*10^8 |
-1.4961411 |
|
5.2*10^8 |
-1.4990628 |
|
5.4*10^8 |
-1.5017629 |
|
5.6*10^8 |
-1.5042658 |
|
5.8*10^8 |
-1.5065924 |
|
6*10^8 |
-1.5087609 |
|
|
-1,5707963 |
Рисунок 2.2 ФЧХ цепи; размерность ArgK(w) – рад, w – рад/с
3 РАСЧЕТ ВРЕМЕННЫХ ХАРАКТЕРИСТИК ЦЕПИ
3.1 Определение переходной характеристики цепи
Переходная характеристика цепи:
|
h(t)=hпр(t)+hсв(t) |
(18) |
Т.к. воздействие – ток, а реакция – ток на индуктивности, следует (см. рисунок 3.1):
|
|
(19) |
г
де
Io
– единичный скачок тока.
Для определения режима переходного процесса запишем входное сопротивление в операторной форме:
Рисунок 3.1 Эквивалентная схема при t стремящемся к бесконечности
|
|
(20) |
Приравнивая знаменатель к нулю, после несложных преобразований получим:
или
,
где:
|
|
(21) |
|
|
(22) |
Т.к.
,
следует режим колебательный,
а значит:
|
|
(23) |
|
где:
|
(24) |
–
угловая
частота затухающих свободных колебаний
в контуре, А и
постоянные интегрирования.
Для
определения постоянных интегрирования
составим два уравнения для начальных
значений
(+0)
и
(+0):
(25),
(26) (см.
рисунок 3.2),
(27),
т.к. в момент комутации напряжение на сопротивлении R2 равно напряжению на индуктивности (см. рисунок 3.2).
|
|
(28) |
|
|
(29) |
Рисунок 3.2 – Эквивалентная схема в момент коммутации
Подставляя выражения (19), (21), (23), (24), (26), (27), (28), (29) в (25) получим:
|
|
(30) |
|
|
|
(31) |
|
|
|
(32) |
|
(33)
Результаты расчётов приведены в таблице 3.1, а кривая, построенная на основании результатов, имеет вид графика изображённого на рисунке 3.3
|
Таблица 3.1 |
Расчёт переходной характеристики |
|
t, с |
h(t) |
|
0 |
0 |
|
1.00e-8 |
0.303504193 |
|
2.00e-8 |
0.489869715 |
|
4.00e-8 |
0.632067650 |
|
5.00e-8 |
0.642131278 |
|
7.00e-8 |
0.624823543 |
|
8.00e-8 |
0.613243233 |
|
1.00e-7 |
0.597388596 |
|
1.10e-7 |
0.593357643 |
|
1.30e-7 |
0.590241988 |
|
1.40e-7 |
0.590004903 |
|
1.70e-7 |
0.590600383 |
|
1.90e-7 |
0.590939689 |
|
2.00e-7 |
0.591026845 |
|
2.20e-7 |
0.591095065 |
|
2.30e-7 |
0.591100606 |
|
2.50e-7 |
0.591093538 |
|
2.60e-7 |
0.591088357 |
|
2.80e-7 |
0.591081098 |
|
3.00e-7 |
0.591078184 |
|
|
0.591078066 |

Рисунок 3.3 – Переходная характеристика цепи; размерность t – сек,
h(t) – безразмерная величина
Как
видно из рисунка 3.3, свободные колебания
затухают достаточно быстро; при таком
масштабе рисунка видны колебания в
течение, примерно, одного периода
свободных колебаний (
),
однако переходной процесс длится
немного дольше, а спустя 0,3 мкс колебаниями
можно пренебречь т.к. они достаточно
малы (см. таблицу 3.1) и считать переходной
процесс завершенным.
3.2 Определение импульсной характеристики цепи
Импульсная характеристики цепи:
|
|
(34), |
|
(35), |
где 1(t) – единичная функция.
Подставляя (33) в (35) находим:
|
|
(36) |
Результаты расчётов приведены в таблице 3.2, а кривая, построенная на основании результатов, имеет вид графика изображённого на рисунке 3.4 и 3.5

Рисунок 3.4 – Импульсная характеристика цепи в крупном масштабе; размерность t – сек, g(t) – безразмерная величина
Оба графика имеют одну и ту же шкалу времени, поэтому можно оценить, насколько быстро затухают колебания, и во сколько раз уменьшается их амплитуда за ничтожный промежуток времени.
|
Таблица 3.2 |
Расчёт импульсной характеристики |
|
t, c |
g(t) |
|
0 |
3.697e7 |
|
4.0e-8 |
2.299e6 |
|
6.0e-8 |
-9.911e5 |
|
8.0e-8 |
-1.066e6 |
|
1.0e-7 |
-5.184e5 |
|
1.2e-7 |
-1.460e5 |
|
1.4e-7 |
-1.503e3 |
|
1.8e-7 |
1.697e4 |
|
2.0e-7 |
6.486e3 |
|
2.2e-7 |
1.167e3 |
|
2.4e-7 |
-412.634 |
|
2.6e-7 |
-482.050 |
|
2.8e-7 |
-240.781 |
|
3.0e-7 |
-70.193 |
|
3.2e-7 |
-2.270 |
|
3.6e-7 |
7.780 |
|
3.8e-7 |
3.053 |
|
4.0e-7 |
0.587 |
|
4.2e-7 |
-0.169 |
|
4.4e-7 |
-0.218 |
|
4.6e-7 |
-0.112 |
|
4.8e-7 |
-0.034 |
|
5.0e-7 |
-1.775e-3 |
|
5.4e-7 |
3.561e-3 |
|
5.6e-7 |
1.434e-3 |
|
5.8e-7 |
2.930e-4 |
|
6.0e-7 |
-6.843e-5 |
|
6.2e-7 |
-9.799e-5 |
|
6.4e-7 |
-5.175e-5 |
|
6.6e-7 |
-1.610e-5 |
|
7.0e-7 |
2.166e-6 |
|
7.4e-7 |
6.730e-7 |
|
7.6e-7 |
1.453e-7 |
|
7.8e-7 |
-2.702e-8 |
|
8.0e-7 |
-4.405e-8 |
|
|
0 |
Рисунок 3.5 – Импульсная характеристика в более мелком масштабе
; размерность t – сек, g(t) – безразмерная величина
3.3 Расчет отклика цепи на заданное воздействие методом интеграла Дюамеля
При кусочно-непрерывной форме воздействия отклик необходимо искать для каждого из интервалов времени отдельно.
При применении интеграла Дюамеля с использованием переходной характеристики h(t) отклик:
при

|
|
(37) |
где:
y(x) – аналитическое выражение описывающее воздействие (см. рисунок 3.6)

составим аналитическое выражение y(x):
|
x |
y |
|
0 |
0 |
|
3*10^-5 |
7 |
|
|
(38) |
|
Рисунок 3.6 – График воздействия |
|
(39) |
Подставляя выражения (33), (39) в(37) и учитывая, что y(0)=0 получим:


Результаты расчётов приведены в таблице 3.3, а кривая, построенная на основании результатов, имеет вид графика изображённого на рисунке 3.7 и 3.8
|
Таблица 3.3 |
Расчёт
отклика при
|
|
t, c |
i(t), А |
|
0 |
0 |
|
1.0e-6 |
0.136879881 |
|
2.0e-6 |
0.274798097 |
|
3.0e-6 |
0.412716312 |
|
5.0e-6 |
0.688552743 |
|
6.0e-6 |
0.826470958 |
|
7.0e-6 |
0.964389174 |
|
9.0e-6 |
1.240225604 |
|
1.0e-5 |
1.378143820 |
|
1.1e-5 |
1.516062035 |
|
1.3e-5 |
1.791898466 |
|
1.4e-5 |
1.929816681 |
|
1.5e-5 |
2.067734897 |
|
1.7e-5 |
2.343571328 |
|
1.8e-5 |
2.481489543 |
|
1.9e-5 |
2.619407758 |
|
2.1e-5 |
2.895244189 |
|
2.2e-5 |
3.033162405 |
|
2.3e-5 |
3.171080620 |
|
2.5e-5 |
3.446917051 |
|
2.6e-5 |
3.584835266 |
|
2.7e-5 |
3.722753482 |
|
2.8e-5 |
3.860671697 |
|
2.9e-5 |
3.998589912 |
|
3.0e-5 |
4.136508126 |
Р
исунок
3.7 – Отклик цепи при
в крупном масштабе; размерность
t
– сек,
i(t) – Ампер
Рисунок
3.8 Отклик цепи при
в более мелком масштабе; размерность
t – сек, i(t) – Ампер
Поскольку данный график содержит ось времени от 0 до t1, да плюс, как мы увидели по переходной характеристике, затухание происходит очень быстро, увидеть в таком масштабе колебания нельзя. На рисунке 3.8 ось времени содержит значения от 0 и до 2*10^-7 секунд, на этом графике хоть и слабо, но все же видно, что нарастание вначале нелинейное.
при


Результаты расчётов приведены в таблице 3.4, а кривая, построенная на основании результатов, имеет вид графика изображённого на рисунке 3.9
|
Таблица 3.4 |
Расчёт
отклика при
|
|
t, c |
i(t), А |
|
3.e-5 |
4.136508126 |
|
3.001e-5 |
2.012978646 |
|
3.002e-5 |
0.708853559 |
|
3.004e-5 |
-0.286479932 |
|
3.006e-5 |
-0.316233940 |
|
3.007e-5 |
-0.236089753 |
|
3.009e-5 |
-0.089807225 |
|
3.010e-5 |
-0.044172156 |
|
3.011e-5 |
-0.015965080 |
|
3.012e-5 |
-7.804401718e-4 |
|
3.015e-5 |
6.723438063e-3 |
|
3.016e-5 |
5.056128946e-3 |
|
3.017e-5 |
3.342384970e-3 |
|
3.019e-5 |
9.685895329e-4 |
|
3.020e-5 |
3.587128387e-4 |
|
3.022e-5 |
-1.187888560e-4 |
|
3.024e-5 |
-1.428833579e-4 |
|
3.025e-5 |
-1.082465352e-4 |
|
3.026e-5 |
-7.200797423e-5 |
|
3.028e-5 |
-2.122389760e-5 |
|
3.029e-5 |
-8.042151551e-6 |
|
3.030e-5 |
-8.306802357e-7 |
|
|
0 |
Р
исунок
3.9 – Отклик цепи при
;
размерность t
– сек, i(t)
– Ампер
Т
аким
образом, отклик на заданное воздействие
имеет вид графика изображенного на
рисунке 3.10
Рисунок 3.10 – Отклик цепи; размерность t – сек, i(t) Ампер
ВЫВОДЫ
В процессе выполнения курсовой работы вопросов появляется больше, чем пунктов в задании. Одними из них является семейство вопросов о размерности коэффициентов и промежуточных величин при расчете переходной характеристики, а также размерность ее производной и т.д.
В план закрепления материала, на мой взгляд, идут только первые четыре задания, поскольку с такого рода задачами мы встречались, а последние три задания представляют особую важность, их приходится не закреплять – в них приходится разбираться.
Достоинством данной курсовой работы является подбор в ней заданий, они не являются нудными и однообразными как, например, курсовые по механике, в которых все одно и тоже и в пять раз больше.
СПИСОК ИСПОЛЬЗОВАНЫХ ИСТОЧНИКОВ
В. П. Шинкаренко, П. Ф. Лебедев. Методические указания к курсовой работе по курсу « Теория электрических и магнитных цепей». Харьков: «ХГТУРЭ», 1993.
Т. А. Глазенко, В. А. Прянишников. Электротехника и основы электроники. – М.: «Высшая школа», 1985.
Г. И. Атабеков. Теоретические основы электротехники. – М.: «Энергия», 1978.
Н. В. Зернов, В. Г. Карпов. Теория радиотехнических цепей. – Л.: «Энергия», 1972.










,
,
(рад/с)
,
(рад/с)








,
