Устройство наддувного дизельного двигателя КамАЗ-7403.10
#ÒÅÌÀ: Óñòðîéñòâî íàääóâíîãî äèçåëüíîãî äâèãàòåëÿ ÊàìÀÇ-7403.10 #ÐÀÇÄÅË: 22 (ÒÅÕÍÈÊÀ) #ÍÀÇHÀ×ÅÍÈÅ: êóðñîâàÿ ðàáîòà #ÔÎÐÌÀÒ: WinWord :) #ÀÂÒÎÐ: Ñåðãåé "Äîìîâîé" Êóçíåöîâ, ìûëî: domovoy@pochtamt.ru #ÑÄÀÂÀËÑß: 12.04.2000 Ï.Í. "Ïàøå-òåëåâèçîðó" Ìàëûøåâó, ÂîÃÒÓ, êàô. ÀèÀÕ, "îòë." ;) #ÏÐÈÌÅ×ÀÍÈß: õîðîøî áû êàðòèíîê äîáàâèòü, òàì â ñâîéñòâàõ ôàéëà ðàñïîäðîáíåéøèå óêàçàíèÿ åñòü. Ïî íàääóâíèêó âîîáùå-òî íàéòè ñëîæíî êàðòèíêè, õîòÿ òàì èõ âñåãî-òî íè÷åãî: îáùèé âèä, òóðáîêîìïðåññîð, âïóñêíàÿ ñèñòåìà, äà âûïóñêíàÿ, îñòàëüíîå (ìîæåò ÷òî çàáûë, èçâèíÿéòå :)) - âçàèìîçàìåíÿåìûå ñ ÊàìÀÇ-740 (ñ àòìîñôåðíûì äèçåëåì).
1
Содержание.
Техническое описание. 2
Техническая характеристика двигателя. 3
Блок цилиндров и привод агрегатов. 4
Кривошипно-шатунный механизм. 4
Механизм газораспределения. 7
Система смазки. 10
Система питания топливом. 13
Характеристика топливной аппаратуры. 13
Системы питания двигателя воздухом и выпуска отработавших газов. 21
Техническая характеристика турбокомпрессора ТКР7Н-1. 25
Система охлаждения. 25
Электрофакельное устройство. 30
Техническая характеристика деталей ЭФУ. 32
Список литературы: 33
ДВИГАТЕЛЬ КамАЗ-7403.10
Техническое описание.
На автомобилях КамАЗ-53212 и -54112 может быть установлен четырёхтактный восьмицилиндровый V-образный дизельный двигатель КамАЗ-7403.10 (рис. 1), отличающийся высокой мощностью, надёжностью и повышенным ресурсом благодаря применению:
поршней, отлитых из высококремнистого алюминиевого сплава с чугунной упрочняющей вставкой под верхнее компрессионное кольцо и коллоидно-графитным приработочным покрытием юбки;
поршневых колец с хромовым и молибденовым покрытием боковых поверхностей;
азотированного или упрочнённого индукционной закалкой коленчатого вала;
трёхслойных тонкостенных сталебронзовых вкладышей коренных и шатунных подшипников;
закрытой системы охлаждения, заполняемой низкозамерзающей охлаждающей жидкостью, с автоматическим регулированием температурного режима, гидромуфтой привода вентилятора и термостатами;
высокоэффективных бумажных фильтрующих элементов для фильтрации масла, топлива и воздуха;
гильз цилиндров, объемно-закаленных и обработанных плосковершинным хонингованием;
электрофакельного устройства подогрева воздуха, обеспечивающего надёжный пуск двигателя при отрицательных температурах окружающего воздуха до -25 С.
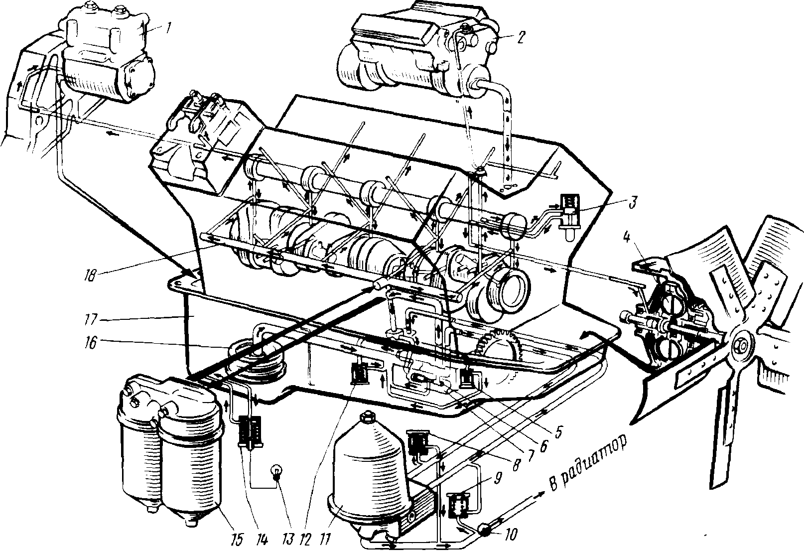
Рис. 1. Двигатель КамАЗ-7403.10 с турбонаддувом:
1 – коллектор выпускной; 2 – стартер; 3 – крышка головки цилиндра; 4 – картер масляный; 5 – кронштейн рычага переключения передач; 6 – насос водяной; 7 – крыльчатка вентилятора; 8 – ремни привода; 9 – фильтр центробежный масляный; 10 – генератор; 11, 25 – кронштейны; 12 – рычаг переключения передач; 13 – патрубок объединительный; 14 – крышка регулятора ТНВД; 15, 22 – свечи факельные; 16 – клапан электромагнитный; 17, 23 – коллекторы впускные; 18 – фильтр тонкой очистки топлива; 19 – компрессор; 20, 26 – турбокомпрессоры; 21 – бачок насоса гидроусилителя рулевого управления; 24 – патрубок.
Техническая характеристика двигателя.
|
Модель Тип Число цилиндров Расположение цилиндров Порядок работы цилиндров Направление вращения коленчатого вала Диаметр цилиндров и ход поршня Рабочий объём, л Степень сжатия Гарантируемая мощность, л. с. Частота вращения коленчатого вала при гарантируемой мощности, об/мин Максимальный крутящий момент, кгс*м Частота вращения при максимальном крутящем моменте, об/мин Частота вращения холостого хода, не более, об/мин: минимальная максимальная Удельный расход топлива, г/л.с.*ч (по скоростной характеристике рис. 2): минимальный максимальный Фазы газораспределения: открытие впускного клапана закрытие ---//---//---//---//---//--- открытие выпускного клапана закрытие ---//---//---//---//---//--- Число клапанов на цилиндр Давление масла в прогретом двигателе, кгс/см2, при частоте вращения: номинальной минимальной холостого хода, не менее Масса силового агрегата, кг не заправленного двигателя, кг Форсунки (закрытого типа) Давление начала подъёма иглы форсунки, МПа: бывшей в эксплуатации новой (заводской регулировки) Система наддува |
КамАЗ-7403.10 4-тактный с воспламенением от сжатия 8 V-образное, угол развала 90 1-5-4-2-6-3-7-8 правое 120120 10,85 16 260 2600 80 1600-1800 600 2930 160 175 13 до в.м.т. 49 после н.м.т. 66 до н.м.т. 10 после в.м.т. один впускной и один выпускной 4,0-5,5 1 1120 730 модели 271 21,5 23,524,2 газотурбинная с двумя турбокомпрессорами |
Рис. 2. Внешняя скоростная характеристика двигателей КамАЗ-7403.10 и КамАЗ-740.10:
N>e> – эффективная мощность; M>кр> – крутящий момент; n – частота вращения; q>e> – удельный расход топлива.
Блок цилиндров и привод агрегатов.
Блок цилиндров отлит из легированного серого чугуна заодно с верхней частью картера. Картерная часть блока связана с крышками коренных опор поперечными болтами-стяжками, что придает прочность конструкции. Для увеличения продольной жесткости наружные стенки блока выполнены криволинейными. Бобышки болтов крепления головок цилиндров представляют собой приливы на поперечных стенках, образующих водяную рубашку блока.
Левый ряд цилиндров смещен относительно правого вперед на 29,5 мм, что вызвано установкой на одной кривошипной шейке коленчатого вала двух шатунов.
Спереди к блоку крепится крышка, закрывающая гидромуфту привода вентилятора, сзади – картер маховика, который служит крышкой механизма привода агрегатов, расположенного на заднем торце блока.
Гильзы цилиндров - "мокрого" типа, легкосъемные, изготовлены из специального чугуна центробежным литьем, объемно закалены для повышения износостойкости.
Зеркало гильзы обработано плосковершинным хонингованием для получения сетки впадин и площадок под углом к оси гильзы. Такая обработка способствует удержанию масла во впадинах и лучшей прирабатываемости гильзы.
В соединении гильза – блок цилиндров водяная полость уплотнена резиновыми кольцами круглого сечения. В верхней части установлено кольцо под бурт в проточку гильзы, в нижней части – два кольца в расточки блока.
Привод агрегатов – шестереночный с прямозубыми шестернями (рис. 3). Газораспределительный механизм приводится в действие от ведущей шестерни 24, установленной с натягом на хвостовике коленчатого вала, через блок промежуточных шестерен 2 и 21 который вращается на сдвоенном коническом роликоподшипнике. Шестерня 13 распределительного вала установлена на хвостовик вала с натягом. При сборке надо следить, чтобы метки на торце шестерен, находящихся в зацеплении, были совмещены.
Привод топливного насоса высокого давления осуществляется от шестерни 12, находящейся в зацеплении с шестерней распределительного вала. Вращение к топливному насосу высокого давления передается через ведущую и ведомую полумуфты с упругими пластинами, которые компенсируют несоосность.
С шестерней привода топливного насоса находятся в зацеплении шестерня привода компрессора и шестерня привода насоса гидроусилителя рулевого управления.
Моменты затяжки болтов крепления оси промежуточных шестерён равен 49,160,8 Н*м (56,2 кгс*м), болта крепления роликоподшипника 88,398,1 Н*м (910 кгс*м).
Окружной зазор в шестернях привода агрегатов 0,10,3 мм.
Кривошипно-шатунный механизм.
Коленчатый вал (рис. 4) – стальной, изготовлен горячей штамповкой, упрочен азотированием или закалкой токами высокой частоты шатунных и коренных шеек. Он имеет пять коренных опор и четыре шатунные шейки. В шатунных шейках вала выполнены внутренние полости, закрытые заглушками 3, где масло подвергается дополнительной центробежной очистке. Для сбора загрязнений установлены втулки 8. Полости шатунных шеек сообщаются наклонными отверстиями с поперечными каналами в коренных шейках.
На носке и хвостовике коленчатого вала установлены: шестерня 2 привода масляного насоса и ведущая шестерня 5 в сборе с маслоотражателем 6. Выносные противовесы 1 и 4 съемные, закреплены на валу прессовой посадкой.
Осевые перемещения коленчатого вала ограничены четырьмя сталеалюминевыми полукольцами, установленными в проточках задней коренной опоры так, чтобы сторона с канавками прилегала к упорным торцам вала, а ус кольца входил в паз на крышке заднего коренного подшипника. Хвостовик коленчатого вала уплотнен резиновым самоподжимным сальником, установленным в картере маховика.
Маховик (рис. 5) из серого специального чугуна закреплен болтами 6 на заднем торце коленчатого вала и зафиксирован двумя штифтами и установочной втулкой 8. Зубчатый венец 1 посажен на маховик по горячепрессовой посадке и служит для пуска двигателя стартером. Число зубьев венца маховика 113.
Рис. 3. Блок распределительных шестерен:
1 – болт М 121,2590; 2, 21 - шестерни промежуточные; 3 – болт; 4 – шайба пружинная; 5 – манжета; 6 – корпус заднего подшипника; 7 – прокладка; 8 – сухарь; 9 - вал шестерни привода топливного насоса высокого давления; 10, 20 – шпонки; 12 – шестерня привода ТНВД; 13 – вал распределительный в сборе с шестерней; 14 – шайба упорная; 16 – ось ведущей шестерни; 17 – шайба; 18 –болт М 101,2525; 19 – подшипник роликовый конический двухрядный; 22 – кольцо упорное; 23 – кольцо стопорное; 24 – шестерня ведущая коленчатого вала.
Рис. 4. Коленчатый вал в сборе:
1 – передний противовес; 2 – шестерня привода масляного насоса; 3 – заглушка; 4 – задний противовес; 5 – ведущая шестерня; 6 – маслоотражатель; 7 – коленчатый вал; 8 – втулка; 9 – винт-заглушка.
На наружной поверхности маховика имеется паз под фиксатор маховика, который используется при регулировании двигателя.
Шатуны 3 (рис. 6) – стальные, двутаврового сечения; нижняя головка выполнена с прямым плоским разъемом. Шатун окончательно обработан в сборе с крышкой 5, поэтому крышки шатунов невзаимозаменяемы. На крышке и шатуне нанесены метки спаренности 7 в виде трехзначных порядковых номеров. При сборке метки на шатуне и крышке должны находиться с одной стороны. Кроме того, на крышке шатуна выбит порядковый номер цилиндра. На каждой шатунной шейке коленчатого вала установлено по два шатуна. Подшипниками скольжения служат втулка 2 из биметаллической ленты в верхней головке шатуна и съемные взаимозаменяемые вкладыши 8 – в нижней. Крышка шатуна закреплена двумя шатунными болтами 4 с гайками 6.
Рис. 5. Маховик:
1 – зубчатый венец; 2 – фиксатор маховика; 3 – маховик; 4, 8 – установочные втулки; 5 – сухарь отжимного рычага сцепления; 6 – болт крепления маховика; 7 – пружинное опорное кольцо; 9 – манжета ведущего вала коробки передач.
Рис. 6. Шатунно-поршневая группа:
1 – поршень; 2 – втулка верхней головки шатуна; 3 – шатун; 4 – болт шатунный; 5 – крышка шатуна; 6 – гайка; 7 – метка спаренности; 8 – вкладыш нижней головки шатуна; 9 – кольцо стопорное; 10 – палец; 11 – кольцо маслосъёмное; 12 – кольца компрессионные.
Поршни 1 выполнены из высококремнистого алюминиевого сплава со вставкой (специальный чугун) под верхнее компрессионное кольцо и коллоидно-графитовым покрытием юбки. На поршне установлены два компрессионных кольца 12 и одно маслосъемное 11. Компрессионные кольца в сечении представляют собой одностороннюю трапецию, изготовлены они из чугуна специального химического состава. Рабочая поверхность верхнего компрессионного кольца покрыта хромом, нижнего - молибденом.
Маслосъемное кольцо – прямоугольного сечения с витым пружинным расширителем и хромированной рабочей поверхностью.
В головке поршня расположена тороидальная камера сгорания. Для уменьшения надпоршневого зазора при сборке двигателя подбором варианта исполнения поршня обеспечено выступание поршня над уплотнительным торцом гильзы в пределах 0,50,7 мм.
С шатуном поршень соединен пальцем 10 плавающего типа, осевое перемещение пальца в поршне ограничено стопорными кольцами 9. Поршневой палец изготовлен из хромоникелевой стали в виде пустотелого цилиндрического стержня и упрочнен цементацией и закалкой.
Вкладыши подшипников коленчатого вала и нижней головки шатуна – сменные, тонкостенные, трехслойные, с рабочим слоем из свинцовистой бронзы. Верхний и нижний вкладыши коренного подшипника коленчатого вала невзаимозаменяемы. В верхнем вкладыше имеется отверстие для подвода масла и канавка для его распределения.
Для ремонта коленчатого вала, блока и шатуна предусмотрены семь ремонтных размеров вкладышей (табл. 1).
Шестой и седьмой ремонтные размеры вкладышей введены в 1983 году и предназначены для установки на специализированных заводах по ремонту двигателей, так как при перешлифовке шеек коленчатого вала в эти ремонтные размеры требуется их повторная термообработка.
Обозначение вкладышей соответствующей шейки, диаметр вала и диаметр постели в блоке или шатуне нанесены на тыльной стороне вкладыша.
Толщина вкладышей подшипников:
Коренных опор --- 2,4402,452 мм
Шатунных шеек --- 2,4532,465 мм
Таблица 1
|
Параметр |
Значение параметра в зависимости от ремонтного размера, мм |
||||||
|
1 |
2 |
3 |
4 |
5 |
6 |
7 |
|
|
Диаметр шеек: |
|||||||
|
Коренных |
94,485—94,500 |
93,985—94,000 |
94,985—95,000 |
94,485-94,500 |
93.985—94,000 |
93,485—93,50 |
92,985—93,0 |
|
Шатунных |
79,487—79,500 |
78,987—79,000 |
79,987-80,000 |
79,487-79,500 |
78.987—79,000 |
78,487—78,50 |
77,987-78,0 |
|
Диаметр отверстий: |
|||||||
|
в блоке |
100+0,021 |
100+0,021 |
100,5+0,021 |
100,5+0,021 |
100,5+0,021 |
100+0,021 |
100+0,021 |
|
в шатуне |
85+0,01 |
85+0,01 |
85,5+0,01 |
85,5+0,01 |
85,5+0,01 |
85+0,01 |
85+0,01 |
|
Обозначение вкладышей: |
|||||||
|
Коренных: |
|||||||
|
Верхнего |
740.1005170Р1 |
740.1005170Р2 |
740.1005170РЗ |
740.1005170Р4 |
740.1005170 Р5 |
740.1005170 Р6 |
740.1005170Р7 |
|
Нижнего |
740.1005171Р1 |
740.1005171 Р2 |
740.1005171РЗ |
740.1005171Р4 |
740.1005171Р5 |
740.1005171 Р6 |
740.1005171 Р7 |
|
Шатунных |
740.1004058Р1 |
740.1004058 Р2 |
740.Ю04058РЗ |
740.1004058Р4 |
740.1004058 Р5 |
740.1004058 Р6 |
740.1004058Р7 |
|
Толщина вкладышей: |
|||||||
|
коренных |
2,690—2,702 |
2,940—2,952 |
2,690—2,702 |
2,940—2,952 |
3,190—3,202 |
3,190—3,202 |
3,440—3,452 |
|
шатунных |
2,703—2,715 |
2,953—2,965 |
2,703—2,715 |
2,953—2,965 |
3,203—3,215 |
3,203—3,215 |
3,453—3,475 |
Примечание: допустимый зазор в ремонтируемых подшипниках коренных и шатунных шеек такой же, как и новых.
Механизм газораспределения.
Механизм газораспределения предназначен для впуска в цилиндры воздуха и выпуска отработавших газов. Открытие и закрытие впускных и выпускных клапанов происходит в строго определённых положениях по отношению к верхней и нижней мёртвым точкам, которые соответствуют углам поворота шейки коленчатого вала, указанным в диаграмме фаз газораспределения (рис. 7).
Рис. 7. Диаграмма фаз газораспределения (заливкой показаны фазы открытия клапана):
а – впуск; b – выпуск.
На двигателе установлен верхнеклапанный механизм газораспределения с нижним расположением распределительного вала (рис. 8).
Кулачки распределительного вала 1 в определенной последовательности приводят в действие толкатели 2. Штанги 4 сообщают качательное движение коромыслам 6, которые, преодолевая сопротивление пружин 13 и 14, открывают клапаны. Закрываются клапаны под действием силы сжатых пружин.
Крутящий момент на распределительный вал передается от коленчатого вала через шестерни привода агрегатов.
Головки цилиндров, отлитые из алюминиевого сплава, имеют полости для охлаждающей жидкости, сообщающиеся с рубашкой блока. Стыки головки цилиндра 2 (рис. 9) и гильзы 6, головки и блока 4 уплотнены прокладками. В канавку на привалочной плоскости головки запрессовано кольцо газового стыка 1, которым головка непосредственно устанавливается на бурт гильзы цилиндра. Герметичность уплотнения обеспечивается высокой точностью обработки сопрягаемых поверхностей кольца и гильзы цилиндр и, дополнительно, нанесением на поверхность кольца свинцовистого покрытия для компенсации микронеровностей уплотняемых поверхностей. Уплотнение перепускных каналов для охлаждающей жидкости осуществляется уплотнительными кольцами из силиконовой резины, устанавливаемыми хвостовиками в отверстия головки цилиндров. Подголовочное пространство, отверстие стока моторного масла и прохода штанг уплотнены формованной прокладкой головки цилиндра 3.
Рис. 8. Механизм газораспределения:
1 – распределительный вал; 2 – толкатель; 3 – направляющая толкателей; 4 – штанга; 5 – прокладка крышки головки; 6 – коромысло; 7 – контргайка; 8 – регулировочный винт; 9 – болт крепления крышки головки; 10 – сухарь; 11 – втулка тарелки; 12 – тарелка пружины; 13 – наружная пружина; 14 – внутренняя пружина; 15 – направляющая клапана; 16 – шайба; 17 – клапан (выпускной); А – тепловой зазор.
Впускные и выпускные каналы расположены на противоположных сторонах головки. Впускной канал имеет тангенциальный профиль для завихрения воздуха в цилиндре.
В головку запрессованы чугунные седла и металлокерамические направляющие втулки клапанов, которые растачивают после запрессовки. Каждая головка закреплена на блоке четырьмя болтами. Клапанный механизм закрыт алюминиевой крышкой, которая закреплена болтом 9 (рис. 8), ввернутым в головку. Под крышкой размещена уплотнительная прокладка.
Распределительный вал выполнен из стали, установлен в развале блока на пяти подшипниках скольжения. Поверхности кулачков и опорных шеек цементированы и закалены токами высокой частоты. Подшипник задней опоры представляет собой втулку из биметаллической ленты (сталь-бронза), запрессованную в съемный чугунный корпус 2 (рис. 10). Аналогичные втулки, запрессованные в поперечные перегородки блока, служат подшипниками для остальных опор вала.
Осевое перемещение распределительного вала ограничено корпусом 2 подшипника, в торцы которого упираются с одной стороны ступица шестерни 3, с другой – упорный бурт задней опорной шейки вала. Корпус подшипника задней опоры закреплен на блоке тремя болтами.
Толкатели 2 (рис. 8) – грибкового типа с плоской тарелкой, пустотелые, с цилиндрической направляющей частью, изготовлены холодной высадкой из стали с последующей наплавкой тарелки отбеленным чугуном. Внутренняя цилиндрическая часть толкателя заканчивается сферическим гнездом для упора нижнего конца штанги.
Рис. 9. Стыки головки цилиндра и гильзы, головки и блока цилиндров:
1 – стопорное кольцо; 2 – головка цилиндра; 3 – прокладка; 4 – блок цилиндров; 5 – уплотнительное кольцо гильзы; 6 – гильза цилиндра.
Рис. 10. Распределительный вал в сборе:
1 – распределительный вал; 2 – корпус заднего подшипника; 3 – шестерня; 4 – шпонка; 5 – подшипник.
Клапаны впускной и выпускной изготовлены из жаропрочных сталей. Диаметр головки выпускного клапана меньше диаметра головки впускного. Стержни обоих клапанов на длине 125 мм от торца покрыты графитом (для этого стержни клапанов помешают в раствор графита и воды) с целью улучшения приработки.
Во время работы двигателя стержни клапанов смазываются маслом, вытекающим из сопряжений коромысел с осями и разбрызгиваемым пружинами. Чтобы масло не попадало в цилиндр по зазору стержень клапана – направляющая втулка, на втулке впускного клапана установлена резиновая манжета.
Направляющие толкателей 3 (рис. 8), отлитые из серого чугуна, выполнены съемными для повышения ремонтоспособности и технологичности блока. На двигатель установлены четыре направляющие, в которых перемешаются по четыре толкателя. Каждая направляющая установлена на двух штифтах и прикреплена к блоку цилиндров двумя болтами. Болты застопорены отгибными шайбами.
Штанги толкателей 4 – стальные, трубчатые, с запрессованными и обжатыми наконечниками. Нижний наконечник имеет выпуклую сферическую поверхность, верхний выполнен в виде сферической чашечки для упора регулировочного винта коромысла.
Коромысло клапана 6 (рис. 8) – стальное, кованое, с бронзовой втулкой, представляет собой двуплечий рычаг, имеющий передаточное отношение 1,55. В короткое плечо коромысла для регулирования зазора в клапанном механизме ввернут регулировочный винт 8 с контргайкой 7. Коромысла впускного и выпускного клапанов установлены консольно на осях, выполненных вместе со стойкой коромысел. Стойка установлена на двух штифтах и закреплена на головке двумя шпильками. Осевое перемещение коромысел ограничено пружинным фиксатором. К каждому коромыслу через отверстия в стойке коромысла подводится смазка.
Пружины клапанов – цилиндрические, с равномерным шагом витков и разным направлением навивки. На каждом клапане установлены две пружины. Нижними торцами пружины опираются на головку через стальную шайбу 16. Верхними – в тарелку 12. Тарелка упирается во втулку, которая соединена со стержнем клапана двумя конусными сухарями. Разъемное соединение втулка – тарелка дает возможность клапанам проворачиваться относительно седла.
Система смазки.
Система смазки двигателя комбинированная, с мокрым картером. Масло под давлением подается к коренным и шатунным подшипникам коленчатого вала, к подшипникам распределительного вала, втулкам коромысел, к подшипникам топливного насоса высокого давления и компрессора. Предусмотрена пульсирующая подача масла к верхним сферическим опорам штанг толкателей.
Р
ис.
11. Схема
системы смазки:
1 – компрессор; 2 – топливный насос высокого давления; 3 – выключатель гидромуфты; 4 – гидромуфта; 5, 12 – предохранительные клапаны; 6 – клапан системы смазки; 7 – насос масляный: 8 – перепускной клапан центробежного фильтра; 9 – сливной клапан центробежного фильтра; 10 – кран включения масляного радиатора; 11 – центробежный фильтр; 13 – лампа сигнализатора засоренности фильтра очистки масла; 14 – перепускной клапан полнопоточного фильтра; 15 – полнопоточный фильтр очистки масла; 16 – маслоприемник; 17 – картер; 18 – главная магистраль.
Система смазки (рис. 11) включает в себя масляный насос, картер масляный, фильтры очистки масла (полнопоточный и центробежный), воздушно-масляный радиатор, масляные каналы в блоке и головках цилиндров, передней крышке и картере маховика, наружные маслопроводы, маслозаливную горловину, клапаны для обеспечения нормальной работы системы и контрольные приборы.
Из картера 17 масло через маслоприемник 16 входит в нагнетающую и радиаторную секции масляного насоса 7. Из нагнетающей секции через канал в правой стенке блока масло идет в полнопоточный фильтр 15, где оно очищается двумя фильтрующими элементами, затем масло поступает в главную магистраль 18, откуда по каналам в блоке и головках цилиндра оно подается к коренным подшипникам коленчатого вала, подшипникам распределительного вала, втулкам коромысел и верхним наконечникам штанг толкателей. К шатунным подшипникам коленчатого вала масло подается по отверстиям внутри вала от ближайшей коренной шейки. Масло, снимаемое со стенок цилиндра маслосъемным кольцом, отводится в поршень и смазывает опоры поршневого пальца в бобышках и подшипник верхней головки шатуна. Через каналы в задней стенке блока цилиндров и картере маховика масло под давлением поступает к подшипникам компрессора 1, а через каналы в передней стенке блока – к подшипникам топливного насоса высокого давления 2. Предусмотрен отбор масла из главной магистрали к выключателю 3 гидромуфты 4, который установлен на переднем торце блока и управляет работой гидромуфты привода вентилятора. Из радиаторной секции масло поступает к центробежному фильтру 11, далее – в радиатор и затем сливается в картер. При закрытом кране 10 масло из центробежного фильтра через сливной клапан 9 сливается в картер двигателя, минуя радиатор.
Остальные детали и узлы двигателя смазываются разбрызгиванием и масляным туманом.
Масляный
насос
(рис. 12) закреплен на нижней плоскости
блока цилиндров. Нагнетающая секция
насоса подает масло в главную магистраль
двигателя, радиаторная секция – в
центробежный фильтр и радиатор. В
корпусах секций 1 и 5 установлены
предохранительные клапаны 11 и 18,
отрегулированные на давление открытия
8,49,5
кгс/см2
и предназначенные для ограничения
максимального давления на выходе из
секций насоса, и клапан 14 системы смазки,
срабатывающий при давлении 4,04,5
кгс/см2
и
предназначенный для ограничения давления
в главной магис
трали
двигателя.
Рис. 12. Масляный насос:
1
– корпус радиаторной секции; 2 – ведущая
шестерня радиаторной секции; 3 –
проставка; 4 – ведущая шестерня нагнетающей
секции; 5 – корпус нагнетающей секции;
6 – ведомая шестерня привода насоса; 7
– шпонка; 8 – валик ведущих шестерен; 9
– ведомая шестерня нагнетающей секции;
10 – ведомая шестерня радиаторной секции;
11 – предохранительный клапан радиаторной
секции; 12, 15, 17 – пружины клапанов; 13, 16
– пробки клапанов; 14 – клапан системы
смазки; 18 – предохранительный клапан
нагнетающей секции.
Рис. 13. Полнопоточный фильтр очистки масла:
1 – стержень; 2 – стопорное кольцо; 3 – шайба; 4 – уплотнительное кольцо; 5 – пружина колпака; 6 – уплотнительная чашка; 7 – шайба; 8 – пружина перепускного клапана; 9 – винт сигнализатора; 10 – пробка перепускного клапана; 11, 18, 20, 26 – прокладки; 12 – регулировочная шайба; 13 – корпус сигнализатора; 14 – подвижной контакт сигнализатора; 15 – пружина контакта сигнализатора; 16 – перепускной клапан; 17 – пробка; 19 – корпус фильтра; 21 – втулка корпуса; 22 – уплотнительное кольцо; 23 – фильтрующий элемент; 24 – колпак; 25 – сливная пробка.
Полнопоточный фильтр очистки масла (рис. 13), установленный на правой стороне блока цилиндров, состоит из корпуса 19, колпаков 24 и двух бумажных фильтрующих элементов 23. В корпусе фильтра установлен перепускной клапан 16 с сигнализатором засорённости фильтроэлементов.
Однако использование бумажных фильтроэлементов очистки масла еще не гарантирует полной его очистки. Даже при незначительном попадании воды в масло и при несоблюдении правил эксплуатации двигателя (работа на повышенном и особенно пониженном тепловом режиме, применение несоответствующего сорта масла и др.) предельное засорение элементов масляного фильтра может наступить раньше установленного срока. В этом случае фильтр длительное время работает с открытым перепускным клапаном, что зачастую приводит к задиру и провороту вкладышей коленчатого вала.
Для определения момента предельного засорения элементов в конструкции фильтра предусмотрен сигнализатор засоренности, совмещенный с перепускным клапаном. Контакты сигнализатора замыкаются при открытии перепускного клапана.
Сигнальная лампа засорённости фильтроэлементов расположена на щитке приборов в кабине. Допускается свечение и мигание лампы при пуске и прогреве двигателя. При постоянном свечении лампы на прогретом двигателе нужно заменить фильтрующие элементы.
В корпусе фильтра установлены датчики давления масла и сигнализации о недопустимом понижении (менее 68,7 кПа [0,7 кгс/см2]) давления масла в главной магистрали.
Перепускной клапан перепускает неочищенное масло в главную магистраль, минуя фильтрующий элемент, при низкой температуре масла или при значительном засорении фильтрующих элементов, при перепадах давления на элементах 245,8294,2 кПа (2,53,0 кгс/см2).
Ф
ильтр
центробежный масляный
(рис. 14) с активно-реактивным приводом
ротора установлен на передней крышке
блока цилиндров с правой стороны
двигателя. Ротор 3 в сборе с колпаком 2
приводится во вращение струёй масла,
вытекающей из щели-сопла в оси 11 ротора,
а также реактивными силами, возникающими
при выходе масла из ротора в канал оси
через тангенциальные каналы ротора.
Рис. 14. Центробежный масляный фильтр:
1 – корпус; 2 – колпак ротора; 3 – ротор; 4 – колпак фильтра; 5 – гайка крепления колпака ротора; 6 – упорный шарикоподшипник; 7 – упорная шайба; 8 – гайка крепления ротора; 9 – гайка крепления колпака фильтра; 10 – верхняя втулка ротора; 11 – ось ротора; 12 – экран; 13 – нижняя втулка ротора; 14 – палец стопора; 15 – пластина стопора; 16 – пружина стопора; 17 – трубка отвода масла.
При работе двигателя масло из радиаторной секции насоса под давлением подается в фильтр, обеспечивая вращение ротора. Под действием центробежных сил механические частицы отбрасываются к стенкам колпака ротора и задерживаются, а очищенное масло через отверстие в оси ротора и трубку 17 поступает в воздушно-масляный радиатор или через сливной клапан в корпусе фильтра, отрегулированный на давление 0,50,7 кгс/см2, в картер двигателя. Перепускной клапан, установленный в корпусе фильтра и отрегулированный на давление 6,06,5 кгс/см2, ограничивает максимальное давление перед центрифугой.
Во избежание нарушения балансировки при обслуживании фильтра, на роторе и колпаке нанесены метки, которые необходимо совмещать при сборке.
Картер масляный – стальной, штампованный, закреплен на нижней плоскости блока цилиндров болтами. Между картером и блоком установлена резинопробковая прокладка для обеспечения герметичности соединения. Для предотвращения быстрого перетекания масла при разгоне и торможении автомобиля в картер вварена перегородка. В нижней части картера имеется сливная пробка.
Воздушно-масляный радиатор – трубчато-пластинчатый, двухрядный, воздушного охлаждения, установлен перед радиатором системы охлаждения двигателя.
Начиная с I квартала 1986 г. на автомобили устанавливается масляный радиатор из оребрённой алюминиевой трубки.
Масляный радиатор должен быть постоянно включен. Для ускорения прогрева двигателя при пуске зимой радиатор следует отключить (закрытием крана на корпусе центробежного масляного фильтра). После прогрева двигателя кран открыть.
Система питания топливом.
Система питания топливом обеспечивает очистку топлива и равномерное распределение его по цилиндрам двигателя строго дозированными порциями. На двигателях КамАЗ применена система питания топливом разделенного типа, состоящая из топливного насоса высокого давления, форсунок, фильтров грубой и тонкой очистки, топливоподкачивающего насоса низкого давления, топливопроводов низкого и высокого давления, топливных баков, электромагнитного клапана, факельных свечей и электрофакельного пускового устройства.
Характеристика топливной аппаратуры.
|
Топливный насос высокого давления |
мод. 334 |
|
Порядок работы секции. |
8–4–5–7–3–6–2–1 |
|
Направление вращения кулачкового вала (со стороны привода) |
правое |
|
Диаметр плунжера, мм |
9 |
|
Ход плунжера, мм |
10 |
|
Цикловая подача при (1300±10) об/мин кулачкового вала, мм3/цикл |
96 |
|
Частота вращения кулачкового вала насоса при упоре рычага управления регулятором в болт ограничения максимального скоростного режима, об/мин: |
1300 |
|
при полном выключении регулятором подачи топлива через форсунки |
14801555 |
|
в начале выключения |
13351355 |
|
Угол начала подачи топлива восьмой секцией насоса до оси симметрии кулачка, град |
4243 |
|
Чередование начала подачи топлива по углу поворота кулачкового вала |
(0–45–90–135–180–270–315)° |
|
Максимальное усилие на рычаге управления регулятором при номинальном режиме работы насоса на плече 50 мм, Н (кгс) |
127,5 (13) |
|
Топливоподкачивающий насос низкого давления |
|
|
Диаметр поршня, мм |
22 |
|
Ход поршня, мм |
8 |
|
Номинальная производительность1. л/мин, не менее |
2,5 |
|
Давление, создаваемое топливоподкачивающим насосом при закрытом нагнетательном трубопроводе к фильтру тонкой очистки и при частоте вращения кулачкового вала 12901310 об/мин, кПа (кгс/см2), не менее |
392 (4) |
|
Форсунка |
мод. 271 |
|
Число распыливающих отверстий |
4 |
|
Диаметр распыливающих отверстий, мм |
0,32 |
|
Давление начала подъема иглы, МПа (кгс/см2) |
|
|
при эксплуатации |
21,5 (215) |
|
первоначальное при заводском регулировании |
23,524,2 (235242) |
Система питания работает следующим образом. Топливо из бака 1 (рис. 15) через фильтр 2 грубой очистки засасывается топливоподкачивающим насосом и через фильтр 17 тонкой очистки по топливопроводам 3, 9, 15, 21 низкого давления подается к топливному насосу высокого давления; согласно порядку работы цилиндров двигателя насос распределяет топливо по трубопроводам 6 высокого давления к форсункам 5. Форсунки распыляют и впрыскивают топливо в камеры сгорания. Избыточное топливо, а вместе с ним и попавший в систему воздух через перепускной клапан топливного насоса высокого давления и клапан-жиклер фильтра тонкой очистки по дренажным топливопроводам 16 и 18 отводится в топливный бак. Топливо, просочившееся через зазор между корпусом распылителя и иглой, сливается в бак через сливные топливопроводы 4, 14, 20.
Фильтр грубой очистки (отстойник) (рис. 16) предварительно очищает топливо, поступающее в топливоподкачивающий насос низкого давления. Он установлен на всасывающей магистрали системы питания с левой стороны автомобиля на раме.
Стакан 2 фильтра соединен с корпусом 10 четырьмя болтами 7 и уплотнен кольцом 9. Снизу в бобышку колпака ввернута сливная пробка 1. Топливо, поступающее из топливного бака через подводящий штуцер, стекает в стакан. Крупные частицы и вода собираются в нижней части стакана. Из верхней части через фильтрующую сетку 4 по отводящему штуцеру и топливопроводам топливо подается к топливоподкачивающему насосу.
Фильтр тонкой очистки, (рис. 18) окончательно очищающий топливо перед поступлением в топливный насос высокого давления, установлен в самой высокой точке системы питания для сбора и удаления в бак проникшего в систему питания воздуха вместе с частью топлива через клапан-жиклер, закреплённый в корпусе 1. Начало сдвига клапана-жиклёра (рис. 17) происходит при давлении в полости 24,544,1 кПа (0,250,45 кгс/см2), а начало перепуска топлива из полости А в Б – при давлении в полости А 196,2235,3 кПа (2,02,4 кгс/см2). Регулируется клапан подбором регулировочных шайб 1 внутри пробки клапана.
Топливопроводы подразделяются на топливопроводы низкого [3291961 кПа (420 кгс/см2)] и высокого [более 19614 кПа (200 кгс/см2)] давления. Топливопроводы высокого давления изготовлены из стальных трубок, концы которых выполнены конусообразными, прижаты накидными гайками через шайбы к конусным гнёздам штуцеров топливного насоса и форсунок. Во избежание поломок от вибрации, топливопроводы закреплены скобками и кронштейнами.
Рис. 15. Схема системы питания двигателя топливом:
1 – топливный бак; 2 – фильтр грубой очистки топлива; 3 – подводящий топливопровод к насосу низкого давления; 4 – сливной дренажный топливопровод форсунок левого ряда; 5 – форсунка; 6 – топливопровод высокого давления; топливопровод к электромагнитному клапану; 7 – топливоподкачивающий насос низкого давления; 8 – ручной топливоподкачивающий насос; 9 – трубка топливная отводящая насоса низкого давления; 10 – топливный насос высокого давления; 11 – клапан электромагнитный; 12 – трубка топливная к электромагнитному клапану; 13 – свеча факельная; 14 – трубка топливная дренажная; форсунок правых головок; 15 – трубка топливная подводящая ТНВД; 16 – трубка топливная отводящая ТНВД; 17 – фильтр тонкой очистки топлива; 18 – трубка топливная фильтра тонкой очистки топлива; 19 – тройник крепления топливных трубок; 20 - трубка топливная сливная; 21 – топливопровод к фильтру грубой очистки; 22 – труба приёмная с фильтром.
Р
ис.
16. Фильтр
грубой очистки топлива:
1 – сливная пробка; 2 – стакан; 3 – успокоитель; 4 – фильтрующая сетка; 5 – отражатель; 6 - распределитель; 7 – болт; 8 – фланец; 9 – уплотнительное кольцо; 10 – корпус.
Рис. 17. Клапан-жиклер фильтра тонкой очистки топлива:
1 – регулировочные шайбы; 2 – пробка клапана; 3 – пружина; 4 – клапан-жиклер; А – полость нагнетания; Б – полость к топливному баку.
Топливный насос высокого давления (ТНВД) предназначен для подачи к форсункам двигателя в определенные моменты времени дозированных порций топлива под высоким давлением.
В корпусе 1 (рис. 19) установлены восемь секций, каждая состоит из корпуса 17, втулки 16 плунжера, плунжера 11, поворотной втулки 10, нагнетательного клапана 19, прижатого через уплотнительную прокладку 18 к втулке плунжера штуцером 20. Плунжер совершает возвратно-поступательное движение под воздействием кулачка вала 48 и пружины 8. Толкатель от проворачивания в корпусе зафиксирован сухарем 6. Кулачковый вал вращается в роликоподшипниках 50, установленных в крышках и прикрепленных к корпусу насоса. Осевой зазор кулачкового вала регулируется прокладками 44. Величина зазора должна быть не более 0,1 мм.
Рис. 18. Фильтр тонкой очистки топлива:
1 – корпус; 2 – болт; 3 – шайба уплотнительная; 4 – пробка; 5, 6 – прокладки уплотнительные; 7 – элемент фильтрующий; 8 – колпак; 9 – пружина фильтрующего элемента; 10 – пробка сливная; 11 – стержень.
Для увеличения подачи топлива плунжер 11 поворачивают втулкой 10. соединенной через ось поводка с рейкой 15 насоса. Рейка перемещается в направляющих втулках 35. Выступающий ее конец закрыт пробкой 38. С противоположной стороны насоса находится винт, регулирующий подачу топлива всеми секциями насоса. Этот винт закрыт пробкой и запломбирован.
Топливо к насосу подводится через специальный штуцер, к которому болтом крепится трубка низкого давления. Далее по каналам в корпусе оно поступает к впускным отверстиям втулок 16 плунжеров.
На переднем торце корпуса, на выходе топлива из насоса установлен перепускной клапан 36. открытие которого происходит при давлении 58,878,5 кПа (0,60,8 кгс/см2). Давление открытия клапана регулируется подбором регулировочных шайб внутри пробки клапана.
Смазка насоса – циркуляционная, пульсирующая, под давлением от общей системы смазки двигателя.
На двигателе с турбонаддувом установлен топливный насос высокого давления мод. 334 с повышенной энергией впрыскивания, с противодымным корректором и номинальной цикловой подачей топлива 96 мм3/цикл. Корректор, уменьшая подачу топлива, позволяет снизить дымление двигателя на малой частоте (10001400 об/мин) вращения коленчатого вала.
Регулятор частоты вращения (рис. 20) – всережимный, прямого действия, изменяет количество топлива, подаваемого в цилиндр, в зависимости от нагрузки, поддерживая заданную частоту. Регулятор размещен в развале корпуса ТНВД. На кулачковом валу насоса установлена ведущая шестерня 21 регулятора, вращение на которую передается через резиновые сухари 22. Ведомая шестерня выполнена как одно целое с державкой 9 грузов, вращающейся на двух шарикоподшипниках. При вращении державки грузы 13, качающиеся на осях 10. под действием центробежных сил расходятся и через упорный подшипник 11 перемещают муфту 12. Муфта, упираясь в палец 14. в свою очередь перемещает рычаг 33 муфты грузов. Рычаг одним концом закреплен на оси 34, а другим – через штифт соединен с рейкой 28 топливного насоса.
Рис. 19. Топливный насос:
1
– корпус; 2 – ролик толкателя; 3 – ось
ролика; 4 – втулка ролика; 5 – пята
толкателя; 6 – сухарь; 7 – тарелки пружины
толкателя; 8 – пружина толкателя; 9, 41,
47, 49, 58 – шайбы; 10 – поворотная втулка;
11 – плунжер; 12, 13, 37, 45 – уплотнительные
кольца; 14 – установочный штифт; 15 –
рейка; 16 – втулка плунжера; 17 – корпус
секции; 18 – прокладка нагнетательного
клапана; 19 – клапан нагнетательный; 20
– штуцер; 21 – фланец корпуса секции; 22
– ручной топливоподкачивающий насос;
23 – пробка пружины толкателя; 24, 44 –
прокладки; 25 – корпус насоса низкого
давления; 26 – топливоподкачивающий
насос низкого давления; 27 – втулка
штока; 28 – пружина толкателя; 29 –
толкатель; 30 – стопорный винт; 31 – ось
ролика; 32 – ролик толкателя; 33 –
регулировочные прокладки; 34 – ось рычага
реек; 35 – втулка рейки; 36 – перепускной
клапан; 38 – пробка рейки; 39 – муфта
опережения впрыска топлива; 40, 59 – гайки;
42, 56 – шпонки: 43, 51 – крышки подшипников;
45 – манжета с пружиной; 48 – кулачковый
вал; 50 – подшипник; 52 – упорная втулка;
53 – ведущая шестерня регулятора; 54 –
сухарь ведущей шестерни регулятора; 55
– фланец ведущей шестерни регулятора:
57 – эксцентрик привода насоса низкого
давления.
Рис. 20. Регулятор частоты вращения:
1 – задняя крышка; 2 – гайка; 3 – шайба; 4 – подшипник; 5 – регулировочная прокладка; 6 – промежуточная шестерня; 7 – прокладка задней крышки регулятора; 8 – стопорное кольцо; 9 – державка грузов; 10 – ось груза; 11 – упорный подшипник; 12 – муфта; 13 – груз; 14 – палец; 15 – корректор; 16 – возвратная пружина рычага останова; 17 – болт; 18 – втулка; 19 – кольцо. 20 – рычаг пружины регулятора; 21 – ведущая шестерня; 22 – сухарь ведущей шестерни; 23 – фланец ведущей шестерни; 24 – ограничивающая гайка; 25 – регулировочный болт подачи топлива; 26 – рычаг стартовой пружины; 27 – пружина регулятора; 28 – рейка; 29 – стартовая пружина; 30 – штифт; 31 – рычаг реек; 32 – рычаг регулятора; 33 – рычаг муфты грузов; 34 – ось рычагов регулятора; 35 – болт крепления верхней крышки.
На оси 34 закреплен рычаг 32, другой конец которого перемещается до упора в регулировочный болт 25 подачи топлива. Рычаг 33 передает усилие рычагу 32 через корректор 15.
Рычаг управления подачей топлива 1 (рис. 20) жестко связан с рычагом 20 (см. рис. 19). К рычагам 20, 32 присоединена пружина 27, к рычагам 26, 31 – стартовая пружина 29.
Во время работы регулятора в заданном режиме центробежные силы грузов уравновешены усилием пружины 27. При увеличении частоты вращения коленчатого вала грузы регулятора, преодолевая сопротивление пружины 27, перемещают рычаг 33 с рейкой топливного насоса, и подача топлива уменьшается. При уменьшении частоты вращения коленчатого вала центробежная сила грузов уменьшается, рычаг 32 регулятора с рейкой топливного насоса под действием усилия пружины перемещается в обратном направлении, и подача топлива, и частота вращения коленчатого вала увеличиваются.
Подача топлива выключается поворотом рычага 3 останова (см. рис. 21) до упора в болт 6. При этом рычаг 3, преодолев усилие пружины 27 (см. рис. 20), через штифт 30 повернет рычаги 32 и 33; рейка переместится до полного выключения подачи топлива. При снятии усилия с рычага останова под действием пружины 16 рычаг возвратится в рабочее положение, а стартовая пружина 29 через рычаг 31 вернет рейку топливного насоса в положение, обеспечивающее максимальную подачу топлива, необходимую для пуска.

Рис. 21. Крышка регулятора частоты вращения:
1 – рычаг управления подачей топлива (регулятором); 2 – болт ограничения минимальной частоты вращения; 3 – рычаг останова; 4 – пробка заливного отверстия; 5 – болт регулировки пусковой подачи; 6 – болт ограничения хода рычага останова; 7 – болт ограничения максимальной частоты вращения.
Топливный насос низкого давления поршневого типа предназначен для подачи топлива от бака через фильтры грубой и тонкой очистки к впускной полости насоса высокого давления. Насос установлен на задней крышке регулятора и приводится в действие от эксцентрика кулачкового вала ТНВД.
В корпусе 25 (см. рис. 19) установлены поршень, пружина поршня, втулка 27 штока и шток толкателя, во фланце корпуса – впускной клапан и пружина клапана. Эксцентрик кулачкового вала топливного насоса высокого давления через ролик 32, толкатель 29 и шток сообщает поршню топливоподкачивающего насоса возвратно-поступательное движение.
Рис. 22. Схема работы топливного насоса низкого давления и ручного топливоподкачивающего насоса:
1 – нагнетательный клапан; 2, 5, 7, 8 – пружины; 3 – поршень; 4 – поршень ручного топливоподкачивающего насоса; 6 – впускной клапан; 9 – толкатель, 10 – эксцентрик; А – полость всасывания; Б – подача от фильтра грубой очистки топлива; В – нагнетательная полость; Г – подача к топливному насосу высокого давления.
Схема работы насоса показана на рис. 22. При опускании толкателя поршень 3 под действием пружины 7 движется вниз. В полости А всасывания создается разрежение, и впускной клапан 6, сжимая пружину 5, пропускает в полость топливо. Одновременно топливо, находящееся в нагнетающей полости Б, вытесняется в магистраль, минуя нагнетательный клапан 1, соединенный каналами с обеими полостями. В свободном положении нагнетательный клапан закрывает канал всасывающей полости.
При движении поршня 3 вверх топливо, заполнившее всасывавшую полость, через нагнетательный клапан 1 поступает в полость Б под поршнем, при этом впускной клапан 6 закрывается. При повышении давления в нагнетательной магистрали поршень не совершает полного хода вслед за толкателем, а остается в положении, которое определяется равновесием сил от давления топлива с одной стороны и от усилия пружины – с другой.
Топливоподкачивающим ручным насосом система заполняется топливом и из нее удаляется воздух. Насос поршневого типа закреплен на фланце топливного насоса низкого давления уплотнительной медной шайбой и состоит из корпуса, поршня, цилиндра, рукоятки в сборе со штоком, опорной тарелки и уплотнения.
Топливную систему прокачивают движением рукоятки со штоком и поршнем вверх-вниз. При движении рукоятки вверх в подпоршневом пространстве создается разрежение. Впускной клапан 6 (см. рис. 22), сжимая пружину 5, открывается, и топливо поступает в полость А топливного насоса низкого давления. При движении рукоятки вниз нагнетательный клапан 1 открывается и топливо под давлением поступает в нагнетательную магистраль.
После прокачки рукоятку наворачивают на верхний резьбовой хвостовик цилиндра. При этом поршень прижимается к резиновой прокладке и уплотняет всасывающую полость топливного насоса низкого давления.
Автоматическая муфта опережения впрыска топлива (рис. 23) изменяет начало подачи топлива в зависимости от частоты вращения коленчатого вала двигателя. Применение муфты обеспечивает оптимальное для рабочего процесса начало подачи топлива по всему диапазону скоростных режимов, чем достигается необходимая экономичность и приемлемая жесткость процесса в различных скоростных режимах работы двигателя.
Ведомая полумуфта 13 закреплена на конической поверхности переднего конца кулачкового вала топливного насоса шпонкой и гайкой с шайбой, ведущая полумуфта 1 – на ступице ведомой полумуфты (может поворачиваться на ней). Между ступицей и полумуфтой установлена втулка 3. Грузы 11 качаются на осях 16, запрессованных в ведомую полумуфту, в плоскости, перпендикулярной к оси вращения муфты. Проставка 12 ведущей полумуфты упирается одним концом в палец груза, другим – в профильный выступ. Пружина 8 удерживает груз на упоре во втулку 3 ведущей полумуфты.
При
увеличении частоты вращения коленчатого
вала грузы под действием центробежных
сил расходятся, вследствие чего ведомая
полумуфта поворачивается относительно
ведущей полумуфты в направлении
вращения кулачкового вала, что вызывает
увеличение угла опережения впрыска
топлива. При уменьшении частоты
вращения коленчатого вала грузы под
действием пружин сходятся, ведомая
полумуфта поворачивается вместе с валом
насоса в сторону, противоположную
направлению вращения вала. что вызывает
уменьшение угла опережения подачи
топл
ива.
Рис. 23. Автоматическая муфта опережения впрыска топлива:
1 – ведущая полумуфта; 2, 4 - манжеты; 3 - втулка ведущей полумуфты; 5 – корпус; 6 – регулировочные прокладки; 7 – стакан пружины; 8 – пружина; 9, 15 – шайбы; 10 – кольцо; 11 – груз с пальцем; 12 – проставка с осью; 13 - ведомая полумуфта; 14 – уплотнительное кольцо; 16 – ось грузов.
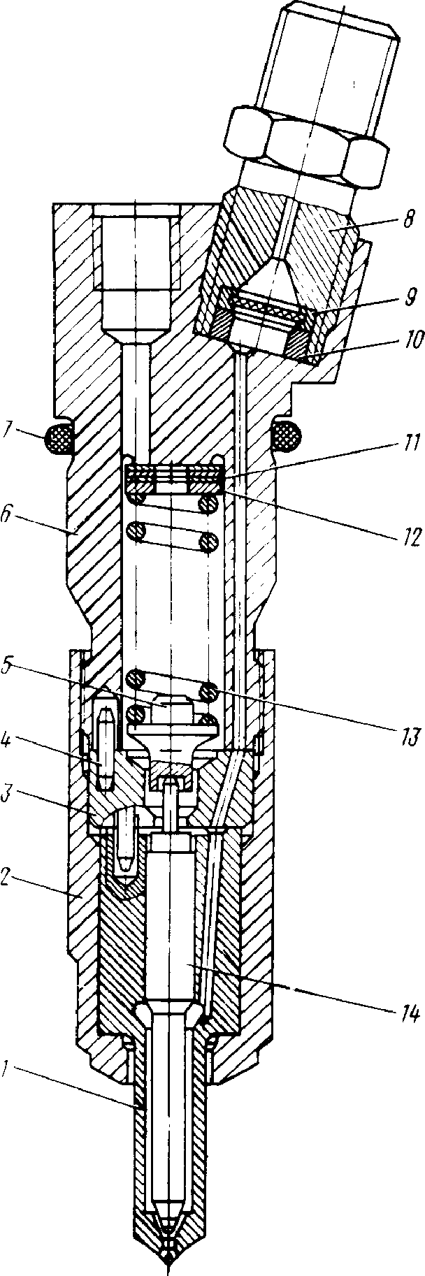
Форсунка (рис. 24) – закрытого типа с многодырчатым распылителем и гидравлически управляемой иглой. Все детали форсунки собраны в корпусе 6. К, нижнему торцу корпуса форсунки гайкой 2 присоединены проставка 3 и корпус 1 распылителя, внутри которого находится игла 14. Корпус и игла распылителя составляют прецизионную пару. Распылитель имеет четыре сопловых отверстия. Проставка 3 и корпус зафиксированы относительно корпуса 6 штифтами 4. Пружина 13 одним концом упирается в штангу 5, которая передает усилие на иглу распылителя, другим – в набор регулировочных шайб 11, 12.
Топливо к форсунке подается под высоким давлением через штуцер 8, в котором установлен сетчатый фильтр 9. Далее по каналам корпуса 6, проставки 3 и корпуса 1 распылителя топливо поступает в полость между корпусом распылителя и иглой 14 и, отжимая иглу, впрыскивается в цилиндр. Просочившееся через зазор между иглой и корпусом распылителя топливо отводится через каналы в корпусе форсунки. Форсунка установлена в головке цилиндра и закреплена скобой. Торец гайки распылителя уплотнен от прорыва газов гофрированной шайбой. Уплотнительное кольцо предохраняет полость между форсункой и головкой цилиндров от попадания пыли и воды.
Н
а
двигателе КамАЗ-7403.10 установлена форсунка
мод. 271 с повышенной пропускной способностью
и диаметром сопловых отверстий 0,32 мм.
Рис. 24. Форсунка:
1 – корпус распылителя; 2 – гайка распылителя; 3 – проставка; 4 - установочные штифты; 5 – штанга; 6 - корпус; 7 – уплотнительное кольцо; 8 – штуцер; 9 – фильтр; 10 – уплотнительная втулка; 11, 12 – регулировочные шайбы; 13 – пружина; 14 – игла распылителя.
Привод
управления подачей топлива (рис.
25) – механический, состоит из педали,
тяг, рычагов и поперечных валиков.
Предусмотрен также ручной привод
подачи топлива и останова двигателя.
Педаль 17 управления подачей топлива
связана с рычагом 4 управления
регулятором частоты вращения. Рукоятки
ручного привода смонтированы на
уплотнителе рычага коробки передач:
левая 2 (для включения постоянной подачи
топлива) связана гибким тросом в
защитной оболочке с рычагом управления
регулятором частоты вращения, правая
1 (для останова двигателя) – тросом с
рычагом останова, который находится
на к
рышке
регулятора частоты вращения.
Рис. 25. Привод управления подачей топлива:
1 – ручка тяги останова двигателя. 2 – ручка тяги управления подачей топлива; 3 – болт ограничения максимальной частоты вращения коленчатого вала; 4 – рычаг управления регулятором; 5 – болт ограничения максимальной частоты вращения коленчатого вала; 6 – тяга; 7, 10 – рычаги; 8 – поперечный валик; 9 – задний кронштейн; 11 – оттяжная пружина; 12 – промежуточная (длинная) тяга; 13 – передний рычаг; 14 – передний кронштейн; 15 – тяга педали (короткая); 16 – уплотнитель педали; 17 – педаль.
Системы питания двигателя воздухом и выпуска отработавших газов.
Система питания двигателя воздухом (рис. 26) предназначена для забора воздуха из атмосферы, очистки его от пыли и распределения по цилиндрам.
Атмосферный воздух засасывается в цилиндры двигателя, проходя через воздушный фильтр. Очищенный воздух распределяется впускными коллекторами по цилиндрам двигателя и участвует в сгорании в составе рабочей смеси. Отработавшие газы проходят по выпускным коллекторам, приемным трубам глушителя и, через глушитель, выводятся в атмосферу. Газы, проникшие в картер двигателя через зазоры между зеркалом цилиндра и поршневыми кольцами, удаляются в атмосферу через сапун, патрубок и вытяжную трубку за счет разности между давлением в картере двигателя и атмосферным.
На рис. 27 изображена система забора воздуха, применяемая на автомобилях с турбодизельным двигателем.
В воздушный фильтр воздух подается через трубу 2 (рис. 27) воздухозаборника с колпаком 1 и сеткой. Между трубой воздухозаборника и воздуховодами, закреплёнными на двигателе, предусмотрен уплотнитель 3 – гофрированный резиновый патрубок, внутрь которого вставлен нажимной диск, служащий опорой для распорной пружины. Последняя обеспечивает герметичность соединения уплотнителя с трубой воздухозаборника при транспортном положении кабины. Воздушный фильтр 4 размещен на кронштейне 5, закрепленном на левой задней опоре силового агрегата.
Воздушный фильтр сухого типа, двухступенчатый. Первая ступень очистки центробежная – моноциклон со сбросом отсепарированной пыли в бункер, вторя ступень – бумажный фильтрующий элемент.
Воздухоочиститель (рис. 28) состоит из корпуса 3, фильтрующего элемента 5, крышки 1, прикреплённой к корпусу четырьмя защёлками. Герметичность соединения обеспечивается прокладкой 2. Во внутренней полости крышки установлена перегородка с щелью и заглушкой, которая образует полость для сбора пыли (бункер). На входном патрубке фильтра имеется пылеотбойник 4. Фильтрующий элемент крепится в корпусе самостопорящейся гайкой 6.
Засасываемый воздух через входной патрубок поступает в фильтр. Проходя через пылеотбойник, поток воздуха приобретает вращательное движение в кольцевом зазоре между корпусом и фильтроэлементом, за счет действия центробежных сил, частицы пыли отбрасываются к стенке корпуса и собираются в бункере через щель в перегородке. Затем предварительно очищенный воздух проходит через фильтрующий элемент, где происходит его окончательная очистка.
Для повышения эффективности очистки воздуха, поступающего в двигатель, и увеличения ресурса фильтроэлемента, предусмотрена установка в воздушный фильтр предочистителя (рис. 29). Предочиститель представляет собой оболочку из нетканого фильтрующего полотна, которая одевается на фильтроэлемент перед его установкой в корпус.
Рис. 26. Схема системы питания двигателя воздухом и выпуска отработавших газов:
1 – трубка сапуна газоотводящая; 2 – сапун; 3 – трубка маслосливная сапуна; 4 – воздухопровод впускной двигателя; 5 – воздухоочиститель; 6 – коллектор выпускной; 7 – патрубок выпускной; 8 – глушитель; I - воздух из атмосферы; II - очищенный воздух; III - картерные газы; IV – отработавшие газы.
Рис. 27. Система забора воздуха автомобилей КамАЗ-53212 и –54112:
1 – колпак; 2 – труба воздухозаборника; 3 – уплотнитель; 4 – воздухоочиститель; 5 - кронштейн (стрелками показаны места, подлежащие контролю герметичности при обслуживании системы).
Чистый воздух из воздухоочистителя через тройник поступает к двум центробежным компрессорам и, под избыточным давлением 70кПа (0,7 кгс/см2), в режиме максимальной мощности подаётся через впускные коллекторы в цилиндры.
Соединение тройника подвода воздуха с компрессорами и компрессоров с впускными коллекторами обеспечивается резиновыми патрубками и шлангами, которые стянуты хомутами.
Система питания двигателя КамАЗ-7403 воздухом отличается от двигателя КамАЗ-740 установкой воздухоочистителя, конструкцией воздухопроводов, впускных коллекторов и патрубков.
Рис. 28. Воздушный фильтр:
1 – крышка; 2 – прокладка крышки; 3 – корпус; 4 – пылеотбойник: 5 – фильтрующий элемент; 6 – гайка фильтрующего элемента.
Рис. 29. Предочиститель:
1 – шнурки стягивающие; 2 – предочиститель; 3 – элемент фильтрующий.
Впускные коллекторы закреплены на боковых поверхностях головок цилиндров со стороны развала болтами через уплотнительные паронитовые прокладки и соединены с впускными каналами головок цилиндров. Левый и правый впускные коллекторы связаны между собой соединительным патрубком, который закреплен на фланцах воздухопроводов болтами и уплотнен резиновыми прокладками.
И
ндикатор
засоренности
воздушного фильтра (рис. 30) установлен
на панели приборов и резиновым шлангом
соединяется с левым впускным коллектором.
По мере засорения воздушного фильтра
возрастает величина разрежения во
впускных трубопроводах двигателя, и
при достижении разряжения 6,86 кПа (0,07
кгс/см2)
индикатор
срабатывает – красный барабан закрывает
окно индикатора и остаётся в таком
положении после останова двигателя,
что свидетельствует о необходимости
обслуживания воздушного фильтра.
Рис. 30. Индикатор засоренности воздушного фильтра:
1 – диск; 2 – красный барабан.
Система автоматической очистки воздушного фильтра предназначена для отсоса пыли из фильтра и выброса ее через эжектор в атмосферу. Система включает в себя эжектор, заслонку и трубопроводы, соединяющие воздушный фильтр с заслонкой и эжектором. Эжектор установлен на выпускном патрубке глушителя и крепится к кронштейну 2 топливного бака (рис. 31).
Заслонка эжектора отсоса пыли из воздухофильтра имеет два возможных положения «Открыто» и «Закрыто». На всех автомобилях КамАЗ, кроме автомобилей-самосвалов КамАЗ-5511, заслонка должна постоянно находиться в положении «Открыто».
Система выпуска газов (рис. 31) предназначена для выброса в атмосферу отработавших газов и включает в себя два выпускных коллектора 9, приемные трубы 7 и 8, гибкий металлический рукав 5, глушитель 1, на выпускной патрубок которого установлен эжектор 4 отсоса пыли.
Каждый выпускной коллектор обслуживает ряд цилиндров и крепится к блоку цилиндров тремя болтами. Коллекторы соединены с головками цилиндров патрубками. Разъемное соединение коллектор–патрубок–головка позволяет компенсировать тепловые деформации, возникающие при работе двигателя.
Приемные трубы объединены тройником и соединены с глушителем гибким металлическим рукавом, который компенсирует погрешности сборки и температурные деформации деталей системы. В каждой приемной трубе установлена заслонка вспомогательной моторной тормозной системы.
Рис. 31. Система выпуска отработавших газов:
1 – глушитель шума; 2 – кронштейн крепления топливного бака; 3 – левый лонжерон рамы; 4 – эжектор; 5 – рукав приемных труб; 6 – механизм вспомогательной тормозной системы; 7, 8 – левая и правая приемные трубы; 9 – выпускной коллектор.
Глушитель шума выпуска (рис. 32) – активно-реактивный, неразборной конструкции. Активный глушитель работает по принципу преобразования звуковой энергии в тепловую, что осуществляется установкой на пути газов перфорированных перегородок, в отверстиях которых поток газов дробится и пульсация затухает. В реактивном глушителе используется принцип акустической фильтрации звука. Этот глушитель представляет собой ряд акустических камер, соединенных последовательно.
Рис. 32. Глушитель шума выпуска:
1 – труба перфорированная; 2 – фланец упорный; 3 – фланец натяжной; 4 – стенка передняя; 5 – корпус; 6 – патрубок выпускной; 7 – стенка задняя.
Система газотурбинного наддува состоит из двух взаимозаменяемых турбокомпрессоров, компрессоров, впускных и выпускных коллекторов и патрубков. Турбокомпрессоры установлены на выпускных коллекторах по одному на каждый ряд цилиндров. Уплотнение газовых стыков между установочными фланцами турбокомпрессоров и коллекторами осуществляется прокладками из жаропрочной стали.
Труба выпуска отработавших газов крепится к турбокомпрессорам с помощью натяжных фланцев, а герметичность соединений обеспечивается асбостальной прокладкой.
Подшипники турбокомпрессора смазываются от системы смазки двигателя.
Турбокомпрессор ТКР7Н (рис. 33) – агрегат, объединяющий центростремительную турбину и центробежный компрессор. Турбина преобразовывает энергию газов в работу сжатия воздуха компрессором.
Вращающаяся часть турбокомпрессора – ротор – состоит из колеса 16 турбины с валом, колеса 8 компрессора и маслоотражателя 7, закрепляемых на валу гайкой 6.
Рис. 33. Турбокомпрессор:
1 – подшипник; 2 – экран; 3 – корпус компрессора; 4 – диффузор; 5, 19 – кольцо уплотнительное; 6 – гайка; 7 – маслоотражатель; 8 – колесо компрессора; 9 – экран маслосбрасывающий; 10, 18 – крышки; 11 – корпус подшипника; 12 – фиксатор; 13 – переходник; 14 – прокладка асбостальная; 15 – экран турбины; 16 – колесо турбины; 17 – корпус турбины.
Ротор вращается в подшипнике 1, представляющем собой плавающую невращающуюся моновтулку, удерживается от осевого и радиального перемещений фиксатором 12, который вместе с переходником 13 является маслоподводящим каналом. В корпусе 11 подшипника устанавливаются стальные крышки 10 и 18, и маслосбрасывающий экран 9, который вместе с невращающимися упругими разрезными уплотнительными кольцами 5 предотвращает течь масла из полости корпуса подшипник.
Корпуса турбины и компрессора крепятся к корпусу подшипник с помощью болтов и планок. Для уменьшения теплопередачи от корпуса турбины к корпусу подшипника, между ними установлен чугунный экран турбины 15 и асбостальная прокладка 14. Диффузор 4 и экран 2 образуют канал, по которому воздух после сжатия в колесе подаётся во внутреннюю полость корпуса.
Техническая характеристика турбокомпрессора ТКР7Н-1.
|
Диапазон подачи воздуха через компрессор, кг/с |
0,050,2 |
|
Давление наддува (избыточное) при номинальной мощности двигателя, кПа (кгс/см2) |
5483,4 (0,550,85) |
|
Частота вращения ротора при номинальной мощности двигателя, об/мин-1 |
8000085000 |
|
Температура газов на входе в турбину, С: |
|
|
при длительной работе, не более |
650 |
|
при кратковременной работе (до 1 часа), не более |
700 |
|
Давление смазочного масла на входе в турбокомпрессор, кПа (кгс/см2): |
|
|
на двигателе с нагрузкой |
196,2392,4 (24) |
|
на двигателе без нагрузки, не менее |
98,1 (1) |
Система охлаждения.
Система охлаждения двигателя жидкостная, закрытого типа, с принудительной циркуляцией охлаждающей жидкости. Основными элементами системы (рис. 34) являются: водяной насос 21, радиатор, термостаты 23, вентилятор 1, гидромуфта привода вентилятора, выключатель 6 гидромуфты, расширительный бачок 12, перепускные трубы, жалюзи.
Во время работы двигателя циркуляция охлаждающей жидкости в системе создается центробежным насосом. Жидкость нагнетается в водяную полость левого ряда цилиндров, а через трубку 3 – в водяную полость правого ряда цилиндров. Омывая наружные поверхности гильз цилиндров, охлаждающая жидкость через отверстия в верхних привалочных плоскостях блока цилиндров поступает в водяные полости головок цилиндров, откуда горячая жидкость по водяным трубам 17 и 19 поступает в коробку термостатов 7, из которой в зависимости от температуры направляется в радиатор или на вход водяного насоса.
Р
ис.
34. Схема системы охлаждения:
1 – вентилятор; 2 – сливной кран системы охлаждения; 3 – труба подводящая правого полу блока; 4 – патрубок подводящей трубы; 5 – головка цилиндров; 6 – выключатель гидромуфты привода вентилятора; 7 – коробка термостатов; 8 – патрубок отвода воды из бачка в водяной насос; 9 – патрубок отвода воды в отопитель; 10 – кран контроля уровня охлаждающей жидкости; 11 – труба воздухоотводящая от радиатора; 12 – бачок расширительный; 13 – пробка паро-воздушная; 14 – трубка перепускная от двигателя к расширительному бачку; 15 – трубка соединительная от компрессора к бачку; 16 – компрессор; 17 – труба водосборная правая; 18 – труба водяная соединительная; 19 – труба водосборная левая; 20 – труба перепускная термостатов; 21 – насос водяной; 22 – колено отводящего патрубка водяного трубопровода; 23 – термостат; I - в радиатор при открытых термостатах; II – в насос при закрытых термостатах; III - из радиатора.
Температура охлаждающей жидкости в системе 8098 °С. Тепловой режим двигателя регулируется автоматически термостатами и выключателем гидромуфты привода вентилятора, которые управляют направлением потока жидкости и работой вентилятора в зависимости от температуры охлаждающей жидкости в двигателе.
Для ускорения прогрева двигателя, а также поддержания температурного режима двигателя в холодное время года перед радиатором установлены жалюзи,
Т
ермостаты
(рис. 35) с твердым наполнителем и прямым
ходом клапана предназначены для
автоматического регулирования
теплового режима двигателя и размещены
в коробке 7, закрепленной на переднем
торце правого ряда блока цилиндров.
Рис. 35. Термостат:
1, 7 – стойки; 2 – шток; 3, 12 – регулировочные гайки; 4 – резиновая вставка с шайбой; 6 – основание; 8 – баллон: 9 – активная масса (церезин); 11, 13 - пружины.
На холодном двигателе вход жидкости в радиатор перекрыт клапаном 5, а вход в перепускную трубу к водяному насосу открыт клапаном 10. Охлаждающая жидкость циркулирует, минуя радиатор, что ускоряет прогрев двигателя.
Когда температура охлаждающей жидкости достигает 7882°С, активная масса (церезин) 9. заключенная в баллоне 8, плавится, увеличиваясь в объеме. Баллон перемещается вправо, открывая клапан 5 и закрывая клапан 10. Охлаждающая жидкость начинает циркулировать через радиатор. При температуре 8093°С охлаждающая жидкость продолжает поступать через перепускную трубу на вход насоса и через радиатор, при этом клапаны открыты частично.
При температуре 9195°С происходит полное открытие клапана 5, при этом вся жидкость циркулирует через радиатор.
Когда температура охлаждающей жидкости снижается до 80°С и ниже, объем церезина уменьшается и клапаны под действием пружин 11 и 13 занимают первоначальное положение.
Гидромуфта привода вентилятора (рис. 36) передает крутящий момент от коленчатого вала к вентилятору и гасит инерционные нагрузки, возникающие при резком изменении частоты вращения коленчатого вала.
Передняя крышка 1 блока и корпус 2 подшипника соединены винтами и образуют полость, в которой установлена гидромуфта.
Ведущий вал 6 в сборе с кожухом 3, ведущее колесо 10, вал 12 и шкив 11, соединенные болтами, составляют ведущую часть гидромуфты, которая вращается в шариковых подшипниках 8 и 19. Ведущая часть гидромуфты приводится во вращение от коленчатого вала через шлицевой вал 7. Ведомое колесо 9 в сборе с валом 16, на котором закреплена ступица 15 вентилятора, составляет ведомую часть гидромуфты, вращающуюся в шарикоподшипниках 4 и 13. Гидромуфта уплотнена резиновыми манжетами 17, 20.
Рис. 36. Гидромуфта привода вентилятора:
1 – передняя крышка; 2 – корпус подшипника; 3 – кожух; 4. 8. 13, 19 – шарикоподшипники; 5 – трубка корпуса подшипника; 6 – ведущий вал; 7 – вал привода гидромуфты; 9 – ведомое колесо; 10 – ведущее колесо; 11 – шкив; 12 – вал шкива; 14 – втулка манжеты; 15 – ступица вентилятора; 16 – ведомый вал; 17, 20 – манжеты с пружиной; 18 – прокладка.
На внутренних тороидальных поверхностях ведущего и ведомого колес отлиты радиальные лопатки. На ведущем колесе 33 лопатки, на ведомом – 32. Межлопаточное пространство колес образует рабочую полость гидромуфты.
Передача крутящего момента с ведущего колеса 10 гидромуфты на ведомое колесо 9 происходит при заполнении рабочей полости маслом. Частота вращения ведомой части гидромуфты зависит от количества масла, поступающего в гидромуфту.
Масло поступает через выключатель 6 (см. рис. 37), который управляет работой гидромуфты привода вентилятора. Он установлен в передней части двигателя на патрубке, подводящем охлаждающую жидкость к правому ряду цилиндров.
Выключатель имеет три фиксированных положения и обеспечивает работу вентилятора в одном из следующих режимов.
1. Автоматический (основной режим) - рычаг установлен в положение «А» (рис. 37).
При повышении температуры охлаждающей жидкости, омывающей термосиловой датчик 15, активная масса, находящаяся в баллоне датчика, начинает плавиться и, увеличиваясь в объёме, перемещает шток датчика и шарик 5.
При температуре жидкости 8690°С шарик открывает масляный канал (см. рис. 38) в корпусе 2 выключателя. Масло из главной масляной магистрали двигателя по каналам в корпусе выключателя, блоке и его передней крышке, трубке 5 (см. рис. 36) и каналам в ведущем валу поступает в рабочую полость гидромуфты; при этом крутящий момент от коленчатого вала передается крыльчатке вентилятора.
Рис. 37. Выключатель гидромуфты:
1 – рычаг пробки; 2 – крышка; 3, 8 – шарики; 4 – пробка; 5 – корпус включателя; 6 – клапан термосиловой (корпус); 7 – термосиловой датчик; 9 – кольцо уплотнительное; рычаг; 10 – пружина.
При температуре охлаждающей жидкости ниже 86°С шарик под действием возвратной пружины перекрывает масляный канал в корпусе, и подача масла в гидромуфту прекращается; при этом находящееся в гидромуфте масло через отверстие в кожухе 3 сливается в картер двигателя и вентилятор отключается.
2. Вентилятор отключен – рычаг установлен в положение «О» (см. рис. 37), масло в гидромуфту не подается (см. рис. 38) – крыльчатка может вращаться с небольшой частотой, увлекаемая трением в подшипниках и уплотнениях гидромуфты и набегающим на вентилятор встречным потоком воздуха.
3. Вентилятор включен постоянно – рычаг установлен в положение «II» - в гидромуфту постоянно подается масло (см. рис. 38) независимо от температуры двигателя, вентилятор вращается постоянно с частотой, приблизительно равной частоте вращения коленчатого вала.
Рис. 38. Положения выключателя гидромуфты привода вентилятора:
I – подача масла из системы смазки двигателя; II – в гидромуфту.
Основной режим работы гидромуфты – автоматический. При отказе включателя гидромуфты в автоматическом режиме (характеризуется перегревом двигателя) нужно включить гидромуфту в постоянный режим (установив рычаг включателя в положение II) и при первой возможности устранить неисправность.
При форсировании глубоких бродов рычаг включателя гидромуфты требуется установить в положение О.
Водяной насос (рис. 39) центробежного типа, установлен на передней части блока цилиндров слева. На шкив 1 насоса крутящий момент передается ремнями от шкива гидромуфты, который вращается с угловой скоростью, равной частоте вращения коленчатого вала.
Вал вращается в подшипниках 4 и 6 полузакрытого типа. Смазка подшипников в процессе эксплуатации осуществляется через пресс-маслёнку 5. Манжета 7 предохраняет подшипники от попадания охлаждающей жидкости при нарушении герметичности уплотнения 13. Шкив 1 дополнительно закреплён болтом 2.
Рис. 39. Водяной насос:
1 – шкив; 2 – болт; 3, 10 – шайбы; 4, 6 – подшипники; 5 – пресс-масленка; 7 – манжета; 8 – кольцо уплотнительное с обоймой; 9 – валик; 11 – гайка колпачковая; 12 – кольцо упорное; 13 – сальник; 14 – крыльчатка; 15 – кольцо стопорное; 16 - пылеотражатель.
Для контроля исправности уплотнения в корпусе насоса выполнено дренажное отверстие. Заметное подтекание жидкости через это отверстие свидетельствует о неисправности уплотнения. Необходимо помнить, что закупорка дренажного отверстия приводит к выходу из строя подшипников насоса.
Водяной радиатор – трубчато-ленточный («змейковый»), трех рядный с трубками овального сечения, расположен перед двигателем. Он состоит из верхнего и нижнего бачков, остова и каркаса.
Верхний и нижний бачки припаяны к остову, состоящему из трубок, расположенных в три ряда. Промежутки между трубками заполнены гофрированной медной лентой, изогнутой змейкой и припаянной к трубкам. К верхнему и нижнему бачкам припаяны две боковые стойки, представляющие собой стальные пластины. Вместе с нижней пластиной они образуют каркас радиатора.
В верхний латунный бачок впаян подводящий патрубок, в нижний – отводящий патрубок.
Радиатор закреплен на автомобиле в трех точках на резиновых подушках, степень затяжки которых ограничивается распорными втулками.
Жалюзи радиатора – створчатые, управляются из кабины водителя ручкой, расположенной под щитком приборов справа от рулевой колонки. Чтобы закрыть жалюзи, надо потянуть ручку на себя. Закрывать жалюзи следует при прогревании двигателя, а также во время движения в случае понижения температуры охлаждающей жидкости.
Жалюзи предназначены для регулирования потока воздуха, просасываемого через решетки радиатора. Они выполнены в виде набора горизонтальных, сравнительно узких пластин из оцинкованного железа, объединены общей рамкой и снабжены шарнирным устройством, обеспечивающим одновременный поворот их около осей. Жалюзи крепятся к каркасу радиатора перед охлаждающей решеткой.
Вентилятор – осевого типа, пяти-лопастный, установлен на ведомом валу гидромуфты соосно с коленчатым валом двигателя. Вентилятор вращается в установленном на рамке радиатора диффузоре, который уменьшает подсос лопастями воздуха с боков и тем самым способствует увеличению потока воздуха, просасываемого вентилятором через радиатор системы охлаждения двигателя.
Расширительный бачок установлен на двигателе с правой стороны по ходу автомобиля и соединен с коробкой термостатов, верхним бачком радиатора, водяной полостью блока и компрессором. Расширительный бачок служит для компенсации изменения объема охлаждающей жидкости при ее расширении от нагревания; он также позволяет контролировать степень заполнения системы охлаждения двигателя и способствует удалению из нее воздуха и пара.
В горловине расширительного бачка установлена паровоздушная пробка 13 (см. рис. 34) с впускным (воздушным) и выпускным (паровым) клапанами. Выпускной клапан, нагруженный пружиной, поддерживает в системе охлаждения избыточное давление до 56,978,5 кПа (0,580,80 кгс/см2), впускной клапан, нагруженный более слабой пружиной, препятствует созданию в системе разрежения при остывании двигателя. Впускной клапан открывается и сообщает систему охлаждения с атмосферой при разрежении 0,9812,7 кПа (0,010,13 кгс/см2).
Охлаждающая жидкость заливается в двигатель через горловину расширительного бачка. Уровень жидкости в расширительном бачке контролируется краником 10 контроля уровня. Он должен находиться выше крана, при этом верхний уровень жидкости в бачке должен быть равен 1/22/3 высоты бачка.
Температура охлаждающей жидкости в системе фиксируется указателем на щитке приборов. При возрастании температуры в системе охлаждения до 98°С в указателе загорается контрольная лампа аварийного перегрева охлаждающей жидкости.
Электрофакельное устройство.
Электрофакельное устройство (ЭФУ) предназначено для облегчения пуска холодного двигателя при отрицательных температурах окружающего воздуха до -20С.
Принцип действия ЭФУ основан на подогреве воздуха, поступающего в цилиндры двигателя, факелом пламени свечи. Топливо, поступающее к свече, сгорает не полностью. Несгоревшая часть его в виде паров и газа поступает в цилиндры, способствуя возникновению в камере сгорания дополнительных очагов воспламенения. Факельные свечи подсоединены к магистрали низкого давления системы питания двигателя топливом (см. рис. 15) на участке: фильтр тонкой очистки топлива – ТНВД.
При пуске двигателя работает топливоподкачивающий насос низкого давления 7, и топливо, проходя через фильтр тонкой очистки 17, нагнетается к свечам 13. Перепускной клапан топливного насоса высокого давления и клапан-жиклёр фильтра тонкой очистки топлива перекрывают дренажные топливопроводы 16, 20 и обеспечивают подачу топлива под давлением на свечи с минимальной задержкой времени от момента открытия электромагнитного клапана.
Электрическая схема устройства (рис. 40) работает следующим образом: при включении кнопки 9 напряжение от аккумуляторных батарей 15 через амперметр 11, реле 4и термореле 4 подаётся на факельные свечи 6 и происходит их разогрев.
Одновременно с разогревом свечей нагревается и срабатывает термореле, включая электромагнитный клапан 7 и контрольную лампу блока 10. При этом клапан открывает доступ топлива к свечам, а загорание контрольной лампы указывает на готовность к пуску двигателя.
Кроме того, при включении кнопки 9 напряжение подаётся на реле 5, которое разрывает цепь обмотки возбуждения генератора. Это необходимо для защиты свечей от напряжения, вырабатываемого генератором, когда выход двигателя на устойчивый режим сопровождается работой ЭФУ. Сохранение факела при малой частоте вращения коленчатого вала двигателя после пуска способствует быстрому выходу его на самостоятельный режим работы и уменьшению дымления, возникающего у непрогретого двигателя.
Ток, потребляемый ЭФУ, не превышает 24 А. Такая величина потребляемого тока не оказывает отрицательного воздействия на последующий стартерный разряд аккумуляторных батарей.
Сопротивление спирали термореле 5 выбрано таким образом, чтобы на выводах свечей обеспечивалось напряжение 19 В (номинальное напряжение свечи).
Рис. 40. Принципиальная электрическая схема системы пуска двигателя:
1 – реле блокировки стартера; 2 – указатель тахометра; 3 – установка генераторная; 4 – реле включения электрофакельного устройства (ЭФУ); 5 – термореле ЭФУ; 6 – свеча факельная; 7 – клапан электромагнитный; 8 – блок контрольных ламп; 9 – кнопка включения ЭФУ; 10 – блок предохранителей; 11 – амперметр; 12 – реле стартера; 13 – стартер; 14 – выключатель массы; 15 – батарея аккумуляторная; 16 – выключатель приборов и стартера; I – к реле отключения обмотки возбуждения генератора; II – к кнопке дистанционного выключателя массы.
Рис. 41. Факельная свеча:
1 – корпус; 2 – нагреватель; 3 – гильза защитная; 4 – сетка; 5 – испаритель; 6 – контргайка; 7 – гайка с фильтром; 8 – жиклёр.
При пуске двигателя через дополнительное реле стартера включаются стартер и реле 4 включения ЭФУ, контакты которого шунтируют термореле, т.е. на выводы свечей подаётся номинальное напряжение в обход спирали термореле, так как при проворачивании коленчатого вала двигателя стартером напряжение на выводах батарей снижается.
Техническая характеристика деталей ЭФУ.
|
Свеча факельная |
|
|
Номинальное напряжение, В |
19 |
|
Потребляемый ток при номинальном напряжении, А |
1111,8 |
|
Пропускная способность по топливу, см3/мин |
5,56,5 |
|
Термореле |
|
|
Номинальное напряжение, В |
24 |
|
Номинальный ток, А |
22,8 |
|
Время от включения тока до замыкания контактов после отключения тока, с |
>45 |
|
Электромагнитный клапан |
|
|
Номинальное напряжение, В |
24 |
|
Напряжение включения (открытия), В |
>12 |
|
Напряжение отключения (закрытия), В |
>6 |
|
Потребляемый ток при напряжении 12 В, А |
<1,1 |
Список литературы:
1). Титунин Б.А.. Ремонт автомобилей КамАЗ. – 2-е изд., перераб. и доп. – М.: Агропромиздат, 1991. – 320 с., ил.
2). Буралёв Ю.В. и др. Устройство, обслуживание и ремонт топливной аппаратуры автомобилей: Учебник для сред. проф.-техн. училищ / Ю.В. Буралёв, О.А. Мортиров, Е.В. Клетенников. – М.: Высш. школа, 1979. – 256 с., ил.
3). Барун В.Н., Азаматов Р.А., Машков Е.А. и др. Автомобили КамАЗ: Техническое обслуживание и ремонт. – 2-е изд., перераб. и доп. – М.: Транспорт, 1988. – 325 с., ил., табл.
4). Руководство по ремонту и техническому обслуживанию автомобилей КамАЗ-5320, -53211, -53212, -53213, -5410, -54112, -55111, -55102. – М.: Третий Рим, 2000. – 240 с., ил.
1 При частоте вращения кулачкового вала 1290—1310 об/мин, разрежении на всасывании 21,622,6 кПа (0,220,23 кгс/см2) и противодавлении 78,598,1 кПа (0,81,0 кгс/см2).