Автоматизація графічних та розрахункових задач проектування. Проектування офісу математики
Міністерство освіти і науки України
Українська інженерно-педагогічна академія
Гірничий факультет
Кафедра інформаційних технологій
ПОЯСНЮВАЛЬНА ЗАПИСКА
до курсової роботи
з дисципліни Основи автоматизованого проектування складних систем
на тему:
Автоматизація графічних та розрахункових задач проектування
Монмарьов І.К
Стаханов
2010
ЗАВДАННЯ НА КУРСОВИЙ ПРОЕКТ
Тема проекту “Автоматизація графічних та розрахункових задач проектування”
Термін здачі студентом закінченого проекту до 15 травня 2010 р.
Вихідні дані до проекту Загальні вимоги до графічного та математичного моделювання. Завдання згідно варіанта з проектування офісу, який обладнаний комп’ютерами та програмним забезпеченням відповідно до призначення офісу. Розробці підлягають план та об’ємне зображення офісу, меблювання та розташування обладнання, електропостачання та ін. Завдання згідно варіанта з розвязання математичних задач. Середовища проектування: 3D Home, Excel, MathCAD, Power Point та інші, за узгодженням з керівником проекту.
Зміст розрахунково-пояснювальної записки (перелік питань, що їх належить розробити) Вступ з обов’язковим посиланням на літературу, в якій вказується актуальність і ефективність використання САПР та математичного моделювання. Умови завдань. Графічне моделювання. Опис діяльності офісу та його програмне забезпечення, співробітники. Альтернативне комп’ютерне обладнання. Електропостачання. Математичне моделювання. Висновки з обов’язковим переліком кількісних даних, що характеризують результати розробки. Презентація проекту. Використані джерела. Додатки.
Перелік графічного матеріалу (з точним зазначенням обов’язкових креслень) Екранні копії результатів графічного та математичного моделювання. Не менше п’яти сторінок формату А4 з планами та обємними зображеннями офісу та розмірами.
Дата видачі завдання 4 лютого 2010 р.
РЕФЕРАТ
Курсовий проект: 46 с., 51 рис., 7 табл., 1 додаток, 10 джерел.
Об'єктом проектування є моделювання офісу у системі автоматизованого проектування 3D Home Architect 8.
Предметом проектування є проектування офісу за допомогою системи 3D Home Architect 8, його зовнішнього та внутрішнього виду, устаткування, схеми електропостачання та інше.
Метою проектування є підготовка майбутніх інженерів-педагогів в галузі комп'ютерних технологій для моделювання об'єктів у різних системах автоматизованого проектування.
Методи дослідження. Для вирішення поставленої мети застосовані:
загальнонаукові методи: теоретичного пошуку, визначення теоретичних і прикладних аспектів проектування;
емпіричні методи.
Практична значущість проектування: міститься у наданні майбутнім інженерам-педагогам знань у галузі комп'ютерних технологій, необхідних для моделювання об'єктів у різних системах автоматизованого проектування.
СИСТЕМА АВТОМАТИЗОВАННОГО ПРОЕКТУВАННЯ, ГРАФІЧНЕ МОДЕЛЮВАННЯ, МАТЕМАТИЧНЕ МОДЕЛЮВАННЯ, ОПТИМІЗАЦІЯ, ОПТИМАЛЬНІСТЬ
ЗМІСТ
ВСТУП
1 ГРАФІЧНЕ МОДЕЛЮВАННЯ ОФІСУ МОБІЛЬНОГО ЗВ’ЯЗКУ
1.1 Початкові дані для проектування офісу
1.2 Опис призначення офісу та його програмне забезпечення
1.3 Співробітники офісу
1.4 Альтернативне комп'ютерне устаткування
1.5 План офісу та його об'ємне зображення
1.5.1 План офісу з указівкою розмірів
1.5.2 Об'ємне проектування будинку
1.5.3 Інтер'єр усіх кімнат
1.5.4Територія проектованого будинку
1.6 Електропостачання офісу
1.6.1 Місце розміщення в офісі електротехнічної арматури
1.6.2 Схема електропостачання
1.6.3 Розрахунок кабельної продукції для електропостачання
1.6.4 Розрахунок струму в окремих частинах схеми електропостачання
1.6.5 Розрахунок споживаної електроенергії в середньому за день і за місяць. Оплата електроенергії
1.7 Висновки щодо проекту офісу
2. МАТЕМАТИЧНЕ МОДЕЛЮВАННЯ
2.1 Завдання 1.1
2.2 Завдання 1.2
2.3 Завдання 2.1
2.4 Завдання 2.2
ВИСНОВКИ
ПЕРЕЛІК ВИКОРИСТАНИХ ДЖЕРЕЛ
ДОДАТОК – Презентація проектування офісу туризму
ВСТУП
У сучасних умовах проектування із застосуванням засобів обчислювальної техніки (автоматизованого проектування) процес роботи з такою інформаційною моделлю може бути організований різними способами (методами).
Використання інформаційних технологій дозволяє забезпечити супровід процесу прийняття рішень на всіх стадіях розробки проекту інформаційною підтримкою. Реалізація такої підтримки вимагає організації управління джерелами інформації, вибору найкращих характеристик інформаційної моделі та ефективного апарату управління процесом проектування.
Актуальність даної роботи полягає у тому, що істотне зростання потужності обчислювальної техніки (швидкодія, обсяг оперативної пам'яті) визначає можливість переходу від копіювання традиційних технологій до реалізації власне машинних технологій, що заміняють традиційні. На доцільність і актуальність такого переходу звертав увагу академік В.М. Глушков: «При автоматизації організаційного управління на основі використання ЕОМ слід пам'ятати, що головною запорукою її успіху є докорінна зміна традиційної технології організаційного управління» [1].
Перша частина даного проекту містить у собі проектування офісу (за допомогою системи 3D Home Architect 8), його зовнішнього й внутрішнього виду, устаткування й інших об'єктів, розробку схеми електропостачання, а також даних про споживання електричної енергії, опис можливої діяльності офісу й робітників.
Друга частина являє собою математичне моделювання за допомогою програм Excel і Mathcad.
1 ГРАФІЧНЕ МОДЕЛЮВАННЯ ОФІСУ
Початкові дані для проектування офісу
|
Діяльність офісу |
Математика |
|
Кількість комп'ютерів |
2 |
|
Кількість принтерів |
2 |
|
Блоки безперебійного живлення |
2 |
|
Кількість сканерів |
1 |
|
Модем |
+ |
|
Телевізор (підключення до ЕОМ) |
+ |
|
Кондиціонер |
+ |
|
Музичний центр |
+ |
|
Осцилограф (підключення до ЕОМ) |
- |
|
Корисна площа офісу |
32,5 кв.м |
|
Завдання 1.1 |
16 |
|
Завдання 1.2 |
15 |
|
Завдання 2.1 (А,Б, варіант) Ємність для поливу газону |
30 |
|
Завдання 2.2 |
20 |
Опис призначення офісу та його програмне забезпечення
На підставі вихідних даних можна припустити, що в офісі може працювати 4 чоловіка. Так як ця установа призначена для роботи в сфері математичних досліджень, то потрібні наступні кадри: секретар, менеджер та два математика.
Офіс може виконувати:
Дослідження сучасних питань у сфері математики;
Математичне прогнозування;
Вирішення задач з оптимізації виробництва;
Надання математичної моделі з ціллю зменшення витрат або збільшення прибутку.
У даному офісу буде використовуватись оперативна система Windows Vista Enterprise для бізнесу. Високоефективна операційна система Windows Vista Enterprise для бізнесу підтримує додаткові можливості, що дозволяють скоротити вартість і складність розгортання й керування корпоративними
ПК. Крім того, ОС Windows Vista Enterprise надає більш високий рівень захисту, спрощує керування додатками й дозволяє стандартизувати роботу комп'ютерів організації. ОС Windows Vista Enterprise забезпечує поліпшений захист даних, що зберігаються на мобільних комп'ютерах співробітників, включаючи додатковий захист конфіденційної інформації на випадок втрати або крадіжки комп'ютера.[2]. Для виконання роботи математика необхідні: Microsoft Office 2007 та MathCAD 14. Microsoft Office 2007 — це популярний офісний пакет від Microsoft. Microsoft Office 2007 містить додатки, що призначені для обробки та надання в наочному вигляді різної інформації. У Microsoft Office 2007 входять: Word, Excel, PowerPoint, Outlook, Communicator, Publisher, InfoPath, Groove, OneNote та інші компоненти. За допомогою програм пакету Microsoft Office 2007 люди, розділені роботою в різних організаціях і місцем проживання, можуть ефективно співпрацювати, обмінюватися інформацією та розробляти спільні проекти. Зокрема, система управління базами даних Microsoft Access є однією з найпопулярніших програм у сімействі настільних СУБД. Всі версії Access мають у своєму арсеналі засоби, що значно спрощують введення і обробку даних, пошук даних та надання інформації у вигляді таблиць, графіків і звітів. Mathcad – програмний засіб, середовище для виконання на комп'ютері різноманітних математичних і технічних розрахунків, забезпечена простим в освоєнні і в роботі графічним інтерфейсом, яка надає користувачеві інструменти для роботи з формулами, числами, графіками і текстами. У середовищі Mathcad доступні більше сотні операторів та логічних функцій, призначених для чисельного і символьного розв'язання математичних задач різної складності. Mathcad 14.0 також дозволяє виконувати більш складні розрахунки, зберігаючи їх ясність з допомогою нових функцій робочого листа WorkSheet (документа, відкритого в середовищі Mathcad), додаткових коштів оперативної числовий оцінки та розширеного набору символів. Це допоможе користувачам при виведенні формул, відображенні обчислювального процесу та документального обгрунтування розрахунків. У кінцевому підсумку, спеціальні додаткові можливості дозволять користувачам працювати з більш широким діапазоном інженерно-технічних завдань. Для виходу в мережу Інтернет використовується Mozilla Firefox. Це швидкий і надійний, легкий в роботі і добре захищений безкоштовний браузер. Одна з основних переваг браузера Mozilla Firefox — гнучкість і розширюваність. Простий і лаконічний, але в той же час зручний інтерфейс дозволяє освоїти програму за декілька хвилин.
1.3 Співробітники офісу
Функції математиків полягають у роботі з математичними моделями та різного роду розрахунками.
Функції менеджера включають роботу, спрямовану на організацію своїх робітників, перевірку роботи, рішення задач, пов'язаних з економією електроенергії, зарплатою та ін.; перевірка звітів, договорів.
Функції секретаря полягають у роботі та попередньої консультації клієнтів: надання рекламної інформації, запис на прийом та ін. Секретар виконує роботу з документами.
Час роботи офісу: з 8-00 до 18-00. Вихідний – понеділок.
1.4 Альтернативне комп'ютерне устаткування
Особливістю проектування є здійснення оптимального вибору з декількох варіантів, відповідно до критеріїв оптимальності. З цієї причини було зроблено два варіанти комп'ютерного устаткування.
Склад комп'ютерного обладнання розроблявся виходячи з того, що було задано: 2 комп'ютери, 2 принтера, 2 блоки безперебійного живлення, 1 сканер, модем, телевізор, кондиціонер і муз. центр.
Таблиця 1.1 – Оснащення (1 варіант)
|
Комплектуючі |
Характеристики |
Ціна, грн. |
|
Материнська плата |
Asus P7P55D PREMIUM; Socket 1156; Intel P55; 4 x DDR3 SDRAM; Кількість каналів: 2 |
2 181 |
|
Процесор |
Intel Core i5 670 3.46 GHz Socket 1156 Box |
2 475 |
|
Оперативна пам’ять |
DDR3 1333 (PC 10600) DIMM 240-контактний, 2x2 Гб, 1.5 В, CL 9 |
873 |
|
HDD |
3.5" SATA II 2000 Гб 7200 rpm 32 Мб Hitachi GST Deskstar 7K2000 (HT0F10311) |
1 396 |
|
FDD |
FDD 3.5'' Samsung 1.44MB (SFD-321B/LFEB) |
47.70 |
|
Оптичний привід |
DVD-RW IDE LG GH32NP20 Black; DVD-R 22x//DVD-RW 6x//DVD+R 22x//DVD+RW 8x//DVD+R(DL) 16x//DVD-R(DL) 12x//CD-R 48x//CD-RW 32x//DVD-RAM 12x//READ: DVD-ROM(SL) 16x//DVD-ROM (DL) 12x//CD-ROM 48x |
246 |
|
Корпус |
ATX Xigmatek Asgard 500 W Black (CPC-T45UB-U51) |
603 |
|
Клавіатура |
Logitech Classic 200 PS2 |
106 |
|
Миша |
Logitech M705 Marathon Wireless Mouse; USB |
546 |
|
Акустика |
Microlab 2.0 Solo 3 2 колонки |
840 |
|
Монітор |
ЖК 21.5" Asus VH322T; 21.5; 16:9; 1920х1080; 5 мс; 300 кд/м2; у/о 170/160; 20000:1; TCO'03; m/media; VES |
1 555 |
|
Разом |
10868,7 |
Всього за 2 комп’ютера: 21737,4 грн
Таблиця 1.2 – Додаткове оснащення (1 варіант)
|
Комплектуючі |
Характеристики |
Ціна, грн. |
|
Модем |
ZyXel P-660HT2; ADSL2/2+4xLAN Annex A/B |
512 |
|
Джерело безперебійного харчування |
APC 1000VA Smart-UPS XL (SUA1000XLI); 1000 ВА; 800 Вт; Вхідна напруга (при роботі від мережі 220В): 160 В–285 В; Час автономної роботи при макс. напрузі 9.7 хв.; Інтерфейс DB9/RS-232 (COM), USB |
3 927 |
|
Принтер |
HP LaserJet P1505; Лазерний / A4 / ч/б / 23 ст/хв / 600x600 dpi / Час вих.. перших ст. 6,5 сек / Ресурс заправки 1500 ст / Лоток 260 листів / Щільність 60-163 г/м2 / 2 Мб / USB 2.0 |
1649 |
|
Сканер |
HP ScanJet G4010 photo; 4800x9600; фото 10 x 15 - 13 сек., ч/б текст - 59 сек; USB 2.0 Hi-Speed |
1 212 |
|
Телевізор |
LCD телевізор SONY KDL-46WE5B; 46" |
12 593 |
|
Кондиціонер |
Спліт-система NEO-Plasma Plus + ІОНІЗАТОР + АНТИАЛЛЕРГЕН Продуктивність: охолодження - 2,30 кВт, нагрів - 2,36 кВт. Споживана потужність: охолодження - 0,66 кВт, нагрів - 0,64 кВт. Система Neo Plasma Plus, фільтр Nano Plasma Plus. |
2 981.68 |
|
Муз. центр |
PHILIPS MCD 297 |
2 566.20 |
|
Всего |
25440,88 |
Загальна вартість обладнання: 47178,28 грн
Таблиця 1.3 – Оснащення (2 варіант)
|
Комплектуючі |
Характеристики |
Ціна, грн. |
|
Материнська плата |
Intel DG41RQ (BLKDG41RQ); Socket 775; Intel G41; 2 x DDR2 SDRAM; Кількість каналів: 2 |
525 |
|
Процесор |
Intel Dual-Core E5400 2.7 GHz Socket 775 Box |
548 |
|
Оперативна пам’ять |
Kingston ValueRAM 1Gb DDR3 1333 (PC 10600) DIMM 240-контактный, 1x1 Гб, CL 9 |
262 |
|
HDD |
3.5" SATA II 1000 Гб 7200 rpm 32 Мб Samsung SpinPoint F3 |
667 |
|
FDD |
FDD 3.5'' Samsung 1.44MB (SFD-321B/LFEB) |
47.70 |
|
Оптичний привід |
DVD-RW SATA LG GH34NS50; DVD-R 24x//DVD-RW 6x//DVD+R 24x//DVD+RW 8x//DVD+R(DL) 16x//DVD-R(DL) 12x//CD-R 48x//CD-RW 32x//DVD-RAM 12x//READ: DVD-ROM(SL) 16x//DVD-ROM (DL) 12x//CD-ROM 48x |
186 |
|
Корпус |
ATX Logic Concept 208H 400 W Black/Silver; Audio//USB 2.0, шт 2//5,25" шт 4//3,5" зовнішніх, шт 1//3,5" внутрішніх, шт 5//слотів розширення, шт 7//400 W//Black/Silver//Габаріти (мм) 420 x 180 x 420 |
238 |
|
Клавіатура |
Mitsumi MITSUMI FQ 180 Ergo PS2 ivory (R561941) |
85 |
|
Миша |
A4Tech OP-35D; Оптична; PS/2 або USB |
150 |
|
Акустика |
Genius 2.0 SP-700; 2 колонки; Відтворювана частота 20 Гц - 20 кГц; Співвідношення сигнал / шум 85 дБ; сателіти - 3" |
244 |
|
Монітор |
ЖК 19 " Samsung 943N Silver; TN//1280x1024//5:4//5 мс//300 кд/м2//8000:1//170°/160°//цвета 16.7 млн.//D-sub> 1//34 Вт//Вага без упаковки (кг) 3.8 |
1 293 |
|
Разом |
4245,7 |
Всього за 2 комп’ютера: 8491,4 грн
Таблиця 1.4 – Додаткове оснащення (2 варіант)
|
Комплектуючі |
Характеристики |
Ціна, грн |
|
Модем |
D-Link DFM-562E |
265 |
|
Джерело безперебійного харчування |
APC 500VA Back-UPS CS (BK500EI); он-лайн (on-line); 500 ВА; 300 Вт; Вхідна напруга (при роботі від мережі 220В): 180 В - 282 В |
809 |
|
Принтер |
Epson Stylus C110; Струменевий / A4 / колір / 37 ст/хв (ч/б); 20 ст/хв (цвет) / 5760x1440 dpi (ч/б); 5760x1440 dpi (колір) / Щільність 64-300 г/м2 / Лоток 120 листів / USB 2.0 |
484 |
|
Сканер |
HP ScanJet G2710 photo (L2696A); 2400x4800 dpi; фото 10 x 15 - 21 сек., ч/б текст - 35 сек.; USB 2.0 |
744 |
|
Телевізор |
LCD телевізор PHILIPS 32PFL3404; 32" |
4 021 |
|
Кондиціонер |
DELFA CSU 07 HG; Спліт-система. Продуктивність: охолодження - 2.1 кВт, нагрів - 2.2 кВт. . Споживана потужність: охолодження - 0.75 кВт, нагрів - 0.72 кВт. Охолодження, обігрів, осушення повітря, автоперезапуск, напр фільтр, самоочищення, пульт дистанційного керування |
771,15 |
|
Муз. центр |
SONY CMT-EH 15 |
2 566.20 |
|
Всего |
7094,15 |
Загальна вартість обладнання: 11339,85 грн
Виходячи з економії кошів для проектування офісу ми приймаємо другий план, так як загальна вартість обладнання в ньому значно менша ніж у першому.
1.5 План офісу та його об'ємне зображення
План офісу розроблявся, виходячи з кількості співробітників і заданого встаткування (3 комп'ютери, 2 принтери, 2 сканери, 1 блоку безперебійного живлення, музичний центр, осцилограф). На плані показани меблі, комп'ютери, електротехнічні арматури (світильники, вимикачі, розетки), вікна й двері.
1.5.1 План офісу з указівкою розмірів


Рисунок 1.1 – Плани офісу А (зверху) та Б (знизу)
Для подальшого проектування обираємо перший план (А), тому що він більш доцільний з точки зору простору кімнат.
1.5.2 Об'ємне проектування будинку

Рисунок 1.2 – Об'ємне проектування будинку
1.5.3 Інтер'єр усіх кімнат

Рисунок 1.3 – Приймальна

Рисунок 1.4 – Інформаційний відділ

Рисунок 1.5 – Кабінет менеджера

Рисунок 1.6 – Кабінет спеціаліста з мат. частини

Рисунок 1.7 – Туалет
Територія проектованого будинку

Рисунок 1.8 – Загальний вид території

Рисунок 1.9 – Частина території

Рисунок 1.10 – Частина території
1.6 Електропостачання офісу
1.6.1 Місце розміщення в офісі електротехнічної арматури

Рисунок 1.11 – Місце розміщення в офісі електротехнічної арматури
1. Розподільчий електрощит
2. З'єднувальні коробки
3. Розетки
4. Вимикачі
5. Лампи
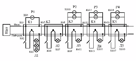
1.6.2 Схема електропостачання

Рисунок 1.14 – Схема електропостачання
Пояснення:
К1 - Коробка 1
К2 - Коробка 2
К3 - Коробка 3
К4 - Коробка 4
К5 - Коробка 5
Л1 - Лампи у приймальні, відноситься до К1
Л2 - Лампа у туалеті, відноситься до К2
Л3 - Лампа у інформаційному відділі, відноситься до К3
Л4 - Лампа у кабінеті менеджера, відноситься до К4
Л5 - Лампа у кімнаті спеціаліста з мат. частини, відноситься до К5
Р1 - Розетка у приймальні, до неї підключається акваріум (100 Вт)
Р2, Р3, Р4 - Розетки у інформаційному відділі, кабінеті менеджера та у кімнаті спеціаліста з мат. частини відповідно. До них підключається комп'ютер з усім апаратним забезпеченням (2х300 Вт) та настільні лампи (3х80Вт)
1.6.3 Розрахунок кабельної продукції для електропостачання
Для того щоб розрахувати кабельну продукцію, необхідно скористатися наступними формулами:
1. Визначення струму в кабелі: I (A) = P (Вт) / U (B)
2. Перший закон Кірхгофа: I = I1 + I2 + I3…In
3. Площа поперечного переріза кабелю: S = I / δ
Матеріал — алюміній.
Таблиця 1.5 – Елементи електроустаткування
|
|
Характеристика кабелю |
||||
|
Элемент |
№ кабеля |
Длина (м) |
Струм (А) |
Сечение (мм²) |
Мощность (Вт) |
|
Щит |
1 |
9,2 |
5,727273 |
2,290909 |
1260 |
|
Коробка 1 |
2 |
0,6 |
5,727273 |
2,290909 |
1260 |
|
Выключатель 1 |
3 |
2 |
1,090909 |
0,436364 |
240 |
|
Лампа 1 |
4 |
7 |
1,090909 |
0,436364 |
240 |
|
Розетка 1 |
5 |
3 |
0,454545 |
0,181818 |
100 |
|
Кробка 2 |
6 |
1 |
4,181818 |
1,672727 |
920 |
|
Выключатель 2 |
7 |
4,2 |
0,363636 |
0,145455 |
80 |
|
Лампа 2 |
8 |
1,2 |
0,363636 |
0,145455 |
80 |
|
Коробка 3 |
9 |
6,8 |
3,818182 |
1,527273 |
840 |
|
Выключатель 3 |
10 |
5,4 |
0,363636 |
0,145455 |
80 |
|
Розетка 2 |
11 |
4,8 |
1,363636 |
0,545455 |
300 |
|
Лампа 3 |
12 |
1 |
0,363636 |
0,145455 |
80 |
|
Коробка 4 |
13 |
2,3 |
2,090909 |
0,836364 |
460 |
|
Розетка 2 |
14 |
2,1 |
1,363636 |
0,545455 |
300 |
|
Выключатель 4 |
15 |
4 |
0,363636 |
0,145455 |
80 |
|
Лампа 4 |
16 |
1 |
0,363636 |
0,145455 |
80 |
|
Коробка 5 |
17 |
2,1 |
0,363636 |
0,145455 |
80 |
|
Выключатель 4 |
18 |
4 |
0,363636 |
0,145455 |
80 |
|
Лампа 4 |
19 |
1 |
0,363636 |
0,145455 |
80 |
|
Итого |
|
53,8 |
|
|
|
1.6.4 Розрахунок струму в окремих частинах схеми електропостачання
Таблиця 1.6 – Розрахунок струму в окремих частинах схеми електропостачання
|
Элемент |
№ кабеля |
Струм (А) |
Мощность (Вт) |
|
Щит |
1 |
5,727273 |
1260 |
|
Коробка 1 |
2 |
5,727273 |
1260 |
|
Выключатель 1 |
3 |
1,090909 |
240 |
|
Лампа 1 |
4 |
1,090909 |
240 |
|
Розетка 1 |
5 |
0,454545 |
100 |
|
Кробка 2 |
6 |
4,181818 |
920 |
|
Выключатель 2 |
7 |
0,363636 |
80 |
|
Лампа 2 |
8 |
0,363636 |
80 |
|
Коробка 3 |
9 |
3,818182 |
840 |
|
Выключатель 3 |
10 |
0,363636 |
80 |
|
Розетка 2 |
11 |
1,363636 |
300 |
|
Лампа 3 |
12 |
0,363636 |
80 |
|
Коробка 4 |
13 |
2,090909 |
460 |
|
Розетка 2 |
14 |
1,363636 |
300 |
|
Выключатель 4 |
15 |
0,363636 |
80 |
|
Лампа 4 |
16 |
0,363636 |
80 |
|
Коробка 5 |
17 |
0,363636 |
80 |
|
Выключатель 4 |
18 |
0,363636 |
80 |
|
Лампа 4 |
19 |
0,363636 |
80 |
1.6.5 Розрахунок споживаної електроенергії в середньому за день і за місяць. Оплата електроенергії
Виходячи з перерахованих вище споживачів, розрахуємо добове споживання електроенергії в офісі.
Таблиця 1.7 – Витрата електроенергії
|
Споживач |
Споживана потужність (Вт) |
|||||
|
1 |
2 |
3 |
4 |
5 |
6 |
|
|
7 |
8 |
9 |
10 |
11 |
12 |
|
|
13 |
14 |
15 |
16 |
17 |
18 |
|
|
19 |
20 |
21 |
22 |
23 |
24 |
|
|
Освітлення |
0 |
0 |
0 |
0 |
0 |
0 |
|
0 |
1260 |
1260 |
1260 |
1260 |
1260 |
|
|
1260 |
1260 |
1260 |
1260 |
1260 |
1260 |
|
|
0 |
0 |
0 |
0 |
0 |
0 |
|
|
ПК 1,2 |
0 |
0 |
0 |
0 |
0 |
0 |
|
0 |
0 |
600 |
600 |
600 |
600 |
|
|
600 |
600 |
600 |
600 |
600 |
600 |
|
|
0 |
0 |
0 |
0 |
0 |
0 |
|
|
Прінтер 1,2 |
0 |
0 |
0 |
0 |
0 |
0 |
|
0 |
0 |
60 |
60 |
60 |
60 |
|
|
60 |
60 |
60 |
60 |
60 |
60 |
|
|
0 |
0 |
0 |
0 |
0 |
0 |
|
|
Сканер |
0 |
0 |
0 |
0 |
0 |
0 |
|
0 |
0 |
40 |
40 |
40 |
40 |
|
|
40 |
40 |
40 |
40 |
40 |
40 |
|
|
0 |
0 |
0 |
0 |
0 |
0 |
|
|
Телевізор |
0 |
0 |
0 |
0 |
0 |
0 |
|
0 |
0 |
300 |
300 |
300 |
300 |
|
|
300 |
300 |
300 |
300 |
300 |
300 |
|
|
0 |
0 |
0 |
0 |
0 |
0 |
|
|
Кондиціонер |
0 |
0 |
0 |
0 |
0 |
0 |
|
0 |
0 |
800 |
800 |
800 |
800 |
|
|
800 |
800 |
800 |
800 |
800 |
800 |
|
|
0 |
0 |
0 |
0 |
0 |
0 |
|
|
Муз. центр |
0 |
0 |
0 |
0 |
0 |
0 |
|
0 |
0 |
250 |
250 |
250 |
250 |
|
|
250 |
250 |
250 |
250 |
250 |
250 |
|
|
0 |
0 |
0 |
0 |
0 |
0 |
|
|
Сумарна Р |
0 |
0 |
0 |
0 |
0 |
0 |
|
0 |
0 |
2050 |
2050 |
2050 |
2050 |
|
|
2050 |
2050 |
3310 |
3310 |
3310 |
3310 |
|
|
0 |
0 |
0 |
0 |
0 |
0 |
|
|
середнє зн-е споживання Р |
|
|
|
|
|
1064,167 |
|
Споживання за сутки |
|
|
|
|
|
25,54 |
|
Добові витрати |
|
|
|
|
|
3,98424 |
|
За місяць |
|
|
|
|
|
87,65328 |
Споживання електроенергії за добу: W = P>cp>*t/1000 = 25,54 кВт*ч
Добові витрати: W*0,156 = 3,98 грн., де 0,156 – плата за 1 кВт*ч
Витрати за місяць = добові витрати *22=87,65 грн., де 22 – це кількість робочих днів за місяць.
На рисунку 1.15 представлений графік споживання електроенергії офісом.

Рисунок 1.15 – Графік споживання електроенергії
Як видно з гістограми, максимальне споживання електроенергії з 15 до 18 годин — у цей час працює все устаткування й увімкнено усе світло.
1.7 Висновки щодо проекту офісу
У графічному моделюванні був змодельований офіс, ведучий свій бізнес у сфері математики.
Для офісу було підібрано відповідне устаткування: три комп'ютери, два принтери, два сканера, музичний центр, блок безперебійного живлення й осцилограф, на загальну суму 11339,85 грн.
Також було розраховане енергоспоживання офісу й розроблена схема електропроводки. За результатами розрахунків на електропроводку офісу буде потрібно 53,8 метрів кабелю. Добове споживання електроенергії – майже 26 квт*ч, що буде коштувати 3,98 грн. у добу або 87,65 грн. на місяць.
У звіт до проекту також включений:
план офісу;
знімки 3D-проекту офісу;
звіт по підборі устаткування;
схема електропроводки;
розрахунки енергоспоживання й навантаження на силові елементи.
2 МАТЕМАТИЧНЕ МОДЕЛЮВАННЯ
2.1 Завдання 1.1
Варіант 16
Модель об'єкта представлена системою лінійних рівнянь:
Визначити невідомі змінні(Х>і>)
1 . використовуючи функцію Find;
2. матричним способом і використовуючи функцію lsolve. Зрівняти результати.
Таблиця 2.1. Система лінійних рівнянь
|
№ варіанта |
Система лінійних рівнянь |
|
16 |
|
Рішення рівнянь за допомогою MS Excel
Для рішення рівнянь необхідно заповнити таблицю з вихідними даними та розрахувати по формулам.

Рисунок 2.1 – Система рівнянь в MS Excel
Правильність рішення системи рівняння можна побачити за допомогою режиму відображення формул.

Рисунок 2.2 – Відображення формул
Для вирішення системи рівнянь треба скористуватися Сервіс – Пошук рішення та заповнити діалогове вікно „Пошук рішення”.
У діалоговому вікні „Пошук рішення” треба встановити:
Цільову комірку.
Критерій визначення результату пошуку (максимальне значення, мінімальне значення, по значенню).
Встановити змінні комірки.
Вказати обмеження. Для встановлення обмеження його потрібно заздалегідь прописати в програмі, у вікні „Пошук рішення” клацнути у вікні „Обмеження” та натиснути кнопку Додати (або Змінити чи Видалити).
Натиснути „Виконати”

Рисунок 2.3 – Вікно «Пошук рішення»
При клацанні клавіші „Виконати” на екрані з’явиться вікно „Результати пошуку рішення”.

Рисунок 2.4 – Результат поиска решения
Тепер необхідно перевірити результати вирішення:


Рисунок 2.5 – Перевірка системи рівнянь
Рішення рівнянь за допомогою MathCad
Рішення системи рівнянь можна знайти за допомогою Given…Find.

Рисунок 2.6 – Рішення рівняння в MathCAD

Рисунок 2.7 – Перевірка рішення рівняння в MathCAD
Також дану систему рівнянь можна вирішити матричним способом, використовуючи функцію lsolve.

Рисунок 2.8 – Рішення рівняння в MathCAD
Рішення заданої системи рівнянь виконувалося двома способами, які дали однаковий результат. Це свідчить про правильність рішення системи.
Результат: х1=8; х2=1,3; х3=8; х4=1.
2.2 Завдання 1.2
Перетворити модель, задану у виді системи нелінійних рівнянь до виду f1(x) = y і f2 (y)= x. Побудувати їхні графіки і визначити початкове наближення рішення. Вирішити систему нелінійних рівнянь.
Таблиця 2.2. Варіант виконання роботи
|
№ Вар |
Система нелінійних рівнянь |
|
15 |
|
Рішення засобами Excel
Рішення системи нелінійних рівнянь виконується аналогічним способом задачі 1.1.

Рисунок 2.9 – Діалогове вікно «Пошук рішення»
Для виконання даного завдання треба побудувати графік функцій. Для цього треба виділити діапазон, для якого створюється графік, на вкладці Ряд треба встановити діапазон комірок, які вважатимуться функцією, та встановити діапазон комірок, які будуть вважатися відліковою прямою.

Рисунок 2.10 – Діалогове вікно «Вихідні дані»
При завданні всіх параметрів та побудови графіків функцій ми отримаємо відповідний вигляд робочої області Excel.

Рисунок 2.11 – Графіки функцій та значення змінних функцій
Рішення рівняння за допомогою MathCad
При рішенні системи нелінійних рівнянь ми повинні використовувати функцію Find, що дозволяє обчислювати тригонометричні функції та отримувати відповідь у вигляді матриці.

Рисунок 2.12 – Рішення системи нелінійних рівнянь
Для виконання перевірки результату треба підставити значення отриманих змінних у вихідне рівняння.

Рисунок 2.13 – Перевірка рішення системи нелінійних рівнянь
Результат: х=2,188, у=-0,092.
2.3 Завдання 2.1
Задача А. Вирішити задачу проектування конусоподібного фільтра.
З
круглої заготівлі (r = 2) фільтрованого
паперу вирізають сектор з кутом
,
потім з іншого роблять фільтр у виді
конуса. Необхідно розрахувати величину
кута
,
при якій забезпечується максимальний
обсяг конуса.
R – радіус основи конуса; h – висота конуса; r – радіус заготівлі фільтрованого папера.


Рисунок 2.14 – Окружність та конус
– довжина
– формула
для куска дуги
Знаходимо різницю


У конусі получили прямокутний трикутник АОВ, кут О = 90о, h – катет у прямокутному трикутнику. Для знаходження катетів обчислимо корінь із різниці гіпотенузи r та катета R.



Цільова функція має вид:

Обмеження:

Рішення рівняння за допомогою Excel

Рисунок 2.15 – Пошук рішення

Рисунок 2.16 – Розв’язання в Excel
Рішення рівняння за допомогою MathCad

Рисунок 2.17 – Розв’язання в MathCAD
Результат: кут θ дорівнює приблизно 66 градусів.
Для рішення задачі ми використовували різні засоби для вирішення, що дали нам однакові результати обчислення. Це говорить про те, що задача виконана вірно.
2.4 Завдання 2.1
Задача Б. Проектування 2 -х конусоподібних (пожежних) ребер.
З
круглої заготівлі жерсті (r = 3) вирізають
сектор з кутом
,
потім з іншого роблять цебро у виді
конуса і з вирізаного сектора теж (тобто
2-а цебра). Необхідно розрахувати величину
кута
,
тобто як необхідно розкроїти заготівлю,
щоб обсяг 2-х цебер був максимальним.
R – радіус основи конуса; h – висота конуса; r – радіус заготівлі.



Рисунок 2.18 – Окружність, велика заготівля, маленька заготівля
Формули для знаходження радіусу R, висоти h та обсягу V великої заготівлі:



Формули для знаходження радіусу R, висоти h та обсягу V маленької заготівлі:



Цільова функція має вид

Обмеження
.
Рішення рівняння за допомогою Excel

Рисунок 2.19 – Розв’язання в Excel
Рішення рівняння за допомогою MathCad

Рисунок 2.20 – Розв’язання в MathCAD
Результат: кут θ дорівнює приблизно 117 градусів.
Для рішення задачі ми використовували різні засоби для вирішення, що дали нам однакові результати обчислення. Це говорить про те, що задача виконана вірно.
2.5 Завдання 2.1
Задача
30. При яких розмірах басейну у формі
трапеції даної місткості
на облицювання його стін і дна буде
потрібна найменша кількість матеріалу,
тобто мінімум
.





l




а
h
b
Рисунок
S>осн>=
V>тр>=
Для того щоб знайти площину бокової стінки, нам необхідно знайти с-сторони з трапеції.


а
с

З формули ми отримали математичну модель рішення задачі:
S>фигуры>=a*b*h+b*l+2*

Рисунок 2.21 – Вікно «Пошук рішення»

Рисунок 2.22 – Рішення задачі в Excel


Рисунок 2.23 – Рішення задачі в MathCAD
2.6 Завдання 2.2
Функція
об'єкта задана неявно рівнянням
,
,
.
Побудувати графік залежності функції
на заданому відрізку
та знайти її мінімум і максимум з точністю
.
Таблиця 2.3 Варіант завдання
|
№ вар |
F(x,t) |
t1 |
t2 |
x1 |
x2 |
|
20 |
|
1 |
4 |
1 |
3 |
Для рішення даного завдання необхідно заповнити таблицю. Задаємо значення t=[0,2]. Задаємо функцію f(x), у якій початкове значення х буде дорівнює "0".
Далі скористаємося вікном підбор параметра.
Отримане значення х необхідно перенести в наступний осередок і на це значення х зробити підбор параметра.
Така дія необхідно виконувати доти доки t не буде дорівнює "2". Далі необхідно побудувати графік за значеннями x й t.

Рисунок 2.27 – Підбір параметру
При клацанні на ОК програма підбирає параметр для комірки зі змінною перемінною, щоб значення цільової функції дорівнювалося нулю.

Рисунок 2.28 – Результат підбору параметру
При здійсненні підбору параметрів до потрібного значення ми отримуємо вихідні данні для побудови графіку функції

Рисунок 2.28 – Вихідні дані
Тепер ми зможемо відтворити графік функції, де побачимо її максимум та мінімум.

Рисунок 2.28 – Графік функції
На цьому графіку можна чітко визначити крапку мінімуму й крапку максимуму, але для точності необхідно заповнити таблицю з вихідними даними й розрахунковими формулами. Задаємо початкові значення х и y рівні "1".
Потім встановлюємо екстремуми у відповідних комірках.

Рисунок 2.29 – Діалогове вікно «Пошук рішення» для знаходження мінімуму

Рисунок 2.30 – Діалогове вікно «Пошук рішення» для знаходження максимуму
Після виконання Пошуку рішення ми отримаємо потрібні дані. Значення максимуму та мінімуму ми отримали однакові, так як він не може містити значення змінних менше 0.
Ми отримали однакові данні при рішення завдання різними програмними продуктами, що свідчить про правильність рішення.
Результат: точка максимуму дорівнює точці мінімуму – х=0, у=0.
ВИСНОВКИ
Цілі й завдання курсової роботи з теми «Проектування офісу математики» досягнуті в повному обсязі: систематизація й закріплення теоретичних знань, отриманих при вивченні навчальної дисципліни «Основи автоматизованого проектування складних систем» і придбання навичок у використанні сучасних інформаційних технологій, а також придбання й закріплення навичок самостійної роботи.
У математичному моделюванні були вирішені всі задані завдання за допомогою Excel та MathCAD.
У графічному моделюванні був змодельований офіс, що працює у сфері мобільного зв’язку. План офісу розроблявся, виходячи з кількості співробітників і заданого устаткування (2 комп'ютери, 2 принтери, сканер, 2 блоки безперебійного живлення, музичний центр, сканер, телевізор). На плані показані меблі, комп’ютери, електротехнічні арматури (світильники, вимикачі, розетки), вікна й двері. Розроблений дизайн офісу (килимове покриття, кольори стін, форми вікон і т.д.). На території крім офісу, розміщені газони, доріжки, під’їзд для автомобіля. Був зроблений альтернативний вибір комп'ютерного забезпечення. План офісу займає 32,5 м².
У даній курсовій роботі є недоліки, які можна в наслідку модернізувати, наприклад, електропроводка в офісі.
ПЕРЕЛІК ВИКОРИСТАНИХ ДЖЕРЕЛ
В.С. Симанков, Ю.К. Лушников, В.А. Морозов и др. Автоматизация процессов принятия решений в системах управления – М.: ЦНИИТЭИ, 1986. – 420 с.
Объектно-ориентированный анализ и проектирование систем. – Лори, 2007, 284 стр.
Столяровский С. Проектирование и дизайн мебели на компьютере – СПб.: Питер, 2004. – 560 с.
Гурский Д., Турбина Е. Вычисления в MathCAD 12 – Дело и Сервис (ДИС), 2002 г. – 528 с.
Глушков В.М. Основы безбумажной інформатики, 2-е издание, исправленное. — М.: Наука, 1978, 552 с.
Інформатика: Базовий курс/ С.В. Симонович изд. – Спб.: Питер, 2001. – 640 с.
Бусленко Н.П. Моделирование сложных систем. – М.: Наука, 1978. -400 с.
І.Т. Ігнатова, Math CAD. Учбовий курс. – М.: Рибарі, 2000. -479 с.
В.П. Д’яконов, И.В. Авраменкова, Math CAD 7.0 в математиці, фізиці и в Internet – М.: “Холідж”, 1998, - 352 с.
Інтернет-ресурс: http://ru.wikipedia.org/wiki/ (вільна онлайн енциклопедія)
ДОДАТОК
ПРЕЗЕНТАЦІЯ ПРОЕКТУВАННЯ ОФІСУ ТУРИЗМУ












