Управление светодиодами
Управление светодиодами
Сафронов Алексей
В настоящее время светодиоды используются не только для обеспечения красивых индикаторов красного и зеленого цвета на электронном оборудовании. Достижения технологии позволили использовать светодиоды в качестве практичных источников освещения. Основные преимущества светодиодов - длительный срок службы, прочность и эффективность.
При правильном управлении светодиоды могут работать десятки тысяч часов без снижения светоотдачи. Типичная эффективность мощных светодиодов, измеренная в люменах на ватт, составляет 40-80. Это в несколько раз лучше, чем у ламп накаливания, и только люминесцентные лампы более эффективны. Так как светодиоды являются твердотельными устройствами, они могут противостоять ударам и вибрациям, которые повредили бы лампу накаливания.
Применение светодиодов
Преимущества светодиодов полезны во многих типах освещения:
Освещение автомобильных и самолетных кабин;
Освещение приборных досок автомобиля и самолета;
Освещение запасного выхода здания;
Цвето-световое оформление зданий;
Промышленное и наружное освещение;
Дорожные и железнодорожные знаки;
Автомобильные стоп-сигналы
Светодиодные матрицы и видеомониторы;
Подсветка ЖК-монитора;
Фонарики;
Освещение медицинского инструмента и приборов;
Вспышки цифровых камер и видео свет;
Эффективное управление светодиодами
Светодиоды должны управляться источником постоянного тока. Светодиоды имеют определенный уровень тока, при котором достигается максимальная яркость, не вызывая его выход из строя. Светодиод может управляться линейным регулятором напряжения, сконфигурированным как источник постоянного тока. Однако, данный подход не практичен для мощных светодиодов из-за высокой рассеиваемой мощности в цепи регулятора. Импульсный источник питания (SMPS) обеспечивает намного более эффективное управление светодиодами. Параметры напряжения источника питания и прямого напряжения светодиода определяют SMPS топологию. Несколько светодиодов могут быть объединены в группы для увеличения падения прямого напряжения на выбранном уровне управляющего тока.
Топология SMPS схем, адаптированная для регулирования тока в светодиодном освещении та же самая, что и используемая для регулирования напряжения в источниках питания. Каждый тип SMPS топологии имеет свои преимущества и недостатки, как представлено в таблице ниже.
Таблица 1. SMPS топологии, которые могут быть полезны для светодиодного освещения
|
Топология регулятора |
Отношение Vвх к Vвых |
Сложность |
Число компонентов |
Комментарии |
|
На переключаемых конденсаторах |
(-Vвых < Vвх < Vвых) |
Низкая |
Среднее |
- ограниченный диапазон Iвых - без дросселей |
|
Понижающий |
(Vвх > Vвых) |
Средняя |
Среднее |
- верхний драйвер - импульсный Iвх |
|
Повышающий |
(Vвх < Vвых) |
Средняя |
Среднее |
- нужны дополнительные элементы для изоляции выхода от входа |
|
SEPIC |
(Vвых < Vвх < Vвых) |
Средняя |
Высокое |
- плавный Iвх - несколько выходов - два дросселя |
|
Смешанный |
(Vвых < Vвх < Vвых) |
Средняя |
Среднее |
- один дроссель - до четырех переключателей |
|
Обратноходовый |
Зависит от трансформатора |
Средняя |
Среднее |
- трансформатор для гальванической развязки - возможность нескольких выходов |
Данная статья описывает два типа драйверов для управления светодиодами:
микросхема аналогового драйвера, которая может быть использована как независимо, так и вместе с микроконтроллером;
микроконтроллер с интегрированной функцией управления светодиодами;
Источник тока на переключаемых конденсаторах
Такая схема не имеет катушек индуктивности, которые требуются в других SMPS топологиях. Это обеспечивает более компактные и менее дорогостоящие схемы. Обратная сторона в том, что такой источник не может обеспечить большой ток, по сравнению с другими топологиями. Схемы на переключаемых конденсаторах наиболее востребованы в подсветке, ЖК-дисплеях и автомобильных приборах.
Демонстрационная плата MCP1252DM-BKLT
Плата демонстрирует использование драйвера переключаемых конденсаторов в светодиодном применении и работает как платформа для оценки MCP1252 (См. рис.1).

Рис. 1. Светодиодный драйвер на переключаемых конденсаторах на MCP1252
Повышающий преобразователь на индуктивных элементах
Топология повышающего преобразователя используется, когда выходное напряжение конвертора должно быть равно или больше чем входное напряжение. Повышающий преобразователь используется для управления несколькими светодиодами, соединенных в группы, что является его преимуществом. Это гарантирует, что все светодиоды получат одинаковый ток, и соответственно ту же яркость свечения. Использование сдвоенного дросселя в повышающей схеме уменьшает требования к переключающему напряжению MOSFET ключа. Синхронный повышающий преобразователь MCP1640 может обеспечить стабильное рабочее напряжение для светодиода при питании от одноячеечной щелочной батареи. Схема подключения синхронного повышающего преобразователя на MCP1640 представлена на рис.2.

Рис. 2. Синхронный повышающий преобразователь на MCP1640
Повышающий переключатель на MCP1650 использует внешнее переключение таким образом, что он может быть использован для любого типа нагрузки. Дополнительное преимущество MCP1650 в батарейных применениях - это Gated Oscillator Architecture, которая обеспечивает два рабочих цикла, что уменьшает пиковой ток индуктора и пульсации выходного напряжения. Входное напряжение выше 3, 8В занимает 56% рабочего цикла и 80% когда входное напряжение падает ниже 3, 8В. Это увеличивает срок службы батареи.
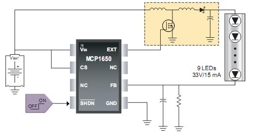
Демонстрационная плата с девятью белыми светодиодами MCP1650DM-LED2
Демонстрационная плата с девятью белыми светодиодами использует микросхему MCP1650 для питания светодиодов, которые соединены в группы. Микроконтроллер PIC10F202 в шестивыводном корпусе SOT-23 используется для регулирования светимости путем подачи ШИМ на вход разрешения работы. На рис.3 представлен пример использования MCP1650 для драйвера светодиодов работающего от батареи.

Рис. 3. Пример использования MCP1650 для драйвера светодиодов работающего от батареи
Управление светодиодами с использованием SEPIC преобразователя
Топология SEPIC (Single-Ended Primary Inductance Converter) использует дополнительный (чаще всего, сдвоенный) дроссель и обеспечивает следующие преимущества для приложений с питанием от батареи:
Конвертер может работать как в повышающем, так и в понижающем режиме;
Топология схемы обеспечивает защиту от короткого замыкания, за счет применения развязывающего конденсатора;
Демонстрационная плата с 3-х ваттными светодиодами MCP1650DM-LED1
Плата демонстрирует применение семейства повышающих MCP165X контроллеров для работы с белыми светодиодами с входным напряжением в диапазоне 2.0В до 4.5В. Пример схемы драйвера 3-х ваттных светодиодов с питанием от батареи 3, 6В (SEPIC преобразователь) представлен на рис.4.

Рис. 4. Схема с питанием от батареи драйвера 3, 6В 3-х ваттных светодиодов (SEPIC преобразователь)
Генерирование ШИМ сигналов управления
Существует множество путей генерирования управляющих ШИМ сигналов для схем управления питанием:
Модуль захвата-сравнения-ШИМ (ССР) может генерировать ШИМ. Длительность импульса сигнала контролируется таймером микроконтроллера и регистром скважности
Усовершенствованный CCP (ECCP) модуль позволяет одному ШИМ сигналу контролировать 2 или 4 выходных вывода для управления половиной моста или мостом соответственно
Контроллеры, которые имеют компаратор и ECCP могут использовать сигнал компаратора для управления временем отключения ШИМ сигнала.
Микроконтроллеры с компараторами и SR-триггером могут использовать сигналы компаратора и/или импульсы таймера для включения и выключения выхода триггера
Периферийная микросхема внешней ШИМ также может быть использована. Данная опция используется, когда требуются несколько высокоскоростных ШИМ каналов
ШИМ сигналы могут быть сгенерированы программно. Данная опция более дешевая и используется когда требования к частоте ШИМ и разрешению скважности не очень высокие.
Микроконтроллеры PIC с интегрированным компаратором, такие как PIC12F609 могут быть использованы для разработки простого драйвера светодиодов. В PIC12HV609 добавляется внутренний регулятор, позволяющий работать от постоянного напряжения более 5В.
Схема повышающего драйвера на компараторе представлена на рис.5.

Рис. 5. Схема повышающего драйвера на компараторе
Пример использования PIC12HV615 в светодиодной RGB схеме представлен на рис.6.

Рис. 6. Пример использования PIC12HV615 в светодиодной RGB схеме
Микроконтроллеры с расширенной аналоговой периферией
Некоторые контроллеры, такие как PIC16F616 имеют SR-триггер, который может использоваться совместно с компараторами и другими цифровыми сигналами. Цифровые сигналы, такие как импульсы таймера или сигналы компаратора могут быть запрограммированы для установки или сброса SR-триггера. Эти программные опции позволяют сгенерировать практически любой тип управляющего сигнала. PIC16F785 имеет два интегрированный операционных усилителя, два интегрированных компаратора, два SR-триггера и настраиваемый источник опорного напряжения. Эта комбинация периферийных устройств может быть сконфигурирована для выполнения большого числа схемных SMPS топологий. Схема обратноходового конвертера на PIC16HV785 с корректором коэффициента мощности и управлением яркости представлена на рис.7.

Рис. 7. Схема обратноходового конвертера на PIC16HV785 с корректором коэффициента мощности и управлением яркости
Высокоскоростные ШИМ контроллеры MCP1630 и MCP1631
MCP1630 и MCP1631 - контроллеры ШИМ, применяемые для драйверов мощных светодиодов. MCP1630 - 8-выводная микросхема, которая содержит компоненты, необходимые для аналогового генерирования ШИМ, включая усилитель сигнала ошибки, компаратор и вывод выходного тока для управления мощным транзистором. MCP1630 разработан для использования с микроконтроллером, который обеспечивает тактирование. Микроконтроллер задает частоту ШИМ и максимальный рабочий цикл. Максимальная частота - 1 МГц. Микроконтроллер может также управлять опорным входом для усилителя сигнала ошибки, в том случае, когда требуются функция управления яркостью и плавный старт. Несколько MCP1630 устройств могут быть подключены к микроконтроллеру для поддержки нескольких каналов питания. Когда несколько MCP1630 устройств задействованы, фазовая компенсация может быть применена к каждому входу таймера для устранения пульсаций тока шины. MCP1631 - это 20-выводная микросхема, которая в дополнение к функциональности MCP1630 имеет внутренний 5В и 3, 3В регулятор, управление выключением, защиту от перенапряжения, отключение осциллятора и усилители с коэффициентом умножения 10. Схема повышающего светодиодного драйвера на MCP1630 представлена на рис.8.

Рис. 8. Схема повышающего светодиодного драйвера на MCP1630
Демонстрационная плата повышающего светодиодного драйвера MCP1630DM-LED2
Это демонстрационная плата является расширенным DC-DC преобразователем, используемым для применений с мощными светодиодами. Плата имеет источник постоянного тока 350 мА или 700 мА (выбор осуществляется с помощью перемычки). Диапазон входного рабочего напряжения 9-16 В. Плата может поддерживать группы мощных светодиодов, мощностью до 30 Вт.
Пример дизайна программируемого источника постоянного тока с цифровым управлением MCP631RD-DCPC1
Это SEPIC DC-DC конвертор для применения с мощными светодиодами и заряда батареи. Диапазон входных напряжений 3.5-16В, а максимальная выходная мощность 8, 5 Вт.
Цифровое управление против аналогового управления
Светодиоды могут управляться полностью цифровой системой. Вместо измерения тока светодиода с помощью цепи операционного усилителя или компаратора, ток светодиода определяется АЦП. Обычно используется ПИД закон регулирования. Цифровая ШИМ периферия используется для управления светодиодами. Цифровой алгоритм вычисляет выходные параметры, базируясь на входных и обеспечивая рабочий цикл для ШИМ периферии. Сравнение функций аналогового и цифрового управления представлено на рис.9.

Рис. 9. Сравнение функций аналогового и цифрового управления
Дешевое цифровое управление
Некоторые применения источников питания требуют быстрого динамического отклика для компенсации изменения нагрузки. В этих применениях требуется быстрый АЦП и высокая производительность. Однако, светодиод обеспечивает стабильную нагрузку для источников постоянного тока. Вследствие этого, быстрый АЦП и быстрая обработка не всегда требуются для корректной работы цифровой системы регулирования в применениях с драйверами светодиодов. Недорогие микроконтроллеры семейств PIC12F или PIC16F с ССР периферией и АЦП могут быть использованы для управления светодиодами. ССР периферия используется в режиме ШИМ для управления схемой источника питания. Тактируемая от внутреннего 8 МГц генератора, ССР может обеспечить ШИМ частотой выше 100 КГц для минимизации размеров силовых компонентов. В виду того, что светодиод обеспечивает постоянную нагрузку, достаточно измерять выходной ток и настраивать скважность ШИМ с меньшим разрешением. Выборка 1000Гц является идеальной для многих применений. Схема повышающего светодиодного драйвера на PIC12HV615 представлена на рис.10.

Рис. 10. Схема повышающего светодиодного драйвера на PIC12HV615
Пример модуля автомобильного подсветки APRGDT004
Пример модуля автомобильной подсветки демонстрирует управление RGB светодиодными устройствами используя микроконтроллер. Этот модуль может управляться удаленно с помощью главного контроллера посредством LIN шины.
Эти модули предлагаются в очень компактном исполнении и содержат микроконтроллер PIC12F615, MCP2021 LIN приемопередатчик/регулятор напряжения и RGB светодиод. Команды LIN интерпретируются модулем для управления смешением цветов (16, 383 цветов) и интенсивностью (1023 уровней). Комплект поставляется с 4-мя модулями для назначения зоны освещения как в сеть LIN, так и в сеть J2602. Эти модули могут работать с анализатором APGDT001 LIN для быстрого создания рабочей LIN сети.
Список литературы
AN1114 - Switch Mode Power Supply (SMPS) Topologies (Part I), DS01114
AN1207 - Switch Mode Power Supply (SMPS) Topologies (Part II), DS01207
MCP1252/3 Data Sheet, DS21572
MCP1252 Charge Pump Backlight Demo Board User's Guide, DS51551
MCP1252/3 Evaluation Kit User's Guide, DS51313
DG10 - Power Solutions Design Guide, DS21913
MCP1650 3W White LED Demo Board User's Guide, DS51513
MCP1640/B/C/D Data Sheet, DS22234
MCP1650/51/52/53 Data Sheet, DS21876
MCP1650 Multiple White LED Demo Board User's Guide, DS51586
AN948 - Efficiently Powering Nine White LEDs Using the MCP1650, DS00948
AN980 - Designing a Boost-Switching Regulator with the MCP1650, DS00980
DG10 - Power Solutions Design Guide, DS21913 MCP1650/51/52/53 Data Sheet, DS21876
AN980 - Designing a Boost-Switching Regulator with the MCP1650, DS00980
DG10 - Power Solutions Design Guide, DS21913
AN874 - Buck Configuration High-Power LED Driver, DS00874
AN1074 - Software PWM Generation for LED Dimming and RGB Color Applications, DS01074
AN1035 - Designing with HV Microcontrollers DS01035
AN1047 - Buck-Boost LED Driver Using the PIC16F785 MCU, DS01047
AN1271 - Offline Power Converter for High Brightness LEDs Using the PIC16HV785 Microcontroller, DS01271
PIC16F785/HV785 Device Data Sheet, DS41249
MCP1630/MCP1630V Device Data Sheet, DS21896
MCP1631 Device Data Sheet, DS22063
AN1138 - A Digital Constant Current Power LED Driver, DS01138
AN829 - LightKeeper Automotive Lighting Control Module, DS00829
Для подготовки данной применялись материалы сети Интернет из общего доступа