Подготовка специалистов в области конструирования и производства автотрактороной техники
Введение
Стремительный прогресс в области образования стал причиной бурного развития мультимедийных средств. Компьютеры, видео, проекторы, интерактивные доски и другие средства мультимедиа становятся неотъемлемой частью современного образования.
Такое средство мультимедиа как интерактивная доска полностью заменяет обычные меловые доски, проекторы, телевизоры в процессе обучения, а так же вызывает необходимость дополнительной подготовки преподавателей для работы с интерактивной доской.
Актуальность данной темы заключается в важности изучения типов интерактивных досок, их видов, проблем в использовании, а так же их возможностей в преподавании технических дисциплин в колледжах.
В настоящее время литературы в напечатанном виде по установке, проблемам, а так же возможностям использования, очень мало, можно сказать, практически нет, но в интернете информации достаточно. В больших городах постоянно проводятся различные семинары и обучающие программы для преподавателей, на которых рассматриваются виды, типы интерактивных досок, проводится обучение работе с досками и на примерах рассматриваются их возможности.
Таким образом, целью нашей выпускной квалификационной работы является: изучение различных типов и видов интерактивных досок, решение различных проблем связанных с их эксплуатацией, а так же изучение возможностей использования интерактивных досок.
Для достижения цели необходимо решить следующие задачи:
Изучить и проанализировать имеющуюся информацию по проблемам использования интерактивных досок
Изучить типы, виды, а так же возможности интерактивных досок
Научиться на практике использовать полученные знания, а так же использовать весь потенциал интерактивных досок при преподавании технических дисциплин в колледже
Разработать программу обучения, планы конспекты, а так же фрагмент КТП.
Объектом нашей работы является процесс профессиональной подготовки обучающихся СПО.
Использование интерактивных досок в процессе преподавания технических дисциплин в колледже. Интерактивные доски в процессе профессионального образования
1.1 Средства мультимедиа в образовательном процессе
Многие преподаватели впервые сталкиваются с понятием мультимедиа, когда в их распоряжении оказывается компьютер, оснащенный специальным оборудованием, позволяющий работать с самой разнообразной информацией, такой как текст, звук, неподвижные и движущиеся изображения. Для большинства людей, имеющих отношение к преподаванию, именно со специального аппаратного обеспечения начинается знакомство и последующее взаимодействие с технологиями мультимедиа.
Действительно, в аппаратном обеспечении особым образом выделяется семейство средств, характерной особенностью которых является возможность обработки и представления информации различных типов, являющихся относительно новыми с точки зрения развития компьютерной техники. За последние годы к числу таких средств, получивших название средств мультимедиа, были отнесены устройства для записи и воспроизведения звука, фото и видео изображений. Если в ближайшее время появятся и получат распространение устройства для цифровой обработки запахов, то эти устройства также будут отнесены к семейству средств мультимедиа. В силу того, что такие средства имеют особое значение для развития информатизации образования, целесообразно рассмотреть их отдельно.
Специфику средств мультимедиа невозможно понять без знания видов (типов) информации и способов ее представления. Остановимся лишь на основных аспектах классификации информации, значимых для изучения мультимедиа-технологий.
Термин информация уходит корнями к латинскому informatio – разъяснение, изложение. Изначально в это слово вкладывался смысл, соответствующий «сведениям передаваемым одними людьми другим людям, устным, письменным или другим способом, а также сам процесс передачи или получения этих сведений».
Существует несколько критериев, согласно которым информация может быть классифицирована. В качестве первого критерия может быть использован широко распространенный принцип выделения видов восприятия информации человеком, таких как зрение, слух, обоняние, осязание, вкус. С точки зрения изучения мультимедиа целесообразно рассматривать только те виды информационного воздействия на человека, которые возможны при работе с компьютерной и коммуникационной техникой.
Таким образом, всю информацию по видам восприятия можно разделить на три основные группы:
Информация, воспринимаемая зрением человека, так называемая зрительная или визуальная информация, включающая текст, графические изображения и рисунки, фотографии, мультфильмы, видеофильмы;
Информация, воспринимаемая слуховым аппаратом человека, так называемая звуковая информация, включающая произвольные шумы, музыкальные произведения, речь;
Информация, воспринимаемая сенсорной системой человека, так называемая сенсорная или тактильная информация, при работе с помощью специальных технических средств.
Любой язык, которым люди пользуются для общения содержит достаточно много слов, имеющих различные значения. Смысл таких слов определяется из контекста их употребления в речи. Примерами таких слов в русском языке являются кран, ключ, журавль, машина и другие аналогичные слова. Важно понимать, что, как и многие другие слова языка, слово «мультимедиа» также имеет сразу несколько разных значений.
Мультимедиа – это:
технология, описывающая порядок разработки, функционирования и применения средств обработки информации разных типов;
информационный ресурс, созданный на основе технологий обработки и представления информации разных типов;
компьютерное программное обеспечение, функционирование которого связано с обработкой и представлением информации разных типов;
компьютерное аппаратное обеспечение, с помощью которого становится возможной работа с информацией разных типов;
особый обобщающий вид информации, которая объединяет в себе как традиционную статическую визуальную (текст, графику), так и динамическую информацию разных типов (речь, музыку, видео фрагменты, анимацию и т.п.).
Таким образом, в широком смысле термин «мультимедиа» означает спектр информационных технологий, использующих различные программные и технические средства с целью наиболее эффективного воздействия на пользователя (ставшего одновременно и читателем, и слушателем, и зрителем).
Благодаря применению мультимедиа в средствах информатизации за счет одновременного воздействия графической, звуковой, фото и видеоинформации такие средства обладают большим эмоциональным зарядом и активно включаются в индустрию развлечений, практику работы различных учреждений, домашний досуг, образование.
Появление систем мультимедиа произвело революцию во многих областях деятельности человека. Одно из самых широких областей применения технология мультимедиа получила в сфере образования, поскольку средства информатизации, основанные на мультимедиа способны, в ряде случаев, существенно повысить эффективность обучения.
Экспериментально установлено, что при устном изложении материала, обучаемый, за минуту воспринимает и способен переработать до одной тысячи условных единиц информации, а при «подключении» органов зрения до 100 тысяч таких единиц.
В настоящее время количество созданных средств мультимедиа измеряется тысячами наименований. Мультимедиа-технологии и соответствующие средства информатизации образования развиваются очень быстро. Если в первом издании российского справочника по CD-ROM и мультимедиа, изданного в 1995 году, перечислено всего 34 экземпляра мультимедиа-продуктов образовательного назначения, в издании 1996 года таких продуктов было перечислено уже более 112-ти, а в начале 1998 года это число перевалило за 300, то сейчас этот список содержит несколько тысяч наименований. Безусловно, эти показатели не отражают точной картины обеспеченности средствами мультимедиа, но однозначно свидетельствуют о неуклонном росте числа создаваемых и используемых средств мультимедиа.
Средства и технологии мультимедиа обеспечивают возможность интенсификации обучения и повышение мотивации студентов к учению за счет применения современных способов обработки аудиовизуальной информации, таких, как:
«манипулирование» (наложение, перемещение) визуальной информацией;
контаминация (смешение) различной аудиовизуальной информации;
реализация анимационных эффектов;
деформирование визуальной информации (увеличение ' или уменьшение определенного линейного параметра, растягивание или сжатие изображения);
дискретная подача аудиовизуальной информации;
тонирование изображения;
фиксирование выбранной части визуальной информации для ее последующего перемещения или рассмотрения «под лупой»;
многооконное представление аудиовизуальной информации на одном экране с возможностью активизировать любую часть экрана (например, в одном «окне» – видеофильм, в другом – текст);
демонстрация реально протекающих процессов, событий в реальном времени (видеофильм).
Существует несколько понятий, связанных с мультимедиа и использованием соответствующих средств информатизации в образовании. В частности, при использовании средств мультимедиа в обучении существенно возрастает роль иллюстраций.
Иллюстрация также является многозначным термином. Существует два основных толкования этого термина.
Иллюстрация (иллюстрирование) – это:
введение в текст поясняющей или дополняющей информации другого типа (изображения и звука),
приведение примеров (возможно и без использования информации других типов) для наглядного и убедительного объяснения.
Важно понимать, что оба толкования термина иллюстрация в равной степени имеют отношение как к обычным бумажным учебникам и учебным пособиям, так и к современным мультимедиа-средствам. Более «того, необходимость иллюстрирования приводит к тому, что теперь все средства информатизации обучения должны быть использованы для наглядного, убедительного и доступного объяснения главных, основополагающих или наиболее сложных моментов учебного материала. Мультимедиа как раз и способствует этому.
В мультимедиа-средствах иллюстрации могут быть представлены в виде примеров (в том числе и текстовых), двухмерных и трехмерных графических изображений (рисунков, фотографий, схем, графиков, диаграмм), звуковых фрагментов, анимации, видео фрагментов.
Появление в образовательных мультимедиа-средствах новых видов иллюстраций вовсе не означает полного отказа от прежних подходов, используемых при издании традиционных школьных учебников на бумажных носителях. В области иллюстрирования и полиграфического оформления традиционных учебных книг для общего среднего образования накоплен значительный опыт, согласно которого определяются особенности пространственной группировки элементов издания, осуществляется акцентирование (визуальное выделение) отдельных элементов, учитываются физиологические стороны восприятия и другие факторы. Этот опыт с успехом применяется и при разработке современных мультимедиа-средств для обучения.
В настоящее время созданы мультимедийные энциклопедии по многим школьным дисциплинам и образовательным направлениям. Разработаны игровые ситуационные тренажеры и мультимедийные обучающие системы, позволяющие организовать учебный процесс с использованием новых методов обучения.
1.2 Интерактивная доска как средство мультимедиа
Интерактивная доска – сенсорный экран, подсоединенный к компьютеру, изображение с которого передает на доску проектор. Достаточно только прикоснуться к поверхности доски, чтобы начать работу на компьютере. Специальное программное обеспечение позволяет работать с текстами и объектами, аудио- и видеоматериалами, Internet-ресурсами, делать записи от руки прямо поверх открытых документов и сохранять информацию. Интерактивная доска предоставляет уникальные возможности для работы и творчества учителя и ученика. [1]
Интерактивные доски бывают прямой проекции и интерактивные доски обратной проекции. Различие между этими устройствами не столь существенно, и они сходны по функционалу.
Прямая проекция – это трансляция сигнала со стороны человека, стоящего перед доской, обратная проекция – это трансляция изображения с противоположной докладчику стороны.
В чём заключается интерактивность?
С изображением на интерактивной электронной доске можно работать: рисовать, делать пометки, писать и так далее. Всё это можно сохранять в файле желаемого расширения, и впоследствии продолжать работу. Записывать и рисовать можно различными способами: специальными маркерами, электронными перьями или просто рукой. Представьте, насколько просто с помощью таких интерактивных досок провести лекцию или доклад, сопроводив сказанное схемами и чертежами.
Некоторые из интерактивных досок дополнительно оснащаются аудиосистемами, которые позволяют «озвучить» изображение и таким образом усилить воздействие на аудиторию.
Еще совсем недавно это казалось фантастикой: чтобы в кабинете вместо обычной доски висел большой сенсорный экран, подсоединенный к компьютеру, изображение с которого передает на доску проектор. Сегодня это реальность: уже многие студенты знают, что интерактивная доска позволяет демонстрировать слайды и видео, рисовать и чертить различные схемы, как на обычной доске, в реальном времени наносить на проецируемое изображение пометки, вносить любые изменения и сохранять их в виде компьютерных файлов для дальнейшего редактирования, печати на принтере, рассылки по факсу или электронной почте. [2]
Интерактивные доски позволяют уйти от привнесенной компьютерной культурой чисто презентационной формы подачи материала, экономят время занятия за счет отказа от конспектирования. Студенты по окончании занятия могут получить файл с его записью, который можно дома просмотреть на ПК. Интерактивные доски повышают эффективность подачи материала.
Как показывает опыт, наибольшие трудности при внедрении интерактивной доски в образование возникают при обучении преподавателей эффективному владению этим оборудованием. Большинство из проблем, с которыми сталкиваются преподаватели при создании электронного варианта учебного материала, связано с отсутствием достаточных навыков проектирования информационного пространства и пользовательского интерфейса, обеспечивающих создание эффективных структур, соответствующих новым возможностям представления информации[3].
Много проблем возникает при выборе интерактивной доски. Общим для всех досок является метод вывода изображения с помощью проектора. А вот способы регистрации положения маркера (специального карандаша, которым пишут на электронных досках) относительно поверхности могут быть разными, базирующимися на сенсорной либо электромагнитной технологии. Резистивная доска работает на продавливание: при нажиме маркера поверхность продавливается, наружный электрод прикасается к внутреннему, система обрабатывает полученную информацию и выводит на компьютер. Электродами служит двухслойная сетка из тончайших проводников, разделенных воздушным зазором, которая вмонтирована в пластиковую поверхность доски. Маркер резистивной доски прост и дешев, при утере, пока не будет приобретен новый, его можно заменить подходящим подручным средством (например, полностью исписанным или высохшим обычным маркером, уже не оставляющим чернильных следов) или даже просто писать на интерактивной доске пальцем [4].
Первая задача, которую позволяют решать интерактивные доски – уйти от привнесенной компьютерной культурой чисто презентационной формы подачи материала.
Вторая задача интерактивных досок – экономия времени занятия за счет отказа от конспектирования Студенты по окончании занятия могут получить файл с его записью, который можно дома просмотреть на ПК в пошаговом режиме. При этом не только доступны предлагаемые преподавателем иллюстрации и записи, но и правильно воспроизводится последовательность его действий у доски.
Третья задача интерактивных досок – повышение эффективности, подачи материала. Чтобы объяснить механизм этого процесса, сделаем небольшое отступление. В художественной фотографии, театре, кинематографе, мультипликации, живописи и других сферах искусства традиционно различают сцену и героя (объект) – говоря языком психологии, фоновое и когнитивное, фон и фигуру. Фон и фигура подчиняются своим законам, они настолько различны, что их оформлением часто занимаются разные люди. В театре это художник сцены и костюмер, в мультипликации – также художник фона и художник-аниматор.
Наиболее сильное воздействие на зрителей достигается именно при удачной комбинации сцены и разворачивающегося на ее фоне основного действия. Надо сказать, что в ранней системе обучения преподаватель был весьма ограничен в создании фона. Чаще всего в его распоряжении имелся лишь тематически оформленный кабинет, плакаты или карты. Когнитивную составляющую материала он писал на доске или показывал на учебных пособиях.
Сегодня ситуация кардинально меняется. Проектор выводит на поверхность интерактивной доски заранее подобранную преподавателем фоновую картинку или фоновое слайд-шоу. Акустические системы создают в аудитории нужный фоновый звук, а преподавателю остается позаботиться о содержательной части материала, он может, скажем, писать или рисовать на интерактивной доске. По силе и глубине воздействия на аудиторию грамотно построенное занятие с использованием компьютера и интерактивной доски может сравниться с кино и театром. Однако от преподавателя для этого потребуются режиссерские знания и навыки. Впрочем, еще пару десятилетий назад фотография и видеосъемка были уделом избранных; возможно, в ближайшие годы в массы пойдет и режиссура.
Четвертая задача интерактивной доски в аудитории – организация групповой работы (или групповых игр), навыки которой сегодня принципиально важны для успешной деятельности во многих областях.
Исследования показали, что интерактивные доски, используя разнообразные динамичные ресурсы и улучшая мотивацию, делают занятия увлекательными и для преподавателей, и для студента.
Правильная работа с интерактивной доской может помочь преподавателям проверить знания учеников. Правильные вопросы для прояснения некоторых идей развивают дискуссию, позволяет ученикам лучше понять материал. Управляя обсуждением, преподаватель может подтолкнуть обучающихся к работе в небольших группах. Интерактивная доска становится центром внимания для всей аудитории. А если все материалы подготовлены заранее и легкодоступны, она обеспечивает хороший темп занятия[5].
Преимущества интерактивных досок перед меловыми:
Интерактивные доски похожи на обыкновенные доски, но в то же время они помогают учителю использовать средства обучения легко и непринужденно, находясь в постоянном контакте с классом.
Интерактивные доски помогают расширить использование электронных средств обучения, потому что они передают информацию слушателям быстрее, чем при использовании стандартных средств.
Интерактивные доски позволяют учителю увеличить восприятие материала за счет увеличения количества иллюстративного материала на уроке, будь то картинка из интернета или крупномасштабная таблица, текстовый файл или географическая карта. Интерактивная доска становится незаменимым спутником учителя на уроке, отличным дополнением его слов.
Интерактивные доски позволяют учителю создавать простые и быстрые поправки в имеющемся методическом материале прямо на уроке, во время объяснения материала, адаптируя его под конкретную аудиторию, под конкретные задачи, поставленные на уроке.
Интерактивные доски позволяют ученикам воспринимать информацию быстрее.
Интерактивные доски позволяют ученикам принимать участие в групповых дискуссиях, делая обсуждения еще более интересными.
Интерактивные доски позволяют ученикам выполнять совместную работу, решать общую задачу, поставленную учителем.
Интерактивные доски позволяют проводить проверку знаний обучающихся сразу во всем учебном классе, позволяет организовать грамотную обратную связь «ученик-учитель».
При полной интеграции интерактивных досок в образовании, создании единой базы данных методических и демонстрационных материалов для обучения у учителей появляется больше свободного времени [6].
Использование интерактивной доски на уроке может увеличить эффективность обучения ребят. За счет чего это происходит? Как раскрыть потенциал интерактивной доски и сделать ее незаменимым спутником: учителя?
Здесь мы рассмотрим 3 ключевых направления применения интерактивных досок в образовании:
Презентации, демонстрация и моделирование. Как использовать соответствующее программное обеспечение и другие ресурсы вместе с интерактивной доской для улучшения понимания материала урока.
Повышение активности студентов на уроке.
Как использование интерактивной доски может увеличить
активность студентов на уроке.
Увеличение темпа урока при использовании интерактивной доски.
Как использование интерактивной доски может улучшить планирование урока и увеличить его темп.
Презентации, демонстрация и моделирование
Интерактивная доска – ценный инструмент для обучение всего класса. Это – визуальный ресурс, который может помочь преподавателям сделать уроки живыми и привлекательными для студентов. Интерактивная доска позволяет преподнести ученикам информацию, используя широкий диапазон средств визуализации (карты, таблицы, схемы, диаграммы, фотографии, видео).
Учителя могут использовать управление интерактивной доской, чтобы преподнести изучаемый материал захватывающими и динамическими способами. Интерактивная доска позволяет моделировать абстрактные идеи и понятия, не прикасаясь к компьютеру, изменить модель, перенести объект в другое место экрана или установить новые связи между объектами. Все это делается в режиме реального времени.
Повышение активности учеников на уроке. Многие преподаватели утверждают, что студенты становятся более активными и заинтересованными на уроке, на котором используется интерактивная доска. Информация становится для них более доступной и понятной, что улучшает атмосферу понимания в классе, и ученики становятся более нацеленными на работу.
Увеличение темпа урока.
Если у вас есть интерактивная доска, на уроке вам больше не придется ждать, когда студент напишет задание на доске, и несколько минут урока будут потеряны – учитель может выводить на экран заранее приготовленные материалы, и время урока будет использовано только на решение поставленных задач [7].
Все записи на интерактивной доске могут быть сохранены на компьютере и вновь открыты при повторении пройденного материала или переданы студенту, который пропустил урок по болезни.
Учителя, начавшие работать с интерактивной доской, отмечают положительные изменения в качестве уроков, в объеме понимаемого учениками материала. Учителя утверждают, что с использованием интерактивной доски они успевают преподнести больше информации за " меньшее время, и при этом ученики активно работают на уроке и лучше понимают даже самый сложный материал[8].
Таким образом, интерактивные доски решают множество проблем, с которыми сталкивались преподаватели в прошлом, а именно: нехватка наглядностей, нехватка времени урока для передачи всей информации, низкий интерес студентов к обучению и др. Безусловно изобретение и использование интерактивных досок это прорыв в процессе обучения. Основные модели интерактивных досок и принципы их работы Интерактивная доска Smart Board компании Smart Technologies (см. прил. 3) подключается к СОМ-порту компьютера и позволяет переносить изображение с доски в компьютер в режиме on-line. Нажатием на кнопку у нижнего края вызывается изображение клавиатуры, и, касаясь виртуальных клавиш, можно набрать текст. Кроме того, встроенная программа распознает текст, написанный от руки, и выводит его в углу «Экрана, стандартным системным шрифтом. Следовательно, во время доклада прямо на доске можно не только делать пометки, но и сохранять их в нужном формате. Если же попутно выполнять рисунки, то средства векторной графики могут их масштабировать без потери качества изображения. Smart Board используется также и как обычная маркерная доска, на ней можно рисовать маркерами-фломастерами и удалять надписи ластиком. Надо заметить, что изготовитель дает двухлетнюю гарантию на такую доску, поскольку ее поверхность весьма износостойкая. К недостаткам Smart Board можно отнести медленную реакцию на замыкание слоев. Поэтому рисовать или писать придется медленно и плавно.
Интерактивная доска Soft Board компании Microfield Graphics использует инфракрасные лазеры, непрерывно сканирующие поверхность доски и отслеживающие движение соответствующих пишущих инструментов – специальных карандашей и ластика. Поверхность доски представляет собой стальной лист с фарфоровым покрытием. Экран Soft Board имеет высокий коэффициент отражения, позволяющий эффективно пользоваться «слабыми» проекторами. К неудобствам можно отнести отсутствие встроенной клавиатуры для набора текста в интерактивном режиме. Можно писать и сохранять рукописные тексты, но программу – распознаватель придется приобрести отдельно. Она не включена в комплект поставки.
Устройство Star Board (или DigitalBoard; изготовитель Hitachi) – тоже интерактивная доска. Однако принцип ее действия отличается и от Smart Board, и от Soft Board, поскольку в этом устройстве применяется электромагнитная технология и одна пленка-поверхность. Перед началом работы следует подключить к компьютеру доску, лоток со специальными маркерами, а затем обратиться к ПО. Каждый маркер снабжен электромагнитным излучателем, позволяющим доске инициировать цвет и толщину линий. Перенастройка цвета маркеров невозможна – они жестко заданы разработчиком. Доску можно подключить не только к компьютеру, но и к проектору с помощью стандартного видеокабеля. Использовать Star Board можно и в качестве обычной маркерной доски. Для этого достаточно навесить на нее второй слой пленки, предназначенный для письма фломастерами. [9]
В силу простоты использования, а так же благодаря доступности в цене и в качественном соотношении, в России чаще всего используются доски Smart Board.
2. Методическая разработка системы занятий по дисциплине «Конструирование и производство автотракторной техники» в учебных заведениях среднего профессионального образования
2.1 Анализ рабочей программы по дисциплине «Конструирование и производство автотракторной техники»
Цель изучения дисциплины «Конструирование и производство автотракторной техники» состоит в том, чтобы студент получил знания по теории автотракторного транспорта, общего устройства и конструктивных особенностей автомобилей, тракторов и специализированных транспортных средств на их базе, основных конструктивных и эксплуатационных параметров и характеристик, методов эффективной эксплуатации и ремонта.
Задачи изучения дисциплины заключаются в необходимости усвоения учащимися комплекса знаний, в результате овладения которыми учащийся должен:
Знать:
– основы теории поршневых двигателей внутреннего сгорания;
– элементы теории автомобиля и трактора;
– классификацию и общее устройство автотракторных двигателей, автомобилей, тракторов и специализированных транспортных средств;
– методы технико-экономических расчетов и экономические критерии оптимизации автотракторного транспорта;
– перспективные направления развития автотракторной техники;
– основы конструирования и применения автотракторной техники.
Уметь:
– выполнять проектно-конструкторские и расчетные работы, работы при разработке технических заданий на образцы автотракторной и специализированной техники;
– проводить эксплуатационные испытания разрабатываемых образцов техники;
– применять методы и средства безопасной эксплуатации, технического обслуживания и ремонта автотракторной техники;
– определять экономическую эффективность автотракторного транспорта;
Иметь представление:
– о технологии производства современных автотракторных средств
и их основных составных частей;
– о методах диагностики технического состояния образцов автотракторной техники;
– о современных методах совершенствования автотракторного
транспорта.
В изучаемом материале упор делается на классификацию и общее устройство автомобилей и тракторов, на основы теории автотракторного транспорта, на совершенствование автотракторного транспорта. В изучаемом материале дается много примеров и рекомендаций, которые позволят специалисту быстро начать работать по выбранной специальности.
Изучение данной дисциплины дает возможность руководить будущим специалистам ремонтным и производственным процессом. Все разделы изучаемой дисциплины получают практическое закрепление знаний в процессе выполнения лабораторно-практических работ.
2.2 Сводный тематический план дисциплины «Конструирование и производство автотракторной техники»
Содержание и разделы дисциплины указаны в сводном тематическом плане (таблица 1). Сводный план разрабатывается на перспективу и охватывает весь объем дисциплины «Конструирование и производство автотракторной техники» с разбивкой его по темам и часам.
Таблица 1. Сводный тематический план по дисциплине «Конструирование и производство автотракторной техники»
|
№ |
Наименование темы |
Количество часов |
|
|
Лекц. |
Практ. |
||
|
1 |
2 |
3 |
4 |
|
1 |
Классификация автомобилей. Классификация тракторов. Общее устройство автомобиля и трактора. Классификация и устройство автотракторных двигателей. Рабочие процессы поршневых двигателей внутреннего сгорания (ДВС). Основные механизмы и системы ДВС. |
6 |
2 |
|
2 |
Общие сведения о силовых передачах. Ступенчатые и бесступенчатые силовые передачи |
2 |
- |
|
3 |
Сцепление. Назначение и классификация сцеплений. Фрикционное сцепление. Гидравлические и электромагнитные сцепления. |
2 |
2 |
|
4 |
Коробки передач. Назначение и разновидности. Ступенчатые коробки передач. Раздаточные коробки. Гидромеханические коробки передач. Карданные передачи и промежуточные соединения. |
4 |
2 |
|
5 |
Ведущие мосты автомобилей и тракторов. |
2 |
- |
|
6 |
Главная передача и дифференциал. Конечные передачи. Ведущие полуоси автомобилей и тракторов. Механизмы поворота гусеничных машин |
6 |
2 |
|
7 |
Ходовая часть. Остов (рама) автомобилей и тракторов. Подвеска колесных машин. Подвеска гусеничных тракторов. Колесные и гусеничные двигатели. |
2 |
2 |
|
8 |
Системы управления. Рулевое управление колесных машин. Управление гусеничными тракторами. Тормозные системы автомобилей и тракторов. Тормозные механизмы. Приводы тормозных систем (механический, гидравлический и пневматический). |
2 |
2 |
|
9 |
Электрооборудование автомобиля и трактора. Контрольно-измерительные приборы. Приборы системы сигнализации и освещения. |
2 |
2 |
|
10 |
Специализированные транспортные средства. Автомобили-самосвалы. Тягачи, прицепы и полуприцепы. |
2 |
- |
|
11 |
Основы теории поршневых ДВС. Термодинамические и действительные циклы двигателей. Тепловые процессы, происходящие в двигателях. Основные параметры и характеристики двигателя. |
2 |
2 |
|
12 |
Элементы теории автомобиля и трактора. Силы, действующие на автомобиль и трактор. Сила тяги на ведущих элементах машины. Тяговая характеристика автомобиля и трактора. Силы сопротивления движению машины. Уравнение движения машины. Сила тяги по условиям сцепления движителя с дорогой. Силовой баланс машины. Баланс мощностей. |
4 |
4 |
|
13 |
Динамический фактор и динамическая характеристика. Тормозная динамика. Продольная и поперечная устойчивость машины. Управляемость колесной машины. Проходимость автомобилей и тракторов. Требования к проходимости. Опорно-тяговые показатели проходимости. Плавность хода автомобиля. Топливная экономичность автомобиля. Влияние эксплуатационных факторов на топливную экономичность. |
4 |
2 |
|
14 |
Порядок регистрации и учета машин. Требования к техническому состоянию машин. Неисправности транспортных средств, исключающие выпуск машин на линию. Техника безопасности автотракторного транспорта в специфических условиях строительства. |
2 |
- |
|
15 |
Опасные зоны при транспортировании, загрузке и разгрузке. Зоны обзора. Меры пожарной безопасности. Охрана природы при автотракторном транспорте. Нейтрализаторы для снижения токсичности выхлопных газов двигателей внутреннего сгорания. Измерители состояния и работы автотракторного транспорта. |
2 |
- |
|
16 |
Значение стандартизации, унификации и нормализации для совершенствования автотранспорта. Метод агрегатирования тягачей и грузовых автомобилей. Унифицированные ряды узлов. Базовые тяговые машины. |
4 |
2 |
|
17 |
Экономические критерии оптимизации автотракторного транспорта. Основные направления развития автотракторного транспорта. |
2 |
- |
|
Итого |
66 |
24 |
|
|
Всего |
90 |
2.3 Фрагмент календарно-тематического плана занятий по дисциплине «Конструирование и производство автотракторной техники»
Календарный план может составляться на курс, семестр – как удобнее преподавателю. Единой строго-обязательной формы не существует, поэтому педагог может выбирать ту, которая удобнее лично для него. Фрагмент календарно-тематического плана по дисциплине «КиПАТТ» представлен в таблице 2.
Таблица 2. Фрагмент календарно-тематического плана по дисциплине «КиПАТТ»
|
№ п\п |
Тема занятия |
Цели занятия |
Краткое содержание занятия |
Оснащение занятия: 1. Материально-техническое Методическое Дидактическое |
Тип занятия |
|
1. Обучающая 2. Воспитывающая 3. Развивающая |
|||||
|
1 |
2 |
3 |
4 |
5 |
6 |
|
1 |
Механизм поворота гусеничной машины – 150, ДТ – 75 |
1. Дать начальное представление о механизме поворота гусеничной машины. 2. Способствовать воспитанию внимательности. 3. Развивать имеющие знания на практике. |
Устройство и тип механизмов. Механизм поворота гусеничной машины – 150, ДТ-75 |
1. Мел, доска, рабочая тетрадь. 2. план-конспект занятия. 3. плакат «Механизм поворота гусеничной машины – 150, ДТ – 75». |
Лекционное |
|
2 |
Полуоси |
1. Обобщить знания учащихся о полуосях автомобиля. 2. Способствовать воспитанию аналитического полхода к теме. 3. Развивать имеющееся знания на практике. |
Полуоси. Виды полуосей. Устройства и назначения. |
1. Мел, доска, рабочая тетрадь. 2. план-конспект занятия. 3. Плакат «Полуоси автомобиля». |
Лекционное |
|
3 |
Передний ведущий мост автомобиля. |
1. Дать понятие о переднем ведущем мосте автомобиля. 2. Воспитать трудолюбие и самостоятельность. 3. Развитие познавательного интереса к изучаемой теме |
Передний ведущий мост автомобиля. Назначение. Принцип работы. Достоинства и недостатки. Основные неисправности и их признаки. |
1. Мел, доска, рабочая тетрадь. 2. план-конспект занятия. 3. Плакат «Передний ведущий мост» |
Лекционное |
|
4 |
Дифференциал шестеренный, кулачковый |
1. Дать начальное понятие о дифференциале автомобиля. 2. Воспитать инициативу и самостоятельность в трудовой деятельности. 3. Развивать имеющееся знания на практике. |
Дифференциал. Устройство. Назначения. Принцип работы. Основные неисправности и способы из устранения. |
1.интерактивная доска\проектор, рабочая тетрадь 2. план-конспект занятия. 3. Плакат «Дифференциал главной передачи», видео «Дифференциал, принцип работы» |
Лекционное |
|
5 |
Неуравновешенность хода поршня |
1. Изучить неуравновешенность хода поршня. 2. Развить трудолюбие и ответственность в трудовой деятельности. 3. Развивать техническое мышление. |
Неуравновешенность хода поршня |
1. Мел, рабочая тетрадь, ручка, доска, поршень, шатун. 2 план-конспект занятия. 3. Плакат «Кривошипно-шатунный механизм». |
Лекционное |
|
6 |
Питание дизелей по системе common rail |
1. Дать начальное представление о Common Rail 2. Воспитать инициативу и самостоятельность в трудовой деятельности. 3. Развивать у студентов профессиональные интересы. |
Система Common Rail. Назначение, устройство, принцип работы. |
1. Рабочая тетрадь, ручка, интерактивная доска. 2. план-конспект занятия. 3. Слайды, видео фильм. |
Лекционное |
2.4 Планы-конспекты занятий по дисциплине «Конструирование и производство автотракторной техники»
2.4.1 План-конспект занятия на тему «Передний ведущий мост автомобиля»
Занятие 1. Дата проведения__________
Тема занятия: Передний ведущий мост автомобиля
Цели занятия:
Обучающая: Дать понятие о переднем ведущем мосте автомобиля.
Воспитательная: Воспитать трудолюбие и самостоятельность.
Развивающая: Развитие познавательного интереса к изучаемой теме
Оснащение занятия:
1. Мел, доска, рабочая тетрадь.
2. план-конспект занятия.
3. Плакат «Передний ведущий мост»
Тип занятия: Лекционное.
Структура занятия:
1. Организационный момент (3 – 5 мин.)
2. Сообщение темы и целей занятия (5 – 7 мин.)
3. Изложение нового учебного материала (65 – 70 мин.)
4. Подведение итогов занятия (5 – 10 мин.)
Итого: 90 мин.
Ход занятия:
1. Организационный момент (3–5 мин.)
Преподаватель заходит в аудиторию, приветствует студентов, отмечает присутствующих, отсутствующих.
2. Сообщение темы и целей занятия (5–7 мин.)
Преподаватель сообщает студентам тему занятия: Передний ведущий мост автомобиля.
Цели занятия: Передний ведущий мост автомобиля. Назначение. Принцип работы. Достоинства и недостатки. Основные неисправности и их признаки.
3. Изложение нового учебного материала (65–70 мин.)
Педагог при изложении нового учебного материала пользуется методом объяснения, студенты делают краткий конспект в своих рабочих тетрадях. Передний ведущий мост – механизм который передаёт крутящий момент от коробки передач колесам
Далее преподаватель знакомит студентов с принципом, устройством и работой ведущего моста, обращая внимание студентов на плакат (приложение «Передний ведущий мост»)
Передний ведущий мост состоит из центральной передачи, дифференциала и колесных редукторов. Центральная передача представляет собой две конические шестерни со спиральным зубом. Ведущая шестерня установлена в стакане на двух роликовых конических подшипниках. Ведомая шестерня закреплена на корпусе дифференциала.
Под фланцем стакана ведущей шестерни, а также между ведомой шестерней и корпусом дифференциала установлены регулировочные прокладки.
В корпусе дифференциала размещены четыре сателлита, планетарные шестерни, нажимные чашки, а также ведущие и ведомые фрикционные диски. Ведущие диски, имеющие наружные зубья, соединены с зубьями корпуса и крышки дифференциала, а ведомые (с внутренними зубьями) – с полуосевыми шестернями.
При включении переднего моста в работу оси сателлитов проворачиваются и перемещаются по пазам-скосам в корпусе и крышке дифференциала соответственно на величину зазоров между фрикционными дисками. От осей сателлитов усилие передается на сателлиты, которые буртами передают его чашкам, а те, в свою очередь, сжимают фрикционные диски до упора в стенки корпуса и крышки дифференциала. Сила трения сжатых дисков объединяет в одно целое планетарные шестерни и корпус дифференциала, осуществляя блокировку последнего.
В рукавах переднего моста установлены выдвижные трубы редукторов конечных передач. Редукторы состоят из двух пар конических шестерен – верхней и нижней. Конические шестерни полуоси и вертикального вала образуют верхнюю пару. Полуось и вертикальный вал своими шлицевыми концами соединяются соответственно с планетарной шестерней дифференциала и ведущей шестерней нижней пары. Ведомая шестерня установлена на конических роликовых подшипниках в корпусе редуктора. Ступица ведомой шестерни соединена со шлицевым концом вала фланца, к которому крепится диск колеса. Фланец вала и ступица ведомой шестерни затянуты по конусу регулировочно-стяжным болтом, ввернутым в ступицу ведомой шестерни, и гайкой.
Далее преподаватель объясняет особенности ведущего моста автомобиля, студенты составляют краткий конспект.
Особенностью переднего ведущего моста является наличие поворотных кулаков, при помощи которых обеспечивается и поворот автомобиля, и передача крутящего момента на управляемые колеса.
Средняя часть переднего ведущего моста – дифференциал и главная передача (за исключением маслосгонного кольца ведущей шестерни) устроены одинаково с задним мостом. Маслосгонное кольцо ведущей шестерни главной передачи переднего моста имеет правую резьбу (в отличие от маслосгонного кольца заднего моста, имеющего левую резьбу) и клеймо – буква П. Перестановка колец не допускается, так как это вызовет обратное действие маслосгонного кольца, что приведет к течи смазки через сальник.
Ось ведущей шестерни главной передачи переднего ведущего моста смещена относительно оси автомобиля вправо. Поэтому кожухи полуосей и внутренние валы шарниров поворотных кулаков имеют разные длины. На левом кожухе полуоси установлен сапун, для предотвращения давления в картере моста, при нагревании, во время работы. К кожуху полуоси пятью болтами привернута шаровая опора с запрессованными в нее втулками шкворней. На шаровой опоре установлен корпус поворотного кулака, к которому шестью болтами крепится цапфа поворотного кулака и тормозной щит.
Далее преподаватель объясняет достоинства и недостатки переднего ведущего моста.
Плюсы переднего привода:
нет карданного вала и, соответственно, отпадает необходимость в туннеле, что увеличивает полезную площадь салона;
меньшее количество узлов привода положительно сказывается на его надежности и уменьшает потери энергии при передаче от двигателя к колесам, что повышает КПД двигателя;
лучше управляемость автомобиля в сложных дорожных условиях;
рулевое управление более чувствительное;
проходимость автомобиля выше.
Минусы переднего привода:
вибрации от силового агрегата передаются на кузов, так как он закреплен с ним жестко – такова специфика конструкции;
при прибавлении газа при определенных условиях на руль передаются реактивные усилия. Из рук он, конечно, не вырывается, но может дергаться достаточно сильно;
при резком старте вес в салоне перераспределяется назад, при этом передняя часть автомобиля естественным образом облегчается и ведущие колеса проявляют склонность к пробуксовке. На практике замечено, что проходимость переднеприводного автомобиля намного лучше, если в салоне кроме водителя и пассажира, сидящего спереди, больше – никого нет;
сочетание рулевых колес и ведущих неизбежно ведет к усложнению конструкции, что затрудняет ее ремонт и, как правило, уменьшает надежность.
Далее педагог рассказывает об основных неисправностях и их признаках, при эксплуатации переднего ведущего моста.
Шум при разгоне автомобиля
Износ или неправильная регулировка подшипников дифференциала.
Неправильно отрегулировано зацепление шестерен главной передачи при ремонте редуктора. Повреждение подшипников корпусов внутренних шарниров. Недостаточное количество масла.
Шум
при торможении автомобиля
двигателем
Неверный
боковой зазор в зацеплении шестерен
главной передачи.
Увеличенный
зазор в подшипниках ведущей шестерни
вследствие ослабления гайки крепления
фланца или износа подшипников.
Шум при разгоне и торможении автомобиля двигателем
Износ или разрушение подшипников ведущей шестерни.
Неверный боковой зазор между зубьями шестерен главной передачи.
Шум при движении на повороте
Тугое вращение сателлитов на оси.
Задиры на рабочей поверхности оси сателлитов.
Заедание шестерен в коробке дифференциала.
Неправильный зазор между зубьями шестерен дифференциала.
Стук в начале движения автомобиля
Увеличенный зазор в шлицевом соединении вала ведущей шестерни с фланцем.
Увеличенный зазор в зацеплении шестерен главной передачи.
Износ отверстия под ось сателлитов в коробке дифференциала.
Износ шлицевого соединения с полуосевыми.
Утечка масла
Износ или повреждение сальника ведущей шестерни.
Износ сальника корпуса внутреннего шарнира.
Ослабление крепления крышек подшипников корпусов внутренних шарниров или крышек картера. Повреждение уплотнительных прокладок.
4. Подведение итогов занятия (5–10 мин.)
Преподаватель подводит итоги занятия, выделяя основные вопросы, рассмотренные на лекционном занятии. Студенты убирают свои рабочие места.
2.4.2 План-конспект занятия на тему «Дифференциал шестеренный, кулачковый»
Занятие. Дата проведения_________________
Тема занятия: Дифференциал шестеренный, кулачковый.
Цели занятия:
1. Обучающая: Дать начальное понятие о дифференциале автомобиля.
2. Развивающая: Развивать имеющееся знания на практике.
3. Воспитательная: Воспитать инициативу и самостоятельность в трудовой деятельности.
Оснащение занятия:
1. интерактивная доска\проектор, компьютер\ноутбук, рабочая тетрадь
2. план-конспект занятия.
3. Плакат «Дифференциал главной передачи», видео «Дифференциал, принцип работы».
Тип занятия: лекционное.
Структура занятия:
1. Организационный момент (3 – 5 мин.)
2. Сообщение темы и целей занятия (5 – 7 мин.)
3. Изложение нового учебного материала (65 – 70 мин.)
4. Подведение итогов занятия (5 – 10 мин.)
Итого: 90 мин.
Ход занятия:
1. Организационный момент (3–5 мин.)
Преподаватель заходит в аудиторию, приветствует студентов, отмечает присутствующих, отсутствующих.
2. Сообщение темы и целей занятия (5–7 мин.)
Преподаватель сообщает студентам тему занятия: Дифференциал шестеренный, кулачковый.
Цели занятия: На занятии студенты знакомятся с дифференциалом, его устройством, назначением и принципом работы.
3. Изложение нового учебного материала (65–70 мин.)
Преподаватель при изложении нового учебного материала пользуется методом объяснения, студенты делают краткий конспект в своих рабочих тетрадях: Дифференциал – это механизм трансмиссии, распределяющий крутящий момент двигателя между ведущими колесами и ведущими мостами автомобиля. Дифференциал служит для обеспечения ведущим мостам разной скорости вращения при движении автомобиля по неровным дорогам и на поворотах.
Разная скорость вращения ведущим колесам, проходящим разный путь на поворотах и неровных дорогах, необходима для их качения без скольжения и буксования. В противном случае повысится сопротивление движению автомобиля, увеличатся расход топлива и износ шин.
В зависимости от типа и назначения автомобилей на них применяются различные типы дифференциалов.
Преподаватель выводит схему на интерактивную доску (схема) и просит студентов зарисовать ее в тетрадь.

Типы дифференциалов, классифицированных по различным признакам
Дифференциал, распределяющий крутящий момент двигателя между ведущими колесами автомобиля, называется межколесным.
Дифференциал, который распределяет крутящий момент двигателя между ведущими мостами автомобиля, называется межосевым.
На большинстве автомобилей применяют конические дифференциалы, симметричные и малого трения.
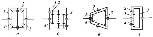
Симметричный дифференциал (схемы) распределяет поровну крутящий момент. Его передаточное число равно единице (u>Д> = 1), т.е. полуосевые шестерни 3 и 4 одинаковые диаметры и равное число зубьев. Симметричные дифференциалы применяются на автомобилях обычно в качестве межколесных и реже – межосевых, когда необходимо распределять крутящий момент поровну между ведущими мостами.

Схемы. Кинематические схемы шестеренных дифференциалов: а, б – симметричных; в, г – несимметричных; 1 – корпус, 2 – сателлит; 3, 4 – шестерни
Несимметричный дифференциал (схемы) распределяет не поровну крутящий момент. Его передаточное число не равно единице, но постоянно (u>Д> ≠ 1 = const), т.е. полуосевые шестерни 3 и 4 имеют неодинаковые диаметры и разное число зубьев. Несимметричные дифференциалы применяют, как правило, в качестве межосевых, когда необходимо распределять крутящий момент пропорционально нагрузкам, приходящимся на ведущие мосты.
Межколесный конический симметричный дифференциал состоит из корпуса, сателлитов, полуосевых шестерен, которые соединены полуосями с ведущими колесами автомобиля. Дифференциал легкового автомобиля имеет два свободно вращающихся сателлита, установленных на оси, закрепленной в корпусе дифференциала, а у грузового автомобиля – четыре сателлита, размещенных на шипах крестовины, также закрепленной в корпусе дифференциала.
Далее педагог объясняет принцип работы дифференциала, обращая внимание студентов слайд, выведенный на интерактивную доску\проектор:

Дифференциал
При прямолинейном движении автомобиля по ровной дороге ведущие колеса одного моста проходят одинаковые пути, встречают одинаковое сопротивление движению и вращаются с одной и той же скоростью. При этом корпус дифференциала, сателлиты и полуосевые шестерни (слайд) вращаются как одно целое. В этом случае сателлиты не вращаются вокруг своих осей, заклинивают полуосевые шестерни и на оба ведущих колеса передаются одинаковые крутящие моменты.
При повороте автомобиля внутреннее по отношению к центру поворота колесо встречает большее сопротивление движению, чем наружное колеса, вращается медленнее, и вместе с ним замедляет свое вращение полуосевая шестерня 4 внутреннего колеса. При этом сателлиты 5 начинают вращаться вокруг своих осей и ускоряют вращение полуосевой шестерни наружного колеса 4. В результате ведущие колеса вращаются с разными скоростями, что и необходимо при движении на повороте.
После того как педагог объяснил принцип работы дифференциала, он выводит видео «Дифференциал, принцип работы» (приложение) на интерактивную доску\проектор ина примере видео студенты визуально ознакамливаются с работой дифференциала.
После просмотра видео фрагмента, педагог переходит к кулачковым дифференциалам, обращая внимания студентов на схемы кулачковых дифференциалов, которые педагог выводит на интерактивную доску или проектор: Кулачковые (сухарные) дифференциалы могут быть горизонтальным (а) или радиальным (б) расположением сухарей(схемы). Сухари 3 размещаются в один или два ряда в отверстиях обоймы 2 корпуса 1 дифференциала между полуосевыми звездочками 4 и 5, которые установлены на шлицах полуосей. Сухари в дифференциале выполняют роль сателлитов.

Схемы Кинематические схемы кулачковых (а, б) и червячных (в, г) дифференциалов: 1 – корпус, 2 – обойма, 3 – сухарь; 4, 5 – звездочки; 6, 8 – червяки; 7 – сателлит; 9, 10 – шестерни
Далее педагог объясняет принцип работы кулачковых дифференциалов:
При прямолинейном движении автомобиля по ровной дороге сухари неподвижны относительно обоймы и полуосевых звездочек. Своими концами они упираются в профилированные кулачки полуосевых звездочек и расклинивают их. Все детали дифференциала вращаются как одно целое, и оба ведущих колеса автомобиля вращаются с одинаковыми скоростями.
При движении автомобиля на повороте или по неровной дороге сухари перемещаются в отверстиях обоймы и обеспечивают ведущим колесам автомобиля разную скорость вращения без проскальзывания и буксования.
Кулачковые дифференциалы являются дифференциалами повышенного трения, так как имеют значительное внутреннее трение, которое позволяет передавать больший крутящий момент на небуксующее колесо и меньший на буксующее колесо. При этом суммарная тяговая сила на ведущих колесах автомобиля достигает максимального значения. Так, за счет повышенного внутреннего трения суммарная тяговая сила на ведущих колесах увеличивается на 10…15%, что способствует повышению тяговых свойств и проходимость автомобиля. Кулачковые дифференциалы относительно просты по конструкции и имеют небольшую массу. Они широко применяются на автомобилях повышенной и высокой проходимости.
Далее педагог рассказывает об эксплуатации дифференциалов: Как и любые шестеренки – шестерни главной передачи и дифференциала требуют «смазки и ласки». Относительно «ласки». Хотя все детали главной передачи и дифференциала и выглядят массивными «железяками», но они тоже имеют запас прочности. Поэтому рекомендации относительно резких стартов и торможений, грубых включений сцепления и прочей перегрузки машины остаются в силе. Трущиеся детали и зубья шестерен, в том числе, должны постоянно смазываться. Поэтому в картер заднего моста (у заднеприводных автомобилей) или в картер блока – коробка передач, главная передача, дифференциал (у переднеприводных автомобилей), заливается масло, уровень которого необходимо периодически контролировать. Масло, в котором работают шестерни, имеет склонность к «утеканию» через неплотности в соединениях и через изношенные маслоудерживающие сальники. А еще, любой картер должен иметь постоянную связь с атмосферой. Когда в закрытой «наглухо» коробке с шестеренками и маслом выделяется тепло, что неизбежно при работе механизмов, давление внутри резко увеличивается и тогда масло обязательно вытечет. Для того чтобы не доливать масло по два раза в день, следует знать о маленькой детальке любого картера – сапуне. Это подпружиненный колпачок, прикрывающий вентиляционное отверстие или трубку. Со временем, он «залипает» и возможна потеря связи картера с атмосферой. При очередной плановой замене масла или ранее, в случае необходимости, проверните колпачки и восстановите работоспособность пружин всех сапунов на агрегатах вашего автомобиля. В результате этой несложной операции, небольшие утечки масла могут прекратиться.
4. Подведение итогов занятия (5–10 мин.)
Преподаватель подводит итоги занятия, выделяя основные вопросы, рассмотренные на лекционном занятии. Студенты убирают свои рабочие места.
2.4.3 План-конспект занятия на тему «Питание дизелей по системе Common Rail»
Занятие 6. Дата проведения_________________
Тема занятия: Питание дизелей по системе Common Rail
Цели занятия:
1. Обучающая: Дать начальное представление о Common Rail
2. Развивающая: Развивать у студентов профессиональные интересы.
3. Воспитательная: Воспитать инициативу и самостоятельность в трудовой деятельности.
Оснащение занятия:
1. Рабочая тетрадь, ручка, интерактивная доска.
2. план-конспект занятия.
3. Слайды, видеофильм.
Тип занятия: лекционное.
Структура занятия:
1. Организационный момент (3–6 мин.).
2. Сообщение темы. (4–6 мин.).
3. Изложение нового учебного материала (34–36 мин.).
4. Просмотр видео фильма о системе Common Rail (28–31 мин.)
5. Проверка полученных знаний (4–5 мин)
6. Подведение итога занятия (3–6 мин.).
90 мин.
Ход занятия:
1. Организационный момент (3–6 мин.)
Преподаватель заходит в аудиторию, приветствует студентов, отмечает присутствующих, отсутствующих.
2. Сообщение темы и целей занятия (4–6 мин.)
Преподаватель сообщает студентам тему занятия: Питание дизелей по системе Common Rail
Цели занятия: На занятии студенты знакомятся с системой Common Rail. Назначением, устройством, принципом работы.
3. Изложение нового учебного материала (37–39 мин.)
Преподаватель при изложении нового учебного материала пользуется методом объяснения, студенты делают краткий конспект в своих рабочих тетрадях. Педагог объясняет ученикам, что изучение этой темы необходимо, т. к. Common Rail это новейшая технология, широко используемая в современном машиностроении:
Система впрыска Common Rail является современной системой впрыска топлива дизельных двигателей. Система впрыска разработана специалистами фирмы Bosch. Работа системы Common Rail основана на подаче топлива к форсункам от общего аккумулятора высокого давления – топливной рампы (Common Rail в переводе общая рампа).
Применение данной системы позволяет достигнуть снижения расхода топлива, токсичности отработавших газов, уровня шума дизеля. Система впрыска Common Rail конструктивно составляет контур высокого давления топливной системы дизельного двигателя.
Система Common Rail имеет следующее устройство:
топливный насос высокого давления;
клапан дозирования топлива;
регулятор давления топлива (контрольный клапан);
топливная рампа;
форсунки;
топливопроводы.
Топливный насос высокого давления (ТНВД) служит для создания высокого давления впрыскиваемого топлива. Современные топливные насосы высокого давления плунжерного типа.
Клапан дозирования топлива регулирует количество топлива, подаваемого к топливному насосу высокого давления в зависимости от потребности двигателя. Клапан конструктивно объединен с ТНВД.
Регулятор давления топлива предназначен для управления давлением топлива в системе. Он устанавливается в топливной рампе.
Топливная рампа служит для накопления топлива.
Форсунки непосредственно осуществляют впрыск топлива в камеру сгорания двигателя. Различают следующие конструкции форсунок:
электромагнитные форсунки;
электрогидравлические форсунки;
пьезофорсунки.
Впрыск топлива электромагнитной форсункой осуществляется за счет управления электромагнитным клапаном. Активным элементом пьезофорсунки являются пьезокристаллы, значительно повышающие скорость работы форсунки.
Управление работой системой впрыска Common Rail обеспечивает система управления двигателем, которая включает:
датчики;
блок управления двигателем;
исполнительные механизмы систем двигателя.
Система управления двигателем включает следующие датчики:
датчик оборотов двигателя;
датчик холла;
датчик положения педали газа;
расходомер воздуха;
датчик температуры охлаждающей жидкости;
датчик давления воздуха;
датчик температуры воздуха;
датчик давления топлива;
кислородный датчик (лямбда-зонд);
ряд других датчиков.
Исполнительными механизмами системы впрыска Common Rail являются:
форсунки;
клапан дозирования топлива;
регулятор давления топлива.
Далее педагог выводит на интерактивную доску слайд с изображением устройства Common Rail(приложение) и начинает объяснять принцип работы системы, одновременно с этим педагог стрелками рисует движение топлива(приложение): На основании сигналов, поступающих от датчиков, блок управления двигателем определяет необходимое количество подаваемого топлива. В топливный насос высокого давления необходимое количество топлива подается за счет управления клапаном дозирования топлива. Насос накачивает топливо в топливную рампу. Там оно находится под определенным давлением, обеспечиваемым регулятором давления топлива.
В нужный момент блок управления двигателем дает команду соответствующим форсункам на начало впрыска и обеспечивает определенную продолжительность открытия клапана форсунки. При необходимости блок управления двигателем корректирует параметры работы системы впрыска.
В системе Common Rail реализуется многократный впрыск топлива в течение одного цикла работы двигателя. При этом различают:
предварительный впрыск;
основной впрыск;
дополнительный впрыск.
Предварительный впрыск небольшого количества топлива производится перед основным впрыском для повышения температуры и давления в камере сгорания, чем достигается ускорение самовоспламенения основного заряда, снижение шума и токсичности отработавших газов. В зависимости от режима работы двигателя производится:
два предварительных впрыска – на холостом ходу;
один предварительный впрыск – при повышении нагрузки;
предварительный впрыск не производится – при полной нагрузке.
Дополнительный впрыск производится для повышения температуры отработавших газов и сгорание частиц сажи в сажевом фильтре, чем достигается регенерации фильтра.
Развитие системы впрыска Common Rail осуществляется по пути увеличения давления впрыска. В зависимости от давления впрыска различают следующие конструкции системы Common Rail:
первого поколения – 100 МПа;
второго поколения – 135 МПа;
третьего поколения – 160 МПа;
четвертого поколения – 180 МПа.
Датчик положения распределительного вала предназначен для определения углового положения газораспределительного механизма в соответствии с положением коленчатого вала двигателя. Информация, поступающая от датчика положения распределительного вала, используется системой управления двигателем для управления впрыском и зажиганием. Функционально датчик связан с датчиком частоты вращения коленчатого вала двигателя.
4. Просмотр видео фильма о системе Common Rail (28–31 мин.)
Педагог выводит видео фильм (приложение) на экран интерактивной доски.
5. Проверка полученных знаний (4–5 мин)
Перед началось проверки полученных знаний, педагог вызывает двух студентов к доске, дает им маркеры и 2 задания в табличной форме, пока 2 студента работают у доски, остальные отвечают на некоторые вопросы педагога:
Устройство Common Rail? (топливный насос высокого давления; клапан дозирования топлива; регулятор давления топлива контрольный клапан); топливная рампа; форсунки; топливопроводы
5.2 Для чего производится предварительный впрыск?
Назначение датчика положения распределительного вала? (Датчик положения распределительного вала предназначен для определения углового положения газораспределительного механизма в соответствии с положением коленчатого вала двигателя)
Подведение итогов занятия (3–6 мин.)
Преподаватель подводит итоги занятия, выделяя основные вопросы, рассмотренные на лекционном занятии, выставляет оценки. Студенты убирают свои рабочие места.
2.5 Методический анализ разработанных занятий
Для правильной и эффективной организации учебно-воспитательного процесса преподавателю профессионального обучения необходимо умение не только планировать и осуществлять учебную деятельность, но и ее анализировать. Это касается как уже проведенных (проводимых в данный момент) занятий и тех, которые разрабатываются. Анализ занятия позволяет оценивать уровень профессиональной подготовки, помогает совершенствовать педагогическое мастерство. Проанализировать занятие – это значит не просто зафиксировать, что было на занятии, но и выявить, почему получилось так, а не иначе, какие меры необходимо предпринять, чтобы устранить отмеченные недостатки.
Выработав у себя привычку к постоянному и каждодневному осмыслению собственного педагогического труда, молодой педагог сформирует фундамент для достижения необходимого уровня профессионализма, потребность в самосовершенствовании.
Ученые и практики образования разработали и предложили несколько схем для анализа занятий. С помощью одной из них анализируются наши занятия (таблица).
Критерии успешности занятия
|
№ |
Показатели |
Критерии успешности |
Оценка в баллах/№занятия |
||
|
1 |
2 |
3 |
|||
|
1 |
2 |
3 |
4 |
5 |
6 |
|
1 |
Оснащение занятий |
Материально-техническое оснащение |
4 |
5 |
5 |
|
Методическое оснащение |
4 |
4 |
5 |
||
|
Наличие дидактических средств |
4 |
4 |
4 |
||
|
Средняя оценка |
4 |
4,3 |
4,7 |
||
|
2 |
Содержание занятия |
Соответствие содержания занятия программе |
5 |
5 |
5 |
|
Работа с формированием понятийного аппарата |
5 |
5 |
5 |
||
|
Осуществление межпредметных связей |
5 |
5 |
5 |
||
|
Средняя оценка |
5 |
5 |
5 |
||
|
3 |
Структура занятия |
Начало занятия (своевременность, расход времени на организационную часть и т.д.) |
4 |
5 |
5 |
|
Готовность преподавателя и студентов к занятию |
5 |
5 |
5 |
||
|
Оценка структуры занятия и целесообразности разбивки времени на каждый этап |
5 |
5 |
4 |
||
|
Выполнение плана занятия |
4 |
4 |
5 |
||
|
Достижение поставленных целей занятия |
5 |
4 |
5 |
||
|
Своевременность окончания занятия |
5 |
5 |
5 |
||
|
Средняя оценка |
4,7 |
4,7 |
4,8 |
||
|
4 |
Проведение занятия |
Постановка целей и мотивация учащихся, разъяснение значимости изучаемого материала |
4 |
5 |
5 |
|
Логика перехода от одного этапа к другому |
4 |
4 |
4 |
||
|
Актуализация знаний студентов, связь нового материала с ранее изученным и имеющимся опытом |
5 |
4 |
5 |
||
|
Средняя оценка |
4,3 |
4,3 |
4,7 |
||
|
5 |
Реализация принципов обучения |
Принцип сознательности и активности |
4 |
4 |
5 |
|
Принцип научности |
5 |
5 |
5 |
||
|
Принцип доступности обучения |
4 |
5 |
5 |
||
|
Принцип наглядности |
5 |
5 |
5 |
||
|
Принцип систематичности и последовательности |
5 |
5 |
5 |
||
|
Средняя оценка |
4,5 |
4,8 |
5 |
||
|
6 |
Методы обучения |
Методы активизации познавательной деятельности |
5 |
5 |
5 |
|
Выбор методов в соответствии с целями и задачами занятия |
5 |
5 |
5 |
||
|
Учет возрастных особенностей студентов |
5 |
5 |
5 |
||
|
Средняя оценка |
5 |
5 |
5 |
||
|
7 |
Поведение педагога на занятиях |
Внешний вид |
5 |
5 |
5 |
|
Умение владеть аудиторией |
5 |
5 |
5 |
||
|
Речь педагога |
5 |
5 |
5 |
||
|
Педагогический такт |
5 |
5 |
5 |
||
|
Средняя оценка |
5 |
5 |
5 |
При организации урока нужно чаще обращаться к плану конспекту и четко знать, сколько отведено времени на каждый этап, так же хорошо владеть знаниями, которые приходится объяснять обучающимся в ходе занятий. Для того чтобы вовремя окончить занятие, нужно оценить оставшееся время. В момент проведения урока необходимо четко поставить цель.
Качество занятий по дисциплине «Конструирование и производство автотракторной техники» во многом зависит от подготовки преподавателя.
Он определяет основные цели занятия, продумывает его структуру и организацию, выбирает оптимальное сочетание методов, приемов и средств обучения это видно из результатов методического анализа проведенных занятий.
Разработанные занятия относятся к лекционному типу. Структура зависит от типа и содержания занятия. Занятия проводятся в соответствии с методами обучения, с учетом реализации основных принципов обучения.
Технология разработки занятия с использованием интерактивной доски
интерактивный доска автотракторный преподавание
В настоящее время развитие компьютерных технологий позволяет решать широчайший круг задач, как в домашнем применении, в области бизнеса, так и в образовании. В образовательном процессе в наше время очень широко используются интерактивные доски. Интерактивные доски бывают разных марок и видов. Но в силу простоты использования, а так же благодаря доступности в цене и в качественном соотношении, в России чаще всего используются доски Smart Board. В комплекте с интерактивной доской Smart Board идет уникальное программное обеспечение, получившее название Smart Notebook. Программное обеспечение Notebook – уникальный продукт компании SMART, который позволяет, не имея специальных навыков, создавать яркие, динамичные, наглядные, информационно-емкие уроки и презентации, используя рисунки, видео, галереи объектов и текстов, а так же различные ресурсы в т.ч. и Интернет. Smart Notebook создает файл с расширением (*notebook). Программа предоставляет пользователю большое количество различных шаблонов. Преподаватель в режиме online, если компьютер подключен к интернету, может зайти на свой личный «склад», где могут храниться его наработки, или в общедоступные файлообменники, на которые преподаватели делятся опытом. При создании урока в программе Smart Notebook можно использовать видео, слайды, презентации, рисование, интерактивную проверку знаний и многое другое. В данной работе мы рассмотрим возможность использования интерактивной доски при создании план конспекта занятия, на основе план конспекта № ….
Общая идеология Smart Notebook
После двойного щелчка на ярлыке Smart Notebook появляется главное окно программы), в котором мы можем начать создавать материал для будущего урока, или открыть заранее подготовленный материал.

Главное окно программы Smart Notebook
Прежде чем приступить к работе в программе Smart Notebook нам следует ознакомиться со всеми панелями инструментов).

Рис. Панель инструментов Smart Notebook
1 – открыть предыдущую страницу
2 – открыть следующую страницу
3 – вставить пустую страницу
4 – открыть файл Notebook, который хранится где-то в пределах досягаемости
5 – сохранить файл, с которым Вы в данный момент работаете
6 – вставить на страницу из буфера
– отменить последнее действие (откат, сделали что-то не так – смело жмите сюда!)
8 – вернуть отмененное действие
9 – удалить (выделяем все, что нуждается в удалении – и жмем сюда)
10 – затенение, подвижная шторка, закрывающая всю страницу или ее часть
11 – переход к режиму показа страницы во весь экран
12 – Режим для просмотра двух страниц.
13 – инструменты захвата экрана
14 – вставка таблицы
15 – инструмент «Выбрать». Сфера применения очень широкая. Он позволяет выбрать группу объектов для проведения с ними в дальнейшем какой-то операции. Он же отменяет режим действия какого-то инструмента
16 – набор перьев для рисования
17 – набор художественных перьев для рисования
18 – три ластика разного размера.
19 – набор инструментов для проведения прямых линий
20 – набор для рисования различных фигур
21 – перо распознавания фигур. Определяет, какую фигуру Вы хотели нарисовать «от руки» и доводит ее «до ума». Особенно хорошо это получается в случае с овалами, прямоугольниками и треугольниками.
22 – «Волшебное перо». Красивый инструмент! Если нарисовать таким пером овал – получим эффект перемещаемой «подсветки». Если нарисовать прямоугольник – получим перемещаемую прямоугольную «Лупу», увеличивающую содержимое прямоугольника. А если просто что-то нарисовать или написать, как пером, то нарисованное или написанное через несколько секунд исчезнет…
23 – заливка. Позволяет закрасить на странице в заранее выбранный цвет объекты, созданные с помощью инструментов Фигуры или Перо распознавания фигур
24 – важнейший инструмент для подготовки и форматирования текста
25 – средство записи Smart.
26 – клавиатура. Позволяет напечатать какой-то текст, не отходя от интерактивной доски.
27 – позволяет перемещать панель инструментов вверх-вниз.
На панель инструментов можно поместить при необходимости и некоторые другие инструменты, о которых также следует сказать особо.
28 – очистить страницу. После щелчка по этому инструменту со страницы исчезают все объекты, которые там были и мы получаем абсолютно чистую страничку.
29 – позволяет изменить масштаб отображения страницы.
30 – набор инструментов для измерения (линейка, транспортир, треугольник, циркуль).
31 – переход в режим работы с «прозрачным» фоном.
32 – «Правильные многоугольники»
33 – позволяет запустить видеоплеер Smart.
34 – инструмент клонирования страниц. Щелкаем, находясь на какой-то странице, и получаем еще одну точно такую же.
Если мы являемся новичками в деле подготовки материалов к занятию и не имеем в наличии нужные слайды и картинки, то лучше воспользоваться встроенным набором картинок и слайдов, выбрав соответствующую картинку и нажав на нее 2 раза левой кнопкой мыши она появится в главном окне программы