Проект автодорожного моста через р. Ока
Проект автодорожного моста через р. Ока
Введение
Раздел ПОС проекта автодорожного моста через р. Ока в районе г. Калуга разработан в соответствии с заданием кафедры МТС. Строительство предполагается вести силами одного мостоотряда. В проекте предусмотрено устройство одной стройплощадки. В составе проекта разработаны следующие варианты технологии работ и необходимое оборудование:
-сооружение фундамента промежуточной опоры №2 на буростолбах диаметром 1,2м при помощи буровой машины КАТО-50ТНО-YSIII;
-сооружение тела опоры №2 при помощи крана РДК-25;
-сооружение фундамента устоя № 1 на сваях сечением 4545см при помощи копра С-908А и дизель-молота С-949;
сооружение тела устоя №1 при помощи крана РДК-25.
Условия строительства
1.1. Климат
Поверхность Калужской области представляет собой холмисто-увалистую,местами плоскую равнину ,густо расчлененную долинами рек ,балками и лощинами. Северно-западные и северные части Калужской области – моренные равнины , юго-запад – зандровые, а центр и восточные части – эрозионные равнины. Реки области относятся к бассейну р. Волги и лишь на западе протекают реки бассейна Днепра.Самые крупные реки: Ока с притоками Жиздра, Угра, Протва и приток Десны – Болва. Все реки характеризуются извилистым руслом , медленным течением, высоким весенним полооводьем и низкой летней меженью. Климат континентальный и засушливый. Зима холодная, обычно с ясной и тихой погодой, нарушаемой снежными буранами. Лето жаркое. Средняя температура января от –14 С до -18С , июля от 19С до 22С. Период с температурами выше 10С имеет продолжительность 135 – 145 суток. Осадков выпадает от 450 мм. до 300 мм. В почвенном покрове преобладает чернозем.
Таблица 1. Среднемесячная температура воздуха.
|
I |
II |
III |
IV |
V |
VI |
VII |
VIII |
IX |
X |
XI |
XII |
Год |
|
-15,3 |
-14,9 |
-8,5 |
4,1 |
14,2 |
19,2 |
21,3 |
19,6 |
12,6 |
4,1 |
-4,7 |
-12 |
3,3 |
Таблица 2. Преобладающие направления ветров
|
С |
СВ |
В |
ЮВ |
Ю |
ЮЗ |
З |
СЗ |
|
|
Январь |
5 |
18 |
14 |
11 |
16 |
44 |
2 |
2 |
Р
исунок
1. Роза ветров
1.2 Геологическое строение
Г
еологическое
строение района строительства показано
на рисунке 2.
Рисунок 2.
2. Конструкция опор моста
2.1. Конструкция промежуточной опоры
Промежуточная опора железобетонная массивная сборно-монолитная из контурных блоков с заполнением внутренней части монолитным бетоном класса В.25. Сборные блоки 1060 х 500 х 100 см армируются арматурой класса АII исходя из условий их транспортировки и монтажа. Бетон тела опоры ледорезной части особо плотной марки по водонепроницаемости W 8 с водопоглащением 4,2 и водоцементном отношением В/Ц=0,45. Опора запроектирована на буровых сваях, диаметром 1,5 м. Буровые сваи объединены плитой ростверка, размером 1180 х 600 х 150 см. Бетон ростверка В 25.
Поверх контурных блоков устраивают монолитный ригель размером 220 х 100 х 750.
2.2. Конструкция береговой ОПОРЫ моста (устой)
Устой запроектирован козлового типа на свайном основании. Тело устоя состоит из стоек d=0,45 м, расстояние между стойками составляет 250 см. Вдоль оси моста устраивают два ряда стоек, один ряд горизонтально, другой с уклоном 1:2, всего устой имеет 10 стоек. Стойки омоноличиваются в стаканах, которые в свою очередь опираются на монолитную плиту ростверка, размером 10 х 4,5 х 0,8 м. Под ростверком запроектированы сваи сечением 45 х 45 всего 4 ряда по 11 свай. Насадки, откосные крылья и шкафные стенки запроектированы из сборного железобетона и омоноличиваются при помощи бетонирования швов между сборными элементами (бетон В 25).
3. Геодезические работы
3.1. Разбивка осей опор моста
Разбивочные работы выполняются с помощью геодезической сети мостовой триангуляции. При этом центр каждого фундамента определяют многократной прямой засечкой с трёх пунктов мостовой триангуляции. В этой работе должно участвовать столько теодолитов, со скольких пунктов мостовой триангуляции ведётся разбивка центра фундамента. На рисунке 3 приводится схема разбивки прямыми засечками центра фундамента опоры с пунктов 1, 2 и 3.
По известным длинам 1-2, 2-3 и 2-К и углам >1>=75 и >2>=80 аналитически вычисляются углы >1 >и >2>. Теодолитами, установленными в точках 1 и 3 на пересечении визирных осей находят положение точки. При этом теодолитом, установленным в точке 2 проверяют расположение точки К в створе оси моста (несоосность допускается не более 1,5 см). Найденное таким образом положение центра фундамента закрепляют на противоположных берегах визирными точками. Временное закрепление центра фундамента в русле реки осуществляют плавающим буйком или сваей, которые служат ориентиром для забивки шпунта или установки оборудования. Окончательную разбивку фундамента выполняют после подготовки площадки для его сооружения.

Рисунок 3. Схема разбивки оси моста.
Таблица 3.
|
Пункт стояния |
Наблюдаемый пункт |
Расстояния |
Измеренные направления |
|
1 |
K M N D E |
144.8 159.2 194 240.5 275.2 |
22˚25’ 49˚40’ 65˚00’ 72˚08’ 74˚20’ |
|
2 |
K, M, N, D, E |
42, 63, 63, 63, 42 |
0 |
|
3 |
K M N D E |
148.7 167.8 205.3 253.1 288.3 |
23˚06’ 50˚00’ 65˚30’ 73˚06’ 76˚20’ |
Примечание: 1-2 =150 м, 2-3 =150 м.
Знаки 1, 2, 3 расположены на берегу реки, знак 2 - на оси мостового перехода.
Линейные измерения в сети производятся светодальномером RED-2, угловые измерения - теодолитом 2Т2. Высотное положение знаков условно не рассматривается.
4. Технология сооружения опор моста
4.1. Технология сооружения промежуточной опоры моста
Подготовительные работы
Перед выводом платформы ПМК в акваторию, на палубе платформы размещаются и закрепляются 4 колонны ПМК длиной 24м, переходник, вибропогружатель ВУ-1.6 и автоматический наголовник НГ-1.6. Перед началом работы все якоря устанавливают в проектное положение и обозначают поплавками. Концы тросов закрепляются на бакенах и удерживаются адмиралтейскими якорями массой 300 кг. Платформы поочередно выводят буксиром и вспомогательным катером в створ опоры на расстояние 20 м выше от моста. Прикрепляют канаты лебёдок к опорным расчалкам. Выбирают слабину якорных расчалок, раскрепляют платформы на якорях, отпускают буксирный катер. Стравливая верховые расчалки и, выбирая слабину низовых расчалок, устанавливают платформы в проектное положение. Производится поочерёдное погружение колонн вибропогружателем ВУ-1.6. После погружения всех колонн до проектной отметки, необходимо закрепить платформу к колоннам закладными креплениями.
На транспортном плашкоуте к месту работ подаётся буровая машина КАТО-50-ТНС-YSIII. При этом механизм должен быть отсоединён от машины, а мачта посекционно демонтирована. Вторичным рейсом подаётся оборудование для бурения скважин, устройство бетонирования буростолбов. Рабочий мостик из элементов МИК-П сдвигают к бортовым пакетам ПМК в крайнее верховое положение к месту стоянки крана. Перегружают с транспортного средства на рабочий мостик сначала КАТО-50, затем механизм качания. Собирают буровую машину в рабочее положение без механизма качания. Оборудование, необходимое для буровых работ перегружают на платформу ПМК.
1 стадия.
Установить кран РДК-25 в рабочее положение. На транспортном плашкоуте подать защитные оболочки (обсадные трубы) и перегрузить их на платформу ПМК. Первую секцию оболочки обстроить обустройством для погружения и краном РДК-25 установить на грунт. Произвести погружение оболочки вибропогружателем ВУ-1,6 до проектной отметки. Передвигая рабочий мостик вместе с буровой машиной, погрузить все оболочки первого ряда. Передвижку мостика осуществлять гидравлическими домкратами. Передвигая рабочий мостик вместе с буровой машиной, погрузить оболочки второго ряда до проектной отметки.
2 стадия.
Поперечной передвижкой по бортовым пакетам платформ ПМК устанавливают рабочий мостик по оси первого буростолба. Устанавливают на рабочем мостике направляющую, после геодезической проверки положения вертикальной оси направляющей, закрепляют её к рабочему мостику. С помощью грейфера, входящего в комплект КАТО извлечь грунт из защитной оболочки.
Подвоз материалов и конструкций, а также удаление в отведенное место грунта, извлекаемого в процессе бурения, осуществлять с помощью транспортного плашкоута.
3 стадия.
С помощью крана РДК-25 погрузить в скважину арматурный каркас. Используя способ вертикально перемещаемой трубы (ВПТ), соорудить буростолбы. При этом бетон подаётся кублом объёмом 2 м3 с помощью крана РДК-25.
4 стадия.
На транспортном плашкоуте к месту работ подаются элементы направляющей для погружения шпунтового ограждения. К защитным оболочкам приварить консоли. На этих консолях краном РДК-25 собрать направляющую, и после проверки правильности положения закрепить её. На транспортном плашкоуте к месту работы подать металлический шпунт “Ларсен-IV”. Шпунтовым двигателем МШ-2М, навешенным на гак крана РДК-25, произвести погружение шпунта в направляющей до проектной отметки, начиная с верховой стороны шпунтового ограждения. После погружения и закрепления к нему обвязки, которая служила направляющей, смонтировать плечи. Консоли демонтировать. Затем на платформе ПМК №2 демонтируется прикрепление колонны к платформе, колонны извлекаются из грунта. Платформа перемещается к месту сооружения следующей опоры.
5 стадия
После сооружения шпунтового ограждения необходимо произвести промер глубин внутри шпунтового ограждения. Произвести, по необходимости, досыпку песчаного грунта внутрь шпунтового ограждения.
Установить подмости с бетонолитными трубами. Работы по бетонированию подводной подушки производятся краном РДК-25. Подачу бетона производим на транспортном плашкоуте в бункерах БП-2. Переставляя подмости с бетонолитными трубами, забетонировать защитную тампонажную подушку. По окончании бетонирования демонтировать вспомогательные устройства. При достижении бетоном подводной подушки прочности, откачать воду из шпунтового ограждения. Откачивать воду сначала насосами НЦС-1, установленными на ПМК. после понижения уровня воды в ограждении, краном РДК-25 внутри ограждения навешиваются подмости с установленными на них насосами, и дальнейшая откачка воды ведётся с этих подмостей. После полной откачки воды из шпунтового ограждения, очищают поверхность бетона от шлакового слоя и выравнивают поверхность, устраняя неровности. Затем срезают металлические защитные оболочки на проектной отметке и срубают шлаковый слой бетона буростолбов.
Устанавливаются сетки плиты ростверка, монтируется арматурный каркас и производится бетонирование плиты ростверка. Работы по бетонированию ростверка производят краном РДК-25. Подачу бетона производят на транспортном плашкоуте в БП-2.
6 стадия.
После того как бетон ростверка набирает необходимую прочность (не менее 75% от требуемой), производится монтаж сборно-монолитного тела опоры. Работы производятся с помощью крана РДК-25. Тело опоры состоит из контурных блоков и монолитного бетона заполнения. После установки первого блока, он заполняется на 1/2 своей высоты монолитным бетоном. Затем устанавливается второй блок в проектное положение, и заполняется бетоном часть первого блока и 1/2 второго блока. В такой последовательности сооружается всё тело опоры. Бетон к месту работы подаётся на транспортном плашкоуте. Все эти работы ведутся с использованием подмостей, которые, с увеличением высоты, наращиваются секциями.
7 стадия.
Смонтировать опалубку для бетонирования ригеля и оголовка опоры. Забетонировать ригель и оголовок опоры. При этом бетон подаётся в бункере с помощью крана РДК-25. Демонтировать шпунтовое ограждение, извлечь колонны ПМК из грунта и буксирами переставить платформы в проектное положение для сооружения следующей опоры.
4.2 . Технология сооружения береговой опоры моста (устоя)
Подготовительные работы.
После разбивочных работ производится устройство рабочей площадки с подъездом. В это время на стройплощадку привозится гусеничный кран РДК-25, грузоподъёмностью 25 т.
1 Стадия.
С помощью крана “ХИТАЧИ” КН-300 с навешенным на его стрелу сваебойным оборудованием произвести погружение сваи. Сваи погружа- ются молотом С-954 с весом ударной части 3,5 т. до проектной отметки.
2 Стадия.
После разбивки осей ростверка, экскаватором ЭО 3322 разрабатывается котлован, не доводя его на 20 см до проектной отметки низа ростверка. Затем грейфером от бурового агрегата КАТО, навешенным на стрелу крана РДК-25 произвести дальнейшую разработку грунта между сваями до проектной отметки с зачисткой вручную. Оставшиеся 20 см разрабатываются вручную, чтобы не разрушить структуру подстилающего слоя. Затем производится распушовка свай и выносов арматуры. После этого вяжется арматурный каркас ж/б монолитного ростверка. Используем арматуру класса AI и AII. Затем устанавливается опалубка, в которую заливается бетон. Бетон укладывается слоями в 0.5 м и уплотняется глубинными вибраторами Н-50. После устройства ростверка и его верхней поверхности, производится контрольная геодезическая разбивка для уточнения осей и контурных очертаний верхней части опор Бетон в ростверк подавать бункером БП-20. Работы выполнять с помощью крана РДК-25.
3 Стадия.
После набора бетоном ростверка проектной прочности краном, РДК-25 установить железобетонные подколонники. Одновременно с установкой подколонников произвести омоноличивание их с ростверком. Бетон омоноличивания подавать бункером БП-20 на гаке крана РДК-25. На рабочую площадку блоки подколонников доставлять автотранспортом. Складирование блоков производить в зоне работы крана РДК-25.
4 Стадия.
Краном РДК-25 установить кондуктор для монтажа стоек опоры. Затем произвести монтаж вертикальных стоек через кондуктор. Положение стоек зафиксировать в кондукторе. Застропить наклонную стойку и установить через кондуктор в проектное положение. Зафиксировать положение стойки в кондукторе и произвести омоноличивание наклонных и вертикальных стоек с подколонником. Бетон омоноличивания подавать бункером БП-20 на гаке крана РДК-25.
5 Стадия.
После набора бетоном омоноличивания наклонных и вертикальных стоек с подколонником проектной прочности, обстроить опору подмостями для безопасной работы по монтажу блоков насадки. Блоки насадки доставлять автотранспортом на рабочую площадку и складировать их в зоне работы крана РДК-25. Необходимо стропить блок насадки на монтаже и выгрузке посредством траверсы. Установку блоков насадки вести краном РДК-25 с 3-х стоянок.
4.3. Бетонные работы
При сооружении опор применяют подводное бетонирование способом ВПТ. При этом способе трубы перемещаются только в вертикальном положении, причём нижнее отверстие должно всегда находиться не менее чем на 0.8 м ниже верхней поверхности уложенной бетонной смеси. При этом с водой соприкасается только верхний слой бетонной смеси. Для подводного бетонирования применимы трубы 300 мм с толщиной стенок 3-5 мм, собираемые из отдельных звеньев, соединяемых на фланцах с водонепроницаемыми прокладками. В верхней части трубы устраивают воронку с бункером до 3 м3 . У основания воронки рекомендуется на специальной площадке устанавливать вибратор, мощностью 1.0-1.5 кВт. Периодическое включение вибратора обеспечивает непрерывное движение бетонной смеси по трубе. Бетон подаётся краном К-4361 в бункере объёмом до 6 м3. Бетонные трубы с воронкой и бункером подвешиваются к башням. Для обеспечения высокого качества подводного бетонирования устанавливают три трубы по поперечной оси фундамента опор, принимая радиус растекания бетона из одной трубы 3-4 м. В период подводного бетонирования и до набора бетоном прочности не менее 5 МПа, водоотлив запрещается. Прочность тампонажного слоя бетона во всех случаях должна обеспечивать восприятие гидростатического давления. Бетонная смесь подводного бетонирования должна быть пластичной консистенции с осадкой конуса 16-20 см. Прочность бетона назначается выше указанной в проекте на 15-20 %. Крупность применяемых заполнителей должна быть не более 40 мм. Откачав воду, удаляют верхний слой бетона (шлак) толщиной примерно 10 см, а затем бетонируют ростверк. Бетонируя ростверк в шпунтовом ограждении, применяют опалубку из деревянных шпунтов, устанавливаемую для нижнего и верхнего уступов. По мере бетонирования, распорки шпунтового ограждения разбирают, заменяя их коротышами, упираемыми в забетонированную часть фундамента. Бетон подают кублом объёмом 3 м3, укладывая слоями 20-25 см, и тщательно уплотняют с помощью глубинных вибраторов типа Н-50. Стаканы бетонируют в инвентарных металлических опалубках. Ригели опор бетонируются в инвентарных опалубках после того, как будет забетонировано тело опоры. Бетонирование буровых столбов производится в тепляках, где применяются химические добавки, ускоряющие твердение бетона, а также применяют бетоны повышенных марок.
5. Расчетная часть
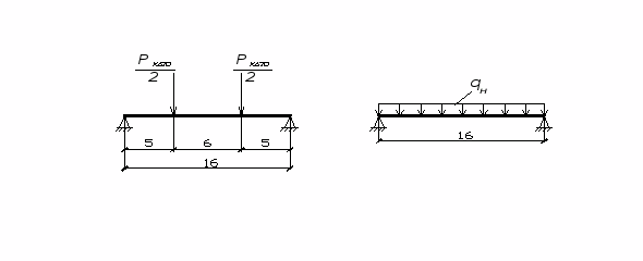
Расчет мостика под буровую машину КАТО-50ТНО-YSIII
Р
исунок
4. схема мостика (состав сечения I
55 -12 шт.)
1. Проверка сечения подпорного мостика
а) определение изгибающих моментов
Р
исунок
5. Расточная схема мостика
P>KATO> = 80 т. (с учетом оборудования)
Р>р> = n R>KATO> 0,9 ,
где 0,9 – коэффициент учитывающий, что одна нить мостика может быть догружена на 90% погрузкой от КАТО;
n = 1,1 – коэффициент перегрузки.
Р>р> = 1,1 80 0,9 = 79,2 = 79 т.
Р>q> = 57,7 т. – масса мостика.
q>н>
=
= 0,955 т/м.
q>л> = q>н> 1,1 = 0,955 1,1 = 1,09 т/м.
Р>пр> =1,1 т – масса противовеса мостика
Находим опорные реакции R>А> и R>В>
R>В
>=
= 643,1
кН.
R>А
>=
= 573,0
кН.
М>А>
= -q>л>
= -1,09
- 5,5
2 = - 3403 кНм
М>В>
= -q>л>
= -1,09
- 5,5
5 = - 505,3 кНм
М>ср>
=
=
518,1 кНм
б
)
Проверка сечения
Рисунок 6. сечение настила.
I>x> = 2 (I>i> + a2 F>i> ) n = 2 (54080 + 27,72 10,6) 3 =812476 см4.
I>x >= n I>xi> = 139247,83 6 = 835487 см4,
где I>xi> - момент инерции одного двутавра I 55;
F – площадь одного двутавра I 55
n – количество двутавров.
W
=
= 30162 см3.
=
1717,7 кН/см2
< R>p>
= 2000 кН/см2.
2. Определение прогиба
f>1
>=
=1,42
мм.

Рисунок 7. Расчетные схемы
f>2>
=
=
0,48 см.
f = f>1> + f>2> = 1,42 + 0,48 = 1,9 см.
f
= 1,9 см
< [ f ] =
l
= 4 см.
Условие выполнено.
5.2. Расчет металлической опалубки

Рисунок 8. Схема опалубки
Стальную обшивку рассчитываем по формуле теории тонких пластин.
При расчёте по прочности толщину обшивки определяем по формуле

где k>2> = 0,708 - коэффициент, зависящий от соотношения сторон панели a/b и способа их опирания;
R = 215 МПа - расчётное сопротивление стали;
b = 0,80 м - меньшая сторона панели обшивки;
Р>1> - боковое давление бетонной смеси с учётом коэффициента перегрузки.
Принимаем способ уплотнения бетонной смеси внутренними вибраторами, при этом эпюра нагрузки от горизонтального давления бетонной смеси имеет вид:

Рисунок 9. Эпюра давления
h = 50см - высота уложенного слоя бетонной смеси;
>0> = 2,5 т/м3 - объёмный вес бетонной смеси;
Р = 2,5·0,5 = 1,25 т/м2;
Р>1> = >f> ·Р = 1,3·1,25 = 1,63 т/м2,
где >f> = 1,3 - коэффициент надёжности для нагрузки от бетонной смеси.

При расчёте по прогибу толщину обшивки считаем по формуле
где f/b = 1/400;
k>1> = 0.00238 - коэффициент, зависящий от соотношения a/b.

Принимаем толщину листа обшивки равной 4мм.
5.3 Расчёт шпунтового ограждения
Расчёт шпунтового ограждения производится в соответствии с ВСН 136-78 с изменениями и дополнениями №1 от 1984г. Минимальная глубина забивки шпунта определяется по формуле

где M>u> - расчётный момент опрокидывающих сил относительно оси возможного поворота;
M>z> - расчётный момент удерживающих сил относительно той же оси;
m - коэффициент условия работы;
>n> - коэффициент надёжности.
В ограждениях с тампонажным слоем бетона глубина забивки шпунта, независимо от результатов расчёта, должна быть не менее 1м.

Рисунок 10. Расчётная схема к расчёту шпунтового ограждения


где PB - давление воды;
P>a> - активное давление грунта;
P>n> - пассивное давление грунта;
h>1> - глубина воды;
h>2> - глубина погружения шпунта.






где - угол внутреннего трения для песка;
>f> - коэффициент надёжности.
Так как М>z> = 12223,48 кНм >М>u> = 5283,3 кНм, то принимаем глубину забивки шпунта равной 4м.
5.3.1 Проверка прочности шпунтовой стенки по нормальным напряжениям.
П
роверку
прочности шпунтовой стенки по нормальным
напряжениям проводится в соответствии
с расчётной схемой показанной на рисунке
5.4.
Рисунок 11. Расчётная схема для проверки прочности шпунта по нормальным напряжениям
Р>в>' = 10·10,95 = 109,5 кН/м

Максимальный момент будет равен

где x - расстояние от точки 1 до точки с максимальным моментом

Р>x> - давление воды в точке с максимальным моментом

Условие прочности имеет вид:

где W = 2200см3 = 2200·10-6 м3 - момент сопротивления шпунта
Ларсен-IV;
R = 210 МПа - расчётное сопротивление стали.

Условие выполняется.
5.4 Подбор крана
К
ран
подбираем исходя из двух параметров:
веса монтажного блока и высоты его
подъема. Вес блока 9 т., высота подъема
10 метров. Исходя из этих условий из
справочника «Строительные краны»
выбираем кран РДК-25.кран оснащается
стреловым оборудованием. Стрелы длинной
13,5 м ;18,5 м; 23,5 м; 28,5 м; 33,5 м.

Рисунок 13. Схема крана
Рисунок 12. Монограмма грузоподъемности.
грузоподъемность
- - - - - - - - подъем крюка
6. Мероприятия по технике безопасности
Порядок производства работ по сборке металлических пролётных строений должен выполняться в строгом соответствии с требованиями настоящих указаний и монтажными схемами. К верхолазным работам (на высоте более 5 м от рабочего настила) допускаются лица не моложе 18 лет и не старше 60 лет, прошедшие специальную медкомиссию. В зону монтажных работ доступ посторонних лиц запрещается. Зоны работ должны быть ограждены и оборудованы хорошо видимыми предупредительными надписями. При работе на высоте, рабочие обязаны иметь и использовать предохранительные пояса, а также сумки для инструментов.
Страховку элементов и конструкций надо производить так, чтобы они подавались к месту установки в положение, максимально близкое к проектному. Монтируемые элементы должны удерживаться от раскачивания оттяжками из прочного каната. При подъёме элементов, установленных в горизонтальное положение, следует применять парные оттяжки, прикреплённые к их обоим концам.
На строительстве следует применять, как правило, инвентарные подмости, изготовленные по типовым проектам, Все работы выполняются в соответствии с требованиями СниПа III-4-80* «Правила техники безопасности и производственной санитарии при сооружении мостов и труб».
7. Охрана труда
Особое место в организации стройплощадки занимает комплекс мероприятий, связанных с защитой окружающей среды от загрязнения. Он включает очистку сточных вод с учётом их повторного использования, применение газо- и пылезащитных установок, использование оборудования с двигателями внутреннего сгорания, состояние которых обеспечивает содержание вредных примесей в выхлопных газах не выше установленных норм. По окончании строительства производится рекультивация отведённой под стройплощадку территории, то есть засыпка траншей и котлованов, завоз растительного грунта, посадка зелёных насаждений. Охраной водной среды является предотвращение сброса в водоём вод, загрязнённых нефтепродуктами. Для этого необходимо выполнять следующие требования:
-мойку машин и их заправку производить только на специально оборудованных площадках;
-хранение масел и других ГСМ производить в специальных ёмкостях;
-применять бетон, не требующий дополнительной промывки;
Список литературы
1) СНиП 2.05.03-84 Мосты и трубы – М.: ЦИТП Госстроя СССР, 1985 – 200 с.
2)Климатический справочник СССР – Л.: Гидрометеорологическое издательство 1968.
3)Строительство мостов и труб: Справочник (Под ред. В. С. Кириллова) – М.: Транспорт, 1975 – 600 с.
4)Коваленко С. И. Опоры мостов – М.: Транспорт, 1996.
5)Колоколов Н. М., Вейнблат Б. М. Строительство мостов – М.: Транспорт, 1984 – 504 с.