Железобетонные конструкции
Железобетонные конструкции
Курсовая работа
Выполнил студент : Осокин Евгений Группа 4016/1
Санкт-Петербургский Государственный Технический Университет
Санкт-Петербург 1997
СОДЕРЖАНИЕ
Техническое задание
1. Компоновка балочного перекрытия и назначение основных размеров элементов
2. Расчет балочной плиты
2.1. Статический расчет балочной плиты
2.2. Определение площади сечения арматуры в плите
3. Расчет главных балок
3.2. Статический расчет главных балок
3.3. Определение площади сечения продольной арматуры
3.4. Подбор поперечной арматуры в главной балке
4. Проектирование колонн и фундаментов ребристого перекрытия
4.1. Основные требования к проектированию колонн
4.2. Расчет колонны
4.3. Проектирование фундамента
4.4. Расчет фундамента
4.5. Армирование фундамента
Литература
Техническое задание
Разработать проект плоского железобетонного ребристого перекрытия по заданному плану перекрываемого помещения. Проект перекрытия составить в двух вариантах: в монолитном и сборном железобетоне.
Состав проекта
По варианту в монолитном железобетоне:
схему балочной клетки,
расчет плиты,
арматурный чертеж плиты.
По варианту в сборном железобетоне:
схему разбивки перекрытия на сборные элементы,
расчет элементов настила и прогона,
арматурный чертеж настила и прогона,
деталь узла сопряжения прогона с колонной.
Исходные данные
Полезная нагрузка Р= 17 кН / м2
Схема перекрываемого помещения

L= 54 м
H= 38 м
1. Компоновка балочного перекрытия и назначение основных размеров элементов

где L=54 м, Н=38 м
lгл=6 м, lвт=5,4 м
Определение толщины плиты
hпл=>lпл / 30 , где lпл= 2 м
hпл=>2 / 30 = 0,066 = 0,07 м = 7 см
Определение параметров главных и второстепенных балок
hгл=(от 1/8 до 1/12) lгл , hвт=(от 1/10 до 1/15) lвт ,
где lгл=6 м где lвт=5,4 м
назначаем hгл=60 см назначаем hвт=50 см
bгл=( от 0,3 до 0,5 ) hгл bвт=( от 0,3 до 0,5 ) hвт
назначаем bгл=30 см назначаем bвт=25 см
Сечение балки

2. Расчет балочной плиты
2.1. Статический расчет балочной плиты
При расчете из перекрытия мысленно вырезается (перпендикулярно второстепенным балкам ) полоса шириной 1м, которая и рассматривается как многопролетная неразрезная балка, несущая постоянную и временную нагрузки.
Постоянная нагрузка в большинстве случаев бывает равномерно распределенной, а временная ( полезная ) может быть распределенной по любому закону или сосредоточенной. В нашем случае примем ее также равномерно распределенной.
Все нагрузки сведем в таблицу № 1.
Таблица № 1.
|
Нагрузка |
gn кН / м2 |
n |
g кН / м2 |
g* кН / м |
|
Вес плиты |
1,68 |
1,1 |
1,85 |
1,85 |
|
Пол |
1,62 |
1,2 |
1,95 |
1,95 |
|
Сумма |
3,8 |
|||
|
Полезная |
17 |
1,2 |
20,4 |
20,4 |
где gn пл=hпл* бетона=0,07*2400=1,68 кН / м2,
тип пола “чистый цементный пол по шлакобетону”
При обычном статическом расчете неразрезных балок предполагается шарнирное опирание их на опоры, не препятствующее повороту опорных сечений. Плита же ребристого перекрытия, будучи монолитно связанной с балками, не может свободно поворачиваться на промежуточных опорах. Это упругое защемление плиты на промежуточных опорах отражается главным образом на изгибающих моментах средних пролетов. Для косвенного учета упругого защемления плиты во второстепенных балках в качестве условной расчетной постоянной и временной нагрузок принимают
q’=g*+p*/2=3,8+20,4 / 2= 14 кН / м
p’=p*/2=20,4 / 2= 10,2 кН / м
Статически неопределимая многопролетная неразрезная сводится к расчету пяти пролетной балки если фактическое число пролетов больше или равно пяти. Таким образом, в плите с пятью и пролетами и более необходимо найти пять значений изгибающих моментов: М1, М2, М3, МВ, МС.
Изгибающие моменты в расчетных сечениях определим из формулы:
М= *q’l2пл + *p’l2пл,
где *- коэф. влияния от действия постоянной нагрузки q’
*- коэф. влияния от действия временной нагрузки p’
Расчеты представлены в таблице № 2.
Таблица № 2.
|
Сечение |
Схема загружения |
* |
*q’l2пл кН / м |
* |
*p’l2пл кН / м |
М=Мq’+Mp’ кН / м |
|
1 |
1 |
0,0779 |
4,3624 |
0,0989 |
4,03512 |
8,39752 |
|
2 |
2 |
0,0329 |
1,8424 |
0,0789 |
3,21912 |
5,06152 |
|
3 |
1 |
0,0461 |
2,5868 |
0,0855 |
3,4884 |
6,0752 |
|
В |
3 |
-0,1053 |
-5,8968 |
-0,1196 |
-4,87968 |
-10,77648 |
|
Вгр |
-7,75148 |
|||||
|
С |
4 |
-0,0799 |
-4,4744 |
-0,1112 |
-4,53696 |
-9,01136 |
|
Сгр |
-5,98636 |
Значения моментов по граням второстепенных балок Вгр и Сгр рассчитываем по формуле:
Мгр = - Мос+( ( q’+ p’ )* lпл* bвт ) / 4
где Мос - значение момента по оси опоры
lпл - пролет плиты
bвт - ширина второстепенной балки
2.2. Определение площади сечения арматуры в плите
Для элементов монолитного ребристого перекрытия принимаем бетон марки М 400 и стержневую арматуру из стали класса А-III. Призменная прочность для бетона марки М 400 R>пр>=17.5 МПа ( табл.1 (1)). Определим расчетное сопротивление арматуры по табл.2(1). Для арматуры класса А-III, R>а>= 340 МПа.
Расчет арматуры сведен в таблицу №3.
Таблица №3
|
Сече-ние |
М кН/м |
h>0 >см |
А>0> |
|
F>а расч> см2 |
Сортамент |
F>а факт> см2 |
% |
|
1 |
2 |
3 |
4 |
5 |
6 |
7 |
8 |
9 |
|
1 |
8,39752 |
6 |
0.139 |
0.925 |
4.45 |
|
4.45 |
0.747 |
|
2 |
5,06152 |
6 |
0.080 |
0.960 |
2.58 |
|
2.69 |
0.448 |
|
3 |
6,07520 |
6 |
0.096 |
0.950 |
3.13 |
|
3.18 |
0.530 |
|
В>гр> |
-7,75148 |
6 |
0.123 |
0.935 |
4.06 |
|
4.02 |
0.670 |
|
С>гр> |
-5,98636 |
6 |
0.095 |
0.950 |
3.08 |
|
3.08 |
0.513 |
Пример расчета первой строки:
Полезную высоту плиты уточним по наибольшему пролетному или моменту по грани опоры. Задавшись процентом армирования %=( от 0.6 до 0.9 )% = 0.8% определим относительную высоту сжатой зоны:

где >R> - граничное значение относительной
высоты сжатой зоны ( табл. 3 прил. III )


Затем по той же таблице найдем соответствующее значение А>0> и подсчитаем полезную высоту плиты:

где b = 100 см

Полная высота плиты h = h>0> + a ( a = 15-20 мм )
Подобранную высоту плиты сохраняем во всех пролетах, предварительно округлив ее до целого сантиметра h>0> = 6 см. Затем определяем параметр А>0>:


и соответствующее ему значение ( табл. 3 прил. III )
=0.925
Площадь арматуры найдем из зависимости:

По сортаменту подбираем количество и диаметр стержней с таким расчетом, чтобы отклонение F>a факт> от F>а> в большую сторону было не более чем на 10%, а в меньшую не превышало 3%. Стержней должно быть не менее пяти.
Фактический процент армирования определяем по формуле:



3.2. Статический расчет главных балок
Статический расчет главных балок монолитных ребристых перекрытий следовало бы выполнить с учетом влияния жесткости колонн, т.е. как ригелей рамной конструкции. Однако вследствии того, что погонные жесткости колонн, как правило, значительно меньше погонных жесткостей главных балок, последние обычно рассчитываются без учета защемления в колоннах.
Нагрузка на главную балку передается от второстепенных балок в виде сосредоточенных сил G и P.
G = G>пол> + G>пл> + G>вт> + G>гл >,
где
G>пол> = l>пл> * gн >пол> * n * l>вт>=
= 2м * 1.62кН/м2 * 1.3 * 5.4м = 22.75 кН = 2275 кг
где n=1.2 - 1.3
gн >пол >- нормативная нагрузка от собственного веса
1 м2 пола ( см. Табл. №1 )
G>пл> = l>пл> * h>пл> * * n * l>вт>=
= 2м * 0.08м * 2400кг/м3 * 1.1 * 5.4м = 2281 кг
где n = 1.1
= 2400кг/м3> >, плотность железобетона
G>вт> = ( h>вт> - h>пл> ) * b>вт> * * n * l>вт> =
= ( 0.5м - 0.08м ) * 0.25м * 2400кг/м3 * 1.1 * 5.4м = 1497 кг
где n = 1.1
= 2400кг/м3> >, плотность железобетона
G>гл> = ( h>гл> - h>пл> ) * b>гл> * * n * l>пл> =
= ( 0.6м - 0.08м ) * 0.3м * 2400кг/м3 * 1.1 * 2м = 824 кг
где n = 1.1
= 2400кг/м3> >, плотность железобетона
G = 2275кг + 2281кг + 1497кг + 824кг = 6877 кг
Расчетную полезную нагрузку Р определим из зависимости
Р = p>н> * n * l>пл> * l>вт>= 17кН/м2 * 1.2 * 2м * 5.4м = 220.32 кН = 22032 кг
где n = 1.2
pн - нормативная полезная нагрузка, действующая на
1м2 перекрытия ( см. Табл. №1 )
Для построения огибающих эпюр М и Q достаточно определить их значения в точках приложения грузов и над опорами. Подсчет значений ординат огибающих эпюр М и Q произведем в табличной форме.
Таблица № 4.
|
Сече |
Х l |
Влияние q |
Влияние p |
Расчетные моменты |
|||||
|
ни |
* |
Mq |
*>max> |
*>min> |
M>p max> |
M>p min> |
M> max> |
M> min> |
|
|
А |
0.00 |
0.000 |
0.000 |
0.000 |
0.000 |
0.000 |
0.000 |
0.000 |
0.000 |
|
1.1 |
0.33 |
0.240 |
9903 |
0.287 |
-0.047 |
37940 |
-6213 |
47843 |
3690 |
|
1.2 |
0.66 |
0.146 |
6024 |
0.240 |
-0.094 |
31726 |
-12426 |
37750 |
-6402 |
|
В |
1.00 |
-0.281 |
-11594 |
0.038 |
-0.319 |
5023 |
-42169 |
-6571 |
-53763 |
|
2.1 |
1.33 |
0.076 |
3136 |
0.205 |
-0.129 |
27100 |
-17052 |
30236 |
-13916 |
|
2.2 |
1.66 |
0.099 |
4085 |
0.216 |
-0.117 |
28554 |
-15466 |
32639 |
-11381 |
|
С |
2.00 |
-0.211 |
-8706 |
0.086 |
-0.297 |
11389 |
-39261 |
2683 |
-47967 |
|
3.1 |
2.33 |
0.123 |
5075 |
0.228 |
-0.105 |
30140 |
-13880 |
35215 |
-8805 |
|
3.2 |
2.66 |
0.123 |
5075 |
0.228 |
-0.105 |
30140 |
-13880 |
35215 |
-8805 |
Таблица № 5.
|
Сече |
Х l |
Влияние q |
Влияние p |
Расчетные поперечн. силы |
|||||
|
ни |
* |
|
*>max> |
*>min> |
Q>p max> |
Q>p min> |
Q> max> |
Q> min> |
|
|
А |
0 |
0.719 |
4945 |
0.860 |
-0.140 |
18948 |
-3084 |
23893 |
1861 |
|
B |
1 |
-1.281 |
-8810 |
0.038 |
-1.319 |
837 |
-29060 |
-7973 |
-37870 |
|
B |
1 |
1.070 |
7358 |
1.262 |
-0.191 |
27805 |
-4208 |
35163 |
3150 |
|
C |
2 |
-0.930 |
-6396 |
0.274 |
-1.204 |
6037 |
-26527 |
-359 |
-32923 |
|
C |
2 |
1.000 |
6877 |
1.242 |
-0.242 |
27364 |
-5332 |
34241 |
1545 |
Расчетными моментами в пролетах считаются максимальные положительные моменты, а на опорах - моменты у граней колонн, определяемые по формуле :
М>гр> = -М>ос> + !Q! * b>к >/2 ,
где b>к> - ширина колонны,
!Q!
- наименьшая по модулю поперечная
сила справа или слева от опоры
3.3. Определение площади сечения продольной арматуры
Полезную высоту балки определяем по формуле :

где М - наибольший расчетный пролетный или изгибающий
момент по грани опоры,
b - ширина ребра балки,

где - процент армирования ( 1,5%- 2%)

По полученному значению определим А>0> ( табл. 3 прил III ). А>0> = 0.314
см
Полученную высоту округляем до 5 см в большую сторону.
Принимаю высоту h = 60 см, h>0> = 57 см.
Уточнив геометрические размеры сечения балки, приступим к определению площади сечения продольной арматуры. На участках отрицательных изгибающих моментов ( у опор ), где плита попадает в растянутую зону, площадь арматуры определяют как в прямоугольном сечении ( см. п. 2.2. )
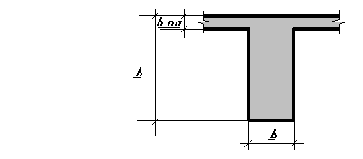
На участках же положительных моментов ( в пролетах ), где плита попадает в сжатую зону, площадь арматуры определяется так же, как в балках таврового сечения. Прежде всего выбирается расчетная ширина полки ( если h>пл>/h>гл> =>0.1 то b’<=l>пл> ).
h>пл>/h>гл> = 8 / 57 = 0.133 > 0.1
Следовательно принимаю b’= 200 см. Теперь установим положение нейтралиной оси. Если М>полки> => М то нейтральная ось проходит в полке и, следовательно, сечение расчитывается как прямоугольное с шириной равной b>п>’ ( см. п. 2.2. )
М>полки>=b’*h’*Rb*( h>0>-h>пл>/2 ) = 200*8*1750*( 57 - 4 ) = 1.456*108 Н/см
145600 кг / м > 52567 кг / м
М>полки> > М
Расчет продольной арматуры выполняю в табличной форме.
Таблица № 6.
|
Сече-ние |
М кН/м |
h>0 >см |
А>0> |
|
F>а расч >см2 |
Сортамент |
F>а факт> см2 |
% |
|
1 |
2 |
3 |
4 |
5 |
6 |
7 |
8 |
9 |
|
1 |
0 |
57 |
0 |
0 |
0 |
0 |
0 |
0 |
|
2 Т |
478.43 |
57 |
0.051 |
0.973 |
25.73 |
|
9.42 +18.47 27.89 |
1.63 |
|
3 4 |
525.67 |
57 |
0.308 |
0.810 |
33.49 |
|
9.42 +22.81 32.23 |
1.88 |
|
5 Т |
326.39 |
57 |
0.029 |
0.985 |
17.07 |
|
18.85 |
1.10 |
|
6 7 |
479.13 |
57 |
0.280 |
0.830 |
29.78 |
|
9.42 +22.81 32.23 |
1.88 |
|
8 Т |
352.15 |
57 |
0.031 |
0.987 |
18.41 |
|
9.42 +11.4 20.82 |
1.21 |
|
9 |
479.13 |
57 |
0.280 |
0.830 |
29.78 |
|
9.42 +22.81 32.23 |
1.88 |
Расчет выполняется аналогично расчёту площади сечения арматуры в плите ( см. п. 2.2. ).
3.4. Подбор поперечной арматуры в главной балке.
Главная балка армируется пространственными сварными каркасами выполненными из плоских каркасов. Для удобства армирования число плоских каркасов во всех пролетах главной балки должно быть одинаковым. Диаметр поперечной арматуры равен:
d>sw> = ( 1/3 - 1/4 ).d>s>= 8 мм
Максимальный шаг хомутов расчитывается по формуле:
затем в соответствии с нормами назначается действительный шаг хомутов. Так для первого пролета Q>max>=379 кН ; U>max>=74 см , но в соответствии с нормами на опорном участке шаг хомутов 0.5>U<h/3
при h>450, поэтому принимаю (L>оп>=2м) U>1 >= 200 мм ;
в середине пролета 0.5>U<3h/4 , принимаю U>2> = 450 мм.
Для остальных пролетов принимаем такие же значения для шагов хомутов U>1> = 200 мм для L>оп>=2м и U>2>=500 мм
Выполним проверку
Где n - число срезов хомута
b - ширина ребра балки
fx - площадь одной ветви хомута
Rax - расчетное сопротивление хомута
Rвт - расчетное сопротивление бетона на разрыв


6115 > 1800
условие выполнено!!!
4. Проектирование колонн и фундаментов ребристиго перекрытия.
4.1. Основные конструктивные требования к проектированию колонн.
Колонны предназначены для поддержания железобетонного перекрытия. Будучи жестко связанными с главными балками, они фактически представляют собой стойки рамной конструкции. Поэтому в них в общем случае возникают сжимающие усилия, изгибающие моменты и поперечные силы. Однако при пролетах, незначительно отличающихся друг от друга, средние колонны ребристого перекрытия, как правило, испытывают незначительный изгиб и их практически можно считать центрально сжатыми.
Армирование железобетонной колонны осуществляется стержневой продольной арматурой и хомутами.
Поперечное сечение центрально сжатых колонн обычно имеет форму квадрата. Размеры сечений колонн следует принимать кратными 5 см. Минимальные размеры поперечного сечения колонн из монолитного железобетона 300 X 300 мм.
4.2. Расчет колонны.
Грузовая площадь для одной колонны равна

F>гр пл> = l>гл> + l>вт> = 6 * 5.4 = 32.4 м
Усилие действующее на колонну от собственного веса перекрытия:
G = g>св> * F>гр пл> = 3.8 кН/м2 * 32.4 м2 = 123.12 кН
Нагрузка от собственного веса колонны:
G>свк> = b>к>2 * h>к> * 3H>к> * >б> * n = 0.352 * 3 * 4 * 24 = 35.28 кН
Нагрузка от веса главной балки:
G>гл> = ( 0.6 - 0.08 ) * 0.3 * 24 * 6 * 1.1 = 24.7 кН
Нагрузка от веса второстепенных балок:
3G>вт> = (( 0.5 - 0.08 ) * 0.25 * 24 * 5.4 * 1.1) * 3 = 45 кН
Суммарная нагрузка:
Gкол = Gпол + Gгл + 3Gвт = 123.12 + 24.7 + 45 = 193 кН
Сжимающая сила N действующая на колонну в сечении 1-1:
N>1-1> = 3G>кол> + G>св к> + 2P = 3*193+ 35.28 + 2*661 = 1936.3 кН
где Р = р * F>гр пл> = 20.4 * 32.4 = 660.96 кН
При заданном сечении колонны площадь арматуры определяется по формуле :

здесь m=1 ( т.к. b>к> > 20 см )
- коэф.продольного изгиба, определяется из формулы
>б> + 2(>ж>>б>)R>s>A>s>/R>б>A>б> =
= 0.91 + 2( 0.92 - 0.91 ) * 34000 * 15.2/1350*1225 = 0.91625
>ж>>б> = 0.91 ( табл. 6 [1] )
зададимся диаметром и числом старжней арматуры 422, тогда А>s> = 15.2 см2.

Принимаем для колонны 422 с сечением 15.2 см2.
Для объединения продольной арматуры в общий каркас и придания ему жесткости, а так-же для предотвращения выпучивания стержней арматуры вследствии их продольного изгиба, колонна армируется сварными каркасами. Расстояние между хомутами принимаю L=0.4 м, диаметр арматуры для хомутов d>св>= 8 мм.
При изготовлении колонн, продольные стержни у основания колонн стыкуются с выпусками из фундамента, а вверху - со стержнями колонн вышележащего этажа.
4.3. Проектирование фундамента.
Фундамент здания состоит из отдельных монолитных железобетонных фундаментов ступенчатой формы ( рис. 19 [1] ).
Высота каждой ступени и общая высота фундамента принимаются кратными 150 мм. Размеры ступеней ( за исключением нижней ) назначаются так, чтобы входящие углы уступов располагались на плоскости, проведенной под углом 45’ от основания колонны. Глубина заложения фундаментов Нз = 1.2 - 1.5 м диктуется глубиной промерзания.
В производственных зданиях глубина заложения фундаментов часто определяется отметкой основания оборудования.
4.4. Расчет фундамента.
Площадь подошвы фундамента:

где n>ср>=1.15 - усредненный коэффициент перегрузки,
R>гр>=300 кН/м2 - расчетное сопротивление грунта,
>ср>=20 кН/м2 - усредненная плотность фундамента и грунта,
Н>з> - глубина заложения фундамента.
Ширина фундамента равна:
а>ф> = b>ф> = F>ф>1/2 = 2.5 м
Высоту фундамента определяю по формуле:

принимаю высоту H>ф>=75 см
Проверяю условие:
Р <= k * R>p> * H>0ф> * р>ср> ,
где Р = N - F>осн> *>гр> , где >гр >= N / F>ф> = 1936,3 / 6.23 = 310.8 кН / м2
Fосн=(h>к >- 2Н>оф>)*(h>к >- 2Н>оф>) = 3 м
Р = 1936.3 - 3 * 310.8 = 1005 кН
р>ср>= 2(0.75+0.35+0.69)= 3.7 м
1005 < 1 * 106 * 0.69 * 3.7 = 25.5 кН
проверка выполнена!
Минимальную рабочую высоту первой ступени фундамента определяю по формуле:

принимаю h>01 >= 0.4 м и h>02>=0.35 м.
4.5. Армирование фундамента.
Площадь сечения рабочей арматуры определяется из расчета на изгиб консольных выступов фундамента в сечениях I-I (у грани колонны)
и II-II ( у грани второго уступа ) .
Моменты в этих сечениях определяю по формулам :

Сечение арматуры нахожу по формуле:

Принамаю в обоих направлениях арматуру 1414 ( F>факт>=21.55 см2 )
Стержни ставятся с шагом 17 см.
Список литературы
1. Кононов Ю.И. Монолитное железобетонное ребристое перекрытие с балочными плитами. Методические указания к курсовому проекту по курсу “Железобетонные конструкции”
2. Курс лекций по предмету “Железобетонные конструкции” под руководством Кононова Ю.И.