Проектирование привода к цепному конвейеру
Проектирование привода к цепному конвейеру
Расчётно-графическая работа по механике
Выполнила: ст-ка гр. ЭТТ-32 Макеева Е.А.
Саратовский государственный технический университет
Саратов 2006
ЗАДАНИЕ №6 ВАРИАНТ №4
Дано: P3=8,5 кВт, W3=1,4*π об/мин, Lh=5 лет.

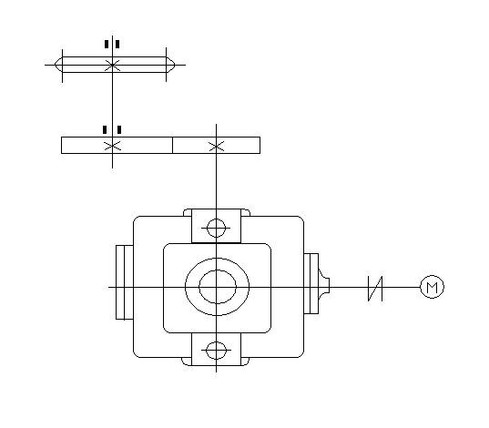
I. Кинематический расчет привода.
Выбор электродвигателя.
Двигатель является одним из основных элементов машинного агрегата. От типа двигателя, его мощности, частоты вращения и прочего зависят конструктивные и эксплуатационные характеристики рабочей машины и ее привода.
1.1 Требуемая мощность рабочей машины:
Ррм=8,5 кВт.
Мощность двигателя зависит от требуемой мощности рабочей машины, а его частота вращения — от частоты вращения приводного вала рабочей машины.
Общий коэффициент полезного действия (КПД) привода:

где ηз.п – закрытой передачи (ηз.п=0,75…0,85=0,8);
η о.п – открытой передачи (нет);
ηм. – муфты (ηм.≈0,98);
ηп.к. – подшипник качения (ηп.к.=0,99…0,995=0,993);
ηпод.с. – подшипник скольжения (ηпод.с.=0,98…0,99=0,985).
η=0,8*0,98*0,993*0,985=0,767,
Требуемая мощность двигателя, кВт:
Pдв=
Pдв=
кВт.
Номинальная мощность двигателя Рном, кВт:
Значение номинальной мощности выбираем из стандартной таблицы по величине большей, но ближайшей к требуемой мощности Pдв ≤ Рном
Рном=13 кВт
1.5 Выбираем тип двигателя в соответствии с асинхронной частотой вращения: АО2-62-6 – частота вращения 870 об/мин.
2. Определение общего передаточного числа привода и разбивка по ступеням.
Передаточное число привода и определяется отношением номинальной частоты вращения двигателя nном к частоте вращения приводного вала рабочей машины nр.м. при номинальной нагрузке и равно произведению передаточных чисел закрытой uз.п. и открытой uо.п передач:
U=
,
2.1 Частота вращения приводного вала рабочей машины
W=
об/мин,
2.2 Требуемая частота вращения вала электродвигателя nтреб ,об/мин:
nтреб= nвых* uцеп.п.* uзуб.п .* uчерв.п
nтреб=42*(2…4)*(10… 31,5)
nтреб max=5292 об/мин
nтреб min=840 об/мин
Таким образом, выбираем двигатель АО2-62-6 с частотой вращения
n = 870 об/мин
2.3 Общее передаточное число привода:
uпр=
,
uпр=
2.4 Передаточное число редуктора uред
Uчерв.=8 – из ряда стандартных чисел.

3.Определение основных параметров привода по валам.
3.1 Распределение мощностей по валам P, кВт:
Pдв.ст=P1=13 кВт,
P2=P1 * ηм.* ηпод.к =13*0,993*0,98=12,6 кВт
P3= P2 * ηз.п.* ηпод.к =12,6*0,8*0,993=10,04 кВт
Распределение частот вращения по валам n, об/мин:
nдв= n1=870 об/мин
n2=
об/мин
n3=
об/мин
3.3 Распределение угловой скорости W, 1/с:
W1=
1/с
W2=
1/с
W3=
1/с
3.4.Распределение вращающих моментов Т, н*м:



3.5. Выбор муфты.
T=Tн*k, k=1.2…1.5 – коэффициент режима.
Муфты подбирают по диаметру валов.
T=T1*1.3=142,76*1.3=185,58 H*м.
II. Расчет тихоходной закрытой передачи.
1. Выбор материала червяка и червячного колеса.
Материал-БрА10Ж4H4 σв=700 н/мм2, σт=460 н/мм2.Способ отливки - центробежный.
Для нашей передачи с целью повышения КПД принимают закалку ТВЧ
До твердости Н 245 HRC3, шлифование и полирование витков червяка. Сталь 40Х терообработка – улучшение + ТВЧ. Dпред=125 мм. Sпред=80 мм.
1.1Ожидаемая скорость скольжения VS, м/с:
VS=
м/с.
T2 – вращающий момент на валу червячного колеса, T2 =1107,2 н*м;
W2 – угловая скорость тихоходного вала, W2=11,38 рад/с;
Uч.п. – передаточное число, Uч.п=8.
VS=
м/с
2. Определение допускаемых напряжений.
2.1 Определение допускаемых контактных напряжений [σ]н, Н/мм2:
[σ]н= 300-25 VS, [σ]н= 300-25*4,076=198,1 Н/мм2;
2.2 Определение допускаемых изгибных напряжений[σ]F ,Н/мм2 :
[σ]F= KFL*(0,08* σв+0,25* σт) ,
где KFL- коэффициент долговечности,
,
где N-число циклов нагружения зубьев червячного колеса за весь срок службы- наработка. N=573*W2*Lh,
Lh-срок службы привода (ресурс),ч
W2 – угловая скорость тихоходного вала, W2=11,38 рад/с;
Lh=t*kг*365*24*kсут,
Lh=5*0,8*365*24*0,32=11212,8 часов.
N=573*11,38*11212,8=73115753,47.
KFL =
.
[σ]F=0,62*(0,08*700+0,25*460)=106,02 Н/мм2
3. Определение межосевого расстояния передачи аw , мм:

мм.
Подученное значение межосевого расстояния aw для нестандартной передачи округляем до ближайшего нормального линейного размера (ГОСТ 66.36-69).Принимаем аw=200 мм.
4. Подбор основных параметров передачи.
Число витков червяка z1:
z1=4, т.к. z1 зависит от передаточного числа редуктора изп=8 .
Число зубьев червячного колеса: z2= z1*uчерв..
z2=4*8=32.
Модуль зацепления m, мм:
,
где аw- межосевое расстояние, аw=200 мм.
z2 - число зубьев червячного колеса, z2=32
мм,
Принимаем m=10 мм. (ГОСТ 66.36-69).
Коэффициент диаметра червяка из условия жесткости q:
q≈(0,212…0,25)*z2,
z2 - число зубьев червячного колеса, z2=32
q≈0,24*32=7,68,
Принимаем q=8. (ГОСТ 66.36-69)
Коэффициент смещения инструмента x:

аw- межосевое расстояние, аw=200 мм;
m - модуль зацепления, m=10 мм;
q - коэффициент диаметра червяка, q=8;
z2 - число зубьев червячного колеса, z2=32.

По условию неподрезания и незаострения зубьев колеса значение х допускается до — 1 <х <+ 1 .
4.6 Определить фактическое передаточное число Uф и проверить его отклонение ∆U от заданного U:
,
.

4.7 Фактическое значение межосевого расстояния aw, мм:
aw=0,5*m*(q+z2+2*x),
aw=0,5*10*(8+32+2*0)=200 мм.
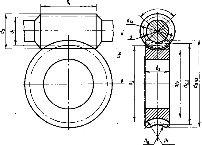
5. Основные геометрические размеры передачи, мм.

При корригировании исполнительные размеры червяка не изменяются; у червячного колеса делительный d2 и начальный dw2 диаметры совпадают, но изменяются диаметры вершин da2 и впадин df2.
Основные размеры червяка:
делительный диаметр d1=q*m:
d1=8*10=80 мм, начальный диаметр dw1=m*(q+2*x):
dw1=10*(8+2*0)=80 мм, диаметр вершин витков dа1 =d1+2* m:
dа1=80+2*10=100 мм,
диаметр впадин витков d f1=d1—2,4*m:
d f1=80-2,4*10=56 мм,
делительный угол подъема линии витков
:
,
длина нарезаемой части червяка b1=(10+5,5*│x│+z1)*m+ С, где
х -коэффициент смещения При х=0 С= 0,
z1 - число витков червяка z1=4;
m - модуль зацепления, m=10 мм;
b1=(10+5,5*0+4)*10+0=140 мм,
Подученное значение округляем до ближайшего нормального линейного размера (ГОСТ 66.36-69). Принимаем b1=145 мм.
Основные размеры венца червячного колеса:
делительный диаметр d2 = dw2= m*z2
d2=10*32=320 мм,
диаметр вершин зубьев da2 = d2+ 2*m(1 + х):
da2=320+2*10*(1+0)=340 мм,
наибольший диаметр колеса daм2 ≤ da2+6*m/(z1+2):
daм2≤340+6*10/(4+2)≤350 мм,
диаметр впадин зубьев df2 = d2 - 2*m(1,2 — х):
df2=320-2*10*(1,2-0)=296 мм,
ширина венца при z1 = 4 bг = 0,315* aw:
bг=0,315*200=63 мм.
По ГОСТу 66.36-69 принимаем bг=63 мм,
радиусы закруглений зубьев Rа= 0,5*d1 - т; Rf= 0,5*d1 + 1,2т:
Rа=0,5*80-10=30 мм,
Rf=0,5*80+1,2*10=52 мм,
условный угол обхвата червяка венцом колеса 2δ:
sinδ=
sinδ=
.
Угол 2δ определяется точками пересечения дуги окружности диаметром
d'= dal - 0,5*т с контуром венца колеса и может быть принят равным 90... 120°
d'=100-0,5*10=95 мм.
6. Проверочный расчет.
6.1 Коэффициент полезного действия передачи:
η=
где γ - делительный угол подъема витков червяка; φ – угол трения. Определяется в зависимости от фактической скорости скольжения
vs=
где Uф – фактическое передаточное число, Uф=8
w2 – угловаяскорость соответствующего вала, w2=11,38рад/с
d1 – делительный диаметр, d1=80 мм
γ – делительный угол подъёма линии витков, γ=21,8°.
vs=
м/с→ φ=1º29´
η=
.
6.2 Контактные напряжения зубьев колеса σн, Н/мм2:
,
где
— окружная сила на колесе, Н:
Н,
k— коэффициент нагрузки. Принимается в зависимости от окружной скорости колеса
vs=
м/с
vs=
м/с
При vs<3 м/с, то К=1.
- допускаемое контактное напряжение
зубьев колеса,
=214,87
Н/мм2
Н/мм2
176,77≤214,87
Получили недогрузку материала (σн≤[σ]н), а эта разница не превышает 15%, т.е. условие прочности выполняется.
6.3 Напряжение изгиба зубьев колеса σF, Н/мм2
,
где k— коэффициент нагрузки, k=1;
m – модуль зацепления, m=8 мм;
b2 – ширина венца, b2=50.4 мм;
Ft2 – окружная сила на колесе, Ft2=6920 H;
YF2 — коэффициент формы зуба .Определяется
интерполированием в зависимости от
эквивалентного числа зубьев колеса
zv2=
zv2=
,
где γ – делительный
угол подъёма линии витков червяка, т.к.
zv2=41,02 → YF2=1,403
- допускаемое напряжение изгиба зубьев
колеса,
=106,02
Н/мм2
Н/мм2,
11,37≤106,02.
При проверочном расчете
,
т.к. нагрузочная способность червячных
передач ограничивается контактной
прочностью зубьев червячного колеса.
Таблица 1
|
Проектный расчет |
|||
|
Параметр |
Значение |
Параметр |
Значение |
|
Межосевое расстояние aw |
200 |
Ширина зубчатого венца колеса b2 |
63 |
|
Модуль зацепления m |
10 |
Длина нарезаемой части червяка b1 |
140 |
|
Коэффициент диаметра червяка q |
8 |
Диаметры червяка: делительный d1 начальный dw1 вершин витков da1 впадин витков df1 |
80 80 100 56 |
|
Делительный угол витков червяка γ, град |
21,8 |
||
|
Угол обхвата червяка венцом колеса 2γ, град |
83,05 |
Диаметры колеса: Делительный d2=dw2 вершин зубьев da2 впадин зубьев df2 наибольший dам2 |
320 340 296 350 |
|
Число витков колеса z1 |
4 |
||
|
Число зубьев колеса z2 |
32 |
III. Расчет валов редуктора.
Редукторные валы испытывают два вида деформации — изгиб и кручение. Деформация кручения на валах возникает под действием вращающих моментов, приложенных со стороны двигателя и рабочей машины. Деформация изгиба валов вызывается силами в зубчатом (червячном) зацеплении закрытой передачи и консольными силами со стороны открытых передач и муфт. Основными критериями работоспособности проектируемых редукторных валов являются прочность и выносливость. Они испытывают сложную деформацию — совместное действие кручения, изгиба и растяжения (сжатия). Но так как напряжения в валах от растяжения небольшие в сравнении с напряжениями от кручения и изгиба, то их обычно не учитывают.
Расчет редукторных валов производится в два этапа: 1-й – проектный (приближенный) расчет валов на чистое кручение , 2-й — проверочный (уточненный) расчет валов на прочность по напряжениям изгиба и кручения.
1. Определение сил в зацеплении закрытых передач.
В проектируемых приводах конструируются червячные редукторы с углом профиля в осевом сечении червяка 2а = 40° .Угол зацепления принят α= 20°.
а) на колесе:
1.1 Окружная сила Ft2, Н:
Ft2=
где T2 – вращающий момент на валу червячного колеса, T2 =1142.35 н*м;
d2 – делительный диаметр колеса, d2=320 мм.
Ft2=
Н
1.2 Радиальная сила Fr2, Н:
Fr2= Ft2*tgα, где Ft2 - окружная сила, Ft2=6920 H,
Fr2=6920*0,25=1730 Н,
1.3. Осевая сила Fa2, Н:
Fa2= Ft1=
где d1 – делительный диаметр червяка,
d1=80 мм;
T1 – вращающий момент червяка, T1=142,76 н*м.
Fa2=
Н.
б) на червяке:
Окружная сила Ft1, Н:
Ft1=Fа2=3569 Н;
Радиальная сила Fr1, Н:
Fr1=Fr2=1730 Н;
Осевая сила Fa1, Н:
Fа1=Ft2=6920 Н.
Выбор материалов валов.
Сталь СТ40Х
σн=900 Н/мм2,
σт=750 Н/мм2,
σ-1=410 Н/мм2.
Термообработка улучшение.
3. Выбор допускаемых напряжений на кручение.
Проектный расчет валов выполняется по напряжениям кручения (как при чистом кручении), т. е. при этом не учитывают напряжения изгиба, концентрации напряжений и переменность напряжений во времени (циклы напряжений). Поэтому для компенсации приближенности этого метода расчета допускаемые напряжения на кручение применяют заниженными: [τ]к=40 Н/мм2— для тихоходных валов.
4.Предварительный выбор подшипников.

Определяем тип, серию и схему установки подшипников:
Для тихоходного вала червячной передачи подбираем роликовые конические подшипники типа 7312. Серия – средняя. Угол контакта α=12º.
Выбираем типоразмер подшипников по величине диаметра d2 внутреннего кольца, равного диаметру второй d2 и четвертой d4 ступеней вала под подшипники.
Основные параметры подшипников: геометрические размеры — d=60 мм, D=130 мм, Т=33,5 мм, b=31 мм,c=27 мм, r=3,0 мм, r1=1,2 мм динамическую Сr=80 кН и статическую С0г=62 кН грузоподъемности. Здесь D — диаметр, наружного кольца подшипника; Т— осевой размер роликоподшипников. Факторы нагрузки е=0,30; Y=1,97; Yo=1,08.
5. Определение геометрических параметров ступеней валов.
Редукторный вал представляет собой ступенчатое цилиндрическое тело, количество и размеры ступеней которого зависят от количества и размеров установленных на вал деталей.
Проектный расчет ставит целью определить ориентировочно геометрические размеры каждой ступени вала: ее диаметр d длину l.
5.1 Под элемент открытой передачи:
,
где Мк=Т2=крутящий момент, равный вращающемуся моменту на валу, Т2=1107,2 Н*м.
[τ]к - допускаемые напряжения на кручение, [τ]к=20 Н/мм2
мм,
По ГОСТу 66.36-69 принимаем d1=52 мм.
l1=(1…1,5)* d1=1,1*52=57,2 мм,
По ГОСТу 66.36-69 принимаем l1=58 мм.
5.2 Под уплотнения крышки с отверстием и подшипник:
d2 =d1+2*t,
где t — значение высоты буртика определяется в зависимости от диаметра d1.
Если d1=52 мм, то значение t=3
d2=52+2*3=58 мм.
По ГОСТу 66.36-69 принимаем d2=60 мм.
l2≈1,25* d2,
l2≈1,25*60=75 мм.
По ГОСТу 66.36-69 принимаем l2=78 мм.
Под колесо:
d3 =d2+3,2*r,
где r — координаты фаски подшипника определяются в зависимости от диаметра d1.
Если d1=52 мм, то значение r=3
d3=60+3,2*3=69,6 мм.
По ГОСТу 66.36-69 принимаем d3=70 мм.
l3 определяется графически на эскизной компоновке.
l3=lст+(18…20)=78+20=98мм.
5.4 Под подшипник:
d4 =d2=60мм,
Обозначение 7312 – средняя серия d=60мм → T=34,0мм и c=27 мм.
l4=Т+с,
l4=34+27=61 мм.
6. Расчетная схема валов редуктора.
Если D=130 мм, то выбираем крышку (ГОСТ 18512-73) →H=23 мм.



6.1 Реакции опоры в вертикальной плоскости :
∑МА=0

∑МВ=0

Проверка:

6.2 Реакции опоры в горизонтальной плоскости:
∑МА=0.

∑МВ=0

Проверка:

6.3 Изгибающие моменты в горизонтальной плоскости:
МА=МВ=0,
М1= Ry1*x1, 0<x1<l1→0<x1<68,75
Mx1=0=0;
Mx1=l1=52,7*68,75=-3623,125 кН*мм.


6.4 Изгибающие моменты в вертикальной плоскости:
МА=МВ=0,

6.5 Радиальные нагрузки в подшипниках:
,

,

6.6 Суммарные радиальные нагрузки:

кН*мм,
кН*мм.
кН*мм.
7. Эпюры изгибающих и крутящих моментов.
8. Проверочный
расчет валов.
8.1Намечаем опасные сечения вала.
Опасное сечение вала определяется наличием источника концентрации напряжений при суммарном изгибающем моменте Мсум: одно—на 3-й ступени под колесом; второе— на 2-й ступени под подшипником опоры, смежной с консольной нагрузкой .
8.2. Определяем источники концентрации напряжений в опасных сечениях.
а) Опасное сечение 2-й ступени тихоходных валов определяют два концентратора напряжений — посадка подшипника с натягом и ступенчатый переход галтелью r между 2-й и 3-й ступенью с буртиком t= (d3 — d2)/2 :
t= (70-60)/2=5.
б) Концентрацию напряжений на 3-й ступени для тихоходных валов определяют— посадка колеса с натягом и шпоночный паз.
8.3 Определяем напряжения в опасных сечениях вала, Н/мм2.
а) Нормальные напряжения изменяются по симметричному циклу, при котором амплитуда напряжений σа равна расчетным напряжениям изгиба σи:
,
где М=997924,94 Н*м — суммарный изгибающий момент в рассматриваемом сечении,
— осевой момент сопротивления сечения
вала, мм3.
мм3,
Н/мм2
б) Касательные напряжения изменяются по отнулевому циклу, при котором амплитуда цикла τа равна половине расчетных напряжений кручения τк:
,
где Мк=T2 =1107.2 Н*м — крутящий момент, ,
— полярный момент инерции сопротивления
сечения вала, мм3.
мм3,
Н/мм2.
8.4 Определяем коэффициент концентрации нормальных и касательных напряжений для расчетного сечения вала, с поверхностным упрочнением:
,

где Кσ=1,7 и Кτ=2 — эффективные коэффициенты концентрации напряжений. Они зависят от размеров сечения, механических характеристик материала и выбираются.
Kd=0,67— коэффициент влияния абсолютных размеров поперечного сечения;
Kf=1,0— коэффициент влияния шероховатости.
Ky=2.1
,
.
8.5 Определяем пределы выносливости в расчетном сечении вала, Н/мм2:
(σ-1)D =σ-1/(Кσ)D,
(τ-1)D =τ-1/(Кτ)D,
где σ-1 =410 Н/мм2и τ-1≈0,58* σ-1=237,8 Н/мм2 — пределы выносливости гладких образцов при симметричном цикле изгиба и кручения,
(σ-1)D =410/1,19=344,5 Н/мм2,
(τ-1)D =237,8/1,4=169,8 Н/мм2.
8.6 Определяем коэффициенты запаса прочности по нормальным и касательным напряжениям:


8.7 Определяем общий коэффициент запаса прочности в опасном сечении:
≥[S],
где [S] допускаемый коэффициент запаса прочности. [S]=1,6…2,1.
IV ПРОВЕРОЧНЫЙ РАСЧЕТ ПОДШИПНИКОВ.
Проверить пригодность подшипника 27312 тихоходного вала червячного редуктора.
Подшипники установлены по схеме в распор:
0100090000037400000002001c00000000000400000003010800050000000b0200000000050000000c023402d604040000002e0118001c000000fb02ceff0000000000009001000000cc0440001254696d6573204e657720526f6d616e0000000000000000000000000000000000040000002d0100000400000002010100050000000902000000020d000000320a2d0000000100040000000000d604330220c116001c000000fb021000070000000000bc02000000cc0102022253797374656d0000000000000000000018000000010000000045df04e3040000040000002d010100030000000000
а) Определяем составляющие радиальных реакций:
Н
Н,
где e –коэффициент влияния осевого нагружения, e=0.3;
R1, R2 – реакции в подшипниках,

Rs – осевая составляющая радиальной нагрузки подшипника.
б) Составляем осевые нагрузки подшипников,
так как
Н,
Н,
где Fа – осевая сила в зацеплении, Fа=3569Н,
Rа – осевая нагрузка подшипника, Н.
в)Определяем соотношения:
;
,
где V – коэффициент вращения, V=1 – при
вращающемся внутреннем кольце подшипника.
г) По соотношениям:
и
выбираем соответствующие формулы для
определения RE:
Н
Н,
где Kσ – коэффициент безопасности, Kσ=1;
KT – температурный коэффициент, KT=1,0;
X – коэффициент радиальной нагрузки, X=0,4;
Y – коэффициент осевой нагрузки, Y=1.97.
д) Определяем динамическую грузоподъёмность по большему значению эквивалентной нагрузки:
Н<Cr
Cr=80 кН;
RE – эквивалентная динамическая нагрузка, RE2=9893,7Н;
m – показатель степени, m=3.33 – для роликовых подшипников;
а1 – коэффициент надёжности, а1=1;
а23 – коэффициент учитывающий качества подшипников и качества по эксплуатации, а23=0,6…0,7 – для роликовых конических подшипников;
Lh – требуемая долговечность подшипников, Lh=11212,8 ч.
д) Определяем долговечность подшипника:
L10h=a
1
V КОНСТРУИРОВАНИЕ ЧЕРВЯЧНОГО КОЛЕСА.

1.Обод.
Наибольший диаметр колеса:
dам2=350 мм,
Внутренний диаметр колеса:
Dв=0,9*d2-2,5*m,
Dв=0,9*320-2,5*10=263 мм,
Толщина колеса:
S≈0,05*d2,
S≈0,05*320=16 мм,
Sо≈1,2*S,
Sо≈1,2*16=19,2 мм,
h=0,15*b2,
h=0,15*63=9.45 мм,
t=0,8*h,
h=0,8*9.45=7.56 мм.
Ширина колеса b2=63 мм.
2.Ступица.
Диаметр внутренний d=d3=70 мм,
Диаметр наружный dст = l,55*d,
dст = l,55*70=108.5мм,
Толщина δ ст =0,3*d,
δ ст =0,3*70=21 мм,
Длина lст=(l...l,5)*d,
lст=l,1*70=78 мм. Примем lст=78 мм.
2.Диск:
Толщина С = 0,5(S + δ ст )≥ 0,25* b2,
С = 0,5(16+21)≥0,25*63,
C=18.5≥15.75,
Радиусы закруглений и уклон R≥10.
Отверстия d0 ≥ 25 мм;
n0=4...6.
VI ПРОВЕРОЧНЫЙ РАСЧЕТ ШПОНОК.
Призматические шпонки, применяемые в проектируемых редукторах, проверяют на срез и смятие.
Условие
прочности
,
где Ft – окружная сила на шестерне или колесе,
Aсм =(0,94*h-t1)*lр – площадь смятия, мм; lр=l-b – рабочая длина шпонки со скруглёнными торцами, мм (l – полная длина шпонки, определённая на конструктивной компоновке), b,h,t1 – стандартные размеры.
Список литературы
Лекции по курсу механика.
Шейнблит А.Е. Курсовое проектирование деталей машин. Изд-е 2-е - Калининград, 1999. – 454с.
Анурьев В.И. Справочник конструктора-машиностроителя. Том 2. – М.: Машиностроение, 1979. – 559 с.