Проектирование конструкции стальной балочной клетки рабочей площадки промышленного здания
МПС РФ
ДВГУПС
Кафедра "Строительные конструкции"
КУРСОВАЯ РАБОТА
Проектирование конструкции стальной балочной клетки
рабочей площадки промышленного здания
Выполнил: Терентьева Ю.К.
94-ПГС-583
Проверил: Тимохин А.В.
Хабаровск
2001
СОДЕРЖАНИЕ
1. Исходные данные на проектирование стальной балочной клетки.
2. Расчет стальной балочной клетки.
2.1. Разработка вариантов стальной балочной клетки.
2.1.1. Вариант 1. Балочная клетка нормального типа.
2.1.2. Вариант 2. Балочная клетка усложненного типа.
2.2. Проектирование составной сварной главной балки.
2.2.1. Подбор сечения главной балки
2.2.2. Проверка прочности главной балки
2.2.3. Проверка прогиба главной балки.
2.2.4. Определение типа сопряжения вспомогательной и главной балок.
2.2.5. Изменение сечения главной балки.
2.2.6. Расчет поясных сварных швов.
2.2.7. Проверка на устойчивость сжатой полки.
2.2.8. Проверка устойчивости стенки балки.
2.2.9. Расчет опорного ребра жесткости главной балки.
2.2.10. Расчет болтового соединения
2.3. Проектирование колонны сплошного сечения
2.3.1. Расчетная длина колонны и сбор нагрузки
2.3.2. Подбор сечения колонны
2.3.3. Проверка устойчивости полки и стенки колонны.
2.3.4. Расчет базы колонны.
2.3.5. Расчет оголовка колонны.
Литература
1. Исходные данные на проектирование стальной балочной клетки
Рабочие
площадки служат для размещения
производственного оборудования на
определенной высоте в помещении цеха
промышленного здания. В конструкцию
площадки входят колонны, балки, настил
и связи (рис. 1). Система несущих балок
стального покрытия называется балочной
клеткой.
Балочные
клетки могут быть упрощенного, нормального
или усложненного типа (рис.2)
Исходные данные:
временная нагрузка - qН>0> = 12 кН/м2;
толщина настила площадки нормального типа - 12 мм
толщина настила площадки усложненного типа - 6 мм
пролет главной балки - 17,50 м
пролет вспомогательной балки - 7,00 м
габарит помещения под перекрытием - h = 6,6 м
отметка верха настила (ОВН) - Н = 8,4 м
тип сечения колонны - сплошная
сталь настила и прокатных балок - С235
сталь главной балки и колонны - С375
2. Расчет стальной балочной клетки
2.1. Разработка вариантов стальной балочной клетки
2.1.1. Вариант 1. Балочная клетка нормального типа
Расчет настила
Сбор нагрузки на 1 м2 настила.
Таблица 1
|
Наименование нагрузки |
Нормативная нагрузка, кН/м2 |
g>f> |
Расчетная нагрузка, кН/м2 |
|
|
1 |
Временная нагрузка - Р |
12 |
1,2 |
14,4 |
|
2 |
Собственный все настила g>Н> = g´ t>Н> = где удельный вес стали- g = r ´ g = 7850 ´ 9,81´ 10-3 |
0,924 |
1,05 |
0,97 |
|
Итого q = g +Р |
qn = 12,924 |
q = 15,37 |
Средняя величина коэффициента надежности по нагрузке
>
>
Примем расчетную схему настила (рис.4)
Сварные
швы крепления настила к балкам не дают
возможности его опорам сближаться при
изгибе. Поэтому в настиле возникают
растягивающие цепные усилия Н.
Изгиб настила происходит по цилиндрической
поверхности. Цилиндрический модуль
упругости стали определяется по формуле:
>
>
В расчете
определим наибольший пролет полосы
настила единичной ширины при заданной
толщине листа t>Н>
= 0,012 м и предельном прогибе >
>:
>
>
После подстановки величин qn и t>Н> в формулу, получаем:
>
>
Принимаем
L =
1,944 м, т.е. пролет L>Н>
укладывается 9 раз по длине главной
балки. Предельный прогиб для заданного
пролета >
>.
Вычисляем наибольший пролет: L>max>
= 2,12 м. По расчету принимаем L>Н>
= 1,944
м.
Разбивка главной балки показана на рис.5
Проверка прогиба настила.
Вычислим балочный прогиб, т.е. прогиб от поперечной нагрузки в середине полосы шириной b = 1 м, имеющий цилиндрическую жесткость Е>1>J, без учета растягивающей силы Н:
>
>
>
>Прогиб
настила с учетом растягивающей силы Н:
>
>,
коэффициент a
найдем по формулам.
>
>
>
>
>
>
Прогиб
настила :>
>
Относительный
прогиб: >
>
Предельный
прогиб: >
>
- проверка удовлетворяется
Проверка прочности настила:
Изгибающий момент с учетом приварки настила на опорах:
>
>
Растягивающая сила
>
>
Проверка прочности полосы настила шириной b = 1 м.
>
>,
где W=(t2>Н>)/6 =0,0122/6 = 2,4×10-5 м3
g>С>R>g> =1,1×230 = 253 МПа, где R>g>=230 МПа - расчетное сопротивление проката по табл. 51* СНиП II-23-81*
s < g>С>R>g> - условие выполняется.
Расчет сварного шва крепления настила к балке.
1. Расчет по металлу шва
коэффициент глубины провара шва b>f> = 0,7 (табл. 34* СНиП II-23-81*)
коэффициент условия работы шва g>wf> = 1 (по п.11.2 СНиП II-23-81*)
В соответствии с табл. 55 СНиП II-23-81* принимаем электроды типа Э42. Расчетное сопротивление металла шва R> wf> = 180 МПа.
b>f> ×g>wf > × R> wf >= 0,7 × 1 × 180 = 126 МПа
2. Расчет по металлу границы сплавления.
коэффициент глубины провара шва b>z> = 1,0 (табл.34 СНиП II-23-81*)
коэффициент условия работы шва g>wz> = 1 (п.11.2* СНиП II-23-81*)
Расчетное сопротивление по металлу границы сплавления:
R> wz >= 0,45 R>un> = 0,45 × 360 = 162 МПа (по табл. 3 СНиП II-23-81*),
где R>un >- нормативное сопротивление фасонного проката.
b>z>× g>wz> × R> wz >= 1×1×162 = 162 МПа
Минимальная из величин при расчетах по металлу шва и по металлу границы сплавления (b× g>w> × R> w>)>min> = 126 МПа
Требуемый катет шва
>
>
Принимаем К>f> = К>fmin> = 5 мм
Расчет балки настила
Балку рассчитываем как свободно опертую, загруженную равномерной нагрузкой. Пролет равен шагу главных балок 7 м.
Погонную нагрузку собираем с полосы шириной, равной пролету настила L>Н> = 1,944 м.
а) нормативная нагрузка:
qH>б> = qn L>H> + gH>б> = qn L>H> + 0,02 qn L>H> = 12,924 × 1,944 + 0,02 × 12,924 × 1,944 = 25,63 кН/м, где в первом приближении вес балки принимаем равным 2% от нагрузки.
б) расчетная нагрузка:
q>б> = q L>H> + gH>б>g>f> = 15,37 × 1,944 + 0,502 × 1,05 = 30,41 кН/м
Изгибающий момент от расчетной нагрузки
>
>
Требуемый момент сопротивления
>
>,
где с>1> = 1,1 - коэффициент, учитывающий развитие пластических деформаций в первом приближении.
Требуемый момент инерции по предельному прогибу (при L>бн> = 7 м n>0> = 202,78)
>
>
Принимаем двутавр №40Б1 ГОСТ 26020-83 (J>х> = 15 750 см4, W>х> = 803,6 см3, А = 61,25 см2, b>f> = 165 мм, t>f> = 10,5 мм, t>w> = 7,0 мм, h = 39,2 см, масса m>бн> = 48,1 кг/м)
Уточним коэффициент с>1>:
площадь сечения стенки А>w> = t>w> (h- 2t>f>) = 0,7(39,2 - 2 × 1,05) = 25,97 см2
площадь сечения полки А>f> = (A - A>w>) × 0,5 = (61,25 - 25,97) × 0,5 = 17,64 см2
>
>
По табл. 66 СНиП II-23-81* коэффициент с = 1,091. Принимаем с>1> = с.
Уточним собственный вес балки и всю нагрузку
а) нормативная
qH>б> = qn L>H> + m>бн> g = 12,924 × 1,944 + 48,1 × 9,81 × 10-3 = 25,60 кН/м
б) расчетная
q>б> = q L>H> + m>бн> gg>f > = 15,37 × 1,944 + 48,1 × 9,81 × 10-3 × 1,05 = 30,37 кН/м
Максимальный изгибающий момент
>
>
Проверка нормальных напряжений
>
>
Условие прочности удовлетворяется с недонапряжением (253-212,17)×100%/ 253 = 16,1 %.
Расчетная перерезывающая сила на опоре
Q>max> = q>б> L/2 = 30,37 × 7 × 0,5 = 106,3 кН
Проверка касательных напряжений на опоре
>
>,
где h>w> = h - 2t>f> = 39,2 - 2 × 1,05 = 37,1 см
t = 40,51 МПа < R>S> g>S> = 0,58 × 230 × 1,1 = 146,7 МПа
Условие прочности выполняется с большим запасом
Проверка прогиба балки
>
>
>
>-проверка
выполняется
Высота покрытия по главным балкам определяется как высота балки настила плюс толщина настила: h> П> = h>бн> + t>н> = 392 + 12 = 404 мм
Расход стали на настил и балки настила
m>1> = r t>н> + m>б>/L>н> = 7850 × 0,012+ 48,1/1,944 = 118,94 кг/м2.
2.1.2. Вариант 2. Балочная клетка усложненного типа
Расчет настила
Сбор нагрузки на 1 м2 настила
Таблица 2
|
Наименование нагрузки |
Нормативная нагрузка, кН/м2 |
g>f> |
Расчетная нагрузка, кН/м2 |
|
|
1 |
Временная нагрузка - Р |
12 |
1,2 |
14,4 |
|
2 |
Собственный все настила g>Н> = g´ t>Н> = 77 × 0,006 |
0,462 |
1,05 |
0,485 |
|
Итого q = g +Р |
qn = 12,462 |
q = 14,885 |
Средний
коэффициент >
>
Наибольший прогиб настила в зависимости от n>0>
>
>
Принимаем пролет настила 0,875 м. Пролет укладывается по длине вспомогательной балки 8 раз. n>0> = 120.
>
>
Проверка прогиба.
Балочный
прогиб >
>
>
>
>
>>
>
Прогиб
настила: >
>
>
>
>
>-
проверка проходит.
Схема
разбивки вспомогательной балки на
панели 8 ´
0,875 м.
Пролет балки настила принимаем 2,5 м.
Схема разбивки главной балки на панели 1,25 м + 6 ´ 2,5 м + 1,25 м (рис.6)
Проверка прогиба настила.
Балочный
прогиб >
>
Коэффициенты:
>
>,
>
>
>
>
Прогиб
настила: >
>
>
>,
>
>
- проверка жесткости настила удовлетворяется
Проверка прочности настила.
Изгибающий
момент: >
>
Растягивающие усилия:
>
>
Момент
сопротивления настила: >
>
Проверка нормальных напряжений
>
>
R>g> g>с> = 1,1 × 230 = 253 МПа
s < g>С>R>g> - условие выполняется.
Расчет балки настила
Погонная нагрузка на балку настила:
а) нормативная от временной нагрузки, веса настила и балки настила:
qH>б> = qn L>H> + gH>б> = qn L>H> + 0,02 qn L>H> =12,462 × 0,875 + 0,02 × 12,462 × 0,875 = 11,12 кН/м
б) расчетная
q>б> = q L>H> + gH>б>g>f> = 14,885 × 0,875 + 1,05 × 0,218 = 13,25 кН/м
Изгибающий момент от расчетной нагрузки:
>
>
Требуемый момент сопротивления при с>1> = 1,1 в первом приближении:
>
>
Требуемый по предельному прогибу момент инерции:
>
>,
где при 2,5 м n>0>
=142,5
По сортаменту подберем двутавр №10 ГОСТ 26020-83 (J>х>=198 см4, W>х>=39,7 см4, А=12 см2, m>бн> =9,5 кг/м, t>w> = 4,5 мм, t >f> =7,2 мм, h = 100 мм).
Уточним коэффициент с>1>=с по табл. 66 СНиП II-23-81*
А>w> = t>w> (h- 2t>f>) = 4,5(100 - 2 × 7,2) = 385,2 мм2
А>f> = (A - A>w>) × 0,5 = (12,0 - 3,85) × 0,5 = 4,08 см2
>
>Þ
с = 1,07
Уточним нагрузку
а) нормативную qH>б> = qn L>H> + m>бн> g = 12,462 × 0,875 +9,5 × 10-3×9,81 = 11 кН/м
б) расчетную q>б> = q L>H> + m>бн> gg>f > = 14,885 × 0,875 + 0,093 × 1,05 = 13,12 кН/м
Максимальный
изгибающий момент >
>
Проверка нормальных напряжений
>
>
R>g> g>с> = 1,1 × 230 = 253 МПа
s < g>С>R>g> - условие прочности выполняется с недонапряжением 3,7%.
Перерезывающая сила на опоре:
Q>max> = q>б> L × 0,5= 13,12 ×2,5 × 0,5 = 16,4 кН
Проверка касательных напряжений.
>
>
R>S> g>с> = 0,58 × 1,1 × 230 = 146,7 МПа >42,58 МПа - проверка удовлетворяется
Проверка прогиба.
>
>
>
>-
условие выполняется.
Расчет вспомогательной балки
А>гр> = L>бн> × L>н> = 2,188 м2
Сбор
нагрузки на вспомогательную балку
Таблица 3
|
Наименование нагрузки |
Нормативная нагрузка, кН/м2 |
g>f> |
Расчетная нагрузка, кН/м2 |
|
|
1 |
Временная нагрузка Р Р>n>L>бн> = 12 × А>гр> = 12 × 2,188 |
26,256 |
1,2 |
31,507 |
|
2 |
Вес настила g>н>L>бн>L>н> = 0,462 × 2,188 |
1,011 |
1,05 |
1,062 |
|
3 |
Вес балки настила m>бн> gL>бн> = 9,5×9,81×10-3×2,5 |
0,233 |
1,05 |
0,245 |
|
4 |
Вес вспомогательной балки m>в> gL>н> = 15,9×0,875×9,81×10-3 (принимаем вес двутавра № 16) |
0,136 |
1,05 |
0,143 |
|
Итого (G+Р) |
27,636 |
32,957 |
Средняя
величина коэффициента >
>.
Изгибающий момент от расчетной нагрузки при семи грузах в пролете
М>max> = 3(G+Р) ×3,063 - 5×0,875(G+Р) = 3,5×32,957×3,063 - 5× 0,875× 32,957 = 209,13 кН×м
Требуемый момент сопротивления при с>1>= 1,1 в первом приближении
>
>
Требуемый
момент инерции по предельному прогибу
(при пролете L>в>
=7 м >
>)
>
>
По сортаменту принимаем двутавр № 40Б1 ГОСТ 26020-83 (J>х> = 15 750 см4, W>х> = 803,6 см3, А = 61,25 см2, b = 165 мм, h = 39,2 см, t>f> = 10,5 мм, t>w> = 7,0 мм, m = 48,1 кг/м).
Уточним коэффициент с:
А>w> = t>w>(h - 2t>f>) = 0,7×(39,2 - 2×1,05) = 25,97 см2
А>f> = 0,5(А - А>w>) = 0,5(61,25 - 25,97) = 17,655 см2
>
>Þ
с
= с>1>
= 1,102
Уточним нагрузку на балку.
Вес вспомогательной балки
а) нормативный m>в> gL>н> =48,1×9,81×10-3×0,875 = 0,413 кН
б) расчетный m>в> gL>н>g>f> =0,413× 1,05 = 0,434 кН
Полная нагрузка (G+Р) с учетом данных табл.3
а) нормативная 27,193 кН/м
б) расчетная 33,248 кН/м
Средняя величина коэффициента g>f> = 33,248/27,193 = 1,191
Изгибающий момент от расчетной нагрузки
М>max> = 3,5 × 33,765 × 3,063 - 5× 0,875 × 33,248 = 216,52 кН
Проверка прочности
>
>
R>g> g>с> = 1,1 × 230 = 253 МПа - недонапряжение на 3,4 %
Проверка касательных напряжений t с учетом ослабления сечения на опоре выполняется при расчете стыка с главной балкой.
Проверка прогиба балки
>
>
>
>-
проверка проходит
Проверка общей устойчивости балки
Сжатый пояс в направлении из плоскости изгиба балки раскрепляется балками настила, расстояние между которыми равно l>ef> = L>н> = 0,875 м
Наибольшее значение отношения l>ef> к ширине сжатого пояса b>f>, при котором требуется проверка общей устойчивости, определяется по формуле:
>
>
>
>-
расчет на общую устойчивость балки не
требуется
Высота покрытия по главным балкам
h>п> = t>н> + h>бн> + h>в> = 6 + 100 + 392 = 498 мм
Расход стали на настил, балки настила и вспомогательные балки на 1 м2 балочной клетки
m>1I> = r t>н> + m>б>/L>н> + m>в>/L>бн >= 7850 × 0,006+ 9,5/0,875 + 48,1/2,5 = 77,2 кг/м2.
2.1.3. Сравнение вариантов балочной клетки.
Расход стали на 1 м2 площади балочной клетки покрытия по главным балкам:
по первому варианту - m>1> = 118,94 кг/м2
по второму варианту - m>1I> = 77,2 кг/м2
Вывод: по расходу стали более экономичен второй вариант. Поэтому к дальнейшему проектированию принимаем второй вариант усложненной балочной клетки. Тип сопряжение вспомогательной и главной балок определится после расчета высоты главной балки.
2.2. Проектирование составной сварной главной балки.
Разрезная балка загружена сосредоточенными нагрузками. Нагрузки на балку передаются в местах опирания на нее вспомогательных балок. Сосредоточенные силы подсчитываются по грузовой площади:
А>гр> = L>в> L>бн> = 7× 2,5 = 17,5 м2
Сбор нагрузки на главную балку
Таблица 5
|
Наименование нагрузки |
Нормативная нагрузка, кН/м2 |
g>f> |
Расчетная нагрузка, кН/м2 |
|
|
1 |
Временная нагрузка Р = Р>н> × А>гр> = 12 × 17,5 |
210,0 |
1,2 |
252 |
|
2 |
Собственный вес настила и балок G>бн> = mgA>гр>=77,2×9,81×10-3 ×17,5 |
13,25 |
1,05 |
13,91 |
|
3 |
Собственный вес главной балки (3% от временной нагрузки) G>тр>=0,02×210 |
6,3 |
1,05 |
6,615 |
|
Итого G+Р |
229,55 |
272,525 |
Коэффициент
>
>
2.2.1. Подбор сечения главной балки
Сечение составной сварной балки состоит из трех листов: вертикального - стенки и двух горизонтальных - полок (рис. 9).
Расчетный изгибающий момент
М>max> = 9(G+P)L>бн> - 4,5(G+P)L>бн> = 4,5(G+P)L>бн> = 4,5×272,525×2,5 = 3065,91 кН×м
Для принятой толщины листов полок t>f >≤ 20 мм расчетное сопротивление стали С375 равно R>у> =345 МПа. Коэффициент условия работы g>с> =1. В первом приближении с>1> = 1,1.
Требуемый
момент сопротивления:
>
>
Высоту сечения балки h предварительно определим по соотношению между h>оптW>, h>опт,f> и h>min>, где h>оптW> - оптимальная высота сечения из условия прочности; h>опт,f> - оптимальная высота сечения из условия жесткости; h>min> - оптимальная высота сечения из условия минимальной жесткости, при обеспечении прочности.
1) оптимальная высота балки из условия прочности:
>
>,
где >
>
- отношения высоты балки к толщине стенки
в пределах k>W>
= 125…140. Принимаем k>W>
= 130.
>
>
2) оптимальная высота балки из условия жесткости:
>
>,
где >
>,
n>0>
= 231,94 - для пролета L
= 17,5 м
>
>
>
>
3) высота балки из условия минимальной жесткости при обеспечении прочности:
>
>
Выбор высоты балки
Т.к. h>min> < h>оптW> < h>опт,f> , принимаем h = h>оптW>
Высота главной балки должна соответствовать наибольшей строительной высоте перекрытия согласно заданию:
h ≤ h>c max> - t>н>,
где t>н> - толщина настила.
Наибольшая строительная высота перекрытия определяется разностью отметок верха настила и габарита помещения под перекрытием:
h>c max> = 8,4 - 6,6 = 1,8 м
Т.к. h = 1199 см < h>c max> - t>н> = 1800 - 6 = 1794 мм -оставляем выбранную высоту h = 1199 см.
Принимаем толстолистовую сталь шириной 1250 мм. С учетом обрезки кромок с двух сторон по 5 мм h>W> = 1250 -10 = 1240 мм.
По коэффициенту k>W> = 130 определяем толщину стенки: t>W> = h>W> /k>W> = 1240/130 = 9, 5 мм. Принимаем t>W> =10 мм. Толщину полок назначим равной t>f>> >=18 ≤ 3 t>W> = 30 мм.
Полная высота балки:
h = h>W> + 2 t>f> = 1240 + 2×18 = 1276 мм
Момент инерции стенки:
>
>
Требуемый момент инерции полок:
J>тр >= J>тр>> max> - J>W>,
где J>тр>> >>max> определим по двум значениям из условий
а) прочности J>тр >= 0,5W>тр> h = 0,5×8848,2×127,6 = 564512,2 см4
б) жесткости J>тр> = 530132 см4
J>тр> = 564515,2 - 158885 = 405630,2 см4
Требуемая площадь сечения полки:
>
>
Толщина стенки из условия обеспечения ее местной устойчивости:
>
>
В расчете было принято 1,8 см, что больше t>f> = 1,42 см.
Ширину
полки назначаем из условия >
>
или b>f>
= 427 …256 мм.
Принимаем b>f>
=360 мм, что
соответствует ширине листа универсальной
стали по сортаменту. Уточним собственный
вес балки по принятым размерам.
Площадь поперечного сечения:
А = 2А>f> + А>W> = 2× 1,8 × 36 + 1,0×124 = 253,6 см2
Вес погонного метра балки:
g>г> = g>S> Аy = 77 × 0,02536×1,03 = 2,01 кН/м,
где g>S>= 77 кН/м - удельный вес стали;
y = 1,03 - конструктивный коэффициент, учитывающий вес ребер жесткости и сварных швов.
Вес главной балки на участке между вспомогательными балками:
G>г> = g>г> L>бн> = 2,01 × 2,5 = 5,025 кН
Уточним нагрузки на балку, полученные в табл.5.
Нормативная Р>n> + G>n> = 210,0 + 13,25 + 5,025 = 228,275 кН
Расчетная Р + G = 252 + 13,9 + 5,33 = 271,23 кН
Уточним усилия. Изгибающие моменты от нормативных и расчетных нагрузок
Мn >max> = 4,5(G>n> +P>n> )L>бн> = 4,5×228,275×2,5 = 2568,09 кН×м
М>max> = 4,5(G+P)L>бн> = 4,5×271,23×2,5 = 3051,4 кН×м
Перерезывающая сила на опоре
Q>max> = 3(G+P)= 3×271,23 = 813,69 кН
Геометрические характеристики сечения балки
Момент инерции
>
>
Момент сопротивления
>
>
Найдем отношение площадей полки и стенки
>
>
Найдем коэффициент с = 1,118. Т.к. в балке имеется зона чистого изгиба, принимаем с>1> = с>1>>m> = 0,5(1+с) = 1,059
2.2.2. Проверка прочности главной балки
1) Нормальные напряжения
>
>
<
R>g>
g>с>
=379,5 МПа
Недонапряжение не должно превышать 5% : (379,5-357,6)100% /379,5 = 5,1%
2)
Касательные напряжения (проверяются в
месте крепления опорного ребра без
учета работы на срез полок
>
>
R>S> g>с> = 0,58×345×1=200,1 МПа - проверка удовлетворяется
2.2.3. Проверка прогиба главной балки.
>
>
>
>
- условие
жесткости балки удовлетворяется.
2.2.4. Определение типа сопряжения вспомогательной и главной балок.
Суммарная высота элементов перекрытия: настила, балки настила, вспомогательной и главной балок
Sh= t>Н> + h>бн> + h>в> + h>г> = 6 + 100 + 392 + 1276 = 1774 мм
Ранее
была найдена наибольшая строительная
высота перекрытия h>c,max>
= =1,8
м. Принимаем пониженное сопряжение
вспомогательной и главной балок.
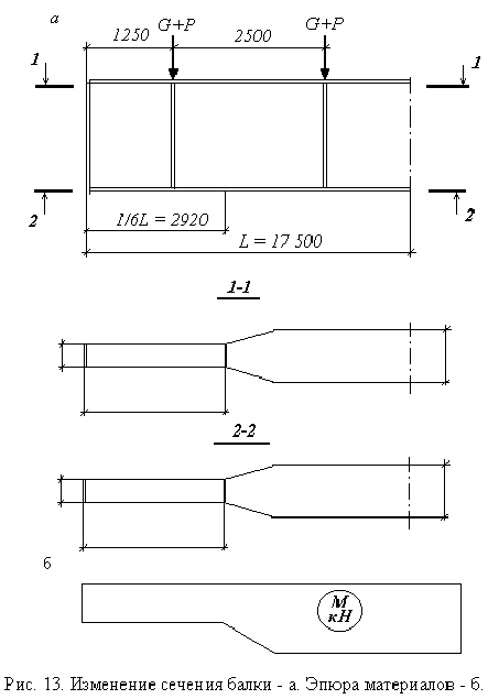
2.2.5. Изменение сечения главной балки.
С целью экономии материала уменьшаем сечение приопорного участка балки за счет уменьшения ширины поясов на участке балки от опоры до сечения, расположенного на расстоянии равном 1/6 пролета балки: 17,5/6 = 2,92 м. Ширина пояса балки b`>f> должна соответствовать ширине листа универсальной стали по сортаменту и быть не менее
b`>f> ³ 180мм, b`>f> ³ 0,1h; b`>f> ³ 0,5 b>f> ,
т.е., 0,1h=127,6 мм; 0,5 b>f> = 0,5×360 = 180 мм.
По сортаменту принимаем b`>f> = 200 мм.
Геометрические характеристики сечения балки на приопорных участках:
- площадь сечения
А¢ = 2А¢>f> + А>W> = 2×20×1,8+1,0×124 = 196 см2
момент инерции
>
>
- момент сопротивления
>
>
- статический момент полки относительно оси Х-Х
S¢>Х> = t>f> b>f>(0,5h>W> + 0,5t>f>) = 1,8 × 20 × 0,5(124+1,8) = 2264,4 см3
- статический момент полусечения относительно оси Х-Х
S>Х>
= S¢>f
>+0,125×
t>W>
×h2>W>
= 2264,4+0.125×1242×1
= 4186,4
см3
Расчетные усилия в месте изменения сечения.
Изгибающий момент
М¢= R>а> × 2,92 - (G+Р)(2,92-1,25)=3(G+Р) × 2,92-1,67(G+Р) = 7,09 (G+Р) = 7,09 × 271= 1923,0 кН
Перерезывающая сила
Q¢ = Q>max> - (G+P)= 813,69 - 271,23 = 542,46 кН
Проверка напряжений
а) в месте изменения сечения
- максимальные нормальные напряжения
>
>
- касательные напряжения в стенке под полкой
>
>
< R>S>g>c>
= 0,58 ×
315 ×
1= 182,7 МПа
- приведенные напряжения под полкой
>
>
>
>
1,15 R>g> g>c> = 1,15× 345 = 396,75 МПа
s>red >< 1,15 R>g> g>c>
2.2.6. Расчет поясных сварных швов.
Полки составных сварных балок соединяют со стенкой на заводе автоматической сваркой. Сдвигающая сила на единицу длины
>
>,
Для стали С375 по табл. 55* СНиП II-23-81* принимаем сварочную проволоку Св-10НМА для выполнения сварки под флюсом АН-348-А.
Определим требуемую высоту катета К>f> поясного шва "в лодочку".
1. Расчет по металлу шва.
Коэффициент глубины провара шва b>f> =1,1 (СНиП II-23-81*, табл.34)
Коэффициент условия работы g >w>>f> = 1 (СНиП II-23-81*, пп. 11.2)
Расчетное сопротивление металла R> >>w>>f> =240 МПа
b>f> g >w>>f> R> >>w>>f> = 1,1× 1×240 = 264 МПа
2. Расчет по металлу границы сплавления.
Коэффициент глубины провара шва b>z> =1,15 (СНиП II-23-81*, табл.34)
Коэффициент условия работы g >wz> = 1 (СНиП II-23-81*, пп. 11.2)
Расчетное сопротивление металла R> >>wz> =0,45 R> >>un> = 0,45 ×490 = 220,5 МПа
b>z> g >wz> R> >>w>>z> = 1,1× 1×220,5 = 253,6 МПа
Сравнивания полученные величины, находим
(b g >w> R> >>w>)>min> = 253,6 МПа
Высота катета поясного шва должна быть не менее
>
>
k>f >≥ 0,8 мм
По толщине наиболее толстого из свариваемых элементов (t>f> = 18 мм) по табл. 38 СНиП II-23-81*, принимаем k>f>> >= 7 мм.
2.2.7. Проверка на устойчивость сжатой полки.
Устойчивость
полки будет обеспечена, если отношение
свеса полки b>ef>
к ее толщине
t>f>
не превышает
предельного значения: >
>,
где расчетная
ширина свеса полки b>ef>
равна:
>
>>
>
>
>>
>
>
>>
>
Т.к. 9,72 ‹ 12,8, устойчивость поясного листа обеспечена.
2.2.8. Проверка устойчивости стенки балки.
Для обеспечения устойчивости стенки вдоль пролета балки к стенке привариваются поперечные двусторонние ребра жесткости.
Расстояние
между поперечными ребрами при условной
гибкости стенки >
>,
не должно превышать 2h>w>
.
Условная гибкость стенки определяется
по формуле
>
>.
При
l>w >>
3,5 необходима проверка устойчивости
стенки с установкой ребер жесткости с
шагом не более 2h>w>
= 2×124
= 248 см.
Т.к. сопряжение балок выполняется в пониженном уровне, установку поперечных ребер предусматриваем с шагом 2,0 м.
Ширина ребер должна быть не менее
>
>
Принимаем b>h> = 100 мм.
Толщина ребра
>
>
Принимаем t>S> = 8 мм.
Проверка устойчивости стенки балки во втором отсеке в месте изменения сечения.
Критические нормальные напряжения
>
>;
По табл. 21, 22 СНиП II-23-81* определяем при d = ¥ и b = ¥, с>cr> = 35,5
>
>
Критические касательные напряжения
>
>
>
>
Нормальные и касательные напряжения в верхней фибре стенки
а) нормальные s = s>х,а> = 268,67 МПа;
б) касательные t = Q¢/(t>w>h>w>) = 542, 46 ×10-3/(0,01×1,24) = 43,75 МПа.
Проверка устойчивости стенки
>
>.
>
>
Проверка устойчивости стенки балки в первом отсеке (на расстоянии 125 см от опоры).
Изгибающий момент
М = R>A> ×1,25 = 817,58 кН×м.
Нормальные и касательные напряжения
>
>
>
>
Проверка устойчивости стенки
>
>
Проверка устойчивости удовлетворяется.
2.2.9. Расчет опорного ребра жесткости главной балки.
Принимаем сопряжение балки с колонной шарнирным, с опиранием на колонну сверху. Опорное ребро жесткости крепится сварными швами к стенке балки. Нижний торец опорного ребра балки остроган для непосредственной передачи давления на колонну.
Толщина опорного ребра определяется из расчета на смятие его торца
>
>,
где N = R>A>
= 817,58 кН –
опорная
реакция;
R>P> = R>un>/g>m> = 490/1,025 = 478 МПа – расчетное сопротивление стали смятию торцевой поверхности; b = b¢>f> = 20 см – ширина опорного ребра.
Принимаем толщину опорного ребра t = 10 мм, а опорный выступ а = 14 мм <1,5t = 1,5×10 = 15 мм.
Проверка ребра на устойчивость.
Площадь расчетного сечения ребра:
>
>,
где >
>.
Радиус
инерции сечения ребра >
>
Гибкость
ребра >
>.
Условная
гибкость >
>.
Коэффициент
продольного изгиба при l>Х>
= 1,136
>
>.
Проверка опорного ребра на устойчивость:
>
>
Расчет катета сварных швов крепления ребра к стенке балки:
>
>
По толщине более толстого из свариваемых элементов принимаем катет шва K>f> = 5 мм.
2.2.10. Расчет болтового соединения
Сопряжение вспомогательной балки с главной выполняется поэтажно.
При пяти грузах в пролете опорная реакция вспомогательной балки равна
R>A> = 3,5 (G+P) = 3,5×33,248 = 116,4 кН
Принимаем болты нормальной точности (класс В), класс по прочности – 4,6, диаметром 20 мм. Расчетное сопротивление срезу болтов для принятого класса прочности R>bs> = 150 Мпа.
Расчетные усилия, которые может выдержать один болт:
а) на срез
N>bs> = R>bs>×g>b>×A×n>s>,
где R>bs> = 150 МПа,
g>b> = 0,9 – коэффициент условия работы,
n>s> = 1 – число срезов болта.
А = pd2/4 = 3,142×2,02/4 = 3,14 см2 – расчетная площадь сечения болта
N>bs> = 150 ×103× 0,9 × 3,14 × 10-4 = 42,39 кН.
б) на смятие
N>b> = R>bр >× g>b >× d × S t>min>,
где g>b> = 0,9;
R>bр> = 690 МПа – расчетное сопротивление на смятие для стали при R>UM> = 490 МПа
S t>min> = 10 мм – толщина стенки балки и ребра.
N>b> = 690> >× 103× 0,9 × 20 ×10-3× 10× 10-3 = 124,2 кН.
Сравнивая результаты, принимаем меньшее N>bs,min> = 42,39 кН.
Требуемое количество болтов в соединении
>
>
Принимаем 3 болта диаметром 20 мм, диаметр отверстия D=22 мм.
Проверка касательных напряжений в стенке вспомогательной балки с учетом ослабления отверстиями диаметром 22 мм под болты, а также с учетом ослабления сечения балки из-за вырезки полки в стыке, выполняется по формуле:
>
>
где Q>max> = R>A> = 93,68 кН
h>W> = h – 2t>f> = 39,2 - 2×1,05 = 37,1
a = b/(b-d) = 146/(146 – 22) = 1,18 – коэффициент ослабления сечения
>
>
Проверка удовлетворяется.
Расход стали на перекрытие
>
>
2.3. Проектирование колонны сплошного сечения
2.3.1. Расчетная длина колонны и сбор нагрузки
НГБ = ОВН - h>стр>
НГБ = 8,4 – 1,774 = 6,626 м
Заглубление фундамента h>ф> = 0,7 м.
Геометрическая длина колонны
L = НГБ + h>ф> = 7,326 м.
При опирании балок на колонну сверху, колонна рассматривается как шарнирно закрепленная в верхнем конце. Соединение с фундаментом легких колонн в расчете также принимается шарнирным. Поэтому длина колонны определяется при m = 1:
L>ef> = mL = 1× 7,326 = 7,326 м.
Грузовая площадь А>гр> = L>Г> L>В> = 17,5 × 7 = 122,5 м2.
Сбор нагрузки на колонну
Таблица 6
|
Наименование нагрузки |
Нормативная нагрузка, кН |
g>f> |
Расчетная нагрузка, кН |
|
|
1 |
Временная нагрузка Р = р × А>гр> = 12 × 122,5 |
1470 |
1,2 |
1764 |
|
2 |
Собственный вес настила и балок G = m>n>gA>гр> = 151,1 × 10-3×9,81 × 122,5 |
181,58 |
1,05 |
190,66 |
|
Итого G+P |
1651,58 |
1954,66 |
2.3.2. Подбор сечения колонны
Выполним расчет относительно оси Y, пересекающей полки. Гибкость колонны l>у> = 89,3. Находим j>у> = 0,50.
Требуемая площадь сечения колонны А>тр> = 115,2 см2.
Требуемые радиус инерции и ширина полки
>
>
Ширина полки находится из соотношения i>Y> » 0,24b>f> .
b>f> = 36 см – принимаем ширину полки, в соответствии с сортаментом прокатной стали.
Высоту стенки h>W> назначаем так, чтобы удовлетворялось условие h³ b>f>, h>W> = 360 мм. Назначив толщину t>W> = 1,2 см, получим площадь сечения стенки: А>W>> > = 43,2 см2. Свес полки:
b>ef> = 0,5(b>f> – t>W>) = 0,5(360-12) = 17,4 см.
Предельное значение b>ef> = 17,5 см – находится из условия возможности применения автоматической или полуавтоматической сварки. Т.к. величина свеса полки меньше предельной, условие технологичности сварки выполняется.
Геометрические характеристики сечения.
Площадь сечения:
А = 0,5 (А>тр> – А>W>) = 115,2 см2.
Момент инерции:
>
>
Радиус инерции:
>
>
Гибкость:
>
>
Приведенная
гибкость: >
>
Коэффициент продольного изгиба:
>
>Включаем
в нагрузку вес колонны:
G>к> = gАLyg>f> = 77× 115,2× 10-4×7,326×1,1×1,05 = 7,5 кН
Полная расчетная нагрузка G>p> = 1962,5 кН
Проверка колонны на устойчивость.
>
>
Недонапряжение составляет 1,2%.
Проверка предельной гибкости.
l>U>=180 - 60a =180 – 60 × 0,987 = 120,78
где >
>
Т.к. l>Y> = 89,3 < l>U> = 120,78, проверка гибкости проходит.
2.3.3. Проверка устойчивости полки и стенки колонны.
Отношение свеса полки к ее толщине:
>
>
Наибольшее
отношение >
>при
условии выполнения устойчивости полки
равно 17,72. Т.к. >
>,
устойчивость полок обеспечивается.
Проверим
устойчивость стенки по условию >
>.

>
>;
>
>;
l>UW> =
1,2+0,35×l =
1,2+0,35 × 3,65 =
2,5
Принимаем 2,3.
>
>
30 < 56,2 – устойчивость стенки колонны обеспечена.
Т.к. >
>,
то поперечные ребра жесткости по расчету
устанавливать не требуется.
По конструктивным соображениям принимаем на отправочном элементе два парных ребра. Назначим размеры парных ребер: ширина b>P> = h>W>/30 + 40 мм = 36/30 + 40 = 41,2. Принимаем b>P> =50 мм.
Толщина t>P> ³ b>P>/12 = 50/12 = 4,2 мм. Принимаем t>P> = 6 мм.
В центрально-сжатых колоннах сплошного сечения сдвигающие усилия между стенкой и полкой незначительны. Поэтому сварные швы, соединяющие полки со стенкой, назначаем конструктивно толщиной катета k>f> = 6 мм.
2.3.4. Расчет базы колонны.
База колонны, состоящая из опорной плиты и траверс, крепится к фундаменту анкерными болтами.
Размеры плиты базы.
Ширину плиты назначаем по конструктивным соображениям:
В>пл> = b>f> + 2t + 2c = 360 + 2 × 10 + 2 × 50 = 480 мм
Длина плиты минимальная по конструктивным соображениям:
L>пл> >min> = h +2c = 380 + 2 × 50 = 480 мм.
Учитывая стандартные размеры листов, назначаем L>пл> = 480 мм.
Проверим достаточность размеров плиты в плане расчетом из условия смятия бетона под плитой. Класс бетона фундамента В12,5. Расчетное сопротивление бетона смятию при коэффициенте условия работы j>в> = 1,2:
R>в,loc> = j>в>R>в>g>в1> = 1,2 × 7,5 × 0,9 = 8,1 МПа
Требуемая длина плиты по расчету:
>
>
Принимаем по сортаменту универсальной стали L>пл> = 530 мм.
Получаем размеры плиты базы в плане
L>пл> ´ В>пл> = 530 ´ 480 мм с площадью А>пл> = 0,25 м2.
Назначаем размеры верхнего обреза фундамента
В>ф> = В>пл> + 20 см = 48 + 20 = 68 см
L>ф> = L>пл> + 20 см = 53 + 20 = 73 см
Площадь А>ф> = 0,50 м2
Уточним
коэффициент >
>
Уточним сопротивление бетона смятию
R>в,loc> = 1,26 × 7,5 × 0,9 = 8,51 Мпа
Проверим бетон на смятие под плитой базы:
>
>
- проверка
удовлетворяется
Расчет толщины плиты базы.
Выделим три участка плиты с характерными схемами закрепления.
Изгибающие моменты в плите на участках:
на I участке
М>1> = a × s>Р >× в2
в = 50 мм; a = 0,5; s>Р> = 7,85 Мпа
М>1> = 0,5 × 7,85 × 103 × 0,052 = 9,81 кН×м
на II участке
Отношение сторон а/в = 0,075/0,36 = 0,208
Т.к. отношение сторон меньше 0,5, выполняем расчет как для консоли
М>2> = 0,5 × 7,85 × 103 × 0,0752 = 22,08 кН×м
на III участке
Отношение сторон 2,07, отсюда a = 0,125
М>3> = 0,125 × 7,85 × 103 × 0,1742 = 2,971 кН
По наибольшему моменту на участке М>max> = 29,71 кН.
Определим требуемую толщину плиты:
>
>,
где g>С>
= 1,0
По сортаменту принимаем плиту толщиной 25 мм.
Расчет траверсы.
Нагрузка со стержня колонны передается на траверсы через сварные швы, длина которых и определяет высоту траверсы. При четырех швах с высотой катета k>f> = 10 мм
>
>
Прочность по металлу шва b>f>g>Wf>R>Wf> = 0,7× 1 × 240 = 168 МПа (СНиП, табл. 51).
>
>
В соответствии с требованиями СНиП, расчетная длина флангового шва должна быть не более 85b>f>k>f> = 85× 0,7 × 0,01 = 0,6 м, в расчете l>W> = 0,30 м. По сортаменту универсальной стали принимаем h>тр> = 400 мм.
Расчет катета сварного шва крепления траверсы к плите.
При вычислении суммарной длины швов учитывается непровар по 1 см на каждый шов.
Sl>W> = 2(2L>пл> – h) - 2×3 = 2(2×56 – 38) –6 = 142 см.
Требуемый по расчету катет:
>
>
В соответствии с табл. 38 СНиП при толщине плиты 25 мм минимальный катет шва равен k>f min> = 7 мм.
Приварку торца стержня колонны к опорной плите базы выполняем конструктивными швами k>f > = 9 мм.
Крепление базы к фундаменту.
При шарнирном сопряжении колонны с фундаментом необходимы анкерные болты для фиксации проектного положения колонны и закрепления ее в процессе монтажа. Принимаем два анкерных болта диаметром d = 20 мм. Болты устанавливаются в плоскости главных балок с креплением к плите базы, что обеспечивает за счет гибкости плиты шарнирное сопряжение колонны с фундаментом.
2.3.5. Расчет оголовка колонны.
Оголовок колонны состоит из опорной плиты и подкрепляющих ребер. Опорная плита передает давление от двух главных балок на ребра оголовка и фиксирует проектное положение балок при помощи монтажных болтов. Определяем размеры ребер, задавшись толщиной плиты: t>пл> = 20 мм. Требуемая толщина парных ребер из условия работы на смятие:
>
>
где N – удвоенная опорная реакция главной балки;
R>P>=R>UN>/g>m> = 490/1,025 = 478 МПа – расчетное сопротивление смятию торцевой поверхности.
B>оп> = 0,20 м – ширина опорного ребра балки.
Принимаем толщину ребра t>Z> = 16 мм.
Ширина ребра должна быть не менее b>h >³ 0,5 b>оп> + t>пл> – 0,5t>W> = 0,5×0,2 + 20 – 0,5×12 = 114 мм. Принимаем ширину парных ребер b>h> = 160 мм вверху и 130 мм внизу.
Высота вертикальных ребер определяется из условия размещения фланговых швов длиной не менее:
>
>
Здесь катет шва не может быть более k>f >£ 1,2t>W> = 1,2 × 12 = 14,4 мм.
Длина сварного шва не должна быть более l>W max> = 85b>f >× k>f> = 85 × 0,7 × 0,9 × 10-2= 0,54 м. Принимаем k>f> = 0,9 см и высоту ребра 0,5 м.
Т.к. Стенка колонны тоньше примыкающих ребер (t>W> = 12 мм < t>r> = 16 мм), стенку проверяем на срез:
>
>
Вывод: стенка колонны толщиной 12 мм на срез проходит. Торец колонны фрезеруется, и поэтому толщина швов, соединяющих опорную плиту со стержнем колонны и ребрами, назначается конструктивно, равной k>f> = 8 мм. С целью укрепления стенки колонны и вертикальных ребер от возможной потери устойчивости снизу вертикальные ребра обрамляются горизонтальными ребрами толщиной t>P> = 8 мм.
ЛИТЕРАТУРА
СниП II-23-81*.Стальные конструкции/Госстрой России. – М.:ЦИТП Госстроя России, 1998 –96 с.
Металлические конструкции. Общий курс: Учебник для вузов/Под общ. ред. Е.И. Беленя. – М.: Стройиздат, 1985 – 560 с.
Мандриков А.П. Примеры расчета металлических конструкций: Учебное пособие для техникумов, 1991 – 431 с.
Танаев В.А. Проектирование стальной балочной клетки. Учебное пособие для курсового и дипломного проектирования. – Хабаровск, 2000 – 71 с.