Автоматизированный электропривод грузового лифта
Федеральное агентство по образованию
Российский государственный профессионально-педагогический университет
Кафедра электрооборудования и автоматизации промышленных предприятий
Курсовая работа
по дисциплине: «Автоматизированный электропривод»
на тему:
«Автоматизированный электропривод грузового лифта».
Екатеринбург 2008 г.
Содержание курсового проекта
Задание и исходные данные
Выбор типа электропривода
Выбор и проверка электродвигателя
Расчет мощности двигателя
Расчет передаточного числа редуктора
Расчет и построение нагрузочной диаграммы двигателя
Проверка двигателя по нагреву
Выбор основных узлов силовой части электропривода
Выбор тиристорного преобразователя
Выбор силового трансформатора
Выбор сглаживающего реактора.
Разработка принципиальной электрической схемы силовой части электропривода
Расчет параметров математической модели силовой части электропривода
Расчет параметров силовой части электропривода в абсолютных единицах
Выбор базисных величин системы относительных единиц.
Расчет коэффициентов передачи датчиков
Разработка системы управления электроприводом
Выбор типа системы управления электроприводом
Расчет регулирующей части контура тока якоря
Расчет параметров математической модели контура тока якоря
Конструктивный расчет регулятора тока
Расчет регулирующей части контура скорости
Конструктивный расчет регулирующей части контура скорости
Расчет задатчика интенсивности
Конструктивный расчет задатчика интенсивности
Литература
Задание и исходные данные
Для заданного механизма в курсовом проекте требуется выполнить:
выбор типа электропривода;
выбор электродвигателя и его проверку по нагреву; расчет передаточного числа редуктора;
выбор тиристорного преобразователя, силового трансформатора (токоограничивающего реактора), сглаживающего реактора (при необходимости);
расчет элементов системы автоматического управления электроприводом - регулятора тока, звеньев цепи компенсации ЭДС, регулятора скорости, задатчика интенсивности.
Грузовой лифт установлен в четырехэтажном производственном здании и служит для опускания готовой продукции в контейнерах, закатываемых в кабину, а также для транспортировки полуфабрикатов в контейнерах между этажами и подачи порожних контейнеров. Полуфабрикаты изделий не допускают чрезмерных динамических нагрузок при транспортировании, из-за чего должно быть ограничено максимальное ускорение кабины. Работу лифта и его конструктивное исполнение поясняет кинематическая схема (рис 1). Кабина лифта уравновешивается противовесом через канат на канатоведущем шкиве трения, который приводится в движение через редуктор от одного или двух двигателей. Электропривод лифта работает в повторно-кратковременном режиме с переменной нагрузкой.
Работа лифта осуществляется по следующему циклу:
опускание кабины с четвертого этажа на первый этаж;
стоянка на первом этаже (двигатель отключен),
подъем кабины с первого этажа на второй этаж;
стоянка на втором этаже (двигатель отключен);
подъем кабины со второго этажа на третий этаж;
стоянка на третьем этаже (двигатель отключен);
подъем кабины с третьего этажа на четвертый этаж;
стоянка на четвертом этаже (двигатель отключен).
После каждой стоянки масса груза в кабине изменяется (табл.1).

Рис.
1 . Кинематическая схема грузового лифта.
Таблица 1. Исходные данные по грузовому лифту
|
Параметр |
Обозначение |
Номер варианта |
|
2-й |
||
|
Масса кабины, т |
mк |
0,65 |
|
Номинальная грузоподъемность лифта, т |
mгп |
3 |
|
Скорость движения кабины, м/с |
V |
0,6 |
|
Радиус канатоведущего шкива, м |
rш |
0,32 |
|
Момент инерции канатоведущего шкива, кг-м2 |
Jш |
10 |
|
Максимально допустимое ускорение кабины, м/с2 |
aдоп |
2 |
|
Продолжительность включения, % |
ПВ |
51 |
|
|
m41 |
2,5 |
|
|
m12 |
1,25 |
|
|
m23 |
0,5 |
|
|
m34 |
2 |
|
Полная высота подъема, м |
L |
20 |
|
|
Число этажей |
N |
4 |
|
|
Коэффициент трения лифта о направляющие |
m |
0,05 |
|
|
КПД механических передач |
hп |
0,6 |
Выбор типа электропривода
В данном курсовом проекте принимаем следующие решения:
выбираем электропривод постоянного тока с тиристорным преобразователем электрической энергии;
выбираем реверсивный двухкомплектный тиристорный преобразователь для цепи якоря с раздельным управлением комплектами;
принимаем однозонное регулирование скорости (скорость двигателя не превышает номинального значения, ослабление магнитного потока двигателя не требуется).
Выбор и проверка электродвигателя
Расчет мощности двигателя
Для выбора двигателя рассчитаем его требуемую номинальную мощность, исходя из нагрузочной диаграммы механизма (т.е. временной диаграммы моментов или сил статического сопротивления механизма на его рабочем органе).
По рассчитанной мощности затем выполняется предварительный выбор двух двигателей привода. Рассмотрим расчет мощности двигателя.
Определим массу противовеса и построим нагрузочную диаграмму лифта (график статических моментов на канатоведущем шкиве).
Расчет времени участков цикла на этапе предварительного выбора двигателя выполняем приблизительно, т.к. пока нельзя определить время разгона и замедления (суммарный момент инерции привода до выбора двигателя неизвестен).
Масса противовеса выбирается таким образом, чтобы противовес уравновешивал кабину и половину массы номинального груза:

Активные составляющие момента статического сопротивления на канатоведущем шкиве определяются силами тяжести кабины с грузом и противовеса:




Реактивные составляющие момента статического сопротивления на канатоведущем шкиве определяются силами трения кабины и противовеса о направляющие:




Моменты статического сопротивления на канатоведущем шкиве представляют собой сумму активной и реактивной составляющей:




Угловая скорость канатоведущего шкива:
W(ш)

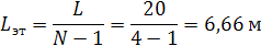
Расстояние между этажами:

Время движения при перемещении на максимальное расстояние - три этажа (приблизительно):

Время движения при перемещении на один этаж (приблизительно):

Время работы в цикле (приблизительно):

Время стоянки на этаже (приблизительно):

Возможный вид нагрузочной диаграммы лифта представлен на рис.2.

Эквивалентный статический момент на канатоведущем шкиве за время работы в цикле (с учетом влияния потерь в редукторе) составит: (1)

Учет влияния потерь в редукторе выполняется подстановкой следующих значений в формулу (1):
■ в тормозном режиме:
010009000003dc0500000000b705000000000400000003010800050000000b0200000000050000000c021c004400030000001e000400000007010400b7050000410b2000cc001b004300000000001b0043000000000028000000430000001b0000000100080000000000000000000000000000000000000000000000000000000000ffffff00fefefe007474bf00fefebf009cdffe0048004800fedf9c000074bf00bf740000bf744800bfbfdf0074bfdf00df9c4800489cdf009c480000fefedf0074bffe009c48480074000000bffebf0000007400febf740074004800dffefe0000489c00bffefe007400740048489c0074747400bfbf740074bfbf00000048004800740048000000dfdf9c007474480000000000000000000000000000000000000000000000000000000000000000000000000000000000000000000000000000000000000000000000000000000000000000000000000000000000000000000000000000000000000000000000000000000000000000000000000000000000000000000000000000000000000000000000000000000000000000000000000000000000000000000000000000000000000000000000000000000000000000000000000000000000000000000000000000000000000000000000000000000000000000000000000000000000000000000000000000000000000000000000000000000000000000000000000000000000000000000000000000000000000000000000000000000000000000000000000000000000000000000000000000000000000000000000000000000000000000000000000000000000000000000000000000000000000000000000000000000000000000000000000000000000000000000000000000000000000000000000000000000000000000000000000000000000000000000000000000000000000000000000000000000000000000000000000000000000000000000000000000000000000000000000000000000000000000000000000000000000000000000000000000000000000000000000000000000000000000000000000000000000000000000000000000000000000000000000000000000000000000000000000000000000000000000000000000000000000000000000000000000000000000000000000000000000000000000000000000000000000000000000000000000000000000000000000000000000000000000000000000000000000000000000000000000000000000000000000000000000000000000000000000000000000000000000000000000000000000000000000000000000000000000000000000000000000000000000000000000000000000000000000000000000000000000000000000000000000000000000000000000000000000000000000000000000000000000000000000000000000000000000000000000000000000000000000000000000000000000000000000000000000000000000000000000000000000000000000000000000000000000000000000000000000000000000000000000000000000000000000000000000000000000000000002020202020202020202020202020202021100000902020202020202020202020202020202020202020202020202020202020202020202020202020202020202020202ff0202020202020202020202020202020205201602110d020202020202020202020202020202020202020202020202020202020202020202020202020202020202020202ff02020202020202020202020202020202110f10020202020202020202020202020202020202020202020202020202020202020202020202020202020202020202020202ff02020202020202020202020202020202110f10020202020202020202020202020202020202020202020202020202020202020202020202020202020202020202020202ff020202020202020202020202020202021a1516020816020202020202020202020202020202020202020202020202020202020202020202020202020202020202020202ff181900000d02020202020e0000001602020520000016020202020202020202020202020202020202020202020202020202020202020202020202020202020202020202ff0218190d020202020202020e00160202020202020202020202020202020202020202020202020202020202020202020202020202020202020202020202020202020202ff02181916020211220702021100160202020202020202020202020202020202020202020202020202020202020202020202020202020202020202020202020202020202ff02181916020208000d020211001602020202020202020202020202020202020202020202020202020202020202020202020208000000000000000000000f1002020202ff02181916021a15241704021100160202020202020202020202020202020202020202020202020202020202020202020202020202020202020202020202020202020202ff02181916020e22231916021100160202020202020202020202020202020202020202020202020202020202020202020202020202020202020202020202020202020202ff0218191618190f10110f1011001602020202020202020202020202020202020202020202020202020202020202020202020208000000000000000000000f1002020202ff0218191605200d021a21071100160202020202112207020202020202020202080f10020202020202020202020202020202020202020202020202020202020202020202ff021819160e130402020e0d110016020202020e090202020202020202020202020512100202020202020202020202020202020202020202020202020202020202020202ff0218191e150902020205171f0016020202051704020202020202020202020202020e0d0202020202020202020202020202020202020202020202020202020202020202ff0218191d001602020202081d00160202020e0d020211000000000000000009020205170402020202020202020202020202020202020202020202020202020202020202ff021819001304020202021100001602021819160202020816021109021a1b040202181c0702020202020202020202020202020202020202020202020202020202020202ff181900000902020202021a15000016021819160202020816021109021a1b04020218191602020202020202020202020202020202020202020202020202020202020202ff020202020202020202020202020202021819160202020816021109021a1b04020218191602020202020202020202020202020202020202020202020202020202020202ff020202020202020202020202020202021819160202020816021109021a1b040202181c0702020202020202020202020202020202020202020202020202020202020202ff02020202020202020202020202020202020e0d020211001314150016080009020205170402020203040202020202020202020202020202020202020202020202020202ff0202020202020202020202020202020202051210020202020202020202020202020e0d0202050a0b0c0d02020202020202020202020202020202020202020202020202ff0202020202020202020202020202020202020e0f100202020202020202020202110f100202021100090202020202020202020202020202020202020202020202020202ff02020202020202020202020202020202020202050607020202020202020202080902020202050a0b0c0d02020202020202020202020202020202020202020202020202ff02020202020202020202020202020202020202020202020202020202020202020202020202020203040202020202020202020202020202020202020202020202020202ff02020202020202020202020202020202020202020202020202020202020202020202020202020202020202020202020202020202020202020202020202020202020202ff02020202020202020202020202020202020202020202020202020202020202020202020202020202020202020202020202020202020202020202020202020202020202ff040000002701ffff030000000000Мс(ш)
hп 
■ в двигательном режиме:
010009000003a605000000008105000000000400000003010800050000000b0200000000050000000c021c004000030000001e00040000000701040081050000410b2000cc001b003f00000000001b003f0000000000280000003f0000001b0000000100080000000000000000000000000000000000000000000000000000000000ffffff00fefefe007474bf00fefebf009cdffe0048004800fedf9c000074bf00bf740000bf744800bfbfdf0074bfdf00df9c4800489cdf009c480000fefedf0074bffe009c48480074000000bffebf0000007400febf740074004800dffefe0000489c00bffefe007400740048489c0074747400bfbf740074bfbf00000048004800740048000000dfdf9c0074744800000000000000000000000000000000000000000000000000000000000000000000000000000000000000000000000000000000000000000000000000000000000000000000000000000000000000000000000000000000000000000000000000000000000000000000000000000000000000000000000000000000000000000000000000000000000000000000000000000000000000000000000000000000000000000000000000000000000000000000000000000000000000000000000000000000000000000000000000000000000000000000000000000000000000000000000000000000000000000000000000000000000000000000000000000000000000000000000000000000000000000000000000000000000000000000000000000000000000000000000000000000000000000000000000000000000000000000000000000000000000000000000000000000000000000000000000000000000000000000000000000000000000000000000000000000000000000000000000000000000000000000000000000000000000000000000000000000000000000000000000000000000000000000000000000000000000000000000000000000000000000000000000000000000000000000000000000000000000000000000000000000000000000000000000000000000000000000000000000000000000000000000000000000000000000000000000000000000000000000000000000000000000000000000000000000000000000000000000000000000000000000000000000000000000000000000000000000000000000000000000000000000000000000000000000000000000000000000000000000000000000000000000000000000000000000000000000000000000000000000000000000000000000000000000000000000000000000000000000000000000000000000000000000000000000000000000000000000000000000000000000000000000000000000000000000000000000000000000000000000000000000000000000000000000000000000000000000000000000000000000000000000000000000000000000000000000000000000000000000000000000000000000000000000000000000000000000000000000000000000000000000000000000000000000000000000000000000000000000000000000000000000000020202020202020202020202020202020211000009020202020202020202020202020202020202020202020202020202020202020202020202020202020202000202020202020202020202020202020205201602110d02020202020202020202020202020202020202020202020202020202020202020202020202020202020002020202020202020202020202020202110f1002020202020202020202020202020202020202020202020202020202020202020202020202020202020202020002020202020202020202020202020202110f10020202020202020202020202020202020202020202020202020202020202020202020202020202020202020200020202020202020202020202020202021a1516020816020202020202020202020202020202020202020202020202020202020202020202020202020202020200181900000d02020202020e00000016020205200000160202020202020202020202020202020202020202020202020202020202020202020202020202020202000218190d020202020202020e001602020202020202020202020202020202020202020202020202020202020202020202020202020202020202020202020202000218191602021122070202110016020202020202020202020202020202020202020202020202020202020202020202020202020202020202020202020202020002181916020208000d020211001602020202020202020202020202020202020202020202020202020202020202020202020208000000000000000000000f100002181916021a1524170402110016020202020202020202020202020202020202020202020202020202020202020202020202020202020202020202020202020002181916020e222319160211001602020202020202020202020202020202020202020202020202020202020202020202020202020202020202020202020202000218191618190f10110f1011001602020202020202020202020202020202020202020202020202020202020202020202020208000000000000000000000f10000218191605200d021a21071100160202020202112207020202020202020202080f10020202020202020202020202020202020202020202020202020202020200021819160e130402020e0d110016020202020e0902020202020202020202020205121002020202020202020202020202020202020202020202020202020202000218191e150902020205171f0016020202051704020202020202020202020202020e0d02020202020202020202020202020202020202020202020202020202000218191d001602020202081d00160202020e0d020211000000000000000009020205170402020202020202020202020202020202020202020202020202020200021819001304020202021100001602021819160202020816021109021a1b040202181c0702020202020202020202020202020202020202020202020202020200181900000902020202021a15000016021819160202020816021109021a1b04020218191602020202020202020202020202020202020202020202020202020200020202020202020202020202020202021819160202020816021109021a1b04020218191602020202020202020202020202020202020202020202020202020200020202020202020202020202020202021819160202020816021109021a1b040202181c070202020202020202020202020202020202020202020202020202020702020202020202020202020202020202020e0d0202110013141500160800090202051704020202030402020202020202020202020202020202020202020202470202020202020202020202020202020202051210020202020202020202020202020e0d0202050a0b0c0d020202020202020202020202020202020202020202870202020202020202020202020202020202020e0f100202020202020202020202110f1002020211000902020202020202020202020202020202020202020202c702020202020202020202020202020202020202050607020202020202020202080902020202050a0b0c0d02020202020202020202020202020202020202020200020202020202020202020202020202020202020202020202020202020202020202020202020202030402020202020202020202020202020202020202020202ff020202020202020202020202020202020202020202020202020202020202020202020202020202020202020202020202020202020202020202020202020202ff02020202020202020202020202020202020202020202020202020202020202020202020202020202020202020202020202020202020202020202020202020202040000002701ffff030000000000 Мс(ш)/ hп = 2,168/0,6 = 3,613 0100090000038204000000005d04000000000400000003010800050000000b0200000000050000000c0217003200030000001e0004000000070104005d040000410b2000cc00160031000000000016003100000000002800000031000000160000000100080000000000000000000000000000000000000000000000000000000000ffffff00fefefe00dffefe0000489c0074000000fefebf00bffefe00000074009c480000fefedf00bf74000048000000fedf9c0074bffe000074bf00febf74009cdffe00744848000048740048489c00004848007400480074007400489c9c00df9c4800489cdf00bffebf00dfdf9c0074bfbf0000004800dffebf0000000000000000000000000000000000000000000000000000000000000000000000000000000000000000000000000000000000000000000000000000000000000000000000000000000000000000000000000000000000000000000000000000000000000000000000000000000000000000000000000000000000000000000000000000000000000000000000000000000000000000000000000000000000000000000000000000000000000000000000000000000000000000000000000000000000000000000000000000000000000000000000000000000000000000000000000000000000000000000000000000000000000000000000000000000000000000000000000000000000000000000000000000000000000000000000000000000000000000000000000000000000000000000000000000000000000000000000000000000000000000000000000000000000000000000000000000000000000000000000000000000000000000000000000000000000000000000000000000000000000000000000000000000000000000000000000000000000000000000000000000000000000000000000000000000000000000000000000000000000000000000000000000000000000000000000000000000000000000000000000000000000000000000000000000000000000000000000000000000000000000000000000000000000000000000000000000000000000000000000000000000000000000000000000000000000000000000000000000000000000000000000000000000000000000000000000000000000000000000000000000000000000000000000000000000000000000000000000000000000000000000000000000000000000000000000000000000000000000000000000000000000000000000000000000000000000000000000000000000000000000000000000000000000000000000000000000000000000000000000000000000000000000000000000000000000000000000000000000000000000000000000000000000000000000000000000000000000000000000000000000000000000000000000000000000000000000000000000000000000000000000000000000000000000000000000000000000000000000000000000000000000000000000000000000000000000000000000000000000000000000000000000000000000000000000000000000000000000000000202020202020202020202020202020202020202020202020202020202020202020202020202020202020202020202020200000002020202020202020202020202020202020202020202020202020202020202020202020202020202020202020202020202000000020202020202020202020202020202020202020202020202020202020202020202020202020202020202020202020202020000000202020202020202020202020202020202020202020202020202020202020202020202020202020202020202020202020200000002020202020202020202020202020202020202020202020202020202020202020202020202020202020202020202020202000000070800000b02030400051f0400000506020708000005060202020202020202020202020207080005060202020f0000090a0000000207080b0202111e0b02020304050602020207080506020202020202020202020202020202111606020202020304090a020000000207080b02020f0c0d0202030405060202020304090a020202020202020202020202020202071706020f0b020304090a020000000207080b020e0019020202030405060202020304090a020202020202020202020202020202071706111e0c0d0304090a0200000002070800000c0d02020202030405060202020304090a0202020202020e000b0202020202020717061a051d0b0304090a020000000207080b020f1902020202030405060202020304090a0202020202021a000506020202020207171b081903141c04090a020000000207080b02111606020202030400000000000000090a0202020202020e000b0202020202020717180506020e0b0f090a020000000207080b02020f100e0b02030405060202020304090a0202020202020202020202020202021112130b0202031415090a02000000070800000b020708000b02030405060202020304090a02020202020202020202020202020708000c0d0202020e0000090a0000000202020202020202020202030405060202020304090a0202020202020202020202020202020202020202020202020202020000000202020202020202020202030405060202020304090a020202020202020202020202020202020202020202020202020202000000020202020202020202020203040506020202070805060202020202020202020202020202020202020202020202020202020000000202020202020202020203040000050602070800000506020202020202020202020202020202020202020202020202020200000002020202020202020202020202020202020202020202020202020202020202020202020202020202020202020202020202000000020202020202020202020202020202020202020202020202020202020202020202020202020202020202020202020202020000000202020202020202020202020202020202020202020202020202020202020202020202020202020202020202020202020200000002020202020202020202020202020202020202020202020202020202020202020202020202020202020202020202020202000000040000002701ffff030000000000
Примечание. Двигательный режим имеет место, если знаки электромагнитного момента двигателя и его скорости одинаковы, тормозной режим - если различны. Скорость двигателя считается положительной при подъеме кабины, отрицательной - при опускании кабины. Положительное направление момента двигателя совпадает с положительным направлением его скорости. При расчете требуемой номинальной мощности двигателя предполагаем, что будет выбран двигатель, номинальные данные которого определены для повторно-кратковременного режима работы и стандартного значения продолжительности включения ПВN=40%.
Расчетная номинальная мощность двигателя:
W(ш)0100090000033822000000001322000000000400000003010800050000000b0200000000050000000c0230005a01030000001e00040000000701040013220000410b2000cc002f005901000000002f0059010000000028000000590100002f0000000100080000000000000000000000000000000000000000000000000000000000ffffff00fefefe00bffefe00000074009cdffe0074004800fefebf0074bffe009c480000fefedf00bf740000489cdf000074bf00df9c480074000000febf7400dffefe0000489c0048000000fedf9c0048489c0048007400dfdfdf000000480048004800bf74480074489c00dfdf9c0048484800dfdffe0000484800dffebf00dfbf7400740074009c749c007474bf00007474009c48740074bfdf009c48480000749c0000000000000000000000000000000000000000000000000000000000000000000000000000000000000000000000000000000000000000000000000000000000000000000000000000000000000000000000000000000000000000000000000000000000000000000000000000000000000000000000000000000000000000000000000000000000000000000000000000000000000000000000000000000000000000000000000000000000000000000000000000000000000000000000000000000000000000000000000000000000000000000000000000000000000000000000000000000000000000000000000000000000000000000000000000000000000000000000000000000000000000000000000000000000000000000000000000000000000000000000000000000000000000000000000000000000000000000000000000000000000000000000000000000000000000000000000000000000000000000000000000000000000000000000000000000000000000000000000000000000000000000000000000000000000000000000000000000000000000000000000000000000000000000000000000000000000000000000000000000000000000000000000000000000000000000000000000000000000000000000000000000000000000000000000000000000000000000000000000000000000000000000000000000000000000000000000000000000000000000000000000000000000000000000000000000000000000000000000000000000000000000000000000000000000000000000000000000000000000000000000000000000000000000000000000000000000000000000000000000000000000000000000000000000000000000000000000000000000000000000000000000000000000000000000000000000000000000000000000000000000000000000000000000000000000000000000000000000000000000000000000000000000000000000000000000000000000000000000000000000000000000000000000000000000000000000000000000000000000000000000000000000000000000000000000000000000000000000000000000000000000000000000000000000000000000000000000000000000000000000000000000000000000000000000000000000020202020202020202020202020202020202020202020202020202020202020202020202020202020202020202020202020202020202020202020202020202020202020202020202020202020202020202020202020202020202020202020202020202020202020202020202020202020202020202020202020202020202020202020202020202020202020202020202020202020202020202020202020202020202020202020202020202020202020202020202020202020202020202020202020202020202020202020202020202020202020202020202020202020202020202020202020202020202020202020202020202020202020202020202020202020202020202020202020202020202020202020202020202020202020202020202020202020202020202020202020202020202020202020202020202020202020202020202020202020202020202020202020202020202020202000000020202020202020506070202020202020202020202020202020202020202020202020202020202020202020202020202020202020202020202020202020202020202020202020202020202020202020202020202020202020202020202020202020202020202020202020202020202020202020202020202020202020202020202020202020202020202020202020202020202020202020202020202020202020202020202020202020202020202020202020202020202020202020202020202020202020202020202020202020202020202020202020202020202020202020202020202020202020202020202020202020202020202020202020202020202020202020202020202020202020202020202020202020202020202020202020202020202020202020202020202020202020202020202020202020202020202020202020202020202020202020202020202020202020202020202000000020202020202020d1314020202020202020202020202020202020202020202020202020202020202020202020202020202020202020202020202020202020202020202020202020202020202020202020202020202020202020202020202020202020202020202020202020202020202020202020202020202020202020202020202020202020202020202020202020202020202020202020202020202020202020202020202020202020202020202020202020202020202020202020202020202020202020202020202020202020202020202020202020202020202020202020202020202020202020202020202020506070202020202020202020202020202020202020202020202020202020202020202020202020202020202020202020202020202020202020202020202020202020202020202020202020202020202020202020202020202020202020202020202020202020202020200000002020202020205181314020202020202020202020202020202020202020202020202020202020202020202020202020202020202020202020202020202020202020202020202020202020202020202020202020202020202020202020202020202020202020202020202020202020202020202020202020202020202020202020202020202020202020202020202020202020202020202020202020202020202020202020202020202020202020202020202020202020202020202020202020202020202020202020202020202020202020202020202020202020202020202020202020202020202020202020202020d131402020202020202020202020202020202020202020202020202020202020202020202020202020202020202020202020202020202020202020202020202020202020202020202020202020202020202020202020202020202020202020202020202020202020202000000020202020211120000100202020202020202020202020202020202020202020c000b02020c090a020202020202020202020202020202020202020202020202020202020202020202020202020202020202020202020202020202020202020202020202020202020202020202020202020202020202020202020202020202020202020202020202020202020202020202020202020202020202020202020202020202020202020202020202020202020202020202020202020202020202020202020202020202020202020202020202020202020202020202020202020202020202020202020202020202020202020518131402020202020202020202020202020202020202020202020202020202020202020202020202020202020202020202020202020202020202020202020202020202020202020202020202020202020202020202020202020202020202020202020202020202020202000000020202020208000b0d0e0202020202020202020202020202020202020202021115140203040f07020202020202020202020202020202020202020202020202020202020202020202020202020202020202020202020202020202020202020202020202020202020202020202020202020202020202020202020202020202020202020202020202020202020202020202020202020202020202020202020202020202020202020202020202020202020202020202020202020202020202020202020202020202020202020202020202020202020202020202020202020202020202020202020202020202020202111200001002020202020202020202020202020202020202020202020202020202020202020202020202020202020202020202020202020202020202020202020202020202020202020202020202020202020202020202020202020202020202020202020202020202020202ffffff0202020211120f070d0e020202020202020202020202020202020202020202020c10020809291002020202020202020202020202020202020202020202020202020202020202020202020202020202020202020202020202020202020202020202020202020202020202020202020202020202020202020202020202020202020202020202020202020202020202020202020202020202020202020202020202020202020202020202020202020202020202020202020202020202020202020202020202020202020202020202020202020202020202020202020202020202020202020202020202020202020208000b0d0e020202020202020202020202020202020202020202020202020202020202020202020202020202020202020202020202020202020202020202020202020202020202020202020202020202020202020202020202020202020202020202020202020202020202020000000202020208000e020c0b020202020800000e020d000f07080000000013140202051a111210080e020202020202020202020202020202020202020202020202020202020202020202020202020202020202020202020202020202020202020202020202020202020202020202020202020202020202020202020202020202020202020202020202020202020202020202020202020202020202020202020202020202020202020202020202020202020202020202020202020202020202020202020202020202020202020202020202020202020202020202020202020202020202020202020202020202020211120f070d0e020202020202020c000f070202030400001002020202020202020202020202020202020202020202020202020202020202020202020202020202020202020202020202020202020202020202020202020202020202020202020202020202020202020202020202ffffff02020203040f0702080b02020202020c0b020203041002020c0b02020c0f07020326270f0705280a0202020202020202020202020202020202020202020202020202020202020202020202020202020202020202020202020202020202020202020202020202020202020202020202020202020202020202020202020202020202020202020202020202020202020202020202020202020202020202020202020202020202020202020202020202020202020202020202020202020202020202020202020202020202020202020202020202020202020202020202020202020202020202020202020202020208000e020c0b020202020202021112100202020d0b020519140202020202020202020202020202020202020202020202020202020202020202020202020202020202020202020202020202020202020202020202020202020202020202020202020202020202020202020202020000000202020c000e020208090a020202020c0b020203041002020c0b0202051914020224250e0211151402020202020202020202020202020202020202020202020202020202020202020202020202020202020202020202020202020202020202020202020202020202020202020202020202020202020202020202020202020202020202020202020202020202020202020202020202020202020202020202020202020202020202020202020202020202020202020202020202020202020202020202020202020202020202020202020202020202020202020202020202020202020202020202020202020203040f0702080b020202020c0000000000090a0304100211120e02020202020202020202020202020202020202020202020202020202020202020202020202020202020202020202020202020202020202020202020202020202020202020202020202020202020202020202020201010117020304090a0202050607020202020c0b020203041002020c0b02020c090a0208001314020c00090a02020202020202020202020202020202020202020202020202020202020202020202020202020202020202020202020202020202020202020202020202020202020202020202020202020202020202020202020202020202020202020202020202020202020202020202020202020202020202020202020202020202020202020202020202020202020202020202020202020202020202020202020202020202020202020202020202020202020202020202020202020202020202020202020202020c000e020208090a020202032207111221230a03161402020d0b0202020202020202020202020202020202020202020202020202020202020202020202020202020202020202020202020202020202020202020202020202020202020202020202020202020202020202020202020000000800000010020202050607020202020c0b020203041002020c0000000b020202020202020202020202020202020202020202020202020202020202020202020202020202020202020202020202020202020202020202020202020202020202020202020202020202020202020202020202020202020202020202020202020202020202020202020202020202020202020202020202020202020202020202020202020202020202020202020202020202020202020202020202020202020202020202020202020202020202020202020202020202020202020202020202020202020202020202020217020304090a020205060702020202080b111210020203161402020d0b020202020202020202020202020202020202020202020202020202020202020202020202020202020202020202020202020202020202020202020202020202020202020202020202020202020202020202020202000000020208090a020202031614020202020c0b020203041002020c0b02020d0b02020202020202020202020202020202020202020202020202020202020202020202020202020202020202020202020202020202020202020202020202020202020202020202020202020202020202020202020202020202020202020202020202020202020202020202020202020202020202020202020202020202020202020202020202020202020202020202020202020202020202020202020202020202020202020202020202020202020202020202020202020202020202020202020202020202020202020202080000001002020205060702020202020c21121002020304100211120e020202020202020202020202020202020202020202020202020202020202020202020202020202020202020202020202020202020202020202020202020202020202020202020202020202020202020202020202ffffff0202020202020202111514020202020c0b020203041002020c0b0202050607020202020202020202020202020202020202020202020202020202020202020202020202020202020202020202020202020202020202020202020202020202020202020202020202020202020202020202020202020202020202020202020202020202020202020202020202020202020202020202020202020202020202020202020202020202020202020202020202020202020202020202020202020202020202020202020202020202020202020202020202020202020202020202020202020202020202020202020208090a020202031614020202020211151f100202020c0b020519140202020202020202020202020202020202020202020202020202020202020202020202020202020202020202020202020202020202020202020202020202020202020202020202020202020202020202020202020000000202020202020202111210020202020c0b020203041002020c0b02020c0f070202020202020202020202020202020202020202020202020202020202020202020202020202020202020202020d10020202020202020202020202020202020202020202020202020202020202020202020202020202020d100202020202020202020202020202020202020202020202020202020202020202020202020202020202020202020202020202020202020202020202020d1002020202020202020202020202020202020202020202020202020202020202020202020202020202020202020202020202020202020202020202111514020202020202051810020202111200000e020202020202020202020202020202020202020202020202020202020202020202020202020d10020202020202020202020202020202020202020202020202020202020202020202020202020202020202020202020000000202020202020202020d0e020202080000000000000f07080000000000100202020202020202020202020202020202020202020202020202020202020202020202020202020202020202020203041002020202020202020202020202020202020202020202020202020202020202020202020202020203041002020202020202020202020202020202020202020202020202020202020202020202020202020202020202020202020202020202020202020202020304100202020202020202020202020202020202020202020202020202020202020202020202020202020202020202020202020202020202020202021112100202020202020202020202020202020202020202020202020202020202020202020202020202020202020202020202020202020202020304100202020202020202020202020202020202020202020202020202020202020202020202020202020202020202020000000202020202020202020d0e0202020202020202020202020202020202020202020202020202020202020202020202020202020202020202020202020202020202020202020202020202020202020d090a0202020202020202020202020202020202020202020202020202020202020202020202020202020d090a02020202020202020202020202020202020202020202020202020202020202020202020202020202020202020202020202020202020202020202020d090a0202020202020202020202020202020202020202020202020202020202020202020202020202020202020202020202020202020202020202020d0e020202020202020202020202020202020202020202020202020202020202020202020202020202020202020202020202020202020202020d090a02020202020202020202020202020202020202020202020202020202020202020202020202020202020202020000000202020202020202020c0b02020202020202020202020202020202020202020202020202020202020202020202020202020202020202020202020202020202020202111200000000000f0702020d0f0702111200000000000f070202020202020202020202020202020202020c000000000000090a02020d0f0702111200000000000f07020211120000000b020202020205180000000b02020202020202020202020202020202020202111200000000000f0702020d0f07020205180000000b020202020208001002020202020203040000001314020202020202020202020202020202020202020202020202020202020d0e020202020202020202020202020202020202020202020202020202020202020202020202020202020202020203040000001314020202020d0f070202111200000f07020202020202030400000b021112000f2012000000000000090a0202020205180000090a000000020202020202020202080b0202020202020202020202020202020202020202020202020202020202020202020202020202020202020202020202020202020202020202020208000e02020202020d0f070202020208000e02020202020202020202020202020202020202020203041002020205060702020d0f070202020208000e0202020203040f07020518090a020208000b02020304090a020202020202020202020202020202020202020208000e02020202020d0f070208000b02020304090a02020203040b0202020202020d131402020d00100202020202020202020202020202020202020202020202020202020c0b02020202020202020202020202020202020202020202020202020202020202020202020202020202020202020d131402020d00100202020d0f070211121314020c131402020202020203040b020205180b020211120f07020208000f070202020203040b020200000002020202020202020208090a02020202020202020202020202020202020202020202020202020202020202020202020202020202020202020202020202020202020202020208000e02020202020202020202020208000e02020202020202020202020202020202020202020202080f070202111b0702020202020202020208000e020202020c00100202020c00100211120f07020202080010020202020202020202020202020202020202020208000e020202020202020211120f07020202080010020202020c131402020202020d0e0202020304090a0202020202020202020202020202020202020202020202020202080b02020202020202020202020202020202020202020202020202020202020202020202020202020202020202020d0e0202020304090a02020202020208000e020203040b02020202020203040b02020d1314020211120f070202020c000e0202020203040b020200000002020202020202020205060702020202020202020202020202020202020202020202020202020202020202020202020d00000000000000000000090a02020202020202020208000e02020202020202020202020208000e02020202020202020202031614020202020202020202020d090a0202020202020202020202020208000e020202020d0f0702020205180e020304090a02020208000e020202020202031614020202020202020202020208000e02020202020202020304090a02020208000e0202020205180e02020202020202020202020d0f07020202020202020316140202020202020202020202020202020208090a02020202020202020202020202020202020202020202020d00000000000000000000090a020202020202020202020202020d0f070202020202020c13140202020d0f07020202020203040b0208000e02020211120f0702020208000b0202020203040b020200000002020202020202020205060702020202020202020202020202020202020202020202020202020202020202020202020202020202020202020202020202020202020202020208000e02020202020202020202020208000e02020202020202020d0b111b2012090a0202020202020211120b0202020202020202020202020208000e02020211120f0702020205180e02020d0f070202020c0010020202020d0b111b2012090a020202020202020208000e0202020202020202020d0f070202020c001002020202020d0f07020202020202020202020d131402020202020d0b111b2012090a02020202020202020202020202050607020202020202020202020202020202020202020202020202020202020202020202020202020202020202020202020202020d13140202020202020d0f070202020c131402020202020304000013140202020211120f070202020c000e0202020203040b020200000002020202020202020203161402020000000000000000000000000000000000000000000000000000000202020202020202020202020202020202020202020202020202020208000e02020202020202020202020208000e02020202020202020208131f13140202020202020202020203040e02020202020202020202020208000e02020211120f0702020208000e020205180b02020518090a020202020208131f13140202020202020202020208000e02020202020202020205180b02020518090a020202020208001002020202020202020211120f0702020202020208131f131402020202020202020202020202020205060702020000000000000000000000000000000202020202020202020202020202020202020202020202020202020202020211120f07020202020211120f070202020c0010020202020203040b020d0e0202020211120f0702020800090a0202020203040b020201690002020202020202020211151402020202020202020202020202020202020202020202020202020202020202020202020d00000000000000000000090a02020202020202020208000e02020202020202020202020208000e020202020202020217080000000e1e0a020202020202020202051810020202020202020202020208000e020202020d0013140203040f0702020211120000001002020202020217080000000e1e0a020202020202020208000e02020202020202020202111200000010020202020202021112090a02020211120b02020c000e02020202020217080000000e1e0a0202020202020202020202020203161402020202020202020202020202020202020202020202020d00000000000000000000090a0202020202020211120b02020c000e02020202020211120f070202020c0010020202020203040b0205060702020211120000000013140202020c0b0203040b021100000002020202020202020211121002020202020202020202020202020202020202020202020202020202020202020202020202020202020202020202020202020202020202020208000e02020202020202020202020208000e02020202020202020c0b111b070c0b02020202020202020202020c13140202020202020202020208000e020202020c131c120000131402020205180b020203040b02020202020c0b111b070c0b02020202020202020208000e02020202020202020205180b020203040b020202020202020c131402020203041d0000000e020202020202020c0b111b070c0b02020202020202020202020202021115140202020202020202020202020202020202020202020202020202020202020202020202020202020202020203041d0000000e0202020202020211120f070202020c0010020202020203040b02020d10080b0211120f0702020c001002020c131403040b0208ffffff020202020202020202020d0e02020202020202020202020202020202020202020202020202020202020202020202020202020202020202020202020202020202020202020208000e02020202020202020202020208000e020202020202020202020316140202020202020202020202020205180b0202020202020202020208000e0202020205180e02020202020202020d13140202020c1314020202020202031614020202020202020202020208000e0202020202020202020d13140202020c131402020202020203040b02020203040e02020202020202020202020202031614020202020202020202020202020202021112100202020202020202020202020202020202020202020202020202020202020202020202020202020202020203040e0202020202020202020202020d0f070202020d131402020202030400000b020304000b0211120f070202020d1314020c00000000000000000000020202020202020202020d0e02020202020202020202020202020202020202020202020202020202020202020202020202020202020202020202020202020202020202020208000e02020202020202020202020208000e02020202020202020202020202020202020202020202020202020304090a02020202020202020208000e02020202020d0f0702020202020211120f07020202080010020202020202020202020202020202020202020208000e020202020202020211120f07020202080010020202020202020d0f07020203040e0202020202020202020202020202020202020202020202020202020202020202020d0e0202020202020202020202020202020202020202020202020202020202020202020202020202020202020203040e0202020202020202020202020c1314020211120f0702020202020202020202020202020211120f070202020c000e020202020202020202000000020202020202020202020c0b02020202020202020202020202020202020202020202020202020202020202020202020202020202020202020202020202020202020208131408000e02020202020202020208131408000e0202020202020202020202020202020202020202020c0b0202020518090a02020202020208131408000e020202020211120b020202020202020d0f070202020c0010020202020202020202020202020202020208131408000e0202020202020202020d0f070202020c001002020d1002020205180e020203040e0202020202020202020202020202020202020202020202020202020202020202020d0e0202020202020202020202020202020202020202020202020202020202020202020202020202020202020203040e02020202020202020202020205180e02020304090a02020202020202020202020202020211120f070202020d000e02020202020202020200000002020202020202020202080b020202020202020800000e020d000f07080000000013140202020202020202020202020202020202020202020202020202020202020202111200000e02020202020202020202111200000e0202020202020202020202020202020202020202020c001002020d000e0202020202020202111200000e02020202020211121314020202020205180b020205180f07020202020202020202020202020202020202111200000e02020202020202020205180b020205180f0702020c0b0202021112090a0203040e0202020202020202020202020202020202020202020202020202020202020202020c0b020211120000000e0202020c000000000e020202020202020202020202020202020202020202020202020203040e020202020202020202020202020d0f07020d00100202020202020202020202020202020211120f07020205181314020202020202020202ffffff0202020202020202020208090a020202020202020c0b020203041002020c0b02020c0f0702020202020202020202020202020202020202020202020202020202020202020203040e02020202020202020202020203040e0202020202020202020202020202020202020202020203040000000e020202020202020202020203040e020202020202020205180010020202020304000000090a02020202020202020202020202020202020202020203040e020202020202020202020304000000090a0202020c000000000000001002030400000000000b02020202020202020202020202020202020202020202020202020202080b020211151402051810020202020d0b02020202020202020202020202020202020202020202020202020202030400000000000b0202020202020202020c00000010020202020202020202020202020202021112000000000000131402020202020202020202ffffff02020202020202020202050607020202020202020c0b020203041002020c0b02020519140202020202020202020202020202020202020202020202020202020202020202020202020202020202020202020202020202020202020202020202020202020202020202020202020202020202020202020202020202020202020202020202020202020202020202020202020202020202020202020202020202020202020202020202020202020202020202020202020202020202020202020202020202020202020202020202020202020202020202051a0202020202020202020202020202020202020202020202020202020208090a020202020211120e020202020c0b02020202020202020202020202020202020202020202020202020202020202020202051a0202020202020202020202020202020202020202020202020202020202020202020202020202020202020202020202020202ffffff02020202020202020202050607020202020202020c0b020203041002020c0b02020c090a02020202020202020202020202020202020202020202020202020202020202020202020202020202020202020202020202020202020202020202020202020202020202020202020202020202020202020202020202020202020202020202020202020202020202020202020202020202020202020202020202020202020202020202020202020202020202020202020202020202020202020202020202020202020202020202020202020202020202020202020202020202020202020202020202020202020202020202020202020506070202020202051810020202020c0b0202020202020202020202020202020202020202020202020202020202020202020202020202020202020202020202020202020202020202020202020202020202020202020202020202020202020202020202020202ffffff02020202020202020202031614020202020202020c0b020203041002020c0000000b0202020202020202020202020202020202020202020202020202020202020202020202020202020202020202020202020202020202020202020202020202020202020202020202020202020202020202020202020202020202020202020202020202020202020202020202020202020202020202020202020202020202020202020202020202020202020202020202020202020202020202020202020202020202020202020202020202020202020202020202020202020202020202020202020202020202020202020202020202020205060702020c0000000b02020202020c0b0202020202020202020202020202020202020202020202020202020202020202020202020202020202020202020202020202020202020202020202020202020202020202020202020202020202020202020202020202ffffff02020202020202020202111514020202020202020c0b020203041002020c0b02020d0b02020202020202020202020202020202020202020202020202020202020202020202020202020202020202020202020202020202020202020202020202020202020202020202020202020202020202020202020202020202020202020202020202020202020202020202020202020202020202020202020202020202020202020202020202020202020202020202020202020202020202020202020202020202020202020202020202020202020202020202020202020202020202020202020202020202020202020202020202020203161402020c1002020202020217020c0b0202020202020202020202020202020202020202020202020202020202020202020202020202020202020202020202020202020202020202020202020202020202020202020202020202020202020202020202020202ffffff02020202020202020202111210020202020202020c0b020203041002020c0b0202050607020202020202020202020202020202020202020202020202020202020202020202020202020202020202020202020202020202020202020202020202020202020202020202020202020202020202020202020202020202020202020202020202020202020202020202020202020202020202020202020202020202020202020202020202020202020202020202020202020202020202020202020202020202020202020202020202020202020202020202020202020202020202020202020202020202020202020202020202020211151402020c100202020202020c00000b020202020202020202020202020202020202020202020202020202020202020202020202020202020202020202020202020202020202020202020202020202020202020202020202020202020202020202020202020200000002020202020202020202020d0e020202020202020c0b020203041002020c0b02020c0f07020202020202020202020202020202020202020202020202020202020202020202020202020202020202020202020202020202020202020202020202020202020202020202020202020202020202020202020202020202020202020202020202020202020202020202020202020202020202020202020202020202020202020202020202020202020202020202020202020202020202020202020202020202020202020202020202020202020202020202020202020202020202020202020202020202020202020202020202020211121002020c0000001314020202020d0b020202020202020202020202020202020202020202020202020202020202020202020202020202020202020202020202020202020202020202020202020202020202020202020202020202020202020202020202020200000002020202020202020202020d0e020202020202080000000000000f0708000000000010020202020202020202020202020202020202020202020202020202020202020202020202020202020202020202020202020202020202020202020202020202020202020202020202020202020202020202020202020202020202020202020202020202020202020202020202020202020202020202020202020202020202020202020202020202020202020202020202020202020202020202020202020202020202020202020202020202020202020202020202020202020202020202020202020202020202020202020202020202020d0e0202020202020202020202020202020202020202020202020202020202020202020202020202020202020202020202020202020202020202020202020202020202020202020202020202020202020202020202020202020202020202020202020202020200000002020202020202020202020c0b02020202020202020202020202020202020202020202020202020202020202020202020202020202020202020202020202020202020202020202020202020202020202020202020202020202020202020202020202020202020202020202020202020202020202020202020202020202020202020202020202020202020202020202020202020202020202020202020202020202020202020202020202020202020202020202020202020202020202020202020202020202020202020202020202020202020202020202020202020202020202020202020202020202020202020202020202020d0e020202020202020202020202020202020202020202020202020202020202020202020202020202020202020202020202020202020202020202020202020202020202020202020202020202020202020202020202020202020202020202020202020202020000000202020202020202020202080b02020202020202020202020202020202020202020202020202020202020202020202020202020202020202020202020202020202020202020202020202020202020202020202020202020202020202020202020202020202020202020202020202020202020202020202020202020202020202020202020202020202020202020202020202020202020202020202020202020202020202020202020202020202020202020202020202020202020202020202020202020202020202020202020202020202020202020202020202020202020202020202020202020202020202020202020202020c0b02020202020202020202020202020202020202020202020202020202020202020202020202020202020202020202020202020202020202020202020202020202020202020202020202020202020202020202020202020202020202020202020202020202000000020202020202020202020208090a02020202020202020202020202020202020202020202020202020202020202020202020202020202020202020202020202020202020202020202020202020202020202020202020202020202020202020202020202020202020202020202020202020202020202020202020202020202020202020202020202020202020202020202020202020202020202020202020202020202020202020202020202020202020202020202020202020202020202020202020202020202020202020202020202020202020202020202020202020202020202020202020202020202020202020202020202080b0202020202020202020202020202020202020202020202020202020202020202020202020202020202020202020202020202020202020202020202020202020202020202020202020202020202020202020202020202020202020202020202020202020200000002020202020202020202020506070202020202020202020202020202020202020202020202020202020202020202020202020202020202020202020202020202020202020202020202020202020202020202020202020202020202020202020202020202020202020202020202020202020202020202020202020202020202020202020202020202020202020202020202020202020202020202020202020202020202020202020202020202020202020202020202020202020202020202020202020202020202020202020202020202020202020202020202020202020202020202020202020202020202020202020202020208090a020202020202020202020202020202020202020202020202020202020202020202020202020202020202020202020202020202020202020202020202020202020202020202020202020202020202020202020202020202020202020202020202020202000000020202020202020202020205060702020202020202020202020202020202020202020202020202020202020202020202020202020202020202020202020202020202020202020202020202020202020202020202020202020202020202020202020202020202020202020202020202020202020202020202020202020202020202020202020202020202020202020202020202020202020202020202020202020202020202020202020202020202020202020202020202020202020202020202020202020202020202020202020202020202020202020202020202020202020202020202020202020202020202020202020202050607020202020202020202020202020202020202020202020202020202020202020202020202020202020202020202020202020202020202020202020202020202020202020202020202020202020202020202020202020202020202020202020202020202000000020202020202020202020203040000000000000000000000000000000000000000000000000000000002020202020202020202020202020202020202020202020202020202020202020202020202020202020202020202020202020202020202020202020202020202020202020202020202020202020202020202020202020202020202020202020202020202020202020202020202020202020202020202020202020202020202020202020202020202020202020202020202020202020202020202020202020202020202020202020202020202020202020202020202020202020202020202020202020202020202020202050607020202020202020202020202020202020202020202020202020202020202020202020202020202020202020202020202020202020202020202020202020202020202020202020202020202020202020202020202020202020202020202020202020202000000020202020202020202020202020202020202020202020202020202020202020202020202020202020202020202020202020202020202020202020202020202020202020202020202020202020202020202020202020202020202020202020202020202020202020202020202020202020202020202020202020202020202020202020202020202020202020202020202020202020202020202020202020202020202020202020202020202020202020202020202020202020202020202020202020202020202020202020202020202020202020202020202020202020202020202020202020202020202020202020202020202030400000000000000000000000000000000000000000000000000000000000000000000000002020202020202020202020202020202020202020202020202020202020202020202020202020202020202020202020202020202020202020202020202020202000000020202020202020202020202020202020202020202020202020202020202020202020202020202020202020202020202020202020202020202020202020202020202020202020202020202020202020202020202020202020202020202020202020202020202020202020202020202020202020202020202020202020202020202020202020202020202020202020202020202020202020202020202020202020202020202020202020202020202020202020202020202020202020202020202020202020202020202020202020202020202020202020202020202020202020202020202020202020202020202020202020202020202020202020202020202020202020202020202020202020202020202020202020202020202020202020202020202020202020202020202020202020202020202020202020202020202020202020202020202020202020202020202020202020202020202000000020202020202020202020202020202020202020202020202020202020202020202020202020202020202020202020202020202020202020202020202020202020202020202020202020202020202020202020202020202020202020202020202020202020202020202020202020202020202020202020202020202020202020202020202020202020202020202020202020202020202020202020202020202020202020202020202020202020202020202020202020202020202020202020202020202020202020202020202020202020202020202020202020202020202020202020202020202020202020202020202020202020202020202020202020202020202020202020202020202020202020202020202020202020202020202020202020202020202020202020202020202020202020202020202020202020202020202020202020202020202020202020202020202020202020202000000020202020202020202020202020202020202020202020202020202020202020202020202020202020202020202020202020202020202020202020202020202020202020202020202020202020202020202020202020202020202020202020202020202020202020202020202020202020202020202020202020202020202020202020202020202020202020202020202020202020202020202020202020202020202020202020202020202020202020202020202020202020202020202020202020202020202020202020202020202020202020202020202020202020202020202020202020202020202020202020202020202020202020202020202020202020202020202020202020202020202020202020202020202020202020202020202020202020202020202020202020202020202020202020202020202020202020202020202020202020202020202020202020202020202020202000000040000002701ffff030000000000
где К3 - коэффициент запаса (примем К3 = 1,1).
Предварительный выбор двигателя и расчет его параметров
Для лифта выбираем два двигателя серии Д21 с естественным охлаждением, номинальные данные которого определены для повторнократковременного режима работы с продолжительностью включения 40%.
Так как проектируется двухдвигательный привод, то выбираем два однотипных двигателя, так чтобы их суммарная номинальная мощность была не меньше расчетной номинальной мощности и была наиболее близка к ней.
Данные для двухдвигательного привода сведём в таблицу (табл. 2). В таблицу следует занести эквивалентные параметры двух двигателей. Выбираем параллельное соединение якорных обмоток.
Таблица 2. Эквивалентные параметры двух двигателей
|
Параметр |
Обозначение |
Значение |
|
Мощность номинальная, кВт |
PN |
7,2 |
|
Номинальное напряжение якоря, В |
UяN |
220 |
|
Номинальный ток якоря, А |
IяN |
42 |
|
Номинальная частота вращения, об/мин |
nN |
1080 |
|
Максимально допустимый момент, Нм |
Mmax |
180 |
|
Сопротивление обмотки якоря (Т=20 010009000003a602000000008102000000000400000003010800050000000b0200000000050000000c0211000d00030000001e00040000000701040081020000410b2000cc0010000c000000000010000c0000000000280000000c000000100000000100080000000000000000000000000000000000000000000000000000000000ffffff00fefefe00dffefe0000489c009c480000fefedf00bffefe000000740074000000fefebf0074bffe00febf7400489cdf00df9c480074489c00bf7400000074bf009cdffe000000480000000000000000000000000000000000000000000000000000000000000000000000000000000000000000000000000000000000000000000000000000000000000000000000000000000000000000000000000000000000000000000000000000000000000000000000000000000000000000000000000000000000000000000000000000000000000000000000000000000000000000000000000000000000000000000000000000000000000000000000000000000000000000000000000000000000000000000000000000000000000000000000000000000000000000000000000000000000000000000000000000000000000000000000000000000000000000000000000000000000000000000000000000000000000000000000000000000000000000000000000000000000000000000000000000000000000000000000000000000000000000000000000000000000000000000000000000000000000000000000000000000000000000000000000000000000000000000000000000000000000000000000000000000000000000000000000000000000000000000000000000000000000000000000000000000000000000000000000000000000000000000000000000000000000000000000000000000000000000000000000000000000000000000000000000000000000000000000000000000000000000000000000000000000000000000000000000000000000000000000000000000000000000000000000000000000000000000000000000000000000000000000000000000000000000000000000000000000000000000000000000000000000000000000000000000000000000000000000000000000000000000000000000000000000000000000000000000000000000000000000000000000000000000000000000000000000000000000000000000000000000000000000000000000000000000000000000000000000000000000000000000000000000000000000000000000000000000000000000000000000000000000000000000000000000000000000000000000000000000000000000000000000000000000000000000000000000000000000000000000000000000000000000000000000000000000000000000000000000000000000000000000000000000000000000000000000000000000000000000000000000000000000000000000000000000000000000000000000000000000000000000000000000000000000000000000000000000000000000000000000000000000000000000000000000000202020202020202020202020202020202020202020202020202020202020202020202020202020202020202020202020202020202020b000000090a020202020212130c02030f0a0202020202111002020202020202020203040e02020202020202020203040e02020202020304001002110e02020202020b0c020d0c0d0506020202020b0c020d0c07080e02030f0a03040005060207080000090a020202020202020202020202020202020202020202020202020202020202020202020202040000002701ffff030000000000), Ом |
Rяо |
0,33 |
|
Сопротивление обмотки добавочных полюсов (Т=20 °С), Ом |
Rдп |
0,14 |
|
Момент инерции якоря двигателя, кг м2 |
Jд |
0,25 |
|
Число пар полюсов |
рп |
2 |
|
Максимально допустимый коэффициент пульсаций тока якоря |
kI(доп) |
0,15 |
Эквивалентные параметры двух двигателей, не зависящие от способа соединения их обмоток, определяются по следующим формулам:
номинальная мощность: PN
= 2 PN(1)
=20100090000039200000000006d00000000000400000003010800050000000b0200000000050000000c0217000600030000001e0004000000070104006d000000410b2000cc00160005000000000016000500000000002800000005000000160000000100040000000000000000000000000000000000000000000000000000000000ffffff00fefefe0074bffe00bf740000489cdf0074000000fefebf000000000000000000000000000000000000000000000000000000000000000000222220022222200022222002222220002222200222222000222220022222200022222002230420bf250670022304204422222002222220bf22222002222220432222200222222000222220042222200022222006222220ff040000002701ffff030000000000
3,6
= 7,2 кВт
момент инерции: JД =2 JД(1) =20100090000039200000000006d00000000000400000003010800050000000b0200000000050000000c0217000600030000001e0004000000070104006d000000410b2000cc00160005000000000016000500000000002800000005000000160000000100040000000000000000000000000000000000000000000000000000000000ffffff00fefefe0074bffe00bf740000489cdf0074000000fefebf000000000000000000000000000000000000000000000000000000000000000000222220022222200022222002222220002222200222222000222220022222200022222002230420bf250670022304204422222002222220bf22222002222220432222200222222000222220042222200022222006222220ff040000002701ffff0300000000000,125= 0,25 кг0100090000039200000000006d00000000000400000003010800050000000b0200000000050000000c0217000600030000001e0004000000070104006d000000410b2000cc00160005000000000016000500000000002800000005000000160000000100040000000000000000000000000000000000000000000000000000000000ffffff00fefefe0074bffe00bf740000489cdf0074000000fefebf000000000000000000000000000000000000000000000000000000000000000000222220022222200022222002222220002222200222222000222220022222200022222002230420bf250670022304204422222002222220bf22222002222220432222200222222000222220042222200022222006222220ff040000002701ffff030000000000м2
число пар полюсов: рn = рn(1) =2
номинальная частота вращения: nN= nN(1)= 1080 об/мин
максимально
допустимый момент: Mmax=20100090000039200000000006d00000000000400000003010800050000000b0200000000050000000c0217000500030000001e0004000000070104006d000000410b2000cc00160004000000000016000400000000002800000004000000160000000100040000000000000000000000000000000000000000000000000000000000ffffff00fefefe000074bf009c480000fefedf00dffefe0000489c0048000000fedf9c0000000000000000000000000000000000000000000000000022220202222202022222020222220202222202022222020222220202222202022222020223450405678908092345040522220202222202022222020222220202222202022222020222220202222202022222020222220202040000002701ffff030000000000Mmax(1)=
20100090000039200000000006d00000000000400000003010800050000000b0200000000050000000c0217000500030000001e0004000000070104006d000000410b2000cc00160004000000000016000400000000002800000004000000160000000100040000000000000000000000000000000000000000000000000000000000ffffff00fefefe000074bf009c480000fefedf00dffefe0000489c0048000000fedf9c0000000000000000000000000000000000000000000000000022220202222202022222020222220202222202022222020222220202222202022222020223450405678908092345040522220202222202022222020222220202222202022222020222220202222202022222020222220202040000002701ffff03000000000090=180
Н0100090000039200000000006d00000000000400000003010800050000000b0200000000050000000c0217000500030000001e0004000000070104006d000000410b2000cc00160004000000000016000400000000002800000004000000160000000100040000000000000000000000000000000000000000000000000000000000ffffff00fefefe000074bf009c480000fefedf00dffefe0000489c0048000000fedf9c0000000000000000000000000000000000000000000000000022220202222202022222020222220202222202022222020222220202222202022222020223450405678908092345040522220202222202022222020222220202222202022222020222220202222202022222020222220202040000002701ffff030000000000
м
максимально допустимый коэффициент пульсаций тока якоря: kI(доп) = 0,15
Другие эквивалентные параметры зависят от способа соединения обмоток двигателей. Для случая параллельного соединения обмоток эквивалентные параметры определяются по следующим формулам:
номинальное напряжение якоря: Uя N = UяN(1) = 220 В
номинальный
ток якоря: I
я N
= 20100090000039200000000006d00000000000400000003010800050000000b0200000000050000000c0217000600030000001e0004000000070104006d000000410b2000cc00160005000000000016000500000000002800000005000000160000000100040000000000000000000000000000000000000000000000000000000000ffffff00fefefe0074bffe00bf740000489cdf0074000000fefebf000000000000000000000000000000000000000000000000000000000000000000222220022222200022222002222220002222200222222000222220022222200022222002230420bf250670022304204422222002222220bf22222002222220432222200222222000222220042222200022222006222220ff040000002701ffff030000000000I
я N(1)
= 2 0100090000039200000000006d00000000000400000003010800050000000b0200000000050000000c0217000600030000001e0004000000070104006d000000410b2000cc00160005000000000016000500000000002800000005000000160000000100040000000000000000000000000000000000000000000000000000000000ffffff00fefefe0074bffe00bf740000489cdf0074000000fefebf000000000000000000000000000000000000000000000000000000000000000000222220022222200022222002222220002222200222222000222220022222200022222002230420bf250670022304204422222002222220bf22222002222220432222200222222000222220042222200022222006222220ff040000002701ffff030000000000
21
=42 А
сопротивление якорной обмотки: Rяо= 0,5Rяо=0,50100090000039200000000006d00000000000400000003010800050000000b0200000000050000000c0217000600030000001e0004000000070104006d000000410b2000cc00160005000000000016000500000000002800000005000000160000000100040000000000000000000000000000000000000000000000000000000000ffffff00fefefe0074bffe00bf740000489cdf0074000000fefebf000000000000000000000000000000000000000000000000000000000000000000222220022222200022222002222220002222200222222000222220022222200022222002230420bf250670022304204422222002222220bf22222002222220432222200222222000222220042222200022222006222220ff040000002701ffff0300000000000,66= 0,33 Ом
сопротивление
обмотки добавочных полюсов: RДП
=0,5RДП
=0,50100090000039200000000006d00000000000400000003010800050000000b0200000000050000000c0217000600030000001e0004000000070104006d000000410b2000cc00160005000000000016000500000000002800000005000000160000000100040000000000000000000000000000000000000000000000000000000000ffffff00fefefe0074bffe00bf740000489cdf0074000000fefebf000000000000000000000000000000000000000000000000000000000000000000222220022222200022222002222220002222200222222000222220022222200022222002230420bf250670022304204422222002222220bf22222002222220432222200222222000222220042222200022222006222220ff040000002701ffff030000000000
0,28=
0,14 Ом
В дальнейших расчетных формулах для двухдвигательного привода подразумеваются эквивалентные параметры двух двигателей.
Сопротивление цепи якоря двигателя, приведенное к рабочей температуре:
Rя =kT (Rяо +RДП) =1,38 (0,33 +0,14) =0,6486 Ом
где kT - коэффициент увеличения сопротивления при нагреве до рабочей температуры (кт = 1,38 для изоляции класса Н при пересчете от 20°С). Номинальная ЭДС якоря:
ЕяN =UяN –IяN Rя=220-42*0,6486 =192,76 В
Номинальная угловая скорость:

Конструктивная постоянная двигателя, умноженная на номинальный магнитный поток:

Номинальный момент двигателя:
МN=сФN
IяN=1,70100090000039200000000006d00000000000400000003010800050000000b0200000000050000000c0217000600030000001e0004000000070104006d000000410b2000cc00160005000000000016000500000000002800000005000000160000000100040000000000000000000000000000000000000000000000000000000000ffffff00fefefe0074bffe00bf740000489cdf0074000000fefebf000000000000000000000000000000000000000000000000000000000000000000222220022222200022222002222220002222200222222000222220022222200022222002230420bf250670022304204422222002222220bf22222002222220432222200222222000222220042222200022222006222220ff040000002701ffff030000000000
42=71,6
Н0100090000039200000000006d00000000000400000003010800050000000b0200000000050000000c0217000600030000001e0004000000070104006d000000410b2000cc00160005000000000016000500000000002800000005000000160000000100040000000000000000000000000000000000000000000000000000000000ffffff00fefefe0074bffe00bf740000489cdf0074000000fefebf000000000000000000000000000000000000000000000000000000000000000000222220022222200022222002222220002222200222222000222220022222200022222002230420bf250670022304204422222002222220bf22222002222220432222200222222000222220042222200022222006222220ff040000002701ffff030000000000
м
Момент холостого хода двигателя:

Индуктивность цепи якоря двигателя:


В формуле коэффициент С принимается равным 0,6 для некомпенсированного (двигатель серии Д - некомпенсированный).
Расчет передаточного числа редуктора
Расчет передаточного числа редуктора выполняется так, чтобы максимальной скорости рабочего органа механизма соответствовала номинальная скорость двигателя. Для привода грузового лифта:

Расчет и построение нагрузочной диаграммы двигателя
Для проверки предварительно выбранного двигателя по нагреву выполним построение упрощенной нагрузочной диаграммы двигателя (т.е. временной диаграммы момента двигателя без учета электромагнитных переходных процессов). Для ее построения произведем приведение моментов статического сопротивления и рабочих скоростей к валу двигателя, определим суммарный момент инерции привода и зададимся динамическим моментом при разгоне и замедлении привода. Рассмотрим расчет нагрузочной диаграммы двигателя отдельно для каждого производственного механизма, предложенного в курсовом проекте. По результатам расчета строится нагрузочная диаграмма, а также тахограмма двигателя (рис.3 .)
Момент статического сопротивления, приведенный к валу двигателя:




где X,Y- индексы, которые применяют значения 41,12,23,34 (т.е. данная формула используется четыре раза); sign(W) – функция знака скорости.
Суммарный момент инерции механической части привода:

где
—
коэффициент, учитывающий моменты инерции
полумуфт и редуктора (принимаем
=1,2).
Модуль динамического момента двигателя определяем по условию максимального использования двигателя по перегрузочной способности:

где к - коэффициент, учитывающий увеличение максимального момента на уточненной нагрузочной диаграмме, к=0,95. 0100090000033205000000000d05000000000400000003010800050000000b0200000000050000000c0217004400030000001e0004000000070104000d050000410b2000cc00160043000000000016004300000000002800000043000000160000000100080000000000000000000000000000000000000000000000000000000000ffffff00fefefe000074bf00bf7400009cdffe0000004800febf7400df9c480074bffe007474000000007400dffefe0000489c007474740048000000fedf9c00489cdf00bf9c48009c48000000749c0074000000fefebf00fefedf00bffefe0048007400dfdf9c009c48480048484800740048004874bf00749c9c0048489c004874740074bfdf009c4874009cdfdf00bf7448009cbf9c00dffedf0048004800dffebf0000000000000000000000000000000000000000000000000000000000000000000000000000000000000000000000000000000000000000000000000000000000000000000000000000000000000000000000000000000000000000000000000000000000000000000000000000000000000000000000000000000000000000000000000000000000000000000000000000000000000000000000000000000000000000000000000000000000000000000000000000000000000000000000000000000000000000000000000000000000000000000000000000000000000000000000000000000000000000000000000000000000000000000000000000000000000000000000000000000000000000000000000000000000000000000000000000000000000000000000000000000000000000000000000000000000000000000000000000000000000000000000000000000000000000000000000000000000000000000000000000000000000000000000000000000000000000000000000000000000000000000000000000000000000000000000000000000000000000000000000000000000000000000000000000000000000000000000000000000000000000000000000000000000000000000000000000000000000000000000000000000000000000000000000000000000000000000000000000000000000000000000000000000000000000000000000000000000000000000000000000000000000000000000000000000000000000000000000000000000000000000000000000000000000000000000000000000000000000000000000000000000000000000000000000000000000000000000000000000000000000000000000000000000000000000000000000000000000000000000000000000000000000000000000000000000000000000000000000000000000000000000000000000000000000000000000000000000000000000000000000000000000000000000000000000000000000000000000000000000000000000000000000000000000000000000000000000000000000000000000000000000000000000000000000000000000000000000000000000000000000000000000000000000000000000000000000000000000000000000000000000000000000000000000000000000020202020202020202020202020202020202020202020202020202020202020202020202020202020202020202020202020202020202020202020202020202020202020002020202020202020202020202020202020202020202050600000f10020202020202020202110013170202050600080c0d0013170c0d0015290d00040211000f10020200020203040202020202020202020202020202020202180b08020203070202020202030402020c20100203080211131702180b070202180b0702180b07020c0d0802020200020203040202020202020202020202020202020202052810020202020202020202030402020211070c0d0f10052810020209000000000f1002020c0d0709151602020200020203040202020202020202020202020202020202180b07020202020202020202030402020205251819261b270d07020202030402051d160202020203000802020202000202030402021100001317020202021100000007020c0d0802020202020202020203040202021823241d16110803040202020c0d070915160202020209000802020202000202030402020211151602020202020211000802020211151602020202020202020304020202021e1f13170c20211516020202051b2213170202020c0d0811040202020002020304020202051d1602180b0802020506080202020203151602110802020202030402020202111c04020205060f1002020202111c04020202020915160211131702000202030402020218191002180b151602180b0402020202021100000004020202020304020202180b0008020202110015160202020c0d04020202050600040c0d00040200020203040202020203080205061c04020c0d13170202020202020202020202020203040202020202020202020202020202020202020202020202020202020202020202000202030402020202110402090f1a0d0702110f100202020202020202020202020203040202020202020202020202020202020202020202020202020202020202020202000202030402020202051b17111516091516090007020202020202020202020202020304020202020202020202020202020202020202020202020202020202020202020200020203040202020218191003131702030805060802020202020202020202020202030402020202020202020202020202020202020202020202020202020202020202020002020304020202020c0d070313170218191a0d1317020202020202020202020202030402020202020202020202020202020202020202020202020202020202020202020002020304020202020211120d0402020211131415160202020202020202020202020304020202020202020202020202020202020202020202020202020202020202020200020203040202020202090a0b080202020c0d0e0f1002020202020202020202020203040202020202020202020202020202020202020202020202020202020202020202000202030402020202020900000802020202050600080202020202020202020202020304020202020202020202020202020202020202020202020202020202020202020200020203040202020205060000070202020202030000080202020202020202020202030402020202020202020202020202020202020202020202020202020202020202020002020304020202020202020202020202020202020202020202020202020202020203040202020202020202020202020202020202020202020202020202020202020202130202020202020202020202020202020202020202020202020202020202020202020202020202020202020202020202020202020202020202020202020202020202020257020202020202020202020202020202020202020202020202020202020202020202020202020202020202020202020202020202020202020202020202020202020202029b02020202020202020202020202020202020202020202020202020202020202020202020202020202020202020202020202020202020202020202020202020202020202df040000002701ffff030000000000 – максимальный по модулю статический момент, приведенный к валу двигателя.
Ускорение вала двигателя в переходных режимах:

Ускорение кабины лифта:


Ускорение кабины лифта не должно превышать максимально допустимого по исходным данным.
Разбиваем нагрузочную диаграмму на 16 интервалов: 4, 8, 12, 16 – интервалы пауз; 1, 5, 9, 13 - интервалы разгона; 3, 7, 11, 15 - интервалы замедления; 2, 6, 10, 14 - интервалы работы с установившейся скоростью.
Выполним расчет нагрузочной диаграммы.
Продолжительность интервалов разгона-замедления:
WN/010009000003ce0a00000000a90a000000000400000003010800050000000b0200000000050000000c0228007000030000001e000400000007010400a90a0000410b2000cc0027006f000000000027006f0000000000280000006f000000270000000100080000000000000000000000000000000000000000000000000000000000ffffff00fefefe0074bffe009c480000fefedf00bf740000dffefe0000489c00484800009c4848009cdffe00bffefe0074007400fefebf00df9c48000000480048007400fedf9c00bf7448000074bf00febf7400489cdf0048000000000074009c9c48007400480048489c0074000000dfdfdf00df9c74007474bf004874bf00749cdf00000000000000000000000000000000000000000000000000000000000000000000000000000000000000000000000000000000000000000000000000000000000000000000000000000000000000000000000000000000000000000000000000000000000000000000000000000000000000000000000000000000000000000000000000000000000000000000000000000000000000000000000000000000000000000000000000000000000000000000000000000000000000000000000000000000000000000000000000000000000000000000000000000000000000000000000000000000000000000000000000000000000000000000000000000000000000000000000000000000000000000000000000000000000000000000000000000000000000000000000000000000000000000000000000000000000000000000000000000000000000000000000000000000000000000000000000000000000000000000000000000000000000000000000000000000000000000000000000000000000000000000000000000000000000000000000000000000000000000000000000000000000000000000000000000000000000000000000000000000000000000000000000000000000000000000000000000000000000000000000000000000000000000000000000000000000000000000000000000000000000000000000000000000000000000000000000000000000000000000000000000000000000000000000000000000000000000000000000000000000000000000000000000000000000000000000000000000000000000000000000000000000000000000000000000000000000000000000000000000000000000000000000000000000000000000000000000000000000000000000000000000000000000000000000000000000000000000000000000000000000000000000000000000000000000000000000000000000000000000000000000000000000000000000000000000000000000000000000000000000000000000000000000000000000000000000000000000000000000000000000000000000000000000000000000000000000000000000000000000000000000000000000000000000000000000000000000000000000000000000000000000000000000000000000000000000000000000000000000000000000000000000000000000000000000000000000020202020202020202020202020202020202020202020202020202020202020202020202020202020202020202020202020202020202020202020202020202020202020202020202020202020202020202020202020202020202020202020202020202020202020202020202020202fe020202020202020202020202020202020202020202020202020202020202020202020202020202020202020202020202020202020202020202020202020202020202020202020202020202020202020202020202020202020202020202020202020202020202020202020202020202fe02020202020202020202020202020202020202020202020202020202020202020202020202020202020202020202020202020202020202021f0e0202020202020202020202020202020202020202020202020202020202020202020202020202020202020202020202020202020202fe02020202020202020202020202020202020202020202020202020202020202020202020202030000001712020306020202030000001712020306021400000f020202020202020202020202020202020202020202020202020202020202020202020202020202020202020202020202fe02020202020202020202020202020202020202020202020202020202020202020202020202021415022112020c111202020214150221120203060b13020c11120202020202020202020202020202020202020202020202020202020202020202020202020202020202020202020202bf020202020202020202020202020202020202020202020202020202020202020202020202020202141502020202030602020202141502020202020202020c11120202020202020202020202020202020202020202020202020202020202020202020202020202020202020202020202fe020202020202020202020202020202020202020202020202020202020202020202020202020202022012020202071b1202020202201202020202020b10000f020202020202020202020202020202020202020202020202020202020202020202020202020202020202020202020202fe020202020202020202020202020202020202020202020202020202020202020202020202020202020c0d0e020202030f020202020c0d0e020202020202030f020202020202020202020202020202020202020202020202020202020202020202020202020202020202020202020202fe020202020202020202020202020202020202020202020202020202020202020202020202020b0a050b1a0e0b1e02021f0e0b0a050b1a0e0202020b0a050c0d0e0202020202020202020202020202020202020202020202020202020202020202020202020202020202020202020202fe02020202020202020202020202020202020202020202020202020202020202020202020202020300000f020b100000000f020300000f0202020202030000060202020202020202020202020202020202020202020202020202020202020202020202020202020202020202020202020002020202020202020202020202020202020202020202020202020202020202020202020202020202020202020202020202020202020202020202020202020202020202020202020202020202020202020202020202020202020202020202020202020202020202020202020202020274020202020202020202020202020202020202020202020202020202020202020202020202020202020202020202020202020202020202020202020202020202020202020202020202020202020202020202020202020202020202020202020202020202020202020202020202020202bf020202020202020202020202020202020202020202020202020202020202020202020202020202020202020202020202020202020202020202020202020202020202020202020202020202020202020202020202020202020202020202020202020202020202020202020202020202fe0202020202020202020202020202020202020202020202020202020202020202020202020202020202020202020202020202020202020202020202020202020202020202020202020202020202020202020202020202020202020202020202020202071b1202020202020202020202000202020202020202020202020202020202020202020202020202020202020202020202020202020202020202020202020202020202020202020202020202020202020202020202020202020202020202020202020202020202020202020202020202020c1112020202020202020202fe020216000000001c0e1d020202020202020202020202020202020202020202020202020202020202020202020202020202020202020202020202020202020202020202020202020202020202020202020202020202020202020202021600001712020207080f0202020c1800001502000214000f0202020c1815020202020202020202020202020202020202020202020202020202020202020202020202020202020202020202020202020202020202020202020202020202020202020202020202020202020202020202030015020317120207080f020202020c18150202fe0c1817120202020202020202020202020202020202020202020202020202020202020202020202020202020202020202020202020202020202020202020202020202020202020202020202020202020202020202020202020202021404050207080f02020202020202020c18150202fe0214001502020202020202020202020202020708000000000000000004050202020202020202020202020202020202020202020202020202020202020202020202020202020202070800000000000000000405020202020202020c1806020202140405020202030000000000000015fe0207080006020202020202020202020202020202020202020202020202020202020202020202020202020202020202020202020202020202020202020202020202020202020202020202020202020202020202020202020202020c180f020202140405020202071b12020c18151615fe0202020203000000150202020202020202020202020202020202020202020202020202020202020202020202020202020202020202020202020202020202020202020202020202020202020202020202020202020202020202020c180f020202140405020202020b1a0e0c18150202fe02020708171202020202020202020202020207080000000000000000040502020202020202000000000000000000000000000000000000000000000000000000020202020202020708000000000000000004050202020202020207080f020202140405020202020203060c18150202fe020203000f0202020202020202020202020202020202020202020202020202020202020202020202020202020202020202020202020202020202020202020202020202020202020202020202020202020202020202020202020202140405020c180602020202020202141918150202fe02020300060202020c111202020202020202020202020202020202020202020202020202020202020202020202020202020202020202020202020202020202020202020202020202020202020202020202020202020202020202020b10150216171202020202020202070800150202bf020207080015020214001502020202020202020202020202020202020202020202020202020202020202020202020202020202020202020202020202020202020202020202020202020202020202020202020202020202020202020203000000150202020202020202020b10150202fe02020202160000000017120202020202020202020202020202020202020202020202020202020202020202020202020202020202020202020202020202020202020202020202020202020202020202020202020202020202020202020202020202020202020202020202020202020274020202020202020202020202020202020202020202020202020202020202020202020202020202020202020202020202020202020202020202020202020202020202020202020202020202020202020202020202020202020202020202020202020202020202020202020202020202fe020202020202020202020202020202020202020202020202020202020202020202020202020202020202020202020202020202020202020202020202020202020202020202020202020202020202020202020202020202020202020202020202020202020202020202020202020202fe020202020202020202020202020202020202020202020202020202020202020202020202020202020202020202020202020202020202020202020202020202020202020202020202020202020202020202020202020202020202020202020202020202020202020202020202020202fe0202020202020202020202020202020202020202020202020202020202020202020202020202020202021400000015021400000015021400000f0202020202020202020202020202020202020202020202020202020202020202020202020202020202020202020202020202020202fe020202020202020202020202020202020202020202020202020202020202020202020202020202020202020b0a050202020b0a05020b13020c111202020202020202020202020202020202020202020202020202020202020202020202020202020202020202020202020202020202fe020202020202020202020202020202020202020202020202020202020202020202020202020202020202020b0a050202020b0a05020202020c111202020202020202020202020202020202020202020202020202020202020202020202020202020202020202020202020202020202fe020202020202020202020202020202020202020202020202020202020202020202020202020202020202020b0a050202020b0a0502020b10000f0202020202020202020202020202020202020202020202020202020202020202020202020202020202020202020202020202020202fe020202020202020202020202020202020202020202020202020202020202020202020202020202020202020b0a050202020b0a0502020202030f0202020202020202020202020202020202020202020202020202020202020202020202020202020202020202020202020202020202fe02020202020202020202020202020202020202020202020202020202020202020202020202020202020708090a05020708090a05020b0a050c0d0e02020202020202020202020202020202020202020202020202020202020202020202020202020202020202020202020202020202fe020202020202020202020202020202020202020202020202020202020202020202020202020202020202020304050202020304050202030000060202020202020202020202020202020202020202020202020202020202020202020202020202020202020202020202020202020202fe020202020202020202020202020202020202020202020202020202020202020202020202020202020202020202020202020202020202020202020202020202020202020202020202020202020202020202020202020202020202020202020202020202020202020202020202020202fe020202020202020202020202020202020202020202020202020202020202020202020202020202020202020202020202020202020202020202020202020202020202020202020202020202020202020202020202020202020202020202020202020202020202020202020202020202fe020202020202020202020202020202020202020202020202020202020202020202020202020202020202020202020202020202020202020202020202020202020202020202020202020202020202020202020202020202020202020202020202020202020202020202020202020202fe040000002701ffff030000000000
с
Путь кабины при разгоне-замедлении:

Путь кабины при перемещении на три этажа, пройденный на постоянной скорости:

Путь кабины при перемещении на один этаж, пройденный на постоянной скорости:

Время движения с постоянной скоростью при перемещении на три этажа:

Время движения с постоянной скоростью при перемещении на один этаж:

Время работы в цикле:

Время стоянки на этаже:

Моменты двигателя на интервалах разгона:




Моменты двигателя на интервалах замедления:




Моменты двигателя на интервалах движения с постоянной скоростью:





Проверка двигателя по нагреву
Используя нагрузочную диаграмму двигателя, определяем эквивалентный по нагреву момент за время работы в цикле.


0100090000030a0b00000000e50a000000000400000003010800050000000b0200000000050000000c0222008900030000001e000400000007010400e50a0000410b2000cc00210088000000000021008800000000002800000088000000210000000100080000000000000000000000000000000000000000000000000000000000ffffff00fefefe00dffefe0000489c004800000074489c00fefebf00bffefe009c487400fefedf009cdffe00bf74480048007400fedf9c000074bf00740000009c48000074bffe00df9c48007400740048747400febf74009c484800bf740000489cdf004874bf009c9cbf0000007400febf9c0048489c000000480074004800bf7474009c749c00749cdf00bfdf9c00bffebf007474bf00489c9c00007474009c7448007474480074bfbf0048484800000000000000000000000000000000000000000000000000000000000000000000000000000000000000000000000000000000000000000000000000000000000000000000000000000000000000000000000000000000000000000000000000000000000000000000000000000000000000000000000000000000000000000000000000000000000000000000000000000000000000000000000000000000000000000000000000000000000000000000000000000000000000000000000000000000000000000000000000000000000000000000000000000000000000000000000000000000000000000000000000000000000000000000000000000000000000000000000000000000000000000000000000000000000000000000000000000000000000000000000000000000000000000000000000000000000000000000000000000000000000000000000000000000000000000000000000000000000000000000000000000000000000000000000000000000000000000000000000000000000000000000000000000000000000000000000000000000000000000000000000000000000000000000000000000000000000000000000000000000000000000000000000000000000000000000000000000000000000000000000000000000000000000000000000000000000000000000000000000000000000000000000000000000000000000000000000000000000000000000000000000000000000000000000000000000000000000000000000000000000000000000000000000000000000000000000000000000000000000000000000000000000000000000000000000000000000000000000000000000000000000000000000000000000000000000000000000000000000000000000000000000000000000000000000000000000000000000000000000000000000000000000000000000000000000000000000000000000000000000000000000000000000000000000000000000000000000000000000000000000000000000000000000000000000000000000000000000000000000000000000000000000000000000000000000000000000000000000000000000000000000000000000000000000000000000000000000000000000000000000000000000000202020202020202020202020202020202020202020202020202020202020202020202020202020202020202020202020202020202020202020202020202020202020202020202020202020202020202020202020202020202020202020202020202020202020202020202020202020202020202020202020202020202020202020202020202020202020202020202020202020202020202020202020202020202020202020202020202020202020202020202020202020202020202020202020202020202020202020202020202020202020202020202020202020202020202020202020202020202020202020202020202020202020202020202020202020202020202020202020202020202020202020202020202020202020202020202020202021a0e0202020202020202020202020202020202020202020202020202020202020202020202020202020202020202020202020202020202020202020202020202020202020202020202020202020202020202020202020202020202020202020202020202020202020202020202020202020202020202020202020202020202020202020202020212001602020202020202020202020202020202020202020202020202020202020202020202020202020202020202020202020202020202020202020202020202020202020202020202020202020202020202020202020202020202020202020202020202020202020202020202020202020202020202020202020202020202020202020202020203042c1602020202020202020202020202020202020202020202020202020202020202020202020202020202020202020202020202020202020202020202020202020202020202020202020202020202020202020202020202020202020202020202020202020202020202020202020202020202020202020202020202020202020202020202020219102b13020202020202020202020202020202020203220a020202020202020202020202020202020202020202020202020202020202020202020202020202020202020202020202020202020202020202020202020202020202020202020202020202020202020202020202020202020202020202020202020202020202020202020202020202081c160b0c02020202020202030400050e0b1f00050e02121603040010070304001007020202020202020202020202020202020202020202020202020202020202020202020202020202020202020202020202020202020202020202020202020202020202020202020202020202020202020202020202020202020202020202020202020202020219110a08210202020202020212180212181213021218021216121602191612160219160202020202020202020202020202020202020202020202020202020202020202020202020202020202020202020202020202020202020202020202020202020202020202020202020202020202020202020202020202020202020202020202020202020f2a1f160208090a02020202020212050e1918021900110a020202021900110a021900110a020202020202020202020202020202020202020202020202020202020202020202020202020202020202020202020202020202020202020202020202020202020202020202020202020202020202020202020202020202020202020202020202020202021918020203220a0202020202020b2904110a1218021213020202020203220a020203220a0202020202020202020202020202020202020202020202020202020202020202020202020202020202020202020202020202020202020202020202020202020202020202020202020202020202020202020202020202020202020202020202020202020202020202030607020202020202020f16020212180219130202021213020f161213020f160202020202020202020202020202020202020202020202020202020202020202020202020202020202020202020202020202020202020202020202020202020202020202020202020202020202020202020202020202020202020202020202020202020202020202021a0e02020202020202020f050e030400050e02020212000010071200001007020202020202020202020202020202020202020202020202020202020202020202020202020202020202020202020202020202020202020202020202020202020202020202020202020202020202020202020202020202020202020202020202020202020202020202230e0202020202020202020202020202020202020202020202020202020202020202020202020202020202020202020202020202020202020202020202020202020202021a0e02020202020202020202020202020202020202020202020202020202020202020202020202020202020202020202020202020202020202020202020202020202020219160202020202020202020202020202020202020202020202020202020202020202020202020202020202020202020202020202020202020f00110a0b1f000000050e020b20070b1f000000050e020b200702020202020212000013021900050e0202020202020202020212001802021200100702020202020202020202020202020202020202021216020202020202020202020202020202020202020202020202020202020202020202020202020202020202020202020202020202020202081407020219160202230e020814070219160202230e02030413020202020202021918020203041302020202020202020202020226070202020f1602081c000000000000110a0202020202020202020212130202020202020202020202020202020202020202020202020202020202020202020202020202081c000000000000110a0202020202020814070202031e0e0202020202020202031e0e020202020212110a0202020202021918020203041302020202020202020202020226071918020f160202020202020202020202020202020202020202020b0c020202020202020202020202020202020202020202020202020202020202020202020202020202020202020202020202020202190000000000130202031e0e0202020202020202031e0e020202020304160202020202021918020203041302020202020304180202020226250d15160f160202020202020202020202020202020202020202020b0c02020000000000000000000000000000000000000000000000000000000000000000020202020202020202020202020202020208090a081425210202020814070202020202020202081407020202021218020202020202190000000000130202020202030418020202022627180306281602081c000000000000110a0202020202020202020208090a02020202020202020202020202020202020202020202020202020202020202020202020202081c000000000000110a020202021213081407020202020212110a020202020202020212110a020202031e0e020202020219180202030413020202020202020202020212001007020b1f1007020202020202020202020202020202020202020203220a020202020202020202020202020202020202020202020202020202020202020202020202020202020202020202020202020202022324140702020202020b200702020202020202020b20070202020212130202020202191802020304130202020202020202020202020202020202020202020202020202020202020202020202020202020203060702020202020202020202020202020202020202020202020202020202020202020202020202020202020202020202020202020202030410070208140702191007020202020814070219100708210202030607020202021918020203041302020202020202020202020202020202020202020202020202020202020202020202020202020202021a0e02081c00001312000000161200000016020f00110a0b1f00050e020219050e020202020202020202020202020202020202020202020b20070202081c000016020202020202081c00001602081c000000001602020212000013021900050e020202020202020202020202020202020202020202020202020202020202020202020202020202021a0e0202021a0e020219130b1d0219130b1d0b170a19161213021218020202031e0e02020202020202020202020202020202020202020202020202020202020202020202020202020202020202020202020202020202020202020202020202020202020202020202020202020202020202020202020202020202020202020202020202020202020219160202021a0e02020219160202021916021213021213021900110a02081c00001302020202020202020202020202020202020202020202020202020202020202020202020202020202020202020202020202020202020202020202020202020202020202020202020202020202020202020202020202020202020202020202020202020202020212160202021a0e020202021b0a0202021b0a121302121312180212130219130212130202020202020202020202020202020202020202020202020202020202020202020202020202020202020202020202020202020202020202020202020202020202020202020202020202020202020202020202020202020202020202020202020202020202021213020814150e021213020f161213020f160b170a0f1312180219130219130219130202020202020202020202020202020202020202020202020202020202020202020202020202020202020202020202020202020202020202020202020202020202020202020202020202020202020202020202020202020202020202020202020202020202020b0c0202080d0e02020f001007020f001007020f00110a030400050e0203040010070202020202020202020202020202020202020202020202020202020202020202020202020202020202020202020202020202020202020202020202020202020202020202020202020202020202020202020202020202020202020202020202020202020202020b0c020202020202020202020202020202020202020202020202020202020202020202020202020202020202020202020202020202020202020202020202020202020202020202020202020202020202020202020202020202020202020202020202020202020202020202020202020202020202020202020202020202020202020202020202020208090a0202020202020202020202020202020202020202020202020202020202020202020202020202020202020202020202020202020202020202020202020202020202020202020202020202020202020202020202020202020202020202020202020202020202020202020202020202020202020202020202020202020202020202020202020203060702020202020202020202020202020202020202020202020202020202020202020202020202020202020202020202020202020202020202020202020202020202020202020202020202020202020202020202020202020202020202020202020202020202020202020202020202020202020202020202020202020202020202020202020202030405000000000000000000000000000000000000000000000000000000000000000002020202020202020202020202020202020202020202020202020202020202020202020202020202020202020202020202020202020202020202020202020202020202020202020202020202020202020202020202020202020202020202020202020202020202020202020202020202020202020202020202020202020202020202020202020202020202020202020202020202020202020202020202020202020202020202020202020202020202020202020202020202020202020202020202020202020202020202020202020202020202020202020202020202020202020202020202020202020202020202020202020202020202020202020202020202020202020202020202020202020202020202020202020202020202020202020202020202020202020202020202020202020202020202020202020202020202020202020202020202020202020202020202020202020202020202020202020202040000002701ffff030000000000
где n - число интервалов нагрузочной диаграммы, на которых двигатель находится в работе (интервалы пауз не учитываются).
Для лифта, работающего в повторно-кратковременном режиме, продолжительность включения в рабочем цикле отличается от номинальной продолжительности включения двигателя. Поэтому для этих приводов необходимо выполнить приведение эквивалентного момента к номинальной продолжительности включения двигателя.

Проверка теплового состояния двигателя осуществляется сравнением приведенного эквивалентного момента с номинальным моментом двигателя. Двигатель проходит по нагреву, если выполняется неравенство:

Выбор основных узлов силовой части электропривода
Выбор тиристорного преобразователя
Для обеспечения реверса двигателя и рекуперации энергии в тормозных режимах выбираем двухкомплектный реверсивный преобразователь для питания цепи якоря. Принимаем встречно-параллельную схему соединения комплектов и раздельное управление комплектами. Выбираем трехфазную мостовую схему тиристорного преобразователя. Т.к. проектирование самого тиристорного преобразователя не входит в задачи курсового проекта, то выбираем стандартный преобразователь, входящий в состав комплектного тиристорного электропривода КТЭУ.
Номинальное напряжение UDN преобразователя выбирается так, чтобы оно соответствовало номинальному напряжению якоря двигателя (UDN должно быть больше номинального напряжения якоря двигателя на 5-15%).
Номинальный ток преобразователя IDN выбирается из ряда стандартных значений. Его значение должно быть равным или ближайшим большим по отношению к номинальному току якоря двигателя.
UяN=220 В, UDN=230 В, IDN=25 А.
Выберем способ связи тиристорного преобразователя с сетью. Питание силовых цепей в электроприводах КТЭУ с номинальными токами до 1000 А осуществляется от трехфазной сети переменного тока с линейным напряжением Uc=380 В через токоограничивающий реактор. Для связи тиристорного преобразователя с сетью применяем понижающий трансформатор.
Питание цепи возбуждения в электроприводе КТЭУ выполняется от однофазной сети переменного тока с напряжением 380 В через мостовой выпрямитель. Обмотки возбуждения двигателей соединяются параллельно.
Выбор силового трансформатора
Выбираем трансформатор типа ТСП - трехфазный двухобмоточный сухой с естественным воздушным охлаждением открытого исполнения. Номинальный вторичный ток трансформатора I2N должен соответствовать номинальному току тиристорного преобразователя IdN=25 А. Эти токи для трехфазной мостовой схемы преобразователя связаны по формуле:
I2N=0,816IdN=0,8160100090000039200000000006d00000000000400000003010800050000000b0200000000050000000c0217000600030000001e0004000000070104006d000000410b2000cc00160005000000000016000500000000002800000005000000160000000100040000000000000000000000000000000000000000000000000000000000ffffff00fefefe0074bffe00bf740000489cdf0074000000fefebf000000000000000000000000000000000000000000000000000000000000000000222220022222200022222002222220002222200222222000222220022222200022222002230420bf250670022304204422222002222220bf22222002222220432222200222222000222220042222200022222006222220ff040000002701ffff030000000000
25=20,4
А
Выпишем данные выбранного трансформатора:
Тип трансформатора – ТСП -10/0,7-УХЛ4;
схема соединения первичных и вторичных обмоток – Y/D;
номинальная мощность ST=7,3 кВА;
номинальное линейное напряжение первичных обмоток U1N =380 В;
номинальное линейное напряжение вторичных обмоток U2n=205 В;
номинальный линейный ток вторичных обмоток I2N=20,5 А;
мощность потерь короткого замыкания Рк=320 Вт;
относительное напряжение короткого замыкания uк=4,7%.
Рассчитаем параметры трансформатора:
Коэффициент трансформации:

Номинальный линейный ток первичных обмоток:

Активное сопротивление обмоток одной фазы трансформатора:

Активная составляющая напряжения короткого замыкания:

Реактивная составляющая напряжения короткого замыкания:

Индуктивное сопротивление обмоток фазы трансформатора:

Индуктивность обмоток одной фазы трансформатора:

где Wс-угловая частота сети (при частоте питающей сети 50Гц Wс=314 рад/с).
Выбор сглаживающего реактора.
Сглаживающий реактор включается в цепь выпрямленного тока преобразователя с целью уменьшения переменной составляющей тока (пульсаций). Пульсации выпрямленного тока должны быть ограничены на уровне допустимого значения для выбранного двигателя. Максимально допустимый коэффициент пульсаций ki(ДОП) задается в числе данных двигателя и представляет собой отношение действующего значения переменной составляющей тока якоря к его номинальному значению. Для расчета индуктивности сглаживающего реактора определим требуемую индуктивность всей главной цепи системы «тиристорный преобразователь - двигатель» по условию ограничения пульсаций.
ЭДС преобразователя при yглe управления а = 0:
EdO=KEU2N=1,350100090000039200000000006d00000000000400000003010800050000000b0200000000050000000c0217000600030000001e0004000000070104006d000000410b2000cc00160005000000000016000500000000002800000005000000160000000100040000000000000000000000000000000000000000000000000000000000ffffff00fefefe0074bffe00bf740000489cdf0074000000fefebf000000000000000000000000000000000000000000000000000000000000000000222220022222200022222002222220002222200222222000222220022222200022222002230420bf250670022304204422222002222220bf22222002222220432222200222222000222220042222200022222006222220ff040000002701ffff030000000000205=276,75 В
где КE- коэффициент, зависящий от схемы преобразователя (для трехфазной мостовой схемы КE=1.35).
Минимальная эквивалентная индуктивность главной цепи по условию ограничения пульсаций выпрямленного тока:


где kU- коэффициент пульсаций напряжения (для трехфазной мостовой схемы ки=0,13);
р - пульсность преобразователя
(для трехфазной мостовой схемы р=6),
Расчетная индуктивность сглаживающего реактора:

Так как расчетная индуктивность оказалась отрицательной или равной нулю, то это означает, что сглаживающий реактор не требуется. В этом случае собственной индуктивности главной цепи достаточно для ограничения пульсаций тока.
Разработка принципиальной электрической схемы силовой части электропривода
Принимаем комплектный тиристорный электропривод унифицированной серии КТЭУ мощностью до 2000 кВт:
КТЭУ-42/220-2321-УХЛ4.
Цифры типообразования имеют следующие значения:
42 - номинальный ток электропривода;
220 - номинальное напряжение электропривода;
2 - электропривод двухдвигательный;
3- режим работы: реверсивный с изменением полярности напряжения на якоре;
2 - исполнение ТП по способу связи с сетью: через трансформатор;
1 - основной регулируемый параметр: скорость, однозонное регулирование;
УХЛ4 - исполнение для районов с умеренным и холодным климатом.
Принципиальная электрическая схема силовой части электропривода составлена в соответствии с функциональными схемами электроприводов КТЭУ, выбранными способами соединения обмоток двигателя и связи преобразователя с сетью. На принципиальной схеме, в отличие от функциональной, подробно показаны схемы преобразователей.
На рис. 4 приведена схема реверсивного электропривода серии КТЭУ на ток до 200 А. Тиристорный преобразователь ТП, состоящий из двух встречно включенных мостов VSF, VSB, получает питание от сети через автоматический выключатель QF1 и трансформатор ТМ. На стороне постоянного тока защита осуществляется автоматическим выключателем QF2. Реле максимального тока КА1, КА2 воздействуют на отключение линейных контакторов КМ1 и КМ2, которые служат для частой коммутации якорной цепи. Динамическое торможение электродвигателей М1 и М2 осуществляется через контакторы KV1, KV2 и резисторы RV1 и RV2. Трансформатор Т1 и диодный мост V служат для питания обмоток возбуждения LM1 и LM2 двигателей M1 и M2. Напряжение управления для СИФУ возбудителя вырабатывается в системе управления электроприводом СУ. Сигналы о токах якорей двигателей и токах возбуждения, получаемые с шунтов RS1 - RS3, сигналы о напряжениях на якорях электродвигателей, снимаемых с потенциометров RP1 и RP2 поступают в СИФУ. В двухдвигательных электроприводах обмотки возбуждения двигателей соединяются параллельно.

Рис. 4.Силовая часть реверсивного электропривода серии КТЭУ на ток до 200 А
Преобразовательная часть электропривода состоит из силовых тиристоров, число и схема соединения которых определяются параметрами электропривода и примененных тиристоров, системы их охлаждения, защитных RС-цепей, системы гальванического разделения и преобразования уровня управляющих импульсов, СИФУ, системы защиты и сигнализации. К преобразовательной части относят также трансформатор, автоматические выключатели на стороне постоянного и переменного тока, сглаживающий реактор.
На рис. 5 показана функциональная схема преобразовательной части электропривода серии КТЭУ с номинальным током до 200 А. Узел фазосмещения AT формирует шесть последовательностей импульсов для выпрямительного моста VSF или для моста VSB, которые усиливаются усилителями A-F и А-В. Сдвиг импульсов относительно силового напряжения определяется напряжением управления uу. Для синхронизации с питающей сетью на вход AT поступает опорное напряжение Uоп после фильтра Z. Выбор работающего моста осуществляется логическим переключающим устройством АВ в зависимости от полярности напряжения переключения uп и абсолютного значения тока нагрузки |id|. В качестве датчика тока используются трансформаторы тока и выпрямитель V. Устройство АВ формирует логические сигналы выбора моста VSF или VSB, переключает полярность напряжения задания начального угла U0 и вырабатывает сигнал бестоковой паузы BF1=1, по которому снимаются импульсы с обоих выпрямительных мостов. Сигнал BF2, появляющийся одновременно с сигналом BF1, но исчезающий несколько позже, служит для отключения сигнала задания тока во время бестоковой паузы. По сигналу uср(срыв импульсов) импульсы снимаются с обоих выпрямительных мостов. Защита электропривода осуществляется узлом AF, который воспринимает перегрузки в цепи переменного тока |id| и в цепи постоянного тока id, а также сигнал "Авария", вырабатываемый в схеме управления электроприводом. Узел AF через узел ускоренного отключения AR отключает автоматический выключатель главной цепи QF, воздействуя на его независимый расцепитель R, снимает сигнал готовности в схеме управления электроприводом и сдвигает управляющие импульсы в инверторную область.

Система импульсно-фазового управления предназначена для преобразования выходного напряжения системы управления в последовательность подаваемых на тиристоры отпирающих импульсов, момент формирования которых смещен относительно моментов естественного отпирания тиристоров на угол а, зависящий от значения. В современных электроприводах СИФУ выполняют как синхронные многоканальные, т. е. в них выполняется отсчет угла, а от моментов естественного отпирания для каждого плеча моста (или для каждой пары противофазных плеч).
Системы импульсно-фазового управления ТП электроприводов серий КТЭУ имеют следующие особенности: косинусоидальное опорное напряжение, шестиканальное устройство фазосмещения, использование одного устройства фазосмещения для обоих выпрямительных мостов в реверсивных электроприводах, высокочастотное заполнение узких отпирающих импульсов, использование сигналов с трансформаторов переменного тока для работы логического переключающего устройства.
Как следует из функциональной схемы, приведенной на рис. 5., СИФУ состоит из узла формирования опорных напряжений, узла фазосмещения и переключающего устройства АВ.
Узел формирования опорных напряжений включает в себя трехфазный трансформатор с двумя группами вторичных обмоток, которые можно включать по схемам звезды или треугольника, и ячейку фильтра типа ЯФУ0176 с тремя каналами апериодических фильтров, обеспечивающих фазовый сдвиг на 60 (240 при учете инвертирования напряжения усилителями).
Расчет параметров математической модели силовой части электропривода
Расчет параметров силовой части электропривода в абсолютных единицах
Главную цепь системы «тиристорный преобразователь - двигатель» можно представить в виде схемы замещения (рис.6.). В главной цепи действуют ЭДС преобразователя Ed и ЭДС якоря двигателя ЕЯ. На схеме замещения показаны:
Rя,- активные сопротивления якорной цепи двигателя;
2RT - активные сопротивления двух фаз трансформатора;
Rg - фиктивное сопротивление обусловленное коммутацией тиристоров;
LЯ - индуктивность якорной цепи двигателя;
2LT - индуктивность двух фаз трансформатора.
Направления тока и ЭДС соответствуют двигательному режиму электропривода (см. рис.6.).

Рис. 6 .Схема замещения главной цепи системы
От исходной схемы замещения переходим к эквивалентной схеме (рис.7.), где все индуктивности объединяются в одну эквивалентную индуктивность Lэ, а все активные сопротивления - в одно эквивалентное сопротивление RЭ.

Рис. 7. Эквивалентная схема замещения главной цепи
Определим параметры силовой части в абсолютных (т.е. физических) единицах.
Фиктивное сопротивление преобразователя, обусловленное коммутацией тиристоров:

Эквивалентное сопротивление главной цепи:
RЭ=RЯ+Rg+2RТ=0,65+0,03+20100090000039200000000006d00000000000400000003010800050000000b0200000000050000000c0217000600030000001e0004000000070104006d000000410b2000cc00160005000000000016000500000000002800000005000000160000000100040000000000000000000000000000000000000000000000000000000000ffffff00fefefe0074bffe00bf740000489cdf0074000000fefebf000000000000000000000000000000000000000000000000000000000000000000222220022222200022222002222220002222200222222000222220022222200022222002230420bf250670022304204422222002222220bf22222002222220432222200222222000222220042222200022222006222220ff040000002701ffff030000000000
0,25=1,18Ом
Эквивалентная индуктивность главной цепи:
LЭ=LЯ+2LТ=0,014+20100090000039200000000006d00000000000400000003010800050000000b0200000000050000000c0217000600030000001e0004000000070104006d000000410b2000cc00160005000000000016000500000000002800000005000000160000000100040000000000000000000000000000000000000000000000000000000000ffffff00fefefe0074bffe00bf740000489cdf0074000000fefebf000000000000000000000000000000000000000000000000000000000000000000222220022222200022222002222220002222200222222000222220022222200022222002230420bf250670022304204422222002222220bf22222002222220432222200222222000222220042222200022222006222220ff040000002701ffff030000000000
3,120100090000039200000000006d00000000000400000003010800050000000b0200000000050000000c0217000600030000001e0004000000070104006d000000410b2000cc00160005000000000016000500000000002800000005000000160000000100040000000000000000000000000000000000000000000000000000000000ffffff00fefefe0074bffe00bf740000489cdf0074000000fefebf000000000000000000000000000000000000000000000000000000000000000000222220022222200022222002222220002222200222222000222220022222200022222002230420bf250670022304204422222002222220bf22222002222220432222200222222000222220042222200022222006222220ff040000002701ffff03000000000010-4=0.015Гн
Электромагнитная постоянная времени главной цепи:

Электромагнитная постоянная времени цепи якоря двигателя:

Коэффициент передачи преобразователя:

где Uy max - напряжение на входе системы импульсно-фазового управления тиристорного преобразователя (напряжение управления), при котором угол управления равен нулю и ЭДС преобразователя в режиме непрерывного тока максимальна. В проекте примем U y max=10 В.
Выбор базисных величин системы относительных единиц.
При рассмотрении модели силовой части электропривода как объекта управления параметры и переменные электропривода удобно перевести в систему относительных единиц. Переход к относительным единицам осуществляется по формуле

где Y - значение в абсолютных (физических) единицах; Y6 - базисное значение (также в абсолютных единицах); у — значение в относительных единицах.
Принимаем следующие основные базисные величины силовой части электропривода:
■базисное напряжение:
Uб=ЕЯN=192,76 В
базисный ток:
Iб=IЯN=42 A
базисную скорость:

базисный момент:
Mб=МN=71,6 H*м
■базисный магнитный поток:
Фб=ФN=1,7 Вб
Базисный ток и базисное напряжение регулирующей части электропривода выбираются так, чтобы они были соизмеримы с реальными уровнями токов и напряжений в регулирующей части. Принимаем:
базисное напряжение системы регулирования:
U6р=10В;
базисный ток системы регулирования:
Iбр=0,5 мА.
Рассчитаем производные базисные величины:
базисное сопротивление для силовых цепей:
R б =Uб/Iб=192,76/42=4,59 Ом
базисное сопротивление для системы регулирования:
R бр =Uбр/Iбр=10/0,5*10-3=20000 Ом
Механическая постоянная времени электропривода зависит от суммарного момента инерции и принятых базисных значений скорости и момента:

Расчёт параметров силовой части электропривода в относительных единицах.
На рис. 8. показана структурная схема модели силовой части электропривода как объекта управления. Переменные модели выражены в относительных единицах. В модель входят следующие звенья:
- тиристорный преобразователь (ТП) - пропорциональное звено с коэффициентом передачи kП;
- главная цепь (ГЦ) - апериодическое
звено с электромагнитной постоянной
времени Т3 и коэффициентом передачи,
равным
,
т.е. эквивалентной проводимости главной
цепи в относительных единицах;
- механическая часть (МЧ) - интегрирующее звено с механической постоянной времени Tj;
- звенья умножения на магнитный
поток
(поток рассматривается в модели как
постоянный параметр).
Входные величины модели представляют собой управляющее воздействие UУ (сигнал управления на входе преобразователя) и возмущающее воздействие mC (момент статического сопротивления на валу двигателя).
Переменными модели являются:
- ЭДС преобразователя ed;
- ЭДС якоря двигателя ея;
- ток якоря двигателя iя;
- электромагнитный момент двигателя m;
- угловая скорость двигателя
.

Рис. 8 Структурная схема объекта управления
Определим параметры электропривода в относительных единицах:
- коэффициент передачи преобразователя:

- эквивалентное сопротивление главной цепи:

- сопротивление цепи якоря двигателя:

- магнитный поток двигателя:

Расчет коэффициентов передачи датчиков
Рассчитаем коэффициенты передачи датчиков в абсолютных единицах так, чтобы при максимальном значении величины, измеряемой датчиком, напряжение на выходе датчика было равно базисному напряжению регулирующей части.
Коэффициент передачи датчика тока:

IЯ(max) - максимальный ток якоря по перегрузочной способности двигате-ля. Максимальный ток определяется по формуле

Коэффициент передачи датчика напряжения:

Коэффициент передачи датчика скорости:

Рассчитаем коэффициенты датчиков в относительных единицах.
Коэффициент передачи датчика тока:

Коэффициент передачи датчика напряжения:

Коэффициент передачи датчика скорости:

Разработка системы управления электроприводом
Выбор типа системы управления электроприводом
В курсовом проекте проектируется аналоговая система управления электроприводом. Система управления строится по принципу подчиненного регулирования координат.
Каждый электропривод снабжается системой автоматического регулирования (САР), предназначенной для изменения по заданному закону основной координаты электропривода, регулирования и ограничения промежуточных координат. В системе регулирования скорости основной координатой является скорость двигателя, а промежуточной — ток якоря. В САР основной координатой является положение исполнительного органа механизма, а скорость и ток — промежуточными.
Система регулирования замкнутая (с обратной связью), т.е. заданное значение координаты сравнивается с фактическим и их разность, усиленная и преобразованная в регуляторе, в конечном счете, воздействует на вход СИФУ тиристорного преобразователя якоря или возбуждения электродвигателя. Системы построены по принципу подчиненного регулирования, в соответствии с которым САР разбивается на несколько контуров, один из этих контуров является внешним, на его входе сравниваются задание и фактическое значение основной координаты. Выход внешнего контура является задающим сигналом для промежуточного контура, на входе которого сравниваются выходной сигнал внешнего контура и фактическое значение промежуточной координаты, и т.д., а выход внутреннего контура воздействует на вход СИФУ.
Выбор структуры системы управления электропривода производится с учетом требований технического задания на электропривод. Основными требованиями к электроприводу являются: поддержание заданной скорости вращения электропривода (с учетом требуемых диапазона регулирования скорости, допустимой статической погрешности поддержания скорости), величина токоограничения при упоре, ускорение электропривода при пуске.
В качестве внутреннего контура принимаем контур регулирования тока якоря. Он применяется, если требуется обеспечить:
-ограничение тока якоря допустимым значением при перегрузках электропривода;
- пуск или торможение электропривода с максимально возможным темпом;
- дополнительную коррекцию во внешнем контуре регулирования скорости.
В качестве внешнего контура принимаем контур регулирования скорости.
Рассмотрим функциональную схему системы управления электроприводом (рис 9). Система управления электроприводом представляет собой двухконтурную систему автоматического регулирования (САР) скорости. Внутренним контуром системы является контур регулирования тока якоря, внешним и главным контуром - контур регулирования скорости.
Для проектируемого электропривода выбираем однократную систему регулирования скорости. Однократная САР скорости по сравнению с двукратной не обладает астатизмом по возмущающему воздействию (моменту сопротивления), однако для проектируемой системы обеспечение такого астатизма не требуется. Однократная САР скорости обладает лучшими динамическими свойствами по сравнению с двукратной САР. Для контуров регулирования тока якоря и скорости применяется настройка на модульный оптимум. Данную настройку обеспечивают пропорционально интегральный регулятор тока (РТ) и пропорциональный регулятор скорости (PC). Плавное ускорение и замедление привода обеспечиваются с помощью задатчика интенсивности (ЗИ). Для разгона или торможения привода задатчик интенсивности формирует линейно изменяющийся во времени сигнал задания на скорость.
Сигналы обратных связей поступают в систему регулирования от датчиков тока якоря (ДТ), напряжения якоря (ДН) и скорости (ДС). Датчики состоят из измерительного элемента и устройства согласования. Измерительным элементом для датчика тока якоря является шунт в цепи якоря Rш, для датчика напряжения - делитель напряжения Rд, для датчика скорости - тахогенератор (ТГ). Устройство согласования обеспечивает необходимый коэффициент передачи датчика и гальваническую развязку силовых цепей от цепей управления. Косвенный датчик ЭДС (ДЭ) вычисляет ЭДС якоря по сигналам датчиков тока и напряжения. Сигнал ЭДС через звено компенсации (ЗК) подается на вход регулятора тока, что требуется для компенсации отрицательного влияния ЭДС якоря на процессы в контуре тока.
Рис. 9 .Функциональная схема системы управления электроприводом.
Некомпенсируемая постоянная времени Тµ закладывается в фильтрах Ф1 и Ф2. Эти фильтры обеспечивают защиту объекта управления от высокочас-тотных помех. Величина Тµ, принятая при проектировании системы, определяет быстродействие контура регулирования тока и всей системы в целом.
Управляющим воздействием на объект управления (силовую часть электропривода) является напряжение управления Uy. Напряжение управления подается на вход системы импульсно-фазового управления тиристорного преобразователя, которая регулирует угол управления, т.е. фазу подачи управляющих импульсов на тиристоры.
Нелинейные элементы НЭ1 и НЭ2 предназначены для ограничения координат системы. Элемент НЭ1 ограничивает выходной сигнал регулятора тока, а следовательно, напряжение управления преобразователя и его выходную ЭДС. Элемент НЭ2 ограничивает выходной сигнал регулятора скорости, тем самым ограничивается сигнал задания тока и сам ток якоря.
Расчет регулирующей части контура тока якоря
Расчет параметров математической модели контура тока якоря
Рассмотрим структуру и выполним расчет параметров модели контура тока, используя систему относительных единиц. Структурная схема контура тока представлена на рис.10. В контуре тока находятся звенья регулятора тока (РТ), фильтра (Ф), тиристорного преобразователя (ТП) и главной цепи (ГЦ). На структурной схеме фильтр показан внутри контура, что эквивалентно наличию фильтра в цепи задания и обратной связи (см. рис.9). Обратная связь по току при рассмотрении относительных величин принимается единичной. На процессы в контуре тока влияет ЭДС якоря двигателя, которую можно считать возмущающим воздействием. При отсутствии ЭДС якоря (якорь неподвижен) в контуре тока можно рассматривать одно звено объекта управления с передаточной функцией:

Некомпенсируемую постоянную времени Тµ рекомендуется принять в пределах 0,004-0,01 с. Тµ=0,007с.
Рис.10 . Структурная схема контура регулирования тока якоря.
При синтезе регулятора тока влияние ЭДС якоря не учитывается. Передаточная функция регулятора тока находится по условию настройки контура на модульный оптимум:



Получаем передаточную функцию ПИ-регулятора. Параметры регулятора тока находятся по следующим формулам:


Контур регулирования тока при настройке на модульный оптимум описывается передаточной функцией фильтра Баттерворта 2-го порядка:

Влияние ЭДС якоря приводит к появлению статической ошибки по току, что ухудшает качество системы. Для компенсации данного влияния вводится положительная обратная связь по ЭДС якоря. Структурная схема контура тока с компенсацией ЭДС представлена на рис. 11. При выносе фильтра из контура он должен оказаться в цепи задания на ток (Ф1), в цепи обратной связи по току (Ф2) и в цепи обратной связи по ЭДС, где его удобно объединить с датчиком ЭДС. Таким образом, датчик ЭДС имеет небольшую инерционность, что является необходимым, т.к. безынерционный датчик ЭДС реализовать невозможно.

Рис.11.Структурная схема контура тока с компенсацией ЭДС.
Компенсирующий сигнал Uк подается на вход регулятора тока, а не не-посредственно в точку действия ЭДС якоря (между звеньями ТП и ГЦ). Поэтому влияние звеньев регулятора тока и преобразователя на прохождение компенсирующего сигнала необходимо устранить. Это достигается за счет включения в цепь обратной связи по ЭДС звена компенсации. Передаточная функция звена компенсации определяется по формуле

Таким образом, звено компенсации является реальным дифференцирующим звеном. Параметры звена компенсации находятся по следующим формулам:


В результате компенсации ЭДС статическая ошибка по току устраняется.
ЭДС якоря двигателя недоступна для прямого измерения. Косвенный датчик ЭДС якоря использует сигналы тока и напряжения якоря. Связь между током, напряжением и ЭДС якоря следует из уравнения электрического равновесия для якорной цепи. В области изображений по Лапласу это уравнение имеет вид:

Реализовать датчик ЭДС в полном соответствии с данным уравнением невозможно, т.к. требуется идеальное форсирующее звено. Поэтому внесем в датчик инерционное звено с постоянной времени Тµ. В результате уравнение датчика ЭДС принимает вид:

Данному уравнению соответствует структурная схема датчика ЭДС структурная схема датчика ЭДС, показанная на рис12. Также показано звено компенсации.

Рис. 12. Структурная схема датчика ЭДС и звена компенсации.
Конструктивный расчет датчика ЭДС и звена компенсации.
В аналоговых системах автоматического управления электроприводами реализация регуляторов и других преобразователей сигналов осуществляется на базе операционных усилителей.
Принципиальная схема датчика ЭДС и звена компенсации показана на рис. 13. Фильтр в канале напряжения реализуется на элементах R12, R13, С6. Форсирующее звено в канале тока реализуется на элементах R10, R11, С5. Операционный усилитель DA3 предназначен для суммирования сигналов в датчике ЭДС, что осуществляется путем суммирования токов I1 и I2. Звено компенсации выполнено на операционном усилителе DA2. Элементы входной цепи и цепи обратной связи усилителя DA2 R8, R7, С4 обеспечивают реализацию свойств реального дифференцирующего звена.

Рис.13 . Принципиальная схема датчика ЭДС и звена компенсации
На рис. 14. представлена структурная схема для абсолютных величин токов и напряжений, которая соответствует принципиальной схеме, показанной на рис,13. При ее составлении было принято, что сопротивления R12 и R13 одинаковы.

Рис.14 . Структурная схема датчика ЭДС и звена компенсации для абсолютных величин
От структурной схемы для абсолютных величин перейдем к структурной схеме для относительных величин (рис.15). На данной схеме показаны относительные коэффициенты датчиков напряжения и тока. При переходе от абсолютных величин к относительным величинам в передаточных функциях входных цепей операционных усилителей появляется сопротивление Rбр. В передаточных функциях цепей обратной связи операционных усилителей появляются обратные величины 1/Rбр.

Рис. 15. Структурная схема датчика ЭДС и звена компенсации для относительных величин
Сопоставляя структурные схемы, получим соотношения между параметрами математической модели датчика ЭДС и звена компенсации в относительных единицах и параметрами элементов принципиальной схемы. Необходимые коэффициенты передачи обеспечиваются при выполнении условий:
=
=1,
,
,
Требуемые значения постоянных времени обеспечиваются при:
0,5R12C6=R10C5= Tµ ,
(R10+R11)С5= Tµ ,
RбрС4= TК1 ,
R8С4= TК2.
Из записанных соотношений выразим и рассчитаем параметры элементов принципиальной схемы (сопротивления и ёмкости).
R12 = R13
=
=
200000100090000039200000000006d00000000000400000003010800050000000b0200000000050000000c0217000600030000001e0004000000070104006d000000410b2000cc00160005000000000016000500000000002800000005000000160000000100040000000000000000000000000000000000000000000000000000000000ffffff00fefefe0074bffe00bf740000489cdf0074000000fefebf000000000000000000000000000000000000000000000000000000000000000000222220022222200022222002222220002222200222222000222220022222200022222002230420bf250670022304204422222002222220bf22222002222220432222200222222000222220042222200022222006222220ff040000002701ffff030000000000
0,69/2
= 6,9 кОм;
R11 =
=
200000100090000039200000000006d00000000000400000003010800050000000b0200000000050000000c0217000600030000001e0004000000070104006d000000410b2000cc00160005000000000016000500000000002800000005000000160000000100040000000000000000000000000000000000000000000000000000000000ffffff00fefefe0074bffe00bf740000489cdf0074000000fefebf000000000000000000000000000000000000000000000000000000000000000000222220022222200022222002222220002222200222222000222220022222200022222002230420bf250670022304204422222002222220bf22222002222220432222200222222000222220042222200022222006222220ff040000002701ffff0300000000000,39/0,14
= 55,7 кОм;
R9 = R7 = Rбр = 20 кОм;
C6 =
=0,007/(0,50100090000039200000000006d00000000000400000003010800050000000b0200000000050000000c0217000600030000001e0004000000070104006d000000410b2000cc00160005000000000016000500000000002800000005000000160000000100040000000000000000000000000000000000000000000000000000000000ffffff00fefefe0074bffe00bf740000489cdf0074000000fefebf000000000000000000000000000000000000000000000000000000000000000000222220022222200022222002222220002222200222222000222220022222200022222002230420bf250670022304204422222002222220bf22222002222220432222200222222000222220042222200022222006222220ff040000002701ffff03000000000069
)=2,030100090000039200000000006d00000000000400000003010800050000000b0200000000050000000c0217000600030000001e0004000000070104006d000000410b2000cc00160005000000000016000500000000002800000005000000160000000100040000000000000000000000000000000000000000000000000000000000ffffff00fefefe0074bffe00bf740000489cdf0074000000fefebf000000000000000000000000000000000000000000000000000000000000000000222220022222200022222002222220002222200222222000222220022222200022222002230420bf250670022304204422222002222220bf22222002222220432222200222222000222220042222200022222006222220ff040000002701ffff030000000000
10-6Ф
= 2,03 мкФ;
C5 =
=
(0,022-0,007)/55700 =2,690100090000039200000000006d00000000000400000003010800050000000b0200000000050000000c0217000600030000001e0004000000070104006d000000410b2000cc00160005000000000016000500000000002800000005000000160000000100040000000000000000000000000000000000000000000000000000000000ffffff00fefefe0074bffe00bf740000489cdf0074000000fefebf000000000000000000000000000000000000000000000000000000000000000000222220022222200022222002222220002222200222222000222220022222200022222002230420bf250670022304204422222002222220bf22222002222220432222200222222000222220042222200022222006222220ff040000002701ffff03000000000010-7Ф=
0,27 мкФ;
R10 =
=
0,007/2,690100090000039200000000006d00000000000400000003010800050000000b0200000000050000000c0217000600030000001e0004000000070104006d000000410b2000cc00160005000000000016000500000000002800000005000000160000000100040000000000000000000000000000000000000000000000000000000000ffffff00fefefe0074bffe00bf740000489cdf0074000000fefebf000000000000000000000000000000000000000000000000000000000000000000222220022222200022222002222220002222200222222000222220022222200022222002230420bf250670022304204422222002222220bf22222002222220432222200222222000222220042222200022222006222220ff040000002701ffff030000000000
10-7=25993Ом
= 26,0 кОм;
C4 = 010009000003020400000000dd03000000000400000003010800050000000b0200000000050000000c0226001600030000001e000400000007010400dd030000410b2000cc00250015000000000025001500000000002800000015000000250000000100080000000000000000000000000000000000000000000000000000000000ffffff00fefefe00489cdf0048000000fedf9c00febf7400dffefe0000489c00df9c48004874bf0074bffe0074000000fefebf009c480000bffedf0000007400bf74000074740000740074000074bf0048489c00bffefe00fefedf00dffedf009cdffe00000048009c9cdf00480048009c487400bf9c740074bfbf007448480074004800480074000048480000000000000000000000000000000000000000000000000000000000000000000000000000000000000000000000000000000000000000000000000000000000000000000000000000000000000000000000000000000000000000000000000000000000000000000000000000000000000000000000000000000000000000000000000000000000000000000000000000000000000000000000000000000000000000000000000000000000000000000000000000000000000000000000000000000000000000000000000000000000000000000000000000000000000000000000000000000000000000000000000000000000000000000000000000000000000000000000000000000000000000000000000000000000000000000000000000000000000000000000000000000000000000000000000000000000000000000000000000000000000000000000000000000000000000000000000000000000000000000000000000000000000000000000000000000000000000000000000000000000000000000000000000000000000000000000000000000000000000000000000000000000000000000000000000000000000000000000000000000000000000000000000000000000000000000000000000000000000000000000000000000000000000000000000000000000000000000000000000000000000000000000000000000000000000000000000000000000000000000000000000000000000000000000000000000000000000000000000000000000000000000000000000000000000000000000000000000000000000000000000000000000000000000000000000000000000000000000000000000000000000000000000000000000000000000000000000000000000000000000000000000000000000000000000000000000000000000000000000000000000000000000000000000000000000000000000000000000000000000000000000000000000000000000000000000000000000000000000000000000000000000000000000000000000000000000000000000000000000000000000000000000000000000000000000000000000000000000000000000000000000000000000000000000000000000000000000000000000000000000000000000000000000000000000000000000000000000000000000000000000000000000000000000000020202020202020202020202020202020202020202000902020202020202020202020202020202030011020202ffff0002020202020202020202020202020216130d020202000000020202020202020202020300000902162223000e1700100002020202020202020219210d0715051622050214090026060202020202020202020b110202140616130d0203090200000300040502030009020b2005070806161011021409022002070809020708110202191e08001102140c1f000c0d07050002030e17191c050202161d1702020202020202020200900102191a00000c0d020202191a000902020202020202616e000216100602191a0602020202021b0d020202020202010100020214090202030e170202020202020202020202020aac030202030e1702140e170202020202020202020202020052ec0216100000000405020202020202020202020202020220ff020202020202020202020202020202020202020202204e650202020202020202020202020202020202020202021466a80202020202020202020202020202020202020202020a0c0402020202020202020202020202020202020202020200ddec0202020202020202020202020202020202020202020280fe020202020202020202020202020202020202020202204e650202020202020202020202020202020202020202021466a80000000000000000000000000000000000000000000a8002020202020202020202020202020202020202020202002c360202020202020202020202020202020202020202020aac0302020202020202020b000e18080e17140000001102002c3902020202020202020715050b0e17020216130d02020a8e0102020202020202020708000e1702020216130d0202002c3802021400000602020715050a0502020216130d02020280fe02020708090202020b000e0f1011070812130d02026c0000020207080902020202020202020202020b0c0d02021466a80202070809020202020202020202020202020202020a8002020207080902020202020202020202020202020202003d38020207080902020202020202020202020202020202060f000202070809020202020202020202020202020202020000000306070809020a05020202020202020202020202021466a803000000000004050202020202020202020202020200000002020202020202020202020202020202020202020200f001040000002701ffff030000000000= 0,054/20000=0,0000027 Ф= 2,7 мкФ;
R8 =
= 0,013/0,0000027 = 4815 Ом= 4,8 кОм.
Конструктивный расчет регулятора тока
На рис.16. показана принципиальная схема регулятора тока и его входных цепей. Регулятор тока выполнен на операционном усилителе DA1. Последовательное включение в цепь обратной связи усилителя DA1 сопротивления R1 и емкости С1 обеспечивает пропорционально-интегральный тип регулятора. На входе усилителя DA1 суммируются три сигнала, приходящие по каналам задания на ток, обратной связи по току и по каналу компенсации ЭДС, путем суммирования токов I1, I2 и I3. В цепи задания на ток и в цепи обратной связи по току установлены фильтры на элементах R2, Rз, С2 и R4, R5, Сз соответственно. Нелинейный элемент НЭ1 реализуется на стабилитронах VD1 и VD2.

Рис.16. Принципиальная схема регулятора тока и его входных цепей
На рис.17. представлена структурная схема для абсолютных величин токов и напряжений, которая соответствует принципиальной схеме, показанной на рис.16. При составлении структурной схемы предполагалось, что сопротивления R2 и R3, а также R4 и R5 одинаковы. От структурной схемы для абсолютных величин перейдем к структурной схеме для относительных величин (рис.18 ).

Рис.17. Структурная схема регулятора тока и его входных цепей для абсолютных величин

Рис.18. Структурная схема регулятора тока и его входных цепей для относительных величин
Сопоставляя структурные схемы (см. рис.11 и 18), получим соотношения между параметрами математической модели регулирующей части контура тока в относительных единицах и параметрами принципиальной схемы.
Для обеспечения единичных коэффициентов передачи в каналах задания тока, обратной связи по току и компенсации ЭДС должны выполняться условия



Требуемые значения постоянных времени обеспечиваются при выполнении условий:
0,5R2C2=0,5R4C3=Tµ
RбрC1=Ti2
R1C1=Ti1
Из записанных соотношений выразим и рассчитаем параметры элементов принципиальной схемы (сопротивления и ёмкости).
R6 = Rбр = 20 кОм;
R2 = R3 = 0,5Rбр = 10 кОм;
R4= R5 = 0100090000035e05000000003905000000000400000003010800050000000b0200000000050000000c0222002e00030000001e00040000000701040039050000410b2000cc0021002d000000000021002d0000000000280000002d000000210000000100080000000000000000000000000000000000000000000000000000000000ffffff00fefefe0074bffe009c480000fefedf00bffefe000000740048000000fedf9c000074bf00df9c4800489cdf00dffefe0000489c00febf7400480074009cdffe00000048009c9cdf00fefebf00bf7400009c48480074000000480048009c487400bf9c740074bfbf009cbffe007448480074004800bf747400740074007474bf00febf9c0048489c009c749c000048480074489c00bf9c9c000000000000000000000000000000000000000000000000000000000000000000000000000000000000000000000000000000000000000000000000000000000000000000000000000000000000000000000000000000000000000000000000000000000000000000000000000000000000000000000000000000000000000000000000000000000000000000000000000000000000000000000000000000000000000000000000000000000000000000000000000000000000000000000000000000000000000000000000000000000000000000000000000000000000000000000000000000000000000000000000000000000000000000000000000000000000000000000000000000000000000000000000000000000000000000000000000000000000000000000000000000000000000000000000000000000000000000000000000000000000000000000000000000000000000000000000000000000000000000000000000000000000000000000000000000000000000000000000000000000000000000000000000000000000000000000000000000000000000000000000000000000000000000000000000000000000000000000000000000000000000000000000000000000000000000000000000000000000000000000000000000000000000000000000000000000000000000000000000000000000000000000000000000000000000000000000000000000000000000000000000000000000000000000000000000000000000000000000000000000000000000000000000000000000000000000000000000000000000000000000000000000000000000000000000000000000000000000000000000000000000000000000000000000000000000000000000000000000000000000000000000000000000000000000000000000000000000000000000000000000000000000000000000000000000000000000000000000000000000000000000000000000000000000000000000000000000000000000000000000000000000000000000000000000000000000000000000000000000000000000000000000000000000000000000000000000000000000000000000000000000000000000000000000000000000000000000000000000000000000000000000000000000000000000000000000000000000000000000202020202020202020202020202020202020607000000000f02020202020202020202020202020202020202020000000202020202020202020202020202020202020203150202030f020202020202020202020202020202020202020200000002020202020202020202020202020202020202020c150202020202020202020202020202020202020202020202000000020202020202020202020202020202020202020202031502020202020202020202020202020202020202020202000000020202020202020202020202020202020202020202020c0b0202020202020202020202020202020202020202020000000202020202020202020202020202020202020202020211180902020202020202020202020202020202020202020000000202020202020202020202020202020202020610090203080902020202020202020202020202020202020202020000000202020202020202020202020202020202020206070000150202020202020202020202020202020202020202020000000202020202020202020202020202020202020202020202020202020202020202020202020202020202020202020000000202020202020202020202020202020202020202020202020202020202020202020202020202020202020202020000000202020202020202020202020202020202020202020202020202020202020202020202020202020202020202020000000202020202020202020202020202020202020202020202020202020202020202020202020202020202020202020000000202020202020202020202020202020202020202020202020202020202020202020202020202020202020202020000000202020202020202020202020202020202020202020202020202020202020202020202020202020202020202020000000202020202020202020202020202020202020202020202020202020202020202020202020202020202020202020000000000000000000000000000000000000000000000000000000000000000000000000000000000000000000000000000000202020202020202020202020202020202020202020202020202020202020202020202020202020202020202020000000202020202020202020202020202020c00150202020202020202020202020202020d270202020d2405020202020000000202020202020202020202020202020620140202020202020202020202020202020d2614020206190502020202000000020202020202020202020c00000b020610250004050202020202020202020202020d0e00000000040503001714000000020202020202020202111e140d2309061009020a0b020202020202020202020202020d240506201402020a0f02000000020202020202020202031502020a0f062014020c0b0202020202020202020202020202112206201402020a0f020000000c000809020c000b02031d090d0e0f060715020a0b0202020202111e14020a00150202061f06201421140a0f030000000d0e0b020d0e150202111a0e0015020a171b001714020202020206070f06070f1c09020c000000150a00000000000000020c040511180902020619050202020202020202020202020202020a0b03171402020202020202020202020202000000021112000017140202021112000b02020202020202020d0e1502020c00001714020202020202020202020202020002030206070f0211120f02020202021314020202020202020d0e15020211160506070b02020202020202020202020215161702020a0b02020c04050202020202020202020202020202020202020610090607000f020202020202020202020245464702020c0405020a04050202020202020202020202020202020202020d0e0f020202020202020202020202020202757677020607000000080902020202020202020202020202020202020202020a0b020202020202020202020202020202a5a6a7020202020202020202020202020202020202020202020202020202030004050202020202020202020202020202d5d6d7020202020202020202020202020202020202020202020202020202020202020202020202020202020202020202000000020202020202020202020202020202020202020202020202020202020202020202020202020202020202020202ffffff040000002701ffff030000000000 =20*0,39/2= 3,9 кОм;
С2 =
= 0,007/(0,5*10000) = 0,0000014 Ф=1,4 мкФ;
С3 =
= 0,007/(0,5*3900) = 3,6 мкФ;
С1 =
= 0,078/20000 = 0,0000039 Ф= 3,9 мкФ;
R1 =
= 0,013/0,0000039 = 3333 = 3,3 кОм.
Расчет регулирующей части контура скорости
Расчет параметров математической модели контура скорости. Рассмотрим структуру и выполним расчет параметров модели контура скорости, используя систему относительных единиц. Структурная схема контура регулирования скорости представлена на рис.19. Контур регулирования тока якоря при его настройке на модульный оптимум рассматриваем как одно звено с передаточной функцией (10). Контур скорости включает в себя звено регулятора скорости (PC), звено контура тока якоря (КТ), звено умножения на поток и звено механической части привода (МЧ). Обратная связь по скорости при рассмотрении относительных величин принимается единичной. На объект управления действует возмущающее воздействие — момент статического сопротивления, создаваемый нагрузкой на валу двигателя.

Рис.19. Структурная схема контура регулирования скорости
При синтезе регулятора скорости считаем, что момент статического сопротивления равен нулю (режим идеального холостого хода двигателя). При условии mC=0 объект управления в контуре скорости представляется одним звеном:

Передаточная функция регулятора скорости находится по условию настройки контура на модульный оптимум:

Получаем передаточную функцию П-регулятора. Коэффициент передачи регулятора скорости согласно находится по формуле

Однократная САР скорости является статической по возмущающему воздействию, поэтому в результате появления нагрузки на валу двигателя появляется статическая ошибка по скорости. Определим величину максимальной статической ошибки по скорости:

где mC(max)=173,3 - максимальный по модулю статический момент на валу двигателя в относительных единицах (см. нагрузочную диаграмму двигателя).
Конструктивный расчет регулирующей части контура скорости

Рис.20 .Принципиальная схема регулирующей части контура скорости
Принципиальная схема регулирующей части контура скорости представлена на рис.20. Регулятор скорости выполнен на операционном усилителе DA4. Суммирование сигнала задания на скорость и сигналаобратной связи по скорости осуществляется путем суммирования токов I1 и I2. Включение в цепь обратной связи усилителя DA4 сопротивления R16 обеспечивает пропорциональный тип регулятора. Стабилитроны VD3, VD4 реализуют нелинейный элемент НЭ2.
На рис.21. показана структурная схема для абсолютных величин токов и напряжений, соответствующая принципиальной схеме на рис.20.

Рис.21. Структурная схема регулирующей части контура скорости доя абсолютных величин
От структурной схемы для абсолютных величин перейдем к структурной схеме для относительных величин (рис.22).

Рис.22. Структурная схема регулирующей части контура скорости для относительных величин
Сопоставляя структурные схемы (см. рис.19 и 22), получим соотношения между параметрами математической модели регулирующей части контура скорости в относительных единицах и параметрами элементов принципиальной схемы.
Для обеспечения единичных коэффициентов передачи в каналах задания скорости и обратной связи по скорости должны выполняться условия:
,
Для обеспечения требуемого коэффициента передачи регулятора скорости должно выполняться условие:

,
Выразим и рассчитаем сопротивления R14, R15 и R16:
R14=Rбр=20 кОм,
R15= Rбр*kдс=20*0,99=19,8 кОм
R16= Rбр*kрс=20*26,43=528,6 кОм
Расчет задатчика интенсивности
Расчет параметров математической модели задатчика интенсивности.
Задатчик интенсивности предназначен для формирования линейно изменяющегося во времени сигнала задания на скорость с определенным темпом. Структурная схема задатчика представлена на рис.23. Темп изменения выходного сигнала задатчика определяется уровнем ограничения Q нелинейного элемента (НЗ) и постоянной времени Ти интегратора (И).
Определим параметры математической модели задатчика интенсивности в относительных единицах.

Рис.23. Структурная схема задатчика интенсивности
Темп задатчика:

Уровень ограничения нелинейного элемента (принимается):Q=0,9.
Постоянная времени интегрирующего звена ЗИ:
ТИ=Q/A=0,9/2,41=0,373 c
Коэффициент передачи в линейной зоне нелинейного элемента (принимается) KЛ=100
Конструктивный расчет задатчика интенсивности
Принципиальная схема задатчика интенсивности представлена на рис.24. Нелинейный элемент реализуется на операционном усилителе DA7. Ограничение выходного сигнала обеспечивается за счет включения в цепь обратной связи усилителя DA7 стабилитронов VD5 и VD6. Интегратор реализуется на операционном усилителе DA6. Емкость С7 в цепи обратной связи усилителя DA6 определяет постоянную времени интегратора. Усилитель DA5 предназначен для инвертирования сигнала, чтобы обеспечить отрицательную обратную связь, охватывающую нелинейный элемент и интегратор (см. рис23.).
нтенсивностиНа рис.25. показана структурная схема для абсолютных величин токов и напряжений, соответствующая принципиальной схеме на рис.24.

Рис.25. Структурная схема задатчика интенсивности для абсолютных величин.
От структурной схемы задатчика интенсивности для абсолютных величин перейдем к структурной схеме для относительных величин (рис.26 ).

Рис. 26. Структурная схема задатчика интенсивности для относительных величин.
Из сравнения структурных схем задатчика интенсивности (см. рис.23 и 26) получим соотношения между параметрами математической модели и параметрами элементов принципиальной схемы задатчика.
Для обеспечения требуемой постоянной времени интегратора должно выполняться условие
RбрC7=TИ,
Для обеспечения требуемого коэффициента передачи в линейной зоне нелинейного элемента должно выполняться условие
,
Остальные сопротивления в схеме задатчика должны быть таковы, чтобы обеспечить единичные коэффициенты передачи. Для этого должны выполняться следующие условия:




1
Из записанных соотношений выразим и рассчитаем параметры элементов принципиальной схемы (сопротивления и ёмкости):
C7= TИ/Rбр=0,373/20000=1,87*10-5Ф=18,7 мкФ
R20=
Rбр*
=20*100=2Мом;
R17= R18= R19= R21= R22= Rбр= 20000 = 20 кОм
Литература
1. Задания и методические указания к выполнению курсового проекта по дисциплине «Автоматизированный электропривод».- Екатеринбург: Изд-во Рос.гос.проф.-пед.ун.-та, 2002.68с.
2. Ключев В.И. Теория электропривода: Учебник для вузов. - М.: Энергоатомиздат. 1985.-560 с.,ил.
3. Комплектные тиристорные электроприводы :Cправочник/ И.Х. Евзеров, А.С. Горбец, Б.И. Мошкович и др.; / Под. ред.кан.техн.наук В.М. Перельмутера..-М.: Энергоатомиздат, 1988. - 319с.
4. Тиристорные электроприводы серии КТЭУ мощностью до 2000 кВт/ И.Х. Евзеров, В.М. Перельмутера, А.А. Ткаченко.- М.: Энергоатомиздат, 1988. - 96с.: ил.- (Б-ка электромонтёра; Вып.606).
5. Чиликин М.Г., Сандлер А.С. Общий курс электропривода: Учебник. для вузов.- 6-е изд., доп. и перераб,- М.: Энергоиздат, 1981- 576 с.,ил.
Масса
груза при движении с четвертого этажа
на первый (4 1), т