Автоматизированный электропривод многоканатной подъемной установки
1.РАСЧЕТ МЕХАНИЧЕСКОЙ ЧАСТИ ЭЛЕКТРОПРИВОДА 3
1.1. Исходные данные для проектирования многоканатной ШПУ 3
1.2.Выбор скипа 3
1.3.Выбор подъемных канатов 5
1.4.Выбор многоканатной подъемной машины 6
1.5.Условие нескольжения шкива по ведущему валу 7
1.6.Продолжительность подъемной операции 8
1.7.Кинематика подъемной установки 9
1.8. Динамика подъемной установки 11
2. СИЛОВЫЕ ЭЛЕМЕНТЫ ЭЛЕКТРОПРИВОДА 16
2.1. Исходные данные для расчета динамики электропривода 16
2.2. Выбор тиристорного преобразователя 17
2.3. Выбор силового трансформатора 18
2.4. Расчет сглаживающего реактора 18
2.5. Расчет автоматического выключателя в якорной цепи 21
2.6.Выбор тиристорного возбудителя 21
2.7. Выбор тахогенератора в цепи ОС по скорости 23
3. АВТОМАТИЧЕСКОЕ УПРАВЛЕНИЕ ЭЛЕКТРОПРИВОДОМ 24
3.1. Расчет системы подчиненного регулирования координат электропривода 25
3.2.Расчет контура регулирования тока возбуждения 25
3.3. Расчет контура регулирования тока якорной цепи 27
3.4. Расчет контура регулирования скорости 30
4. Список используемой литературы 35
1.РАСЧЕТ МЕХАНИЧЕСКОЙ ЧАСТИ ЭЛЕКТРОПРИВОДА
Основными параметрами механической части шахтной подъемной установки (ШПУ) являются такие величины, как оптимальная масса поднимаемого груза, диаметр головных и хвостовых канатов, оптимальные скорость, ускорение и замедление движения, эффективная мощность подъема. Расчет этих параметров и выбор соответствующих изделий - задача проектирования механической части ШПУ.
Технические решения, принятые по механической части ШПУ, служат основой для выбора той или иной системы электропривода. Этим завершается первый этап проектирования автоматизированного электропривода. Основная задача второго этапа проектирования - выбор комплектного тиристорного электропривода из серии КТЭУ для ШПУ, принятой на первом этапе проектирования. На основе технических решений, принятых на первом и втором этапах проектирования, выбирают регуляторы тока, скорости и другие технические средства, составляющие систему автоматического управления электроприводом «управляемый выпрямитель - двигатель» (УВ-Д).
1.1. Исходные данные для проектирования многоканатной ШПУ
Годовая проектная
производительность подъема: Аг=2345тыс.т/год
Глубина вертикального
ствола: Нст=1000м
Число рабочих дней в году: 300
Число часов работы в сутки: 18
Коэффициент резерва: 1,5
Диаграмма скорости: семипериодная.
1.2.Выбор скипа
1.2.1. Расчетная высота подъема с учетом расположения скипов в копре и нижней части ствола:
Н>р>=Н>ст>+h>загр>+h>разгр>+2=1000+30+35+20,35=1066 м, (1.1)
где Н>ст> - глубина вертикального ствола;
h>загр> - расстояние по вертикали от отметки откаточного горизонта до нижней кромки загрузочного бункера;
h>разгр> - расстояние по вертикали от «нулевой» отметки до верхней кромки приемного бункера.

1.2.2. Часовая производительность ШПУ:
(1.2)
где А>ч> - часовая производительность ШПУ, т/ч;
А>г> - годовая производительность ШПУ, т/год;
с - коэффициент резерва производительности (с=1,5);
n>д> - число рабочих дней в году;
t - время работы подъемной установки в сутки, ч.

1.2.3. Оптимальная грузоподъемность Q>опт>, кг, при которой суммарные годовые эксплуатационные затраты на подъемной установке будут минимальными, определяем по формуле для многоканатных двухскиповых подъемов:
(1.3)
где А>ч> - часовая производительность, кг;
Н>п> - высота подъема, м;
t>п> - продолжительность паузы, с.
Выбираем стандартный скип 2СН11-2 грузоподъемностью Q>п>=25т, массой Q>с>=24,4 т, путем разгрузки h=2,4 м [1].
1.2.4. Высота подъема с учетом высоты скипа h>с>=13 м:
Н=Н>р>+h>с>=1066+13=1079 м. (1.4)
1.2.5. Расстояние от нижней приемной площадки до оси шкива трения:
Н>к>=Н+l>к>=1066+13+18=1097 м, (1.5)
где Н - высота подъема, м;
l>к>=h>ск>+18 - длина отвесов подъемных канатов в копре, м (рис.1.1.).
1.3.Выбор подъемных канатов
1.3.1. Линейную массу каната P>к>, кг/м, определим по формуле:


(1.6)
где Q>п> и Q>с> - масса полезного за один раз поднимаемого груза и собственная масса скипа, кг;
>в> - временное сопротивление разрыву проволок каната Н/м2;
g=9,81м/с2;
z>min>=4,5 - коэффициент запаса прочности;
>о> - условная плотность каната, кг/м3;
Н>к> - расстояние от нижней приемной площадки до оси шкива трения, м.
1.3.2. Число подъемных канатов n>к> многоканатного подъема определили по формуле:
(1.7)
где Р>к> - линейная масса канатов, кг/м;
D>шт> - диаметр шкива трения, м;
>к> - коэффициент, зависящий от конструкции каната;
- отношение D>шт> к диаметру каната d>к>, по ПБ для системы с отклоняющими канатами > >> >95.
Предварительно применим четыре каната n>к>=4, диаметром d>к>=46,5 мм, линейной массой каната Р>к>=8,4кг/м, разрывным усилием Q>р>=1330103 Н [1].
1.3.3. Линейную массу g>к> уравновешивающих канатов определили по формуле:
(1.8)
где n>к> - количество подъемных канатов;
Р>к> - линейная масса подъемного каната, кг/м;
n>ук> - количество уравновешивающих канатов, которых по ПБ должно быть не менее двух.
Применили три стандартных плоских каната с размерами 17027,5 мм расчетной массой g>к>=11,5 кг/м [1].
1.3.4. Разность линейных масс:
n>к>Р>к>=n>ук>g>к> 48,4-311,2=0,9 кг/м; (1.9)
Считаем предварительно выбранную систему уравновешенной.
1.4.Выбор многоканатной подъемной машины
Наметим к применению многоканатную подъемную машину ЦШ-54 со следующими техническими характеристиками:
Диаметром канатоведущего шкива D=5 м;
Количеством подъемных канатов n=4;
Статическим натяжением канатов 1450 кН;
Разностью статических натяжений канатов 350 кН;
Маховым моментом машины 6250 кНм2;
Маховым моментом отклоняющих шкивов 500 кНм2.
1.4.1. Фактические значения статических натяжений канатов и разности статических натяжений канатов рассчитаем по формулам:
Т>ст >>max>=(Q>п>+Q>с>+Р>к>Н>к>)g=(25103+24,4103+48,41097)9,81=846103 Н;
Т>ст>=846103 Н(факт)1450103Н(норма); (1.10)
F>ст>=Q>п>+(Р>к>-q)Нg=25103+(48,4-311,5)10799,81=236103Н;
F>ст>=236103Н(факт)350103Н(норма). (1.11)
1.4.2. Коэффициенты запаса прочности Z>о> и Z>min>, рассчитаем по формулам:
(1.12)
=
=
=6,3(факт)4,5(нор), (1.13)
где Z>о>, Z>min> - фактические значения коэффициентов запаса прочности;
Q>п>, Q>с> - масса полезного груза и масса сосуда, кг;
n>к>, n>ук> - количество подъемных и уравновешивающих канатов;
Q>р> - суммарное разрывное усилие всех проволок каната, Н;
Р>к>, q>к> - линейная масса подъемного и уравновешивающего канатов, кг/м;
Н>к> - расстояние от нижней приемной площадки до оси канатов ведущего шкива, м;
l>з> - отвес уравновешивающих канатов в зумпфе, м.
Окончательно применим многоканатную машину типоразмера ЦШ-54, четыре подъемных каната типа ЛК-РО маркировочной группы 1568 диаметром 46,5 мм и три уравновешивающих каната размером 17027,5 мм [1].
Техническая характеристика машины ЦШ-54:
Диаметр канатоведущего шкива D>ш>=5 м;
Количество подъемных канатов n>к>=4;
Маховый момент машины GD2>м>=6250 кНм2;
Маховый момент отклоняющих шкивов GD2>ош>=500 кНм2;
1.5.Условие нескольжения шкива по ведущему валу
1.5.1. Статический коэффициент безопасности К>сб> рассчитываем по
формуле :
(1.14)
3,3(факт)2(норма),
где F>ст >>max>=(Q>п>+Q>с>+pH+c)g - наибольшее возможное натяжение одной ветви каната, охватывающего ведущий шкив, Н;
F>ст >>min>=(Q>с>+qH-c)g - наименьшее натяжение другой ветви каната;
е - основание натурального логарифма;
f - коэффициент трения между канатами и футеровкой ведущего шкива;
- угол охвата ведущего шкива, рад;
с=
- сопротивление движению одной ветви
каната;
к=1,1 - для скипового подъема [1].
1.5.2. Максимально допустимые ускорение и замедление
(а>1 >>max>, а>3 >>max>) определяем по формулам :
(1.15)

2,28(факт)2(норма)
(1.16)

где m>1>=Q>c>+qH=24,4103+311,51079=61,6103 кг;
m>2>=Q>п>+Q>с>+PH=25103+244103+48,41079=85,7103 кг;
А=РL>вш>=48,444=1478,4 кгм;
-
приведенная масса всех отклоняющих
шкивов, кг;
L>вш> - длина подъемного каната от уровня верхней приемной площадки до соприкосновения его с ведущим шкивом трения, м.
Примем семипериодную диаграмму скорости со значениями ускорения и замедления а>1>=а>3>=0,6м/с2, а=а=0,3м/с2, что составляет менее 80% от максимально допустимых значений по правилам безопасности, и значениями скоростей V=V=0,8м/с2.
1.6.Продолжительность подъемной операции
1.6.1. Число подъемных операций в час n>пч> определили по формуле:
n>пч>=А>ч>/Q>п>=651103/24,4103=26. (1.17)
1.6.2. Расчетная продолжительность подъемной операции Т>рп> определим по формуле:
Т>рп>=3600/n>пч>=3600/26=139 с. (1.18)
1.6.3. Продолжительность движения подъемных сосудов Т>р> рассчитаем по формуле:
Т>р>=Т>рп>-t>п>=139-11=128с, (1.19)
где t>п> - продолжительность паузы, с.
1.6.4. Среднюю скорость подъема V>ср> определяем по формуле :
V>ср>=Н/Т>р>=1079/128=8,4 м/с, (1.20)
где Н - высота подъема, м.
1.6.5. Ориентировочную максимальную скорость подъема V>max> рассчитаем по формуле:
V>max>=a>c>V>ср>=1,358,4=11,4м/с, (1.21)
где а>с> - множитель скорости , принимаемый 1,151,35 [1].
1.6.6. Требуемую частоту вращения n>ктш> рассчитаем по формуле:
n>ктш>=60V>max>/D>ктш>=6011,4/(3,145)=44 об/мин. (1.22)
1.6.7. Ориентировочная мощность приводного двигателя:
(1.23)
где к - коэффициент, учитывающий сопротивление воздуха при движении подъемных сосудов, трение в подшипниках направляющих шкивов, жесткость канатов (к=1,1) [1];
Q>п> - масса полезного груза, кг;
Н - высота подъема, м;
g=9,81 м/с2 - ускорение силы тяжести;
Т>р> - продолжительность движения подъемных сосудов, с;
>п>=0,93 - КПД подъемной установки;
=1,3 - коэффициент динамического режима установки, учитывающий динамическую нагрузку, для скиповых многоканатных установок.
Наметим к применению двигатель типа П2-800-255-КУ4, мощностью 4000 кВт, с частотой вращения 50 об/мин [1].
1.7.Кинематика подъемной установки
1.7.1. Основание трапецеидальной диаграммы скорости Т>о >, соответствующий путь Н>о> и модуль ускорения а>м> определим по формулам:
Т>о>=Т>р>-t-t>1>-t>1>-t+
=128-3-2-2-3+
=121
c,
(1.24)
где Т>р> - продолжительность движения, с;
t, t>1>, t, t>1> -продолжительность движения скипа при ходе по разгрузочным кривым, с;
V и V - скорость выхода из разгрузочных кривых и входа в них, м/с;
а>1> и а>3> - ускорение и замедление, м/с2.
(1.25)
где Н - высота подъема, м;
h>р> - путь движения скипа в разгрузочных кривых, м.
а>м>=а>1>а>3>/(а>1>+а>3>)=0,60,6/(0,6+0,6)=0,3 м/с.
Причем продолжительность t, t>1> движения порожнего скипа при ходе ролика его по разгрузочным кривым, продолжительность t, t>1> движения груженого скипа при ходе ролика по разгрузочным кривым определим по формулам:
t=t=V/а=V/a=0,8/0,3=3 с; (1.26)
(1.27)
1.7.2. Продолжительность t>1>,t>3> и путь h>1>,h>3> движения скипа с ускорением а>1> и замедлением а>3> найдем по формулам:
(1.28)
(1.29)
1.7.3. Путь h>2> и продолжительность t>2> равномерного движения определим по формулам:
h>2>=Н-2h>p>-h>1>-h>3>=1079-22,4-122-122=830 м; (1.30)
t>2>=h>2>/V>max>=830/11,4=69 с. (1.31)
1.7.4. Расчетную максимальную скорость подъема V>max> определим по Формуле:
(1.32)
1.7.5. Требуемая частота вращения:
(1.33)
1.7.6. Продолжительность движения Т подъемных сосудов определили по формуле:
Т=t+t>1>+t1+t>2>+t>3>+t>1>+t=3+2+19+69+19+2+3=117 с. (1.34)
7.7. Фактический коэффициент резерва производительности С>ф> нашли по формуле:
(1.35)
где С=1,5 - коэффициент резерва производительности [1].
Окончательно примем параметры диаграммы скоростей и ускорений:
V=V=0,8м/с; t=t=3с; h>p>=2,6м; V>max>=12м/с;
t>1>=t>3>=19с; h>1>=h>3>=122м; h>2>=830м; t>2>=69с;
a=a=0,3м/с2; a>1>=a>3>=0,6м/с2; Т=117с; Н=1079м;
t>1>=t>1>=2c .
1.8. Динамика подъемной установки
1.8.1. Масса машины типа ЦШ-54 m>м >, отклоняющих шкивов m>ош> и двигателя типа П2-800-255-8КУ4 m>д >, рассчитаем по формулам:
m>м>=GD2>м>/gD2>шт>=6250103/(9,8152)=25,5103кг; (1.36)
m>ош>=GD2>ош>/gD2>шт>=500103/(9,8152)=2039кг; (1.37)
m>д>=GD2>д>/gD2>шт>=2400103/(9,8152)=9786кг, (1.38)
где GD2>м>, GD2>ош>, GD2>д> - маховые моменты машины, отклоняющих шкивов и якоря двигателя, Нм2.
1.8.2. Длину подъемных канатов L>пк> определяем по формуле:
L>пк>=Н+2h>вк>+D>шт>/2=1079+235+3,145/2=1157м, (1.39)
где Н - высота подъема, м;
h>вк> - расстояние от верхней приемной площадки до оси шкива трения, м;
D>шт> - диаметр шкива трения, м.
1.8.3. Длину уравновешивающих канатов L>ук> определяем по формуле:
L>ук>=Н+30=1079+30=1109 м, (1.40)
где 30 - ориентировочная длина каната на образование петли в зумпфе ствола и закрепление каната к подъемным сосудам, м.
1.8.4. Массу m>п> всех движущихся частей подъемной установки приведенную к окружности шкива трения, определим по формуле:
m>п>=Q>п>+2Q>c>+L>пк>Р+L>ук>q+m>ош>+m>м>+m>д>=
=25103+224,4103+115748,4+1109311,5+25,5103+2039+9786=
=188103кг, (1.41)
где Q>п> и Q>c> - масса полезного груза и масса скипа, кг;
P и q - линейная масса подъемного и уравновешивающего канатов, кг;
L>пк> и L>ук> - длина подъемных и уравновешивающих канатов, кг;
m>ош>, m>м>, m>д> - масса отклоняющего шкива, машины и якоря двигателя, кг.
1.8.5. Движущие усилия F получаем из основного динамического уравнения академика М.М. Федорова (таблица1.1):
F=1,1Q>п>+(Н-2h>x>)(q-P)g> >> >m>п>а=
=1,125103+(1079-2h>x>)(311,5-48,4)9,81> >> >188103а=
=283103-23,5h>x>> >> >188103a. (1.42)
1.8.6. Эквивалентное усилие F>эк> рассчитываем по формуле:
F>эк>=
,
(1.43)
где Т>п>=к>уд>(t+t>1>+t>1>+t>3>+t+t>1>)+t>2>+k>п>t>п>=0,5(32+22+192)+69+0,2511=96 с;
к>уд>=0,5, к>п>=0,25 - коэффициенты, учитывающие ухудшение условий охлаждения во время соответственно ускоренного и замедленного движения;
F и t - усилие и продолжительность элементарного участка на диаграмме усилий.
=(3394002+3393812)
+(2829812+282981282943+2829432)
+
+(3957442+3928742)
+(2800742+280074260552+2605522)
+
+(1477522+1448832)
+(2576832+257683257254+2572542)
+
+(2012542+2012212)
=9,158103Н;
(1.44)
=308862Н.
Таблица 1.1
-
h,м
а,м/с2
F,Н
1
0
0,3
339400
2
0,8
0,3
339381,184
3
0,8
0
282981,184
4
2,4
0
282943,552
5
2,4
0,6
395743,552
6
124,4
0,6
392874,112
7
124,4
0
280074,112
8
954,4
0
260552,512
9
954,4
0,6
147752,512
10
1076,4
0,6
144883,072
11
1076,4
0
257683,072
12
1077,6
0
257654,848
13
1077,6
0,3
201254,848
14
1079
0,3
201221,92
1.8.7. Коэффициент перегрузки при подъеме:
(1.45)
где F>max>-максимальное движущее усилие при подъеме груза, Н.
1.8.8. Номинальную мощность двигателя Р>д> выбираем из условия:
(1.46)
Диаграммы движущих усилий приведены на рис.1.1.



Окончательно примем двигатель П2-800-255-8КУ4 номинальной мощностью Р>ном>=5000 кВт, частотой вращения n>ном>=63 об/мин, так как разность между эквивалентной мощностью и номинальной превышает 5%, т.е. [1]:

а перегрузка в период разгона составит:
>дв>=
, (1.47)
где >дв> - перегрузочная способность выбранного двигателя.
2. СИЛОВЫЕ ЭЛЕМЕНТЫ ЭЛЕКТРОПРИВОДА
Основная задача второго этапа проектирования - выбор комплектного тиристорного электропривода из серии КТЭУ для подъемной установки, принятой на первом этапе проектирования.
2.1. Исходные данные для расчета динамики электропривода
Двигатель
Тип П2-800-255-8КУ4
Номинальная мощность Р>ном>=5000кВт
Номинальная частота вращения n>ном>=63об/мин
Номинальное напряжение U>ном>=930В
Номинальный ток I>ном>=5740А
Номинальный момент М>ном>=774кНм
Номинальный поток возбуждения Ф>ном>=0,375Вб
Коэффициент полезного действия >ном>=90,5%
Ток возбуждения I>в>=145А
Напряжение обмотки возбуждения U>в>=200В
Число полюсов 2р=16
Число параллельных ветвей якоря 2а=16
Сопротивление обмотки якоря R>я20>=0,00348Ом
Сопротивление дополнительных полюсов R>д20>=0,000631Ом
Сопротивление компенсационной обмотки R>к20>=0,00235Ом
Сопротивление обмотки возбуждения R>в20>=0,87Ом
Перегрузочная способность (рабочая) >р>=1,6
Перегрузочная способность (выключающая) >в>=1,8
Число витков якоря W>яд>=1080/16
Число витков главного полюса W>пд>=84
Число витков добавочного полюса W>дд>=2
Число витков компенсационной обмотки на полюс W>кд>=3
Питающая сеть
Номинальное напряжение U>с>=6000В
Частота f>с>=50Гц
Мощность короткого замыкания S>к>=15000МВА
Подъемная машина
Тип ЦШ54
Эффективная мощность подъема Р>эф>=4317кВт
Максимальная скорость подъема V>max>=16м/с
Средняя скорость V>ср>=8,4м/с
Множитель скорости =1,35
Радиус шкива трения D>шт>=5м
Максимальное усилие F>max>=395743Н
2.2. Выбор тиристорного преобразователя
Наметим к применению силовую 12-пульсную схему тиристорного электропривода с реверсом в цепи возбуждения двигателя и последовательным соединением выпрямительных мостов. После выбора тиристорного преобразователя силовую схему уточним.
2.2.1. Активное сопротивление якорной цепи R>яц> определяем по формуле:
R>яц>=к>1>к>2>(R>я20>+R>д20>+R>к20>+R>щ>)=
1,151,1(0,00348+0,000631+0,00235+0,0005)=0,00880566 Ом, (2.1)
где к>1>=1,15 - коэффициент приведения к рабочей температуре 60С [2];
к>2>=1,1 - коэффициент, учитывающий сопротивление соединительных
проводов [2];
R>я20>, R>д20>, R>к20>, R>щ> - сопротивление обмотки якоря, дополнительных полюсов, компенсационной обмотки и щеточного контакта, Ом
2.2.2. Коэффициент пропорциональности между ЭДС двигателя и линейной скоростью определим по формуле:
(2.2)
где U>ном> и I>ном> - номинальные напряжение и ток двигателя;
R>яц> - сопротивление якорной цепи, Ом;
V>max> - максимальная скорость подъема, м/с.
2.2.3. Коммутационное снижение выпрямленного напряжения определяем по формуле:
U>к ср>=0,5e>к>к>v>V>max>=0,50,065516=26,4 В, (2.3)
где е>к> - напряжение короткого замыкания трансформатора, отн.ед..
2.2.4. Эффективный ток за цикл работы подъемной установки определяем по формуле:
I>эф>=Р>эф>/(V>max>к>v>)=4317103/(1655)=4906 А,
где Р>эф> - эффективная мощность подъема, Вт.
Выбор тиристорного преобразователя произведем по двум параметрам - выпрямленному току I>d>> ном> и выпрямленному напряжению U>d>> ном >при соблюдении условий:
I>d>> ном >> >I>эф> и U>d>> ном >> >U>ном> . (2.4)
Применим комплектный тиристорный электропривод КТЭУ-6300/ 1050-1249314-200Т-УХЛ4. Тиристорный агрегат типа ТП3-6300/1050Т-10/ОУ4 с последовательным соединением мостов [2].
2.2.5. КПД тиристорного преобразователя, рассчитываем по формуле:
,
(2.5)
где U>do> - максимальное выпрямленное напряжение (угол управления =0), В;
U>к ср> - коммутационное снижение выпрямленного напряжения, В;
U>т>=0,96 В - среднестатистическое падение напряжения на тиристоре [2].
2.2.6. Передаточный коэффициент к>тп> тиристорного преобразователя определим по формуле:
к>тп>=U>d>> ном>/U>вх тп>=1050/8=131,25 В, (2.6)
где U>d>> ном> - номинальное выпрямленное напряжение, В;
U>вх тп>=8 В - входное напряжение управления.
2.3. Выбор силового трансформатора
2.3.1. Полную мощность силового трансформатора S>т> определим по формуле:
(2.7)
где к>м ср вз>=0,575 - средневзвешенный коэффициент
мощности[2].
Р>ном> - номинальная мощность двигателя, кВт.
2.3.2. Линейное напряжение вторичной обмотки, необходимое для выбора трансформатора, определим по формуле:
U>2>=(к>з>/к>сх>)(V>max>к>v>+U>кср>+I>эф>R>яц>)=
=(1,1/1,35)(1655+26,4+49060,00881)=773 В, (2.8)
где к>з>=1,1 - коэффициент запаса 2;
к>сх>=1,35 - коэффициент схемы выпрямления 2;
к>u> - коэффициент пропорциональности, В/(м/с);
U>к ср> - коммутационное снижение напряжения, В;
I>эф> - эффективный ток, А;
R>яц> - сопротивление якорной цепи, Ом;
V>max> - максимальная скорость, м/с.
Выбор трансформатора производится по двум параметрам - полной мощности S>т ном> и напряжению на вторичной обмотке U>2ном> при соблюдении условий:
S>т нои >> >S>т> и U>2ном >> >U>2>. (2.9)
Для комплектной поставки в составе преобразовательного агрегата типа ТП3-6300/1050-10/ОУ4 применим масляный двухобмоточный с двумя активными частями в одном баке трансформатор типа
ТДНПД-12000/10У2 2.
2.4. Расчет сглаживающего реактора
Сглаживающую индуктивность определяем из условия непрерывности выпрямленного тока. При этом принимается, что при угле отпирания тиристоров =80 и токе нагрузки 10% от номинального (0,1I>d>> ном>) режим прерывистого тока должен быть исключен.
2.4.1. Суммарное сопротивление цепи выпрямленного тока R>s> рассчитываем по формуле:
(2.10)
2.4.2. Базовый ток определим по формуле:
(2.11)
где U>2> – максимальное значение напряжения на вентильной обмотке силового трансформатора.
2.4.3. Номинальный ток в относительных единицах:
;
(2.12)
Базовый
параметр нагрузки определяется по
графику рис.2.1.[2] для значений
150,
m>б>=6
и i>дв>=0,076
и составляет tgQ>б>=7.
2.4.4. Требуемый параметр нагрузки, обеспечивающий допустимый коэффициент пульсации тока в выпрямленной цепи:

(2.13)
2.4.5. Суммарная индуктивность цепи выпрямленного тока.
(2.14)
где 2f – угловая частота питающей сети;
2.4.6. Индуктивность активной части трансформатора.
(2.15)
где е>к> - напряжение короткого замыкания, отн.ед.;
U>2 ном> - фазное напряжение вентильной обмотки, В;
I>2 ном> - ток вентильной обмотки, А;
f - частота питающей сети,Гц.
2.4.7. Индуктивность якоря двигателя L>д> определяем по формуле Лиумвиля-Уманского:
(2.16)
где с>1>=0,1 - коэффициент для компенсированных электродвигателей;
2р=16 - число пар полюсов;

n>ном> - номинальная частота вращения двигателя, об/мин;
U>ном> - номинальное напряжение двигателя, В;
I>ном> - номинальный ток двигателя, А.
2.4.8. Индуктивность сглаживающего реактора определяем по формуле [4]:
(2.17)
где U>ном> - номинальное напряжение двигателя, В;
I>ном> - номинальный ток двигателя, А.
Применим реактор типа СРОС3-3200МУХЛ4 на номинальный ток
3200А и с индуктивностью 0,5 мГн 2.
2.5. Расчет автоматического выключателя в якорной цепи
2.5.1. Коэффициент пропорциональности между движущим усилием и током якоря двигателя к>f> определим по формуле:
(2.18)
где М>ном> – номинальный момент двигателя, Нм;
R>шт >– радиус шкива трения, м;
I>ном> – номинальный ток двигателя, А.
2.5.2. Максимальный ток двигателя I>max> рассчитаем по формуле:
(2.19)
2.5.3. Ток уставки I>уст> срабатывания реле максимальной защиты определим по формуле:
I>уст>=к>н>I>max>=1,17329=8062 А, (2.20)
где к>н>=1,1 - коэффициент надежности 2.
Применим автоматический выключатель ВАТ-42-1000/10-Л-У4 с реле защиты РДШ-6000 и диапазоном тока уставки
600012000 А 1.
2.6.Выбор тиристорного возбудителя
2.6.1. Индуктивность обмотки возбуждения двигателя определим по формуле:

(2.21)
где L - индуктивность, обусловленная полезным потоком, Гн;
L>р> - индуктивность от полей рассеивания, Гн;
2р - число пар полюсов;
W>в>=84 - число витков на полюс;
>ном>=1,1 - коэффициент рассеивания при номинальном потоке [2];
Ф - изменение потока, вызванное соответствующим изменением ампер-витков (I>в>W>в>), Вб (рис.2.2.).

2.6.2. Постоянную времени цепи возбуждения Т>в> определим по формуле:
(2.22)
где L>ов> - индуктивность обмотки возбуждения, Гн;
R>ов> - сопротивление обмотки возбуждения, Ом.
2.6.3. Время рывка t>р> при высоте подъема Н=1079 м согласно графику 2:
t>р>=2с. (2.23)
2.6.4. Требуемое значение коэффициента форсировки к>ф> определим по формуле:
(2.24)
(2.25)
где Т>в> - постоянная времени возбуждения, с.
2.6.5. Максимальное значение выпрямленного напряжения U>max> определим по формуле:
U>d>> >>max>=К>ф>U>в ном>=3,06145=443,7 В, (2.26)
где U>в ном> - номинальное напряжение возбуждения при параллельном соединении полуобмоток возбуждения, В.
Применим тиристорный возбудитель ТПР9-320/460Р-31У4 с номинальным током 320 А и номинальным напряжением 460 В 2.
2.6.6. Передаточный коэффициент к>тв> тиристорного возбудителя определим по формуле:
К>тв>=U>d>> ном>/U>вх тв>=460/8=57,5, (2.27)
где U>d>> ном> - номинальное выпрямленное напряжение, В;
U>вх тв>=8 В - выходное напряжение управления.
2.7. Выбор тахогенератора в цепи ОС по скорости
Применяем тахогенератор типа ПТ-42 с номинальной частотой вращения n>тг ном>=100 об/мин и номинальным напряжением U>тг ном>=230В 2.
2.7.1. Максимальное напряжение на выходе тахогенератора U>тг >>max> определим по формуле:
U>тг>=U>тг ном>(n>дв ном>/n>тг ном>)=230(63/100)=145, (2.28)
где U>тг ном> - номинальное напряжение тахогенератора, В;
n>дв ном> - номинальная частота вращения двигателя, об/мин;
n>тг ном> - номинальная частота вращения тахогенератора, об/мин.
2.7.2. Передаточный коэффициент к>тг> рассчитаем по формуле:
к>тг>=U>тг >>max>/n>дв ном>=145/63=2,3 В/(об/мин). (2.29)
3. АВТОМАТИЧЕСКОЕ УПРАВЛЕНИЕ ЭЛЕКТРОПРИВОДОМ
На основе технических решений принятых на первом [1] и втором [2] этапах проектирования, выбирают регуляторы тока, скорости и другие технические средства, составляющие систему автоматического управления электроприводом.
Таблица 3.1.
Наименование величин. |
Обозначение. |
Подъёмная машина |
|
|
Суммарный маховый момент |
GD2=9150 кгм2 |
|
Нормальное ускорение и замедление |
а> 1> = а> 3 >=0,6 м/с2 |
|
Максимальная скорость |
v> max>=16 м/с |
|
Диаметр шкива трения |
D> шт> =5 м |
Двигатель |
|
|
Номинальный момент |
М >ном >= 774 кНм |
|
Номинальная частота вращения |
n >ном> = 63 об/мин |
|
Суммарное сопротивление якорной цепи |
R> я >= 0,00348 Ом |
|
Суммарная индуктивность якорной цепи |
L> я> = 0,08 мГн |
|
Индуктивность сглаживающего дросселя |
L> р> = 0,5 мГн |
|
Номинальный ток |
I >я ном> = 5740 А |
|
Эффективный ток |
I> эф> = 4906 А |
|
Максимальный ток |
I> я>> max> = 7610 А |
|
Номинальное напряжение |
U> >>ном> = 930 В |
|
Номинальная мощность |
P >ном> = 5000 кВт |
|
Число полюсов обмотки якоря |
2р = 16 |
|
Число параллельных ветвей обмотки якоря |
2а = 16 |
|
Число активных проводников обмотки якоря |
N = |
|
Номинальный магнитный поток |
Ф> ном> = 37,5 Вб |
|
Номинальное напряжение возбуждения |
U> в.ном> = 200 В |
|
Номинальный ток возбуждения |
I> в.ном> = 145 А |
|
Сопротивление обмотки возбуждения |
r> в> = 0,87 Ом |
|
Индуктивность обмотки возбуждения |
L> в> = 3,1 Гн |
|
Передаточный коэффициент тахогенератора |
К> тг> = 2,3 В/об/мин |
|
Постоянная времени обмотки возбуждения |
Т> в> = 3,06 с |
|
Номинальный ток шунта |
I> >>ш > = 200 А |
Тиристорный преобразователь |
|
|
Постоянная времени |
Т> м> = 0,02 с |
|
Максимальное выпрямленное напряжение |
U> d max> = 660 В |
|
Коэффициент передачи |
К> тп> = 82,5 |
Тиристорный возбудитель |
|
|
Постоянная времени |
Т> вм> = 0,02 с |
|
Максимальное выпрямленное напряжение |
U> d max> = 1050 В |
|
Коэффициент передачи |
К> тв> = 131,25 |
|
Коэффициент форсировки |
К> ф> = 3,06 |
Система электропривода |
|
|
Коэффициент пропорциональности между эдс и скоростью |
К >v> = 55 В/(м/с) |
|
Коэффициент пропорциональности между усилием и током якоря |
К> F> = 52 Н/А |
|
Суммарная приведенная масса |
m> п> = 188103 кг |
3.1. Расчет системы подчиненного регулирования координат
электропривода
Рассчитаем параметры САУ на основе элементов УБСР-АИ, входящих в состав комплектного электропривода КТЭУ.
Система построена по принципу подчиненного регулирования с зависимым регулированием тока возбуждения от тока якорной цепи при значениях тока якорной цепи менее 0,5I>дв ном >.
Расчет конкретных параметров САУ произведем, используя структурную схему, построенную по математическому описанию электромеханических процессов в абсолютных единицах.[3]
При расчете принимаем следующие допущения:
- механическая система представляется в виде одномассовой системы;
- демпфирующее действие вихревых токов в шихтованной станине электродвигателя не учитывается.
3.2.Расчет контура регулирования тока возбуждения
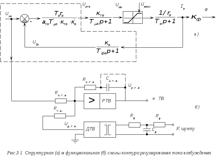
Структурная и функциональная схемы контура регулирования тока возбуждения представлены на рис.3.1.
3.2.l. Постоянная времени фильтра Т>фв> рассчитывается по формуле:
(3.1)
где к=56 - коэффициент, учитывающий уменьшение уровня пульсаций [3];
m=6 - пульсация сигнала за период для мостовой схемы;
f=50 Гц - частота питающей сети.
3.2.2. Постоянная времени контура тока возбуждения Т>>> в>:
Т>>>в>=Т>>>в>+Т>фв>=0,02+0,0025=0,0225 с, (3.2)
где Т>>> в> - постоянная времени тиристорного возбудителя, с;
Т>фв> - постоянная времени фильтра, с.
3.2.3. Параметры фильтра (R>ф >,С>ф >):
С>ф>=Т>фв>/R>ф>=0,0025/100=2510-6 Ф, (3.3)
где R>ф>=10100 Ом - сопротивление фильтра;
С>ф> - емкость фильтра.
3.2.4. Передаточный коэффициент цепи обратной связи К>в>:
(3.4)
где R>зтв> и R>тв> - входные сопротивления регулятора (R>зтв>=R>тв>);
U>дтв>=10В - напряжение выхода датчика тока при номинальном токе I>в ном> .
3
.2.5.
Статическую ошибку I>в>
для пропорционального регулятора
определим по формуле:
(3.5)
где I>в ном> - номинальный ток возбуждения, А;
Т>в> - постоянная времени обмотки возбуждения, с;
а>тв>=2 - коэффициент настройки контура, принимаемый по условию модульного оптимума [3];
Т>>>в> - постоянная времени контура тока возбуждения, с.
Решение: Реализовать условие U>дв>=U>дтв> и выбрать значение входных сопротивление регулятора тока возбуждения:
R>зтв>=R>тв>=10 кОм
3.2.6. Требуемый коэффициент датчика тока К>дтв> определим по формуле:
(3.6)
где I>ш ном> - номинальный ток шунта, А;
I>в ном> - номинальный ток возбуждения, А;
К>в> - передаточный коэффициент цепи обратной связи;
К>шв>=U>ш ном >/I>ш ном> - коэффициент шунта.
Предварительно применим ячейку датчика тока типа ДТ-3АИ(УБСР-АИ), коэффициент передачи которого регулируется в пределах 53,3133,3. Для уменьшения требуемого коэффициента датчика тока применить два шунта типа 75ШСМ 200А, соединенных параллельно друг другу 3.
3.2.7. Сопротивление обратной связи регулятора тока возбуждения R>отв >вычислим по формуле:
(3.7)
где R>зтв> - входное сопротивление регулятора тока возбуждения, Ом;
Т>в> - постоянная времени обмотки возбуждения, с;
r>в> - сопротивление обмотки возбуждения, Ом;
а>тв> - коэффициент настройки контура на модульный оптимум;
Т>>>в> - постоянная времени контура тока возбуждения, с;
К>тв> - передаточный коэффициент тиристорного возбудителя;
К>в> - передаточный коэффициент обратной связи.
3.2.8. Установившиеся уровни выходного напряжения регулятора тока возбуждения для номинального и форсированного режимов U>ртв ном> U>ртв ф> рассчитаем по формулам:

(3.8)
где U>в ном> - номинальное напряжение обмотки возбуждения, В;
К>тв> - передаточный коэффициент обмотки возбуждения;
К>ф> - коэффициент форсировки.
Окончательно выберем ячейку датчика тока ДТ-3АИ (УБСР-АИ).
3.3. Расчет контура регулирования тока якорной цепи
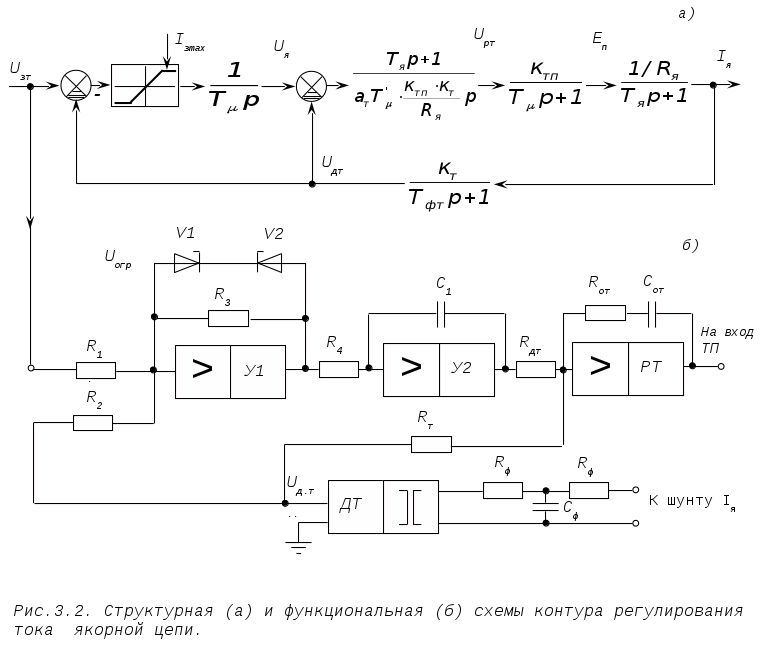
Структурная и функциональная схемы контура регулирования тока якорной цепи представлена на рис.3.2.
3.3.1. Постоянную времени фильтра Т>фт> на входе датчика тока рассчитываем по формуле:
(3.9)
где к=56 - коэффициент, учитывающий уменьшение уровня пульсаций [3]
m=12 - пульсация сигнала за период для двойной трехфазной мостовой схемы;
f=50Гц - частота питающей сети.
3.3.2. Емкость Т-образного фильтра рассчитаем по формуле:
С>ф>=Т>фт>/R>ф>=0,00125/100=12,5 мкФ, (3.10)
где R>ф> - сопротивление, принимаемое в пределах 10100 Ом.
3.3.3. Эквивалентную не компенсируемую постоянную времени контура тока вычислим по формуле:
Т>>>т>=Т>>>т>+Т>фт>=0,02+0,00125=0,02125 с, (3.11)
где Т>>>т>=0,02с - постоянная времени тиристорного преобразователя.
Решение: примем согласованное управление током якоря I>я> и током возбуждения I>в> в функции напряжения на выходе регулятора скорости U>рс>.
Применим условие начала реверсирования I>в>/I>я>=0,5I, т.е. уровень тока якоря, с которого начинается изменение тока возбуждения, составляет
i>я рев>=0,5.
3.3.4. Допустимое значение скорости изменения тока якоря рассчитывается по формуле:
(3.12)
где К>п>=2 - коэффициент, учитывающий перегрузку по току якоря [3];
Т>в> - постоянная времени обмотки возбуждения двигателя, с;
К>ф> - коэффициент форсировки;
i>я рев> - относительное значение тока якоря, при котором начинается изменение тока возбуждения (реверс).
3.3.5. Максимальное значение параметра настройки регулятора тока а>т> определяется из условия:
(3.13)
Решение: Параметр настройки регулятора тока принять по условию модульного оптимума, т.е. а>т>=2.
3.3.6. Передаточный коэффициент обратной связи контура тока определяются по формуле:
(3.14)

где R>зт> и> >R>т> - входные сопротивления регулятора тока, отношение которых принимается равным единице;
U>дт >>max> - не должно превышать 15 В (напряжение питания УБСР-АИ)
3.3.7. Коэффициент шунта определяется по паспортным данным:
К>ш>=U>ш ном >/I>ш ном>=0,075/10000=7510-6 В/А, (3.15)
где U>ш ном>=75 мВ для шунта 75 ШСМ 3;
I>ш ном> - номинальный ток шунта.
3.3.8. Коэффициент датчика тока определяется по формуле:
(3.16)
3.3.9. Параметры регулятора тока вычисляем по формуле:
(3.17)
R>от>=Т>я>/С>от>=0,0810-3/(210-60,01438)=2,78 кОм,
где Т>ит> - постоянная времени интегральной части ПИ-регулятора, с;
С>от>=23мкФ - емкость обратной связи регулятора токам [3];
Т>я>=L>я>/R>я> - постоянная времени якорной цепи, с;
К>тп>, R>я>, L>z> - заданные величины.
3.3.10. Постоянная времени интегратора:
(3.18)
где i>я >>max>=I>я >>max>> >/I>я ном>=7610/5740=1,33.
3.3.11. Коэффициент усиления нелинейного элемента в линейной зоне:
(3.19)
3.3.12. Сопротивление обратной связи R3 при R1=10 кОм:
R3=R1К>нэ>=10К>нэ>=1035,3=353 Ом. (3.20)
3.3.13. Входное сопротивление R4 для усилителя У2 при С1=3 мкФ:
R4=Т>ип>/С1=3/(310-6)=100 кОм. (3.21)
3.3.14. Напряжение ограничения усилителя У1:
(3.22)
3.3.15. Входное сопротивление R2 для усилителя У1:
R2=R1=10 кОм. (3.23)
3.4. Расчет контура регулирования скорости
3.4.1. Максимальное значение приращения движущего усилия F>ст >>max> определяют из условия:
F>ст >>max>> >> >0,1F>1>=0,1339400=33,94 кН, (3.24)
где F>1> - движущее усилие, равное статическому в начальный момент времени, Н.
Решение: Примем максимальное значение движущего усилия, при котором в замкнутой системе регулирования скорость не должна изменится более, чем на 1%:
V>max>=0,0116=0,16 м/с. (3.25)
3.4.2. Абсолютное значение статической ошибки в замкнутой системе управления V>а> определим по формуле:
(3.26)
где а>с>=2 - параметр настройки регулятора скорости [3];
Т>>>с>=а2>т>(Т>>+Т>фт>)+Т>фс>=4(0,02+0,0125)+0,02=0,15 с - эквивалентная не компенсируемая постоянная времени контура скорости, с;
а>т>=2 - параметр настройки регулятора тока [3];
Т>>=0,02с - постоянная времени тиристорного преобразователя [3];
Т>фт> - постоянная времени фильтра на входе датчика тока, с;
-
постоянная времени фильтра на входе
датчика скорости, с;
К=3 - кратность уменьшения пульсации напряжения тахогенератора [3];
-
частота полюсных пульсаций тахогенератора,
Гц;
К>К,> К>V> - заданные величины;
Т>м> - электромеханическая постоянная времени электропривода, с; m, R>> - ранее рассчитанные величины.
3.4.3. Относительное значение статической ошибки при установившемся режиме в замкнутой системе определим по формуле:
V%=(V>a>/V>max>)100%=(0,054/16)100=0,34> >> >1%. (3.27)
3.4.4. Время регулирования определили по формуле:
(3.28)
где =0,03 - допустимая динамическая ошибка по скорости 3;
V>max> - максимальная скорость движения подъемных сосудов, м/с;
а>max> - максимальное ускорение в период разгона и замедления, м/с2.
3.4.4. Масштаб времени Z определили по формуле:
Z=t>рег>/t>нор>=3/6=0,5 с, (3.29)
где t>нор>=6 с - нормированное время переходного процесса [3].
Принимаем график переходного процесса для параметров Z=0,5, >т>=0,15 5.
3.4.5. Параметры настройки двухкратноинтегрирующего контура скорости определяем из условия равенства выражений:
в>с>а>с>2а>т>2>>2=2,5Z2; в>с>а>с>а>т>>>=2,5Z. (3.30)
Отсюда в>с>=2,5; а>с>=Z/(а>т>>>)=0,5/(20,15)=1,7. (3.31)
Решение: Приняли структурную и функциональную схемы контура регулирования скорости (рис.3.3)
3.4.6. Коэффициент обратной связи по скорости рассчитали по формуле:
(3.32)
где R>зс>=R>с>;
U>дс> - напряжение, В, снимаемое с датчика скорости при скорости подъема V>max>> >, м/с.
Используем ячейку датчика напряжения ДН-2АИ (УБСР-АИ), и присоединим его вход к выходу тахогенератора с помощью делителя напряжения R>д> и R>д>. Принять U>дс>=V>max> 3.
3.4.7. Напряжение, снимаемое с тахогенератора, определили по формуле:
(3.33)
где U>тг ном> - номинальное напряжение тахогенератора, В;
n>тг ном> - номинальная частота вращения тахогенератора, об/мин;
n>дв ном> - номинальная частота вращения двигателя, об/мин.
3.4.8. Полное сопротивление делителя напряжения определим по формуле:
R>д>=U>тг>/I>тг ном>=149,5/0,1=1,5 кОм, (3.34)
где I>тг ном> - номинальный ток тахогенератора, А.
3.4.9. Мощность резисторов:
P>д>=U>тг>I>тг ном>=149,50,1=14,95 Вт. (3.35)

(3.36)
Условие
согласования: R>д>
=2400/10=240
Ом, (3.37)
где R>вх д>=2,4кОм - входное сопротивление датчика ДН-2АИ(УБСР-АИ)
Передаточная функция ПИ-регулятора скорости имеет вид:
(3.38)
3.4.10. Параметры ПИ-регулятора скорости:

(3.39)
Условие жесткости подъемных канатов:
так как К>пс>10 необходимо принять демпфирующий коэффициент
(3.40)
где К>пс>=10 [3].
3.4.11. Постоянная времени интегральной части ПИ-регулятора скорости:
(3.41)
Применим ячейку регулятора скорости РС-1АИ (УБСР-АИ).
3.4.12. Входные сопротивления регулятора скорости (С>ос>=2мкФ):
R>зс>=R>с>=Т>ис>/С>ос>=0,03/(210-6)=15 кОм. (3.42)
3.4.13. Сопротивление обратной связи регулятора скорости:
R>ос>=R>зс>К>пс>=1500021,4=321 кОм. (3.43)
3.4.14. Параметры фильтра на входе регулятора скорости:
Т>ф>=в>с>а>с>Т>>>с>=2,51,70,15=0,64 с; (3.44)
С>фс>=Т>ф>/(0,5R>зс>)=0,64/(0,515000)=0,85 мкФ. (3.45)
4. Список используемой литературы
1. Родченко А.Я., Евсеев Ю.В. Автоматизированный электропривод многоканатной подъемной установки. Ч.1. Механическая часть электропривода: Учеб.пособие /Норильский индустр. ин-т.– Норильск, 1996.-44с.
2. Писарев А.И., Родченко А.Я. Автоматизированный электропривод многоканатной подъемной установки. Ч.2. Система «управляемый выпрямитель – двигатель» с реверсом возбуждения двигателя. Силовые элементы электропривода: Учеб.пособие /Норильский индустр. ин-т.– Норильск, 1996.-48с.
3. Писарев А.И., Родченко А.Я. Автоматизированный электропривод многоканатной подъемной установки. Ч.3. Система «управляемый выпрямитель – двигатель» с реверсом возбуждения двигателя. Автоматическое управление электроприводом: Учеб.пособие /Норильский индустр. ин-т.– Норильск, 1996.-26с.
4. Комплектные тиристорные электроприводы:Справочник / И.Х.Евзеров, А.С.Горобец, Б.И.Мошкович и др.; Под ред. канд. техн.наук В.М.Перельмутера.- М.:Энергоатомиздат, 1988.-319с.:ил.
5. Католиков В.Е., Динкель А.Д., Седунин А.М. Тиристорный электропривод с реверсом возбуждения двигателя рудничного подъема.- М.:Недра, 1990.-382с.:ил.
6. Тиристорный электропривод рудничного подъема / А.Д.Динкель, В.Е.Католиков, В.И.Петренко, Л.М.Ковалев.-М.:Недра, 1977.-312с.:ил.
7. Александров К.К., Кузьмина Е.Г., Электротехнические чертежи и схемы.- М.:Энергоатомиздат, 1990.- 288с.:ил.
8. Католиков В.Е., Динкель А.Д., Седунин А.М. Автоматизированный электропривод подъемных установок глубоких шахт.- М.:Недра, 1983.-270с.:ил.
9. Малиновский А.К., Автоматизированный электропривод машин и установок шахт и рудников: Учебник для вузов.- М.:Недра,1987.- 277с.:ил.
10. Хаджиков Р.Н., Бутаков С.А., Горная механика:Учебник для техникумов.- 6-е изд., перераб. и доп.- М.:Недра, 1982.-407с.
2