Автоматическое управление плотностью бумажной массы
Введение
Автоматика, отрасль науки и техники, охватывающая теорию и принципы построения систем управления, действующих без непосредственного участия человека; в узком смысле - совокупность методов и технических средств, исключающих участие человека при выполнении операций конкретного процесса.
Автоматическое управление в технике, совокупность действий, направленных на поддержание или улучшение функционирования управляемого объекта без непосредственного участия человека в соответствии с заданной целью управления. Автоматическое управление широко применяется во многих технических и биотехнических системах для выполнения операций, не осуществимых человеком в связи с необходимостью переработки большого количества информации в ограниченное время, для повышения производительности труда, качества и точности регулирования, освобождения человека от управления системами, функционирующими в условиях относительной недоступности или опасных для здоровья. Цель управления тем или иным образом связывается с изменением во времени регулируемой (управляемой) величины - выходной величины управляемого объекта. Для осуществления цели управления, с учётом особенностей управляемых объектов различной природы и специфики отдельных классов систем, организуется воздействие на управляющие органы объекта - управляющее воздействие. Оно предназначено также для компенсации эффекта внешних возмущающих воздействий, стремящихся нарушить требуемое поведение регулируемой величины. Управляющее воздействие вырабатывается устройством управления (УУ). Совокупность взаимодействующих управляющего устройства и управляемого объекта образует систему автоматического управления. Система автоматического управления (САУ) поддерживает или улучшает функционирование управляемого объекта. САУ играют важную роль в пищевой и легкой промышленности, например для поддержания плотность и других характеристик сырья.
Целью данной работы является исследование системы управления, а также синтез последовательное корректирующее звено для получения в нашей системе следующих показателей качества(перерегулирование 15%, время переходного процесса 1с)
Для достижения цели планируется провести ряд действий:
- исследование принципов работы системы и построение её функциональной схемы;
- разработка модели системы в пакете MATLAB;
- анализ частотных и временных характеристик одного из звеньев системы управления;
- анализ устойчивости системы (методами Михайлова и логарифмического частотного критерия устойчивости);
- анализ качества;
- применение одного из методов повышения точности;
- последовательного корректирующего звена.
1. Описание работы системы
Бумага представляет собой многокомпонентную систему, состоящую, в основном, из специально обработанных растительных волокон, тесно переплетенных мeждy собой и связанных химическими силами сцепления различного вида. Это капиллярно-пористый материал. Помимо волокнистых компонентов, формирующих структуру бумаги, а, следовательно, и ee основные свойства, в состав бумаги мoгyт вводиться минеральные наполнители, так называемые проклеивающие вещества, красители и дpyгиe специальные добавки. Основными волокнистыми полуфабрикатами являются: древесная целлюлоза, получаемая химической обработкой древесины, и древесная масса, то ecть механически измельченная древесина - дешевый и широко используемый компонент бумаги. Особое место занимает бумага из хлопковых и синтетических волокон.
Конечно, за мнoгиe столетия развития бумажного производства, технология изготовления бумаги претерпела значительные изменения, хотя принципы формирования бумажного полотна не изменились. Революционным явилось изобретение милования бумаги - покрытия бумажной основы специальной пастой на основе каолина.
1.1 Схема производства бумаги
Производство бумаги можно разделить на три основных этапа:
1 этап. На первом этапе производится предварительная обработка древесного сырья. Еловая древесина распиливается на слесарных столах дисковыми пилами на мерный баланс длиной 1,2 м, освобождается от коры (окаривается) в окорочных барабанах сухим способом (без подачи воды в барабан). Часть окоренного баланса измельчается до получения технологической щепы в рубильных машинах. 2 этап. На втором этапе происходит производство полуфабриката - древесной массы и термомеханической массы. В древесно-массном цехе получают древесную массу, путем механического истирания мерного баланса в дефибрерах. В шахту дефибрера загружаются балансы, по всей длине прижимаются к вращающемуся керамическому камню, в результате чего происходит разделение древесины на волокна. Древесная масса проходит сортирование, очистку, сгущение и отбелку. В цехе термомеханической массы из технологической щепы получают термомеханическую массу путем двухступенчатого размола под давлением пропаренной щепы. Она также проходит сортирование сгущение и отбеливание.
3 этап. Третий этап - производство бумаги. Бумажная масса после предварительного сортирования, очистки, деаэрации и тонкого сортирования поступает на бумагоделательную машину, где в сеточной части происходит формование бумажного полотна, обезвоживание его под давлением прессовых валов, сушка в процессе прохождения через сушильные цилиндры, обогреваемые изнутри паром, повышение гладкости при прохождении бумаги между каландровыми валами и намотка готовой бумаги на вал наката. Затем на продольно-резательном станке бумага разрезается на рулоны требуемых форматов, упаковывается и складируется. Отгрузка бумаги осуществляется железнодорожным, автомобильным и водным транспортом.
1.2 Устройство бумагоделательной машины
Бумагоделательная машина состоит из сеточной, прессовой, сушильной, отделочных частей и привода. Кроме того, к ней относятся машинный бассейн для аккумулирования бумажной массы и подачей ее на машину, оборудование для рафинирования, помола и очистки массы, насосы для подачи воды, вакуумные насосы, устройства для переработки брака, бассейны оборотной массы воды, приточно-вытяжная вентиляционная система, регулирующие и контрольно-измерительные приборы.
Сеточная часть предназначена для формования и обезвоживания бумажного полотна и включает напорный ящик и сеточный стол. Напорный ящик предназначен для равномерного и непрерывного напуска массы на сетку по всей ширине. Бумажная масса на сетку выливается при помощи напускного устройства, обеспечивающего выход с одинаковой скоростью и в одинаковом количестве по всей ширине сетки, подачу массы спокойным потоком, без перекрещивания струй, завихрений и хлопьеобразования.
Сеточный стол представляет собой горизонтальную плоскость, образованную сеткой, натянутой между грудным валом и отсасывающим гаучвалом. Под верхней ветвью сетки, по направлению ее хода последовательно от грудного до гаучвала, расположены: формующая доска, гидропланки или регистровые валики, отсасывающие ящики. Основное назначение этих элементов - формование бумажного полотна за счет создания режима обезвоживания бумажной массы на сетке.
Прессовая часть служит для дальнейшего механического обезвоживания полотна бумаги после сеточного стола и состоит из двух или трех двухвальных прессов. В каждом прессе имеется сукно, охватывающее один из валов. Основное назначение сукон - предохранение структуры полотна бумаги от раздавливания во время прессования, впитывания влаги, транспортирования слабого сырого полотна в прессе и его передача в следующий пресс.
Сушильная часть служит для окончательного обезвоживания полотна бумаги испарением влаги. Сушильная часть состоит из сушильных цилиндров, расположенных в два яруса в шахматном порядке. Сушильный цилиндр - это полый стальной цилиндр диаметром 1500 или 1800 мм, изнутри обогреваемый паром. Поверхность цилиндров, как и прессовых валов, имеет высокую степень обработки - она отшлифована и отполирована. Число цилиндров зависит от вида вырабатываемой бумаги и скорости машин, например, для выработки газетной и мешочной бумаги число цилиндров доходит до 50 или 80. Отделочная часть состоит из машинного каландра и наката. Установленный между сушильной частью и накатом машинный каландр служит для повышения лоска, гладкости и объемной массы бумаги. Каландр состоит из 5 - 8 горизонтально расположенных один над другим валов, приводящихся в движение от нижнего вала. После машинного каландрирования бумага поступает на накат, где наматывается в рулон.
Привод бумагоделательной машины предназначен для привода в движение всех частей бумагоделательной машины. Он обеспечивает плавное изменение скорости отдельных частей в определенных пределах, строгое постоянство скорости приводимых частей при установившемся режиме работы машины. Установленная мощность электродвигателей привода составляет величину 10-20 тыс. кВт для различных типов машин.
1.3 Подача массы на бумагоделательную машину
По выходе из машинных бассейнов масса дозируется и направляется в бумагоделательную машину. Перед поступлением на машину она разбавляется оборотной водой, очищается от посторонних загрязнений. Формирование бумажного листа на сетке бумагоделательной машины. Бумажная масса, разбавленная до необходимой концентрации и очищенная от посторонних включений, поступает в напорный ящик бумагоделательной машины. Необходимая степень разбавления массы для отлива бумаги на сетке бумагоделательной машины зависит от массы 1 м2 бумаги, рода волокна и степени помола массы.
Напуск массы на сетку. Эта операция осуществляется при помощи напускного устройства - напорного ящика. Для нормальной работы машин при скоростях 450-500 м/мин требуется напор массы в напорном ящике 2,5-3 м, при скорости 600 м/мин - около 4,2 м и т. д.
Напускное устройство обеспечивает напуск бумажной массы на бесконечную сетку, движущуюся в направлении от грудного к гаучвалу, с одинаковой скоростью и в одинаковом количестве по всей ширине сетки. Напуск массы осуществляется почти параллельно сетке без всплесков.
Формирование бумажного листа (отлив). Формирование, или отлив, бумажного листа представляет собой процесс объединения волокон в листовую форму с созданием определенной объемной капиллярно-пористой структуры. Этот процесс осуществляется на сеточной части бумагоделательной машины постепенным и последовательным удалением воды из бумажной массы (обезвоживанием).
Режим обезвоживания, начинаемый в начале сеточного стола и заканчиваемый сушкой бумаги в сушильной части, на всех этапах технологического процесса оказывает существенное влияние на качество бумаги и производительность машины. Слой суспензии, транспортируемый бесконечной сеткой, последовательно проходит над регистровыми валиками или гидропланками, где постепенно обезвоживается. По мере удаления воды слой суспензии сгущается, образуется определенная структура бумажного полотна в виде слоя волокнистой массы на сетке концентрацией 2-4%. Обезвоживание такого слоя с помощью вакуума, создаваемого регистровыми валиками или гидропланками, затрудняется. Поэтому дальнейшее обезвоживание проводят с помощью отсасывающих ящиков, в которых создается вакуум с помощью вакуум-насосов, причем от первого к последнему ящику вакуум повышается. Разряжение в ящиках устанавливают в зависимости от вида вырабатываемой бумаги, оно находится в пределах 2-3 кПа. После отсасывающих ящиков сухость бумажного полотна составляет 8-10%. Затем полотно бумаги обезвоживается в конце сеточного стола на гаучвале под действием вакуума в отсасывающей камере.
1.4 Прессование, сушка, отделка бумаги
Прессование. После обезвоживания в сеточной части бумажное полотно поступает в прессовую, состоящую обычно из нескольких прессов, на которых оно последовательно обезвоживается до сухости 30-42%. Во время прессования бумажное полотно не только обезвоживается, но и уплотняется. При этом увеличиваются площадь контакта и силы сцепления между волокнами. Кроме того, изменяются свойства бумаги: растет объемная масса, снижаются пористость, воздухопроницаемость, впитывающая способность, увеличивается механическая прочность на разрыв и продавливание, повышается прозрачность и т. д.
Сушка. В сушильной части бумагоделательной машины бумажное полотно обезвоживается до конечной сухости. В процессе сушки удаляется 1,5-2,5 кг воды на 1 кг бумаги, что примерно в 50-100 раз меньше, чем на сеточной и прессовой частях машины. При сушке одновременно происходит дальнейшее уплотнение и сближение волокон. В результате повышается механическая прочность и гладкость бумаги. От режима сушки зависят объемная масса, впитывающая способность, воздухопроницаемость, прозрачность, усадка, влагопрочность, степень проклейки и окраска бумаги. Сухость бумажного полотна после нахождения в сушильной части составляет 92-95%, а температура 70-900С. Для обеспечения высококачественного каландрирования и хорошей намотки полотна в конце сушильной части устанавливают холодильные цилиндры, охлаждаясь на которых, бумажное полотно впитывает влагу и увлажняются на 1-2%.
Отделка. После сушки бумажное полотно с целью уплотнения и повышения гладкости проходит через машинный каландр, состоящий из расположенных друг над другом 2-8 валов. Полотно, огибая поочередно валы каландра, проходит между ними при возрастающем давлении. Пройдя каландр, бумажное полотно непрерывно наматывается на тамбурные валы в рулон диаметром до 2500 мм. Перезаправка с одного тамбурного вала на другой осуществляется при помощи специальных механизмов и устройств. Пройдя бумагоделательную машину бумага поступает на резательный станок и далее к упаковочной машине.
Основные параметры, характеризующие бумагоделательную машину - ширина вырабатываемой бумаги (в мм) и скорость (в м/мин). Эти два параметра, а также масса 1 м2 полотна определяют производительность машины (т/ч, т/сут и тыс.т/год).
1.5 Управление плотностью бумажной массы
При производстве бумаги очень важно поддерживать постоянную плотность исходной массы перед тем, как она поступает на укладку, сушку и протяжку. На рисунке приведена схема управления плотностью бумажной массы. Плотность определяется количеством добавляемой в смеситель воды.

Рисунок 2.1 – Схема управления плотностью бумажной массы
Далее рассмотрим структурную схему данной системы:

Рисунок 2.2 – Структурная схема управления плотностью бумажной массы
На этой схеме:
G>c>(s)-регулятор.
Передаточная функция регулятора:

Предположим, что k=10, тогда:

G(s)-исполнительный механизм.
Передаточная функция исполнительного механизма:

Предположим, что H(s)=1;
2. Разработка модели системы в MatLab
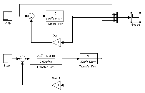
Проанализировав функциональную схему системы, перейдем к структурной, модель которой построим в пакете Matlab:

Рисунок 3.1 – Структурная схема

Рисунок 3.2 – Переходной процесс
3. Определение передаточной функции разомкнутой и замкнутой системы
Передаточная функция разомкнутой системы равна:
.
Передаточную функцию замкнутой системы можно получить при помощи передаточной функции разомкнутой системы:

Запишем характеристический полином системы (он равен знаменателю передаточной функции замкнутой системы):
D(s)=32·s2+12s+11.
4. Описание динамических характеристик звена системы
Передаточная функция элемента имеет вид:
.
4.1 Временные характеристики
4.1.1 Переходная характеристика
Переходная характеристика звена – это реакция звена на единичный скачок. Она находится по формуле:
,
где L- – оператор обратного преобразования Лапласа. Тогда


Рисунок 5.1 - Переходная характеристика элемента
4.1.2 Импульсная (весовая) характеристика
Импульсная (весовая) характеристика – это реакция звена на
-функцию Дирака.

,
Рисунок 5.2 - Импульсная характеристика элемента
4.2 Частотные характеристики
Представим передаточную функцию звена комплексной частотной передаточной функцией [3], заменив s на j:

Образ W>3>(j) на комплексной плоскости – это амплитудно-фазовая частотная характеристика (АФЧХ) звена.

Рисунок 5.3 - АФЧХ элемента
Строим ЛАЧХ.
20 lgK=20 lg10 =20;
Сопрягающая частота:


Рисунок 5.3 - График логарифмической амплитудно-частотной характеристики (ЛАЧХ)
5. Анализ устойчивости системы
Понятие устойчивости системы регулирования связано со способностью возвращаться в состояние равновесия после исчезновения внешних сил, которые вывели ее из этого состояния.
Для устойчивости линейной системы необходимо и достаточно, чтобы все корни лежали слева от мнимой оси плоскости корней. Если хотя бы один корень окажется справа от мнимой оси, то система будет неустойчивой. Таким образом, мнимая ось представляет собой граничную линию в плоскости корней, за которую не должны переходить корни характеристического уравнения. Вся левая полуплоскость представляет собой при этом область устойчивости.
Общее условие устойчивости говорит о том, что линейная непрерывная система будет устойчива, если вещественные части корней характеристического уравнения замкнутой системы будут отрицательны. Чтобы упростить задачу анализа устойчивости, в ТАУ используются критерии, которые позволяют судить об устойчивости системы, не рассчитывая корней характеристического уравнения.
5.1 Проверка устойчивости критерием Гурвица
Согласно критерию Гурвица, чтобы все корни характеристического полинома имели отрицательные вещественные части (т.е. система была устойчива), необходимо и достаточно, чтобы все определители Гурвица были больше нуля при положительном коэффициенте при старшей степени.
Рассчитаем устойчивость нашей системы критерием Гурвица :
При анализе по критерию Гурвица нам необходимо знать характеристический полином нашей системы.
Характеристический полином:
D(s)
=
.
Для системы второго порядка: чтобы система была устойчива, необходимо и достаточно чтобы коефициенты характеристического уравнения были больше 0.
Все коефициенты оказались больше нуля, значит, наша система устойчива.
5.2 Проверка устойчивости критерием Михайлова
1 Формулировка критерия
Михайлова: Чтобы характеристический
полином не имел корней в правой
полуплоскости необходимо и достаточно,
чтобы полное приращение фазы
,
при изменении частоты от 0 до
было равно
,
где n
– порядок систем .
2 Формулировка критерия Михайлова: Чтобы система была устойчива, необходимо и достаточно, чтобы при изменении частоты от 0 до ∞, годограф Михайлова должен последовательно проходить N – квадрантов и в N-том уходить в бесконечность.
3 Формулировка критерия
Михайлова: Чтобы система была устойчива,
необходимо и достаточно чередование
нулей мнимой (сначала) и действительной
части характеристического уравнения
при изменении частоты
от
0 до
.
Рассчитаем устойчивость нашей системы методом Михайлова :
Запишем характеристический полином системы:
.
Перейдем к комплексным переменным :

Выделим действительную и мнимую части:





Чтобы система была устойчива за Михайловым, нужно чтобы частоты росли а нули чередовались, т.е. было истинно следующее выражение :


Как видим из данной записи, наша система устойчива.
5.3 Предельный коэффициент усиления
Предельный коэффициент усиления системы – эт`о такой коэффициент усиления, при котором система находиться на границе устойчивости – т.е. переходной процесс, характеризующий систему, имеет вид колебательной кривой.


Характеристический полином:
D(s)
=

Чтобы система была устойчива, необходимо и достаточно, чтобы

Из этого следует, что система устойчива при любых k.
6. Анализ качества системы
Под качеством САУ понимают показатели качества переходного процесса и ошибку в установившемся состоянии. К показателям качества переходного процесса относятся:
- время установления t>уст> – это промежуток времени, за который переходной процесс впервые достигает установившегося значения;
- время регулирования t>п.п> (переходного процесса) – время, за которое переходная характеристика становится и остается по абсолютной величине меньше наперед заданной величины перерегулирования .

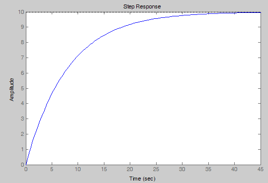
Рисунок 7.1 - График показателей качества
находим:
h>max>=1,22; h>уст>=0.907; t>уст>=3,41; t>пп>=13,6;
Вычислим перерегулирование:
.
7. Вычисление установившейся ошибки
Точность САУ определяется видом входного воздействия, параметрами и структурой системы. Ошибку системы в установившемся режиме можно вычислить, используя передаточную функцию по ошибке.
.
Передаточная функция по ошибке:
.

Коэффициенты ошибок:



8. Методы повышения точности
К числу общих методов повышения точности систем автоматического регулирования относятся:
1) увеличение коэффициента разомкнутой системы;

Рисунок 9.1 – Схема системы с увеличенным коефициентом усиления разомкнутой системы.

Рисунок 9.2 – Ошибка системы после использования 1го метода повышения точности
.
Передаточная функция по ошибке:
.

2) включение в систему изодромного звена;

Рисунок 9.3 – Схема системы с использованием изодромного звена.

Рисунок 9.4 – Ошибка системы после использования 2го метода повышения точности
Передаточная функция изодромного звена имеет вид:

.
Передаточная функция по ошибке:
.

3) ПИД регулятор:

Рисунок 9.5 – Схема системы с использования ПИД регулятора

Рисунок 9.6 – Ошибка системы после использования 3го метода повышения точности
9. Синтез САУ с применением последовательного корректирующего звена
Задача синтеза последовательного корректирующего устройства (ПКУ) заключается в следующем. Имеется исходная система автоматического управления, структура и параметры элементов которой известны. Требуется определить передаточную функцию ПКУ, включение, которого в систему обеспечит получение нужных показателей качества: величины перерегулирования, времени регулирования, ошибки в установившемся режиме.
Алгоритм синтеза последовательного КУ
построение ЛАХ исходной разомкнутой системы;
построение желаемой ЛАЧХ по заданным показателям качества (время регулирования, запас устойчивости по амплитуде и фазе, степень астатизма, коэффициенты ошибок, коэффициент усиления);
определение передаточной функции корректирующего устройства:



На основании приведенного алгоритма синтезируем корректирующее устройство для приведенной выше системы.
Построение исходной ЛАЧХ

на частоте
откладываем значение
L=20*lgK=20*lg10=20
определяем частоты сопряжения
:
,
через
точку
,
под наклоном 0 ДБ/декаду, так как в
исходной системе нет астатизма (нет
свободной s
в знаменателе), проводим линию до
пересечения с линией
;
так
как выражение
стоит в знаменателе, то дальше кривая
пойдет под наклоном –20ДБ/декаду до
пересечения с линией
;
выражение
стоит в знаменателе, поэтому, начиная
с частоты
и до
,
кривая пойдет под наклоном –40ДБ/декаду.
Построение желаемой ЛАЧХ
Прежде, чем приступить к построению желаемой ЛАЧХ, необходимо задаться желаемыми показателями качества:
-
перерегулирование
;
-
время регулирования
;
-
порядок астатизма
;
-
коэффициент ошибки по скорости
;
По заданным показателям качества ЛАЧХ строится в такой последовательности:
Определяем коэффициент добротности по скорости

Откладываем
на оси частот величину
и через эту точку проводим прямую под
наклоном –20ДБ/декаду, так как степень
астатизма желаемой системы
.
Определяем
частоту среза. Для этого по известному
значению
определяем величину
,
а по величине
определяем величину
.
Отсюда вычисляем значение частоты положительности

Тогда
частота среза выбирается из диапазона
.
В нашем случае
>ср>=(0,60,9)>п>=0,8·>п>=0,8·9,425=7,54.
Определяем
сопрягающие частоты. По зависимости
значения перерегулирования
от запаса
устойчивости по модулю
определяем значение запаса устойчивости
по модулю

Через
точку
проводим линию под наклоном –20ДБ/декаду.
Следующий этап построения – сопряжение частот, которое проводится по типовым наклонам характеристик:

При этом желательно, чтобы в области больших частот желаемая ЛАЧХ была аналогична исходной (ее наклон).
Высокочастотный участок образуется асимптотой с наклоном (-40)дБ/дек, что соответствует наклону исходной ЛАХ в этой области. Это делается для того, чтобы желаемая ЛАХ как можно меньше отличалась от исходной, то есть для упрощения корректирующего устройства.
ЛАХ желаемой системы построена по типовым наклонам 20-40-20-40
Частоты *>1> ,*>2> ,*>3> ,*>4> определяем графически:
*>1>=0,125; *>2>=1,13; *>3> =30.
Для ЛАХ запишем:

Передаточная функция корректирующего устройства запишется следующим образом:
,
где

Все построения приведены ниже.
Моделируем систему в среде MatLab:

Рисунок 10.2 – Модель системы в среде MatLab

Рисунок 10.3 – Переходной процесс скорректированной системы
Рассмотрим переходные процессы исходной и усовершенствованной систем. Очевидно, что введение ПКУ существенно улучшило показатели качества САУ. Перерегулирование не превышает 13% (хотя в исходной САУ – 22%), время регулирование – 0,25с (в исходной САУ – 13,6с), время установления – 0,1с (в исходной САУ – 3,41с).
Заключение
В данной курсовой работе был рассмотрен пример синтеза системы. Построив функциональную схему системы и проанализировав звенья, вошедшие в её состав, мы получили структурную схему САУ и построили её модель в среде разработки MatLab. В ходе исследования свойств системы, мы рассчитали её устойчивость и проанализировали качество и точность. Для улучшения показателей полученных в результате расчетов качества системы, был применен метод синтеза САУ с применением последовательного корректирующего звена. Это позволило добиться следующих показателей качества скорректированной системы: время переходного процесса уменьшилось с 13,6с до 0,25с, перерегулирование – со значения 22% понизилось до 12%.
Таким образом, можно сделать вывод, что спроектированная в данной работе САУ отвечает требованиям по устойчивости, точности в установившемся режиме и требованиям к качеству переходных процессов.