Анализ влияния химического состава и технологии получения на жаропрочность металлов и сплавов
МОСКОВСКИЙ ГОСУДАРСТВЕННЫЙ ОТКРЫТЫЙ УНИВЕРСИТЕТ
Чебоксарский институт (филиал)
Доклад
на тему:
АНАЛИЗ ВЛИЯНИЯ ХИМИЧЕСКОГО СОСТАВА И ТЕХНОЛОГИИ ПОЛУЧЕНИЯ НА ЖАРОПРОЧНОСТЬ МЕТАЛЛОВ И СПЛАВОВ
Выполнили: студенты 2 курса Иванов С.В., Львов А.
Факультет: автомеханический, Группа А21\05
Научный руководитель:
Чебоксары 2006
ПЛАН
ВВЕДЕНИЕ 3
СПОСОБ И РЕЖИМ ВЫПЛАВКИ 4
СТАЛИ И СПЛАВЫ ДЛЯ ВЫСОКОТЕМПЕРАТУРНОЙ СЛУЖБЫ 6
ЖАРОПРОЧНЫЕ ЦВЕТНЫЕ СПЛАВЫ, ИХ СВОЙСТВА И НАЗНАЧЕНИЕ 22
МАГНИЕВЫЕ СПЛАВЫ 22
АЛЮМИНИЕВЫЕ СПЛАВЫ 23
ТИТАНОВЫЕ СПЛАВЫ 24
МЕДНЫЕ СПЛАВЫ 25
НИКЕЛЕВЫЕ И КОБАЛЬТОВЫЕ СПЛАВЫ 26
ЖАРОПРОЧНЫЕ СПЛАВЫ ТУГОПЛАВКИХ МЕТАЛЛОВ. ИХ СТРУКТУРА, СВОЙСТВА И ПРИМЕНЕНИЕ 27
ВАНАДИЕВЫЙ СПЛАВЫ 30
ХРОМОВЫЕ СПЛАВЫ 30
НИОБИЕВЫЕ СПЛАВЫ 31
МОЛИБДЕНОВЫЕ СПЛАВЫ 31
ТАНТАЛОВЫЕ СПЛАВЫ 32
ВОЛЬФРАМОВЫЕ СПЛАВЫ 33
Используемая литература 36
ВВЕДЕНИЕ
В последние годы в связи с развитием новых специальных областей техники широкое применение получили жаропрочные сплавы, способные без разрушения в течении длительного времени сопротивляться незначительным пластическим деформациям при высоких температурах.
Многообразие современных жаропрочных сплавов связано с различными уровнями рабочих температур и требованиями, предъявляемыми к свойствам сплавов при этих температурах (предела длительной прочности и ползучести, электро - и теплопроводность, свариваемость и др.)
Рабочие температуры современных жаропрочных сплавов составляют примерно 0,5-0,8 Тпл, а в ряде случаев 0,8-0,9 Тпл, время применения изменяется от нескольких часов до нескольких лет, напряжения - от нескольких до десятков Мн/м2.
Многочисленные требования к современным жаропрочным сплавам могут быть удовлетворены лишь тогда, когда изыскание и разработка новых жаропрочных сплавов идут с заметным опережением этих требований.
СПОСОБ И РЕЖИМ ВЫПЛАВКИ
Выплавка жаропрочных сплавов с использованием чистых шихтовых материалов, вакуумного переплава позволяет получать более высокие и стабильные механические свойства.
Электрошлаковый и вакуумный дуговой переплав способствует повышению выносливости, термостойкости и уменьшает дисперсию свойств.
В работе отмечается, что сплав G-34 вакуумной плавки по сравнению с обычной уменьшил дисперсию с 33,2 до 18,2%, т.е. в 2 раза, причем предел ограниченной выносливости образцов вакуумной плавки при 750°С возрос на 20%.
Так же недостаточное раскисление, завышение температуры разливки, загрязнение металла неметаллическими включениями, металлургические дефекты отрицательно сказываются на пределе выносливости и способствуют росту дисперсии. Исследование структуры слитков обычной и вакуумной плавок стали 1Х12Н2ВМФ (ЭИ961) показывает, что металл вакуумных плавок имеет более плотную, однородную макроструктуру без рыхлостей и расслоений по сравнению с металлом открытых плавок.
Вакуумный дуговой переплав снижает загрязненности этой стали оксидными я силикатными включениями 3-4 раза.
Таблица 1
Влияние способа выплавки на кратковременную и длительную прочность жаропрочных деформируемых сплавов.
|
Метод выплавки |
Марка сплава |
Длительная прочность |
Кратковременный разрыв |
|||||
|
t,°C |
σ кгс/ мм² |
t, ч |
t,°C |
σв Кгс/ мм² |
σ |
ψ |
||
|
% |
||||||||
|
Открытая плавка в дуговой печи |
ХН77ТЮР. (ЭИ437Б) |
700 |
44 |
153 |
700 |
86 |
20 |
25 |
Продолжение таблицы.
|
Вакуумный дуговой переплав |
700 |
44 |
157 |
700 |
85 |
20 |
24 |
|
|
Открытая плавка в дуговой печи |
ХН70ВМТЮ (ЭИ617) |
850 |
20 |
82 |
800 |
76 |
4,4 |
10.5 |
|
Вакуумный дуговой переплав |
850 |
20 |
114 |
800 |
80 |
10 |
15 |
При переходе от обычной воздушной плавки к вакуумной происходит увеличение предела прочности до 10%, а увеличение длительной прочности (по времени) в 2 раза; удлинение при этом возрастает в 2-3 раза. Кроме того, заметно снижается содержание газов в металле.
Таблица 2
Механические свойства сплава М-252 в зависимости от способа выплавки
|
Плавка |
Тисп,°С |
кгс/ мм² |
кгс/ мм² |
кгс/ мм² |
δ,% |
|
На воздухе |
650 750 815 |
95 76 59,7 |
- - 31 |
46,4 21* 11,2 |
- 5** - |
|
В вакууме |
650 750 815 |
110 97 66.8 |
- - 33.8 |
52 26.7* 14.8 |
- - 9,5** |
* Температура испытания 760° С. ** Температура испытания 730° С.
Характеризуя влияние способа выплавки на кратковременную и длительную прочность жаропрочных деформированных сплавов, отмечается, что вакуумный переплав улучшил жаропрочные свойства сплава ХН70ВМТЮ (ЭИ617) (табл.1).
В таблице 2 даны сравнительные свойства сплава М-252 для лопаток турбин, полученные дуговой и вакуумной плавкой, показывающие преимущества металла вакуумной плавки по всем характеристикам.
Данные 1000-ч прочности по сплавам М-252, Уаспаллой, К-235, GMR-235 также свидетельствуют о преимуществе вакуумной выплавки. Следует подчеркнуть, что механические свойства получаются более высокими при увеличении глубины вакуума.
Сопротивление ползучести при переходе от обычной воздушной выплавки к вакуумной возрастает (по времени) для нимоник 90 на 80%, а для нимоник 105-на 50% при возрастаний удлинения в 4,5 и 2,2 раза соответственно. Термостойкость также возрастает для литейных и деформируемых сплавов при переходе от открытой к вакуумной выплавке, о чем свидетельствуют данные многих исследователей.
СТАЛИ И СПЛАВЫ ДЛЯ ВЫСОКОТЕМПЕРАТУРНОЙ СЛУЖБЫ
Развитие работ в области создания и технологии производства жаропрочных и жаростойких сталей и сплавов во многом определяет прогресс различных отраслей промышленности: авиация, ракетпокосмическая техника, судостроение, тепловая и атомная энергетика, химическое и нефтехимическое машиностроение, приборостроение и др.
В связи с различными условиями эксплуатации рассматриваемых сталей и сплавов (температура, напряжение, среда) анализ состояния вопроса целесообразно провести по группам материалов.
Теплоустойчивые стали.
Теплоустойчивые стали, работающие при высоких температурах до 650°С и давлениях до 250-300 атм, обладая повышенной кратковременной и длительной прочностью, могут работать и в агрессивных средах длительностью от 10 до 100 тыс. часов.
Теплоустойчивые стали, как правило, являются низколегированными: содержание легирующих элементов в них не превышает 4 мас.%, за исключением 12 мас. % хромистых коррозионностойких сталей.
При правильном выборе химического содержания стали и режима термической обработки сталь упрочняется по трем механизмам: 1) фазовый наклеп при y-d-превращении; 2) дисперсионное твердение; 3) упрочнение твердого раствора. В результате формируется оптимальная структура, которая обеспечивает высокие свойства в исходном состоянии и их стабильность в течение длительного времени эксплуатации при высоких температурах.
Легирование современных теплоустойчивых сталей основано на изложенных выше соображениях. Ранее из-за недостаточных знаний по теории легирования, в теплоустойчивые стали в основном вводили молибден или молибден с хромом, причем содержание Мо было неоправданно высоким 1,0-1,5 мас. %. Стали относились к упрочняемым по первому и по третьему механизмам. Типичными представителями этой группы являются стали 15-16М, 15ХМ. Croalloy 2.25C и др.
В середине 50-х годов были разработаны дисперсионно-твердеющие стали, содержащие хром, молибден и ванадий одновременно, причем концентрация молибдена была снижена до 0,25-0,35 мас. %. Введение ванадия в количестве 0,15-0,30 мас. % даже при уменьшенном содержании молибдена достаточно, чтобы получить более высокие свойства, чем в стали с 1 мас. % Мо без ванадия.
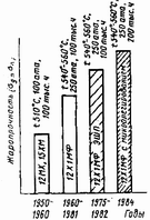
Благодаря применению хромомолибденванадиевых сталей теплоэнергетика освоила закритические параметры пара на энергоблоках различной мощности (рис.1)
При использовании агрессивных топлив находят применение стали с повышенным содержанием хрома (10-12 мас. %), которые работают достаточно надежно до 620-650 °С. Упрочнение этих сталей при наличии в них молибдена и ванадия происходит в результате выделения легированного кубического карбида МегзСб и МеС. Карбид Ме2зСб не является таким дисперсным, как карбид ванадия УС, Он выделяется недостаточно равномерно, преимущественно по границам зерен, из-за чего наиболее жаропрочные стали этой группы приходится дополнительно легировать вольфрамом и ниобием в небольших количествах. Вследствие одновременного введения ванадия и ниобия образуются карбиды УС и МЬС, а молибден и вольфрам образуют частицы фазы Лавеса. Таким образом, в высокохромистых сталях упрочнение обеспечивается выделением карбидных и интермсталлидных фаз.
Эти стали обладают высоким комплексом физико-механических свойств, структурной стабильностью и могут надежно эксплуатироваться в течение длительного времени. Хромистые стали, имея меньшую радиационную повреждаемость в нейтронном потоке, могут быть использованы взамен аустенитных хромоникелевых сталей типа Х18Н10Т в качестве конструкционного материала в атомной энергетике.
Для многослойных сосудов высокого давления с рабочей температурой до 450 °С применяется сталь 12ХГНМ. Усовершенствование стали 12ХГНМ (введен ванадий и уменьшены концентрации никеля, молибдена и хрома) позволило использовать ее до более высоких температур - 560°С для изготовления сосудов высокого давления в сварном многослойном рулонированном исполнении. На рис.2 приведены кривые ползучести сталей 12ХГНМ и 12ХГНМФ при температуре
испытания 560°С и напряжении 100 МПа, откуда следует, что сопротивление ползучести стада 12ХГНМФ значительно выше, чем у стали аналогичного состава с большим содержанием никеля" хрома и молибдена, но без добавок ванадия. В результате оптимизации химического состава стали 12ХГНМФ разработана сталь 15ХГНМФТ, содержащая в 1,5-2,0 раза меньше дефицитных легирующих элементов молибдена, никеля, марганца при сохранении на высоком уровне эксплуатационных характеристик. Сталь 15ГНМФТ хорошо сваривается, не склонна к образованию горячих и холодных трещин в околошовной зоне.
Р

ис.1.
Повышение эксплуатационных характеристик
хромомолибденованадиевых сталей за
счет оптимизации легирования к технологии
производства.
Рис.2. Кривые ползучести сталей 12ХГНМ и 12ХГНМФ при 560С и напряжении 100МП.
Долгое время не обращалось должного внимания на присутствие остаточных элементов (азота и алюминия) в низколегированных хромолибденованадиевых сталях. Определение содержания азота на большом числе плавок показало, что мартеновская сталь 12Х1МФ содержит до 0,008 мас. %, в то время как при выплавке стали в электродуговой печи его содержание достигает 0,02 мас. %. Установлено, что, кроме остаточного азота стали меняется и остаточное содержание алюминия от 0,01 до 0,07 мас. % в зависимости от метода выплавки.
Исследование влияния азота и алюминия на свойства стали 12Х1МФ показало, что при комнатной температуре при увеличении содержания алюминия с 0,010-0,012 до 0,05-0А07 мас. % прочностные характеристики не изменяются. Однако с повышением содержания азота как при низком, так и при высокой содержании алюминия временное сопротивление и предел текучести понижается с 638 до 490 и с 510 до 392 МПа. Длительная прочность стали при 540°С и низком содержании алюминия (0,010-0,012%) с увеличением содержания азота от 0,01 до 0,02 мас. % катастрофически снижается, но при дальнейшем увеличении содержания азота практически не меняется.
При содержании алюминия 0,05-0,07 мас. % эти закономерности сохраняются, однако время до разрушения при любом содержании азота уменьшается почти в два раза по сравнению с полученным на стили с содержанием алюминия 0,010-0,012 мас. % (рис.3). Аналогичные зависимости имеются также при температурах 570 и 610°С„
Отрицательное влияние азота на свойства хромомолибденванадиевой стали 12Х1МФ при увеличении его содержания до 0,025-0,040 мас. % связано с измельчением зерна, превращением аустенита в перлитной области, выделением более грубых частиц нитрида ванадия и карбида Ме2зС6 по границам зерен и образованием объединённых приграничных зон. В этом случае время до разрушения снижается более, чем на порядок.
При повышенном содержании алюминия в стали 12X1МФ распад твёрдого раствора происходит в перлитной области с образованием большого количества карбидных фаз (VC и Ме2зС6), выделяются нитриды алюминия (при концентрации азота около 0,01 мас.%), вдоль границ зёрен образуются зоны, свободные от выделений. В результате отмеченных структурных изменений время до разрушения стали уменьшается примерно в 2 раза при одновременном снижении длительной пластичности с 12-14 до 4-6%.
Таким образом, Для достижения максимальной жаропрочности остаточные содержания азота и алюминий в стали типа 12Х1МФ не должны превышать 0,01 мас. % каждого.
Большое значение имеет применяемая при выплавке шихта. Проведенными работами по влиянию цветных примесей (Pb, Zn, Sn и Си) на свойства стали 12Х1МФ было показано, что все проанализированные примеси, не изменяя кратковременных свойств, снижают жаропрочность стали 570°С и напряжениях 160 и 180 МПа (рис.4). Отрицательное воздействие проявляется при содержании 0,0001 мас. %РЬ, 0,0001 мае% Sn около 0,001 мае. % Zn и 0,1 мае. % Сu.
Рис.3. Влияние содержания азота и алюминия на прочностные характеристики стали 12Х1МФ при 20°С и жаропрочность при 560°С.
Рис.4.
Влияние цветных примесей на время до
разрушения стали 12Х1МФ при 570°С.
Одним из путей повышения качества является применение современных способов выплавки, в частности электрошлакового переплава (ЭШП), который весьма перспективен для низколегированной Cr-Mo-V стали. В процессе ЭШП значительно уменьшается содержание неметаллических включений и газов, снижается химическая неоднородность металла. В металле ЭШП практически отсутствуют крупные включения и сульфидные строчки, а мелкие включения распределены равномерно по всему объему металла. Благодаря большей чистоте металла, более чем в два раза возрастает технологическая пластичность. Кроме того, ЭПШ значительно повышает длительную пластичность при сохранении тех же или более высоких (на 10,0-15,0 МПа) значений длительной прочности за 105 ч. по сравнению с металлом обычной выплавки.
Р
ис.5
Влияние микролегирования В, Zr,
P3M на
сопротивление ползучести стали 12Х1МФ.
Другим путем повышения свойств теплоустойчивых сталей (длительной прочности и сопротивления по ту чести) может быть микролегирование. Правильный выбор микролегирующих добавок, их сочетание и последовательность ввода в оптимальном количестве могут значительно повысить длительную прочность и сопротивление ползучести, а также сократить расход молибдена.
На рис.5 показано изменение сопротивления ползучести хромомолибденванадиевой стали и стали аналогичного состава с добавками бора, РЗМ и циркония. Микролегирование позволяет значительно уменьшить скорость ползучести такой стали, поскольку микродобавки благоприятно влияют на тонкую дислокационную структуру, фазовый состав стали и количество выделяющейся упрочняющей карбидной фазы.
Так, при введении циркония в количестве до 0,5 мас.% образуются дисперсные частицы карбида ванадия, снижается содержание карбидов Ме:, С\ Ме7Сз и Ме2зС(), формируются бейнитные участки с высокой плотностью дислокации. Кроме того, микролегирование упомянутыми добавками уменьшает количество неметаллических включений, изменяет их тип, форму, размеры и характер распределения.
Таким образом, улучшить качество хромомолибденванадаевой стали можно путем применения ЭШП, использования чистых по вредным примесям шихтовых материалов, снижением азота и алюминия в металле до 0,01 мас.% каждого, а также применением микролегирования. Такой металл можно рекомендовать для мощных энергоблоков с целью увеличения их срока службы в 2-2,5 раза.
Жаропрочные сплавы на никелевой основе.
Жаропрочные сплавы на никелевой основе применяются, главным образом в качестве материала деталей, работающих в интервале 700-1100°С и условиях значительных напряжений и агрессивной среды продуктов сгорания топлива.
Рис.6
Удельная жаропрочность зарубежных
высокотемпературных материалов.
Рис.7.
длительная прочность никелевых сплавов
в зависимости от содержания упрочняющей
γ –фазы.
К современным жаропрочным сплавам предъявляют следующие требования: максимально высокий предел длительной прочности и ползучести; стабильность структуры и свойств в процессе длительного воздействия температуры и напряжения; высокое сопротивление высокотемпературной коррозии в продуктах сгорания топлива; высокая термоусталостная и усталостная прочности; малая чувствительность к концентраторам напряжений; необходимый уровень технологических свойств, обеспечивающий серийное производство изделий из этих сплавов на современном оборудовании.
Высокожаропрочные сплавы обычно имеют в своем составе 12-13 легирующих элементов, которые выполняют определенные функции (Рис.6): легирование твердого раствора, образование упрочняющей интерметаллидной γ-фазы, карбидообразование, зернограничные эффекты и т.д.
На рис.7 показана удельная высокотемпературная прочность ряда зарубежных жаропрочных материалов для деталей газовых турбин, из которого следует, что для никелевых сплавов повышение рабочих температур и напряжений связывается с применением литейных сплавов с равноосной и направленной структурой. Повышение жаропрочности достигается усложнением химического состава сплава, увеличением содержания упрочняющей γ-фазы (рис.8).
Для работах лопаток энергетических газотурбинных установок разработаны деформируемые сплавы ХН65КМВЮБ и ХН60КВЮМБ. В зарубежной практике для данного назначения в основном используют авиационные материалы Юдимет 700, Нимоник 115, Инконель 100, Инконель 713С, MARM-241. Однако специфические условия службы стационарных газовых турбин (длительный срок службы, использование топлива с высоким содержанием серы и пятиокиси ванадия, значительный перепад температуры по длине лопатки) потребовали создания специальных материалов. Преимуществом новых сплавов по сравнению с существующими является сочетание высокой жаропрочности с хорошей деформационной способностью при рабочих температурах и коррозионной стойкостью в продуктах сгорания природного газа.
Сплав ХН65КМВЮБ по характеристикам длительной прочности на базе испытания 10000 ч при 700-800°С (а 800=220Н/мм²) превышает применяемый в настоящее время сплав ХН65ВМТЮ в среднем на 120 Н/мм². При равноценной жаропрочности с авиационным сплавом ХН55ВМТКЮ сплав ХН65МВТЮ имеет лучшую технологичность и существенно более высокую жаростойкость и коррозионную стойкость.
Дальнейшим совершенствованием системы легирования этого сплава является наиболее жаропрочный из известных деформируемых материалов сплав ХН60КВЮМБ. После ступенчатого режима термической обработки сплав содержат 48-50% упрочняющей γ-фазы, частицы которых образуют правильные ряды с тонкими прослойками твердого раствора между ними (рис.9). Следует отметить термическую стабильность структура сплава в течение длительного времени. Анализ кривых распределения частиц γ-фазы по размерам (рис.10) показывает, что при 700°С и старении до 3000 ч не происходит изменения дисперсности упрочняющей фазы. При 800°С через 3000 ч. кривая распределения несколько смещается вправо, не изменяя своей формы. Фазовый состав сплава практически не изменяется в процессе изотермических выдержек при 550-850°С длительности до 10 тыс. часов.
Высокая стабильность структуры и фазового состава сплава ХН6ОКВЮМБ предопределяет его существенную жаропрочность при 700-900°С. по которой он превышает наиболее жаропрочный деформируемый сплав ХН51ВМТКЖФР (рис.11): предал длительной прочности сплава ХН60КВЮМБ при 800сС за 10000 ч составляет 250 Н/мм2, при 700°С - 500 Н/мм2. Испытания сплава ХН60КВЮМБ в обмазке, имитирующей состав продуктов сгорания природного газа, показали, что при 850°С за 600 ч. убыль веса составляла 0,16-0,23 мг/cм² т.е. почти в 3 раза меньше, чем для сплава ХН51ВМТЮКФР.
Сложной проблемой при разработке жаропрочных сплавов является обеспечение высокой жаропрочности и сопротивления высокотемпературной солевой коррозии (ВСК).
Установлено, что сплавы с удовлетворительным сопротивлением высокотемпературной солевой коррозии содержат не менее 14% хрома. Однако увеличение концентрации хрома способствует образованию охрупчиваюшей ТПУ σ-фазы, что приводит к катастрофическому падению прочности и пластичности. Так, при возрастают хрома с 14 до 16 мас. % максимальное время до разрушения при 900°С снижается в 4-5 раз. Показано, что существенное влияние на эксплуатационные характеристики материала системы Ni-Cr-Co-W-Mo оказывает отношение титана к алюминию, причем увеличение этого отношения приводит к уменьшению скорости коррозии в среде 25% NaCl+75%Na2SO4, но снижению жаропрочности (рис.12). На основании большого количестве лабораторных и промышленных экспериментов разработан и освоен в производстве литейный сплав ХН58КВТЮМБ, который имеет аюо90и>= 245 Н/м при скорости ВСК 0,5 мг/см. ч. и не склонен к образованию ТПУ фаз в процессе длительной высокотемпературной службы.
Одним из путей повышения
характеристик литейных жаропрочных
является легирование материала гафнием,
который приводит при определенной
концентрации к повышению длительной
прочности и пластичности сплава (рис.13).
Положительное влияние гафния объясняется
измельчением дендритной структуры
сплава, изменением морфологии и состава
карбидных фаз, повышением термической
устойчивости γ-фазы и торможением
диффузионных процессов по границам
зерен. Следует также отметить, что
введение гафния, вероятно, позволит
уменьшить содержание хрома в сплаве
без потери коррозионной стойкости, что
будет способствовать дальнейшему
повышению жаропрочности материала и
устранению опасности образования
Т
ПУ-фаз
при длительной высокотемпературной
эксплуатации.
Рис.10. Кривые распределения частиц γ-фазы по размерам в сплаве ХН60КВЮМБ в зависимости от температуры и длительности изотермических выдержек.
В последние годы возросла роль технологии производства в улучшении физико-механических свойств жаропрочных сплавов. Успехи, достигнутые в этом направлении, обусловлены как усовершенствованием традиционных способов выплавки, обработки давлением и термической обработки, так и использованием новых технологических процессов: направленная кристаллизация, горячее изостатическое прессование, термомеханическая обработка, поверхностное легирование и др.
Значительное развитие получило производство лопаток газотурбинных двигателей с направленной структурой. Основным преимуществом направленной кристаллизации жаропрочных сплавов является устранение границ зерен, перпендикулярных к оси главных напряжений. Такая морфология структуры обеспечивает значительное повышение характеристик длительной прочности и термической усталости материалов, приводит к увеличению коэффициента использования металла при изготовлении рабочих лопаток авиационных двигателей практически в двое. Следует отметить, что для направленной кристаллизации пригодны не все сплавы, потому что в ряде случаев между осями второго порядка, расположенными перпендикулярно оси главных напряжений выделяются охрупчивающие фазы; одна из причин этого явления, вероятно, заключается в существенной ликвидации вольфрама, титана и алюминия.
В
се
более широкое применение для повышения
свойств отливок из жаропрочных сплавов
находит горячее изостатическое
прессование (ГИП). Показано, что ГИП при
1200°С в течете 4 ч приводит к повышению
пластичности литейных сплавов в 1.5-2
раза при сохранении на высоком уровне
прочностных характеристик. Этот эффект
объясняется практическим устранением
литейной микропористости, повышением
плотности и дисперсности дендритной
структуры, уменьшением микрохимической
неоднородности и количества пластинчатых
карбидов.
Р
ис.11.
Длительная прочность сплава ХН60КВЮМБ.
Рис.12. Влияние отношения Ti/Al на жаропрочность и сопротивление высокотемпературной газовой коррозии никелевого сплава.

Рис.13;
Влияние гафния на свойства литейного
никелевого сплава 1 - 900° С.245 Н/мм2; 2 -
900°С, 294 Н/мм2
Рис.14 Длительная прочность сплава ХН65ВБМЮ.
Рис.15.
Влияние микролегирования на жаропрочность
никелевых сплавов.
Известно, что микролегирование жаропрочных сплавов на никелевой основе является эффективным средством повышения их эксплуатационных и технологических характеристик. На рис.15 показан этот эффект для ряда среднелегированных никелевых сплавов. Положительное влияние малых добавок неодима, гафния и церия реализовано при разработке сплава ХН61МВТБЮ, наиболее высокожаропрочного из свариваемых отечественных материалов. Этот сплав, упрочненный фазой Ni3(Ti, Al, Nb), обладает хорошей технологичностью и высоким комплексом свойств (рис.16), по которому он значительно превосходит широко применяющийся сплав ХН67МВТЮ. Время до разрушения сплава ХН61МВТЮБ при 800°С и напряжении 450 11/мм" составляет не менее 20 ч; он практически не охрупчивается при высокотемпературных нагревах, имитирующих режимы пайки.
С целью повышения свойств свариваемых сплавов типа ХН67МВТЮ изучено влияние легирования танталом и рением на кратковременные и длительные свойства материала. Установлено, что введение тантала резко повышает предел прочности при комнатной температуре, но с повышением температуры эффект снижается (рис.17); пластичность при этом уменьшается, остается на достаточно высоком уровне. При 700°С время до разрушения сплава монотонно возрастает при увеличении концентрации тантала, а при 800°С зависимость носит экстремальный характер - снижение жаропрочности при концентрации тантала более 3 мае. % связано с образованием пластичной ц-фазы. Рений влияет на свойства сплава аналогично танталу, но без снижения длительной прочности в изученном интервале концентраций 0,5-2,5 мае. %. Механизмы воздействия этих элементов отличаются: рений легирует твёрдый раствор, а тантал изменяет состав и морфологию карбидных фаз, легирует твердый раствор, но главным образом (-50-60%), входит в состав у-фазы" повышая ее термическую стабильность.
П
ерспективными
направлениями в повышении эксплуатационных
характеристик изделий из никелевых
жаропрочных сплавов являются лазерная
обработка ионная имплантация, способы
селективного окисления поверхности
одновременным внутренним окислением
и ряд других.
Рис.16.
Механические свойства свариваемого
сплава ХНбШВТБЮ.
Рис.17. Влияние тантала на механические свойства и жаропрочность сплава типа ХН67МВТЮ.
ЖАРОПРОЧНЫЕ ЦВЕТНЫЕ СПЛАВЫ, ИХ СВОЙСТВА И НАЗНАЧЕНИЕ
Рабочие температуры различных групп жаропрочных сплавов определяют их температурами солидуса, а последние - температурами плавления основ, т.е. растворителей.
Магний (650° С), алюминий (660° С), титан (1670°С), медь (1084°С), железо (1539° С), никель (1455° С), кобальт (1492° С), ванадий (1900°С) хром (1875°С), ниобий (2468°С), молибден (2625° С), тантал (3000° С), вольфрам (3380° С).
Как видно, из этой последовательности "выпадают" только титановые жаропрочные сплавы и жаропрочные стали, что объясняется полиморфизмом и другими свойствами их растворителей.
МАГНИЕВЫЕ СПЛАВЫ
Основой жаропрочных магниевых сплавов является очень легкий металл магний, имеющий г. п. у. решетку, плотность =1,74 г/см, модуль нормальной упругости
Е=45700 Мн/м² (4570 кГ/мм) и температуру плавления г 650°С.
Магниевые сплавы - самые легкоплавкие по сравнению с жаропрочными сплавами других групп, поэтому их рабочие температуры сравнительно невысоки (не превышают 300-350° С). Этим определяются также небольшие значения характеристик длительной прочности и - ползучести магниевых сплавов 'при повышенных температурах.
Несмотря на это, жаропрочные магниевые сплавы, благодаря их легкости, высокой вибрационной прочности, жесткости и достаточной удельной жаропрочности могут применяться ц конструкциях ответственных летательных аппаратов (авиационная и ракетная техника и др.) - По удельной прочности и жаропрочности наилучшие магниевые сплавы превосходят жаропрочные алюминиевые сплавы. Немаловажное значение имеют большие запасы магния в земной коре [2,1% (по массе), и его сравнительно невысокая стоимость.
Правда, жаропрочные магниевые сплавы заметно уступают алюминиевым по технологичности (при плавке,. литье, обработке давлением и термической обработке),. коррозионной стойкости и прочностным свойствам при г комнатной температуре [аи==320 - 330 Мн/м2 (32 - 33 кГ/мм2)]. Коррозионную стойкость магниевых сплавов повышают методами химической и лакокрасочной защиты.
АЛЮМИНИЕВЫЕ СПЛАВЫ
Алюминий в отличие от магния
имеет г. ц. к. решетку и более высокий
модуль нормальной упругости Е=73800 Мн/м²
(7380 кГ/мм²), поэтому алюминиевые сплавы
при нормальной температуре более прочны
и пластичны, чем магниевые. При повышенных
же температурах (например, 300° С)
алюминиевые сплавы по удельной
жаропрочности несколько уступают
магниевым сплавам, так как удельный вес
алюминия примерно в 1,5 раза больше, чем
у магния (2,7 против 1,74 г/см
).
Температура плавления алюминия на 10 град выше, чем у магния (660 вместо 650° С). Длительная твердость при 300° С у алюминия также несколько выше чем у магния: 40 вместо 30 Мн/м (4 вместо 3 кГ/мм), что, по-видимому, и определяет более высокий уровень рабочих температур алюминиевых сплавов (350-400° С) по сравнению с рабочими температурами магниевых сплавов (300-350° С).
По распространенности в природе алюминий занимает второе место (после кремния). Содержание алюминия в земной коре составляет около 8,8% (по массе), что свидетельствует о больших запасах алюминиевого сырья. По стоимости алюминий примерно на 40% дешевле меди.
Характерная особенность алюминиевых сплавов по сравнению с магниевыми-высокая технологичность. В отличие от магниевых сплавов алюминиевые сплавы не нуждаются в специальной защите при плавке, литье, термической обработке и других технологических операциях. Плотная окисная пленка из AI2O3, образующаяся на алюминиевых сплавах, хорошо защищает их от окисления при комнатнойи повышенных температурах.
Из-за высокой тепло - и электропроводности чистого алюминий составляющих примерно 65% от этих свойств меди, некоторые жаропрочные малолегированные алюминиевые сплавы в настоящее время применяют вместо меди как проводниковые материалы.
ТИТАНОВЫЕ СПЛАВЫ
Современные жаропрочные титановые сплавы, так же как магниевые и алюминиевые сплавы, относятся к легким конструкционным материалам (плотность титана 4,5 г/см). Благодаря высокой удельной прочности и жаропрочности, коррозионной стойкости в различных средах и хорошей свариваемости их применяют в авиационной, ракетной и других областях техники (обшивка сверхзвуковых самолетов, детали реактивных двигателей и др.).
Рабочие температуры жаропрочных титановых сплавов пока составляют 450-500° С. По пределу длительной прочности при 300-350°С они превосходят лучшие жаропрочные алюминиевые сплавы в 8-10 раз, а при более высоких температурах алюминиевые и тем более магниевые сплавы вообще неприменимы.
Кратковременно современные жаропрочные титановые сплавы могут работать при температурах 600 - 650°С и выше. Длительное же использование (сотни часов и более) их в окислительных средах при температурах выше 500°С невозможно из-за сильного окисления; покрытий, обеспечивающих надежную защиту титановых сплавов от окисления, пока нет.
В последние годы некоторые жаропрочные титановые сплавы стали применять не только в деформированном, но и литом состоянии (сплавы типа ВТ5 и др.). Многие деформируемые титановые сплавы благодаря узкому интервалу кристаллизации обладают хорошими литейными свойствами и сохраняют достаточную пластичность в литом состоянии при комнатной температуре δ >=5 - 7% и ψ>=10-15%).
МЕДНЫЕ СПЛАВЫ
Медь является одним из важнейших дефицитных цветных металлов, удачно сочетающим в себе высокую электро - и теплопроводность с достаточной прочностью.
До недавнего времени механические свойства меди и ее сплавов изучали лишь при комнатной температуре.
Систематических данных о влиянии легирующих элементов на физико-механические свойства меди при повышенных и тем более высоких температурах до пятидесятых годов практически не было.
Между тем, с развитием новых областей техники возникла острая потребность в медных сплавах, которые наряду с высокой прочностью и жаропрочностью одновременно обладали бы высокой тепло - и электропроводностью. Если та или иная деталь хорошо отводит тепло и проводит ток, то она меньше нагревается и при наличии необходимой жаропрочности длительнее сопротивляется пластическим деформациям при повышенных температурах. Именно такие медные сплавы в настоящее время представляют наибольший практический интерес.
Благодаря высокому теплоотводу (при интенсивном охлаждении) теплопроводные жаропрочные медные сплавы могут работать в таких условиях, которых не выдерживают жаропрочные сплавы на основе железа и другие малотеплопроводные сплавы.
Таким образом, стойкость и работоспособность медных сплавов при повышенных температурах в основном зависит от оптимального сочетания жаропрочности и тепло - или электропроводности.
НИКЕЛЕВЫЕ И КОБАЛЬТОВЫЕ СПЛАВЫ
В настоящее время жаропрочные никелевые сплавы по своему значению вышли на одно из первых мест и находят широкое применение в различных областях техники (авиационное двигателестроение, стационарные газовые турбины, химическое аппаратостроение и др.), Объясняется это тем, что жаропрочные никелевые сплавы удачно сочетают высокую жаропрочность, окалиностойкость и технологичность.
Только за последние 15--20 лет рабочие температуры жаропрочных никелевых сплавов возросли примерно с 750 до 1000-1030°С. Это оказалось возможным за счет:
использования для приготовления жаропрочных сплавов более чистых шихтовых материалов, свободных от вредных легкоплавких примесей (свинец, висмут, олово, сурьма, сера и др.);
легирования жаропрочных сплавов значительными количествами вольфрама, кобальта, молибдена и ниобия (вводимых раздельно или совместно), которые существенно затормаживают диффузионные процессы разупрочнения в сплавах и повышают их жаропрочность;
увеличения до оптимального уровня содержания легирующих элементов, вызывающих упрочнение жаропрочных никелевых сплавов при термической обработке (в первую очередь алюминия и титана);
введения в сплавы небольших добавок бора, циркония и других аналогичных легирующих элементов, способствующих упрочнению границ зерен и приграничных областей за счет образования боридов и др.;
наконец, усовершенствования технологии производства и обработки жаропрочных никелевых сплавов (плавка в вакууме или среде инертного газа, различные варианты упрочняющей термической или термомехапической обработки и др.).
ЖАРОПРОЧНЫЕ СПЛАВЫ ТУГОПЛАВКИХ МЕТАЛЛОВ. ИХ СТРУКТУРА, СВОЙСТВА И ПРИМЕНЕНИЕ
Для современной высокотемпературной техники требуются конструкционные материалы, способные работать в течение длительного времени при температурах выше 1000-1030°С, т.е. более высоких, чем рабочие температуры жаропрочных никелевых и кобальтовых сплавов. Удовлетворить эти требования, как показывает практика, могут только жаропрочные сплавы на основе тугоплавких металлов. .
К тугоплавким металлам принято относить все переходные металлы с температурами плавления выше, чем у железа (1539°С). Большинство из них характеризуется малой распространенностью в природе, однако благодаря удачному сочетанию жаропрочности и других физико-химических свойств сплавы этих металлов стали использовать на практике.
Ниже рассматриваются жаропрочные сплавы важнейших тугоплавких металлов: группы УА(ванадий, ниобий, тантал) и VIA (хром, молибден, вольфрам), по которым уже накоплен сравнительно большой фактический материал. Что касается таких металлов, как гафний из группы IVA, рений из группы VIIA, а также благородные металлы (рутений, родий, осмий и др.), то сплавы на их основе не нашли заметного применения из-за малой доступности и высокой стоимости их основ. Исключение составляет немногочисленная группа жаропрочных циркониевых сплавов, применяемых главным образом в качестве оболочек тепловыделяющих элементов и других деталей активной зоны ядерных реакторов, а также отдельные платиновые сплавы, используемые для изготовления стеклоплавильных сосудов. Поэтому эти группы сплавов здесь не рассматриваются.
Поскольку жаропрочные сплавы на основе тугоплавких металлов по своей кристаллической структуре (о. ц. к. решетка) и физико-химическим свойствам отличаются от жаропрочных сплавов цветных металлов (г. ц. к. и г. п. у. решетки), то целесообразно коротко остановиться на особенностях тугоплавких металлов и перспективах использования их сплавов в современной технике.
Тугоплавкие металлы характеризуются повышенной прочностью межатомных связей, на что указывают высокие значения их температур плавления (и кипения), теплот сублимации, модулей упругости и, наоборот, низкие значения сжимаемости, коэффициентов термического расширения, упругости паров и других характеристик.
Таблица 3.
Важнейшие физико-химические свойства тугоплавких металлов групп VA и VIA.
|
Металл |
Температура плавления °С |
Температура кипения °С |
Теплота сублима- ции кДж/г атом (ккал/г атом) |
Модуль упругости при 20°С, Е 10-3 МН/м² (кГ/мм²) |
Коэффи- циент
терми ческого расширения при 20°С
|
Коэффицие нт теплопровод - ности при 20°С, Вт/(м град) [кал/(см сек град)] |
Плотпость
г/см |
|
Ванадий Ниобий Тантал Хром Молибден Вольфрам |
1900 2468 3000 1875 2625 3380 |
3350 4927 5427 2199 5560 5900 |
516(122,9) 724(172.5) 781(186,5) 398(95,0) 660(157,5) 848(201,9) |
126(12,6) 106(10,6) 188(18,8) 250(25,0).336(33,6) 415(41.5) |
8.3 7,1 6,55 8.4 5,44 4,59 |
31.0(0.074) 52.4(0,125) 54,5(0.130) 67,0(0.16) 125.0(0.298) 129.8(0,31) |
6.1 8.57 16.6 7.2 10,2 19,3 |
Жаропрочные сплавы тугоплавких металлов стали находить практическое применение лишь в последние годы, когда были освоены в промышленных масштабах методы их получения (дуговая и электроннолучевая плавка), обработки давлением, защиты от окисления при высоких температурах, сварки и т.п.
К настоящему времени наиболее изучены жаропрочные и сравнительно технологичные ниобиевые сплавы, предназначенные для работы при 1200 - 3000°С. Жаропрочные танталовые сплавы могут применяться при I 300-1600 С, однако они более дефицитны и дороги из-за повышенной стоимости тантала. Кроме того тантал имеет ограниченные возможности легирования, поэтому его сплавы получили небольшое распространение.
Сравнительно недавно начаты исследования жаропрочных ванадиевых сплавов. Полученные результаты свидетельствуют о том, что они способны удовлетворить требования конструкторов в широком температурном интервале - ОТ 650-700 до 1000-1100° С. Из тугоплавких металлов VIA группы наибольшее внимание как основе жаропрочных сплавов уделяется молибдену и, по-видимому, хрому. Жаропрочные молибденовые сплавы предназначаются для работы при температурах 1250-1450°С и выше, сплавы на основе хрома-при 1050-1150° С и, наконец, самые тугоплавкие вольфрамовые сплавы-при температурах выше 1650° С. Практическое использование жаропрочных сплавов на основе молибдена и особенно хрома и вольфрама тормозится их низкой пластичностью (хрупкостью) при комнатной и невысоких температурах.
Основными областями применения жаропрочных сплавов тугоплавких металлов являются электроника, ядерная энергетика, авиационная, ракетная и другие области новой техники. Если 10-15 лет назад жаропрочные сплавы тугоплавких металлов считались материалами будущего, то в настоящее время можно утверждать, что без этих сплавов невозможно развитие важнейших областей современной техники.
ВАНАДИЕВЫЙ СПЛАВЫ
Жаропрочные ванадиевые сплавы - наименее изученная группа конструкционных материалов, хотя ванадий является одним из самых распространенных в природе редких рассеянных элементов. Среди металлов группы VA ванадий наиболее легкоплавкий температура плавления 1900° С) и имеет минимальную плотность (6,1 г/см), которая только в 1,35 раза больше плотности титана. При температурах до 600°С нелегированный ванадий обладает повышенной прочностью и умеренно прочен при более высоких температурах. По удельной жаропрочности ванадий превосходит нержавеющие стали, а жаропрочные ванадиевые сплавы могут успешно конкурировать со многими ниобиевыми и молибденовыми сплавами до 1250° С.
ХРОМОВЫЕ СПЛАВЫ
Максимальные рабочие температуры жаропрочных никелевых сплавов не превышают 1000-1030° С, что не позволяет увеличить мощность и тягу современных авиационных двигателей. Дальнейшее повышение рабочих температур лопаток (до 1100-1150° С и выше) требует замены никелевых сплавов более жаропрочными и жаростойкими материалами, способными в течение длительного времени (сотни часов) сопротивляться ползучести и действию агрессивных газовых сред.
В этом отношении перспективными
считаются жаропрочные хромовые сплавы,
обладающие повышенной жаропрочностью
[σ
=50-120(5-12)
Мн/м2 (кГ/мм)] и жаростойкостью при
1050-1100° С, сравнительно небольшим удельным
весом (~7,2 г/см3] и большими сырьевыми
ресурсами. Однако хромовые сплавы
характеризуются повышенной хрупкостью
при температурах ниже 300 - 350° С, особенно
в рекристаллизованном состоянии, что
определяет их низкую технологическую
пластичность и высокую чувствительность
к различным дефектам (надрезам,
микротрещинам и т.п.). Кроме того, в
процессе длительных нагревов при высоких
температурах жаропрочные хромовые
сплавы склонны к поглощению азота, что
также отрицательно сказывается на их
низкотемпературной пластичности.
НИОБИЕВЫЕ СПЛАВЫ
Среди тугоплавких металлов ниобий наиболее изучен, на его основе разработано большое число жаропрочных деформируемых сплавов разного назначения, предназначенных как для кратковременной, так и для длительной службы при температурах 1100-1250° С и выше.
Как растворитель ниобий сравнительно доступен, имеет высокую температуру плавления (2468° С), небольшую плотность (8,57 г/см) по сравнению с молибденом, танталом и вольфрамом, прочен при высоких температурах, пластичен при обработке давлением и хорошо сваривается различными видами сварки. Основным недостатком ниобия является его невысокое сопротивление окислению на воздухе, особенно при температурах выше 400-500°С. Из других полезных свойств следует отметить низкое поперечное сечение захвата тепловых нейтронов ниобия (1,1 барн/атом}, высокую температуру перехода в сверхпроводящее состояние (9,2° К) и повышенную стойкость в расплавах щелочных металлов, используемых в качестве теплоносителей в ядерных реакторах.
Чистый ниобий (>99,9%) вязок и не охрупчивается в рекристаллизованном состоянии, что позволяет вводить в него значительные количества легирующих элементов (до 20-25%) с целью получения требуемых механических свойств при высоких температурах.
МОЛИБДЕНОВЫЕ СПЛАВЫ
Современные жаропрочные молибденовые сплавы считаются перспективными конструкционными материалами для длительной работы при 1200-1350° С, а при кратковременном использовании-до 1500-1600°С. Для работы в окислительных средах жаропрочные молибденовые сплавы нуждаются в защитных покрытиях, так как сам молибден нежаростоек. По жаропрочности молибденовые сплавы превосходят жаропрочные ниобиевые сплавы, особенно при температурах выше 1400°С. и уступают только нелегированному вольфраму и жаропрочным вольфрамовым сплавам.
Как растворитель молибден имеет высокую температуру плавления (2625°С), умеренную плотность (10,2 г/смг) по сравнению с танталом, вольфрамом и другими тугоплавкими металлами, и высокий модуль упругости Е=330 Гн/м (=33000 кГ/мм) при комнатной температуре, который ниже только модулей упругости осмия, иридия, рутения и вольфрама. Содержание молибдена в земной коре 3* 10"%, что превышает содержание тантала, вольфрама и других металлов.
Практическое использование
жаропрочных молибденовых сплавов
сдерживается их невысокой пластичностью
в литом состоянии, сравнительно высокими
температурами перехода деформированных
полуфабрикатов из пластичного в хрупкое
состояние (выше, чем у жаропрочных
ниобиевых и ванадиевых сплавов), сильной
окисляемостью на воздухе выше 650°С
(из-за легкоплавкости и летучести
основного окисла МоО
)
и хрупкостью сварных соединений.
ТАНТАЛОВЫЕ СПЛАВЫ
Жаропрочные танталовые сплавы получили меньшее распространение по сравнению со сплавами других тугоплавких металлов (ниобия, молибдена и др.) главным образом из-за дефицитности тантала и небольших возможностей его легирования.
Существующие жаропрочные танталовые сплавы представляют собой твердые растворы и предназначаются главным образом для работы в нетяжелых условиях при 1300-1650°С и выше. Несмотря на более высокие температуры солидуса, жаропрочные танталовые сплавы по кратковременной и длительной прочности заметно уступают молибденовым сплавам, зато они обладают повышенной технологичностью (пластичностью) и хорошей свариваемостью.
Среди металлов группы VA тантал имеет самую высокую температуру плавления (3000° С), исключительно* пластичен и вязок по сравнению с другими тугоплавкими металлами. Однако тантал мало распространен в природе и поэтому относится к редким металлам. Кроме того, у тантала большая плотность (16,6 г/см3) по сравнению с ниобием, молибденом и другими более легкими тугоплавкими металлами, что существенно снижает удельную прочность и жаропрочность танталовых сплавов, и невысокое сопротивление окислению.
Свойства жаропрочных танталовых сплавов представляют интерес не только с точки зрения определения их места среди других групп жаропрочных сплавов, но также для выяснения возможностей легирования и повышения жаропрочности тантала. Удачное сочетание высокотемпературной прочности, пластичности и вязкости в литом и рекристаллизованном состояниях позволяет предполагать,, что на основе тантала возможно создание не только жаропрочных, но и одновременно технологичных (т.е. деформируемых и свариваемых) сплавов, которые могут удовлетворять различным требованиям современной техники.
ВОЛЬФРАМОВЫЕ СПЛАВЫ
Вольфрам является самым тугоплавким (температура плавления 3380° С) и жаропрочным среди металлов и поэтому представляет большой практический интерес как основа сверхжаропрочных сплавов. Один из существенных недостатков вольфрама как растворителя - низкое сопротивление окислению на воздухе при температурах выше 500°С, поэтому вольфрамовые сплавы нуждаются в защитных покрытиях. Несмотря на пониженную пластичность при умеренных температурах и высокую. плотность (~19 г/см²), современные жаропрочные вольфрамовые сплавы рекомендуются для работы при 1650-2200° С и выше, т.е. в таких температурных и силовых условиях, в которых не может работать ни один из существующих жаропрочных сплавов.
При предельно высоких рабочих температурах (2500° С и выше) жаропрочные вольфрамовые сплавы по свойствам мало отличаются от растворителя. Поэтому в этих условиях широко применяется нелегированный вольфрам. Несмотря на сравнительную доступность вольфрама, практическое использование его жаропрочных сплавов сдерживается их очень низкой пластичностью (и вязкостью) в литом состоянии, повышенными температурами перехода различных деформированных полуфабрикатов из пластичного в хрупкое состояние (400 - 500° С), хрупкостью сварных соединений, а также низким сопротивлением окислению на воздухе и в других окислительных средах.
Вывод
Из всего выше сказанного следует заметить, что на жаропрочность металлов и сплавов влияет химический состав и технология получения. Следовательно, при правильном применении этих фактов можно добиться желательной жаропрочности.
Используемая литература
1. "Выносливость жаропрочных материалов" Акимов Л.М.
2. "Жаропрочные стали и сплавы" Масленков СБ.
3. "Жаропрочные и жаростойкие металлические материалы" Банных, Поваров.
4. "Жаропрочные сплавы" Захаров М.В., Захаров A. M.
,
,
,
10
/град