Бытовой холодильный прибор; разработка системы охлаждения герметичного компрессора
Введение
В современном мире из всего ассортимента бытовой техники, наибольшее использование нашли холодильные приборы (в дальнейшем холодильники). Холодильники используют как в промышленной, так и в бытовой сферах жизни человека.
Холодильник предназначен для длительного хранения продуктов (пища, вода и т.д.), что значительно уменьшает затраты как и предприятия в целом (например, хранение полуфабрикатов), так и человека.
Основной частью холодильника является мотор-компрессор (в дальнейшем компрессор). От исправности и надлежащей работы компрессора зависит уровень производительности холодильника, а также его срок службы.
Компрессоры различают: винтовой, поршневой и т.д. В настоящее время наиболее широкое применение нашли поршневые герметичные мотор-компрессоры.
Поэтому, в данной курсовой работе рассматриваются системы охлаждения герметичных поршневых мотор-компрессоров.
Для дальнейшего рассмотрения темы данной курсовой работы необходимо начать с определения «герметичный компрессор холодильный». В силу обязательной герметичности компрессоров, примем определение «компрессор холодильный».
Компрессор холодильный
Холодильный компрессор определяет производительность и экономичность холодильной установки.
Любой холодильный компрессор представляет собой устройство, обеспечивающее циркуляцию хладагента в системе холодильного агрегата. Именно качество работы компрессора становится решающим фактором, определяющим работоспособность холодильной установки, ее производительность и экономичность. Винтовой компрессор и поршневой компрессор: использование в различных отраслях производства
Компрессор – это сердце холодильной установки. Область использования данного типа компрессоров достаточно обширна. Винтовой компрессор, предназначен для работы в широком диапазоне температур и климатических условий. Они предназначены для работы в составе установок систем хладоснабжения промышленного назначения:
•систем кондиционирования;
•охлаждения жидкостей;
•камер и складов хранения;
•систем заморозки и шоковой заморозки продуктов;
•скороморозильных аппаратов.
Поршневой компрессор предназначен для работы в составе установок хладоснабжения коммерческого назначения:
•в составе центральных компрессорных станций;
•для малых и средних камер хранения;
•низкотемпературных камер заморозки и т.д.
Холодильные компрессоры представляют собой устройства, обеспечивающие циркуляцию хладагента в системе холодильного агрегата. Именно качество работы компрессора становится решающим фактором, определяющим работоспособность холодильной установки, ее производительность и экономичность.
Высокие эксплуатационные качества компрессоров также не вызывают сомнений. Полугерметичные и винтовые компрессоры пользуются заслуженной популярностью.
Система охлаждения компрессоров холодильных
Компрессор, бесспорно, является важнейшей частью холодильной установки, однако ее эффективная и безаварийная работа невозможна без надежной системы охлаждения. В современных холодильных установках используется как воздушное, так и жидкостное охлаждение.
Конденсатор воздушного охлаждения (конденсатор воздушный) - это теплообменный аппарат, в котором хладагент переходит из парообразного состояния в жидкое. Сжатые пары хладагента, поступая в конденсатор воздушный, охлаждаются и конденсируются, - это и есть переход в жидкое состояние. Процесс сопровождается выделением тепла, поступающего во внешнюю среду.
Холодильные поршневые компрессоры уже много лет успешно используются в различных областях охлаждения: от глубокой заморозки до аэрокондиционирования.
Компрессоры «Поколение 2» имеют единую техническую концепцию, охватывают всю область применения.
Традиционные и хлор-несодержащие HFC хладагенты.
Основные характеристики:
•передовая конструкция клапанных досок;
•высочайшее качество и износостойкость коленвалов и шатунно-поршневой группы;
•высокоэффективные встроенные электромоторы с охлаждением всасываемыми парами;
•апробированная система возврата масла;
Для низкотемпреатурного применения на R22 компрессоры оснащаются системами «Varicool», «CIC», используются в качестве Бустер-ступеней.
Основные характеристики последней разработки — «Октагон-серии»:
•компактность;
•малое требуемое место для установки;
•универсальное применение;
•минимальная потребляемая мощность;
•особенно малая шумность;
•отсутствие вибрации.
Система охлаждения компрессора «CIC»
CIC-система - электронно контролируемый впрыск хладагента в одноступенчатый герметичный поршневой компрессор.
Рассмотрим использования CIC-системы в герметичных поршневых компрессорах фирмы BITZER.
3.1 Общее описание
Использование хладагента R22 вместо R502 в низкотемпературных системах предъявляет особенно высокие требования к компрессору и системе смазки. Температура нагнетаемого газа может вместе с повышенным давлением конденсации быстро достигать недопускаемых значений, где срок стабильности холодильного масла очень короток и поэтому срок службы компрессора уменьшается. CIC-система (прибор электронного контроля впрыска требуемого хладагента), это действующий надежный метод ограничения температуры нагнетания 4 и 6 цилиндровых одноступенчатых поршневых компрессоров.
3.2 Описание функций
C компрессорами большой производительности, при достаточном внешнем принудительном воздушном охлаждении, как и с VARICOOL-системой, не используется. Причина этому - менее благоприятные взаимоотношения, при увеличивающейся производительности, тепла двигателя и компрессора к внешней поверхности охлаждения компрессора. Для улучшения охлаждения в ограниченной термо-области, BITZER разработал систему, где охлаждение всасываемого газа, внешняя поверхность охлаждения и управляемый впрыск хладагента объединены.
Центральной единицей данного объединенного метода охлаждения является система-CIC с контрольным модулем (2), температурным сенсором (3) и импульсный клапан впрыска (5). Первичной функцией данных компонентов является продолжительный контроль температуры нагнетания, регулируемый модулем управления (рис.1). Когда температура нагнетания достигает определенного значения - жидкий хладагент впрыскивается в камеру всасывания компрессора (после двигателя) и в направлении против стенок горячего цилиндра, при помощи специальной диафрагмы (4). Импульсный клапан впрыска (5) гарантирует точно дозированную количественную регуляцию. Жидкий хладагент охлаждает область цилиндра, благодаря испарению, и в то же время сокращает температуру всасываемого газа (перегрева) передаваемого из двигателя. Эта мера объединена с внешним принудительным охлаждением. Этот метод устанавливает температуру нагнетаемого газа в одноступенчатом сжатии на уровне, рассматриваемом как безопасный, при практических условиях. При понижении температуры, впрыск прерывается, и затем снова запускается по требованию. В случае недостаточного охлаждения или слишком критических условий работы компрессор отключается для безопасности. Ошибка может быть зарегистрирована при помощи потенциального свободного пускового реле.

Рисунок 1. Герметичный поршневой компрессор с CIC-системой и дополнительным вентилятором
Компрессор.
Модуль управления.
Температурный сенсор.
Сопло впрыска.
Импульсный клапан впрыска.
Добавочный вентилятор.
3.3 Диапазон применения
Несмотря
на высокую степень развития этой системы
охлаждения, предел применения должен
быть меньше, чем у двухступенчатого
компрессора или такой же производительности,
по техническим причинам. Это надо
рассматривать как направленный впрыск
хладагента для охлаждения компрессора,
произведенный по специальным условиям.
При большем количестве впрыска, из-за
особенно высоких требований охлаждения
(крайние условия работы), существует
повышенная опасность смывания масляной
пленки со стенок цилиндра, благодаря
высокому насыщению масла невыпаренным
хладагентом. В добавление - объемный
поток из испарителя меньше и поэтому
производительность хладагента и
эффективность работы уменьшается.
Следуя девизу BITZER “максимум производственной
надежности и эффективности”, эта система
рекомендуется только там, где температура
конденсации регулируется потоком газа
и где исключаются большие объемы. В
добавление к этому, перегрев всасываемого
газа следует сохранять на таком низком
уровне, как только можно, и температура,
испарения не должна достигать слишком
низких значений. Впрыск г
аза
затем будет происходить только
периодически в работе и поэтому
сокращается влияние на производительность
и уменьшается опасность теплового
износа ведущих частей.
Пояснение к диаграмме: (1) Применение в этой области также технически возможно, тем не менее следует ограничивать к исключениям из-за сокращенной холодопроизводительности, эффективности и рабочей надежности (смотри объяснения). Так же возможна работа с высокими температурами испарения (Tоmax. - 5C).
3.4 Схема холодильного цикла
Холодильный цикл в основном идентичен с другими нормальными технологиями. Наиболее важное отличие - добавочное трубное подсоединение от жидкостной линии к импульсному клапану впрыска на компрессоре. Чтобы обеспечить доступ кипящей свободной жидкости, трубопроводы следует устанавливать на горизонтальной секции жидкостной линии и прежде всего направлять вниз. Фильтр должен быть установлен для защиты импульсного клапана впрыска и компрессора; смотровое стекло дает возможность визуальной проверки жидкостного снабжения. Размеры жидкостной линии к импульсному клапану впрыска: 10 мм (3/8”). Конструкция и управление цикла имеет важное влияние от цикла впрыска и поэтому от полной производительности изделия. Перегрев всасываемого газа и разницу между давлением конденсации и всасывания следует сохранять как можно меньше (устанавливайте минимальный перегрев!).
Рекомендуемые особенности конструкции:
Хорошая изоляция линии всасывания/ короткие прогоны труб;
Отказ от теплообменников (когда возможно);
Низкое давление падения в трубах и составляющих;
Малая температурная разница испарителя и конденсатора;
Контроль давления конденсации.

Рисунок 2. Схема цикла одноступенчатого поршневого компрессора с CIC-системой.
Компрессор.
Модуль управления.
Температурный сенсор.
Сопло впрыска.
Импульсный клапан впрыска.
Добавочный вентилятор.
Смотровое стекло.
Фильтр.
Конденсатор.
Жидкостной ресивер.
Вентиль расширительный (испаритель).
Испаритель.
3.5 Фитинги для компонентов CIC-системы
Когда компрессор заказан вместе с CIC-системой, модуль управления(2), температурный сенсор(3) включающий подсоединительный кабель и диафрагма в корпусе уже смонтированы. Диафрагма (два сопла для 6-ти цилиндрового компрессора) заделано при помощи гаечной заглушки. См рис.1. Импульсный клапан впрыска(5) включающий трубное подсоединение также входит в состав, упакованные отдельно для избежания транспортных повреждений, и следует монтировать перед тестом давления (3.5.5). В случае крепления CIC-системы на месте все компоненты поставляются отдельно и следует монтировать в соответствии следующим описаниям.
Подготовка для монтажа
Компрессор под давлением нагнетания(защищенный газ). Необходимо сбросить давление при помощи обычных средств до начала работы компрессора.
Модуль управления (2)
Фитинговые скобы следует закрепить первыми к корпусу двигателя. В связи с этим крепежные винты следует устранить. Фиксирующие скобы следует затем закрепить используя приложенные длинные винты, которые следует прикрепить с моментом затяжки 125 Нхм. Модуль управления следует затем привинтить к скобам (винты М4х8).Фиксирующие отверстия в модуле управления становятся доступны после того как крышка удалена. Как альтернатива к стандартному положению на корпусе двигателя модуль можно закрепить в другом положении, т.е. на раме агрегата. Для тандемов вторые фиксирующие скобы следует монтировать как в зеркальном отражении (правая сторона подсоединяемой части).
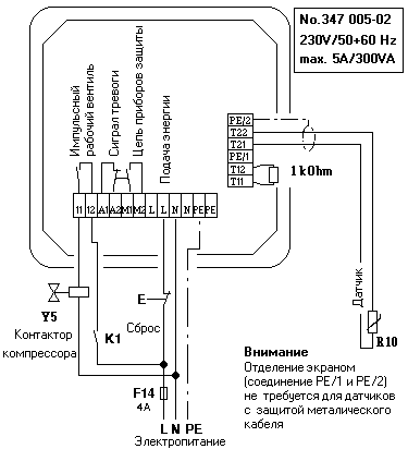
3.5.3 Температурный сенсор (3)
Заглушку (1/8” NPTF) следует удалить и заменить температурным сенсором. Чтобы убедиться в креплении нить сенсорного элемента следует обмотать PTFE пленкой. Момент затяжки: 10...13 Нхм. Кабель сенсора направляется к модулю управления (2) через смонтированный PG железный кабель (прямого рельефа) и соединенный с клеммами Т21/Т22. Защитный экран (сотканная коса) следует присоединить к клеммам РЕ/2. Внимание следует уделить кабельному подсоединению, чтобы убедиться в хорошем контакте и твердости крепления.
Диафрагма
Перед монтажом диафрагмы проверяют, что они свободны от каких-либо включений и что шнур шестиугольника согласовывается со всеми составляющими. Можно использовать только специально сконструированную вставку соответствующего компрессора. Соответствующие подсоединения (1/8” NPTF) следует удалить и заменить подходящим соплом. Чтобы удовлетвориться в креплении, (1/8” NPTF) следует обмотать PTFE пленкой. Момент затяжки: 10...13 Нхм.
Импульсный клапан впрыска
Клапан уже закреплен с необходимыми подсоединениями труб (включая гайки) для диафрагмы. Для 6-ти цилиндровых компрессоров труба сконструирована в виде вилки.
Когда диафрагма (2-е диафрагмы у 6-ти цилиндрового компрессора) смонтирована на заводе, сначала немного ослабляют крепящую гайку и освобождают давление нагнетания для защиты газовой зарядки, гайки затем можно удалить. Следующая ступень - подсоединение соединительных трубопроводов к диафрагме и закрепление гаек, используя второй открытый гаечный ключ для того, чтобы закрыть диафрагму. Благодаря позиции фиксирующих скобок и трубного фиксатора направление входа клапана устанавливается сразу в соответствующее положение для 4-х цилиндрового компрессора. Перед монтажом фиксирующих частей жидкостную линию следует запаять к входу импульсного клапана впрыска. Клапан должен быть защищен подходящими средствами от возможности перегрева. Такое же применение к другим теплочувствительным частям в местах пайки.
Кабельное подсоединение между модулем управления (2)и импульсным клапаном впрыска (5)
Эта часть не входит в комплект поставки CIC-системы. Подсоединение следует осуществлять с нормальным 3-х жильным кабелем предназначенный для 230-ти Вольт. Следует уделить внимание тому, чтобы кабель не входил в контакт с какими-либо другими горячими частями компрессора.
3.6 Электрическое подсоединение
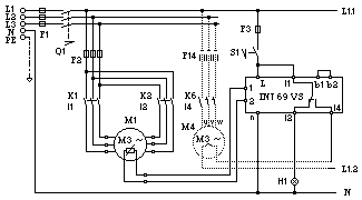
Электрические подсоединения двигателя, а также защитных и добавочных компонентов не меняется при креплении CIC-системы. Добавочная защита температуры нагнетаемого газа не требуется: эти функции монитора также включены в CIC-систему. Компоненты CIC полностью приготовлены для работы: следует подсоединить в соответствии следующей диаграммы. Интеграция в управлении схемой показана на схематической диаграмме проводки (рис.4).

Рисунок 3. Схема подсоединения составляющих системы-CIC.
В6 CIC модуль управления
А1/А2 Контакт тревоги (потенциально свободные контакты)
М1/М2 Цикл управления контактором компрессора (потенциально свободные контакты)
L/N Источник энергии
PE Клемма на заземление
РЕ/2 Клемма для защиты температурного сенсора
R10 Температурный сенсор “Газ нагнетания”
Y5 Импульсный клапан впрыска (потенциально свободные контакты)


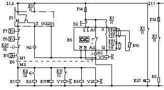
Рисунок 4. Схема проводки одноступенчатого поршневого герметичного компрессора с CIC-контролем [PW(YY) двигатель]
Спецификация для рисунка 4.
|
Обозначение на схеме |
Расшифровка |
Обозначение на схеме |
Расшифровка |
|
В1 |
Управление термостатом |
К6 |
Контактор “добавочный вентилятор” |
|
В6 |
Модуль управления “CIC” |
К5 |
Вспомогательный контактор |
|
F1 |
Главный предохранитель |
К1Т |
Реле времени “PW-старт”(0,5с) (разгруженный старт) |
|
F2 |
Предохранитель компрессора |
К2Т |
Стирающее контактное реле “противо-цикл”-стирается на включении - (300 с) |
|
F3 |
Предохранитель управления |
М1 |
Компрессор |
|
F4 |
Прибор защиты двигателя INT69VS |
М4 |
Добавочный вентилятор |
|
F5 |
Реле контроля давления масла |
Q1 |
Главный выключатель |
|
F6 |
Реле низкого давления |
R1-6 |
РТС-сенсор (двигатель) |
|
F7 |
Реле высокого давления |
R8 |
Нагреватель картера |
|
F12 |
Теплая защита |
R10 |
РТ1000-сенсор “температура нагнетаемого газа” |
|
F13 |
Предохранитель добавочного вентилятора |
S1 |
Вкл./Выкл. “сброс INT69VS” |
|
F14 |
Предохранитель “CIC” модуля (4а) |
S2 |
Сброс “CIC” |
|
H2 |
Сигнальная лампа “неисправность двигателя” |
Y1 |
Соленоидный вентиль “байпас на старт” |
|
Н2 |
Сигнальная лампа “неисправность масляного давления” |
Y2 |
Соленоидный вентиль “жидкостная линия” |
|
Н3 |
Сигнальная лампа “ неисправность “CIC” “ ** |
Y5 |
Импульсный клапан впрыска “CIC-система” |
|
К1 |
Контактор |
** |
«Проверочные функции» |
|
К2 |
Контактор |
3.7 Проверочные функции
3.7.1 Предварительные меры/проверки
Необходимо соблюдать следующие условия:
закрепленное сопротивление (1кОм) установлено между клеммами Т11/Т12 модуля управления;
источник энергии с данными на плато;
стартовое реле правильно подсоединено;
включенный источник питания:
стартовое реле М1/М2 должно закрыться после примерно 2 секунд. Если присутствует ошибка, (ошибка регистрируемая стартовым реле А1/А2 более чем 2 сек.), проверьте подсоединение температурного датчика (Т21/Т22) и установку сопротивления (Т11/Т12).
3.7.2 Проверка от разрыва кабеля сенсора или закорачивания цепи сенсора
Выключите источник питания.
Отсоедините кабель сенсора от клемм Т21 или Т22.
Включите источник питания.
Стартовое реле М1/М2 остается открытым.
Стартовое реле А1/А2 (тревога) должно одновременно закрыться.
Выключите источник питания снова. (в то же время функция “Сброс”)
Заново подсоедините кабель сенсора в начальную позицию и подключите клеммы Т21/Т22 с кусочком кабеля. Включите источник питания.
Стартовое реле М1/М2 остается открытым.
Стартовое реле А1/А2 (тревога) должно одновременно закрыться.
Выключите источник питания (в то же время функция “Сброс”). Удалите соединение между клеммами Т21/Т22 и закрепите клеммы с кабелем сенсора.
3.7.3 Проверочные функции впрыскиваемого клапана впрыска
Выключите источник питания добавочного вентилятора.
При агрегате воздушного охлаждения используйте щит, чтобы изолировать компрессор от потока воздуха.
Запустите компрессор/нормальная система
После периода времени измерьте температуру линии нагнетаемого газа (яркая металлическая поверхность, примерно 10 см после запорного вентиля нагнетания).
Если температура ниже 110С:
Если давление всасывания точно в положительном диапазоне, закройте запорный вентиль на всасывании на столько, чтобы температура испарения достигала примерно -40С (манометры крепятся на измеряемое подсоединение на запорном вентиле).
Если давление всасывания же на много выше, и температура конденсации также ниже, временно увеличьте давление конденсации, т.е. изменяя воздушный поток или путем выключения соответствующего вентилятора.
Снова регулярно измеряйте температуру на линии нагнетаемого газа. При температуре примерно 120С+/- 5К контактное реле 11/12 периодически закрывается и импульсный клапан впрыска (рис.3/4 поз.Y5) срабатывает.
Если импульсный клапан впрыска открыт продолжительное время и температура все еще увеличивается или если безопасный выключатель сработал (регистрация тревоги А1/А2), могут присутствовать следующие неисправности:
Несоответствующий хладагент (газ кипит в жидкостном смотровом стекле до импульсного клапан впрыска).
Функционирование агрегата за допускаемыми пределами работы (температура испарения слишком низкая, температура конденсации и/или температура всасываемого газа слишком высока).
Несрабатывание или засорение импульсного клапана впрыска (интеграционный фильтр - применяемый к трубной арматуре без гаек)
Засорение диафрагмы
Исправьте ошибку и повторите тестирование. Если защитный выключатель сработал, то нажмите сброс или прервите снабжение энергией (в обоих случаях около 2 секунд).
Выключите компрессор и проверьте, чтобы импульсный клапан впрыска был закрыт крепко. Возможные утечки могут быть очевидны в смотровом стекле или оттайка после вентиля или в области диафрагмы.
Найдите причину и исправьте ошибку.
Последующие меры следует выполнять до последней проверки:
Откройте запорный вентиль на всасывании (если он в закрытом положении)
Сбросьте давление конденсации регулятором (если имеется) до первоначального значения.
Включите источник питания для добавочного вентилятора, удалите защитную доску от потока воздуха у агрегата воздушного охлаждения.
3.8 Технические данные
|
Источник питания |
|
|
(другое напряжение по требованию) |
230 В пер.ток +/- 10% |
|
Частота |
50/60 Гц |
|
Энергия поглащения |
max. 2VA |
|
Рабочий цикл |
100% |
|
Тип сенсора |
РТ1000 |
|
Стартовое реле: |
|
|
Включение напряжения |
max. 250В пер.ток |
|
Включение тока |
max. 8А пер.ток |
|
Включение мощности |
max. 2000 VA |
|
Предохранитель для прибора и контакты включения |
max. 5А |
|
Клеммы |
|
|
Винтовой фиксатор |
1,5 кв.мм |
|
Рабочая температура |
- 20... + 55С |
|
Допускаемая относительная влажность без конденсации |
10... 95% rF/RH/HR |
|
Класс защиты |
IP54 |
|
Вес |
450 г |
|
Габаритные размеры модуля |
120 x 122 |