Газоснабжение в Беларуси
1. История развития газовой промышленности Республики Беларусь. Единая система газоснабжения и ее структура
С начала газификации Республики Беларусь в 1958 году Правительством БССР был создан центральный орган государственного управления развития газификации республики – Главное управление по газификации при Совете Министров БССР (Главгаз БССР), куда на правах юридических лиц вошли областные и г. Минска газовые хозяйства.
В 1978 году Главгаз БССР был преобразован в Государственный комитет по газификации при Совете Министров БССР (Госкомгаз БССР) с теми же административными и имущественными функциями.
В 1988 году Госкомгаз БССР и Министерство топливной промышленности БССР решением Правительства БССР были объединены и преобразованы в Государственный комитет по топливу и газификации (Госкомтопгаз БССР) с вхождением в его состав находящихся в ведении указанных органов государственного управления организаций, обладающих правом юридического лица.
Постановлением Совета Министров Республики Беларусь от 13 апреля 1992 года №204, а также решением трудовых коллективов организаций Госкомтопгаза БССР был организован Белорусский концерн по топливу и газификации (концерн «Белтопгаз), который осуществлял свою деятельность на основании учредительных документов по административному, имущественному и хозяйственному управлению всех входящих в его состав государственных организаций. Согласно Указу Президента Республики Беларусь от 24 сентября 2001 года №516 концерн «Белтопгаз» подчинён Министерству энергетики Республики Беларусь, которое утвердило его устав в новой редакции. В настоящее время концерн «Белтопгаз» преобразован в Государственное производственное объединение по топливу и газификации «Белтопгаз».
Успешное функционирование и развитие производственных сил, а также повышение жизненного уровня населения Беларуси в значительной степени зависит от состояния топливно-энергетического комплекса. Именно поэтому особую актуальность и значимость приобретает надежное и эффективное энергоснабжение всех отраслей экономики, обеспечивающих производство конкурентоспособной продукции и достижение высоких стандартов уровня и качества жизни населения при сохранении экологически безопасной среды.
На сегодняшний день самым эффективным, экологически чистым и наиболее дешевым видом топлива является природный газ, за счет которого возможно удовлетворение существующих потребностей республики, а также прирост потребления или замещение выбывающих видов топлива. Поэтому он занимает особое место в структуре топливно-энергетического баланса Беларуси – практически все отрасли экономики используют его в своей деятельности.
Бесперебойное газоснабжение в Беларуси, а также транзит природного газа через территорию страны обеспечивает ОАО «Белтрансгаз».
«Белтрансгаз» занимает присущую только ему нишу в социально-экономическом развитии республики. Созданное еще в рамках единой газотранспортной системы СССР, предприятие стало основой для становления газовой отрасли независимой Беларуси, газификации ее населенных пунктов, дало мощный импульс развитию энергетики и многих других отраслей экономики республики.
2. Схемы межцеховых газопроводов
Межцеховые газопроводы в зависимости от планировки предприятия, насыщенности его территории подземными и надземными коммуникациями, степени осушенности газа и ряда других факторов могут быть подземными и смешанными. На предприятиях чаще отдают предпочтение надземной прокладке межцеховых газопроводов. Так как они в этом случае не подвержены подземной коррозии, более доступны для осмотра и ремонта, менее опасны при утечках газа и экономичнее подземных.
Надземные газопроводы прокладывают на опорах, эстакадах, по огнестойким наружным стенам и перекрытиям зданий с производствами не пожароопасной категории. Высота прокладки надземных газопроводов до низа трубы принимается, м, не менее: в местах прохода людей – 2,2; на участках без проезда транспорта и прохода людей – 0,6; над автодорогами – 4,5; над трамвайными путями и железными дорогами – 5,6 – 7,1. Под линиями электропередач в зависимости от напряжения в них газопровод прокладывают на расстоянии от 1 до 6,5 м и заземляют.
Схема промышленной системы газоснабжения в случае непосредственного присоединения к городским сетям низкого давления показана на (рис. 1). Данную схему проектируют для небольших коммунальных и промышленных предприятий. Это объясняется, во-первых, малой пропускной способностью сетей низкого давления, а во вторых тем, что переменный режим потребления газа предприятием будет отрицательно сказываться на режиме давлений у газовых приборов жилых зданий, присоединенных к той же сети низкого давления.
Из городской распределительной сети низкого давления газ через задвижку 1 поступает в межцеховой газопровод 2. У небольших предприятий протяженность межцеховых газопроводов обычно невелика, поэтому на ответвлениях от основного газопровода к цехам отключающие устройства можно не устанавливать.

Рис. 1 Схема газоснабжения небольшого промышленного предприятия, присоединенного к городской сети низкого давления
1-отключающее устройство (задвижка), 2 – межцеховой газопровод, 3 – ответвление к цеху, 4-отключающее устройство на вводе в цех, 5-пункт измерения расхода газа (ПИРГ), 6-внутрицеховые газопроводы, 7-главное отключающее устройство перед агрегатами, 8-кран на продувочном газопроводе, 9-продувочный газопровод, 10-штуцер с краном и пробкой для взятия пробы.

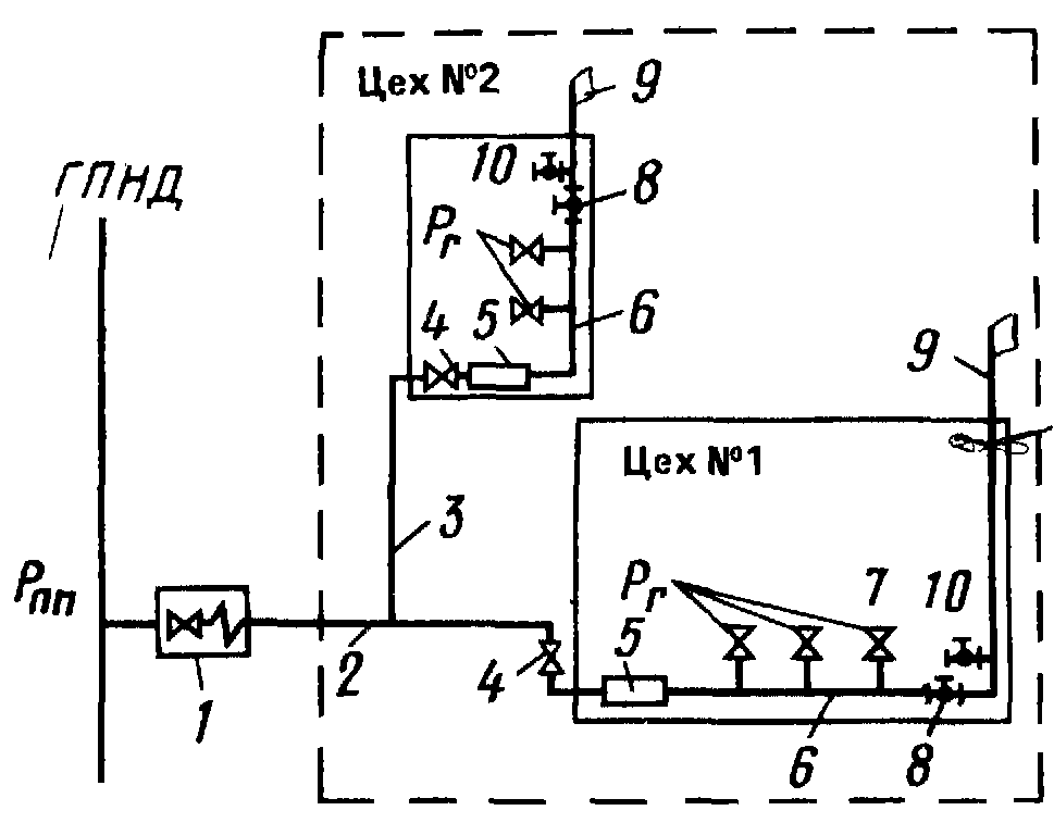
Рис. 2 Схема межцехового газопровода среднего давления с центральным пунктом измерения расхода газа и цеховыми ГРУ среднего и низкого конечных давлений
1,5 – отключающие устройства в колодце, 2-центральный пункт измерения расхода газа, 3-межцеховой газопровод, 4-сборник конденсата, 6-отключающее устройство в мелком колодце, 7-шкафная установка РД, 8-цеховая ГРУ среднего конечного давления, 9-цеховая ГРУ низкого конечного давления, 10 – ответвление газопровода к цеху (сборники конденсата устанавливают при использовании влажного газа).
Межцеховые газопроводы вводят в каждый цех, где в газорегуляторных установках давление снижается до необходимой величины. Из ГРУ газ поступает только в сети данного цеха. Расход газа учитывается в центральном пункте измерения расхода газа, а также в каждом цехе. Центральный ГРП отсутствует, а межцеховые газопроводы находятся под давлением городской распределительной сети.
3. Требования Правил технической безопасности в области газоснабжения РБ к ГРП (ГРУ)
Режим работы ГРП (газорегуляторные пункты), ГРУ (газорегуляторные установки) должны устанавливаться в соответствии с проектом.
Параметры настройки регуляторов давления в ГРП городов и населенных пунктов (комбинированных регуляторов) для бытовых потребителей не должны превышать 300 даПа (300 мм вод. ст.).
ПСК, в том числе встроенные в регуляторы давления, должны обеспечивать сброс газа при превышении максимального рабочего давления после регулятора не более чем на 15%.
Верхний предел срабатывания ПЗК не должен превышать максимальное рабочее давление газа после регулятора более чем на 25%.
При наличии в ГРП дополнительной линии редуцирования регулятор давления на ней настраивается на давление на 10% ниже, а ПЗК – на 10% выше, чем на основной линии.
Параметры настройки оборудования ГРП, ГРУ, газоиспользующих установок промышленных, сельскохозяйственных производств, отопительных котельных и других организаций, а также промежуточных ГРП должны устанавливаться проектом и уточняться при пусконаладочных работах.
Не допускается колебание давления газа на выходе из ГРП (ГРУ), превышающее 10% рабочего давления. Неисправности регуляторов, вызывающие повышение или понижение рабочего давления, неполадки в работе предохранительных клапанов, а также утечки газа должны устраняться в аварийном порядке.
Газ по обводной линии допускается подавать только в течение времени, необходимого для ремонта оборудования и арматуры, а также в период снижения давления газа перед ГРП или ГРУ до величины, не обеспечивающей надежную работу регулятора давления. Работа должна выполняться бригадой рабочих в составе не менее двух человек под руководством специалиста.
Температура воздуха в помещении, где установлены оборудование и средства измерения, должна быть не ниже предусмотренной в паспортах завода – изготовителя оборудования и КИП.
Снаружи здания ГРП, вблизи ограждения ГРУ на видном месте, должны быть предупредительные надписи: «Газ. Огнеопасно».
При эксплуатации ГРП и ГРУ должны выполняться:
осмотр технического состояния в сроки, устанавливаемые инструкцией, обеспечивающие безопасность и надежность эксплуатации;
проверка параметров срабатывания ПЗК и ПСК не реже 1 раза в 3 месяца, а также по окончании ремонта оборудования;
техническое обслуживание – не реже 1 раза в 6 месяцев;
текущий ремонт – не реже 1 раза в год, если завод – изготовитель регуляторов давления, предохранительных клапанов, телемеханических устройств не требует проведения ремонта в иные сроки;
капитальный ремонт – при замене оборудования, средств измерений, отопления, освещения и восстановлении строительных конструкций здания на основании дефектных ведомостей, составленных по результатам осмотров и текущих ремонтов.
При осмотре технического состояния ГРП (ГРУ) путем обхода должны выполняться:
проверка по приборам давления газа до и после регулятора, перепада давления на фильтре, температуры воздуха в помещении, отсутствия утечки газа с помощью прибора или мыльной эмульсии;
контроль за правильностью положения молоточка и надежности сцепления рычагов или положением рукоятки взвода ПЗК;
смена картограмм регистрирующих приборов, прочистка и заправка перьев, завод часового механизма. Проверка исправности манометров (показывающих, регистрирующих, дифференциальных и тому подобных) путем кратковременного их отключения и посадки на «нуль» – не реже 1 раза в 15 дней;
проверка состояния и работы электроосвещения, вентиляции, системы отопления, визуальное выявление трещин и не герметичности стен, отделяющих основное и вспомогательное помещения;
внешний и внутренний осмотр здания. При необходимости – очистка помещения и оборудования от загрязнения.
Осмотр технического состояния (обход) ГРП должен, как правило, проводиться двумя рабочими.
Обход ГРП, оборудованных системами телемеханики, оснащенных сигнализаторами загазованности с контролируемым выводом сигнала, шкафных регуляторных пунктов ГРУ допускается производить одним рабочим.
Организациям, эксплуатирующим объекты газораспределительной системы, разрешается производить обход ГРП одним рабочим из числа постоянного состава персонала подразделений. В этом случае должна разрабатываться специальная инструкция, определяющая дополнительные меры безопасности.
При проверке степени засоренности фильтра максимальный перепад давления газа на нем не должен превышать величины, установленной заводом-изготовителем, но быть не более 10 кПа (1000 мм вод. ст.).
Разборка и очистка кассеты фильтра должна производиться вне помещения ГРП (ГРУ) в местах, удаленных от легковоспламеняющихся веществ и материалов на расстоянии не менее чем 5 м.
При настройке и проверке параметров срабатывания предохранительных клапанов не должно изменяться рабочее давление газа после регулятора.
Настройку и проверку параметров срабатывания допускается выполнять с помощью регулятора давления, если верхний предел срабатывания предохранительного клапана не превышает максимального рабочего давления.
В тупиковых газораспределительных системах сбросные предохранительные клапаны ГРП (ГРУ) должны обеспечивать их срабатывание раньше срабатывания ПЗК. В системах закольцованных газопроводов (сетей) сбросные предохранительные клапаны ГРП (ГРУ) должны обеспечивать их срабатывание после срабатывания ПЗК.
При техническом обслуживании ГРП, ГРУ должны выполняться:
проверка хода и герметичности запорной арматуры и предохранительных клапанов;
проверка герметичности всех соединений, устранение утечек газа, осмотр фильтра;
смазка трущихся частей и перенабивка сальников;
определение чувствительности мембран регуляторов давления и управления;
продувка импульсных трубок к КИП, ПЗК и регулятору давления;
проверка параметров настройки ПЗК и ПСК.
При ежегодном текущем ремонте ГРП, ГРУ следует обязательно выполнять:
разборку регуляторов давления, предохранительных клапанов с очисткой их от коррозии и загрязнений, проверкой плотности прилегания клапанов к седлу состояния мембран, смазкой трущихся частей, ремонтом или заменой изношенных деталей, проверкой надежности крепления конструкционных узлов, не подлежащих разборке;
разборку и притирку запорной арматуры, не обеспечивающей герметичности закрытия;
работы, перечисленные в пункте 130 настоящих правил.
Отключающие устройства на линии редуцирования при разборке оборудования должны быть в закрытом положении. На границах отключенного участка после отключающих устройств должны устанавливаться заглушки, соответствующие максимальному давлению газа.
Ремонт электрооборудования ГРП и замена перегоревших электроламп должны проводиться при снятом напряжении. При недостаточном естественном освещении допускается применение переносных светильников во взрывозащищенном исполнении.
Помещения ГРП (ГРУ) должны быть укомплектованы средствами пожаротушения. При определении видов и необходимого количества средств пожаротушения в ГРП (ГРУ) следует руководствоваться общими правилами пожарной безопасности Республики Беларусь для промышленных предприятий (ППБ РБ 1.01–94), утвержденными приказом Главного государственного инспектора Республики Беларусь по пожарному надзору от 30 декабря 1994 г. №29 (далее – Общие правила пожарной безопасности Республики Беларусь для промышленных предприятий (ППБ РБ 1.01–94).
Хранить обтирочные, горючие и другие материалы в указанных помещениях не разрешается.
Защита газопроводов от молнии должна осуществляться в соответствии с РД 34.21.122–87 «Инструкция по устройству молниезащиты зданий и сооружений».
4. Эксплуатация газоиспользующих агрегатов
Розжиг газоиспользующих установок
Приступая к приему газа в газопровод, проверяют, закрыты ли задвижки газопровода к агрегату (котлу) и задвижки (вентили, краны) газовых горелок, после чего открывают свечу в конце газопровода. Затем открывают задвижку на газопроводе и пускают газ, наблюдая по манометру за его давлением. После того как из свечи пойдет газ, закрывают ее вентиль (кран), в течение 10 ч 15 мин вентилируют топку и газоходы котла, регулируют тягу так, чтобы разрежение вверху топки было равно 20 ч 30 Па (2 ч 3 мм водяного столба).
Розжиг смесительных горелок (с принудительной подачей воздуха) должен производиться следующим образом: проверяют закрытие кранов перед горелками, закрывают воздушную заслонку, открывают кран у переносного запальника и зажигают выходящий из него газ. Затем запальник вводят в топку и его пламя подносят к выходному отверстию горелки; медленно открывают газовый кран перед горелкой и после зажигания газа, выходящего из горелки, запальник вынимают из топки и вешают на место.
Если газ не загорелся или, будучи зажжен, погас, необходимо закрыть кран перед горелкой, прекратив подачу газа, провентилировать топку и газоходы в течение 10 ч 15 мин, открыв воздушную заслонку. Только после этого можно снова приступить к розжигу горелки.
Если же зажигание горелки прошло успешно, несколько приоткрывают воздушную заслонку на воздухопроводе и регулируют пламя так, чтобы оно не было коптящим и чтобы излишний воздух не отрывал факел от горелки. Затем понемногу открывают газовый кран перед горелкой и постепенно воздушной заслонкой прибавляют воздух, добиваясь нормального горения газа: пламя должно быть устойчивым, не коптящим (прозрачным) и не отрывающимся от горелки.
При отрыве пламени следует уменьшить подачу воздуха, при длинном коптящем пламени надо убавить подачу газа. Во избежание отрыва пламени из-за чрезмерного избытка воздуха увеличивать нагрузку следует прибавлением вначале подачи газа, а затем подачи воздуха, а снижать нагрузку надо уменьшением вначале подачи воздуха, а затем подачи газа.
При наличии у котла нескольких горелок зажигание их производится последовательно, в таком же порядке.
Если при растопке погаснут все горелки, следует немедленно прекратить подачу газа к ним, убрать из топки запальник и провентилировать топку и газоходы в течение 10 ч 15 мин. Только после этого можно повторно зажигать горелки.
Порядок розжига инжекционных горелок среднего давления с пластинчатым стабилизатором горения несколько отличается от порядка розжига смесительных горелок и заключается в следующем: после проверки закрытия кранов перед горелками открывают регуляторы первичного воздуха, проверяют давление газа перед кранами горелок, открывают газовый кран перед переносным запальником, который зажженным вводят в топку, подводя пламя к выходному отверстию горелки. Затем открывают кран перед горелкой (примерно наполовину) до появления ясно слышимого шума от истечения газа, который и должен загореться.
В процессе регулирования инжекционной горелки надо следить, чтобы пламя не проскакивало в горелку, особенно при снижении ее нагрузки. В этом случае горелку выключают, и после остывания ее снова включают в работу. При появлении сильных пульсаций в топке уменьшают подачу газа.
Аналогичным образом зажигают остальные горелки, после чего закрывают кран переносного запальника, вынимают его из топки и вешают на место.
Зажигая газовые горелки, не следует стоять напротив отверстий-гляделок (растопочных люков), чтобы не пострадать от случайно выброшенного из топки пламени. Обслуживающий персонал должен быть обеспечен средствами индивидуальной защиты.
Запрещается:
– разжигать в топке погасшие горелки без предварительной вентиляции топки и газоходов агрегата (котла);
– зажигать газовый факел от соседней горелки или от раскаленной кладки топки.
Розжиг топок котлов (установок), оборудованных автоматикой регулирования процесса горения и автоматикой безопасности или комплексной автоматикой, должен производиться в соответствии с требованиями производственных инструкций по их пуску, настройке и эксплуатации.
Обслуживание газоиспользующих установок во время их работы
При обслуживании установок во время их работы необходимо:
– внимательно следить за давлением газа и воздуха перед горелками, чтобы оно не выходило за пределы, установленные производственной инструкцией и режимной картой. В случае понижения давления газа ниже указанной в инструкции нормы – сократить потребление газа вплоть до полного выключения горелок;
– постоянно следить за цветом пламени горелок, показаниями газоанализаторов и тягомеров, добиваясь полного сгорания газа при наименьших избытках воздуха. Объемная доля углекислого газа СО2 в уходящих дымовых газах должна быть 9 ч 10%, что соответствует коэффициенту избытка воздуха за агрегатом 1,3 ч 1,4. При этом объемная доля продуктов химической неполноты сгорания СО + Н2 не должна превышать 0,2%. Объемная доля СО2 устанавливается пусконаладочной организацией в зависимости от вида топлива, типа котла и топочного устройства;
– наблюдать за разрежением в топке, не допуская при этом хотя бы незначительного давления, а также выбивания пламени или газообразных продуктов сгорания из топки или газоходов агрегата. Тягу надо отрегулировать так, чтобы разрежение в верхней части топки составляло 5 ч 20 Па (0,5 ч 2 мм водяного столба). Для регулирования тяги следует пользоваться дымовой заслонкой, воздушным топочным регистром, поворотными лопатками направляющего аппарата вентилятора и дымососа, изменяя их угол вращения;
– воздух по работающим газовым горелкам распределять так, чтобы к каждой газовой горелке он поступал пропорционально расходу газа через горелку;
– систематически наблюдать за процессом горения и добиваться, чтобы газовый факел равномерно заполнял всю топочную камеру и не залетал в трубный пучок, чтобы конец факела был чистым и не имел дымных языков; в факеле не должно быть «мушек», а цвет его должен быть светло-соломенно-желтым. Из дымовой трубы агрегата или котельной установки должны выходить лишь совершенно прозрачные газообразные продукты сгорания. Не следует допускать даже легкого и кратковременного темного дыма.
При больших избытках воздуха объемная доля СО2 в дымовых газах снижается, факел укорачивается и приобретает ослепительно-белую окраску. При недостатке воздуха содержание СО2 увеличивается, факел удлиняется, пламя приобретает темно-желтую окраску, а на конце его появляются дымные языки.
Регулировать подачу газа и воздуха следует медленным и плавным открытием кранов, задвижек и вентилей. Нужно добиваться бесшумной, устойчивой работы горелок без отрыва пламени.
Нагрузку котлоагрегата с несколькими газовыми горелками следует регулировать изменением расхода газа по всем горелкам или изменением их количества; последнее регулирование нагрузки особенно целесообразно для инжекционных горелок неполного смешения небольшой производительности (до 15 ч 20 м3/г). При повышении нагрузки отдельных горелок сначала увеличивают подачу газа, а затем подачу воздуха; при снижении нагрузки вначале, наоборот, уменьшают подачу воздуха, а затем подачу газа.
Необходимо помнить, что недопустима работа горелок с перегрузкой, приводящей к отрыву пламени от горелки, и работа горелок на малых нагрузках, вызывающая проскок пламени. Особенно неудовлетворительно работают на больших и малых нагрузках инжекционные горелки полного смешения.
Для увеличения длины и светимости пламени факела уменьшают подачу первичного воздуха в горелки и увеличивают подачу вторичного воздуха при одновременном увеличении разрежения в топке (во избежание неполного сгорания газа).
Во избежание выброса пламени из топки и неполного сгорания газа при повышении нагрузки котла увеличивают вначале разрежение в топке, а затем нагрузку горелок. При снижении нагрузки котла уменьшают вначале нагрузку горелок, а затем уменьшают разрежение.
Если во время работы погаснут все горелки (в результате повышения давления газа перед горелками или прекращения подачи воздуха вентилятором в горелки), надо немедленно прекратить подачу газа в горелки, убавить дутье и тягу, провентилировать топку, газоходы и воздухопроводы, выяснить и устранить причины нарушения нормального режима горения газа.
Во время работы топки необходимо вести наблюдение за отсутствием утечек газа из неработающих (выключенных) горелок, а также за отсутствием горения газа у выходных газовых щелей, что может угрожать пережогу деталей горелки.
Остановка газоиспользующих установок
Остановки бывают:
– аварийными;
– кратковременными (работа агрегата в одну – две смены);
– продолжительными (вывод агрегата на ремонт, очистку, консервацию).
Остановка во всех случаях, за исключением аварийной остановки, должна производиться только по письменному распоряжению администрации.
Ответственный за исправное состояние и безопасную эксплуатацию газоиспользующих установок перед его остановкой должен:
– сделать в письменном журнале запись об остановке с указанием даты и времени (часы, минуты) и расписаться;
– в случае необходимости провести инструктаж по безопасному ведению работ как персоналу, которому предстоит провести остановку, так и персоналу, обслуживающему рядом работающие агрегаты.
При проведении кратковременной остановки:
– заранее прекратить подачу газа в топку;
– прикрыть шибер или прекратить дутье;
– открыть запорные устройства на сбросных газопроводах.
Запрещается оставлять агрегат (котел) без постоянного наблюдения со стороны обслуживающего персонала после его остановки до снижения давления в нем до атмосферного (для котлов).
При проведении продолжительной остановки:
– снизить интенсивность горения газа в топке вплоть до прекращения подачи газа;
– дымосос и вентилятор продолжают работать некоторое время (по инструкции) для вентиляции топки;
– закрыть все запорные устройства до ввода газопровода и на вводе;
– установить на вводе после запорного устройства заглушку;
– открыть запорные устройства на сбросных и продувочных газопроводах.
При остановке агрегата (котла), работающего с принудительной подачей воздуха, надо уменьшить, а затем прекратить подачу газа в топку, а вслед за этим прекратить подачу воздуха. При инжекционных горелках следует сначала прекратить подачу воздуха, а затем прекратить подачу газа.
После отключения всех горелок необходимо отключить газопровод агрегата от общего газопровода, открыть продувочную свечу на отводе, а также провентилировать топку, газоходы, воздухопроводы.
При остановке агрегатов (котлов) на длительный период без оставления обслуживающего персонала в котельной (цехе) закрывают задвижку или кран на вводе газа в котельное помещение (цех). Остановку газифицированных котлов с автоматикой регулирования процесса горения, автоматикой безопасности и с комплексной автоматикой проводят в соответствии с производственной инструкцией, утвержденной главным инженером предприятия.
При аварийной остановке обслуживающий персонал обязан немедленно закрыть газовое запорное устройство (ПЗК) и сообщить об этом руководителю котельной (цеха) или лицу, замещающему его. Затем необходимо открыть отключающие устройства на трубопроводах безопасности. При необходимости открыть отключающие устройства на продувочных газопроводах и провентилировать топку и газоходы.
Аварийная остановка проводится в следующих случаях:
– несрабатывание технологических защит;
– взрыв в топке, газоходах, разогрев докрасна несущих балок каркаса, колонн котла, обрушение обмуровки;
– пожар;
– исчезновение напряжения на устройствах дистанционного и автоматического управления или на всех КИП;
– разрыв внутреннего газопровода;
– погасание общего факела в топке.
Задача №1
Для заданного состава природного газа определить физико-химические свойства.
Метан (CH>2>) – 92,5
Этан (С>2>Н>6>) – 2,0
Пропан (С>3>Н>8>) – 0,66
Изобутан (С>4>Н>10>) – 0,5
Пентан (С>5>Н>12>) – 0,15
Диоксид углерода (СО>2>) – 0,33
Азот (N>2>) – 3,7
Решение
Определяем плотность газовой смеси с>о.см>, кг/м3, при нормальных условиях
с>о.см> = 0,01 ∑ y>i> с>i>
где: y>i> – объемная доля i-го компонента в смеси, %; с>i> – плотность i-го компонента, кг/м3, берем из [А.А. Ионин Газоснабжение (таб. 1,2)].
с>о.см> = 0,01 (92,5*0,717+2*1,357+0,66*2,019+0,50*2,668+0,15*3,221+0,33*1,977+3,7*1,25) = 0,77 кг/м3
Определяем низшую теплоту сгорания Q>н>см, кДж/м3, смеси горючих газов
Q>н>см = 0,01 ∑ y>i> Q>н>>i>
Где: Q>н>>i> – низшая объемная теплота сгорания i-го компонента, кДж/м3, берем из [А.А. Ионин Газоснабжение (таб. 1,3)].
Q>н>см = 0,01 (92,5*35840+2*63730+0,66*93370+0,5*121840+0,15*146340+
+ 0,33*1+3,7*1) = 0,01 (3315200+127460+61624,2+60920+21951+
+ 0,33+3,7) = 35871,59 кДж/м3
Определяем концентрационные пределы воспламенения L>c>>м>в(н), %, газовоздушной смеси с учетом балласта (верхний и нижний)

Где: Б – балласт газового топлива, равный сумме объемного процентного
содержания углекислого газа и азота, %;
l>i>в(н) – предел воспламенения i-го компонента смеси соответственно верхний и нижний, %.


Определяем теоретически необходимое количество воздуха V>0>, м3 воздуха/м3 газа, для полного сжигания 1 м3 газообразного топлива
V>0> = 0,0476 (∑(n + m/4) С>n>H>m> + 1,5 H>2>S)
Где: С>n>H>m> – объемное процентное содержание углеводородов, входящих в состав газовой смеси, %;
n и m – число атомов углерода и водорода соответственно;
H>2>S – объемное процентное содержание сероводорода в смеси, %.

)
= 0,0476 (185+7+3,3+3,25+1,2) = 9,51 м3
С учетом влажности воздуха определяем V>0>вл, м3 воздуха/ м3 газа,
V>0>вл = V>0> + 0,00124 d>возд> V>0>
Где: d>возд> – влагосодержание воздуха, г/м3; определяем по H-d диаграмме при t = 200C, ц = 60%. Принимаем влагосодержание воздуха при этих параметрах равным d>в>= 9 г/м3.
V>0>вл = 9,51+0,00124*9*9,51 = 9,62 м3
Определяем действительное количество воздуха V>д>, м3 воздуха/ м3 газа, подаваемого в топку для горения,
V>д> = б V>0>вл
Где: б – коэффициент избытка воздуха, зависящий от метода сжигания газа; принимаем б = 1,2.
V>д> = 1,2*9,62 = 11,544 м3
При сжигания газообразного топлива образуется углекислый газ СО>2>, водородные пары Н>2>О, сернистый ангидрид SO>2> (в топливе не присутствует сероводород H>2>S), кислород О>2> и азот N>2>.
Определяем объем сухих продуктов сгорания V>пр.сг.>, м3 продуктов сгорания/ м3 газа,
V>пр.сг.> = V>СО2 >+ V>Н2О >+ V>SO>>2> + V>O>>2> + V>N>>2>>,>
Количество V>СО2> углекислого газа, м3 СО>2>/ м3 газа,
V>СО>>2> = 0,01 (∑n C>n>H>m> + CO>2>)
V>СО>>2>=0,01 (1*92,5+2*2+3*0,66+4*0,5+5*0,15+0,33)=1,02 м3
Количество V>H>>2>>O> водяных паров, м3 H>2>O/ м3 газа,
V>Н2О> = 0,01 (∑ m/2 С>n>H>m> + H>2>S + 0,00124 (d >г> + б d>возд> V>0>))
где d>г> – влагосодержание газа, г/м3; принимаем равным 0, так как газ осушен.
V>Н2О>=0,01
((
2,971 м3
Количество V>SO>>2> сернистого ангидрида, м3 SO>2>/ м3 газа,
V>SO>>2> = 0,01 H>2>S
V>SO>>2 >= 0,01
Количество V>О2> кислорода, м3 О>2>/ м3 газа,
V>O>>2> = 0,21 (б – 1) V>0>
V>O>>2> = 0,21 (1,2–1)*9,51=0,34 м3
Количество V>N>>2> азота, м3 N>2>/ м3 газа,
V>N>>2> = 0,79 б V>0 >+ 0,01 N>2>
V>N>>2> = 0,79*1,2*9,51+0,01*0,33=9,018 м3
Задача №2
Определить расчетные расходы газа равномерно распределенными и сосредоточенными потребителями.
|
№ варианта |
Число жителей в квартале с 5-ти этажной застройкой |
Число жителей в квартале с более высокой застройкой |
|
2 |
10800 |
14500 |
К равномерно распределенным потребителям относятся сетевые ГРП, которые обслуживают жилые районы. В квартирах 5-ти этажных жилых домов установлены газовые плиты и проточные газовые водонагреватели.
Все полученные данные в процессе решения заносятся в таблицу 1 и 2.
Решение
Приготовление пищи при наличии газовой плиты и проточных газовых водонагревателей
Определяем расчетный расход газа V>р>, м3/ч, как долю годового расхода
V>р> = К>m>> >* V>год>,
где К>m> – коэффициент часового максимума; /по таблице 2 мет. пособия/ К>m>=1/2200
Определяем годовой расход газа V>год>, м3/год, на хозяйственно-бытовые и коммунальные нужды равномерно распределенными потребителями
V>год> = N * n * x * Q>год>/Q>н>
Где: N – численность населения, чел.; N=10800
n – число расчетных единиц потребления на 1000 жителей; n=1
х – степень охвата газоснабжением в долях единицы; x=1
Q>год> – нормативный расход газа в тепловых единицах на хозяйственно-бытовые и коммунальные нужды, кДж/год; /по таблице 1 мет. пособия/ 8,0*106 кДж/год
Q>н> – низшая теплота сгорания газа, кДж/ м3, из условия задачи 1,
Q>н>=35871,59 кДж/м3
V>год> = 10800*1*1*8,0*106/35871,59=2408591 м3/год
V>р> =1/2200*2408591=1094,8 м3/ч
Приготовление завтраков (ужинов)
С учетом средней загрузки предприятий общественного питания принимаем охват обслуживания населения у = 0,27 от общей численности населения, считая, что каждый человек, регулярно пользующийся столовыми и ресторанами, потребляет в день примерно 1 обед и 1 ужин (или завтрак). Тогда общее число единиц (n) потребления газа предприятиями общественного питания составляет 360*у* х* N.
Степень охвата газоснабжением столовых х = 1 (100%); 360 – число рабочих дней работы предприятий общественного питания за год.
Определяем расчетный расход газа V>р>, м3/ч, как долю годового расхода
V>р> = К>m>> >* V>год>
Где: К>m> – коэффициент часового максимума; /по таблице 2 мет. пособия/ К>m>=1/2200
n – общее число расчетных единиц потребления, n=360*y*x*N
n=360*0,27*1*10800=1049760
х – степень охвата газоснабжением в долях единицы; x=1
Q>год> – нормативный расход газа в тепловых единицах на хозяйственно-бытовые и коммунальные нужды, кДж/год; /по таблице 1 мет. пособия/ 2,1*103 кДж/год
Q>н> – низшая теплота сгорания газа, кДж/ м3, из условия задачи 1,
Q>н>=35871,59 кДж/м3
Определяем годовой расход газа V>год>, м3/год
V>год>
=
V>год>
=
=
61455,2 м3/год
V>р> = 1/2200*61455,2 = 27,93
Приготовление обедов
Определяем расчетный расход газа V>р>, м3/ч, как долю годового расхода
V>р> = К>m>> >* V>год>
V>год>
=
Где: К>m> – коэффициент часового максимума; /по таблице 1 мет. пособия/ К>m>=1/2200
n – общее число расчетных единиц потребления, n=360*y*x*N
n=360*0,27*1*10800=1049760
х – степень охвата газоснабжением в долях единицы; x=1
Q>год> – нормативный расход газа в тепловых единицах на хозяйственно-бытовые и коммунальные нужды, кДж/год; /по таблице 1 мет. пособия/ 4,2*103 кДж/год
Q>н> – низшая теплота сгорания газа, кДж/ м3, из условия задачи 1,
Q>н>=35871,59 кДж/м3
V>год>
=
= 122910,4
V>р> = 1/2200*122910,4 = 55,9
Дополнительно учитываем расход газа на нужды предприятия бытового обслуживания населения, принимая его в размере 5% от суммарного расхода газа в жилых домах.
V>р> = К>m>> >* V>год>
V>р> =0,05*1094,8=54,74
Нагрузка ГРП определяется как сумма расчетных расходов газа по видам потребителя.
1094,8+27,93+55,9+54,74=1233,37
Расчет нагрузок ГРП 1 заносим в таблицу 1.
Квартал с более высокой застройкой
Приготовление пищи в квартирах при наличии газовой плиты и ЦГВ (центрального горячего водоснабжения).
Определяем расчетный расход газа V>р>, м3/ч, как долю годового расхода
V>р> = К>m>> >* V>год>,
где К>m> – коэффициент часового максимума; /по таблице 2 мет. пособия/ К>m>=1/2250
Определяем годовой расход газа V>год>, м3/год, на хозяйственно-бытовые и коммунальные нужды равномерно распределенными потребителями
V>год> = N * n * x * Q>год>/Q>н>
Где: N – численность населения, чел.; N=14500
n – число расчетных единиц потребления на 1000 жителей; n=1
х – степень охвата газоснабжением в долях единицы; x=1
Q>год> – нормативный расход газа в тепловых единицах на хозяйственно-бытовые и коммунальные нужды, кДж/год; /по таблице 1 мет. пособия/ 2,8*106 кДж/год
Q>н> – низшая теплота сгорания газа, кДж/ м3, из условия задачи 1,
Q>н>=35871,59 кДж/м3
V>год> = 14500*1*1*2,8*106/35871,59=1131814,9 м3/год
V>р> =1/2250*1131814,9=503 м3/ч
Приготовление завтраков (ужинов)
Средняя загрузка предприятий общественного питания принимаем охват обслуживания населения у = 0,27 от общей численности населения, считая, что каждый человек, регулярно пользующийся столовыми и ресторанами, потребляет в день примерно 1 обед и 1 ужин (или завтрак). Тогда общее число единиц (n) потребления газа предприятиями общественного питания составляет 360*у* х* N.
Степень охвата газоснабжением столовых х = 1 (100%); 360 – число рабочих дней работы предприятий общественного питания за год.
Определяем расчетный расход газа V>р>, м3/ч, как долю годового расхода
V>р> = К>m>> >* V>год>
Где: К>m> – коэффициент часового максимума; /по таблице 2 мет. пособия/ К>m>=1/2250
n – общее число расчетных единиц потребления, n=360*y*x*N
n=360*0,27*1*14500=1409400
х – степень охвата газоснабжением в долях единицы; x=1
Q>год> – нормативный расход газа в тепловых единицах на хозяйственно-бытовые и коммунальные нужды, кДж/год; /по таблице 1 мет. пособия/ 2,1*103 кДж/год
Q>н> – низшая теплота сгорания газа, кДж/ м3, из условия задачи 1,
Q>н>=35871,59 кДж/м3
Определяем годовой расход газа V>год>, м3/год
V>год>
=
V>год>
=
= 82509,3 м3/год
V>р> = 1/2250*82509,3 = 36,7 м3/ч
Приготовление обедов
Определяем расчетный расход газа V>р>, м3/ч, как долю годового расхода
V>р> = К>m>> >* V>год>
V>год>
=
Где: К>m> – коэффициент часового максимума; /по таблице 2 мет. пособия/ К>m>=1/2250
n – общее число расчетных единиц потребления, n=360*y*x*N
n=360*0,27*1*14500=1409400
х – степень охвата газоснабжением в долях единицы; x=1
Q>год> – нормативный расход газа в тепловых единицах на хозяйственно-бытовые и коммунальные нужды, кДж/год; /по таблице 1 мет. пособия/ 4,2*103 кДж/год
Q>н> – низшая теплота сгорания газа, кДж/ м3, из условия задачи 1,
Q>н>=35871,59 кДж/м3
V>год>
=
= 165018,6 м3/год
V>р> = 1/2200*165018,6= 73,34 м3/ч
Дополнительно учитываем расход газа на нужды предприятия бытового обслуживания населения, принимая его в размере 5% от суммарного расхода газа в жилых домах.
V>р> = К>m>> >* V>год>
V>р> =0,05*503=25,15 м3/ч
Нагрузка ГРП 2 определяется как сумма расчетных расходов газа по видам потребителя.
503+36,7+73,34+25,15=638,19
Больница
В больнице газ расходуется на приготовление пищи, приготовление горячей воды на хозяйственно-бытовые нужды и на лечебные процедуры, на стирку белья в механизированной прачечной, а также для покрытия расходов теплоты на отопление и вентиляцию больницы.
Число мест в больнице определяется органами здравоохранения. По существующим рекомендациям больница должна иметь 13,5 койки на 1000 жителей.
Приготовление пищи
Определяем расчетный расход газа V>р>, м3/ч, как долю годового расхода
V>р> = К>m>> >* V>год>
V>год>
=
Где: К>m> – коэффициент часового максимума; /по таблице 3 мет. пособия/ К>m>=1/1800
n – общее число расчетных единиц потребления, n=N/1000*13,5
n=25300/1000*13,5 = 314,55
х – степень охвата газоснабжением в долях единицы; x=1
Q>год> – нормативный расход газа в тепловых единицах на хозяйственно-бытовые и коммунальные нужды, кДж/год; /по таблице 3 мет. пособия/ 3,2*106 кДж/год
Q>н> – низшая теплота сгорания газа, кДж/ м3, из условия задачи 1,
Q>н>=35871,59 кДж/м3
V>год>
=
= 30468,7 м3/год
V>р> = 1/1800*30468,7= 17,93 м3/ч
Приготовление (ГВ) горячей воды на хозяйственно-бытовые нужды и лечебные процедуры
Определяем расчетный расход газа V>р>, м3/ч, как долю годового расхода
V>р> = К>m>> >* V>год>
V>год>
=
Где: К>m> – коэффициент часового максимума; /по таблице 3 мет. пособия/ К>m>=1/1800
n – общее число расчетных единиц потребления, n=N/1000*13,5
n=25300/1000*13,5 = 314,55
х – степень охвата газоснабжением в долях единицы; x=1
Q>год> – нормативный расход газа в тепловых единицах на хозяйственно-бытовые и коммунальные нужды, кДж/год; /по таблице 3 мет. пособия/ 9,2*106 кДж/год
Q>н> – низшая теплота сгорания газа, кДж/ м3, из условия задачи 1,
Q>н>=35871,59 кДж/м3
V>год>
=
= 80672,75 м3/год
V>р> = 1/1800*80672,75= 44,8 м3/ч
Стирку белья в механизированной прачечной, включая сушку и глажку
Количество стираемого белья в механизированной прачечной больницы находим из условия стирки 0,48 т. белья в год на 1 койку.
Определяем расчетный расход газа V>р>, м3/ч, как долю годового расхода
V>р> = К>m>> >* V>год>
V>год>
=
Где: К>m> – коэффициент часового максимума; /по таблице 3 мет. пособия/ К>m>=1/2900
n – общее число расчетных единиц потребления, n=N/1000*13,5
N – число населения 25300 чел.
n=25300/1000*13,5*0,48 = 163,9
х – степень охвата газоснабжением в долях единицы; x=1
Q>год> – нормативный расход газа в тепловых единицах на хозяйственно-бытовые и коммунальные нужды, кДж/год; /по таблице 3 мет. пособия/ 18,8*106 кДж/год
Q>н> – низшая теплота сгорания газа, кДж/ м3, из условия задачи 1,
Q>н>=35871,59 кДж/м3
V>год>
=
= 85898,6 м3/год
V>р> = 1/2900*85898,6= 29,6 м3/ч
Отопление и вентиляция
Расчетные расходы газа V>0>, V>в, >м3/ч, на отопление и вентиляцию больницы находим по формулам:


Где: 1,1 – коэффициент, учитывающий дополнительные потери теплоты в системе отопления;
q>0>, q>в >- соответственно удельные отопительная и вентиляционная характеристики здания, Вт/(м3/0С); для больниц можно принимать q>0 >= 0,46 Вт/(м3/0С), q>в >= 0,32 Вт/(м3/0С);
V>н >- объем здания по наружному обмеру, м3; для больниц удельная кубатура принимается в пределах 240 м3 на одну койку;
t>в>-t>н >– соответственно расчетные температуры внутреннего воздуха в помещении и наружного воздуха для проектирования отопления и вентиляции, t>в>=18 0С, t>н>=-250С;
– коэффициент, учитывающий затраты теплоты на подогрев инфильтрационного воздуха; = 0,2 (в зданиях с приточной вентиляцией = 0);
– кпд котельной установки, принимаемый 0,8;
Q>н> – низшая теплота сгорания газа, кДж/ м3, из условия задачи 1,
Q>н>=35871,59 кДж/м3;
n=25300/1000*13,5*0,48 = 163,9
>t> – температурный коэффициент, определяемый по формуле:


117,9 м3/ч
м3/ч
Нагрузка ГРП больницы:
17,93+44,8+29,6+117,9+67,9=278,13
Хлебозавод
На хлебозаводе газ используется для выпечки хлебобулочных и кондитерских изделий. Производительность хлебозавода определяем из условия выпечки в год на 1000 жителей 219 т хлебобулочных изделий и 36,5 т кондитерских изделий. Нормативный расход газа на выпечку 1 т изделия зависит от вида изделия. Принимаем, что выпечка хлеба формового составляет 20%, подового – 30%, батонов, булок, сдобы – 50% от общего количества хлебобулочных изделий.
Выпечка хлеба формового.
Определяем расчетный расход газа V>р>, м3/ч, как долю годового расхода
V>р> = К>m>> >* V>год>
V>год>
=
Где: К>m> – коэффициент часового максимума; /по таблице 3 мет. пособия/ К>m>=1/6000
n – общее число расчетных единиц потребления, n=N/1000*219*0,2
N – число населения 25300 чел.
n=25300/1000*219*0,2= 1108,14
х – степень охвата газоснабжением в долях единицы; x=1
Q>год> – нормативный расход газа в тепловых единицах на хозяйственно-бытовые и коммунальные нужды, кДж/год; /по таблице 3 мет. пособия/ 2,5*106 кДж/год
Q>н> – низшая теплота сгорания газа, кДж/ м3, из условия задачи 1,
Q>н>=35871,59 кДж/м3
V>год>
=
= 77229,64 м3/год
V>р> = 1/6000*77229,64= 12,87 м3/ч
Выпечка хлеба подового, батонов, булок, сдобы.
Определяем расчетный расход газа V>р>, м3/ч, как долю годового расхода
V>р> = К>m>> >* V>год>
V>год>
=
Где: К>m> – коэффициент часового максимума; /по таблице 3 мет. пособия/ К>m>=1/6000
n – общее число расчетных единиц потребления, n=N/1000*219*0,8
N – число населения 25300 чел.
n=25300/1000*219*0,8= 4432,56
х – степень охвата газоснабжением в долях единицы; x=1
Q>год> – нормативный расход газа в тепловых единицах на хозяйственно-бытовые и коммунальные нужды, кДж/год; /по таблице 3 мет. пособия/ 5,45*106 кДж/год
Q>н> – низшая теплота сгорания газа, кДж/ м3, из условия задачи 1,
Q>н>=35871,59 кДж/м3
V>год>
=
= 673442,47 м3/год
V>р> = 1/6000*673442,47= 112,24 м3/ч
Выпечка кондитерских изделий
Определяем расчетный расход газа V>р>, м3/ч, как долю годового расхода
V>р> = К>m>> >* V>год>
V>год>
=
Где: К>m> – коэффициент часового максимума; /по таблице 3 мет. пособия/ К>m>=1/6000
n – общее число расчетных единиц потребления, n=N/1000*36,5
N – число населения 25300 чел.
n=25300/1000*36,5= 923,45
х – степень охвата газоснабжением в долях единицы; x=1
Q>год> – нормативный расход газа в тепловых единицах на хозяйственно-бытовые и коммунальные нужды, кДж/год; /по таблице 3 мет. пособия/ 7,75*106 кДж/год
Q>н> – низшая теплота сгорания газа, кДж/ м3, из условия задачи 1,
Q>н>=35871,59 кДж/м3
V>год>
=
= 199509,9 м3/год
V>р> = 1/6000*199509,9 = 33,25 м3/ч
Нагрузка ГРП хлебозавода:
12,87+112,24+33,25=158,36
Банно-прачечный комбинат
В банно-прачечном комбинате газ расходуется на приготовление горячей воды для мытья в бане (в ваннах и без ванн) и для стирки белья в механизированной прачечной. Количество помывок в бане определяем из расчета 52 помывки в год одним человеком.
Считаем, что баней пользуются 10% от общего числа жителей города, причем для половины из них учитываем расход газа на мытье без ванн, для остальных – мытье в ваннах.
Мытье в бане без ванн
Определяем расчетный расход газа V>р>, м3/ч, как долю годового расхода
V>р> = К>m>> >* V>год>
V>год>
=
Где: К>m> – коэффициент часового максимума; /по таблице 3 мет. пособия/ К>m>=1/2700
n – общее число расчетных единиц потребления, n=N*0,1*52/2
N – число населения 25300 чел.
n=25300*0,1*52/2= 65780
х – степень охвата газоснабжением в долях единицы; x=1
Q>год> – нормативный расход газа в тепловых единицах на хозяйственно-бытовые и коммунальные нужды, кДж/год; /по таблице 3 мет. пособия/ 40*103 кДж/год
Q>н> – низшая теплота сгорания газа, кДж/ м3, из условия задачи 1,
Q>н>=35871,59 кДж/м3
V>год>
=
= 73350,5 м3/год
V>р> = 1/2700*73350,5 = 27,17 м3/ч
Мытье в бане в ваннах
Определяем расчетный расход газа V>р>, м3/ч, как долю годового расхода
V>р> = К>m>> >* V>год>
V>год>
=
Где: К>m> – коэффициент часового максимума; /по таблице 3 мет. пособия/ К>m>=1/2700
n – общее число расчетных единиц потребления, n=N*0,1*52/2
N – число населения 25300 чел.
n=25300*0,1*52/2= 65780
х – степень охвата газоснабжением в долях единицы; x=1
Q>год> – нормативный расход газа в тепловых единицах на хозяйственно-бытовые и коммунальные нужды, кДж/год; /по таблице 3 мет. пособия/ 50*103 кДж/год
Q>н> – низшая теплота сгорания газа, кДж/ м3, из условия задачи 1,
Q>н>=35871,59 кДж/м3
V>год>
=
= 91688,16 м3/год
V>р> = 1/2700*91688,16 = 33,96 м3/ч
Стирка белья в механизированной прачечной, включая сушку и глажку
В прачечную белье для стирки поступает от жителей города, от предприятий общественного питания, поликлиник, бани, гостиницы, детских учреждений (в больнице имеется собственная прачечная). Расчетные показатели для определения количества стираемого белья принимаем по /источнику 2/.
Определяем расчетный расход газа V>р>, м3/ч, как долю годового расхода
V>р> = К>m>> >* V>год>
V>год>
=
Где: К>m> – коэффициент часового максимума; /по таблице 3 мет. пособия/ К>m>=1/2900
n – число расчетных единиц потребления, n=G.
Берем среднее, 50% от общего числа жителей сдают белье в прачечную. При норме 100 кг на одного человека в год количество белья G>1>, т/год, поступающего от населения, при N=число населения – 25300 чел., составляет


Количество белья, сдаваемого в прачечную предприятиями общественного питания, зависит от числа единиц потребления в столовых (от количества обедов, завтраков, ужинов). При норме 0,01 кг на один обед, завтрак или ужин G>2>, т/год,

Где: множитель 2 учитывает количество завтраков (или ужинов) и обедов на 1 человека.
т/год
Количество белья G>3>, G>4, >G>5, >т/год, поступающего в прачечную из поликлиник, бани и гостиницы, соответственно равно



Где: 0,125 кг; 0,075 кг; 0,3 т – расчетные показатели стираемого белья на одно посещение поликлиники, бани и на одно место в гостинице;
26 – количество посещений поликлиники в день, приходящееся на 1000 жителей;
310 – число дней работы поликлиники в году;
5 – количество мест в гостинице на 1000 жителей;
n – число помывок в бане в год -131560


т/год
При расчете количества белья, поступающего в прачечную из детских учреждений, принимаем, что число детей ясельного возраста составляет 8%, в возрасте от 4 до 7 лет – 10% от общего числа жителей. А охват обслуживанием детских учреждений 85%. При норме 0,48 т белья в год на одного ребенка в яслях и 0,36 т в детских садах количество сдаваемого белья G>6 >и G>7>, т/год, соответственно равно:
G>6 >= 0,48*0,08*0,85*N
G>6 >= 0,48*0,08*0,85*25300 = 825,79
>G>>7>>= 0,36*0,1*0,85*>>N>.
>G>>7>>= 0,36*0,1*0,85*25300 = 774,18>
Суммарное количество белья G, т/год, стираемого в прачечной, составляет:
G=G>1>+G>2>+G>3>+G>4>+G>5>+G>6>+G>7>
>G>>=1265+128,16+25,49+9,9+37,95+825,79+774,18=3066,47>
n=3066.47
х – степень охвата газоснабжением в долях единицы; x=1
Q>год> – нормативный расход газа в тепловых единицах на хозяйственно-бытовые и коммунальные нужды, кДж/год; /по таблице 3 мет. пособия/ 18,8*106 кДж/год
Q>н> – низшая теплота сгорания газа, кДж/ м3, из условия задачи 1,
Q>н>=35871,59 кДж/м3
V>год>
=
= 1607111,25 м3/год
V>р> = 1/2900*1607111,25 = 554,18 м3/ч
Нагрузку ГРП банно-прачечного комбината определяем как сумму расчетных расходов на баню и прачечную.
27,17+33,96+554,18=615,31
Таблица 1- Расчет расхода газа равномерно распределенными потребителями
|
№ п/п |
Назначение расходуемого газа |
Показа- тель потреб- ления |
Охват газоснаб- жением |
Число единиц потребления |
Годовая норма расхода газа |
Годовой расход газа V>год>, м3/год |
Расчетный расход газа, м3/ч |
||
|
К>m> |
|||||||||
|
Q>год>, |
Q>год>/Q>н>, |
||||||||
|
кДж/год |
м3/год |
||||||||
|
1 |
2 |
3 |
4 |
5 |
6 |
7 |
8 |
9 |
10 |
|
Зона ГРП 1 |
|||||||||
|
2 |
Приготовление |
1 чел. |
100 |
10800 |
8,0*106 |
223 |
2408591 |
1/2200 |
1094,8 |
|
пищи в квартирах |
|||||||||
|
при наличии |
|||||||||
|
газовой плиты и проточных газовых водонагревателей |
|||||||||
|
Столовые, рестораны, кафе |
|||||||||
|
3 |
Приготовление |
1з., у |
100 |
1049760 |
2,1*103 |
0,059 |
61455,2 |
1/2200 |
27,93 |
|
завтраков (ужинов) |
|||||||||
|
4 |
Приготовление |
1о. |
100 |
1049760 |
4,2*103 |
0,117 |
122910,4 |
1/2200 |
55,9 |
|
обедов |
|||||||||
|
5 |
Мелкие предприятия бытового обслуживания предприятия бытового обслуживания |
5% от расхода на жилые дома |
54,74 ∑=1233,37 ∑=1570,5 |
||||||
|
Зона ГРП 2 |
|||||||||
|
6 |
Приготовление пищи в квартирах при наличии газовой плиты и ЦГВ |
1 чел. |
100 |
14500 |
2,8*106 |
78 |
1131814,9 |
1/2250 |
503 |
|
Столовые, рестораны, кафе |
|||||||||
|
7 |
Приготовление завтраков (ужинов) |
1з., у |
100 |
1409400 |
2,1*103 |
0,059 |
82509,3 |
1/2250 |
36,7 |
|
8 |
Приготовление обедов |
1о. |
100 |
1409400 |
4,2*103 |
0,117 |
165018,6 |
1/2250 |
73,34 |
|
9 |
Мелкие предприятия бытового обслуживания бытового обслуживания |
5% от расхода на жилые дома |
∑=1570,5 |
25,15 ∑=638,19 |
Задача №3
Подобрать и рассчитать оборудование ГРП. Исходными данными для расчета оборудования ГРП являются расход газа ГРП 1 (задача 2), плотность природного газа (задача 1). Давление газа на входе в ГРП принимаем 0,4 МПа, давление газа перед горелкой – 30 кПа.
Решение
Принимаем к установке чугунный волосяной фильтр с диаметром условного прохода 50 мм, и давлением в нем P>ф >= 0,4 МПа. Определяем для него потери давления ∆ P>ф> Па, в чистом фильтре:

Где:
∆ P>гр> – потери давления в чистом фильтре, Па; определяем в зависимости от пропускной способности при P>0> = 0,101 МПа и с>гр> = 1 кг/м3;
V>р> – расчетный расход газа =1233,37 м3/ч;
V>гр> – расход газа по графику =1230 м3/ч;
с>0> – плотность газа = 0,77 кг/м3;
P>ф> – давление газа на входе в ГРУ = 0,4 МПа.

Потери давления газа в фильтре с чистой кассетой не должны превышать 40% от максимально допустимого перепада давления в фильтре в процессе эксплуатации – 10000 Па.
Предохранительный клапан приводится в действие от импульса выходного давления газа: давления, необходимого на преодоление сопротивления системы газоснабжения от ГРП до наиболее отдаленной горелки Р>с>, и давления газа перед горелкой Р>г>>.> Газопроводы в котельной рассчитываются на давление Р>с>, составляющее 25–30% от принятого перед горелкой
P>c>=(0,25…0,3) P>г>
P>c>= 0,3*30000 = 9000
Тогда давление Р>вых>, Па (МПа), на выходе из предохранительного клапана определяем
>Р>>вых>> = Р>>г>> +Р>>с>
>Р>>вых>> = 30000+9000 = 39000 Па = 0,039 МПа>
Принимаем к установке предохранительный клапан типа ПКН. Определяем потери давления ∆Р>пкн>>,> Па, в предохранительном клапане

Где: щ – скорость газа на входе в ПКН, м/с;
ж
– коэффициент местного сопротивления
ПКН, отнесенный к скорости газа во
входном сечении клапана; принимаем
= 5;
с – плотность газа при температуре 50С, кг/м3.
Определяем скорость газа, м/с, на входе в ПКН

Где: Р>пкн> давление газа на входе в ПКН, Па, определяемое по формуле
Р>пкн> = Р>ф> – ∆Р>ф>
Р>пкн> = 0,4*106 – 537,34 = 399462,7 Па
Т>пкн> – температура соответствующая 50С, переведенная в градусы по Кельвину;
Т>0> – температура соответствующая 2730К.

Определяем плотность с>,> кг/м3, газа при 50С


Определяем потери давления ∆Р>пкн>>,> Па, в предохранительном клапане

Определяем давление газа на выходе из ПКН, Р>1>, МПа, а, следовательно, и во входном сечении регулятора давления газа
Р>1> = Р>ф> – ∆Р>ф> -∆Р>пкн>
Р>1> = 0,4*106 – 53734 – 14769,12 = 384693,54 Па = 0,38 МПа
Определяем давление газа, Р>2>, МПа, в выходном сечении регулятора давления
Р>2> = Р>г> + Р>с> + ∆Р>сч>
Где: ∆Р>сч> – потери давления в счетчике, Па, определяем по формуле

Где: ∆Р>в> – перепад давления в счетчике, Па, принимаемое ∆Р>в> = 280 Па;
с>в> – плотность воздуха: с>в> = 1,293 кг/м3.

Р>2> = 30000 + 9000 + 166,74 = 39166,74 Па = 0,039 МПа
Принимаем к установке регулятор давления РДУК 2В – 100/50 /по источнику 4, таблица 38/, и определяем пропускную способность V>,> м3/ч, регулятора

Где: f – площадь седла клапана, принимаем f= 19,5 см2;
a – коэффициент расхода, принимаем a= 0,6;
ц
– коэффициент, зависящий от отношения
давлений
,
определяемый по формуле

Где: k – показатель адиабаты, для природного газа k = 1,32.

Определяем пропускную способность V>,> м3/ч, регулятора

Определяем пределы устойчивости работы регулятора V>у>>,> м3/ч
V>у >=(0,2…0,8) V
V>у >=(0,2…0,8)*4912,6 = (982,52…3930,08) м3/ч
Принятый к установке в ГРП регулятор давления РДУК 2В –100/50 подходит и будет работать устойчиво при расчетном расходе газа.
Необходимая пропускная способность V>пск>>,> м3/ч, предохранительного клапана в ГРУ при наличии перед регулятором давления предохранительно-запорного клапана определяем по следующей формуле
V>пск >≥ 0,0005 *V
V>пск >≥ 0,0005 *4912,6 = 2,3 м3/ч
Принимаем к установке ПСК-50.
Литература
А.А. Ионин «Газоснабжение» Москва 1989 г.
Н.Л. Стаскевич, Г.Н. Северинец, Д.Я. Вигдорчик «Справочник по газоснабжению и использованию газа».
К.Г. Кязимов «Справочник молодого газовщика»
А.И. Гордюхин «Газовые сети и установки» Москва 1978 г.
Сайт «http://operator-gazovik.narod.ru»