Допуски и посадка деталей (работа 1)
Содержание
Введение
1. Развитие международной организации по стандартизации
2. Взаимозаменяемость гладких соединений
2.1 Выбор и расчет посадок на все соединения узла по аналогии
2.2 Расчет и выбор посадок для подвижного соединения
2.3 Выбор средств измерения
3. Взаимозаменяемость стандартных измерений
3.1 Выбор и расчет посадок колец подшипников качения
3.2 Допуски и посадки шпоночных соединений
3.3 Допуски и посадки шлицевых соединений
3.4 Взаимозаменяемость резьбовых соединений
4. Расчет размерной цели
4.1 Расчет методом максимум-минимум
4.2 Вероятностный метод
Список литературы
Введение
Потребность в установлении и принятии правил появилось вместе с возникновением человеческого общества. Письменность, летоисчисления, система отчета, денежные единицы, единицы мер и весов – это первые шаги стандартизации.
Вместе с развитием производства развивалась стандартизация, способствуя в свою очередь более быстрому росту производственных сил. Использование обработанных камней строго определенного размера, позволило сооружать в Древнем Египте пирамиды, имеющие правильную форму. Камни массой нескольких тонн были настолько точно обработаны и так плотно прилегали друг к другу, что между ними и сейчас невозможно просунуть иголку. Стандартизированы были также детали катапульты. При этом размеры всех деталей зависят от одного главного параметра – длины стрелы, метаемой катапультой.
В кораблестроении с 1701 года указами Петра I и Сената были определены образы галер, якорей, предметов корабельного снаряжения и вооружения. Это способствовало более быстрому развитию соответствующих отечественных производств и позволило в короткий срок создать русский флот.
Дореволюционная Россия стандартов не имела. Иностранные фирмы, которым принадлежало множество предприятий, и иностранные специалисты не были заинтересованы в создании русских стандартов.
Кроме того, в России не было единства мер, крайне необходимого для развития стандартизации. В России одновременно действовали три системы мер: дюймовая, метрическая и оригинальная.
Цель дисциплины выработка у будущих инженеров знаний и практических навыков использования и соблюдения требований систем общетехнических стандартов, выполнения точности размеров и метрологического обеспечения при изготовлении, эксплуатации и ремонте сельхоз техники. Поэтому подготовка современного инженера включает освоение широкого цикла вопросов, связанных со стандартизацией, взаимозаменяемостью и техническими измерениями.
1. Развитие международной организации по стандартизации
Международная организация по стандартизации создана в 1946 г. двадцатью пятью нацмональными организациями по стандартизации. Фактически работа ее началась с 1947 г. СССР был одним из основателей организации, постоянным членом руководящих органов. Россия стала членом ИСО как правоприемник распавшегося государства.
При создании организации и выборе ее названия учитывалась необходимость того, чтобы аббревиатура наименования звучала одинаково на всех языках. Для этого было решено использовать греческое слово Международная организация по стандартизации имеет краткое название ISO (ИСО)
Сфера деятельности ИСО касается стандартизации во всех областях, кроме электротехники и электроники, относящихся к компетенции Международной электротехнической комиссии (МЭК). Некоторые виды работ выполняются совместными усилиями этих организаций. Кроме стандартизации ИСО занимается и проблемами сертификации.
ИСО определяет свои задачи следующим образом: содействие развитию стандартизации и смешанных видов деятельности в мире с целью обеспечения международного обмена товарами и услугами, а также развитие сотрудничества в интеллектуальной, научно-технической и экономической областях.
Основные объекты стандартизации и количество стандартов (в процентах от общего числа) характеризуют обширный диапазон интересов организации:
Машиностроение 29
Химия 13
Неметалические материалы 12
Руды и металлы 9
Информационная техника 8
Сельское хозяйство 8
Строительство 4
Специальная техника 3
Охрана здоровья и медицина 3
Основополагающие стандарты 3
Окружающая среда 3
Упаковка и транспортировка товаров 2
Остальные стандарты относятся к здравоохранению и медицине, охране окружающей среды. Вопросы информационной технологии, микропроцессорной техники – это объекты совместных разработок ИСО и МЭК. В последние годы ИСО уделяет много внимания стандартизации систем обеспечения качества.
Практическим результатом усилий в этих направлениях являются разработка и издание международных стандартов. При их разработке ИСО учитывает ожидание всех заинтересованных сторон – производителей продукции (услуг), потребителей, научно-технических и общественных организаций.
На сегодняшний день в состав ИСО входят 220 стран. Россию представляет Госстандарт РФ в качестве комитета – члена ИСО. Всего в составе ИСО более 80 комитетов – членов. Кроме комитетов – членов членство в ИСО может иметь статус членов – корреспондентов. Категория член – абонент введена для развивающихся стран. Комитеты – члены имеют право принимать участие в работе любого технического комитета ИСО, голосовать по проектам стандартов, избираться в состав Совета ИСО. Члены – корреспонденты (их 22) имеют право на получение информации о стандартах.
Сильные национальные организации в странах – членах ИСО являются опорой для ее функционирования, поэтому комитетами – членами принимаются только те организации, которые наилучшим образом отражают положение своей страны в области стандартизации и имеют значительный опыт, что требуется для эффективной работы по международной организации.
Стандартизации услуг в РФ было принято лишь в 1992 г., можно говорить о положительном продвижении в создании юридических основ для разработки требований.
2 Взаимозаменяемость гладких соединений
2.1 Выбор и расчет посадок на все соединения узла по аналогии
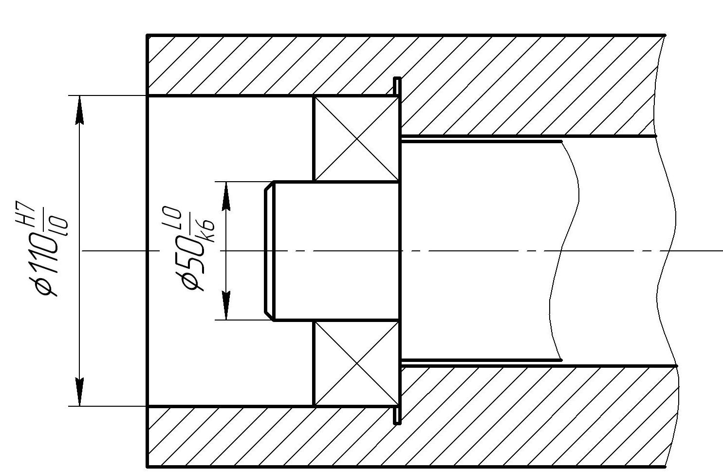
Задание: начертить сборочный чертеж узла, выявить и перечислить все основные соединения (кроме расчетных).
Сборочный чертеж содержит следующие соединения:
а) привертная крышка с отверстием для прохода вала, поз.5 – корпус редуктора, поз.3
б) привертная крышка с отверстием для прохода вала червяка, поз.7 – корпус редуктора, поз.3
в) привертная крышка без отверстия для прохода вала, поз.8 – корпус редуктора, поз.3
г) привертная крышка без отверстия для прохода вала, поз.1 – стакан подшипника качения, поз.2
д) дистанционное кольцо верхнее, поз. 6 – вал, поз. 9
е) дистанционное кольцо нижнее, поз. 4 – вал, поз. 9
ж) стакан подшипника качения, поз.2 – корпус редуктора, поз.6
Анализируя работу соединения крышка с отверстием для прохода вала – корпус редуктора, выбираем поле допуска отверстия Н7, исходя из экономической целесообразности, чтобы уменьшить номенклатуру обрабатывающих инструментов, т.к. мы обрабатываем с этой степенью точности посадочное место под наружное кольцо подшипника. Чтобы ограничить радиальное смещение привертной крышки, поле допуска центрирующей поверхности по стандарту ГОСТ 18512-73 задаем h8[4, с.102] Посадка010009000003fc1500000000d00c00000000d00c000026060f009619574d4643010000000000010040c40000000001000000741900000000000074190000010000006c000000000000000000000072000000280000000000000000000000c30b00003104000020454d4600000100741900000c00000001000000000000000000000000000000900600001a040000b801000013010000000000000000000000000000c0b6060038320400460000002c00000020000000454d462b014001001c000000100000000210c0db01000000600000006000000046000000ec050000e0050000454d462b224004000c000000000000001e4009000c00000000000000244001000c000000000000003040020010000000040000000000803f214007000c0000000000000008400005380500002c0500000210c0db01000000000000000000000000000000000000000100000089504e470d0a1a0a0000000d494844520000006e000000270802000000616eea08000000017352474200aece1ce9000000097048597300000e2600000e2601a2ef25fc000004b4494441546843ed5a3d72ea301076de39602655aa5c0066d272008614a1cd09920bc45c809c20ad29c27000dacce00b50a5ca8cb9076f57d2ea67257e6c64d0e3c50d587fd67eda7fedcd76bbcd7e9f1808fc89b148d26b9493c7d926f20ecb5960c9eb8792a3584e6ec4c30166ed9bd9a31c67469aa6fe227036ff1b94e5a49fad40a9554536fe280d20a1f65151c1c8553e5f7c115be738179ecfa78e0fa6ecbac2a72a468c5ac0011a2540d63ff7cd8c9098c03be167ad484d366e57c795288542763b4f9f82d055aec0dbbef5eaa94c21d0ddf19c66d18ab0643e95ca12b5c24431779a5092de92bb74de2c1d263519510203b1ef257b0f8b9f00a4737b2fc575f3b598dfdf76700a02efb563c7c72d1e4655acfbb40fa35f712e3cbdb7ed76b0547a374dd1465922661242a6dfaa229712ba47481d9a0c57d21cc9655246b53c6be955b26b49336d6495137f9aad59fbc8d2841276ed22a9286720d9ad5cc99d9330c43d4f134a73fec407be9e67d0096a947d3d278a463e92d4959b9fb5058b0069c04d46f931be7f0db924f54c4bbcd1f314a1449360b0c3b7d15dd7a579339bae8be79a16391e6cc1951284d2c54ebc0d1f5c8f383996046c47c7e84ac706183de45a59ae9f76f6daae7340b951b7b43aee5bd070d38713353b2c52f028d66681790592ac3dbd6261136f689f2486a1b89ce191a7e873a58451a3a77031686203bed9a818240ef75ae88bb5239addcb8049e2e04189e4392e1dbcb86d46ccec918caf82407bd0c5c652894450566230beb7868d0c373be532cf72ed6428f5de7b2e46732791d2c818a28f9379c6385bffc44c27622817ccdb34daf2a149f6d7189448ad21b65c2a8f0342d42c32c96293dd3b9ebd39b4f784fb1994d5b7ce8340403f5d732fa47d4a28dffaeffd32282d363987ef264e4e2559d429b5a2d2ceb22883122579fe5d01595ab8914421f72773a850137275ebf19567fbacdfca17b8d941b6cc97a52bdcc0a07ec4d1603b82e761759a8a368e316583559399e2f1be72cfb5bb17f61f77f99556ec11729584f763bbe8e7f35b5a17f260e0c8725ccc8966a190600a33647faf1d0bedf14a5b27bb8d0f84a39d881148934dcba3accbb0fb73024df6b16f0e857566cc31e98cd8bb3862bd1d19144b5c5ca0cf0b2311e0ee324d2883c1b40d5728bc3de284a20fb1d35109e62b41b6c1df041f49dd34d2351f3aa1e483f606b971ab20a5999deca935f3033a0f435d9a902494e824cdc7dde540f809e489a22b45f1ba4815a84b0aba876d06c689b300cb91da548a508ab407583e2c0190fc29e8851bfd6ab8e88a88b2bf2eaaba15022782b67bba3aeb14a144f8d4c50d709f8eb240debbdfaf52dd094cad6282d660ca82456bc1cf2508250aafd289c89ff077339b952278d58f88411b3c4796b1893a0ff9b8456b30df2f315462931e94e2e6d6baabcdfb50bcf2d003f97e874aa83e516824dc525707c0ad53c6a6a30e2bf9594ea66b9615b4157574ffe0020b32dfc90fb85851cbe132366b09eb6a265ff1bbb8f49da19aa28b0c4b3552d23eb1f3ac6da1bca23590f8e5809621fdb999bd2c86efbaaee1024cd4d227833750ceb7283a212e269ee2ed56252174e93b4173c0c1fbae34a39d96c0d6d7ea87cad8ccfdb393095062bf23397003bbae294ebfc3c308fc05b0cbe69011d52e870000000049454e44ae426082000840010824000000180000000210c0db01000000030000000000000000000000000000001b40000040000000340000000100000002000000000000bf000000bf0000dc4200001c42030000000000008000000080ffffe5420000008000000080ffff23422100000008000000620000000c00000001000000150000000c00000004000000150000000c00000004000000510000002412000000000000000000007200000028000000000000000000000000000000000000006e0000002700000050000000c40000001401000010110000000000002000cc007300000029000000280000006e000000270000000100080000000000000000000000000000000000270000000000000000000000ffffff005480c600ffe3a600a6a6c600ffffe30080c6ff00e3a65400a6e3ff0000005400e3ffff000054a600a6540000c6ffff0080008000ffffc60080005400a65454008054a600c68000005454a60054a6e300ffc6800054005400540080000080c60000008000c6805400a6548000a680a6008000000054000000a6e3c600c6e3a600e3ffc600c6a6a60054545400e3c68000e3a6a6000101010101010101010101010101010101010101010101010101010101010101010101010101010101010101010101010101010101010101010101010101010101010101010101010101010101010101010101010101010101010101010101010101010101010101010101010101000001010101010101010101010101010101010101010101010101010101010101010101010101010101010101010101010101010101010101010101010101010101010101010101010101010101010101150000160115070115000016010d1a00000701010115000c05010101010101000001010101010101010101010101010101010101010101010101010101010101010101010101010101010101010101010101010101010101010101010101010101010101061f0301010101010101010d180308100f15070d180308100f0d1c050d0e0f150000000007190c0501010100000101010101010101010101010101010101010101010101010101010101010101010101010101010101010101010101010101010101010101010101010101010101011513010101010101010101010811050a140301010811050a14030101010d1803081b0a1421260108110501010000010101010101010101010101010101010101010101010101010101010101010101010101010101010101010101010101010101010101010101010101010101010108100f010108090000000013010811050a140301010811050a14030a0b00001301010625140301010115070101000001010101010101010101010101010101010101010101010101010101010101010101010101010101010101010101010108100f0108091f0301150000000c050101150701010101010101010101010d0e0f08100f01010d0e0f08100f0a120f010101010102240301010108100f0100000101010101010101010101010101010101010101010101010101010101010101010101010101010101010101010101010d1a16010810222308091601011913010a0b16010101010101010101010101060000070101010106000007010a0b00000c0501010d18030101010a1403010000010101010101010101010101010101010101010101010101010101010101010101010101010101010101010101010101011907010d1803010d1a16010a0b13010a0b160101010101010101010101010101010101010101010101010101010101040501010101010101010a0b1601000001010101010101010101010101010101010101010101010101010101010101010101010101010101010101010101010101151e0f01190701010a0b00000701010a0b160101010101010101010101010101010101010101010101010101010101010101010101010101010a0b160100000101010101010101010101010101010101010101010101010101010101010101010101010101010101010101010101010106001e0f1513010a0b07010d1a16010a0b160101010101010101010101010101010101010101010101010101010101010101010101010101010a1403010000010101010101010101010101010101010101010101010101010101010101010101010101010101010101010101010101010d18211a0007010d1a16010119130101150701010101010101010101010101010101010101010101010101010101010101010101010101010108100f010000010101010101010101010101010101010101010101010101010101010101010101010101010101010101010101010101010a0b16010101010a0b07010d1a07010108110501010101010101010101010101010101010101010101010101010101010101010101010101011507010100000101010101010101010101010101010101010101010101010101010101010101010101010101010101010101010101010101190701010101010d1a00000c05010101150c05010101010101010101010101010101010101010101010101010101010101010101010101060c050101000001010101010a0b16010101010101010101010101010101010101010101010101010101010101010101010101010101010106000c0501010101010101010101010101010817030101010101010101010101010101010101010101010101010101010101010101010119130101010100000101010101010d1a0000001e0f0101010a0b00000000001301010a0b0000000000130101010d1a00000c0501010101010101010101010101010101010101010101010101010101010101010101010101010101010101010101010101010101010101010101010101010101010101000001010101010a0b00160101151f030101010101151f0301010101010101151f03010101010d1a0c050a0b0c0501010101010101010101010101010101010101010101010101010101010101010101010101010101010101010101010101010101010101010101010101010101010100000101010101151e2011050101190c0501010101151f0301010101010101151f03010101011500160101060016010101010101010101010101010101010101010101010101010101010101010101010101010101010101010101010101010101010101010101010101010101010101000001010101011913010203010108170301010101151f0301010101010101151f0301010101191e0f01010d1a070101010101010101010101010101010101010101010101010101010101010101010101010101010101010101010101010101010101010101010101010101010101010000010101010a0b0701061301010d1a0701010101151f0301010101010101151f030101010a0b0c0501010d1a130101010101010101010101010101010101010101010101010101010101010101010101010101010101010101010101010101010101010101010101010101010101010000010101010d1a07010a1403010d1a0701010101151f0301010101010101151f030101010a0b0c0501010a0b0c0501010100000000000000000000000000000000000000000000000000000000000000000000000000000000000000000000000000000000000000000000000000000000010101010a0b0701010607010d1a0701010101151f0301010101010101151f030101010a0b0c0501010a0b0c05010101010101010101010101010101010101010101010101010101010101010101010101010101010101010101010101010101010101010101010101010101010100000101010101191301010d0e0f08091601010101151f0301010101010101151f030101010a0b0c0501010d1a0c05010101010101010101010101010101010101010101010101010101010101010101010101010101010101010101010101010101010101010101010101010101010100000101010101061f0301011507190c0501010101151f0301010101010101151f0301010101191e0f01010d1a1301010101010101010101010101010101010101010101010101061f0301010101010101010101010101010101010101010101010101010101010101010101190c0501000001010101010a0b1e0f010d1a00160101061e0f151f0301010101061e0f151f0301010101061f030101060016010101010101010101010101010101010101010101010101151301010101010101010101010101010101010101010101010101010101010101010101010101081105000001010101010101150000000016010101010d1a001f0301010101010d1a001f03010101010a0b0c050a0b1e0f010101010101010101010101010101010101010101010108100f01010101010101010101010101010101010101010101010101010101010101010101010101011507000001010101010101010101010d180301010101010817030101010101010108170301010101010a0b00001e0f010101010115001f030a0b000c0501010a140301010101011507010101010101010101010101010101010101010101010101010101010101010101010101010101081000000101010101010101010101010101010101010101010101010101010101010101010101010101010101010101010101010a0b070101081703010101010613010101010a0b160101010101010101010101010101010101010101010101010101010101010101010101010101010a14000001010101010101010101010101010101010101010101010101010101010101010101010101010101010101010101010101151301010a0b07010101010a14030101010a0b160101010101010101010101010101010101010101010101010101010101010101010101010101010a0b00000101010101010101010101010101010101010101010101010101010101010101010101010101010101010101010101010108100f01011513010101010106130101010a0b160101010101010101010101010101010101010101010101010101010101010101010101010101010a0b0000010101010101010101010101010101010101010101010101010101010101010101010101010101010101010101010101010d1a000000001e0f010101010a140301010a0b160101010101010101010101010101010101010101010101010101010101010101010101010101010a140000010101010101010101010101010101010101010101010101010101010101010101010101010101010101010101010101010119070101080916010101010106130101011507010101010101010101010101010101010101010101010101010101010101010101010101010101081000000101010101010101010101010101010101010101010101010101010101010101010101010101010101010101010101010101150c05010a0b07010a1d05010a1403010108110501010101010203010101150000160115070115000016010809000007010d1a0000070101010115070000010101010101010101010101010101010101010101010101010101010101010101010101010101010101010101010101010d1a001301060000160a0b0000000013010101150c0501010101020301010d180308100f15070d180308100f081b0108100f0d1c050d0e0f0101060c050000010101010101010101010101010101010101010101010101010101010101010101010101010101010101010101010101010101010101010101010101010101010101010101081703010101020301010811050a140301010811050a14030108090016010101010d180301191301010000010101010101010101010101010101010101010101010101010101010101010101010101010101010101010101010101010101010101010101010101010101010101010101010101080900000000130811050a140301010811050a14030101011516010a0b0000130101010101010000010101010101010101010101010101010101010101010101010101010101010101010101010101010101010101010101010101010101010101010101010101010101010101010101010101020301010d0e0f08100f01010d0e0f08100f081105060c050a120f010101010101010100000101010101010101010101010101010101010101010101010101010101010101010101010101010101010101010101010101010101010101010101010101010101010101010101010101010203010101060000070101010106000007010809000007010a0b00000c050101010101000001010101010101010101010101010101010101010101010101010101010101010101010101010101010101010101010101010101010101010101010101010101010101010101010101010102030101010101010101010101010101010101010101010101010101040501010101010000010101010101010101010101010101010101010101010101010101010101010101010101010101010101010101010101010101010101010101010101010101010101010101010101010101010101010101010101010101010101010101010101010101010101010101010101010100004c0000006400000000000000000000007200000028000000000000000000000073000000290000002900aa0000000000000000000000803f00000000000000000000803f0000000000000000000000000000000000000000000000000000000000000000220000000c000000ffffffff460000001c00000010000000454d462b024000000c000000000000000e000000140000000000000010000000140000000400000003010800050000000b0200000000050000000c0229007300030000001e0004000000070104000400000007010400f7080000410b2000cc0027006e00000000002900730000000000280000006e000000270000000100080000000000000000000000000000000000270000000000000000000000ffffff005480c600ffe3a600a6a6c600ffffe30080c6ff00e3a65400a6e3ff0000005400e3ffff000054a600a6540000c6ffff0080008000ffffc60080005400a65454008054a600c68000005454a60054a6e300ffc6800054005400540080000080c60000008000c6805400a6548000a680a6008000000054000000a6e3c600c6e3a600e3ffc600c6a6a60054545400e3c68000e3a6a6000101010101010101010101010101010101010101010101010101010101010101010101010101010101010101010101010101010101010101010101010101010101010101010101010101010101010101010101010101010101010101010101010101010101010101010101010101000001010101010101010101010101010101010101010101010101010101010101010101010101010101010101010101010101010101010101010101010101010101010101010101010101010101010101150000160115070115000016010d1a00000701010115000c05010101010101000001010101010101010101010101010101010101010101010101010101010101010101010101010101010101010101010101010101010101010101010101010101010101061f0301010101010101010d180308100f15070d180308100f0d1c050d0e0f150000000007190c0501010100000101010101010101010101010101010101010101010101010101010101010101010101010101010101010101010101010101010101010101010101010101010101011513010101010101010101010811050a140301010811050a14030101010d1803081b0a1421260108110501010000010101010101010101010101010101010101010101010101010101010101010101010101010101010101010101010101010101010101010101010101010101010108100f010108090000000013010811050a140301010811050a14030a0b00001301010625140301010115070101000001010101010101010101010101010101010101010101010101010101010101010101010101010101010101010101010108100f0108091f0301150000000c050101150701010101010101010101010d0e0f08100f01010d0e0f08100f0a120f010101010102240301010108100f0100000101010101010101010101010101010101010101010101010101010101010101010101010101010101010101010101010d1a16010810222308091601011913010a0b16010101010101010101010101060000070101010106000007010a0b00000c0501010d18030101010a1403010000010101010101010101010101010101010101010101010101010101010101010101010101010101010101010101010101011907010d1803010d1a16010a0b13010a0b160101010101010101010101010101010101010101010101010101010101040501010101010101010a0b1601000001010101010101010101010101010101010101010101010101010101010101010101010101010101010101010101010101151e0f01190701010a0b00000701010a0b160101010101010101010101010101010101010101010101010101010101010101010101010101010a0b160100000101010101010101010101010101010101010101010101010101010101010101010101010101010101010101010101010106001e0f1513010a0b07010d1a16010a0b160101010101010101010101010101010101010101010101010101010101010101010101010101010a1403010000010101010101010101010101010101010101010101010101010101010101010101010101010101010101010101010101010d18211a0007010d1a16010119130101150701010101010101010101010101010101010101010101010101010101010101010101010101010108100f010000010101010101010101010101010101010101010101010101010101010101010101010101010101010101010101010101010a0b16010101010a0b07010d1a07010108110501010101010101010101010101010101010101010101010101010101010101010101010101011507010100000101010101010101010101010101010101010101010101010101010101010101010101010101010101010101010101010101190701010101010d1a00000c05010101150c05010101010101010101010101010101010101010101010101010101010101010101010101060c050101000001010101010a0b16010101010101010101010101010101010101010101010101010101010101010101010101010101010106000c0501010101010101010101010101010817030101010101010101010101010101010101010101010101010101010101010101010119130101010100000101010101010d1a0000001e0f0101010a0b00000000001301010a0b0000000000130101010d1a00000c0501010101010101010101010101010101010101010101010101010101010101010101010101010101010101010101010101010101010101010101010101010101010101000001010101010a0b00160101151f030101010101151f0301010101010101151f03010101010d1a0c050a0b0c0501010101010101010101010101010101010101010101010101010101010101010101010101010101010101010101010101010101010101010101010101010101010100000101010101151e2011050101190c0501010101151f0301010101010101151f03010101011500160101060016010101010101010101010101010101010101010101010101010101010101010101010101010101010101010101010101010101010101010101010101010101010101000001010101011913010203010108170301010101151f0301010101010101151f0301010101191e0f01010d1a070101010101010101010101010101010101010101010101010101010101010101010101010101010101010101010101010101010101010101010101010101010101010000010101010a0b0701061301010d1a0701010101151f0301010101010101151f030101010a0b0c0501010d1a130101010101010101010101010101010101010101010101010101010101010101010101010101010101010101010101010101010101010101010101010101010101010000010101010d1a07010a1403010d1a0701010101151f0301010101010101151f030101010a0b0c0501010a0b0c0501010100000000000000000000000000000000000000000000000000000000000000000000000000000000000000000000000000000000000000000000000000000000010101010a0b0701010607010d1a0701010101151f0301010101010101151f030101010a0b0c0501010a0b0c05010101010101010101010101010101010101010101010101010101010101010101010101010101010101010101010101010101010101010101010101010101010100000101010101191301010d0e0f08091601010101151f0301010101010101151f030101010a0b0c0501010d1a0c05010101010101010101010101010101010101010101010101010101010101010101010101010101010101010101010101010101010101010101010101010101010100000101010101061f0301011507190c0501010101151f0301010101010101151f0301010101191e0f01010d1a1301010101010101010101010101010101010101010101010101061f0301010101010101010101010101010101010101010101010101010101010101010101190c0501000001010101010a0b1e0f010d1a00160101061e0f151f0301010101061e0f151f0301010101061f030101060016010101010101010101010101010101010101010101010101151301010101010101010101010101010101010101010101010101010101010101010101010101081105000001010101010101150000000016010101010d1a001f0301010101010d1a001f03010101010a0b0c050a0b1e0f010101010101010101010101010101010101010101010108100f01010101010101010101010101010101010101010101010101010101010101010101010101011507000001010101010101010101010d180301010101010817030101010101010108170301010101010a0b00001e0f010101010115001f030a0b000c0501010a140301010101011507010101010101010101010101010101010101010101010101010101010101010101010101010101081000000101010101010101010101010101010101010101010101010101010101010101010101010101010101010101010101010a0b070101081703010101010613010101010a0b160101010101010101010101010101010101010101010101010101010101010101010101010101010a14000001010101010101010101010101010101010101010101010101010101010101010101010101010101010101010101010101151301010a0b07010101010a14030101010a0b160101010101010101010101010101010101010101010101010101010101010101010101010101010a0b00000101010101010101010101010101010101010101010101010101010101010101010101010101010101010101010101010108100f01011513010101010106130101010a0b160101010101010101010101010101010101010101010101010101010101010101010101010101010a0b0000010101010101010101010101010101010101010101010101010101010101010101010101010101010101010101010101010d1a000000001e0f010101010a140301010a0b160101010101010101010101010101010101010101010101010101010101010101010101010101010a140000010101010101010101010101010101010101010101010101010101010101010101010101010101010101010101010101010119070101080916010101010106130101011507010101010101010101010101010101010101010101010101010101010101010101010101010101081000000101010101010101010101010101010101010101010101010101010101010101010101010101010101010101010101010101150c05010a0b07010a1d05010a1403010108110501010101010203010101150000160115070115000016010809000007010d1a0000070101010115070000010101010101010101010101010101010101010101010101010101010101010101010101010101010101010101010101010d1a001301060000160a0b0000000013010101150c0501010101020301010d180308100f15070d180308100f081b0108100f0d1c050d0e0f0101060c050000010101010101010101010101010101010101010101010101010101010101010101010101010101010101010101010101010101010101010101010101010101010101010101081703010101020301010811050a140301010811050a14030108090016010101010d180301191301010000010101010101010101010101010101010101010101010101010101010101010101010101010101010101010101010101010101010101010101010101010101010101010101010101080900000000130811050a140301010811050a14030101011516010a0b0000130101010101010000010101010101010101010101010101010101010101010101010101010101010101010101010101010101010101010101010101010101010101010101010101010101010101010101010101020301010d0e0f08100f01010d0e0f08100f081105060c050a120f010101010101010100000101010101010101010101010101010101010101010101010101010101010101010101010101010101010101010101010101010101010101010101010101010101010101010101010101010203010101060000070101010106000007010809000007010a0b00000c050101010101000001010101010101010101010101010101010101010101010101010101010101010101010101010101010101010101010101010101010101010101010101010101010101010101010101010102030101010101010101010101010101010101010101010101010101040501010101010000010101010101010101010101010101010101010101010101010101010101010101010101010101010101010101010101010101010101010101010101010101010101010101010101010101010101010101010101010101010101010101010101010101010101010101010101010100000c00000040092900aa000000000000002900730000000000040000002701ffff030000000000
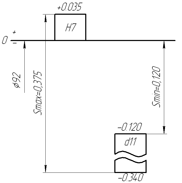
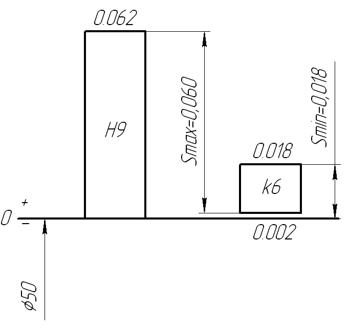
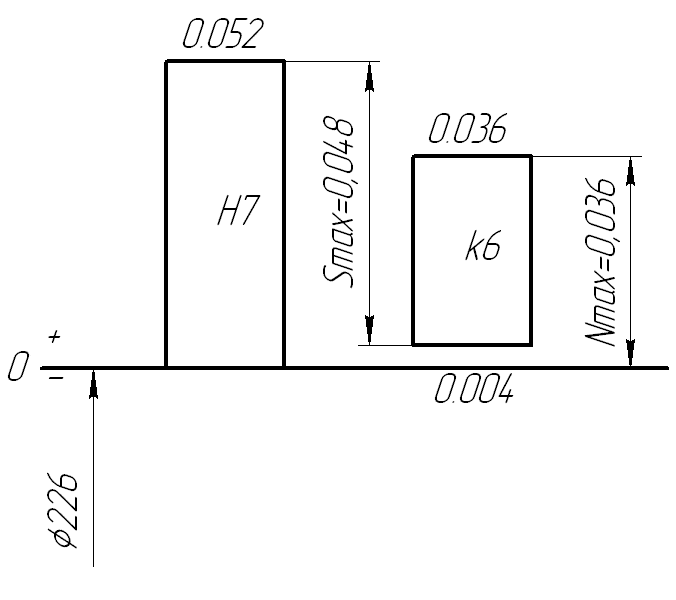
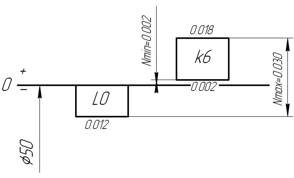
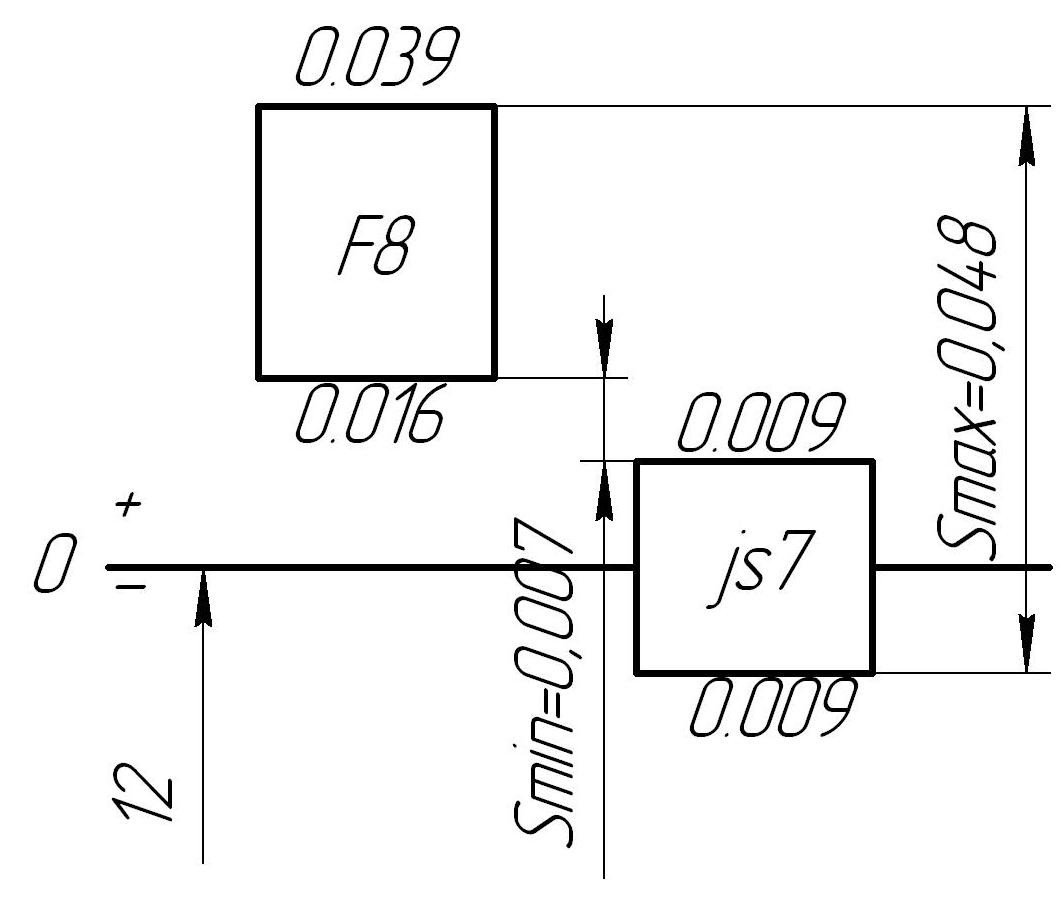
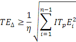
Определим предельные размеры и натяги


010009000003561900000000540e00000000540e000026060f009e1c574d464301000000000001000c4900000000010000007c1c0000000000007c1c0000010000006c000000000000000000000003010000150000000000000000000000991a00003f02000020454d46000001007c1c00000c00000001000000000000000000000000000000900600001a040000b801000013010000000000000000000000000000c0b6060038320400460000002c00000020000000454d462b014001001c000000100000000210c0db01000000600000006000000046000000480500003c050000454d462b224004000c000000000000001e4009000c00000000000000244001000c000000000000003040020010000000040000000000803f214007000c000000000000000840000594040000880400000210c0db01000000000000000000000000000000000000000100000089504e470d0a1a0a0000000d49484452000000f90000001508020000000babdf3e000000017352474200aece1ce9000000097048597300000e2600000e2601a2ef25fc0000040e494441546843ed5a4d6eea301036ef1c44eaaa2b2e0052b71c00d105d9f604ed050817e83bc1db9245a31e806da5e402ac585522f7c89bb19dc40e717e8c1d8870a4aa063b9399cfe3996f264cb22c23ee72083c00027f1ec04667a243001170beeefce05110a8f5f56437a1d72e191b0ce3d57c6c488f50df5a5f9f6fb3382064fdec8dcda2f16aae463a0d5f27af61aa58a09cc589fc321eb4ac0a972d3567be82c3a4bf4742664fd3b1f93a215d3547088dbb8069b8689af2fca85e6ec32c58e7f9647f86ce4376deaf8345275b3b62a2275c031bc3e62b7cfd7c8a48b09c6be877eb5bc6ab790539dce8c392ba6a0da62db3fffc68bdffbba1b16abaf980241d1c4c11d2c4a6f0c2540be60bbe9e735de0e92184f5113118db9a2b3376f960f3e50dd0b16cab8c368db3c9019c5bc8caf3a54167b72abc3cd516cce7be8ebbb938b29c97c5c487b4391206635d73f067cf9fc59c0d08f111260ac8ea83ef8d721ca57197a1eaf8abe2fc7df4b42abc8f22cab54a0da9afa7e1bb90f388f70c597360062347c8a2a82a068ae2ccb6e67092164110d70558a93098beacd6aa44a8699a917de742e88edaba9a84df81ed6036d7107d1d0918093e18bb830b29efd00c065356d3f55568276e592fcd65dcb1e283924db86a8e13a3a66f8c49243bb8a7f844a64f3381054f375ff52a12a2679a2dcf94e56a60d24bb1bbb21d7c9d0628218c77ed64f432dacae27e9acbb823eb80802d5c97be4ae547bec70ec482c07261d17ccb3a1c0d0d412b566b08c5e8554b4afb6372f974a5700d45eddcc235045faf84f1f4e7fb063d18ad64675b732a9f173170282e2a4508e6d826c1d3d0d0bed432ed9a4da719273a9d65198632753fe183db0e362b35acf61c29011e9cc19848f403689e863bfe4e07783cf76ef0779a22d42dbde1f3382bb84a8daaad936b0e12afe63a0a1fdef69c9ed7980fbe8ec8f02890ecdec92a6050c076228365fd361cf1332a0ca568261de13cccb12fd9273a56bf00d4d88066cd3504566e11e4533cbcd392970d10f14b306f51df341ac73bea9fec60a6e16700e989571d57a36255f8d5daa100a586b4c9c8dd9b1158fe8926ef38807fbca18693956191e0e94f0a8ad77439118eb185c1883152db18c4c914b9b91eed30abd6bcede64bbe5e7b47f10091cc0888d1cd11784edb637bccd7f5314bf89a67c54dedae5f474cf484f7b09c2e356f3ee9a002ee37075918822ef91e4b18c11279efa9d276dca183f26e89438023d0e137bdc0f6f20c888d09deb1c11296bf6ec26151f9e0ead58bf8431a9ae2e5af8ca42a27c421d00b81765f47ff169c5a70751896d55acef11701ae4ec330c13f24e987651c44df3f48fdf3d2ae978a6eb143c00c026d190e19484e40447ac2882c9b29a8157c2cbfa723c67dc4c56d0f74f30e013b084c40ac9943e3a43804ee1b81ffca59fc34e12ef9660000000049454e44ae4260820000000840010824000000180000000210c0db01000000030000000000000000000000000000001b40000040000000340000000100000002000000000000bf000000bf000079430000a841030000000000008000000080ffff81430000008000000080ffffaf412100000008000000620000000c00000001000000150000000c00000004000000150000000c0000000400000051000000d01500000000000000000000030100001500000000000000000000000000000000000000f90000001500000050000000d400000024010000ac140000000000002000cc00040100001600000028000000f90000001500000001000800000000000000000000000000000000002b0000000000000000000000ffffff00c6ffff0000008000c6800000e3a65400a6e3ff0054005400ffe3a600e3ffff000054a60080000000ffffc60000005400ffc6800054000000a6540000ffffe30080c6ff0054a6e30054a6a6000080c60080a6e300c6805400a6a65400a6545400e3ffe300c6ffe3005480c600e3e3a600c680800080005400a6e3c60054008000e3ffc600a680a600a6e3e300c6a6a600a6a6e300c6ffc6008000800080c6c600c6e3a60001010101010101010101010101010101010101010101010101010101010101010101010101010101010101010101010101010101010101010101010101010101010101010101010101010101010101010101010101010101010101010101010101010101010101010101010101010101010101010101010101010101010101010101010101010101010101010101010101010101010101010101010101010101010101010101010101010101010101010101010101010101010101010101010101010101010101010101010101010101010101010101010101010101010101010101010101010101010101010101010101010101010101010100000001010101010101010101090a05010221080102030f08090a000f2a030f08150b0c02030f0801010101010101010101010101010101010101010101010101010101010101010101010101010101010101010101010101010101010101010101010101010101010101010101010101010101010101010101010101010101010101010101010101010101010101010101010101010101010101010101010101010101010101010101010101010101010101010101010101010101010101010101010101010101010101010101010101010101010101010101010101010101010101010101010101010101010101010101010101010101010101010000000101010101010101010101130401090a0e01061f2223240708090a0b222526272829101a231101010101010101010101010101010101010101010101010101010101010101010101010101010101010101010101010101010101010101010101010101010101010101010101010101010101010101010101010101010101010101010101010101010101010101010101010101010101010101010101010101010101010101010101010101010101010101010101010101010101010101010101010101010101010101010101010101010101010101010101010101010101010101010101010101010101010101010101010101010101010101000000010101010101010101010112101101130401090a0e010607080102210801010102030501010101010101010101010101010101010101010101010101010101010101010101010101010101010101010101010101010101010101010101010101010101010101010101010101010101010101010101010101010101010101010101010101010101010101010101010101010101010101010101010101010101010101010101010101010101010101010101010101010101010101010101010101010101010101010101010101010101010101010101010101010101010101010101010101010101010101010101010101010101010101010101000000010101010101010101010102030e01120b0c01130501090a0e01011505010101090a1011010101010101010101010101010101010101010101010101010101010101010101010101010101010101010101010101010101010101010101010101010101010101010101010101010101010101010101010101010101010101010101010101010101010101010101010101010101010101010101010101010101010101010101010101010101010101010101010101010101010101010101010101010101010101010101010101010101010101010101010101010101010101010101010101010101010101010101010101010101010101010101000000011200000401150010111c1d0a000e060d0b0c13101101120f0801130401021e061f2017120e0101010101010101010101010101010101010101010101010112000004011500101101010101010101010101090a0e010101010101010101010203000005010101120000000005010101010101010101010101010101010101010101010101010101090a0000000000040101090a0000000000040101010203000010110101010101010101010101090a0e0101010101010101010101020300001011010101010101010101010101010101010101010101010101010101090a0000000000040101090a00000000000401010102030000101101000000090a04011218030506191a0a0f081500101b030004010101120000000b0c0112000401120005010101010101010101010101010101010101010101010101090a040112180305061911010101010101010101090a0e010101010101010101090a04010113040101120b0c010203050101010101010101010101010101010101010101010101010101010101130f0801010101010101130f080101010102031011090a101101010101010101010101090a0e0101010101010101010102031011090a10110101010101010101010101010101010101010101010101010101010101130f0801010101010101130f080101010102031011090a101100000002030501011300050101010101010101010101010101010101010101010101010101010101010101010101010101010101010101010101010101010101010203050101130005010101010101010101010101090a0e01010101010101010102030501010116080106170101090a040101010101010101010101010101010101010101010101010101010101130f0801010101010101130f080101010113000e010112000e01010101010101010101090a0e0101010101010101010113000e010112000e0101010101010101010101010101010101010101010101010101010101130f0801010101010101130f080101010113000e010112000e0000000203050101090a0401010101010101010101010101010101010101010101010101010101010101010101010101150000000000000000000f0801010101010203050101090a04010101010101010101010101090a0e010101010101010101020305010101010101010101090a000e0101010101010101150000000000000000000f08010101010101010101130f0801010101010101130f0801010101150b0c010102030501010101010101010101090a0e01010101010101010101150b0c010102030501010101010101150000000000000000000f0801010101010101010101130f0801010101010101130f0801010101150b0c0101020305000000090a04010101130b0c0101010101010101010101010101010101010101010101010101010101010101010101010101010101010101010101010101010101090a04010101130b0c0101010101010101010101090a0e010101010101010101090a0000000b0c01010101060d0f08010101010101010101010101010101010101010101010101010101010101130f0801010101010101130f08010101090a1011010102030401010101010101010101090a0e010101010101010101090a101101010203040101010101010101010101010101010101010101010101010101010101130f0801010101010101130f08010101090a1011010102030400000001150b0c0101120f08010101010101010101010101010101010101010101010101010101010101010101010101010101010101010101010101010101010101150b0c0101120f0801010101010101150000000000000000000f0801010101011510110112000501010203040101010101010101010101010101010101010101010101010101010101010101130f0801010101010101130f08010101090a10110101090a10110101010101150000000000000000000f0801010101090a10110101090a101101010101010101010101010101010101010101010101010101010101130f0801010101010101130f08010101090a10110101090a1000000001060d050101060d0e010101010101010101010101010101010101010101010101010101010101010101010101150000000000000000000f08010101010101060d050101060d0e0101010101010101010101090a0e01010101010101010101060d0e0101130b0c01060d0e0101130501010101010101150000000000000000000f08010101010101010101130f0801010101010101130f08010101090a10110101090a1011010101010101010101090a0e010101010101010101090a10110101090a1011010101010101150000000000000000000f0801010101010101010101130f0801010101010101130f08010101090a10110101090a100000000101130f080112000401010101010101010101010101010101010101010101010101010101010101010101010101010101010101010101010101010101010101130f08011200040101010101010101010101090a0e010101010101010101010112000e01130b0c0102030501090a0401010101010101010101010101010101010101010101010101010101130f0801010101010101130f08010101090a1011010102031011010101010101010101090a0e010101010101010101090a101101010203101101010101010101010101010101010101010101010101010101010101130f0801010101010101130f08010101090a101101010203100000000101011200000b141011010101010101010101010101010101010101010101010101010101010101010101010101010101010101010101010101010101010101011200000b14101101010101010101010101090a0e010101010101010101010101060d00000401010102030000000401010101010101010101010101010101010101010101010101010101130f0801010101010101130f0801010101150b0c010102030401010101010101010101090a0e01010101010101010101150b0c01010203040101010101010101010101010101010101010101010101010101010101130f0801010101010101130f0801010101150b0c010102030400000001010101010101120b0c0101010101010101010101010101010101010101010101010101010101010101010101010101010101010101010101010101010101010101010101120b0c01010101010101010101090a0e010101010101010101010101010101010101010101010101010101010101010101010101010101010101010101010101010101120b0c130f0801010101120b0c130f0801010101120f08010112000e01010101010101010101090a0e01010101010101010101120f08010112000e0101010101010101010101010101010101010101010101010101120b0c130f0801010101120b0c130f0801010101120f08010112000e00000001010101010101060d0e0101010101010101010101010101010101010101010101010101010101010101010101010101010101010101010101010101010101010101010101060d0e01010101010101010101090a0e010101010101010101010101010101010101010101010101010101010101010101010101010101010101010101010101010101010203000f0801010101010203000f0801010101090a1011090a0b0c01010101010101010101090a0e01010101010101010101090a1011090a0b0c0101010101010101010101010101010101010101010101010101010203000f0801010101010203000f0801010101090a1011090a0b0c00000001010101010101020305010101010101010101010101010101010101010101010101010101010101010101010101010101010101010101010101010101010101010101010102030501010101010101010101010101010101010101010101010101010101010101010101010101010101010101010101010101010101010101010101010101010101010101060708010101010101010607080101010101090a00000b0c01010101010101010101010101010101010101010101010101090a00000b0c010101010101010101010101010101010101010101010101010101010101060708010101010101010607080101010101090a00000b0c010000000101010101010203000401010101010101010101010101010101010101010101010101010101010101010101010101010101010101010101010101010101010101010101020300040101010101010101010101010101010101010101010101010101010101010101010101010101010101010101010101010101010101010101010101010101010101010101010101010101010101010101010101010101010101010101010101010101010101010101010101010101010101010101010101010101010101010101010101010101010101010101010101010101010101010101010101010101010101010101010101010101010101010101010000000101010101010101010101010101010101010101010101010101010101010101010101010101010101010101010101010101010101010101010101010101010101010101010101010101010101010101010101010101010101010101010101010101010101010101010101010101010101010101010101010101010101010101010101010101010101010101010101010101010101010101010101010101010101010101010101010101010101010101010101010101010101010101010101010101010101010101010101010101010101010101010101010101010101010101010101010101010101010101010101010101010101010101010000000101010101010101010101010101010101010101010101010101010101010101010101010101010101010101010101010101010101010101010101010101010101010101010101010101010101010101010101010101010101010101010101010101010101010101010101010101010101010101010101010101010101010101010101010101010101010101010101010101010101010101010101010101010101010101010101010101010101010101010101010101010101010101010101010101010101010101010101010101010101010101010101010101010101010101010101010101010101010101010101010101010101010101010000000101010101010101010101010101010101010101010101010101010101010101010101010101010101010101010101010101010101010101010101010101010101010101010101010101010101010101010101010101010101010101010101010101010101010101010101010101010101010101010101010101010101010101010101010101010101010101010101010101010101010101010101010101010101010101010101010101010101010101010101010101010101010101010101010101010101010101010101010101010101010101010101010101010101010101010101010101010101010101010101010101010101010101010000004c0000006400000000000000000000000301000015000000000000000000000004010000160000002900aa0000000000000000000000803f00000000000000000000803f0000000000000000000000000000000000000000000000000000000000000000220000000c000000ffffffff460000001c00000010000000454d462b024000000c000000000000000e000000140000000000000010000000140000000400000003010800050000000b0200000000050000000c0216000401030000001e0004000000070104000400000007010400cd0a0000410b2000cc001500f90000000000160004010000000028000000f90000001500000001000800000000000000000000000000000000002b0000000000000000000000ffffff00c6ffff0000008000c6800000e3a65400a6e3ff0054005400ffe3a600e3ffff000054a60080000000ffffc60000005400ffc6800054000000a6540000ffffe30080c6ff0054a6e30054a6a6000080c60080a6e300c6805400a6a65400a6545400e3ffe300c6ffe3005480c600e3e3a600c680800080005400a6e3c60054008000e3ffc600a680a600a6e3e300c6a6a600a6a6e300c6ffc6008000800080c6c600c6e3a60001010101010101010101010101010101010101010101010101010101010101010101010101010101010101010101010101010101010101010101010101010101010101010101010101010101010101010101010101010101010101010101010101010101010101010101010101010101010101010101010101010101010101010101010101010101010101010101010101010101010101010101010101010101010101010101010101010101010101010101010101010101010101010101010101010101010101010101010101010101010101010101010101010101010101010101010101010101010101010101010101010101010101010100000001010101010101010101090a05010221080102030f08090a000f2a030f08150b0c02030f0801010101010101010101010101010101010101010101010101010101010101010101010101010101010101010101010101010101010101010101010101010101010101010101010101010101010101010101010101010101010101010101010101010101010101010101010101010101010101010101010101010101010101010101010101010101010101010101010101010101010101010101010101010101010101010101010101010101010101010101010101010101010101010101010101010101010101010101010101010101010101010000000101010101010101010101130401090a0e01061f2223240708090a0b222526272829101a231101010101010101010101010101010101010101010101010101010101010101010101010101010101010101010101010101010101010101010101010101010101010101010101010101010101010101010101010101010101010101010101010101010101010101010101010101010101010101010101010101010101010101010101010101010101010101010101010101010101010101010101010101010101010101010101010101010101010101010101010101010101010101010101010101010101010101010101010101010101010101000000010101010101010101010112101101130401090a0e010607080102210801010102030501010101010101010101010101010101010101010101010101010101010101010101010101010101010101010101010101010101010101010101010101010101010101010101010101010101010101010101010101010101010101010101010101010101010101010101010101010101010101010101010101010101010101010101010101010101010101010101010101010101010101010101010101010101010101010101010101010101010101010101010101010101010101010101010101010101010101010101010101010101010101010101000000010101010101010101010102030e01120b0c01130501090a0e01011505010101090a1011010101010101010101010101010101010101010101010101010101010101010101010101010101010101010101010101010101010101010101010101010101010101010101010101010101010101010101010101010101010101010101010101010101010101010101010101010101010101010101010101010101010101010101010101010101010101010101010101010101010101010101010101010101010101010101010101010101010101010101010101010101010101010101010101010101010101010101010101010101010101010101000000011200000401150010111c1d0a000e060d0b0c13101101120f0801130401021e061f2017120e0101010101010101010101010101010101010101010101010112000004011500101101010101010101010101090a0e010101010101010101010203000005010101120000000005010101010101010101010101010101010101010101010101010101090a0000000000040101090a0000000000040101010203000010110101010101010101010101090a0e0101010101010101010101020300001011010101010101010101010101010101010101010101010101010101090a0000000000040101090a00000000000401010102030000101101000000090a04011218030506191a0a0f081500101b030004010101120000000b0c0112000401120005010101010101010101010101010101010101010101010101090a040112180305061911010101010101010101090a0e010101010101010101090a04010113040101120b0c010203050101010101010101010101010101010101010101010101010101010101130f0801010101010101130f080101010102031011090a101101010101010101010101090a0e0101010101010101010102031011090a10110101010101010101010101010101010101010101010101010101010101130f0801010101010101130f080101010102031011090a101100000002030501011300050101010101010101010101010101010101010101010101010101010101010101010101010101010101010101010101010101010101010203050101130005010101010101010101010101090a0e01010101010101010102030501010116080106170101090a040101010101010101010101010101010101010101010101010101010101130f0801010101010101130f080101010113000e010112000e01010101010101010101090a0e0101010101010101010113000e010112000e0101010101010101010101010101010101010101010101010101010101130f0801010101010101130f080101010113000e010112000e0000000203050101090a0401010101010101010101010101010101010101010101010101010101010101010101010101150000000000000000000f0801010101010203050101090a04010101010101010101010101090a0e010101010101010101020305010101010101010101090a000e0101010101010101150000000000000000000f08010101010101010101130f0801010101010101130f0801010101150b0c010102030501010101010101010101090a0e01010101010101010101150b0c010102030501010101010101150000000000000000000f0801010101010101010101130f0801010101010101130f0801010101150b0c0101020305000000090a04010101130b0c0101010101010101010101010101010101010101010101010101010101010101010101010101010101010101010101010101010101090a04010101130b0c0101010101010101010101090a0e010101010101010101090a0000000b0c01010101060d0f08010101010101010101010101010101010101010101010101010101010101130f0801010101010101130f08010101090a1011010102030401010101010101010101090a0e010101010101010101090a101101010203040101010101010101010101010101010101010101010101010101010101130f0801010101010101130f08010101090a1011010102030400000001150b0c0101120f08010101010101010101010101010101010101010101010101010101010101010101010101010101010101010101010101010101010101150b0c0101120f0801010101010101150000000000000000000f0801010101011510110112000501010203040101010101010101010101010101010101010101010101010101010101010101130f0801010101010101130f08010101090a10110101090a10110101010101150000000000000000000f0801010101090a10110101090a101101010101010101010101010101010101010101010101010101010101130f0801010101010101130f08010101090a10110101090a1000000001060d050101060d0e010101010101010101010101010101010101010101010101010101010101010101010101150000000000000000000f08010101010101060d050101060d0e0101010101010101010101090a0e01010101010101010101060d0e0101130b0c01060d0e0101130501010101010101150000000000000000000f08010101010101010101130f0801010101010101130f08010101090a10110101090a1011010101010101010101090a0e010101010101010101090a10110101090a1011010101010101150000000000000000000f0801010101010101010101130f0801010101010101130f08010101090a10110101090a100000000101130f080112000401010101010101010101010101010101010101010101010101010101010101010101010101010101010101010101010101010101010101130f08011200040101010101010101010101090a0e010101010101010101010112000e01130b0c0102030501090a0401010101010101010101010101010101010101010101010101010101130f0801010101010101130f08010101090a1011010102031011010101010101010101090a0e010101010101010101090a101101010203101101010101010101010101010101010101010101010101010101010101130f0801010101010101130f08010101090a101101010203100000000101011200000b141011010101010101010101010101010101010101010101010101010101010101010101010101010101010101010101010101010101010101011200000b14101101010101010101010101090a0e010101010101010101010101060d00000401010102030000000401010101010101010101010101010101010101010101010101010101130f0801010101010101130f0801010101150b0c010102030401010101010101010101090a0e01010101010101010101150b0c01010203040101010101010101010101010101010101010101010101010101010101130f0801010101010101130f0801010101150b0c010102030400000001010101010101120b0c0101010101010101010101010101010101010101010101010101010101010101010101010101010101010101010101010101010101010101010101120b0c01010101010101010101090a0e010101010101010101010101010101010101010101010101010101010101010101010101010101010101010101010101010101120b0c130f0801010101120b0c130f0801010101120f08010112000e01010101010101010101090a0e01010101010101010101120f08010112000e0101010101010101010101010101010101010101010101010101120b0c130f0801010101120b0c130f0801010101120f08010112000e00000001010101010101060d0e0101010101010101010101010101010101010101010101010101010101010101010101010101010101010101010101010101010101010101010101060d0e01010101010101010101090a0e010101010101010101010101010101010101010101010101010101010101010101010101010101010101010101010101010101010203000f0801010101010203000f0801010101090a1011090a0b0c01010101010101010101090a0e01010101010101010101090a1011090a0b0c0101010101010101010101010101010101010101010101010101010203000f0801010101010203000f0801010101090a1011090a0b0c00000001010101010101020305010101010101010101010101010101010101010101010101010101010101010101010101010101010101010101010101010101010101010101010102030501010101010101010101010101010101010101010101010101010101010101010101010101010101010101010101010101010101010101010101010101010101010101060708010101010101010607080101010101090a00000b0c01010101010101010101010101010101010101010101010101090a00000b0c010101010101010101010101010101010101010101010101010101010101060708010101010101010607080101010101090a00000b0c010000000101010101010203000401010101010101010101010101010101010101010101010101010101010101010101010101010101010101010101010101010101010101010101020300040101010101010101010101010101010101010101010101010101010101010101010101010101010101010101010101010101010101010101010101010101010101010101010101010101010101010101010101010101010101010101010101010101010101010101010101010101010101010101010101010101010101010101010101010101010101010101010101010101010101010101010101010101010101010101010101010101010101010101010000000101010101010101010101010101010101010101010101010101010101010101010101010101010101010101010101010101010101010101010101010101010101010101010101010101010101010101010101010101010101010101010101010101010101010101010101010101010101010101010101010101010101010101010101010101010101010101010101010101010101010101010101010101010101010101010101010101010101010101010101010101010101010101010101010101010101010101010101010101010101010101010101010101010101010101010101010101010101010101010101010101010101010101010000000101010101010101010101010101010101010101010101010101010101010101010101010101010101010101010101010101010101010101010101010101010101010101010101010101010101010101010101010101010101010101010101010101010101010101010101010101010101010101010101010101010101010101010101010101010101010101010101010101010101010101010101010101010101010101010101010101010101010101010101010101010101010101010101010101010101010101010101010101010101010101010101010101010101010101010101010101010101010101010101010101010101010101010000000101010101010101010101010101010101010101010101010101010101010101010101010101010101010101010101010101010101010101010101010101010101010101010101010101010101010101010101010101010101010101010101010101010101010101010101010101010101010101010101010101010101010101010101010101010101010101010101010101010101010101010101010101010101010101010101010101010101010101010101010101010101010101010101010101010101010101010101010101010101010101010101010101010101010101010101010101010101010101010101010101010101010101010000000c00000040092900aa000000000000001600040100000000040000002701ffff030000000000



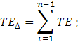
Масштаб: 1мм=1мкм

Рисунок 2.1.1 – Схема расположения полей допусков соединения 0100090000035a15000000007c0c000000007c0c000026060f00ee18574d46430100000000000100473c0000000001000000cc18000000000000cc180000010000006c00000000000000000000006e0000002800000000000000000000005a0b00003104000020454d4600000100cc1800000c00000001000000000000000000000000000000900600001a040000b801000013010000000000000000000000000000c0b6060038320400460000002c00000020000000454d462b014001001c000000100000000210c0db01000000600000006000000046000000e0050000d4050000454d462b224004000c000000000000001e4009000c00000000000000244001000c000000000000003040020010000000040000000000803f214007000c00000000000000084000052c050000200500000210c0db01000000000000000000000000000000000000000100000089504e470d0a1a0a0000000d494844520000006a00000027080200000068854a72000000017352474200aece1ce9000000097048597300000e2600000e2601a2ef25fc000004a6494441546843ed5a3d52eb301036ef1cc90c15151748666873804c2848cb09e00238170827a0750a3239405a66e20bb8a262c6b947deee4a2bad64e5c78e1df478b801fd66f7d3fe6a75b5dbed92dfaf29027f9a2e8c7a5d3ebb5f6c5ba6305f04b6fc99f0f9c8e5b32bfa7c50bdfeede25ecdb3336dd77015388fff01be7c364c3660a4ca2c99bee5168450ff242b61e6265dae3e587c535c0bdffb43af0aa01afa215f994d3c0e8177e854a088ffdc969da1708036632676e42e89d58f903ed430d2cbdec33b31b7493560bb97413d1348cada9f2e7915ef085ba67365fc50e3675a88e3818fed90a2cc69099ba42c13530f1371ec29790dab1681d0bbbe55aab8fd582d6faf7bb804c1aef4e3c0db351e40991543a6c3da4b5c0bdfe065b71badb51d8d476d514f586848814cabcc52a57d0714d0e1c34a1faf51d2a4f4cfe8aad14cad97425399904dca726849137424f1c00794bae8696e3d6064af6fb42ec90c629dc6039f3d673eefaaadf6e0220eb45fbc2472560fa2b17ddbaf424041c08c7cb39fbf4d6f9f43e1433df7d0deec652cf0a159b778616b72d377f9dc2ee645f658d393b6075570a748e073f1a2d6f8ce8d52a3133dc073b2cff63976dcda15d73bfaf666efa80c6703c68a8795e7705b4187cb3f1c91ebf022f60a97c6b47b1e5cb172609436b671bf891fda30f6dfe73cd4c929e953d019c434161641ecc09644c2727f7c54204e7bb7e82ebf0740167b820f5972422e68b87d5685e44c4f7e82e056e06a1bbf0afd6d48f5a13d2432e83af2759aa42620d0267af0984d96ce0545232786f1485271a249f1d5e6751ca651c1fb9046241f5b247f0de0430e2d83f95a47079012262db34984f56ffc5b9163f4463c0ef0959fe67e0192e679e1470cdd53cf7794ffde5f804f88c325622b3a2d7d79a14fa66b6bd5ddfe001f6ae9f2b3242328c27ad2e9b325914c80da5d7c5563d8bd8877f20be83a50fcd275ee2a2e086235f26f4002c936ecce4bd14f79c2d760d7689688b8cf8663e1f86e5fdc277280505843918a0c9b837177770ad6e5ce2669f3ee8bbcc0b65a4490b1efe15199931c881abbe4b2b3bd6dd6d16226d0845a757c7505f3700ede848e6301b30b533cd7a598fb84d0136ae10e5f163a86d5a5321ef882c9ab8428945ab62d5fa7ec27af7922b9ef03bd857810e2195d61e3f21606891c230e46a90d81e04a30393baa6ae6bf7b7763536e8f063e0c6896d3fe7a44fe9d23450c7b383fa6d45c5fe073cdb1190067ae02fc269aa858e0a3ab0530cb58d65672483c4295ba1caffa94cd0d8bacac5bf53e13a8fdcbf5f9c6021f42a60b19206526db015dee7f3e2b8b44388a027967d024c1c754c19f8b043e544c6de3500ee1dfed6291d36590f928ff6bf09df8bc8ade2ba8cf7d4c05ebabcfddb47ac4011f5529455d321dc2c38bbb01e8ee2bbcd6193257567b85f93902689de75526ed129787f96c5e78376cd2f09ee2aa639ce3c539d5c4c77b9071fc7995d842942dd28d5f8f8a3370a9a9962898fc8e47f918ef906b7b99ca632ad0e6f588b7617bb85d3cadc6afa6561fa3649d4e53b022e32ce72c81a59565c7ef17afda60c8d4c5eca106eb3ff1641da763566fa6d1c923cfab6cadd5c91df5f23dc9f815d052536d7ea75b04fe0290e527504d992abc0000000049454e44ae4260820000000840010824000000180000000210c0db01000000030000000000000000000000000000001b40000040000000340000000100000002000000000000bf000000bf0000d44200001c42030000000000008000000080feffdd420000008000000080feff23422100000008000000620000000c00000001000000150000000c00000004000000150000000c00000004000000510000008811000000000000000000006e00000028000000000000000000000000000000000000006a0000002700000050000000c40000001401000074100000000000002000cc006f00000029000000280000006a000000270000000100080000000000000000000000000000000000270000000000000000000000ffffff005480c600ffe3a600a6a6c600ffffe30080c6ff00e3a65400a6e3ff0000005400e3ffff000054a600a6540000c6ffff0080008000ffffc60080005400a65454008054a600c68000005454a60054a6e300ffc6800054005400540080000080c60000008000c6805400a6548000a680a6008000000054000000a6e3c600c6e3a600e3ffc600c6a6a60054545400e3c68000e3a6a600010101010101010101010101010101010101010101010101010101010101010101010101010101010101010101010101010101010101010101010101010101010101010101010101010101010101010101010101010101010101010101010101010101010101010101010000010101010101010101010101010101010101010101010101010101010101010101010101010101010101010101010101010101010101010101010101010101010101010101010101010101150000160115070115000016010d1a00000701010115000c050101010101010000010101010101010101010101010101010101010101010101010101010101010101010101010101010101010101010101010101010101010101010101010101061f0301010101010101010d180308100f15070d180308100f0d1c050d0e0f150000000007190c05010101000001010101010101010101010101010101010101010101010101010101010101010101010101010101010101010101010101010101010101010101010101011513010101010101010101010811050a140301010811050a14030101010d1803081b0a14212601081105010100000101010101010101010101010101010101010101010101010101010101010101010101010101010101010101010101010101010101010101010101010108100f010108090000000013010811050a140301010811050a14030a0b000013010106251403010101150701010000010101010101010101010101010101010101010101010101010101010101010101010101010101010101010108100f0108091f0301150000000c050101150701010101010101010101010d0e0f08100f01010d0e0f08100f0a120f010101010102240301010108100f01000001010101010101010101010101010101010101010101010101010101010101010101010101010101010101010d1a16010810222308091601011913010a0b16010101010101010101010101060000070101010106000007010a0b00000c0501010d18030101010a14030100000101010101010101010101010101010101010101010101010101010101010101010101010101010101010101011907010d1803010d1a16010a0b13010a0b160101010101010101010101010101010101010101010101010101010101040501010101010101010a0b16010000010101010101010101010101010101010101010101010101010101010101010101010101010101010101010101151e0f01190701010a0b00000701010a0b160101010101010101010101010101010101010101010101010101010101010101010101010101010a0b1601000001010101010101010101010101010101010101010101010101010101010101010101010101010101010101010106001e0f1513010a0b07010d1a16010a0b160101010101010101010101010101010101010101010101010101010101010101010101010101010a14030100000101010101010101010101010101010101010101010101010101010101010101010101010101010101010101010d18211a0007010d1a16010119130101150701010101010101010101010101010101010101010101010101010101010101010101010101010108100f0100000101010101010101010101010101010101010101010101010101010101010101010101010101010101010101010a0b16010101010a0b07010d1a070101081105010101010101010101010101010101010101010101010101010101010101010101010101010115070101000001010101010101010101010101010101010101010101010101010101010101010101010101010101010101010101190701010101010d1a00000c05010101150c05010101010101010101010101010101010101010101010101010101010101010101010101060c0501010000010a0b16010101010101010101010101010101010101010101010101010101010101010101010101010101010106000c05010101010101010101010101010108170301010101010101010101010101010101010101010101010101010101010101010101191301010101000001010d1a0000001e0f0101010a0b00000000001301010a0b0000000000130101010d1a00000c05010101010101010101010101010101010101010101010101010101010101010101010101010101010101010101010101010101010101010101010101010101010101010000010a0b00160101151f030101010101151f0301010101010101151f03010101010d1a0c050a0b0c05010101010101010101010101010101010101010101010101010101010101010101010101010101010101010101010101010101010101010101010101010101010101000001151e2011050101190c0501010101151f0301010101010101151f030101010115001601010600160101010101010101010101010101010101010101010101010101010101010101010101010101010101010101010101010101010101010101010101010101010101010000011913010203010108170301010101151f0301010101010101151f0301010101191e0f01010d1a0701010101010101010101010101010101010101010101010101010101010101010101010101010101010101010101010101010101010101010101010101010101010100000a0b0701061301010d1a0701010101151f0301010101010101151f030101010a0b0c0501010d1a1301010101010101010101010101010101010101010101010101010101010101010101010101010101010101010101010101010101010101010101010101010101010100000d1a07010a1403010d1a0701010101151f0301010101010101151f030101010a0b0c0501010a0b0c05010101000000000000000000000000000000000000000000000000000000000000000000000000000000000000000000000000000000000000000000000000000000000a0b0701010607010d1a0701010101151f0301010101010101151f030101010a0b0c0501010a0b0c050101010101010101010101010101010101010101010101010101010101010101010101010101010101010101010101010101010101010101010101010101010101000001191301010d0e0f08091601010101151f0301010101010101151f030101010a0b0c0501010d1a0c050101010101010101010101010101010101010101010101010101010101010101010101010101010101010101010101010101010101010101010101010101010101000001061f0301011507190c0501010101151f0301010101010101151f0301010101191e0f01010d1a1301010101010101010101010101010101010101010101010101061f0301010101010101010101010101010101010101010101010101010101010101010101190c05010000010a0b1e0f010d1a00160101061e0f151f0301010101061e0f151f0301010101061f0301010600160101010101010101010101010101010101010101010101011513010101010101010101010101010101010101010101010101010101010101010101010101010811050000010101150000000016010101010d1a001f0301010101010d1a001f03010101010a0b0c050a0b1e0f010101010101010101010101010101010101010101010108100f010101010101010101010101010101010101010101010101010101010101010101010101010115070000010101010101010d180301010101010817030101010101010108170301010101010a0b00001e0f010101010115001f030a0b000c0501010a1403010101010115070101010101010101010101010101010101010101010101010101010101010101010101010101010810000001010101010101010101010101010101010101010101010101010101010101010101010101010101010101010a0b070101081703010101010613010101010a0b160101010101010101010101010101010101010101010101010101010101010101010101010101010a140000010101010101010101010101010101010101010101010101010101010101010101010101010101010101010101151301010a0b07010101010a14030101010a0b160101010101010101010101010101010101010101010101010101010101010101010101010101010a0b000001010101010101010101010101010101010101010101010101010101010101010101010101010101010101010108100f01011513010101010106130101010a0b160101010101010101010101010101010101010101010101010101010101010101010101010101010a0b00000101010101010101010101010101010101010101010101010101010101010101010101010101010101010101010d1a000000001e0f010101010a140301010a0b160101010101010101010101010101010101010101010101010101010101010101010101010101010a14000001010101010101010101010101010101010101010101010101010101010101010101010101010101010101010101190701010809160101010101061301010115070101010101010101010101010101010101010101010101010101010101010101010101010101010810000001010101010101010101010101010101010101010101010101010101010101010101010101010101010101010101150c05010a0b07010a1d05010a1403010108110501010101010203010101150000160115070115000016010809000007010d1a00000701010101150700000101010101010101010101010101010101010101010101010101010101010101010101010101010101010101010d1a001301060000160a0b0000000013010101150c0501010101020301010d180308100f15070d180308100f081b0108100f0d1c050d0e0f0101060c0500000101010101010101010101010101010101010101010101010101010101010101010101010101010101010101010101010101010101010101010101010101010101081703010101020301010811050a140301010811050a14030108090016010101010d1803011913010100000101010101010101010101010101010101010101010101010101010101010101010101010101010101010101010101010101010101010101010101010101010101010101080900000000130811050a140301010811050a14030101011516010a0b00001301010101010100000101010101010101010101010101010101010101010101010101010101010101010101010101010101010101010101010101010101010101010101010101010101010101010101020301010d0e0f08100f01010d0e0f08100f081105060c050a120f0101010101010101000001010101010101010101010101010101010101010101010101010101010101010101010101010101010101010101010101010101010101010101010101010101010101010101010203010101060000070101010106000007010809000007010a0b00000c05010101010100000101010101010101010101010101010101010101010101010101010101010101010101010101010101010101010101010101010101010101010101010101010101010101010101020301010101010101010101010101010101010101010101010101010405010101010100000101010101010101010101010101010101010101010101010101010101010101010101010101010101010101010101010101010101010101010101010101010101010101010101010101010101010101010101010101010101010101010101010101010101010101010100004c0000006400000000000000000000006e0000002800000000000000000000006f000000290000002900aa0000000000000000000000803f00000000000000000000803f0000000000000000000000000000000000000000000000000000000000000000220000000c000000ffffffff460000001c00000010000000454d462b024000000c000000000000000e000000140000000000000010000000140000000400000003010800050000000b0200000000050000000c0229006f00030000001e0004000000070104000400000007010400a9080000410b2000cc0027006a000000000029006f0000000000280000006a000000270000000100080000000000000000000000000000000000270000000000000000000000ffffff005480c600ffe3a600a6a6c600ffffe30080c6ff00e3a65400a6e3ff0000005400e3ffff000054a600a6540000c6ffff0080008000ffffc60080005400a65454008054a600c68000005454a60054a6e300ffc6800054005400540080000080c60000008000c6805400a6548000a680a6008000000054000000a6e3c600c6e3a600e3ffc600c6a6a60054545400e3c68000e3a6a600010101010101010101010101010101010101010101010101010101010101010101010101010101010101010101010101010101010101010101010101010101010101010101010101010101010101010101010101010101010101010101010101010101010101010101010000010101010101010101010101010101010101010101010101010101010101010101010101010101010101010101010101010101010101010101010101010101010101010101010101010101150000160115070115000016010d1a00000701010115000c050101010101010000010101010101010101010101010101010101010101010101010101010101010101010101010101010101010101010101010101010101010101010101010101061f0301010101010101010d180308100f15070d180308100f0d1c050d0e0f150000000007190c05010101000001010101010101010101010101010101010101010101010101010101010101010101010101010101010101010101010101010101010101010101010101011513010101010101010101010811050a140301010811050a14030101010d1803081b0a14212601081105010100000101010101010101010101010101010101010101010101010101010101010101010101010101010101010101010101010101010101010101010101010108100f010108090000000013010811050a140301010811050a14030a0b000013010106251403010101150701010000010101010101010101010101010101010101010101010101010101010101010101010101010101010101010108100f0108091f0301150000000c050101150701010101010101010101010d0e0f08100f01010d0e0f08100f0a120f010101010102240301010108100f01000001010101010101010101010101010101010101010101010101010101010101010101010101010101010101010d1a16010810222308091601011913010a0b16010101010101010101010101060000070101010106000007010a0b00000c0501010d18030101010a14030100000101010101010101010101010101010101010101010101010101010101010101010101010101010101010101011907010d1803010d1a16010a0b13010a0b160101010101010101010101010101010101010101010101010101010101040501010101010101010a0b16010000010101010101010101010101010101010101010101010101010101010101010101010101010101010101010101151e0f01190701010a0b00000701010a0b160101010101010101010101010101010101010101010101010101010101010101010101010101010a0b1601000001010101010101010101010101010101010101010101010101010101010101010101010101010101010101010106001e0f1513010a0b07010d1a16010a0b160101010101010101010101010101010101010101010101010101010101010101010101010101010a14030100000101010101010101010101010101010101010101010101010101010101010101010101010101010101010101010d18211a0007010d1a16010119130101150701010101010101010101010101010101010101010101010101010101010101010101010101010108100f0100000101010101010101010101010101010101010101010101010101010101010101010101010101010101010101010a0b16010101010a0b07010d1a070101081105010101010101010101010101010101010101010101010101010101010101010101010101010115070101000001010101010101010101010101010101010101010101010101010101010101010101010101010101010101010101190701010101010d1a00000c05010101150c05010101010101010101010101010101010101010101010101010101010101010101010101060c0501010000010a0b16010101010101010101010101010101010101010101010101010101010101010101010101010101010106000c05010101010101010101010101010108170301010101010101010101010101010101010101010101010101010101010101010101191301010101000001010d1a0000001e0f0101010a0b00000000001301010a0b0000000000130101010d1a00000c05010101010101010101010101010101010101010101010101010101010101010101010101010101010101010101010101010101010101010101010101010101010101010000010a0b00160101151f030101010101151f0301010101010101151f03010101010d1a0c050a0b0c05010101010101010101010101010101010101010101010101010101010101010101010101010101010101010101010101010101010101010101010101010101010101000001151e2011050101190c0501010101151f0301010101010101151f030101010115001601010600160101010101010101010101010101010101010101010101010101010101010101010101010101010101010101010101010101010101010101010101010101010101010000011913010203010108170301010101151f0301010101010101151f0301010101191e0f01010d1a0701010101010101010101010101010101010101010101010101010101010101010101010101010101010101010101010101010101010101010101010101010101010100000a0b0701061301010d1a0701010101151f0301010101010101151f030101010a0b0c0501010d1a1301010101010101010101010101010101010101010101010101010101010101010101010101010101010101010101010101010101010101010101010101010101010100000d1a07010a1403010d1a0701010101151f0301010101010101151f030101010a0b0c0501010a0b0c05010101000000000000000000000000000000000000000000000000000000000000000000000000000000000000000000000000000000000000000000000000000000000a0b0701010607010d1a0701010101151f0301010101010101151f030101010a0b0c0501010a0b0c050101010101010101010101010101010101010101010101010101010101010101010101010101010101010101010101010101010101010101010101010101010101000001191301010d0e0f08091601010101151f0301010101010101151f030101010a0b0c0501010d1a0c050101010101010101010101010101010101010101010101010101010101010101010101010101010101010101010101010101010101010101010101010101010101000001061f0301011507190c0501010101151f0301010101010101151f0301010101191e0f01010d1a1301010101010101010101010101010101010101010101010101061f0301010101010101010101010101010101010101010101010101010101010101010101190c05010000010a0b1e0f010d1a00160101061e0f151f0301010101061e0f151f0301010101061f0301010600160101010101010101010101010101010101010101010101011513010101010101010101010101010101010101010101010101010101010101010101010101010811050000010101150000000016010101010d1a001f0301010101010d1a001f03010101010a0b0c050a0b1e0f010101010101010101010101010101010101010101010108100f010101010101010101010101010101010101010101010101010101010101010101010101010115070000010101010101010d180301010101010817030101010101010108170301010101010a0b00001e0f010101010115001f030a0b000c0501010a1403010101010115070101010101010101010101010101010101010101010101010101010101010101010101010101010810000001010101010101010101010101010101010101010101010101010101010101010101010101010101010101010a0b070101081703010101010613010101010a0b160101010101010101010101010101010101010101010101010101010101010101010101010101010a140000010101010101010101010101010101010101010101010101010101010101010101010101010101010101010101151301010a0b07010101010a14030101010a0b160101010101010101010101010101010101010101010101010101010101010101010101010101010a0b000001010101010101010101010101010101010101010101010101010101010101010101010101010101010101010108100f01011513010101010106130101010a0b160101010101010101010101010101010101010101010101010101010101010101010101010101010a0b00000101010101010101010101010101010101010101010101010101010101010101010101010101010101010101010d1a000000001e0f010101010a140301010a0b160101010101010101010101010101010101010101010101010101010101010101010101010101010a14000001010101010101010101010101010101010101010101010101010101010101010101010101010101010101010101190701010809160101010101061301010115070101010101010101010101010101010101010101010101010101010101010101010101010101010810000001010101010101010101010101010101010101010101010101010101010101010101010101010101010101010101150c05010a0b07010a1d05010a1403010108110501010101010203010101150000160115070115000016010809000007010d1a00000701010101150700000101010101010101010101010101010101010101010101010101010101010101010101010101010101010101010d1a001301060000160a0b0000000013010101150c0501010101020301010d180308100f15070d180308100f081b0108100f0d1c050d0e0f0101060c0500000101010101010101010101010101010101010101010101010101010101010101010101010101010101010101010101010101010101010101010101010101010101081703010101020301010811050a140301010811050a14030108090016010101010d1803011913010100000101010101010101010101010101010101010101010101010101010101010101010101010101010101010101010101010101010101010101010101010101010101010101080900000000130811050a140301010811050a14030101011516010a0b00001301010101010100000101010101010101010101010101010101010101010101010101010101010101010101010101010101010101010101010101010101010101010101010101010101010101010101020301010d0e0f08100f01010d0e0f08100f081105060c050a120f0101010101010101000001010101010101010101010101010101010101010101010101010101010101010101010101010101010101010101010101010101010101010101010101010101010101010101010203010101060000070101010106000007010809000007010a0b00000c05010101010100000101010101010101010101010101010101010101010101010101010101010101010101010101010101010101010101010101010101010101010101010101010101010101010101020301010101010101010101010101010101010101010101010101010405010101010100000101010101010101010101010101010101010101010101010101010101010101010101010101010101010101010101010101010101010101010101010101010101010101010101010101010101010101010101010101010101010101010101010101010101010101010100000c00000040092900aa0000000000000029006f0000000000040000002701ffff030000000000
Выбираем посадку для соединения «б». Исходя из тех же соображений, что и при выборе посадки для предыдущего соединеия, т.к. эти соединения однотипны, выбираем соединения посадку 010009000003781300000000820b00000000820b000026060f00fa16574d4643010000000000010007700000000001000000d816000000000000d8160000010000006c0000000000000000000000630000002800000000000000000000003a0a00003104000020454d4600000100d81600000c00000001000000000000000000000000000000900600001a040000b801000013010000000000000000000000000000c0b6060038320400460000002c00000020000000454d462b014001001c000000100000000210c0db01000000600000006000000046000000bc050000b0050000454d462b224004000c000000000000001e4009000c00000000000000244001000c000000000000003040020010000000040000000000803f214007000c000000000000000840000508050000fc0400000210c0db01000000000000000000000000000000000000000100000089504e470d0a1a0a0000000d49484452000000600000002708020000007fa7dabb000000017352474200aece1ce9000000097048597300000e2600000e2601a2ef25fc00000485494441546843ed5a3d6eea401076de39b0942a151700899603205284f69d20b940cc059213a435451007a08d842f404515c9be076f66f66ff6c7f839d84b88b29577d7fb33dfce7c33fb73733c1e93df548fc09f2b05a758deafaa8ee75eac025d5e2b402e36c5f286920b9b535eadeec57fe64f5334de0410ff190015cb71b203b228f364f156183143e5f3bc843f77d97af3a15430c3b690de1f063e44a2ea6a5299cf1d19403a281462b32f3b67fe1092425ea1c27a54451c8d2bd120b403b29ec1c33b4d7f9749488ecfa376544426952ed6aa95ea11bacc5e0409a15d2ea522c60448f18118dbca316e100ca1e6073f62dd63f21a36001273703b1406537d6cd6c3db01364138bd72ac78bb4588cb7c3f56f330bc856d218d9e8fc7e956f2594ce3426d560b4f6aae73659e091b396126d64c8d06a93642238495688bd2f623ad87d9939ac82e53ba64a6c6e691c40408e662e323e57144e7a52e79c49c2ea299c504c8ac955a339f151d40688ed2c7c4c4c6e872440eaa3ef74c58127dea126cf1b6183e859c6d3b22eeeeef753c8090400d22989bdfa5b624d5ea659fff6de995ba0323d85334806c4428379bd871d9b7531f406c5ec741169f4ac76010f668c1a217c71bf0d6a24af912ebc7301d7f23927662548e81a8d2258486a9a7ac965540d51db15e8ea6c5da080d0a2160a47400a138d68684ab82d3d7f9bee7321029d525802c79659465ca4862db6c024506081fcff341b267787e7fa77be0a3214098b72c863204027df9129f02a80f7cfa46e444ff0090bd013031bcc1d16619c5b1012ee6b05e50a82e870680b84271a7e1941b1f36cf739ba6f5846cacd93c7b0e567aec1ee2a0f44e1fb1d44622fa4c00857e9f247b60253fccbb4f17c3dd4f3875624b0b00c1a140b23e94b00ac59605b2b833f062395a2a8cf2bcaa6289e8b43e9de971ed3beadad0b11d93d5fb8d000bbba6e51c4674c909b1fbe271907165b55e2a18e478cce385e1b1a5ea703cbdd570ce22bc505806da01d7e59f62f0c8bac3b95ea42ba341dded0e6a04114006838313a2d73ac65ee0b243421c22e681190614217c980afa017b5b40cfc7cd9e654c80829b2aae21a12dcff902b7ef81bbab68e741605de501cfc8e46d86ba4a80c2445e2624a36926030e114c24ee8951479ebba99bc164a62f202302546c41fc45ba9dd28644445e224cdd7f56f48d7fa843477583d3244c2ff580d05c4e2a1e401878622081177d4297483688d1cbd926a5cbb0f13e2fdbde03f60210762a57301e40088a3c70064dd1313a585c7a78123c4148b12bc3de844f820f3982c3450308cd47720dea127c56ab5591905ea9849b9eafa4ff7cda4177b422d90f39a0bdff9846aa782c80e8ce87ddf26463b84e9e8cc0c25ee11dc158cddbd818a38106ccda3cedd09b05b6a52e962f7bbd5d176371026cef0463b570a202e7cc1cc470ae999b9f76b02ed8017bb6736f062ee5e65b5a0f2a977a6120d8dc599ad67cee3de4009bdb4e55378a97aad5e366f6aa6f2f63e9c357c7693e8d5691afd238b5fe6e397b330355a8428e5242d0ee8f163392fe2a464dedb49c0d4f3bc4e13a25ff1aa66e937883fbb1df548fc03fffccb030d160e6940000000049454e44ae4260820840010824000000180000000210c0db01000000030000000000000000000000000000001b40000040000000340000000100000002000000000000bf000000bf0000c04200001c42030000000000008000000080feffc7420000008000000080feff23422100000008000000620000000c00000001000000150000000c00000004000000150000000c0000000400000051000000b80f00000000000000000000630000002800000000000000000000000000000000000000600000002700000050000000c800000018010000a00e0000000000002000cc0064000000290000002800000060000000270000000100080000000000000000000000000000000000280000000000000000000000ffffff005480c600ffe3a600a6a6c600ffffe30080c6ff00e3a65400a6e3ff0000005400e3ffff000054a600a6540000c6ffff0080008000ffffc60080005400a65454008054a600c68000005454a60054a6e300ffc6800054005400540080000080c60000008000c6805400a6548000a680a6008000000054000000a6a65400a6e3c600c6e3a600e3ffc600c6a6a60054545400e3c68000e3a6a6000101010101010101010101010101010101010101010101010101010101010101010101010101010101010101010101010101010101010101010101010101010101010101010101010101010101010101010101010101010101010101010101010101010101010101010101010101010101010101010101010101010101010101010101010101010101010101010101010101010101010101010101010101010101150000160115070115000016010d1a00000701010115000c050101010101010101010101010101010101010101010101010101010101010101010101010101010101010101010101010101010101010101010101061f0301010101010101010d180308100f15070d180308100f0d1c050d0e0f150000000007190c05010101010101010101010101010101010101010101010101010101010101010101010101010101010101010101010101010101010101011513010101010101010101010811050a140301010811050a14030101010d1803081b0a14222701081105010101010101010101010101010101010101010101010101010101010101010101010101010101010101010101010101010101010108100f010108090000000013010811050a140301010811050a14030a0b000013010106261403010101150701010101010101010101010101010101010101010101010101010101010101010101010108100f0108091f0301150000000c050101150701010101010101010101010d0e0f08100f01010d0e0f08100f0a120f010101010102250301010108100f01010101010101010101010101010101010101010101010101010101010101010101010d1a16010810232408091601011913010a0b16010101010101010101010101060000070101010106000007010a0b00000c0501010d18030101010a14030101010101010101010101010101010101010101010101010101010101010101010101011907010d1803010d1a16010a0b13010a0b160101010101010101010101010101010101010101010101010101010101040501010101010101010a0b16010101010101010101010101010101010101010101010101010101010101010101010101151e0f01190701010a0b00000701010a0b160101010101010101010101010101010101010101010101010101010101010101010101010101010a0b1601010101010101010101010101010101010101010101010101010101010101010101010106001e0f1513010a0b07010d1a16010a0b160101010101010101010101010101010101010101010101010101010101010101010101010101010a14030101010101010101010101010101010101010101010101010101010101010101010101010d18221a0007010d1a16010119130101150701010101010101010101010101010101010101010101010101010101010101010101010101010108100f0101010101010101010101010101010101010101010101010101010101010101010101010a0b16010101010a0b07010d1a070101081105010101010101010101010101010101010101010101010101010101010101010101010101010115070101010101010101010101010101010101010101010101010101010101010101010101010101190701010101010d1a00000c05010101150c05010101010101010101010101010101010101010101010101010101010101010101010101060c050101010a0b160101010101010101010101010101010101010101010101010101010101010106000c0501010101010101010101010101010817030101010101010101010101010101010101010101010101010101010101010101010119130101010101010d1a0000001e0f0101010108091f0301010101011900000000000007010101010101010101010101010101010101010101010101010101010101010101010101010101010101010101010101010101010101010101010101010101010101010a0b00160101151f03010101010108091301010101081703010101190701010101010101010101010101010101010101010101010101010101010101010101010101010101010101010101010101010101010101010101010101010101010101151e2111050101190c0501010101010d1a1301010101150c05010106070101010101010101010101010101010101010101010101010101010101010101010101010101010101010101010101010101010101010101010101010101010101010119130102030101081703010101010101151f03010101011913010101010101010101010101010101010101010101010101010101010101010101010101010101010101010101010101010101010101010101010101010101010101010101010a0b0701061301010d1a07010101010101080907010101010a0b130101010101010101010101010101010101010101010101010101010101010101010101010101010101010101010101010101010101010101010101010101010101010101010d1a07010a1403010d1a07010a0b000000201a1301010101010a0b0701010101010100000000000000000000000000000000000000000000000000000000000000000000000000000000000000000000000000000000000000000000000000000a0b0701010607010d1a0701191f03010115000c0501010101010809160101010101010101010101010101010101010101010101010101010101010101010101010101010101010101010101010101010101010101010101010101010101010101191301010d0e0f0809160d1a130101010a0b0c05010101010101191e0f01010101010101010101010101010101010101010101010101010101010101010101010101010101010101010101010101010101010101010101010101010101010101061f0301011507190c050809070101010a0b0c0501010101010106001601010101010101010101010101010101010101010101010101061f0301010101010101010101010101010101010101010101010101010101010101010101190c0501010a0b1e0f010d1a0016010d1a130101010d1a07010119070101011500160101010101010101010101010101010101010101010101011513010101010101010101010101010101010101010101010101010101010101010101010101010811050101011500000000160101011500160101191e0f0101191f03010d1a1e0f010101010101010101010101010101010101010101010108100f01010101010101010101010101010101010101010101010101010101010101010101010101011507010101010101010d1803010101080900001e0f01010101060000001f03010101010115001f030a0b000c0501010a1403010101010115070101010101010101010101010101010101010101010101010101010101010101010101010101010810010101010101010101010101010101010101010101010101010101010101010101010a0b070101081703010101010613010101010a0b160101010101010101010101010101010101010101010101010101010101010101010101010101010a140101010101010101010101010101010101010101010101010101010101010101010101151301010a0b07010101010a14030101010a0b160101010101010101010101010101010101010101010101010101010101010101010101010101010a0b010101010101010101010101010101010101010101010101010101010101010101010108100f01011513010101010106130101010a0b160101010101010101010101010101010101010101010101010101010101010101010101010101010a0b01010101010101010101010101010101010101010101010101010101010101010101010d1a000000001e0f010101010a140301010a0b160101010101010101010101010101010101010101010101010101010101010101010101010101010a14010101010101010101010101010101010101010101010101010101010101010101010101190701010809160101010101061301010115070101010101010101010101010101010101010101010101010101010101010101010101010101010810010101010101010101010101010101010101010101010101010101010101010101010101150c05010a0b07010a1d05010a1403010108110501010101010203010101150000160115070115000016010809000007010d1a00000701010101150701010101010101010101010101010101010101010101010101010101010101010101010d1a001301060000160a0b0000000013010101150c0501010101020301010d180308100f15070d180308100f081b0108100f0d1c050d0e0f0101060c0501010101010101010101010101010101010101010101010101010101010101010101010101010101010101010101010101010101010101081703010101020301010811050a140301010811050a14030108090016010101010d1803011913010101010101010101010101010101010101010101010101010101010101010101010101010101010101010101010101010101010101010101010101080900000000130811050a140301010811050a14030101011516010a0b00001301010101010101010101010101010101010101010101010101010101010101010101010101010101010101010101010101010101010101010101010101010101010101020301010d0e0f08100f01010d0e0f08100f081105060c050a120f0101010101010101010101010101010101010101010101010101010101010101010101010101010101010101010101010101010101010101010101010101010101010101010203010101060000070101010106000007010809000007010a0b00000c0501010101010101010101010101010101010101010101010101010101010101010101010101010101010101010101010101010101010101010101010101010101010102030101010101010101010101010101010101010101010101010101040501010101010101010101010101010101010101010101010101010101010101010101010101010101010101010101010101010101010101010101010101010101010101010101010101010101010101010101010101010101010101010101010101010101014c0000006400000000000000000000006300000028000000000000000000000064000000290000002900aa0000000000000000000000803f00000000000000000000803f0000000000000000000000000000000000000000000000000000000000000000220000000c000000ffffffff460000001c00000010000000454d462b024000000c000000000000000e000000140000000000000010000000140000000400000003010800050000000b0200000000050000000c0229006400030000001e0004000000070104000400000007010400c1070000410b2000cc00270060000000000029006400000000002800000060000000270000000100080000000000000000000000000000000000280000000000000000000000ffffff005480c600ffe3a600a6a6c600ffffe30080c6ff00e3a65400a6e3ff0000005400e3ffff000054a600a6540000c6ffff0080008000ffffc60080005400a65454008054a600c68000005454a60054a6e300ffc6800054005400540080000080c60000008000c6805400a6548000a680a6008000000054000000a6a65400a6e3c600c6e3a600e3ffc600c6a6a60054545400e3c68000e3a6a6000101010101010101010101010101010101010101010101010101010101010101010101010101010101010101010101010101010101010101010101010101010101010101010101010101010101010101010101010101010101010101010101010101010101010101010101010101010101010101010101010101010101010101010101010101010101010101010101010101010101010101010101010101010101150000160115070115000016010d1a00000701010115000c050101010101010101010101010101010101010101010101010101010101010101010101010101010101010101010101010101010101010101010101061f0301010101010101010d180308100f15070d180308100f0d1c050d0e0f150000000007190c05010101010101010101010101010101010101010101010101010101010101010101010101010101010101010101010101010101010101011513010101010101010101010811050a140301010811050a14030101010d1803081b0a14222701081105010101010101010101010101010101010101010101010101010101010101010101010101010101010101010101010101010101010108100f010108090000000013010811050a140301010811050a14030a0b000013010106261403010101150701010101010101010101010101010101010101010101010101010101010101010101010108100f0108091f0301150000000c050101150701010101010101010101010d0e0f08100f01010d0e0f08100f0a120f010101010102250301010108100f01010101010101010101010101010101010101010101010101010101010101010101010d1a16010810232408091601011913010a0b16010101010101010101010101060000070101010106000007010a0b00000c0501010d18030101010a14030101010101010101010101010101010101010101010101010101010101010101010101011907010d1803010d1a16010a0b13010a0b160101010101010101010101010101010101010101010101010101010101040501010101010101010a0b16010101010101010101010101010101010101010101010101010101010101010101010101151e0f01190701010a0b00000701010a0b160101010101010101010101010101010101010101010101010101010101010101010101010101010a0b1601010101010101010101010101010101010101010101010101010101010101010101010106001e0f1513010a0b07010d1a16010a0b160101010101010101010101010101010101010101010101010101010101010101010101010101010a14030101010101010101010101010101010101010101010101010101010101010101010101010d18221a0007010d1a16010119130101150701010101010101010101010101010101010101010101010101010101010101010101010101010108100f0101010101010101010101010101010101010101010101010101010101010101010101010a0b16010101010a0b07010d1a070101081105010101010101010101010101010101010101010101010101010101010101010101010101010115070101010101010101010101010101010101010101010101010101010101010101010101010101190701010101010d1a00000c05010101150c05010101010101010101010101010101010101010101010101010101010101010101010101060c050101010a0b160101010101010101010101010101010101010101010101010101010101010106000c0501010101010101010101010101010817030101010101010101010101010101010101010101010101010101010101010101010119130101010101010d1a0000001e0f0101010108091f0301010101011900000000000007010101010101010101010101010101010101010101010101010101010101010101010101010101010101010101010101010101010101010101010101010101010101010a0b00160101151f03010101010108091301010101081703010101190701010101010101010101010101010101010101010101010101010101010101010101010101010101010101010101010101010101010101010101010101010101010101151e2111050101190c0501010101010d1a1301010101150c05010106070101010101010101010101010101010101010101010101010101010101010101010101010101010101010101010101010101010101010101010101010101010101010119130102030101081703010101010101151f03010101011913010101010101010101010101010101010101010101010101010101010101010101010101010101010101010101010101010101010101010101010101010101010101010101010a0b0701061301010d1a07010101010101080907010101010a0b130101010101010101010101010101010101010101010101010101010101010101010101010101010101010101010101010101010101010101010101010101010101010101010d1a07010a1403010d1a07010a0b000000201a1301010101010a0b0701010101010100000000000000000000000000000000000000000000000000000000000000000000000000000000000000000000000000000000000000000000000000000a0b0701010607010d1a0701191f03010115000c0501010101010809160101010101010101010101010101010101010101010101010101010101010101010101010101010101010101010101010101010101010101010101010101010101010101191301010d0e0f0809160d1a130101010a0b0c05010101010101191e0f01010101010101010101010101010101010101010101010101010101010101010101010101010101010101010101010101010101010101010101010101010101010101061f0301011507190c050809070101010a0b0c0501010101010106001601010101010101010101010101010101010101010101010101061f0301010101010101010101010101010101010101010101010101010101010101010101190c0501010a0b1e0f010d1a0016010d1a130101010d1a07010119070101011500160101010101010101010101010101010101010101010101011513010101010101010101010101010101010101010101010101010101010101010101010101010811050101011500000000160101011500160101191e0f0101191f03010d1a1e0f010101010101010101010101010101010101010101010108100f01010101010101010101010101010101010101010101010101010101010101010101010101011507010101010101010d1803010101080900001e0f01010101060000001f03010101010115001f030a0b000c0501010a1403010101010115070101010101010101010101010101010101010101010101010101010101010101010101010101010810010101010101010101010101010101010101010101010101010101010101010101010a0b070101081703010101010613010101010a0b160101010101010101010101010101010101010101010101010101010101010101010101010101010a140101010101010101010101010101010101010101010101010101010101010101010101151301010a0b07010101010a14030101010a0b160101010101010101010101010101010101010101010101010101010101010101010101010101010a0b010101010101010101010101010101010101010101010101010101010101010101010108100f01011513010101010106130101010a0b160101010101010101010101010101010101010101010101010101010101010101010101010101010a0b01010101010101010101010101010101010101010101010101010101010101010101010d1a000000001e0f010101010a140301010a0b160101010101010101010101010101010101010101010101010101010101010101010101010101010a14010101010101010101010101010101010101010101010101010101010101010101010101190701010809160101010101061301010115070101010101010101010101010101010101010101010101010101010101010101010101010101010810010101010101010101010101010101010101010101010101010101010101010101010101150c05010a0b07010a1d05010a1403010108110501010101010203010101150000160115070115000016010809000007010d1a00000701010101150701010101010101010101010101010101010101010101010101010101010101010101010d1a001301060000160a0b0000000013010101150c0501010101020301010d180308100f15070d180308100f081b0108100f0d1c050d0e0f0101060c0501010101010101010101010101010101010101010101010101010101010101010101010101010101010101010101010101010101010101081703010101020301010811050a140301010811050a14030108090016010101010d1803011913010101010101010101010101010101010101010101010101010101010101010101010101010101010101010101010101010101010101010101010101080900000000130811050a140301010811050a14030101011516010a0b00001301010101010101010101010101010101010101010101010101010101010101010101010101010101010101010101010101010101010101010101010101010101010101020301010d0e0f08100f01010d0e0f08100f081105060c050a120f0101010101010101010101010101010101010101010101010101010101010101010101010101010101010101010101010101010101010101010101010101010101010101010203010101060000070101010106000007010809000007010a0b00000c0501010101010101010101010101010101010101010101010101010101010101010101010101010101010101010101010101010101010101010101010101010101010102030101010101010101010101010101010101010101010101010101040501010101010101010101010101010101010101010101010101010101010101010101010101010101010101010101010101010101010101010101010101010101010101010101010101010101010101010101010101010101010101010101010101010101010c00000040092900aa000000000000002900640000000000040000002701ffff030000000000 [4, с. 102]
Так как данная посадка аналогична предыдущей, она будет иметь такую же схему расположения полей допусков и предельные размеры и наибольший и наименьший зазоры.
Выберем посадку для соединения «в». Единственное назначение привертной кромки без отверстия для прохода вала - закрыть отверстие в корпусной детали. Точное центрирование таких крышек по отверстию корпуса не требуется. Поэтому поле допуска центрирующей поверхности привертной кромки принимаем согласно [4, с. 102] d11. Поле допуска посадочного места под подшипник Н7
Посадка 010009000003761400000000160c00000000160c000026060f002218574d464301000000000001001aee0000000001000000001800000000000000180000010000006c000000000000000000000069000000270000000000000000000000d70a00001704000020454d4600000100001800000c00000001000000000000000000000000000000900600001a040000b801000013010000000000000000000000000000c0b6060038320400460000002c00000020000000454d462b014001001c000000100000000210c0db010000006000000060000000460000001006000004060000454d462b224004000c000000000000001e4009000c00000000000000244001000c000000000000003040020010000000040000000000803f214007000c00000000000000084000055c050000500500000210c0db01000000000000000000000000000000000000000100000089504e470d0a1a0a0000000d4948445200000066000000260802000000b9e57959000000017352474200aece1ce9000000097048597300000e2600000e2601a2ef25fc000004d6494441546843ed5a4b6ee2401075e61c206595151700295b0e109145d8ce093217c05c203941b66611c401d846c21760955524730fa6aabf55fd334e8c0da3f12671d3ddae7e5d9f57d57d733c1eb3ff4f13047e35e97c897dcbe5e3ead0b260e52a35e5d543e6a2552e6fc4e302e9b41f568fb29fed699b269bd41efc639095cb49b6035f5315d9fcadb40b0fb5cf8a0a7aeef2f5e643ab698e63e1797f1a2440937daeefa98a99b32a582f344a20c87ffccdf6904b86778d139951370561b9362d43eb113637787a170bdae50aa4e362dccca509431cced77a949e11a6cc5fa433436b5e1265155d7b814cfb15290d7b233e467a1a2231fef69cbd26cc66703b926676f8d8ac47b7830c8620c05e3bfef0768ba057c57ea2e5b0fe0fc7c2335e1c8fd3adeb177b3149b401ad1cc238cc5b55e4d2b212c6c544b65aa6c748ad91b665ecd0589db23962855a905daef5cd8a1690e398f5021948c711532b74c0a0adae13ea526ec4d7bab75e20b3fba9f7d5f7b70e445cea2ef1f2f4bd0f5f76f8da934d13604c5dd75dbecd477f92a1be99afff71eff567a5e6e8013274cd16237c9bdd0df9920eab977df1bb6104fc312a274ed03d641c23f1f670cf99e3c5a9188049b635e216988356e66c77c1733dcc3b3901877d41472ad987bf0503a51e7d89eedfa1d31415f9936911f8d8dfc5ab81498297a4cfdf73defd050067b764c40c6162d7ed402428370789ea9533d7f7f0098eea07344fbd05640c0145ff6c9bc0801b5ba0c92ed247b845d8b8a82d4e1c9c2af835840c7f6076265e042ce23f1f8314646745ecdc189d323f444ca449361e945b15de212fcbb2fd17246ce32962aa3255705487d5b34d669dc80cf42007a09ba6c827c6f7cbe8c6cd921a2ed54a161b6645c10380d91b9e3b922dbb8cb5b6230568d9f0ce549ea284c814461086f7fb6ccf888a14058a03c3f968172ccf9da2f0d7d20720430b94e980314a8100daab4b322536403fbd9fca25e2d5b868d5cec6773b8b75f43c9ac64353c0bfbb06e95464ae457f4e9393f2321b36a3113148ba3c0fe6a50ea7c9d26e2f9d90f8b908e37781c299e20894a053d14cf1c729c878f45d4d1d4886fc524eec63ed62929c0d84325489ae4518cf8c94bf8c6dd97d8e8d551fb45a76861c27ba2889722a17ad45d7a8b693e8c96ccd3a99506eaa31611f31ce243496525759c9c080d825951a2f70a1aac02e24081e4cc4dad921000be60284e62bc109b7d3c4511c3d04e8bef823a35bf5a96b66f2806422f48e3eb17664d29b872a7dd4183b37098556f8101ec22cc6e5529c9bf8672b7214ecf3c3e6190e5f6a2da0cd0ed4ed69b3ac2a5d06e2ae21da6ece2a9392197be5e726d48c85045e83a6108892ebac44e0e81032425b7c0713ab5278edfd9433f4eea0e09d1926269fb94e0dc02ca9230b99cbc5b6adbb828c95afcb6dee95fb2f16224fb0ae20b31f066f0bbe1e94ecb05ada3b49a07741d062edf50807af00052efcc899a037b92b14bb3e843d679df932e366c1e9325ae6f02a43d612ed2710ba081d0d10577453c0c9e0d1c7f4712adbb5fb6f2bf43a01e01b54965df841c0f21d0948711a2c7fe9de30eb4daaa6c7e0e9d55c3d411aa5ae00d91d495359e7c20fbc6ea77a44f2faa2e083af701cddd6de773d4fcd2180ce18b54a2ad5813f86a709d615327f77acb05c9bdf5d2d64755b14a6b20421ff548c5c3f5245d760defd173fb764c0ba2aec240000000049454e44ae4260820000000840010824000000180000000210c0db01000000030000000000000000000000000000001b40000040000000340000000100000002000000000000bf000000bf0000cc4200001842030000000000008000000080feffd3420000008000000080ffff1f422100000008000000620000000c00000001000000150000000c00000004000000150000000c00000004000000510000008c1000000000000000000000690000002700000000000000000000000000000000000000660000002600000050000000cc0000001c010000700f0000000000002000cc006a000000280000002800000066000000260000000100080000000000000000000000000000000000290000000000000000000000ffffff005480c600ffe3a600a6a6c600ffffe30080c6ff00e3a65400a6e3ff0000005400e3ffff000054a600a6540000c6ffff0080008000ffffc60080005400a65454008054a600c68000005454a60054a6e300ffc6800054005400540080000080c60000008000c6805400a6548000a680a6008000000054000000a6a65400a6e3c600545454008080c600e3e3e300e3ffc600c6e3a600e3c68000e3a6a60001010101010101010101010101010101010101010101010101010101010101010101010101010101010101010101010101010101010101010101010101010101010101010101010115000016011507080900000701010115000c050115000016010101010101000001010101010101010101010101010101010101010101010101010101010101010101010101010101010101010101010101010101010101010101010101061f03010101010101010d180308100f1507081b0108100f1500000000070d180308100f01190c0501000001010101010101010101010101010101010101010101010101010101010101010101010101010101010101010101010101010101010101010101010115130101010101010101010811050a14030101010809001601081b0a1426280811050a140301010811050000010101010101010101010101010101010101010101010101010101010101010101010101010101010101010101010101010101010101010101010108100f0101080900000000130811050a140301010101011516010106271403010811050a140301010115070000010101010101010101010101010101010101010101010101010101010101010101010a0b001f261a1f0301150000000007010115000000000701011507010101010101010101010d0e0f08100f0101081105060c050101022203010d0e0f08100f01010108100000010101010101010101010101010101010101010101010101010101010101010101010817030a0b1e251d050101191301010101010119130101010a0b1601010101010101010101010600000701010108090000070101010d1803010106000007010101010a14000001010101010101010101010101010101010101010101010101010101010101010101081703010d180301010101151301010101010115130101010a0b160101010101010101010101010101010101010101010101010101010101010101010101010101010a0b0000010101010101010101010101010101010101010101010101010101010101010101010a0b160101191601010101151301010101010115130101010a0b160101010101010101010101010101010101010101010101010101010101010101010101010101010a0b00000101010101010101010101010101010101010101010101010101010101010101010101061f0301150701010101151301010101010115130101010a0b160101010101010101010101010101010101010101010101010101010101010101010101010101010a140000010101010101010101010101010101010101010101010101010101010101010101010101060000000c05012401151301010101240115130101010115070101010101010101010101150000160115070a0b00001f03080900000c05011500001601010101081000000101010101010101010101010101010101010101010101010101010101010101010101010101010d0e0f01150000130101010115000013010101010811050101010101010101010d180308100f150701010613010101150701230f0d180308100f010101150700000101010101010101010101010101010101010101010101010101010101010101010101010101010a0b16010101191301010101010119130101010101150c0501010101010101010811050a140301010101061301010101151301010811050a14030101060c050000010a0b16010101010101010101010101010101010101010101010101010101010101010101010119000701010101010101010101010101010101010101081703080900000000130811050a140301010101061301010101010607010811050a14030119130101000001010d1a0000001e0f0101010108091f030101010101190000000000000701010101010101010101010101010101010101010101010101010101010101010101010101010101010d0e0f08100f01010d1a22130101081105060c050d0e0f08100f01010101010000010a0b00160101151f030101010101080913010101010817030101011907010101010101010101010101010101010101010101010101010101010101010101010101010101010101060000070101010101151301010809000007010106000007010101010101000001151e2111050101190c0501010101010d1a1301010101150c050101060701010101010101010101010101010101010101010101010101010101010101010101010101010101010101010101010101010101010101010101010101010101010101010101010100000119130102030101081703010101010101151f030101010119130101010101010101010101010101010101010101010101010101010101010101010101010101010101010101010101010101010101010101010101010101010101010101010101010101010100000a0b0701061301010d1a07010101010101080907010101010a0b1301010101010101010101010101010101010101010101010101010101010101010101010101010101010101010101010101010101010101010101010101010101010101010101010101010100000d1a07010a1403010d1a07010a0b000000201a1301010101010a0b07010101010101000000000000000000000000000000000000000000000000000000000000000000000000000000000000000000000000000000000000000000000000000000000000000000000a0b0701010607010d1a0701191f03010115000c05010101010108091601010101010101010101010101010101010101010101010101010101010101010101010101010101010101010101010101010101010101010101010101010101010101010101010101000001191301010d0e0f0809160d1a130101010a0b0c05010101010101191e0f010101010101010101010101010101010101010101010101010101010101010101010101010101010101010101010101010101010101010101010101010101010101010101010101000001061f0301011507190c050809070101010a0b0c0501010101010106001601010101010101010101010101010101010101010101010101010101061f0301010101010101010101010101010101010101010101010101010101010101010101190c05010101010000010a0b1e0f010d1a0016010d1a130101010d1a070101190701010115001601010101010101010101010101010101010101010101010101010115130101010101010101010101010101010101010101010101010101010101010101010101010108110501010100000101011500000000160101011500160101191e0f0101191f03010d1a1e0f010101010101010101010101010101010101010101010101010108100f010101010101010101010101010101010101010101010101010101010101010101010101010115070101010000010101010101010d1803010101080900001e0f01010101060000001f03010101010101010115001f030a0b000c0501010a14030101010101150701010101010101010101010101010101010101010101010101010101010101010101010101010108100f01010000010101010101010101010101010101010101010101010101010101010101010101010101010a0b070101081703010101010613010101010a0b160101010101010101010101010101010101010101010101010101010101010101010101010101010a1403010100000101010101010101010101010101010101010101010101010101010101010101010101010101151301010a0b07010101010a14030101010a0b160101010101010101010101010101010101010101010101010101010101010101010101010101010a0b1601010000010101010101010101010101010101010101010101010101010101010101010101010101010108100f01011513010101010106130101010a0b160101010101010101010101010101010101010101010101010101010101010101010101010101010a0b160101000001010101010101010101010101010101010101010101010101010101010101010101010101010d1a000000001e0f010101010a140301010a0b160101010101010101010101010101010101010101010101010101010101010101010101010101010a1403010100000101010101010101010101010101010101010101010101010101010101010101010101010101011907010108091601010101010613010101150701010101010101010101010101010101010101010101010101010101010101010101010101010108100f01010000010101010101010101010101010101010101010101010101010101010101010101010101010101150c05010a0b07010a1d05010a1403010108110501010101010203010101150000160115070115000016010809000007010d1a000007010101011507010101000001010101010101010101010101010101010101010101010101010101010101010101010101010d1a001301060000160a0b0000000013010101150c0501010101020301010d180308100f15070d180308100f081b0108100f0d1c050d0e0f0101060c05010101000001010101010101010101010101010101010101010101010101010101010101010101010101010101010101010101010101010101010101010101081703010101020301010811050a140301010811050a14030108090016010101010d18030119130101010101000001010101010101010101010101010101010101010101010101010101010101010101010101010101010101010101010101010101010101010101010101080900000000130811050a140301010811050a14030101011516010a0b000013010101010101010101000001010101010101010101010101010101010101010101010101010101010101010101010101010101010101010101010101010101010101010101010101010101020301010d0e0f08100f01010d0e0f08100f081105060c050a120f01010101010101010101010000010101010101010101010101010101010101010101010101010101010101010101010101010101010101010101010101010101010101010101010101010101010203010101060000070101010106000007010809000007010a0b00000c0501010101010101010000010101010101010101010101010101010101010101010101010101010101010101010101010101010101010101010101010101010101010101010101010101010203010101010101010101010101010101010101010101010101010104050101010101010101000001010101010101010101010101010101010101010101010101010101010101010101010101010101010101010101010101010101010101010101010101010101010101010101010101010101010101010101010101010101010101010101010101010101010100004c000000640000000000000000000000690000002700000000000000000000006a000000280000002900aa0000000000000000000000803f00000000000000000000803f0000000000000000000000000000000000000000000000000000000000000000220000000c000000ffffffff460000001c00000010000000454d462b024000000c000000000000000e000000140000000000000010000000140000000400000003010800050000000b0200000000050000000c0228006a00030000001e00040000000701040004000000070104002b080000410b2000cc00260066000000000028006a00000000002800000066000000260000000100080000000000000000000000000000000000290000000000000000000000ffffff005480c600ffe3a600a6a6c600ffffe30080c6ff00e3a65400a6e3ff0000005400e3ffff000054a600a6540000c6ffff0080008000ffffc60080005400a65454008054a600c68000005454a60054a6e300ffc6800054005400540080000080c60000008000c6805400a6548000a680a6008000000054000000a6a65400a6e3c600545454008080c600e3e3e300e3ffc600c6e3a600e3c68000e3a6a60001010101010101010101010101010101010101010101010101010101010101010101010101010101010101010101010101010101010101010101010101010101010101010101010115000016011507080900000701010115000c050115000016010101010101000001010101010101010101010101010101010101010101010101010101010101010101010101010101010101010101010101010101010101010101010101061f03010101010101010d180308100f1507081b0108100f1500000000070d180308100f01190c0501000001010101010101010101010101010101010101010101010101010101010101010101010101010101010101010101010101010101010101010101010115130101010101010101010811050a14030101010809001601081b0a1426280811050a140301010811050000010101010101010101010101010101010101010101010101010101010101010101010101010101010101010101010101010101010101010101010108100f0101080900000000130811050a140301010101011516010106271403010811050a140301010115070000010101010101010101010101010101010101010101010101010101010101010101010a0b001f261a1f0301150000000007010115000000000701011507010101010101010101010d0e0f08100f0101081105060c050101022203010d0e0f08100f01010108100000010101010101010101010101010101010101010101010101010101010101010101010817030a0b1e251d050101191301010101010119130101010a0b1601010101010101010101010600000701010108090000070101010d1803010106000007010101010a14000001010101010101010101010101010101010101010101010101010101010101010101081703010d180301010101151301010101010115130101010a0b160101010101010101010101010101010101010101010101010101010101010101010101010101010a0b0000010101010101010101010101010101010101010101010101010101010101010101010a0b160101191601010101151301010101010115130101010a0b160101010101010101010101010101010101010101010101010101010101010101010101010101010a0b00000101010101010101010101010101010101010101010101010101010101010101010101061f0301150701010101151301010101010115130101010a0b160101010101010101010101010101010101010101010101010101010101010101010101010101010a140000010101010101010101010101010101010101010101010101010101010101010101010101060000000c05012401151301010101240115130101010115070101010101010101010101150000160115070a0b00001f03080900000c05011500001601010101081000000101010101010101010101010101010101010101010101010101010101010101010101010101010d0e0f01150000130101010115000013010101010811050101010101010101010d180308100f150701010613010101150701230f0d180308100f010101150700000101010101010101010101010101010101010101010101010101010101010101010101010101010a0b16010101191301010101010119130101010101150c0501010101010101010811050a140301010101061301010101151301010811050a14030101060c050000010a0b16010101010101010101010101010101010101010101010101010101010101010101010119000701010101010101010101010101010101010101081703080900000000130811050a140301010101061301010101010607010811050a14030119130101000001010d1a0000001e0f0101010108091f030101010101190000000000000701010101010101010101010101010101010101010101010101010101010101010101010101010101010d0e0f08100f01010d1a22130101081105060c050d0e0f08100f01010101010000010a0b00160101151f030101010101080913010101010817030101011907010101010101010101010101010101010101010101010101010101010101010101010101010101010101060000070101010101151301010809000007010106000007010101010101000001151e2111050101190c0501010101010d1a1301010101150c050101060701010101010101010101010101010101010101010101010101010101010101010101010101010101010101010101010101010101010101010101010101010101010101010101010100000119130102030101081703010101010101151f030101010119130101010101010101010101010101010101010101010101010101010101010101010101010101010101010101010101010101010101010101010101010101010101010101010101010101010100000a0b0701061301010d1a07010101010101080907010101010a0b1301010101010101010101010101010101010101010101010101010101010101010101010101010101010101010101010101010101010101010101010101010101010101010101010101010100000d1a07010a1403010d1a07010a0b000000201a1301010101010a0b07010101010101000000000000000000000000000000000000000000000000000000000000000000000000000000000000000000000000000000000000000000000000000000000000000000000a0b0701010607010d1a0701191f03010115000c05010101010108091601010101010101010101010101010101010101010101010101010101010101010101010101010101010101010101010101010101010101010101010101010101010101010101010101000001191301010d0e0f0809160d1a130101010a0b0c05010101010101191e0f010101010101010101010101010101010101010101010101010101010101010101010101010101010101010101010101010101010101010101010101010101010101010101010101000001061f0301011507190c050809070101010a0b0c0501010101010106001601010101010101010101010101010101010101010101010101010101061f0301010101010101010101010101010101010101010101010101010101010101010101190c05010101010000010a0b1e0f010d1a0016010d1a130101010d1a070101190701010115001601010101010101010101010101010101010101010101010101010115130101010101010101010101010101010101010101010101010101010101010101010101010108110501010100000101011500000000160101011500160101191e0f0101191f03010d1a1e0f010101010101010101010101010101010101010101010101010108100f010101010101010101010101010101010101010101010101010101010101010101010101010115070101010000010101010101010d1803010101080900001e0f01010101060000001f03010101010101010115001f030a0b000c0501010a14030101010101150701010101010101010101010101010101010101010101010101010101010101010101010101010108100f01010000010101010101010101010101010101010101010101010101010101010101010101010101010a0b070101081703010101010613010101010a0b160101010101010101010101010101010101010101010101010101010101010101010101010101010a1403010100000101010101010101010101010101010101010101010101010101010101010101010101010101151301010a0b07010101010a14030101010a0b160101010101010101010101010101010101010101010101010101010101010101010101010101010a0b1601010000010101010101010101010101010101010101010101010101010101010101010101010101010108100f01011513010101010106130101010a0b160101010101010101010101010101010101010101010101010101010101010101010101010101010a0b160101000001010101010101010101010101010101010101010101010101010101010101010101010101010d1a000000001e0f010101010a140301010a0b160101010101010101010101010101010101010101010101010101010101010101010101010101010a1403010100000101010101010101010101010101010101010101010101010101010101010101010101010101011907010108091601010101010613010101150701010101010101010101010101010101010101010101010101010101010101010101010101010108100f01010000010101010101010101010101010101010101010101010101010101010101010101010101010101150c05010a0b07010a1d05010a1403010108110501010101010203010101150000160115070115000016010809000007010d1a000007010101011507010101000001010101010101010101010101010101010101010101010101010101010101010101010101010d1a001301060000160a0b0000000013010101150c0501010101020301010d180308100f15070d180308100f081b0108100f0d1c050d0e0f0101060c05010101000001010101010101010101010101010101010101010101010101010101010101010101010101010101010101010101010101010101010101010101081703010101020301010811050a140301010811050a14030108090016010101010d18030119130101010101000001010101010101010101010101010101010101010101010101010101010101010101010101010101010101010101010101010101010101010101010101080900000000130811050a140301010811050a14030101011516010a0b000013010101010101010101000001010101010101010101010101010101010101010101010101010101010101010101010101010101010101010101010101010101010101010101010101010101020301010d0e0f08100f01010d0e0f08100f081105060c050a120f01010101010101010101010000010101010101010101010101010101010101010101010101010101010101010101010101010101010101010101010101010101010101010101010101010101010203010101060000070101010106000007010809000007010a0b00000c0501010101010101010000010101010101010101010101010101010101010101010101010101010101010101010101010101010101010101010101010101010101010101010101010101010203010101010101010101010101010101010101010101010101010104050101010101010101000001010101010101010101010101010101010101010101010101010101010101010101010101010101010101010101010101010101010101010101010101010101010101010101010101010101010101010101010101010101010101010101010101010101010100000c00000040092900aa0000000000000028006a0000000000040000002701ffff030000000000
Определяем предельные размеры:
Dmax = D+ES = 92 + 0.035 = 92.035 мм
Dmin = D+EI = 92 + 0 = 92 мм
dmax = d + es = 92 + (- 0.120) = 91.880 мм
dmin = d + ei = 92 + (- 0,340) = 91.660 мм
Определяем наибольший и наименьший зазаоры:
Smax = Dmax - dmin = 92.035 – 91.660 = 0.375 мм
Smin = Dmin - dmax = 92– 91.880 = 0.120 мм
Строим схему расположения полей допусков

Рисунок 2.1.2 – Схема расположения
полей допусков посадки 
Выберим посадку для соединения «г». Исходя из тех же соображений, что и при выборе посадки для предыдущего соединения, т.к. эти соединения однотипные, выберим для данного соединения посадку 010009000003aa1500000000b40c00000000b40c000026060f005e19574d464301000000000001006d9f00000000010000003c190000000000003c190000010000006c000000000000000000000074000000270000000000000000000000f70b00001704000020454d46000001003c1900000c00000001000000000000000000000000000000900600001a040000b801000013010000000000000000000000000000c0b6060038320400460000002c00000020000000454d462b014001001c000000100000000210c0db010000006000000060000000460000002006000014060000454d462b224004000c000000000000001e4009000c00000000000000244001000c000000000000003040020010000000040000000000803f214007000c00000000000000084000056c050000600500000210c0db01000000000000000000000000000000000000000100000089504e470d0a1a0a0000000d4948445200000070000000260802000000935588f6000000017352474200aece1ce9000000097048597300000e2600000e2601a2ef25fc000004e9494441546843ed5a4b72e2301075e61ca42aabac7201a89a2d0748398b649b13642e80b94072826c61118a03b04d15be00abac5265eee1e9d6af5b1f0b303628cc7893589684f4d49fd7ddbaaaeb3afbff7487c0afeea64a71a672fa30df76bcb0721e9bf2c20175b12ca757e2716176dab7f307d98f7a52d368193ba17f0ad0723acad660e3aa59f6f45e122ca1f67c5641cf75b1587e6a112f702c3c1f8f8308a4b2cfa53dd52c77f60c6840a38489fd67bf510f0908bc6b14d98cba2908da654928eaa5d0e6c1e387d8eeba5010d693e161a654a8f8f5d3428fd233c294c5ab34a26827a64cd045d70401d5f64caed57a63b64d5a38b61ffcf692bd4514727073271578fbb95cdcdd0c321882f07bedf8e1fd068fa49a6d467a1d6477712c3cc3495d8f57ae3d4e50d951bbb46009b5336fd5ac903a1b515b6b4324a17a8c9438a9b546c38d3e2b6d66faad17b22eb4acd2d202eba8b3040185b5db78aafd3b50f156d7f89d7257883e99d504012559d032e17b0107407b4fa744d3d395f46ce8f67bc30e5c4035761d4af9fe74f7274a5e0ef34047f75e7c556a8ee40045874108e25b7e7b6d6f783b7fddcc9e0ff4da4763b6e704a9016a2328deee7fdb3c3a39f104a8d9a137181ccb31501fdb01bb631bbf729e1da3c5ba9ff449f65bd0b9eb15a4e8949ce0c2dbb7f1150e6d907b8a7c1513538862484ba7bee37c6ec9394be9e525980643850e618a0df8c6b1213c767f656720e68e066f2d813e0fa49e6a0840719316f38317bb8df48df774b61e84db03b03744bd8db43c99bd87052142a754ae8aac302c44d9fce1f32c5f5839993ddd9ce39181047193adbe6ebebbce528a8931188ce7825a6da26150f0d70050247ee4a5ca95a22410e166590f1bbfbe7513415d6ef2ec7301a0d59749a94056e075e3d294fed7a893b997f017006522730a8a27ce4fe56bd459ed6db57e40470014755b864e46dd71a3c2121c2dadc2705060a610f4829ffeb5e054bf804e0945b45895b6ba83b0fa414a8b5509f987d9f550f4808e80b69835e1218c87123d0cf3cd261ecac29510a9123c8913fb606470626dd68188bf168bcf0612a314c404f761d2774ed2cca1de4e18250484bac4bff2382ac2624f89286c56acde0d0604b3cc597ad3f0760ac59bc6aaf553a4d447f4d20e2479b647c9b1c92af8671da9d69928dac7c2a4fe2934a2ff74a888e365b6092b508756b1fa3363c309c2c08940b01c865e345426b38a4ba6b666cef6f07de284ab712460e0c5a5d4d277f298805aa99ca82ccb8d84ccf2a7a91d98f4cbf2be8a874b4dd5ba908cc00f61e96f322ca7a25ae757f4e4289082fbe50b94fcda69652fa3b819d70a5f553a9167ab6163bba9bd4797682c815dade30642acc06b309924cb89c8df121639194059a6c14f6e366592bcf6f3a49c18cdc9135179e0c045b1568a0a0a6f4752fd99ebce675ea401a855f800eaff8323a934002541011f001e0804743b9fd2ad419ebfe142d5d4be5bf082d7f00297eee44cd09bddd76bbac2873df3446ca831fe2ab5edd44c0c40869c3afc92b7ef41601bc87980c6cbfc3b907d336b33b14fcb2975c51b1cb7d482d85b97ee10ce62cddc6488d81b270fa8a7a6f2bb9575478fc1e39bb9e085b4515dc3a3f38a137be7d21dbcaec67a44f4eab2e0bf6f70f9a22bc9486b9e60b98796a823732dce4aece08fe1a55494a413146aef8e55a90a6d122e14d05dc71b26f6c1dc9261f726d6d0977983d98fbf686ac80b9abd84b50000000049454e44ae4260820840010824000000180000000210c0db01000000030000000000000000000000000000001b40000040000000340000000100000002000000000000bf000000bf0000e04200001842030000000000008000000080ffffe9420000008000000080ffff1f422100000008000000620000000c00000001000000150000000c00000004000000150000000c0000000400000051000000b81100000000000000000000740000002700000000000000000000000000000000000000700000002600000050000000c800000018010000a0100000000000002000cc0075000000280000002800000070000000260000000100080000000000000000000000000000000000280000000000000000000000ffffff005480c600ffe3a600a6a6c600ffffe30080c6ff00e3a65400a6e3ff0000005400e3ffff000054a600a6540000c6ffff0080008000ffffc60080005400a65454008054a600c68000005454a60054a6e300ffc6800054005400540080000080c60000008000c6805400a6548000a680a6008000000054000000a6e3c600545454008080c600e3e3e300e3ffc600c6e3a600e3c68000e3a6a6000101010101010101010101010101010101010101010101010101010101010101010101010101010101010101010101010101010101010101010101010101010101010101010101010101010101010101010115000016011507080900000701010115000c0501150000160101010101010101010101010101010101010101010101010101010101010101010101010101010101010101010101010101010101010101010101010101010101010101010101010101010101061f03010101010101010d180308100f1507081b0108100f1500000000070d180308100f01190c05010101010101010101010101010101010101010101010101010101010101010101010101010101010101010101010101010101010101010101010101010101010101010101010115130101010101010101010811050a14030101010809001601081b0a1425270811050a1403010108110501010101010101010101010101010101010101010101010101010101010101010101010101010101010101010101010101010101010101010101010101010101010101010108100f0101080900000000130811050a140301010101011516010106261403010811050a1403010101150701010101010101010101010101010101010101010101010101010101010101010101010101010101010101010a0b001f251a1f0301150000000007010115000000000701011507010101010101010101010d0e0f08100f0101081105060c050101022103010d0e0f08100f010101081001010101010101010101010101010101010101010101010101010101010101010101010101010101010101010817030a0b1e241d050101191301010101010119130101010a0b1601010101010101010101010600000701010108090000070101010d1803010106000007010101010a140101010101010101010101010101010101010101010101010101010101010101010101010101010101010101081703010d180301010101151301010101010115130101010a0b160101010101010101010101010101010101010101010101010101010101010101010101010101010a0b01010101010101010101010101010101010101010101010101010101010101010101010101010101010101010a0b160101191601010101151301010101010115130101010a0b160101010101010101010101010101010101010101010101010101010101010101010101010101010a0b010101010101010101010101010101010101010101010101010101010101010101010101010101010101010101061f0301150701010101151301010101010115130101010a0b160101010101010101010101010101010101010101010101010101010101010101010101010101010a1401010101010101010101010101010101010101010101010101010101010101010101010101010101010101010101060000000c05012301151301010101230115130101010115070101010101010101010101150000160115070a0b00001f03080900000c050115000016010101010810010101010101010101010101010101010101010101010101010101010101010101010101010101010101010101010101010d0e0f01150000130101010115000013010101010811050101010101010101010d180308100f150701010613010101150701220f0d180308100f0101011507010101010101010101010101010101010101010101010101010101010101010101010101010101010101010101010101010a0b16010101191301010101010119130101010101150c0501010101010101010811050a140301010101061301010101151301010811050a14030101060c05010a0b1601010101010101010101010101010101010101010101010101010101010101010101010101010101010101010119000701010101010101010101010101010101010101081703080900000000130811050a140301010101061301010101010607010811050a1403011913010101010d1a0000001e0f0101010a0b00000000001301010a0b0000000000130101010d1a00000c050101010101010101010101010101010101010101010101010101010101010101010101010101010101010d0e0f08100f01010d1a21130101081105060c050d0e0f08100f0101010101010a0b00160101151f030101010101151f0301010101010101151f03010101010d1a0c050a0b0c0501010101010101010101010101010101010101010101010101010101010101010101010101010101010106000007010101010115130101080900000701010600000701010101010101151e2011050101190c0501010101151f0301010101010101151f03010101011500160101060016010101010101010101010101010101010101010101010101010101010101010101010101010101010101010101010101010101010101010101010101010101010101010101010101011913010203010108170301010101151f0301010101010101151f0301010101191e0f01010d1a070101010101010101010101010101010101010101010101010101010101010101010101010101010101010101010101010101010101010101010101010101010101010101010101010a0b0701061301010d1a0701010101151f0301010101010101151f030101010a0b0c0501010d1a130101010101010101010101010101010101010101010101010101010101010101010101010101010101010101010101010101010101010101010101010101010101010101010101010d1a07010a1403010d1a0701010101151f0301010101010101151f030101010a0b0c0501010a0b0c0501010100000000000000000000000000000000000000000000000000000000000000000000000000000000000000000000000000000000000000000000000000000000000000000a0b0701010607010d1a0701010101151f0301010101010101151f030101010a0b0c0501010a0b0c05010101010101010101010101010101010101010101010101010101010101010101010101010101010101010101010101010101010101010101010101010101010101010101010101191301010d0e0f08091601010101151f0301010101010101151f030101010a0b0c0501010d1a0c05010101010101010101010101010101010101010101010101010101010101010101010101010101010101010101010101010101010101010101010101010101010101010101010101061f0301011507190c0501010101151f0301010101010101151f0301010101191e0f01010d1a1301010101010101010101010101010101010101010101010101010101061f0301010101010101010101010101010101010101010101010101010101010101010101190c0501010101010a0b1e0f010d1a00160101061e0f151f0301010101061e0f151f0301010101061f030101060016010101010101010101010101010101010101010101010101010101151301010101010101010101010101010101010101010101010101010101010101010101010101081105010101010101150000000016010101010d1a001f0301010101010d1a001f03010101010a0b0c050a0b1e0f010101010101010101010101010101010101010101010101010108100f01010101010101010101010101010101010101010101010101010101010101010101010101011507010101010101010101010d180301010101010817030101010101010108170301010101010a0b00001e0f010101010101010115001f030a0b000c0501010a14030101010101150701010101010101010101010101010101010101010101010101010101010101010101010101010108100f010101010101010101010101010101010101010101010101010101010101010101010101010101010101010101010101010a0b070101081703010101010613010101010a0b160101010101010101010101010101010101010101010101010101010101010101010101010101010a14030101010101010101010101010101010101010101010101010101010101010101010101010101010101010101010101010101151301010a0b07010101010a14030101010a0b160101010101010101010101010101010101010101010101010101010101010101010101010101010a0b16010101010101010101010101010101010101010101010101010101010101010101010101010101010101010101010101010108100f01011513010101010106130101010a0b160101010101010101010101010101010101010101010101010101010101010101010101010101010a0b1601010101010101010101010101010101010101010101010101010101010101010101010101010101010101010101010101010d1a000000001e0f010101010a140301010a0b160101010101010101010101010101010101010101010101010101010101010101010101010101010a14030101010101010101010101010101010101010101010101010101010101010101010101010101010101010101010101010101011907010108091601010101010613010101150701010101010101010101010101010101010101010101010101010101010101010101010101010108100f010101010101010101010101010101010101010101010101010101010101010101010101010101010101010101010101010101150c05010a0b07010a1d05010a1403010108110501010101010203010101150000160115070115000016010809000007010d1a0000070101010115070101010101010101010101010101010101010101010101010101010101010101010101010101010101010101010101010101010d1a001301060000160a0b0000000013010101150c0501010101020301010d180308100f15070d180308100f081b0108100f0d1c050d0e0f0101060c050101010101010101010101010101010101010101010101010101010101010101010101010101010101010101010101010101010101010101010101010101010101010101010101081703010101020301010811050a140301010811050a14030108090016010101010d180301191301010101010101010101010101010101010101010101010101010101010101010101010101010101010101010101010101010101010101010101010101010101010101010101010101010101080900000000130811050a140301010811050a14030101011516010a0b0000130101010101010101010101010101010101010101010101010101010101010101010101010101010101010101010101010101010101010101010101010101010101010101010101010101010101010101010101020301010d0e0f08100f01010d0e0f08100f081105060c050a120f010101010101010101010101010101010101010101010101010101010101010101010101010101010101010101010101010101010101010101010101010101010101010101010101010101010101010101010101010203010101060000070101010106000007010809000007010a0b00000c05010101010101010101010101010101010101010101010101010101010101010101010101010101010101010101010101010101010101010101010101010101010101010101010101010101010101010101010203010101010101010101010101010101010101010101010101010104050101010101010101010101010101010101010101010101010101010101010101010101010101010101010101010101010101010101010101010101010101010101010101010101010101010101010101010101010101010101010101010101010101010101010101010101010101010101010101010101014c0000006400000000000000000000007400000027000000000000000000000075000000280000002900aa0000000000000000000000803f00000000000000000000803f0000000000000000000000000000000000000000000000000000000000000000220000000c000000ffffffff460000001c00000010000000454d462b024000000c000000000000000e000000140000000000000010000000140000000400000003010800050000000b0200000000050000000c0228007500030000001e0004000000070104000400000007010400c1080000410b2000cc00260070000000000028007500000000002800000070000000260000000100080000000000000000000000000000000000280000000000000000000000ffffff005480c600ffe3a600a6a6c600ffffe30080c6ff00e3a65400a6e3ff0000005400e3ffff000054a600a6540000c6ffff0080008000ffffc60080005400a65454008054a600c68000005454a60054a6e300ffc6800054005400540080000080c60000008000c6805400a6548000a680a6008000000054000000a6e3c600545454008080c600e3e3e300e3ffc600c6e3a600e3c68000e3a6a6000101010101010101010101010101010101010101010101010101010101010101010101010101010101010101010101010101010101010101010101010101010101010101010101010101010101010101010115000016011507080900000701010115000c0501150000160101010101010101010101010101010101010101010101010101010101010101010101010101010101010101010101010101010101010101010101010101010101010101010101010101010101061f03010101010101010d180308100f1507081b0108100f1500000000070d180308100f01190c05010101010101010101010101010101010101010101010101010101010101010101010101010101010101010101010101010101010101010101010101010101010101010101010115130101010101010101010811050a14030101010809001601081b0a1425270811050a1403010108110501010101010101010101010101010101010101010101010101010101010101010101010101010101010101010101010101010101010101010101010101010101010101010108100f0101080900000000130811050a140301010101011516010106261403010811050a1403010101150701010101010101010101010101010101010101010101010101010101010101010101010101010101010101010a0b001f251a1f0301150000000007010115000000000701011507010101010101010101010d0e0f08100f0101081105060c050101022103010d0e0f08100f010101081001010101010101010101010101010101010101010101010101010101010101010101010101010101010101010817030a0b1e241d050101191301010101010119130101010a0b1601010101010101010101010600000701010108090000070101010d1803010106000007010101010a140101010101010101010101010101010101010101010101010101010101010101010101010101010101010101081703010d180301010101151301010101010115130101010a0b160101010101010101010101010101010101010101010101010101010101010101010101010101010a0b01010101010101010101010101010101010101010101010101010101010101010101010101010101010101010a0b160101191601010101151301010101010115130101010a0b160101010101010101010101010101010101010101010101010101010101010101010101010101010a0b010101010101010101010101010101010101010101010101010101010101010101010101010101010101010101061f0301150701010101151301010101010115130101010a0b160101010101010101010101010101010101010101010101010101010101010101010101010101010a1401010101010101010101010101010101010101010101010101010101010101010101010101010101010101010101060000000c05012301151301010101230115130101010115070101010101010101010101150000160115070a0b00001f03080900000c050115000016010101010810010101010101010101010101010101010101010101010101010101010101010101010101010101010101010101010101010d0e0f01150000130101010115000013010101010811050101010101010101010d180308100f150701010613010101150701220f0d180308100f0101011507010101010101010101010101010101010101010101010101010101010101010101010101010101010101010101010101010a0b16010101191301010101010119130101010101150c0501010101010101010811050a140301010101061301010101151301010811050a14030101060c05010a0b1601010101010101010101010101010101010101010101010101010101010101010101010101010101010101010119000701010101010101010101010101010101010101081703080900000000130811050a140301010101061301010101010607010811050a1403011913010101010d1a0000001e0f0101010a0b00000000001301010a0b0000000000130101010d1a00000c050101010101010101010101010101010101010101010101010101010101010101010101010101010101010d0e0f08100f01010d1a21130101081105060c050d0e0f08100f0101010101010a0b00160101151f030101010101151f0301010101010101151f03010101010d1a0c050a0b0c0501010101010101010101010101010101010101010101010101010101010101010101010101010101010106000007010101010115130101080900000701010600000701010101010101151e2011050101190c0501010101151f0301010101010101151f03010101011500160101060016010101010101010101010101010101010101010101010101010101010101010101010101010101010101010101010101010101010101010101010101010101010101010101010101011913010203010108170301010101151f0301010101010101151f0301010101191e0f01010d1a070101010101010101010101010101010101010101010101010101010101010101010101010101010101010101010101010101010101010101010101010101010101010101010101010a0b0701061301010d1a0701010101151f0301010101010101151f030101010a0b0c0501010d1a130101010101010101010101010101010101010101010101010101010101010101010101010101010101010101010101010101010101010101010101010101010101010101010101010d1a07010a1403010d1a0701010101151f0301010101010101151f030101010a0b0c0501010a0b0c0501010100000000000000000000000000000000000000000000000000000000000000000000000000000000000000000000000000000000000000000000000000000000000000000a0b0701010607010d1a0701010101151f0301010101010101151f030101010a0b0c0501010a0b0c05010101010101010101010101010101010101010101010101010101010101010101010101010101010101010101010101010101010101010101010101010101010101010101010101191301010d0e0f08091601010101151f0301010101010101151f030101010a0b0c0501010d1a0c05010101010101010101010101010101010101010101010101010101010101010101010101010101010101010101010101010101010101010101010101010101010101010101010101061f0301011507190c0501010101151f0301010101010101151f0301010101191e0f01010d1a1301010101010101010101010101010101010101010101010101010101061f0301010101010101010101010101010101010101010101010101010101010101010101190c0501010101010a0b1e0f010d1a00160101061e0f151f0301010101061e0f151f0301010101061f030101060016010101010101010101010101010101010101010101010101010101151301010101010101010101010101010101010101010101010101010101010101010101010101081105010101010101150000000016010101010d1a001f0301010101010d1a001f03010101010a0b0c050a0b1e0f010101010101010101010101010101010101010101010101010108100f01010101010101010101010101010101010101010101010101010101010101010101010101011507010101010101010101010d180301010101010817030101010101010108170301010101010a0b00001e0f010101010101010115001f030a0b000c0501010a14030101010101150701010101010101010101010101010101010101010101010101010101010101010101010101010108100f010101010101010101010101010101010101010101010101010101010101010101010101010101010101010101010101010a0b070101081703010101010613010101010a0b160101010101010101010101010101010101010101010101010101010101010101010101010101010a14030101010101010101010101010101010101010101010101010101010101010101010101010101010101010101010101010101151301010a0b07010101010a14030101010a0b160101010101010101010101010101010101010101010101010101010101010101010101010101010a0b16010101010101010101010101010101010101010101010101010101010101010101010101010101010101010101010101010108100f01011513010101010106130101010a0b160101010101010101010101010101010101010101010101010101010101010101010101010101010a0b1601010101010101010101010101010101010101010101010101010101010101010101010101010101010101010101010101010d1a000000001e0f010101010a140301010a0b160101010101010101010101010101010101010101010101010101010101010101010101010101010a14030101010101010101010101010101010101010101010101010101010101010101010101010101010101010101010101010101011907010108091601010101010613010101150701010101010101010101010101010101010101010101010101010101010101010101010101010108100f010101010101010101010101010101010101010101010101010101010101010101010101010101010101010101010101010101150c05010a0b07010a1d05010a1403010108110501010101010203010101150000160115070115000016010809000007010d1a0000070101010115070101010101010101010101010101010101010101010101010101010101010101010101010101010101010101010101010101010d1a001301060000160a0b0000000013010101150c0501010101020301010d180308100f15070d180308100f081b0108100f0d1c050d0e0f0101060c050101010101010101010101010101010101010101010101010101010101010101010101010101010101010101010101010101010101010101010101010101010101010101010101081703010101020301010811050a140301010811050a14030108090016010101010d180301191301010101010101010101010101010101010101010101010101010101010101010101010101010101010101010101010101010101010101010101010101010101010101010101010101010101080900000000130811050a140301010811050a14030101011516010a0b0000130101010101010101010101010101010101010101010101010101010101010101010101010101010101010101010101010101010101010101010101010101010101010101010101010101010101010101010101020301010d0e0f08100f01010d0e0f08100f081105060c050a120f010101010101010101010101010101010101010101010101010101010101010101010101010101010101010101010101010101010101010101010101010101010101010101010101010101010101010101010101010203010101060000070101010106000007010809000007010a0b00000c05010101010101010101010101010101010101010101010101010101010101010101010101010101010101010101010101010101010101010101010101010101010101010101010101010101010101010101010203010101010101010101010101010101010101010101010101010104050101010101010101010101010101010101010101010101010101010101010101010101010101010101010101010101010101010101010101010101010101010101010101010101010101010101010101010101010101010101010101010101010101010101010101010101010101010101010101010101010c00000040092900aa000000000000002800750000000000040000002701ffff030000000000 [4, с. 102]
Так как данная посадка аналогична предыдущей, она будет иметь такую же схему расположения полей допусков, предельные зазоры и предельные размеры.
Выберим посадки для соединений «д» и «е» т.к. эти соединения одинаковые, то выбор посадок для них рассмотрим в одном пункте.
Анализируя работу этих соединений приходим к выводу, что поле допуска вала должно быть такое же, как и при посадке вала и внутреннего кольца подшипника – к6. Это упрощает шлифование поверхности вала и не увеличивает номенклатуру режущего и измерительного инструмента. Тогда по [4,с. 91] выбираем поле допуска отверстий колец Н9.
Посадка 010009000003301300000000780b00000000780b000026060f00e616574d46430100000000000100dee70000000001000000c416000000000000c4160000010000006c0000000000000000000000630000002700000000000000000000003a0a00001704000020454d4600000100c41600000c00000001000000000000000000000000000000900600001a040000b801000013010000000000000000000000000000c0b6060038320400460000002c00000020000000454d462b014001001c000000100000000210c0db010000006000000060000000460000002406000018060000454d462b224004000c000000000000001e4009000c00000000000000244001000c000000000000003040020010000000040000000000803f214007000c000000000000000840000570050000640500000210c0db01000000000000000000000000000000000000000100000089504e470d0a1a0a0000000d4948445200000060000000260802000000b4fb091e000000017352474200aece1ce9000000097048597300000e2600000e2601a2ef25fc000004eb494441546843ed5a4d6eea30104edf3940eaaa2b2e0052b73d004a1765db13b417205c004ed02d2c8a3800db4ae402acbaaa14ee9137e3f1d863c7e1c581a6503d6fda18ffcc7c9e3f7fc94d5996c9ff568fc09f6b04279f3dae0e1d097e950005b0c96737aaf9c805fba97396e33a87d523cdacce55dbfc0e80f2d928d941b02896c9e44de94d2dd08f806c1f606c391dea51e9b280c75db6de7c04ec12875e4b2b96a9673c19c202b8a4a4a4f8afa67f979915f414567e97791df4c33558101eba729dded3bb12daea62aca061443a7ced0d94c2d8c8acde9f7acaead8fb3a77318e07e4fcee535d2c40d15f924549c2d7b4deed80dce3f0b1590f6e7bb818225ae9c7f9ebcfc25d0606e30ed3613e43c986d3b27cd8da60d6a57ba18b583b964f68f9e42ee825f2ff90dd57bdc1389fe7735e3f2faf103243434e67bc36e9122080c1c5874111f8280fd2c36c6ce9524ada0ba14508bb8c41f9364bd693be4eaafdc93ac91e2893f4efd264ffa55308c409f203769886f1e5bcc37af7e31445ea1020545cbb119f90c607a2ef0212b4860e914beffae7d5b7d56a784cdd0184f6c01643d62151e004a53d6c7c7f2426b752b6eda496001d56b3c862df45443d855080dc36da2f17c772565b55e3e7a913ac097f4e3ca5cce2362fbbc811d68fcce2fc33cd729ff420dd29275f4290b6007920385acad41b4054fd6c6b5993424fce3d9c4a4e5e287a012fcd133806135d8fbb115504586f3b1c2e0c4acd0e5851b49032dbb69adc7a92305d6541ae86f4abd377d4822a809c15a18a78adb56e38d13b6e04a852a6a9e3f72ada5aa390fe453228808237bf86325ed230c862589fd88c9b6ff7cb672cdfe02293d8ea0d3af6f3e3cc8909e258f6fd9a0600159f6ba3ce6135df07b22f969549325e70110ef5701ca7c79cd4f5fd0580c481e76f93c16ba806c13a8e2fd458f6a649985d52482bc4f1526ddb25394d9c2c0010fa127100c6bd5033e579e18a56791fd306ce8381e432ee0a677074aca4d184b26deeba171893a975a1bc753c0ab1b3614b5920cc6769f04eea19d01904fdb12538aca000a678f132939b96bca2c94b5bd5a41667d26d46338fea67ce50bf577bdaf2b8a6723395b4206b1dac44e6b6fe4304b06cf55c6f1b8da3e6c0d6a62e915a56fb55899312cf630c831edcab95d89f2eabc03ad26b01d33cb2177948db02fca71870941d8df61443488bf7333a17eaf73640332b7284191cbd05d2cf5e3f0af9fe0af1b3da74a6f2086918470061928ae5bfa3553d3e4153d4a434eb2809694188e8a33a5d6258b3b89b23defdcf573c589f90be8cf762ca36e85d953ca6c3ea65332efe698f518cbd77489aaf877d11277d38c36931debc183627cadd4f1a2caec0141a2df7110a90cdb98ec68cbd242c5ce2c548e3c7a6b26bd21ea100393dea75c97c93cbe99f8b12883f577b3a2d19c5d601281b81bf4f064c462bea35c936f05e0aed1c8969270ab5dee7f489ba10ee1c20cc95bb64c40e8f7578ca14abbaf299b71ba7eb788e15ba0648c93c7c06279b531884fc6aae75ca9cdc4b5c231d9b7fdae18d3cf669075f96e2fdb3ed0cc9533ad578b8c86c1ca4a30a45b7a4347b7875a228b73b0dd271d0d65e0ad8aa623fedb09057c0775f66cb9f7fc4c51af98d7a9bb81f9998fd1d85a212447eda41cf507fd9174f71a7dafd688f220e08c0eec116c7e7eff7db0b97b04de1646890d5dd2ed8c51a1f46e342d1bedf935f92687bae21d1ff02ca194005636c9cdd0000000049454e44ae42608200000840010824000000180000000210c0db01000000030000000000000000000000000000001b40000040000000340000000100000002000000000000bf000000bf0000c04200001842030000000000008000000080feffc7420000008000000080feff1f422100000008000000620000000c00000001000000150000000c00000004000000150000000c00000004000000510000003c0f00000000000000000000630000002700000000000000000000000000000000000000600000002600000050000000ac000000fc000000400e0000000000002000cc0064000000280000002800000060000000260000000100080000000000000000000000000000000000210000000000000000000000ffffff005480c600ffe3a60080c6ff00e3a65400c6800000a6e3ff0000005400c6ffff0080008000ffffc6008000540054a6e300a6545400ffffe300a6540000e3ffff005454a60000008000540054000054a600ffc680000080c600540080008080c6008000000080a6e3005400000054545400a6e3c600c6805400a6a6800001010101010101010101010101010101010101010101010101010101010101010101010101010101010101010101010101010101010101010101010101010101010d000016010d05010d00001601010d0000160107080000100f0101010101010101010101010101010101010101010101010101010101010101010101010101010101010101010101010101010101010101010101041c030101010101010101091803070c0b0d05091803070c0b091803070c0b010d0501190b17100f010101010101010101010101010101010101010101010101010101010101010101010101010101010101010101010101010101010101010d0601010101010101010101070e0f1112030101070e0f111203070e0f11120301010d06010101070e0f0101010101010101010101010101010101010101010101010101010101010101010101010101010101010101010101010101010101070c0b01010708000000000601070e0f1112030101070e0f111203070e0f11120301010104050101010d050101010101010101010101010101010101010101010101010101010101010101010101010104001a0b0708060109130000100f01010d050101010101010101010101090a0b070c0b0101090a0b070c0b090a0b070c0b070e0f04100f0101070c0b010101010101010101010101010101010101010101010101010101010101010101010101011716010d100f11150501111506011115160101010101010101010101010400000501010101040000050101040000050107080000050101011112030101010101010101010101010101010101010101010101010101010101010101010101010117160913160109180301010d100f111516010101010101010101010101010101010101010101010101010101010101010101010101010101111516010101010101010101010101010101010101010101010101010101010101010101010101011700001601010708100f11150601111516010101010101010101010101010101010101010101010101010101010101010101010101010101111516010101010101010101010101010101010101010101010101010101010101010101010101011716071f01011115200800100f0111151601010101010101010101010101010101010101010101010101010101010101010101010101010111120301010101010101010101010101010101010101010101010101010101010101010101010104001a0b0d0005010d060101010101010d050101010101010101010101010d000016010d05010d00001601111500001c0311150000100f0101070c0b01010101010101010101010101010101010101010101010101010101010101010101010101010101010101011115060101010101070e0f01010101010101010101091803070c0b0d05091803070c0b010104060101070e0f11151601010d05010101010101010101010101010101010101010101010101010101010101010101010101010101010101010101010104001a0b0101010d100f010101010101010101070e0f1112030101070e0f1112030101040601010107080016010104100f010101111516010101010101010101010101010101010101010101010101010101010101010101010101010101010101010101010101010714030708000000000601070e0f1112030101070e0f111203010104060101070c0b111203170601010101010109130000001a0b0101010913000000100f0101010109130000100f0101010101010101010101010101010101010101010101010101010101010101010101090a0b070c0b0101090a0b070c0b09131d060101070c0b091803010101010101011115001601010d1c030101171c030111151a0b01010913100f1115100f01010101010101010101010101010101010101010101010101010101010101010101010400000501010101040000050101010d060101010d00000601010101010101010d1a1e0e0f010117100f01170501010107080501010d0016010104001601010101010101010101010101010101010101010101010101010101010101010101010101010101010101010101010101010101010101010101010101010101010101170601020301010714030101010101010913060101171a0b01010913050101010101010101010101010101010101010101010101010101010101010101010101010101010101010101010101010101010101010101010101010101010101011115050104060101091305010101010101070805011115100f01010913060101010101010101010101010101010101010101010101010101010101010101010101010101010101010101010101010101010101010101010101010101010101010913050111120301091305011115050111151c03011115100f01011115100f010101000000000000000000000000000000000000000000000000000000000000000000000000000000000000000000000000000000000000000000000000000011150501010405010913050107081d00001c0301011115100f01011115100f01010101010101010101010101010101010101010101010101010101010101010101010101010101010101010101010101010101010101010101010101010101010117060101090a0b070816010708160101010101011115100f01010913100f010101010101010101010101010101010101010101010101010101010101010101010101010101010101010101010101010101010101010101010101010101010101041c0301010d0517100f0107081601010101010101171a0b0101091306010101010101010101010101010101010101010101010101041c030101010101010101010101010101010101010101010101010101010101010101010117100f01010111151a0b0109130016010107081601010101010101041c03010104001601010101010101010101010101010101010101010101010d0601010101010101010101010101010101010101010101010101010101010101010101010101070e0f010101010d0000000016010101070816010101010101011115100f11151a0b01010101010101010101010101010101010101010101070c0b01010101010101010101010101010101010101010101010101010101010101010101010101010d05010101010101010109180301010708000000001c03010101111500001a0b01010101010d001c03111500100f0101111500160101010d05010101010101010101010101010101010101010101010101010101010101010101010101010101070c0b0101010101010101010101010101010101011b030101010101010101010101010101111505010107140301010101010913050111151601010101010101010101010101010101010101010101010101010101010101010101010101010111120301010101010101010101010101010101010101010101010101010101010101010101010d0601011115050101010101010918031115160101010101010101010101010101010101010101010101010101010101010101010101010101011115160101010101010101010101010101010101010101010101010101010101010101010101070c0b01010d060101010d000000000511151601010101010101010101010101010101010101010101010101010101010101010101010101010111151601010101010101010101010101010101010101010101010101010101010101010101010913000000001a0b01071403011115061115160101010101010101010101010101010101010101010101010101010101010101010101010101011112030101010101010101010101010101010101010101010101010101010101010101010101011705010107081601041a0b01011705010d05010101010101010101010101010101010101010101010101010101010101010101010101010101070c0b0101010101010101010101010101010101010101010101010101010101010101010101010d100f01111505010913160107081601070e0f01010101010203010101010d000016010d05010d00001601010d0000060107080000100f01010d050101010101010101010101010101010101010101010101010101010101010101010101010913000601040000160107080000050101010d100f010101010203010101091803070c0b0d05091803070c0b070c0b111516010d0501190b0104100f010101010101010101010101010101010101010101010101010101010101010101010101010101010101010101010101010101010101010714030101010203010101070e0f1112030101070e0f111203070e0f11151601010d06010117060101010101010101010101010101010101010101010101010101010101010101010101010101010101010101010101010101010101010101010101010708000000000601070e0f1112030101070e0f11120309130000100f01010104050101010101010101010101010101010101010101010101010101010101010101010101010101010101010101010101010101010101010101010101010101010101010203010101090a0b070c0b0101090a0b070c0b010d06010101070e0f04100f01010101010101010101010101010101010101010101010101010101010101010101010101010101010101010101010101010101010101010101010101010101010203010101010400000501010101040000050101010400060107080000050101010101010101010101010101010101010101010101010101010101010101010101010101010101010101010101010101010101010101010101010101010101010203010101010101010101010101010101010101010101010101010101010101010101010101010101010101010101010101010101010101010101010101010101010101010101010101010101010101010101010101010101010101010101010101010101010101010101010101010101010101010101010101010101010101010101014c0000006400000000000000000000006300000027000000000000000000000064000000280000002900aa0000000000000000000000803f00000000000000000000803f0000000000000000000000000000000000000000000000000000000000000000220000000c000000ffffffff460000001c00000010000000454d462b024000000c000000000000000e000000140000000000000010000000140000000400000003010800050000000b0200000000050000000c0228006400030000001e000400000007010400040000000701040083070000410b2000cc00260060000000000028006400000000002800000060000000260000000100080000000000000000000000000000000000210000000000000000000000ffffff005480c600ffe3a60080c6ff00e3a65400c6800000a6e3ff0000005400c6ffff0080008000ffffc6008000540054a6e300a6545400ffffe300a6540000e3ffff005454a60000008000540054000054a600ffc680000080c600540080008080c6008000000080a6e3005400000054545400a6e3c600c6805400a6a6800001010101010101010101010101010101010101010101010101010101010101010101010101010101010101010101010101010101010101010101010101010101010d000016010d05010d00001601010d0000160107080000100f0101010101010101010101010101010101010101010101010101010101010101010101010101010101010101010101010101010101010101010101041c030101010101010101091803070c0b0d05091803070c0b091803070c0b010d0501190b17100f010101010101010101010101010101010101010101010101010101010101010101010101010101010101010101010101010101010101010d0601010101010101010101070e0f1112030101070e0f111203070e0f11120301010d06010101070e0f0101010101010101010101010101010101010101010101010101010101010101010101010101010101010101010101010101010101070c0b01010708000000000601070e0f1112030101070e0f111203070e0f11120301010104050101010d050101010101010101010101010101010101010101010101010101010101010101010101010104001a0b0708060109130000100f01010d050101010101010101010101090a0b070c0b0101090a0b070c0b090a0b070c0b070e0f04100f0101070c0b010101010101010101010101010101010101010101010101010101010101010101010101011716010d100f11150501111506011115160101010101010101010101010400000501010101040000050101040000050107080000050101011112030101010101010101010101010101010101010101010101010101010101010101010101010117160913160109180301010d100f111516010101010101010101010101010101010101010101010101010101010101010101010101010101111516010101010101010101010101010101010101010101010101010101010101010101010101011700001601010708100f11150601111516010101010101010101010101010101010101010101010101010101010101010101010101010101111516010101010101010101010101010101010101010101010101010101010101010101010101011716071f01011115200800100f0111151601010101010101010101010101010101010101010101010101010101010101010101010101010111120301010101010101010101010101010101010101010101010101010101010101010101010104001a0b0d0005010d060101010101010d050101010101010101010101010d000016010d05010d00001601111500001c0311150000100f0101070c0b01010101010101010101010101010101010101010101010101010101010101010101010101010101010101011115060101010101070e0f01010101010101010101091803070c0b0d05091803070c0b010104060101070e0f11151601010d05010101010101010101010101010101010101010101010101010101010101010101010101010101010101010101010104001a0b0101010d100f010101010101010101070e0f1112030101070e0f1112030101040601010107080016010104100f010101111516010101010101010101010101010101010101010101010101010101010101010101010101010101010101010101010101010714030708000000000601070e0f1112030101070e0f111203010104060101070c0b111203170601010101010109130000001a0b0101010913000000100f0101010109130000100f0101010101010101010101010101010101010101010101010101010101010101010101090a0b070c0b0101090a0b070c0b09131d060101070c0b091803010101010101011115001601010d1c030101171c030111151a0b01010913100f1115100f01010101010101010101010101010101010101010101010101010101010101010101010400000501010101040000050101010d060101010d00000601010101010101010d1a1e0e0f010117100f01170501010107080501010d0016010104001601010101010101010101010101010101010101010101010101010101010101010101010101010101010101010101010101010101010101010101010101010101010101170601020301010714030101010101010913060101171a0b01010913050101010101010101010101010101010101010101010101010101010101010101010101010101010101010101010101010101010101010101010101010101010101011115050104060101091305010101010101070805011115100f01010913060101010101010101010101010101010101010101010101010101010101010101010101010101010101010101010101010101010101010101010101010101010101010913050111120301091305011115050111151c03011115100f01011115100f010101000000000000000000000000000000000000000000000000000000000000000000000000000000000000000000000000000000000000000000000000000011150501010405010913050107081d00001c0301011115100f01011115100f01010101010101010101010101010101010101010101010101010101010101010101010101010101010101010101010101010101010101010101010101010101010117060101090a0b070816010708160101010101011115100f01010913100f010101010101010101010101010101010101010101010101010101010101010101010101010101010101010101010101010101010101010101010101010101010101041c0301010d0517100f0107081601010101010101171a0b0101091306010101010101010101010101010101010101010101010101041c030101010101010101010101010101010101010101010101010101010101010101010117100f01010111151a0b0109130016010107081601010101010101041c03010104001601010101010101010101010101010101010101010101010d0601010101010101010101010101010101010101010101010101010101010101010101010101070e0f010101010d0000000016010101070816010101010101011115100f11151a0b01010101010101010101010101010101010101010101070c0b01010101010101010101010101010101010101010101010101010101010101010101010101010d05010101010101010109180301010708000000001c03010101111500001a0b01010101010d001c03111500100f0101111500160101010d05010101010101010101010101010101010101010101010101010101010101010101010101010101070c0b0101010101010101010101010101010101011b030101010101010101010101010101111505010107140301010101010913050111151601010101010101010101010101010101010101010101010101010101010101010101010101010111120301010101010101010101010101010101010101010101010101010101010101010101010d0601011115050101010101010918031115160101010101010101010101010101010101010101010101010101010101010101010101010101011115160101010101010101010101010101010101010101010101010101010101010101010101070c0b01010d060101010d000000000511151601010101010101010101010101010101010101010101010101010101010101010101010101010111151601010101010101010101010101010101010101010101010101010101010101010101010913000000001a0b01071403011115061115160101010101010101010101010101010101010101010101010101010101010101010101010101011112030101010101010101010101010101010101010101010101010101010101010101010101011705010107081601041a0b01011705010d05010101010101010101010101010101010101010101010101010101010101010101010101010101070c0b0101010101010101010101010101010101010101010101010101010101010101010101010d100f01111505010913160107081601070e0f01010101010203010101010d000016010d05010d00001601010d0000060107080000100f01010d050101010101010101010101010101010101010101010101010101010101010101010101010913000601040000160107080000050101010d100f010101010203010101091803070c0b0d05091803070c0b070c0b111516010d0501190b0104100f010101010101010101010101010101010101010101010101010101010101010101010101010101010101010101010101010101010101010714030101010203010101070e0f1112030101070e0f111203070e0f11151601010d06010117060101010101010101010101010101010101010101010101010101010101010101010101010101010101010101010101010101010101010101010101010708000000000601070e0f1112030101070e0f11120309130000100f01010104050101010101010101010101010101010101010101010101010101010101010101010101010101010101010101010101010101010101010101010101010101010101010203010101090a0b070c0b0101090a0b070c0b010d06010101070e0f04100f01010101010101010101010101010101010101010101010101010101010101010101010101010101010101010101010101010101010101010101010101010101010203010101010400000501010101040000050101010400060107080000050101010101010101010101010101010101010101010101010101010101010101010101010101010101010101010101010101010101010101010101010101010101010203010101010101010101010101010101010101010101010101010101010101010101010101010101010101010101010101010101010101010101010101010101010101010101010101010101010101010101010101010101010101010101010101010101010101010101010101010101010101010101010101010101010101010101010c00000040092900aa000000000000002800640000000000040000002701ffff030000000000
Определяем предельные размеры:
Dmax = D+ES = 50 + 0,062 = 50,062 мм
Dmin = D+EI = 50 + 0 = 50 мм
dmax = d + es = 50 + 0.018 = 50.018 мм
dmin = d + ei = 50 + 0.002 = 50.002 мм
Определяем наибольшие зазоры и натяги:
Smax = Dmax - dmin = 50,062 – 50,002 = 0,060 мм
Nmax = dmax – Dmin = 50.018 – 50 = 0.018 мм
Построим схему расположения полей допусков:

Рисунок
2.1.3 – Схема расположения полей допусков
посадки 010009000003301300000000780b00000000780b000026060f00e616574d46430100000000000100dee70000000001000000c416000000000000c4160000010000006c0000000000000000000000630000002700000000000000000000003a0a00001704000020454d4600000100c41600000c00000001000000000000000000000000000000900600001a040000b801000013010000000000000000000000000000c0b6060038320400460000002c00000020000000454d462b014001001c000000100000000210c0db010000006000000060000000460000002406000018060000454d462b224004000c000000000000001e4009000c00000000000000244001000c000000000000003040020010000000040000000000803f214007000c000000000000000840000570050000640500000210c0db01000000000000000000000000000000000000000100000089504e470d0a1a0a0000000d4948445200000060000000260802000000b4fb091e000000017352474200aece1ce9000000097048597300000e2600000e2601a2ef25fc000004eb494441546843ed5a4d6eea30104edf3940eaaa2b2e0052b73d004a1765db13b417205c004ed02d2c8a3800db4ae402acbaaa14ee9137e3f1d863c7e1c581a6503d6fda18ffcc7c9e3f7fc94d5996c9ff568fc09f6b04279f3dae0e1d097e950005b0c96737aaf9c805fba97396e33a87d523cdacce55dbfc0e80f2d928d941b02896c9e44de94d2dd08f806c1f606c391dea51e9b280c75db6de7c04ec12875e4b2b96a9673c19c202b8a4a4a4f8afa67f979915f414567e97791df4c33558101eba729dded3bb12daea62aca061443a7ced0d94c2d8c8acde9f7acaead8fb3a77318e07e4fcee535d2c40d15f924549c2d7b4deed80dce3f0b1590f6e7bb818225ae9c7f9ebcfc25d0606e30ed3613e43c986d3b27cd8da60d6a57ba18b583b964f68f9e42ee825f2ff90dd57bdc1389fe7735e3f2faf103243434e67bc36e9122080c1c5874111f8280fd2c36c6ce9524ada0ba14508bb8c41f9364bd693be4eaafdc93ac91e2893f4efd264ffa55308c409f203769886f1e5bcc37af7e31445ea1020545cbb119f90c607a2ef0212b4860e914beffae7d5b7d56a784cdd0184f6c01643d62151e004a53d6c7c7f2426b752b6eda496001d56b3c862df45443d855080dc36da2f17c772565b55e3e7a913ac097f4e3ca5cce2362fbbc811d68fcce2fc33cd729ff420dd29275f4290b6007920385acad41b4054fd6c6b5993424fce3d9c4a4e5e287a012fcd133806135d8fbb115504586f3b1c2e0c4acd0e5851b49032dbb69adc7a92305d6541ae86f4abd377d4822a809c15a18a78adb56e38d13b6e04a852a6a9e3f72ada5aa390fe453228808237bf86325ed230c862589fd88c9b6ff7cb672cdfe02293d8ea0d3af6f3e3cc8909e258f6fd9a0600159f6ba3ce6135df07b22f969549325e70110ef5701ca7c79cd4f5fd0580c481e76f93c16ba806c13a8e2fd458f6a649985d52482bc4f1526ddb25394d9c2c0010fa127100c6bd5033e579e18a56791fd306ce8381e432ee0a677074aca4d184b26deeba171893a975a1bc753c0ab1b3614b5920cc6769f04eea19d01904fdb12538aca000a678f132939b96bca2c94b5bd5a41667d26d46338fea67ce50bf577bdaf2b8a6723395b4206b1dac44e6b6fe4304b06cf55c6f1b8da3e6c0d6a62e915a56fb55899312cf630c831edcab95d89f2eabc03ad26b01d33cb2177948db02fca71870941d8df61443488bf7333a17eaf73640332b7284191cbd05d2cf5e3f0af9fe0af1b3da74a6f2086918470061928ae5bfa3553d3e4153d4a434eb2809694188e8a33a5d6258b3b89b23defdcf573c589f90be8cf762ca36e85d953ca6c3ea65332efe698f518cbd77489aaf877d11277d38c36931debc183627cadd4f1a2caec0141a2df7110a90cdb98ec68cbd242c5ce2c548e3c7a6b26bd21ea100393dea75c97c93cbe99f8b12883f577b3a2d19c5d601281b81bf4f064c462bea35c936f05e0aed1c8969270ab5dee7f489ba10ee1c20cc95bb64c40e8f7578ca14abbaf299b71ba7eb788e15ba0648c93c7c06279b531884fc6aae75ca9cdc4b5c231d9b7fdae18d3cf669075f96e2fdb3ed0cc9533ad578b8c86c1ca4a30a45b7a4347b7875a228b73b0dd271d0d65e0ad8aa623fedb09057c0775f66cb9f7fc4c51af98d7a9bb81f9998fd1d85a212447eda41cf507fd9174f71a7dafd688f220e08c0eec116c7e7eff7db0b97b04de1646890d5dd2ed8c51a1f46e342d1bedf935f92687bae21d1ff02ca194005636c9cdd0000000049454e44ae42608200000840010824000000180000000210c0db01000000030000000000000000000000000000001b40000040000000340000000100000002000000000000bf000000bf0000c04200001842030000000000008000000080feffc7420000008000000080feff1f422100000008000000620000000c00000001000000150000000c00000004000000150000000c00000004000000510000003c0f00000000000000000000630000002700000000000000000000000000000000000000600000002600000050000000ac000000fc000000400e0000000000002000cc0064000000280000002800000060000000260000000100080000000000000000000000000000000000210000000000000000000000ffffff005480c600ffe3a60080c6ff00e3a65400c6800000a6e3ff0000005400c6ffff0080008000ffffc6008000540054a6e300a6545400ffffe300a6540000e3ffff005454a60000008000540054000054a600ffc680000080c600540080008080c6008000000080a6e3005400000054545400a6e3c600c6805400a6a6800001010101010101010101010101010101010101010101010101010101010101010101010101010101010101010101010101010101010101010101010101010101010d000016010d05010d00001601010d0000160107080000100f0101010101010101010101010101010101010101010101010101010101010101010101010101010101010101010101010101010101010101010101041c030101010101010101091803070c0b0d05091803070c0b091803070c0b010d0501190b17100f010101010101010101010101010101010101010101010101010101010101010101010101010101010101010101010101010101010101010d0601010101010101010101070e0f1112030101070e0f111203070e0f11120301010d06010101070e0f0101010101010101010101010101010101010101010101010101010101010101010101010101010101010101010101010101010101070c0b01010708000000000601070e0f1112030101070e0f111203070e0f11120301010104050101010d050101010101010101010101010101010101010101010101010101010101010101010101010104001a0b0708060109130000100f01010d050101010101010101010101090a0b070c0b0101090a0b070c0b090a0b070c0b070e0f04100f0101070c0b010101010101010101010101010101010101010101010101010101010101010101010101011716010d100f11150501111506011115160101010101010101010101010400000501010101040000050101040000050107080000050101011112030101010101010101010101010101010101010101010101010101010101010101010101010117160913160109180301010d100f111516010101010101010101010101010101010101010101010101010101010101010101010101010101111516010101010101010101010101010101010101010101010101010101010101010101010101011700001601010708100f11150601111516010101010101010101010101010101010101010101010101010101010101010101010101010101111516010101010101010101010101010101010101010101010101010101010101010101010101011716071f01011115200800100f0111151601010101010101010101010101010101010101010101010101010101010101010101010101010111120301010101010101010101010101010101010101010101010101010101010101010101010104001a0b0d0005010d060101010101010d050101010101010101010101010d000016010d05010d00001601111500001c0311150000100f0101070c0b01010101010101010101010101010101010101010101010101010101010101010101010101010101010101011115060101010101070e0f01010101010101010101091803070c0b0d05091803070c0b010104060101070e0f11151601010d05010101010101010101010101010101010101010101010101010101010101010101010101010101010101010101010104001a0b0101010d100f010101010101010101070e0f1112030101070e0f1112030101040601010107080016010104100f010101111516010101010101010101010101010101010101010101010101010101010101010101010101010101010101010101010101010714030708000000000601070e0f1112030101070e0f111203010104060101070c0b111203170601010101010109130000001a0b0101010913000000100f0101010109130000100f0101010101010101010101010101010101010101010101010101010101010101010101090a0b070c0b0101090a0b070c0b09131d060101070c0b091803010101010101011115001601010d1c030101171c030111151a0b01010913100f1115100f01010101010101010101010101010101010101010101010101010101010101010101010400000501010101040000050101010d060101010d00000601010101010101010d1a1e0e0f010117100f01170501010107080501010d0016010104001601010101010101010101010101010101010101010101010101010101010101010101010101010101010101010101010101010101010101010101010101010101010101170601020301010714030101010101010913060101171a0b01010913050101010101010101010101010101010101010101010101010101010101010101010101010101010101010101010101010101010101010101010101010101010101011115050104060101091305010101010101070805011115100f01010913060101010101010101010101010101010101010101010101010101010101010101010101010101010101010101010101010101010101010101010101010101010101010913050111120301091305011115050111151c03011115100f01011115100f010101000000000000000000000000000000000000000000000000000000000000000000000000000000000000000000000000000000000000000000000000000011150501010405010913050107081d00001c0301011115100f01011115100f01010101010101010101010101010101010101010101010101010101010101010101010101010101010101010101010101010101010101010101010101010101010117060101090a0b070816010708160101010101011115100f01010913100f010101010101010101010101010101010101010101010101010101010101010101010101010101010101010101010101010101010101010101010101010101010101041c0301010d0517100f0107081601010101010101171a0b0101091306010101010101010101010101010101010101010101010101041c030101010101010101010101010101010101010101010101010101010101010101010117100f01010111151a0b0109130016010107081601010101010101041c03010104001601010101010101010101010101010101010101010101010d0601010101010101010101010101010101010101010101010101010101010101010101010101070e0f010101010d0000000016010101070816010101010101011115100f11151a0b01010101010101010101010101010101010101010101070c0b01010101010101010101010101010101010101010101010101010101010101010101010101010d05010101010101010109180301010708000000001c03010101111500001a0b01010101010d001c03111500100f0101111500160101010d05010101010101010101010101010101010101010101010101010101010101010101010101010101070c0b0101010101010101010101010101010101011b030101010101010101010101010101111505010107140301010101010913050111151601010101010101010101010101010101010101010101010101010101010101010101010101010111120301010101010101010101010101010101010101010101010101010101010101010101010d0601011115050101010101010918031115160101010101010101010101010101010101010101010101010101010101010101010101010101011115160101010101010101010101010101010101010101010101010101010101010101010101070c0b01010d060101010d000000000511151601010101010101010101010101010101010101010101010101010101010101010101010101010111151601010101010101010101010101010101010101010101010101010101010101010101010913000000001a0b01071403011115061115160101010101010101010101010101010101010101010101010101010101010101010101010101011112030101010101010101010101010101010101010101010101010101010101010101010101011705010107081601041a0b01011705010d05010101010101010101010101010101010101010101010101010101010101010101010101010101070c0b0101010101010101010101010101010101010101010101010101010101010101010101010d100f01111505010913160107081601070e0f01010101010203010101010d000016010d05010d00001601010d0000060107080000100f01010d050101010101010101010101010101010101010101010101010101010101010101010101010913000601040000160107080000050101010d100f010101010203010101091803070c0b0d05091803070c0b070c0b111516010d0501190b0104100f010101010101010101010101010101010101010101010101010101010101010101010101010101010101010101010101010101010101010714030101010203010101070e0f1112030101070e0f111203070e0f11151601010d06010117060101010101010101010101010101010101010101010101010101010101010101010101010101010101010101010101010101010101010101010101010708000000000601070e0f1112030101070e0f11120309130000100f01010104050101010101010101010101010101010101010101010101010101010101010101010101010101010101010101010101010101010101010101010101010101010101010203010101090a0b070c0b0101090a0b070c0b010d06010101070e0f04100f01010101010101010101010101010101010101010101010101010101010101010101010101010101010101010101010101010101010101010101010101010101010203010101010400000501010101040000050101010400060107080000050101010101010101010101010101010101010101010101010101010101010101010101010101010101010101010101010101010101010101010101010101010101010203010101010101010101010101010101010101010101010101010101010101010101010101010101010101010101010101010101010101010101010101010101010101010101010101010101010101010101010101010101010101010101010101010101010101010101010101010101010101010101010101010101010101010101014c0000006400000000000000000000006300000027000000000000000000000064000000280000002900aa0000000000000000000000803f00000000000000000000803f0000000000000000000000000000000000000000000000000000000000000000220000000c000000ffffffff460000001c00000010000000454d462b024000000c000000000000000e000000140000000000000010000000140000000400000003010800050000000b0200000000050000000c0228006400030000001e000400000007010400040000000701040083070000410b2000cc00260060000000000028006400000000002800000060000000260000000100080000000000000000000000000000000000210000000000000000000000ffffff005480c600ffe3a60080c6ff00e3a65400c6800000a6e3ff0000005400c6ffff0080008000ffffc6008000540054a6e300a6545400ffffe300a6540000e3ffff005454a60000008000540054000054a600ffc680000080c600540080008080c6008000000080a6e3005400000054545400a6e3c600c6805400a6a6800001010101010101010101010101010101010101010101010101010101010101010101010101010101010101010101010101010101010101010101010101010101010d000016010d05010d00001601010d0000160107080000100f0101010101010101010101010101010101010101010101010101010101010101010101010101010101010101010101010101010101010101010101041c030101010101010101091803070c0b0d05091803070c0b091803070c0b010d0501190b17100f010101010101010101010101010101010101010101010101010101010101010101010101010101010101010101010101010101010101010d0601010101010101010101070e0f1112030101070e0f111203070e0f11120301010d06010101070e0f0101010101010101010101010101010101010101010101010101010101010101010101010101010101010101010101010101010101070c0b01010708000000000601070e0f1112030101070e0f111203070e0f11120301010104050101010d050101010101010101010101010101010101010101010101010101010101010101010101010104001a0b0708060109130000100f01010d050101010101010101010101090a0b070c0b0101090a0b070c0b090a0b070c0b070e0f04100f0101070c0b010101010101010101010101010101010101010101010101010101010101010101010101011716010d100f11150501111506011115160101010101010101010101010400000501010101040000050101040000050107080000050101011112030101010101010101010101010101010101010101010101010101010101010101010101010117160913160109180301010d100f111516010101010101010101010101010101010101010101010101010101010101010101010101010101111516010101010101010101010101010101010101010101010101010101010101010101010101011700001601010708100f11150601111516010101010101010101010101010101010101010101010101010101010101010101010101010101111516010101010101010101010101010101010101010101010101010101010101010101010101011716071f01011115200800100f0111151601010101010101010101010101010101010101010101010101010101010101010101010101010111120301010101010101010101010101010101010101010101010101010101010101010101010104001a0b0d0005010d060101010101010d050101010101010101010101010d000016010d05010d00001601111500001c0311150000100f0101070c0b01010101010101010101010101010101010101010101010101010101010101010101010101010101010101011115060101010101070e0f01010101010101010101091803070c0b0d05091803070c0b010104060101070e0f11151601010d05010101010101010101010101010101010101010101010101010101010101010101010101010101010101010101010104001a0b0101010d100f010101010101010101070e0f1112030101070e0f1112030101040601010107080016010104100f010101111516010101010101010101010101010101010101010101010101010101010101010101010101010101010101010101010101010714030708000000000601070e0f1112030101070e0f111203010104060101070c0b111203170601010101010109130000001a0b0101010913000000100f0101010109130000100f0101010101010101010101010101010101010101010101010101010101010101010101090a0b070c0b0101090a0b070c0b09131d060101070c0b091803010101010101011115001601010d1c030101171c030111151a0b01010913100f1115100f01010101010101010101010101010101010101010101010101010101010101010101010400000501010101040000050101010d060101010d00000601010101010101010d1a1e0e0f010117100f01170501010107080501010d0016010104001601010101010101010101010101010101010101010101010101010101010101010101010101010101010101010101010101010101010101010101010101010101010101170601020301010714030101010101010913060101171a0b01010913050101010101010101010101010101010101010101010101010101010101010101010101010101010101010101010101010101010101010101010101010101010101011115050104060101091305010101010101070805011115100f01010913060101010101010101010101010101010101010101010101010101010101010101010101010101010101010101010101010101010101010101010101010101010101010913050111120301091305011115050111151c03011115100f01011115100f010101000000000000000000000000000000000000000000000000000000000000000000000000000000000000000000000000000000000000000000000000000011150501010405010913050107081d00001c0301011115100f01011115100f01010101010101010101010101010101010101010101010101010101010101010101010101010101010101010101010101010101010101010101010101010101010117060101090a0b070816010708160101010101011115100f01010913100f010101010101010101010101010101010101010101010101010101010101010101010101010101010101010101010101010101010101010101010101010101010101041c0301010d0517100f0107081601010101010101171a0b0101091306010101010101010101010101010101010101010101010101041c030101010101010101010101010101010101010101010101010101010101010101010117100f01010111151a0b0109130016010107081601010101010101041c03010104001601010101010101010101010101010101010101010101010d0601010101010101010101010101010101010101010101010101010101010101010101010101070e0f010101010d0000000016010101070816010101010101011115100f11151a0b01010101010101010101010101010101010101010101070c0b01010101010101010101010101010101010101010101010101010101010101010101010101010d05010101010101010109180301010708000000001c03010101111500001a0b01010101010d001c03111500100f0101111500160101010d05010101010101010101010101010101010101010101010101010101010101010101010101010101070c0b0101010101010101010101010101010101011b030101010101010101010101010101111505010107140301010101010913050111151601010101010101010101010101010101010101010101010101010101010101010101010101010111120301010101010101010101010101010101010101010101010101010101010101010101010d0601011115050101010101010918031115160101010101010101010101010101010101010101010101010101010101010101010101010101011115160101010101010101010101010101010101010101010101010101010101010101010101070c0b01010d060101010d000000000511151601010101010101010101010101010101010101010101010101010101010101010101010101010111151601010101010101010101010101010101010101010101010101010101010101010101010913000000001a0b01071403011115061115160101010101010101010101010101010101010101010101010101010101010101010101010101011112030101010101010101010101010101010101010101010101010101010101010101010101011705010107081601041a0b01011705010d05010101010101010101010101010101010101010101010101010101010101010101010101010101070c0b0101010101010101010101010101010101010101010101010101010101010101010101010d100f01111505010913160107081601070e0f01010101010203010101010d000016010d05010d00001601010d0000060107080000100f01010d050101010101010101010101010101010101010101010101010101010101010101010101010913000601040000160107080000050101010d100f010101010203010101091803070c0b0d05091803070c0b070c0b111516010d0501190b0104100f010101010101010101010101010101010101010101010101010101010101010101010101010101010101010101010101010101010101010714030101010203010101070e0f1112030101070e0f111203070e0f11151601010d06010117060101010101010101010101010101010101010101010101010101010101010101010101010101010101010101010101010101010101010101010101010708000000000601070e0f1112030101070e0f11120309130000100f01010104050101010101010101010101010101010101010101010101010101010101010101010101010101010101010101010101010101010101010101010101010101010101010203010101090a0b070c0b0101090a0b070c0b010d06010101070e0f04100f01010101010101010101010101010101010101010101010101010101010101010101010101010101010101010101010101010101010101010101010101010101010203010101010400000501010101040000050101010400060107080000050101010101010101010101010101010101010101010101010101010101010101010101010101010101010101010101010101010101010101010101010101010101010203010101010101010101010101010101010101010101010101010101010101010101010101010101010101010101010101010101010101010101010101010101010101010101010101010101010101010101010101010101010101010101010101010101010101010101010101010101010101010101010101010101010101010101010c00000040092900aa000000000000002800640000000000040000002701ffff030000000000
Выберем посадку для соединения «ж». Для легкости установления стаканов в корпусных деталях желательно применение посадок с зазором. Но тогда возможно их смещение в пределах зазоров, что вызывает изменение положения оси вращения вала и увеличение концентрации нагрузки. Поэтому в подобных соединениях зазоры нежелательны. В связи с этим в [4,с.95] рекомендуется применять следующие посадки для стаканов нерегулируемых в осевом направлении: Н7/к6; Н7/м6. Принимаем посадку Н7/к6.
Посадка 010009000003f414000000004c0c000000004c0c000026060f008e18574d4643010000000000010063cf00000000010000006c180000000000006c180000010000006c00000000000000000000006e0000002700000000000000000000005a0b00001704000020454d46000001006c1800000c00000001000000000000000000000000000000900600001a040000b801000013010000000000000000000000000000c0b6060038320400460000002c00000020000000454d462b014001001c000000100000000210c0db01000000600000006000000046000000ec050000e0050000454d462b224004000c000000000000001e4009000c00000000000000244001000c000000000000003040020010000000040000000000803f214007000c0000000000000008400005380500002c0500000210c0db01000000000000000000000000000000000000000100000089504e470d0a1a0a0000000d494844520000006a000000260802000000a3d999d7000000017352474200aece1ce9000000097048597300000e2600000e2601a2ef25fc000004b2494441546843ed5a3b72e2401095f71c50e5c81117802aa71c80c201a43e81f702880bd827702a02531c80d455d20588367295b8073bd3f3ebee9164092131669788f9683e6fba5f774fcfdde9748afeffce45e0d7b91f06fd5db67eda1c5bad30dbd41ae036e1e3c865eb3bf8715079fd71f3a43ade4d763086abf0be85f67f01be6c3d8952415279122ddf33076d617d2c7b8adfc762a07ace935c14d378bbfb2c1068d5f9467e7932678227d010950a02f48f966c0ff4bd81512393c67a0c8ad44d489f5431d0cbc1e203b6e736bb1a37a140f3bd18207eb5e42787df4fad384a8d5f6b210e073ec3436a65a4841848319359bd66a797e8cd299b07d7e07ea414eff8b9db8eee0792d024d85ebd9cd5b1a3eca9c697c3afc6d95acf3a5e9d4ed3bde6c270d4566a8ed3105cca9358695f8502927d3055b33aa934d2d755a3a9696cc077ea6e8f836aaf1a240a073eb1768a5ec4f847a925ae75b4d6ff36e499c4e1c0e74ede9cb78f1e830b76a02de555f09b07c37dc7af038202809972dacfde97a3dfc6a1686212baeabb0d053e49eb0e2f599a3f0ce9ae8f9bd743f2dcc89276059b1d3710f8285e509a3d6abf55af3538d1932e7519f7111ed79cedced273210971153a98dae4c1189caf8c65541fd252a1c135441790e9601e3bde228063415150b9f6ea56b7fd02dc5af3fdf58c07765c147416112d4bb88c25caef5dd16aa5ae5426db61781d008dd883f24ab888cb250ab48e6e11e02df518782ba0dda97f51b5d6768753f4359e4dc227cb4417a150beeb66e855f7befcee7a1d51c047832517ef949c69b53079ad1a3dccac1da971afb8e9c9047c18266cca0ae1a358f315fbad9e1965c4092374ee9e753701913e1251faf03514bc12ab714bda2cdc667171136dffe4e284b23d72eb6514457cd76c3d5c8e527175537896d5adf893e1833025872f718374033f6724a80fca648fab25bd12aa68f565ed96a44f451d9aa1acf9853262788fd34850f27d2bf7297b351e2622e293b27a64dc484f1e2510beb7419b194c2b14f1d3589beac2a210a688640534a0e9d405f4ccafa173ee5e7bf556f990687ceb933be9eb775717f232ace0b390d3baf58e91283795d58326fa97cf4a58a8832cb7a06e5c648aa45952a567d6d7a90f94e35039589be5b0491e7b2e67ec07722ac3e5566f4e184f7b670f294e92e5804e815c58559c06ec693f05581024c7cdcb6e96dbf457d900f5f344629ef77b99a8cb93c3c49c93f248f06fbcca67bb179b85bb9016b51e46f3abd41ba588eef6aa8856a82a56cd6ed5fa9b3c5191e97075780d8811c3c975982c10e21e85649c98e437cd245d8facddd985a5bcf14472cfc82639e4b57314ef449e15942a5a0e09fbf54cc0783aadd581c127af7ad26862f2e032209a276f2a3b34789ccd438b56c2820fce77fc2c5c07fd44420478f6690e88a2cefd3791bbbacfabdcd306fa104b7cef3f773389acd69c7fa10190e9d0b643731bf2d9691c542f74a9ed36db0c3cf59545742a7ef6918389d1f4e202321dcdce810504eddde642475a3c154ab991c7e50095b79e620e166fc83fb36fabdc199ce136b3998527b89f9a61cc7353f037351b8bfecdce3cb4de2537e26899268235d26a6487d74348064a8a7a623c0bf33f3f1cbe1ac759d76d76096692d7d29f9710ed5f494298bd573069cc0000000049454e44ae4260820000000840010824000000180000000210c0db01000000030000000000000000000000000000001b40000040000000340000000100000002000000000000bf000000bf0000d44200001842030000000000008000000080ffffdd420000008000000080ffff1f422100000008000000620000000c00000001000000150000000c00000004000000150000000c00000004000000510000001c11000000000000000000006e00000027000000000000000000000000000000000000006a0000002600000050000000c40000001401000008100000000000002000cc006f00000028000000280000006a000000260000000100080000000000000000000000000000000000270000000000000000000000ffffff005480c600ffe3a600a6a6c600ffffe30080c6ff00e3a65400e3ffff000054a600a6540000a6e3ff0000005400c6ffff0080008000ffffc600800054008054a600a6545400c68000005454a600540054005400800054a6e3000080c60000008000ffc68000a65480008080c600a680a6008000000054000000a6e3c600c6805400a6a6800054545400e3c68000c6e3a600e3a6a6000101010101010101010101010101010101010101010101010101010101010101010101010101010101010101010101010101010101010101010101010101010101010101010101010101011700001a011707011700001a01011700001a01010117000a050101010101010000010101010101010101010101010101010101010101010101010101010101010101010101010101010101010101010101010101010101010101010101010101061f0301010101010101010d16030b100f17070d16030b100f0d16030b100f170000000007180a05010101000001010101010101010101010101010101010101010101010101010101010101010101010101010101010101010101010101010101010101010101010101011713010101010101010101010b120508140301010b12050814030b12050814030b2108142526010b120501010000010101010101010101010101010101010101010101010101010101010101010101010101010101010101010101010101010101010101010101010101010b100f01010b0c0000000013010b120508140301010b12050814030b1205081403010624140301010117070101000001010101010101010101010101010101010101010101010101010101010101010101010101010101010101010106001e0f0b0c13010d1900000a050101170701010101010101010101010d0e0f0b100f01010d0e0f0b100f0d0e0f0b100f01010223030101010b100f01000001010101010101010101010101010101010101010101010101010101010101010101010101010101010101010101181a01170a05080907010809130108091a0101010101010101010101010600000701010101060000070101060000070101010d160301010108140301000001010101010101010101010101010101010101010101010101010101010101010101010101010101010101010101181a0d191a010d16030101170a0508091a01010101010101010101010101010101010101010101010101010101010101010101010101010108091a010000010101010101010101010101010101010101010101010101010101010101010101010101010101010101010101011800001a01010b0c0a050809130108091a01010101010101010101010101010101010101010101010101010101010101010101010101010108091a01000001010101010101010101010101010101010101010101010101010101010101010101010101010101010101010101181a0b2101010809220c000a050108091a01010101010101010101010101010101010101010101010101010101010101010101010101010108140301000001010101010101010101010101010101010101010101010101010101010101010101010101010101010101010106001e0f17000701171301010101010117070101010101010101010101011700001a011707011700001a010b0c0000070101170000130101010b100f010000010101010101010101010101010101010101010101010101010101010101010101010101010101010101010101010101010101010108091301010101010b1205010101010101010101010d16030b100f17070d16030b100f0b21010b100f0b100f08091a01011707010100000101010101010101010101010101010101010101010101010101010101010101010101010101010101010101010101010101010101010106001e0f010101170a050101010101010101010b120508140301010b1205081403010b0c001a010b120508091a01060a05010100000108091a01010101010101010101010101010101010101010101010101010101010101010101010101010101010101010101010101010101010101010101010b15030b0c0000000013010b120508140301010b1205081403010101171a010d1900000a05181301010101000001010d190000001e0f0101011800000000000007010118000000000000070101010b0c0000001a01010101010101010101010101010101010101010101010101010101010101010101010d0e0f0b100f01010d0e0f0b100f0b1205060a050117130101010101010101010000010809001a0101171f0301010b1503010101180701010b1503010101180701010b0c1301010600070101010101010101010101010101010101010101010101010101010101010101010101060000070101010106000007010b0c00000701010106001301010101010101000001171e2012050101180a050101170a0501010607010101170a05010106070101181e0f010101181e0f0101010101010101010101010101010101010101010101010101010101010101010101010101010101010101010101010101010101010101010101010101010101000001181301020301010b1503010101181301010101010101011813010101010108090a05010101171f030101010101010101010101010101010101010101010101010101010101010101010101010101010101010101010101010101010101010101010101010101010101000008090701061301010d1907010101080913010101010101010809130101010108090a05010101181e0f010101010101010101010101010101010101010101010101010101010101010101010101010101010101010101010101010101010101010101010101010101010100000d190701081403010d190701010101080907010101010101010809070101010809000a05010b0c13010101010000000000000000000000000000000000000000000000000000000000000000000000000000000000000000000000000000000000000000000000000000000008090701010607010d190701010101010b0c1a010101010101010b0c1a010101181e200c00000a05010101010101010101010101010101010101010101010101010101010101010101010101010101010101010101010101010101010101010101010101010101010101000001181301010d0e0f0b0c1a010101010101181e0f01010101010101181e0f010106001a0101010101010101010101010101010101010101010101010101010101010101010101010101010101010101010101010101010101010101010101010101010101010101010101000001061f0301011707180a0501010101010106001a0101010101010106001a0101080913010101010101010101010101010101010101010101010101010101010101061f0301010101010101010101010101010101010101010101010101010101010101010101180a050100000108091e0f010d19001a0101180701010117001a0101180701010117001a0101010b0c07010101010101010101010101010101010101010101010101010101011713010101010101010101010101010101010101010101010101010101010101010101010101010b1205000001010117000000001a010101181f03010d191e0f0101181f03010d191e0f010101010b0c1301010101010101010101010101010101010101010101010101010b100f010101010101010101010101010101010101010101010101010101010101010101010101010117070000010101010101010d1603010101060000001f0301010101060000001f030101010101010117001e0f0101010117001f030809000a050101081403010101010117070101010101010101010101010101010101010101010101010101010101010101010101010101010b100000010101010101010101010101010101010101010101010101010101010101010101010101010101010101010108090701010b15030101010106130101010108091a01010101010101010101010101010101010101010101010101010101010101010101010101010108140000010101010101010101010101010101010101010101010101010101010101010101010101010101010101010101171301010809070101010108140301010108091a010101010101010101010101010101010101010101010101010101010101010101010101010101080900000101010101010101010101010101010101010101010101010101010101010101010101010101010101010101010b100f010117130101010101061301010108091a010101010101010101010101010101010101010101010101010101010101010101010101010101080900000101010101010101010101010101010101010101010101010101010101010101010101010101010101010101010d19000000001e0f01010101081403010108091a0101010101010101010101010101010101010101010101010101010101010101010101010101010814000001010101010101010101010101010101010101010101010101010101010101010101010101010101010101010101180701010b0c1a0101010101061301010117070101010101010101010101010101010101010101010101010101010101010101010101010101010b10000001010101010101010101010101010101010101010101010101010101010101010101010101010101010101010101170a050108090701081d050108140301010b1205010101010102030101011700001a011707011700001a010d19000007010b0c00000a05010101170700000101010101010101010101010101010101010101010101010101010101010101010101010101010101010101010d190013010600001a08090000000013010101170a0501010101020301010d16030b100f17070d16030b100f0d1b050d0e0f011707011c0f0101060a05000001010101010101010101010101010101010101010101010101010101010101010101010101010101010101010101010101010101010101010101010101010101010b1503010101020301010b120508140301010b12050814030101010d16030101171301010118130101000001010101010101010101010101010101010101010101010101010101010101010101010101010101010101010101010101010101010101010101010101010101010101010b0c00000000130b120508140301010b1205081403080900001301010101060701010101010100000101010101010101010101010101010101010101010101010101010101010101010101010101010101010101010101010101010101010101010101010101010101010101010101020301010d0e0f0b100f01010d0e0f0b100f08110f0101010b1205060a05010101010100000101010101010101010101010101010101010101010101010101010101010101010101010101010101010101010101010101010101010101010101010101010101010101010101020301010106000007010101010600000701080900000a050b0c00000701010101010100000101010101010101010101010101010101010101010101010101010101010101010101010101010101010101010101010101010101010101010101010101010101010101010101020301010101010101010101010101010101010101010405010101010101010101010100000101010101010101010101010101010101010101010101010101010101010101010101010101010101010101010101010101010101010101010101010101010101010101010101010101010101010101010101010101010101010101010101010101010101010101010100004c0000006400000000000000000000006e0000002700000000000000000000006f000000280000002900aa0000000000000000000000803f00000000000000000000803f0000000000000000000000000000000000000000000000000000000000000000220000000c000000ffffffff460000001c00000010000000454d462b024000000c000000000000000e000000140000000000000010000000140000000400000003010800050000000b0200000000050000000c0228006f00030000001e000400000007010400040000000701040073080000410b2000cc0026006a000000000028006f0000000000280000006a000000260000000100080000000000000000000000000000000000270000000000000000000000ffffff005480c600ffe3a600a6a6c600ffffe30080c6ff00e3a65400e3ffff000054a600a6540000a6e3ff0000005400c6ffff0080008000ffffc600800054008054a600a6545400c68000005454a600540054005400800054a6e3000080c60000008000ffc68000a65480008080c600a680a6008000000054000000a6e3c600c6805400a6a6800054545400e3c68000c6e3a600e3a6a6000101010101010101010101010101010101010101010101010101010101010101010101010101010101010101010101010101010101010101010101010101010101010101010101010101011700001a011707011700001a01011700001a01010117000a050101010101010000010101010101010101010101010101010101010101010101010101010101010101010101010101010101010101010101010101010101010101010101010101061f0301010101010101010d16030b100f17070d16030b100f0d16030b100f170000000007180a05010101000001010101010101010101010101010101010101010101010101010101010101010101010101010101010101010101010101010101010101010101010101011713010101010101010101010b120508140301010b12050814030b12050814030b2108142526010b120501010000010101010101010101010101010101010101010101010101010101010101010101010101010101010101010101010101010101010101010101010101010b100f01010b0c0000000013010b120508140301010b12050814030b1205081403010624140301010117070101000001010101010101010101010101010101010101010101010101010101010101010101010101010101010101010106001e0f0b0c13010d1900000a050101170701010101010101010101010d0e0f0b100f01010d0e0f0b100f0d0e0f0b100f01010223030101010b100f01000001010101010101010101010101010101010101010101010101010101010101010101010101010101010101010101181a01170a05080907010809130108091a0101010101010101010101010600000701010101060000070101060000070101010d160301010108140301000001010101010101010101010101010101010101010101010101010101010101010101010101010101010101010101181a0d191a010d16030101170a0508091a01010101010101010101010101010101010101010101010101010101010101010101010101010108091a010000010101010101010101010101010101010101010101010101010101010101010101010101010101010101010101011800001a01010b0c0a050809130108091a01010101010101010101010101010101010101010101010101010101010101010101010101010108091a01000001010101010101010101010101010101010101010101010101010101010101010101010101010101010101010101181a0b2101010809220c000a050108091a01010101010101010101010101010101010101010101010101010101010101010101010101010108140301000001010101010101010101010101010101010101010101010101010101010101010101010101010101010101010106001e0f17000701171301010101010117070101010101010101010101011700001a011707011700001a010b0c0000070101170000130101010b100f010000010101010101010101010101010101010101010101010101010101010101010101010101010101010101010101010101010101010108091301010101010b1205010101010101010101010d16030b100f17070d16030b100f0b21010b100f0b100f08091a01011707010100000101010101010101010101010101010101010101010101010101010101010101010101010101010101010101010101010101010101010106001e0f010101170a050101010101010101010b120508140301010b1205081403010b0c001a010b120508091a01060a05010100000108091a01010101010101010101010101010101010101010101010101010101010101010101010101010101010101010101010101010101010101010101010b15030b0c0000000013010b120508140301010b1205081403010101171a010d1900000a05181301010101000001010d190000001e0f0101011800000000000007010118000000000000070101010b0c0000001a01010101010101010101010101010101010101010101010101010101010101010101010d0e0f0b100f01010d0e0f0b100f0b1205060a050117130101010101010101010000010809001a0101171f0301010b1503010101180701010b1503010101180701010b0c1301010600070101010101010101010101010101010101010101010101010101010101010101010101060000070101010106000007010b0c00000701010106001301010101010101000001171e2012050101180a050101170a0501010607010101170a05010106070101181e0f010101181e0f0101010101010101010101010101010101010101010101010101010101010101010101010101010101010101010101010101010101010101010101010101010101000001181301020301010b1503010101181301010101010101011813010101010108090a05010101171f030101010101010101010101010101010101010101010101010101010101010101010101010101010101010101010101010101010101010101010101010101010101000008090701061301010d1907010101080913010101010101010809130101010108090a05010101181e0f010101010101010101010101010101010101010101010101010101010101010101010101010101010101010101010101010101010101010101010101010101010100000d190701081403010d190701010101080907010101010101010809070101010809000a05010b0c13010101010000000000000000000000000000000000000000000000000000000000000000000000000000000000000000000000000000000000000000000000000000000008090701010607010d190701010101010b0c1a010101010101010b0c1a010101181e200c00000a05010101010101010101010101010101010101010101010101010101010101010101010101010101010101010101010101010101010101010101010101010101010101000001181301010d0e0f0b0c1a010101010101181e0f01010101010101181e0f010106001a0101010101010101010101010101010101010101010101010101010101010101010101010101010101010101010101010101010101010101010101010101010101010101010101000001061f0301011707180a0501010101010106001a0101010101010106001a0101080913010101010101010101010101010101010101010101010101010101010101061f0301010101010101010101010101010101010101010101010101010101010101010101180a050100000108091e0f010d19001a0101180701010117001a0101180701010117001a0101010b0c07010101010101010101010101010101010101010101010101010101011713010101010101010101010101010101010101010101010101010101010101010101010101010b1205000001010117000000001a010101181f03010d191e0f0101181f03010d191e0f010101010b0c1301010101010101010101010101010101010101010101010101010b100f010101010101010101010101010101010101010101010101010101010101010101010101010117070000010101010101010d1603010101060000001f0301010101060000001f030101010101010117001e0f0101010117001f030809000a050101081403010101010117070101010101010101010101010101010101010101010101010101010101010101010101010101010b100000010101010101010101010101010101010101010101010101010101010101010101010101010101010101010108090701010b15030101010106130101010108091a01010101010101010101010101010101010101010101010101010101010101010101010101010108140000010101010101010101010101010101010101010101010101010101010101010101010101010101010101010101171301010809070101010108140301010108091a010101010101010101010101010101010101010101010101010101010101010101010101010101080900000101010101010101010101010101010101010101010101010101010101010101010101010101010101010101010b100f010117130101010101061301010108091a010101010101010101010101010101010101010101010101010101010101010101010101010101080900000101010101010101010101010101010101010101010101010101010101010101010101010101010101010101010d19000000001e0f01010101081403010108091a0101010101010101010101010101010101010101010101010101010101010101010101010101010814000001010101010101010101010101010101010101010101010101010101010101010101010101010101010101010101180701010b0c1a0101010101061301010117070101010101010101010101010101010101010101010101010101010101010101010101010101010b10000001010101010101010101010101010101010101010101010101010101010101010101010101010101010101010101170a050108090701081d050108140301010b1205010101010102030101011700001a011707011700001a010d19000007010b0c00000a05010101170700000101010101010101010101010101010101010101010101010101010101010101010101010101010101010101010d190013010600001a08090000000013010101170a0501010101020301010d16030b100f17070d16030b100f0d1b050d0e0f011707011c0f0101060a05000001010101010101010101010101010101010101010101010101010101010101010101010101010101010101010101010101010101010101010101010101010101010b1503010101020301010b120508140301010b12050814030101010d16030101171301010118130101000001010101010101010101010101010101010101010101010101010101010101010101010101010101010101010101010101010101010101010101010101010101010101010b0c00000000130b120508140301010b1205081403080900001301010101060701010101010100000101010101010101010101010101010101010101010101010101010101010101010101010101010101010101010101010101010101010101010101010101010101010101010101020301010d0e0f0b100f01010d0e0f0b100f08110f0101010b1205060a05010101010100000101010101010101010101010101010101010101010101010101010101010101010101010101010101010101010101010101010101010101010101010101010101010101010101020301010106000007010101010600000701080900000a050b0c00000701010101010100000101010101010101010101010101010101010101010101010101010101010101010101010101010101010101010101010101010101010101010101010101010101010101010101020301010101010101010101010101010101010101010405010101010101010101010100000101010101010101010101010101010101010101010101010101010101010101010101010101010101010101010101010101010101010101010101010101010101010101010101010101010101010101010101010101010101010101010101010101010101010101010100000c00000040092900aa0000000000000028006f0000000000040000002701ffff030000000000
Определяем предельные размеры:
Dmax = D+ES = 226 + 0.052 = 226.052 мм
Dmin = D+EI = 226 + 0 = 226 мм
dmax = d + es = 226 + 0.036 = 226.036 мм
dmin = d + ei = 226 + 0.004 = 226.004 мм
Определяем наибольшие зазоры и натяги:
Smax = Dmax - dmin = 226,052 – 226,004 = 0,048 мм
Nmax = dmax – Dmin = 226,036 – 226 = 0,036 мм
Построим схему расположения допусков

Рисунок 2.1.4 – Схема расположения полей допусков соединения 010009000003f414000000004c0c000000004c0c000026060f008e18574d464301000000000001003bea00000000010000006c180000000000006c180000010000006c00000000000000000000006e0000002700000000000000000000005a0b00001704000020454d46000001006c1800000c00000001000000000000000000000000000000900600001a040000b801000013010000000000000000000000000000c0b6060038320400460000002c00000020000000454d462b014001001c000000100000000210c0db01000000600000006000000046000000ec050000e0050000454d462b224004000c000000000000001e4009000c00000000000000244001000c000000000000003040020010000000040000000000803f214007000c0000000000000008400005380500002c0500000210c0db01000000000000000000000000000000000000000100000089504e470d0a1a0a0000000d494844520000006a000000260802000000a3d999d7000000017352474200aece1ce9000000097048597300000e2600000e2601a2ef25fc000004b2494441546843ed5a3b72e2401095f71c50e5c81117802aa71c80c201a43e81f702880bd827702a02531c80d455d20588367295b8073bd3f3ebee9164092131669788f9683e6fba5f774fcfdde9748afeffce45e0d7b91f06fd5db67eda1c5bad30dbd41ae036e1e3c865eb3bf8715079fd71f3a43ade4d763086abf0be85f67f01be6c3d8952415279122ddf33076d617d2c7b8adfc762a07ace935c14d378bbfb2c1068d5f9467e7932678227d010950a02f48f966c0ff4bd81512393c67a0c8ad44d489f5431d0cbc1e203b6e736bb1a37a140f3bd18207eb5e42787df4fad384a8d5f6b210e073ec3436a65a4841848319359bd66a797e8cd299b07d7e07ea414eff8b9db8eee0792d024d85ebd9cd5b1a3eca9c697c3afc6d95acf3a5e9d4ed3bde6c270d4566a8ed3105cca9358695f8502927d3055b33aa934d2d755a3a9696cc077ea6e8f836aaf1a240a073eb1768a5ec4f847a925ae75b4d6ff36e499c4e1c0e74ede9cb78f1e830b76a02de555f09b07c37dc7af038202809972dacfde97a3dfc6a1686212baeabb0d053e49eb0e2f599a3f0ce9ae8f9bd743f2dcc89276059b1d3710f8285e509a3d6abf55af3538d1932e7519f7111ed79cedced273210971153a98dae4c1189caf8c65541fd252a1c135441790e9601e3bde228063415150b9f6ea56b7fd02dc5af3fdf58c07765c147416112d4bb88c25caef5dd16aa5ae5426db61781d008dd883f24ab888cb250ab48e6e11e02df518782ba0dda97f51b5d6768753f4359e4dc227cb4417a150beeb66e855f7befcee7a1d51c047832517ef949c69b53079ad1a3dccac1da971afb8e9c9047c18266cca0ae1a358f315fbad9e1965c4092374ee9e753701913e1251faf03514bc12ab714bda2cdc667171136dffe4e284b23d72eb6514457cd76c3d5c8e527175537896d5adf893e1833025872f718374033f6724a80fca648fab25bd12aa68f565ed96a44f451d9aa1acf9853262788fd34850f27d2bf7297b351e2622e293b27a64dc484f1e2510beb7419b194c2b14f1d3589beac2a210a688640534a0e9d405f4ccafa173ee5e7bf556f990687ceb933be9eb775717f232ace0b390d3baf58e91283795d58326fa97cf4a58a8832cb7a06e5c648aa45952a567d6d7a90f94e35039589be5b0491e7b2e67ec07722ac3e5566f4e184f7b670f294e92e5804e815c58559c06ec693f05581024c7cdcb6e96dbf457d900f5f344629ef77b99a8cb93c3c49c93f248f06fbcca67bb179b85bb9016b51e46f3abd41ba588eef6aa8856a82a56cd6ed5fa9b3c5191e97075780d8811c3c975982c10e21e85649c98e437cd245d8facddd985a5bcf14472cfc82639e4b57314ef449e15942a5a0e09fbf54cc0783aadd581c127af7ad26862f2e032209a276f2a3b34789ccd438b56c2820fce77fc2c5c07fd44420478f6690e88a2cefd3791bbbacfabdcd306fa104b7cef3f773389acd69c7fa10190e9d0b643731bf2d9691c542f74a9ed36db0c3cf59545742a7ef6918389d1f4e202321dcdce810504eddde642475a3c154ab991c7e50095b79e620e166fc83fb36fabdc199ce136b3998527b89f9a61cc7353f037351b8bfecdce3cb4de2537e26899268235d26a6487d74348064a8a7a623c0bf33f3f1cbe1ac759d76d76096692d7d29f9710ed5f494298bd573069cc0000000049454e44ae4260820000000840010824000000180000000210c0db01000000030000000000000000000000000000001b40000040000000340000000100000002000000000000bf000000bf0000d44200001842030000000000008000000080ffffdd420000008000000080ffff1f422100000008000000620000000c00000001000000150000000c00000004000000150000000c00000004000000510000001c11000000000000000000006e00000027000000000000000000000000000000000000006a0000002600000050000000c40000001401000008100000000000002000cc006f00000028000000280000006a000000260000000100080000000000000000000000000000000000270000000000000000000000ffffff005480c600ffe3a600a6a6c600ffffe30080c6ff00e3a65400e3ffff000054a600a6540000a6e3ff0000005400c6ffff0080008000ffffc600800054008054a600a6545400c68000005454a600540054005400800054a6e3000080c60000008000ffc68000a65480008080c600a680a6008000000054000000a6e3c600c6805400a6a6800054545400e3c68000c6e3a600e3a6a6000101010101010101010101010101010101010101010101010101010101010101010101010101010101010101010101010101010101010101010101010101010101010101010101010101011700001a011707011700001a01011700001a01010117000a050101010101010101010101010101010101010101010101010101010101010101010101010101010101010101010101010101010101010101010101010101010101010101010101061f0301010101010101010d16030b100f17070d16030b100f0d16030b100f170000000007180a05010101190001010101010101010101010101010101010101010101010101010101010101010101010101010101010101010101010101010101010101010101010101011713010101010101010101010b120508140301010b12050814030b12050814030b2108142526010b120501010701010101010101010101010101010101010101010101010101010101010101010101010101010101010101010101010101010101010101010101010101010b100f01010b0c0000000013010b120508140301010b12050814030b1205081403010624140301010117070101030101010101010101010101010101010101010101010101010101010101010101010101010101010101010101010106001e0f0b0c13010d1900000a050101170701010101010101010101010d0e0f0b100f01010d0e0f0b100f0d0e0f0b100f01010223030101010b100f010a0501010101010101010101010101010101010101010101010101010101010101010101010101010101010101010101181a01170a05080907010809130108091a0101010101010101010101010600000701010101060000070101060000070101010d160301010108140301220c01010101010101010101010101010101010101010101010101010101010101010101010101010101010101010101181a0d191a010d16030101170a0508091a01010101010101010101010101010101010101010101010101010101010101010101010101010108091a011301010101010101010101010101010101010101010101010101010101010101010101010101010101010101010101011800001a01010b0c0a050809130108091a01010101010101010101010101010101010101010101010101010101010101010101010101010108091a01091301010101010101010101010101010101010101010101010101010101010101010101010101010101010101010101181a0b2101010809220c000a050108091a01010101010101010101010101010101010101010101010101010101010101010101010101010108140301010601010101010101010101010101010101010101010101010101010101010101010101010101010101010101010106001e0f17000701171301010101010117070101010101010101010101011700001a011707011700001a010b0c0000070101170000130101010b100f010101010101010101010101010101010101010101010101010101010101010101010101010101010101010101010101010101010101010108091301010101010b1205010101010101010101010d16030b100f17070d16030b100f0b21010b100f0b100f08091a01011707010101010101010101010101010101010101010101010101010101010101010101010101010101010101010101010101010101010101010101010106001e0f010101170a050101010101010101010b120508140301010b1205081403010b0c001a010b120508091a01060a05010101010108091a01010101010101010101010101010101010101010101010101010101010101010101010101010101010101010101010101010101010101010101010b15030b0c0000000013010b120508140301010b1205081403010101171a010d1900000a05181301010101010101010d190000001e0f0101011800000000000007010118000000000000070101010b0c0000001a01010101010101010101010101010101010101010101010101010101010101010101010d0e0f0b100f01010d0e0f0b100f0b1205060a050117130101010101010101010101010809001a0101171f0301010b1503010101180701010b1503010101180701010b0c1301010600070101010101010101010101010101010101010101010101010101010101010101010101060000070101010106000007010b0c00000701010106001301010101010101010101171e2012050101180a050101170a0501010607010101170a05010106070101181e0f010101181e0f0101010101010101010101010101010101010101010101010101010101010101010101010101010101010101010101010101010101010101010101010101010101000001181301020301010b1503010101181301010101010101011813010101010108090a05010101171f030101010101010101010101010101010101010101010101010101010101010101010101010101010101010101010101010101010101010101010101010101010101010108090701061301010d1907010101080913010101010101010809130101010108090a05010101181e0f010101010101010101010101010101010101010101010101010101010101010101010101010101010101010101010101010101010101010101010101010101010101010d190701081403010d190701010101080907010101010101010809070101010809000a05010b0c13010101010000000000000000000000000000000000000000000000000000000000000000000000000000000000000000000000000000000000000000000000000000010108090701010607010d190701010101010b0c1a010101010101010b0c1a010101181e200c00000a05010101010101010101010101010101010101010101010101010101010101010101010101010101010101010101010101010101010101010101010101010101010101010101181301010d0e0f0b0c1a010101010101181e0f01010101010101181e0f010106001a0101010101010101010101010101010101010101010101010101010101010101010101010101010101010101010101010101010101010101010101010101010101010101010101010101061f0301011707180a0501010101010106001a0101010101010106001a0101080913010101010101010101010101010101010101010101010101010101010101061f0301010101010101010101010101010101010101010101010101010101010101010101180a050101080108091e0f010d19001a0101180701010117001a0101180701010117001a0101010b0c07010101010101010101010101010101010101010101010101010101011713010101010101010101010101010101010101010101010101010101010101010101010101010b1205010101010117000000001a010101181f03010d191e0f0101181f03010d191e0f010101010b0c1301010101010101010101010101010101010101010101010101010b100f010101010101010101010101010101010101010101010101010101010101010101010101010117070101010101010101010d1603010101060000001f0301010101060000001f030101010101010117001e0f0101010117001f030809000a050101081403010101010117070101010101010101010101010101010101010101010101010101010101010101010101010101010b100101010101010101010101010101010101010101010101010101010101010101010101010101010101010101010108090701010b15030101010106130101010108091a01010101010101010101010101010101010101010101010101010101010101010101010101010108140101010101010101010101010101010101010101010101010101010101010101010101010101010101010101010101171301010809070101010108140301010108091a010101010101010101010101010101010101010101010101010101010101010101010101010101080901010101010101010101010101010101010101010101010101010101010101010101010101010101010101010101010b100f010117130101010101061301010108091a0101010101010101010101010101010101010101010101010101010101010101010101010101010809081d0101010101010101010101010101010101010101010101010101010101010101010101010101010101010101010d19000000001e0f01010101081403010108091a0101010101010101010101010101010101010101010101010101010101010101010101010101010814080901010101010101010101010101010101010101010101010101010101010101010101010101010101010101010101180701010b0c1a0101010101061301010117070101010101010101010101010101010101010101010101010101010101010101010101010101010b10010101010101010101010101010101010101010101010101010101010101010101010101010101010101010101010101170a050108090701081d050108140301010b1205010101010102030101011700001a011707011700001a010d19000007010b0c00000a05010101170701010101010101010101010101010101010101010101010101010101010101010101010101010101010101010101010d190013010600001a08090000000013010101170a0501010101020301010d16030b100f17070d16030b100f0d1b050d0e0f011707011c0f0101060a05010101010101010101010101010101010101010101010101010101010101010101010101010101010101010101010101010101010101010101010101010101010101010b1503010101020301010b120508140301010b12050814030101010d16030101171301010118130101010101010101010101010101010101010101010101010101010101010101010101010101010101010101010101010101010101010101010101010101010101010101010101010b0c00000000130b120508140301010b1205081403080900001301010101060701010101010101010101010101010101010101010101010101010101010101010101010101010101010101010101010101010101010101010101010101010101010101010101010101010101010101020301010d0e0f0b100f01010d0e0f0b100f08110f0101010b1205060a05010101010101010101010101010101010101010101010101010101010101010101010101010101010101010101010101010101010101010101010101010101010101010101010101010101010101020301010106000007010101010600000701080900000a050b0c00000701010101010100000101010101010101010101010101010101010101010101010101010101010101010101010101010101010101010101010101010101010101010101010101010101010101010101020301010101010101010101010101010101010101010405010101010101010101010100000101010101010101010101010101010101010101010101010101010101010101010101010101010101010101010101010101010101010101010101010101010101010101010101010101010101010101010101010101010101010101010101010101010101010101010100004c0000006400000000000000000000006e0000002700000000000000000000006f000000280000002900aa0000000000000000000000803f00000000000000000000803f0000000000000000000000000000000000000000000000000000000000000000220000000c000000ffffffff460000001c00000010000000454d462b024000000c000000000000000e000000140000000000000010000000140000000400000003010800050000000b0200000000050000000c0228006f00030000001e000400000007010400040000000701040073080000410b2000cc0026006a000000000028006f0000000000280000006a000000260000000100080000000000000000000000000000000000270000000000000000000000ffffff005480c600ffe3a600a6a6c600ffffe30080c6ff00e3a65400e3ffff000054a600a6540000a6e3ff0000005400c6ffff0080008000ffffc600800054008054a600a6545400c68000005454a600540054005400800054a6e3000080c60000008000ffc68000a65480008080c600a680a6008000000054000000a6e3c600c6805400a6a6800054545400e3c68000c6e3a600e3a6a6000101010101010101010101010101010101010101010101010101010101010101010101010101010101010101010101010101010101010101010101010101010101010101010101010101011700001a011707011700001a01011700001a01010117000a050101010101010101010101010101010101010101010101010101010101010101010101010101010101010101010101010101010101010101010101010101010101010101010101061f0301010101010101010d16030b100f17070d16030b100f0d16030b100f170000000007180a05010101190001010101010101010101010101010101010101010101010101010101010101010101010101010101010101010101010101010101010101010101010101011713010101010101010101010b120508140301010b12050814030b12050814030b2108142526010b120501010701010101010101010101010101010101010101010101010101010101010101010101010101010101010101010101010101010101010101010101010101010b100f01010b0c0000000013010b120508140301010b12050814030b1205081403010624140301010117070101030101010101010101010101010101010101010101010101010101010101010101010101010101010101010101010106001e0f0b0c13010d1900000a050101170701010101010101010101010d0e0f0b100f01010d0e0f0b100f0d0e0f0b100f01010223030101010b100f010a0501010101010101010101010101010101010101010101010101010101010101010101010101010101010101010101181a01170a05080907010809130108091a0101010101010101010101010600000701010101060000070101060000070101010d160301010108140301220c01010101010101010101010101010101010101010101010101010101010101010101010101010101010101010101181a0d191a010d16030101170a0508091a01010101010101010101010101010101010101010101010101010101010101010101010101010108091a011301010101010101010101010101010101010101010101010101010101010101010101010101010101010101010101011800001a01010b0c0a050809130108091a01010101010101010101010101010101010101010101010101010101010101010101010101010108091a01091301010101010101010101010101010101010101010101010101010101010101010101010101010101010101010101181a0b2101010809220c000a050108091a01010101010101010101010101010101010101010101010101010101010101010101010101010108140301010601010101010101010101010101010101010101010101010101010101010101010101010101010101010101010106001e0f17000701171301010101010117070101010101010101010101011700001a011707011700001a010b0c0000070101170000130101010b100f010101010101010101010101010101010101010101010101010101010101010101010101010101010101010101010101010101010101010108091301010101010b1205010101010101010101010d16030b100f17070d16030b100f0b21010b100f0b100f08091a01011707010101010101010101010101010101010101010101010101010101010101010101010101010101010101010101010101010101010101010101010106001e0f010101170a050101010101010101010b120508140301010b1205081403010b0c001a010b120508091a01060a05010101010108091a01010101010101010101010101010101010101010101010101010101010101010101010101010101010101010101010101010101010101010101010b15030b0c0000000013010b120508140301010b1205081403010101171a010d1900000a05181301010101010101010d190000001e0f0101011800000000000007010118000000000000070101010b0c0000001a01010101010101010101010101010101010101010101010101010101010101010101010d0e0f0b100f01010d0e0f0b100f0b1205060a050117130101010101010101010101010809001a0101171f0301010b1503010101180701010b1503010101180701010b0c1301010600070101010101010101010101010101010101010101010101010101010101010101010101060000070101010106000007010b0c00000701010106001301010101010101010101171e2012050101180a050101170a0501010607010101170a05010106070101181e0f010101181e0f0101010101010101010101010101010101010101010101010101010101010101010101010101010101010101010101010101010101010101010101010101010101000001181301020301010b1503010101181301010101010101011813010101010108090a05010101171f030101010101010101010101010101010101010101010101010101010101010101010101010101010101010101010101010101010101010101010101010101010101010108090701061301010d1907010101080913010101010101010809130101010108090a05010101181e0f010101010101010101010101010101010101010101010101010101010101010101010101010101010101010101010101010101010101010101010101010101010101010d190701081403010d190701010101080907010101010101010809070101010809000a05010b0c13010101010000000000000000000000000000000000000000000000000000000000000000000000000000000000000000000000000000000000000000000000000000010108090701010607010d190701010101010b0c1a010101010101010b0c1a010101181e200c00000a05010101010101010101010101010101010101010101010101010101010101010101010101010101010101010101010101010101010101010101010101010101010101010101181301010d0e0f0b0c1a010101010101181e0f01010101010101181e0f010106001a0101010101010101010101010101010101010101010101010101010101010101010101010101010101010101010101010101010101010101010101010101010101010101010101010101061f0301011707180a0501010101010106001a0101010101010106001a0101080913010101010101010101010101010101010101010101010101010101010101061f0301010101010101010101010101010101010101010101010101010101010101010101180a050101080108091e0f010d19001a0101180701010117001a0101180701010117001a0101010b0c07010101010101010101010101010101010101010101010101010101011713010101010101010101010101010101010101010101010101010101010101010101010101010b1205010101010117000000001a010101181f03010d191e0f0101181f03010d191e0f010101010b0c1301010101010101010101010101010101010101010101010101010b100f010101010101010101010101010101010101010101010101010101010101010101010101010117070101010101010101010d1603010101060000001f0301010101060000001f030101010101010117001e0f0101010117001f030809000a050101081403010101010117070101010101010101010101010101010101010101010101010101010101010101010101010101010b100101010101010101010101010101010101010101010101010101010101010101010101010101010101010101010108090701010b15030101010106130101010108091a01010101010101010101010101010101010101010101010101010101010101010101010101010108140101010101010101010101010101010101010101010101010101010101010101010101010101010101010101010101171301010809070101010108140301010108091a010101010101010101010101010101010101010101010101010101010101010101010101010101080901010101010101010101010101010101010101010101010101010101010101010101010101010101010101010101010b100f010117130101010101061301010108091a0101010101010101010101010101010101010101010101010101010101010101010101010101010809081d0101010101010101010101010101010101010101010101010101010101010101010101010101010101010101010d19000000001e0f01010101081403010108091a0101010101010101010101010101010101010101010101010101010101010101010101010101010814080901010101010101010101010101010101010101010101010101010101010101010101010101010101010101010101180701010b0c1a0101010101061301010117070101010101010101010101010101010101010101010101010101010101010101010101010101010b10010101010101010101010101010101010101010101010101010101010101010101010101010101010101010101010101170a050108090701081d050108140301010b1205010101010102030101011700001a011707011700001a010d19000007010b0c00000a05010101170701010101010101010101010101010101010101010101010101010101010101010101010101010101010101010101010d190013010600001a08090000000013010101170a0501010101020301010d16030b100f17070d16030b100f0d1b050d0e0f011707011c0f0101060a05010101010101010101010101010101010101010101010101010101010101010101010101010101010101010101010101010101010101010101010101010101010101010b1503010101020301010b120508140301010b12050814030101010d16030101171301010118130101010101010101010101010101010101010101010101010101010101010101010101010101010101010101010101010101010101010101010101010101010101010101010101010b0c00000000130b120508140301010b1205081403080900001301010101060701010101010101010101010101010101010101010101010101010101010101010101010101010101010101010101010101010101010101010101010101010101010101010101010101010101010101020301010d0e0f0b100f01010d0e0f0b100f08110f0101010b1205060a05010101010101010101010101010101010101010101010101010101010101010101010101010101010101010101010101010101010101010101010101010101010101010101010101010101010101020301010106000007010101010600000701080900000a050b0c00000701010101010100000101010101010101010101010101010101010101010101010101010101010101010101010101010101010101010101010101010101010101010101010101010101010101010101020301010101010101010101010101010101010101010405010101010101010101010100000101010101010101010101010101010101010101010101010101010101010101010101010101010101010101010101010101010101010101010101010101010101010101010101010101010101010101010101010101010101010101010101010101010101010101010100000c00000040092900aa0000000000000028006f0000000000040000002701ffff030000000000
2.2 Расчет и выбор посадок для подвижного соединения
Задание: по заданным исходным данным расчитать и подобрать посадку для подвижного соединения. В расчетах учесть влияние шероховатостей с описанием и необходимыми чертежами.
Исходные данные:
010009000003c609000000001206000000001206000026060f001a0c574d46430100000000000100fe6b0000000001000000f80b000000000000f80b0000010000006c00000000000000000000004e000000150000000000000000000000140800003f02000020454d4600000100f80b00000c00000001000000000000000000000000000000900600001a040000b801000013010000000000000000000000000000c0b6060038320400460000002c00000020000000454d462b014001001c000000100000000210c0db010000006000000060000000460000006003000054030000454d462b224004000c000000000000001e4009000c00000000000000244001000c000000000000003040020010000000040000000000803f214007000c0000000000000008400005ac020000a00200000210c0db01000000000000000000000000000000000000000100000089504e470d0a1a0a0000000d494844520000004c00000015080200000063749f43000000017352474200aece1ce9000000097048597300000e2600000e2601a2ef25fc00000226494441545847e5584d8e8230142e730e485ccdca0b68e2d603185cc82d9c0b0c5e603cc16c6121f1006e4de002ac5c99d07b30ef3d0a14a6c54ac0447dab22af7dfdbef78b569ee7ecd5e5e3d50122bef70599ec2c925df2ec7ee6e12ee46a4fcebef3d867ccfd741e089287eb82da9becea35e5377490e3a508010a8f42b2c065cc8fd52f47f895ecb9418647d35a6bbc5353736d0d4874e4033152dc141051f05163be5b5303522a3c6526422e86d7f491c19a9c00d5746297c9315b22c727454530d794134d80c4609ea782cb98795e241b1d39333950aae034bdf2b66173cdc64e02c9c3ad17b9c17e5370e97c62422e673db0d5d1501591c6620db5ce40e80646a2d04c7faa0a26cc21c8e4171ce77f09888c6597a86fb0425dee944365c408c2bd4af66205ecacf6740748d0c873102780a418901c47cf5286dc6b69007da4d9ec0a2d4d7b73c84b22edcd1eea74743c7300d9721c3f1fc1afbd821582428c11ea60b52c65b8da932963d1256bb2a3ead2e69a7456a9de1eeb283dfb062b63fdc2b5280275356dd7d01a7db72650dc60b1aa53a2f9164d31f6dd20103d0b421a5b57d19a7145ddabd1cf869b0ae86c7918a8bb66ab6976681637ac76d643050d03e2faa201cb60107586707ddf451e70e34843427589168fff27039da68ca4e10fcdc4d3f0913465c0529a4c86f3e4b82719809446bce7c498dffe9ec4ec15c51697d05b78183ed737d84d90d851e46aeecfad2d5bf4998606e89f3d8fb0dee13f9e3f496a88bdf5de9fca0000000049454e44ae4260820000000840010824000000180000000210c0db01000000030000000000000000000000000000001b40000040000000340000000100000002000000000000bf000000bf000098420000a841030000000000008000000080ffff9d420000008000000080ffffaf412100000008000000620000000c00000001000000150000000c00000004000000150000000c00000004000000510000003407000000000000000000004e00000015000000000000000000000000000000000000004c0000001500000050000000a8000000f80000003c060000000000002000cc004f00000016000000280000004c000000150000000100080000000000000000000000000000000000200000000000000000000000ffffff00c6ffff0000008000c680000080a6e300ffe3a600e3a65400e3ffff000054a60080000000ffffc600a6e3ff000000540054000000ffc68000a6540000ffffe30080c6ff0054a6a6000080c60054a6e30054545400a6a65400a6545400e3ffe3005480c600e3e3a6005454a6005480800080005400a6a6e3000101010101010101010101010101010101010101010101010101010101010101010101010101010101010101010101010101010101010101010101010101010101010101010101010101010101010101010101010101080907010809000701010101010101010101010101010101010101010101010101010101010101010101010101010101010101010101010101010101010101010101010101010101010101010115040108090f1f0b0101010101010101010101010101010101010101010101010101010101010101010101010101010101010101010101010101010101010101010101010101010101010101120a0b011407010101010101010101010101010101010101010101010101010101010101010101010101010101010101010101010101010101010101010101010101010101010101010101010203070112101101010101010101010101010101010101010101010101010101010101010101010101010101010101010101010101010101010101010101010101011200000401140010111a1b1c1d0f0c1e0b0101010101010101010101010101010101010101010101010101010203000010110101020304010101020300001011010101020300000010110108090401121703070c1819090e06140010110101010101010101010101010101010101010101010101010101020310110809101101020304010102031011080910110101140e060108090a0b020307010115000701010101010101010101010101010101010101010101010101010101010101010101010115000f010112000f01010101010115000f010112000f010114070101010c0d070203070101080904010101010101010101010101010101010101140000000000000000000e06010101010101140a0b0101020307010101010101140a0b010102030701010101010101020304080904010101150a0b010101010101010101010101010101010101010101010101010101010101010101010809101101010203040101010101080910110101020304010101010101010c0d0701140a0b0101120e0601010101010101010101010101010101010101010101010101010101010101010101080910110101080910110101010108091011010108091011010809070108090e06010c0d0701010c0d0f0101010101010101010101010101010101140000000000000000000e060101010101080910110101080910110101010108091011010108091011010c0d1600000e06010101150e060112000401010101010101010101010101010101010101010101010101010101010101010101080910110101020310110101010108091011010102031011010c0d0f01010101010101011200000a13101101010101010101010101010101010101010101010101010101010101010101010101140a0b0101020304010101010101140a0b010102030401010c0d0f010101010101010101010101120a0b01010101010101010101010101010101010101010101010101010101010101010101120e06010112000f010101010101120e06010112000f01010c0d0f0101010101010101010101010c0d0f010101010101010101010101010101010101010101010101010101010101010101010809101108090a0b0101010101010809101108090a0b01010c0d0f0101010101010101010101010203070101010101010101010101010101010101010101010101010101010101010101010101080900000a0b0101010101010101080900000a0b0101010c0d000000000e06010101010101020300040101010101010101010101010101010101010101010101010101010101010101010101010101010101010101010101010101010101010101010101010101010105060101010101010101010101010101010101010101010101010101010101010101010101010101010101010101010101010101010101010101010101010101010101010101010101010101010101010101010101010101010101010101010101010101010101010101010101010101010101010101010101010101010101010101010101010101010101010101010101010101010101010101010101010101010101010101010101010101010101010101010101010101010101010101010101010101010101010101010101010101010101010101010101010101010101010101010101014c0000006400000000000000000000004e0000001500000000000000000000004f000000160000002900aa0000000000000000000000803f00000000000000000000803f0000000000000000000000000000000000000000000000000000000000000000220000000c000000ffffffff460000001c00000010000000454d462b024000000c000000000000000e000000140000000000000010000000140000000400000003010800050000000b0200000000050000000c0216004f00030000001e00040000000701040004000000070104007f030000410b2000cc0015004c000000000016004f0000000000280000004c000000150000000100080000000000000000000000000000000000200000000000000000000000ffffff00c6ffff0000008000c680000080a6e300ffe3a600e3a65400e3ffff000054a60080000000ffffc600a6e3ff000000540054000000ffc68000a6540000ffffe30080c6ff0054a6a6000080c60054a6e30054545400a6a65400a6545400e3ffe3005480c600e3e3a6005454a6005480800080005400a6a6e3000101010101010101010101010101010101010101010101010101010101010101010101010101010101010101010101010101010101010101010101010101010101010101010101010101010101010101010101010101080907010809000701010101010101010101010101010101010101010101010101010101010101010101010101010101010101010101010101010101010101010101010101010101010101010115040108090f1f0b0101010101010101010101010101010101010101010101010101010101010101010101010101010101010101010101010101010101010101010101010101010101010101120a0b011407010101010101010101010101010101010101010101010101010101010101010101010101010101010101010101010101010101010101010101010101010101010101010101010203070112101101010101010101010101010101010101010101010101010101010101010101010101010101010101010101010101010101010101010101010101011200000401140010111a1b1c1d0f0c1e0b0101010101010101010101010101010101010101010101010101010203000010110101020304010101020300001011010101020300000010110108090401121703070c1819090e06140010110101010101010101010101010101010101010101010101010101020310110809101101020304010102031011080910110101140e060108090a0b020307010115000701010101010101010101010101010101010101010101010101010101010101010101010115000f010112000f01010101010115000f010112000f010114070101010c0d070203070101080904010101010101010101010101010101010101140000000000000000000e06010101010101140a0b0101020307010101010101140a0b010102030701010101010101020304080904010101150a0b010101010101010101010101010101010101010101010101010101010101010101010809101101010203040101010101080910110101020304010101010101010c0d0701140a0b0101120e0601010101010101010101010101010101010101010101010101010101010101010101080910110101080910110101010108091011010108091011010809070108090e06010c0d0701010c0d0f0101010101010101010101010101010101140000000000000000000e060101010101080910110101080910110101010108091011010108091011010c0d1600000e06010101150e060112000401010101010101010101010101010101010101010101010101010101010101010101080910110101020310110101010108091011010102031011010c0d0f01010101010101011200000a13101101010101010101010101010101010101010101010101010101010101010101010101140a0b0101020304010101010101140a0b010102030401010c0d0f010101010101010101010101120a0b01010101010101010101010101010101010101010101010101010101010101010101120e06010112000f010101010101120e06010112000f01010c0d0f0101010101010101010101010c0d0f010101010101010101010101010101010101010101010101010101010101010101010809101108090a0b0101010101010809101108090a0b01010c0d0f0101010101010101010101010203070101010101010101010101010101010101010101010101010101010101010101010101080900000a0b0101010101010101080900000a0b0101010c0d000000000e06010101010101020300040101010101010101010101010101010101010101010101010101010101010101010101010101010101010101010101010101010101010101010101010101010105060101010101010101010101010101010101010101010101010101010101010101010101010101010101010101010101010101010101010101010101010101010101010101010101010101010101010101010101010101010101010101010101010101010101010101010101010101010101010101010101010101010101010101010101010101010101010101010101010101010101010101010101010101010101010101010101010101010101010101010101010101010101010101010101010101010101010101010101010101010101010101010101010101010101010101010101010c00000040092900aa0000000000000016004f0000000000040000002701ffff030000000000 – номинальный диаметр соединения, м;
0100090000036208000000003c05000000003c05000026060f006e0a574d46430100000000000100aacc00000000010000004c0a0000000000004c0a0000010000006c000000000000000000000041000000150000000000000000000000c00600003f02000020454d46000001004c0a00000c00000001000000000000000000000000000000900600001a040000b801000013010000000000000000000000000000c0b6060038320400460000002c00000020000000454d462b014001001c000000100000000210c0db01000000600000006000000046000000d0020000c4020000454d462b224004000c000000000000001e4009000c00000000000000244001000c000000000000003040020010000000040000000000803f214007000c00000000000000084000051c020000100200000210c0db01000000000000000000000000000000000000000100000089504e470d0a1a0a0000000d494844520000003f0000001508020000007e0aa1d8000000017352474200aece1ce9000000097048597300000e2600000e2601a2ef25fc00000198494441545847ed563b8e8330101df61c414a952a1720d2b61c60458ae5328113e4046949b1680f9076a57001aa5491cc3d5866b0e30fe05891232dd14e838c9e669edffc1cb46d0bb3b5b7d93247e22fc1beca03b2bc9a572ebaba27634502909dc5d1e3973c73b3077042122829183204953dffe791792f0af7db939bba801b925fd060ff24e9cfd98d3b6a82c709fa4e48046599f429ba965d4ac8e2c873d557a72ed27ab9106ea318c39f469acb0559e59bba60bb5892e4ec9b6b0dc92af44c1ebd8eb8adaf8d19c80149dcf79f3725e4c46c7ebe4b5523c3b99848fd5c1adaf638a033a143b8921d6c97ca408e7117f31eebc6227db4b337f297ae88e70c0234c7ed5077fc4b954375f3f1ae25c53b057288325992ac045590d5212da14c439ef44dd73b780ad312d9dfa91b80472b67b15c77812e4c57622cc956a4917a653a21fb3b7503f070e550f12a33c69c2cf25aee484d0a65cb7697f2be6c69c2abdb4a6e4463f85b905ad799bb562c68efd4fba844ab376d990f57d71452612f21e82bf87fdf3f673e39787d89f7bdc33dff2264dedaff0219f1cee4baa409d20000000049454e44ae426082000840010824000000180000000210c0db01000000030000000000000000000000000000001b40000040000000340000000100000002000000000000bf000000bf00007c420000a841030000000000008000000080feff83420000008000000080feffaf412100000008000000620000000c00000001000000150000000c00000004000000150000000c00000004000000510000001806000000000000000000004100000015000000000000000000000000000000000000003f000000150000005000000088000000d800000040050000000000002000cc004200000016000000280000003f000000150000000100080000000000000000000000000000000000180000000000000000000000ffffff000080c60080000000ffffc600e3ffff000054a600c680000054a6e30054000000ffe3a600e3a65400a6540000ffffe300a6e3ff0000005400ffc6800080c6ff00c6ffff000000800080808000540080005400540080008000010101010101010101010101010101010101010101010101010101010101010101010101010101010101010101010101010101010101010101010101010101ff010101010101010101010101010101010101010101010101010101010101010101010101010101010101010101010101010101010101010101010101010101ff010101010101010101010101010101010101010101010101010101010101010101010101010101010101010101010101010101010101010101010101010101ff010101010101010101010101010101010101010101010101010101010101010101010101010101010101010101010101010101010101010101010101010101ff010101010101010101010101010101010101010101010101010101010101010101010101010101010101010101010101010101010101010101010101010101ff0108000304010101010101010101010101010101010101010101010101010101121300000c0d0101121307010101121300000c0d010101010101110000090aff0506071217040101010101010101010101010101010101010101010101010112130c0d05060c0d01121307010112130c0d05060c0d01010101010108090a01ff01020c0d0101010101010101010101010101010101010101010101010101010800100101110010010101010101080010010111001001010101010111090a01ff01080304010101010101010102000000000000000000090a01010101010101020304010112130b010101010101020304010112130b01010101010111090a01ff010e160a010101010101010101010101010101010101010101010101010105060c0d0101121307010101010105060c0d010112130701110000000000000000ff0112130b010101010101010101010101010101010101010101010101010105060c0d010105060c0d0101010105060c0d010105060c0d05060b010111090a08ff01050607010101010101010102000000000000000000090a01010101010105060c0d010105060c0d0101010105060c0d010105060c0d0112150a0111090a01ff0101080c0d0101010101010101010101010101010101010101010101010105060c0d010112130c0d0101010105060c0d010112130c0d0101110c0d11090a01ff010111030401010101010101010101010101010101010101010101010101010203040101121307010101010101020304010112130701010101020b11090a01ff01010e0f10010101010101010101010101010101010101010101010101010111090a010111001001010101010111090a010111001001010101121314090a01ff010105060b010101010101010101010101010101010101010101010101010105060c0d0506030401010101010105060c0d0506030401010101010e0f090a01ff010105060701010101010101010101010101010101010101010101010101010105060000030401010101010101010506000003040101010101010108090a0101010102000304010101010101010101010101010101010101010101010101010101010101010101010101010101010101010101010101010101010101010101ff010101010101010101010101010101010101010101010101010101010101010101010101010101010101010101010101010101010101010101010101010101ff010101010101010101010101010101010101010101010101010101010101010101010101010101010101010101010101010101010101010101010101010101ff010101010101010101010101010101010101010101010101010101010101010101010101010101010101010101010101010101010101010101010101010101004c0000006400000000000000000000004100000015000000000000000000000042000000160000002900aa0000000000000000000000803f00000000000000000000803f0000000000000000000000000000000000000000000000000000000000000000220000000c000000ffffffff460000001c00000010000000454d462b024000000c000000000000000e000000140000000000000010000000140000000400000003010800050000000b0200000000050000000c0216004200030000001e0004000000070104000400000007010400f1020000410b2000cc0015003f00000000001600420000000000280000003f000000150000000100080000000000000000000000000000000000180000000000000000000000ffffff000080c60080000000ffffc600e3ffff000054a600c680000054a6e30054000000ffe3a600e3a65400a6540000ffffe300a6e3ff0000005400ffc6800080c6ff00c6ffff000000800080808000540080005400540080008000010101010101010101010101010101010101010101010101010101010101010101010101010101010101010101010101010101010101010101010101010101ff010101010101010101010101010101010101010101010101010101010101010101010101010101010101010101010101010101010101010101010101010101ff010101010101010101010101010101010101010101010101010101010101010101010101010101010101010101010101010101010101010101010101010101ff010101010101010101010101010101010101010101010101010101010101010101010101010101010101010101010101010101010101010101010101010101ff010101010101010101010101010101010101010101010101010101010101010101010101010101010101010101010101010101010101010101010101010101ff0108000304010101010101010101010101010101010101010101010101010101121300000c0d0101121307010101121300000c0d010101010101110000090aff0506071217040101010101010101010101010101010101010101010101010112130c0d05060c0d01121307010112130c0d05060c0d01010101010108090a01ff01020c0d0101010101010101010101010101010101010101010101010101010800100101110010010101010101080010010111001001010101010111090a01ff01080304010101010101010102000000000000000000090a01010101010101020304010112130b010101010101020304010112130b01010101010111090a01ff010e160a010101010101010101010101010101010101010101010101010105060c0d0101121307010101010105060c0d010112130701110000000000000000ff0112130b010101010101010101010101010101010101010101010101010105060c0d010105060c0d0101010105060c0d010105060c0d05060b010111090a08ff01050607010101010101010102000000000000000000090a01010101010105060c0d010105060c0d0101010105060c0d010105060c0d0112150a0111090a01ff0101080c0d0101010101010101010101010101010101010101010101010105060c0d010112130c0d0101010105060c0d010112130c0d0101110c0d11090a01ff010111030401010101010101010101010101010101010101010101010101010203040101121307010101010101020304010112130701010101020b11090a01ff01010e0f10010101010101010101010101010101010101010101010101010111090a010111001001010101010111090a010111001001010101121314090a01ff010105060b010101010101010101010101010101010101010101010101010105060c0d0506030401010101010105060c0d0506030401010101010e0f090a01ff010105060701010101010101010101010101010101010101010101010101010105060000030401010101010101010506000003040101010101010108090a0101010102000304010101010101010101010101010101010101010101010101010101010101010101010101010101010101010101010101010101010101010101ff010101010101010101010101010101010101010101010101010101010101010101010101010101010101010101010101010101010101010101010101010101ff010101010101010101010101010101010101010101010101010101010101010101010101010101010101010101010101010101010101010101010101010101ff010101010101010101010101010101010101010101010101010101010101010101010101010101010101010101010101010101010101010101010101010101000c00000040092900aa000000000000001600420000000000040000002701ffff030000000000 – длина соединения, м;
ω = 80 рад/с – угловая скорость;
η= 0,04 Па 010009000003820200000000f40100000000f401000026060f00de03574d4643010000000000010059200000000001000000bc03000000000000bc030000010000006c000000000000000000000004000000150000000000000000000000820000003f02000020454d4600000100bc0300000c00000001000000000000000000000000000000900600001a040000b801000013010000000000000000000000000000c0b6060038320400460000002c00000020000000454d462b014001001c000000100000000210c0db010000006000000060000000460000007001000064010000454d462b224004000c000000000000001e4009000c00000000000000244001000c000000000000003040020010000000040000000000803f214007000c0000000000000008400005bc000000b00000000210c0db01000000000000000000000000000000000000000100000089504e470d0a1a0a0000000d494844520000000500000015080200000001dbb329000000017352474200aece1ce9000000097048597300000e2600000e2601a2ef25fc0000003749444154285363fcffff3f03126042e600d903c23fdec8c8c818bafc09c82d40f71d6b003b2a64d963a05b817c880098fb9f7190b91f0044511b845cf2a6890000000049454e44ae42608200000840010824000000180000000210c0db01000000030000000000000000000000000000001b40000040000000340000000100000002000000000000bf000000bf0000a0400000a841030000000000008000000080ffff9f400000008000000080ffffaf412100000008000000620000000c00000001000000150000000c00000004000000150000000c0000000400000051000000e80000000000000000000000040000001500000000000000000000000000000000000000050000001500000050000000440000009400000054000000000000002000cc0005000000160000002800000005000000150000000100040000000000000000000000000000000000070000000000000000000000ffffff0080c6ff00e3a654000080c600a6540000ffffe3001111100111111005111110011111100011111001111110301111100111111000111110011203100014056001120310001111100111111000111110011111100011111001111110001111100311111000111110054c0000006400000000000000000000000400000015000000000000000000000005000000160000002900aa0000000000000000000000803f00000000000000000000803f0000000000000000000000000000000000000000000000000000000000000000220000000c000000ffffffff460000001c00000010000000454d462b024000000c000000000000000e000000140000000000000010000000140000000400000003010800050000000b0200000000050000000c0216000500030000001e000400000007010400040000000701040059000000410b2000cc00150005000000000016000500000000002800000005000000150000000100040000000000000000000000000000000000070000000000000000000000ffffff0080c6ff00e3a654000080c600a6540000ffffe3001111100111111005111110011111100011111001111110301111100111111000111110011203100014056001120310001111100111111000111110011111100011111001111110001111100311111000111110050c00000040092900aa000000000000001600050000000000040000002701ffff030000000000 c – абсолютная вязкость места при рабочей температуре;
g =
5
Па – среднее удельное давление в
подшипнике;
RZD = 5.0 – шероховатость поверхности отверстия;
Rzd = 4.0 – шероховатость поверхности вала.
Характер и условие работы подвижных соединений разнообразны. Например, соединение шейка колесного вала – вкладыш: поршень-гильза.
Для основных типов подвижных соединений методика расчета зазора различна, поэтому для наиболее ответственных подвижных соединений машин и механизмов систему посадок выбирают на основе расчетов.

Рисунок 2.2.1 – Положение вала в соединении вал-отверстие в состоянии покоя и при вращении.
Как показано на рисунке 2.2.1 в состоянии покоя под действием силы тяжести вал находится в крайнем нижнем положении. При вращении силы трения увлекают смазку в узкую клинообразнйю щель между валами и отверстием. Под действием возникшего в клине давления при определенном соотношении размеров соединения, частоты вращения, вязкости смазки и давления, вал как бы выплывает опираясь на масляной клин и несколько смещается в сторону вращения.
Известно, что соотношение между величинами h и S в соединениях конечной длины вращается зависимостью [ 1, c. 206 010009000003c20300000000b80200000000b802000026060f006605574d46430100000000000100d35f0000000001000000440500000000000044050000010000006c00000000000000000000000a0000001500000000000000000000001f0100003f02000020454d4600000100440500000c00000001000000000000000000000000000000900600001a040000b801000013010000000000000000000000000000c0b6060038320400460000002c00000020000000454d462b014001001c000000100000000210c0db0100000060000000600000004600000000020000f4010000454d462b224004000c000000000000001e4009000c00000000000000244001000c000000000000003040020010000000040000000000803f214007000c00000000000000084000054c010000400100000210c0db01000000000000000000000000000000000000000100000089504e470d0a1a0a0000000d494844520000000b0000001508020000001f12839a000000017352474200aece1ce9000000097048597300000e2600000e2601a2ef25fc000000c849444154285363fcffff3f035ec0845f1a284b4b15c71b1943973f013b01e8520878bc2c04d94d0dc7a0e210151059b8e0b106b05a081fac022412b2ec31c23020072e065201e2c0f58378600ed85c200be8db270fae3084a8c9421d717cd79565c996408e8c820e03c395074f802a1edf5a0377e293e57d57826c65909d0c5421ab06f7c4f1b9513a4591280a40610a326ecdadc7407d701b4066802d0799877013d069080f21fc871c1e080f81fd01550e0f536828c1dc88f03dc20c84183c22c00cc6419282008936db7fa6f326630000000049454e44ae426082000840010824000000180000000210c0db01000000030000000000000000000000000000001b40000040000000340000000100000002000000000000bf000000bf000030410000a841030000000000008000000080ffff2f410000008000000080ffffaf412100000008000000620000000c00000001000000150000000c00000004000000150000000c0000000400000051000000e001000000000000000000000a00000015000000000000000000000000000000000000000b000000150000005000000094000000e4000000fc000000000000002000cc000b00000016000000280000000b0000001500000001000800000000000000000000000000000000001b0000000000000000000000ffffff00c6ffff0054008000ffe3a60054a6e300ffc68000e3ffff000054a60080000000ffffc6000000800080c6ff0054000000e3a654000080c600a6540000ffffe300c680000080008000a6e3ff00000054005454a6005480c60054005400a6e3c600a65454000101010101010101010101ff0101010101010101010101ff0101010101010101010101ff0101010101010101010101ff0107080601010101010101ff0101020b000000090a0101ff01070800060101050d0401ff010509191a1101010f1011ff010f120117040101141804ff07080e010c120101020b0eff020b0e0107160401020b0eff07080e01010c0e01020b0eff010f12010102130a141506ff010c0d040101050e0f1011ff010708090a01020b000601ff0101010500000000060101ff0101010101010102030401ff0101010101010101010101ff0101010101010101010101ff0101010101010101010101ff0101010101010101010101ff4c0000006400000000000000000000000a0000001500000000000000000000000b000000160000002900aa0000000000000000000000803f00000000000000000000803f0000000000000000000000000000000000000000000000000000000000000000220000000c000000ffffffff460000001c00000010000000454d462b024000000c000000000000000e000000140000000000000010000000140000000400000003010800050000000b0200000000050000000c0216000b00030000001e0004000000070104000400000007010400d5000000410b2000cc0015000b000000000016000b0000000000280000000b0000001500000001000800000000000000000000000000000000001b0000000000000000000000ffffff00c6ffff0054008000ffe3a60054a6e300ffc68000e3ffff000054a60080000000ffffc6000000800080c6ff0054000000e3a654000080c600a6540000ffffe300c680000080008000a6e3ff00000054005454a6005480c60054005400a6e3c600a65454000101010101010101010101ff0101010101010101010101ff0101010101010101010101ff0101010101010101010101ff0107080601010101010101ff0101020b000000090a0101ff01070800060101050d0401ff010509191a1101010f1011ff010f120117040101141804ff07080e010c120101020b0eff020b0e0107160401020b0eff07080e01010c0e01020b0eff010f12010102130a141506ff010c0d040101050e0f1011ff010708090a01020b000601ff0101010500000000060101ff0101010101010102030401ff0101010101010101010101ff0101010101010101010101ff0101010101010101010101ff0101010101010101010101ff0c00000040092900aa0000000000000016000b0000000000040000002701ffff030000000000 66]
hS = (0.52
ωη/g) 010009000003820200000000f40100000000f401000026060f00de03574d4643010000000000010059200000000001000000bc03000000000000bc030000010000006c000000000000000000000004000000150000000000000000000000820000003f02000020454d4600000100bc0300000c00000001000000000000000000000000000000900600001a040000b801000013010000000000000000000000000000c0b6060038320400460000002c00000020000000454d462b014001001c000000100000000210c0db010000006000000060000000460000007001000064010000454d462b224004000c000000000000001e4009000c00000000000000244001000c000000000000003040020010000000040000000000803f214007000c0000000000000008400005bc000000b00000000210c0db01000000000000000000000000000000000000000100000089504e470d0a1a0a0000000d494844520000000500000015080200000001dbb329000000017352474200aece1ce9000000097048597300000e2600000e2601a2ef25fc0000003749444154285363fcffff3f03126042e600d903c23fdec8c8c818bafc09c82d40f71d6b003b2a64d963a05b817c880098fb9f7190b91f0044511b845cf2a6890000000049454e44ae42608200000840010824000000180000000210c0db01000000030000000000000000000000000000001b40000040000000340000000100000002000000000000bf000000bf0000a0400000a841030000000000008000000080ffff9f400000008000000080ffffaf412100000008000000620000000c00000001000000150000000c00000004000000150000000c0000000400000051000000e80000000000000000000000040000001500000000000000000000000000000000000000050000001500000050000000440000009400000054000000000000002000cc0005000000160000002800000005000000150000000100040000000000000000000000000000000000070000000000000000000000ffffff0080c6ff00e3a654000080c600a6540000ffffe3001111100111111005111110011111100011111001111110301111100111111000111110011203100014056001120310001111100111111000111110011111100011111001111110001111100311111000111110054c0000006400000000000000000000000400000015000000000000000000000005000000160000002900aa0000000000000000000000803f00000000000000000000803f0000000000000000000000000000000000000000000000000000000000000000220000000c000000ffffffff460000001c00000010000000454d462b024000000c000000000000000e000000140000000000000010000000140000000400000003010800050000000b0200000000050000000c0216000500030000001e000400000007010400040000000701040059000000410b2000cc00150005000000000016000500000000002800000005000000150000000100040000000000000000000000000000000000070000000000000000000000ffffff0080c6ff00e3a654000080c600a6540000ffffe3001111100111111005111110011111100011111001111110301111100111111000111110011203100014056001120310001111100111111000111110011111100011111001111110001111100311111000111110050c00000040092900aa000000000000001600050000000000040000002701ffff030000000000
ℓ/(dn + ℓ ). (2.1)
Где h- толщина масляного слоя в месте наибольшего сближения поверхностей валов и отверстия в рабочем состоянии, м ;
S – зазор между валом и отверстием в состоянии покоя, м ;
dn – полный диаметр соединения, м;
ω – угловая скорость, рад/с
η – абсолютная вязкость смазочного материала при рабочей температуре, Па 010009000003820200000000f40100000000f401000026060f00de03574d4643010000000000010059200000000001000000bc03000000000000bc030000010000006c000000000000000000000004000000150000000000000000000000820000003f02000020454d4600000100bc0300000c00000001000000000000000000000000000000900600001a040000b801000013010000000000000000000000000000c0b6060038320400460000002c00000020000000454d462b014001001c000000100000000210c0db010000006000000060000000460000007001000064010000454d462b224004000c000000000000001e4009000c00000000000000244001000c000000000000003040020010000000040000000000803f214007000c0000000000000008400005bc000000b00000000210c0db01000000000000000000000000000000000000000100000089504e470d0a1a0a0000000d494844520000000500000015080200000001dbb329000000017352474200aece1ce9000000097048597300000e2600000e2601a2ef25fc0000003749444154285363fcffff3f03126042e600d903c23fdec8c8c818bafc09c82d40f71d6b003b2a64d963a05b817c880098fb9f7190b91f0044511b845cf2a6890000000049454e44ae42608200000840010824000000180000000210c0db01000000030000000000000000000000000000001b40000040000000340000000100000002000000000000bf000000bf0000a0400000a841030000000000008000000080ffff9f400000008000000080ffffaf412100000008000000620000000c00000001000000150000000c00000004000000150000000c0000000400000051000000e80000000000000000000000040000001500000000000000000000000000000000000000050000001500000050000000440000009400000054000000000000002000cc0005000000160000002800000005000000150000000100040000000000000000000000000000000000070000000000000000000000ffffff0080c6ff00e3a654000080c600a6540000ffffe3001111100111111005111110011111100011111001111110301111100111111000111110011203100014056001120310001111100111111000111110011111100011111001111110001111100311111000111110054c0000006400000000000000000000000400000015000000000000000000000005000000160000002900aa0000000000000000000000803f00000000000000000000803f0000000000000000000000000000000000000000000000000000000000000000220000000c000000ffffffff460000001c00000010000000454d462b024000000c000000000000000e000000140000000000000010000000140000000400000003010800050000000b0200000000050000000c0216000500030000001e000400000007010400040000000701040059000000410b2000cc00150005000000000016000500000000002800000005000000150000000100040000000000000000000000000000000000070000000000000000000000ffffff0080c6ff00e3a654000080c600a6540000ffffe3001111100111111005111110011111100011111001111110301111100111111000111110011203100014056001120310001111100111111000111110011111100011111001111110001111100311111000111110050c00000040092900aa000000000000001600050000000000040000002701ffff030000000000 с;
g – среднее удельное давление в подшипнике, Па.
hS = (0.52 010009000003820200000000f40100000000f401000026060f00de03574d4643010000000000010059200000000001000000bc03000000000000bc030000010000006c000000000000000000000004000000150000000000000000000000820000003f02000020454d4600000100bc0300000c00000001000000000000000000000000000000900600001a040000b801000013010000000000000000000000000000c0b6060038320400460000002c00000020000000454d462b014001001c000000100000000210c0db010000006000000060000000460000007001000064010000454d462b224004000c000000000000001e4009000c00000000000000244001000c000000000000003040020010000000040000000000803f214007000c0000000000000008400005bc000000b00000000210c0db01000000000000000000000000000000000000000100000089504e470d0a1a0a0000000d494844520000000500000015080200000001dbb329000000017352474200aece1ce9000000097048597300000e2600000e2601a2ef25fc0000003749444154285363fcffff3f03126042e600d903c23fdec8c8c818bafc09c82d40f71d6b003b2a64d963a05b817c880098fb9f7190b91f0044511b845cf2a6890000000049454e44ae42608200000840010824000000180000000210c0db01000000030000000000000000000000000000001b40000040000000340000000100000002000000000000bf000000bf0000a0400000a841030000000000008000000080ffff9f400000008000000080ffffaf412100000008000000620000000c00000001000000150000000c00000004000000150000000c0000000400000051000000e80000000000000000000000040000001500000000000000000000000000000000000000050000001500000050000000440000009400000054000000000000002000cc0005000000160000002800000005000000150000000100040000000000000000000000000000000000070000000000000000000000ffffff0080c6ff00e3a654000080c600a6540000ffffe3001111100111111005111110011111100011111001111110301111100111111000111110011203100014056001120310001111100111111000111110011111100011111001111110001111100311111000111110054c0000006400000000000000000000000400000015000000000000000000000005000000160000002900aa0000000000000000000000803f00000000000000000000803f0000000000000000000000000000000000000000000000000000000000000000220000000c000000ffffffff460000001c00000010000000454d462b024000000c000000000000000e000000140000000000000010000000140000000400000003010800050000000b0200000000050000000c0216000500030000001e000400000007010400040000000701040059000000410b2000cc00150005000000000016000500000000002800000005000000150000000100040000000000000000000000000000000000070000000000000000000000ffffff0080c6ff00e3a654000080c600a6540000ffffe3001111100111111005111110011111100011111001111110301111100111111000111110011203100014056001120310001111100111111000111110011111100011111001111110001111100311111000111110050c00000040092900aa000000000000001600050000000000040000002701ffff030000000000
(0,05)2 80010009000003820200000000f40100000000f401000026060f00de03574d4643010000000000010059200000000001000000bc03000000000000bc030000010000006c000000000000000000000004000000150000000000000000000000820000003f02000020454d4600000100bc0300000c00000001000000000000000000000000000000900600001a040000b801000013010000000000000000000000000000c0b6060038320400460000002c00000020000000454d462b014001001c000000100000000210c0db010000006000000060000000460000007001000064010000454d462b224004000c000000000000001e4009000c00000000000000244001000c000000000000003040020010000000040000000000803f214007000c0000000000000008400005bc000000b00000000210c0db01000000000000000000000000000000000000000100000089504e470d0a1a0a0000000d494844520000000500000015080200000001dbb329000000017352474200aece1ce9000000097048597300000e2600000e2601a2ef25fc0000003749444154285363fcffff3f03126042e600d903c23fdec8c8c818bafc09c82d40f71d6b003b2a64d963a05b817c880098fb9f7190b91f0044511b845cf2a6890000000049454e44ae42608200000840010824000000180000000210c0db01000000030000000000000000000000000000001b40000040000000340000000100000002000000000000bf000000bf0000a0400000a841030000000000008000000080ffff9f400000008000000080ffffaf412100000008000000620000000c00000001000000150000000c00000004000000150000000c0000000400000051000000e80000000000000000000000040000001500000000000000000000000000000000000000050000001500000050000000440000009400000054000000000000002000cc0005000000160000002800000005000000150000000100040000000000000000000000000000000000070000000000000000000000ffffff0080c6ff00e3a654000080c600a6540000ffffe3001111100111111005111110011111100011111001111110301111100111111000111110011203100014056001120310001111100111111000111110011111100011111001111110001111100311111000111110054c0000006400000000000000000000000400000015000000000000000000000005000000160000002900aa0000000000000000000000803f00000000000000000000803f0000000000000000000000000000000000000000000000000000000000000000220000000c000000ffffffff460000001c00000010000000454d462b024000000c000000000000000e000000140000000000000010000000140000000400000003010800050000000b0200000000050000000c0216000500030000001e000400000007010400040000000701040059000000410b2000cc00150005000000000016000500000000002800000005000000150000000100040000000000000000000000000000000000070000000000000000000000ffffff0080c6ff00e3a654000080c600a6540000ffffe3001111100111111005111110011111100011111001111110301111100111111000111110011203100014056001120310001111100111111000111110011111100011111001111110001111100311111000111110050c00000040092900aa000000000000001600050000000000040000002701ffff0300000000000,04/6010009000003820200000000f40100000000f401000026060f00de03574d4643010000000000010059200000000001000000bc03000000000000bc030000010000006c000000000000000000000004000000150000000000000000000000820000003f02000020454d4600000100bc0300000c00000001000000000000000000000000000000900600001a040000b801000013010000000000000000000000000000c0b6060038320400460000002c00000020000000454d462b014001001c000000100000000210c0db010000006000000060000000460000007001000064010000454d462b224004000c000000000000001e4009000c00000000000000244001000c000000000000003040020010000000040000000000803f214007000c0000000000000008400005bc000000b00000000210c0db01000000000000000000000000000000000000000100000089504e470d0a1a0a0000000d494844520000000500000015080200000001dbb329000000017352474200aece1ce9000000097048597300000e2600000e2601a2ef25fc0000003749444154285363fcffff3f03126042e600d903c23fdec8c8c818bafc09c82d40f71d6b003b2a64d963a05b817c880098fb9f7190b91f0044511b845cf2a6890000000049454e44ae42608200000840010824000000180000000210c0db01000000030000000000000000000000000000001b40000040000000340000000100000002000000000000bf000000bf0000a0400000a841030000000000008000000080ffff9f400000008000000080ffffaf412100000008000000620000000c00000001000000150000000c00000004000000150000000c0000000400000051000000e80000000000000000000000040000001500000000000000000000000000000000000000050000001500000050000000440000009400000054000000000000002000cc0005000000160000002800000005000000150000000100040000000000000000000000000000000000070000000000000000000000ffffff0080c6ff00e3a654000080c600a6540000ffffe3001111100111111005111110011111100011111001111110301111100111111000111110011203100014056001120310001111100111111000111110011111100011111001111110001111100311111000111110054c0000006400000000000000000000000400000015000000000000000000000005000000160000002900aa0000000000000000000000803f00000000000000000000803f0000000000000000000000000000000000000000000000000000000000000000220000000c000000ffffffff460000001c00000010000000454d462b024000000c000000000000000e000000140000000000000010000000140000000400000003010800050000000b0200000000050000000c0216000500030000001e000400000007010400040000000701040059000000410b2000cc00150005000000000016000500000000002800000005000000150000000100040000000000000000000000000000000000070000000000000000000000ffffff0080c6ff00e3a654000080c600a6540000ffffe3001111100111111005111110011111100011111001111110301111100111111000111110011203100014056001120310001111100111111000111110011111100011111001111110001111100311111000111110050c00000040092900aa000000000000001600050000000000040000002701ffff030000000000105
) 010009000003820200000000f40100000000f401000026060f00de03574d4643010000000000010059200000000001000000bc03000000000000bc030000010000006c000000000000000000000004000000150000000000000000000000820000003f02000020454d4600000100bc0300000c00000001000000000000000000000000000000900600001a040000b801000013010000000000000000000000000000c0b6060038320400460000002c00000020000000454d462b014001001c000000100000000210c0db010000006000000060000000460000007001000064010000454d462b224004000c000000000000001e4009000c00000000000000244001000c000000000000003040020010000000040000000000803f214007000c0000000000000008400005bc000000b00000000210c0db01000000000000000000000000000000000000000100000089504e470d0a1a0a0000000d494844520000000500000015080200000001dbb329000000017352474200aece1ce9000000097048597300000e2600000e2601a2ef25fc0000003749444154285363fcffff3f03126042e600d903c23fdec8c8c818bafc09c82d40f71d6b003b2a64d963a05b817c880098fb9f7190b91f0044511b845cf2a6890000000049454e44ae42608200000840010824000000180000000210c0db01000000030000000000000000000000000000001b40000040000000340000000100000002000000000000bf000000bf0000a0400000a841030000000000008000000080ffff9f400000008000000080ffffaf412100000008000000620000000c00000001000000150000000c00000004000000150000000c0000000400000051000000e80000000000000000000000040000001500000000000000000000000000000000000000050000001500000050000000440000009400000054000000000000002000cc0005000000160000002800000005000000150000000100040000000000000000000000000000000000070000000000000000000000ffffff0080c6ff00e3a654000080c600a6540000ffffe3001111100111111005111110011111100011111001111110301111100111111000111110011203100014056001120310001111100111111000111110011111100011111001111110001111100311111000111110054c0000006400000000000000000000000400000015000000000000000000000005000000160000002900aa0000000000000000000000803f00000000000000000000803f0000000000000000000000000000000000000000000000000000000000000000220000000c000000ffffffff460000001c00000010000000454d462b024000000c000000000000000e000000140000000000000010000000140000000400000003010800050000000b0200000000050000000c0216000500030000001e000400000007010400040000000701040059000000410b2000cc00150005000000000016000500000000002800000005000000150000000100040000000000000000000000000000000000070000000000000000000000ffffff0080c6ff00e3a654000080c600a6540000ffffe3001111100111111005111110011111100011111001111110301111100111111000111110011203100014056001120310001111100111111000111110011111100011111001111110001111100311111000111110050c00000040092900aa000000000000001600050000000000040000002701ffff030000000000
ℓ/(0,05 + ℓ ) = 3081 мкм2
Также
известно, что если при установившемся
движении h = 0,25S, то коэффициент трения
получается наименьшим, следовательно,
и тепловой режим работы соединения
будет наилучшим. Зная это, определим
выгодный зазор по формуле [ 1, c. 207 010009000003c20300000000b80200000000b802000026060f006605574d46430100000000000100d35f0000000001000000440500000000000044050000010000006c00000000000000000000000a0000001500000000000000000000001f0100003f02000020454d4600000100440500000c00000001000000000000000000000000000000900600001a040000b801000013010000000000000000000000000000c0b6060038320400460000002c00000020000000454d462b014001001c000000100000000210c0db0100000060000000600000004600000000020000f4010000454d462b224004000c000000000000001e4009000c00000000000000244001000c000000000000003040020010000000040000000000803f214007000c00000000000000084000054c010000400100000210c0db01000000000000000000000000000000000000000100000089504e470d0a1a0a0000000d494844520000000b0000001508020000001f12839a000000017352474200aece1ce9000000097048597300000e2600000e2601a2ef25fc000000c849444154285363fcffff3f035ec0845f1a284b4b15c71b1943973f013b01e8520878bc2c04d94d0dc7a0e210151059b8e0b106b05a081fac022412b2ec31c23020072e065201e2c0f58378600ed85c200be8db270fae3084a8c9421d717cd79565c996408e8c820e03c395074f802a1edf5a0377e293e57d57826c65909d0c5421ab06f7c4f1b9513a4591280a40610a326ecdadc7407d701b4066802d0799877013d069080f21fc871c1e080f81fd01550e0f536828c1dc88f03dc20c84183c22c00cc6419282008936db7fa6f326630000000049454e44ae426082000840010824000000180000000210c0db01000000030000000000000000000000000000001b40000040000000340000000100000002000000000000bf000000bf000030410000a841030000000000008000000080ffff2f410000008000000080ffffaf412100000008000000620000000c00000001000000150000000c00000004000000150000000c0000000400000051000000e001000000000000000000000a00000015000000000000000000000000000000000000000b000000150000005000000094000000e4000000fc000000000000002000cc000b00000016000000280000000b0000001500000001000800000000000000000000000000000000001b0000000000000000000000ffffff00c6ffff0054008000ffe3a60054a6e300ffc68000e3ffff000054a60080000000ffffc6000000800080c6ff0054000000e3a654000080c600a6540000ffffe300c680000080008000a6e3ff00000054005454a6005480c60054005400a6e3c600a65454000101010101010101010101ff0101010101010101010101ff0101010101010101010101ff0101010101010101010101ff0107080601010101010101ff0101020b000000090a0101ff01070800060101050d0401ff010509191a1101010f1011ff010f120117040101141804ff07080e010c120101020b0eff020b0e0107160401020b0eff07080e01010c0e01020b0eff010f12010102130a141506ff010c0d040101050e0f1011ff010708090a01020b000601ff0101010500000000060101ff0101010101010102030401ff0101010101010101010101ff0101010101010101010101ff0101010101010101010101ff0101010101010101010101ff4c0000006400000000000000000000000a0000001500000000000000000000000b000000160000002900aa0000000000000000000000803f00000000000000000000803f0000000000000000000000000000000000000000000000000000000000000000220000000c000000ffffffff460000001c00000010000000454d462b024000000c000000000000000e000000140000000000000010000000140000000400000003010800050000000b0200000000050000000c0216000b00030000001e0004000000070104000400000007010400d5000000410b2000cc0015000b000000000016000b0000000000280000000b0000001500000001000800000000000000000000000000000000001b0000000000000000000000ffffff00c6ffff0054008000ffe3a60054a6e300ffc68000e3ffff000054a60080000000ffffc6000000800080c6ff0054000000e3a654000080c600a6540000ffffe300c680000080008000a6e3ff00000054005454a6005480c60054005400a6e3c600a65454000101010101010101010101ff0101010101010101010101ff0101010101010101010101ff0101010101010101010101ff0107080601010101010101ff0101020b000000090a0101ff01070800060101050d0401ff010509191a1101010f1011ff010f120117040101141804ff07080e010c120101020b0eff020b0e0107160401020b0eff07080e01010c0e01020b0eff010f12010102130a141506ff010c0d040101050e0f1011ff010708090a01020b000601ff0101010500000000060101ff0101010101010102030401ff0101010101010101010101ff0101010101010101010101ff0101010101010101010101ff0101010101010101010101ff0c00000040092900aa0000000000000016000b0000000000040000002701ffff030000000000
67]
Sнаив. = 010009000003720700000000c80400000000c804000026060f008609574d46430100000000000100770c0000000001000000640900000000000064090000010000006c00000000000000000000002a000000180000000000000000000000650400008e02000020454d4600000100640900000c00000001000000000000000000000000000000900600001a040000b801000013010000000000000000000000000000c0b6060038320400460000002c00000020000000454d462b014001001c000000100000000210c0db01000000600000006000000046000000e0020000d4020000454d462b224004000c000000000000001e4009000c00000000000000244001000c000000000000003040020010000000040000000000803f214007000c00000000000000084000052c020000200200000210c0db01000000000000000000000000000000000000000100000089504e470d0a1a0a0000000d4948445200000029000000180802000000e82443a9000000017352474200aece1ce9000000097048597300000e2600000e2601a2ef25fc000001a649444154484bed56316ec3300c94fb8e04c894291f4881ae7d40e12cfd457fa07c207d415767298ace5d0bd81fc8d42980fd0f97942c8b222dd58e0b0405aa2d96c8e31d8f52b2b66dd595d6cd957011f6cf6237c75d3663cde1dd7cbea9a206c35cb8e660d75feae16e71b9616660571f7ab3eaa1abbd557f5f8d2fa6d3abd424241fa32444e832501b73b04f629f1686bcb1e4db93c3830caf8fcb1fcb6fce277dbfa5a9e08bcad7cb61da684b8f51173994a9a03240a34ccd469200c4c021ae0e4b2328338cbc406cbe8cfe29f162d018642b6709cc47d1c901af8187003ad4930b292d8e8aebf579f7a49e4d694a1f8e8d0b5bac360a3af9c27cc849db567813391e810ed267d838424ddace9999e4619a2352d8170d1ee44d8841f77931400e8ba3e1762836a7ec2509fb05bfb81bc29ae3893a3b58748f9d9c4eeafd018b1b657c3dc9545ec40e9b6b5dea8109b2e963d03e20505c1cf7bb069b23f38937e23bdd6559764bd236b0efe1c052eb74778bbc8ce25691a3cfac453dd58fbb43207987ee96e89368e7247deb4c784f2761db3b237c402660f1a3d9ff7fc5f16ffe2f9dfc069c5c1acdb83b1c0b0000000049454e44ae4260820000000840010824000000180000000210c0db01000000030000000000000000000000000000001b40000040000000340000000100000002000000000000bf000000bf000024420000c041030000000000008000000080ffff2b420000008000000080ffffc7412100000008000000620000000c00000001000000150000000c00000004000000150000000c00000004000000510000002005000000000000000000002a0000001800000000000000000000000000000000000000290000001800000050000000b00000000001000020040000000000002000cc002b000000190000002800000029000000180000000100080000000000000000000000000000000000220000000000000000000000ffffff0054a6e300e3ffff005454a600ffe3a600c6ffff00a6548000ffffe30080c6ff00c68000000080c60080000000ffffc60054000000ffc68000000080008054a6000054a600e3a65400a6e3ff0000005400a654540054008000a6540000e3ffc6005480c600a68000008000800080a6e3005400540080c6e3000080b000e3ffe300010101010101010101010101010101010101010101010101010101010101010101010101010101010100000001010101010101010101010101010101010101010101010101010101010101010101010101010101010000000101010101010101010101010101010101010101010101010101010101010101010101010101010101000000010101010101010101010101010101020a010101010101010101010101010101010101010101010101c70000010101010101010101010101010106100c0d0101010101010101010101010101010101010101010101ffffc6010b0000000000001301010101010200000f0101010106101301010312001821120000000018080101ffffff01141e050101010b13010101010312181f130101010103120a010106100f1416200c0d01010b0c0d0100ffff0101021808010109130101010109000f141608010101010b1808010610130101021301010106101301ffffe30101010b0a0101010101010103120c0d03040501010101090c0d01010b0a0101010101010106100a01002c2001010103120a0101010101011415130101020f01010101141e050101020c0d01010101010102001301ffffff010101010312130101011d050b0c0d0101090a0101010106100a0101090e0501010101031200180801ffffff010101010114150f01010312000a010101061c0d010101010b0e050106100f0101010610000a01010100c7810101010101010b0c0d0101010101010101011a0501010101021b04051415130101010b000f01010101c6800001010101010109000f010101010101010101021301010101090c1912000c0d01010312180801010101ffffe3010b1301010102000f010101010101010101141608010101061705010101010101010b180801011416ffffff010b0e050106100c0d01010101010101010103110d010101031213010101010101011415130101020cffffff0101090000000e0501010101010101010101010b0f010101010b0a010101010101010106100000000000000001010101010101010101010101010101010101090a0101010b000c0d0101010101010101010101010100000001010101010101010101010101010101010101060708010101010101010101010101010101010101010000000101010101010101010101010101010101010103040501010101010101010101010101010101010101261d00010101010101010101010101010101010101010102000000000000000000000000000000000000000000acda010101010101010101010101010101010101010101010101010101010101010101010101010101010155a7e4010101010101010101010101010101010101010101010101010101010101010101010101010101010154a6e30101010101010101010101010101010101010101010101010101010101010101010101010101010101ffffff4c0000006400000000000000000000002a0000001800000000000000000000002b000000190000002900aa0000000000000000000000803f00000000000000000000803f0000000000000000000000000000000000000000000000000000000000000000220000000c000000ffffffff460000001c00000010000000454d462b024000000c000000000000000e000000140000000000000010000000140000000400000003010800050000000b0200000000050000000c0219002b00030000001e000400000007010400040000000701040075020000410b2000cc00180029000000000019002b00000000002800000029000000180000000100080000000000000000000000000000000000220000000000000000000000ffffff0054a6e300e3ffff005454a600ffe3a600c6ffff00a6548000ffffe30080c6ff00c68000000080c60080000000ffffc60054000000ffc68000000080008054a6000054a600e3a65400a6e3ff0000005400a654540054008000a6540000e3ffc6005480c600a68000008000800080a6e3005400540080c6e3000080b000e3ffe300010101010101010101010101010101010101010101010101010101010101010101010101010101010100000001010101010101010101010101010101010101010101010101010101010101010101010101010101010000000101010101010101010101010101010101010101010101010101010101010101010101010101010101000000010101010101010101010101010101020a010101010101010101010101010101010101010101010101c70000010101010101010101010101010106100c0d0101010101010101010101010101010101010101010101ffffc6010b0000000000001301010101010200000f0101010106101301010312001821120000000018080101ffffff01141e050101010b13010101010312181f130101010103120a010106100f1416200c0d01010b0c0d0100ffff0101021808010109130101010109000f141608010101010b1808010610130101021301010106101301ffffe30101010b0a0101010101010103120c0d03040501010101090c0d01010b0a0101010101010106100a01002c2001010103120a0101010101011415130101020f01010101141e050101020c0d01010101010102001301ffffff010101010312130101011d050b0c0d0101090a0101010106100a0101090e0501010101031200180801ffffff010101010114150f01010312000a010101061c0d010101010b0e050106100f0101010610000a01010100c7810101010101010b0c0d0101010101010101011a0501010101021b04051415130101010b000f01010101c6800001010101010109000f010101010101010101021301010101090c1912000c0d01010312180801010101ffffe3010b1301010102000f010101010101010101141608010101061705010101010101010b180801011416ffffff010b0e050106100c0d01010101010101010103110d010101031213010101010101011415130101020cffffff0101090000000e0501010101010101010101010b0f010101010b0a010101010101010106100000000000000001010101010101010101010101010101010101090a0101010b000c0d0101010101010101010101010100000001010101010101010101010101010101010101060708010101010101010101010101010101010101010000000101010101010101010101010101010101010103040501010101010101010101010101010101010101261d00010101010101010101010101010101010101010102000000000000000000000000000000000000000000acda010101010101010101010101010101010101010101010101010101010101010101010101010101010155a7e4010101010101010101010101010101010101010101010101010101010101010101010101010101010154a6e30101010101010101010101010101010101010101010101010101010101010101010101010101010101ffffff0c00000040092900aa0000000000000019002b0000000000040000002701ffff030000000000 (2.2)
где Sнаив. – наивысший зазор, мкм;
h- толщина масляного слоя в месте наибольшего сближения поверхностей вала и отверстия в рабочем состоянии, м ;
Sнаив. = 0100090000035a0900000000ea0500000000ea05000026060f00ca0b574d46430100000000000100cc7c0000000001000000a80b000000000000a80b0000010000006c00000000000000000000003f0000001700000000000000000000008b0600007402000020454d4600000100a80b00000c00000001000000000000000000000000000000900600001a040000b801000013010000000000000000000000000000c0b6060038320400460000002c00000020000000454d462b014001001c000000100000000210c0db01000000600000006000000046000000980300008c030000454d462b224004000c000000000000001e4009000c00000000000000244001000c000000000000003040020010000000040000000000803f214007000c0000000000000008400005e4020000d80200000210c0db01000000000000000000000000000000000000000100000089504e470d0a1a0a0000000d494844520000003d0000001708020000003737d0ee000000017352474200aece1ce9000000097048597300000e2600000e2601a2ef25fc0000025e494441545847ed574b8ec2300c4de71cadc48a151700892d0740cc82de022e407b819913b085c5a03900db91da0bb06285d4dea363a76d6227e9073a12429aae6813db2ff67b76f08aa2102ff8bcbd206684fcaab805f0e4e1273bac9e55ae21f9ce7fbec5217bf8d4830c87e0ceae6239f79f93f101b8d37334193d09b6a8f99d44246fab3ed5078b2821b5eef040b5c0ecd08521146bbddea381216e19517d2ae33b4d29232194dec33d9428e8e1e597ea43b9aa6dcd77477c95120bb715a40b38442336e0b8cd03c6e5bb35707aa42a2f12667d307cc1dfc63ee4f774577cad3551fdd1a4536bd84a88260d0fd9f504c116d3ca0d0841082285e902b19cd3b628ab71502e83eb62577bd2160e5dca303aaad37b732bc98fefdeec020251c1f2db05d25de350ee2eb71c7ffbeb6d244ee1e628dfe049e31928674b12e94260e1ce8f1f28381d1570e013d3f4385b491ae3be20845c773cc198ce2bcc6832090319c6f3660258e1c830f769e0ce8f9b10660941bd179f52b8b4ae00db510f8c5f09ff0428d841db0ea22a54595f669ef7aed2df64497a84a47e630fd2ca62adc439f5587fb195478567af9a0d4665838a5be73b8d837092b82be4cf972b20e15e72053569b195a7851141eafc74cdf8969af052c36c7ef5e90bf57d106a856252fc48635e29a99e922b462b9127010db0fd1c8c3c05e119eb2f72b1d26879b2061d1b84b147513989ac9959173489dc4b9a610dc4a07387b830a7149f618a868653352f4dfedbb35e0d639704d8947789846cb05db7dd115c97e528b9ebfeddf30a30e882dad3f82edc72d876de5c7a461eb6cdfbff5fdc3525ff74fd1773afd113a5e154b80000000049454e44ae4260820000000840010824000000180000000210c0db01000000030000000000000000000000000000001b40000040000000340000000100000002000000000000bf000000bf000074420000b841030000000000008000000080ffff7f420000008000000080feffbf412100000008000000620000000c00000001000000150000000c00000004000000150000000c0000000400000051000000ac06000000000000000000003f00000017000000000000000000000000000000000000003d00000017000000500000009c000000ec000000c0050000000000002000cc004000000018000000280000003d0000001700000001000800000000000000000000000000000000001d0000000000000000000000ffffff0054a6e300e3ffff005454a600ffe3a600c6ffff00a6548000ffffe30080c6ff00c6800000540000000080c600ffc680000054a60080000000ffffc600a6e3ff000000540054005400000080008054a600a6540000e3a65400a65454005480c6008000800080a6e30080c6e3000101010101010101010101010101010101010101010101010101010101010101010101010101010101010101010101010101010101010101010101010101010101010101010101010101010101010101010101010101010101010101010101010101010101010101010101010101010101010101010101010101010101010101010101010101010101010101010101020a0101010101010101010101010101010101010101010101010101010101010101010101010101010101010101010610010101010101010101010101010106140f1001010101010101010101010101010101010101010101010101010101010101010101010101010101010101000000010c0000000000001701010101010200000d010101010106140000000a010101010106140000160801010101090000000b05010101030e00000000000a010101011113050101010c1701010101030e161c1701010101030e0f1001030e1608010106141608030e1608010102001701010900170101010101020b0501010a01010101021608010109170101010109000d111808010101030e1701010109000d010102000d010109000d01030e16080101030e160801010101020b0501011213010101010c0a01010101010101030e0f1003040501010101010101010111121701010c0f1001010614170106140a010101010c0f1001010101020b0501010e0501010101030e0a0101010101011112170101020d01010101010101010109001701030e1608010106140a01030e16080101030e0f1001010101020b05010101010101010101030e170101011b050c0f100101090a010101010101010111120f1001030e16080101030e16080111121701010200170101010101020b050101010101010101010111120d0101030e000a010101061a10010101010614000016080101030e16080101030e16080101061400000f10010101010101020b050101ffffff0101010101010c0f100101010101010101011905010101010101030e16080101030e160801010614160801090017010109000d0101010101020b05010101010901010101010109000d010101010101010101021701010101010101010c0f1001010c0f10010106140a01030e16080101010c160801010101020b050101010101010c1701010102000d01010101010101010111180801010c1701010102000d0101090b05010109000d01030e16080101010c0f1001090f10020b050101010101010c0b050106140f1001010101010101010103151001010c0b0501030e0b050101030e1608030e0f10010102000d010109000a0101010614000b0501010101010101090000000b0501010101010101010101010c0d010101090000000b0501010101030e00000f100101010111120000000a010101010101111305010101010101010101010101010101010101010101010101090a0101010101010101010101010101010101010101010101010101010101010101010101010101010180005401010101010101010101010101010101010101060708010101010101010101010101010101010101010101010101010101010101010101010101010101e3ffff01010101010101010101010101010101010101030405010101010101010101010101010101010101010101010101010101010101010101010101010101a7c700010101010101010101010101010101010101010102000000000000000000000000000000000000000000000000000000000000000000000000000000000000000101010101010101010101010101010101010101010101010101010101010101010101010101010101010101010101010101010101010101010101010100000001010101010101010101010101010101010101010101010101010101010101010101010101010101010101010101010101010101010101010101010101000000010101010101010101010101010101010101010101010101010101010101010101010101010101010101010101010101010101010101010101010101011000014c0000006400000000000000000000003f00000017000000000000000000000040000000180000002900aa0000000000000000000000803f00000000000000000000803f0000000000000000000000000000000000000000000000000000000000000000220000000c000000ffffffff460000001c00000010000000454d462b024000000c000000000000000e000000140000000000000010000000140000000400000003010800050000000b0200000000050000000c0218004000030000001e00040000000701040004000000070104003b030000410b2000cc0017003d00000000001800400000000000280000003d0000001700000001000800000000000000000000000000000000001d0000000000000000000000ffffff0054a6e300e3ffff005454a600ffe3a600c6ffff00a6548000ffffe30080c6ff00c6800000540000000080c600ffc680000054a60080000000ffffc600a6e3ff000000540054005400000080008054a600a6540000e3a65400a65454005480c6008000800080a6e30080c6e3000101010101010101010101010101010101010101010101010101010101010101010101010101010101010101010101010101010101010101010101010101010101010101010101010101010101010101010101010101010101010101010101010101010101010101010101010101010101010101010101010101010101010101010101010101010101010101010101020a0101010101010101010101010101010101010101010101010101010101010101010101010101010101010101010610010101010101010101010101010106140f1001010101010101010101010101010101010101010101010101010101010101010101010101010101010101000000010c0000000000001701010101010200000d010101010106140000000a010101010106140000160801010101090000000b05010101030e00000000000a010101011113050101010c1701010101030e161c1701010101030e0f1001030e1608010106141608030e1608010102001701010900170101010101020b0501010a01010101021608010109170101010109000d111808010101030e1701010109000d010102000d010109000d01030e16080101030e160801010101020b0501011213010101010c0a01010101010101030e0f1003040501010101010101010111121701010c0f1001010614170106140a010101010c0f1001010101020b0501010e0501010101030e0a0101010101011112170101020d01010101010101010109001701030e1608010106140a01030e16080101030e0f1001010101020b05010101010101010101030e170101011b050c0f100101090a010101010101010111120f1001030e16080101030e16080111121701010200170101010101020b050101010101010101010111120d0101030e000a010101061a10010101010614000016080101030e16080101030e16080101061400000f10010101010101020b050101ffffff0101010101010c0f100101010101010101011905010101010101030e16080101030e160801010614160801090017010109000d0101010101020b05010101010901010101010109000d010101010101010101021701010101010101010c0f1001010c0f10010106140a01030e16080101010c160801010101020b050101010101010c1701010102000d01010101010101010111180801010c1701010102000d0101090b05010109000d01030e16080101010c0f1001090f10020b050101010101010c0b050106140f1001010101010101010103151001010c0b0501030e0b050101030e1608030e0f10010102000d010109000a0101010614000b0501010101010101090000000b0501010101010101010101010c0d010101090000000b0501010101030e00000f100101010111120000000a010101010101111305010101010101010101010101010101010101010101010101090a0101010101010101010101010101010101010101010101010101010101010101010101010101010180005401010101010101010101010101010101010101060708010101010101010101010101010101010101010101010101010101010101010101010101010101e3ffff01010101010101010101010101010101010101030405010101010101010101010101010101010101010101010101010101010101010101010101010101a7c700010101010101010101010101010101010101010102000000000000000000000000000000000000000000000000000000000000000000000000000000000000000101010101010101010101010101010101010101010101010101010101010101010101010101010101010101010101010101010101010101010101010100000001010101010101010101010101010101010101010101010101010101010101010101010101010101010101010101010101010101010101010101010101000000010101010101010101010101010101010101010101010101010101010101010101010101010101010101010101010101010101010101010101010101011000010c00000040092900aa000000000000001800400000000000040000002701ffff030000000000 = 111мкм
При расчете и выборе подвижных посадок, необходимо учитывать, что в процессе работы изнашиваются поверхности вала и отверстия., в результате чего зазор увеличивается.
При
определенном темпе нарастания зазора
и постоянном предельно допустимом
зазоре долговечность соединения может
быть увеличена за счет уменьшения
начального зазора Sнач. Поэтому
целесообразно первоначальный зазор
уменьшить на сумму высот шероховатостей
вала и отверстия, что обеспечит больший
технический ресурс сопряжения. Учитывая,
что в процессе приработки высота
шероховатостей уменьшится на 0,7, т.к.
считается, что в процессе приработки
вследствие износа стираются выступы
шероховатости вала и втулки на величину
0,7 ℓ7, первоначальный расчетный зазор,
по которому следует выбирать посадку
можно определить из выражения [ 1, c. 208
010009000003c20300000000b80200000000b802000026060f006605574d46430100000000000100d35f0000000001000000440500000000000044050000010000006c00000000000000000000000a0000001500000000000000000000001f0100003f02000020454d4600000100440500000c00000001000000000000000000000000000000900600001a040000b801000013010000000000000000000000000000c0b6060038320400460000002c00000020000000454d462b014001001c000000100000000210c0db0100000060000000600000004600000000020000f4010000454d462b224004000c000000000000001e4009000c00000000000000244001000c000000000000003040020010000000040000000000803f214007000c00000000000000084000054c010000400100000210c0db01000000000000000000000000000000000000000100000089504e470d0a1a0a0000000d494844520000000b0000001508020000001f12839a000000017352474200aece1ce9000000097048597300000e2600000e2601a2ef25fc000000c849444154285363fcffff3f035ec0845f1a284b4b15c71b1943973f013b01e8520878bc2c04d94d0dc7a0e210151059b8e0b106b05a081fac022412b2ec31c23020072e065201e2c0f58378600ed85c200be8db270fae3084a8c9421d717cd79565c996408e8c820e03c395074f802a1edf5a0377e293e57d57826c65909d0c5421ab06f7c4f1b9513a4591280a40610a326ecdadc7407d701b4066802d0799877013d069080f21fc871c1e080f81fd01550e0f536828c1dc88f03dc20c84183c22c00cc6419282008936db7fa6f326630000000049454e44ae426082000840010824000000180000000210c0db01000000030000000000000000000000000000001b40000040000000340000000100000002000000000000bf000000bf000030410000a841030000000000008000000080ffff2f410000008000000080ffffaf412100000008000000620000000c00000001000000150000000c00000004000000150000000c0000000400000051000000e001000000000000000000000a00000015000000000000000000000000000000000000000b000000150000005000000094000000e4000000fc000000000000002000cc000b00000016000000280000000b0000001500000001000800000000000000000000000000000000001b0000000000000000000000ffffff00c6ffff0054008000ffe3a60054a6e300ffc68000e3ffff000054a60080000000ffffc6000000800080c6ff0054000000e3a654000080c600a6540000ffffe300c680000080008000a6e3ff00000054005454a6005480c60054005400a6e3c600a65454000101010101010101010101ff0101010101010101010101ff0101010101010101010101ff0101010101010101010101ff0107080601010101010101ff0101020b000000090a0101ff01070800060101050d0401ff010509191a1101010f1011ff010f120117040101141804ff07080e010c120101020b0eff020b0e0107160401020b0eff07080e01010c0e01020b0eff010f12010102130a141506ff010c0d040101050e0f1011ff010708090a01020b000601ff0101010500000000060101ff0101010101010102030401ff0101010101010101010101ff0101010101010101010101ff0101010101010101010101ff0101010101010101010101ff4c0000006400000000000000000000000a0000001500000000000000000000000b000000160000002900aa0000000000000000000000803f00000000000000000000803f0000000000000000000000000000000000000000000000000000000000000000220000000c000000ffffffff460000001c00000010000000454d462b024000000c000000000000000e000000140000000000000010000000140000000400000003010800050000000b0200000000050000000c0216000b00030000001e0004000000070104000400000007010400d5000000410b2000cc0015000b000000000016000b0000000000280000000b0000001500000001000800000000000000000000000000000000001b0000000000000000000000ffffff00c6ffff0054008000ffe3a60054a6e300ffc68000e3ffff000054a60080000000ffffc6000000800080c6ff0054000000e3a654000080c600a6540000ffffe300c680000080008000a6e3ff00000054005454a6005480c60054005400a6e3c600a65454000101010101010101010101ff0101010101010101010101ff0101010101010101010101ff0101010101010101010101ff0107080601010101010101ff0101020b000000090a0101ff01070800060101050d0401ff010509191a1101010f1011ff010f120117040101141804ff07080e010c120101020b0eff020b0e0107160401020b0eff07080e01010c0e01020b0eff010f12010102130a141506ff010c0d040101050e0f1011ff010708090a01020b000601ff0101010500000000060101ff0101010101010102030401ff0101010101010101010101ff0101010101010101010101ff0101010101010101010101ff0101010101010101010101ff0c00000040092900aa0000000000000016000b0000000000040000002701ffff030000000000
68].
Sрасч. = Sнач.- 1,4 (RZD + RZd ), (2.3)
где Sрасч. – расчетный зазор, мкм
Sрасч. = 111-1,4 010009000003820200000000f40100000000f401000026060f00de03574d4643010000000000010059200000000001000000bc03000000000000bc030000010000006c000000000000000000000004000000150000000000000000000000820000003f02000020454d4600000100bc0300000c00000001000000000000000000000000000000900600001a040000b801000013010000000000000000000000000000c0b6060038320400460000002c00000020000000454d462b014001001c000000100000000210c0db010000006000000060000000460000007001000064010000454d462b224004000c000000000000001e4009000c00000000000000244001000c000000000000003040020010000000040000000000803f214007000c0000000000000008400005bc000000b00000000210c0db01000000000000000000000000000000000000000100000089504e470d0a1a0a0000000d494844520000000500000015080200000001dbb329000000017352474200aece1ce9000000097048597300000e2600000e2601a2ef25fc0000003749444154285363fcffff3f03126042e600d903c23fdec8c8c818bafc09c82d40f71d6b003b2a64d963a05b817c880098fb9f7190b91f0044511b845cf2a6890000000049454e44ae42608200000840010824000000180000000210c0db01000000030000000000000000000000000000001b40000040000000340000000100000002000000000000bf000000bf0000a0400000a841030000000000008000000080ffff9f400000008000000080ffffaf412100000008000000620000000c00000001000000150000000c00000004000000150000000c0000000400000051000000e80000000000000000000000040000001500000000000000000000000000000000000000050000001500000050000000440000009400000054000000000000002000cc0005000000160000002800000005000000150000000100040000000000000000000000000000000000070000000000000000000000ffffff0080c6ff00e3a654000080c600a6540000ffffe3001111100111111005111110011111100011111001111110301111100111111000111110011203100014056001120310001111100111111000111110011111100011111001111110001111100311111000111110054c0000006400000000000000000000000400000015000000000000000000000005000000160000002900aa0000000000000000000000803f00000000000000000000803f0000000000000000000000000000000000000000000000000000000000000000220000000c000000ffffffff460000001c00000010000000454d462b024000000c000000000000000e000000140000000000000010000000140000000400000003010800050000000b0200000000050000000c0216000500030000001e000400000007010400040000000701040059000000410b2000cc00150005000000000016000500000000002800000005000000150000000100040000000000000000000000000000000000070000000000000000000000ffffff0080c6ff00e3a654000080c600a6540000ffffe3001111100111111005111110011111100011111001111110301111100111111000111110011203100014056001120310001111100111111000111110011111100011111001111110001111100311111000111110050c00000040092900aa000000000000001600050000000000040000002701ffff030000000000 (5 + 4) = 98,4 мкм.
По таблице [ 1, c. 353, п.VIII ] подбираем посадку, удовлетворяющую условию: Sср.ст.0100090000036203000000007202000000007202000026060f00da04574d46430100000000000100160b0000000001000000b804000000000000b8040000010000006c000000000000000000000011000000150000000000000000000000d60100003f02000020454d4600000100b80400000c00000001000000000000000000000000000000900600001a040000b801000013010000000000000000000000000000c0b6060038320400460000002c00000020000000454d462b014001001c000000100000000210c0db01000000600000006000000046000000a80100009c010000454d462b224004000c000000000000001e4009000c00000000000000244001000c000000000000003040020010000000040000000000803f214007000c0000000000000008400005f4000000e80000000210c0db01000000000000000000000000000000000000000100000089504e470d0a1a0a0000000d49484452000000110000001508020000002f9e92bb000000017352474200aece1ce9000000097048597300000e2600000e2601a2ef25fc0000006e49444154384f63fcffff3f0389808944f520e5c345cf93e5a18ca1cb9f303000c38d1038d60009a890658fc14af1e879bc2c04552dcc6c2c7a60c6c2cd457707ba1e9006981b70b9991af620994d8a7f309c4442b861e805590cf22b2319e91a5bb8e14beae4da335cf2022c6c005b957d890865c9fd0000000049454e44ae4260820000000840010824000000180000000210c0db01000000030000000000000000000000000000001b40000040000000340000000100000002000000000000bf000000bf000088410000a841030000000000008000000080ffff8f410000008000000080ffffaf412100000008000000620000000c00000001000000150000000c00000004000000150000000c0000000400000051000000ac010000000000000000000011000000150000000000000000000000000000000000000011000000150000005000000060000000b0000000fc000000000000002000cc00120000001600000028000000110000001500000001000400000000000000000000000000000000000e0000000000000000000000ffffff00a6e3ff0054005400ffe3a600c6ffff0000008000a6540000ffffe300e3ffff000054a600540000000080c600e3a65400111111111111111110010101111111111111111110010101111111111111111110010101111111111111111110010101111111111111111110ffffff11111c000000000b400101011111111111111111100101011111111111111123400101011111111111156078100c0000111111119a0b411110ffffff111111c00d1111111001010111111c781111111110010101111111c00d11111110010203111111119a0b411110010101111111111115607810ffffff1111111111111123400a000b1111111111111111100101011111111111111111100101011111111111111111100c0708111111111111111110ffffff1111111111111111100d01014c0000006400000000000000000000001100000015000000000000000000000012000000160000002900aa0000000000000000000000803f00000000000000000000803f0000000000000000000000000000000000000000000000000000000000000000220000000c000000ffffffff460000001c00000010000000454d462b024000000c000000000000000e000000140000000000000010000000140000000400000003010800050000000b0200000000050000000c0216001200030000001e0004000000070104000400000007010400bb000000410b2000cc001500110000000000160012000000000028000000110000001500000001000400000000000000000000000000000000000e0000000000000000000000ffffff00a6e3ff0054005400ffe3a600c6ffff0000008000a6540000ffffe300e3ffff000054a600540000000080c600e3a65400111111111111111110010101111111111111111110010101111111111111111110010101111111111111111110010101111111111111111110ffffff11111c000000000b400101011111111111111111100101011111111111111123400101011111111111156078100c0000111111119a0b411110ffffff111111c00d1111111001010111111c781111111110010101111111c00d11111110010203111111119a0b411110010101111111111115607810ffffff1111111111111123400a000b1111111111111111100101011111111111111111100101011111111111111111100c0708111111111111111110ffffff1111111111111111100d01010c00000040092900aa000000000000001600120000000000040000002701ffff030000000000 Sрасч. (2.4)
где Sср.ст.0100090000035e0200000000da0100000000da01000026060f00aa03574d4643010000000000010009c90000000001000000880300000000000088030000010000006c000000000000000000000003000000150000000000000000000000680000003f02000020454d4600000100880300000c00000001000000000000000000000000000000900600001a040000b801000013010000000000000000000000000000c0b6060038320400460000002c00000020000000454d462b014001001c000000100000000210c0db010000006000000060000000460000005001000044010000454d462b224004000c000000000000001e4009000c00000000000000244001000c000000000000003040020010000000040000000000803f214007000c00000000000000084000059c000000900000000210c0db01000000000000000000000000000000000000000100000089504e470d0a1a0a0000000d4948445200000004000000150802000000ee19d817000000017352474200aece1ce9000000097048597300000e2600000e2601a2ef25fc0000001649444154285363fcffff3f030c30c15940c608e5000041760327652d1e480000000049454e44ae4260820000000840010824000000180000000210c0db01000000030000000000000000000000000000001b40000040000000340000000100000002000000000000bf000000bf000080400000a841030000000000008000000080ffff7f400000008000000080ffffaf412100000008000000620000000c00000001000000150000000c00000004000000150000000c0000000400000051000000d40000000000000000000000030000001500000000000000000000000000000000000000040000001500000050000000300000008000000054000000000000002000cc0004000000160000002800000004000000150000000100010000000000000000000000000000000000020000000000000000000000ffffff00f0010101f0010101f0010101f0010101f0010101f0010101f0010101f0010101f0010101f0010101f0010101f0010101f0010101f0010101f0010101f0010101f0010101f0010101f0010101f0010101f00101014c0000006400000000000000000000000300000015000000000000000000000004000000160000002900aa0000000000000000000000803f00000000000000000000803f0000000000000000000000000000000000000000000000000000000000000000220000000c000000ffffffff460000001c00000010000000454d462b024000000c000000000000000e000000140000000000000010000000140000000400000003010800050000000b0200000000050000000c0216000400030000001e00040000000701040004000000070104004f000000410b2000cc00150004000000000016000400000000002800000004000000150000000100010000000000000000000000000000000000020000000000000000000000ffffff00f0010101f0010101f0010101f0010101f0010101f0010101f0010101f0010101f0010101f0010101f0010101f0010101f0010101f0010101f0010101f0010101f0010101f0010101f0010101f0010101f00101010c00000040092900aa000000000000001600040000000000040000002701ffff030000000000 – средний зазор выбранной посадки, мкм;
Средний зазор определяется по формуле:
Sср.ст. = (Smax + Smin)/2 (2.5)
где Smax – максимальный зазор выбраной посадки, мкм;
Smin - минимальный зазор выбраной посадки, мкм;
Такому условию отвечает посадка 010009000003c20300000000b80200000000b802000026060f006605574d46430100000000000100d35f0000000001000000440500000000000044050000010000006c00000000000000000000000a0000001500000000000000000000001f0100003f02000020454d4600000100440500000c00000001000000000000000000000000000000900600001a040000b801000013010000000000000000000000000000c0b6060038320400460000002c00000020000000454d462b014001001c000000100000000210c0db0100000060000000600000004600000000020000f4010000454d462b224004000c000000000000001e4009000c00000000000000244001000c000000000000003040020010000000040000000000803f214007000c00000000000000084000054c010000400100000210c0db01000000000000000000000000000000000000000100000089504e470d0a1a0a0000000d494844520000000b0000001508020000001f12839a000000017352474200aece1ce9000000097048597300000e2600000e2601a2ef25fc000000c849444154285363fcffff3f035ec0845f1a284b4b15c71b1943973f013b01e8520878bc2c04d94d0dc7a0e210151059b8e0b106b05a081fac022412b2ec31c23020072e065201e2c0f58378600ed85c200be8db270fae3084a8c9421d717cd79565c996408e8c820e03c395074f802a1edf5a0377e293e57d57826c65909d0c5421ab06f7c4f1b9513a4591280a40610a326ecdadc7407d701b4066802d0799877013d069080f21fc871c1e080f81fd01550e0f536828c1dc88f03dc20c84183c22c00cc6419282008936db7fa6f326630000000049454e44ae426082000840010824000000180000000210c0db01000000030000000000000000000000000000001b40000040000000340000000100000002000000000000bf000000bf000030410000a841030000000000008000000080ffff2f410000008000000080ffffaf412100000008000000620000000c00000001000000150000000c00000004000000150000000c0000000400000051000000e001000000000000000000000a00000015000000000000000000000000000000000000000b000000150000005000000094000000e4000000fc000000000000002000cc000b00000016000000280000000b0000001500000001000800000000000000000000000000000000001b0000000000000000000000ffffff00c6ffff0054008000ffe3a60054a6e300ffc68000e3ffff000054a60080000000ffffc6000000800080c6ff0054000000e3a654000080c600a6540000ffffe300c680000080008000a6e3ff00000054005454a6005480c60054005400a6e3c600a65454000101010101010101010101ff0101010101010101010101ff0101010101010101010101ff0101010101010101010101ff0107080601010101010101ff0101020b000000090a0101ff01070800060101050d0401ff010509191a1101010f1011ff010f120117040101141804ff07080e010c120101020b0eff020b0e0107160401020b0eff07080e01010c0e01020b0eff010f12010102130a141506ff010c0d040101050e0f1011ff010708090a01020b000601ff0101010500000000060101ff0101010101010102030401ff0101010101010101010101ff0101010101010101010101ff0101010101010101010101ff0101010101010101010101ff4c0000006400000000000000000000000a0000001500000000000000000000000b000000160000002900aa0000000000000000000000803f00000000000000000000803f0000000000000000000000000000000000000000000000000000000000000000220000000c000000ffffffff460000001c00000010000000454d462b024000000c000000000000000e000000140000000000000010000000140000000400000003010800050000000b0200000000050000000c0216000b00030000001e0004000000070104000400000007010400d5000000410b2000cc0015000b000000000016000b0000000000280000000b0000001500000001000800000000000000000000000000000000001b0000000000000000000000ffffff00c6ffff0054008000ffe3a60054a6e300ffc68000e3ffff000054a60080000000ffffc6000000800080c6ff0054000000e3a654000080c600a6540000ffffe300c680000080008000a6e3ff00000054005454a6005480c60054005400a6e3c600a65454000101010101010101010101ff0101010101010101010101ff0101010101010101010101ff0101010101010101010101ff0107080601010101010101ff0101020b000000090a0101ff01070800060101050d0401ff010509191a1101010f1011ff010f120117040101141804ff07080e010c120101020b0eff020b0e0107160401020b0eff07080e01010c0e01020b0eff010f12010102130a141506ff010c0d040101050e0f1011ff010708090a01020b000601ff0101010500000000060101ff0101010101010102030401ff0101010101010101010101ff0101010101010101010101ff0101010101010101010101ff0101010101010101010101ff0c00000040092900aa0000000000000016000b0000000000040000002701ffff030000000000 50Н8/010009000003da04000000005803000000005803000026060f00a606574d46430100000000000100491c0000000001000000840600000000000084060000010000006c000000000000000000000017000000150000000000000000000000740200003f02000020454d4600000100840600000c00000001000000000000000000000000000000900600001a040000b801000013010000000000000000000000000000c0b6060038320400460000002c00000020000000454d462b014001001c000000100000000210c0db010000006000000060000000460000005002000044020000454d462b224004000c000000000000001e4009000c00000000000000244001000c000000000000003040020010000000040000000000803f214007000c00000000000000084000059c010000900100000210c0db01000000000000000000000000000000000000000100000089504e470d0a1a0a0000000d49484452000000170000001508020000002280e2fc000000017352474200aece1ce9000000097048597300000e2600000e2601a2ef25fc0000011749444154384fdd544b0e82400c2d9c031257acb880f7c0056b2fa217f018b0d0780913b8002b5726708fb1f36fc78160881bbb9129edebeb7b838910023647ba194102fc08a53f272acefd372c51171fdd09a06a4621f0e1d499fcd85414d0e5491f906755ae8b2c8a46f08d720c3d9b6e823207a2c8b95038211fa2eef8bc4155e400537b199ae37e5e1755c5c20d915470acf9b16935dab38932c11b67cbad869cbf7aabc5d011d3d6a02c20a8570e59177e0e82f822d464d6149aa60bd3acbe8a6b0d8ffb0dca5d16882605e7e96c574654371e397fd0a0c3a19d4c655ee006c3cb1e313bbd065c69c62329a0140e0933fd422198655e33e3d182becc22a6ec070afb9ad61eec02e4beac6da5f7cb2d9ffcdd7fdd1be251723f18c282550000000049454e44ae42608200000840010824000000180000000210c0db01000000030000000000000000000000000000001b40000040000000340000000100000002000000000000bf000000bf0000b8410000a841030000000000008000000080feffbf410000008000000080feffaf412100000008000000620000000c00000001000000150000000c00000004000000150000000c0000000400000051000000d0020000000000000000000017000000150000000000000000000000000000000000000017000000150000005000000088000000d8000000f8010000000000002000cc0018000000160000002800000017000000150000000100080000000000000000000000000000000000180000000000000000000000ffffff0080c6ff00ffc6800054000000ffe3a600c6800000a6e3ff0000005400e3ffff000054a60054a6e3000080c600a6540000ffffe30080000000ffffc600a6545400a6e3e30054005400e3a65400c6ffff00000080008054a600010101010101010101010101010101010101010101010100010101010101010101010101010101010101010101010100010101010101010101010101010101010101010101010100010101010101010101010101010101010101090a0301010001010101010101010101010101010101010101151603010001010b00040501010101010200000004050101090a0d0e0001010c060917100101010b0014010102001401090a0d0e0001010c0d0e07110e01090a0d0e0101090a0d0e010101010001010b0f1001010101151606010101010c0f1001010101000b0d12130501010101090a0d0e0101090a0f1001010101000107080014010101010107081401010b00140101010101000101090a000d0e01010101151600000f10010101010101000101010b0d1213050101020014010102000301010101010001010102040507110e090a0d0e0101010c0d0e0101010100010101070803010c03090a0d0e0101010c0f100101010100010101090a06010206010b000301010200060101010101000101010102040502060101070800000006010101010101000101010101020000030101010101010101010101010101000101010101010101010101010101010101010101010101000101010101010101010101010101010101010101010101000101010101010101010101010101010101010101010101004c0000006400000000000000000000001700000015000000000000000000000018000000160000002900aa0000000000000000000000803f00000000000000000000803f0000000000000000000000000000000000000000000000000000000000000000220000000c000000ffffffff460000001c00000010000000454d462b024000000c000000000000000e000000140000000000000010000000140000000400000003010800050000000b0200000000050000000c0216001800030000001e00040000000701040004000000070104004d010000410b2000cc00150017000000000016001800000000002800000017000000150000000100080000000000000000000000000000000000180000000000000000000000ffffff0080c6ff00ffc6800054000000ffe3a600c6800000a6e3ff0000005400e3ffff000054a60054a6e3000080c600a6540000ffffe30080000000ffffc600a6545400a6e3e30054005400e3a65400c6ffff00000080008054a600010101010101010101010101010101010101010101010100010101010101010101010101010101010101010101010100010101010101010101010101010101010101010101010100010101010101010101010101010101010101090a0301010001010101010101010101010101010101010101151603010001010b00040501010101010200000004050101090a0d0e0001010c060917100101010b0014010102001401090a0d0e0001010c0d0e07110e01090a0d0e0101090a0d0e010101010001010b0f1001010101151606010101010c0f1001010101000b0d12130501010101090a0d0e0101090a0f1001010101000107080014010101010107081401010b00140101010101000101090a000d0e01010101151600000f10010101010101000101010b0d1213050101020014010102000301010101010001010102040507110e090a0d0e0101010c0d0e0101010100010101070803010c03090a0d0e0101010c0f100101010100010101090a06010206010b000301010200060101010101000101010102040502060101070800000006010101010101000101010101020000030101010101010101010101010101000101010101010101010101010101010101010101010101000101010101010101010101010101010101010101010101000101010101010101010101010101010101010101010101000c00000040092900aa000000000000001600180000000000040000002701ffff030000000000 у которой Smax = 128 мкм; Smin = 50 мкм; Sср.ст. = 89 мкм.
Выполним проверку правильности выбора посадки по наименьшей толщине масляного слоя [ 1, c. 208 010009000003c20300000000b80200000000b802000026060f006605574d46430100000000000100d35f0000000001000000440500000000000044050000010000006c00000000000000000000000a0000001500000000000000000000001f0100003f02000020454d4600000100440500000c00000001000000000000000000000000000000900600001a040000b801000013010000000000000000000000000000c0b6060038320400460000002c00000020000000454d462b014001001c000000100000000210c0db0100000060000000600000004600000000020000f4010000454d462b224004000c000000000000001e4009000c00000000000000244001000c000000000000003040020010000000040000000000803f214007000c00000000000000084000054c010000400100000210c0db01000000000000000000000000000000000000000100000089504e470d0a1a0a0000000d494844520000000b0000001508020000001f12839a000000017352474200aece1ce9000000097048597300000e2600000e2601a2ef25fc000000c849444154285363fcffff3f035ec0845f1a284b4b15c71b1943973f013b01e8520878bc2c04d94d0dc7a0e210151059b8e0b106b05a081fac022412b2ec31c23020072e065201e2c0f58378600ed85c200be8db270fae3084a8c9421d717cd79565c996408e8c820e03c395074f802a1edf5a0377e293e57d57826c65909d0c5421ab06f7c4f1b9513a4591280a40610a326ecdadc7407d701b4066802d0799877013d069080f21fc871c1e080f81fd01550e0f536828c1dc88f03dc20c84183c22c00cc6419282008936db7fa6f326630000000049454e44ae426082000840010824000000180000000210c0db01000000030000000000000000000000000000001b40000040000000340000000100000002000000000000bf000000bf000030410000a841030000000000008000000080ffff2f410000008000000080ffffaf412100000008000000620000000c00000001000000150000000c00000004000000150000000c0000000400000051000000e001000000000000000000000a00000015000000000000000000000000000000000000000b000000150000005000000094000000e4000000fc000000000000002000cc000b00000016000000280000000b0000001500000001000800000000000000000000000000000000001b0000000000000000000000ffffff00c6ffff0054008000ffe3a60054a6e300ffc68000e3ffff000054a60080000000ffffc6000000800080c6ff0054000000e3a654000080c600a6540000ffffe300c680000080008000a6e3ff00000054005454a6005480c60054005400a6e3c600a65454000101010101010101010101ff0101010101010101010101ff0101010101010101010101ff0101010101010101010101ff0107080601010101010101ff0101020b000000090a0101ff01070800060101050d0401ff010509191a1101010f1011ff010f120117040101141804ff07080e010c120101020b0eff020b0e0107160401020b0eff07080e01010c0e01020b0eff010f12010102130a141506ff010c0d040101050e0f1011ff010708090a01020b000601ff0101010500000000060101ff0101010101010102030401ff0101010101010101010101ff0101010101010101010101ff0101010101010101010101ff0101010101010101010101ff4c0000006400000000000000000000000a0000001500000000000000000000000b000000160000002900aa0000000000000000000000803f00000000000000000000803f0000000000000000000000000000000000000000000000000000000000000000220000000c000000ffffffff460000001c00000010000000454d462b024000000c000000000000000e000000140000000000000010000000140000000400000003010800050000000b0200000000050000000c0216000b00030000001e0004000000070104000400000007010400d5000000410b2000cc0015000b000000000016000b0000000000280000000b0000001500000001000800000000000000000000000000000000001b0000000000000000000000ffffff00c6ffff0054008000ffe3a60054a6e300ffc68000e3ffff000054a60080000000ffffc6000000800080c6ff0054000000e3a654000080c600a6540000ffffe300c680000080008000a6e3ff00000054005454a6005480c60054005400a6e3c600a65454000101010101010101010101ff0101010101010101010101ff0101010101010101010101ff0101010101010101010101ff0107080601010101010101ff0101020b000000090a0101ff01070800060101050d0401ff010509191a1101010f1011ff010f120117040101141804ff07080e010c120101020b0eff020b0e0107160401020b0eff07080e01010c0e01020b0eff010f12010102130a141506ff010c0d040101050e0f1011ff010708090a01020b000601ff0101010500000000060101ff0101010101010102030401ff0101010101010101010101ff0101010101010101010101ff0101010101010101010101ff0101010101010101010101ff0c00000040092900aa0000000000000016000b0000000000040000002701ffff030000000000 69]
hmin = hS/(Smax+1.4(RZD + RZd)) (2.6)
где hmin – наименьшая толщина масляного слоя, мкм.
hmin =
мкм.
Чтобы избежать сухого трения, наименьшая толщина масляного слоя должна быть больше суммы высот шероховатостей вала и отверстия [ 1, c. 208 010009000003c20300000000b80200000000b802000026060f006605574d46430100000000000100d35f0000000001000000440500000000000044050000010000006c00000000000000000000000a0000001500000000000000000000001f0100003f02000020454d4600000100440500000c00000001000000000000000000000000000000900600001a040000b801000013010000000000000000000000000000c0b6060038320400460000002c00000020000000454d462b014001001c000000100000000210c0db0100000060000000600000004600000000020000f4010000454d462b224004000c000000000000001e4009000c00000000000000244001000c000000000000003040020010000000040000000000803f214007000c00000000000000084000054c010000400100000210c0db01000000000000000000000000000000000000000100000089504e470d0a1a0a0000000d494844520000000b0000001508020000001f12839a000000017352474200aece1ce9000000097048597300000e2600000e2601a2ef25fc000000c849444154285363fcffff3f035ec0845f1a284b4b15c71b1943973f013b01e8520878bc2c04d94d0dc7a0e210151059b8e0b106b05a081fac022412b2ec31c23020072e065201e2c0f58378600ed85c200be8db270fae3084a8c9421d717cd79565c996408e8c820e03c395074f802a1edf5a0377e293e57d57826c65909d0c5421ab06f7c4f1b9513a4591280a40610a326ecdadc7407d701b4066802d0799877013d069080f21fc871c1e080f81fd01550e0f536828c1dc88f03dc20c84183c22c00cc6419282008936db7fa6f326630000000049454e44ae426082000840010824000000180000000210c0db01000000030000000000000000000000000000001b40000040000000340000000100000002000000000000bf000000bf000030410000a841030000000000008000000080ffff2f410000008000000080ffffaf412100000008000000620000000c00000001000000150000000c00000004000000150000000c0000000400000051000000e001000000000000000000000a00000015000000000000000000000000000000000000000b000000150000005000000094000000e4000000fc000000000000002000cc000b00000016000000280000000b0000001500000001000800000000000000000000000000000000001b0000000000000000000000ffffff00c6ffff0054008000ffe3a60054a6e300ffc68000e3ffff000054a60080000000ffffc6000000800080c6ff0054000000e3a654000080c600a6540000ffffe300c680000080008000a6e3ff00000054005454a6005480c60054005400a6e3c600a65454000101010101010101010101ff0101010101010101010101ff0101010101010101010101ff0101010101010101010101ff0107080601010101010101ff0101020b000000090a0101ff01070800060101050d0401ff010509191a1101010f1011ff010f120117040101141804ff07080e010c120101020b0eff020b0e0107160401020b0eff07080e01010c0e01020b0eff010f12010102130a141506ff010c0d040101050e0f1011ff010708090a01020b000601ff0101010500000000060101ff0101010101010102030401ff0101010101010101010101ff0101010101010101010101ff0101010101010101010101ff0101010101010101010101ff4c0000006400000000000000000000000a0000001500000000000000000000000b000000160000002900aa0000000000000000000000803f00000000000000000000803f0000000000000000000000000000000000000000000000000000000000000000220000000c000000ffffffff460000001c00000010000000454d462b024000000c000000000000000e000000140000000000000010000000140000000400000003010800050000000b0200000000050000000c0216000b00030000001e0004000000070104000400000007010400d5000000410b2000cc0015000b000000000016000b0000000000280000000b0000001500000001000800000000000000000000000000000000001b0000000000000000000000ffffff00c6ffff0054008000ffe3a60054a6e300ffc68000e3ffff000054a60080000000ffffc6000000800080c6ff0054000000e3a654000080c600a6540000ffffe300c680000080008000a6e3ff00000054005454a6005480c60054005400a6e3c600a65454000101010101010101010101ff0101010101010101010101ff0101010101010101010101ff0101010101010101010101ff0107080601010101010101ff0101020b000000090a0101ff01070800060101050d0401ff010509191a1101010f1011ff010f120117040101141804ff07080e010c120101020b0eff020b0e0107160401020b0eff07080e01010c0e01020b0eff010f12010102130a141506ff010c0d040101050e0f1011ff010708090a01020b000601ff0101010500000000060101ff0101010101010102030401ff0101010101010101010101ff0101010101010101010101ff0101010101010101010101ff0101010101010101010101ff0c00000040092900aa0000000000000016000b0000000000040000002701ffff030000000000 70].
hmin 0100090000030a03000000004402000000004402000026060f007e04574d464301000000000001009dd800000000010000005c040000000000005c040000010000006c00000000000000000000000d0000001500000000000000000000006e0100003f02000020454d46000001005c0400000c00000001000000000000000000000000000000900600001a040000b801000013010000000000000000000000000000c0b6060038320400460000002c00000020000000454d462b014001001c000000100000000210c0db01000000600000006000000046000000a001000094010000454d462b224004000c000000000000001e4009000c00000000000000244001000c000000000000003040020010000000040000000000803f214007000c0000000000000008400005ec000000e00000000210c0db01000000000000000000000000000000000000000100000089504e470d0a1a0a0000000d494844520000000d000000150802000000120cf3dd000000017352474200aece1ce9000000097048597300000e2600000e2601a2ef25fc0000006849444154384f63fcffff3f031180890835202503a9ee782363e8f227041c0af42f101c6b002b6b3806e162020664a1c7cb4240aa43963dc65088a20e2a0b351c45393675284e81ba05b73a886a9053400653621e41f711f62f51e10754842dc850c2907198a43f0079a251e3f40a96200000000049454e44ae426082000840010824000000180000000210c0db01000000030000000000000000000000000000001b40000040000000340000000100000002000000000000bf000000bf000050410000a841030000000000008000000080ffff5f410000008000000080ffffaf412100000008000000620000000c00000001000000150000000c00000004000000150000000c00000004000000510000005801000000000000000000000d00000015000000000000000000000000000000000000000d000000150000005000000060000000b0000000a8000000000000002000cc000e00000016000000280000000d0000001500000001000400000000000000000000000000000000000e0000000000000000000000ffffff000080c600e3a65400c680000054a6e300a6540000ffffe30080c6ff0054000000ffe3a600ffc68000a6e3ff005400540011111111111110011111111111111000111111111111100111111111111110001111111111111001123111111111108011204111111110011111506711111006111111809a11100111111111800b10061111111111cda00111111111800b103b111111809a11100111115067111110ff112041111111100712311111111110ff111111111111100011111111111110ff111111111111100111111111111110ff11111111111110014c0000006400000000000000000000000d0000001500000000000000000000000e000000160000002900aa0000000000000000000000803f00000000000000000000803f0000000000000000000000000000000000000000000000000000000000000000220000000c000000ffffffff460000001c00000010000000454d462b024000000c000000000000000e000000140000000000000010000000140000000400000003010800050000000b0200000000050000000c0216000e00030000001e000400000007010400040000000701040091000000410b2000cc0015000d000000000016000e0000000000280000000d0000001500000001000400000000000000000000000000000000000e0000000000000000000000ffffff000080c600e3a65400c680000054a6e300a6540000ffffe30080c6ff0054000000ffe3a600ffc68000a6e3ff005400540011111111111110011111111111111000111111111111100111111111111110001111111111111001123111111111108011204111111110011111506711111006111111809a11100111111111800b10061111111111cda00111111111800b103b111111809a11100111115067111110ff112041111111100712311111111110ff111111111111100011111111111110ff111111111111100111111111111110ff11111111111110010c00000040092900aa0000000000000016000e0000000000040000002701ffff030000000000 RZD + RZd (2.7)
Условие выдерживается т.к. 21,90100090000038e06000000002e04000000002e04000026060f005208574d46430100000000000100498f0000000001000000300800000000000030080000010000006c000000000000000000000026000000180000000000000000000000fc0300008e02000020454d4600000100300800000c00000001000000000000000000000000000000900600001a040000b801000013010000000000000000000000000000c0b6060038320400460000002c00000020000000454d462b014001001c000000100000000210c0db010000006000000060000000460000004002000034020000454d462b224004000c000000000000001e4009000c00000000000000244001000c000000000000003040020010000000040000000000803f214007000c00000000000000084000058c010000800100000210c0db01000000000000000000000000000000000000000100000089504e470d0a1a0a0000000d4948445200000025000000180802000000f218a327000000017352474200aece1ce9000000097048597300000e2600000e2601a2ef25fc0000010649444154484bed95cb11832014453175c499acb2b281a40ed3481a88366336a9031bc8ca5566b40fc247e0f19108a32e32b253799ccbbb57c8082168c371d890c5503b6fd986afd2cfb6cef4b83d072899e673d1812bba7ad9f462d1be2919acc292815c189ba327c48931699aa80478786c16af033a67525d9cdca2044ef8777970c2bdcbb911759b9e9ae3a900c5e1bc8c588cae1c6b59ef6ac8cfd4ae57d7c32fc3e74d1fd5cb999d024d86f6dbd54e3e4663548226fc0ba9604b28fffd71d3fbabb090200318c3935aa3d22b70bff269cab69b12e181b93b7a17056b2528f577b46993bcc4ffcf102fd6b0a42e7cbec043cc6b73b6dfefe94799a77295fb2fa0f0df795f90fde416f47f49f60000000049454e44ae4260820000000840010824000000180000000210c0db01000000030000000000000000000000000000001b40000040000000340000000100000002000000000000bf000000bf000014420000c041030000000000008000000080feff1b420000008000000080feffc7412100000008000000620000000c00000001000000150000000c00000004000000150000000c00000004000000510000008c04000000000000000000002600000018000000000000000000000000000000000000002500000018000000500000007c000000cc000000c0030000000000002000cc0027000000190000002800000025000000180000000100080000000000000000000000000000000000150000000000000000000000ffffff000080c600a6540000ffffe300c6ffff0000008000a6e3ff000000540080000000ffffc60054a6e300c680000054000000ffe3a600e3a6540080c6ff00e3ffff000054a600a6e3c600ffc6800001010101010101010101010101010101010101010101010101010101010101010101010101ffffff01010101010101010101010101010101010101010101010101010101010101010101010101ffffff01010101010101010101010101010101010101010101010101010101010101010101010101ffffff01010101010101010101010101010101010101010101010101010101010101010101010101ffffff01010101010101010101010101010101010101010101010101010101010101010101010101ffffff01010101010101010101010101010101010101010101010101010101010101010101010101ffffff0101010101010b0c010101010101010101010101010101010101011112000c010101010101ffffff0101010101010110000d0e0101010101010101010101010101010101010102001401010101ffffff0101010101010101010506000c0101010101010101010101010101010101010b0014010101ffffff01010101010101010101010102000d0e0101010101010101010101010101011112090a0101ffffff01010101010101010101010101011000000c01010101010101010101010101010b000f0101ffffff0101010101010101010101010101010105060f01010101010101010b0000000913080c0101ffffff01010101010101010101010101011000000c01010101010101010b000c0101050600030401ffffff01010101010101010101010102000d0e0101010101010101011112090a0101010708090a01ffffff0101010101010101010506000c010101010101010101010101050603040101010506030401ffffff0101010101010110000d0e0101010101010101010101010101050603040101010708030401ffffff0101010101010b0c010101010101010101010101010101010101020d0e0101010b000f0101ffffff010101010101010101010101010101010101010101010101010105060304010708090a0101ffffff01010101010101010101010101010101010101010101010101010101020000000304010101ffffff01010101010101010101010101010101010101010101010101010101010101010101010101ffffff01010101010101010101010101010101010101010101010101010101010101010101010101ffffff01010101010101010101010101010101010101010101010101010101010101010101010101ffffff01010101010101010101010101010101010101010101010101010101010101010101010101ffffff01010101010101010101010101010101010101010101010101010101010101010101010101ffffff4c0000006400000000000000000000002600000018000000000000000000000027000000190000002900aa0000000000000000000000803f00000000000000000000803f0000000000000000000000000000000000000000000000000000000000000000220000000c000000ffffffff460000001c00000010000000454d462b024000000c000000000000000e000000140000000000000010000000140000000400000003010800050000000b0200000000050000000c0219002700030000001e00040000000701040004000000070104002b020000410b2000cc00180025000000000019002700000000002800000025000000180000000100080000000000000000000000000000000000150000000000000000000000ffffff000080c600a6540000ffffe300c6ffff0000008000a6e3ff000000540080000000ffffc60054a6e300c680000054000000ffe3a600e3a6540080c6ff00e3ffff000054a600a6e3c600ffc6800001010101010101010101010101010101010101010101010101010101010101010101010101ffffff01010101010101010101010101010101010101010101010101010101010101010101010101ffffff01010101010101010101010101010101010101010101010101010101010101010101010101ffffff01010101010101010101010101010101010101010101010101010101010101010101010101ffffff01010101010101010101010101010101010101010101010101010101010101010101010101ffffff01010101010101010101010101010101010101010101010101010101010101010101010101ffffff0101010101010b0c010101010101010101010101010101010101011112000c010101010101ffffff0101010101010110000d0e0101010101010101010101010101010101010102001401010101ffffff0101010101010101010506000c0101010101010101010101010101010101010b0014010101ffffff01010101010101010101010102000d0e0101010101010101010101010101011112090a0101ffffff01010101010101010101010101011000000c01010101010101010101010101010b000f0101ffffff0101010101010101010101010101010105060f01010101010101010b0000000913080c0101ffffff01010101010101010101010101011000000c01010101010101010b000c0101050600030401ffffff01010101010101010101010102000d0e0101010101010101011112090a0101010708090a01ffffff0101010101010101010506000c010101010101010101010101050603040101010506030401ffffff0101010101010110000d0e0101010101010101010101010101050603040101010708030401ffffff0101010101010b0c010101010101010101010101010101010101020d0e0101010b000f0101ffffff010101010101010101010101010101010101010101010101010105060304010708090a0101ffffff01010101010101010101010101010101010101010101010101010101020000000304010101ffffff01010101010101010101010101010101010101010101010101010101010101010101010101ffffff01010101010101010101010101010101010101010101010101010101010101010101010101ffffff01010101010101010101010101010101010101010101010101010101010101010101010101ffffff01010101010101010101010101010101010101010101010101010101010101010101010101ffffff01010101010101010101010101010101010101010101010101010101010101010101010101ffffff0c00000040092900aa000000000000001900270000000000040000002701ffff030000000000, следовательно посадка выбрана правильно.
Принамаем
посадку 010009000003c20300000000b80200000000b802000026060f006605574d46430100000000000100d35f0000000001000000440500000000000044050000010000006c00000000000000000000000a0000001500000000000000000000001f0100003f02000020454d4600000100440500000c00000001000000000000000000000000000000900600001a040000b801000013010000000000000000000000000000c0b6060038320400460000002c00000020000000454d462b014001001c000000100000000210c0db0100000060000000600000004600000000020000f4010000454d462b224004000c000000000000001e4009000c00000000000000244001000c000000000000003040020010000000040000000000803f214007000c00000000000000084000054c010000400100000210c0db01000000000000000000000000000000000000000100000089504e470d0a1a0a0000000d494844520000000b0000001508020000001f12839a000000017352474200aece1ce9000000097048597300000e2600000e2601a2ef25fc000000c849444154285363fcffff3f035ec0845f1a284b4b15c71b1943973f013b01e8520878bc2c04d94d0dc7a0e210151059b8e0b106b05a081fac022412b2ec31c23020072e065201e2c0f58378600ed85c200be8db270fae3084a8c9421d717cd79565c996408e8c820e03c395074f802a1edf5a0377e293e57d57826c65909d0c5421ab06f7c4f1b9513a4591280a40610a326ecdadc7407d701b4066802d0799877013d069080f21fc871c1e080f81fd01550e0f536828c1dc88f03dc20c84183c22c00cc6419282008936db7fa6f326630000000049454e44ae426082000840010824000000180000000210c0db01000000030000000000000000000000000000001b40000040000000340000000100000002000000000000bf000000bf000030410000a841030000000000008000000080ffff2f410000008000000080ffffaf412100000008000000620000000c00000001000000150000000c00000004000000150000000c0000000400000051000000e001000000000000000000000a00000015000000000000000000000000000000000000000b000000150000005000000094000000e4000000fc000000000000002000cc000b00000016000000280000000b0000001500000001000800000000000000000000000000000000001b0000000000000000000000ffffff00c6ffff0054008000ffe3a60054a6e300ffc68000e3ffff000054a60080000000ffffc6000000800080c6ff0054000000e3a654000080c600a6540000ffffe300c680000080008000a6e3ff00000054005454a6005480c60054005400a6e3c600a65454000101010101010101010101ff0101010101010101010101ff0101010101010101010101ff0101010101010101010101ff0107080601010101010101ff0101020b000000090a0101ff01070800060101050d0401ff010509191a1101010f1011ff010f120117040101141804ff07080e010c120101020b0eff020b0e0107160401020b0eff07080e01010c0e01020b0eff010f12010102130a141506ff010c0d040101050e0f1011ff010708090a01020b000601ff0101010500000000060101ff0101010101010102030401ff0101010101010101010101ff0101010101010101010101ff0101010101010101010101ff0101010101010101010101ff4c0000006400000000000000000000000a0000001500000000000000000000000b000000160000002900aa0000000000000000000000803f00000000000000000000803f0000000000000000000000000000000000000000000000000000000000000000220000000c000000ffffffff460000001c00000010000000454d462b024000000c000000000000000e000000140000000000000010000000140000000400000003010800050000000b0200000000050000000c0216000b00030000001e0004000000070104000400000007010400d5000000410b2000cc0015000b000000000016000b0000000000280000000b0000001500000001000800000000000000000000000000000000001b0000000000000000000000ffffff00c6ffff0054008000ffe3a60054a6e300ffc68000e3ffff000054a60080000000ffffc6000000800080c6ff0054000000e3a654000080c600a6540000ffffe300c680000080008000a6e3ff00000054005454a6005480c60054005400a6e3c600a65454000101010101010101010101ff0101010101010101010101ff0101010101010101010101ff0101010101010101010101ff0107080601010101010101ff0101020b000000090a0101ff01070800060101050d0401ff010509191a1101010f1011ff010f120117040101141804ff07080e010c120101020b0eff020b0e0107160401020b0eff07080e01010c0e01020b0eff010f12010102130a141506ff010c0d040101050e0f1011ff010708090a01020b000601ff0101010500000000060101ff0101010101010102030401ff0101010101010101010101ff0101010101010101010101ff0101010101010101010101ff0101010101010101010101ff0c00000040092900aa0000000000000016000b0000000000040000002701ffff030000000000
50Н8/0100090000037a04000000002203000000002203000026060f003a06574d46430100000000000100b5a60000000001000000180600000000000018060000010000006c0000000000000000000000130000001500000000000000000000000b0200003f02000020454d4600000100180600000c00000001000000000000000000000000000000900600001a040000b801000013010000000000000000000000000000c0b6060038320400460000002c00000020000000454d462b014001001c000000100000000210c0db01000000600000006000000046000000380200002c020000454d462b224004000c000000000000001e4009000c00000000000000244001000c000000000000003040020010000000040000000000803f214007000c000000000000000840000584010000780100000210c0db01000000000000000000000000000000000000000100000089504e470d0a1a0a0000000d49484452000000130000001508020000002b6b4286000000017352474200aece1ce9000000097048597300000e2600000e2601a2ef25fc0000010049444154384fd554bb0d83400c35cc011215150b640f28a8b3082c9031a000658948b000552a24d8e3e2f39def830248284ddc803fcf7e7ec7110821e09285975012f443e4580764f578c606f7b436540079b308812fd5a0e34b93bb4d380e0e8e4a5482910a659ac838fb0e720f48248c1156b672145ade3de4690cb0b68fa9b9dff6f7a42a3b538ec4f6fac13368849d6a26e257c025ac83cf8db26a39657665421ea02865baa942e5c27792ee81782cacd8615476a22be1f5ec214ba28d2a52343f1c2599aed1da1a5d51d8a268579d8d536437cdec62749d27a4eb682b4590cb2319ab815160a3adde536d74a09127ad7340c17fdfcfb35b69f2d7ff091f66f18beb542c074e0000000049454e44ae426082000840010824000000180000000210c0db01000000030000000000000000000000000000001b40000040000000340000000100000002000000000000bf000000bf000098410000a841030000000000008000000080ffff9f410000008000000080ffffaf412100000008000000620000000c00000001000000150000000c00000004000000150000000c00000004000000510000007c020000000000000000000013000000150000000000000000000000000000000000000013000000150000005000000088000000d8000000a4010000000000002000cc0014000000160000002800000013000000150000000100080000000000000000000000000000000000180000000000000000000000ffffff0080c6ff00ffc6800054000000ffe3a600c6800000a6e3ff0000005400e3ffff000054a60054a6e3000080c600a6540000ffffe30080000000ffffc600a6545400a6e3e30054005400e3a65400c6ffff00000080008054a6000101010101010101010101010101010101010111010101010101010101010101010101010101011101010101010101010101010101010101010101ff0101010101010101010101010101010101010111010101010101010101010101010101010101011101010b00040501010101010200000004050101ff01010c060917100101010b00140101020014011101010c0d0e07110e01090a0d0e0101090a0d0e1101010b0f1001010101151606010101010c0f10ff0b0d12130501010101090a0d0e0101090a0f10110107080014010101010107081401010b001401110101090a000d0e01010101151600000f100101ff0101010b0d1213050101020014010102000301ff01010102040507110e090a0d0e0101010c0d0eff010101070803010c03090a0d0e0101010c0f10ff010101090a06010206010b0003010102000601ff01010101020405020601010708000000060101ff01010101010200000301010101010101010101ff01010101010101010101010101010101010101ff01010101010101010101010101010101010101ff01010101010101010101010101010101010101ff4c0000006400000000000000000000001300000015000000000000000000000014000000160000002900aa0000000000000000000000803f00000000000000000000803f0000000000000000000000000000000000000000000000000000000000000000220000000c000000ffffffff460000001c00000010000000454d462b024000000c000000000000000e000000140000000000000010000000140000000400000003010800050000000b0200000000050000000c0216001400030000001e000400000007010400040000000701040023010000410b2000cc00150013000000000016001400000000002800000013000000150000000100080000000000000000000000000000000000180000000000000000000000ffffff0080c6ff00ffc6800054000000ffe3a600c6800000a6e3ff0000005400e3ffff000054a60054a6e3000080c600a6540000ffffe30080000000ffffc600a6545400a6e3e30054005400e3a65400c6ffff00000080008054a6000101010101010101010101010101010101010111010101010101010101010101010101010101011101010101010101010101010101010101010101ff0101010101010101010101010101010101010111010101010101010101010101010101010101011101010b00040501010101010200000004050101ff01010c060917100101010b00140101020014011101010c0d0e07110e01090a0d0e0101090a0d0e1101010b0f1001010101151606010101010c0f10ff0b0d12130501010101090a0d0e0101090a0f10110107080014010101010107081401010b001401110101090a000d0e01010101151600000f100101ff0101010b0d1213050101020014010102000301ff01010102040507110e090a0d0e0101010c0d0eff010101070803010c03090a0d0e0101010c0f10ff010101090a06010206010b0003010102000601ff01010101020405020601010708000000060101ff01010101010200000301010101010101010101ff01010101010101010101010101010101010101ff01010101010101010101010101010101010101ff01010101010101010101010101010101010101ff0c00000040092900aa000000000000001600140000000000040000002701ffff030000000000
По [ 2 c. 411 т 24,4] определяем предельные отклонения
Производим расчет данной посадки:
Предельные отклонения для отверстия:
ES = 0.039 мм
EI = 0 мм
Допуск для отверстия: То = 0,039 мм
Предельные отклонения для вала:
еs = -0.050 мм
ei = -0.089 мм
Допуск для вала: Td = 0.039 мм
Вычислим предельные размеры отверстия и вала
Dmax = D + ES = 50 + 0.039 = 50.039 мм
Dmin = D + EI = 50 + 0 = 50 мм
dmax = d + es = 50 + (-0.050) = 49.950 мм
dmin = d + ei = 50 + (-0.0.89) = 49.911 мм
Определим наибольший и наименьший зазоры:
Smax = Dmax - dmin = 50.039 – 49.911 = 0.128 мм
Smin = Dmin - dmax = 50 – 49.950 = 0.050 мм

Рисунок
2.2.2 – Схема расположения полей допусков
посадки 
2.3 Выбор средств измерения
Задание: начертить рабочий чертеж детали, выбрать средства измерения для двух, трех основных размеров детали.
Исходные данные: начертить рабочий чертеж вала, выбрать средство измерения для размера вала под подшипники и внутреннего размера барабана.
Применение конкретных средств измерения зависит от многих факторов, масштаба производства, конструкции, материала деталей и точности изготовления.
Необходимо учитывать следующие метрологические показатели: пределы измерения прибора, приделы измерения шкалы прибора, точность прибора, предельные погрешности прибора 0100090000034e08000000004405000000004405000026060f007e0a574d464301000000000001003ffe00000000010000005c0a0000000000005c0a0000010000006c00000000000000000000003c0000001500000000000000000000003d0600003f02000020454d46000001005c0a00000c00000001000000000000000000000000000000900600001a040000b801000013010000000000000000000000000000c0b6060038320400460000002c00000020000000454d462b014001001c000000100000000210c0db01000000600000006000000046000000180300000c030000454d462b224004000c000000000000001e4009000c00000000000000244001000c000000000000003040020010000000040000000000803f214007000c000000000000000840000564020000580200000210c0db01000000000000000000000000000000000000000100000089504e470d0a1a0a0000000d494844520000003a00000015080200000098236a9c000000017352474200aece1ce9000000097048597300000e2600000e2601a2ef25fc000001e049444154484bed56bb6dc33010a5328702a44a950554b8d500865c38ad36c802a616f00669ad228207506bc05ac095ab00d21e0c79fc93b228da4e61c0acace3f1de23f9eed10921043dce78791caa8ce993aebcafae4a60549d71832cb8aa876befd43fdda15ed9087e69961206cd36fdae4008e799ae30fc9e10fa784bef47375c6938ec1b849afd61ce2115efaf46c574fd43c8c6e01f46b332aed06ef7fd89302ec27c615b371ce5c856e2e9762d2e9665b90cf3edcf8d210550902565216e2e655be9f2cb95792cdda1de62fcb54ed345902fd3a92105aa83234632c2c8b7392134d49c0fe283691d6febba8229987315c7c393a3d8f5340b06143caa9fc898922966aaccd58bed08d4a35b90009c8900005e0e0072514c46d37350fb325f1f6c041e6a487a9cfc852fce254a0cb4c91aed4b594eb19a733f7e332085e5c2b02c3f8220b42b8553406beafab6f4394a0c5dd664aa365d0b7c716bbe028abaef0a233ee184183f2d768a664a3f9a2e5882795c537c6d6886e5479c90fd848c3f28b34f975982c376e27c15187524fe08ab08f504f12c3b8cecfdc82f9acedc0c9c8daef3da693cc05bf8c250dda1d7ca7c3d2523aa39edc6f27c40f89548173dc9e84618d9cccdfd5b5af2fc7b3efde8dc343bbbd56e42b9dbe207a3fb075ec0cfc843fc536c0000000049454e44ae426082000840010824000000180000000210c0db01000000030000000000000000000000000000001b40000040000000340000000100000002000000000000bf000000bf000068420000a841030000000000008000000080fdff73420000008000000080feffaf412100000008000000620000000c00000001000000150000000c00000004000000150000000c0000000400000051000000e005000000000000000000003c00000015000000000000000000000000000000000000003a0000001500000050000000a4000000f4000000ec040000000000002000cc003d00000016000000280000003a0000001500000001000800000000000000000000000000000000001f0000000000000000000000ffffff000080c60080000000ffffc600a6540000ffffe300e3ffff000054a600ffc68000a6e3ff0000005400e3a65400c680000054a6e300c6ffff00540080005480800054000000ffe3a60080c6ff00a6e3e30054a6a6000080a600000080008000540054005400800080008054a600a6545400c6ffe30001010101010101010101010101010101010101010101010101010101010101010101010101010101010101010101010101010101010101010101ffff01010101010101010101010101010101010101010101010101010101010101010101010101010101010101010101010101010101010101010101ffff01010101010101010101010101010101010101010101010101010101010101010101010101010101010101010101010101010101010101010101ffff01010101010101010101010101010101010101010101010101010101010101010101010101010101010101010101010101010101010101010101ffff01020000000000000000001213010101010101010101010101010101010101010101010101010101010101010101010101010101010101010101ffff010101010101010101010101010e0000000000000000030401010101010e00030401010e0012130107080d01010f180c010101020005060f180dffff010101010107080901010101010a1a13010101010f180d010101010107080d0f1b0407080d071c04010e03040101020506010f180c0a1d1e180dffff0101010101070809010101010101020c0101010114000901010101010102050601010102050601010114121301010e03040107080d0101010101ffff01010101010708090101010101011405060101010203040101010101010e03040101010e03040101010a0b090101141213010102050601010101ffff01010101010708090101010101010f180901010f180d010101010101010a1a130101010a1a1301010107080c01010a0b09010114030401010101ffff0101010101070809010101010101010e0d010114000c010101010101010f180c0101010f180c010101010203040107080d01010a0b0901010101ffff0102000000000000000000121301010a1904010e12130101010101010107080d01010107080d010101010e000c0101020009010f180c01010101ffff0101010101070809010101010101010708090708050601010101010101010e05060101010205060708091403160d07080517090f180c01010101ffff010101010107080901010101010101011405150b0c01010101010101010114030401010e00030401010200050614000009010200121301010101ffff010101010107080901010101010101010f101112130101010101010101010a0b0901010101010101010101010101010101010101010101010101ffff01010101010708090101010101010101010e00050601010101010101010107080c01010101010101010101010101010101010101010101010101ffff01010101010708090101010101010101010a0b0c0101010101010101010107080d01010107080d01010101010101010101010101010101010101ffff01010101010101010101010101010101010101010101010101010101010102000304010101020506010101010101010101010101010101010101c00101010101010101010101010101010101010101010101010101010101010101010101010101010101010101010101010101010101010101010101ffff01010101010101010101010101010101010101010101010101010101010101010101010101010101010101010101010101010101010101010101ffff01010101010101010101010101010101010101010101010101010101010101010101010101010101010101010101010101010101010101010101ffff4c0000006400000000000000000000003c0000001500000000000000000000003d000000160000002900aa0000000000000000000000803f00000000000000000000803f0000000000000000000000000000000000000000000000000000000000000000220000000c000000ffffffff460000001c00000010000000454d462b024000000c000000000000000e000000140000000000000010000000140000000400000003010800050000000b0200000000050000000c0216003d00030000001e0004000000070104000400000007010400d5020000410b2000cc0015003a000000000016003d0000000000280000003a0000001500000001000800000000000000000000000000000000001f0000000000000000000000ffffff000080c60080000000ffffc600a6540000ffffe300e3ffff000054a600ffc68000a6e3ff0000005400e3a65400c680000054a6e300c6ffff00540080005480800054000000ffe3a60080c6ff00a6e3e30054a6a6000080a600000080008000540054005400800080008054a600a6545400c6ffe30001010101010101010101010101010101010101010101010101010101010101010101010101010101010101010101010101010101010101010101ffff01010101010101010101010101010101010101010101010101010101010101010101010101010101010101010101010101010101010101010101ffff01010101010101010101010101010101010101010101010101010101010101010101010101010101010101010101010101010101010101010101ffff01010101010101010101010101010101010101010101010101010101010101010101010101010101010101010101010101010101010101010101ffff01020000000000000000001213010101010101010101010101010101010101010101010101010101010101010101010101010101010101010101ffff010101010101010101010101010e0000000000000000030401010101010e00030401010e0012130107080d01010f180c010101020005060f180dffff010101010107080901010101010a1a13010101010f180d010101010107080d0f1b0407080d071c04010e03040101020506010f180c0a1d1e180dffff0101010101070809010101010101020c0101010114000901010101010102050601010102050601010114121301010e03040107080d0101010101ffff01010101010708090101010101011405060101010203040101010101010e03040101010e03040101010a0b090101141213010102050601010101ffff01010101010708090101010101010f180901010f180d010101010101010a1a130101010a1a1301010107080c01010a0b09010114030401010101ffff0101010101070809010101010101010e0d010114000c010101010101010f180c0101010f180c010101010203040107080d01010a0b0901010101ffff0102000000000000000000121301010a1904010e12130101010101010107080d01010107080d010101010e000c0101020009010f180c01010101ffff0101010101070809010101010101010708090708050601010101010101010e05060101010205060708091403160d07080517090f180c01010101ffff010101010107080901010101010101011405150b0c01010101010101010114030401010e00030401010200050614000009010200121301010101ffff010101010107080901010101010101010f101112130101010101010101010a0b0901010101010101010101010101010101010101010101010101ffff01010101010708090101010101010101010e00050601010101010101010107080c01010101010101010101010101010101010101010101010101ffff01010101010708090101010101010101010a0b0c0101010101010101010107080d01010107080d01010101010101010101010101010101010101ffff01010101010101010101010101010101010101010101010101010101010102000304010101020506010101010101010101010101010101010101c00101010101010101010101010101010101010101010101010101010101010101010101010101010101010101010101010101010101010101010101ffff01010101010101010101010101010101010101010101010101010101010101010101010101010101010101010101010101010101010101010101ffff01010101010101010101010101010101010101010101010101010101010101010101010101010101010101010101010101010101010101010101ffff0c00000040092900aa0000000000000016003d0000000000040000002701ffff030000000000
Учитывая материал детали, ее шероховатость поверхности. Эти факторы накладывают ограничения на измерительное усилие средств. При выборе средств измерения необходимо учитывать размеры, массу, конфигурацию детали, а также физическую возможность произвести измерение данного размера выбранным инструментом. Когда все эти факторы будут учтены, из возможных для использования средств измерения выбираются также, погрешность которых обеспечивает заданную точность изготовления.
При выборе средств измерения необходимо обязательно выполнить условие:

где
- допускаемая погрешность измерения
для контроля размера, принимается по
ГОСТ 8.051-81
010009000003ce06000000007004000000007004000026060f00d608574d464301000000000001005d660000000001000000b408000000000000b4080000010000006c00000000000000000000002a000000150000000000000000000000650400003f02000020454d4600000100b40800000c00000001000000000000000000000000000000900600001a040000b801000013010000000000000000000000000000c0b6060038320400460000002c00000020000000454d462b014001001c000000100000000210c0db01000000600000006000000046000000c8020000bc020000454d462b224004000c000000000000001e4009000c00000000000000244001000c000000000000003040020010000000040000000000803f214007000c000000000000000840000514020000080200000210c0db01000000000000000000000000000000000000000100000089504e470d0a1a0a0000000d494844520000002900000015080200000054ba5077000000017352474200aece1ce9000000097048597300000e2600000e2601a2ef25fc0000018e49444154484bed563b6ec3300ca5738e14c8d42917f0d035072894a13d462f10e502bd41577b317280ac01ec0b74ca54c0ba876a52a23eb66bd940802040354534cd47be47d2c9b4d670a7b3ba132ec23e1a7673cce81c9b803434ee4bb584c6b86e55ee6744c80f6d2100e42ef748eae71b60bb592fc186aed7dca19000a26843ebc86f744c7b2582e8b0eee6eb1da414509d2ed3dca9cba95a5ce408233eb95a622d547ba2a6ce1364cd6f5ab6020b3e77fcd98b7dcc3744709c63048a97061f328e116dbe1c87f22b6c501bb39006c2ba33b6834e839b46736573ba91c554e0f933e5b28bc5b67aa382dcb7ebcd16a6346faf1588e7a740bfa105d004f2e3cd343e4d81ac0f6630dc4c906ab180748d2beb0d43dc0f235d1f9b7a4c311a716eba2c883f013e9f712f42d00e5e6d4d33d69ca5787d09d742bec34e39877b8b299ecdb89725de3bfeb602557ef6a101fe04776f763bd4ec5467e996a2ddb2bd2517a7cb3755024fe7e8328c7b9744194e335b9c6c23f28692bae9cffebfdf8b3e41b7707eb4ff0eb7a81963fc022a25e8a527a544c40000000049454e44ae4260820000000840010824000000180000000210c0db01000000030000000000000000000000000000001b40000040000000340000000100000002000000000000bf000000bf000024420000a841030000000000008000000080ffff2b420000008000000080ffffaf412100000008000000620000000c00000001000000150000000c00000004000000150000000c00000004000000510000008804000000000000000000002a00000015000000000000000000000000000000000000002900000015000000500000009c000000ec0000009c030000000000002000cc002b0000001600000028000000290000001500000001000800000000000000000000000000000000001d0000000000000000000000ffffff000080c60080000000ffffc600a6540000ffffe300a6e3ff0000005400e3a65400e3ffff000054a600c680000054a6e300c6ffff00540080005480800054000000ffe3a600ffc6800080c6ff00a6e3e30054a6a6000080a600000080008000540054005400800080008054a6000101010101010101010101010101010101010101010101010101010101010101010101010101010101ffffff0101010101010101010101010101010101010101010101010101010101010101010101010101010101ffffff0101010101010101010101010101010101010101010101010101010101010101010101010101010101ffffff0101010101010101010101010101010101010101010101010101010101010101010101010101010101ffffff0101010101010101010101010101010101010101010101010101010101010101010101010101010101ffffff0d0000000000000000030401010101010d00030401010d001112010a0b0c01010e1809010101020005ffffff071a12010101010e180c01010101010a0b0c0e1b040a0b0c0a1c04010d03040101020506010e180907ffffff0102090101010114001301010101010102050601010102050601010114111201010d0304010a0b0c01ffe3ff011405060101010203040101010101010d03040101010d030401010107081301011411120101020506c680ff010e181301010e180c01010101010101071a12010101071a120101010a0b0901010708130101140304a654ff01010d0c0101140009010101010101010e18090101010e180901010101020304010a0b0c0101070813a654ff0101071904010d1112010101010101010a0b0c0101010a0b0c010101010d00090101020013010e1809a654ff01010a0b130a0b050601010101010101010d05060101010205060a0b131403160c0a0b0517130e1809e3a6ff010101140515080901010101010101010114030401010d000304010102000506140000130102001112ffe3ff0101010e0f101112010101010101010101070813010101010101010101010101010101010101010101ffffff010101010d0005060101010101010101010a0b09010101010101010101010101010101010101010101ffffff01010101070809010101010101010101010a0b0c0101010a0b0c010101010101010101010101010101ffffff0101010101010101010101010101010101020003040101010205060101010101010101010101010101ffffff0101010101010101010101010101010101010101010101010101010101010101010101010101010101ffffff0101010101010101010101010101010101010101010101010101010101010101010101010101010101ffffff0101010101010101010101010101010101010101010101010101010101010101010101010101010101ffffff4c0000006400000000000000000000002a0000001500000000000000000000002b000000160000002900aa0000000000000000000000803f00000000000000000000803f0000000000000000000000000000000000000000000000000000000000000000220000000c000000ffffffff460000001c00000010000000454d462b024000000c000000000000000e000000140000000000000010000000140000000400000003010800050000000b0200000000050000000c0216002b00030000001e000400000007010400040000000701040029020000410b2000cc00150029000000000016002b000000000028000000290000001500000001000800000000000000000000000000000000001d0000000000000000000000ffffff000080c60080000000ffffc600a6540000ffffe300a6e3ff0000005400e3a65400e3ffff000054a600c680000054a6e300c6ffff00540080005480800054000000ffe3a600ffc6800080c6ff00a6e3e30054a6a6000080a600000080008000540054005400800080008054a6000101010101010101010101010101010101010101010101010101010101010101010101010101010101ffffff0101010101010101010101010101010101010101010101010101010101010101010101010101010101ffffff0101010101010101010101010101010101010101010101010101010101010101010101010101010101ffffff0101010101010101010101010101010101010101010101010101010101010101010101010101010101ffffff0101010101010101010101010101010101010101010101010101010101010101010101010101010101ffffff0d0000000000000000030401010101010d00030401010d001112010a0b0c01010e1809010101020005ffffff071a12010101010e180c01010101010a0b0c0e1b040a0b0c0a1c04010d03040101020506010e180907ffffff0102090101010114001301010101010102050601010102050601010114111201010d0304010a0b0c01ffe3ff011405060101010203040101010101010d03040101010d030401010107081301011411120101020506c680ff010e181301010e180c01010101010101071a12010101071a120101010a0b0901010708130101140304a654ff01010d0c0101140009010101010101010e18090101010e180901010101020304010a0b0c0101070813a654ff0101071904010d1112010101010101010a0b0c0101010a0b0c010101010d00090101020013010e1809a654ff01010a0b130a0b050601010101010101010d05060101010205060a0b131403160c0a0b0517130e1809e3a6ff010101140515080901010101010101010114030401010d000304010102000506140000130102001112ffe3ff0101010e0f101112010101010101010101070813010101010101010101010101010101010101010101ffffff010101010d0005060101010101010101010a0b09010101010101010101010101010101010101010101ffffff01010101070809010101010101010101010a0b0c0101010a0b0c010101010101010101010101010101ffffff0101010101010101010101010101010101020003040101010205060101010101010101010101010101ffffff0101010101010101010101010101010101010101010101010101010101010101010101010101010101ffffff0101010101010101010101010101010101010101010101010101010101010101010101010101010101ffffff0101010101010101010101010101010101010101010101010101010101010101010101010101010101ffffff0c00000040092900aa0000000000000016002b0000000000040000002701ffff030000000000 - предельная погрешность средств измерения
Выбор средств измерения производится по методическим указаниям «Выбор универсальных средств измерения линейных размеров до 500 мм» (По применению ГОСТ 8.051-81) РД 50-98-86 М.: издательство стандартов, 1987 г.
Выбираем измерительный инструмент на следующие размеры:
А) Шейка вала под подшипник 0100090000030e0e00000000ac0800000000ac08000026060f004e11574d46430100000000000100609500000000010000002c110000000000002c110000010000006c000000000000000000000074000000160000000000000000000000f70b00005902000020454d46000001002c1100000c00000001000000000000000000000000000000900600001a040000b801000013010000000000000000000000000000c0b6060038320400460000002c00000020000000454d462b014001001c000000100000000210c0db01000000600000006000000046000000380500002c050000454d462b224004000c000000000000001e4009000c00000000000000244001000c000000000000003040020010000000040000000000803f214007000c000000000000000840000584040000780400000210c0db01000000000000000000000000000000000000000100000089504e470d0a1a0a0000000d4948445200000070000000160802000000972f8f5b000000017352474200aece1ce9000000097048597300000e2600000e2601a2ef25fc000003fe494441545847ed583b6ee33010a5f71c12902a952f1003697300c329ac764fe05c20ca0592136c6b17317280b40bd81750e52a807c0fefcc901467a811a5085ec0d90dab58c3190edffc1e33399d4ee67b9d0f811fe7337599968e9bfb895df79b63cbc59474ff34993ced990a7e48d8723b2143ff9555af17a6dc89db844ff8d7625d0f92e25ebb8239aebf2b4dcb96373c32438f9b2725de0372d44759847e809ed8427935c4c2fe57b12def6e5039bb9d2fb66fbf7992764b6f5f009f002bead787ad995e65e4c7cd5d69b6871aefd24afb2e406133db1b2ac3a57c5e541205be2375d59bc713c5f73a4fa2e8cdb54da16465e0c28f8453ef6a4ecaaea6888254d0a5596681e32bbf5e98eac3c663ff5e1a8813dce5f4625632b6015009daccec5e97d2acac262e05d5bc30b69e20aee52c953ec78fca2ce6b76d979dfbe4477e78a01a8a50c383dee6b5f4ac696d79b13570b65d4312b8371a6c43b67cade76f39d99e55ebda79869fd7d58c251ff96db3bb410c7388ffb6f2a83d856e14b514d2eedc4c09da29a583e256d79c9454b5b79096b942bb89a6a591b978333f899b36e8ad4404c47025f12d09680bc024a2cc6ed3a43c0ae9b8a5a52e2da2500518e2a1821b75a98f9f089f3c3c8e2c338e804a31fc22afb889d45dda49458076a499c893c86c3ab57bf15432d45dce566ec03a5cd8d5625452721cb9ab888f1a5fb0df0050590bbbd26f8e7369b1c0be408bdb6b039aaa5b16bcb8421d9edc717e4ed4582e8ceb35f782a18484c0afe3e6b9520606720e63e648262800db22d768727f93c7f94893152609ce6a36747058411acd68848773ce3d5cfa7d1cbd834800008a84c02d6066d38768b8930886d9c9cfd66cf902dd3fe274dc0b8a90e76cc23d020da20183b254273da46433c2b3e503ceaf77fb582155d5e86800fe8a22001a08dafebd5afff4f42e416f50a3e174e247e3a34e34116a2a63a8904444bc150ab5237f748c27829f8062dcd353d5624fcfeeba411e8a7e4322c872c767844f22c9f25db63490d1b57d2281392c6b3d97a8e0a9a3a04e84a81298ee5457114514a29b1e37ab624aafd17a6d8a55f4baeb926adf0183e76bfb72c5b1fdac3c146dfd301e1ae6603456e4d88e48ab9fa46e80242692ca1b3ca9e860c3612c8d99f29cbf0ce7a169ad788a37003653de8e80402028fa0a9f0b59a15022a69ee4e541e834e44192b028b2ee074307b197070a75f04095767d77c4c2f274c132221eaab97261ac2404bd8d68940a2eeeb42f0dcd284059453518b55e4a17899ee654bb6cf9ae98d8ca27cb194abe7d80a3772cd36d0ffd422b81a972dfd00eb99effaa4bbb9ea43c3777a5ab945667ff7280fa9c50fec1a226506808c39f9e7ca278adb8b1c077f5ed3601073fc1eabeb7f62130f23ff67d66ff5ff91f783a2722a218c28b0000000049454e44ae4260820000000840010824000000180000000210c0db01000000030000000000000000000000000000001b40000040000000340000000100000002000000000000bf000000bf0000e0420000b041030000000000008000000080ffffe9420000008000000080ffffb7412100000008000000620000000c00000001000000150000000c00000004000000150000000c0000000400000051000000900a00000000000000000000740000001600000000000000000000000000000000000000700000001600000050000000a0000000f0000000a0090000000000002000cc00750000001700000028000000700000001600000001000800000000000000000000000000000000001e0000000000000000000000ffffff00e3ffff000054a600e3a654000080c600c6800000c6ffff0000008000a6540000ffffe300ffc6800054a6e300a6e3ff0054005400ffe3a60080a6e30080000000ffffc600e3e3e30054008000000054005400000080c6ff008000800054545400a6e3c6005454a6005480c600a654540001010101010101010101010101010101010101010101010101010101010101010101010101010101010101010101010101010101010101010101010101010101010101010101010101010101010101010101010101010101010101010101010101010101010101010101010101010101010101010101010101010101010101010101010101010101010101010101010101010101010101010101010101010101010101010101010101010101010101010101010101010101010101010101010101010101010101010101010101010101010101010101010101010101010101010101010101010101010101010101010101010101010101010101010101010101010101010101010101010101010101010101010101010101010101010c11120101010102030b01010101070800000b0101171112070800000b010101070800000b010708000000000b05090a010101010101010101010101010101010101010101010101010101010101010101010101010101010101010101010101010101010101010101010101010102030401010101010102030b010101010506010d0e0f011711120506010d0e0f01010506010d0e0f0117060101170b010d150b0101010101010101010101010101010101010101010101010101010101010101010101010101010101010101010101010101010101010101010101010203040101010101010102030b01010107080b0102030401010107080b010203040107080b0102030401010c0601010101010d0e0f01010102030b01010101010101010101010101010101010101010101010101010101010101010101010101010101010101010101010101010101011711120101010107080000000000000b07140f0101050601010107140f010105060107140f01010506010101170601010101010c090a010101070800000011120101010708000000090a0101010107080000090a0101010101010708040101170011120101010d150000000b010101020306010101010101010102030b01010107140f0101050601010107140f010105060107140f01010506010101010c04010101010d0e0f01010203000b01010c160f010105160f010203111201010708090a0203090a010101010102030601020306071812010d1506010117000401010d150b010101010101010102030b01010107080b0102030401010107080b010203040107080b01020304010101010d0e0f01010102030401010c111a1d0a010105090a0105040101010d150401010c000b010117000b01010101010105090a0d1504010101010511120101010511120117160f010101010101010102030b010101010c06010d0e0f010101010c06010d0e0f01010c06010d0e0f07140f0117160f01010101050601010506011c0f01010d0e0f0101010101010708060101051112010107080401010101010117160f17160f0101010203090a0101010c160f0117160f010101010101010101010101010101020300000401010101010203000004010101020300000401010708000006010101010105090a02030401170601010708040101010101010d1504010203090a01010708060101010101010d150000090a0101010203090a010101051112010c1112010101010101010101010101010101010101010101010101010101010101010101010101010101010101010101010101010105090a07080401021b0f0107080401020304010203160f010203090a01010203090a010101010107080407140f010101020300090a010d1506010117160f010101010101010101010101010101010101010101010101010101010101010101010101010101010101010101010101010105090a0203040101170401070804010d15190000160f01010203090a01010203090a01010101010105060102030b01010105111a150000090a010117160f010101010101010101010101010101010101010101010101010101010101010101010101010101010101010101010101010105060101050601010718120d150b010d150b0101010101010203090a01010708090a0101010101010c090a010d150b010117000b010101010101010d150b010101010101010102030b01010101070800000b0101171112070800000b0101010c0000000004010c000000090a010101020304010117160f01010c0405090a010d150b0101010101010105111201010708060101010101010117160f010c00000b0102030601010101010101020306010101010101010102030b010101010506010d0e0f011711120506010d0e0f01010101050601010d150b010105060101010d0e0f010102031112010708000b01010d150b0101010101010117160f010117000b0101010101010107080b010101010101010d1504010101010101011711120101010101010102030b01010107080b0102030401010107080b01020304010101010c06010107080b010203060101010c090a010101010c000000000b0101010d150b010101010101010203090a020311120101010101010102030401010101010101010d15060101010101010203040101010107080000000000000b07140f0101050601010107140f01010506010101010c0601010102030000040101010d0e0f01010101010101010107140f01010d1500000000160f01010102030000111201010101010101010105090a0101010101010101010c0011120101010102030401010101010102030b01010107140f0101050601010107140f01010506010101010c0601010203040107080b010d150b010101010101010101010101010101010101010101100f010101010101010101010101010101010105001112010101010101010101010101010101010101010c11120101010102030b01010107080b0102030401010107080b01020304010113010c06010107080b0101050605090a010101010101010101010101010101010101010101010101010101010101010101010101010101010101010101010101010101010101010101010101010101010101010101010102030b010101010c06010d0e0f010101010c06010d0e0f01010c0000060101020304010708040101010101010101010101010101010101010101010101010101010101010101010101010101010101010101010101010101010101010101010101010101010101010101010101010101010101010101010203000004010101010102030000040101010101050601010107080000090a01010101010101010101010101010101010101010101010101010101010101010101010101010101010101010101010101010101010101010101010101010101010101010101010101010101010101010101010101010101010101010101010101010101010101010101010101010101010101010101014c0000006400000000000000000000007400000016000000000000000000000075000000170000002900aa0000000000000000000000803f00000000000000000000803f0000000000000000000000000000000000000000000000000000000000000000220000000c000000ffffffff460000001c00000010000000454d462b024000000c000000000000000e000000140000000000000010000000140000000400000003010800050000000b0200000000050000000c0217007500030000001e00040000000701040004000000070104002d050000410b2000cc001600700000000000170075000000000028000000700000001600000001000800000000000000000000000000000000001e0000000000000000000000ffffff00e3ffff000054a600e3a654000080c600c6800000c6ffff0000008000a6540000ffffe300ffc6800054a6e300a6e3ff0054005400ffe3a60080a6e30080000000ffffc600e3e3e30054008000000054005400000080c6ff008000800054545400a6e3c6005454a6005480c600a654540001010101010101010101010101010101010101010101010101010101010101010101010101010101010101010101010101010101010101010101010101010101010101010101010101010101010101010101010101010101010101010101010101010101010101010101010101010101010101010101010101010101010101010101010101010101010101010101010101010101010101010101010101010101010101010101010101010101010101010101010101010101010101010101010101010101010101010101010101010101010101010101010101010101010101010101010101010101010101010101010101010101010101010101010101010101010101010101010101010101010101010101010101010101010101010c11120101010102030b01010101070800000b0101171112070800000b010101070800000b010708000000000b05090a010101010101010101010101010101010101010101010101010101010101010101010101010101010101010101010101010101010101010101010101010102030401010101010102030b010101010506010d0e0f011711120506010d0e0f01010506010d0e0f0117060101170b010d150b0101010101010101010101010101010101010101010101010101010101010101010101010101010101010101010101010101010101010101010101010203040101010101010102030b01010107080b0102030401010107080b010203040107080b0102030401010c0601010101010d0e0f01010102030b01010101010101010101010101010101010101010101010101010101010101010101010101010101010101010101010101010101011711120101010107080000000000000b07140f0101050601010107140f010105060107140f01010506010101170601010101010c090a010101070800000011120101010708000000090a0101010107080000090a0101010101010708040101170011120101010d150000000b010101020306010101010101010102030b01010107140f0101050601010107140f010105060107140f01010506010101010c04010101010d0e0f01010203000b01010c160f010105160f010203111201010708090a0203090a010101010102030601020306071812010d1506010117000401010d150b010101010101010102030b01010107080b0102030401010107080b010203040107080b01020304010101010d0e0f01010102030401010c111a1d0a010105090a0105040101010d150401010c000b010117000b01010101010105090a0d1504010101010511120101010511120117160f010101010101010102030b010101010c06010d0e0f010101010c06010d0e0f01010c06010d0e0f07140f0117160f01010101050601010506011c0f01010d0e0f0101010101010708060101051112010107080401010101010117160f17160f0101010203090a0101010c160f0117160f010101010101010101010101010101020300000401010101010203000004010101020300000401010708000006010101010105090a02030401170601010708040101010101010d1504010203090a01010708060101010101010d150000090a0101010203090a010101051112010c1112010101010101010101010101010101010101010101010101010101010101010101010101010101010101010101010101010105090a07080401021b0f0107080401020304010203160f010203090a01010203090a010101010107080407140f010101020300090a010d1506010117160f010101010101010101010101010101010101010101010101010101010101010101010101010101010101010101010101010105090a0203040101170401070804010d15190000160f01010203090a01010203090a01010101010105060102030b01010105111a150000090a010117160f010101010101010101010101010101010101010101010101010101010101010101010101010101010101010101010101010105060101050601010718120d150b010d150b0101010101010203090a01010708090a0101010101010c090a010d150b010117000b010101010101010d150b010101010101010102030b01010101070800000b0101171112070800000b0101010c0000000004010c000000090a010101020304010117160f01010c0405090a010d150b0101010101010105111201010708060101010101010117160f010c00000b0102030601010101010101020306010101010101010102030b010101010506010d0e0f011711120506010d0e0f01010101050601010d150b010105060101010d0e0f010102031112010708000b01010d150b0101010101010117160f010117000b0101010101010107080b010101010101010d1504010101010101011711120101010101010102030b01010107080b0102030401010107080b01020304010101010c06010107080b010203060101010c090a010101010c000000000b0101010d150b010101010101010203090a020311120101010101010102030401010101010101010d15060101010101010203040101010107080000000000000b07140f0101050601010107140f01010506010101010c0601010102030000040101010d0e0f01010101010101010107140f01010d1500000000160f01010102030000111201010101010101010105090a0101010101010101010c0011120101010102030401010101010102030b01010107140f0101050601010107140f01010506010101010c0601010203040107080b010d150b010101010101010101010101010101010101010101100f010101010101010101010101010101010105001112010101010101010101010101010101010101010c11120101010102030b01010107080b0102030401010107080b01020304010113010c06010107080b0101050605090a010101010101010101010101010101010101010101010101010101010101010101010101010101010101010101010101010101010101010101010101010101010101010101010102030b010101010c06010d0e0f010101010c06010d0e0f01010c0000060101020304010708040101010101010101010101010101010101010101010101010101010101010101010101010101010101010101010101010101010101010101010101010101010101010101010101010101010101010101010203000004010101010102030000040101010101050601010107080000090a01010101010101010101010101010101010101010101010101010101010101010101010101010101010101010101010101010101010101010101010101010101010101010101010101010101010101010101010101010101010101010101010101010101010101010101010101010101010101010101010c00000040092900aa000000000000001700750000000000040000002701ffff030000000000
Б) посадочное место под внешнее кольцо подшипника 010009000003b20f000000005609000000005609000026060f00a212574d4643010000000000010013c40000000001000000801200000000000080120000010000006c00000000000000000000007e000000180000000000000000000000fd0c00008e02000020454d4600000100801200000c00000001000000000000000000000000000000900600001a040000b801000013010000000000000000000000000000c0b6060038320400460000002c00000020000000454d462b014001001c000000100000000210c0db01000000600000006000000046000000980400008c040000454d462b224004000c000000000000001e4009000c00000000000000244001000c000000000000003040020010000000040000000000803f214007000c0000000000000008400005e4030000d80300000210c0db01000000000000000000000000000000000000000100000089504e470d0a1a0a0000000d494844520000007a000000180802000000ba077ee2000000017352474200aece1ce9000000097048597300000e2600000e2601a2ef25fc0000035f494441546843ed594172ea300c35ff1c618655575ca0cc74fb0fd04917b0ed09e8059a5ea09ce06f6151a60760db197201565d3143ee912fd9712cd94a2821a10ce05d6c59969ea567097a799eabdb3815027f4e75d0ed1c44e0cae1ce164f3d339e1699141182809be2bbe87c95beeb811bd1784b19a4d9623a19ae814ef3dd5c4da621e09240f6f5a9e63bdc94af9325df9568657a7c8c23e1faae07eed0f9f4df6499fcbdc785e8e1315e7e7e79012e0a44e30f0b65ff2e3e90232f136e9dd75e288bc0c4777d331f0d866af9bd0b846a044ce8b3284e46053599c3d3379f54aae0064989cdd08f0a9603f595ab94d67e82821c339c1cad63be39283555b33c7fd5718b2eebd19f2c5509477323b4695a292aa403c2be2092dd3c4e4670c4fd6b9ecfd494de7c4936204337131a3222eba4588e0be62a77ee59d58a8b4de69040375355f90116b09d5a19d78553a27d48cfb1278c1ed9ede2c67d028201c678ae8d7ca97299585e20eb3cb1e752e41c2afb5709025a7743bcf94508ce527cfc5b0be1d611644ca1f810259200cc59779805f021ce33f51a6ed4ea1031fbf89ccb122ae979245e46006f15de65f6180448b2c997131a58196c654855a72c890076679e55163bcb03248e183bf81966af13e1e631615356325e8e6e8bbab41ace6907c484f765eb4e13d6ead1fe195f752655e00d4f65b6dda8f20156e96a337fc64706df6ab5d98ac5ff81e50f13df533d0d07bc5ef5bf8d2e287ee1e17b61b5edee7b49fc38c6c40ef616950fc08d66da912dde378f0f5281de8109cd556241ac8a92b9b99693efdc6c016e126ee0c690874cfb26e9db9563160f73a56b506995b6a42b7cae740eba81495aa3b77d479a6804b85d855f1289ce57e498a3235d5352d03f38ee0a6c26af99579a920c04b403cbba22bf26a856eec13607c33b59a59c48305f8f47bbc81dd06e2dc0c83c2a080d91749d83ad826c950d070877349e611bd47744029dd92889e733f16796c32c89c62f806ff26e7eff812b1578806af41f67ff5b2412ad00a346eac30fb3b723695b8fd8d2c71598fa40af4295f2da89d4afd28eb4a66aff59dd2db603b42b68a5836abd1ea475b7d4e0b67ee04914d675952731a0e290b269354dfcc58c9adf4c7ecfc7e03793df33a5fd93cf0c71deeb5e58749f178b870f4d0f0cece831bea90d11b8cc7f73cef6a6ff0361054083738b44390000000049454e44ae42608200000840010824000000180000000210c0db01000000030000000000000000000000000000001b40000040000000340000000100000002000000000000bf000000bf0000f4420000c041030000000000008000000080fffffd420000008000000080ffffc7412100000008000000620000000c00000001000000150000000c00000004000000150000000c0000000400000051000000840c000000000000000000007e00000018000000000000000000000000000000000000007a000000180000005000000094000000e4000000a00b0000000000002000cc007f00000019000000280000007a0000001800000001000800000000000000000000000000000000001b0000000000000000000000ffffff00e3ffff000054a600e3a6540054a6e30054000000ffe3a600ffc68000c6800000a6e3ff00540054005454a60080c6ff00c6ffff000000800080000000ffffc600540080000080c600a6540000ffffe30000005400800080005480c600a6e3c600a65454000101010101010101010101010101010101010101010101010101010101010101010101010101010101010101010101010101010101010101010101010101010101010101010101010101010101010101010101010101010101010101010101010101010101010101010101010101010101010101010101010101000001010101010101010101010101010101010101010101010101010101010101010101010101010101010101010101010101010101010101010101010101010101010101010101010101010101010101010101010101010101010101010101010101010101010101010101010101010101010101010101010101010000010101010101010101010101010101010101010101010101010101010101010101010101010101010101010101010101010101010101010101010101010101010101010101010105101101010101010101010101010101010101010101010101010101010101010101010101010101010101010113141501010100000101010101010101010101010101010101010101010101010101010101010101010101010101010101010101010101010101010101010101010101010101010101010101010203040101010101010101010101010101010101010101010101010101010101010101010101010101010101010101010a160801010000010101010101010101010101010101010101010101010101010101010101010101010101010101010101010101010101010101010101010101010101010101010101010102030401010101010101010101010101010101010101010101010101010101010101010101010101010101010101010101010a0b0701000001020308010101010101010101010101010101010101010101010101010101010101010101010101010101010101010101010101010101010101010101010101010101010d1011010101010101010101010101010101010101010101010101010101010101010101010101010101010101010101010101051415000001010e0f00000010110101010203000000000009010102030000000000090101010e0f000014150101010101010e0f00000802030000090101010d0607010101010101020309010101010101010101010101010101010101010101010101010101010101010101010101010101010101010101010101010a0b07000001020300080101050607010101010105060701010101010101050607010101010e0f1415020314150101010101010a16040101020314150101010e0f040101010101010a1608010101010101010101010101010101010101010101010101010101010101010101010101010101010101010101010101010203040000010510191a15010113141501010101050607010101010101010506070101010105000801010d00080101010101010a16080101020309010101010113101101010101010d060701010101010101010101010101010101010101010101010101010101010101010101010101010101010101010101010101011309000001130901180701010a0b0701010101050607010101010101010506070101010113101101010e0f040101010101010a1608010102030901010101010a160401010101010d0607010101010101010101010101010101010101010101010101010101010101010101010101010101010101010101010101010113140000020304010d0901010e0f0401010101050607010101010101010506070101010203141501010e0f090101010101010a16000000000009010101010101131415010101010510110101010101010101010101010101010101010101010101010101010101010101010101010101010101010101010101010101131400000e0f0401020c07010e0f0401010101050607010101010101010506070101010203141501010203141501010101010a160801010203090101010101010d0008010101010d060701010101010101010101010101010101010101010101010101010101010101010101010101010101010101010101010101011314000002030401010d04010e0f0401010101050607010101010101010506070101010203141501010203141501010101010a16080101020309010101010101020309010101010d060701010101010101010101010101010101010101010101010101010101010101010101010101010101010101010101010101011309000001130901010e17110a160801010101050607010101010101010506070101010203141501010e0f141501010101010a16040101020314150101010101010506070101010a1608010101010101010101010101010101010101010101010101010101010101010101010101010101010101010101010101010203040000010d06070101050413141501010101050607010101010101010506070101010113101101010e0f0901010101010e0f00000802030000090101010101010e0f0401010102030901010101010101020308010101010e0f00000801010d1011010e0f000008010105000000040101020300000004010101010a0b0700000102031011010e0f000801010d1011050607010101010d1011050607010101010d060701010d0008010101010101010101010101010101010101010101010510110101010d1011010101010101020308010101011309010a0b07010d1011011309010a0b070e1207010a160801020c07010a16080101010514150000010101050000000008010101010e0f00060701010101010e0f000607010101010203141502031011010101010101010101010101010101010113080101010a16080101010203040101010101010203080101010e0f0801020304010101010e0f0801020304010101010a1608010101010102030401010a0b07010000010101010101010e120701010101010a0b07010101010101010a0b07010101010102030000101101010101010101010101010101010101010105000000000000141501010102030401010e0f000000000000080e120701011309010101010e1207010113090101130000080101010101010a1608010a16080101000001010101010101010101010101010101010101010101010101010101010101010101010101010101010101010101010101010101010101010101010101010101010101010101010510110101010203080101010e120701011309010101010e120701011309010101020308010101050000000901131415010101000001010101010101010101010101010101010101010101010101010101010101010101010101010101010101010101010101010101010101010101010101010101010101010101010101010101010203080101010e0f0801020304010101010e0f0801020304010101010a0b07010105080101010101010101010100000101010101010101010101010101010101010101010101010101010101010101010101010101010101010101010101010101010101010101010101010101010101010101010101010101010101020308010101010509010a0b0701010101010509010a0b07020c07010d0607010105080101010101010101010100000101010101010101010101010101010101010101010101010101010101010101010101010101010101010101010101010101010101010101010101010101010101010101010101010101010101010101010101010203000004010101010101020300000401010500000004010101050000000607010101010101000001010101010101010101010101010101010101010101010101010101010101010101010101010101010101010101010101010101010101010101010101010101010101010101010101010101010101010101010101010101010101010101010101010101010101010101010101010101010101010101010101010000010101010101010101010101010101010101010101010101010101010101010101010101010101010101010101010101010101010101010101010101010101010101010101010101010101010101010101010101010101010101010101010101010101010101010101010101010101010101010101010101010100004c0000006400000000000000000000007e0000001800000000000000000000007f000000190000002900aa0000000000000000000000803f00000000000000000000803f0000000000000000000000000000000000000000000000000000000000000000220000000c000000ffffffff460000001c00000010000000454d462b024000000c000000000000000e000000140000000000000010000000140000000400000003010800050000000b0200000000050000000c0219007f00030000001e000400000007010400040000000701040027060000410b2000cc0018007a000000000019007f0000000000280000007a0000001800000001000800000000000000000000000000000000001b0000000000000000000000ffffff00e3ffff000054a600e3a6540054a6e30054000000ffe3a600ffc68000c6800000a6e3ff00540054005454a60080c6ff00c6ffff000000800080000000ffffc600540080000080c600a6540000ffffe30000005400800080005480c600a6e3c600a65454000101010101010101010101010101010101010101010101010101010101010101010101010101010101010101010101010101010101010101010101010101010101010101010101010101010101010101010101010101010101010101010101010101010101010101010101010101010101010101010101010101000001010101010101010101010101010101010101010101010101010101010101010101010101010101010101010101010101010101010101010101010101010101010101010101010101010101010101010101010101010101010101010101010101010101010101010101010101010101010101010101010101010000010101010101010101010101010101010101010101010101010101010101010101010101010101010101010101010101010101010101010101010101010101010101010101010105101101010101010101010101010101010101010101010101010101010101010101010101010101010101010113141501010100000101010101010101010101010101010101010101010101010101010101010101010101010101010101010101010101010101010101010101010101010101010101010101010203040101010101010101010101010101010101010101010101010101010101010101010101010101010101010101010a160801010000010101010101010101010101010101010101010101010101010101010101010101010101010101010101010101010101010101010101010101010101010101010101010102030401010101010101010101010101010101010101010101010101010101010101010101010101010101010101010101010a0b0701000001020308010101010101010101010101010101010101010101010101010101010101010101010101010101010101010101010101010101010101010101010101010101010d1011010101010101010101010101010101010101010101010101010101010101010101010101010101010101010101010101051415000001010e0f00000010110101010203000000000009010102030000000000090101010e0f000014150101010101010e0f00000802030000090101010d0607010101010101020309010101010101010101010101010101010101010101010101010101010101010101010101010101010101010101010101010a0b07000001020300080101050607010101010105060701010101010101050607010101010e0f1415020314150101010101010a16040101020314150101010e0f040101010101010a1608010101010101010101010101010101010101010101010101010101010101010101010101010101010101010101010101010203040000010510191a15010113141501010101050607010101010101010506070101010105000801010d00080101010101010a16080101020309010101010113101101010101010d060701010101010101010101010101010101010101010101010101010101010101010101010101010101010101010101010101011309000001130901180701010a0b0701010101050607010101010101010506070101010113101101010e0f040101010101010a1608010102030901010101010a160401010101010d0607010101010101010101010101010101010101010101010101010101010101010101010101010101010101010101010101010113140000020304010d0901010e0f0401010101050607010101010101010506070101010203141501010e0f090101010101010a16000000000009010101010101131415010101010510110101010101010101010101010101010101010101010101010101010101010101010101010101010101010101010101010101131400000e0f0401020c07010e0f0401010101050607010101010101010506070101010203141501010203141501010101010a160801010203090101010101010d0008010101010d060701010101010101010101010101010101010101010101010101010101010101010101010101010101010101010101010101011314000002030401010d04010e0f0401010101050607010101010101010506070101010203141501010203141501010101010a16080101020309010101010101020309010101010d060701010101010101010101010101010101010101010101010101010101010101010101010101010101010101010101010101011309000001130901010e17110a160801010101050607010101010101010506070101010203141501010e0f141501010101010a16040101020314150101010101010506070101010a1608010101010101010101010101010101010101010101010101010101010101010101010101010101010101010101010101010203040000010d06070101050413141501010101050607010101010101010506070101010113101101010e0f0901010101010e0f00000802030000090101010101010e0f0401010102030901010101010101020308010101010e0f00000801010d1011010e0f000008010105000000040101020300000004010101010a0b0700000102031011010e0f000801010d1011050607010101010d1011050607010101010d060701010d0008010101010101010101010101010101010101010101010510110101010d1011010101010101020308010101011309010a0b07010d1011011309010a0b070e1207010a160801020c07010a16080101010514150000010101050000000008010101010e0f00060701010101010e0f000607010101010203141502031011010101010101010101010101010101010113080101010a16080101010203040101010101010203080101010e0f0801020304010101010e0f0801020304010101010a1608010101010102030401010a0b07010000010101010101010e120701010101010a0b07010101010101010a0b07010101010102030000101101010101010101010101010101010101010105000000000000141501010102030401010e0f000000000000080e120701011309010101010e1207010113090101130000080101010101010a1608010a16080101000001010101010101010101010101010101010101010101010101010101010101010101010101010101010101010101010101010101010101010101010101010101010101010101010510110101010203080101010e120701011309010101010e120701011309010101020308010101050000000901131415010101000001010101010101010101010101010101010101010101010101010101010101010101010101010101010101010101010101010101010101010101010101010101010101010101010101010101010203080101010e0f0801020304010101010e0f0801020304010101010a0b07010105080101010101010101010100000101010101010101010101010101010101010101010101010101010101010101010101010101010101010101010101010101010101010101010101010101010101010101010101010101010101020308010101010509010a0b0701010101010509010a0b07020c07010d0607010105080101010101010101010100000101010101010101010101010101010101010101010101010101010101010101010101010101010101010101010101010101010101010101010101010101010101010101010101010101010101010101010101010203000004010101010101020300000401010500000004010101050000000607010101010101000001010101010101010101010101010101010101010101010101010101010101010101010101010101010101010101010101010101010101010101010101010101010101010101010101010101010101010101010101010101010101010101010101010101010101010101010101010101010101010101010101010000010101010101010101010101010101010101010101010101010101010101010101010101010101010101010101010101010101010101010101010101010101010101010101010101010101010101010101010101010101010101010101010101010101010101010101010101010101010101010101010101010100000c00000040092900aa0000000000000019007f0000000000040000002701ffff030000000000
Выбираем
измерительный инструмент для контроля
размера шейки вала под подшипник 0100090000030e0e00000000ac0800000000ac08000026060f004e11574d46430100000000000100609500000000010000002c110000000000002c110000010000006c000000000000000000000074000000160000000000000000000000f70b00005902000020454d46000001002c1100000c00000001000000000000000000000000000000900600001a040000b801000013010000000000000000000000000000c0b6060038320400460000002c00000020000000454d462b014001001c000000100000000210c0db01000000600000006000000046000000380500002c050000454d462b224004000c000000000000001e4009000c00000000000000244001000c000000000000003040020010000000040000000000803f214007000c000000000000000840000584040000780400000210c0db01000000000000000000000000000000000000000100000089504e470d0a1a0a0000000d4948445200000070000000160802000000972f8f5b000000017352474200aece1ce9000000097048597300000e2600000e2601a2ef25fc000003fe494441545847ed583b6ee33010a5f71c12902a952f1003697300c329ac764fe05c20ca0592136c6b17317280b40bd81750e52a807c0fefcc901467a811a5085ec0d90dab58c3190edffc1e33399d4ee67b9d0f811fe7337599968e9bfb895df79b63cbc59474ff34993ced990a7e48d8723b2143ff9555af17a6dc89db844ff8d7625d0f92e25ebb8239aebf2b4dcb96373c32438f9b2725de0372d44759847e809ed8427935c4c2fe57b12def6e5039bb9d2fb66fbf7992764b6f5f009f002bead787ad995e65e4c7cd5d69b6871aefd24afb2e406133db1b2ac3a57c5e541205be2375d59bc713c5f73a4fa2e8cdb54da16465e0c28f8453ef6a4ecaaea6888254d0a5596681e32bbf5e98eac3c663ff5e1a8813dce5f4625632b6015009daccec5e97d2acac262e05d5bc30b69e20aee52c953ec78fca2ce6b76d979dfbe4477e78a01a8a50c383dee6b5f4ac696d79b13570b65d4312b8371a6c43b67cade76f39d99e55ebda79869fd7d58c251ff96db3bb410c7388ffb6f2a83d856e14b514d2eedc4c09da29a583e256d79c9454b5b79096b942bb89a6a591b978333f899b36e8ad4404c47025f12d09680bc024a2cc6ed3a43c0ae9b8a5a52e2da2500518e2a1821b75a98f9f089f3c3c8e2c338e804a31fc22afb889d45dda49458076a499c893c86c3ab57bf15432d45dce566ec03a5cd8d5625452721cb9ab888f1a5fb0df0050590bbbd26f8e7369b1c0be408bdb6b039aaa5b16bcb8421d9edc717e4ed4582e8ceb35f782a18484c0afe3e6b9520606720e63e648262800db22d768727f93c7f94893152609ce6a36747058411acd68848773ce3d5cfa7d1cbd834800008a84c02d6066d38768b8930886d9c9cfd66cf902dd3fe274dc0b8a90e76cc23d020da20183b254273da46433c2b3e503ceaf77fb582155d5e86800fe8a22001a08dafebd5afff4f42e416f50a3e174e247e3a34e34116a2a63a8904444bc150ab5237f748c27829f8062dcd353d5624fcfeeba411e8a7e4322c872c767844f22c9f25db63490d1b57d2281392c6b3d97a8e0a9a3a04e84a81298ee5457114514a29b1e37ab624aafd17a6d8a55f4baeb926adf0183e76bfb72c5b1fdac3c146dfd301e1ae6603456e4d88e48ab9fa46e80242692ca1b3ca9e860c3612c8d99f29cbf0ce7a169ad788a37003653de8e80402028fa0a9f0b59a15022a69ee4e541e834e44192b028b2ee074307b197070a75f04095767d77c4c2f274c132221eaab97261ac2404bd8d68940a2eeeb42f0dcd284059453518b55e4a17899ee654bb6cf9ae98d8ca27cb194abe7d80a3772cd36d0ffd422b81a972dfd00eb99effaa4bbb9ea43c3777a5ab945667ff7280fa9c50fec1a226506808c39f9e7ca278adb8b1c077f5ed3601073fc1eabeb7f62130f23ff67d66ff5ff91f783a2722a218c28b0000000049454e44ae4260820000000840010824000000180000000210c0db01000000030000000000000000000000000000001b40000040000000340000000100000002000000000000bf000000bf0000e0420000b041030000000000008000000080ffffe9420000008000000080ffffb7412100000008000000620000000c00000001000000150000000c00000004000000150000000c0000000400000051000000900a00000000000000000000740000001600000000000000000000000000000000000000700000001600000050000000a0000000f0000000a0090000000000002000cc00750000001700000028000000700000001600000001000800000000000000000000000000000000001e0000000000000000000000ffffff00e3ffff000054a600e3a654000080c600c6800000c6ffff0000008000a6540000ffffe300ffc6800054a6e300a6e3ff0054005400ffe3a60080a6e30080000000ffffc600e3e3e30054008000000054005400000080c6ff008000800054545400a6e3c6005454a6005480c600a654540001010101010101010101010101010101010101010101010101010101010101010101010101010101010101010101010101010101010101010101010101010101010101010101010101010101010101010101010101010101010101010101010101010101010101010101010101010101010101010101010101010101010101010101010101010101010101010101010101010101010101010101010101010101010101010101010101010101010101010101010101010101010101010101010101010101010101010101010101010101010101010101010101010101010101010101010101010101010101010101010101010101010101010101010101010101010101010101010101010101010101010101010101010101010101010c11120101010102030b01010101070800000b0101171112070800000b010101070800000b010708000000000b05090a010101010101010101010101010101010101010101010101010101010101010101010101010101010101010101010101010101010101010101010101010102030401010101010102030b010101010506010d0e0f011711120506010d0e0f01010506010d0e0f0117060101170b010d150b0101010101010101010101010101010101010101010101010101010101010101010101010101010101010101010101010101010101010101010101010203040101010101010102030b01010107080b0102030401010107080b010203040107080b0102030401010c0601010101010d0e0f01010102030b01010101010101010101010101010101010101010101010101010101010101010101010101010101010101010101010101010101011711120101010107080000000000000b07140f0101050601010107140f010105060107140f01010506010101170601010101010c090a010101070800000011120101010708000000090a0101010107080000090a0101010101010708040101170011120101010d150000000b010101020306010101010101010102030b01010107140f0101050601010107140f010105060107140f01010506010101010c04010101010d0e0f01010203000b01010c160f010105160f010203111201010708090a0203090a010101010102030601020306071812010d1506010117000401010d150b010101010101010102030b01010107080b0102030401010107080b010203040107080b01020304010101010d0e0f01010102030401010c111a1d0a010105090a0105040101010d150401010c000b010117000b01010101010105090a0d1504010101010511120101010511120117160f010101010101010102030b010101010c06010d0e0f010101010c06010d0e0f01010c06010d0e0f07140f0117160f01010101050601010506011c0f01010d0e0f0101010101010708060101051112010107080401010101010117160f17160f0101010203090a0101010c160f0117160f010101010101010101010101010101020300000401010101010203000004010101020300000401010708000006010101010105090a02030401170601010708040101010101010d1504010203090a01010708060101010101010d150000090a0101010203090a010101051112010c1112010101010101010101010101010101010101010101010101010101010101010101010101010101010101010101010101010105090a07080401021b0f0107080401020304010203160f010203090a01010203090a010101010107080407140f010101020300090a010d1506010117160f010101010101010101010101010101010101010101010101010101010101010101010101010101010101010101010101010105090a0203040101170401070804010d15190000160f01010203090a01010203090a01010101010105060102030b01010105111a150000090a010117160f010101010101010101010101010101010101010101010101010101010101010101010101010101010101010101010101010105060101050601010718120d150b010d150b0101010101010203090a01010708090a0101010101010c090a010d150b010117000b010101010101010d150b010101010101010102030b01010101070800000b0101171112070800000b0101010c0000000004010c000000090a010101020304010117160f01010c0405090a010d150b0101010101010105111201010708060101010101010117160f010c00000b0102030601010101010101020306010101010101010102030b010101010506010d0e0f011711120506010d0e0f01010101050601010d150b010105060101010d0e0f010102031112010708000b01010d150b0101010101010117160f010117000b0101010101010107080b010101010101010d1504010101010101011711120101010101010102030b01010107080b0102030401010107080b01020304010101010c06010107080b010203060101010c090a010101010c000000000b0101010d150b010101010101010203090a020311120101010101010102030401010101010101010d15060101010101010203040101010107080000000000000b07140f0101050601010107140f01010506010101010c0601010102030000040101010d0e0f01010101010101010107140f01010d1500000000160f01010102030000111201010101010101010105090a0101010101010101010c0011120101010102030401010101010102030b01010107140f0101050601010107140f01010506010101010c0601010203040107080b010d150b010101010101010101010101010101010101010101100f010101010101010101010101010101010105001112010101010101010101010101010101010101010c11120101010102030b01010107080b0102030401010107080b01020304010113010c06010107080b0101050605090a010101010101010101010101010101010101010101010101010101010101010101010101010101010101010101010101010101010101010101010101010101010101010101010102030b010101010c06010d0e0f010101010c06010d0e0f01010c0000060101020304010708040101010101010101010101010101010101010101010101010101010101010101010101010101010101010101010101010101010101010101010101010101010101010101010101010101010101010101010203000004010101010102030000040101010101050601010107080000090a01010101010101010101010101010101010101010101010101010101010101010101010101010101010101010101010101010101010101010101010101010101010101010101010101010101010101010101010101010101010101010101010101010101010101010101010101010101010101010101014c0000006400000000000000000000007400000016000000000000000000000075000000170000002900aa0000000000000000000000803f00000000000000000000803f0000000000000000000000000000000000000000000000000000000000000000220000000c000000ffffffff460000001c00000010000000454d462b024000000c000000000000000e000000140000000000000010000000140000000400000003010800050000000b0200000000050000000c0217007500030000001e00040000000701040004000000070104002d050000410b2000cc001600700000000000170075000000000028000000700000001600000001000800000000000000000000000000000000001e0000000000000000000000ffffff00e3ffff000054a600e3a654000080c600c6800000c6ffff0000008000a6540000ffffe300ffc6800054a6e300a6e3ff0054005400ffe3a60080a6e30080000000ffffc600e3e3e30054008000000054005400000080c6ff008000800054545400a6e3c6005454a6005480c600a654540001010101010101010101010101010101010101010101010101010101010101010101010101010101010101010101010101010101010101010101010101010101010101010101010101010101010101010101010101010101010101010101010101010101010101010101010101010101010101010101010101010101010101010101010101010101010101010101010101010101010101010101010101010101010101010101010101010101010101010101010101010101010101010101010101010101010101010101010101010101010101010101010101010101010101010101010101010101010101010101010101010101010101010101010101010101010101010101010101010101010101010101010101010101010101010c11120101010102030b01010101070800000b0101171112070800000b010101070800000b010708000000000b05090a010101010101010101010101010101010101010101010101010101010101010101010101010101010101010101010101010101010101010101010101010102030401010101010102030b010101010506010d0e0f011711120506010d0e0f01010506010d0e0f0117060101170b010d150b0101010101010101010101010101010101010101010101010101010101010101010101010101010101010101010101010101010101010101010101010203040101010101010102030b01010107080b0102030401010107080b010203040107080b0102030401010c0601010101010d0e0f01010102030b01010101010101010101010101010101010101010101010101010101010101010101010101010101010101010101010101010101011711120101010107080000000000000b07140f0101050601010107140f010105060107140f01010506010101170601010101010c090a010101070800000011120101010708000000090a0101010107080000090a0101010101010708040101170011120101010d150000000b010101020306010101010101010102030b01010107140f0101050601010107140f010105060107140f01010506010101010c04010101010d0e0f01010203000b01010c160f010105160f010203111201010708090a0203090a010101010102030601020306071812010d1506010117000401010d150b010101010101010102030b01010107080b0102030401010107080b010203040107080b01020304010101010d0e0f01010102030401010c111a1d0a010105090a0105040101010d150401010c000b010117000b01010101010105090a0d1504010101010511120101010511120117160f010101010101010102030b010101010c06010d0e0f010101010c06010d0e0f01010c06010d0e0f07140f0117160f01010101050601010506011c0f01010d0e0f0101010101010708060101051112010107080401010101010117160f17160f0101010203090a0101010c160f0117160f010101010101010101010101010101020300000401010101010203000004010101020300000401010708000006010101010105090a02030401170601010708040101010101010d1504010203090a01010708060101010101010d150000090a0101010203090a010101051112010c1112010101010101010101010101010101010101010101010101010101010101010101010101010101010101010101010101010105090a07080401021b0f0107080401020304010203160f010203090a01010203090a010101010107080407140f010101020300090a010d1506010117160f010101010101010101010101010101010101010101010101010101010101010101010101010101010101010101010101010105090a0203040101170401070804010d15190000160f01010203090a01010203090a01010101010105060102030b01010105111a150000090a010117160f010101010101010101010101010101010101010101010101010101010101010101010101010101010101010101010101010105060101050601010718120d150b010d150b0101010101010203090a01010708090a0101010101010c090a010d150b010117000b010101010101010d150b010101010101010102030b01010101070800000b0101171112070800000b0101010c0000000004010c000000090a010101020304010117160f01010c0405090a010d150b0101010101010105111201010708060101010101010117160f010c00000b0102030601010101010101020306010101010101010102030b010101010506010d0e0f011711120506010d0e0f01010101050601010d150b010105060101010d0e0f010102031112010708000b01010d150b0101010101010117160f010117000b0101010101010107080b010101010101010d1504010101010101011711120101010101010102030b01010107080b0102030401010107080b01020304010101010c06010107080b010203060101010c090a010101010c000000000b0101010d150b010101010101010203090a020311120101010101010102030401010101010101010d15060101010101010203040101010107080000000000000b07140f0101050601010107140f01010506010101010c0601010102030000040101010d0e0f01010101010101010107140f01010d1500000000160f01010102030000111201010101010101010105090a0101010101010101010c0011120101010102030401010101010102030b01010107140f0101050601010107140f01010506010101010c0601010203040107080b010d150b010101010101010101010101010101010101010101100f010101010101010101010101010101010105001112010101010101010101010101010101010101010c11120101010102030b01010107080b0102030401010107080b01020304010113010c06010107080b0101050605090a010101010101010101010101010101010101010101010101010101010101010101010101010101010101010101010101010101010101010101010101010101010101010101010102030b010101010c06010d0e0f010101010c06010d0e0f01010c0000060101020304010708040101010101010101010101010101010101010101010101010101010101010101010101010101010101010101010101010101010101010101010101010101010101010101010101010101010101010101010203000004010101010102030000040101010101050601010107080000090a01010101010101010101010101010101010101010101010101010101010101010101010101010101010101010101010101010101010101010101010101010101010101010101010101010101010101010101010101010101010101010101010101010101010101010101010101010101010101010101010c00000040092900aa000000000000001700750000000000040000002701ffff030000000000
По методическим указаниям определяем, что для этого размера б=0,005 мм, Т=0,016 мм. Этот размер можно измерить инструментами, указаннымив пунктах 4б; 5г;6б.
Пункт 4б
– микрометры гладкие с точностью 0,01
мм. При работе находится в стойке или
обеспечивается надежная изоляция от
тепла рук:

Пункт 5г – скоба индикаторная (СИ) с точностью измерения 0,011 мм. При работе находится в стойке или обеспечивается надежная изоляция от тепла рук. Предельная погрешность измерения составляет 0,005 мм.
Пункт 6б – микрометры рычажные МР и МРН с ценой деления 0,002 мм и 0,05 мм при установке на нуль по установочной мере и скобырычажные (СР) с ценой деления 0,002 мм при настройке на нуль по концевым мерам длины при использовании на всем пределе измерения. При работе находится в стойке или обеспечивается надежная изоляция от тепла рук оператора. Предельная погрешность измерения составляет 0,0045 мм.
Из вышеперечислленых приборов наиболее недорогим является микрометр рычажный, который удобно и просто настраивать.
Выбираем измерительный инструмент для контроля размера посадочного места под внешнее кольцо подшипника 010009000003be0f000000006209000000006209000026060f00ba12574d4643010000000000010031330000000001000000981200000000000098120000010000006c000000000000000000000080000000180000000000000000000000320d00008e02000020454d4600000100981200000c00000001000000000000000000000000000000900600001a040000b801000013010000000000000000000000000000c0b6060038320400460000002c00000020000000454d462b014001001c000000100000000210c0db01000000600000006000000046000000b0040000a4040000454d462b224004000c000000000000001e4009000c00000000000000244001000c000000000000003040020010000000040000000000803f214007000c0000000000000008400005fc030000f00300000210c0db01000000000000000000000000000000000000000100000089504e470d0a1a0a0000000d494844520000007c000000180802000000b7190ea5000000017352474200aece1ce9000000097048597300000e2600000e2601a2ef25fc00000377494441546843ed593d6eeb300c56de391ca053a75ca001babe0314ee90acef04e905ea5ea039c15b93a1460f90b5407c814c9d0ac4f7f013a93f4aa29c97da4e8b349a628922a94fd4275219354d232eedb408fc3aadb98b3540e002ba04a15edf8f54bb5fd75c5c3002ae8bcca29d49653f0f7480e5a9f280add78bf9642b69b6d9afc47c11c3ce09d46faf62b58749cdb628c9ac0235617b9965fcc9be447af5775e16bf6f009eecf62e2f5fdf82606705b2d98bc1747c9d1fc99a670b3a9ef420a653d8e4d76335945d4d44f9be8fe45a04d43170415d4c355329e3d513433329d0a530c76fb09404ef696e644729d7a58020325607b8ac9b9ae693a6190b6d82d4422c9be6110358af1da5c7f352585cfe734f527b85de8142db64fc6b6ad9aff2622af5df3c36cd522c82fdb70c24c5a876c24d4a645be8e15c73999d79601415eb49ca48a45bab4213befa608294f026e3b0af0eba5817d1088cfaf260d4f4b0730f09303e6843ce0d5fb1b0ae10e735bece396397e2e7303f3c4a4040dd09d439f56df208610b865e58a88f18748c26e510858640cd09c83eb328e784fc1577bad0b7331074d0eaed8afcf0fbc8cc7418b15b1281d682e2b1a0c73ef25147c067402787986c208d6f77ca9d0025060f694317e169233b0aa07bfae10bf79df39f8f74b3266e34ee6338a44d417a8f187307316762ff645d0e757991d61f3b61af67516d76ab3f70ffc04d2e761f6cb170648ae4891fcab0caf9d8de9ef2c7d45c25a14d9929cb3bf1c1cb85f7ef25594a172f0798eb5223093a786a5abd7ededddd2672fa011c615406c7d2dedf812864cf42e7d7a771ac172b18c51274127a7225133f767ab1e429c13d9e5c75dcd86a0337191e49d7e0cc7657ddff92438d127417f6965a400a59a773d4234945f58663b3cfad501e488979e4dc508cf83927d3b3a03882502f36954f2d707cbb63aecf91d46e5c8010ed1a8d8a5a863e927d438dfaf08803e8d96c09f5d3d8518b2ce9a645be5aa65e6c8ef0279b3d48948b67f58ea44234a405a38ede2eba0f1923682cb5a00c840f57c61fe1ef70a22461311953706105e54b50aea2674ea47d9456b361c11964d07ac5f62e254ef9955aaae4fcc6396390a7b375dac9d2d79e0df94547cfca3ba8a3d5ae7a0638a7d6fef6f2452be5de5ebec895a1cc7e33dc23ce3bbf48a7cf44a9e7cca1763bd6cb3e618da4dc7017f645338bc0d9fe73f49df7fb1f0f037651da65a9b70000000049454e44ae42608200000840010824000000180000000210c0db01000000030000000000000000000000000000001b40000040000000340000000100000002000000000000bf000000bf0000f8420000c041030000000000008000000080ffff00430000008000000080ffffc7412100000008000000620000000c00000001000000150000000c00000004000000150000000c0000000400000051000000840c000000000000000000008000000018000000000000000000000000000000000000007c000000180000005000000094000000e4000000a00b0000000000002000cc008100000019000000280000007c0000001800000001000800000000000000000000000000000000001b0000000000000000000000ffffff00e3ffff000054a600e3a6540054a6e30054000000ffe3a600ffc68000c6800000a6e3ff00540054005454a60080c6ff00c6ffff000000800080000000ffffc600540080000080c600a6540000ffffe30000005400800080005480c600a6e3c600a6545400010101010101010101010101010101010101010101010101010101010101010101010101010101010101010101010101010101010101010101010101010101010101010101010101010101010101010101010101010101010101010101010101010101010101010101010101010101010101010101010101010101010101010101010101010101010101010101010101010101010101010101010101010101010101010101010101010101010101010101010101010101010101010101010101010101010101010101010101010101010101010101010101010101010101010101010101010101010101010101010101010101010101010101010101010101010101010101010101010101010101010101010101010101010101010101010101010101010101010101010101010101010101010101010101010101010101010105101101010101010101010101010101010101010101010101010101010101010101010101010101010101010113141501010101010101010101010101010101010101010101010101010101010101010101010101010101010101010101010101010101010101010101010101010101010101010101010101010203040101010101010101010101010101010101010101010101010101010101010101010101010101010101010101010a160801010101010101010101010101010101010101010101010101010101010101010101010101010101010101010101010101010101010101010101010101010101010101010101010102030401010101010101010101010101010101010101010101010101010101010101010101010101010101010101010101010a0b0701010102030801010101010101010101010101010101010101010101010101010101010101010101010101010101010101010101010101010101010101010101010101010101010d10110101010101010101010101010101010101010101010101010101010101010101010101010101010101010101010101010514150101010e0f00000010110101010203000000000009010102030000000000090101010e0f00001415010101010101020300001415010d0000000801010d0607010101010101020309010101010101010101010101010101010101010101010101010101010101010101010101010101010101010101010101010a0b070101020300080101050607010101010105060701010101010101050607010101010e0f1415020314150101010101010e0f14150101010500080101010e0f040101010101010a16080101010101010101010101010101010101010101010101010101010101010101010101010101010101010101010101010102030401010510191a15010113141501010101050607010101010101010506070101010105000801010d0008010101010101020314150101010d00080101010113101101010101010d0607010101010101010101010101010101010101010101010101010101010101010101010101010101010101010101010101010113090101130901180701010a0b0701010101050607010101010101010506070101010113101101010e0f04010101010101020314150101010d0008010101010a160401010101010d06070101010101010101010101010101010101010101010101010101010101010101010101010101010101010101010101010101131415020304010d0901010e0f0401010101050607010101010101010506070101010203141501010e0f09010101010101020314150101010d000801010101011314150101010105101101010101010101010101010101010101010101010101010101010101010101010101010101010101010101010101010101011314150e0f0401020c07010e0f040101010105060701010101010101050607010101020314150101020314150101010101020314150101010d000801010101010d0008010101010d0607010101010101010101010101010101010101010101010101010101010101010101010101010101010101010101010101010113141502030401010d04010e0f040101010105060701010101010101050607010101020314150101020314150101010101020300000000000000080101010101020309010101010d0607010101010101010101010101010101010101010101010101010101010101010101010101010101010101010101010101010113090101130901010e17110a160801010101050607010101010101010506070101010203141501010e0f14150101010101020314150101010d00080101010101010506070101010a16080101010101010101010101010101010101010101010101010101010101010101010101010101010101010101010101010102030401010d06070101050413141501010101050607010101010101010506070101010113101101010e0f09010101010101020314150101010d00080101010101010e0f040101010203090101010101010101020308010101010e0f00000801010d1011010e0f0000080101050000000401020300000004010101010a0b07010102031011010e0f000801010d1011050607010101010d1011050607010101010d060701010d0008010101010101020314150101010d0008010101010101010510110101010d101101010101010101020308010101011309010a0b07010d1011011309010a0b070e1207010a1608020c07010a160801010105141501010101050000000008010101010e0f00060701010101010e0f0006070101010102031415020310110101010101010e0f1415010101050008010113080101010a1608010101020304010101010101010203080101010e0f0801020304010101010e0f0801020304010101010a16080101010102030401010a0b070101010101010101010e120701010101010a0b07010101010101010a0b070101010101020300001011010101010101020300001415010d00000008010500000000000014150101010203040101010e0f000000000000080e120701011309010101010e12070101130901011300000801010101010a1608010a1608010101010101010101010101010101010101010101010101010101010101010101010101010101010101010101010101010101010101010101010101010101010101010101010101010101051011010101010203080101010e120701011309010101010e120701011309010101020308010105000000090113141501010101010101010101010101010101010101010101010101010101010101010101010101010101010101010101010101010101010101010101010101010101010101010101010101010101010101010101010203080101010e0f0801020304010101010e0f0801020304010101010a0b07010508010101010101010101010101010101010101010101010101010101010101010101010101010101010101010101010101010101010101010101010101010101010101010101010101010101010101010101010101010101010101020308010101010509010a0b0701010101010509010a0b07020c07010d060701050801010101010101010101010101010101010101010101010101010101010101010101010101010101010101010101010101010101010101010101010101010101010101010101010101010101010101010101010101010101010101010101010101020300000401010101010102030000040101050000000401010500000006070101010101010101010101010101010101010101010101010101010101010101010101010101010101010101010101010101010101010101010101010101010101010101010101010101010101010101010101010101010101010101010101010101010101010101010101010101010101010101010101010101010101010101010101010101010101010101010101010101010101010101010101010101010101010101010101010101010101010101010101010101010101010101010101010101010101010101010101010101010101010101010101010101010101010101010101010101010101010101010101010101010101010101010101010101014c0000006400000000000000000000008000000018000000000000000000000081000000190000002900aa0000000000000000000000803f00000000000000000000803f0000000000000000000000000000000000000000000000000000000000000000220000000c000000ffffffff460000001c00000010000000454d462b024000000c000000000000000e000000140000000000000010000000140000000400000003010800050000000b0200000000050000000c0219008100030000001e000400000007010400040000000701040027060000410b2000cc0018007c00000000001900810000000000280000007c0000001800000001000800000000000000000000000000000000001b0000000000000000000000ffffff00e3ffff000054a600e3a6540054a6e30054000000ffe3a600ffc68000c6800000a6e3ff00540054005454a60080c6ff00c6ffff000000800080000000ffffc600540080000080c600a6540000ffffe30000005400800080005480c600a6e3c600a6545400010101010101010101010101010101010101010101010101010101010101010101010101010101010101010101010101010101010101010101010101010101010101010101010101010101010101010101010101010101010101010101010101010101010101010101010101010101010101010101010101010101010101010101010101010101010101010101010101010101010101010101010101010101010101010101010101010101010101010101010101010101010101010101010101010101010101010101010101010101010101010101010101010101010101010101010101010101010101010101010101010101010101010101010101010101010101010101010101010101010101010101010101010101010101010101010101010101010101010101010101010101010101010101010101010101010101010105101101010101010101010101010101010101010101010101010101010101010101010101010101010101010113141501010101010101010101010101010101010101010101010101010101010101010101010101010101010101010101010101010101010101010101010101010101010101010101010101010203040101010101010101010101010101010101010101010101010101010101010101010101010101010101010101010a160801010101010101010101010101010101010101010101010101010101010101010101010101010101010101010101010101010101010101010101010101010101010101010101010102030401010101010101010101010101010101010101010101010101010101010101010101010101010101010101010101010a0b0701010102030801010101010101010101010101010101010101010101010101010101010101010101010101010101010101010101010101010101010101010101010101010101010d10110101010101010101010101010101010101010101010101010101010101010101010101010101010101010101010101010514150101010e0f00000010110101010203000000000009010102030000000000090101010e0f00001415010101010101020300001415010d0000000801010d0607010101010101020309010101010101010101010101010101010101010101010101010101010101010101010101010101010101010101010101010a0b070101020300080101050607010101010105060701010101010101050607010101010e0f1415020314150101010101010e0f14150101010500080101010e0f040101010101010a16080101010101010101010101010101010101010101010101010101010101010101010101010101010101010101010101010102030401010510191a15010113141501010101050607010101010101010506070101010105000801010d0008010101010101020314150101010d00080101010113101101010101010d0607010101010101010101010101010101010101010101010101010101010101010101010101010101010101010101010101010113090101130901180701010a0b0701010101050607010101010101010506070101010113101101010e0f04010101010101020314150101010d0008010101010a160401010101010d06070101010101010101010101010101010101010101010101010101010101010101010101010101010101010101010101010101131415020304010d0901010e0f0401010101050607010101010101010506070101010203141501010e0f09010101010101020314150101010d000801010101011314150101010105101101010101010101010101010101010101010101010101010101010101010101010101010101010101010101010101010101011314150e0f0401020c07010e0f040101010105060701010101010101050607010101020314150101020314150101010101020314150101010d000801010101010d0008010101010d0607010101010101010101010101010101010101010101010101010101010101010101010101010101010101010101010101010113141502030401010d04010e0f040101010105060701010101010101050607010101020314150101020314150101010101020300000000000000080101010101020309010101010d0607010101010101010101010101010101010101010101010101010101010101010101010101010101010101010101010101010113090101130901010e17110a160801010101050607010101010101010506070101010203141501010e0f14150101010101020314150101010d00080101010101010506070101010a16080101010101010101010101010101010101010101010101010101010101010101010101010101010101010101010101010102030401010d06070101050413141501010101050607010101010101010506070101010113101101010e0f09010101010101020314150101010d00080101010101010e0f040101010203090101010101010101020308010101010e0f00000801010d1011010e0f0000080101050000000401020300000004010101010a0b07010102031011010e0f000801010d1011050607010101010d1011050607010101010d060701010d0008010101010101020314150101010d0008010101010101010510110101010d101101010101010101020308010101011309010a0b07010d1011011309010a0b070e1207010a1608020c07010a160801010105141501010101050000000008010101010e0f00060701010101010e0f0006070101010102031415020310110101010101010e0f1415010101050008010113080101010a1608010101020304010101010101010203080101010e0f0801020304010101010e0f0801020304010101010a16080101010102030401010a0b070101010101010101010e120701010101010a0b07010101010101010a0b070101010101020300001011010101010101020300001415010d00000008010500000000000014150101010203040101010e0f000000000000080e120701011309010101010e12070101130901011300000801010101010a1608010a1608010101010101010101010101010101010101010101010101010101010101010101010101010101010101010101010101010101010101010101010101010101010101010101010101010101051011010101010203080101010e120701011309010101010e120701011309010101020308010105000000090113141501010101010101010101010101010101010101010101010101010101010101010101010101010101010101010101010101010101010101010101010101010101010101010101010101010101010101010101010203080101010e0f0801020304010101010e0f0801020304010101010a0b07010508010101010101010101010101010101010101010101010101010101010101010101010101010101010101010101010101010101010101010101010101010101010101010101010101010101010101010101010101010101010101020308010101010509010a0b0701010101010509010a0b07020c07010d060701050801010101010101010101010101010101010101010101010101010101010101010101010101010101010101010101010101010101010101010101010101010101010101010101010101010101010101010101010101010101010101010101010101020300000401010101010102030000040101050000000401010500000006070101010101010101010101010101010101010101010101010101010101010101010101010101010101010101010101010101010101010101010101010101010101010101010101010101010101010101010101010101010101010101010101010101010101010101010101010101010101010101010101010101010101010101010101010101010101010101010101010101010101010101010101010101010101010101010101010101010101010101010101010101010101010101010101010101010101010101010101010101010101010101010101010101010101010101010101010101010101010101010101010101010101010101010101010101010c00000040092900aa000000000000001900810000000000040000002701ffff030000000000
По методическим указаниям опредляем, что для этого размера б=0,010 мм; Т=0,035 мм. Этот раэмер можно измерить инструментами, указанными в пунктах 4б; 6а; 9а; 11; 12.
Пункт 4б – нутромеры микрометрические (НМ) с величиной отчета 0,01 мм. При работе находится в стойке. Предельная погрешность этого измерения будет равна 0100090000035e0d000000000a08000000000a08000026060f000a10574d464301000000000001007d840000000001000000e80f000000000000e80f0000010000006c000000000000000000000078000000150000000000000000000000600c00003f02000020454d4600000100e80f00000c00000001000000000000000000000000000000900600001a040000b801000013010000000000000000000000000000c0b6060038320400460000002c00000020000000454d462b014001001c000000100000000210c0db010000006000000060000000460000001004000004040000454d462b224004000c000000000000001e4009000c00000000000000244001000c000000000000003040020010000000040000000000803f214007000c00000000000000084000055c030000500300000210c0db01000000000000000000000000000000000000000100000089504e470d0a1a0a0000000d494844520000007400000015080200000018505d8f000000017352474200aece1ce9000000097048597300000e2600000e2601a2ef25fc000002d7494441545847ed983b6ee3301086c77b0e0548952a175080b43e40a01449bb37d80b98be40f604db5a45041fc0ad01fb02a95c0590eee17086a4488a0fcf2652b28b584d2c6a389cf9381afecaec783cc2f99a86c08f69dc9ebd228133dc09ebe0a370f7cb195dcbbd13240eded7dd8461ff1faed370bbfa9e81a85cb4ab0a40cc4b9b6ff7fa02707d597c19010a5d5fdeae0711312cd1245a298cb9f2408b5ec40ca05ab5290b3d8e86a7ad4e3819f13105ae035249885d26c59ce54ee8dd08f363ad0289b4a4df4a081b66327b55b889f04764c67585401c16c4271e5ede129fe23c97a28d81b74a022eb25db571c77e9a260835aaebdd4947efbecad79482cad6dc8d59f701cc245da6659401736eb4e776f59310bf1e8ae2f6ae8266bdcd1c4dd85fabab0bd3cc8a8767da5435825d6933278acd61ab6f305af154d74b7a44cfb22bfc55e7a676efc4a327bfbc0629f02dc300b8736370bbedba5127d449ba68ea9f5dee6926511f1725d09058c36fbc81e2f21aa0793ccce92e7d191dd21f4d831f4c397271456707e3e25b86cee27323702d5b43225d59eda119144a38023804f82650500af54e934d2b8b72916fb3cfda1f03db57998470f77f1e75dd624ce55cbee5cda18dc7474de1eed6115de108d1ac563f759952ad5be586e03d1d373608da59962ee45b8631c6e70670f71b614918ba62e37e23f4be234d2168133030f22b5bae166991b4c0bbda82ea39c35a089bb079273996214aee2a43b8c8d62b4555bb71baeca660b3f3db40ee73e37d6d819a9f132dee5ebc70f9968916cb58c56b6cf10f82949ae925ae3450e2aa1f913fb4b81ce8605f209a3b69349a1ea368dd4f03eb7920ab3296964a428eb2e67a3ad7a8d468df8b28f150d59a913ea12cdb5eea8e4656413102da527654b8b756cad291ec2e0c8f4166aede9b99fc3bf619f2cffa936dfc06762724e088d17ff4bf62238632b12bf945f3a964653adfaa7227debec0fdf7a9dccf262bd73bc39d10fa1bc459bc62ce29d8ef0000000049454e44ae42608200000840010824000000180000000210c0db01000000030000000000000000000000000000001b40000040000000340000000100000002000000000000bf000000bf0000e8420000a841030000000000008000000080fefff1420000008000000080feffaf412100000008000000620000000c00000001000000150000000c00000004000000150000000c0000000400000051000000740a00000000000000000000780000001500000000000000000000000000000000000000740000001500000050000000a0000000f000000084090000000000002000cc00790000001600000028000000740000001500000001000800000000000000000000000000000000001e0000000000000000000000ffffff000080c60080000000ffffc600a6540000ffffe300a6e3ff0000005400e3a65400e3ffff000054a600c680000054005400ffe3a60054a6e300c6ffff0000008000540000005400800054808000ffc6800080c6ff00a6e3e30054a6a6000080a60080005400800080008054a600a654540001010101010101010101010101010101010101010101010101010101010101010101010101010101010101010101010101010101010101010101010101010101010101010101010101010101010101010101010101010101010101010101010101010101010101010101010101010101010101010101010101010101010101010101010101010101010101010101010101010101010101010101010101010101010101010101010101010101010101010101010101010101010101010101010101010101010101010101010101010101010101010101010101010101010101010101010101010101010101010101010101010101010101010101010101010101010101010101010101010101010101010101010101010101010101010101010101010101010101010101010101010101010101010101010101010101010101010101010101010101010101010101010101010101010101010101010101010101010101010101010101010101010101010101010101010101010101010101010101010101010101010101010101010101010101010101010101010101010101010101010101010101010a0b150101010101010101010101010101010101010101010101010101010101010101010101010101010101010101010101010101010101010101010101010101010101010101010101010101010101010101010101010101010101010101010101010101010101010101010101010101010101011011150101010101010101010101010101010101010101010101010101010101010101010101010101010f0000000000000000030401010101010f00030401010f00120e010a0b0c01011011090101010200050601010101010101010101010101010101010101010101010110110000050601010a0b050601011011000005060101010a0b00000000000c01010110110000050601010101010101010101070d0e0101010110110c01010101010a0b0c101b040a0b0c0a1c04010f0304010102050601101109071d0601010101010101010101010101010101010101010101101105060a0b0506010a0b050601101105060a0b050601010101010f120e01010101101105060a0b05060101010101010101010102090101010116001501010101010102050601010102050601010116120e01010f0304010a0b0c010101010101010101010101010101010101010101010101010f001501011600150101010101010f0015010116001501010101010f120e010101010f00150101160015010101010101010101011605060101010203040101010101010f03040101010f0304010101070815010116120e010102050601010101010102000000000000000000120e0101010101010203040101101109010101010101020304010110110901010101010f120e01010101020304010110110901010101010101010101101115010110110c01010101010101070d0e010101070d0e0101010a0b090101070815010116030401010101010101010101010101010101010101010101010a0b0506010110110c01010101010a0b0506010110110c01010101010f120e0101010a0b0506010110110c01010101010101010101010f0c01011600090101010101010110110901010110110901010101020304010a0b0c010107081501010101010101010101010101010101010101010101010a0b050601010a0b0506010101010a0b050601010a0b0506010101010f120e0101010a0b050601010a0b050601010101010101010101071a04010f120e010101010101010a0b0c0101010a0b0c010101010f000901010200150110110901010101010102000000000000000000120e01010101010a0b050601010a0b0506010101010a0b050601010a0b0506010101010f120e0101010a0b050601010a0b0506010101010101010101010a0b150a0b050601010101010101010f05060101010205060a0b151603180c0a0b05191510110901010101010101010101010101010101010101010101010a0b0506010110110506010101010a0b0506010110110506010101010f120e0101010a0b05060101101105060101010101010101010101160517080901010101010101010116030401010f00030401010200050616000015010200120e010101010101010101010101010101010101010101010101020304010110110c010101010101020304010110110c01010101010f120e01010101020304010110110c010101010101010101010101101314120e01010101010101010107081501010101010101010101010101010101010101010101010101010101010101010101010101010101010101010116120e010116001501010101010116120e010116001501011603040f120e0101010116120e0101160015010101010101010101010101010f0005060101010101010101010a0b090101010101010101010101010101010101010101010101010101010101010101010101010101010101010101010a0b05060a0b03040101010101010a0b05060a0b0304010101101100120e010101010a0b05060a0b030401010101010101010101010101070809010101010101010101010a0b0c0101010a0b0c010101010101010101010101010101010101010101010101010101010101010101010101010101010a0b0000030401010101010101010a0b00000304010101010101070d0e01010101010a0b0000030401010101010101010101010101010101010101010101010101010102000304010101020506010101010101010101010101010101010101010101010101010101010101010101010101010101010101010101010101010101010101010101010101010101010101010101010101010101010101010101010101010101010101010101010101010101010101010101010101010101010101010101010101010101010101010101010101010101010101010101010101010101010101010101010101010101010101010101010101010101010101010101010101010101010101010101010101010101010101010101010101010101010101010101010101010101010101010101010101010101010101010101010101010101010101010101010101010101010101010101010101010101010101010101010101010101010101010101010101010101010101010101010101010101010101010101010101010101010101010101010101010101010101010101010101010101010101010101010101010101010101010101010101010101010101010101010101010101010101010101010101010101010101010101010101010101010101010101010101010101010101010101010101010101010101010101010101014c0000006400000000000000000000007800000015000000000000000000000079000000160000002900aa0000000000000000000000803f00000000000000000000803f0000000000000000000000000000000000000000000000000000000000000000220000000c000000ffffffff460000001c00000010000000454d462b024000000c000000000000000e000000140000000000000010000000140000000400000003010800050000000b0200000000050000000c0216007900030000001e00040000000701040004000000070104001f050000410b2000cc001500740000000000160079000000000028000000740000001500000001000800000000000000000000000000000000001e0000000000000000000000ffffff000080c60080000000ffffc600a6540000ffffe300a6e3ff0000005400e3a65400e3ffff000054a600c680000054005400ffe3a60054a6e300c6ffff0000008000540000005400800054808000ffc6800080c6ff00a6e3e30054a6a6000080a60080005400800080008054a600a654540001010101010101010101010101010101010101010101010101010101010101010101010101010101010101010101010101010101010101010101010101010101010101010101010101010101010101010101010101010101010101010101010101010101010101010101010101010101010101010101010101010101010101010101010101010101010101010101010101010101010101010101010101010101010101010101010101010101010101010101010101010101010101010101010101010101010101010101010101010101010101010101010101010101010101010101010101010101010101010101010101010101010101010101010101010101010101010101010101010101010101010101010101010101010101010101010101010101010101010101010101010101010101010101010101010101010101010101010101010101010101010101010101010101010101010101010101010101010101010101010101010101010101010101010101010101010101010101010101010101010101010101010101010101010101010101010101010101010101010101010101010101010a0b150101010101010101010101010101010101010101010101010101010101010101010101010101010101010101010101010101010101010101010101010101010101010101010101010101010101010101010101010101010101010101010101010101010101010101010101010101010101011011150101010101010101010101010101010101010101010101010101010101010101010101010101010f0000000000000000030401010101010f00030401010f00120e010a0b0c01011011090101010200050601010101010101010101010101010101010101010101010110110000050601010a0b050601011011000005060101010a0b00000000000c01010110110000050601010101010101010101070d0e0101010110110c01010101010a0b0c101b040a0b0c0a1c04010f0304010102050601101109071d0601010101010101010101010101010101010101010101101105060a0b0506010a0b050601101105060a0b050601010101010f120e01010101101105060a0b05060101010101010101010102090101010116001501010101010102050601010102050601010116120e01010f0304010a0b0c010101010101010101010101010101010101010101010101010f001501011600150101010101010f0015010116001501010101010f120e010101010f00150101160015010101010101010101011605060101010203040101010101010f03040101010f0304010101070815010116120e010102050601010101010102000000000000000000120e0101010101010203040101101109010101010101020304010110110901010101010f120e01010101020304010110110901010101010101010101101115010110110c01010101010101070d0e010101070d0e0101010a0b090101070815010116030401010101010101010101010101010101010101010101010a0b0506010110110c01010101010a0b0506010110110c01010101010f120e0101010a0b0506010110110c01010101010101010101010f0c01011600090101010101010110110901010110110901010101020304010a0b0c010107081501010101010101010101010101010101010101010101010a0b050601010a0b0506010101010a0b050601010a0b0506010101010f120e0101010a0b050601010a0b050601010101010101010101071a04010f120e010101010101010a0b0c0101010a0b0c010101010f000901010200150110110901010101010102000000000000000000120e01010101010a0b050601010a0b0506010101010a0b050601010a0b0506010101010f120e0101010a0b050601010a0b0506010101010101010101010a0b150a0b050601010101010101010f05060101010205060a0b151603180c0a0b05191510110901010101010101010101010101010101010101010101010a0b0506010110110506010101010a0b0506010110110506010101010f120e0101010a0b05060101101105060101010101010101010101160517080901010101010101010116030401010f00030401010200050616000015010200120e010101010101010101010101010101010101010101010101020304010110110c010101010101020304010110110c01010101010f120e01010101020304010110110c010101010101010101010101101314120e01010101010101010107081501010101010101010101010101010101010101010101010101010101010101010101010101010101010101010116120e010116001501010101010116120e010116001501011603040f120e0101010116120e0101160015010101010101010101010101010f0005060101010101010101010a0b090101010101010101010101010101010101010101010101010101010101010101010101010101010101010101010a0b05060a0b03040101010101010a0b05060a0b0304010101101100120e010101010a0b05060a0b030401010101010101010101010101070809010101010101010101010a0b0c0101010a0b0c010101010101010101010101010101010101010101010101010101010101010101010101010101010a0b0000030401010101010101010a0b00000304010101010101070d0e01010101010a0b0000030401010101010101010101010101010101010101010101010101010102000304010101020506010101010101010101010101010101010101010101010101010101010101010101010101010101010101010101010101010101010101010101010101010101010101010101010101010101010101010101010101010101010101010101010101010101010101010101010101010101010101010101010101010101010101010101010101010101010101010101010101010101010101010101010101010101010101010101010101010101010101010101010101010101010101010101010101010101010101010101010101010101010101010101010101010101010101010101010101010101010101010101010101010101010101010101010101010101010101010101010101010101010101010101010101010101010101010101010101010101010101010101010101010101010101010101010101010101010101010101010101010101010101010101010101010101010101010101010101010101010101010101010101010101010101010101010101010101010101010101010101010101010101010101010101010101010101010101010101010101010101010101010101010101010101010101010101010c00000040092900aa000000000000001600790000000000040000002701ffff030000000000мм.
Пункт 6а – нутромеры индикаторные при замене отмечанного устройства измерительной головки (ИГ) с ценой деления 0,0001 или 0,002 мм. При работе находится в руках. Предельная погрешность этого измерения будет равна 0100090000039c0e00000000c40800000000c408000026060f007e11574d46430100000000000100843200000000010000005c110000000000005c110000010000006c000000000000000000000082000000150000000000000000000000660d00003f02000020454d46000001005c1100000c00000001000000000000000000000000000000900600001a040000b801000013010000000000000000000000000000c0b6060038320400460000002c00000020000000454d462b014001001c000000100000000210c0db010000006000000060000000460000007c04000070040000454d462b224004000c000000000000001e4009000c00000000000000244001000c000000000000003040020010000000040000000000803f214007000c0000000000000008400005c8030000bc0300000210c0db01000000000000000000000000000000000000000100000089504e470d0a1a0a0000000d494844520000007e0000001508020000000f72cd46000000017352474200aece1ce9000000097048597300000e2600000e2601a2ef25fc00000343494441546843ed584d6eea30101ede3982d45557bd0095bae500285dc0b62778bd00e102f4046f4b168d3840b748700156ac2a917be479c6766cc73f316015a4e215f64ce6e7f3fc9941d334705fd740e0cf3594de75220277e8af16079742bf5b0c682d769a0b78f85ad65773eae614d7e5c286c30f7d5dbe4600389a1f573940311e297febef3dc0d343763504c874b18c98b02c0a7346c9914c9a22fd3b3263386388588bb559e7224401f2d5d1c721ce91b19fab47484232192e0ce24e14db808b5ece08393ef13c1a3d5a5b5bc0e3f4b680bc2894135e6ce2d42484b64714335c8f04dc7a500873f6cad1afa663531c261ee811f9d53120bd558626aa0b16b9a29d90ef120db11164b94b993316d45eecc39c7d7282e8c641efacf575b92c8af76996bd4c72a8d69b40c3c4ba9e3f0e651dcba69f142efc046bded7b869d85175d8880dda552ccb724124a205359cd431a8cd68f6888ff7df960b61ce3e39bb7fb3ca6c70279949cc2ee8ebcdbae27db3177b64353baade63d94534f311d051b1860fdc40f6f00450cd0e63daf9979c9dda86d9f91139420d1fa96745ac30a741dd7d61ae8f875a3bb7ccd92fdb5eef36d501bd425ee2e48fcae3a1ea04997d0278049845e43fbf88adc0dd3f0d8de6e1aafe29e445809a9a858c86e2f92f8b265a2c93abd9b09d71286261c2899ce640df861e7349cd8aa331bbdfea70745b4fe566f2a28d91f609619dafde4488539e28f9782dc6649a1a26baf7a84937cc695159876a6f3f9bbe631a7cc9c70da6bb2466d30f56621d45d5829ee592c289e140d82ba106328e72631520e830995981996b9766527256c1e1d5ac1b292e0d61ce78390210aa478e968264b730abd623f2461887b08f2e37ca77b3c0841e5fe7151c82408b14aacacea00f7306a90e2cf5a4604163d4174fcf36874bf7f3c8379fb5331463e0f3657bc27e8889b3336899e3b2dc31a664132659ab3f9494e4ceb01ce0e4a3974f8e70548dd03aaff9a5c5aa1a9801bd9cca9df5d6f13ab3a77879d2ba1b445e5819f3663ee94d261f0c0abbb61b7674f938397f906a8265a2a37dd8b5413932603f5377b69b95c72ac1336c7b86da1fb3fed27f2e7fccd08b15b1f7dd0de1cedcf955517ff1f52515f07ba23e296c2984dda14f81e25932fe03b09d853c786167b20000000049454e44ae42608200000840010824000000180000000210c0db01000000030000000000000000000000000000001b40000040000000340000000100000002000000000000bf000000bf0000fc420000a841030000000000008000000080feff02430000008000000080feffaf412100000008000000620000000c00000001000000150000000c00000004000000150000000c00000004000000510000007c0b000000000000000000008200000015000000000000000000000000000000000000007e0000001500000050000000ac000000fc000000800a0000000000002000cc008300000016000000280000007e000000150000000100080000000000000000000000000000000000210000000000000000000000ffffff000080c60080000000ffffc600a6540000ffffe30080a6e300ffe3a600a6e3ff0000005400e3a65400e3ffff000054a600c680000054a6e30054000000ffc68000c6ffff00540080005480800080c6ff00a6e3e3000000800054a6a6000080a60080005400a6e3c6005454540054005400800080008054a600a654540001010101010101010101010101010101010101010101010101010101010101010101010101010101010101010101010101010101010101010101010101010101010101010101010101010101010101010101010101010101010101010101010101010101010101010101010101010101010101010101010101010101010101010101010101010101010101010101010101010101010101010101010101010101010101010101010101010101010101010101010101010101010101010101010101010101010101010101010101010101010101010101010101010101010101010101010101010101010101010101010101010101010101010101010101010101010101010101010101010101010101010101010101010101010101010101010101010101010101010101010101010101010101010101010101010101010101010101010101010101010101010101010101010101010101010101010101010101010101010101010101010101010101010101010101010101010101010101010101010101010101010101010101010101010101010101010101010101010101010101010101010101010101010101010101010101010101010101010101010101010101010101010101010101010c0d110101010101010101010101010101010101010101010101010101010101010101010101010101010101010101010101010101010101010101010101010101010101010101010101010101010101010101010101010101010101010101010101010101010101010101010101010101010101010101010101010101010101011217110101010101010101010101010101010101010101010101010101010101010101010101010101010101010101010506010101010f0000000000000000030401010101010f00030401010f001008010c0d0e010112170b0101010200050601010101010101010101010101010101010101010101010112170000050601010c0d050601011217000005060101010112170000050601010101090a0000001101010112170000000506010101010101010101010101091d080101010112170e01010101010c0d0e121e040c0d0e0c1f04010f030401010205060112170b09200601010101010101010101010101010101010101010101121705060c0d0506010c0d050601121705060c0d05060101121705060c0d05060101090a0e010115000b0101021008010c0d0304010101010104010101010101020b0101010115001101010101010102050601010102050601010115100801010f0304010c0d0e010101010101010101010101010101010101010101010101010f001101011500110101010101010f0011010115001101010f00110101150011010102030401010102030401020b010101090a0b0101010101010101010101011505060101010203040101010101010f03040101010f0304010101090a1101011510080101020506010101010101020000000000000000001008010101010101020304010112170b010101010101020304010112170b0101020304010112170b010c0d05060101010f100801010101010112170e010101010101010101010101121711010112170e01010101010101091d08010101091d080101010c0d0b0101090a11010115030401010101010101010101010101010101010101010101010c0d0506010112170e01010101010c0d0506010112170e010c0d0506010112170e010c0d0506010101020304010101010101090a0b010101010103000101010101010f0e010115000b0101010101010112170b01010112170b01010101020304010c0d0e0101090a1101010101010101010101010101010101010101010101010c0d050601010c0d0506010101010c0d050601010c0d05060c0d050601010c0d05060c0d00050601090a0e01010c0d0b010c0d100801010101010101010101010101091a04010f1008010101010101010c0d0e0101010c0d0e010101010f000b01010200110112170b01010101010102000000000000000000100801010101010c0d050601010c0d0506010101010c0d050601010c0d05060c0d050601010c0d05060102031b0a000005060101090a1c000010080101010101010b010101010101010c0d110c0d050601010101010101010f05060101010205060c0d111503180e0c0d05191112170b01010101010101010101010101010101010101010101010c0d0506010112170506010101010c0d05060101121705060c0d05060101121705060115001101010101010101090a11010101010101010101010506010101010101011505160a0b01010101010101010115030401010f000304010102000506150000110102001008010101010101010101010101010101010101010101010101020304010112170e010101010101020304010112170e0101020304010112170e01010c0d0e01010101010101090a11010101010101010101010a01010101010101011213141008010101010101010101090a110101010101010101010101010101010101010101010101010101010101010101010101010101010101010101011510080101150011010101010101151008010115001101011510080101150011010101090a0b010101010101090a1101010101010101010101000001010101010101010f0005060101010101010101010c0d0b0101010101010101010101010101010101010101010101010101010101010101010101010101010101010101010c0d05060c0d03040101010101010c0d05060c0d030401010c0d05060c0d030401010101090a0e0101010101090a110101010101010101010101010101010101010101090a0b010101010101010101010c0d0e0101010c0d0e010101010101010101010101010101010101010101010101010101010101010101010101010101010c0d0000030401010101010101010c0d00000304010101010c0d00000304010101010101010f0003040101090a0000000010080101010101010101010101010101010101010101010101010101010102000304010101020506010101010101010101010101010101010101010101010101010101010101010101010101010101010101010101010101010101010101010101010101010101010101010101010101010101010101010101010101010101010708010101010101010101010101010101010101010101010101010101010101010101010101010101010101010101010101010101010101010101010101010101010101010101010101010101010101010101010101010101010101010101010101010101010101010101010101010101010101010101010101010101010101010101010101010101010101010101010101010101010101010101010101010101010101010101010101010101010101010101010101010101010101010101010101010101010101010101010101010101010101010101010101010101010101010101010101010101010101010101010101010101010101010101010101010101010101010101ffff01010101010101010101010101010101010101010101010101010101010101010101010101010101010101010101010101010101010101010101010101010101010101010101010101010101010101010101010101010101010101010101010101010101010101010101010101010101010101010101010101010101010100004c0000006400000000000000000000008200000015000000000000000000000083000000160000002900aa0000000000000000000000803f00000000000000000000803f0000000000000000000000000000000000000000000000000000000000000000220000000c000000ffffffff460000001c00000010000000454d462b024000000c000000000000000e000000140000000000000010000000140000000400000003010800050000000b0200000000050000000c0216008300030000001e0004000000070104000400000007010400a3050000410b2000cc0015007e00000000001600830000000000280000007e000000150000000100080000000000000000000000000000000000210000000000000000000000ffffff000080c60080000000ffffc600a6540000ffffe30080a6e300ffe3a600a6e3ff0000005400e3a65400e3ffff000054a600c680000054a6e30054000000ffc68000c6ffff00540080005480800080c6ff00a6e3e3000000800054a6a6000080a60080005400a6e3c6005454540054005400800080008054a600a654540001010101010101010101010101010101010101010101010101010101010101010101010101010101010101010101010101010101010101010101010101010101010101010101010101010101010101010101010101010101010101010101010101010101010101010101010101010101010101010101010101010101010101010101010101010101010101010101010101010101010101010101010101010101010101010101010101010101010101010101010101010101010101010101010101010101010101010101010101010101010101010101010101010101010101010101010101010101010101010101010101010101010101010101010101010101010101010101010101010101010101010101010101010101010101010101010101010101010101010101010101010101010101010101010101010101010101010101010101010101010101010101010101010101010101010101010101010101010101010101010101010101010101010101010101010101010101010101010101010101010101010101010101010101010101010101010101010101010101010101010101010101010101010101010101010101010101010101010101010101010101010101010101010101010c0d110101010101010101010101010101010101010101010101010101010101010101010101010101010101010101010101010101010101010101010101010101010101010101010101010101010101010101010101010101010101010101010101010101010101010101010101010101010101010101010101010101010101011217110101010101010101010101010101010101010101010101010101010101010101010101010101010101010101010506010101010f0000000000000000030401010101010f00030401010f001008010c0d0e010112170b0101010200050601010101010101010101010101010101010101010101010112170000050601010c0d050601011217000005060101010112170000050601010101090a0000001101010112170000000506010101010101010101010101091d080101010112170e01010101010c0d0e121e040c0d0e0c1f04010f030401010205060112170b09200601010101010101010101010101010101010101010101121705060c0d0506010c0d050601121705060c0d05060101121705060c0d05060101090a0e010115000b0101021008010c0d0304010101010104010101010101020b0101010115001101010101010102050601010102050601010115100801010f0304010c0d0e010101010101010101010101010101010101010101010101010f001101011500110101010101010f0011010115001101010f00110101150011010102030401010102030401020b010101090a0b0101010101010101010101011505060101010203040101010101010f03040101010f0304010101090a1101011510080101020506010101010101020000000000000000001008010101010101020304010112170b010101010101020304010112170b0101020304010112170b010c0d05060101010f100801010101010112170e010101010101010101010101121711010112170e01010101010101091d08010101091d080101010c0d0b0101090a11010115030401010101010101010101010101010101010101010101010c0d0506010112170e01010101010c0d0506010112170e010c0d0506010112170e010c0d0506010101020304010101010101090a0b010101010103000101010101010f0e010115000b0101010101010112170b01010112170b01010101020304010c0d0e0101090a1101010101010101010101010101010101010101010101010c0d050601010c0d0506010101010c0d050601010c0d05060c0d050601010c0d05060c0d00050601090a0e01010c0d0b010c0d100801010101010101010101010101091a04010f1008010101010101010c0d0e0101010c0d0e010101010f000b01010200110112170b01010101010102000000000000000000100801010101010c0d050601010c0d0506010101010c0d050601010c0d05060c0d050601010c0d05060102031b0a000005060101090a1c000010080101010101010b010101010101010c0d110c0d050601010101010101010f05060101010205060c0d111503180e0c0d05191112170b01010101010101010101010101010101010101010101010c0d0506010112170506010101010c0d05060101121705060c0d05060101121705060115001101010101010101090a11010101010101010101010506010101010101011505160a0b01010101010101010115030401010f000304010102000506150000110102001008010101010101010101010101010101010101010101010101020304010112170e010101010101020304010112170e0101020304010112170e01010c0d0e01010101010101090a11010101010101010101010a01010101010101011213141008010101010101010101090a110101010101010101010101010101010101010101010101010101010101010101010101010101010101010101011510080101150011010101010101151008010115001101011510080101150011010101090a0b010101010101090a1101010101010101010101000001010101010101010f0005060101010101010101010c0d0b0101010101010101010101010101010101010101010101010101010101010101010101010101010101010101010c0d05060c0d03040101010101010c0d05060c0d030401010c0d05060c0d030401010101090a0e0101010101090a110101010101010101010101010101010101010101090a0b010101010101010101010c0d0e0101010c0d0e010101010101010101010101010101010101010101010101010101010101010101010101010101010c0d0000030401010101010101010c0d00000304010101010c0d00000304010101010101010f0003040101090a0000000010080101010101010101010101010101010101010101010101010101010102000304010101020506010101010101010101010101010101010101010101010101010101010101010101010101010101010101010101010101010101010101010101010101010101010101010101010101010101010101010101010101010101010708010101010101010101010101010101010101010101010101010101010101010101010101010101010101010101010101010101010101010101010101010101010101010101010101010101010101010101010101010101010101010101010101010101010101010101010101010101010101010101010101010101010101010101010101010101010101010101010101010101010101010101010101010101010101010101010101010101010101010101010101010101010101010101010101010101010101010101010101010101010101010101010101010101010101010101010101010101010101010101010101010101010101010101010101010101010101010101ffff01010101010101010101010101010101010101010101010101010101010101010101010101010101010101010101010101010101010101010101010101010101010101010101010101010101010101010101010101010101010101010101010101010101010101010101010101010101010101010101010101010101010100000c00000040092900aa000000000000001600830000000000040000002701ffff030000000000мм.
Пункт 9а – пневманические пробки с прибором с ценой деления 1 мкм и 0,5 мкм с настройкой по установочным кольцам. При работе находится в руках. Предельная погрешность этого измерения будет равна 010009000003780d000000002008000000002008000026060f003610574d46430100000000000100f8600000000001000000141000000000000014100000010000006c000000000000000000000078000000150000000000000000000000600c00003f02000020454d4600000100141000000c00000001000000000000000000000000000000900600001a040000b801000013010000000000000000000000000000c0b6060038320400460000002c00000020000000454d462b014001001c000000100000000210c0db010000006000000060000000460000003404000028040000454d462b224004000c000000000000001e4009000c00000000000000244001000c000000000000003040020010000000040000000000803f214007000c000000000000000840000580030000740300000210c0db01000000000000000000000000000000000000000100000089504e470d0a1a0a0000000d494844520000007400000015080200000018505d8f000000017352474200aece1ce9000000097048597300000e2600000e2601a2ef25fc000002fc494441545847ed58bd6deb30103ebf39642055aa2ca000693d80a11476fb36780b985ec09ee0b55611c103b835602fe0ca5500690f853c922229fe8849a82440cc4abc3b1fef3e1e8f1f3d69db166e631c04fe8ce3f6e69521700377c43af82cb8e7f504c7faac05c984cf653362d83fce7553aeed84fde036e5730444f9aade15006496ab7c9bd70bc0c35df66d0860e86218bb6e4514b6f46b750d2e345dd29cad412f34e740cc008a5dedb3107266386c35e024a11a031701f124c82990a2d732e8875794c76fb71a78d23a11280851617ab38f5b26217803ae68e0fa5eb3a90785b065581b97b5075c86edaed637cf97130b426da1a8774d82d9c97cc544a8e52c65dd5b607ad10d5b0ef88903d7d9739b7243c8bf45963dcd0ba8f6c7c0d5c4fa6b713f95dd265bbce0967309eb4c8759db5251753d8a098b8b6cca728d2ad405577857e7c676afc5237e7c79b552085bc6fb0985e702b739ee2b7e430da2cb4ccdbb4bbfcd28d4ed2a0714913d6cd904b2bb07806a799de1cc3f240fe9aea6de47241d99dee3dd1131c2960eed65d3dd9bee601ce02a6c2512fecaaaaf55af506c093011b093801972a84f02593fb3c857e1eefa22fc45c096de04ab0ee65b0c919ec56a3975e06b837bfebf1475cb62ca67f49457d7da1d1f3685f99346ba6c09a259ecfe8a32c55a57cc8d016ff0b8d440e0ce46f1c2b0654fcb0ea5dcde6cb1a5adced1dc2c70cf07a29090e89283fe46e8f2773405ab4d40cfc8ac6cba9aa345e2021f6a0bbce7f46bc16ec2f24cfa2ce3fd60ac6e73ebf9cbb0354a91d7ae1bdde8a6a0b233db40e8b9f1b1b680ad518b96ed9ebb70c396612ddd78a30b78ee3f938ab91f043e36d3f1116ac0d95827a11f829ff5488b491fe58c1a25e36318adfe34509e7bd43260c9698ccf8fa11359bbc8b401ae64a9cebee7788fd8ac564aba8482d88a0c62de81ef7a854802add0e13fb779bbcf92db07b49aaabf8a0a75423f53df213fd61f3dcd8f701aa08009a3ffecbf62094319d9157dd17c29b2349d5f55b9236f9fe5fef754ee57234bd7bb813b22e86fbfabe8fad669a9270000000049454e44ae426082000840010824000000180000000210c0db01000000030000000000000000000000000000001b40000040000000340000000100000002000000000000bf000000bf0000e8420000a841030000000000008000000080fefff1420000008000000080feffaf412100000008000000620000000c00000001000000150000000c00000004000000150000000c00000004000000510000007c0a00000000000000000000780000001500000000000000000000000000000000000000740000001500000050000000a8000000f800000084090000000000002000cc0079000000160000002800000074000000150000000100080000000000000000000000000000000000200000000000000000000000ffffff000080c60080000000ffffc600a6540000ffffe30080a6e300ffe3a600a6e3ff0000005400e3a65400e3ffff000054a600c68000005400000054a6e300ffc68000c6ffff00540080005480800080c6ff00a6e3e3000000800054a6a6000080a600800054005454540054005400800080008054a600a654540001010101010101010101010101010101010101010101010101010101010101010101010101010101010101010101010101010101010101010101010101010101010101010101010101010101010101010101010101010101010101010101010101010101010101010101010101010101010101010101010101010101010101010101010101010101010101010101010101010101010101010101010101010101010101010101010101010101010101010101010101010101010101010101010101010101010101010101010101010101010101010101010101010101010101010101010101010101010101010101010101010101010101010101010101010101010101010101010101010101010101010101010101010101010101010101010101010101010101010101010101010101010101010101010101010101010101010101010101010101010101010101010101010101010101010101010101010101010101010101010101010101010101010101010101010101010101010101010101010101010101010101010101010101010101010101010101010101010101010101010101010101010c0d110101010101010101010101010101010101010101010101010101010101010101010101010101010101010101010101010101010101010101010101010101010101010101010101010101010101010101010101010101010101010101010101010101010101010101010101010101010101011217110101010101010101010101010101010101010101010101010101010101010101010101010101011000000000000000000304010101010110000304010110000f08010c0d0e010112170b0101010200050601010101010101010101010101010101010101010101010112170000050601010c0d05060101121700000506010101011217000005060101011217000000050601010101010101010101091c080101010112170e01010101010c0d0e121d040c0d0e0c1e040110030401010205060112170b091f0601010101010101010101010101010101010101010101121705060c0d0506010c0d050601121705060c0d05060101121705060c0d05060101020f08010c0d030401010101010101010101020b01010101150011010101010101020506010101020506010101150f080101100304010c0d0e0101010101010101010101010101010101010101010101010110001101011500110101010101011000110101150011010110001101011500110101020b010101090a0b01010101010101010101150506010101020304010101010101100304010101100304010101090a110101150f080101020506010101010101020000000000000000000f08010101010101020304010112170b010101010101020304010112170b0101020304010112170b0101010101010112170e01010101010101010101121711010112170e01010101010101091c08010101091c080101010c0d0b0101090a11010115030401010101010101010101010101010101010101010101010c0d0506010112170e01010101010c0d0506010112170e010c0d0506010112170e01010101010101090a0b0101010101010101010101100e010115000b0101010101010112170b01010112170b01010101020304010c0d0e0101090a1101010101010101010101010101010101010101010101010c0d050601010c0d0506010101010c0d050601010c0d05060c0d050601010c0d0506010c0d0b010c0d0f080101010101010101010101091a0401100f08010101010101010c0d0e0101010c0d0e0101010110000b01010200110112170b010101010101020000000000000000000f0801010101010c0d050601010c0d0506010101010c0d050601010c0d05060c0d050601010c0d050601090a1b00000f080101010101010101010101010c0d110c0d050601010101010101011005060101010205060c0d111503180e0c0d05191112170b01010101010101010101010101010101010101010101010c0d0506010112170506010101010c0d05060101121705060c0d050601011217050601090a1101010101010101010101010101010101011505160a0b010101010101010101150304010110000304010102000506150000110102000f08010101010101010101010101010101010101010101010101020304010112170e010101010101020304010112170e0101020304010112170e0101090a1101010101010101010101010101010101011213140f08010101010101010101090a11010101010101010101010101010101010101010101010101010101010101010101010101010101010101010101150f080101150011010101010101150f0801011500110101150f0801011500110101090a11010101010101010101010101010101010101100005060101010101010101010c0d0b0101010101010101010101010101010101010101010101010101010101010101010101010101010101010101010c0d05060c0d03040101010101010c0d05060c0d030401010c0d05060c0d03040101090a11010101010101010101010101010101010101090a0b010101010101010101010c0d0e0101010c0d0e010101010101010101010101010101010101010101010101010101010101010101010101010101010c0d0000030401010101010101010c0d00000304010101010c0d00000304010101090a000000000f08010101010101010101010101010101010101010101010101010102000304010101020506010101010101010101010101010101010101010101010101010101010101010101010101010101010101010101010101010101010101010101010101010101010101010101010101010101010101070801010101010101010101010101010101010101010101010101010101010101010101010101010101010101010101010101010101010101010101010101010101010101010101010101010101010101010101010101010101010101010101010101010101010101010101010101010101010101010101010101010101010101010101010101010101010101010101010101010101010101010101010101010101010101010101010101010101010101010101010101010101010101010101010101010101010101010101010101010101010101010101010101010101010101010101010101010101010101010101010101010101010101010101010101010101010101010101010101010101010101010101010101010101010101010101010101010101010101010101010101010101010101010101010101010101010101010101010101010101010101010101010101010101010101010101010101010101014c0000006400000000000000000000007800000015000000000000000000000079000000160000002900aa0000000000000000000000803f00000000000000000000803f0000000000000000000000000000000000000000000000000000000000000000220000000c000000ffffffff460000001c00000010000000454d462b024000000c000000000000000e000000140000000000000010000000140000000400000003010800050000000b0200000000050000000c0216007900030000001e000400000007010400040000000701040023050000410b2000cc00150074000000000016007900000000002800000074000000150000000100080000000000000000000000000000000000200000000000000000000000ffffff000080c60080000000ffffc600a6540000ffffe30080a6e300ffe3a600a6e3ff0000005400e3a65400e3ffff000054a600c68000005400000054a6e300ffc68000c6ffff00540080005480800080c6ff00a6e3e3000000800054a6a6000080a600800054005454540054005400800080008054a600a654540001010101010101010101010101010101010101010101010101010101010101010101010101010101010101010101010101010101010101010101010101010101010101010101010101010101010101010101010101010101010101010101010101010101010101010101010101010101010101010101010101010101010101010101010101010101010101010101010101010101010101010101010101010101010101010101010101010101010101010101010101010101010101010101010101010101010101010101010101010101010101010101010101010101010101010101010101010101010101010101010101010101010101010101010101010101010101010101010101010101010101010101010101010101010101010101010101010101010101010101010101010101010101010101010101010101010101010101010101010101010101010101010101010101010101010101010101010101010101010101010101010101010101010101010101010101010101010101010101010101010101010101010101010101010101010101010101010101010101010101010101010101010c0d110101010101010101010101010101010101010101010101010101010101010101010101010101010101010101010101010101010101010101010101010101010101010101010101010101010101010101010101010101010101010101010101010101010101010101010101010101010101011217110101010101010101010101010101010101010101010101010101010101010101010101010101011000000000000000000304010101010110000304010110000f08010c0d0e010112170b0101010200050601010101010101010101010101010101010101010101010112170000050601010c0d05060101121700000506010101011217000005060101011217000000050601010101010101010101091c080101010112170e01010101010c0d0e121d040c0d0e0c1e040110030401010205060112170b091f0601010101010101010101010101010101010101010101121705060c0d0506010c0d050601121705060c0d05060101121705060c0d05060101020f08010c0d030401010101010101010101020b01010101150011010101010101020506010101020506010101150f080101100304010c0d0e0101010101010101010101010101010101010101010101010110001101011500110101010101011000110101150011010110001101011500110101020b010101090a0b01010101010101010101150506010101020304010101010101100304010101100304010101090a110101150f080101020506010101010101020000000000000000000f08010101010101020304010112170b010101010101020304010112170b0101020304010112170b0101010101010112170e01010101010101010101121711010112170e01010101010101091c08010101091c080101010c0d0b0101090a11010115030401010101010101010101010101010101010101010101010c0d0506010112170e01010101010c0d0506010112170e010c0d0506010112170e01010101010101090a0b0101010101010101010101100e010115000b0101010101010112170b01010112170b01010101020304010c0d0e0101090a1101010101010101010101010101010101010101010101010c0d050601010c0d0506010101010c0d050601010c0d05060c0d050601010c0d0506010c0d0b010c0d0f080101010101010101010101091a0401100f08010101010101010c0d0e0101010c0d0e0101010110000b01010200110112170b010101010101020000000000000000000f0801010101010c0d050601010c0d0506010101010c0d050601010c0d05060c0d050601010c0d050601090a1b00000f080101010101010101010101010c0d110c0d050601010101010101011005060101010205060c0d111503180e0c0d05191112170b01010101010101010101010101010101010101010101010c0d0506010112170506010101010c0d05060101121705060c0d050601011217050601090a1101010101010101010101010101010101011505160a0b010101010101010101150304010110000304010102000506150000110102000f08010101010101010101010101010101010101010101010101020304010112170e010101010101020304010112170e0101020304010112170e0101090a1101010101010101010101010101010101011213140f08010101010101010101090a11010101010101010101010101010101010101010101010101010101010101010101010101010101010101010101150f080101150011010101010101150f0801011500110101150f0801011500110101090a11010101010101010101010101010101010101100005060101010101010101010c0d0b0101010101010101010101010101010101010101010101010101010101010101010101010101010101010101010c0d05060c0d03040101010101010c0d05060c0d030401010c0d05060c0d03040101090a11010101010101010101010101010101010101090a0b010101010101010101010c0d0e0101010c0d0e010101010101010101010101010101010101010101010101010101010101010101010101010101010c0d0000030401010101010101010c0d00000304010101010c0d00000304010101090a000000000f08010101010101010101010101010101010101010101010101010102000304010101020506010101010101010101010101010101010101010101010101010101010101010101010101010101010101010101010101010101010101010101010101010101010101010101010101010101010101070801010101010101010101010101010101010101010101010101010101010101010101010101010101010101010101010101010101010101010101010101010101010101010101010101010101010101010101010101010101010101010101010101010101010101010101010101010101010101010101010101010101010101010101010101010101010101010101010101010101010101010101010101010101010101010101010101010101010101010101010101010101010101010101010101010101010101010101010101010101010101010101010101010101010101010101010101010101010101010101010101010101010101010101010101010101010101010101010101010101010101010101010101010101010101010101010101010101010101010101010101010101010101010101010101010101010101010101010101010101010101010101010101010101010101010101010101010101010c00000040092900aa000000000000001600790000000000040000002701ffff030000000000мкм.
Пункт 11 – микроскопы инструментальные (большая и малая модели). Предельная погрешность этого измерения будет равна 0100090000035e0d000000000a08000000000a08000026060f000a10574d464301000000000001007d840000000001000000e80f000000000000e80f0000010000006c000000000000000000000078000000150000000000000000000000600c00003f02000020454d4600000100e80f00000c00000001000000000000000000000000000000900600001a040000b801000013010000000000000000000000000000c0b6060038320400460000002c00000020000000454d462b014001001c000000100000000210c0db010000006000000060000000460000001004000004040000454d462b224004000c000000000000001e4009000c00000000000000244001000c000000000000003040020010000000040000000000803f214007000c00000000000000084000055c030000500300000210c0db01000000000000000000000000000000000000000100000089504e470d0a1a0a0000000d494844520000007400000015080200000018505d8f000000017352474200aece1ce9000000097048597300000e2600000e2601a2ef25fc000002d7494441545847ed983b6ee3301086c77b0e0548952a175080b43e40a01449bb37d80b98be40f604db5a45041fc0ad01fb02a95c0590eee17086a4488a0fcf2652b28b584d2c6a389cf9381afecaec783cc2f99a86c08f69dc9ebd228133dc09ebe0a370f7cb195dcbbd13240eded7dd8461ff1faed370bbfa9e81a85cb4ab0a40cc4b9b6ff7fa02707d597c19010a5d5fdeae0711312cd1245a298cb9f2408b5ec40ca05ab5290b3d8e86a7ad4e3819f13105ae035249885d26c59ce54ee8dd08f363ad0289b4a4df4a081b66327b55b889f04764c67585401c16c4271e5ede129fe23c97a28d81b74a022eb25db571c77e9a260835aaebdd4947efbecad79482cad6dc8d59f701cc245da6659401736eb4e776f59310bf1e8ae2f6ae8266bdcd1c4dd85fabab0bd3cc8a8767da5435825d6933278acd61ab6f305af154d74b7a44cfb22bfc55e7a676efc4a327bfbc0629f02dc300b8736370bbedba5127d449ba68ea9f5dee6926511f1725d09058c36fbc81e2f21aa0793ccce92e7d191dd21f4d831f4c397271456707e3e25b86cee27323702d5b43225d59eda119144a38023804f82650500af54e934d2b8b72916fb3cfda1f03db57998470f77f1e75dd624ce55cbee5cda18dc7474de1eed6115de108d1ac563f759952ad5be586e03d1d373608da59962ee45b8631c6e70670f71b614918ba62e37e23f4be234d2168133030f22b5bae166991b4c0bbda82ea39c35a089bb079273996214aee2a43b8c8d62b4555bb71baeca660b3f3db40ee73e37d6d819a9f132dee5ebc70f9968916cb58c56b6cf10f82949ae925ae3450e2aa1f913fb4b81ce8605f209a3b69349a1ea368dd4f03eb7920ab3296964a428eb2e67a3ad7a8d468df8b28f150d59a913ea12cdb5eea8e4656413102da527654b8b756cad291ec2e0c8f4166aede9b99fc3bf619f2cffa936dfc06762724e088d17ff4bf62238632b12bf945f3a964653adfaa7227debec0fdf7a9dccf262bd73bc39d10fa1bc459bc62ce29d8ef0000000049454e44ae42608200000840010824000000180000000210c0db01000000030000000000000000000000000000001b40000040000000340000000100000002000000000000bf000000bf0000e8420000a841030000000000008000000080fefff1420000008000000080feffaf412100000008000000620000000c00000001000000150000000c00000004000000150000000c0000000400000051000000740a00000000000000000000780000001500000000000000000000000000000000000000740000001500000050000000a0000000f000000084090000000000002000cc00790000001600000028000000740000001500000001000800000000000000000000000000000000001e0000000000000000000000ffffff000080c60080000000ffffc600a6540000ffffe300a6e3ff0000005400e3a65400e3ffff000054a600c680000054005400ffe3a60054a6e300c6ffff0000008000540000005400800054808000ffc6800080c6ff00a6e3e30054a6a6000080a60080005400800080008054a600a654540001010101010101010101010101010101010101010101010101010101010101010101010101010101010101010101010101010101010101010101010101010101010101010101010101010101010101010101010101010101010101010101010101010101010101010101010101010101010101010101010101010101010101010101010101010101010101010101010101010101010101010101010101010101010101010101010101010101010101010101010101010101010101010101010101010101010101010101010101010101010101010101010101010101010101010101010101010101010101010101010101010101010101010101010101010101010101010101010101010101010101010101010101010101010101010101010101010101010101010101010101010101010101010101010101010101010101010101010101010101010101010101010101010101010101010101010101010101010101010101010101010101010101010101010101010101010101010101010101010101010101010101010101010101010101010101010101010101010101010101010101010101010a0b150101010101010101010101010101010101010101010101010101010101010101010101010101010101010101010101010101010101010101010101010101010101010101010101010101010101010101010101010101010101010101010101010101010101010101010101010101010101011011150101010101010101010101010101010101010101010101010101010101010101010101010101010f0000000000000000030401010101010f00030401010f00120e010a0b0c01011011090101010200050601010101010101010101010101010101010101010101010110110000050601010a0b050601011011000005060101010a0b00000000000c01010110110000050601010101010101010101070d0e0101010110110c01010101010a0b0c101b040a0b0c0a1c04010f0304010102050601101109071d0601010101010101010101010101010101010101010101101105060a0b0506010a0b050601101105060a0b050601010101010f120e01010101101105060a0b05060101010101010101010102090101010116001501010101010102050601010102050601010116120e01010f0304010a0b0c010101010101010101010101010101010101010101010101010f001501011600150101010101010f0015010116001501010101010f120e010101010f00150101160015010101010101010101011605060101010203040101010101010f03040101010f0304010101070815010116120e010102050601010101010102000000000000000000120e0101010101010203040101101109010101010101020304010110110901010101010f120e01010101020304010110110901010101010101010101101115010110110c01010101010101070d0e010101070d0e0101010a0b090101070815010116030401010101010101010101010101010101010101010101010a0b0506010110110c01010101010a0b0506010110110c01010101010f120e0101010a0b0506010110110c01010101010101010101010f0c01011600090101010101010110110901010110110901010101020304010a0b0c010107081501010101010101010101010101010101010101010101010a0b050601010a0b0506010101010a0b050601010a0b0506010101010f120e0101010a0b050601010a0b050601010101010101010101071a04010f120e010101010101010a0b0c0101010a0b0c010101010f000901010200150110110901010101010102000000000000000000120e01010101010a0b050601010a0b0506010101010a0b050601010a0b0506010101010f120e0101010a0b050601010a0b0506010101010101010101010a0b150a0b050601010101010101010f05060101010205060a0b151603180c0a0b05191510110901010101010101010101010101010101010101010101010a0b0506010110110506010101010a0b0506010110110506010101010f120e0101010a0b05060101101105060101010101010101010101160517080901010101010101010116030401010f00030401010200050616000015010200120e010101010101010101010101010101010101010101010101020304010110110c010101010101020304010110110c01010101010f120e01010101020304010110110c010101010101010101010101101314120e01010101010101010107081501010101010101010101010101010101010101010101010101010101010101010101010101010101010101010116120e010116001501010101010116120e010116001501011603040f120e0101010116120e0101160015010101010101010101010101010f0005060101010101010101010a0b090101010101010101010101010101010101010101010101010101010101010101010101010101010101010101010a0b05060a0b03040101010101010a0b05060a0b0304010101101100120e010101010a0b05060a0b030401010101010101010101010101070809010101010101010101010a0b0c0101010a0b0c010101010101010101010101010101010101010101010101010101010101010101010101010101010a0b0000030401010101010101010a0b00000304010101010101070d0e01010101010a0b0000030401010101010101010101010101010101010101010101010101010102000304010101020506010101010101010101010101010101010101010101010101010101010101010101010101010101010101010101010101010101010101010101010101010101010101010101010101010101010101010101010101010101010101010101010101010101010101010101010101010101010101010101010101010101010101010101010101010101010101010101010101010101010101010101010101010101010101010101010101010101010101010101010101010101010101010101010101010101010101010101010101010101010101010101010101010101010101010101010101010101010101010101010101010101010101010101010101010101010101010101010101010101010101010101010101010101010101010101010101010101010101010101010101010101010101010101010101010101010101010101010101010101010101010101010101010101010101010101010101010101010101010101010101010101010101010101010101010101010101010101010101010101010101010101010101010101010101010101010101010101010101010101010101010101010101010101010101014c0000006400000000000000000000007800000015000000000000000000000079000000160000002900aa0000000000000000000000803f00000000000000000000803f0000000000000000000000000000000000000000000000000000000000000000220000000c000000ffffffff460000001c00000010000000454d462b024000000c000000000000000e000000140000000000000010000000140000000400000003010800050000000b0200000000050000000c0216007900030000001e00040000000701040004000000070104001f050000410b2000cc001500740000000000160079000000000028000000740000001500000001000800000000000000000000000000000000001e0000000000000000000000ffffff000080c60080000000ffffc600a6540000ffffe300a6e3ff0000005400e3a65400e3ffff000054a600c680000054005400ffe3a60054a6e300c6ffff0000008000540000005400800054808000ffc6800080c6ff00a6e3e30054a6a6000080a60080005400800080008054a600a654540001010101010101010101010101010101010101010101010101010101010101010101010101010101010101010101010101010101010101010101010101010101010101010101010101010101010101010101010101010101010101010101010101010101010101010101010101010101010101010101010101010101010101010101010101010101010101010101010101010101010101010101010101010101010101010101010101010101010101010101010101010101010101010101010101010101010101010101010101010101010101010101010101010101010101010101010101010101010101010101010101010101010101010101010101010101010101010101010101010101010101010101010101010101010101010101010101010101010101010101010101010101010101010101010101010101010101010101010101010101010101010101010101010101010101010101010101010101010101010101010101010101010101010101010101010101010101010101010101010101010101010101010101010101010101010101010101010101010101010101010101010101010a0b150101010101010101010101010101010101010101010101010101010101010101010101010101010101010101010101010101010101010101010101010101010101010101010101010101010101010101010101010101010101010101010101010101010101010101010101010101010101011011150101010101010101010101010101010101010101010101010101010101010101010101010101010f0000000000000000030401010101010f00030401010f00120e010a0b0c01011011090101010200050601010101010101010101010101010101010101010101010110110000050601010a0b050601011011000005060101010a0b00000000000c01010110110000050601010101010101010101070d0e0101010110110c01010101010a0b0c101b040a0b0c0a1c04010f0304010102050601101109071d0601010101010101010101010101010101010101010101101105060a0b0506010a0b050601101105060a0b050601010101010f120e01010101101105060a0b05060101010101010101010102090101010116001501010101010102050601010102050601010116120e01010f0304010a0b0c010101010101010101010101010101010101010101010101010f001501011600150101010101010f0015010116001501010101010f120e010101010f00150101160015010101010101010101011605060101010203040101010101010f03040101010f0304010101070815010116120e010102050601010101010102000000000000000000120e0101010101010203040101101109010101010101020304010110110901010101010f120e01010101020304010110110901010101010101010101101115010110110c01010101010101070d0e010101070d0e0101010a0b090101070815010116030401010101010101010101010101010101010101010101010a0b0506010110110c01010101010a0b0506010110110c01010101010f120e0101010a0b0506010110110c01010101010101010101010f0c01011600090101010101010110110901010110110901010101020304010a0b0c010107081501010101010101010101010101010101010101010101010a0b050601010a0b0506010101010a0b050601010a0b0506010101010f120e0101010a0b050601010a0b050601010101010101010101071a04010f120e010101010101010a0b0c0101010a0b0c010101010f000901010200150110110901010101010102000000000000000000120e01010101010a0b050601010a0b0506010101010a0b050601010a0b0506010101010f120e0101010a0b050601010a0b0506010101010101010101010a0b150a0b050601010101010101010f05060101010205060a0b151603180c0a0b05191510110901010101010101010101010101010101010101010101010a0b0506010110110506010101010a0b0506010110110506010101010f120e0101010a0b05060101101105060101010101010101010101160517080901010101010101010116030401010f00030401010200050616000015010200120e010101010101010101010101010101010101010101010101020304010110110c010101010101020304010110110c01010101010f120e01010101020304010110110c010101010101010101010101101314120e01010101010101010107081501010101010101010101010101010101010101010101010101010101010101010101010101010101010101010116120e010116001501010101010116120e010116001501011603040f120e0101010116120e0101160015010101010101010101010101010f0005060101010101010101010a0b090101010101010101010101010101010101010101010101010101010101010101010101010101010101010101010a0b05060a0b03040101010101010a0b05060a0b0304010101101100120e010101010a0b05060a0b030401010101010101010101010101070809010101010101010101010a0b0c0101010a0b0c010101010101010101010101010101010101010101010101010101010101010101010101010101010a0b0000030401010101010101010a0b00000304010101010101070d0e01010101010a0b0000030401010101010101010101010101010101010101010101010101010102000304010101020506010101010101010101010101010101010101010101010101010101010101010101010101010101010101010101010101010101010101010101010101010101010101010101010101010101010101010101010101010101010101010101010101010101010101010101010101010101010101010101010101010101010101010101010101010101010101010101010101010101010101010101010101010101010101010101010101010101010101010101010101010101010101010101010101010101010101010101010101010101010101010101010101010101010101010101010101010101010101010101010101010101010101010101010101010101010101010101010101010101010101010101010101010101010101010101010101010101010101010101010101010101010101010101010101010101010101010101010101010101010101010101010101010101010101010101010101010101010101010101010101010101010101010101010101010101010101010101010101010101010101010101010101010101010101010101010101010101010101010101010101010101010101010101010101010c00000040092900aa000000000000001600790000000000040000002701ffff030000000000мм.
Пункт 12 – микроскопы увеличительные измерительные при использовании штриховой головки. Предельная погрешность 0100090000030a0d00000000e00700000000e007000026060f00b60f574d464301000000000001000b610000000001000000940f000000000000940f0000010000006c000000000000000000000074000000150000000000000000000000f70b00003f02000020454d4600000100940f00000c00000001000000000000000000000000000000900600001a040000b801000013010000000000000000000000000000c0b6060038320400460000002c00000020000000454d462b014001001c000000100000000210c0db010000006000000060000000460000001004000004040000454d462b224004000c000000000000001e4009000c00000000000000244001000c000000000000003040020010000000040000000000803f214007000c00000000000000084000055c030000500300000210c0db01000000000000000000000000000000000000000100000089504e470d0a1a0a0000000d494844520000007000000015080200000011bbfdf5000000017352474200aece1ce9000000097048597300000e2600000e2601a2ef25fc000002d8494441545847ed583b6edb40105de51c34e0ca952fc0006e7500832eec3637c805b4ba807282b462614207502b40ba802b5506c87b303bb3ffaf56c29a41146dc5dd19cde7ed70e651b3711cc96d9543e05b3953374b80c00dd0c2757009a087e50cd7f2600403872fed5038bc7fcf9c0de8d0be64c0522ffa7543089dd73adfe1f38390c7fbea6f2280d18b655db617545a332a3505ca935b466c28a9853811d2ac7bf334f00c8aa7b54e18292bc6d8454c3c0fba0f7b486ba6a47b6a1be57565bb218653a6df50aae38a661c3254169eb3adb1d8cd2b866d04d1b466be9d710cc260000a78ae7bf386626981577d31a2ae8d134c47262836422c7785ebdb03308a685a33dfce383ad80bb0540f1dda15a53f5fabeae9b921dd6697182fd02f9b873bd999aad777b4cd4fa0cf6ce7e8ae3beec40630a7abb65da20865490fe77662ece04648e2f71f9f5e1669cd7c3b2ccf152bc0e727776a484087dda6e353e624a2a06acf1f73223178c7454df0886ec82fd890eafe9190eeed38c75d7c49fea03bbefd944f23ee1e701c64acb4664c8a204001ba1e04a01a4f997dbc82fa63e754837f42e0483be4f0ee059a7146502fd2cdf3dd4f2003b22f5039fc7e63789a34473ae180825c8beb397b83bb631f0e045f78abd4fd132cd066fd439423bf4ee51ec00e06533073bcd02c1a97d60c4b0f5b9837323d2b6c0494c92d31224ab7266f573f0abcf05e0b208e925dc1188d6ec1663897bef2bca5b825107292d6ccb3136b9f3c133e23dca11ba71dfe6c0b4c3bfbc8a6175fc2b95ce6198f3fad99632741c9e09f2664533e8989fd4ac1c11438735227ec41702907331b5eb9634a25b913066c127b6ddc6182094d5e5d313bbcbf87d992eafd44b2c860ff0a7c6cf8ac539ea80c92788a9073bec7ce65f792e36a44b8059f5ac7343564028e70a5a50a6106557ae58b75e6ef647f82b195c2e0927f9b4af99ec40efbd0980e4d96d1ff50a1935c9ccd43277579ddceaefe959ffafafe007e4b79c6c19b629a0000000049454e44ae426082000840010824000000180000000210c0db01000000030000000000000000000000000000001b40000040000000340000000100000002000000000000bf000000bf0000e0420000a841030000000000008000000080ffffe9420000008000000080ffffaf412100000008000000620000000c00000001000000150000000c00000004000000150000000c0000000400000051000000200a00000000000000000000740000001500000000000000000000000000000000000000700000001500000050000000a0000000f000000030090000000000002000cc00750000001600000028000000700000001500000001000800000000000000000000000000000000001e0000000000000000000000ffffff000080c60080000000ffffc600a6540000ffffe300a6e3ff0000005400e3a65400e3ffff000054a600c680000054a6e300ffc68000c6ffff00540080005480800054000000ffe3a60080c6ff00a6e3e3000000800054a6a6000080a6008000540054005400800080008054a600a654540001010101010101010101010101010101010101010101010101010101010101010101010101010101010101010101010101010101010101010101010101010101010101010101010101010101010101010101010101010101010101010101010101010101010101010101010101010101010101010101010101010101010101010101010101010101010101010101010101010101010101010101010101010101010101010101010101010101010101010101010101010101010101010101010101010101010101010101010101010101010101010101010101010101010101010101010101010101010101010101010101010101010101010101010101010101010101010101010101010101010101010101010101010101010101010101010101010101010101010101010101010101010101010101010101010101010101010101010101010101010101010101010101010101010101010101010101010101010101010101010101010101010101010101010101010101010101010101010101010101010101010101010101010101010101010101010101010a0b0e01010101010101010101010101010101010101010101010101010101010101010101010101010101010101010101010101010101010101010101010101010101010101010101010101010101010101010101010101010101010101010101010101010101010101010101010101010f160e010101010101010101010101010101010101010101010101010101010101010101010d0000000000000000030401010101010d00030401010d001213010a0b0c01010f160901010102000506010101010101010101010101010101010101010101010101010f160000050601010a0b050601010f1600000506010101010f1600000506010101011412130101010101010101071a13010101010f160c01010101010a0b0c0f1b040a0b0c0a1c04010d03040101020506010f1609071d0601010101010101010101010101010101010101010101010f1605060a0b0506010a0b0506010f1605060a0b050601010f1605060a0b05060101010f160901010101010101010102090101010114000e01010101010102050601010102050601010114121301010d0304010a0b0c01010101010101010101010101010101010101010101010101010d000e010114000e0101010101010d000e010114000e01010d000e010114000e0101010102030401010101010101011405060101010203040101010101010d03040101010d030401010107080e010114121301010205060101010101010200000000000000000012130101010101010102030401010f160901010101010102030401010f1609010102030401010f16090101010107080901010101010101010f160e01010f160c01010101010101071a13010101071a130101010a0b09010107080e01011403040101010101010101010101010101010101010101010101010a0b050601010f160c01010101010a0b050601010f160c010a0b050601010f160c010101010102050601010101010101010d0c0101140009010101010101010f16090101010f160901010101020304010a0b0c010107080e0101010101010101010101010101010101010101010101010a0b050601010a0b0506010101010a0b050601010a0b05060a0b050601010a0b05060101010114000e0101010101010101071904010d1213010101010101010a0b0c0101010a0b0c010101010d0009010102000e010f16090101010101010200000000000000000012130101010101010a0b050601010a0b0506010101010a0b050601010a0b05060a0b050601010a0b0506010101010a0b0c01010101010101010a0b0e0a0b050601010101010101010d05060101010205060a0b0e1403170c0a0b05180e0f16090101010101010101010101010101010101010101010101010a0b050601010f160506010101010a0b050601010f1605060a0b050601010f16050601010101010d12130101010101010101140515080901010101010101010114030401010d0003040101020005061400000e01020012130101010101010101010101010101010101010101010101010102030401010f160c01010101010102030401010f160c010102030401010f160c0101010101010f160901010101010101010f1011121301010101010101010107080e01010101010101010101010101010101010101010101010101010101010101010101010101010101010101010101141213010114000e010101010101141213010114000e0101141213010114000e010101010101010d030401010101010101010d0005060101010101010101010a0b09010101010101010101010101010101010101010101010101010101010101010101010101010101010101010101010a0b05060a0b03040101010101010a0b05060a0b030401010a0b05060a0b03040101020e01010107080e0101010101010101070809010101010101010101010a0b0c0101010a0b0c01010101010101010101010101010101010101010101010101010101010101010101010101010101010a0b0000030401010101010101010a0b00000304010101010a0b000003040101010d0000000000000506010101010101010101010101010101010101010102000304010101020506010101010101010101010101010101010101010101010101010101010101010101010101010101010101010101010101010101010101010101010101010101010101010101010101010101010101010101010101010101010101010101010101010101010101010101010101010101010101010101010101010101010101010101010101010101010101010101010101010101010101010101010101010101010101010101010101010101010101010101010101010101010101010101010101010101010101010101010101010101010101010101010101010101010101010101010101010101010101010101010101010101010101010101010101010101010101010101010101010101010101010101010101010101010101010101010101010101010101010101010101010101010101010101010101010101010101010101010101010101010101010101010101010101010101010101010101010101010101010101010101010101010101010101010101010101010101010101010101010101010101010101010101010101010101010101010101010101010101010101010101014c0000006400000000000000000000007400000015000000000000000000000075000000160000002900aa0000000000000000000000803f00000000000000000000803f0000000000000000000000000000000000000000000000000000000000000000220000000c000000ffffffff460000001c00000010000000454d462b024000000c000000000000000e000000140000000000000010000000140000000400000003010800050000000b0200000000050000000c0216007500030000001e0004000000070104000400000007010400f5040000410b2000cc001500700000000000160075000000000028000000700000001500000001000800000000000000000000000000000000001e0000000000000000000000ffffff000080c60080000000ffffc600a6540000ffffe300a6e3ff0000005400e3a65400e3ffff000054a600c680000054a6e300ffc68000c6ffff00540080005480800054000000ffe3a60080c6ff00a6e3e3000000800054a6a6000080a6008000540054005400800080008054a600a654540001010101010101010101010101010101010101010101010101010101010101010101010101010101010101010101010101010101010101010101010101010101010101010101010101010101010101010101010101010101010101010101010101010101010101010101010101010101010101010101010101010101010101010101010101010101010101010101010101010101010101010101010101010101010101010101010101010101010101010101010101010101010101010101010101010101010101010101010101010101010101010101010101010101010101010101010101010101010101010101010101010101010101010101010101010101010101010101010101010101010101010101010101010101010101010101010101010101010101010101010101010101010101010101010101010101010101010101010101010101010101010101010101010101010101010101010101010101010101010101010101010101010101010101010101010101010101010101010101010101010101010101010101010101010101010101010101010a0b0e01010101010101010101010101010101010101010101010101010101010101010101010101010101010101010101010101010101010101010101010101010101010101010101010101010101010101010101010101010101010101010101010101010101010101010101010101010f160e010101010101010101010101010101010101010101010101010101010101010101010d0000000000000000030401010101010d00030401010d001213010a0b0c01010f160901010102000506010101010101010101010101010101010101010101010101010f160000050601010a0b050601010f1600000506010101010f1600000506010101011412130101010101010101071a13010101010f160c01010101010a0b0c0f1b040a0b0c0a1c04010d03040101020506010f1609071d0601010101010101010101010101010101010101010101010f1605060a0b0506010a0b0506010f1605060a0b050601010f1605060a0b05060101010f160901010101010101010102090101010114000e01010101010102050601010102050601010114121301010d0304010a0b0c01010101010101010101010101010101010101010101010101010d000e010114000e0101010101010d000e010114000e01010d000e010114000e0101010102030401010101010101011405060101010203040101010101010d03040101010d030401010107080e010114121301010205060101010101010200000000000000000012130101010101010102030401010f160901010101010102030401010f1609010102030401010f16090101010107080901010101010101010f160e01010f160c01010101010101071a13010101071a130101010a0b09010107080e01011403040101010101010101010101010101010101010101010101010a0b050601010f160c01010101010a0b050601010f160c010a0b050601010f160c010101010102050601010101010101010d0c0101140009010101010101010f16090101010f160901010101020304010a0b0c010107080e0101010101010101010101010101010101010101010101010a0b050601010a0b0506010101010a0b050601010a0b05060a0b050601010a0b05060101010114000e0101010101010101071904010d1213010101010101010a0b0c0101010a0b0c010101010d0009010102000e010f16090101010101010200000000000000000012130101010101010a0b050601010a0b0506010101010a0b050601010a0b05060a0b050601010a0b0506010101010a0b0c01010101010101010a0b0e0a0b050601010101010101010d05060101010205060a0b0e1403170c0a0b05180e0f16090101010101010101010101010101010101010101010101010a0b050601010f160506010101010a0b050601010f1605060a0b050601010f16050601010101010d12130101010101010101140515080901010101010101010114030401010d0003040101020005061400000e01020012130101010101010101010101010101010101010101010101010102030401010f160c01010101010102030401010f160c010102030401010f160c0101010101010f160901010101010101010f1011121301010101010101010107080e01010101010101010101010101010101010101010101010101010101010101010101010101010101010101010101141213010114000e010101010101141213010114000e0101141213010114000e010101010101010d030401010101010101010d0005060101010101010101010a0b09010101010101010101010101010101010101010101010101010101010101010101010101010101010101010101010a0b05060a0b03040101010101010a0b05060a0b030401010a0b05060a0b03040101020e01010107080e0101010101010101070809010101010101010101010a0b0c0101010a0b0c01010101010101010101010101010101010101010101010101010101010101010101010101010101010a0b0000030401010101010101010a0b00000304010101010a0b000003040101010d0000000000000506010101010101010101010101010101010101010102000304010101020506010101010101010101010101010101010101010101010101010101010101010101010101010101010101010101010101010101010101010101010101010101010101010101010101010101010101010101010101010101010101010101010101010101010101010101010101010101010101010101010101010101010101010101010101010101010101010101010101010101010101010101010101010101010101010101010101010101010101010101010101010101010101010101010101010101010101010101010101010101010101010101010101010101010101010101010101010101010101010101010101010101010101010101010101010101010101010101010101010101010101010101010101010101010101010101010101010101010101010101010101010101010101010101010101010101010101010101010101010101010101010101010101010101010101010101010101010101010101010101010101010101010101010101010101010101010101010101010101010101010101010101010101010101010101010101010101010101010101010101010101010c00000040092900aa000000000000001600750000000000040000002701ffff030000000000мм.
Из вышеперечисленных приборов наиболее подходящий является нутрометр индикаторный.
Таблица 2.3 – Выбор средств измерения
-
Наименование размера
Размер, мм
Допускаемая погрешность измерения, мм
Предельная погрешность средств измерения 0100090000034405000000009203000000009203000026060f001a07574d46430100000000000100251e0000000001000000f806000000000000f8060000010000006c00000000000000000000002200000010000000000000000000000094030000bc01000020454d4600000100f80600000c00000001000000000000000000000000000000900600001a040000b801000013010000000000000000000000000000c0b6060038320400460000002c00000020000000454d462b014001001c000000100000000210c0db010000006000000060000000460000006402000058020000454d462b224004000c000000000000001e4009000c00000000000000244001000c000000000000003040020010000000040000000000803f214007000c0000000000000008400005b0010000a40100000210c0db01000000000000000000000000000000000000000100000089504e470d0a1a0a0000000d4948445200000022000000100802000000fc973a33000000017352474200aece1ce9000000097048597300000e2600000e2601a2ef25fc0000012c49444154384fed54310ec2300c747907484c4c7ca0032b0f40e13da49f294bc503ba566a3fd08909a9fd47b0933a4d0c410809263cd9b5e3b3cf7633630c7c5f16df872084dfc38ce763763c8f89f6c88b52749fb58fb371d26a4aa0cac17f910a46846e7aa0db6474e4f0a475755fb6a5aaae43aadcf1d6c376bdf4eefc64cc297fb339df0b153a942a5d2056cfc5531c4a6c7202f64c41360a983147c70b221e29734f301b2ab640aded279b24d45b07e322fd849e121ec48827f364a78776cab34ea90926ca90e847d029d90ded50670a7005c6e602871d8f36df6be86f0f6b3d5c2bbd9fe72d4c4c51a9cdcaae43a4f3d62c040ac06aa3aa4b2370ba5a539aae70878526656413105571a5813e21e2c9813b1729f27c9eae96dfb490e888747f8bd9ffd7f9e6e5076177a645132bdd978bf00000000049454e44ae426082000840010824000000180000000210c0db01000000030000000000000000000000000000001b40000040000000340000000100000002000000000000bf000000bf0000084200008041030000000000008000000080ffff0b420000008000000080ffff87412100000008000000620000000c00000001000000150000000c00000004000000150000000c0000000400000051000000300300000000000000000000220000001000000000000000000000000000000000000000220000001000000050000000a0000000f000000040020000000000002000cc00230000001100000028000000220000001000000001000800000000000000000000000000000000001e0000000000000000000000ffffff00a6e3ff0054005400ffe3a6000000540080000000ffffc6000080c600e3a6540080c6ff00a6540000ffffe300c6ffff00a654800054a6c600c680000054a6e30080005400ffc68000e3ffff000054a600540000005480c60000008000540080005454a600e3e3a60080808000a6545400010101010101010101010101010101010101010101010101010101010101010101010101010101010101010101010101010101010101010101010101010101010101010101010101010101010101010101010101010101010101010101010101010101010101010101010101080000000000000b0c010101141500130114150013010d1813010d181301010800090101021d0c0101141509010101010d190417040d18131704010809010108090114150911e805141a0401010d1904010101010108130101010813010101110b0c01110b0c01111001010101110901010a060701010101011110010101111001010102120701021207010a0b0c010101021d0c010810010101010101021d0c0101021d0c01010d1810010d1810010d19040101010117040d18130101010101010d190401010d1904141a1b151c090d181c090d1813010101010a09021207010101010101010813011415001301141516041100060711000607010101010d0e0f1001010101010101011110010101010101010101010101010101010101010101010108000901010101010101010a0b0c01010a060701010101010101010101010101010101010203040101010101010102050607010101010101010101010101010101010101010101010101010101010101010101010101010101010101010101010101010101010100000101010101010101010101010101010101010101010101010101010101010101010100000101010101010101010101010101010101010101010101010101010101010101010100004c0000006400000000000000000000002200000010000000000000000000000023000000110000002900aa0000000000000000000000803f00000000000000000000803f0000000000000000000000000000000000000000000000000000000000000000220000000c000000ffffffff460000001c00000010000000454d462b024000000c000000000000000e000000140000000000000010000000140000000400000003010800050000000b0200000000050000000c0211002300030000001e00040000000701040004000000070104007d010000410b2000cc001000220000000000110023000000000028000000220000001000000001000800000000000000000000000000000000001e0000000000000000000000ffffff00a6e3ff0054005400ffe3a6000000540080000000ffffc6000080c600e3a6540080c6ff00a6540000ffffe300c6ffff00a654800054a6c600c680000054a6e30080005400ffc68000e3ffff000054a600540000005480c60000008000540080005454a600e3e3a60080808000a6545400010101010101010101010101010101010101010101010101010101010101010101010101010101010101010101010101010101010101010101010101010101010101010101010101010101010101010101010101010101010101010101010101010101010101010101010101080000000000000b0c010101141500130114150013010d1813010d181301010800090101021d0c0101141509010101010d190417040d18131704010809010108090114150911e805141a0401010d1904010101010108130101010813010101110b0c01110b0c01111001010101110901010a060701010101011110010101111001010102120701021207010a0b0c010101021d0c010810010101010101021d0c0101021d0c01010d1810010d1810010d19040101010117040d18130101010101010d190401010d1904141a1b151c090d181c090d1813010101010a09021207010101010101010813011415001301141516041100060711000607010101010d0e0f1001010101010101011110010101010101010101010101010101010101010101010108000901010101010101010a0b0c01010a060701010101010101010101010101010101010203040101010101010102050607010101010101010101010101010101010101010101010101010101010101010101010101010101010101010101010101010101010100000101010101010101010101010101010101010101010101010101010101010101010100000101010101010101010101010101010101010101010101010101010101010101010100000c00000040092900aa000000000000001100230000000000040000002701ffff030000000000, мм
Наименование СИ, тех. характеристика и условие эксплуатации
Шейка вала под внутреннее кольцо подшипника

0.005
0.045
Рычажный микрометр (HP), с ценой деления 0,002 мм свыше 25 до 50 мм. При работе находится в стойке
Гнездо корпуса под внутреннее кольцо подшипника

0.010
0.0065
Нутромер индикаторный (НИ), с ценой деления 0,001 или 0,002 свыше 50 до 120 мм измерении находится в руках
3 Взаимозаменяемость стандартных изделий
3.1 Выбор и расчет посадок колец подшипников качения
Задание: для заданного подшипникового узла выбрать посадки наружного и внутреннего колец с обоснованием. Рассчитать эти посадки. Начертить условное изображение подшипникового узла, вала и корпуса с простановкой полей допусков, посадок, шероховатости и требований к погрешностям формы и расположения.
Исходные данные: подшипник №7310
Режим работы: тяжелый
Нагрузка: 12000 Н
Выбираем конструктивные размеры подшипника по ГОСТ 27365 – 87:
010009000003820a000000007806000000007806000026060f00e60c574d46430100000000000100afcd0000000001000000c40c000000000000c40c0000010000006c000000000000000000000055000000150000000000000000000000cb0800003f02000020454d4600000100c40c00000c00000001000000000000000000000000000000900600001a040000b801000013010000000000000000000000000000c0b6060038320400460000002c00000020000000454d462b014001001c000000100000000210c0db010000006000000060000000460000008003000074030000454d462b224004000c000000000000001e4009000c00000000000000244001000c000000000000003040020010000000040000000000803f214007000c0000000000000008400005cc020000c00200000210c0db01000000000000000000000000000000000000000100000089504e470d0a1a0a0000000d49484452000000520000001508020000005a132e18000000017352474200aece1ce9000000097048597300000e2600000e2601a2ef25fc00000248494441545847ed573b928240101df61c506564e405b06a530f406100a927582eb078013d81e91048790053abe40244465b05f7607b66603ec00cba0b89dad12abd33fdfabd7e8d565555e8f5e2e3f52013c46fd882f76c6bd1d866936aa14cb64939e90ddac37bd976bfab6b8c903f77c62caa4cd6ac9b4d3861ae9e2f674cdb728dc8cb1fa86831b3c7844dcf8aafe0a13c8e81b801303b21c2057958603f5e4e2a36b90af137215badb03fef916f018be1502a2f069a04f9387a05a25a89ed66a261a613207b64890fe8263b034e495eee8a34fedc35175ea53c057c3ad6d42ceec8611da04c34cda69d1ebfd526b695fb05dd12fd8229c88590b50105d36f843e877228db65f215a63eded793e6ccc9112b57479090856a51cd27d6f2fec877dcd74c6908d122b4e145d84f4f17764f76ce71e4752cd89443606787304571c4eda5b8a5468983d11b43362aa970fbd30324debe91571a3a66e4a6b970e03086bb4c76280a10d4dc0e430ec0a6ae2d913b998bdbc1b16a5a62077b982b4e581721e9bd6997d84114a7e12103ce163a61ea7300768bdcf27202eef512971ca35fe3d67d1cdab30542e9ada088950fbc07665725ae172f9739de68c711e972da7b9b8ef9808bff4de4e0084a3fa8a83830e627c2b9dbcede27787703829186f3919cdac599095e631f63f071e2a0c40cc51e7d6441eb5f05c466a6d6ad6c0bba3fea1bbbc62e9d491e76de295a7b7e2807f17703beb4d8fe92df1dfe8f59ec24a1e06e4feb9b8db737393225ac87e2df86732c28c8e4984ffaecfdc3f34989ed85f566fb95d8fe05e4fd36e146c42c3e0000000049454e44ae426082000840010824000000180000000210c0db01000000030000000000000000000000000000001b40000040000000340000000100000002000000000000bf000000bf0000a4420000a841030000000000008000000080ffffab420000008000000080ffffaf412100000008000000620000000c00000001000000150000000c00000004000000150000000c0000000400000051000000e00700000000000000000000550000001500000000000000000000000000000000000000520000001500000050000000ac000000fc000000e4060000000000002000cc0056000000160000002800000052000000150000000100080000000000000000000000000000000000210000000000000000000000ffffff00c6ffff0000008000c680000080a6e300ffe3a600e3a65400a6e3ff000000540054000000e3ffff000054a60080000000ffffc600ffc68000a6540000ffffe30080c6ff0054a6a6000080c60054a6e3005454540054540000a654540054a6c6005480c600a6c6a60054005400a6e3e300c6805400a6a654008000540001010101010101010101010101010101010101010101010101010101010101010101010101010101010101010101010101010101010101010101010101010101010101010101010101010101010101010101ffff01010101010101010101010101010101010101010101010101010101010101010101010101010101010101010101010101010101010101010101010101010101010101010101010101010101010101010101ffff01010101010101010101010101010101010101010101010101010101010101010101010101010101010101010101010101010101010101010101010101010101010101010101010101010101010101010101ffff01010101010101010101010101010101010101010101010101010101010101010101010101010101010101010101010101010101010101010101010101010101010101010101010101010101010101010101ffff01010101010101010101010101010101010101010101010101010101010101010101010101010101010101010101010101010101010101010101010101010101010101010101010101010101010101010101ffff01120000040114001011010101010101010101010101010101010101010101010101010203000000101101010101020300001011010101010101020300101101010809000a06020300101101010809000a06ffff0b0c0401121f0307081811010101010101010101010101010101010101010101010101140a06010b0c0d0e0101020310110b0c101101010101010108200e0101010112000f010108200e0101010112000f01ffff02030701011500070101010101010101010101010101010101010101010101010101011407010101080907010115000f010112000f0101010101010818110b0c0f01120a0601010818110b0c0f01120a0601ffff02030701010b0c04010101010101010101140000000000000000000a0601010101010101010101010203040101140d0e010102030701010101010108181112001011120a06010108181112001011120a0601ffff0b0c04010101150d0e01010101010101010101010101010101010101010101010101010101010101080907010b0c101101010203040101010101010818111404140f120a0601010818111404140f120a060154ff01140d0e0101120a0601010101010101010101010101010101010101010101010101010b0c07010b0c0a06010b0c101101010b0c1011010101010108181d1c06081e120a06010108181d1c06081e120a0601e3ff01080907010108090f0101010101010101140000000000000000000a0601010101010108091600000a0601010b0c101101010b0c101101010101010818191011011a1b1c0601010818191011011a1b1c0601ffff0101150a0601120004010101010101010101010101010101010101010101010101010108090f0101010101010b0c101101010203101101010101010816090701011217090f01010816090701011217090f01ffff0101011200000d1310110101010101010101010101010101010101010101010101010108090f01010101010101140d0e010102030401010101010203000d0e01010b0c000a060203000d0e01010b0c000a06ffff01010101010101120d0e0101010101010101010101010101010101010101010101010108090f01010101010101120a06010112000f0101010101010101010101010101010101010101010101010101010101ffff0101010101010108090f0101010101010101010101010101010101010101010101010108090f010101010101010b0c10110b0c0d0e0101010101010101010101010101010101010101010101010101010101c6ff01010101010101020307010101010101010101010101010101010101010101010101010809000000000a060101010b0c00000d0e010101010101010101010101010101010101010101010101010101010101ffff01010101010102030004010101010101010101010101010101010101010101010101010101010101010506010101010101010101010101010101010101010101010101010101010101010101010101010101ffff0101010101010101010101010101010101010101010101010101010101010101010101010101010101010101010101010101010101010101010101010101010101010101010101010101010101010101010154ff01010101010101010101010101010101010101010101010101010101010101010101010101010101010101010101010101010101010101010101010101010101010101010101010101010101010101010101ffff0101010101010101010101010101010101010101010101010101010101010101010101010101010101010101010101010101010101010101010101010101010101010101010101010101010101010101010100ff4c0000006400000000000000000000005500000015000000000000000000000056000000160000002900aa0000000000000000000000803f00000000000000000000803f0000000000000000000000000000000000000000000000000000000000000000220000000c000000ffffffff460000001c00000010000000454d462b024000000c000000000000000e000000140000000000000010000000140000000400000003010800050000000b0200000000050000000c0216005600030000001e0004000000070104000400000007010400d5030000410b2000cc00150052000000000016005600000000002800000052000000150000000100080000000000000000000000000000000000210000000000000000000000ffffff00c6ffff0000008000c680000080a6e300ffe3a600e3a65400a6e3ff000000540054000000e3ffff000054a60080000000ffffc600ffc68000a6540000ffffe30080c6ff0054a6a6000080c60054a6e3005454540054540000a654540054a6c6005480c600a6c6a60054005400a6e3e300c6805400a6a654008000540001010101010101010101010101010101010101010101010101010101010101010101010101010101010101010101010101010101010101010101010101010101010101010101010101010101010101010101ffff01010101010101010101010101010101010101010101010101010101010101010101010101010101010101010101010101010101010101010101010101010101010101010101010101010101010101010101ffff01010101010101010101010101010101010101010101010101010101010101010101010101010101010101010101010101010101010101010101010101010101010101010101010101010101010101010101ffff01010101010101010101010101010101010101010101010101010101010101010101010101010101010101010101010101010101010101010101010101010101010101010101010101010101010101010101ffff01010101010101010101010101010101010101010101010101010101010101010101010101010101010101010101010101010101010101010101010101010101010101010101010101010101010101010101ffff01120000040114001011010101010101010101010101010101010101010101010101010203000000101101010101020300001011010101010101020300101101010809000a06020300101101010809000a06ffff0b0c0401121f0307081811010101010101010101010101010101010101010101010101140a06010b0c0d0e0101020310110b0c101101010101010108200e0101010112000f010108200e0101010112000f01ffff02030701011500070101010101010101010101010101010101010101010101010101011407010101080907010115000f010112000f0101010101010818110b0c0f01120a0601010818110b0c0f01120a0601ffff02030701010b0c04010101010101010101140000000000000000000a0601010101010101010101010203040101140d0e010102030701010101010108181112001011120a06010108181112001011120a0601ffff0b0c04010101150d0e01010101010101010101010101010101010101010101010101010101010101080907010b0c101101010203040101010101010818111404140f120a0601010818111404140f120a060154ff01140d0e0101120a0601010101010101010101010101010101010101010101010101010b0c07010b0c0a06010b0c101101010b0c1011010101010108181d1c06081e120a06010108181d1c06081e120a0601e3ff01080907010108090f0101010101010101140000000000000000000a0601010101010108091600000a0601010b0c101101010b0c101101010101010818191011011a1b1c0601010818191011011a1b1c0601ffff0101150a0601120004010101010101010101010101010101010101010101010101010108090f0101010101010b0c101101010203101101010101010816090701011217090f01010816090701011217090f01ffff0101011200000d1310110101010101010101010101010101010101010101010101010108090f01010101010101140d0e010102030401010101010203000d0e01010b0c000a060203000d0e01010b0c000a06ffff01010101010101120d0e0101010101010101010101010101010101010101010101010108090f01010101010101120a06010112000f0101010101010101010101010101010101010101010101010101010101ffff0101010101010108090f0101010101010101010101010101010101010101010101010108090f010101010101010b0c10110b0c0d0e0101010101010101010101010101010101010101010101010101010101c6ff01010101010101020307010101010101010101010101010101010101010101010101010809000000000a060101010b0c00000d0e010101010101010101010101010101010101010101010101010101010101ffff01010101010102030004010101010101010101010101010101010101010101010101010101010101010506010101010101010101010101010101010101010101010101010101010101010101010101010101ffff0101010101010101010101010101010101010101010101010101010101010101010101010101010101010101010101010101010101010101010101010101010101010101010101010101010101010101010154ff01010101010101010101010101010101010101010101010101010101010101010101010101010101010101010101010101010101010101010101010101010101010101010101010101010101010101010101ffff0101010101010101010101010101010101010101010101010101010101010101010101010101010101010101010101010101010101010101010101010101010101010101010101010101010101010101010100ff0c00000040092900aa000000000000001600560000000000040000002701ffff030000000000 - внутренний диаметр подшипника;
010009000003660b00000000e40600000000e406000026060f00be0d574d46430100000000000100355400000000010000009c0d0000000000009c0d0000010000006c000000000000000000000061000000150000000000000000000000060a00003f02000020454d46000001009c0d00000c00000001000000000000000000000000000000900600001a040000b801000013010000000000000000000000000000c0b6060038320400460000002c00000020000000454d462b014001001c000000100000000210c0db01000000600000006000000046000000680300005c030000454d462b224004000c000000000000001e4009000c00000000000000244001000c000000000000003040020010000000040000000000803f214007000c0000000000000008400005b4020000a80200000210c0db01000000000000000000000000000000000000000100000089504e470d0a1a0a0000000d494844520000005e000000150802000000402fce96000000017352474200aece1ce9000000097048597300000e2600000e2601a2ef25fc00000230494441545847ed584b8e8240106de71c98b872e5053071eb0108b380ad27182e205ec039815b58483c005b13b9802b5726720fa6fa63d340573393c0b0e95a21557657bfaaf7ba74565515b1a643e0c3c2822160a1417bc342d30b4d7198b5ed332dc7645b997ecef02d502f75bced508c99200119e6f64a7c42fce4a57c523ecbb0211e6eb13892dc4e5dd5e0557364cf24be0d9190768d16a1560b8767ed0467ba77169e06ae0c6dcf7c2b2ad1297a8ff714667ef21db01c9d200284e37ce0fcea946a685e8f8cf8cb79ed72361ed4e5fe1c9656eebeaaf62e4604a3b7c8010b593c42dc2d828d5407957192899cc5fd31121abaafef6d44d3d4a9678fd7a884fefde2e5f30e0c578bc7beaba99dbb878e0723f151ea65710a09bc01069e59d7f5c7bca161fb2a1591197773112e8d7037847c6415a759cc97546e30f3a2c4cf2e57def4457e4f22af03ad294640535e2f1989b7cd46a714d3c2c536a3bd6f325e9c296d0e8ac0b129d323890242cfd332438c80a623340c684ae5165c531eb5b3b7b9765ca9e94502645a61e7c06338341a3a01d06664fe9d50ce62454847fa50c2f3d606a58ed7eb7bb243951f8d61d074e954a65f2130ec86df2513108a498b725bb76f2c5d47bb3b1841e2c8486e248641d3a413bde5e66106c3940198298825261971ebb0b6f6f17610fd05039a7a8e66d799632a397cd6a7d50ea9434d9d7c8a6d5a3dd39abd9083922e9ae63b460da817e66ffb6366f6ff1a8c00f697372a0d161a0bcddfef0ddb3528663f04bce5faba2cacf70000000049454e44ae426082000840010824000000180000000210c0db01000000030000000000000000000000000000001b40000040000000340000000100000002000000000000bf000000bf0000bc420000a841030000000000008000000080feffc3420000008000000080feffaf412100000008000000620000000c00000001000000150000000c00000004000000150000000c0000000400000051000000d008000000000000000000006100000015000000000000000000000000000000000000005e0000001500000050000000a0000000f0000000e0070000000000002000cc006200000016000000280000005e0000001500000001000800000000000000000000000000000000001e0000000000000000000000ffffff0080c6ff0054000000ffe3a600a6e3ff0054005400e3ffff000054a60080000000ffffc60054a6e300e3a65400c6ffff0000008000a6540000ffffe300ffc680000080c600c6800000545454000000540054540000a654540054a6c6005480c600a6c6a600a6e3e300c680540080005400010101010101010101010101010101010101010101010101010101010101010101010101010101010101010101010101010101010101010101010101010101010101010101010101010101010101010101010101010101010101010101010101010101010101010101010101010101010101010101010101010101010101010101010101010101010101010101010101010101010101010101010101010101010101010101010101010101010101010101010101010101010101010101010101010101010101010101010101010101010101010101010101010101010101010101010101010101010101010101010101010101010101010101010101010101010101010101010101010101010101010101010101010101010101010101010101010101010101010101010101010101010101010101010101010101010101010101010101010101010101010101010101010101010101010101010101010101010101010101010101010101010101010101010101010101010101010101010101010101010101010101010101010101010101010101010101010101010101010101010101010101010101010101010101010101010101010101010101010101010101010101010101010101010101010101010101010101010101010101010203020000000000030401010101010101010101010101010101010101010101010101010101010708000000000013010107080000000000130101010d0e00000f100101010101010d0e000f10010105150003040d0e000f100101051500030401080102030401010b0013010101010101010101010101010101010101010101010101010101010101010b0304010101010101010b0304010101010d0e0f1007080f10010101010101051d0a010101010200110101051d0a0101010102001101ffff010515110101010515130101010101010101010101010101010101010101010101010101010101010b0304010101010101010b0304010101010b001101010200110101010101010517100708110102030401010517100708110102030401010101070813010101010b001101010101010101011200000000000000000003040101010101010101010b0304010101010101010b03040101010112090a01010d0e0c01010101010105171002000f10020304010105171002000f100203040101010101120f100101010d0e1301010101010101010101010101010101010101010101010101010101010b0304010101010101010b030401010107080f1001010d0e130101010101010517101213121102030401010517101213121102030401010801010b090a0101010112090a010101010101010101010101010101010101010101010101010101010b0304010101010101010b030401010107080f10010107080f10010101010105171b0604051c020304010105171b0604051c0203040110110101051511010101010b0304010101010101011200000000000000000003040101010101010101010b0304010101010101010b030401010107080f10010107080f1001010101010517180f1001191a060401010517180f1001191a060401020301010d0e0c010101010b0011010101010101010101010101010101010101010101010101010101010b0304010101010101010b030401010107080f1001010d0e0f1001010101010514150c01010216151101010514150c010102161511010101010101120f100101010b0304010101010101010101010101010101010101010101010101010101010b0304010101010101010b03040101010112090a01010d0e1301010101010d0e00090a010107080003040d0e00090a01010708000304c6ff0101010b090a01010708090a0101010101010101010101010101010101010101010101010102090a0b03040101010102090a0b0304010101010203040101020011010101010101010101010101010101010101010101010101010101010101010101010b0304010708000c0101010101010101010101010101010101010101010101010101010d0e00030401010101010d0e0003040101010107080f100708090a010101010101010101010101010101010101010101010101010101010101010101020000000000030401010101010101010101010101010101010101010101010101010101010105060401010101010101050604010101010107080000090a010101010101010101010101010101010101010101010101010101010101010101010101010101010101010101010101010101010101010101010101010101010101010101010101010101010101010101010101010101010101010101010101010101010101010101010101010101010101010101010101010101010101010101010101010101010101010101010101010101010101010101010101010101010101010101010101010101010101010101010101010101010101010101010101010101010101010101010101010101010101010101010101010101010101ffff01010101010101010101010101010101010101010101010101010101010101010101010101010101010101010101010101010101010101010101010101010101010101010101010101010101010101010101010101010101010101010101ffff01010101010101010101010101010101010101010101010101010101010101010101010101010101010101010101010101010101010101010101010101010101010101010101010101010101010101010101010101010101010101010101ffff4c0000006400000000000000000000006100000015000000000000000000000062000000160000002900aa0000000000000000000000803f00000000000000000000803f0000000000000000000000000000000000000000000000000000000000000000220000000c000000ffffffff460000001c00000010000000454d462b024000000c000000000000000e000000140000000000000010000000140000000400000003010800050000000b0200000000050000000c0216006200030000001e00040000000701040004000000070104004d040000410b2000cc0015005e00000000001600620000000000280000005e0000001500000001000800000000000000000000000000000000001e0000000000000000000000ffffff0080c6ff0054000000ffe3a600a6e3ff0054005400e3ffff000054a60080000000ffffc60054a6e300e3a65400c6ffff0000008000a6540000ffffe300ffc680000080c600c6800000545454000000540054540000a654540054a6c6005480c600a6c6a600a6e3e300c680540080005400010101010101010101010101010101010101010101010101010101010101010101010101010101010101010101010101010101010101010101010101010101010101010101010101010101010101010101010101010101010101010101010101010101010101010101010101010101010101010101010101010101010101010101010101010101010101010101010101010101010101010101010101010101010101010101010101010101010101010101010101010101010101010101010101010101010101010101010101010101010101010101010101010101010101010101010101010101010101010101010101010101010101010101010101010101010101010101010101010101010101010101010101010101010101010101010101010101010101010101010101010101010101010101010101010101010101010101010101010101010101010101010101010101010101010101010101010101010101010101010101010101010101010101010101010101010101010101010101010101010101010101010101010101010101010101010101010101010101010101010101010101010101010101010101010101010101010101010101010101010101010101010101010101010101010101010101010101010101010101010203020000000000030401010101010101010101010101010101010101010101010101010101010708000000000013010107080000000000130101010d0e00000f100101010101010d0e000f10010105150003040d0e000f100101051500030401080102030401010b0013010101010101010101010101010101010101010101010101010101010101010b0304010101010101010b0304010101010d0e0f1007080f10010101010101051d0a010101010200110101051d0a0101010102001101ffff010515110101010515130101010101010101010101010101010101010101010101010101010101010b0304010101010101010b0304010101010b001101010200110101010101010517100708110102030401010517100708110102030401010101070813010101010b001101010101010101011200000000000000000003040101010101010101010b0304010101010101010b03040101010112090a01010d0e0c01010101010105171002000f10020304010105171002000f100203040101010101120f100101010d0e1301010101010101010101010101010101010101010101010101010101010b0304010101010101010b030401010107080f1001010d0e130101010101010517101213121102030401010517101213121102030401010801010b090a0101010112090a010101010101010101010101010101010101010101010101010101010b0304010101010101010b030401010107080f10010107080f10010101010105171b0604051c020304010105171b0604051c0203040110110101051511010101010b0304010101010101011200000000000000000003040101010101010101010b0304010101010101010b030401010107080f10010107080f1001010101010517180f1001191a060401010517180f1001191a060401020301010d0e0c010101010b0011010101010101010101010101010101010101010101010101010101010b0304010101010101010b030401010107080f1001010d0e0f1001010101010514150c01010216151101010514150c010102161511010101010101120f100101010b0304010101010101010101010101010101010101010101010101010101010b0304010101010101010b03040101010112090a01010d0e1301010101010d0e00090a010107080003040d0e00090a01010708000304c6ff0101010b090a01010708090a0101010101010101010101010101010101010101010101010102090a0b03040101010102090a0b0304010101010203040101020011010101010101010101010101010101010101010101010101010101010101010101010b0304010708000c0101010101010101010101010101010101010101010101010101010d0e00030401010101010d0e0003040101010107080f100708090a010101010101010101010101010101010101010101010101010101010101010101020000000000030401010101010101010101010101010101010101010101010101010101010105060401010101010101050604010101010107080000090a010101010101010101010101010101010101010101010101010101010101010101010101010101010101010101010101010101010101010101010101010101010101010101010101010101010101010101010101010101010101010101010101010101010101010101010101010101010101010101010101010101010101010101010101010101010101010101010101010101010101010101010101010101010101010101010101010101010101010101010101010101010101010101010101010101010101010101010101010101010101010101010101010101010101ffff01010101010101010101010101010101010101010101010101010101010101010101010101010101010101010101010101010101010101010101010101010101010101010101010101010101010101010101010101010101010101010101ffff01010101010101010101010101010101010101010101010101010101010101010101010101010101010101010101010101010101010101010101010101010101010101010101010101010101010101010101010101010101010101010101ffff0c00000040092900aa000000000000001600620000000000040000002701ffff030000000000 – внешний диаметр подшипника;
010009000003720a000000006c06000000006c06000026060f00ce0c574d4643010000000000010085630000000001000000ac0c000000000000ac0c0000010000006c000000000000000000000056000000150000000000000000000000e60800003f02000020454d4600000100ac0c00000c00000001000000000000000000000000000000900600001a040000b801000013010000000000000000000000000000c0b6060038320400460000002c00000020000000454d462b014001001c000000100000000210c0db010000006000000060000000460000007003000064030000454d462b224004000c000000000000001e4009000c00000000000000244001000c000000000000003040020010000000040000000000803f214007000c0000000000000008400005bc020000b00200000210c0db01000000000000000000000000000000000000000100000089504e470d0a1a0a0000000d4948445200000053000000150802000000b5d14526000000017352474200aece1ce9000000097048597300000e2600000e2601a2ef25fc00000238494441545847ed573dae8240105ede3920b1b2e20298d87a008205b49e402e205cc01bd84221f100b6267201aa57bd04eec19bdd85fde5c74468c4ad841d67e7fbe69b99c5a8eb1a2d72fd2c123506fd45bebcd4b739cf63435ffbb49a8311e92ced8c2addf348e27c8e00a84fe87074958987909794d2338a9ecc60921fcf08ce64a79027e10c12037f26db5347d0c250908bc7a8544c855c6097d2cdc0e948f11bd17e9218a813dee1cadf0c453b87ab0bbff0dcad39a9de9c537df5b94b736573f7d55f0138d79670a0b5f650767b6845c70a462c075627b482466c58ce157665554e48b5ec4aceb29ef37eddc10e2c5111f06ff286eb76d0a6cd39e13b0bacb6b9dc7710a2981d39f39d0d516891aff5c62a3d4710e8a9159ab303714767d657abf41864039273c3c4638ac8ef4512baaa6850af4d83bc7adc40ebac9b9549b13186a207d10eae7ece0471032e94940c37ec38274813e7ff885cdce3ec555fc5595bb7810e24a2d04750a0eaeab36990939ae61566fa61040ab8cc3753a026adc07e6a0c99fe95537add22adf2656038501c677e096cb14789563d361439d17a3fb5bae0de547b1e63d8b598ee2e5113258e34595c21d166532407a1392bce3a6d0872aa7591b3fc8ec789d466256fefa81dd20d817295e7714f5d412221ac5018055df43807988c23569d36585b4a5fa74376a6318a9d4bae714be6f7a797ef51d88f76c95186c3a00d22b0d53513ea86e4e1e328ef23c4b741ebb722fedf111be3fb7d3e30363f73ebfb7dfe99791d42b5dc9cff033c76169cf6c9bb660000000049454e44ae426082000840010824000000180000000210c0db01000000030000000000000000000000000000001b40000040000000340000000100000002000000000000bf000000bf0000a6420000a841030000000000008000000080ffffad420000008000000080ffffaf412100000008000000620000000c00000001000000150000000c00000004000000150000000c0000000400000051000000d80700000000000000000000560000001500000000000000000000000000000000000000530000001500000050000000a4000000f4000000e4060000000000002000cc00570000001600000028000000530000001500000001000800000000000000000000000000000000001f0000000000000000000000ffffff0080c6ff00a6540000ffffe30054000000ffe3a600a6e3ff000000540080000000ffffc60054a6e300c68000000080c600c6ffff0000008000ffc68000e3ffff000054a600e3a654005454540054540000a654540054a6c6005480c600a6c6a60054005400a6a65400a6e3e300c680540080005400010101010101010101010101010101010101010101010101010101010101010101010101010101010101010101010101010101010101010101010101010101010101010101010101010101010101010101010100010101010101010101010101010101010101010101010101010101010101010101010101010101010101010101010101010101010101010101010101010101010101010101010101010101010101010101010100010101010101010101010101010101010101010101010101010101010101010101010101010101010101010101010101010101010101010101010101010101010101010101010101010101010101010101010100010101010101010101010101010101010101010101010101010101010101010101010101010101010101010101010101010101010101010101010101010101010101010101010101010101010101010101010100010101010101010101010101010101010101010101010101010101010101010101010101010101010101010101010101010101010101010101010101010101010101010101010101010101010101010101010100020000000000001301010101010101010101010101010101010101010101010101010101010d000000000000130101010708050601010101010101010e0f000304010107080005060e0f0003040101070800050001020506010107080304010101010101010101010101010101010101010101010101010101071a060101010d13010101010107080c0101010101010101071e0a010101010200100101071e0a010101010200100001070810010101020013010101010101010101010101010101010101010101010101010101010b0304010102130101010101010e0f0c0101010101010107160411121001020506010107160411121001020506000111120c0101010e0f0c01010101010101010d00000000000000000005060101010101010101010d0c01010101010101010101010b0506010101010101071604020003040205060101071604020003040205060001010d030401010e0f0c010101010101010101010101010101010101010101010101010101010111120c010101010101010101010708130101010101010716040d0c0d1002050601010716040d0c0d100205060001010b090a01010b05060101010101010101010101010101010101010101010101010101010101011112130101010111120000001b0f0c01010101010107161c1a06071d020506010107161c1a06071d0205060001010708000000090a0101010101010101010d000000000000000000050601010101010101010101010708100101010d050601010b000304010101010107161703040118191a06010107161703040118191a060001010e0f1301010e0f0304010101010101010101010101010101010101010101010101010101010101010d090a010e0f0c01010111120304010101010107140813010102150810010107140813010102150810000101010d0c0101010e0f13010101010101010101010101010101010101010101010101010101010101010200100107081301010111120304010101010e0f00090a010111120005060e0f00090a010111120005000101010b090a010111120304010101010101010101010101010101010101010101010101010d130101010b0010010e0f0c0101010e0f1301010101010101010101010101010101010101010101010101010101000101010b0506010107080c01010101010101010101010101010101010101010101010101010d0506010e0f090a01010b001001010d090a010101010101010101010101010101010101010101010101010101010001010200000000000003040101010101010101010101010101010101010101010101010101010200000005060101010107080000090a0101010101010101010101010101010101010101010101010101010101000101010101010101010101010101010101010101010101010101010101010101010101010101010101010101010101010101010101010101010101010101010101010101010101010101010101010101010101000101010101010101010101010101010101010101010101010101010101010101010101010101010101010101010101010101010101010101010101010101010101010101010101010101010101010101010101000101010101010101010101010101010101010101010101010101010101010101010101010101010101010101010101010101010101010101010101010101010101010101010101010101010101010101010101000101010101010101010101010101010101010101010101010101010101010101010101010101010101010101010101010101010101010101010101010101010101010101010101010101010101010101010101004c0000006400000000000000000000005600000015000000000000000000000057000000160000002900aa0000000000000000000000803f00000000000000000000803f0000000000000000000000000000000000000000000000000000000000000000220000000c000000ffffffff460000001c00000010000000454d462b024000000c000000000000000e000000140000000000000010000000140000000400000003010800050000000b0200000000050000000c0216005700030000001e0004000000070104000400000007010400d1030000410b2000cc001500530000000000160057000000000028000000530000001500000001000800000000000000000000000000000000001f0000000000000000000000ffffff0080c6ff00a6540000ffffe30054000000ffe3a600a6e3ff000000540080000000ffffc60054a6e300c68000000080c600c6ffff0000008000ffc68000e3ffff000054a600e3a654005454540054540000a654540054a6c6005480c600a6c6a60054005400a6a65400a6e3e300c680540080005400010101010101010101010101010101010101010101010101010101010101010101010101010101010101010101010101010101010101010101010101010101010101010101010101010101010101010101010100010101010101010101010101010101010101010101010101010101010101010101010101010101010101010101010101010101010101010101010101010101010101010101010101010101010101010101010100010101010101010101010101010101010101010101010101010101010101010101010101010101010101010101010101010101010101010101010101010101010101010101010101010101010101010101010100010101010101010101010101010101010101010101010101010101010101010101010101010101010101010101010101010101010101010101010101010101010101010101010101010101010101010101010100010101010101010101010101010101010101010101010101010101010101010101010101010101010101010101010101010101010101010101010101010101010101010101010101010101010101010101010100020000000000001301010101010101010101010101010101010101010101010101010101010d000000000000130101010708050601010101010101010e0f000304010107080005060e0f0003040101070800050001020506010107080304010101010101010101010101010101010101010101010101010101071a060101010d13010101010107080c0101010101010101071e0a010101010200100101071e0a010101010200100001070810010101020013010101010101010101010101010101010101010101010101010101010b0304010102130101010101010e0f0c0101010101010107160411121001020506010107160411121001020506000111120c0101010e0f0c01010101010101010d00000000000000000005060101010101010101010d0c01010101010101010101010b0506010101010101071604020003040205060101071604020003040205060001010d030401010e0f0c010101010101010101010101010101010101010101010101010101010111120c010101010101010101010708130101010101010716040d0c0d1002050601010716040d0c0d100205060001010b090a01010b05060101010101010101010101010101010101010101010101010101010101011112130101010111120000001b0f0c01010101010107161c1a06071d020506010107161c1a06071d0205060001010708000000090a0101010101010101010d000000000000000000050601010101010101010101010708100101010d050601010b000304010101010107161703040118191a06010107161703040118191a060001010e0f1301010e0f0304010101010101010101010101010101010101010101010101010101010101010d090a010e0f0c01010111120304010101010107140813010102150810010107140813010102150810000101010d0c0101010e0f13010101010101010101010101010101010101010101010101010101010101010200100107081301010111120304010101010e0f00090a010111120005060e0f00090a010111120005000101010b090a010111120304010101010101010101010101010101010101010101010101010d130101010b0010010e0f0c0101010e0f1301010101010101010101010101010101010101010101010101010101000101010b0506010107080c01010101010101010101010101010101010101010101010101010d0506010e0f090a01010b001001010d090a010101010101010101010101010101010101010101010101010101010001010200000000000003040101010101010101010101010101010101010101010101010101010200000005060101010107080000090a0101010101010101010101010101010101010101010101010101010101000101010101010101010101010101010101010101010101010101010101010101010101010101010101010101010101010101010101010101010101010101010101010101010101010101010101010101010101000101010101010101010101010101010101010101010101010101010101010101010101010101010101010101010101010101010101010101010101010101010101010101010101010101010101010101010101000101010101010101010101010101010101010101010101010101010101010101010101010101010101010101010101010101010101010101010101010101010101010101010101010101010101010101010101000101010101010101010101010101010101010101010101010101010101010101010101010101010101010101010101010101010101010101010101010101010101010101010101010101010101010101010101000c00000040092900aa000000000000001600570000000000040000002701ffff030000000000 - ширина подшипника;
0100090000035c0a000000005606000000005606000026060f00a20c574d46430100000000000100dc5a0000000001000000800c000000000000800c0000010000006c000000000000000000000057000000150000000000000000000000000900003f02000020454d4600000100800c00000c00000001000000000000000000000000000000900600001a040000b801000013010000000000000000000000000000c0b6060038320400460000002c00000020000000454d462b014001001c000000100000000210c0db010000006000000060000000460000004403000038030000454d462b224004000c000000000000001e4009000c00000000000000244001000c000000000000003040020010000000040000000000803f214007000c000000000000000840000590020000840200000210c0db01000000000000000000000000000000000000000100000089504e470d0a1a0a0000000d4948445200000054000000150802000000570d5e5f000000017352474200aece1ce9000000097048597300000e2600000e2601a2ef25fc0000020c494441545847ed57bdadc2301076982391a8a8582048b40c10852269d9200b60168009684341c400b44864012aaa27257be49d7f92d80e76c47b1881c0158e3ffbeebb3b7f679caaaad0a78ec1a71227bcbfe43f35fbcfca7cbe72da31df95867897bb79035de556130382677b9c313008d382d929d2509c2ac6e92ac732243e5bf30f593bb93d18c837d41bf6b739913809581a367bec09796aa236c227a2b70f8e8f8151674987e55eca916195d294553f06c106082ddd87d3766229dc62557763da5d956f8cb803b030c43a210546beb4aef76106d1be5afa2c60f8803664e20adf64bd91644b50b0faa741c9d8562fceee52306fc49379735790a461763831f5cc8f973409201a234f049b305ced8b6b06776d13b966d7fca5f90aecf507d45b211b59ec398f91716f1a70f6e56e8d9208010d7518308c7cf973416130eda17e57ce7460282b52cb786d6c77f56e9214341e6a1d73a30467f136cfb7f178c60b58b5acc750f2e5e990994c34c7fda3ec0597b4b5ec0ec70865d742765fa963859b3fc3084f269774a1e10e781d8692a7452f5f95db89fb53d993478b2406fa74d2b0e063f3b2c98f502486c4132ffd0591e9c478637598baf15a92f76e5f57245d6966a2bc1b5b0359ecf8ac1cd687813ecfda9cbd7754fb92e0e524d9ea76f2a63f4bef1d59696b4cf7f1446cb0affd18e7fb7ffe213afe7e873ceb5fdd4b46e64bfe25d3f204a77e017ea0b1e4664bc0300000000049454e44ae426082000840010824000000180000000210c0db01000000030000000000000000000000000000001b40000040000000340000000100000002000000000000bf000000bf0000a8420000a841030000000000008000000080feffaf420000008000000080feffaf412100000008000000620000000c00000001000000150000000c00000004000000150000000c0000000400000051000000d80700000000000000000000570000001500000000000000000000000000000000000000540000001500000050000000a4000000f4000000e4060000000000002000cc00580000001600000028000000540000001500000001000800000000000000000000000000000000001f0000000000000000000000ffffff0080c6ff0054000000ffe3a600e3ffff000054a60080000000ffffc6000080c600a6540000ffffe300e3a6540054a6e300ffc68000c6800000c6ffff000000800054a6a600a6e3ff0080005400545454000000540054540000a654540054a6c6005480c600a6c6a60054005400a6e3e300c680540001010101010101010101010101010101010101010101010101010101010101010101010101010101010101010101010101010101010101010101010101010101010101010101010101010101010101010101010101010101010101010101010101010101010101010101010101010101010101010101010101010101010101010101010101010101010101010101010101010101010101010101010101010101010101010101010101010101010101010101010101010101010101010101010101010101010101010101010101010101010101010101010101010101010101010101010101010101010101010101010101010101010101010101010101010101010101010101010101010101010101010101010101010101010101010101010101010101010101010101010101010101010101010101010101010101010101010101010101010101010101010101010101010101010101010101010101010101010101010101010101010101010101010101010101010101010101010101010101010101010101010101010101010101010101010101010101010101010101010101010105060f01010101010101010101010101010101010101010101010101010101010110110000000f01010110110f010101101100000a0b0101010101011011000a0b010113160003041011000a0b01011316000304010d070801010101010101010101010101010101010101010101010101010101050607080105060a0b0110110f010110110a0b05060a0b0101010101011314080101010102000e01011314080101010102000e01010203040101010101010101010101010101010101010101010101010101010105060c01010102000e0101010101010d000e010102000e01010101010113180b05060e01020304010113180b05060e01020304010113160e0101010101010101010101090000000000000000000304010101010101010101010113160c010101010101090708010110110c01010101010113180b02000a0b020304010113180b02000a0b020304010105060c0101010101010101010101010101010101010101010101010101010101010101010102000c010101010105060a0b010110110f01010101010113180b090f090e020304010113180b090f090e020304010101090a0b010101010101010101010101010101010101010101010101010101010101010113160708010101010105060a0b010105060a0b010101010113181d1c04131e020304010113181d1c04131e0203040101010d000c0101010101010101010109000000000000000000030401010101010101101100000a0b01010101010105060a0b010105060a0b01010101011318190a0b011a1b1c0401011318190a0b011a1b1c0401060e0d07120f13140801010101010101010101010101010101010101010101010101010105060a0b01010101010105060a0b010110110a0b01010101011315160c01010217160e01011315160c01010217160e010109000f01020003040101010101010101010101010101010101010101010101010101010101090708010101010101090708010110110f0101010101101100070801010506000304101100070801010506000304010101010101010101010101010101010101010101010101010101010101010101090c0101010d000e010101010101020304010102000e0101010101010101010101010101010101010101010101010101010101010101010101010101010101010101010101010101010101010101010101010101090304010506030401010101010105060a0b0506070801010101010101010101010101010101010101010101010101010101010101010101010101010101010101010101010101010101010101010101010101010102000000030401010101010101010506000007080101010101010101010101010101010101010101010101010101010101010101010101010101010101010101010101010101010101010101010101010101010101010101010101010101010101010101010101010101010101010101010101010101010101010101010101010101010101010101010101010101010101010101010101010101010101010101010101010101010101010101010101010101010101010101010101010101010101010101010101010101010101010101010101010101010101010101010101010101010101010101010101010101010101010101010101010101010101010101010101010101010101010101010101010101010101010101010101010101010101010101010101010101010101010101010101010101010101010101010101010101010101010101010101010101010101010101010101010101010101010101010101010101010101010101010101010101010101010101010101010101010101014c0000006400000000000000000000005700000015000000000000000000000058000000160000002900aa0000000000000000000000803f00000000000000000000803f0000000000000000000000000000000000000000000000000000000000000000220000000c000000ffffffff460000001c00000010000000454d462b024000000c000000000000000e000000140000000000000010000000140000000400000003010800050000000b0200000000050000000c0216005800030000001e0004000000070104000400000007010400d1030000410b2000cc001500540000000000160058000000000028000000540000001500000001000800000000000000000000000000000000001f0000000000000000000000ffffff0080c6ff0054000000ffe3a600e3ffff000054a60080000000ffffc6000080c600a6540000ffffe300e3a6540054a6e300ffc68000c6800000c6ffff000000800054a6a600a6e3ff0080005400545454000000540054540000a654540054a6c6005480c600a6c6a60054005400a6e3e300c680540001010101010101010101010101010101010101010101010101010101010101010101010101010101010101010101010101010101010101010101010101010101010101010101010101010101010101010101010101010101010101010101010101010101010101010101010101010101010101010101010101010101010101010101010101010101010101010101010101010101010101010101010101010101010101010101010101010101010101010101010101010101010101010101010101010101010101010101010101010101010101010101010101010101010101010101010101010101010101010101010101010101010101010101010101010101010101010101010101010101010101010101010101010101010101010101010101010101010101010101010101010101010101010101010101010101010101010101010101010101010101010101010101010101010101010101010101010101010101010101010101010101010101010101010101010101010101010101010101010101010101010101010101010101010101010101010101010101010101010101010105060f01010101010101010101010101010101010101010101010101010101010110110000000f01010110110f010101101100000a0b0101010101011011000a0b010113160003041011000a0b01011316000304010d070801010101010101010101010101010101010101010101010101010101050607080105060a0b0110110f010110110a0b05060a0b0101010101011314080101010102000e01011314080101010102000e01010203040101010101010101010101010101010101010101010101010101010105060c01010102000e0101010101010d000e010102000e01010101010113180b05060e01020304010113180b05060e01020304010113160e0101010101010101010101090000000000000000000304010101010101010101010113160c010101010101090708010110110c01010101010113180b02000a0b020304010113180b02000a0b020304010105060c0101010101010101010101010101010101010101010101010101010101010101010102000c010101010105060a0b010110110f01010101010113180b090f090e020304010113180b090f090e020304010101090a0b010101010101010101010101010101010101010101010101010101010101010113160708010101010105060a0b010105060a0b010101010113181d1c04131e020304010113181d1c04131e0203040101010d000c0101010101010101010109000000000000000000030401010101010101101100000a0b01010101010105060a0b010105060a0b01010101011318190a0b011a1b1c0401011318190a0b011a1b1c0401060e0d07120f13140801010101010101010101010101010101010101010101010101010105060a0b01010101010105060a0b010110110a0b01010101011315160c01010217160e01011315160c01010217160e010109000f01020003040101010101010101010101010101010101010101010101010101010101090708010101010101090708010110110f0101010101101100070801010506000304101100070801010506000304010101010101010101010101010101010101010101010101010101010101010101090c0101010d000e010101010101020304010102000e0101010101010101010101010101010101010101010101010101010101010101010101010101010101010101010101010101010101010101010101010101090304010506030401010101010105060a0b0506070801010101010101010101010101010101010101010101010101010101010101010101010101010101010101010101010101010101010101010101010101010102000000030401010101010101010506000007080101010101010101010101010101010101010101010101010101010101010101010101010101010101010101010101010101010101010101010101010101010101010101010101010101010101010101010101010101010101010101010101010101010101010101010101010101010101010101010101010101010101010101010101010101010101010101010101010101010101010101010101010101010101010101010101010101010101010101010101010101010101010101010101010101010101010101010101010101010101010101010101010101010101010101010101010101010101010101010101010101010101010101010101010101010101010101010101010101010101010101010101010101010101010101010101010101010101010101010101010101010101010101010101010101010101010101010101010101010101010101010101010101010101010101010101010101010101010101010101010101010101010c00000040092900aa000000000000001600580000000000040000002701ffff030000000000 – радиус закругления внутренний;
r1 =1.0 мм – радиус закругления внешний.
Определяем виды нагружения колец.
На основе анализа конструкции и работы узла устанавливаем, что внутреннее кольцо вращается с валом, следовательно оно испытывает циркуляционный вид нагружения, наружное кольцо установлено в стакане и не вращается, следовательно оно испытывает местный вид нагружения.
Для циркуляционного нагруженного кольца посадку выбираем расчетом интенсивности радиальной нагрузки [1, с. 221]
(3.1)
где 0100090000039a03000000009e02000000009e02000026060f003205574d4643010000000000010033c20000000001000000100500000000000010050000010000006c00000000000000000000000c000000150000000000000000000000530100003f02000020454d4600000100100500000c00000001000000000000000000000000000000900600001a040000b801000013010000000000000000000000000000c0b6060038320400460000002c00000020000000454d462b014001001c000000100000000210c0db01000000600000006000000046000000e8010000dc010000454d462b224004000c000000000000001e4009000c00000000000000244001000c000000000000003040020010000000040000000000803f214007000c000000000000000840000534010000280100000210c0db01000000000000000000000000000000000000000100000089504e470d0a1a0a0000000d494844520000000c000000150802000000fdce98e3000000017352474200aece1ce9000000097048597300000e2600000e2601a2ef25fc000000b049444154384f63fcffff3f0321c0444801489e7a8a18806e0281630d98f6361c834ac214fdffff7859080343c8b2c7c8baa05c3437e928c8404db44c066a5ab3eef01364873f39bc6e0d43889a2c56df424d073b0a6119aaed280e87bb14ec3e841ea82288281280ab07d90475f8e35b4007417d06b618d5718850826b068719b25160939e3cb8021475b3845a27ab06b4fbca0390e7a1001eda485ad1c2f53f039293d1821be13dc641989e884a99008802dde6b6a668dc0000000049454e44ae426082000840010824000000180000000210c0db01000000030000000000000000000000000000001b40000040000000340000000100000002000000000000bf000000bf000040410000a841030000000000008000000080ffff4f410000008000000080ffffaf412100000008000000620000000c00000001000000150000000c00000004000000150000000c0000000400000051000000c401000000000000000000000c00000015000000000000000000000000000000000000000c000000150000005000000078000000c8000000fc000000000000002000cc000d00000016000000280000000c000000150000000100080000000000000000000000000000000000140000000000000000000000ffffff0080c6ff00ffc6800054a6e30054000000ffe3a6000080c60080000000ffffc600a6e3ff0000005400e3a65400e3ffff000054a600a6540000ffffe300c6ffff0000008000c68000000101010101010101010101010101010101010101010101010101010101010101010101010101010101010101010101010101010101010101010101010400000506010107000f10010107000301010d0e0f100101010a0b0301010a0b0c0101010111121301010200030101010101070f1001070f100101010101040000000008090101010101020003010104000c0101010111120c0101010405060101010d0e0f1001010a0b0c0101010104080901010a0b0c010101010405060101070506010101020000000000000301010101010101010101010101010101010101010101010101010101010101010101010101010101010101010101010101014c0000006400000000000000000000000c0000001500000000000000000000000d000000160000002900aa0000000000000000000000803f00000000000000000000803f0000000000000000000000000000000000000000000000000000000000000000220000000c000000ffffffff460000001c00000010000000454d462b024000000c000000000000000e000000140000000000000010000000140000000400000003010800050000000b0200000000050000000c0216000d00030000001e0004000000070104000400000007010400c7000000410b2000cc0015000c000000000016000d0000000000280000000c000000150000000100080000000000000000000000000000000000140000000000000000000000ffffff0080c6ff00ffc6800054a6e30054000000ffe3a6000080c60080000000ffffc600a6e3ff0000005400e3a65400e3ffff000054a600a6540000ffffe300c6ffff0000008000c68000000101010101010101010101010101010101010101010101010101010101010101010101010101010101010101010101010101010101010101010101010400000506010107000f10010107000301010d0e0f100101010a0b0301010a0b0c0101010111121301010200030101010101070f1001070f100101010101040000000008090101010101020003010104000c0101010111120c0101010405060101010d0e0f1001010a0b0c0101010104080901010a0b0c010101010405060101070506010101020000000000000301010101010101010101010101010101010101010101010101010101010101010101010101010101010101010101010101010c00000040092900aa0000000000000016000d0000000000040000002701ffff030000000000
– расчетная радиальная реакция опоры,
Н;
0100090000039403000000009802000000009802000026060f002605574d464301000000000001006c0d0000000001000000040500000000000004050000010000006c00000000000000000000000c000000150000000000000000000000530100003f02000020454d4600000100040500000c00000001000000000000000000000000000000900600001a040000b801000013010000000000000000000000000000c0b6060038320400460000002c00000020000000454d462b014001001c000000100000000210c0db01000000600000006000000046000000dc010000d0010000454d462b224004000c000000000000001e4009000c00000000000000244001000c000000000000003040020010000000040000000000803f214007000c0000000000000008400005280100001c0100000210c0db01000000000000000000000000000000000000000100000089504e470d0a1a0a0000000d494844520000000c000000150802000000fdce98e3000000017352474200aece1ce9000000097048597300000e2600000e2601a2ef25fc000000a249444154384fcd52c90d80300c0bccd10703b0024ba00ed469188509180009f608391a5a222478f020af92b8b663da20223c55fb04e0f97720204f5c73bad18dd3264303216e5304b0364de41bd24c47e7a9ef8231866124d4b2eed4c8722a28f7acb8a1cc27a8b48a47ef491d94ba706626c194815b22839c588ec46ee976fbba00549bf9ccd8a613b36ccfd044ce89e91255ae70fb432a0093343f7c4faf5ee6018f1601484db90e0d0000000049454e44ae4260820000000840010824000000180000000210c0db01000000030000000000000000000000000000001b40000040000000340000000100000002000000000000bf000000bf000040410000a841030000000000008000000080ffff4f410000008000000080ffffaf412100000008000000620000000c00000001000000150000000c00000004000000150000000c0000000400000051000000c401000000000000000000000c00000015000000000000000000000000000000000000000c000000150000005000000078000000c8000000fc000000000000002000cc000d00000016000000280000000c000000150000000100080000000000000000000000000000000000140000000000000000000000ffffff0080c6ff00a6540000ffffe30054a6e30054000000ffe3a600a6e3ff0000005400c680000080000000ffffc600e3ffff000054a6000080c600c6ffff0000008000e3a65400ffc68000010101010101010101010101010101010101010101010101010101010101010101010101010101010101010101010101010101010101010101010101020000000000001201010101010206070101080903040101010809130101010200120101010d0e0a01010110110a010101010f0304010110110a01010101050b0c01010506070101010108090000000b0c0101010101101112010110110304010101010f0a01010110111201010101050b0c01010d0e0304010101050607010108090a010101020000000000000304010101010101010101010101010101010101010101010101010101010101010101010101010101010101010101010101014c0000006400000000000000000000000c0000001500000000000000000000000d000000160000002900aa0000000000000000000000803f00000000000000000000803f0000000000000000000000000000000000000000000000000000000000000000220000000c000000ffffffff460000001c00000010000000454d462b024000000c000000000000000e000000140000000000000010000000140000000400000003010800050000000b0200000000050000000c0216000d00030000001e0004000000070104000400000007010400c7000000410b2000cc0015000c000000000016000d0000000000280000000c000000150000000100080000000000000000000000000000000000140000000000000000000000ffffff0080c6ff00a6540000ffffe30054a6e30054000000ffe3a600a6e3ff0000005400c680000080000000ffffc600e3ffff000054a6000080c600c6ffff0000008000e3a65400ffc68000010101010101010101010101010101010101010101010101010101010101010101010101010101010101010101010101010101010101010101010101020000000000001201010101010206070101080903040101010809130101010200120101010d0e0a01010110110a010101010f0304010110110a01010101050b0c01010506070101010108090000000b0c0101010101101112010110110304010101010f0a01010110111201010101050b0c01010d0e0304010101050607010108090a010101020000000000000304010101010101010101010101010101010101010101010101010101010101010101010101010101010101010101010101010c00000040092900aa0000000000000016000d0000000000040000002701ffff030000000000 – рабочая ширина посадочного места, м;
0100090000038404000000002803000000002803000026060f004606574d46430100000000000100efee0000000001000000240600000000000024060000010000006c000000000000000000000014000000150000000000000000000000250200003f02000020454d4600000100240600000c00000001000000000000000000000000000000900600001a040000b801000013010000000000000000000000000000c0b6060038320400460000002c00000020000000454d462b014001001c000000100000000210c0db010000006000000060000000460000003c02000030020000454d462b224004000c000000000000001e4009000c00000000000000244001000c000000000000003040020010000000040000000000803f214007000c0000000000000008400005880100007c0100000210c0db01000000000000000000000000000000000000000100000089504e470d0a1a0a0000000d4948445200000014000000150802000000c9b759ff000000017352474200aece1ce9000000097048597300000e2600000e2601a2ef25fc0000010349444154384fc553cb0d83300c4d3a07957aeaa90bb452af9d20978ed14e6096810b62805e9160810e5089ec41633bbf8220884b7d217af18b9f9f8d1c86416c8ddd5622f2fe4fee72e922efa8952932edd018c6d117cadc423b0254d17b647c10bfb9818b6f2d1191e7c954d8715bf8d13057da93319f2aad24c69591e2236a7cb65fbcb073d69fb7154a855f6c7832f8692f9a8f49ab98c53d475c3bb394d14423d924fa74c85866767f82a8ea4627556365362b76899018e00d4239d659522618a670d901b2480b26d7a00a40218409f80d1bb6389489a75c39c571f7d1ee9823fbb9f67f464fe17676f61a777559ae24eba6aed4711f76f0221fe22a71d65be30b8c6840f3423a00db0000000049454e44ae42608200000840010824000000180000000210c0db01000000030000000000000000000000000000001b40000040000000340000000100000002000000000000bf000000bf0000a0410000a841030000000000008000000080feffa7410000008000000080ffffaf412100000008000000620000000c00000001000000150000000c00000004000000150000000c000000040000005100000084020000000000000000000014000000150000000000000000000000000000000000000014000000150000005000000090000000e0000000a4010000000000002000cc00150000001600000028000000140000001500000001000800000000000000000000000000000000001a0000000000000000000000ffffff0080c6ff00ffc6800054a6e300e3ffff000054a60054000000ffe3a60080000000ffffc600a6540000ffffe300c68000000080c600c6ffff0000008000e3a65400a6e3ff00000054005480c600e3e3a6005454a6005480800080005400a6a6e3000101010101010101010101010101010101010101010101010101010101010101050611010506001101010101010101010101010101040d01050603190101010101010101010101010102090a010e1101010101010101010101010101010f101101020b0c040000090a01121300090a01141516170312180a010e00030101010e090a0101050607080e000b0c0112130301010f10110101010101010101010101010f10110101040708010101010101010101010101010e0b0c0f100b0c0101010101010101010101010104090a020003010101010101010101010101010102000000090a01010101010101010101010101010f10110f1003010101010101010101010101010105060d01010e0d010101010101010101010101010104090a0101040b0c0101010101010101010101010400030101050607080101010101010101010102000000030102000000030101010101010101010101010101010101010101010101010101010101010101010101010101010101010101010101010101010101010101010101010101010101010101010101010101010101010101010101010101014c0000006400000000000000000000001400000015000000000000000000000015000000160000002900aa0000000000000000000000803f00000000000000000000803f0000000000000000000000000000000000000000000000000000000000000000220000000c000000ffffffff460000001c00000010000000454d462b024000000c000000000000000e000000140000000000000010000000140000000400000003010800050000000b0200000000050000000c0216001500030000001e000400000007010400040000000701040027010000410b2000cc001500140000000000160015000000000028000000140000001500000001000800000000000000000000000000000000001a0000000000000000000000ffffff0080c6ff00ffc6800054a6e300e3ffff000054a60054000000ffe3a60080000000ffffc600a6540000ffffe300c68000000080c600c6ffff0000008000e3a65400a6e3ff00000054005480c600e3e3a6005454a6005480800080005400a6a6e3000101010101010101010101010101010101010101010101010101010101010101050611010506001101010101010101010101010101040d01050603190101010101010101010101010102090a010e1101010101010101010101010101010f101101020b0c040000090a01121300090a01141516170312180a010e00030101010e090a0101050607080e000b0c0112130301010f10110101010101010101010101010f10110101040708010101010101010101010101010e0b0c0f100b0c0101010101010101010101010104090a020003010101010101010101010101010102000000090a01010101010101010101010101010f10110f1003010101010101010101010101010105060d01010e0d010101010101010101010101010104090a0101040b0c0101010101010101010101010400030101050607080101010101010101010102000000030102000000030101010101010101010101010101010101010101010101010101010101010101010101010101010101010101010101010101010101010101010101010101010101010101010101010101010101010101010101010101010c00000040092900aa000000000000001600150000000000040000002701ffff030000000000 – динамический коэффициент посадки, зависимый от характера нагрузки;
0100090000039c03000000009c02000000009c02000026060f002e05574d46430100000000000100844000000000010000000c050000000000000c050000010000006c00000000000000000000000c000000150000000000000000000000530100003f02000020454d46000001000c0500000c00000001000000000000000000000000000000900600001a040000b801000013010000000000000000000000000000c0b6060038320400460000002c00000020000000454d462b014001001c000000100000000210c0db01000000600000006000000046000000dc010000d0010000454d462b224004000c000000000000001e4009000c00000000000000244001000c000000000000003040020010000000040000000000803f214007000c0000000000000008400005280100001c0100000210c0db01000000000000000000000000000000000000000100000089504e470d0a1a0a0000000d494844520000000c000000150802000000fdce98e3000000017352474200aece1ce9000000097048597300000e2600000e2601a2ef25fc000000a249444154384f63fcffff3f0321c0444801489e7a8a18806e0281630dd8ed6d3806723454d1ffff8f97853030842c7b0c1700e983f0d1dca4a3200337d1d2ad2124c816cc8769041b04361c13c04d7a7c6b0d43889a2cd89c27cb43191b8f23391287c351cc849af4e4c1158465409b1bdc2c917d8b0801649fa1ba0be270846f713b1c6c19b2efd10216e4a6e373a3d6e08f6770f840004e47310ec2f44454ca040059bfd73cc71c706c0000000049454e44ae4260820000000840010824000000180000000210c0db01000000030000000000000000000000000000001b40000040000000340000000100000002000000000000bf000000bf000040410000a841030000000000008000000080ffff4f410000008000000080ffffaf412100000008000000620000000c00000001000000150000000c00000004000000150000000c0000000400000051000000cc01000000000000000000000c00000015000000000000000000000000000000000000000c000000150000005000000080000000d0000000fc000000000000002000cc000d00000016000000280000000c000000150000000100080000000000000000000000000000000000160000000000000000000000ffffff0080c6ff00c680000054a6e30054000000ffe3a600c6ffff0000008000e3a6540080000000ffffc6005480c600e3ffff000054a600ffc68000a6e3ff00c68054000080c600a6540000ffffe300000054000101010101010101010101010101010101010101010101010101010101010101010101010101010101010101010101010101010101010101010101010400000506010101010101010112000f01010101010101010110150f01010101010101010107080901010101010101010101121314010101010101010101040a0b01101101010101010102000000000a0b0101010101070809010d0e0f01010101010d0e0301010101010101010101040a0b0101010c06010101010405060101070809010101020000000000000003010101010101010101010101010101010101010101010101010101010101010101010101010101010101010101010101014c0000006400000000000000000000000c0000001500000000000000000000000d000000160000002900aa0000000000000000000000803f00000000000000000000803f0000000000000000000000000000000000000000000000000000000000000000220000000c000000ffffffff460000001c00000010000000454d462b024000000c000000000000000e000000140000000000000010000000140000000400000003010800050000000b0200000000050000000c0216000d00030000001e0004000000070104000400000007010400cb000000410b2000cc0015000c000000000016000d0000000000280000000c000000150000000100080000000000000000000000000000000000160000000000000000000000ffffff0080c6ff00c680000054a6e30054000000ffe3a600c6ffff0000008000e3a6540080000000ffffc6005480c600e3ffff000054a600ffc68000a6e3ff00c68054000080c600a6540000ffffe300000054000101010101010101010101010101010101010101010101010101010101010101010101010101010101010101010101010101010101010101010101010400000506010101010101010112000f01010101010101010110150f01010101010101010107080901010101010101010101121314010101010101010101040a0b01101101010101010102000000000a0b0101010101070809010d0e0f01010101010d0e0301010101010101010101040a0b0101010c06010101010405060101070809010101020000000000000003010101010101010101010101010101010101010101010101010101010101010101010101010101010101010101010101010c00000040092900aa0000000000000016000d0000000000040000002701ffff030000000000 – коэффициент, учитывающий степень ослабления посадочного
места при полом вале и тонкостенном корпусе; 010009000003cc06000000005004000000005004000026060f009608574d464301000000000001000e160000000001000000740800000000000074080000010000006c00000000000000000000002e000000150000000000000000000000ce0400003f02000020454d4600000100740800000c00000001000000000000000000000000000000900600001a040000b801000013010000000000000000000000000000c0b6060038320400460000002c00000020000000454d462b014001001c000000100000000210c0db010000006000000060000000460000004c02000040020000454d462b224004000c000000000000001e4009000c00000000000000244001000c000000000000003040020010000000040000000000803f214007000c0000000000000008400005980100008c0100000210c0db01000000000000000000000000000000000000000100000089504e470d0a1a0a0000000d494844520000002d0000001508020000005d51f00d000000017352474200aece1ce9000000097048597300000e2600000e2601a2ef25fc0000011449444154484b63fcffff3fc320004c83c00d20278cba03352260e171bc91112b683c4e93887bb23c943174f91324b381e914021e2f0b61600859f6182e70ac01950f97a08c0132160c90edfa8f963e741464e06eb4746b0809b245f0a91030a050dfe506f533aa7928c1d1708c32bf12ab1b23ec11e1f1f8d61a86103559b02341b147a384813350a15e80c71a5421819041578e6e3c4adc638612cef078f2e00a0303cc6ea0aa06374bbcc9c1b21e7f14ac8e24315d41d32972ac30c844aeaec7ef0c2a2459342320ee38beab8181a4bc81abb8819541a8650311ce06bb031c2bc85996a0469ac4cbf1b9516b08da4c6b05e0a48ba58023b628204d1d926d708f81b307e368fb0325a647db1fa8097fb08407007aa32896309241ac0000000049454e44ae426082000840010824000000180000000210c0db01000000030000000000000000000000000000001b40000040000000340000000100000002000000000000bf000000bf000034420000a841030000000000008000000080feff3b420000008000000080feffaf412100000008000000620000000c00000001000000150000000c00000004000000150000000c0000000400000051000000c404000000000000000000002e00000015000000000000000000000000000000000000002d000000150000005000000084000000d4000000f0030000000000002000cc002f00000016000000280000002d000000150000000100080000000000000000000000000000000000170000000000000000000000ffffff0080c6ff00c6800000a6e3ff0054005400ffe3a60054a6e30054000000c6ffff0000008000e3a6540080000000ffffc6005480c600e3ffff000054a600ffc680000080c600c6805400a6540000ffffe30000005400010101010101010101010101010101010101010101010101010101010101010101010101010101010101010101ffffff010101010101010101010101010101010101010101010101010101010101010101010101010101010101010101ffffff010101010101010101010101010101010101010101010101010101010101010101010101010101010101010101ffffff010101010101010101010101010101010101010101010101010101010101010101010101010101010101010101ffffff010101010101010101010101010101010101010101010101010101010101010101010101010101010101010101ffffff0700000806010101010101010101010101010101010101010101010101010101010101010f1000000000000301ffffff011200110101010101010101010101010101010101010101010101010101010101010101010101070806010101ffffff010416110101010101010101010101010101010101010101010101010101010101010101010101070806010101ffffff01090a0b0101010101010101010101010101120000000000000000000806010101010101010101070806010101ffffff010112141501010101010101010101010101010101010101010101010101010101010101010101070806010101ffffff0101070c0d01041301010101010101010101010101010101010101010101010101010101010101070806010101ffffff010102000000000c0d010101010101010101120000000000000000000806010101010101010101070806010101ffffff0101090a0b010f1011010101010101010101010101010101010101010101010101010101010101070806010101ffffff01010f100301010101010101010101010101010101010101010101010101010101010101010101070806010101ffffff010101070c0d0101010e0601010101010101010101010101010101010101010101010101020c0d070806010101ffffff0101010708060101090a0b0101010101010101010101010101010101010101010101010101090a000806010101ffffff010102000000000000000301010101010101010101010101010101010101010101010101010101040506010101ffffff010101010101010101010101010101010101010101010101010101010101010101010101010101010101010101ffffff010101010101010101010101010101010101010101010101010101010101010101010101010101010101010101ffffff010101010101010101010101010101010101010101010101010101010101010101010101010101010101010101ffffff010101010101010101010101010101010101010101010101010101010101010101010101010101010101010101ffffff4c0000006400000000000000000000002e0000001500000000000000000000002f000000160000002900aa0000000000000000000000803f00000000000000000000803f0000000000000000000000000000000000000000000000000000000000000000220000000c000000ffffffff460000001c00000010000000454d462b024000000c000000000000000e000000140000000000000010000000140000000400000003010800050000000b0200000000050000000c0216002f00030000001e000400000007010400040000000701040047020000410b2000cc0015002d000000000016002f0000000000280000002d000000150000000100080000000000000000000000000000000000170000000000000000000000ffffff0080c6ff00c6800000a6e3ff0054005400ffe3a60054a6e30054000000c6ffff0000008000e3a6540080000000ffffc6005480c600e3ffff000054a600ffc680000080c600c6805400a6540000ffffe30000005400010101010101010101010101010101010101010101010101010101010101010101010101010101010101010101ffffff010101010101010101010101010101010101010101010101010101010101010101010101010101010101010101ffffff010101010101010101010101010101010101010101010101010101010101010101010101010101010101010101ffffff010101010101010101010101010101010101010101010101010101010101010101010101010101010101010101ffffff010101010101010101010101010101010101010101010101010101010101010101010101010101010101010101ffffff0700000806010101010101010101010101010101010101010101010101010101010101010f1000000000000301ffffff011200110101010101010101010101010101010101010101010101010101010101010101010101070806010101ffffff010416110101010101010101010101010101010101010101010101010101010101010101010101070806010101ffffff01090a0b0101010101010101010101010101120000000000000000000806010101010101010101070806010101ffffff010112141501010101010101010101010101010101010101010101010101010101010101010101070806010101ffffff0101070c0d01041301010101010101010101010101010101010101010101010101010101010101070806010101ffffff010102000000000c0d010101010101010101120000000000000000000806010101010101010101070806010101ffffff0101090a0b010f1011010101010101010101010101010101010101010101010101010101010101070806010101ffffff01010f100301010101010101010101010101010101010101010101010101010101010101010101070806010101ffffff010101070c0d0101010e0601010101010101010101010101010101010101010101010101020c0d070806010101ffffff0101010708060101090a0b0101010101010101010101010101010101010101010101010101090a000806010101ffffff010102000000000000000301010101010101010101010101010101010101010101010101010101040506010101ffffff010101010101010101010101010101010101010101010101010101010101010101010101010101010101010101ffffff010101010101010101010101010101010101010101010101010101010101010101010101010101010101010101ffffff010101010101010101010101010101010101010101010101010101010101010101010101010101010101010101ffffff010101010101010101010101010101010101010101010101010101010101010101010101010101010101010101ffffff0c00000040092900aa0000000000000016002f0000000000040000002701ffff030000000000
0100090000037804000000001c03000000001c03000026060f002e06574d4643010000000000010037c700000000010000000c060000000000000c060000010000006c000000000000000000000011000000150000000000000000000000d60100003f02000020454d46000001000c0600000c00000001000000000000000000000000000000900600001a040000b801000013010000000000000000000000000000c0b6060038320400460000002c00000020000000454d462b014001001c000000100000000210c0db010000006000000060000000460000002402000018020000454d462b224004000c000000000000001e4009000c00000000000000244001000c000000000000003040020010000000040000000000803f214007000c000000000000000840000570010000640100000210c0db01000000000000000000000000000000000000000100000089504e470d0a1a0a0000000d49484452000000110000001508020000002f9e92bb000000017352474200aece1ce9000000097048597300000e2600000e2601a2ef25fc000000ea49444154384f63fcffff3f0389808944f520e5f4d673bc91112b683c8ec5f1c0308080c7cb42181842963d860b1c6b40e5c325d0fca3a3200337d7d2ad2124c816c1475888624dc331b8617818707b1edf5ac310a2260b36ecc9f25046ac1e815a05350fe4786480cf46a83d4f1e5c616080a9038646839b259ec886d883338cb0798b81682de0b8003b05ec36b0cb908319d35d4f9617ae63006a82a5b7e373a3d6e04faa201d41fd453a0c571e3c01aa045b0901c88900d91f20252047813c0da221fec107602a21a98b183de8f106720b7e7b1076c0831768111e3d309f42bd09f778032319e501007c2cc628b907f03c0000000049454e44ae4260820000000840010824000000180000000210c0db01000000030000000000000000000000000000001b40000040000000340000000100000002000000000000bf000000bf000088410000a841030000000000008000000080ffff8f410000008000000080ffffaf412100000008000000620000000c00000001000000150000000c00000004000000150000000c000000040000005100000084020000000000000000000011000000150000000000000000000000000000000000000011000000150000005000000090000000e0000000a4010000000000002000cc00120000001600000028000000110000001500000001000800000000000000000000000000000000001a0000000000000000000000ffffff0080c6ff00c680000054a6e30054000000ffe3a600c6ffff0000008000e3a6540080000000ffffc6005480c600e3ffff000054a600ffc68000a6e3ff00c68054000080c600a6540000ffffe3000000540054545400a654540080c6e30080005400010101010101010101010101010101010101010101010101010101010d0e0013140d0e000a06001101010101010101010107080f010107080f06031901010101010101010101020000000005060e1101010101010101010101010112030110190b020b0c04000005060101010101010d0e0f020a0b12180a0112000f01010101010101011017181314000b0c0110150f01010101010101010104160301010101010708090101010101010101010d0e030101010101011213140101010101010101010101010101010101040a0b011011010101010101010101010101010102000000000a0b01010101010101010101010101070809010d0e0f010101010101010101010101010d0e03010101010101010101010101010101010101040a0b0101010c060101010101010101010101010405060101070809010101010101010101010102000000000000000301010101010101010101010101010101010101010101010101010101010101010101010101010101010101010101010101010101010101010101010101010101010101010101010101010101010101010101010101010101014c0000006400000000000000000000001100000015000000000000000000000012000000160000002900aa0000000000000000000000803f00000000000000000000803f0000000000000000000000000000000000000000000000000000000000000000220000000c000000ffffffff460000001c00000010000000454d462b024000000c000000000000000e000000140000000000000010000000140000000400000003010800050000000b0200000000050000000c0216001200030000001e000400000007010400040000000701040027010000410b2000cc001500110000000000160012000000000028000000110000001500000001000800000000000000000000000000000000001a0000000000000000000000ffffff0080c6ff00c680000054a6e30054000000ffe3a600c6ffff0000008000e3a6540080000000ffffc6005480c600e3ffff000054a600ffc68000a6e3ff00c68054000080c600a6540000ffffe3000000540054545400a654540080c6e30080005400010101010101010101010101010101010101010101010101010101010d0e0013140d0e000a06001101010101010101010107080f010107080f06031901010101010101010101020000000005060e1101010101010101010101010112030110190b020b0c04000005060101010101010d0e0f020a0b12180a0112000f01010101010101011017181314000b0c0110150f01010101010101010104160301010101010708090101010101010101010d0e030101010101011213140101010101010101010101010101010101040a0b011011010101010101010101010101010102000000000a0b01010101010101010101010101070809010d0e0f010101010101010101010101010d0e03010101010101010101010101010101010101040a0b0101010c060101010101010101010101010405060101070809010101010101010101010102000000000000000301010101010101010101010101010101010101010101010101010101010101010101010101010101010101010101010101010101010101010101010101010101010101010101010101010101010101010101010101010101010c00000040092900aa000000000000001600120000000000040000002701ffff030000000000 – коэффициент неравномерности распределения радиальной нагрузки, 0100090000039a03000000009e02000000009e02000026060f003205574d4643010000000000010033c20000000001000000100500000000000010050000010000006c00000000000000000000000c000000150000000000000000000000530100003f02000020454d4600000100100500000c00000001000000000000000000000000000000900600001a040000b801000013010000000000000000000000000000c0b6060038320400460000002c00000020000000454d462b014001001c000000100000000210c0db01000000600000006000000046000000e8010000dc010000454d462b224004000c000000000000001e4009000c00000000000000244001000c000000000000003040020010000000040000000000803f214007000c000000000000000840000534010000280100000210c0db01000000000000000000000000000000000000000100000089504e470d0a1a0a0000000d494844520000000c000000150802000000fdce98e3000000017352474200aece1ce9000000097048597300000e2600000e2601a2ef25fc000000b049444154384f63fcffff3f0321c0444801489e7a8a18806e0281630d98f6361c834ac214fdffff7859080343c8b2c7c8baa05c3437e928c8404db44c066a5ab3eef01364873f39bc6e0d43889a2c56df424d073b0a6119aaed280e87bb14ec3e841ea82288281280ab07d90475f8e35b4007417d06b618d5718850826b068719b25160939e3cb8021475b3845a27ab06b4fbca0390e7a1001eda485ad1c2f53f039293d1821be13dc641989e884a99008802dde6b6a668dc0000000049454e44ae426082000840010824000000180000000210c0db01000000030000000000000000000000000000001b40000040000000340000000100000002000000000000bf000000bf000040410000a841030000000000008000000080ffff4f410000008000000080ffffaf412100000008000000620000000c00000001000000150000000c00000004000000150000000c0000000400000051000000c401000000000000000000000c00000015000000000000000000000000000000000000000c000000150000005000000078000000c8000000fc000000000000002000cc000d00000016000000280000000c000000150000000100080000000000000000000000000000000000140000000000000000000000ffffff0080c6ff00ffc6800054a6e30054000000ffe3a6000080c60080000000ffffc600a6e3ff0000005400e3a65400e3ffff000054a600a6540000ffffe300c6ffff0000008000c68000000101010101010101010101010101010101010101010101010101010101010101010101010101010101010101010101010101010101010101010101010400000506010107000f10010107000301010d0e0f100101010a0b0301010a0b0c0101010111121301010200030101010101070f1001070f100101010101040000000008090101010101020003010104000c0101010111120c0101010405060101010d0e0f1001010a0b0c0101010104080901010a0b0c010101010405060101070506010101020000000000000301010101010101010101010101010101010101010101010101010101010101010101010101010101010101010101010101014c0000006400000000000000000000000c0000001500000000000000000000000d000000160000002900aa0000000000000000000000803f00000000000000000000803f0000000000000000000000000000000000000000000000000000000000000000220000000c000000ffffffff460000001c00000010000000454d462b024000000c000000000000000e000000140000000000000010000000140000000400000003010800050000000b0200000000050000000c0216000d00030000001e0004000000070104000400000007010400c7000000410b2000cc0015000c000000000016000d0000000000280000000c000000150000000100080000000000000000000000000000000000140000000000000000000000ffffff0080c6ff00ffc6800054a6e30054000000ffe3a6000080c60080000000ffffc600a6e3ff0000005400e3a65400e3ffff000054a600a6540000ffffe300c6ffff0000008000c68000000101010101010101010101010101010101010101010101010101010101010101010101010101010101010101010101010101010101010101010101010400000506010107000f10010107000301010d0e0f100101010a0b0301010a0b0c0101010111121301010200030101010101070f1001070f100101010101040000000008090101010101020003010104000c0101010111120c0101010405060101010d0e0f1001010a0b0c0101010104080901010a0b0c010101010405060101070506010101020000000000000301010101010101010101010101010101010101010101010101010101010101010101010101010101010101010101010101010c00000040092900aa0000000000000016000d0000000000040000002701ffff030000000000.

Принимаем
,
так как режим работы тяжелый; 010009000003cc06000000005004000000005004000026060f009608574d464301000000000001000e160000000001000000740800000000000074080000010000006c00000000000000000000002e000000150000000000000000000000ce0400003f02000020454d4600000100740800000c00000001000000000000000000000000000000900600001a040000b801000013010000000000000000000000000000c0b6060038320400460000002c00000020000000454d462b014001001c000000100000000210c0db010000006000000060000000460000004c02000040020000454d462b224004000c000000000000001e4009000c00000000000000244001000c000000000000003040020010000000040000000000803f214007000c0000000000000008400005980100008c0100000210c0db01000000000000000000000000000000000000000100000089504e470d0a1a0a0000000d494844520000002d0000001508020000005d51f00d000000017352474200aece1ce9000000097048597300000e2600000e2601a2ef25fc0000011449444154484b63fcffff3fc320004c83c00d20278cba03352260e171bc91112b683c4e93887bb23c943174f91324b381e914021e2f0b61600859f6182e70ac01950f97a08c0132160c90edfa8f963e741464e06eb4746b0809b245f0a91030a050dfe506f533aa7928c1d1708c32bf12ab1b23ec11e1f1f8d61a86103559b02341b147a384813350a15e80c71a5421819041578e6e3c4adc638612cef078f2e00a0303cc6ea0aa06374bbcc9c1b21e7f14ac8e24315d41d32972ac30c844aeaec7ef0c2a2459342320ee38beab8181a4bc81abb8819541a8650311ce06bb031c2bc85996a0469ac4cbf1b9516b08da4c6b05e0a48ba58023b628204d1d926d708f81b307e368fb0325a647db1fa8097fb08407007aa32896309241ac0000000049454e44ae426082000840010824000000180000000210c0db01000000030000000000000000000000000000001b40000040000000340000000100000002000000000000bf000000bf000034420000a841030000000000008000000080feff3b420000008000000080feffaf412100000008000000620000000c00000001000000150000000c00000004000000150000000c0000000400000051000000c404000000000000000000002e00000015000000000000000000000000000000000000002d000000150000005000000084000000d4000000f0030000000000002000cc002f00000016000000280000002d000000150000000100080000000000000000000000000000000000170000000000000000000000ffffff0080c6ff00c6800000a6e3ff0054005400ffe3a60054a6e30054000000c6ffff0000008000e3a6540080000000ffffc6005480c600e3ffff000054a600ffc680000080c600c6805400a6540000ffffe30000005400010101010101010101010101010101010101010101010101010101010101010101010101010101010101010101ffffff010101010101010101010101010101010101010101010101010101010101010101010101010101010101010101ffffff010101010101010101010101010101010101010101010101010101010101010101010101010101010101010101ffffff010101010101010101010101010101010101010101010101010101010101010101010101010101010101010101ffffff010101010101010101010101010101010101010101010101010101010101010101010101010101010101010101ffffff0700000806010101010101010101010101010101010101010101010101010101010101010f1000000000000301ffffff011200110101010101010101010101010101010101010101010101010101010101010101010101070806010101ffffff010416110101010101010101010101010101010101010101010101010101010101010101010101070806010101ffffff01090a0b0101010101010101010101010101120000000000000000000806010101010101010101070806010101ffffff010112141501010101010101010101010101010101010101010101010101010101010101010101070806010101ffffff0101070c0d01041301010101010101010101010101010101010101010101010101010101010101070806010101ffffff010102000000000c0d010101010101010101120000000000000000000806010101010101010101070806010101ffffff0101090a0b010f1011010101010101010101010101010101010101010101010101010101010101070806010101ffffff01010f100301010101010101010101010101010101010101010101010101010101010101010101070806010101ffffff010101070c0d0101010e0601010101010101010101010101010101010101010101010101020c0d070806010101ffffff0101010708060101090a0b0101010101010101010101010101010101010101010101010101090a000806010101ffffff010102000000000000000301010101010101010101010101010101010101010101010101010101040506010101ffffff010101010101010101010101010101010101010101010101010101010101010101010101010101010101010101ffffff010101010101010101010101010101010101010101010101010101010101010101010101010101010101010101ffffff010101010101010101010101010101010101010101010101010101010101010101010101010101010101010101ffffff010101010101010101010101010101010101010101010101010101010101010101010101010101010101010101ffffff4c0000006400000000000000000000002e0000001500000000000000000000002f000000160000002900aa0000000000000000000000803f00000000000000000000803f0000000000000000000000000000000000000000000000000000000000000000220000000c000000ffffffff460000001c00000010000000454d462b024000000c000000000000000e000000140000000000000010000000140000000400000003010800050000000b0200000000050000000c0216002f00030000001e000400000007010400040000000701040047020000410b2000cc0015002d000000000016002f0000000000280000002d000000150000000100080000000000000000000000000000000000170000000000000000000000ffffff0080c6ff00c6800000a6e3ff0054005400ffe3a60054a6e30054000000c6ffff0000008000e3a6540080000000ffffc6005480c600e3ffff000054a600ffc680000080c600c6805400a6540000ffffe30000005400010101010101010101010101010101010101010101010101010101010101010101010101010101010101010101ffffff010101010101010101010101010101010101010101010101010101010101010101010101010101010101010101ffffff010101010101010101010101010101010101010101010101010101010101010101010101010101010101010101ffffff010101010101010101010101010101010101010101010101010101010101010101010101010101010101010101ffffff010101010101010101010101010101010101010101010101010101010101010101010101010101010101010101ffffff0700000806010101010101010101010101010101010101010101010101010101010101010f1000000000000301ffffff011200110101010101010101010101010101010101010101010101010101010101010101010101070806010101ffffff010416110101010101010101010101010101010101010101010101010101010101010101010101070806010101ffffff01090a0b0101010101010101010101010101120000000000000000000806010101010101010101070806010101ffffff010112141501010101010101010101010101010101010101010101010101010101010101010101070806010101ffffff0101070c0d01041301010101010101010101010101010101010101010101010101010101010101070806010101ffffff010102000000000c0d010101010101010101120000000000000000000806010101010101010101070806010101ffffff0101090a0b010f1011010101010101010101010101010101010101010101010101010101010101070806010101ffffff01010f100301010101010101010101010101010101010101010101010101010101010101010101070806010101ffffff010101070c0d0101010e0601010101010101010101010101010101010101010101010101020c0d070806010101ffffff0101010708060101090a0b0101010101010101010101010101010101010101010101010101090a000806010101ffffff010102000000000000000301010101010101010101010101010101010101010101010101010101040506010101ffffff010101010101010101010101010101010101010101010101010101010101010101010101010101010101010101ffffff010101010101010101010101010101010101010101010101010101010101010101010101010101010101010101ffffff010101010101010101010101010101010101010101010101010101010101010101010101010101010101010101ffffff010101010101010101010101010101010101010101010101010101010101010101010101010101010101010101ffffff0c00000040092900aa0000000000000016002f0000000000040000002701ffff030000000000,
так как вал сплошной; 0100090000035a0700000000ac0400000000ac04000026060f004e09574d464301000000000001000f4400000000010000002c090000000000002c090000010000006c0000000000000000000000340000001500000000000000000000006b0500003f02000020454d46000001002c0900000c00000001000000000000000000000000000000900600001a040000b801000013010000000000000000000000000000c0b6060038320400460000002c00000020000000454d462b014001001c000000100000000210c0db01000000600000006000000046000000a002000094020000454d462b224004000c000000000000001e4009000c00000000000000244001000c000000000000003040020010000000040000000000803f214007000c0000000000000008400005ec010000e00100000210c0db01000000000000000000000000000000000000000100000089504e470d0a1a0a0000000d494844520000003300000015080200000064364156000000017352474200aece1ce9000000097048597300000e2600000e2601a2ef25fc0000016649444154484bed57bb91c230105d5307cc5c4444030e485d006302ae8ba301440554408a03982b800270034444ccd87d18af2cc992b02cc9236e1cdc46feec5a6fdf7bbb338eaaaa8251c66494a810d43f327f693867f93eea8c7deeffcd411565b68ed65929d5d613d044714a01d253211edc887a2f5e84bec08368c8a7579acf165f53813a4e48ba5ab6f783a8b015a156d784f1a2262b94915b683e5cbff7a658cb59f1b8403a9f51d8a8f99f19ccc82a6b4a68cd12fdd8d3abf5d3140375d268e4ac7cde01389a3a8b24b1cd21f2fb78d7afda79e36f573601b29630dd9c775ec07c9a70ce6d90e55702b63944f399dc67da867c45aa8bca0d1c4546b59417c67b6d99fdfc42bdf0bae3536ae6c7ef4b7f1f886b75d82ee0fe94b7b45bf343b3e85034619a204cc1e9c009f49b59876d269d2f5aa08780b5b8c5c3115a4b8224d890e99bcabe9982c0b272a6e9f711394d9df470c61dc0681286086eb56e6cd168ff035e5199acac19da123f0000000049454e44ae4260820000000840010824000000180000000210c0db01000000030000000000000000000000000000001b40000040000000340000000100000002000000000000bf000000bf00004c420000a841030000000000008000000080feff53420000008000000080ffffaf412100000008000000620000000c00000001000000150000000c00000004000000150000000c000000040000005100000028050000000000000000000034000000150000000000000000000000000000000000000033000000150000005000000094000000e400000044040000000000002000cc00350000001600000028000000330000001500000001000800000000000000000000000000000000001b0000000000000000000000ffffff0080c6ff00c6800000a6e3ff0054005400ffe3a60054a6e30054000000c6ffff0000008000e3a6540080000000ffffc6005480c600e3ffff000054a600ffc680000080c600c6805400a6540000ffffe3000000540054545400a654540080c6e30080005400010101010101010101010101010101010101010101010101010101010101010101010101010101010101010101010101010101ff01010101010101010f100014150f10000c0d010101010101010101010101010101010101010101010101010101010101010101ff010101010101010101090a110101090a1101010101010101010101010101010101010101010101010101010101010101010101ff010101010101010101010200000000080601010101010101010101010101010101010101010101010101010101010101010101ff0101010101010101010101120301041a0d01010101010101010101010101010101010101010101010101010101010101010101ff07000008060101010101010f1011020c0d010101010101010101010101010101010101010101010101010f1000000000000301ff011200110101010101010101041819141501010101010101010101010101010101010101010101010101010101070806010101ff010416110101010101010101010717030101010101010101010101010101010101010101010101010101010101070806010101ff01090a0b0101010101010101010f10030101010101010112000000000000000000080601010101010101010101070806010101ff010112141501010101010101010101010101010101010101010101010101010101010101010101010101010101070806010101ff0101070c0d01041301010101010101010101010101010101010101010101010101010101010101010101010101070806010101ff010102000000000c0d010101010101010101010101010112000000000000000000080601010101010101010101070806010101ff0101090a0b010f1011010101010101010101010101010101010101010101010101010101010101010101010101070806010101ff01010f100301010101010101010101010101010101010101010101010101010101010101010101010101010101070806010101ff010101070c0d0101010e0601010101010101010101010101010101010101010101010101010101010101020c0d070806010101ff0101010708060101090a0b0101010101010101010101010101010101010101010101010101010101010101090a000806010101ff010102000000000000000301010101010101010101010101010101010101010101010101010101010101010101040506010101ff010101010101010101010101010101010101010101010101010101010101010101010101010101010101010101010101010101ff010101010101010101010101010101010101010101010101010101010101010101010101010101010101010101010101010101ff01010101010101010101010101010101010101010101010101010101010101010101010101010101010101010101010101010101010101010101010101010101010101010101010101010101010101010101010101010101010101010101010101010101010101054c0000006400000000000000000000003400000015000000000000000000000035000000160000002900aa0000000000000000000000803f00000000000000000000803f0000000000000000000000000000000000000000000000000000000000000000220000000c000000ffffffff460000001c00000010000000454d462b024000000c000000000000000e000000140000000000000010000000140000000400000003010800050000000b0200000000050000000c0216003500030000001e000400000007010400040000000701040079020000410b2000cc001500330000000000160035000000000028000000330000001500000001000800000000000000000000000000000000001b0000000000000000000000ffffff0080c6ff00c6800000a6e3ff0054005400ffe3a60054a6e30054000000c6ffff0000008000e3a6540080000000ffffc6005480c600e3ffff000054a600ffc680000080c600c6805400a6540000ffffe3000000540054545400a654540080c6e30080005400010101010101010101010101010101010101010101010101010101010101010101010101010101010101010101010101010101ff01010101010101010f100014150f10000c0d010101010101010101010101010101010101010101010101010101010101010101ff010101010101010101090a110101090a1101010101010101010101010101010101010101010101010101010101010101010101ff010101010101010101010200000000080601010101010101010101010101010101010101010101010101010101010101010101ff0101010101010101010101120301041a0d01010101010101010101010101010101010101010101010101010101010101010101ff07000008060101010101010f1011020c0d010101010101010101010101010101010101010101010101010f1000000000000301ff011200110101010101010101041819141501010101010101010101010101010101010101010101010101010101070806010101ff010416110101010101010101010717030101010101010101010101010101010101010101010101010101010101070806010101ff01090a0b0101010101010101010f10030101010101010112000000000000000000080601010101010101010101070806010101ff010112141501010101010101010101010101010101010101010101010101010101010101010101010101010101070806010101ff0101070c0d01041301010101010101010101010101010101010101010101010101010101010101010101010101070806010101ff010102000000000c0d010101010101010101010101010112000000000000000000080601010101010101010101070806010101ff0101090a0b010f1011010101010101010101010101010101010101010101010101010101010101010101010101070806010101ff01010f100301010101010101010101010101010101010101010101010101010101010101010101010101010101070806010101ff010101070c0d0101010e0601010101010101010101010101010101010101010101010101010101010101020c0d070806010101ff0101010708060101090a0b0101010101010101010101010101010101010101010101010101010101010101090a000806010101ff010102000000000000000301010101010101010101010101010101010101010101010101010101010101010101040506010101ff010101010101010101010101010101010101010101010101010101010101010101010101010101010101010101010101010101ff010101010101010101010101010101010101010101010101010101010101010101010101010101010101010101010101010101ff01010101010101010101010101010101010101010101010101010101010101010101010101010101010101010101010101010101010101010101010101010101010101010101010101010101010101010101010101010101010101010101010101010101010101050c00000040092900aa000000000000001600350000000000040000002701ffff030000000000,
так как имеется осевая нагрузка.
По таблице
17 [1, с. 222] выбираем поле допуска шейки
вала под внутреннее кольцо – 
Размер шейки вала: 0100090000037611000000005c0a000000005c0a000026060f00ae14574d464301000000000001001ac700000000010000008c140000000000008c140000010000006c0000000000000000000000700000001f00000000000000000000008f0b00004503000020454d46000001008c1400000c00000001000000000000000000000000000000900600001a040000b801000013010000000000000000000000000000c0b6060038320400460000002c00000020000000454d462b014001001c000000100000000210c0db01000000600000006000000046000000280500001c050000454d462b224004000c000000000000001e4009000c00000000000000244001000c000000000000003040020010000000040000000000803f214007000c000000000000000840000574040000680400000210c0db01000000000000000000000000000000000000000100000089504e470d0a1a0a0000000d494844520000006c0000001f08020000008db2bff5000000017352474200aece1ce9000000097048597300000e2600000e2601a2ef25fc000003ef494441546843ed993172ea301086e59c03665251e502309336076048016d4ef0b840cc057827a00d45180e903633f802a9a83263eee1b792256b57ec4a10de7b18065709d2aee45f2bedb772565595ba3da72970779af9cd5a2b703d22ee96cf997d6605b7b8d10ec52c7b5eeeb019ea9e856da17bd8ce97f36c72357a2bb9f9428bca37baa57c1bb93f7147b9833180a736af1fea44db92e66006ea721484998a227a89ea5e7b5a4b1dac47d26c5d2051398f48b8ebd8cec5078468af6b7759b73752ab6d89f79cd8a1ff5abd8f3b7bbb5fbbc83fdca9a0adf329d3cdda5d8788fa651eee9d169dfb07ee4c4c7640469df17b55f6e6f68c9df7caeab52f27d1f68b880ff841ae5693aecb1fa9e3fe14748044d3dd4eed01395c77a363b55f441d14ee09ce44b211bfbe5d72dd7d7f71fa253b78a3dd720e1bf8c9065f673c85c55b7f92e48d47384ec4624931e094b54ed9ea080ca84334a1a760b95d79056a9b6487f86cb479f3409066014431d919d6db652697fe9d070418a809c341e0cfd081c4257522852774a07d732c2366673399da02d149f8e75e071ce26440e48f4df7349b3bc4216af97792dec6bc7d94cba42d48518ca53e1854a641a1a5590fbc640ced9935c33eec323671d6b4e186c4821a1131065935ad8e9190f0e113a528ed8189d410cc5000cb44dd2ea6f56f062212a13639a8ee7f1144a4b2093542fdcacdd98057470cf01850b74b423c53482c700e8f868f06b2202b2980cacee370e469d5430539e70fc32ee0544fc17a5768deda7dae6148b56858059dd31a6cbdeb54f6396b3ba49b3a67df290404c5623d7c7150698880f205c8c9d7f6e2bb68e75a12c868bfd46f87243a7dae26db271fab03ecd7ab7e568d928337507fa79a3f6d183adbbd70e8bfc0f1e661eb10ecd221a7f241960df2b06cca37ae0608fc26e7debe0eb09d755442a589c2d06cb7a61465267d2876e99302b6b03e02bde6b5bff07f344a50f7b64f343b23bf871d5979580be88ae47cf70fcf65e1d1dfa46097484cda0ac12b48ee97929c6ba831e061399160a2a722cada94963c4749e886e8868293c32abba281fda5a84810c7408ec8b067008b9f4d275941491da4df116d1f02db67102a3ea440e8f2a56cba82924a2cfe770cb2b404b4173ba48468efcd365707893b9d144082255b62250d69351ed677b5a4c7dde2fccf440977ceeca53337871fdf6c270ddd680856f627d65e118f5db0640525754819168bc92af671e0123e999ee766db2d218c3e509be8c7814b10f19fdf6c474aaf62d65d0fcbd8e71523f6756ce764052575881942bd0f5fa8b86f817b274debf02636a1bf7fb32d965ee87adf945831906e2fe27062c68a19a6823ae4669bbd12779f2d50c8453e8154992efd6ecf690afc01d54c6cb3718511f40000000049454e44ae42608200000840010824000000180000000210c0db01000000030000000000000000000000000000001b40000040000000340000000100000002000000000000bf000000bf0000d8420000f841030000000000008000000080ffffe1420000008000000080fdffff412100000008000000620000000c00000001000000150000000c00000004000000150000000c0000000400000051000000000e00000000000000000000700000001f000000000000000000000000000000000000006c0000001f000000500000009c000000ec000000140d0000000000002000cc007100000020000000280000006c0000001f00000001000800000000000000000000000000000000001d0000000000000000000000ffffff0054a6e30080000000ffffc600c6ffff0054008000ffe3a600e3ffff000054a600e3a6540080c6ff00c6800000ffc680000080c6005400000000008000a6e3ff0000005400a6540000ffffe300a6a6c6005480c600e3e3a600c6805400a6a654005400540080005400a6545400010101010101010101010101010101010101010101010101010101010101010101010101010101010101010101010101010101010101010101010101010101010101010101010101010101010101010101010101010101010101010101010101010101010101010101010101010101010101010101010101010101010101010101010101010101010101010101010101010101010101010101010101010101010101010101050607010101010101010e000013140111120d01010e000013140101010e000013140105100000000003040101010101010101010101010101010101010101010101010101010101010101010101010101010101010101010101010101010101010101010101010101010101050607010101010101020f0708090c0111120d01020f0708090c0101020f0708090c01010b0c01010116070101010101010101010101010101010101010101010101010101010101010101010101010101010101010101010101010101010101010101010101010101010101050607010101010108090c01010b030401010108090c01010b030408090c01010b030401010e0a010101010101010101010101010101010101010101010101010101010101010101010101010101010101010101010101010101010101010101010101010101010101010101050607010101010105100a010111120d01010105100a010111120d05100a010111120d0101010e0a010101010101010101010101010101010101010101010101010101010101010101010101010101010101010101010101010101010101010101010101010101010809000000000000000f070105100d010105100d01010105100d010105100d05100d010105100d01010108090d01010101010101010101010101010101010101010101010101010101010101010101010101010101010101010101010101010101010101010101010101010101010101050607010101010105100d010105100d01010105100d010105100d05100d010105100d0101010105100d010101010101010101010101010101010101010101010101010101010101010101010101010101010101010101010101010101010101010101010101010101010101050607010101010105100a010111120d01010105100a010111120d05100a010111120d010101010102131401010101010101010101010101010101010101010101010101010101010101010101010101010101010101010101010101010101010101010101010e13140101010506070101010101010e0c01010b0f07010101010e0c01010b0f07010e0c01010b0f07010101010102030401010e13140101010101010101010101010101010101010101010101010101010101010101010101010101010101010101010101010101010108090d01010101010506070101010101010b030408090c01010101010b030408090c01010b030408090c0108090a0108091314010101111b04010101111c14010101010101010101010101010101010101010101010101010101010101010101010101010101010101010101020a010101010101010101010101010101010200000304010101010101020000030401010102000003040101010e00000f0701010101010b131401010102000000131401080900000013140101010e00001314010101010101111b040102000c0101010e00000f07010101050607010101010101010101010101010101010101010101010101010101010101010101010101010101010101010101010101010101010108090d010102000c010102030408090a01010e131401020f0708090c01010101010105100d08090a0b0a010e1314010b0f0701010b13140101010101010101010101010101010101010101010101010101010101010101010101010101010101010101010101010101010101010e0c0108090d16070108090a0101010101111a0708090c01010b03040101010101010e0a111a07010105100a010108090a01010e0c0101010101010101010101010101010101010101010101010101010101010101010101010101010101010101010101010101010101010102131405060711180101020c0101010101111a0705100a010111120d0101010101010200000304010105100d010108090a01010e0a010101010101010101010101010101010101010101010101010101010101010101010101010101010101010101010101010101010101010b1314111a0701160701021314010101010e030405100d010105100d010101010101111b040e0a010105100304010b000d01010e0a010101010101010101010101010101010101010101010101010101010101010101010101010101010101010101010101010101010101010b131405060701111801020c01020000000f070105100d010105100d01010101010105060701020a010809191000000c0101010e0c0101010101010101010101010101010101010101010101010101010101010101010101010101010101010101010101010101010101010102131408090a01011617090a010213140101010105100a010111120d010101010101010e0d0102000c010213140101010101010b13140101010101010101010101010101010101010101010101010101010101010101010101010101010101010101010101010101010101010e0a01010b0f0701111203040102131401010101010e0c01010b0f0701010101010101020c010101010105100d010101010101050607010101010101010101010101010101010101010101010101010101010101010101010101010101010101010101010101010101010108090d010101111200000304010102131401010101010b030408090c01010101010101010b1314010101010111120a010101010101020a010101010101050607010101010101010e000013140111120d01010e0000131401010b000000000f0701051000000f0701010101010b1314010101010101010b0c010102000000001314010102000003040101010101010105100f07010101010101010e000c0101010108090a0101010101050607010101010101020f0708090c0111120d01020f0708090c010101010b0f07010108091314010b0f070101010b03040101010101010101010101010101010101151401010101010101010101010101010101010101010101010101010101010101010101021314010101050607010101010108090c01010b030401010108090c01010b03040101010b0304010111120d010108090a01010e0c01010101010101010101010101010101010101010101010101010101010101010101010101010101010101010101010101010101010101010101010101050607010101010105100a010111120d01010105100a010111120d0101010b0304010111120d010105100a010101010101010101010101010101010101010101010101010101010101010101010101010101010101010101010101010101010101010101010101010809000000000000000f070105100d010105100d01010105100d010105100d0101010b03040101010e0c0101020f070101010101010101010101010101010101010101010101010101010101010101010101010101010101010101010101010101010101010101010101010101010101050607010101010105100d010105100d01010105100d010105100d0101010b0304010101010200001314010101010101010101010101010101010101010101010101010101010101010101010101010101010101010101010101010101010101010101010101010101010101050607010101010105100a010111120d01010105100a010111120d0101010b0304010108090c01010b030401010101010101010101010101010101010101010101010101010101010101010101010101010101010101010101010101010101010101010101010101010101010506070101010101010e0c01010b0f07010101010e0c01010b0f07010e0a0b0304010105100d010105100a01010101010101010101010101010101010101010101010101010101010101010101010101010101010101010101010101010101010101010101010101010101010506070101010101010b030408090c01010101010b030408090c01010102000304010108090c01010b000d010101010101010101010101010101010101010101010101010101010101010101010101010101010101010101010101010101010101010101010101010101010101010101010101010101020000030401010101010102000003040101010105060701010108090000000a0101010101010101010101010101010101010101010101010101010101010101010101010101010101010101010101010101010101010101010101010101010101010101010101010101010101010101010101010101010101010101010101010101010101010101010101010101010101010101010101010101010101010101010101010101010101010101010101010101010101010101010101010101010101010101010101010101010101010101010101010101010101010101010101010101010101010101010101010101010101010101010101010101010101010101014c000000640000000000000000000000700000001f000000000000000000000071000000200000002900aa0000000000000000000000803f00000000000000000000803f0000000000000000000000000000000000000000000000000000000000000000220000000c000000ffffffff460000001c00000010000000454d462b024000000c000000000000000e000000140000000000000010000000140000000400000003010800050000000b0200000000050000000c0220007100030000001e0004000000070104000400000007010400e5060000410b2000cc001f006c00000000002000710000000000280000006c0000001f00000001000800000000000000000000000000000000001d0000000000000000000000ffffff0054a6e30080000000ffffc600c6ffff0054008000ffe3a600e3ffff000054a600e3a6540080c6ff00c6800000ffc680000080c6005400000000008000a6e3ff0000005400a6540000ffffe300a6a6c6005480c600e3e3a600c6805400a6a654005400540080005400a6545400010101010101010101010101010101010101010101010101010101010101010101010101010101010101010101010101010101010101010101010101010101010101010101010101010101010101010101010101010101010101010101010101010101010101010101010101010101010101010101010101010101010101010101010101010101010101010101010101010101010101010101010101010101010101010101050607010101010101010e000013140111120d01010e000013140101010e000013140105100000000003040101010101010101010101010101010101010101010101010101010101010101010101010101010101010101010101010101010101010101010101010101010101050607010101010101020f0708090c0111120d01020f0708090c0101020f0708090c01010b0c01010116070101010101010101010101010101010101010101010101010101010101010101010101010101010101010101010101010101010101010101010101010101010101050607010101010108090c01010b030401010108090c01010b030408090c01010b030401010e0a010101010101010101010101010101010101010101010101010101010101010101010101010101010101010101010101010101010101010101010101010101010101010101050607010101010105100a010111120d01010105100a010111120d05100a010111120d0101010e0a010101010101010101010101010101010101010101010101010101010101010101010101010101010101010101010101010101010101010101010101010101010809000000000000000f070105100d010105100d01010105100d010105100d05100d010105100d01010108090d01010101010101010101010101010101010101010101010101010101010101010101010101010101010101010101010101010101010101010101010101010101010101050607010101010105100d010105100d01010105100d010105100d05100d010105100d0101010105100d010101010101010101010101010101010101010101010101010101010101010101010101010101010101010101010101010101010101010101010101010101010101050607010101010105100a010111120d01010105100a010111120d05100a010111120d010101010102131401010101010101010101010101010101010101010101010101010101010101010101010101010101010101010101010101010101010101010101010e13140101010506070101010101010e0c01010b0f07010101010e0c01010b0f07010e0c01010b0f07010101010102030401010e13140101010101010101010101010101010101010101010101010101010101010101010101010101010101010101010101010101010108090d01010101010506070101010101010b030408090c01010101010b030408090c01010b030408090c0108090a0108091314010101111b04010101111c14010101010101010101010101010101010101010101010101010101010101010101010101010101010101010101020a010101010101010101010101010101010200000304010101010101020000030401010102000003040101010e00000f0701010101010b131401010102000000131401080900000013140101010e00001314010101010101111b040102000c0101010e00000f07010101050607010101010101010101010101010101010101010101010101010101010101010101010101010101010101010101010101010101010108090d010102000c010102030408090a01010e131401020f0708090c01010101010105100d08090a0b0a010e1314010b0f0701010b13140101010101010101010101010101010101010101010101010101010101010101010101010101010101010101010101010101010101010e0c0108090d16070108090a0101010101111a0708090c01010b03040101010101010e0a111a07010105100a010108090a01010e0c0101010101010101010101010101010101010101010101010101010101010101010101010101010101010101010101010101010101010102131405060711180101020c0101010101111a0705100a010111120d0101010101010200000304010105100d010108090a01010e0a010101010101010101010101010101010101010101010101010101010101010101010101010101010101010101010101010101010101010b1314111a0701160701021314010101010e030405100d010105100d010101010101111b040e0a010105100304010b000d01010e0a010101010101010101010101010101010101010101010101010101010101010101010101010101010101010101010101010101010101010b131405060701111801020c01020000000f070105100d010105100d01010101010105060701020a010809191000000c0101010e0c0101010101010101010101010101010101010101010101010101010101010101010101010101010101010101010101010101010101010102131408090a01011617090a010213140101010105100a010111120d010101010101010e0d0102000c010213140101010101010b13140101010101010101010101010101010101010101010101010101010101010101010101010101010101010101010101010101010101010e0a01010b0f0701111203040102131401010101010e0c01010b0f0701010101010101020c010101010105100d010101010101050607010101010101010101010101010101010101010101010101010101010101010101010101010101010101010101010101010101010108090d010101111200000304010102131401010101010b030408090c01010101010101010b1314010101010111120a010101010101020a010101010101050607010101010101010e000013140111120d01010e0000131401010b000000000f0701051000000f0701010101010b1314010101010101010b0c010102000000001314010102000003040101010101010105100f07010101010101010e000c0101010108090a0101010101050607010101010101020f0708090c0111120d01020f0708090c010101010b0f07010108091314010b0f070101010b03040101010101010101010101010101010101151401010101010101010101010101010101010101010101010101010101010101010101021314010101050607010101010108090c01010b030401010108090c01010b03040101010b0304010111120d010108090a01010e0c01010101010101010101010101010101010101010101010101010101010101010101010101010101010101010101010101010101010101010101010101050607010101010105100a010111120d01010105100a010111120d0101010b0304010111120d010105100a010101010101010101010101010101010101010101010101010101010101010101010101010101010101010101010101010101010101010101010101010809000000000000000f070105100d010105100d01010105100d010105100d0101010b03040101010e0c0101020f070101010101010101010101010101010101010101010101010101010101010101010101010101010101010101010101010101010101010101010101010101010101050607010101010105100d010105100d01010105100d010105100d0101010b0304010101010200001314010101010101010101010101010101010101010101010101010101010101010101010101010101010101010101010101010101010101010101010101010101010101050607010101010105100a010111120d01010105100a010111120d0101010b0304010108090c01010b030401010101010101010101010101010101010101010101010101010101010101010101010101010101010101010101010101010101010101010101010101010101010506070101010101010e0c01010b0f07010101010e0c01010b0f07010e0a0b0304010105100d010105100a01010101010101010101010101010101010101010101010101010101010101010101010101010101010101010101010101010101010101010101010101010101010506070101010101010b030408090c01010101010b030408090c01010102000304010108090c01010b000d010101010101010101010101010101010101010101010101010101010101010101010101010101010101010101010101010101010101010101010101010101010101010101010101010101020000030401010101010102000003040101010105060701010108090000000a0101010101010101010101010101010101010101010101010101010101010101010101010101010101010101010101010101010101010101010101010101010101010101010101010101010101010101010101010101010101010101010101010101010101010101010101010101010101010101010101010101010101010101010101010101010101010101010101010101010101010101010101010101010101010101010101010101010101010101010101010101010101010101010101010101010101010101010101010101010101010101010101010101010101010101010c00000040092900aa000000000000002000710000000000040000002701ffff030000000000
Тогда посадка - 010009000003061c000000000810000000000810000026060f000620574d46430100000000000100ffb00000000001000000e41f000000000000e41f0000010000006c00000000000000000000006d000000370000000000000000000000400b0000ba05000020454d4600000100e41f00000c00000001000000000000000000000000000000900600001a040000b801000013010000000000000000000000000000c0b6060038320400460000002c00000020000000454d462b014001001c000000100000000210c0db01000000600000006000000046000000b8060000ac060000454d462b224004000c000000000000001e4009000c00000000000000244001000c000000000000003040020010000000040000000000803f214007000c000000000000000840000504060000f80500000210c0db01000000000000000000000000000000000000000100000089504e470d0a1a0a0000000d49484452000000690000003608020000004b38204f000000017352474200aece1ce9000000097048597300000e2600000e2601a2ef25fc0000058049444154785eed5a4d4eeb30104edf391a89152b2e00125b0e80fa16cdf69d002e40b8009c806dbba0e200dd22b517e88a15527a8fbe19ffcec476036e12a752bc4034f1ef97f1cc379f3d391c0ed958a210f813d56a6c84088cd8c5dbc188dd885d3c02f12d47bb1bb18b4720bee568772376f108c4b73c1fbbdb2fff4efe2ef7f14b6da5e5f6793279deaaae20af485136a51cbfdc90d1abc54ccd6ab6a8e8acf045ed518a49ab3161ee623259aa39b870e0130965ed1dfc1c0e70022f39a3647bb6fa5a65571753bb91b66fc5aabcbbc607d3dbfbd9eae353edcffde747767f4b6ab6b2f94eea042698156fa9b0dbaecb4c21655731bbcce58fe9c555b6faaac4ff00dd8a817cd2aa5b6a8c5f779708bbfdf7ce85aea575f5d5cd2a0d76684bc6c8f6cb67153eb5a96508ad79df1716bf1e270976023ae5c2f6cb872243bf777d07bb782dc23f7dffeb15f5d6609620ce5a265227249ab870ea32bc302b9940393903dd185871fef57878123178100566f490bd26b0bb084669a95f43e320bbd6ed8e5540b3675cddee03f65c6f84f3c00e578e0b69a0c841764d91f3d16f8ba8c54e670f7c683a8b48ecaa45c9b3a608636abd09b51b6f1617ac5055980206ad3b901286e22ce4bc24f1c63c9c95bcd871c7436b985cb97fdfe465d7741afe0ad3e9b1b405139bc5ebdca962b1e3f8dc649bf75a6de60a0ef42d3af322938608dfa8bcb15243ebf0a190e1960e3fd7f61902551d0bb12c891de29617575ad310b6fd730030139de90f339d3f626b49d43a28d74fbebdae637023bb6eacc0a68cb8acef8211de75c3328c30d72c7c29b73bbb02118de84be741eb9e2dd0a1f567d443112fe7afa07babc759f86d96b529dde563ace06d740b8ad731ecc43b160005766954231fbb66cb0bd26fe614d1fd108222de79b1e3516453ea5513cb93f8cce08f2c1418173bf7495f86d7ef38e0ef5049d365bf7cd979b432945cb2ecfe550b7fab228f97bf7dbefe2c9f0176f9a5b127f0fa578f6e3006416dfe6e22eb74fe0a6668b5492720888f1196dcfa358e0e4703ecacd0b85def16ff74d6287420bf5e8b2d8c36c97e181c87af209dce0190a3a0e101a9e0fb55100f051d27ca40690056abaf09bb25a40425e1236677fa9c8ff760796ac0ad042bb033301c8470496f5fda85b15052f3f63c70cae4cf21252a7ef41628fc19545c4aebcb67eb34c7250e269fad85e45a44e66f3dfc8354e8899d78b10b66ac3e0e67d1f1e5b30eb571488ac92b2009a36eb526967136efc95048056ffed2f54eb5fdc7a4b4be7c165dd1ee7b2f3af69e4ca99c0cc3e880a4c563401b1f94172b4c1c65e9209f054caafb8f5c747fb35b542e3e49ce2bb417fe2d47442fff72a96e0cb03d4b16d698b13656909f0e3e12aad5321e2088e2fbd0789208bbeb277027010664e21b3326c40d746ea6dfb8f6193830b22b3e76a2449304c92574113c4c14f44d776ba5cf75c81d8f751dd2190399b396b94997a11e62525a1b67054032dab1873c00cae944eac627238e662766a8966a95709f5ce381eee4199cd481f87089f62cec08b2630145e1b0f05cb6bcfc561ab5f586c3bb5691f04e0582017a0286309016b50fc3a759f9014e4dec98acc83b089fed91a544772ac02be38eadf171f4c8567f46e946f3abf616dc664f49f62c524dd4594cd0db2ec58d14a0a3469e114638b8fb4f14fa14772ae8591e8b145afe571324a16d98b1e21cee54601419d6b58a73ba53a1d856e8b489d10d4bcb02a284b782f721f1c77468bd0b52f1bb2876454e5042a7f8f11a54fdae8561a0ec3a079dc25961e7d8976388711a54532b7e1a66669124ceb649149cbe623428a282d3abceaaefe63b159d2ea8bdce7bd3a0f4949bee54b4b7b4ce7b32226bbb1a945f98fac19d8a28c79dba915f47b1aeab7edea07ca3b742b055e39d8ad428c48ddfa606456f5068b86a09a3e74ec57ff30e779808cdeaa10000000049454e44ae426082000840010824000000180000000210c0db01000000030000000000000000000000000000001b40000040000000340000000100000002000000000000bf000000bf0000d24200005842030000000000008000000080ffffdb420000008000000080ffff5f422100000008000000620000000c00000001000000150000000c00000004000000150000000c0000000400000051000000c817000000000000000000006d0000003700000000000000000000000000000000000000690000003600000050000000b000000000010000c8160000000000002000cc006e000000380000002800000069000000360000000100080000000000000000000000000000000000220000000000000000000000ffffff00a6e3ff0054005400ffe3a6000080c600c6800000c6ffff0000008000e3ffff000054a600e3a6540054a6e300a6540000ffffe30080c6ff00a6545400ffc6800080005400540080005454a600ffffc600e3a680005400000080a6e300e3e3e300000054008000000080008000545454005480c600a6e3c600a6a68000a6c6ff0001010101010101010101010101010101010101010101010101010101010101010101010101010101010101010101010101010101010101010101010101090a110101010101070800001101010f1b150107080000110101070800001101070800000000110101010101ffffff01010101010101010101010101010101010101010101010101010101010101010101010101010101010101010101010101010101010101010101010101090a110101010101050601020304010f1b150105060102030401050601020304010f0601010f110101010101ffffff01010101010101010101010101010101010101010101010101010101010101010101010101010101010101010101010101010101010101010101010101090a110101010107081101090a0b0101010107081101090a0b07081101090a0b01010c060101010101010101ffffff0101010101010101010101010101010101010101010101010101010101010101010101010101010101010101010101010101010101010101010107080000000000001101071304010105060101010107130401010506071304010105060101010f0601010101010101ffffff01010101010101010101010101010101010101010101010101010101010101010101010101010101010101010101010101010101010101010101010101090a110101010107130401010506010101010713040101050607130401010506010101010c0b010101010101ffffe301010101010101010101010101010101010101010101010101010101010101010101010101010101010101010101010101010101010101010101010101090a110101010107081101090a0b0101010107081101090a0b07081101090a0b010101010203040101010101ffffff0101010101010101010101010101010101010101010101010101010101010101010101010101010101010101010101010101010101010101010f170401090a1101010101010c060102030401010101010c0601020304010c0601020304071304010f170401050d0e01ffffff01010101010101010101010101010101010101010101010101010101010101010101010101010101010101010101010101010101010101010c060101010101010101010101090a00000b010101010101090a00000b0101090a00000b0101070800000601010102100ec68000010101010101010101010101010101010101010101010101010101010101010101010101010101010101010101010101010101010101010212150101010101010101010101010101010101010101010101010101010101010101010101010101010101010101010c0bffffff0101010101010101010101010101010101010101010101010101010101010101010101010101021215010500060101070800000d0e01010c0b010101010101010101010101010101010101010101010101010101010101010101010101010101010101010101010212ffffff01010101010101010101010101010101010101010101010101010101010101010101010101010708110708112104090a0b01090a0601090a11010101010101010101010101010101010101010101010101010101010101010101010101010101010101010101010914800000010101010101010101010101010101010101010101010101010101010101010101010101010101050b0f1b15010107130401010c0d0e090a1101010101010101010101010101010101010101010101010101010101010101010101010101010101010101010101090affffff0101010101010101010101010101010101010101010101010101010101010101010101010101010c00001b150101021a0d0e090a0601090a1101010101010101010101010101010101010101010101010101010101010101010101010101010101010101010101090affffff01010101010101010101010101010101010101010101010101010101010101010101010101010102100e07080b01090a201a000d0e01090a1101010101010101010101010101010101010101010101010101010101010101010101010101010101010101010101091400005401010101010101010101010101010101010101010101010101010101010101010101010101010107130407080011010c060101010101010c0b010101010101010101010101010101010101010101010101010101010101010101010101010101010101010101010212ffffff010101010101010101010101010101010101010101010101010101010101010101010101010101090a110101010101090a06010101010102100e010101090a110101010101070800001101010f1b1501070800001101010c000000000b010c0000000d0e0101010c0bffffff01010101010101010101010101010101010101010101010101010101010101010101010101010101050b010101010101010f001b150101010c0d0e0101090a110101010101050601020304010f1b150105060102030401010105060101021a110101050601010f0d0e0000800101010101010101010101010101010101010101010101010101010101010101010101010101010f000d0e010101010101010101010101010102030401090a110101010107081101090a0b0101010107081101090a0b0101010c06010107081101090a060105060101ffffff01010101010101010101010101010101010101010101010101010101010101010101010101010101010101010101010101010101010101010101070800000000000011010713040101050601010101071304010105060101010c06010101090a00000b010101010101ffffff01090a11010101010101010101010101010101010101010101010101010101010101010101010101010101010101010101010101010101010101010101090a11010101010713040101050601010101071304010105060101010c060101090a0b010708110101010101000080010107080000001b1501010107080000000d0e01010101070800000d0e0101010101010101010101010101010101010101010101010101010101010101090a110101010107081101090a0b0101010107081101090a0b0119010c060101070811010105060101010101ffffff01090a001101010c1704010105170401090a1b15010107080d0e090a0d0e01010101010101010101010101010101010101010101010101010101010101090a1101010101010c060102030401010101010c0601020304010c0000060101090a0b0107080b0101010101ffffff010c1b1f100e0101050d0e01050b010101021a0b01010c001101010f0011010101010101010101010101010101010101010101010101010101010101010101010101010101090a00000b010101010101090a00000b010101010506010101070800000d0e0101010101000054010506011e0401010203040101010101010708060101051b15010107080b010101010101010101010101010101010101010101010101010101010101010101010101010101010101010101010101010101010101010101010101010101010101010101010101010101ffffff090a0b010f06010107080b010101010101021a0b01090a0d0e0101070806010101010101010101010101010101010101010101010101010101010101010101010101010101010101010101010101010101010101010101010101010101010101010101010101010101ffffff07080b010914040107080b01090a0b01090a170401090a0d0e0101090a0d0e0101010101010100000000000000000000000000000000000000000000000000000000000000000000000000000000000000000000000000000000000000000000000000000000000000540000090a0b01010f0b0107080b01021a1d000017040101090a0d0e0101090a0d0e0101010101010101010101010101010101010101010101010101010101010101010101010101010101010101010101010101010101010101010101010101010101010101010101010101ffffff0105060101071c15021a1101021a11010101010101090a0d0e010107080d0e01010101010101010101010101010101010101010101010101010101010101010101010101070800001101010f1b150107080000110101010c000000000b070800000000110101010101ffffff010f170401010c0b050d0e01021a1101010101010101051b1501010708060101010101010101010101010101010101010101010101010101010101010101010101010101050601020304010f1b15010506010203040101010105060101010f0601010f110101010101c6800001090a1b1501070800110101021a11010101010101010f170401010f00110101010101010101010101010101010101010101010101010101010101010101010101010107081101090a0b0101010107081101090a0b010101010c06010101010c060101010101010101ffffff0101010c0000000011010101021a1101010101010101090a0d0e090a1b1501010101010101010101010101010101010101010101010101010101070800000000000011071304010105060101010107130401010506010101010c0601010101010f0601010101010101ffffff010101010101010713040101021a000000001704010101090a00001b150101010101010101010101010101010101010101010101010101010101010101010101010101071304010105060101010107130401010506010101010c060101010101010c0b010101010101ffffc60101010101010101010101010101010101011804010101010101010101010101010101010101010101010101010101010101010101010101010101010101010101010107081101090a0b0101010107081101090a0b010119010c060101010101010203040101010101ffffff01010101010101010101010101010101010101010101010101010101010101010101010101010101010101010101010101010101010101010f17040101010101010101010c060102030401010101010c060102030401010c0000060101071304010f170401050d0e01000000010101010101010101010101010101010101010101010101010101010101010101010101010101010101010101010101010101010101010c060101010101010101010101090a00000b010101010101090a00000b01010101010506010101070800000601010102100effffff010101010101010101010101010101010101010101010101010101010101010101010101010101010101010101010101010101010101021215010101010101010101010101010101010101010101010101010101010101010101010101010101010101010101010c0bffffff01010101010101010101010101010101010101010101010101010101010101010101010101010c0000000017040107080000110101010c0b01010101010101010101010101010101010101010101010101010101010101010101010101010101010101010101010212e3a6540101010101010101010101010101010101010101010101010101010101010101010101010101090a0b01090a110105060102030401090a1101010101010101010101010101010101010101010101010101010101010101010101010101010101010101010101010914ffffff0101010101010101010101010101010101010101010101010101010101010101010101010101010c0d0e01021607081101090a0b01090a110101010101010101010101010101010101010101010101010101010101010101010101010101010101010101010101090affffff0101010101010101010101010101010101010101010101010101010101010101010101010101010212150101010713040101050601090a110101010101010101010101010101010101010101010101010101010101010101010101010101010101010101010101090affe3a60101010101010101010101010101010101010101010101010101010101010101010101010101010708110101010713040101050601090a1101010101010101010101010101010101010101010101010101010101010101010101010101010101010101010101010914ffffff01010101010101010101010101010101010101010101010101010101010101010101010101010101050601010107081101090a0b01010c0b01010101010101010101010101010101010101010101010101010101010101010101010101010101010101010101010212ffffe3010101010101010101010101010101010101010101010101010101010101010101010101010101010c0d0e0101010c0601020304010102100e010101010101010101010101010101010101010101010101010101010101010101010101010101010101010101010c0bffffc601010101010101010101010101010101010101010101010101010101010101010101010101010107080006010101090a00000b010101010c0d0e01010101010101010101010101010101010101010101010101010101010101010101010101010101010101010f0d0effffff010101010101010101010101010101010101010101010101010101010101010101010101010101010101010101010101010101010101010102030401010101010101010101010101010101010101010101010101010101010101010101010101010101010105060101ffffe3010101010101010101010101010101010101010101010101010101010101010101010101010101010101010101010101010101010101010101010101010101010101010101010101010101010101010101010101010101010101010101010101010101010101010101e3a654010101010101010101010101010101010101010101010101010101010101010101010101010101010101010101010101010101010101010101010101010101010101010101010101010101010101010101010101010101010101010101010101010101010101010101ffffff010101010101010101010101010101010101010101010101010101010101010101010101010101010101010101010101010101010101010101010101010101010101010101010101010101010101010101010101010101010101010101010101010101010101010101ffffe301010101010101010101010101010101010101010101010101010101010101010101010101010101010101010101010101010101010101010101010101010101010101010101010101010101010101010101010101010101010101010101010101010101010101010154a6e3010101010101010101010101010101010101010101010101010101010101010101010101010101010101010101010101010101010101010101010101010101010101010101010101010101010101010101010101010101010101010101010101010101010101010101ffffff010101010101010101010101010101010101010101010101010101010101010101010101010101010101010101010101010101010101010101010101010101010101010101010101010101010101010101010101010101010101010101010101010101010101010101ffffe301010101010101010101010101010101010101010101010101010101010101010101010101010101010101010101010101010101010101010101010101010101010101010101010101010101010101010101010101010101010101010101010101010101010101010154a6e3010101010101010101010101010101010101010101010101010101010101010101010101010101010101010101010101010101010101010101010101010101010101010101010101010101010101010101010101010101010101010101010101010101010101010101ffffff010101010101010101010101010101010101010101010101010101010101010101010101010101010101010101010101010101010101010101010101010101010101010101010101010101010101010101010101010101010101010101010101010101010101010101ffffff4c0000006400000000000000000000006d0000003700000000000000000000006e000000380000002900aa0000000000000000000000803f00000000000000000000803f0000000000000000000000000000000000000000000000000000000000000000220000000c000000ffffffff460000001c00000010000000454d462b024000000c000000000000000e000000140000000000000010000000140000000400000003010800050000000b0200000000050000000c0238006e00030000001e0004000000070104000400000007010400c90b0000410b2000cc00360069000000000038006e00000000002800000069000000360000000100080000000000000000000000000000000000220000000000000000000000ffffff00a6e3ff0054005400ffe3a6000080c600c6800000c6ffff0000008000e3ffff000054a600e3a6540054a6e300a6540000ffffe30080c6ff00a6545400ffc6800080005400540080005454a600ffffc600e3a680005400000080a6e300e3e3e300000054008000000080008000545454005480c600a6e3c600a6a68000a6c6ff0001010101010101010101010101010101010101010101010101010101010101010101010101010101010101010101010101010101010101010101010101090a110101010101070800001101010f1b150107080000110101070800001101070800000000110101010101ffffff01010101010101010101010101010101010101010101010101010101010101010101010101010101010101010101010101010101010101010101010101090a110101010101050601020304010f1b150105060102030401050601020304010f0601010f110101010101ffffff01010101010101010101010101010101010101010101010101010101010101010101010101010101010101010101010101010101010101010101010101090a110101010107081101090a0b0101010107081101090a0b07081101090a0b01010c060101010101010101ffffff0101010101010101010101010101010101010101010101010101010101010101010101010101010101010101010101010101010101010101010107080000000000001101071304010105060101010107130401010506071304010105060101010f0601010101010101ffffff01010101010101010101010101010101010101010101010101010101010101010101010101010101010101010101010101010101010101010101010101090a110101010107130401010506010101010713040101050607130401010506010101010c0b010101010101ffffe301010101010101010101010101010101010101010101010101010101010101010101010101010101010101010101010101010101010101010101010101090a110101010107081101090a0b0101010107081101090a0b07081101090a0b010101010203040101010101ffffff0101010101010101010101010101010101010101010101010101010101010101010101010101010101010101010101010101010101010101010f170401090a1101010101010c060102030401010101010c0601020304010c0601020304071304010f170401050d0e01ffffff01010101010101010101010101010101010101010101010101010101010101010101010101010101010101010101010101010101010101010c060101010101010101010101090a00000b010101010101090a00000b0101090a00000b0101070800000601010102100ec68000010101010101010101010101010101010101010101010101010101010101010101010101010101010101010101010101010101010101010212150101010101010101010101010101010101010101010101010101010101010101010101010101010101010101010c0bffffff0101010101010101010101010101010101010101010101010101010101010101010101010101021215010500060101070800000d0e01010c0b010101010101010101010101010101010101010101010101010101010101010101010101010101010101010101010212ffffff01010101010101010101010101010101010101010101010101010101010101010101010101010708110708112104090a0b01090a0601090a11010101010101010101010101010101010101010101010101010101010101010101010101010101010101010101010914800000010101010101010101010101010101010101010101010101010101010101010101010101010101050b0f1b15010107130401010c0d0e090a1101010101010101010101010101010101010101010101010101010101010101010101010101010101010101010101090affffff0101010101010101010101010101010101010101010101010101010101010101010101010101010c00001b150101021a0d0e090a0601090a1101010101010101010101010101010101010101010101010101010101010101010101010101010101010101010101090affffff01010101010101010101010101010101010101010101010101010101010101010101010101010102100e07080b01090a201a000d0e01090a1101010101010101010101010101010101010101010101010101010101010101010101010101010101010101010101091400005401010101010101010101010101010101010101010101010101010101010101010101010101010107130407080011010c060101010101010c0b010101010101010101010101010101010101010101010101010101010101010101010101010101010101010101010212ffffff010101010101010101010101010101010101010101010101010101010101010101010101010101090a110101010101090a06010101010102100e010101090a110101010101070800001101010f1b1501070800001101010c000000000b010c0000000d0e0101010c0bffffff01010101010101010101010101010101010101010101010101010101010101010101010101010101050b010101010101010f001b150101010c0d0e0101090a110101010101050601020304010f1b150105060102030401010105060101021a110101050601010f0d0e0000800101010101010101010101010101010101010101010101010101010101010101010101010101010f000d0e010101010101010101010101010102030401090a110101010107081101090a0b0101010107081101090a0b0101010c06010107081101090a060105060101ffffff01010101010101010101010101010101010101010101010101010101010101010101010101010101010101010101010101010101010101010101070800000000000011010713040101050601010101071304010105060101010c06010101090a00000b010101010101ffffff01090a11010101010101010101010101010101010101010101010101010101010101010101010101010101010101010101010101010101010101010101090a11010101010713040101050601010101071304010105060101010c060101090a0b010708110101010101000080010107080000001b1501010107080000000d0e01010101070800000d0e0101010101010101010101010101010101010101010101010101010101010101090a110101010107081101090a0b0101010107081101090a0b0119010c060101070811010105060101010101ffffff01090a001101010c1704010105170401090a1b15010107080d0e090a0d0e01010101010101010101010101010101010101010101010101010101010101090a1101010101010c060102030401010101010c0601020304010c0000060101090a0b0107080b0101010101ffffff010c1b1f100e0101050d0e01050b010101021a0b01010c001101010f0011010101010101010101010101010101010101010101010101010101010101010101010101010101090a00000b010101010101090a00000b010101010506010101070800000d0e0101010101000054010506011e0401010203040101010101010708060101051b15010107080b010101010101010101010101010101010101010101010101010101010101010101010101010101010101010101010101010101010101010101010101010101010101010101010101010101ffffff090a0b010f06010107080b010101010101021a0b01090a0d0e0101070806010101010101010101010101010101010101010101010101010101010101010101010101010101010101010101010101010101010101010101010101010101010101010101010101010101ffffff07080b010914040107080b01090a0b01090a170401090a0d0e0101090a0d0e0101010101010100000000000000000000000000000000000000000000000000000000000000000000000000000000000000000000000000000000000000000000000000000000000000540000090a0b01010f0b0107080b01021a1d000017040101090a0d0e0101090a0d0e0101010101010101010101010101010101010101010101010101010101010101010101010101010101010101010101010101010101010101010101010101010101010101010101010101ffffff0105060101071c15021a1101021a11010101010101090a0d0e010107080d0e01010101010101010101010101010101010101010101010101010101010101010101010101070800001101010f1b150107080000110101010c000000000b070800000000110101010101ffffff010f170401010c0b050d0e01021a1101010101010101051b1501010708060101010101010101010101010101010101010101010101010101010101010101010101010101050601020304010f1b15010506010203040101010105060101010f0601010f110101010101c6800001090a1b1501070800110101021a11010101010101010f170401010f00110101010101010101010101010101010101010101010101010101010101010101010101010107081101090a0b0101010107081101090a0b010101010c06010101010c060101010101010101ffffff0101010c0000000011010101021a1101010101010101090a0d0e090a1b1501010101010101010101010101010101010101010101010101010101070800000000000011071304010105060101010107130401010506010101010c0601010101010f0601010101010101ffffff010101010101010713040101021a000000001704010101090a00001b150101010101010101010101010101010101010101010101010101010101010101010101010101071304010105060101010107130401010506010101010c060101010101010c0b010101010101ffffc60101010101010101010101010101010101011804010101010101010101010101010101010101010101010101010101010101010101010101010101010101010101010107081101090a0b0101010107081101090a0b010119010c060101010101010203040101010101ffffff01010101010101010101010101010101010101010101010101010101010101010101010101010101010101010101010101010101010101010f17040101010101010101010c060102030401010101010c060102030401010c0000060101071304010f170401050d0e01000000010101010101010101010101010101010101010101010101010101010101010101010101010101010101010101010101010101010101010c060101010101010101010101090a00000b010101010101090a00000b01010101010506010101070800000601010102100effffff010101010101010101010101010101010101010101010101010101010101010101010101010101010101010101010101010101010101021215010101010101010101010101010101010101010101010101010101010101010101010101010101010101010101010c0bffffff01010101010101010101010101010101010101010101010101010101010101010101010101010c0000000017040107080000110101010c0b01010101010101010101010101010101010101010101010101010101010101010101010101010101010101010101010212e3a6540101010101010101010101010101010101010101010101010101010101010101010101010101090a0b01090a110105060102030401090a1101010101010101010101010101010101010101010101010101010101010101010101010101010101010101010101010914ffffff0101010101010101010101010101010101010101010101010101010101010101010101010101010c0d0e01021607081101090a0b01090a110101010101010101010101010101010101010101010101010101010101010101010101010101010101010101010101090affffff0101010101010101010101010101010101010101010101010101010101010101010101010101010212150101010713040101050601090a110101010101010101010101010101010101010101010101010101010101010101010101010101010101010101010101090affe3a60101010101010101010101010101010101010101010101010101010101010101010101010101010708110101010713040101050601090a1101010101010101010101010101010101010101010101010101010101010101010101010101010101010101010101010914ffffff01010101010101010101010101010101010101010101010101010101010101010101010101010101050601010107081101090a0b01010c0b01010101010101010101010101010101010101010101010101010101010101010101010101010101010101010101010212ffffe3010101010101010101010101010101010101010101010101010101010101010101010101010101010c0d0e0101010c0601020304010102100e010101010101010101010101010101010101010101010101010101010101010101010101010101010101010101010c0bffffc601010101010101010101010101010101010101010101010101010101010101010101010101010107080006010101090a00000b010101010c0d0e01010101010101010101010101010101010101010101010101010101010101010101010101010101010101010f0d0effffff010101010101010101010101010101010101010101010101010101010101010101010101010101010101010101010101010101010101010102030401010101010101010101010101010101010101010101010101010101010101010101010101010101010105060101ffffe3010101010101010101010101010101010101010101010101010101010101010101010101010101010101010101010101010101010101010101010101010101010101010101010101010101010101010101010101010101010101010101010101010101010101010101e3a654010101010101010101010101010101010101010101010101010101010101010101010101010101010101010101010101010101010101010101010101010101010101010101010101010101010101010101010101010101010101010101010101010101010101010101ffffff010101010101010101010101010101010101010101010101010101010101010101010101010101010101010101010101010101010101010101010101010101010101010101010101010101010101010101010101010101010101010101010101010101010101010101ffffe301010101010101010101010101010101010101010101010101010101010101010101010101010101010101010101010101010101010101010101010101010101010101010101010101010101010101010101010101010101010101010101010101010101010101010154a6e3010101010101010101010101010101010101010101010101010101010101010101010101010101010101010101010101010101010101010101010101010101010101010101010101010101010101010101010101010101010101010101010101010101010101010101ffffff010101010101010101010101010101010101010101010101010101010101010101010101010101010101010101010101010101010101010101010101010101010101010101010101010101010101010101010101010101010101010101010101010101010101010101ffffe301010101010101010101010101010101010101010101010101010101010101010101010101010101010101010101010101010101010101010101010101010101010101010101010101010101010101010101010101010101010101010101010101010101010101010154a6e3010101010101010101010101010101010101010101010101010101010101010101010101010101010101010101010101010101010101010101010101010101010101010101010101010101010101010101010101010101010101010101010101010101010101010101ffffff010101010101010101010101010101010101010101010101010101010101010101010101010101010101010101010101010101010101010101010101010101010101010101010101010101010101010101010101010101010101010101010101010101010101010101ffffff0c00000040092900aa0000000000000038006e0000000000040000002701ffff030000000000
Определим предельные размеры и натяги






Масштаб: 1мм=1мкм

Рисунок
3.1.1 – Схема расположения полей допусков
размеров вала и отверстия в соединении

Посадку
для местно нагруженного кольца выбираем
по рекомендации [1, с. 233]. По таблице 18
принимаем поле допуска отверстия в
стакане –
,
т.к. в нашем случае режим работы тяжелый.
Размер
отверстия под наружное кольцо 
Посадка наружного кольца подшипника 010009000003261500000000500c00000000500c000026060f009618574d4643010000000000010059be0000000001000000741800000000000074180000010000006c00000000000000000000006e0000002800000000000000000000005a0b00003104000020454d4600000100741800000c00000001000000000000000000000000000000900600001a040000b801000013010000000000000000000000000000c0b6060038320400460000002c00000020000000454d462b014001001c000000100000000210c0db01000000600000006000000046000000980500008c050000454d462b224004000c000000000000001e4009000c00000000000000244001000c000000000000003040020010000000040000000000803f214007000c0000000000000008400005e4040000d80400000210c0db01000000000000000000000000000000000000000100000089504e470d0a1a0a0000000d494844520000006a00000027080200000068854a72000000017352474200aece1ce9000000097048597300000e2600000e2601a2ef25fc0000045f494441546843ed5a3d4eeb401036ef1c41a2a2e20241a2e500c814d07202de05702e0027a0750aa21c202d527c81545448ce3df266f66f6667378ee36727cb8f9b647f3df3edfc7b4f369b4df6fb7445e04fd78549afab26b7d375cf1456d3c896df133e895c3539518f0455f4afa7b77a1ecda4aecb79e43c7e027cd5e4325b8291aacbecfeb5221062fd7959c3cc65319bbf5bf12d702d3c6f77a310403df44d9ebacc0587c03b746a50d83fbf4533340ed0b698b11d6d17c7ea5b481f6a98d2cbd1dd9b626e5918c0364fe3fd4ca052d6d3fb995d6577842d8b676dfc50e3274688d381cfda214d99d76236495b264b3d4cc4b1c7ec25ae5a0a84d1d98556c5f5fb7c767136c2250876d08f03af67780075b9bab47490bdc4b5f08c9f369beb85b1a3e9a82dea89151aa540ae559785d6be0605f4f820e9b36bb43469fd73baea34d3e825d3544bc8b2b07248a4313ab274e0034a7df40cb70218de2b8dd6219941ac8b74e0a373b6e71dda6a0197e2c0f8c54322477a908ced5b7fae18140a986b69f6abd7fb8bbfb1f0613ff7d0dfec592af0a15927bcb0959f9ffa7caea7cfabf2614f4fda1f54d19d1281cfc74bb56eaefc283539d1033cf36db6cfb3e364577cef28edcdd6511ece468c951dd69ec36f451dae7d7142ae4344ec0197ceb40b0fae596918551b53dcefe2873e8cfdf19c873e392d7d1a3a8798c18210c40e6c712488fbdda30c71b5778feef238005ab157f0214b5ec8050dbf8f5488cf14f213053780ab6ffc02fafb90eaa63d3832e83aaa4591152e2030267afc50e633af40d1c989613c92054e345b7df6598ec3342a5a0fe944f2ae45fc6d001f72480c560b131d404a98f5cca622ecf45c564576d19bf038c0577fb8fa0224cdcf2b19310c4fbdad517ebd5f808f89c321622b755aa678614e66686b35dcfe001f6ae9eca356469085f54aa7ff5b129509d0bbb3273486c38bf8206f40d781e2572c2a5f714110c3c8bf03094ab66177bb14fd9410be0ebb26b384c57d148ec5e3bb6d711fcb0162618d8a5478d81c8dbb8753b0217776499ba81789c036fc88c063dfe6519e9334448d437239d8de9475f4980974a7561f624b529a13f0ee44c457dadcca1b4da75c6ac8f26b1524d761ad9c254a7d43b56dbfa090921a7c5e0a4b0d2168c7abb48837a7061f9caf57b9e0df5b9d001e0f3ded3dc9b824522e65618d1713ba0605a7f4c1f128d1cbe8ea26a78c3d2df83054f71392a340b4eba5940624059fffc103997084fa758d5dfcf53b1ebd5ba55f91147c900ea3b6aea75395a48cafc110ea7c25faf5a30d482def56a9adf0c202dd5f68b85bc5eccba17c7e9bf7983045d6a6156f3c166ced3aac239225e9b05fd54073ee15604d2cfef4b74acdf3b64159ba3ff77189c451dcc66879b78abb7dbe2983519c5c52cadb461bd59cd1dd8bbbc4a39afa62153dfb5eac8abc3972b70ad4fb717ef3c23ed47f4df8346270cd29b82feae1d0fe6e55043e7ec117a301b4a270954b7c1468a72d5f75964bfa76dcadf2f4dfde30b5983654884e0098d63af33b5122f00f75da0d4278fdca4c0000000049454e44ae42608200000840010824000000180000000210c0db01000000030000000000000000000000000000001b40000040000000340000000100000002000000000000bf000000bf0000d44200001c42030000000000008000000080feffdd420000008000000080feff23422100000008000000620000000c00000001000000150000000c00000004000000150000000c00000004000000510000007811000000000000000000006e00000028000000000000000000000000000000000000006a0000002700000050000000b40000000401000074100000000000002000cc006f00000029000000280000006a000000270000000100080000000000000000000000000000000000230000000000000000000000ffffff005480c600ffe3a600a6a6c600ffffe30080c6ff00e3a65400a6e3ff0000005400e3ffff000054a600a6540000c6ffff0080008000ffffc60080005400a65454008054a600c68000005454a60054a6e300ffc6800054005400540080000080c60000008000c6805400a6548000a680a6008000000054000000a6e3c600a6a6e3005454540001010101010101010101010101010101010101010101010101010101010101010101010101010101010101010101010101010101010101010101010101010101010101010101010101010101010101010101010101010101010101010101010101010101010101010101ffff0101010101010101010101010101010101010101010101010101010101010101010101010101010101010101010101010101010101010101010101010101010101010101010101010101150000160115070115000016010a0b00001f030d1a0000070101010101010101ffff0101010101010101010101010101010101010101010101010101010101010101010101010101010101010101010101010101010101010101010101010101061f0301010101010101010d180308100f15070d180308100f0101061301010d1c050d0e0f190c0501010101ffff010101010101010101010101010101010101010101010101010101010101010101010101010101010101010101010101010101010101010101010101011513010101010101010101010811050a140301010811050a14030101061301010101010d180301081105010101ffff01010101010101010101010101010101010101010101010101010101010101010101010101010101010101010101010101010101010101010101010108100f010108090000000013010811050a140301010811050a14030101061301010a0b0000130101011507010101ffff010101010101010101010101010101010101010101010101010101010101010101010101010101010101010101010a0b000701010d1a000016010101150701010101010101010101010d0e0f08100f01010d0e0f08100f0d1a221301010a120f010101010108100f0101ffff010101010101010101010101010101010101010101010101010101010101010101010101010101010101010101010d1803210f01191301081703010a0b16010101010101010101010101060000070101010106000007010101151301010a0b00000c0501010a14030101ffff010101010101010101010101010101010101010101010101010101010101010101010101010101010101010101010a0b1601010d1a16010a0b07010a0b160101010101010101010101010101010101010101010101010101010101010101010101040501010a0b160101ffff0101010101010101010101010101010101010101010101010101010101010101010101010101010101010101010101151301010d180301011913010a0b160101010101010101010101010101010101010101010101010101010101010101010101010101010a0b160101ff540101010101010101010101010101010101010101010101010101010101010101010101010101010101010101010101060c05010d180301011913010a0b160101010101010101010101010101010101010101010101010101010101010101010101010101010a14030101ffff01010101010101010101010101010101010101010101010101010101010101010101010101010101010101010101010d0e0f010d1a16010a0b070101150701010101010101010101010101010101010101010101010101010101010101010101010101010108100f0101ffff01010101010101010101010101010101010101010101010101010101010101010101010101010101010101010101010a0b160101151301081703010108110501010101010101010101010101010101010101010101010101010101010101010101010101011507010101ffff010101010101010101010101010101010101010101010101010101010101010101010101010101010101010101010101190701010a0b00000701010101150c05010101010101010101010101010101010101010101010101010101010101010101010101060c05010101ffff010a0b16010101010101010101010101010101010101010101010101010101010101010101010101010101010101010600130101010101010101010101010817030101010101010101010101010101010101010101010101010101010101010101010119130101010101ffff01010d1a0000001e0f0101010a0b00000000001301010a0b0000000000130101010d1a00000c0501010101010101010101010101010101010101010101010101010101010101010101010101010101010101010101010101010101010101010101010101010101010101ffff010a0b00160101151f030101010101151f0301010101010101151f03010101010d1a0c050a0b0c05010101010101010101010101010101010101010101010101010101010101010101010101010101010101010101010101010101010101010101010101010101010101ffff01151e2011050101190c0501010101151f0301010101010101151f03010101011500160101060016010101010101010101010101010101010101010101010101010101010101010101010101010101010101010101010101010101010101010101010101010101010101ffff011913010203010108170301010101151f0301010101010101151f0301010101191e0f01010d1a07010101010101010101010101010101010101010101010101010101010101010101010101010101010101010101010101010101010101010101010101010101010101ffff0a0b0701061301010d1a0701010101151f0301010101010101151f030101010a0b0c0501010d1a13010101010101010101010101010101010101010101010101010101010101010101010101010101010101010101010101010101010101010101010101010101010101ffff0d1a07010a1403010d1a0701010101151f0301010101010101151f030101010a0b0c0501010a0b0c050101010000000000000000000000000000000000000000000000000000000000000000000000000000000000000000000000000000000000000000000000000000ffff0a0b0701010607010d1a0701010101151f0301010101010101151f030101010a0b0c0501010a0b0c050101010101010101010101010101010101010101010101010101010101010101010101010101010101010101010101010101010101010101010101010101010101008001191301010d0e0f08091601010101151f0301010101010101151f030101010a0b0c0501010d1a0c050101010101010101010101010101010101010101010101010101010101010101010101010101010101010101010101010101010101010101010101010101010101ffff01061f0301011507190c0501010101151f0301010101010101151f0301010101191e0f01010d1a1301010101010101010101010101010101010101010101010101061f0301010101010101010101010101010101010101010101010101010101010101010101190c0501ffff010a0b1e0f010d1a00160101061e0f151f0301010101061e0f151f0301010101061f030101060016010101010101010101010101010101010101010101010101151301010101010101010101010101010101010101010101010101010101010101010101010101081105ffff010101150000000016010101010d1a001f0301010101010d1a001f03010101010a0b0c050a0b1e0f010101010101010101010101010101010101010101010108100f01010101010101010101010101010101010101010101010101010101010101010101010101011507ffff010101010101010d180301010101010817030101010101010108170301010101010a0b00001e0f010101010115001f030a0b000c0501010a1403010101010115070101010101010101010101010101010101010101010101010101010101010101010101010101010810ffff01010101010101010101010101010101010101010101010101010101010101010101010101010101010101010a0b070101081703010101010613010101010a0b160101010101010101010101010101010101010101010101010101010101010101010101010101010a14ffff010101010101010101010101010101010101010101010101010101010101010101010101010101010101010101151301010a0b07010101010a14030101010a0b160101010101010101010101010101010101010101010101010101010101010101010101010101010a0b54ff01010101010101010101010101010101010101010101010101010101010101010101010101010101010101010108100f01011513010101010106130101010a0b160101010101010101010101010101010101010101010101010101010101010101010101010101010a0bffff0101010101010101010101010101010101010101010101010101010101010101010101010101010101010101010d1a000000001e0f010101010a140301010a0b160101010101010101010101010101010101010101010101010101010101010101010101010101010a14ffff01010101010101010101010101010101010101010101010101010101010101010101010101010101010101010101190701010809160101010101061301010115070101010101010101010101010101010101010101010101010101010101010101010101010101010810ffff01010101010101010101010101010101010101010101010101010101010101010101010101010101010101010101150c05010a0b07010a1d05010a1403010108110501010101010203010101150000160115070115000016010809000007010d1a000007010101011507ffff0101010101010101010101010101010101010101010101010101010101010101010101010101010101010101010d1a001301060000160a0b0000000013010101150c0501010101020301010d180308100f15070d180308100f081b0108100f0d1c050d0e0f0101060c05ffff0101010101010101010101010101010101010101010101010101010101010101010101010101010101010101010101010101010101010101010101010101010101081703010101020301010811050a140301010811050a14030108090016010101010d18030119130101ffff0101010101010101010101010101010101010101010101010101010101010101010101010101010101010101010101010101010101010101010101010101010101010101080900000000130811050a140301010811050a14030101011516010a0b000013010101010101ffff0101010101010101010101010101010101010101010101010101010101010101010101010101010101010101010101010101010101010101010101010101010101010101010101020301010d0e0f08100f01010d0e0f08100f081105060c050a120f0101010101010101ffff01010101010101010101010101010101010101010101010101010101010101010101010101010101010101010101010101010101010101010101010101010101010101010101010203010101060000070101010106000007010809000007010a0b00000c050101010101ffff01010101010101010101010101010101010101010101010101010101010101010101010101010101010101010101010101010101010101010101010101010101010101010101010203010101010101010101010101010101010101010101010101010104050101010101ffff01010101010101010101010101010101010101010101010101010101010101010101010101010101010101010101010101010101010101010101010101010101010101010101010101010101010101010101010101010101010101010101010101010101010101010101ff544c0000006400000000000000000000006e0000002800000000000000000000006f000000290000002900aa0000000000000000000000803f00000000000000000000803f0000000000000000000000000000000000000000000000000000000000000000220000000c000000ffffffff460000001c00000010000000454d462b024000000c000000000000000e000000140000000000000010000000140000000400000003010800050000000b0200000000050000000c0229006f00030000001e0004000000070104000400000007010400a1080000410b2000cc0027006a000000000029006f0000000000280000006a000000270000000100080000000000000000000000000000000000230000000000000000000000ffffff005480c600ffe3a600a6a6c600ffffe30080c6ff00e3a65400a6e3ff0000005400e3ffff000054a600a6540000c6ffff0080008000ffffc60080005400a65454008054a600c68000005454a60054a6e300ffc6800054005400540080000080c60000008000c6805400a6548000a680a6008000000054000000a6e3c600a6a6e3005454540001010101010101010101010101010101010101010101010101010101010101010101010101010101010101010101010101010101010101010101010101010101010101010101010101010101010101010101010101010101010101010101010101010101010101010101ffff0101010101010101010101010101010101010101010101010101010101010101010101010101010101010101010101010101010101010101010101010101010101010101010101010101150000160115070115000016010a0b00001f030d1a0000070101010101010101ffff0101010101010101010101010101010101010101010101010101010101010101010101010101010101010101010101010101010101010101010101010101061f0301010101010101010d180308100f15070d180308100f0101061301010d1c050d0e0f190c0501010101ffff010101010101010101010101010101010101010101010101010101010101010101010101010101010101010101010101010101010101010101010101011513010101010101010101010811050a140301010811050a14030101061301010101010d180301081105010101ffff01010101010101010101010101010101010101010101010101010101010101010101010101010101010101010101010101010101010101010101010108100f010108090000000013010811050a140301010811050a14030101061301010a0b0000130101011507010101ffff010101010101010101010101010101010101010101010101010101010101010101010101010101010101010101010a0b000701010d1a000016010101150701010101010101010101010d0e0f08100f01010d0e0f08100f0d1a221301010a120f010101010108100f0101ffff010101010101010101010101010101010101010101010101010101010101010101010101010101010101010101010d1803210f01191301081703010a0b16010101010101010101010101060000070101010106000007010101151301010a0b00000c0501010a14030101ffff010101010101010101010101010101010101010101010101010101010101010101010101010101010101010101010a0b1601010d1a16010a0b07010a0b160101010101010101010101010101010101010101010101010101010101010101010101040501010a0b160101ffff0101010101010101010101010101010101010101010101010101010101010101010101010101010101010101010101151301010d180301011913010a0b160101010101010101010101010101010101010101010101010101010101010101010101010101010a0b160101ff540101010101010101010101010101010101010101010101010101010101010101010101010101010101010101010101060c05010d180301011913010a0b160101010101010101010101010101010101010101010101010101010101010101010101010101010a14030101ffff01010101010101010101010101010101010101010101010101010101010101010101010101010101010101010101010d0e0f010d1a16010a0b070101150701010101010101010101010101010101010101010101010101010101010101010101010101010108100f0101ffff01010101010101010101010101010101010101010101010101010101010101010101010101010101010101010101010a0b160101151301081703010108110501010101010101010101010101010101010101010101010101010101010101010101010101011507010101ffff010101010101010101010101010101010101010101010101010101010101010101010101010101010101010101010101190701010a0b00000701010101150c05010101010101010101010101010101010101010101010101010101010101010101010101060c05010101ffff010a0b16010101010101010101010101010101010101010101010101010101010101010101010101010101010101010600130101010101010101010101010817030101010101010101010101010101010101010101010101010101010101010101010119130101010101ffff01010d1a0000001e0f0101010a0b00000000001301010a0b0000000000130101010d1a00000c0501010101010101010101010101010101010101010101010101010101010101010101010101010101010101010101010101010101010101010101010101010101010101ffff010a0b00160101151f030101010101151f0301010101010101151f03010101010d1a0c050a0b0c05010101010101010101010101010101010101010101010101010101010101010101010101010101010101010101010101010101010101010101010101010101010101ffff01151e2011050101190c0501010101151f0301010101010101151f03010101011500160101060016010101010101010101010101010101010101010101010101010101010101010101010101010101010101010101010101010101010101010101010101010101010101ffff011913010203010108170301010101151f0301010101010101151f0301010101191e0f01010d1a07010101010101010101010101010101010101010101010101010101010101010101010101010101010101010101010101010101010101010101010101010101010101ffff0a0b0701061301010d1a0701010101151f0301010101010101151f030101010a0b0c0501010d1a13010101010101010101010101010101010101010101010101010101010101010101010101010101010101010101010101010101010101010101010101010101010101ffff0d1a07010a1403010d1a0701010101151f0301010101010101151f030101010a0b0c0501010a0b0c050101010000000000000000000000000000000000000000000000000000000000000000000000000000000000000000000000000000000000000000000000000000ffff0a0b0701010607010d1a0701010101151f0301010101010101151f030101010a0b0c0501010a0b0c050101010101010101010101010101010101010101010101010101010101010101010101010101010101010101010101010101010101010101010101010101010101008001191301010d0e0f08091601010101151f0301010101010101151f030101010a0b0c0501010d1a0c050101010101010101010101010101010101010101010101010101010101010101010101010101010101010101010101010101010101010101010101010101010101ffff01061f0301011507190c0501010101151f0301010101010101151f0301010101191e0f01010d1a1301010101010101010101010101010101010101010101010101061f0301010101010101010101010101010101010101010101010101010101010101010101190c0501ffff010a0b1e0f010d1a00160101061e0f151f0301010101061e0f151f0301010101061f030101060016010101010101010101010101010101010101010101010101151301010101010101010101010101010101010101010101010101010101010101010101010101081105ffff010101150000000016010101010d1a001f0301010101010d1a001f03010101010a0b0c050a0b1e0f010101010101010101010101010101010101010101010108100f01010101010101010101010101010101010101010101010101010101010101010101010101011507ffff010101010101010d180301010101010817030101010101010108170301010101010a0b00001e0f010101010115001f030a0b000c0501010a1403010101010115070101010101010101010101010101010101010101010101010101010101010101010101010101010810ffff01010101010101010101010101010101010101010101010101010101010101010101010101010101010101010a0b070101081703010101010613010101010a0b160101010101010101010101010101010101010101010101010101010101010101010101010101010a14ffff010101010101010101010101010101010101010101010101010101010101010101010101010101010101010101151301010a0b07010101010a14030101010a0b160101010101010101010101010101010101010101010101010101010101010101010101010101010a0b54ff01010101010101010101010101010101010101010101010101010101010101010101010101010101010101010108100f01011513010101010106130101010a0b160101010101010101010101010101010101010101010101010101010101010101010101010101010a0bffff0101010101010101010101010101010101010101010101010101010101010101010101010101010101010101010d1a000000001e0f010101010a140301010a0b160101010101010101010101010101010101010101010101010101010101010101010101010101010a14ffff01010101010101010101010101010101010101010101010101010101010101010101010101010101010101010101190701010809160101010101061301010115070101010101010101010101010101010101010101010101010101010101010101010101010101010810ffff01010101010101010101010101010101010101010101010101010101010101010101010101010101010101010101150c05010a0b07010a1d05010a1403010108110501010101010203010101150000160115070115000016010809000007010d1a000007010101011507ffff0101010101010101010101010101010101010101010101010101010101010101010101010101010101010101010d1a001301060000160a0b0000000013010101150c0501010101020301010d180308100f15070d180308100f081b0108100f0d1c050d0e0f0101060c05ffff0101010101010101010101010101010101010101010101010101010101010101010101010101010101010101010101010101010101010101010101010101010101081703010101020301010811050a140301010811050a14030108090016010101010d18030119130101ffff0101010101010101010101010101010101010101010101010101010101010101010101010101010101010101010101010101010101010101010101010101010101010101080900000000130811050a140301010811050a14030101011516010a0b000013010101010101ffff0101010101010101010101010101010101010101010101010101010101010101010101010101010101010101010101010101010101010101010101010101010101010101010101020301010d0e0f08100f01010d0e0f08100f081105060c050a120f0101010101010101ffff01010101010101010101010101010101010101010101010101010101010101010101010101010101010101010101010101010101010101010101010101010101010101010101010203010101060000070101010106000007010809000007010a0b00000c050101010101ffff01010101010101010101010101010101010101010101010101010101010101010101010101010101010101010101010101010101010101010101010101010101010101010101010203010101010101010101010101010101010101010101010101010104050101010101ffff01010101010101010101010101010101010101010101010101010101010101010101010101010101010101010101010101010101010101010101010101010101010101010101010101010101010101010101010101010101010101010101010101010101010101010101ff540c00000040092900aa0000000000000029006f0000000000040000002701ffff030000000000
Определим предельные размеры и зазоры






Масштаб: 1мм=1мкм

Рисунок 3.1.2 – Схема расположения полей допусков соединения 010009000003261500000000500c00000000500c000026060f009618574d4643010000000000010085930000000001000000741800000000000074180000010000006c00000000000000000000006e0000002800000000000000000000005a0b00003104000020454d4600000100741800000c00000001000000000000000000000000000000900600001a040000b801000013010000000000000000000000000000c0b6060038320400460000002c00000020000000454d462b014001001c000000100000000210c0db01000000600000006000000046000000980500008c050000454d462b224004000c000000000000001e4009000c00000000000000244001000c000000000000003040020010000000040000000000803f214007000c0000000000000008400005e4040000d80400000210c0db01000000000000000000000000000000000000000100000089504e470d0a1a0a0000000d494844520000006a00000027080200000068854a72000000017352474200aece1ce9000000097048597300000e2600000e2601a2ef25fc0000045f494441546843ed5a3d4eeb401036ef1c41a2a2e20241a2e500c814d07202de05702e0027a0750aa21c202d527c81545448ce3df266f66f6667378ee36727cb8f9b647f3df3edfc7b4f369b4df6fb7445e04fd78549afab26b7d375cf1456d3c896df133e895c3539518f0455f4afa7b77a1ecda4aecb79e43c7e027cd5e4325b8291aacbecfeb5221062fd7959c3cc65319bbf5bf12d702d3c6f77a310403df44d9ebacc0587c03b746a50d83fbf4533340ed0b698b11d6d17c7ea5b481f6a98d2cbd1dd9b626e5918c0364fe3fd4ca052d6d3fb995d6577842d8b676dfc50e3274688d381cfda214d99d76236495b264b3d4cc4b1c7ec25ae5a0a84d1d98556c5f5fb7c767136c2250876d08f03af67780075b9bab47490bdc4b5f08c9f369beb85b1a3e9a82dea89151aa540ae559785d6be0605f4f820e9b36bb43469fd73baea34d3e825d3544bc8b2b07248a4313ab274e0034a7df40cb70218de2b8dd6219941ac8b74e0a373b6e71dda6a0197e2c0f8c54322477a908ced5b7fae18140a986b69f6abd7fb8bbfb1f0613ff7d0dfec592af0a15927bcb0959f9ffa7caea7cfabf2614f4fda1f54d19d1281cfc74bb56eaefc283539d1033cf36db6cfb3e364577cef28edcdd6511ece468c951dd69ec36f451dae7d7142ae4344ec0197ceb40b0fae596918551b53dcefe2873e8cfdf19c873e392d7d1a3a8798c18210c40e6c712488fbdda30c71b5778feef238005ab157f0214b5ec8050dbf8f5488cf14f213053780ab6ffc02fafb90eaa63d3832e83aaa4591152e2030267afc50e633af40d1c989613c92054e345b7df6598ec3342a5a0fe944f2ae45fc6d001f72480c560b131d404a98f5cca622ecf45c564576d19bf038c0577fb8fa0224cdcf2b19310c4fbdad517ebd5f808f89c321622b755aa678614e66686b35dcfe001f6ae9eca356469085f54aa7ff5b129509d0bbb3273486c38bf8206f40d781e2572c2a5f714110c3c8bf03094ab66177bb14fd9410be0ebb26b384c57d148ec5e3bb6d711fcb0162618d8a5478d81c8dbb8753b0217776499ba81789c036fc88c063dfe6519e9334448d437239d8de9475f4980974a7561f624b529a13f0ee44c457dadcca1b4da75c6ac8f26b1524d761ad9c254a7d43b56dbfa090921a7c5e0a4b0d2168c7abb48837a7061f9caf57b9e0df5b9d001e0f3ded3dc9b824522e65618d1713ba0605a7f4c1f128d1cbe8ea26a78c3d2df83054f71392a340b4eba5940624059fffc103997084fa758d5dfcf53b1ebd5ba55f91147c900ea3b6aea75395a48cafc110ea7c25faf5a30d482def56a9adf0c202dd5f68b85bc5eccba17c7e9bf7983045d6a6156f3c166ced3aac239225e9b05fd54073ee15604d2cfef4b74acdf3b64159ba3ff77189c451dcc66879b78abb7dbe2983519c5c52cadb461bd59cd1dd8bbbc4a39afa62153dfb5eac8abc3972b70ad4fb717ef3c23ed47f4df8346270cd29b82feae1d0fe6e55043e7ec117a301b4a270954b7c1468a72d5f75964bfa76dcadf2f4dfde30b5983654884e0098d63af33b5122f00f75da0d4278fdca4c0000000049454e44ae42608200000840010824000000180000000210c0db01000000030000000000000000000000000000001b40000040000000340000000100000002000000000000bf000000bf0000d44200001c42030000000000008000000080feffdd420000008000000080feff23422100000008000000620000000c00000001000000150000000c00000004000000150000000c00000004000000510000007811000000000000000000006e00000028000000000000000000000000000000000000006a0000002700000050000000b40000000401000074100000000000002000cc006f00000029000000280000006a000000270000000100080000000000000000000000000000000000230000000000000000000000ffffff005480c600ffe3a600a6a6c600ffffe30080c6ff00e3a65400a6e3ff0000005400e3ffff000054a600a6540000c6ffff0080008000ffffc60080005400a65454008054a600c68000005454a60054a6e300ffc6800054005400540080000080c60000008000c6805400a6548000a680a6008000000054000000a6e3c600a6a6e300545454000101010101010101010101010101010101010101010101010101010101010101010101010101010101010101010101010101010101010101010101010101010101010101010101010101010101010101010101010101010101010101010101010101010101010101010180800101010101010101010101010101010101010101010101010101010101010101010101010101010101010101010101010101010101010101010101010101010101010101010101010101150000160115070115000016010a0b00001f030d1a000007010101010101010180800101010101010101010101010101010101010101010101010101010101010101010101010101010101010101010101010101010101010101010101010101061f0301010101010101010d180308100f15070d180308100f0101061301010d1c050d0e0f190c05010101018080010101010101010101010101010101010101010101010101010101010101010101010101010101010101010101010101010101010101010101010101011513010101010101010101010811050a140301010811050a14030101061301010101010d180301081105010101808001010101010101010101010101010101010101010101010101010101010101010101010101010101010101010101010101010101010101010101010108100f010108090000000013010811050a140301010811050a14030101061301010a0b00001301010115070101018080010101010101010101010101010101010101010101010101010101010101010101010101010101010101010101010a0b000701010d1a000016010101150701010101010101010101010d0e0f08100f01010d0e0f08100f0d1a221301010a120f010101010108100f01018080010101010101010101010101010101010101010101010101010101010101010101010101010101010101010101010d1803210f01191301081703010a0b16010101010101010101010101060000070101010106000007010101151301010a0b00000c0501010a140301018080010101010101010101010101010101010101010101010101010101010101010101010101010101010101010101010a0b1601010d1a16010a0b07010a0b160101010101010101010101010101010101010101010101010101010101010101010101040501010a0b16010180800101010101010101010101010101010101010101010101010101010101010101010101010101010101010101010101151301010d180301011913010a0b160101010101010101010101010101010101010101010101010101010101010101010101010101010a0b16010180800101010101010101010101010101010101010101010101010101010101010101010101010101010101010101010101060c05010d180301011913010a0b160101010101010101010101010101010101010101010101010101010101010101010101010101010a14030101808001010101010101010101010101010101010101010101010101010101010101010101010101010101010101010101010d0e0f010d1a16010a0b070101150701010101010101010101010101010101010101010101010101010101010101010101010101010108100f0101808001010101010101010101010101010101010101010101010101010101010101010101010101010101010101010101010a0b1601011513010817030101081105010101010101010101010101010101010101010101010101010101010101010101010101010115070101018080010101010101010101010101010101010101010101010101010101010101010101010101010101010101010101010101190701010a0b00000701010101150c05010101010101010101010101010101010101010101010101010101010101010101010101060c050101018080010a0b16010101010101010101010101010101010101010101010101010101010101010101010101010101010101010600130101010101010101010101010817030101010101010101010101010101010101010101010101010101010101010101010119130101010101808001010d1a0000001e0f0101010a0b00000000001301010a0b0000000000130101010d1a00000c05010101010101010101010101010101010101010101010101010101010101010101010101010101010101010101010101010101010101010101010101010101010101018080010a0b00160101151f030101010101151f0301010101010101151f03010101010d1a0c050a0b0c05010101010101010101010101010101010101010101010101010101010101010101010101010101010101010101010101010101010101010101010101010101010101808001151e2011050101190c0501010101151f0301010101010101151f030101010115001601010600160101010101010101010101010101010101010101010101010101010101010101010101010101010101010101010101010101010101010101010101010101010101018080011913010203010108170301010101151f0301010101010101151f0301010101191e0f01010d1a0701010101010101010101010101010101010101010101010101010101010101010101010101010101010101010101010101010101010101010101010101010101010180800a0b0701061301010d1a0701010101151f0301010101010101151f030101010a0b0c0501010d1a1301010101010101010101010101010101010101010101010101010101010101010101010101010101010101010101010101010101010101010101010101010101010180800d1a07010a1403010d1a0701010101151f0301010101010101151f030101010a0b0c0501010a0b0c05010101000000000000000000000000000000000000000000000000000000000000000000000000000000000000000000000000000000000000000000000000000001010a0b0701010607010d1a0701010101151f0301010101010101151f030101010a0b0c0501010a0b0c050101010101010101010101010101010101010101010101010101010101010101010101010101010101010101010101010101010101010101010101010101010101010101191301010d0e0f08091601010101151f0301010101010101151f030101010a0b0c0501010d1a0c050101010101010101010101010101010101010101010101010101010101010101010101010101010101010101010101010101010101010101010101010101010101010101061f0301011507190c0501010101151f0301010101010101151f0301010101191e0f01010d1a1301010101010101010101010101010101010101010101010101061f0301010101010101010101010101010101010101010101010101010101010101010101190c05010101010a0b1e0f010d1a00160101061e0f151f0301010101061e0f151f0301010101061f0301010600160101010101010101010101010101010101010101010101011513010101010101010101010101010101010101010101010101010101010101010101010101010811050101010101150000000016010101010d1a001f0301010101010d1a001f03010101010a0b0c050a0b1e0f010101010101010101010101010101010101010101010108100f010101010101010101010101010101010101010101010101010101010101010101010101010115070101010101010101010d180301010101010817030101010101010108170301010101010a0b00001e0f010101010115001f030a0b000c0501010a1403010101010115070101010101010101010101010101010101010101010101010101010101010101010101010101010810011101010101010101010101010101010101010101010101010101010101010101010101010101010101010101010a0b070101081703010101010613010101010a0b160101010101010101010101010101010101010101010101010101010101010101010101010101010a140101010101010101010101010101010101010101010101010101010101010101010101010101010101010101010101151301010a0b07010101010a14030101010a0b160101010101010101010101010101010101010101010101010101010101010101010101010101010a0b010101010101010101010101010101010101010101010101010101010101010101010101010101010101010101010108100f01011513010101010106130101010a0b160101010101010101010101010101010101010101010101010101010101010101010101010101010a0b01010101010101010101010101010101010101010101010101010101010101010101010101010101010101010101010d1a000000001e0f010101010a140301010a0b160101010101010101010101010101010101010101010101010101010101010101010101010101010a14010101010101010101010101010101010101010101010101010101010101010101010101010101010101010101010101190701010809160101010101061301010115070101010101010101010101010101010101010101010101010101010101010101010101010101010810010101010101010101010101010101010101010101010101010101010101010101010101010101010101010101010101150c05010a0b07010a1d05010a1403010108110501010101010203010101150000160115070115000016010809000007010d1a00000701010101150701010101010101010101010101010101010101010101010101010101010101010101010101010101010101010101010d1a001301060000160a0b0000000013010101150c0501010101020301010d180308100f15070d180308100f081b0108100f0d1c050d0e0f0101060c0500000101010101010101010101010101010101010101010101010101010101010101010101010101010101010101010101010101010101010101010101010101010101081703010101020301010811050a140301010811050a14030108090016010101010d1803011913010101010101010101010101010101010101010101010101010101010101010101010101010101010101010101010101010101010101010101010101010101010101010101010101080900000000130811050a140301010811050a14030101011516010a0b00001301010101010107080101010101010101010101010101010101010101010101010101010101010101010101010101010101010101010101010101010101010101010101010101010101010101010101020301010d0e0f08100f01010d0e0f08100f081105060c050a120f0101010101010101010101010101010101010101010101010101010101010101010101010101010101010101010101010101010101010101010101010101010101010101010101010101010101010101010203010101060000070101010106000007010809000007010a0b00000c050101010101010101010101010101010101010101010101010101010101010101010101010101010101010101010101010101010101010101010101010101010101010101010101010101010101010203010101010101010101010101010101010101010101010101010104050101010101010c0101010101010101010101010101010101010101010101010101010101010101010101010101010101010101010101010101010101010101010101010101010101010101010101010101010101010101010101010101010101010101010101010101010101010101010101014c0000006400000000000000000000006e0000002800000000000000000000006f000000290000002900aa0000000000000000000000803f00000000000000000000803f0000000000000000000000000000000000000000000000000000000000000000220000000c000000ffffffff460000001c00000010000000454d462b024000000c000000000000000e000000140000000000000010000000140000000400000003010800050000000b0200000000050000000c0229006f00030000001e0004000000070104000400000007010400a1080000410b2000cc0027006a000000000029006f0000000000280000006a000000270000000100080000000000000000000000000000000000230000000000000000000000ffffff005480c600ffe3a600a6a6c600ffffe30080c6ff00e3a65400a6e3ff0000005400e3ffff000054a600a6540000c6ffff0080008000ffffc60080005400a65454008054a600c68000005454a60054a6e300ffc6800054005400540080000080c60000008000c6805400a6548000a680a6008000000054000000a6e3c600a6a6e300545454000101010101010101010101010101010101010101010101010101010101010101010101010101010101010101010101010101010101010101010101010101010101010101010101010101010101010101010101010101010101010101010101010101010101010101010180800101010101010101010101010101010101010101010101010101010101010101010101010101010101010101010101010101010101010101010101010101010101010101010101010101150000160115070115000016010a0b00001f030d1a000007010101010101010180800101010101010101010101010101010101010101010101010101010101010101010101010101010101010101010101010101010101010101010101010101061f0301010101010101010d180308100f15070d180308100f0101061301010d1c050d0e0f190c05010101018080010101010101010101010101010101010101010101010101010101010101010101010101010101010101010101010101010101010101010101010101011513010101010101010101010811050a140301010811050a14030101061301010101010d180301081105010101808001010101010101010101010101010101010101010101010101010101010101010101010101010101010101010101010101010101010101010101010108100f010108090000000013010811050a140301010811050a14030101061301010a0b00001301010115070101018080010101010101010101010101010101010101010101010101010101010101010101010101010101010101010101010a0b000701010d1a000016010101150701010101010101010101010d0e0f08100f01010d0e0f08100f0d1a221301010a120f010101010108100f01018080010101010101010101010101010101010101010101010101010101010101010101010101010101010101010101010d1803210f01191301081703010a0b16010101010101010101010101060000070101010106000007010101151301010a0b00000c0501010a140301018080010101010101010101010101010101010101010101010101010101010101010101010101010101010101010101010a0b1601010d1a16010a0b07010a0b160101010101010101010101010101010101010101010101010101010101010101010101040501010a0b16010180800101010101010101010101010101010101010101010101010101010101010101010101010101010101010101010101151301010d180301011913010a0b160101010101010101010101010101010101010101010101010101010101010101010101010101010a0b16010180800101010101010101010101010101010101010101010101010101010101010101010101010101010101010101010101060c05010d180301011913010a0b160101010101010101010101010101010101010101010101010101010101010101010101010101010a14030101808001010101010101010101010101010101010101010101010101010101010101010101010101010101010101010101010d0e0f010d1a16010a0b070101150701010101010101010101010101010101010101010101010101010101010101010101010101010108100f0101808001010101010101010101010101010101010101010101010101010101010101010101010101010101010101010101010a0b1601011513010817030101081105010101010101010101010101010101010101010101010101010101010101010101010101010115070101018080010101010101010101010101010101010101010101010101010101010101010101010101010101010101010101010101190701010a0b00000701010101150c05010101010101010101010101010101010101010101010101010101010101010101010101060c050101018080010a0b16010101010101010101010101010101010101010101010101010101010101010101010101010101010101010600130101010101010101010101010817030101010101010101010101010101010101010101010101010101010101010101010119130101010101808001010d1a0000001e0f0101010a0b00000000001301010a0b0000000000130101010d1a00000c05010101010101010101010101010101010101010101010101010101010101010101010101010101010101010101010101010101010101010101010101010101010101018080010a0b00160101151f030101010101151f0301010101010101151f03010101010d1a0c050a0b0c05010101010101010101010101010101010101010101010101010101010101010101010101010101010101010101010101010101010101010101010101010101010101808001151e2011050101190c0501010101151f0301010101010101151f030101010115001601010600160101010101010101010101010101010101010101010101010101010101010101010101010101010101010101010101010101010101010101010101010101010101018080011913010203010108170301010101151f0301010101010101151f0301010101191e0f01010d1a0701010101010101010101010101010101010101010101010101010101010101010101010101010101010101010101010101010101010101010101010101010101010180800a0b0701061301010d1a0701010101151f0301010101010101151f030101010a0b0c0501010d1a1301010101010101010101010101010101010101010101010101010101010101010101010101010101010101010101010101010101010101010101010101010101010180800d1a07010a1403010d1a0701010101151f0301010101010101151f030101010a0b0c0501010a0b0c05010101000000000000000000000000000000000000000000000000000000000000000000000000000000000000000000000000000000000000000000000000000001010a0b0701010607010d1a0701010101151f0301010101010101151f030101010a0b0c0501010a0b0c050101010101010101010101010101010101010101010101010101010101010101010101010101010101010101010101010101010101010101010101010101010101010101191301010d0e0f08091601010101151f0301010101010101151f030101010a0b0c0501010d1a0c050101010101010101010101010101010101010101010101010101010101010101010101010101010101010101010101010101010101010101010101010101010101010101061f0301011507190c0501010101151f0301010101010101151f0301010101191e0f01010d1a1301010101010101010101010101010101010101010101010101061f0301010101010101010101010101010101010101010101010101010101010101010101190c05010101010a0b1e0f010d1a00160101061e0f151f0301010101061e0f151f0301010101061f0301010600160101010101010101010101010101010101010101010101011513010101010101010101010101010101010101010101010101010101010101010101010101010811050101010101150000000016010101010d1a001f0301010101010d1a001f03010101010a0b0c050a0b1e0f010101010101010101010101010101010101010101010108100f010101010101010101010101010101010101010101010101010101010101010101010101010115070101010101010101010d180301010101010817030101010101010108170301010101010a0b00001e0f010101010115001f030a0b000c0501010a1403010101010115070101010101010101010101010101010101010101010101010101010101010101010101010101010810011101010101010101010101010101010101010101010101010101010101010101010101010101010101010101010a0b070101081703010101010613010101010a0b160101010101010101010101010101010101010101010101010101010101010101010101010101010a140101010101010101010101010101010101010101010101010101010101010101010101010101010101010101010101151301010a0b07010101010a14030101010a0b160101010101010101010101010101010101010101010101010101010101010101010101010101010a0b010101010101010101010101010101010101010101010101010101010101010101010101010101010101010101010108100f01011513010101010106130101010a0b160101010101010101010101010101010101010101010101010101010101010101010101010101010a0b01010101010101010101010101010101010101010101010101010101010101010101010101010101010101010101010d1a000000001e0f010101010a140301010a0b160101010101010101010101010101010101010101010101010101010101010101010101010101010a14010101010101010101010101010101010101010101010101010101010101010101010101010101010101010101010101190701010809160101010101061301010115070101010101010101010101010101010101010101010101010101010101010101010101010101010810010101010101010101010101010101010101010101010101010101010101010101010101010101010101010101010101150c05010a0b07010a1d05010a1403010108110501010101010203010101150000160115070115000016010809000007010d1a00000701010101150701010101010101010101010101010101010101010101010101010101010101010101010101010101010101010101010d1a001301060000160a0b0000000013010101150c0501010101020301010d180308100f15070d180308100f081b0108100f0d1c050d0e0f0101060c0500000101010101010101010101010101010101010101010101010101010101010101010101010101010101010101010101010101010101010101010101010101010101081703010101020301010811050a140301010811050a14030108090016010101010d1803011913010101010101010101010101010101010101010101010101010101010101010101010101010101010101010101010101010101010101010101010101010101010101010101010101080900000000130811050a140301010811050a14030101011516010a0b00001301010101010107080101010101010101010101010101010101010101010101010101010101010101010101010101010101010101010101010101010101010101010101010101010101010101010101020301010d0e0f08100f01010d0e0f08100f081105060c050a120f0101010101010101010101010101010101010101010101010101010101010101010101010101010101010101010101010101010101010101010101010101010101010101010101010101010101010101010203010101060000070101010106000007010809000007010a0b00000c050101010101010101010101010101010101010101010101010101010101010101010101010101010101010101010101010101010101010101010101010101010101010101010101010101010101010203010101010101010101010101010101010101010101010101010104050101010101010c0101010101010101010101010101010101010101010101010101010101010101010101010101010101010101010101010101010101010101010101010101010101010101010101010101010101010101010101010101010101010101010101010101010101010101010101010c00000040092900aa0000000000000029006f0000000000040000002701ffff030000000000
Шероховатость посадочных поверхностей определяем по таблице 3 ГОСТ 3325 – 85.
Шероховатость поверхности вала 010009000003060a000000003206000000003206000026060f005a0c574d46430100000000000100dc6b0000000001000000380c000000000000380c0000010000006c00000000000000000000004f0000001500000000000000000000002e0800003f02000020454d4600000100380c00000c00000001000000000000000000000000000000900600001a040000b801000013010000000000000000000000000000c0b6060038320400460000002c00000020000000454d462b014001001c000000100000000210c0db010000006000000060000000460000006003000054030000454d462b224004000c000000000000001e4009000c00000000000000244001000c000000000000003040020010000000040000000000803f214007000c0000000000000008400005ac020000a00200000210c0db01000000000000000000000000000000000000000100000089504e470d0a1a0a0000000d494844520000004d0000001508020000008cb6f47d000000017352474200aece1ce9000000097048597300000e2600000e2601a2ef25fc00000227494441545847ed584b728240101d720ea972e5ca0b902ab71ec0c245d8e604e602c2097202b7b008e501dc5a251770e5ca2ab807e99e19861e409810a592905e89f4ef4d77bf1eb5f23c672390a711604488ff38ff44a1b32888325acf24b06a12248363cda2b5b51699dd142d555d19cd35b1bdb3f4033c24240d5dc6dc30958f271f14ca47a5f6b00f3c204a5b503d2b61e29f740ce4b94cb6329ff3e94446735e0177bc3fb69fed9d0a8e253a2ce55977f874c3f7179924cf91f90783be5338b3e33e66eeccbe53e65f73e36cf37ceb18d880e2478112d427d3b98191c6b7e90560ae16453999c04dbe307438a85a7280cef597262744c75175369fd53ed3a986ec06dc8e81af70440717706d6d1a85bd8bc957469d1112a2b9350ef3c338e80617b6c6434cb563a35f6ac59238b10e8511fdfc70647a00e37ad64bd9942971277888f779c1b5ced267b1b73320b17a7336ad61bad0ba76a3d9742781edcd4fddccc5692abea4e095e3ccaeb04dcb71b667d0e0e76b9f8d82c4d926942ccd30d5b4e02ef07c0e5345cf49a00e0f4e593b488e4bec10c499ecbc98ba9b2c568dab532bd66097251e5545cba28dc7ca0d2a5bb1cc3ef636c5750a5563e6bf893d24a6b5c24e9236e99893a945933bf314c942e52c43f05c8a708d7c4ed2d4df93179287baf8468306ce86bc1076e566f4deec77195e1ad45d0948eba7df1feaa36f86b3b44316f0919ab328eac5c83dd9e7db664655173f6650a061c50cfcb2ceb546f2ffd027c493f94e717c70eb0000000049454e44ae42608200000840010824000000180000000210c0db01000000030000000000000000000000000000001b40000040000000340000000100000002000000000000bf000000bf00009a420000a841030000000000008000000080feff9f420000008000000080ffffaf412100000008000000620000000c00000001000000150000000c00000004000000150000000c00000004000000510000007407000000000000000000004f00000015000000000000000000000000000000000000004d000000150000005000000094000000e400000090060000000000002000cc005000000016000000280000004d0000001500000001000800000000000000000000000000000000001b0000000000000000000000ffffff0080a6e300ffe3a60080c6ff00ffc68000a6e3ff0054005400540000000000540054a6e3000080c600c6ffff000000800080000000ffffc600e3a65400e3ffff000054a600a6540000ffffe30054545400c680000054008000e3ffc600c6a6a600c6e3a6000101010101010101010101010101010101010101010101010101010101010101010101010101010101010101010101010101010101010101010101010101010101010101010101010101010101800054010101010101010101010101111200081a0d0803010101010101010101010101010101010101010101010101010101010101010101010101010101010101010101010101010101010101010101ffffff01010101010101010101010106070311120e1819010101010101010101010101010101010101010101010101010101010101010101010101010101010101010101010101010101010101010101ffffff010101010101010101010101060703010c170301010101010101010101010101010101010101010101010101010101010101010101010101010101010101010101010101010101010101010101ffffff01010101010101010101010111120501010b1001010101010101010101010101010101010101010101010101010101010101010101010101010101010101010101010101010101010101010101e3a6540a0000080301010b0013140101040803010a16010101010101010101010101010101010101010101010101011112000000000016010c0d1601010b0000000000001001010c0d00000013140101ffffff010b000501011112131401010101040000000e0f0101010101010101010101010101010101010101010101010101010a08030101010c0d1601010607030101010b1001010b08030111120e0f01ffffff01060905010106091001010101010101010101010101010101010101010101010101010101010101010101010101010a08030101010101010101010a13140101041001010b1001010106091001ffffff010c0d16010104000501010101010101010101010101010101010b00000000000000000008030101010101010101010a0803010101010101010101010b1601010101010101010101010c0d1601ffffff01010b1314010b131401010101010101010101010101010101010101010101010101010101010101010101010101010a0803010101010101010101011112160101010101010101010106091001ff000001010a000000000e0f01010101010101010101010101010101010101010101010101010101010101010101010101010a0803010101010101010101010111121001010101111210011112080301ffffff010104000501010a0010010101010101010101010101010101010b00000000000000000008030101010101010101010a0803010101010101010101010101060905010101060915000008030101ffffff01010c0d100101010a08030101010101010101010101010101010101010101010101010101010101010101010101010a0803010101010101010101010101010b0e0f0101060905010101010101ffffff01011112131401010609100101010101010101010101010101010101010101010101010101010101010101010101010a0803010101010101010101010101010400050101060905010101010101ff00000101010a0e0f0101060910010101010101010101010101010101010101010101010101010101010101010101040e0f0a080301010101010101010b100101010a000501010609050101010101010000000101010a080301010b0803010101010101010101010101010101010101010101010101010101010101010101010c0d00080301010101010101010b0803010c0d0e0f0101060905010101010101000000010104000000000000050101010101010101010101010101010101010101010101010101010101010101010101010106070301010101010101010104000000080301010106090000000008030100000001010101010101010101010101010101010101010101010101010101010101010101010101010101010101010101010101010101010101010101010101010101010101010101010101010203010000000101010101010101010101010101010101010101010101010101010101010101010101010101010101010101010101010101010101010101010101010101010101010101010101010101010101000000010101010101010101010101010101010101010101010101010101010101010101010101010101010101010101010101010101010101010101010101010101010101010101010101010101010100000001010101010101010101010101010101010101010101010101010101010101010101010101010101010101010101010101010101010101010101010101010101010101010101010101010101010000004c0000006400000000000000000000004f00000015000000000000000000000050000000160000002900aa0000000000000000000000803f00000000000000000000803f0000000000000000000000000000000000000000000000000000000000000000220000000c000000ffffffff460000001c00000010000000454d462b024000000c000000000000000e000000140000000000000010000000140000000400000003010800050000000b0200000000050000000c0216005000030000001e00040000000701040004000000070104009f030000410b2000cc0015004d00000000001600500000000000280000004d0000001500000001000800000000000000000000000000000000001b0000000000000000000000ffffff0080a6e300ffe3a60080c6ff00ffc68000a6e3ff0054005400540000000000540054a6e3000080c600c6ffff000000800080000000ffffc600e3a65400e3ffff000054a600a6540000ffffe30054545400c680000054008000e3ffc600c6a6a600c6e3a6000101010101010101010101010101010101010101010101010101010101010101010101010101010101010101010101010101010101010101010101010101010101010101010101010101010101800054010101010101010101010101111200081a0d0803010101010101010101010101010101010101010101010101010101010101010101010101010101010101010101010101010101010101010101ffffff01010101010101010101010106070311120e1819010101010101010101010101010101010101010101010101010101010101010101010101010101010101010101010101010101010101010101ffffff010101010101010101010101060703010c170301010101010101010101010101010101010101010101010101010101010101010101010101010101010101010101010101010101010101010101ffffff01010101010101010101010111120501010b1001010101010101010101010101010101010101010101010101010101010101010101010101010101010101010101010101010101010101010101e3a6540a0000080301010b0013140101040803010a16010101010101010101010101010101010101010101010101011112000000000016010c0d1601010b0000000000001001010c0d00000013140101ffffff010b000501011112131401010101040000000e0f0101010101010101010101010101010101010101010101010101010a08030101010c0d1601010607030101010b1001010b08030111120e0f01ffffff01060905010106091001010101010101010101010101010101010101010101010101010101010101010101010101010a08030101010101010101010a13140101041001010b1001010106091001ffffff010c0d16010104000501010101010101010101010101010101010b00000000000000000008030101010101010101010a0803010101010101010101010b1601010101010101010101010c0d1601ffffff01010b1314010b131401010101010101010101010101010101010101010101010101010101010101010101010101010a0803010101010101010101011112160101010101010101010106091001ff000001010a000000000e0f01010101010101010101010101010101010101010101010101010101010101010101010101010a0803010101010101010101010111121001010101111210011112080301ffffff010104000501010a0010010101010101010101010101010101010b00000000000000000008030101010101010101010a0803010101010101010101010101060905010101060915000008030101ffffff01010c0d100101010a08030101010101010101010101010101010101010101010101010101010101010101010101010a0803010101010101010101010101010b0e0f0101060905010101010101ffffff01011112131401010609100101010101010101010101010101010101010101010101010101010101010101010101010a0803010101010101010101010101010400050101060905010101010101ff00000101010a0e0f0101060910010101010101010101010101010101010101010101010101010101010101010101040e0f0a080301010101010101010b100101010a000501010609050101010101010000000101010a080301010b0803010101010101010101010101010101010101010101010101010101010101010101010c0d00080301010101010101010b0803010c0d0e0f0101060905010101010101000000010104000000000000050101010101010101010101010101010101010101010101010101010101010101010101010106070301010101010101010104000000080301010106090000000008030100000001010101010101010101010101010101010101010101010101010101010101010101010101010101010101010101010101010101010101010101010101010101010101010101010101010203010000000101010101010101010101010101010101010101010101010101010101010101010101010101010101010101010101010101010101010101010101010101010101010101010101010101010101000000010101010101010101010101010101010101010101010101010101010101010101010101010101010101010101010101010101010101010101010101010101010101010101010101010101010100000001010101010101010101010101010101010101010101010101010101010101010101010101010101010101010101010101010101010101010101010101010101010101010101010101010101010000000c00000040092900aa000000000000001600500000000000040000002701ffff030000000000
Шероховатость поверхности отверстия 010009000003d608000000008005000000008005000026060f00f60a574d46430100000000000100d9950000000001000000d40a000000000000d40a0000010000006c000000000000000000000045000000150000000000000000000000280700003f02000020454d4600000100d40a00000c00000001000000000000000000000000000000900600001a040000b801000013010000000000000000000000000000c0b6060038320400460000002c00000020000000454d462b014001001c000000100000000210c0db01000000600000006000000046000000f8020000ec020000454d462b224004000c000000000000001e4009000c00000000000000244001000c000000000000003040020010000000040000000000803f214007000c000000000000000840000544020000380200000210c0db01000000000000000000000000000000000000000100000089504e470d0a1a0a0000000d4948445200000043000000150802000000927fc4ce000000017352474200aece1ce9000000097048597300000e2600000e2601a2ef25fc000001be494441545847ed564b6e833010353d472265d5552e40a56e7b808a2cda6d0f527382de02168d72806c23c105baea16ee41c71fcc8c31c4a6904651bdc230337ecf7e8f71d4340dbb897177132c04897f26577394759ee6353e93328d7a232d2f889700d829708e51e73b8a73fdfaa5c3c0f16a5459c25892557a5a7008e8a6266c8907ba969c315e385792289ddf2c9f6c372bcd307e839cfde134b439331f57927dbce8a5e5ca8c1f03156198d4a7c39e25f7eb99117a958bdf9bcf960724ac365baf341a649854df40e4f9b13d12a698a117138a4f4c298fa02ffe1407a6635b18fd49354e7189d2f8f0f030deb0133a3727029e1c5d4186ec8e010c186e09bf939a82c7285d1c40365c33117bd916c0cf8b23efd118fa69b991a01fae622245618e81ce82c8fc465d2237580a1d56c9c492a6d55982a84c0db6555570a7c60038796f9d49af150d50211b1ebc7b631c7bee40888942680f553ed148989a59ff018d19d347ee1129b312716a12db162d47631142edf873a220e0ed233e977c99ef7eb77ad1264dff87c6f5371d73bc55f931e96ac05df48133b89ed5791e78310a6cd9c1e17e476fdc04c2544af5e8d67ea5e78a8aa05030fbab4cf801a12cce5d0acf7f050000000049454e44ae4260820000000840010824000000180000000210c0db01000000030000000000000000000000000000001b40000040000000340000000100000002000000000000bf000000bf000086420000a841030000000000008000000080feff8b420000008000000080ffffaf412100000008000000620000000c00000001000000150000000c00000004000000150000000c000000040000005100000078060000000000000000000045000000150000000000000000000000000000000000000043000000150000005000000094000000e400000094050000000000002000cc00460000001600000028000000430000001500000001000800000000000000000000000000000000001b0000000000000000000000ffffff0080a6e300ffe3a60080c6ff00ffc6800054000000a6e3ff000000540054a6e3000080c600c6ffff000000800080000000ffffc600e3a65400e3ffff000054a600a6540000ffffe30054545400c68000005400540054008000e3ffc600c6a6a600c6e3a60001010101010101010101010101010101010101010101010101010101010101010101010101010101010101010101010101010101010101010101010101010101010101ff010101010101010101010101101100061a0c06030101010101010101010101010101010101010101010101010101010101010101010101010101010101010101010101ff01010101010101010101010107160310110d1819010101010101010101010101010101010101010101010101010101010101010101010101010101010101010101010100010101010101010101010101071603010b17030101010101010101010101010101010101010101010101010101010101010101010101010101010101010101010101010001010101010101010101010110110501010a0f010101010101010101010101010101010101010101010101010101010101010101010101010101010101010101010101ff090000060301010a0012130101040603010915010101010101010101010101010101010101010101010101010a0000000000000f010b0c1501010b0c00000012130101ff010a000501011011121301010101040000000d0e0101010101010101010101010101010101010101010101010716030101010a0f010b0c1501010a06030110110d0e010001070805010107080f0101010101010101010101010101010101010101010101010101010101010101010101010912130101040f0101010101010a0f01010107080f01ff010b0c15010104000501010101010101010101010101010101010a000000000000000000060301010101010101010a150101010101010101010101010101010b0c1501ff01010a1213010a121301010101010101010101010101010101010101010101010101010101010101010101010101101115010101010101010101010101010107080f01ff010109000000000d0e010101010101010101010101010101010101010101010101010101010101010101010101010110110f010101010101010110110f011011060301ff0101040005010109000f010101010101010101010101010101010a00000000000000000006030101010101010101010107080501010101010101070814000006030101ff01010b0c0f01010109060301010101010101010101010101010101010101010101010101010101010101010101010101010a0d0e010101010101070805010101010101ff010110111213010107080f0101010101010101010101010101010101010101010101010101010101010101010101010101040005010101010101070805010101010101ff010101090d0e010107080f0101010101010101010101010101010101010101010101010101010101010101010a0f010101090005010101010101070805010101010101ff01010109060301010a06030101010101010101010101010101010101010101010101010101010101010101010a0603010b0c0d0e010101010101070805010101010101ff01010400000000000005010101010101010101010101010101010101010101010101010101010101010101010104000000060301010101010101070800000000060301ff01010101010101010101010101010101010101010101010101010101010101010101010101010101010101010101010101010101010101010101010101010101020301ff01010101010101010101010101010101010101010101010101010101010101010101010101010101010101010101010101010101010101010101010101010101010101ff01010101010101010101010101010101010101010101010101010101010101010101010101010101010101010101010101010101010101010101010101010101010101ff01010101010101010101010101010101010101010101010101010101010101010101010101010101010101010101010101010101010101010101010101010101010101014c0000006400000000000000000000004500000015000000000000000000000046000000160000002900aa0000000000000000000000803f00000000000000000000803f0000000000000000000000000000000000000000000000000000000000000000220000000c000000ffffffff460000001c00000010000000454d462b024000000c000000000000000e000000140000000000000010000000140000000400000003010800050000000b0200000000050000000c0216004600030000001e000400000007010400040000000701040021030000410b2000cc001500430000000000160046000000000028000000430000001500000001000800000000000000000000000000000000001b0000000000000000000000ffffff0080a6e300ffe3a60080c6ff00ffc6800054000000a6e3ff000000540054a6e3000080c600c6ffff000000800080000000ffffc600e3a65400e3ffff000054a600a6540000ffffe30054545400c68000005400540054008000e3ffc600c6a6a600c6e3a60001010101010101010101010101010101010101010101010101010101010101010101010101010101010101010101010101010101010101010101010101010101010101ff010101010101010101010101101100061a0c06030101010101010101010101010101010101010101010101010101010101010101010101010101010101010101010101ff01010101010101010101010107160310110d1819010101010101010101010101010101010101010101010101010101010101010101010101010101010101010101010100010101010101010101010101071603010b17030101010101010101010101010101010101010101010101010101010101010101010101010101010101010101010101010001010101010101010101010110110501010a0f010101010101010101010101010101010101010101010101010101010101010101010101010101010101010101010101ff090000060301010a0012130101040603010915010101010101010101010101010101010101010101010101010a0000000000000f010b0c1501010b0c00000012130101ff010a000501011011121301010101040000000d0e0101010101010101010101010101010101010101010101010716030101010a0f010b0c1501010a06030110110d0e010001070805010107080f0101010101010101010101010101010101010101010101010101010101010101010101010912130101040f0101010101010a0f01010107080f01ff010b0c15010104000501010101010101010101010101010101010a000000000000000000060301010101010101010a150101010101010101010101010101010b0c1501ff01010a1213010a121301010101010101010101010101010101010101010101010101010101010101010101010101101115010101010101010101010101010107080f01ff010109000000000d0e010101010101010101010101010101010101010101010101010101010101010101010101010110110f010101010101010110110f011011060301ff0101040005010109000f010101010101010101010101010101010a00000000000000000006030101010101010101010107080501010101010101070814000006030101ff01010b0c0f01010109060301010101010101010101010101010101010101010101010101010101010101010101010101010a0d0e010101010101070805010101010101ff010110111213010107080f0101010101010101010101010101010101010101010101010101010101010101010101010101040005010101010101070805010101010101ff010101090d0e010107080f0101010101010101010101010101010101010101010101010101010101010101010a0f010101090005010101010101070805010101010101ff01010109060301010a06030101010101010101010101010101010101010101010101010101010101010101010a0603010b0c0d0e010101010101070805010101010101ff01010400000000000005010101010101010101010101010101010101010101010101010101010101010101010104000000060301010101010101070800000000060301ff01010101010101010101010101010101010101010101010101010101010101010101010101010101010101010101010101010101010101010101010101010101020301ff01010101010101010101010101010101010101010101010101010101010101010101010101010101010101010101010101010101010101010101010101010101010101ff01010101010101010101010101010101010101010101010101010101010101010101010101010101010101010101010101010101010101010101010101010101010101ff01010101010101010101010101010101010101010101010101010101010101010101010101010101010101010101010101010101010101010101010101010101010101010c00000040092900aa000000000000001600460000000000040000002701ffff030000000000
Отклонения от формы посадочных поверхностей определяем по таблице 4 ГОСТ 3325 – 85. Торцевое биение заплечиков вала по таблицам 5, 6 ГОСТ 3325 – 85.



Масштаб: 1мм=2мм
Рисунок 3.1.3 – Условное обозначение подшипникового узла и его деталей с простановкой размеров, полей допусков и посадок, шероховатости и требований к погрешностям формы и расположений поверхностей.
3.2 Допуски и посадки шпоночных соединений
Задание: для заданного на сборочном чертеже шпоночного соединения выбрать с обоснованием посадки шпонки с пазом вала и пазом ступицы. Рассчитать эти посадки, начертить поперечные сечения вала и ступицы со шпоночными пазами. Выбрать точность для непосадочных размеров шпоночных соединений.
Исходные
данные: шпоночное соединение вала с
барабаном.Соединение неподвижное,
нереверсивное. По стандарту ГОСТ 23360 –
78 выбрать размеры элементов шпоночного
соединения
[с.
4]
010009000003140a000000003206000000003206000026060f005a0c574d46430100000000000100a2320000000001000000380c000000000000380c0000010000006c00000000000000000000004f0000001500000000000000000000002e0800003f02000020454d4600000100380c00000c00000001000000000000000000000000000000900600001a040000b801000013010000000000000000000000000000c0b6060038320400460000002c00000020000000454d462b014001001c000000100000000210c0db010000006000000060000000460000004403000038030000454d462b224004000c000000000000001e4009000c00000000000000244001000c000000000000003040020010000000040000000000803f214007000c000000000000000840000590020000840200000210c0db01000000000000000000000000000000000000000100000089504e470d0a1a0a0000000d494844520000004d0000001508020000008cb6f47d000000017352474200aece1ce9000000097048597300000e2600000e2601a2ef25fc0000020a494441545847ed5731ae8240101dff3924b1b2f20298d872008285b49ee07301f102df13d862f18907a035910b505999c03df833bbb02eb08b164b623e4e61146667e7edbc79b34ecab28411d8d7083012c491e14cf71366fbf4bfd617fb93db350408afe2e7505ff2c8032fcab5e1e93d99e154046f8b7b06dedc1ab29c8c34961febf6284e6b7c7f0bd819ec6ca3a9089cf92df6dcd5d468702918614c9cb2accbd5d907415a3e60a10d03ac376ab196d83b006d044d19ce2e6fd9633555eb8c1aafc571f150cf7d806740ebc2883ea843d932c30d522155e3ecdf10d7a0c9c783feecc923c7673e156f91b5109ee1c05963cd3146762f5424ae9599eb73d7d627e5b2de7e4813d240c7a2feacac1dc60d222f3e5f78ec34c9a2c045e04d3de9f3e13869232f3a6c5e684f7bd7afc4bfaf0469a22609449ccb6f3ce79a5db16f35679cb5722ba0c5e907820d6065dad6e3c37032ad954488aa0b8bd90ba8cdc916369a38a2e926a002278d614e0f63ff98a6477fe168c458ef43388bcb399661553452c71a82b7ddd352768eed8458f565166df53347e74338a97c12d5398975b106e0ed74b600886fb90457cd287b4b4a19f47686cea71e6995746974dfd8ed481d9f8f09a19e4c7e1fc3870d83f64dad25d1cf7c80460a86141368a079a2bc20c8c9372f10d29b3a3379e83e9c9bf353ef33f9fcff34a7a56f106964ff3fdfe0c4874d612cf5fc0389558c02b42cc7090000000049454e44ae4260820000000840010824000000180000000210c0db01000000030000000000000000000000000000001b40000040000000340000000100000002000000000000bf000000bf00009a420000a841030000000000008000000080feff9f420000008000000080ffffaf412100000008000000620000000c00000001000000150000000c00000004000000150000000c00000004000000510000009007000000000000000000004f00000015000000000000000000000000000000000000004d0000001500000050000000b00000000001000090060000000000002000cc005000000016000000280000004d000000150000000100080000000000000000000000000000000000220000000000000000000000ffffff000080c60080000000ffffc600c6800000a6e3ff0054005400ffe3a60054a6e300e3ffff000054a600e3a65400c6ffff000000800054000000000054005400800080c6ff00a6800000ffc680005454540054540000a6540000ffffe300a6e3c600a654540054a6c6005480c600a6c6a600a6e3e300c68054008000540080c6e30001010101010101010101010101010101010101010101010101010101010101010101010101010101010101010101010101010101010101010101010101010101010101010101010101010101018000540101010101010101010101010101010101010101010101010101010101010101010101010101010101010101010101010101010101010101010101010101010101010101010101010101010101ffffff0101010101010101010101010101010101010101010101010101010101010101010101010101010101010101010101010101010101010101010101010101010101010101010101010101010101ffffff0101010101010101010101010101010101010101010101010101010101010101010101010101010101010101010101010101010101010101010101010101010101010101010101010101010101ffffff0101010101010101010101010101010101010101010101010101010101010101010101010101010101010101010101010101010101010101010101010101010101010101010101010101010101e3a654061a21000003040101010101010101010101010101010101010101010101010101010a0b00000000000501010106100000001401010d0e00171801010610000f080d0e00171801010610000f08ffffff0a0b030401090f080101010101010101010101010101010101010101010101010101010101090f0801010101061005010112000c01010620040101010112001401010620040101010112001401ffffff01021718010102171801010101010101010101010101010101010101010101010101010101090f080101010102030401010102030401061a180a0b1401120f080101061a180a0b1401120f0801ffffff01090304010112001401010101010101020000000000000000000f08010101010101010101090f080101010a0b1718010101090f0801061a1812001718120f080101061a1812001718120f0801ffffff0106070801010d0e0501010101010101010101010101010101010101010101010101010101090f080101010a0b171801010102030401061a1802050214120f080101061a1802050214120f0801ff0000010d0e0c01010a0b1718010101010101010101010101010101010101010101010101010101090f080101010a0b001718010610050101061a1e0708061f120f080101061a1e0708061f120f0801ffffff0101020f08010a0b1718010101010101020000000000000000000f08010101010101010101090f080101010102031910000017180101061a1b1718011c1d07080101061a1b1718011c1d070801ffffff010109130b140d0e0501010101010101010101010101010101010101010101010101010101090f0801010101120014010101010101010615100c01011216101401010615100c01011216101401ffffff01011203040200030401010101010101010101010101010101010101010101010101010101090f08010101010a0b050101010101010d0e00030401010a0b000f080d0e00030401010a0b000f08ff000001010d11080101010101010101010101010101010101010101010101010101010101120304090f08010101010106100c010101010101010101010101010101010101010101010101010101010100000001010a0b0c0101010101010101010101010101010101010101010101010101010101010d0e000f0801010101010106100501010101010101010101010101010101010101010101010101010101000000010101020501010101010101010101010101010101010101010101010101010101010101010607080101010101010101090003040101010101010101010101010101010101010101010101010100000001010200030401010101010101010101010101010101010101010101010101010101010101010101010101010101010101010101010101010101010101010101010101010101010101010101010000000101010101010101010101010101010101010101010101010101010101010101010101010101010101010101010101010101010101010101010101010101010101010101010101010101010101000000010101010101010101010101010101010101010101010101010101010101010101010101010101010101010101010101010101010101010101010101010101010101010101010101010101010100000001010101010101010101010101010101010101010101010101010101010101010101010101010101010101010101010101010101010101010101010101010101010101010101010101010101010000004c0000006400000000000000000000004f00000015000000000000000000000050000000160000002900aa0000000000000000000000803f00000000000000000000803f0000000000000000000000000000000000000000000000000000000000000000220000000c000000ffffffff460000001c00000010000000454d462b024000000c000000000000000e000000140000000000000010000000140000000400000003010800050000000b0200000000050000000c0216005000030000001e0004000000070104000400000007010400ad030000410b2000cc0015004d00000000001600500000000000280000004d000000150000000100080000000000000000000000000000000000220000000000000000000000ffffff000080c60080000000ffffc600c6800000a6e3ff0054005400ffe3a60054a6e300e3ffff000054a600e3a65400c6ffff000000800054000000000054005400800080c6ff00a6800000ffc680005454540054540000a6540000ffffe300a6e3c600a654540054a6c6005480c600a6c6a600a6e3e300c68054008000540080c6e30001010101010101010101010101010101010101010101010101010101010101010101010101010101010101010101010101010101010101010101010101010101010101010101010101010101018000540101010101010101010101010101010101010101010101010101010101010101010101010101010101010101010101010101010101010101010101010101010101010101010101010101010101ffffff0101010101010101010101010101010101010101010101010101010101010101010101010101010101010101010101010101010101010101010101010101010101010101010101010101010101ffffff0101010101010101010101010101010101010101010101010101010101010101010101010101010101010101010101010101010101010101010101010101010101010101010101010101010101ffffff0101010101010101010101010101010101010101010101010101010101010101010101010101010101010101010101010101010101010101010101010101010101010101010101010101010101e3a654061a21000003040101010101010101010101010101010101010101010101010101010a0b00000000000501010106100000001401010d0e00171801010610000f080d0e00171801010610000f08ffffff0a0b030401090f080101010101010101010101010101010101010101010101010101010101090f0801010101061005010112000c01010620040101010112001401010620040101010112001401ffffff01021718010102171801010101010101010101010101010101010101010101010101010101090f080101010102030401010102030401061a180a0b1401120f080101061a180a0b1401120f0801ffffff01090304010112001401010101010101020000000000000000000f08010101010101010101090f080101010a0b1718010101090f0801061a1812001718120f080101061a1812001718120f0801ffffff0106070801010d0e0501010101010101010101010101010101010101010101010101010101090f080101010a0b171801010102030401061a1802050214120f080101061a1802050214120f0801ff0000010d0e0c01010a0b1718010101010101010101010101010101010101010101010101010101090f080101010a0b001718010610050101061a1e0708061f120f080101061a1e0708061f120f0801ffffff0101020f08010a0b1718010101010101020000000000000000000f08010101010101010101090f080101010102031910000017180101061a1b1718011c1d07080101061a1b1718011c1d070801ffffff010109130b140d0e0501010101010101010101010101010101010101010101010101010101090f0801010101120014010101010101010615100c01011216101401010615100c01011216101401ffffff01011203040200030401010101010101010101010101010101010101010101010101010101090f08010101010a0b050101010101010d0e00030401010a0b000f080d0e00030401010a0b000f08ff000001010d11080101010101010101010101010101010101010101010101010101010101120304090f08010101010106100c010101010101010101010101010101010101010101010101010101010100000001010a0b0c0101010101010101010101010101010101010101010101010101010101010d0e000f0801010101010106100501010101010101010101010101010101010101010101010101010101000000010101020501010101010101010101010101010101010101010101010101010101010101010607080101010101010101090003040101010101010101010101010101010101010101010101010100000001010200030401010101010101010101010101010101010101010101010101010101010101010101010101010101010101010101010101010101010101010101010101010101010101010101010000000101010101010101010101010101010101010101010101010101010101010101010101010101010101010101010101010101010101010101010101010101010101010101010101010101010101000000010101010101010101010101010101010101010101010101010101010101010101010101010101010101010101010101010101010101010101010101010101010101010101010101010101010100000001010101010101010101010101010101010101010101010101010101010101010101010101010101010101010101010101010101010101010101010101010101010101010101010101010101010000000c00000040092900aa000000000000001600500000000000040000002701ffff030000000000 – ширина шпонки и паза;
010009000003120a000000003006000000003006000026060f00560c574d4643010000000000010080b50000000001000000340c000000000000340c0000010000006c00000000000000000000004f0000001500000000000000000000002e0800003f02000020454d4600000100340c00000c00000001000000000000000000000000000000900600001a040000b801000013010000000000000000000000000000c0b6060038320400460000002c00000020000000454d462b014001001c000000100000000210c0db010000006000000060000000460000004003000034030000454d462b224004000c000000000000001e4009000c00000000000000244001000c000000000000003040020010000000040000000000803f214007000c00000000000000084000058c020000800200000210c0db01000000000000000000000000000000000000000100000089504e470d0a1a0a0000000d494844520000004d0000001508020000008cb6f47d000000017352474200aece1ce9000000097048597300000e2600000e2601a2ef25fc00000209494441545847ed57418e8240101cf71d9078f2e40730d9ab0f307880ab2f583ee0f8017d81573c487c80d74de4039c3c99c03fd8ee1e06666490cd2e98b86c9f6068a6bbbaaa9b6194e7391b80bd0d0023421c18ce783322dbc47f955fe84f6117ce18bf94b73d5ea4a1cbdc30ad47c007d23a4ea5d46d764b983bb17ba6937463fb91214c7658da3e13f001309f752b2e854e638dbbe3550a8658abc5c2a7ca22de76292fc9677ce66c3ab6a0a8bd35aab3cef3b5d320188c8f09c8c7ce1cdbe82cc6859c1e1ac365aacb43d6ee53e044d5f2c96df9c176a41ac6b7f4f6b30ce31bda26b95112ce1a520253b38af73e8315e0fce861755a7c0a9ce93562fcc476f48e359e6ab5d5c096b515bcd74c54f7f7664faa9924765b04a11b9d3ec5f6f139098345ad368d3e0227a98607541871d73892507d8f4c54b717b3df1705d0ecb06581c7809c7b6bf2219c346bc355d13ba421a5557ac9b9755354d87d169617f0c8dfc7a0d9e9bca1d31b7c0827ee5901230d376d53cd844e754bad125d531d7e5d54389ef86c9694a418ea65f4419cba4e1faa16fbbd17dd523bcaf92a3bc9202a6785435276985915261fc069d0290680b9ddd54c691529cc3e9024002da63cf41f8c089db4826dcb3baa5f275d030f7cc4814ff942cbc357f7a706f55827a16bc73b3a1c08d3a2cb7575b1da4cacb6f88cfeff3fbfa1b6d77119d8ffe7eb10f3c34c87c2e717d42d6b63de7e97dc0000000049454e44ae4260820840010824000000180000000210c0db01000000030000000000000000000000000000001b40000040000000340000000100000002000000000000bf000000bf00009a420000a841030000000000008000000080feff9f420000008000000080ffffaf412100000008000000620000000c00000001000000150000000c00000004000000150000000c00000004000000510000009007000000000000000000004f00000015000000000000000000000000000000000000004d0000001500000050000000b00000000001000090060000000000002000cc005000000016000000280000004d000000150000000100080000000000000000000000000000000000220000000000000000000000ffffff000080c60080000000ffffc600c6800000a6e3ff0054005400ffe3a600e3ffff000054a600e3a65400c6ffff000000800054000000a6540000ffffe3005400800080c6ff0054a6e300ffc68000e3ffc600a68000005454a600000054005454540054540000a654540054a6c6005480c600a6c6a600a6e3e300c68054008000540001010101010101010101010101010101010101010101010101010101010101010101010101010101010101010101010101010101010101010101010101010101010101010101010101010101018000540101010101010101010101010101010101010101010101010101010101010101010101010101010101010101010101010101010101010101010101010101010101010101010101010101010101ffffff0101010101010101010101010101010101010101010101010101010101010101010101010101010101010101010101010101010101010101010101010101010101010101010101010101010101ffffff0101010101010101010101010101010101010101010101010101010101010101010101010101010101010101010101010101010101010101010101010101010101010101010101010101010101ffffff0101010101010101010101010101010101010101010101010101010101010101010101010101010101010101010101010101010101010101010101010101010101010101010101010101010101e3a6540c0d0b0101090a000f1001010101010101010101010101010101010101010101010101090a0000000000050101010c0d00000f1001010c0d000f1001010618000e080c0d000f1001010618000effffff090a0501010c0d14061b10010101010101010101010101010101010101010101010101010101130e08010101010c0d0f10090a0f10010106210401010101120014010106210401010101120014ffffff01020f10010c0d0b010101010101010101010101010101010101010101010101010101010101130e080101010113001401011200140101061b10090a1401120e080101061b10090a1401120e08ffffff01120304010102050101010101010101020000000000000000000e0801010101010101010101130e080101010102030401010c0d0b0101061b1012000f10120e080101061b1012000f10120e08ffffff0106070801011303040101010101010101010101010101010101010101010101010101010101130e08010101090a0f1001010c0d050101061b1002050214120e080101061b1002050214120e08ff0000010c0d050101120e080101010101010101010101010101010101010101010101010101010101130e08010101090a0f100101090a0f1001061b1f07080620120e080101061b1f07080620120e08ffffff0101020e08010c0d1401010101010101020000000000000000000e0801010101010101010101130e08010101090a0f100101090a0f1001061b1c0f10011d1e07080101061b1c0f10011d1e0708ffffff01011316170806180b0101010101010101010101010101010101010101010101010101010101130e08010101090a0f1001010c0d0f10010619180b0101121a181401010619180b0101121a1814ffffff01011203150a0003040101010101010101010101010101010101010101010101010101010101130e080101010102030401010c0d05010c0d0003040101090a000e080c0d0003040101090a000eff000001010c1108010101010101010101010101010101010101010101010101010101010101120304130e0801010101120e0801011200140101010101010101010101010101010101010101010101010000000101090a0b010101010101010101010101010101010101010101010101010101010101010c0d000e0801010101090a0f10090a030401010101010101010101010101010101010101010101010100000001010102050101010101010101010101010101010101010101010101010101010101010101010607080101010101090a000003040101010101010101010101010101010101010101010101010100000001010200030401010101010101010101010101010101010101010101010101010101010101010101010101010101010101010101010101010101010101010101010101010101010101010101010000000101010101010101010101010101010101010101010101010101010101010101010101010101010101010101010101010101010101010101010101010101010101010101010101010101010101000000010101010101010101010101010101010101010101010101010101010101010101010101010101010101010101010101010101010101010101010101010101010101010101010101010101010100000001010101010101010101010101010101010101010101010101010101010101010101010101010101010101010101010101010101010101010101010101010101010101010101010101010101010000004c0000006400000000000000000000004f00000015000000000000000000000050000000160000002900aa0000000000000000000000803f00000000000000000000803f0000000000000000000000000000000000000000000000000000000000000000220000000c000000ffffffff460000001c00000010000000454d462b024000000c000000000000000e000000140000000000000010000000140000000400000003010800050000000b0200000000050000000c0216005000030000001e0004000000070104000400000007010400ad030000410b2000cc0015004d00000000001600500000000000280000004d000000150000000100080000000000000000000000000000000000220000000000000000000000ffffff000080c60080000000ffffc600c6800000a6e3ff0054005400ffe3a600e3ffff000054a600e3a65400c6ffff000000800054000000a6540000ffffe3005400800080c6ff0054a6e300ffc68000e3ffc600a68000005454a600000054005454540054540000a654540054a6c6005480c600a6c6a600a6e3e300c68054008000540001010101010101010101010101010101010101010101010101010101010101010101010101010101010101010101010101010101010101010101010101010101010101010101010101010101018000540101010101010101010101010101010101010101010101010101010101010101010101010101010101010101010101010101010101010101010101010101010101010101010101010101010101ffffff0101010101010101010101010101010101010101010101010101010101010101010101010101010101010101010101010101010101010101010101010101010101010101010101010101010101ffffff0101010101010101010101010101010101010101010101010101010101010101010101010101010101010101010101010101010101010101010101010101010101010101010101010101010101ffffff0101010101010101010101010101010101010101010101010101010101010101010101010101010101010101010101010101010101010101010101010101010101010101010101010101010101e3a6540c0d0b0101090a000f1001010101010101010101010101010101010101010101010101090a0000000000050101010c0d00000f1001010c0d000f1001010618000e080c0d000f1001010618000effffff090a0501010c0d14061b10010101010101010101010101010101010101010101010101010101130e08010101010c0d0f10090a0f10010106210401010101120014010106210401010101120014ffffff01020f10010c0d0b010101010101010101010101010101010101010101010101010101010101130e080101010113001401011200140101061b10090a1401120e080101061b10090a1401120e08ffffff01120304010102050101010101010101020000000000000000000e0801010101010101010101130e080101010102030401010c0d0b0101061b1012000f10120e080101061b1012000f10120e08ffffff0106070801011303040101010101010101010101010101010101010101010101010101010101130e08010101090a0f1001010c0d050101061b1002050214120e080101061b1002050214120e08ff0000010c0d050101120e080101010101010101010101010101010101010101010101010101010101130e08010101090a0f100101090a0f1001061b1f07080620120e080101061b1f07080620120e08ffffff0101020e08010c0d1401010101010101020000000000000000000e0801010101010101010101130e08010101090a0f100101090a0f1001061b1c0f10011d1e07080101061b1c0f10011d1e0708ffffff01011316170806180b0101010101010101010101010101010101010101010101010101010101130e08010101090a0f1001010c0d0f10010619180b0101121a181401010619180b0101121a1814ffffff01011203150a0003040101010101010101010101010101010101010101010101010101010101130e080101010102030401010c0d05010c0d0003040101090a000e080c0d0003040101090a000eff000001010c1108010101010101010101010101010101010101010101010101010101010101120304130e0801010101120e0801011200140101010101010101010101010101010101010101010101010000000101090a0b010101010101010101010101010101010101010101010101010101010101010c0d000e0801010101090a0f10090a030401010101010101010101010101010101010101010101010100000001010102050101010101010101010101010101010101010101010101010101010101010101010607080101010101090a000003040101010101010101010101010101010101010101010101010100000001010200030401010101010101010101010101010101010101010101010101010101010101010101010101010101010101010101010101010101010101010101010101010101010101010101010000000101010101010101010101010101010101010101010101010101010101010101010101010101010101010101010101010101010101010101010101010101010101010101010101010101010101000000010101010101010101010101010101010101010101010101010101010101010101010101010101010101010101010101010101010101010101010101010101010101010101010101010101010100000001010101010101010101010101010101010101010101010101010101010101010101010101010101010101010101010101010101010101010101010101010101010101010101010101010101010000000c00000040092900aa000000000000001600500000000000040000002701ffff030000000000 - высота шпонки;
0100090000036808000000004405000000004405000026060f007e0a574d46430100000000000100c35600000000010000005c0a0000000000005c0a0000010000006c00000000000000000000003f0000001500000000000000000000008b0600003f02000020454d46000001005c0a00000c00000001000000000000000000000000000000900600001a040000b801000013010000000000000000000000000000c0b6060038320400460000002c00000020000000454d462b014001001c000000100000000210c0db01000000600000006000000046000000e4020000d8020000454d462b224004000c000000000000001e4009000c00000000000000244001000c000000000000003040020010000000040000000000803f214007000c000000000000000840000530020000240200000210c0db01000000000000000000000000000000000000000100000089504e470d0a1a0a0000000d494844520000003d0000001508020000007aff71e5000000017352474200aece1ce9000000097048597300000e2600000e2601a2ef25fc000001aa494441545847ed56c1718330103c5207ccf8c5cb0dc433f9a6800c7ed85d240d0457902ef02354e0024c037ef9e519d107d19d04080909c4d8d89ec97d6ce3d3dddededd8aa0aa2a78427b7942cc08f91ff7bc8dbb3fdfe57e1da0ed0a6be5b58beac6f7928c65092419ab7fcef2893901d2a33319394964ed0190678ee97084ebd6a2e2714446600a9f354e8e5b14a1d8000157814f49472432f8940f24df5a555781e60a32b6bd6653e8649289bd2c2f2780e522f4d48462471b65b5f5beec8f581c78f6f43d922b8901acbe5a8428a6e910b8d93987248e3c61c3ebb7bb31bf9b7e26882648579ff0d38842be8d1c8a622023dc587ef2f1e64bb76f995d7fbe6c4d5de1e60b1b70b04b61731629e6a381b81d53829360a761f29c981553fb4f177daec2c512203f33ade43842dcbd5322b47e855b60b5a973d28346d268b49cea511a419b819bc8074c596efe558a13637807e13e8f502b6ffdd16e1c2912e2d6d3b446fdaf9517d2c156c1758cb7c2dd498afd54129b1a494f84d557507d5f5a18bb216eef1e750edcffbd6a9a2a0de0a6757948b3b54b7b6b99fb5571688a02eef0907c0e80fa0372f0a12eaa08bdfa0000000049454e44ae4260820000000840010824000000180000000210c0db01000000030000000000000000000000000000001b40000040000000340000000100000002000000000000bf000000bf000074420000a841030000000000008000000080ffff7f420000008000000080ffffaf412100000008000000620000000c00000001000000150000000c00000004000000150000000c00000004000000510000001406000000000000000000003f00000015000000000000000000000000000000000000003d000000150000005000000084000000d400000040050000000000002000cc004000000016000000280000003d000000150000000100080000000000000000000000000000000000170000000000000000000000ffffff0054a6e30080000000ffffc600e3ffff000054a600e3a65400a6e3ff0000005400c6800000a6540000ffffe30080c6ff00ffc6800054000000ffe3a6000080c600c6ffff0000008000a6e3c60080008000e3e3e30001010101010101010101010101010101010101010101010101010101010101010101010101010101010101010101010101010101010101010101010101ffffff01010101010101010200000000070101010101010101010101010101010101010101010101010101010101010101010101010101010101010101010101ffffff01010101010101010101110a01010101010101010101010101010101010101010101010101010101010101010101010101010101010101010101010101ffffff01010101010101010101020a01010101010101010101010101010101010101010101010101010101010101010101010101010101010101010101010101ffffff01010101010101010101020a01010101010101010101010101010101010101010101010101010101010101010101010101010101010101010101010101ffffff01080900030401010101020a0101010101010101010101010101010101010101010101010101010108090000000e010112130a010101121300000b0c01ffffff01110304121504011601020a01010101010101010101010101010101010101010101010101010108090a01010d00070112130a010112130b0c05060b0cffffff01110b0c010101010200000a010101010101010101010101010101010101010101010101010101110304010101110304010101010102000e01010d000effffff01020304010101010101110a0101010101010101110000000000000000000f1001010101010105060b0c010101020f1001010101011103040101121307ffffff010d0f100101010101010101010101010101010101010101010101010101010101010101010105060b0c0101011103040101010105060b0c010112130affffff01121307010101010101010101010101010101010101010101010101010101010101010101010506000b0c0108090a010101010105060b0c010105060bffffff0105060a01010101010101010101010101010101110000000000000000000f10010101010101011103140900000b0c010101010105060b0c010105060bffffff0101110b0c010101010101010101010101010101010101010101010101010101010101010101010d000e0101010101010101010105060b0c010112130bffffff0506000000000a010101010101010101010101010101010101010101010101010101010101010105060a0101010101010101010101110304010112130affffff01010d000e0101010101010101010101010101010101010101010101010101010101010101010101080907010101010101010101010d0f1001010d000effffff010105060701010101010101010101010101010101010101010101010101010101010101010101010108090a01010101010101010105060b0c05060304ffffff01010101010101010101010101010101010101010101010101010101010101010101010101010101010101020003040101010101010105060000030401ffffff01010101010101010101010101010101010101010101010101010101010101010101010101010101010101010101010101010101010101010101010101ffffff01010101010101010101010101010101010101010101010101010101010101010101010101010101010101010101010101010101010101010101010101ffffff01010101010101010101010101010101010101010101010101010101010101010101010101010101010101010101010101010101010101010101010101ffffff01010101010101010101010101010101010101010101010101010101010101010101010101010101010101010101010101010101010101010101010101ffffff4c0000006400000000000000000000003f00000015000000000000000000000040000000160000002900aa0000000000000000000000803f00000000000000000000803f0000000000000000000000000000000000000000000000000000000000000000220000000c000000ffffffff460000001c00000010000000454d462b024000000c000000000000000e000000140000000000000010000000140000000400000003010800050000000b0200000000050000000c0216004000030000001e0004000000070104000400000007010400ef020000410b2000cc0015003d00000000001600400000000000280000003d000000150000000100080000000000000000000000000000000000170000000000000000000000ffffff0054a6e30080000000ffffc600e3ffff000054a600e3a65400a6e3ff0000005400c6800000a6540000ffffe30080c6ff00ffc6800054000000ffe3a6000080c600c6ffff0000008000a6e3c60080008000e3e3e30001010101010101010101010101010101010101010101010101010101010101010101010101010101010101010101010101010101010101010101010101ffffff01010101010101010200000000070101010101010101010101010101010101010101010101010101010101010101010101010101010101010101010101ffffff01010101010101010101110a01010101010101010101010101010101010101010101010101010101010101010101010101010101010101010101010101ffffff01010101010101010101020a01010101010101010101010101010101010101010101010101010101010101010101010101010101010101010101010101ffffff01010101010101010101020a01010101010101010101010101010101010101010101010101010101010101010101010101010101010101010101010101ffffff01080900030401010101020a0101010101010101010101010101010101010101010101010101010108090000000e010112130a010101121300000b0c01ffffff01110304121504011601020a01010101010101010101010101010101010101010101010101010108090a01010d00070112130a010112130b0c05060b0cffffff01110b0c010101010200000a010101010101010101010101010101010101010101010101010101110304010101110304010101010102000e01010d000effffff01020304010101010101110a0101010101010101110000000000000000000f1001010101010105060b0c010101020f1001010101011103040101121307ffffff010d0f100101010101010101010101010101010101010101010101010101010101010101010105060b0c0101011103040101010105060b0c010112130affffff01121307010101010101010101010101010101010101010101010101010101010101010101010506000b0c0108090a010101010105060b0c010105060bffffff0105060a01010101010101010101010101010101110000000000000000000f10010101010101011103140900000b0c010101010105060b0c010105060bffffff0101110b0c010101010101010101010101010101010101010101010101010101010101010101010d000e0101010101010101010105060b0c010112130bffffff0506000000000a010101010101010101010101010101010101010101010101010101010101010105060a0101010101010101010101110304010112130affffff01010d000e0101010101010101010101010101010101010101010101010101010101010101010101080907010101010101010101010d0f1001010d000effffff010105060701010101010101010101010101010101010101010101010101010101010101010101010108090a01010101010101010105060b0c05060304ffffff01010101010101010101010101010101010101010101010101010101010101010101010101010101010101020003040101010101010105060000030401ffffff01010101010101010101010101010101010101010101010101010101010101010101010101010101010101010101010101010101010101010101010101ffffff01010101010101010101010101010101010101010101010101010101010101010101010101010101010101010101010101010101010101010101010101ffffff01010101010101010101010101010101010101010101010101010101010101010101010101010101010101010101010101010101010101010101010101ffffff01010101010101010101010101010101010101010101010101010101010101010101010101010101010101010101010101010101010101010101010101ffffff0c00000040092900aa000000000000001600400000000000040000002701ffff030000000000 – глубина паза вала;
0100090000037008000000004a05000000004a05000026060f008a0a574d4643010000000000010090f10000000001000000680a000000000000680a0000010000006c000000000000000000000040000000150000000000000000000000a50600003f02000020454d4600000100680a00000c00000001000000000000000000000000000000900600001a040000b801000013010000000000000000000000000000c0b6060038320400460000002c00000020000000454d462b014001001c000000100000000210c0db01000000600000006000000046000000ec020000e0020000454d462b224004000c000000000000001e4009000c00000000000000244001000c000000000000003040020010000000040000000000803f214007000c0000000000000008400005380200002c0200000210c0db01000000000000000000000000000000000000000100000089504e470d0a1a0a0000000d494844520000003e00000015080200000091c8cae6000000017352474200aece1ce9000000097048597300000e2600000e2601a2ef25fc000001b3494441545847ed56bb7183401005d721661c11a90179c6a90bf0a0c0a4eec00d081ac0152885c054e002740d2822f20cf48177ef23f6648ec5d80669c69be8c31dfbf6eddb77e7b76deb5d67dc5c276c44fd0f7d89de2dcf7a536c7d7f5b34eeea45ea774156c298caa8f3c88bf2dafc9ceb13d34238331f12fa54add68b0deb621f97defa76356fe7451ac4eb04d10d4494bf3e695cabfb47c05e56b55caef8b62239ccc339308a0422b163fb2d9ba0f101748cef6cffa5ba34f0f1b925c5a4462598e6e3e84d938b3542649acc57d7fc89f4eed8098191a94a1280a4ad588274db124cc7e15f46aa5ada543033cb450ab637f829238e838271c885682115ae645304b3d959e34288db6d38870bc293a720f4ba2abd280cac5d00290b95cbc3ab93cc75649cc1f832c26fc6d7384cfdcff1bcb2c605b1eaa934beaebd12102b860192c94a0a9d967f7897ec390dd948d2e732de9ba637458686faac9a634e52b5b9476c301b635d77826d76ba3f25a1dead7dbbab8c00f499fb3a50f0fed0f21afc8b7e30ef1cba7ea1d02e153794e5860ef78bea45f32d52b7c72cc0b74ee9d0e7b9f7f28e3b41e83fdbc2697d394ed9cc9f0a3108eded3fc0260000000049454e44ae42608200000840010824000000180000000210c0db01000000030000000000000000000000000000001b40000040000000340000000100000002000000000000bf000000bf000078420000a841030000000000008000000080ffff81420000008000000080ffffaf412100000008000000620000000c00000001000000150000000c00000004000000150000000c00000004000000510000001806000000000000000000004000000015000000000000000000000000000000000000003e000000150000005000000088000000d800000040050000000000002000cc004100000016000000280000003e000000150000000100080000000000000000000000000000000000180000000000000000000000ffffff0054a6e30054000000ffe3a60080c6ff00e3ffff000054a600e3a65400a6e3ff00000054000080c600ffc68000c6ffff000000800080808000c680000080000000ffffc600a6540000ffffe3005400800080008000540054000101010101010101010101010101010101010101010101010101010101010101010101010101010101010101010101010101010101010101010101010101ffff010101010101010d0e000000000c010101010101010101010101010101010101010101010101010101010101010101010101010101010101010101010101ffff010101010101010105100101050c010101010101010101010101010101010101010101010101010101010101010101010101010101010101010101010101ffff0101010101010101010210010101010101010101010101010101010101010101010101010101010101010101010101010101010101010101010101010101ffff0101010101010101010105100101010101010101010101010101010101010101010101010101010101010101010101010101010101010101010101010101ffff01090a0011120101010101020801010101010101010101010101010101010101010101010101010101010500000304010d0e1001010d0e00000010010101ffff010b11120d161201010101091704010101010101010101010101010101010101010101010101010101010102030401010d0e100106071112010607131401ffff010b13140101010d150401050304010101010101010101010101010101010101010101010101010101010105030401010101010106070801010105000c01ffff01021112010101010d0e00001001010101010101010b000000000000000000030401010101010101010101050304010101010101010101010101090a0801ffff01050304010101010101010101010101010101010101010101010101010101010101010101010500000000000000000c0101010101010101010105000801ffff010d0e08010101010101010101010101010101010101010101010101010101010101010101010607080101050304020c010101010101010101090a111201ffff0106071001010101010101010101010101010101010b00000000000000000003040101010101010d15040105030401010101010101010d0e000013140101ffff01010b1314010101010101010101010101010101010101010101010101010101010101010101010105131405030401010101010101010101060713140101ffff06070000000010010101010101010101010101010101010101010101010101010101010101010101010b080503040101010101010101010101010b111201ffff010105000c0101010101010101010101010101010101010101010101010101010101010101010101010d0e0f0304010101010101010b0801010102000c01ffff010106070801010101010101010101010101010101010101010101010101010101010101010101010101090a0304010101010101010b0304010607030401ffff0101010101010101010101010101010101010101010101010101010101010101010101010101010101010102030401010101010101010500000003040101ffff0101010101010101010101010101010101010101010101010101010101010101010101010101010101010101010101010101010101010101010101010101ffff0101010101010101010101010101010101010101010101010101010101010101010101010101010101010101010101010101010101010101010101010101ffff0101010101010101010101010101010101010101010101010101010101010101010101010101010101010101010101010101010101010101010101010101ffff0101010101010101010101010101010101010101010101010101010101010101010101010101010101010101010101010101010101010101010101010101ffff4c0000006400000000000000000000004000000015000000000000000000000041000000160000002900aa0000000000000000000000803f00000000000000000000803f0000000000000000000000000000000000000000000000000000000000000000220000000c000000ffffffff460000001c00000010000000454d462b024000000c000000000000000e000000140000000000000010000000140000000400000003010800050000000b0200000000050000000c0216004100030000001e0004000000070104000400000007010400f1020000410b2000cc0015003e00000000001600410000000000280000003e000000150000000100080000000000000000000000000000000000180000000000000000000000ffffff0054a6e30054000000ffe3a60080c6ff00e3ffff000054a600e3a65400a6e3ff00000054000080c600ffc68000c6ffff000000800080808000c680000080000000ffffc600a6540000ffffe3005400800080008000540054000101010101010101010101010101010101010101010101010101010101010101010101010101010101010101010101010101010101010101010101010101ffff010101010101010d0e000000000c010101010101010101010101010101010101010101010101010101010101010101010101010101010101010101010101ffff010101010101010105100101050c010101010101010101010101010101010101010101010101010101010101010101010101010101010101010101010101ffff0101010101010101010210010101010101010101010101010101010101010101010101010101010101010101010101010101010101010101010101010101ffff0101010101010101010105100101010101010101010101010101010101010101010101010101010101010101010101010101010101010101010101010101ffff01090a0011120101010101020801010101010101010101010101010101010101010101010101010101010500000304010d0e1001010d0e00000010010101ffff010b11120d161201010101091704010101010101010101010101010101010101010101010101010101010102030401010d0e100106071112010607131401ffff010b13140101010d150401050304010101010101010101010101010101010101010101010101010101010105030401010101010106070801010105000c01ffff01021112010101010d0e00001001010101010101010b000000000000000000030401010101010101010101050304010101010101010101010101090a0801ffff01050304010101010101010101010101010101010101010101010101010101010101010101010500000000000000000c0101010101010101010105000801ffff010d0e08010101010101010101010101010101010101010101010101010101010101010101010607080101050304020c010101010101010101090a111201ffff0106071001010101010101010101010101010101010b00000000000000000003040101010101010d15040105030401010101010101010d0e000013140101ffff01010b1314010101010101010101010101010101010101010101010101010101010101010101010105131405030401010101010101010101060713140101ffff06070000000010010101010101010101010101010101010101010101010101010101010101010101010b080503040101010101010101010101010b111201ffff010105000c0101010101010101010101010101010101010101010101010101010101010101010101010d0e0f0304010101010101010b0801010102000c01ffff010106070801010101010101010101010101010101010101010101010101010101010101010101010101090a0304010101010101010b0304010607030401ffff0101010101010101010101010101010101010101010101010101010101010101010101010101010101010102030401010101010101010500000003040101ffff0101010101010101010101010101010101010101010101010101010101010101010101010101010101010101010101010101010101010101010101010101ffff0101010101010101010101010101010101010101010101010101010101010101010101010101010101010101010101010101010101010101010101010101ffff0101010101010101010101010101010101010101010101010101010101010101010101010101010101010101010101010101010101010101010101010101ffff0101010101010101010101010101010101010101010101010101010101010101010101010101010101010101010101010101010101010101010101010101ffff0c00000040092900aa000000000000001600410000000000040000002701ffff030000000000 – глубина паза ступицы.
Поле допусков размеров шпоночного соединения выбираем по рекомендации [5, с. 57]. Принимаем поля допусков на ширину шпонки, паза вала и паза ступицы.
Поле допуска ширины шпонки - 0100090000039604000000003803000000003803000026060f006606574d464301000000000001002e5f0000000001000000440600000000000044060000010000006c000000000000000000000014000000150000000000000000000000250200003f02000020454d4600000100440600000c00000001000000000000000000000000000000900600001a040000b801000013010000000000000000000000000000c0b6060038320400460000002c00000020000000454d462b014001001c000000100000000210c0db01000000600000006000000046000000580200004c020000454d462b224004000c000000000000001e4009000c00000000000000244001000c000000000000003040020010000000040000000000803f214007000c0000000000000008400005a4010000980100000210c0db01000000000000000000000000000000000000000100000089504e470d0a1a0a0000000d4948445200000014000000150802000000c9b759ff000000017352474200aece1ce9000000097048597300000e2600000e2601a2ef25fc0000012149444154384fd5543b128230105d3c07cc505171019da1f5004e28ac3d8127305c406f110a180f60eb8c5cc0caca19b847cc26e40734a08d5bb1c9becd7b6f1302ce392c8dd55220e27e016e8a4046d1cc622234ab785000fa30a9f7d132629bda22d045b84f583b062ba041e0193a3360b13889758b2d4555aa0d6b6e14d238eccadc17dfbd9f0024891c2ba284407dbd77c66daca1c93b3fc28573244acfa5d80508e314a07eb5d33e5a2a96b6e79de46d15f5dec905a5d9178699abdff39a30662c939a91346187b5e226650afd8669b8afec10aa0c8c0b12dcbe6aa71a33baed3b8db476f76b0d6497c9de3d694b7348da9fbc27509c3ca2a9488ba9e5ca711d38c70d15d7e5a46929b71c7fb43d13960d6f51f0d7ef79d62b36c55ffd493ec2ee8141ce0523920000000049454e44ae4260820840010824000000180000000210c0db01000000030000000000000000000000000000001b40000040000000340000000100000002000000000000bf000000bf0000a0410000a841030000000000008000000080feffa7410000008000000080ffffaf412100000008000000620000000c00000001000000150000000c00000004000000150000000c000000040000005100000088020000000000000000000014000000150000000000000000000000000000000000000014000000150000005000000094000000e4000000a4010000000000002000cc00150000001600000028000000140000001500000001000800000000000000000000000000000000001b0000000000000000000000ffffff000080c60080000000ffffc600c6800000a6e3ff0000005400e3ffff000054a600e3a6540054a6e300ffc68000c6ffff0054008000ffe3a6000000800080c6ff00e3ffc600a6540000ffffe300a68000005454a60054000000a6a6540054005400a6545400010101010101010101010101010101010101010101010101010101010101010101010101010101010101010101010101010101010101010101010101010101010101010101010101010101010101010101010101010101010101010101010101010101010d100a0101080900131401010607170f0101010108090501010d100c061a1401010106070501010101021314010d100a010101010101010d10050101011103040101020501010101010101010b170f010106190f01010b03040101010101010106070a01010d1005010111170f0101080900000018100501010102170f010d100c010102170f01010b00131401010b15160f06070a010d1005010101080913140101110312090003040106070a0101010809131401010d0e0f01010101010d10050101010d100a01010108090a0101010101010b000c010102030401010101020501010101010101060700000304010101010200030401010101010101010101010101010101010101010101010101010101010101010101010101010101010101010101010101010101010101010101010101010101010101010101010101014c0000006400000000000000000000001400000015000000000000000000000015000000160000002900aa0000000000000000000000803f00000000000000000000803f0000000000000000000000000000000000000000000000000000000000000000220000000c000000ffffffff460000001c00000010000000454d462b024000000c000000000000000e000000140000000000000010000000140000000400000003010800050000000b0200000000050000000c0216001500030000001e000400000007010400040000000701040029010000410b2000cc001500140000000000160015000000000028000000140000001500000001000800000000000000000000000000000000001b0000000000000000000000ffffff000080c60080000000ffffc600c6800000a6e3ff0000005400e3ffff000054a600e3a6540054a6e300ffc68000c6ffff0054008000ffe3a6000000800080c6ff00e3ffc600a6540000ffffe300a68000005454a60054000000a6a6540054005400a6545400010101010101010101010101010101010101010101010101010101010101010101010101010101010101010101010101010101010101010101010101010101010101010101010101010101010101010101010101010101010101010101010101010101010d100a0101080900131401010607170f0101010108090501010d100c061a1401010106070501010101021314010d100a010101010101010d10050101011103040101020501010101010101010b170f010106190f01010b03040101010101010106070a01010d1005010111170f0101080900000018100501010102170f010d100c010102170f01010b00131401010b15160f06070a010d1005010101080913140101110312090003040106070a0101010809131401010d0e0f01010101010d10050101010d100a01010108090a0101010101010b000c010102030401010101020501010101010101060700000304010101010200030401010101010101010101010101010101010101010101010101010101010101010101010101010101010101010101010101010101010101010101010101010101010101010101010101010c00000040092900aa000000000000001600150000000000040000002701ffff030000000000
Поле допуска ширины паза вала – Js0100090000038e03000000009202000000009202000026060f001a05574d4643010000000000010084cd0000000001000000f804000000000000f8040000010000006c000000000000000000000009000000150000000000000000000000050100003f02000020454d4600000100f80400000c00000001000000000000000000000000000000900600001a040000b801000013010000000000000000000000000000c0b6060038320400460000002c00000020000000454d462b014001001c000000100000000210c0db01000000600000006000000046000000d0010000c4010000454d462b224004000c000000000000001e4009000c00000000000000244001000c000000000000003040020010000000040000000000803f214007000c00000000000000084000051c010000100100000210c0db01000000000000000000000000000000000000000100000089504e470d0a1a0a0000000d494844520000000a000000150802000000f0d0e8a4000000017352474200aece1ce9000000097048597300000e2600000e2601a2ef25fc0000009649444154285363fcffff3f036ec084470e28451de927cb4319e1a0f138dc4aa0d31e2f0b01721b8e01992070ac01c16340e52214842c7b0ce430313c7970858121444d16c90bb26a210c6bd61d7e0272b98c820e03c39a5b8fb1fb106619c43010803885012c00b41b2102312064d932b8e320d2a800ac1d621a166924592cd2c8de4693460b2084e1c8ce457209e320886f1c690a00e43ada968c56bbaa0000000049454e44ae4260820000000840010824000000180000000210c0db01000000030000000000000000000000000000001b40000040000000340000000100000002000000000000bf000000bf000020410000a841030000000000008000000080ffff1f410000008000000080ffffaf412100000008000000620000000c00000001000000150000000c00000004000000150000000c0000000400000051000000c401000000000000000000000900000015000000000000000000000000000000000000000a000000150000005000000078000000c8000000fc000000000000002000cc000a00000016000000280000000a000000150000000100080000000000000000000000000000000000140000000000000000000000ffffff00a6e3ff000000540080000000ffffc60054a6e300ffc680000080c600c6ffff0000008000c6800000e3a65400e3ffff000054a600a6540000ffffe30054000000ffe3a600a6a654000101010101010101010101010101010101010101010101010101010101010101010101010101010101010101010101010101010101010101010101010101020311120101010110010101010102030b01010101010101010101090a0b0101010101010101010106111201010101010101010102030c010101010d0e000000130a0b01010101081112010106000f100101090a0b0101010d0e0f10060102030c0101010d0e0f100c01090a0b010101090a0c010c010106000701010804050106010101020300000405010101010101010101010101010101010101010101010101010101010101010101010101010101010101010101010101010101014c000000640000000000000000000000090000001500000000000000000000000a000000160000002900aa0000000000000000000000803f00000000000000000000803f0000000000000000000000000000000000000000000000000000000000000000220000000c000000ffffffff460000001c00000010000000454d462b024000000c000000000000000e000000140000000000000010000000140000000400000003010800050000000b0200000000050000000c0216000a00030000001e0004000000070104000400000007010400c7000000410b2000cc0015000a000000000016000a0000000000280000000a000000150000000100080000000000000000000000000000000000140000000000000000000000ffffff00a6e3ff000000540080000000ffffc60054a6e300ffc680000080c600c6ffff0000008000c6800000e3a65400e3ffff000054a600a6540000ffffe30054000000ffe3a600a6a654000101010101010101010101010101010101010101010101010101010101010101010101010101010101010101010101010101010101010101010101010101020311120101010110010101010102030b01010101010101010101090a0b0101010101010101010106111201010101010101010102030c010101010d0e000000130a0b01010101081112010106000f100101090a0b0101010d0e0f10060102030c0101010d0e0f100c01090a0b010101090a0c010c010106000701010804050106010101020300000405010101010101010101010101010101010101010101010101010101010101010101010101010101010101010101010101010101010c00000040092900aa0000000000000016000a0000000000040000002701ffff030000000000
Поле допуска ширины паза ступицы – 010009000003ba04000000003e03000000003e03000026060f007206574d464301000000000001001b7a0000000001000000500600000000000050060000010000006c0000000000000000000000150000001500000000000000000000003f0200003f02000020454d4600000100500600000c00000001000000000000000000000000000000900600001a040000b801000013010000000000000000000000000000c0b6060038320400460000002c00000020000000454d462b014001001c000000100000000210c0db01000000600000006000000046000000280200001c020000454d462b224004000c000000000000001e4009000c00000000000000244001000c000000000000003040020010000000040000000000803f214007000c000000000000000840000574010000680100000210c0db01000000000000000000000000000000000000000100000089504e470d0a1a0a0000000d4948445200000015000000150802000000267532c1000000017352474200aece1ce9000000097048597300000e2600000e2601a2ef25fc000000ef49444154384fed94bb0dc3201086cf99c39652b9ca0229d2668088ec632f431acb03a4b5642f90ca5524d8836038e0c09615892645aee21e3f70df19174a29c8b043867691fe8a7e6a8b95b513694e3eeea18064343f6b823300c605ba63a3c5e89a1434234da107b1ded7286536307e58b9e22562f7f6fce4d077c0ea6a3d0ff97ee9ea2853d50cba7e9084bf98b5fc76299d7e7aea339aeb19a03c9e00ba596c4f7aa32764116050168e143680fd5b42c402c800d7a519e79e0dea0310cf7367414665f56bc27bdbd0491bbd0990d1eddf213a6cd19bc077fae44bd26f97904b98c5b7c0bab4a6f8bfffac3fd807d1e4c82f8f5af07d0000000049454e44ae42608200000840010824000000180000000210c0db01000000030000000000000000000000000000001b40000040000000340000000100000002000000000000bf000000bf0000a8410000a841030000000000008000000080feffaf410000008000000080feffaf412100000008000000620000000c00000001000000150000000c00000004000000150000000c0000000400000051000000c402000000000000000000001500000015000000000000000000000000000000000000001500000015000000500000007c000000cc000000f8010000000000002000cc0016000000160000002800000015000000150000000100080000000000000000000000000000000000150000000000000000000000ffffff0080c6ff00ffc68000a6e3ff000000540080000000ffffc60054a6e30054000000ffe3a6000080c600c6ffff0000008000c6800000e3a65400e3ffff000054a600a6540000ffffe300a6a654000101010101010101010101010101010101010101010101ff0101010101010101010101010101010101010101010101ff0101010101010101010101010101010101010101010101ff0101010101010101010101010101010101010101010101ff0101010101010101010101010101010101010101010101ff080000090a01010101010101010405090a010101010101ff010b0003010101010101010101010104050e0101010101ff010405030101010101010101010101010c0d0e01010101ff010c0d0e0101010101010101010101010108090a010101ff01010b121301010101010101010101010104050f010101ff01010800000000090a0101011011000000140d0e010101ff0101020003010108000f01010b090a0101080012130101ff01010c0d0f0101010b06070c0d0e010101101112130101ff010110111213010102000304050f010101101112130101ff01010108060701010200030c0d0e0101010c0d0f010f01ff01010108090a01010b090a0108000301010b0607010301ff0101020000000000000301010104050000060701010809ff0101010101010101010101010101010101010101010101ff0101010101010101010101010101010101010101010101ff0101010101010101010101010101010101010101010101ff0101010101010101010101010101010101010101010101004c0000006400000000000000000000001500000015000000000000000000000016000000160000002900aa0000000000000000000000803f00000000000000000000803f0000000000000000000000000000000000000000000000000000000000000000220000000c000000ffffffff460000001c00000010000000454d462b024000000c000000000000000e000000140000000000000010000000140000000400000003010800050000000b0200000000050000000c0216001600030000001e000400000007010400040000000701040047010000410b2000cc00150015000000000016001600000000002800000015000000150000000100080000000000000000000000000000000000150000000000000000000000ffffff0080c6ff00ffc68000a6e3ff000000540080000000ffffc60054a6e30054000000ffe3a6000080c600c6ffff0000008000c6800000e3a65400e3ffff000054a600a6540000ffffe300a6a654000101010101010101010101010101010101010101010101ff0101010101010101010101010101010101010101010101ff0101010101010101010101010101010101010101010101ff0101010101010101010101010101010101010101010101ff0101010101010101010101010101010101010101010101ff080000090a01010101010101010405090a010101010101ff010b0003010101010101010101010104050e0101010101ff010405030101010101010101010101010c0d0e01010101ff010c0d0e0101010101010101010101010108090a010101ff01010b121301010101010101010101010104050f010101ff01010800000000090a0101011011000000140d0e010101ff0101020003010108000f01010b090a0101080012130101ff01010c0d0f0101010b06070c0d0e010101101112130101ff010110111213010102000304050f010101101112130101ff01010108060701010200030c0d0e0101010c0d0f010f01ff01010108090a01010b090a0108000301010b0607010301ff0101020000000000000301010104050000060701010809ff0101010101010101010101010101010101010101010101ff0101010101010101010101010101010101010101010101ff0101010101010101010101010101010101010101010101ff0101010101010101010101010101010101010101010101000c00000040092900aa000000000000001600160000000000040000002701ffff030000000000
Посадка шпонки с пазом вала 010009000003c01000000000120a00000000120a000026060f001a14574d46430100000000000100f3010000000001000000f813000000000000f8130000010000006c000000000000000000000056000000260000000000000000000000e6080000fc03000020454d4600000100f81300000c00000001000000000000000000000000000000900600001a040000b801000013010000000000000000000000000000c0b6060038320400460000002c00000020000000454d462b014001001c000000100000000210c0db010000006000000060000000460000006c05000060050000454d462b224004000c000000000000001e4009000c00000000000000244001000c000000000000003040020010000000040000000000803f214007000c0000000000000008400005b8040000ac0400000210c0db01000000000000000000000000000000000000000100000089504e470d0a1a0a0000000d4948445200000053000000250802000000b1ab428b000000017352474200aece1ce9000000097048597300000e2600000e2601a2ef25fc00000435494441546843e5593b6ee3301065f61c16b0552a5f2006d2fa008153d86d4ee05c20f20592136c6b15317c00b701ec0bb84a15c0be87761e87a486946c512b62e3246ce250fcbdf9bc190eafcab2543fb2fdfa91a801fae291ef1657badd17474f494dfdc7e2fe6ab173c3f02f37d1e9be5e38f2dd62a4b6e49087a59afda930a97a3f24315f0be11c8bf96c88b9e536cf9f03b97db6cea114adcb4a3b4649464bc78ffde43aa3630e6eef26fb0fa7f586fe9ba7b27c7d1c36396f763d41376423949f50e7d6fe020b13a8a4c5a27bae5ecad7e980804d5fa11cd19e6efa1210ad79b87ec661b2f747ec02d98c3795db043bf6f9f7b09ca8c9f2a097d8e64ae5646bf6afb658123dfaf8b71d7976479aaec7612ea6da7961bf5984bacd06720b3bd9df59f5811accb5c711c805701607e38d056ec405f5332237518bb1ea1703a9d36d62ed464ad9ca2121f226f54a33a894ee2921a1e8e39632d24be7e7c43aa49991f6f20cac0a571d4c5f88953376fd6cb6524c589fdd56ef8774f1fcf8b65e09a3720c25c80bc67e774b84d6a57589e79abe3d020f22bcdc3895ce35f073b0e850a3fdf2054cdea1c5c7731d19376318bc917a2dc257fb6acbf37cc373cb06afb1bce208d48cb1fd8d7c6d3eca3921c339be72870b082de0c46abefb0596314d9e42b23d1fd6928cd3b9361478e289a6c33245463d3b8cb6d6a475700e9bf928e75062e2e564fde339721b0ea861ba171c878c532d1f88823472a086a1d4456fa611ec6ca668e5fe0906af08e6db8f9ad269efa083dfc3d5fa0d491e39d3f0f700268d74a8d68f59a0adb64629edfaceb89cb4698dbc6eb13205890b1c91a360a12d094d10b74fc773a1b62a5bf21c20d8cdf3f366e4da8342cf8ec476c1c3dab97db721e4f9387357befa8db1cdc62ef37b9bb5d7689b3b7c1bb84c68e74fd5ae73cc276774b43d983ec20836e2b69c3005fe7fee1187dc979ebeef8adbf257d47844358a024818300eef14f51163be746bd7f9cd03eec655eca58412974d24035fbbb98c2e8411649be2f3f78870e9c88913e7a84a8ba5b1b66b425abaf3ab24653ae4a2e452bb051983094b239dc494440ca26c94107963a5a5671d2e09dc50112cf076868ba631a27cbaf79a4a8229b32201ccc74c863a11e060880b53e71a45f441ce0e74d7c474c8017235cbcc9dcf5c9c10fa5de447bd4af7db9b571a2c1d57b1a5fb64c8b90cc7d537d63eebf9fbd7e180d60479d27e5598ea5b87eba8d1f8e1a9740e5b37691db44f3f8f452153fb7fabc371d524f645518fb60f3927de76b4686091899003ad65322c4dd5e7b9ba6566e323e065d0de7a8257b2337aea5081a455768be7bd798060809ac4b739d7754c7324933e6ec4ac1844c0041548fd64ba6d78bca1aec6e267229dc7bb178f0cea70092a90c5fd666cab84bb821f8db96a2aabaaa7ea7031da4a39a6bd0e17fba218180dccdce9dadad7b93a5c4a5489d68aaf409a52ba736f218cc62cf92f82b6cc697d7745b00000000049454e44ae4260820840010824000000180000000210c0db01000000030000000000000000000000000000001b40000040000000340000000100000002000000000000bf000000bf0000a64200001442030000000000008000000080feffad420000008000000080feff1b422100000008000000620000000c00000001000000150000000c00000004000000150000000c0000000400000051000000280d00000000000000000000560000002600000000000000000000000000000000000000530000002500000050000000b400000004010000240c0000000000002000cc0057000000270000002800000053000000250000000100080000000000000000000000000000000000230000000000000000000000ffffff0080c6ff00e3a6540054a6e300c6800000c6ffff0080008000ffffc600a6e3ff0080005400000080005454540054008000ffe3a6005400540000005400a6545400ffffe300e3ffff005454a6000080c60080000000a6540000ffc680000054a60054000000a6e3c600c6e3a600e3ffc600c6a6a6005480c600e3c68000c6805400e3a6a6000101010101010101010101010101010101010101010101010101010101010101010101010101010101010101010101010101010101040000180104030104000018010101040017120910000003010101010101000101010101010101010101010101010101010101010101010101010101010101010101010101010101021a0e0101010101010101060d0e090a080403060d0e090a08040000000003092101090a081517120101000101010101010101010101010101010101010101010101010101010101010101010101010101010104050101010101010101010109111213140e010109111213140e092113141c22010910001801010911120100010101010101010101010101010101010101010101010101010101010101010101010101010101090a080101091000000000050109111213140e010109111213140e010220140e010101010418010101040301540101010101010101010101010101010101010101010101090a080109101a0e011319001801010104030101010101010101010101060708090a080101060708090a0801011f0c0e010911120217120101090a08ff0101010101010101010101010101010101010101010101060b1801090a1d1e010101060b0301131918010101010101010101010101020000030101010102000003010101060d0e01091000000301010113140e26010101010101010101010101010101010101010101010101150301060d0e0101010101060d0e131918010101010101010101010101010101010101010101010101010101010101010101010101010101131918000101010101010101010101010101010101010101010101010416080115030101040000000003131918010101010101010101010101010101010101010101010101010101010101010101010101010101131918ff01010101010101010101010101010101010101010101010102001608040501090f0e0113190513191801010101010101010101010101010101010101010101010101010101010101010101010101010113140eff010101010101010101010101010101010101010101010101060d1c0b00030102160801011503010403010101010101010101010101010101010101010101010101010101010101010101010101010101090a085401010101010101010101010101010101010101010101010113191801010101060b1801091018010911120101010101010101010101010101010101010101010101010101010101010101010101010101040301ff0101010101010101010101010101010101010101010101010115030101010101091000000301010104171201010101010101010101010101010101010101010101010101010101010101010101010102171201000101010101010101010101010101010101010101010101010200171201010101010101010101010101090f0e0101010101010101010101010101010101010101010101010101010101010101010115050101010001131900000000000501010109100000001801010101010101010101010101010101010101010101010101010101010101010101010101010101010101010101010101010101010101010101010101010101010001010101041a0e010101010910050101020003010101010101010101010101010101010101010101010101010101010101010101010101010101010101010101010101010101010101010101010101010101010001010101041a0e010101011516080101011516080101010101010101010101010101010101010101010101010101010101010101010101010101010101010101010101010101010101010101010101010101010001010101041a0e01010113191712010101041a0e0101010101010101010101010101010101010101010101010101010101010101010101010101010101010101010101010101010101010101010101010101010001010101041a0e010101131917120101011516080101010101010101010101010101010101010101010101010101010101010101010101010101010101010101010101010101010101010101010101010101010001010101041a0e010101131900171201091005010101010000000000000000000000000000000000000000000000000000000000000000000000000000000000000000000000000000000000000000000000000001010101041a0e0101010115161b1000001712010101010101010101010101010101010101010101010101010101010101010101010101010101010101010101010101010101010101010101010101010101010001010101041a0e010101010200180101010101010101010101010101010101010101010101010101010101010101010101010101010101010101010101010101010101010101010101010101010101010101010001010101041a0e01010101131905010101010101010101010101010101010101010101010101010101021a0e01010101010101010104000018010403010400001801010400000501131900001a0e15171201010001021608041a0e010101010109100301010101010101010101010101010101010101010101010101040501010101010101010101060d0e090a080403060d0e090a08090a081319180101020501010109111201000101060b001a0e0101010101010910050101010101010101010101010101010101010101010101090a080101010101010101010109111213140e010109111213140e09111213191801010205010101010403010001010101090f0e0101010101010101040016080101010104001a0e0101010101131900180101010403010101091000000000050109111213140e010109111213140e060b000017120101020501010101090a08ff01010101010101010101010101010101010101010101011319030101010101010101060b03011319180101010101010101010101060708090a080101060708090a08010405010101060b0c050101010113140eff0101010101010101010101010101010101010101010101010417120101010101010101060d0e131918010101010101010101010101020000030101010102000003010101020005010101040501010101131918ff0101010101010101010101010101010101010101010101010910000000180101040000000003131918010101010101010101010101010101010101010101010101010101010101010101010101010101131918ff010101010101010101010101010101010101010101010101060b1801091018090f0e0113190513191801010101010101010101010101010101010101010101010101010101010101010101010101010113140eff010101010101010101010101010101010101010101010101011503010115050216080101150301040301010101010101010101010104000018010403010400001801131900001a0e1319000017120101090a08ff01010101010101010101010101010101010101010101010101041712011505060b18010910180109111201010101010101010101060d0e090a080403060d0e090a080101020501010911121319180101040301ff010101010101010101010101010101010101010101010101060b000000160801091000000301010104171201010101010101010109111213140e010109111213140e0101020501010109100018010102171201ff0101010101010101010101010101010101010101010101010101010101010101010101010101010101090f0e091000000000050109111213140e010109111213140e010102050101090a0813140e1505010101ff01010101010101010101010101010101010101010101010101010101010101010101010101010101010101010101010101010101060708090a080101060708090a08060b0c050101090a08060d0e0101010101ff0101010101010101010101010101010101010101010101010101010101010101010101010101010101010101010101010101010101020000030101010102000003010101040501010104000005010101010101ff0101010101010101010101010101010101010101010101010101010101010101010101010101010101010101010101010101010101010101010101010101010101010101010101010101010101010101010101ff0101010101010101010101010101010101010101010101010101010101010101010101010101010101010101010101010101010101010101010101010101010101010101010101010101010101010101010101004c0000006400000000000000000000005600000026000000000000000000000057000000270000002900aa0000000000000000000000803f00000000000000000000803f0000000000000000000000000000000000000000000000000000000000000000220000000c000000ffffffff460000001c00000010000000454d462b024000000c000000000000000e000000140000000000000010000000140000000400000003010800050000000b0200000000050000000c0227005700030000001e000400000007010400040000000701040079060000410b2000cc00250053000000000027005700000000002800000053000000250000000100080000000000000000000000000000000000230000000000000000000000ffffff0080c6ff00e3a6540054a6e300c6800000c6ffff0080008000ffffc600a6e3ff0080005400000080005454540054008000ffe3a6005400540000005400a6545400ffffe300e3ffff005454a6000080c60080000000a6540000ffc680000054a60054000000a6e3c600c6e3a600e3ffc600c6a6a6005480c600e3c68000c6805400e3a6a6000101010101010101010101010101010101010101010101010101010101010101010101010101010101010101010101010101010101040000180104030104000018010101040017120910000003010101010101000101010101010101010101010101010101010101010101010101010101010101010101010101010101021a0e0101010101010101060d0e090a080403060d0e090a08040000000003092101090a081517120101000101010101010101010101010101010101010101010101010101010101010101010101010101010104050101010101010101010109111213140e010109111213140e092113141c22010910001801010911120100010101010101010101010101010101010101010101010101010101010101010101010101010101090a080101091000000000050109111213140e010109111213140e010220140e010101010418010101040301540101010101010101010101010101010101010101010101090a080109101a0e011319001801010104030101010101010101010101060708090a080101060708090a0801011f0c0e010911120217120101090a08ff0101010101010101010101010101010101010101010101060b1801090a1d1e010101060b0301131918010101010101010101010101020000030101010102000003010101060d0e01091000000301010113140e26010101010101010101010101010101010101010101010101150301060d0e0101010101060d0e131918010101010101010101010101010101010101010101010101010101010101010101010101010101131918000101010101010101010101010101010101010101010101010416080115030101040000000003131918010101010101010101010101010101010101010101010101010101010101010101010101010101131918ff01010101010101010101010101010101010101010101010102001608040501090f0e0113190513191801010101010101010101010101010101010101010101010101010101010101010101010101010113140eff010101010101010101010101010101010101010101010101060d1c0b00030102160801011503010403010101010101010101010101010101010101010101010101010101010101010101010101010101090a085401010101010101010101010101010101010101010101010113191801010101060b1801091018010911120101010101010101010101010101010101010101010101010101010101010101010101010101040301ff0101010101010101010101010101010101010101010101010115030101010101091000000301010104171201010101010101010101010101010101010101010101010101010101010101010101010102171201000101010101010101010101010101010101010101010101010200171201010101010101010101010101090f0e0101010101010101010101010101010101010101010101010101010101010101010115050101010001131900000000000501010109100000001801010101010101010101010101010101010101010101010101010101010101010101010101010101010101010101010101010101010101010101010101010101010001010101041a0e010101010910050101020003010101010101010101010101010101010101010101010101010101010101010101010101010101010101010101010101010101010101010101010101010101010001010101041a0e010101011516080101011516080101010101010101010101010101010101010101010101010101010101010101010101010101010101010101010101010101010101010101010101010101010001010101041a0e01010113191712010101041a0e0101010101010101010101010101010101010101010101010101010101010101010101010101010101010101010101010101010101010101010101010101010001010101041a0e010101131917120101011516080101010101010101010101010101010101010101010101010101010101010101010101010101010101010101010101010101010101010101010101010101010001010101041a0e010101131900171201091005010101010000000000000000000000000000000000000000000000000000000000000000000000000000000000000000000000000000000000000000000000000001010101041a0e0101010115161b1000001712010101010101010101010101010101010101010101010101010101010101010101010101010101010101010101010101010101010101010101010101010101010001010101041a0e010101010200180101010101010101010101010101010101010101010101010101010101010101010101010101010101010101010101010101010101010101010101010101010101010101010001010101041a0e01010101131905010101010101010101010101010101010101010101010101010101021a0e01010101010101010104000018010403010400001801010400000501131900001a0e15171201010001021608041a0e010101010109100301010101010101010101010101010101010101010101010101040501010101010101010101060d0e090a080403060d0e090a08090a081319180101020501010109111201000101060b001a0e0101010101010910050101010101010101010101010101010101010101010101090a080101010101010101010109111213140e010109111213140e09111213191801010205010101010403010001010101090f0e0101010101010101040016080101010104001a0e0101010101131900180101010403010101091000000000050109111213140e010109111213140e060b000017120101020501010101090a08ff01010101010101010101010101010101010101010101011319030101010101010101060b03011319180101010101010101010101060708090a080101060708090a08010405010101060b0c050101010113140eff0101010101010101010101010101010101010101010101010417120101010101010101060d0e131918010101010101010101010101020000030101010102000003010101020005010101040501010101131918ff0101010101010101010101010101010101010101010101010910000000180101040000000003131918010101010101010101010101010101010101010101010101010101010101010101010101010101131918ff010101010101010101010101010101010101010101010101060b1801091018090f0e0113190513191801010101010101010101010101010101010101010101010101010101010101010101010101010113140eff010101010101010101010101010101010101010101010101011503010115050216080101150301040301010101010101010101010104000018010403010400001801131900001a0e1319000017120101090a08ff01010101010101010101010101010101010101010101010101041712011505060b18010910180109111201010101010101010101060d0e090a080403060d0e090a080101020501010911121319180101040301ff010101010101010101010101010101010101010101010101060b000000160801091000000301010104171201010101010101010109111213140e010109111213140e0101020501010109100018010102171201ff0101010101010101010101010101010101010101010101010101010101010101010101010101010101090f0e091000000000050109111213140e010109111213140e010102050101090a0813140e1505010101ff01010101010101010101010101010101010101010101010101010101010101010101010101010101010101010101010101010101060708090a080101060708090a08060b0c050101090a08060d0e0101010101ff0101010101010101010101010101010101010101010101010101010101010101010101010101010101010101010101010101010101020000030101010102000003010101040501010104000005010101010101ff0101010101010101010101010101010101010101010101010101010101010101010101010101010101010101010101010101010101010101010101010101010101010101010101010101010101010101010101ff0101010101010101010101010101010101010101010101010101010101010101010101010101010101010101010101010101010101010101010101010101010101010101010101010101010101010101010101000c00000040092900aa000000000000002700570000000000040000002701ffff030000000000
Посадка шпонки с пазом ступицы 010009000003181300000000520b00000000520b000026060f009a16574d46430100000000000100eed10000000001000000781600000000000078160000010000006c000000000000000000000060000000270000000000000000000000eb0900001704000020454d4600000100781600000c00000001000000000000000000000000000000900600001a040000b801000013010000000000000000000000000000c0b6060038320400460000002c00000020000000454d462b014001001c000000100000000210c0db01000000600000006000000046000000bc050000b0050000454d462b224004000c000000000000001e4009000c00000000000000244001000c000000000000003040020010000000040000000000803f214007000c000000000000000840000508050000fc0400000210c0db01000000000000000000000000000000000000000100000089504e470d0a1a0a0000000d494844520000005d00000026080200000029f60096000000017352474200aece1ce9000000097048597300000e2600000e2601a2ef25fc00000484494441546843ed5a3d72ea301016ef1c782655aa5c0066d272008614d0e604e402980b2427782d146138006d66f005a85265c6dc83b7abd5ca922cdbb19148489e2a224b2beda7fdf9b44aef743a89ffad84c09f6f8b49b67c581f2fb1bb6ced59e7fbe2e281245bf664730173fa8feb071a678fc4ee65c6628b41c3ad67a92bc2255b0ec51edc3e5f89d95fad9f10befec92a8791fb74b37d933687c8cd5dfd539406ed75da2f23439fbebee5ab8990dae00fbbd1fea19fb4357ed5f54b5cd40c526f9f0a86c25a4676c247e3eb29acbdb0715645861a0b9f8b173ab8fef45569c14a2d061dc20c2eb51b794d414ae3650090f41902cc60713a8d76da45c3e2d29fbec069a77bff76b26532bb23db455f4894b31fd7f3ed38afd64081d2bfb923af38be6d3777377d019a23fea57e180f9f10e7c5205b1611c506d70ceb280ddb60918fb7738ac2613d487b031b2e6f06cedeb654f88beca1f00f7b2b8e13d04812e73896d36f7962e17a1a168e3dc6d68a9551168a0f8c8bd6963cb6d815ac65612675c10df046c29e4f7769ea98c2e2523209c1d028efb142aa0eb34534ecae4ff799fb1585736aea9c82c697e3c741a4231d25319481c3263da60d3ad691318def3df9b12ec45e297fc18038b94da46610f964c403280082c387c55c41bfe161f5e2a30d35b05c8cbf481d2cfbb3c366d93439c2790ddf9a8c1ee5096c4a8039df8dbb5fc45f6c372af88bb4d164b6a93a30493d92f72739dfc728a4b568d7401fe266a460e549e6fcfefdd8e2af86b3290117e12fa4372821568f1009647c414c76231fd554280128c94c4078f26f913083016d5d438a47d2731856f10c7d4e17e02f9249291d4c6791266c51e7228dc4ce19e878e5a54b5e1e8dbf38eb5bf1c58f8b0c15b161e99e66e3cc6cced3d90e7049474971792fddf3eb72ebb57e6bf2234e0fdac6a9c3b69f6b55be7adfcdf6827301149d54fad32734a09d5101094b9ae338464ba99fc3c5c635b9058b71a8da4fb398465c203d0ab179cf0dc5f37760397c37ff6980287d1a71118347bc7a17fc02e8385e9491fcfce4e6bbe81a24a1b8641620fc869c1d2d64d205a981a9d9c1b0e976d63274360c770abacee868b89875a9121720db3341bb2c26bc21b38c6603130f176f21ce38245db1a362502bcb0a6739552b37c7ddaec115b21614325429493d102077e6c295e44194edf116dbba48d5755ff63cf736cf5fa3e182106c6689baa6ab448fcc47131faceec97e2ef087d1b4a5140066e2e162b17041a5f1b2808509b21cdc2f9614e08184de48b1d8c3e5bd96ca041e6ed333293c162e8885e238603945bdeadc126f60442ac545c205bd483162b41cf8795cafcd1b55b7122f95d03ef174aff485d1fcf459f1d449895115a50d94e2e0e23c0c005deecdc53d3164da203ec1f355b4c2c53d67d9a6f48d183e1fcc8719f7319fb6a35e2fddd5c2a5bc332439393d48e91bde9df79e2c0c5d75557756228ebdb48d024e89f7fcd23718e56ec4c568fec71f5586364afb6641d7d9f319a71c7a6a738997f929db17db83a7df54131d48db09cfad5f2d1edf0d8d9a7dc16d78ba3707eb7f0f60a83e43ad7b20a1add5ff86f1ff00de6189839736b7270000000049454e44ae426082000840010824000000180000000210c0db01000000030000000000000000000000000000001b40000040000000340000000100000002000000000000bf000000bf0000ba4200001842030000000000008000000080feffc1420000008000000080feff1f422100000008000000620000000c00000001000000150000000c00000004000000150000000c0000000400000051000000580f000000000000000000006000000027000000000000000000000000000000000000005d0000002600000050000000c800000018010000400e0000000000002000cc006100000028000000280000005d000000260000000100080000000000000000000000000000000000280000000000000000000000ffffff005480c600ffe3a600a6a6c600ffffe30080c6ff00e3a65400a6e3ff000000540054a6e300c6800000e3ffff000054a600a6540000c6ffff0080008000ffffc60080005400a654540000008000545454008054a600540054005454a6000080c60054008000ffc680008080c600a654800080c6e3008000000054000000c6805400a6e3c600c6e3a600e3ffc600c6a6a600e3c68000e3a6a600010101010101010101010101010101010101010101010101010101010101010101010101010101010101010101010101010101010101010101010101010101010101010101010101010101010101010101010101010101010101010101808080010101010101010101010101010101010101010101010101010101010101010101010101010101010101010101010101010101010101010101010a00001b010a07010a00001b0101010a000e05080900000701010101010101010101018080800101010101010101010101010101010101010101010101010101010101010101010101010101010101010101010106200301010101010101010f1a030812110a070f1a030812110a0000000007082101081211190e05010101010101018080800101010101010101010101010101010101010101010101010101010101010101010101010101010101010101010a0b010101010101010101010813050c180301010813050c180308210c182327010809001b0101081305010101010101808080010101010101010101010101010101010101010101010101010101010101010101010101010101010101010108121101010809000000000b010813050c180301010813050c18030106261803010101010a1b0101010a07010101010101808080010101010101010101010101010101010101010101010101010101010812110108092003010c0d001b0101010a0701010101010101010101010f101108121101010f1011081211010102150301081305060e0501010812110101010101808080010101010101010101010101010101010101010101010101010101010f141b01081224250101010f1407010c0d1b0101010101010101010101010600000701010101060000070101010f1a030108090000070101010c1803010101010180808001010101010101010101010101010101010101010101010101010101011907010f1a0301010101010f1a030c0d1b0101010101010101010101010101010101010101010101010101010101010101010101010101010c0d1b010101010180808001010101010101010101010101010101010101010101010101010101010a1f1101190701010a00000000070c0d1b0101010101010101010101010101010101010101010101010101010101010101010101010101010c0d1b0101010101808080010101010101010101010101010101010101010101010101010101010106001f110a0b01081703010c0d0b0c0d1b0101010101010101010101010101010101010101010101010101010101010101010101010101010c1803010101010180808001010101010101010101010101010101010101010101010101010101010f1a2314000701061f1101011907010a07010101010101010101010101010101010101010101010101010101010101010101010101010101081211010101010180808001010101010101010101010101010101010101010101010101010101010c0d1b010101010f141b0108091b0108130501010101010101010101010101010101010101010101010101010101010101010101010101010a070101010101018080800101010101010101010101010101010101010101010101010101010101011907010101010108090000070101010a0e05010101010101010101010101010101010101010101010101010101010101010101010101060e05010101010101808080010101010101010101010101010101010101010101010101010101010106000e050101010101010101010101010108170301010101010101010101010101010101010101010101010101010101010101010101190b0101010101010101808080010c0d00000000000b01010108090000001b010101010101010101010101010101010101010101010101010101010101010101010101010101010101010101010101010101010101010101010101010101010101010101010101010101808080010101010a20030101010108090b01010600070101010101010101010101010101010101010101010101010101010101010101010101010101010101010101010101010101010101010101010101010101010101010101010101010101808080010101010a200301010101191f11010101191f1101010101010101010101010101010101010101010101010101010101010101010101010101010101010101010101010101010101010101010101010101010101010101010101010101808080010101010a20030101010c0d0e050101010a200301010101010101010101010101010101010101010101010101010101010101010101010101010101010101010101010101010101010101010101010101010101010101010101010101808080010101010a20030101010c0d0e05010101191f1101010101010101010101010101010101010101010101010101010101010101010101010101010101010101010101010101010101010101010101010101010101010101010101010101808080010101010a20030101010c0d000e050108090b0101010100000000000000000000000000000000000000000000000000000000000000000000000000000000000000000000000000000000000000000000000000000000000000000000808080010101010a200301010101191f220900000e050101010101010101010101010101010101010101010101010101010101010101010101010101010101010101010101010101010101010101010101010101010101010101010101010101808080010101010a20030101010106001b01010101010101010101010101010101010101010101010101010101010101010101010101010101010101010101010101010101010101010101010101010101010101010101010101010101010101808080010101010a2003010101010c0d0b010101010101010101010101010101010101010101010101010101010101010620030101010101010101010a00001b010a07010a00001b01080900000e050c0d000020030f1400000701190e05010180808001061f110a20030101010101080907010101010101010c0d00070101010101010101010101010101010101010a0b010101010101010101010f1a030812110a070f1a03081211010a07011c110101060b01010f1d050f1011010813050180808001010f1400200301010101010108090b010101010101010108170301010101010101010101010101010101081211010101010101010101010813050c180301010813050c180301010a0b01010101060b01010101010f1a0301010a07018080800101010108170301010101010101010a001f1101010101010c0d070101190000000701010c0d001b0101010a070101010809000000000b010813050c180301010813050c18030101010607010101060b01010c0d00000b010101081211808080010101010101010101010101010101010101010101010101010a0e05010a1b010f1a030101010f1407010c0d1b01010101010101010101010f101108121101010f1011081211081305060e050f14150b01010c161101010101010c1803808080010101010101010101010101010101010101010101010101010812110101010c0d1f11010101010f1a030c0d1b0101010101010101010101010600000701010101060000070108090000070101010a0b01010c0d00000e0501010c0d1b808080010101010101010101010101010101010101010101010101010f141b01010600070101010a00000000070c0d1b0101010101010101010101010101010101010101010101010101010101010101010101010101010101040501010c0d1b8080800101010101010101010101010101010101010101010101010101190701011907010821081703010c0d0b0c0d1b0101010101010101010101010101010101010101010101010101010101010101010101010101010101010101010c180380808001010101010101010101010101010101010101010101010101010a0e05010f1400000e1e1f1101011907010a070101010101010203010101010a00001b010a07010a00001b01080900000e050c0d000020030f1400000701010108121180808001010101010101010101010101010101010101010101010101010812110101010101010f141b0108091b01081305010101010102030101010f1a030812110a070f1a03081211010a07011c110101060b01010f1d050f101101010a0701808080010101010101010101010101010101010101010101010101010c0d000e0501010101010108090000070101010a0e050101010102030101010813050c180301010813050c180301010a0b01010101060b01010101010f1a0301060e05018080800101010101010101010101010101010101010101010101010101010101010101010101010101010101010101010817030809000000000b010813050c180301010813050c18030101010607010101060b01010c0d00000b01190b01010180808001010101010101010101010101010101010101010101010101010101010101010101010101010101010101010101010101010102030101010f101108121101010f1011081211081305060e050f14150b01010c161101010101010101018080800101010101010101010101010101010101010101010101010101010101010101010101010101010101010101010101010101010203010101010600000701010101060000070108090000070101010a0b01010c0d00000e0501010101018080800101010101010101010101010101010101010101010101010101010101010101010101010101010101010101010101010101010203010101010101010101010101010101010101010101010101010101010101010101040501010101018080800101010101010101010101010101010101010101010101010101010101010101010101010101010101010101010101010101010101010101010101010101010101010101010101010101010101010101010101010101010101010101018080804c0000006400000000000000000000006000000027000000000000000000000061000000280000002900aa0000000000000000000000803f00000000000000000000803f0000000000000000000000000000000000000000000000000000000000000000220000000c000000ffffffff460000001c00000010000000454d462b024000000c000000000000000e000000140000000000000010000000140000000400000003010800050000000b0200000000050000000c0228006100030000001e000400000007010400040000000701040091070000410b2000cc0026005d00000000002800610000000000280000005d000000260000000100080000000000000000000000000000000000280000000000000000000000ffffff005480c600ffe3a600a6a6c600ffffe30080c6ff00e3a65400a6e3ff000000540054a6e300c6800000e3ffff000054a600a6540000c6ffff0080008000ffffc60080005400a654540000008000545454008054a600540054005454a6000080c60054008000ffc680008080c600a654800080c6e3008000000054000000c6805400a6e3c600c6e3a600e3ffc600c6a6a600e3c68000e3a6a600010101010101010101010101010101010101010101010101010101010101010101010101010101010101010101010101010101010101010101010101010101010101010101010101010101010101010101010101010101010101010101808080010101010101010101010101010101010101010101010101010101010101010101010101010101010101010101010101010101010101010101010a00001b010a07010a00001b0101010a000e05080900000701010101010101010101018080800101010101010101010101010101010101010101010101010101010101010101010101010101010101010101010106200301010101010101010f1a030812110a070f1a030812110a0000000007082101081211190e05010101010101018080800101010101010101010101010101010101010101010101010101010101010101010101010101010101010101010a0b010101010101010101010813050c180301010813050c180308210c182327010809001b0101081305010101010101808080010101010101010101010101010101010101010101010101010101010101010101010101010101010101010108121101010809000000000b010813050c180301010813050c18030106261803010101010a1b0101010a07010101010101808080010101010101010101010101010101010101010101010101010101010812110108092003010c0d001b0101010a0701010101010101010101010f101108121101010f1011081211010102150301081305060e0501010812110101010101808080010101010101010101010101010101010101010101010101010101010f141b01081224250101010f1407010c0d1b0101010101010101010101010600000701010101060000070101010f1a030108090000070101010c1803010101010180808001010101010101010101010101010101010101010101010101010101011907010f1a0301010101010f1a030c0d1b0101010101010101010101010101010101010101010101010101010101010101010101010101010c0d1b010101010180808001010101010101010101010101010101010101010101010101010101010a1f1101190701010a00000000070c0d1b0101010101010101010101010101010101010101010101010101010101010101010101010101010c0d1b0101010101808080010101010101010101010101010101010101010101010101010101010106001f110a0b01081703010c0d0b0c0d1b0101010101010101010101010101010101010101010101010101010101010101010101010101010c1803010101010180808001010101010101010101010101010101010101010101010101010101010f1a2314000701061f1101011907010a07010101010101010101010101010101010101010101010101010101010101010101010101010101081211010101010180808001010101010101010101010101010101010101010101010101010101010c0d1b010101010f141b0108091b0108130501010101010101010101010101010101010101010101010101010101010101010101010101010a070101010101018080800101010101010101010101010101010101010101010101010101010101011907010101010108090000070101010a0e05010101010101010101010101010101010101010101010101010101010101010101010101060e05010101010101808080010101010101010101010101010101010101010101010101010101010106000e050101010101010101010101010108170301010101010101010101010101010101010101010101010101010101010101010101190b0101010101010101808080010c0d00000000000b01010108090000001b010101010101010101010101010101010101010101010101010101010101010101010101010101010101010101010101010101010101010101010101010101010101010101010101010101808080010101010a20030101010108090b01010600070101010101010101010101010101010101010101010101010101010101010101010101010101010101010101010101010101010101010101010101010101010101010101010101010101808080010101010a200301010101191f11010101191f1101010101010101010101010101010101010101010101010101010101010101010101010101010101010101010101010101010101010101010101010101010101010101010101010101808080010101010a20030101010c0d0e050101010a200301010101010101010101010101010101010101010101010101010101010101010101010101010101010101010101010101010101010101010101010101010101010101010101010101808080010101010a20030101010c0d0e05010101191f1101010101010101010101010101010101010101010101010101010101010101010101010101010101010101010101010101010101010101010101010101010101010101010101010101808080010101010a20030101010c0d000e050108090b0101010100000000000000000000000000000000000000000000000000000000000000000000000000000000000000000000000000000000000000000000000000000000000000000000808080010101010a200301010101191f220900000e050101010101010101010101010101010101010101010101010101010101010101010101010101010101010101010101010101010101010101010101010101010101010101010101010101808080010101010a20030101010106001b01010101010101010101010101010101010101010101010101010101010101010101010101010101010101010101010101010101010101010101010101010101010101010101010101010101010101808080010101010a2003010101010c0d0b010101010101010101010101010101010101010101010101010101010101010620030101010101010101010a00001b010a07010a00001b01080900000e050c0d000020030f1400000701190e05010180808001061f110a20030101010101080907010101010101010c0d00070101010101010101010101010101010101010a0b010101010101010101010f1a030812110a070f1a03081211010a07011c110101060b01010f1d050f1011010813050180808001010f1400200301010101010108090b010101010101010108170301010101010101010101010101010101081211010101010101010101010813050c180301010813050c180301010a0b01010101060b01010101010f1a0301010a07018080800101010108170301010101010101010a001f1101010101010c0d070101190000000701010c0d001b0101010a070101010809000000000b010813050c180301010813050c18030101010607010101060b01010c0d00000b010101081211808080010101010101010101010101010101010101010101010101010a0e05010a1b010f1a030101010f1407010c0d1b01010101010101010101010f101108121101010f1011081211081305060e050f14150b01010c161101010101010c1803808080010101010101010101010101010101010101010101010101010812110101010c0d1f11010101010f1a030c0d1b0101010101010101010101010600000701010101060000070108090000070101010a0b01010c0d00000e0501010c0d1b808080010101010101010101010101010101010101010101010101010f141b01010600070101010a00000000070c0d1b0101010101010101010101010101010101010101010101010101010101010101010101010101010101040501010c0d1b8080800101010101010101010101010101010101010101010101010101190701011907010821081703010c0d0b0c0d1b0101010101010101010101010101010101010101010101010101010101010101010101010101010101010101010c180380808001010101010101010101010101010101010101010101010101010a0e05010f1400000e1e1f1101011907010a070101010101010203010101010a00001b010a07010a00001b01080900000e050c0d000020030f1400000701010108121180808001010101010101010101010101010101010101010101010101010812110101010101010f141b0108091b01081305010101010102030101010f1a030812110a070f1a03081211010a07011c110101060b01010f1d050f101101010a0701808080010101010101010101010101010101010101010101010101010c0d000e0501010101010108090000070101010a0e050101010102030101010813050c180301010813050c180301010a0b01010101060b01010101010f1a0301060e05018080800101010101010101010101010101010101010101010101010101010101010101010101010101010101010101010817030809000000000b010813050c180301010813050c18030101010607010101060b01010c0d00000b01190b01010180808001010101010101010101010101010101010101010101010101010101010101010101010101010101010101010101010101010102030101010f101108121101010f1011081211081305060e050f14150b01010c161101010101010101018080800101010101010101010101010101010101010101010101010101010101010101010101010101010101010101010101010101010203010101010600000701010101060000070108090000070101010a0b01010c0d00000e0501010101018080800101010101010101010101010101010101010101010101010101010101010101010101010101010101010101010101010101010203010101010101010101010101010101010101010101010101010101010101010101040501010101018080800101010101010101010101010101010101010101010101010101010101010101010101010101010101010101010101010101010101010101010101010101010101010101010101010101010101010101010101010101010101010101018080800c00000040092900aa000000000000002800610000000000040000002701ffff030000000000
Определим
предельные размеры, зазор и натяги
соединений шпонки с пазом вала 010009000003c01000000000120a00000000120a000026060f001a14574d46430100000000000100f3010000000001000000f813000000000000f8130000010000006c000000000000000000000056000000260000000000000000000000e6080000fc03000020454d4600000100f81300000c00000001000000000000000000000000000000900600001a040000b801000013010000000000000000000000000000c0b6060038320400460000002c00000020000000454d462b014001001c000000100000000210c0db010000006000000060000000460000006c05000060050000454d462b224004000c000000000000001e4009000c00000000000000244001000c000000000000003040020010000000040000000000803f214007000c0000000000000008400005b8040000ac0400000210c0db01000000000000000000000000000000000000000100000089504e470d0a1a0a0000000d4948445200000053000000250802000000b1ab428b000000017352474200aece1ce9000000097048597300000e2600000e2601a2ef25fc00000435494441546843e5593b6ee3301065f61c16b0552a5f2006d2fa008153d86d4ee05c20f20592136c6b15317c00b701ec0bb84a15c0be87761e87a486946c512b62e3246ce250fcbdf9bc190eafcab2543fb2fdfa91a801fae291ef1657badd17474f494dfdc7e2fe6ab173c3f02f37d1e9be5e38f2dd62a4b6e49087a59afda930a97a3f24315f0be11c8bf96c88b9e536cf9f03b97db6cea114adcb4a3b4649464bc78ffde43aa3630e6eef26fb0fa7f586fe9ba7b27c7d1c36396f763d41376423949f50e7d6fe020b13a8a4c5a27bae5ecad7e980804d5fa11cd19e6efa1210ad79b87ec661b2f747ec02d98c3795db043bf6f9f7b09ca8c9f2a097d8e64ae5646bf6afb658123dfaf8b71d7976479aaec7612ea6da7961bf5984bacd06720b3bd9df59f5811accb5c711c805701607e38d056ec405f5332237518bb1ea1703a9d36d62ed464ad9ca2121f226f54a33a894ee2921a1e8e39632d24be7e7c43aa49991f6f20cac0a571d4c5f88953376fd6cb6524c589fdd56ef8774f1fcf8b65e09a3720c25c80bc67e774b84d6a57589e79abe3d020f22bcdc3895ce35f073b0e850a3fdf2054cdea1c5c7731d19376318bc917a2dc257fb6acbf37cc373cb06afb1bce208d48cb1fd8d7c6d3eca3921c339be72870b082de0c46abefb0596314d9e42b23d1fd6928cd3b9361478e289a6c33245463d3b8cb6d6a475700e9bf928e75062e2e564fde339721b0ea861ba171c878c532d1f88823472a086a1d4456fa611ec6ca668e5fe0906af08e6db8f9ad269efa083dfc3d5fa0d491e39d3f0f700268d74a8d68f59a0adb64629edfaceb89cb4698dbc6eb13205890b1c91a360a12d094d10b74fc773a1b62a5bf21c20d8cdf3f366e4da8342cf8ec476c1c3dab97db721e4f9387357befa8db1cdc62ef37b9bb5d7689b3b7c1bb84c68e74fd5ae73cc276774b43d983ec20836e2b69c3005fe7fee1187dc979ebeef8adbf257d47844358a024818300eef14f51163be746bd7f9cd03eec655eca58412974d24035fbbb98c2e8411649be2f3f78870e9c88913e7a84a8ba5b1b66b425abaf3ab24653ae4a2e452bb051983094b239dc494440ca26c94107963a5a5671d2e09dc50112cf076868ba631a27cbaf79a4a8229b32201ccc74c863a11e060880b53e71a45f441ce0e74d7c474c8017235cbcc9dcf5c9c10fa5de447bd4af7db9b571a2c1d57b1a5fb64c8b90cc7d537d63eebf9fbd7e180d60479d27e5598ea5b87eba8d1f8e1a9740e5b37691db44f3f8f452153fb7fabc371d524f645518fb60f3927de76b4686091899003ad65322c4dd5e7b9ba6566e323e065d0de7a8257b2337aea5081a455768be7bd798060809ac4b739d7754c7324933e6ec4ac1844c0041548fd64ba6d78bca1aec6e267229dc7bb178f0cea70092a90c5fd666cab84bb821f8db96a2aabaaa7ea7031da4a39a6bd0e17fba218180dccdce9dadad7b93a5c4a5489d68aaf409a52ba736f218cc62cf92f82b6cc697d7745b00000000049454e44ae4260820840010824000000180000000210c0db01000000030000000000000000000000000000001b40000040000000340000000100000002000000000000bf000000bf0000a64200001442030000000000008000000080feffad420000008000000080feff1b422100000008000000620000000c00000001000000150000000c00000004000000150000000c0000000400000051000000280d00000000000000000000560000002600000000000000000000000000000000000000530000002500000050000000b400000004010000240c0000000000002000cc0057000000270000002800000053000000250000000100080000000000000000000000000000000000230000000000000000000000ffffff0080c6ff00e3a6540054a6e300c6800000c6ffff0080008000ffffc600a6e3ff0080005400000080005454540054008000ffe3a6005400540000005400a6545400ffffe300e3ffff005454a6000080c60080000000a6540000ffc680000054a60054000000a6e3c600c6e3a600e3ffc600c6a6a6005480c600e3c68000c6805400e3a6a6000101010101010101010101010101010101010101010101010101010101010101010101010101010101010101010101010101010101040000180104030104000018010101040017120910000003010101010101000101010101010101010101010101010101010101010101010101010101010101010101010101010101021a0e0101010101010101060d0e090a080403060d0e090a08040000000003092101090a081517120101000101010101010101010101010101010101010101010101010101010101010101010101010101010104050101010101010101010109111213140e010109111213140e092113141c22010910001801010911120100010101010101010101010101010101010101010101010101010101010101010101010101010101090a080101091000000000050109111213140e010109111213140e010220140e010101010418010101040301540101010101010101010101010101010101010101010101090a080109101a0e011319001801010104030101010101010101010101060708090a080101060708090a0801011f0c0e010911120217120101090a08ff0101010101010101010101010101010101010101010101060b1801090a1d1e010101060b0301131918010101010101010101010101020000030101010102000003010101060d0e01091000000301010113140e26010101010101010101010101010101010101010101010101150301060d0e0101010101060d0e131918010101010101010101010101010101010101010101010101010101010101010101010101010101131918000101010101010101010101010101010101010101010101010416080115030101040000000003131918010101010101010101010101010101010101010101010101010101010101010101010101010101131918ff01010101010101010101010101010101010101010101010102001608040501090f0e0113190513191801010101010101010101010101010101010101010101010101010101010101010101010101010113140eff010101010101010101010101010101010101010101010101060d1c0b00030102160801011503010403010101010101010101010101010101010101010101010101010101010101010101010101010101090a085401010101010101010101010101010101010101010101010113191801010101060b1801091018010911120101010101010101010101010101010101010101010101010101010101010101010101010101040301ff0101010101010101010101010101010101010101010101010115030101010101091000000301010104171201010101010101010101010101010101010101010101010101010101010101010101010102171201000101010101010101010101010101010101010101010101010200171201010101010101010101010101090f0e0101010101010101010101010101010101010101010101010101010101010101010115050101010001131900000000000501010109100000001801010101010101010101010101010101010101010101010101010101010101010101010101010101010101010101010101010101010101010101010101010101010001010101041a0e010101010910050101020003010101010101010101010101010101010101010101010101010101010101010101010101010101010101010101010101010101010101010101010101010101010001010101041a0e010101011516080101011516080101010101010101010101010101010101010101010101010101010101010101010101010101010101010101010101010101010101010101010101010101010001010101041a0e01010113191712010101041a0e0101010101010101010101010101010101010101010101010101010101010101010101010101010101010101010101010101010101010101010101010101010001010101041a0e010101131917120101011516080101010101010101010101010101010101010101010101010101010101010101010101010101010101010101010101010101010101010101010101010101010001010101041a0e010101131900171201091005010101010000000000000000000000000000000000000000000000000000000000000000000000000000000000000000000000000000000000000000000000000001010101041a0e0101010115161b1000001712010101010101010101010101010101010101010101010101010101010101010101010101010101010101010101010101010101010101010101010101010101010001010101041a0e010101010200180101010101010101010101010101010101010101010101010101010101010101010101010101010101010101010101010101010101010101010101010101010101010101010001010101041a0e01010101131905010101010101010101010101010101010101010101010101010101021a0e01010101010101010104000018010403010400001801010400000501131900001a0e15171201010001021608041a0e010101010109100301010101010101010101010101010101010101010101010101040501010101010101010101060d0e090a080403060d0e090a08090a081319180101020501010109111201000101060b001a0e0101010101010910050101010101010101010101010101010101010101010101090a080101010101010101010109111213140e010109111213140e09111213191801010205010101010403010001010101090f0e0101010101010101040016080101010104001a0e0101010101131900180101010403010101091000000000050109111213140e010109111213140e060b000017120101020501010101090a08ff01010101010101010101010101010101010101010101011319030101010101010101060b03011319180101010101010101010101060708090a080101060708090a08010405010101060b0c050101010113140eff0101010101010101010101010101010101010101010101010417120101010101010101060d0e131918010101010101010101010101020000030101010102000003010101020005010101040501010101131918ff0101010101010101010101010101010101010101010101010910000000180101040000000003131918010101010101010101010101010101010101010101010101010101010101010101010101010101131918ff010101010101010101010101010101010101010101010101060b1801091018090f0e0113190513191801010101010101010101010101010101010101010101010101010101010101010101010101010113140eff010101010101010101010101010101010101010101010101011503010115050216080101150301040301010101010101010101010104000018010403010400001801131900001a0e1319000017120101090a08ff01010101010101010101010101010101010101010101010101041712011505060b18010910180109111201010101010101010101060d0e090a080403060d0e090a080101020501010911121319180101040301ff010101010101010101010101010101010101010101010101060b000000160801091000000301010104171201010101010101010109111213140e010109111213140e0101020501010109100018010102171201ff0101010101010101010101010101010101010101010101010101010101010101010101010101010101090f0e091000000000050109111213140e010109111213140e010102050101090a0813140e1505010101ff01010101010101010101010101010101010101010101010101010101010101010101010101010101010101010101010101010101060708090a080101060708090a08060b0c050101090a08060d0e0101010101ff0101010101010101010101010101010101010101010101010101010101010101010101010101010101010101010101010101010101020000030101010102000003010101040501010104000005010101010101ff0101010101010101010101010101010101010101010101010101010101010101010101010101010101010101010101010101010101010101010101010101010101010101010101010101010101010101010101ff0101010101010101010101010101010101010101010101010101010101010101010101010101010101010101010101010101010101010101010101010101010101010101010101010101010101010101010101004c0000006400000000000000000000005600000026000000000000000000000057000000270000002900aa0000000000000000000000803f00000000000000000000803f0000000000000000000000000000000000000000000000000000000000000000220000000c000000ffffffff460000001c00000010000000454d462b024000000c000000000000000e000000140000000000000010000000140000000400000003010800050000000b0200000000050000000c0227005700030000001e000400000007010400040000000701040079060000410b2000cc00250053000000000027005700000000002800000053000000250000000100080000000000000000000000000000000000230000000000000000000000ffffff0080c6ff00e3a6540054a6e300c6800000c6ffff0080008000ffffc600a6e3ff0080005400000080005454540054008000ffe3a6005400540000005400a6545400ffffe300e3ffff005454a6000080c60080000000a6540000ffc680000054a60054000000a6e3c600c6e3a600e3ffc600c6a6a6005480c600e3c68000c6805400e3a6a6000101010101010101010101010101010101010101010101010101010101010101010101010101010101010101010101010101010101040000180104030104000018010101040017120910000003010101010101000101010101010101010101010101010101010101010101010101010101010101010101010101010101021a0e0101010101010101060d0e090a080403060d0e090a08040000000003092101090a081517120101000101010101010101010101010101010101010101010101010101010101010101010101010101010104050101010101010101010109111213140e010109111213140e092113141c22010910001801010911120100010101010101010101010101010101010101010101010101010101010101010101010101010101090a080101091000000000050109111213140e010109111213140e010220140e010101010418010101040301540101010101010101010101010101010101010101010101090a080109101a0e011319001801010104030101010101010101010101060708090a080101060708090a0801011f0c0e010911120217120101090a08ff0101010101010101010101010101010101010101010101060b1801090a1d1e010101060b0301131918010101010101010101010101020000030101010102000003010101060d0e01091000000301010113140e26010101010101010101010101010101010101010101010101150301060d0e0101010101060d0e131918010101010101010101010101010101010101010101010101010101010101010101010101010101131918000101010101010101010101010101010101010101010101010416080115030101040000000003131918010101010101010101010101010101010101010101010101010101010101010101010101010101131918ff01010101010101010101010101010101010101010101010102001608040501090f0e0113190513191801010101010101010101010101010101010101010101010101010101010101010101010101010113140eff010101010101010101010101010101010101010101010101060d1c0b00030102160801011503010403010101010101010101010101010101010101010101010101010101010101010101010101010101090a085401010101010101010101010101010101010101010101010113191801010101060b1801091018010911120101010101010101010101010101010101010101010101010101010101010101010101010101040301ff0101010101010101010101010101010101010101010101010115030101010101091000000301010104171201010101010101010101010101010101010101010101010101010101010101010101010102171201000101010101010101010101010101010101010101010101010200171201010101010101010101010101090f0e0101010101010101010101010101010101010101010101010101010101010101010115050101010001131900000000000501010109100000001801010101010101010101010101010101010101010101010101010101010101010101010101010101010101010101010101010101010101010101010101010101010001010101041a0e010101010910050101020003010101010101010101010101010101010101010101010101010101010101010101010101010101010101010101010101010101010101010101010101010101010001010101041a0e010101011516080101011516080101010101010101010101010101010101010101010101010101010101010101010101010101010101010101010101010101010101010101010101010101010001010101041a0e01010113191712010101041a0e0101010101010101010101010101010101010101010101010101010101010101010101010101010101010101010101010101010101010101010101010101010001010101041a0e010101131917120101011516080101010101010101010101010101010101010101010101010101010101010101010101010101010101010101010101010101010101010101010101010101010001010101041a0e010101131900171201091005010101010000000000000000000000000000000000000000000000000000000000000000000000000000000000000000000000000000000000000000000000000001010101041a0e0101010115161b1000001712010101010101010101010101010101010101010101010101010101010101010101010101010101010101010101010101010101010101010101010101010101010001010101041a0e010101010200180101010101010101010101010101010101010101010101010101010101010101010101010101010101010101010101010101010101010101010101010101010101010101010001010101041a0e01010101131905010101010101010101010101010101010101010101010101010101021a0e01010101010101010104000018010403010400001801010400000501131900001a0e15171201010001021608041a0e010101010109100301010101010101010101010101010101010101010101010101040501010101010101010101060d0e090a080403060d0e090a08090a081319180101020501010109111201000101060b001a0e0101010101010910050101010101010101010101010101010101010101010101090a080101010101010101010109111213140e010109111213140e09111213191801010205010101010403010001010101090f0e0101010101010101040016080101010104001a0e0101010101131900180101010403010101091000000000050109111213140e010109111213140e060b000017120101020501010101090a08ff01010101010101010101010101010101010101010101011319030101010101010101060b03011319180101010101010101010101060708090a080101060708090a08010405010101060b0c050101010113140eff0101010101010101010101010101010101010101010101010417120101010101010101060d0e131918010101010101010101010101020000030101010102000003010101020005010101040501010101131918ff0101010101010101010101010101010101010101010101010910000000180101040000000003131918010101010101010101010101010101010101010101010101010101010101010101010101010101131918ff010101010101010101010101010101010101010101010101060b1801091018090f0e0113190513191801010101010101010101010101010101010101010101010101010101010101010101010101010113140eff010101010101010101010101010101010101010101010101011503010115050216080101150301040301010101010101010101010104000018010403010400001801131900001a0e1319000017120101090a08ff01010101010101010101010101010101010101010101010101041712011505060b18010910180109111201010101010101010101060d0e090a080403060d0e090a080101020501010911121319180101040301ff010101010101010101010101010101010101010101010101060b000000160801091000000301010104171201010101010101010109111213140e010109111213140e0101020501010109100018010102171201ff0101010101010101010101010101010101010101010101010101010101010101010101010101010101090f0e091000000000050109111213140e010109111213140e010102050101090a0813140e1505010101ff01010101010101010101010101010101010101010101010101010101010101010101010101010101010101010101010101010101060708090a080101060708090a08060b0c050101090a08060d0e0101010101ff0101010101010101010101010101010101010101010101010101010101010101010101010101010101010101010101010101010101020000030101010102000003010101040501010104000005010101010101ff0101010101010101010101010101010101010101010101010101010101010101010101010101010101010101010101010101010101010101010101010101010101010101010101010101010101010101010101ff0101010101010101010101010101010101010101010101010101010101010101010101010101010101010101010101010101010101010101010101010101010101010101010101010101010101010101010101000c00000040092900aa000000000000002700570000000000040000002701ffff030000000000






Масштаб: 1мм=1мкм

Рисунок
3.2.1 – Схема расположения полей допусков
в соединении 
Определим предельные размеры, зазор и натяги соединений шпонки с пазом ступицы 010009000003181300000000520b00000000520b000026060f009a16574d4643010000000000010030950000000001000000781600000000000078160000010000006c000000000000000000000060000000270000000000000000000000eb0900001704000020454d4600000100781600000c00000001000000000000000000000000000000900600001a040000b801000013010000000000000000000000000000c0b6060038320400460000002c00000020000000454d462b014001001c000000100000000210c0db01000000600000006000000046000000bc050000b0050000454d462b224004000c000000000000001e4009000c00000000000000244001000c000000000000003040020010000000040000000000803f214007000c000000000000000840000508050000fc0400000210c0db01000000000000000000000000000000000000000100000089504e470d0a1a0a0000000d494844520000005d00000026080200000029f60096000000017352474200aece1ce9000000097048597300000e2600000e2601a2ef25fc00000484494441546843ed5a3d72ea301016ef1c782655aa5c0066d272008614d0e604e402980b2427782d146138006d66f005a85265c6dc83b7abd5ca922cdbb19148489e2a224b2beda7fdf9b44aef743a89ffad84c09f6f8b49b67c581f2fb1bb6ced59e7fbe2e281245bf664730173fa8feb071a678fc4ee65c6628b41c3ad67a92bc2255b0ec51edc3e5f89d95fad9f10befec92a8791fb74b37d933687c8cd5dfd539406ed75da2f23439fbebee5ab8990dae00fbbd1fea19fb4357ed5f54b5cd40c526f9f0a86c25a4676c247e3eb29acbdb0715645861a0b9f8b173ab8fef45569c14a2d061dc20c2eb51b794d414ae3650090f41902cc60713a8d76da45c3e2d29fbec069a77bff76b26532bb23db455f4894b31fd7f3ed38afd64081d2bfb923af38be6d3777377d019a23fea57e180f9f10e7c5205b1611c506d70ceb280ddb60918fb7738ac2613d487b031b2e6f06cedeb654f88beca1f00f7b2b8e13d04812e73896d36f7962e17a1a168e3dc6d68a9551168a0f8c8bd6963cb6d815ac65612675c10df046c29e4f7769ea98c2e2523209c1d028efb142aa0eb34534ecae4ff799fb1585736aea9c82c697e3c741a4231d25319481c3263da60d3ad691318def3df9b12ec45e297fc18038b94da46610f964c403280082c387c55c41bfe161f5e2a30d35b05c8cbf481d2cfbb3c366d93439c2790ddf9a8c1ee5096c4a8039df8dbb5fc45f6c372af88bb4d164b6a93a30493d92f72739dfc728a4b568d7401fe266a460e549e6fcfefdd8e2af86b3290117e12fa4372821568f1009647c414c76231fd554280128c94c4078f26f913083016d5d438a47d2731856f10c7d4e17e02f9249291d4c6791266c51e7228dc4ce19e878e5a54b5e1e8dbf38eb5bf1c58f8b0c15b161e99e66e3cc6cced3d90e7049474971792fddf3eb72ebb57e6bf2234e0fdac6a9c3b69f6b55be7adfcdf6827301149d54fad32734a09d5101094b9ae338464ba99fc3c5c635b9058b71a8da4fb398465c203d0ab179cf0dc5f37760397c37ff6980287d1a71118347bc7a17fc02e8385e9491fcfce4e6bbe81a24a1b8641620fc869c1d2d64d205a981a9d9c1b0e976d63274360c770abacee868b89875a9121720db3341bb2c26bc21b38c6603130f176f21ce38245db1a362502bcb0a6739552b37c7ddaec115b21614325429493d102077e6c295e44194edf116dbba48d5755ff63cf736cf5fa3e182106c6689baa6ab448fcc47131faceec97e2ef087d1b4a5140066e2e162b17041a5f1b2808509b21cdc2f9614e08184de48b1d8c3e5bd96ca041e6ed333293c162e8885e238603945bdeadc126f60442ac545c205bd483162b41cf8795cafcd1b55b7122f95d03ef174aff485d1fcf459f1d449895115a50d94e2e0e23c0c005deecdc53d3164da203ec1f355b4c2c53d67d9a6f48d183e1fcc8719f7319fb6a35e2fddd5c2a5bc332439393d48e91bde9df79e2c0c5d75557756228ebdb48d024e89f7fcd23718e56ec4c568fec71f5586364afb6641d7d9f319a71c7a6a738997f929db17db83a7df54131d48db09cfad5f2d1edf0d8d9a7dc16d78ba3707eb7f0f60a83e43ad7b20a1add5ff86f1ff00de6189839736b7270000000049454e44ae426082000840010824000000180000000210c0db01000000030000000000000000000000000000001b40000040000000340000000100000002000000000000bf000000bf0000ba4200001842030000000000008000000080feffc1420000008000000080feff1f422100000008000000620000000c00000001000000150000000c00000004000000150000000c0000000400000051000000580f000000000000000000006000000027000000000000000000000000000000000000005d0000002600000050000000c800000018010000400e0000000000002000cc006100000028000000280000005d000000260000000100080000000000000000000000000000000000280000000000000000000000ffffff005480c600ffe3a600a6a6c600ffffe30080c6ff00e3a65400a6e3ff000000540054a6e300c6800000e3ffff000054a600a6540000c6ffff0080008000ffffc60080005400a654540000008000545454008054a600540054005454a6000080c60054008000ffc680008080c600a654800080c6e3008000000054000000c6805400a6e3c600c6e3a600e3ffc600c6a6a600e3c68000e3a6a600010101010101010101010101010101010101010101010101010101010101010101010101010101010101010101010101010101010101010101010101010101010101010101010101010101010101010101010101010101010101010101010101010101010101010101010101010101010101010101010101010101010101010101010101010101010101010101010101010101010101010101010a00001b010a07010a00001b0101010a000e05080900000701010101010101010101010101010101010101010101010101010101010101010101010101010101010101010101010101010101010101010101010106200301010101010101010f1a030812110a070f1a030812110a0000000007082101081211190e05010101010101010101010101010101010101010101010101010101010101010101010101010101010101010101010101010101010101010a0b010101010101010101010813050c180301010813050c180308210c182327010809001b0101081305010101010101010101010101010101010101010101010101010101010101010101010101010101010101010101010101010101010108121101010809000000000b010813050c180301010813050c18030106261803010101010a1b0101010a07010101010101010101010101010101010101010101010101010101010101010101010101010812110108092003010c0d001b0101010a0701010101010101010101010f101108121101010f1011081211010102150301081305060e0501010812110101010101010101010101010101010101010101010101010101010101010101010101010f141b01081224250101010f1407010c0d1b0101010101010101010101010600000701010101060000070101010f1a030108090000070101010c180301010101011918ff01010101010101010101010101010101010101010101010101010101011907010f1a0301010101010f1a030c0d1b0101010101010101010101010101010101010101010101010101010101010101010101010101010c0d1b010101010101010101010101010101010101010101010101010101010101010101010101010a1f1101190701010a00000000070c0d1b0101010101010101010101010101010101010101010101010101010101010101010101010101010c0d1b0101010101010101010101010101010101010101010101010101010101010101010101010106001f110a0b01081703010c0d0b0c0d1b0101010101010101010101010101010101010101010101010101010101010101010101010101010c1803010101010110000001010101010101010101010101010101010101010101010101010101010f1a2314000701061f1101011907010a07010101010101010101010101010101010101010101010101010101010101010101010101010101081211010101010101010101010101010101010101010101010101010101010101010101010101010c0d1b010101010f141b0108091b0108130501010101010101010101010101010101010101010101010101010101010101010101010101010a070101010101010101010101010101010101010101010101010101010101010101010101010101011907010101010108090000070101010a0e05010101010101010101010101010101010101010101010101010101010101010101010101060e05010101010101010101010101010101010101010101010101010101010101010101010101010106000e050101010101010101010101010108170301010101010101010101010101010101010101010101010101010101010101010101190b01010101010101010101ff010c0d00000000000b01010108090000001b010101010101010101010101010101010101010101010101010101010101010101010101010101010101010101010101010101010101010101010101010101010101010101010101010101011319010101010a20030101010108090b01010600070101010101010101010101010101010101010101010101010101010101010101010101010101010101010101010101010101010101010101010101010101010101010101010101010101010100010101010a200301010101191f11010101191f1101010101010101010101010101010101010101010101010101010101010101010101010101010101010101010101010101010101010101010101010101010101010101010101010101010101010101010a20030101010c0d0e050101010a200301010101010101010101010101010101010101010101010101010101010101010101010101010101010101010101010101010101010101010101010101010101010101010101010101010101010101010a20030101010c0d0e05010101191f1101010101010101010101010101010101010101010101010101010101010101010101010101010101010101010101010101010101010101010101010101010101010101010101010101010403010101010a20030101010c0d000e050108090b0101010100000000000000000000000000000000000000000000000000000000000000000000000000000000000000000000000000000000000000000000000000000000000000000000131918010101010a200301010101191f220900000e0501010101010101010101010101010101010101010101010101010101010101010101010101010101010101010101010101010101010101010101010101010101010101010101010101010301ff010101010a20030101010106001b01010101010101010101010101010101010101010101010101010101010101010101010101010101010101010101010101010101010101010101010101010101010101010101010101010101010101010101010101010a2003010101010c0d0b010101010101010101010101010101010101010101010101010101010101010620030101010101010101010a00001b010a07010a00001b01080900000e050c0d000020030f1400000701190e05010101010101061f110a20030101010101080907010101010101010c0d00070101010101010101010101010101010101010a0b010101010101010101010f1a030812110a070f1a03081211010a07011c110101060b01010f1d050f1011010813050100000001010f1400200301010101010108090b010101010101010108170301010101010101010101010101010101081211010101010101010101010813050c180301010813050c180301010a0b01010101060b01010101010f1a0301010a07010101010101010108170301010101010101010a001f1101010101010c0d070101190000000701010c0d001b0101010a070101010809000000000b010813050c180301010813050c18030101010607010101060b01010c0d00000b010101081211010403010101010101010101010101010101010101010101010101010a0e05010a1b010f1a030101010f1407010c0d1b01010101010101010101010f101108121101010f1011081211081305060e050f14150b01010c161101010101010c1803050101010101010101010101010101010101010101010101010101010812110101010c0d1f11010101010f1a030c0d1b0101010101010101010101010600000701010101060000070108090000070101010a0b01010c0d00000e0501010c0d1b1201ff010101010101010101010101010101010101010101010101010f141b01010600070101010a00000000070c0d1b0101010101010101010101010101010101010101010101010101010101010101010101010101010101040501010c0d1b0101010101010101010101010101010101010101010101010101010101190701011907010821081703010c0d0b0c0d1b0101010101010101010101010101010101010101010101010101010101010101010101010101010101010101010c180301010101010101010101010101010101010101010101010101010101010a0e05010f1400000e1e1f1101011907010a070101010101010203010101010a00001b010a07010a00001b01080900000e050c0d000020030f1400000701010108121101010101010101010101010101010101010101010101010101010101010812110101010101010f141b0108091b01081305010101010102030101010f1a030812110a070f1a03081211010a07011c110101060b01010f1d050f101101010a0701010101010101010101010101010101010101010101010101010101010c0d000e0501010101010108090000070101010a0e050101010102030101010813050c180301010813050c180301010a0b01010101060b01010101010f1a0301060e0501ffffff0101010101010101010101010101010101010101010101010101010101010101010101010101010101010101010817030809000000000b010813050c180301010813050c18030101010607010101060b01010c0d00000b01190b010101ffffff01010101010101010101010101010101010101010101010101010101010101010101010101010101010101010101010101010102030101010f101108121101010f1011081211081305060e050f14150b01010c16110101010101010101ffffff0101010101010101010101010101010101010101010101010101010101010101010101010101010101010101010101010101010203010101010600000701010101060000070108090000070101010a0b01010c0d00000e050101010101ffffff010101010101010101010101010101010101010101010101010101010101010101010101010101010101010101010101010101020301010101010101010101010101010101010101010101010101010101010101010104050101010101ffffff010101010101010101010101010101010101010101010101010101010101010101010101010101010101010101010101010101010101010101010101010101010101010101010101010101010101010101010101010101010101010101ffffff4c0000006400000000000000000000006000000027000000000000000000000061000000280000002900aa0000000000000000000000803f00000000000000000000803f0000000000000000000000000000000000000000000000000000000000000000220000000c000000ffffffff460000001c00000010000000454d462b024000000c000000000000000e000000140000000000000010000000140000000400000003010800050000000b0200000000050000000c0228006100030000001e000400000007010400040000000701040091070000410b2000cc0026005d00000000002800610000000000280000005d000000260000000100080000000000000000000000000000000000280000000000000000000000ffffff005480c600ffe3a600a6a6c600ffffe30080c6ff00e3a65400a6e3ff000000540054a6e300c6800000e3ffff000054a600a6540000c6ffff0080008000ffffc60080005400a654540000008000545454008054a600540054005454a6000080c60054008000ffc680008080c600a654800080c6e3008000000054000000c6805400a6e3c600c6e3a600e3ffc600c6a6a600e3c68000e3a6a600010101010101010101010101010101010101010101010101010101010101010101010101010101010101010101010101010101010101010101010101010101010101010101010101010101010101010101010101010101010101010101010101010101010101010101010101010101010101010101010101010101010101010101010101010101010101010101010101010101010101010101010a00001b010a07010a00001b0101010a000e05080900000701010101010101010101010101010101010101010101010101010101010101010101010101010101010101010101010101010101010101010101010106200301010101010101010f1a030812110a070f1a030812110a0000000007082101081211190e05010101010101010101010101010101010101010101010101010101010101010101010101010101010101010101010101010101010101010a0b010101010101010101010813050c180301010813050c180308210c182327010809001b0101081305010101010101010101010101010101010101010101010101010101010101010101010101010101010101010101010101010101010108121101010809000000000b010813050c180301010813050c18030106261803010101010a1b0101010a07010101010101010101010101010101010101010101010101010101010101010101010101010812110108092003010c0d001b0101010a0701010101010101010101010f101108121101010f1011081211010102150301081305060e0501010812110101010101010101010101010101010101010101010101010101010101010101010101010f141b01081224250101010f1407010c0d1b0101010101010101010101010600000701010101060000070101010f1a030108090000070101010c180301010101011918ff01010101010101010101010101010101010101010101010101010101011907010f1a0301010101010f1a030c0d1b0101010101010101010101010101010101010101010101010101010101010101010101010101010c0d1b010101010101010101010101010101010101010101010101010101010101010101010101010a1f1101190701010a00000000070c0d1b0101010101010101010101010101010101010101010101010101010101010101010101010101010c0d1b0101010101010101010101010101010101010101010101010101010101010101010101010106001f110a0b01081703010c0d0b0c0d1b0101010101010101010101010101010101010101010101010101010101010101010101010101010c1803010101010110000001010101010101010101010101010101010101010101010101010101010f1a2314000701061f1101011907010a07010101010101010101010101010101010101010101010101010101010101010101010101010101081211010101010101010101010101010101010101010101010101010101010101010101010101010c0d1b010101010f141b0108091b0108130501010101010101010101010101010101010101010101010101010101010101010101010101010a070101010101010101010101010101010101010101010101010101010101010101010101010101011907010101010108090000070101010a0e05010101010101010101010101010101010101010101010101010101010101010101010101060e05010101010101010101010101010101010101010101010101010101010101010101010101010106000e050101010101010101010101010108170301010101010101010101010101010101010101010101010101010101010101010101190b01010101010101010101ff010c0d00000000000b01010108090000001b010101010101010101010101010101010101010101010101010101010101010101010101010101010101010101010101010101010101010101010101010101010101010101010101010101011319010101010a20030101010108090b01010600070101010101010101010101010101010101010101010101010101010101010101010101010101010101010101010101010101010101010101010101010101010101010101010101010101010100010101010a200301010101191f11010101191f1101010101010101010101010101010101010101010101010101010101010101010101010101010101010101010101010101010101010101010101010101010101010101010101010101010101010101010a20030101010c0d0e050101010a200301010101010101010101010101010101010101010101010101010101010101010101010101010101010101010101010101010101010101010101010101010101010101010101010101010101010101010a20030101010c0d0e05010101191f1101010101010101010101010101010101010101010101010101010101010101010101010101010101010101010101010101010101010101010101010101010101010101010101010101010403010101010a20030101010c0d000e050108090b0101010100000000000000000000000000000000000000000000000000000000000000000000000000000000000000000000000000000000000000000000000000000000000000000000131918010101010a200301010101191f220900000e0501010101010101010101010101010101010101010101010101010101010101010101010101010101010101010101010101010101010101010101010101010101010101010101010101010301ff010101010a20030101010106001b01010101010101010101010101010101010101010101010101010101010101010101010101010101010101010101010101010101010101010101010101010101010101010101010101010101010101010101010101010a2003010101010c0d0b010101010101010101010101010101010101010101010101010101010101010620030101010101010101010a00001b010a07010a00001b01080900000e050c0d000020030f1400000701190e05010101010101061f110a20030101010101080907010101010101010c0d00070101010101010101010101010101010101010a0b010101010101010101010f1a030812110a070f1a03081211010a07011c110101060b01010f1d050f1011010813050100000001010f1400200301010101010108090b010101010101010108170301010101010101010101010101010101081211010101010101010101010813050c180301010813050c180301010a0b01010101060b01010101010f1a0301010a07010101010101010108170301010101010101010a001f1101010101010c0d070101190000000701010c0d001b0101010a070101010809000000000b010813050c180301010813050c18030101010607010101060b01010c0d00000b010101081211010403010101010101010101010101010101010101010101010101010a0e05010a1b010f1a030101010f1407010c0d1b01010101010101010101010f101108121101010f1011081211081305060e050f14150b01010c161101010101010c1803050101010101010101010101010101010101010101010101010101010812110101010c0d1f11010101010f1a030c0d1b0101010101010101010101010600000701010101060000070108090000070101010a0b01010c0d00000e0501010c0d1b1201ff010101010101010101010101010101010101010101010101010f141b01010600070101010a00000000070c0d1b0101010101010101010101010101010101010101010101010101010101010101010101010101010101040501010c0d1b0101010101010101010101010101010101010101010101010101010101190701011907010821081703010c0d0b0c0d1b0101010101010101010101010101010101010101010101010101010101010101010101010101010101010101010c180301010101010101010101010101010101010101010101010101010101010a0e05010f1400000e1e1f1101011907010a070101010101010203010101010a00001b010a07010a00001b01080900000e050c0d000020030f1400000701010108121101010101010101010101010101010101010101010101010101010101010812110101010101010f141b0108091b01081305010101010102030101010f1a030812110a070f1a03081211010a07011c110101060b01010f1d050f101101010a0701010101010101010101010101010101010101010101010101010101010c0d000e0501010101010108090000070101010a0e050101010102030101010813050c180301010813050c180301010a0b01010101060b01010101010f1a0301060e0501ffffff0101010101010101010101010101010101010101010101010101010101010101010101010101010101010101010817030809000000000b010813050c180301010813050c18030101010607010101060b01010c0d00000b01190b010101ffffff01010101010101010101010101010101010101010101010101010101010101010101010101010101010101010101010101010102030101010f101108121101010f1011081211081305060e050f14150b01010c16110101010101010101ffffff0101010101010101010101010101010101010101010101010101010101010101010101010101010101010101010101010101010203010101010600000701010101060000070108090000070101010a0b01010c0d00000e050101010101ffffff010101010101010101010101010101010101010101010101010101010101010101010101010101010101010101010101010101020301010101010101010101010101010101010101010101010101010101010101010104050101010101ffffff010101010101010101010101010101010101010101010101010101010101010101010101010101010101010101010101010101010101010101010101010101010101010101010101010101010101010101010101010101010101010101ffffff0c00000040092900aa000000000000002800610000000000040000002701ffff030000000000






Масштаб: 1мм=1мкм

Рисунок
3.2.2 – Схема расположения полей допусков
в соединении 
Посадку для соединения вал – втулка выбираем по [5, с. 57].
При передаче вращающего момента шпоночным соединениям применение посадки колеса на вал с зазором недопустимо, а посадки переходные нежелательны. Объясняется это тем, что если в соединении имеется зазор, то при вращении вала происходит обкатывание со скольжением поверхностей вала и отверстия колеса, которое приводит к их изнашиванию. Поэтому на посадочных поверхностях вала и отверстия колеса при передачи крутящего момента шпонкой следует создавать натяг, гарантирующий перекрытие стыка.
Поэтому принимаем посадку барабана на валу – 010009000003c80700000000f60400000000f604000026060f00e209574d464301000000000001001d270000000001000000c009000000000000c0090000010000006c000000000000000000000037000000150000000000000000000000ba0500003f02000020454d4600000100c00900000c00000001000000000000000000000000000000900600001a040000b801000013010000000000000000000000000000c0b6060038320400460000002c00000020000000454d462b014001001c000000100000000210c0db01000000600000006000000046000000ec020000e0020000454d462b224004000c000000000000001e4009000c00000000000000244001000c000000000000003040020010000000040000000000803f214007000c0000000000000008400005380200002c0200000210c0db01000000000000000000000000000000000000000100000089504e470d0a1a0a0000000d4948445200000036000000150802000000821f8a12000000017352474200aece1ce9000000097048597300000e2600000e2601a2ef25fc000001b549444154484be597bb6dc3301040a9cc6103ae5c798114693340a014f118994059201ba4951b2103a40d602de0ca9501690f86c79f79c72319c10a20202a0ce8c8bb7bc7fb50aea49462d9cfddb2f180ee3f23f66f55f57c18e74892aa45788e8d37d61ca9a86e07251ada9a7168d6a207ec3943dc3a2373f6a99af07bcd0eb48e45ca6bbc9ac09848c8f8bec64010b1477db4a9b3d066e720d48612c900508fc878ccea027ec22e35658bc884635fbc6a2e5273921e317699232cad2102c566405af56b5f50c1e78bd62106ed827a82d7ce850e6bd1f19a628b4fdd9652d889d1268b984a334f98ab519650a797290b8786d34e2adc224e4a73a60c132c3cb79d63183d0edfdc2efd5723eaa7875590e3e1dc5191591d0fefd166af07869ad797d010a87c7f7662b721527eaaafb7aa244e9760e66bc4f17212c404f862adf61ffb8ea130fe34e1e33d75aec3ddae63a6d5662744771ec8d110c77e0ea0b2d3c7cdcd945c92759699ea2d3557a084fcda9c8ba0999c7546e4667d8e3045529a7cf8620d427488bfbc40cbdb522d51d62cec98ed630c5a82741cdf0f93a57321fe1da1b87e46dc94906c17dd6459ca6af9ff5d7e003ddd60ebb39ac7a10000000049454e44ae4260820840010824000000180000000210c0db01000000030000000000000000000000000000001b40000040000000340000000100000002000000000000bf000000bf000058420000a841030000000000008000000080feff5f420000008000000080ffffaf412100000008000000620000000c00000001000000150000000c00000004000000150000000c000000040000005100000070050000000000000000000037000000150000000000000000000000000000000000000036000000150000005000000088000000d800000098040000000000002000cc0038000000160000002800000036000000150000000100080000000000000000000000000000000000180000000000000000000000ffffff0080c6ff0054000000ffe3a600ffc68000c6ffff0000008000e3a6540054a6e300a6540000ffffe3000080c600c680000080000000ffffc600a6e3ff0000005400e3ffff000054a6005400540054a6a60080005400a6e3c600010101010101010101010101010101010101010101010101010101010101010101010101010101010101010101010101010101010101000001010101010101010101010101010101010101010101010203040101010101010101010101010101010101010101010101010101010100000101010101010101010101010101010101010101010101121308010101010101010101010101010101010101010101010101010101010000010101010101010101010101010101010101010101010101090a0b010101010101010101010101010101010101010101010101010101000001010101010101010101010101010101010101010101010110140401010101010101010101010101010101010101010101010101010105050900000e0f0110110000050101010102030401010101010112130d010101010112130d0101010101010101101100000005010106070d0000010c0005010101020008010101010106070801010101010101020e0f0101010101090e0f01010101010110110d01010200080106070d00000110110501010106070d0101010101010c0e0f01010101010106070501010101010203040101010101010c0e0f0101010c0e0f010101e80501060708010101010c0a0b0101010101101108010101010101010c0d0101010101101105010101010112130a0b010101090304010101f32e01010c0a0b0101010903040101010101010c0a0b01010101010102030401010101121308010101010112130a0b0101010c0e0f01010100000101090e0f01010110110501010101010102000501010101010112130801010101010c0a0b010101011213000a0b0110110d010101010000010102000000000000000d01010101010112130d01010101010101090a0b0101010109000801010101010c0e171100000a0b01010101ffff010106070801010112130a0b01010101010109030401010101010110140401121305090e150d10160f01020005010101010101010101ffff010112130d0101010109030401010101010106070801010101010112130d0101010c000d01020003040112130d010101010101010101ffff010101090e0f01010102000501010101010101090e0f010101010101020e0f0101010101010101010101011011080101010101010101ffff01010109000501010110110d01010c050101011011050101010101010607050101010101010101010101010110110d01010101010101ffff0101020000000501060700000801090000000000000a0b0101010101010c0d01010101010101010101010101010109000e0f01010101ffff010101010101010101010101010101010101010101010101010101010102030401010101010101010101010101010101010101010101ffff010101010101010101010101010101010101010101010101010101010101010101010101010101010101010101010101010101010101ffff010101010101010101010101010101010101010101010101010101010101010101010101010101010101010101010101010101010101ffff010101010101010101010101010101010101010101010101010101010101010101010101010101010101010101010101010101010101ffff4c0000006400000000000000000000003700000015000000000000000000000038000000160000002900aa0000000000000000000000803f00000000000000000000803f0000000000000000000000000000000000000000000000000000000000000000220000000c000000ffffffff460000001c00000010000000454d462b024000000c000000000000000e000000140000000000000010000000140000000400000003010800050000000b0200000000050000000c0216003800030000001e00040000000701040004000000070104009d020000410b2000cc00150036000000000016003800000000002800000036000000150000000100080000000000000000000000000000000000180000000000000000000000ffffff0080c6ff0054000000ffe3a600ffc68000c6ffff0000008000e3a6540054a6e300a6540000ffffe3000080c600c680000080000000ffffc600a6e3ff0000005400e3ffff000054a6005400540054a6a60080005400a6e3c600010101010101010101010101010101010101010101010101010101010101010101010101010101010101010101010101010101010101000001010101010101010101010101010101010101010101010203040101010101010101010101010101010101010101010101010101010100000101010101010101010101010101010101010101010101121308010101010101010101010101010101010101010101010101010101010000010101010101010101010101010101010101010101010101090a0b010101010101010101010101010101010101010101010101010101000001010101010101010101010101010101010101010101010110140401010101010101010101010101010101010101010101010101010105050900000e0f0110110000050101010102030401010101010112130d010101010112130d0101010101010101101100000005010106070d0000010c0005010101020008010101010106070801010101010101020e0f0101010101090e0f01010101010110110d01010200080106070d00000110110501010106070d0101010101010c0e0f01010101010106070501010101010203040101010101010c0e0f0101010c0e0f010101e80501060708010101010c0a0b0101010101101108010101010101010c0d0101010101101105010101010112130a0b010101090304010101f32e01010c0a0b0101010903040101010101010c0a0b01010101010102030401010101121308010101010112130a0b0101010c0e0f01010100000101090e0f01010110110501010101010102000501010101010112130801010101010c0a0b010101011213000a0b0110110d010101010000010102000000000000000d01010101010112130d01010101010101090a0b0101010109000801010101010c0e171100000a0b01010101ffff010106070801010112130a0b01010101010109030401010101010110140401121305090e150d10160f01020005010101010101010101ffff010112130d0101010109030401010101010106070801010101010112130d0101010c000d01020003040112130d010101010101010101ffff010101090e0f01010102000501010101010101090e0f010101010101020e0f0101010101010101010101011011080101010101010101ffff01010109000501010110110d01010c050101011011050101010101010607050101010101010101010101010110110d01010101010101ffff0101020000000501060700000801090000000000000a0b0101010101010c0d01010101010101010101010101010109000e0f01010101ffff010101010101010101010101010101010101010101010101010101010102030401010101010101010101010101010101010101010101ffff010101010101010101010101010101010101010101010101010101010101010101010101010101010101010101010101010101010101ffff010101010101010101010101010101010101010101010101010101010101010101010101010101010101010101010101010101010101ffff010101010101010101010101010101010101010101010101010101010101010101010101010101010101010101010101010101010101ffff0c00000040092900aa000000000000001600380000000000040000002701ffff030000000000
Определим предельные размеры и натяги для соединения 0100090000031e13000000005c0b000000005c0b000026060f00ae16574d46430100000000000100c02e00000000010000008c160000000000008c160000010000006c0000000000000000000000630000002700000000000000000000003a0a00001704000020454d46000001008c1600000c00000001000000000000000000000000000000900600001a040000b801000013010000000000000000000000000000c0b6060038320400460000002c00000020000000454d462b014001001c000000100000000210c0db01000000600000006000000046000000d8050000cc050000454d462b224004000c000000000000001e4009000c00000000000000244001000c000000000000003040020010000000040000000000803f214007000c000000000000000840000524050000180500000210c0db01000000000000000000000000000000000000000100000089504e470d0a1a0a0000000d4948445200000060000000260802000000b4fb091e000000017352474200aece1ce9000000097048597300000e2600000e2601a2ef25fc0000049f494441546843ed5a3d6eea4010debc7380942a151708525a0e804811da7782e40231178013a435452c0e401bc9be0055aa48f63d7833fb63efccee8201b340f468127b7fecf93cdf373ff6dd76bb15ff7f6104fedc2838c5ec7959c5b8f75b05886353cceee48fc3c6ce57cb67358fcec4d3b3c28bf7ef00a8980d450e6251a662fa6119ea3b3f494b989927d9ea4bba2042f8ba0a3b234cbea55f994e982d490eb84c94d9d67ff4a899a18dcd13bd421de789807d7cbf1bf120e480644fefe5535b640c7c7f3c548a70b3f5e8f3a5175a884e6518171320a307eadae4c8d206a5109622e0d8ab586cc316f5ee078a30d5d72a1bdcf7042c41389df3705918c2cdde1f8b59407584787cdf6e476bad6731f985fc683cdb3e2ad3447164074dc89d328ad4cc5344a919c5cee340ed360d2bf929fb3e444c8080e9141f1ff1a91c38e211f17e11cd24264060ba2bb0cc600688bc47bf7a46400a6f26a206553f1bcb5869fa880b6cf1311dbc85d5f350393e7d7e160f2014d006113c9a3cf4a905d572be49ff1e1c954e8761c70e4702542d670766fa141179347ea281f6eadc07709b843488e829117f8d36c9b3f80447364cf450abe89137781985b9229166392ab1518e85c4522d6c4695167725ad979369f56c9407311b75b8696cdc05901ca3fe24d7778590bcb9ce366b1dfb8ceb4a0d02f26760a24edaa55496988ecc0fd4195beb1c053e5a4ab1ba80bcd629d48fde70ef4259bf8a854add55a54619229f97ed353b2926d75b3ed4adffb47ee4679a081e84f949f3bc8bb58eb450c808b1f969ba529bb9b797a24a977c30edeb468bec3c1c5e42ee7dae9799000095df597d6da4178fbe30d87b1a83d08c1746b0b269dfea4c61353904569a12663374f860ba54b7f7172866158da40e42aa50f1b5626f33e48a340f6b6772fe38db82072197b2ef12c5dad00b3d4a32cfe34de850c83eb5443b20f618ea9f1cfe2d3f8c62fd0788a3eb82d24b46368d0fa83ae9f52276b56ce16aa255125a4bd53a862a5abb5edfb7950735a18cd1868629ce2075dc909105b5ae99c03a41b8bd69137041f09fa745829298709e55971aac17c156d0515799c8b85fb8ba02ca01c8082737d47f1e96c3cf4414a9b393fd005d26596d05591d425829044ecbba876d3af67992e44e796785269a12e20daa6a1e93d50b672eba454dfac4a41b7d7abb1eb65b8f8c99c5d25726906eb412a1568ff1bc9302797aa090f7514c52c6d0c0ac335a639db7e305114daa28f6956302d4a8b95d0d87e81dc00714996b5c4dbe3d1d7b3b1eedeed85bf7140f206998b645bdecab4bbe24352f1b684f3f7e0defb6a1e20124afed8820c911787d7c5180740c38b2e57a64f257acc18d48d319b3ee49ba507d7a59f2d9f5b1ef329113c5a800618a4d8a1295c69bcf08e48b5167428b6771c2a71dcd2b5dfe9e5537386202e47d9301d1bb6e95f4a7a26edba137ed732685dd099f7654cbd7e940be768304c96a0f9a57d85712e60349040b6f9d248aea5275206c2e4162a67d10d3835a90c59ed27b59a49b61edf9a7278a7273f26907ec593eccb149d5ff7e331f47805badc65a1585b862805482bfb71b7dcaa71dfa530f6c30034ef02c4837fa6a32e9c3f2f4e313459ba46ea21828b1ff017b7173e6238138600000000049454e44ae42608200000840010824000000180000000210c0db01000000030000000000000000000000000000001b40000040000000340000000100000002000000000000bf000000bf0000c04200001842030000000000008000000080feffc7420000008000000080feff1f422100000008000000620000000c00000001000000150000000c00000004000000150000000c0000000400000051000000500f00000000000000000000630000002700000000000000000000000000000000000000600000002600000050000000c000000010010000400e0000000000002000cc0064000000280000002800000060000000260000000100080000000000000000000000000000000000260000000000000000000000ffffff005480c600ffe3a60080c6ff00e3a65400a6e3ff000000540054a6e300c6800000c6ffff0080008000ffffc60080005400a6545400ffffe300a65400000000800054545400e3ffff005454a600540054000080c600ffc680000054a600540080008080c600a680a600540000008000000080a6e300a6e3c600e3c68000c6805400c6e3a600e3a6a600e3e3a600a6a6800001010101010101010101010101010101010101010101010101010101010101010101010101010101010101010101010101010101010101010101010203010101010800001701080501080000170106070000100f13180000100f0101010101010101010101010101010101010101010101010101010101010101010101010101010101010101010101010101010101010101010101041c0301010102030101010a1903060d0c08050a1903060d0c010805011a0c060e0f13181716100f01010101010101010101010101010101010101010101010101010101010101010101010101010101010101010101010101010101010101080901010101010203010101060e0f1314030101060e0f13140301010809010101060700170101060e0f0101010101010101010101010101010101010101010101010101010101010101010101010101010101010101010101010101010101060d0c01010607000000000901060e0f1314030101060e0f131403010101040501060d0c131403010108050101010101010101010101010101010101010101010101010101010101010101010101010113180501010101010a110000100f0101080501010101010102030101010a0b0c060d0c01010a0b0c060d0c060e0f04100f060d0c0a19030101060d0c0101010101010101010101010101010101010101010101010101010101010101010101010108090101010113180501131809011318170101010101010203010101010400000501010101040000050106070000050101080000090101011314030101010101010101010101010101010101010101010101010101010101010101010101010104100f0101010a1903010108100f131817010101010101020301010101010101010101010101010101010101010101010101010101010101131817010101010101010101010101010101010101010101010101010101010101010101010101010a11170101010607100f13180901131817010101010101010101010101010101010101010101010101010101010101010101010101010101131817010101010101010101010101010101010101010101010101010101010101010101010101022418001708171318250700100f0113181701010101010101010101010101010101010101010101010101010101010101010101010101010113140301010101010101010101010101010101010101010101010101010101010101010101010113181c0316000901080901010101010108050101010101010203010101010800001701080501080000170101010800100f131800001c030101060d0c01010101010101010101010101010101010101010101010101010101010101010101010101010101010101011318090101010101060e0f010101010102030101010a1903060d0c08050a1903060d0c08000000000501010409010101010805010101010101010101010101010101010101010101010101010101010101010101010101010101010101010101010104001d0c01010108100f010101010203010101060e0f1314030101060e0f1314030621131422230101040901010104100f010101131817010101010101010101010101010101010101010101010101010101010101010101010101010101010101010101010101010615030607000000000901060e0f1314030101060e0f13140301042014030101010409010116090101010101010a110000001d0c0101010a11000000100f01010101040000001c0301010101010101010101010101010101010101010101010101010101010102030101010a0b0c060d0c01010a0b0c060d0c0101021203010a111209010101010101010101131800170101081c030101161c030113181d0c0101080005010104000501010101010101010101010101010101010101010101010101010101010203010101010400000501010101040000050101010a19030101010809010101010101010101081d1f0e0f010116100f011605010101060705011318100f01011318100f010101010101010101010101010101010101010101010101010101010203010101010101010101010101010101010101010101010101010101010101010101010101160901020301010615030101010101010a1109010a110901010101161d0c010101010101010101010101010101010101010101010101010101010101010101010101010101010101010101010101010101010101010101010101010101010113180501040901010a1105010101010101060705011318100f010113181d0c01010101010101010101010101010101010101010101010101010101010101010101010101010101010101010101010101010101010101010101010101010101010a110501131403010a1105011318050113181c030101060705010108000501010101000000000000000000000000000000000000000000000000000000000000000000000000000000000000000000000000000000000000000000000000000013180501010405010a11050106071200001c03010101010a1100001d0c0101010101010101010101010101010101010101010101010101010101010101010101010101010101010101010101010101010101010101010101010101010101010101160901010a0b0c0607170106071701010101010101040005010104001701010101010101010101010101010101010101010101010101010101010101010101010101010101010101010101010101010101010101010101010101010101010101041c030101080516100f010607170101010101011318100f01010116100f010101010101010101010101010101010101010101010101041c030101010101010101010101010101010101010101010101010101010101010101010116100f010113181d0c010a11001701010607170101010101011318100f010101161d0c0101010101010101010101010101010101010101010101080901010101010101010101010101010101010101010101010101010101010101010101010101060e0f0101010800000000170101010607170101010101010108001701010400090101010101010101010101010101010101010101010101060d0c01010101010101010101010101010101010101010101010101010101010101010101010101010805010101010101010a190301010607000000001c03010101060700000009010101010108001c03131800100f010113140301010101010805010101010101010101010101010101010101010101010101010101010101010101010101010101060d0101010101010101010101010101010101011e03010101010101010101010101010113180501010615030101010104090101010113181701010101010101010101010101010101010101010101010101010101010101010101010101010113140101010101010101010101010101010101010101010101010101010101010101010101080901011318050101010113140301010113181701010101010101010101010101010101010101010101010101010101010101010101010101010113180101010101010101010101010101010101010101010101010101010101010101010101060d0c0101080901010101010409010101131817010101010101010101010101010101010101010101010101010101010101010101010101010101131801010101010101010101010101010101010101010101010101010101010101010101010a11000000001d0c010101011314030101131817010101010101010101010101010101010101010101010101010101010101010101010101010101131401010101010101010101010101010101010101010101010101010101010101010101010116050101060717010101010104090101010805010101010101010101010101010101010101010101010101010101010101010101010101010101060d01010101010101010101010101010101010101010101010101010101010101010101010108100f0113180501131b0f011314030101060e0f010101010102030101010800001701080501080000170106070000100f131800001c03010101080501010101010101010101010101010101010101010101010101010101010101010101010a11000901040000171318000000000901010108100f01010101020301010a1903060d0c08050a1903060d0c010805011a0c010104090101010104100f0101010101010101010101010101010101010101010101010101010101010101010101010101010101010101010101010101010101010106150301010102030101060e0f1314030101060e0f13140301010809010101010409010101160901010101010101010101010101010101010101010101010101010101010101010101010101010101010101010101010101010101010101010101010106070000000009060e0f1314030101060e0f131403010101040501010104090101010101010101010101010101010101010101010101010101010101010101010101010101010101010101010101010101010101010101010101010101010101010101020301010a0b0c060d0c01010a0b0c060d0c060e0f04100f0a111209010101010101010101010101010101010101010101010101010101010101010101010101010101010101010101010101010101010101010101010101010101010101010102030101010400000501010101040000050106070000050101010809010101010101010101010101010101010101010101010101010101010101010101010101010101010101010101010101010101010101010101010101010101010101010102030101010101010101010101010101010101010101010101010101010101010101010101010101010101010101010101010101010101010101010101010101010101010101010101010101010101010101010101010101010101010101010101010101010101010101010101010101010101010101010101010101010101010101014c0000006400000000000000000000006300000027000000000000000000000064000000280000002900aa0000000000000000000000803f00000000000000000000803f0000000000000000000000000000000000000000000000000000000000000000220000000c000000ffffffff460000001c00000010000000454d462b024000000c000000000000000e000000140000000000000010000000140000000400000003010800050000000b0200000000050000000c0228006400030000001e00040000000701040004000000070104008d070000410b2000cc00260060000000000028006400000000002800000060000000260000000100080000000000000000000000000000000000260000000000000000000000ffffff005480c600ffe3a60080c6ff00e3a65400a6e3ff000000540054a6e300c6800000c6ffff0080008000ffffc60080005400a6545400ffffe300a65400000000800054545400e3ffff005454a600540054000080c600ffc680000054a600540080008080c600a680a600540000008000000080a6e300a6e3c600e3c68000c6805400c6e3a600e3a6a600e3e3a600a6a6800001010101010101010101010101010101010101010101010101010101010101010101010101010101010101010101010101010101010101010101010203010101010800001701080501080000170106070000100f13180000100f0101010101010101010101010101010101010101010101010101010101010101010101010101010101010101010101010101010101010101010101041c0301010102030101010a1903060d0c08050a1903060d0c010805011a0c060e0f13181716100f01010101010101010101010101010101010101010101010101010101010101010101010101010101010101010101010101010101010101080901010101010203010101060e0f1314030101060e0f13140301010809010101060700170101060e0f0101010101010101010101010101010101010101010101010101010101010101010101010101010101010101010101010101010101060d0c01010607000000000901060e0f1314030101060e0f131403010101040501060d0c131403010108050101010101010101010101010101010101010101010101010101010101010101010101010113180501010101010a110000100f0101080501010101010102030101010a0b0c060d0c01010a0b0c060d0c060e0f04100f060d0c0a19030101060d0c0101010101010101010101010101010101010101010101010101010101010101010101010108090101010113180501131809011318170101010101010203010101010400000501010101040000050106070000050101080000090101011314030101010101010101010101010101010101010101010101010101010101010101010101010104100f0101010a1903010108100f131817010101010101020301010101010101010101010101010101010101010101010101010101010101131817010101010101010101010101010101010101010101010101010101010101010101010101010a11170101010607100f13180901131817010101010101010101010101010101010101010101010101010101010101010101010101010101131817010101010101010101010101010101010101010101010101010101010101010101010101022418001708171318250700100f0113181701010101010101010101010101010101010101010101010101010101010101010101010101010113140301010101010101010101010101010101010101010101010101010101010101010101010113181c0316000901080901010101010108050101010101010203010101010800001701080501080000170101010800100f131800001c030101060d0c01010101010101010101010101010101010101010101010101010101010101010101010101010101010101011318090101010101060e0f010101010102030101010a1903060d0c08050a1903060d0c08000000000501010409010101010805010101010101010101010101010101010101010101010101010101010101010101010101010101010101010101010104001d0c01010108100f010101010203010101060e0f1314030101060e0f1314030621131422230101040901010104100f010101131817010101010101010101010101010101010101010101010101010101010101010101010101010101010101010101010101010615030607000000000901060e0f1314030101060e0f13140301042014030101010409010116090101010101010a110000001d0c0101010a11000000100f01010101040000001c0301010101010101010101010101010101010101010101010101010101010102030101010a0b0c060d0c01010a0b0c060d0c0101021203010a111209010101010101010101131800170101081c030101161c030113181d0c0101080005010104000501010101010101010101010101010101010101010101010101010101010203010101010400000501010101040000050101010a19030101010809010101010101010101081d1f0e0f010116100f011605010101060705011318100f01011318100f010101010101010101010101010101010101010101010101010101010203010101010101010101010101010101010101010101010101010101010101010101010101160901020301010615030101010101010a1109010a110901010101161d0c010101010101010101010101010101010101010101010101010101010101010101010101010101010101010101010101010101010101010101010101010101010113180501040901010a1105010101010101060705011318100f010113181d0c01010101010101010101010101010101010101010101010101010101010101010101010101010101010101010101010101010101010101010101010101010101010a110501131403010a1105011318050113181c030101060705010108000501010101000000000000000000000000000000000000000000000000000000000000000000000000000000000000000000000000000000000000000000000000000013180501010405010a11050106071200001c03010101010a1100001d0c0101010101010101010101010101010101010101010101010101010101010101010101010101010101010101010101010101010101010101010101010101010101010101160901010a0b0c0607170106071701010101010101040005010104001701010101010101010101010101010101010101010101010101010101010101010101010101010101010101010101010101010101010101010101010101010101010101041c030101080516100f010607170101010101011318100f01010116100f010101010101010101010101010101010101010101010101041c030101010101010101010101010101010101010101010101010101010101010101010116100f010113181d0c010a11001701010607170101010101011318100f010101161d0c0101010101010101010101010101010101010101010101080901010101010101010101010101010101010101010101010101010101010101010101010101060e0f0101010800000000170101010607170101010101010108001701010400090101010101010101010101010101010101010101010101060d0c01010101010101010101010101010101010101010101010101010101010101010101010101010805010101010101010a190301010607000000001c03010101060700000009010101010108001c03131800100f010113140301010101010805010101010101010101010101010101010101010101010101010101010101010101010101010101060d0101010101010101010101010101010101011e03010101010101010101010101010113180501010615030101010104090101010113181701010101010101010101010101010101010101010101010101010101010101010101010101010113140101010101010101010101010101010101010101010101010101010101010101010101080901011318050101010113140301010113181701010101010101010101010101010101010101010101010101010101010101010101010101010113180101010101010101010101010101010101010101010101010101010101010101010101060d0c0101080901010101010409010101131817010101010101010101010101010101010101010101010101010101010101010101010101010101131801010101010101010101010101010101010101010101010101010101010101010101010a11000000001d0c010101011314030101131817010101010101010101010101010101010101010101010101010101010101010101010101010101131401010101010101010101010101010101010101010101010101010101010101010101010116050101060717010101010104090101010805010101010101010101010101010101010101010101010101010101010101010101010101010101060d01010101010101010101010101010101010101010101010101010101010101010101010108100f0113180501131b0f011314030101060e0f010101010102030101010800001701080501080000170106070000100f131800001c03010101080501010101010101010101010101010101010101010101010101010101010101010101010a11000901040000171318000000000901010108100f01010101020301010a1903060d0c08050a1903060d0c010805011a0c010104090101010104100f0101010101010101010101010101010101010101010101010101010101010101010101010101010101010101010101010101010101010106150301010102030101060e0f1314030101060e0f13140301010809010101010409010101160901010101010101010101010101010101010101010101010101010101010101010101010101010101010101010101010101010101010101010101010106070000000009060e0f1314030101060e0f131403010101040501010104090101010101010101010101010101010101010101010101010101010101010101010101010101010101010101010101010101010101010101010101010101010101010101020301010a0b0c060d0c01010a0b0c060d0c060e0f04100f0a111209010101010101010101010101010101010101010101010101010101010101010101010101010101010101010101010101010101010101010101010101010101010101010102030101010400000501010101040000050106070000050101010809010101010101010101010101010101010101010101010101010101010101010101010101010101010101010101010101010101010101010101010101010101010101010102030101010101010101010101010101010101010101010101010101010101010101010101010101010101010101010101010101010101010101010101010101010101010101010101010101010101010101010101010101010101010101010101010101010101010101010101010101010101010101010101010101010101010101010c00000040092900aa000000000000002800640000000000040000002701ffff030000000000
Определим предельные размеры и натяги
010009000003281e000000001610000000001610000026060f002220574d46430100000000000100aa65000000000200000000200000b4010000b4210000010000006c00000000000000000000003b010000150000000000000000000000532000003f02000020454d4600000100b42100000c00000001000000000000000000000000000000900600001a040000b801000013010000000000000000000000000000c0b6060038320400460000002c00000020000000454d462b014001001c000000100000000210c0db010000006000000060000000460000004006000034060000454d462b224004000c000000000000001e4009000c00000000000000244001000c000000000000003040020010000000040000000000803f214007000c00000000000000084000058c050000800500000210c0db01000000000000000000000000000000000000000100000089504e470d0a1a0a0000000d494844520000012f000000150802000000982afff0000000017352474200aece1ce9000000097048597300000e2600000e2601a2ef25fc0000050849444154785eed5b316eeb300c75fe3912a053a75c2001baf600453a34eb3f417b81da17e83fc15f93a1410f90b5407c814c9d0ac4f7c817255b1625d9a615c970fa65a0859dd012f948ca8f9433399fcf493c220211811120f06b043a441522021101402066638c8388c0581088d938164fb8e9516cb36de1766bbc0b101815805536e6d9443f1eafc6cdc3286f9985438670d285b2dc6bd017db47eca6d9fa8826d004024edf3eb4aa872189406a083318204004fa0430808dac8b238ed3669524abcd49b952aea5d8384f2e501e6e4d0f24b3f02c1566f2668b12c48149b34b27350dcae7576c39a490a8dd2a101150cdd3a7c206b44972a564985955141faa62647c3a05b96a3e000c626382b351d5b31df14ebb07153040a62b4f8c457b2eb0c091904110c93013a9aa5e7ac1a32d988cb5e27ce671dd998e340434f35a866e95645f6a20192b08286c3166540086b1b1ae1b4f5fbb64753bab79cff4ee81ad23c7ef6b284b86511e6649ef170a355cbc9e5fcbebe21b73c664faf4fefe34f54a545d06433e751940dc93ef5966cf6fa43d8b7b769dee2d44bc5d9221a6a232bd99239dd8d712517765bdde690330908d321b61fcd5c39d113dbbaf9357db820c368cf27c966abd62b50fae87785cedd67ffd168a3de09a3ebda44c816759eee7d9923dba5fbcac087cad31e3d2b256d3256592e315ae87c97e45e90086b2b1ca463ebeb2f4493b3d2dad04dc9aba2455dba2b9a61f46793ecb6e3d13fa2c533d8616af405fd2e5444b53d374774bf958c737d9cac198c083e530af349c2c1346f9aa4737c101fd4466b750a5528e66c962fb0654df45c74b300c00a01f1bcb6c2c3e3f7412962440ccac194a71417f1988a5b6a391f6f5551e3b72b66696b314aa0f7bda8b59ca760fd4842aab17d6320b4461b76c6f073a5b9a88eae1e14fd577638b83a22d34f996c7ba11776466598d7143a0bf4bdbef28b6cfeb647372c9458eb54bb47802900c454f1b85497a07a2faacbb05e0a5b6be6c90cb94a7f530ec10d9f5161d24ef1d1ccb64a8d761363e88ad2c0a02e6e04d6d1ca2646b73335c174703d111c050368a67a385ea7112a1f52cc82b8293a02bf71846f946366cdacaeb8fa4a5e076b5d4984ad4aa65656f5219bd45e2e41671139a498e632b63489279365bcf0f97d0683f183a0218ca469e8d26d583072cf0323716e1e67547ee318cf216365cf77118433409614bc1ed68296b6c669879a26e022f5d505ba5a1d9e0e41e3ebad243d5bb8af5a09d920c2ee0d332b6f2cc619bdf0d435f0086b2d1e4a982df608e5a93af726b167858b54bab6e68c99d5b7508758f979ffb647198a7da946fe7c1149e66f25444b434d246dbe57361e7183c9d88ea0c990a350d01e1eed2731a55b3016097141c14f95fdb8114b804da6fbc00c0216c4c644e292ba69e2c87947da2c4b9768adeac509c5066e9216527c2e3ec3f3be71ff83950f20b0bfa663a21162db3a8339570d400f655a1071658157322f43d510f0202a586cae87a4269cb7793a42ddc90cf0c30f507430fb06ca2ce009a6bac7f1beb7771baac84b9657ec953682e964d3ce45463c10bb4d875691dbf8f085c0f02e4df70b03a61b5f9cddf3b8172a4dc6c8372aadca584d37a6f9c49e35709f8db3296b70b9c8a98785344e0272240cd46c84025ed946464a7daaf52a04a4f41bad86e73f883eec3fefe90ee3e3e8b71fd84e527ba34da74bd08d01ee36ae9ad9250419d0557958c9f5dd69f2b745b15a64d1ba52202ff13021366ecf52e2551f388c04f42e01f37de34f6088b744c0000000049454e44ae426082000840010824000000180000000210c0db01000000030000000000000000000000000000001b40000040000000340000000100000002000000000000bf000000bf008097430000a841030000000000008000000080feff9d430000008000000080feffaf412100000008000000620000000c00000001000000150000000c00000004000000150000000c0000000400000051000000101a000000000000000000003b01000015000000000000000000000000000000000000002f0100001500000050000000d000000020010000f0180000000000002000cc003c01000016000000280000002f0100001500000001000800000000000000000000000000000000002a0000000000000000000000ffffff0080a6e300ffe3a60080c6ff0054000000a6540000ffffe300c6ffff0000008000ffc68000a6e3ff0000005400c6800000e3ffff000054a60080000000ffffc6005400540054a6e300e3a654000080c600a65454005454540080008000c6ffe3005480c600e3e3a600c680800080005400a6e3c600c680540054008000e3ffc600a680a600a6e3e300c6a6a600a6a6e300c6ffc60080c6c600e3ffe300c6e3a600010101010101010101010101010101010101010101010101010101010101010101010101010101010101010101010101010101010101010101010101010101010101010101010101010101010101010101010101010101010101010101010101010101010101010101010101010101010101010101010101010101010101010101010101010101010101010101010101010101010101010101010101010101010101010101010101010101010101010101010101010101010101010101010101010101010101010101010101010101010101010101010101010101010101010101010101010101010101010101010101010101010101010101010101010101010101010101010101010101010101010101010101010101010101010101010101010101010101010101010101010101000101010101010101010101010e0f140108200301080905030e0f000529090503151011080905030101010101010101010101010101010101010101010101010101010101010101010101010101010101010101010101010101010101010101010101010101010101010101010101010101010101010101010101010101010101010101010101010101010101010101010101010101010101010101010101010101010101010101010101010101010101010101010101010101010101010101010101010101010101010101010101010101010101010101010101010101010101010101010101010101010101010101010101010101010101010101010101010101010101010101010101010101010101010101010101010101010101010101010101010101010101010101010101010001010101010101010101010101130d010e0f0a010b1d21222312030e0f10212425261827062822070101010101010101010101010101010101010101010101010101010101010101010101010101010101010101010101010101010101010101010101010101010101010101010101010101010101010101010101010101010101010101010101010101010101010101010101010101010101010101010101010101010101010101010101010101010101010101010101010101010101010101010101010101010101010101010101010101010101010101010101010101010101010101010101010101010101010101010101010101010101010101010101010101010101010101010101010101010101010101010101010101010101010101010101010101010101010101010101ff0101010101010101010101010104060701130d010e0f0a010b1203010820030101010809140101010101010101010101010101010101010101010101010101010101010101010101010101010101010101010101010101010101010101010101010101010101010101010101010101010101010101010101010101010101010101010101010101010101010101010101010101010101010101010101010101010101010101010101010101010101010101010101010101010101010101010101010101010101010101010101010101010101010101010101010101010101010101010101010101010101010101010101010101010101010101010101010101010101010101010101010101010101010101010101010101010101010101010101010101010101010101010101010101ff0101010101010101010101010108090a01041011011314010e0f0a010115140101010e0f060701010101010101010101010101010101010101010101010101010101010101010101010101010101010101010101010101010101010101010101010101010101010101010101010101010101010101010101010101010101010101010101010101010101010101010101010101010101010101010101010101010101010101010101010101010101010101010101010101010101010101010101010101010101010101010101010101010101010101010101010101010101010101010101010101010101010101010101010101010101010101010101010101010101010101010101010101010101010101010101010101010101010101010101010101010101010101010101010101ff0400000000000503010101011a1b0f000a0b0c10111306070104050301130d01081c0b1d1e1f040a0101010101010101010101010101010101010101010101040000000000050301010101010101010101010101010e0f0a010101010101010101040000000000000014010e0f00000000060701010101010101010101010101010101010101010101010101010101080900000006070101010104000000050301010101010101010101010e0f0a0101010101010101010101080900000607010108090d010101080900000607010101150000000000001401010e0f00000000000d0101010101010101010101010101010101010101010101010809000000060701010101040000000503010108090d010101080900000607010101150000000000001401010e0f00000000000d015401040503010113000d0101010e0f05031500061909000d0101010400000010110104000d01040014010101010101010101010101010101010101010101010101040503010113000d010101010101010101010101010e0f0a0101010101010101010104050301010e0f0d01011510110101151011010101010101010101010101010101010101010101010101010101150503010e0f101101011300140101040014010101010101010101010e0f0a01010101010101010101080906070e0f06070108090d0101080906070e0f060701010b1203010101151401010101011305030101010101010101010101010101010101010101010101010101150503010e0f1011010113001401010400140108090d0101080906070e0f060701010b12030101011514010101010113050301010100010b0c0a0101010b0c0d0101010101010101010101010101010101010101010101010101010101010101010101010101010101010101010101010101010101010b0c0a0101010b0c0d0101010101010101010101010e0f0a010101010101010101010b0c0a01010108181101131401010108091401010101010101010101010101010101010101010101010101010115140101010b0c14010e0f060701010e0f06070101010101010101010e0f0a0101010101010101010113000a010104000a01010101010113000a010104000a010101130607010104140101010101130503010101010101010101010101010101010101010101010101010115140101010b0c14010e0f060701010e0f0607010101010113000a010104000a010101130607010104140101010101130503010101a6010e0f0d0101010113000a01010101010101010101010101010101010101010101010101010101010101010101011500000000000000000005030101010101010e0f0d0101010113000a01010101010101010101010e0f0a010101010101010101010e0f0d01010101010101010101010108090d010101010101010115000000000000000000050301010101010101010101010108090d0108090d010101011510110101010101010101010e0f0a010101010101010101011510110101080914010101010101151011010108091401010101150d0101010101010101011305030101010101010101150000000000000000000503010101010101010101010108090d0108090d010101011510110101010101151011010108091401010101150d010101010101010101130503010101ff010115060701010108090d01010101010101010101010101010101010101010101010101010101010101010101010101010101010101010101010101010101010115060701010108090d01010101010101010101010e0f0a0101010101010101010101150607010101010101010101010113001401010101010101010101010101010101010101010101010101010101010101010b0c14010e0f060701010e0f10110101010101010101010e0f0a0101010101010101010e0f0607010108090d01010101010e0f0607010108090d010101010e0f0d0101010101010101130503010101010101010101010101010101010101010101010101010101010101010b0c14010e0f060701010e0f1011010101010e0f0607010108090d010101010e0f0d010101010101010113050301010100010113101101010101151011010101010101010101010101010101010101010101010101010101010101010101010101010101010101010101010101010101010113101101010101151011010101010101150000000000000000000503010101010101131011010b160701010101010e0f0006070101010101010101010101010101010101010101010101010101010e0f14010e0f050301010b0c140101130014010101010101150000000000000000000503010101010e0f060701010e0f0607010101010e0f060701010e0f0607010101010e0f140101010101010113050301010101010101010101010101010101010101010101010101010e0f14010e0f050301010b0c14010113001401010101010e0f060701010e0f0607010101010e0f14010101010101011305030101010001010b0c0a0101010113050301010101010101010101010101010101010101010101010101010101010101010101150000000000000000000503010101010101010b0c0a01010101130503010101010101010101010e0f0a01010101010101010101010b0c0000001011010101010809000d01010101010101010101150000000000000000000503010101010101010b0c17000005030101010108090000101101010101010101010101010e0f0a0101010101010101010e0f060701010e0f0607010101010e0f060701010e0f060701010101010b0c0a01010101010113050301010101010101011500000000000000000005030101010101010b0c1700000503010101010809000010110101010101010e0f060701010e0f060701010101010b0c0a0101010101011305030101010001010809140101010113000a01010101010101010101010101010101010101010101010101010101010101010101010101010101010101010101010101010101010809140101010113000a010101010101010101010e0f0a01010101010101010101010809140101150a0101010115000a0101010101010101010101010101010101010101010101010101010101010b0c0a01010101010101040014010104000a010101010101010101010e0f0a0101010101010101010e0f0607010108090607010101010e0f0607010108090607010101010101151011010101010113050301010101010101010101010101010101010101010101010101010b0c0a01010101010101040014010104000a01010101010e0f0607010108090607010101010101151011010101010113050301010100010101150607010101130503010101010101010101010101010101010101010101010101010101010101010101010101010101010101010101010101010101010101150607010101130503010101010101010101010e0f0a010101010101010101010101150d010101010101010e0f06070101010101010101010101010101010101010101010101010101010101010b0c0a0101010101010e0f06070101011506070101010101010101010e0f0a01010101010101010101151011010108090d010101010101151011010108090d0101010101010104000a010101010113050301010101010101010101010101010101010101010101010101010b0c0a0101010101010e0f06070101011506070101010101151011010108090d0101010101010104000a0101010101130503010101ff01010113101101010e0f101101010101010101010101010101010101010101010101010101010101010101010101010101010101010101010101010101010101010113101101010e0f1011010101010101010101010e0f0a010101010101010101010101131011010101150a010115060701010b1607010101010101010101010101010101010101010101010101010b0c0a0101010101010e0f06070101011510110101010101010101010e0f0a01010101010101010101040503010104000a010101010101040503010104000a0101151401010113000a010104101113050301010101010101010101010101010101010101010101010101010b0c0a0101010101010e0f06070101011510110101010101040503010104000a0101151401010113000a0101041011130503010101ff010101130503010e0f001401010101010101010101010101010101010101010101010101010101010101010101010101010101010101010101010101010101010101130503010e0f001401010101010101010101010e0f0a01010101010101010101010113050301010e0f0d01010b0c140101131011010101010101010101010101010101010101010101010101010b0c0a0101010101010113000a010104000d010101010101010101010e0f0a010101010101010101010e0f06070e0f10110101010101010e0f06070e0f101101011505030108091011010101080900050301010101010101010101010101010101010101010101010101010b0c0a0101010101010113000a010104000d0101010101010e0f06070e0f1011010115050301080910110101010809000503010101ff0101040000000000050301010101010101010101010101010101010101010101010101010101010101010101010101010101010101010101010101010101010101040000000000050301010101010101010101010101010101010101010101010101010400000000000000060701010809000000000a010101010101010101010101010101010101010101010101010b0c0000000005030101010b0c0000000d010101010101010101010101010101010101010101010101010e0f0000101101010101010101010e0f00001011010101010400000005030101010101010b120301010101010101010101010101010101010101010101010101010b0c0000000005030101010b0c0000000d01010101010101010e0f00001011010101010400000005030101010101010b1203010101ff010101010101010101010101010101010101010101010101010101010101010101010101010101010101010101010101010101010101010101010101010101010101010101010101010101010101010101010101010101010101010101010101010101010101010101010101010101010101010101010101010101010101010101010101010101010101010101010101010101010102030101010101010101010101010101010101010101010101010101010101010101010101010101010101010101010101010101010101010101010101010101010101010101010101010101010101010101010101010101010101010101010101010101010101010101010203010101010101010101010101010101010101010101010101010101010101010101010101010101010101010101ff010101010101010101010101010101010101010101010101010101010101010101010101010101010101010101010101010101010101010101010101010101010101010101010101010101010101010101010101010101010101010101010101010101010101010101010101010101010101010101010101010101010101010101010101010101010101010101010101010101010101010101010101010101010101010101010101010101010101010101010101010101010101010101010101010101010101010101010101010101010101010101010101010101010101010101010101010101010101010101010101010101010101010101010101010101010101010101010101010101010101010101010101010101010101010101010101010101010101010101010101010101ff010101010101010101010101010101010101010101010101010101010101010101010101010101010101010101010101010101010101010101010101010101010101010101010101010101010101010101010101010101010101010101010101010101010101010101010101010101010101010101010101010101010101010101010101010101010101010101010101010101010101010101010101010101010101010101010101010101010101010101010101010101010101010101010101010101010101010101010101010101010101010101010101010101010101010101010101010101010101010101010101010101010101010101010101010101010101010101010101010101010101010101010101010101010101010101010101010101010101010101010101010101ff01010101010101010101010101010101010101010101010101010101f000000026060f00d601574d4643010000000000010000000000000002000000b401000000000000b42100000101010101010101010101010101010101010101010101010101010101010101010101010101010101010101010101010101010101010101010101010101010101010101010101010101010101010101010101010101010101010101010101010101010101010101010101010101010101010101010101010101010101010101010101010101010101010101010101010101010101010101010101010101010101010101010101010101010101010101010101010101010101010101010101010101010101010101010101010101010101010101010101010101010101010101010101010101010101010101010101010101010101010101010101010101010101010101010101010101010101010101010101ff4c0000006400000000000000000000003b0100001500000000000000000000003c010000160000002900aa0000000000000000000000803f00000000000000000000803f0000000000000000000000000000000000000000000000000000000000000000220000000c000000ffffffff460000001c00000010000000454d462b024000000c000000000000000e000000140000000000000010000000140000000400000003010800050000000b0200000000050000000c0216003c01030000001e0004000000070104000400000007010400ed0c0000410b2000cc0015002f010000000016003c0100000000280000002f0100001500000001000800000000000000000000000000000000002a0000000000000000000000ffffff0080a6e300ffe3a60080c6ff0054000000a6540000ffffe300c6ffff0000008000ffc68000a6e3ff0000005400c6800000e3ffff000054a60080000000ffffc6005400540054a6e300e3a654000080c600a65454005454540080008000c6ffe3005480c600e3e3a600c680800080005400a6e3c600c680540054008000e3ffc600a680a600a6e3e300c6a6a600a6a6e300c6ffc60080c6c600e3ffe300c6e3a600010101010101010101010101010101010101010101010101010101010101010101010101010101010101010101010101010101010101010101010101010101010101010101010101010101010101010101010101010101010101010101010101010101010101010101010101010101010101010101010101010101010101010101010101010101010101010101010101010101010101010101010101010101010101010101010101010101010101010101010101010101010101010101010101010101010101010101010101010101010101010101010101010101010101010101010101010101010101010101010101010101010101010101010101010101010101010101010101010101010101010101010101010101010101010101010101010101010101010101010101010101000101010101010101010101010e0f140108200301080905030e0f000529090503151011080905030101010101010101010101010101010101010101010101010101010101010101010101010101010101010101010101010101010101010101010101010101010101010101010101010101010101010101010101010101010101010101010101010101010101010101010101010101010101010101010101010101010101010101010101010101010101010101010101010101010101010101010101010101010101010101010101010101010101010101010101010101010101010101010101010101010101010101010101010101010101010101010101010101010101010101010101010101010101010101010101010101010101010101010101010101010101010101010101010001010101010101010101010101130d010e0f0a010b1d21222312030e0f10212425261827062822070101010101010101010101010101010101010101010101010101010101010101010101010101010101010101010101010101010101010101010101010101010101010101010101010101010101010101010101010101010101010101010101010101010101010101010101010101010101010101010101010101010101010101010101010101010101010101010101010101010101010101010101010101010101010101010101010101010101010101010101010101010101010101010101010101010101010101010101010101010101010101010101010101010101010101010101010101010101010101010101010101010101010101010101010101010101010101010101ff0101010101010101010101010104060701130d010e0f0a010b1203010820030101010809140101010101010101010101010101010101010101010101010101010101010101010101010101010101010101010101010101010101010101010101010101010101010101010101010101010101010101010101010101010101010101010101010101010101010101010101010101010101010101010101010101010101010101010101010101010101010101010101010101010101010101010101010101010101010101010101010101010101010101010101010101010101010101010101010101010101010101010101010101010101010101010101010101010101010101010101010101010101010101010101010101010101010101010101010101010101010101010101010101ff0101010101010101010101010108090a01041011011314010e0f0a010115140101010e0f060701010101010101010101010101010101010101010101010101010101010101010101010101010101010101010101010101010101010101010101010101010101010101010101010101010101010101010101010101010101010101010101010101010101010101010101010101010101010101010101010101010101010101010101010101010101010101010101010101010101010101010101010101010101010101010101010101010101010101010101010101010101010101010101010101010101010101010101010101010101010101010101010101010101010101010101010101010101010101010101010101010101010101010101010101010101010101010101010101ff0400000000000503010101011a1b0f000a0b0c10111306070104050301130d01081c0b1d1e1f040a0101010101010101010101010101010101010101010101040000000000050301010101010101010101010101010e0f0a010101010101010101040000000000000014010e0f00000000060701010101010101010101010101010101010101010101010101010101080900000006070101010104000000050301010101010101010101010e0f0a0101010101010101010101080900000607010108090d010101080900000607010101150000000000001401010e0f00000000000d0101010101010101010101010101010101010101010101010809000000060701010101040000000503010108090d010101080900000607010101150000000000001401010e0f00000000000d015401040503010113000d0101010e0f05031500061909000d0101010400000010110104000d01040014010101010101010101010101010101010101010101010101040503010113000d010101010101010101010101010e0f0a0101010101010101010104050301010e0f0d01011510110101151011010101010101010101010101010101010101010101010101010101150503010e0f101101011300140101040014010101010101010101010e0f0a01010101010101010101080906070e0f06070108090d0101080906070e0f060701010b1203010101151401010101011305030101010101010101010101010101010101010101010101010101150503010e0f1011010113001401010400140108090d0101080906070e0f060701010b12030101011514010101010113050301010100010b0c0a0101010b0c0d0101010101010101010101010101010101010101010101010101010101010101010101010101010101010101010101010101010101010b0c0a0101010b0c0d0101010101010101010101010e0f0a010101010101010101010b0c0a01010108181101131401010108091401010101010101010101010101010101010101010101010101010115140101010b0c14010e0f060701010e0f06070101010101010101010e0f0a0101010101010101010113000a010104000a01010101010113000a010104000a010101130607010104140101010101130503010101010101010101010101010101010101010101010101010115140101010b0c14010e0f060701010e0f0607010101010113000a010104000a010101130607010104140101010101130503010101a6010e0f0d0101010113000a01010101010101010101010101010101010101010101010101010101010101010101011500000000000000000005030101010101010e0f0d0101010113000a01010101010101010101010e0f0a010101010101010101010e0f0d01010101010101010101010108090d010101010101010115000000000000000000050301010101010101010101010108090d0108090d010101011510110101010101010101010e0f0a010101010101010101011510110101080914010101010101151011010108091401010101150d0101010101010101011305030101010101010101150000000000000000000503010101010101010101010108090d0108090d010101011510110101010101151011010108091401010101150d010101010101010101130503010101ff010115060701010108090d01010101010101010101010101010101010101010101010101010101010101010101010101010101010101010101010101010101010115060701010108090d01010101010101010101010e0f0a0101010101010101010101150607010101010101010101010113001401010101010101010101010101010101010101010101010101010101010101010b0c14010e0f060701010e0f10110101010101010101010e0f0a0101010101010101010e0f0607010108090d01010101010e0f0607010108090d010101010e0f0d0101010101010101130503010101010101010101010101010101010101010101010101010101010101010b0c14010e0f060701010e0f1011010101010e0f0607010108090d010101010e0f0d010101010101010113050301010100010113101101010101151011010101010101010101010101010101010101010101010101010101010101010101010101010101010101010101010101010101010113101101010101151011010101010101150000000000000000000503010101010101131011010b160701010101010e0f0006070101010101010101010101010101010101010101010101010101010e0f14010e0f050301010b0c140101130014010101010101150000000000000000000503010101010e0f060701010e0f0607010101010e0f060701010e0f0607010101010e0f140101010101010113050301010101010101010101010101010101010101010101010101010e0f14010e0f050301010b0c14010113001401010101010e0f060701010e0f0607010101010e0f14010101010101011305030101010001010b0c0a0101010113050301010101010101010101010101010101010101010101010101010101010101010101150000000000000000000503010101010101010b0c0a01010101130503010101010101010101010e0f0a01010101010101010101010b0c0000001011010101010809000d01010101010101010101150000000000000000000503010101010101010b0c17000005030101010108090000101101010101010101010101010e0f0a0101010101010101010e0f060701010e0f0607010101010e0f060701010e0f060701010101010b0c0a01010101010113050301010101010101011500000000000000000005030101010101010b0c1700000503010101010809000010110101010101010e0f060701010e0f060701010101010b0c0a0101010101011305030101010001010809140101010113000a01010101010101010101010101010101010101010101010101010101010101010101010101010101010101010101010101010101010809140101010113000a010101010101010101010e0f0a01010101010101010101010809140101150a0101010115000a0101010101010101010101010101010101010101010101010101010101010b0c0a01010101010101040014010104000a010101010101010101010e0f0a0101010101010101010e0f0607010108090607010101010e0f0607010108090607010101010101151011010101010113050301010101010101010101010101010101010101010101010101010b0c0a01010101010101040014010104000a01010101010e0f0607010108090607010101010101151011010101010113050301010100010101150607010101130503010101010101010101010101010101010101010101010101010101010101010101010101010101010101010101010101010101010101150607010101130503010101010101010101010e0f0a010101010101010101010101150d010101010101010e0f06070101010101010101010101010101010101010101010101010101010101010b0c0a0101010101010e0f06070101011506070101010101010101010e0f0a01010101010101010101151011010108090d010101010101151011010108090d0101010101010104000a010101010113050301010101010101010101010101010101010101010101010101010b0c0a0101010101010e0f06070101011506070101010101151011010108090d0101010101010104000a0101010101130503010101ff01010113101101010e0f101101010101010101010101010101010101010101010101010101010101010101010101010101010101010101010101010101010101010113101101010e0f1011010101010101010101010e0f0a010101010101010101010101131011010101150a010115060701010b1607010101010101010101010101010101010101010101010101010b0c0a0101010101010e0f06070101011510110101010101010101010e0f0a01010101010101010101040503010104000a010101010101040503010104000a0101151401010113000a010104101113050301010101010101010101010101010101010101010101010101010b0c0a0101010101010e0f06070101011510110101010101040503010104000a0101151401010113000a0101041011130503010101ff010101130503010e0f001401010101010101010101010101010101010101010101010101010101010101010101010101010101010101010101010101010101010101130503010e0f001401010101010101010101010e0f0a01010101010101010101010113050301010e0f0d01010b0c140101131011010101010101010101010101010101010101010101010101010b0c0a0101010101010113000a010104000d010101010101010101010e0f0a010101010101010101010e0f06070e0f10110101010101010e0f06070e0f101101011505030108091011010101080900050301010101010101010101010101010101010101010101010101010b0c0a0101010101010113000a010104000d0101010101010e0f06070e0f1011010115050301080910110101010809000503010101ff0101040000000000050301010101010101010101010101010101010101010101010101010101010101010101010101010101010101010101010101010101010101040000000000050301010101010101010101010101010101010101010101010101010400000000000000060701010809000000000a010101010101010101010101010101010101010101010101010b0c0000000005030101010b0c0000000d010101010101010101010101010101010101010101010101010e0f0000101101010101010101010e0f00001011010101010400000005030101010101010b120301010101010101010101010101010101010101010101010101010b0c0000000005030101010b0c0000000d01010101010101010e0f00001011010101010400000005030101010101010b1203010101ff010101010101010101010101010101010101010101010101010101010101010101010101010101010101010101010101010101010101010101010101010101010101010101010101010101010101010101010101010101010101010101010101010101010101010101010101010101010101010101010101010101010101010101010101010101010101010101010101010101010102030101010101010101010101010101010101010101010101010101010101010101010101010101010101010101010101010101010101010101010101010101010101010101010101010101010101010101010101010101010101010101010101010101010101010101010203010101010101010101010101010101010101010101010101010101010101010101010101010101010101010101ff010101010101010101010101010101010101010101010101010101010101010101010101010101010101010101010101010101010101010101010101010101010101010101010101010101010101010101010101010101010101010101010101010101010101010101010101010101010101010101010101010101010101010101010101010101010101010101010101010101010101010101010101010101010101010101010101010101010101010101010101010101010101010101010101010101010101010101010101010101010101010101010101010101010101010101010101010101010101010101010101010101010101010101010101010101010101010101010101010101010101010101010101010101010101010101010101010101010101010101010101010101ff010101010101010101010101010101010101010101010101010101010101010101010101010101010101010101010101010101010101010101010101010101010101010101010101010101010101010101010101010101010101010101010101010101010101010101010101010101010101010101010101010101010101010101010101010101010101010101010101010101010101010101010101010101010101010101010101010101010101010101010101010101010101010101010101010101010101010101010101010101010101010101010101010101010101010101010101010101010101010101010101010101010101010101010101010101010101010101010101010101010101010101010101010101010101010101010101010101010101010101010101010101ff010101010101010101010101010101010101010101010101010101010101010101010101010101010101010101010101010101010101010101010101010101010101010101010101010101010101010101010101010101010101010101010101010101010101010101010101010101010101010101010101010101010101010101010101010101010101010101010101010101010101010101010101010101010101010101010101010101010101010101010101010101010101010101010101010101010101010101010101010101010101010101010101010101010101010101010101010101010101010101010101010101010101010101010101010101010101010101010101010101010101010101010101010101010101010101010101010101010101010101010101010101ff0c00000040092900aa0000000000000016003c0100000000040000002701ffff030000000000





Масштаб: 1мм=1мкм

Рисунок 3.2.2 – Схема расположения полей допусков в соединении 010009000003221300000000600b00000000600b000026060f00b616574d464301000000000001006cf90000000001000000941600000000000094160000010000006c0000000000000000000000630000002700000000000000000000003a0a00001704000020454d4600000100941600000c00000001000000000000000000000000000000900600001a040000b801000013010000000000000000000000000000c0b6060038320400460000002c00000020000000454d462b014001001c000000100000000210c0db01000000600000006000000046000000e0050000d4050000454d462b224004000c000000000000001e4009000c00000000000000244001000c000000000000003040020010000000040000000000803f214007000c00000000000000084000052c050000200500000210c0db01000000000000000000000000000000000000000100000089504e470d0a1a0a0000000d4948445200000060000000260802000000b4fb091e000000017352474200aece1ce9000000097048597300000e2600000e2601a2ef25fc000004a7494441546843ed5a3d6eea401076de39404a958a0b809496032052843627e05d0073817082b4a608e200b491f005a85245b2efc19b99fd9df51a6cb25e42f4dc24de9d5def7c9ef9e6c7dc1d8fc7e4ff558fc09f1b05275f3eadcb1867bf55805c6cf2e51d5d2e6cce78b97e12725c128797b917efdf0150be1c257b208b224b666f96a2bef1695680e43edd6c3fc80411c2f9b6de1841f896ae229b3abaa47bc0652ad4b6fee37746422abb4fe50a71bf4f13d8c777dd8805a10f90f7f49edfa5464ac1c5b02d15e166bbf1fb73af6e211a95f2b89800293e10cf667716370886b01801e7e6c9ea58af51ef7e201ca6fcd86e06f7bd0496209c9571782c4ce1668b61beac619d24192e8ec7f14ef2594cff42ff30966ddf15592a7ce4849bb0933a2ea23d4f388af628671c27b4d918af7487ec73243101024fe7f8f81c9fd341853c229e17d14c630204aa5709d651d80184cee867cf0848e161227250f975b09425d5c72ec1e66fb3c1df7af66c4bc7df97dfc4030809d4208277d3873ed7a05cbf1eb297d651e9fb309cd8e14280caf5b265a6cf11a1bbc9230fb43fce7c00b7691d07313e65e42fd16679962b50a10d153dc42a7ee70d5e8a617e10493b392ad391e6eac8522c34b3828b4351ebf5685abc1b61418e8e32dc181d4f014473dc9e687d2884e870c1366b1cfb94e9120781f36f404599b4135516988ebcb6e4199beb2a0c7c3195627501796da550bf78c3b30ba97e4d56227517951af7107a5fb6d59c74315a6fd95058fb69fcca3b12040bc2fcc4bcef7c27232d14324972f8325da9c3abb797224a97fd60d6978d16ea3cb42f21cfbed7eb080040c5e7463f1bddcb8dbe30d97b9c00d14c568ab036b3bed599c26a72045ea94a98c3a8e20faa4b757b7fc1c5aca291d541e82a9c7cadd86ba6aa24ed86b58e8c3fceb66041e84b9bcf02c95ab9175a14799ec79ad0a0d0fbc4126980d863d0174dff960ba358ff01e2e82ee7ee45914de203acce7abd889da62d5ccdb88aa0b5582d305441daf5f9ba7180b6f22013ca1cb7e161caf520716f9cd1096aa13dc1e904e1f6aa4de012823b6ee5c24a547718fc6402dfc4d4f99d5e849399f1d9ea666cbeee5961a0aa00a488d34d28abe320c1f53205152fadac939a4c3a7eb2da08301d429c5248e7eaa65ae3759b67dcda42686b6091d23c25441151cd63b27ae5cc45b6a8599f9875a303b4ebd516008ca812862ff09d88f2b7fe8c721dd68d26682e6c7704255eead8efc66450d66b2ad7f3eda438f1f1411ca245c7dee67711770dea49aa1a75c34531d9ce358937b2f3304286cded6ab8ae16ad6b7454495a7bce998ebd26733ba4789336eb4cf17ad2a498d4457cecd3255f9aa98f0dbca77f3d5a346f271e40648515126439825b1f5f152099f4c4e5a07c0766c49ace98754fb395e8d353c967d7c73eaa0b922836e7d0a800618acd8a1291c6ab9f11d087d18a40035d3af969876c70c404c8fb2503e2886e95f467896edba1359d3326815d073fed509fb071fb3001aa8b5d9cf016205194a774136ad6c340193b80c6b4a006ce628bf49e57d961a433c7008922fd7441278575c7a1fc4bb2e2cf48146b816bd48d6e9e28023a6ff7f8eb99c2069e3d9d75a3c54c17ced1e99e97278a9e62def65b7f8dfd0f7a7793e3cc3458cb0000000049454e44ae42608200000840010824000000180000000210c0db01000000030000000000000000000000000000001b40000040000000340000000100000002000000000000bf000000bf0000c04200001842030000000000008000000080feffc7420000008000000080feff1f422100000008000000620000000c00000001000000150000000c00000004000000150000000c0000000400000051000000500f00000000000000000000630000002700000000000000000000000000000000000000600000002600000050000000c000000010010000400e0000000000002000cc0064000000280000002800000060000000260000000100080000000000000000000000000000000000260000000000000000000000ffffff005480c600ffe3a60080c6ff00e3a65400a6e3ff000000540054a6e300c6800000c6ffff0080008000ffffc60080005400a6545400ffffe300a65400000000800054545400e3ffff005454a600540054000080c600ffc680000054a600540080008080c600a680a600540000008000000080a6e300a6e3c600a6a6c6008054a600a6548000e3e3a600a6a68000c6805400010101010101010101010101010101010101010101010101010101010101010101010101010101010101010101010101010101010101010101010102030101010108000017010805010800001701060700000501131800001c030101010101010101010101010101010101010101010101010101010101010101010101010101010101010101010101010101010101010101010101041c0301010102030101010a1903060d0c08050a1903060d0c062501060d0c01010409010116100f01010101010101010101010101010101010101010101010101010101010101010101010101010101010101010101010101010101010101080901010101010203010101060e0f1314030101060e0f13140301060700170101010409010101060e0f0101010101010101010101010101010101010101010101010101010101010101010101010101010101010101010101010101010101060d0c01010607000000000901060e0f1314030101060e0f131403010101081701010104090101010108050101010101010101010101010101010101010101010101010101010101010101010101010113180501010101010a110000100f0101080501010101010102030101010a0b0c060d0c01010a0b0c060d0c060e0f04100f0a11120901010101060d0c0101010101010101010101010101010101010101010101010101010101010101010101010108090101010113180501131809011318170101010101010203010101010400000501010101040000050106070000050101010809010101011314030101010101010101010101010101010101010101010101010101010101010101010101010104100f0101010a1903010108100f131817010101010101020301010101010101010101010101010101010101010101010101010101010101131817010101010101010101010101010101010101010101010101010101010101010101010101010a11170101010607100f13180901131817010101010101010101010101010101010101010101010101010101010101010101010101010101131817010101010101010101010101010101010101010101010101010101010101010101010101022318001708171318240700100f0113181701010101010101010101010101010101010101010101010101010101010101010101010101010113140301010101010101010101010101010101010101010101010101010101010101010101010113181c031600090108090101010101010805010101010101020301010101080000170108050108000017010a11000005010106070901010101060d0c01010101010101010101010101010101010101010101010101010101010101010101010101010101010101011318090101010101060e0f010101010102030101010a1903060d0c08050a1903060d0c0a220f0a0b0c01010104090101010805010101010101010101010101010101010101010101010101010101010101010101010101010101010101010101010104001d0c01010108100f010101010203010101060e0f1314030101060e0f1314030101010a1903131800001c030104100f010101131817010101010101010101010101010101010101010101010101010101010101010101010101010101010101010101010101010615030607000000000901060e0f1314030101060e0f13140313180000090104100f13140316090101010101010a110000001d0c0101010a11000000100f01010101040000001c0301010101010101010101010101010101010101010101010101010101010102030101010a0b0c060d0c01010a0b0c060d0c13210c01010104100f0a190301010101010101131800170101081c030101161c030113181d0c0101080005010104000501010101010101010101010101010101010101010101010101010101010203010101010400000501010101040000050113180000100f01160000050101010101010101081d1f0e0f010116100f011605010101060705011318100f01011318100f010101010101010101010101010101010101010101010101010101010203010101010101010101010101010101010101010101200f01010101010101010101010101160901020301010615030101010101010a1109010a110901010101161d0c010101010101010101010101010101010101010101010101010101010101010101010101010101010101010101010101010101010101010101010101010101010113180501040901010a1105010101010101060705011318100f010113181d0c01010101010101010101010101010101010101010101010101010101010101010101010101010101010101010101010101010101010101010101010101010101010a110501131403010a1105011318050113181c030101060705010108000501010101000000000000000000000000000000000000000000000000000000000000000000000000000000000000000000000000000000000000000000000000000013180501010405010a11050106071200001c03010101010a1100001d0c0101010101010101010101010101010101010101010101010101010101010101010101010101010101010101010101010101010101010101010101010101010101010101160901010a0b0c0607170106071701010101010101040005010104001701010101010101010101010101010101010101010101010101010101010101010101010101010101010101010101010101010101010101010101010101010101010101041c030101080516100f010607170101010101011318100f01010116100f010101010101010101010101010101010101010101010101041c030101010101010101010101010101010101010101010101010101010101010101010116100f010113181d0c010a11001701010607170101010101011318100f010101161d0c0101010101010101010101010101010101010101010101080901010101010101010101010101010101010101010101010101010101010101010101010101060e0f0101010800000000170101010607170101010101010108001701010400090101010101010101010101010101010101010101010101060d0c01010101010101010101010101010101010101010101010101010101010101010101010101010805010101010101010a190301010607000000001c03010101060700000009010101010108001c03131800100f010113140301010101010805010101010101010101010101010101010101010101010101010101010101010101010101010101060d0101010101010101010101010101010101011e03010101010101010101010101010113180501010615030101010104090101010113181701010101010101010101010101010101010101010101010101010101010101010101010101010113140101010101010101010101010101010101010101010101010101010101010101010101080901011318050101010113140301010113181701010101010101010101010101010101010101010101010101010101010101010101010101010113180101010101010101010101010101010101010101010101010101010101010101010101060d0c0101080901010101010409010101131817010101010101010101010101010101010101010101010101010101010101010101010101010101131801010101010101010101010101010101010101010101010101010101010101010101010a11000000001d0c010101011314030101131817010101010101010101010101010101010101010101010101010101010101010101010101010101131401010101010101010101010101010101010101010101010101010101010101010101010116050101060717010101010104090101010805010101010101010101010101010101010101010101010101010101010101010101010101010101060d01010101010101010101010101010101010101010101010101010101010101010101010108100f0113180501131b0f011314030101060e0f010101010102030101010800001701080501080000170106070000100f131800001c03010101080501010101010101010101010101010101010101010101010101010101010101010101010a11000901040000171318000000000901010108100f01010101020301010a1903060d0c08050a1903060d0c010805011a0c010104090101010104100f0101010101010101010101010101010101010101010101010101010101010101010101010101010101010101010101010101010101010106150301010102030101060e0f1314030101060e0f13140301010809010101010409010101160901010101010101010101010101010101010101010101010101010101010101010101010101010101010101010101010101010101010101010101010106070000000009060e0f1314030101060e0f131403010101040501010104090101010101010101010101010101010101010101010101010101010101010101010101010101010101010101010101010101010101010101010101010101010101010101020301010a0b0c060d0c01010a0b0c060d0c060e0f04100f0a111209010101010101010101010101010101010101010101010101010101010101010101010101010101010101010101010101010101010101010101010101010101010101010102030101010400000501010101040000050106070000050101010809010101010101010101010101010101010101010101010101010101010101010101010101010101010101010101010101010101010101010101010101010101010101010102030101010101010101010101010101010101010101010101010101010101010101010101010101010101010101010101010101010101010101010101010101010101010101010101010101010101010101010101010101010101010101010101010101010101010101010101010101010101010101010101010101010101010101014c0000006400000000000000000000006300000027000000000000000000000064000000280000002900aa0000000000000000000000803f00000000000000000000803f0000000000000000000000000000000000000000000000000000000000000000220000000c000000ffffffff460000001c00000010000000454d462b024000000c000000000000000e000000140000000000000010000000140000000400000003010800050000000b0200000000050000000c0228006400030000001e00040000000701040004000000070104008d070000410b2000cc00260060000000000028006400000000002800000060000000260000000100080000000000000000000000000000000000260000000000000000000000ffffff005480c600ffe3a60080c6ff00e3a65400a6e3ff000000540054a6e300c6800000c6ffff0080008000ffffc60080005400a6545400ffffe300a65400000000800054545400e3ffff005454a600540054000080c600ffc680000054a600540080008080c600a680a600540000008000000080a6e300a6e3c600a6a6c6008054a600a6548000e3e3a600a6a68000c6805400010101010101010101010101010101010101010101010101010101010101010101010101010101010101010101010101010101010101010101010102030101010108000017010805010800001701060700000501131800001c030101010101010101010101010101010101010101010101010101010101010101010101010101010101010101010101010101010101010101010101041c0301010102030101010a1903060d0c08050a1903060d0c062501060d0c01010409010116100f01010101010101010101010101010101010101010101010101010101010101010101010101010101010101010101010101010101010101080901010101010203010101060e0f1314030101060e0f13140301060700170101010409010101060e0f0101010101010101010101010101010101010101010101010101010101010101010101010101010101010101010101010101010101060d0c01010607000000000901060e0f1314030101060e0f131403010101081701010104090101010108050101010101010101010101010101010101010101010101010101010101010101010101010113180501010101010a110000100f0101080501010101010102030101010a0b0c060d0c01010a0b0c060d0c060e0f04100f0a11120901010101060d0c0101010101010101010101010101010101010101010101010101010101010101010101010108090101010113180501131809011318170101010101010203010101010400000501010101040000050106070000050101010809010101011314030101010101010101010101010101010101010101010101010101010101010101010101010104100f0101010a1903010108100f131817010101010101020301010101010101010101010101010101010101010101010101010101010101131817010101010101010101010101010101010101010101010101010101010101010101010101010a11170101010607100f13180901131817010101010101010101010101010101010101010101010101010101010101010101010101010101131817010101010101010101010101010101010101010101010101010101010101010101010101022318001708171318240700100f0113181701010101010101010101010101010101010101010101010101010101010101010101010101010113140301010101010101010101010101010101010101010101010101010101010101010101010113181c031600090108090101010101010805010101010101020301010101080000170108050108000017010a11000005010106070901010101060d0c01010101010101010101010101010101010101010101010101010101010101010101010101010101010101011318090101010101060e0f010101010102030101010a1903060d0c08050a1903060d0c0a220f0a0b0c01010104090101010805010101010101010101010101010101010101010101010101010101010101010101010101010101010101010101010104001d0c01010108100f010101010203010101060e0f1314030101060e0f1314030101010a1903131800001c030104100f010101131817010101010101010101010101010101010101010101010101010101010101010101010101010101010101010101010101010615030607000000000901060e0f1314030101060e0f13140313180000090104100f13140316090101010101010a110000001d0c0101010a11000000100f01010101040000001c0301010101010101010101010101010101010101010101010101010101010102030101010a0b0c060d0c01010a0b0c060d0c13210c01010104100f0a190301010101010101131800170101081c030101161c030113181d0c0101080005010104000501010101010101010101010101010101010101010101010101010101010203010101010400000501010101040000050113180000100f01160000050101010101010101081d1f0e0f010116100f011605010101060705011318100f01011318100f010101010101010101010101010101010101010101010101010101010203010101010101010101010101010101010101010101200f01010101010101010101010101160901020301010615030101010101010a1109010a110901010101161d0c010101010101010101010101010101010101010101010101010101010101010101010101010101010101010101010101010101010101010101010101010101010113180501040901010a1105010101010101060705011318100f010113181d0c01010101010101010101010101010101010101010101010101010101010101010101010101010101010101010101010101010101010101010101010101010101010a110501131403010a1105011318050113181c030101060705010108000501010101000000000000000000000000000000000000000000000000000000000000000000000000000000000000000000000000000000000000000000000000000013180501010405010a11050106071200001c03010101010a1100001d0c0101010101010101010101010101010101010101010101010101010101010101010101010101010101010101010101010101010101010101010101010101010101010101160901010a0b0c0607170106071701010101010101040005010104001701010101010101010101010101010101010101010101010101010101010101010101010101010101010101010101010101010101010101010101010101010101010101041c030101080516100f010607170101010101011318100f01010116100f010101010101010101010101010101010101010101010101041c030101010101010101010101010101010101010101010101010101010101010101010116100f010113181d0c010a11001701010607170101010101011318100f010101161d0c0101010101010101010101010101010101010101010101080901010101010101010101010101010101010101010101010101010101010101010101010101060e0f0101010800000000170101010607170101010101010108001701010400090101010101010101010101010101010101010101010101060d0c01010101010101010101010101010101010101010101010101010101010101010101010101010805010101010101010a190301010607000000001c03010101060700000009010101010108001c03131800100f010113140301010101010805010101010101010101010101010101010101010101010101010101010101010101010101010101060d0101010101010101010101010101010101011e03010101010101010101010101010113180501010615030101010104090101010113181701010101010101010101010101010101010101010101010101010101010101010101010101010113140101010101010101010101010101010101010101010101010101010101010101010101080901011318050101010113140301010113181701010101010101010101010101010101010101010101010101010101010101010101010101010113180101010101010101010101010101010101010101010101010101010101010101010101060d0c0101080901010101010409010101131817010101010101010101010101010101010101010101010101010101010101010101010101010101131801010101010101010101010101010101010101010101010101010101010101010101010a11000000001d0c010101011314030101131817010101010101010101010101010101010101010101010101010101010101010101010101010101131401010101010101010101010101010101010101010101010101010101010101010101010116050101060717010101010104090101010805010101010101010101010101010101010101010101010101010101010101010101010101010101060d01010101010101010101010101010101010101010101010101010101010101010101010108100f0113180501131b0f011314030101060e0f010101010102030101010800001701080501080000170106070000100f131800001c03010101080501010101010101010101010101010101010101010101010101010101010101010101010a11000901040000171318000000000901010108100f01010101020301010a1903060d0c08050a1903060d0c010805011a0c010104090101010104100f0101010101010101010101010101010101010101010101010101010101010101010101010101010101010101010101010101010101010106150301010102030101060e0f1314030101060e0f13140301010809010101010409010101160901010101010101010101010101010101010101010101010101010101010101010101010101010101010101010101010101010101010101010101010106070000000009060e0f1314030101060e0f131403010101040501010104090101010101010101010101010101010101010101010101010101010101010101010101010101010101010101010101010101010101010101010101010101010101010101020301010a0b0c060d0c01010a0b0c060d0c060e0f04100f0a111209010101010101010101010101010101010101010101010101010101010101010101010101010101010101010101010101010101010101010101010101010101010101010102030101010400000501010101040000050106070000050101010809010101010101010101010101010101010101010101010101010101010101010101010101010101010101010101010101010101010101010101010101010101010101010102030101010101010101010101010101010101010101010101010101010101010101010101010101010101010101010101010101010101010101010101010101010101010101010101010101010101010101010101010101010101010101010101010101010101010101010101010101010101010101010101010101010101010101010c00000040092900aa000000000000002800640000000000040000002701ffff030000000000

Рисунок 3.2.3 – Поперечное сечение вала и втулки со шпоночным пазом
3.3 Допуски и посадки шлицевых соединений
Задание: для заданного шлицевого соединения выбрать по стандарту основные размеры. Назначить метод центрирования в зависимости от твердости поверхностей вала и отверстия, режима работы.Выбрать посадки по центрирующему диаметру и боковым сторонам шлица. Начертить поперечное сечение шлицевого вала и втулки и проставить размеры, шероховатость и погрешность формы и расположения.
Исходные данные: задано шлицевое соединение 0100090000033a0900000000bc0500000000bc05000026060f006e0b574d46430100000000000100ec1000000000010000004c0b0000000000004c0b0000010000006c000000000000000000000048000000150000000000000000000000770700003f02000020454d46000001004c0b00000c00000001000000000000000000000000000000900600001a040000b801000013010000000000000000000000000000c0b6060038320400460000002c00000020000000454d462b014001001c000000100000000210c0db010000006000000060000000460000002003000014030000454d462b224004000c000000000000001e4009000c00000000000000244001000c000000000000003040020010000000040000000000803f214007000c00000000000000084000056c020000600200000210c0db01000000000000000000000000000000000000000100000089504e470d0a1a0a0000000d494844520000004600000015080200000074560f8a000000017352474200aece1ce9000000097048597300000e2600000e2601a2ef25fc000001e6494441545847ed574b7283300c353d4798c9aa2b2e50667a890ed9e432850bf418619373c005baeaaa33700f6acb064b42326419a6de106ceb494f5f924dd3648eb55e8e45c7b1f9a7f40c319da334b6970cada67fd4f819804af60d02bdb4e32e54664b40c0d26958db1e865b6555d59dfd09abab9de6f83eef6b4f2e8f61aadbf030a8d54f9403feb203d6a5604d60b4dc89a4f671027d543a52c2fb0af12d7f05fb88c3d3b03a2590f301730b5ebd592884d48169f300cb9bb6058b81dc5dd1653819b0fb2da5a0218a21ddab43c781a5e8be687a1a4c74d1496111233d0934461350a28e5b955184b5bfb0c382954bec7092b38809e1546139a384cfa42c014ad415de42126b7fa1c2019ac5f055b55cdc81903c322c62c422cb135b86156b49324d48692129241b92f596ac94e4a10a6be7d2f07337a6389fe2cc389d0b3640faa634757dbfe61b032b7fb5e1fcfe45f3a76ff26bd14d9f6fd2484ac28eed576daa8f776458c448c14a4d9cb97fa9201e83754cd80ecf8cae46e9a7c2a2e296cb28090bed8117cf6a98b166185f59865241c0251564cff18c5461e77625f7ee142c182434bca877e9651e9c8d1310c5ed8ef6ca781be51c1d6f3aac5e463a6cb026b3cf5d1f5ecf71c97efc9547fa73613f774bd34d078b92cba5234529d4c60129fd014e3561a34d2fdb100000000049454e44ae4260820000000840010824000000180000000210c0db01000000030000000000000000000000000000001b40000040000000340000000100000002000000000000bf000000bf00008c420000a841030000000000008000000080ffff91420000008000000080feffaf412100000008000000620000000c00000001000000150000000c00000004000000150000000c0000000400000051000000c8060000000000000000000048000000150000000000000000000000000000000000000046000000150000005000000090000000e0000000e8050000000000002000cc00490000001600000028000000460000001500000001000800000000000000000000000000000000001a0000000000000000000000ffffff00a6e3ff0000005400c680000054a6e30080000000ffffc60080c6ff0054000000ffe3a600a6540000ffffe300ffc680000080c600c6ffff0000008000e3ffff000054a600e3a65400a6e3c6005454540080008000008080005454a600540054000101010101010101010101010101010101010101010101010101010101010101010101010101010101010101010101010101010101010101010101010101010101010101010100ff01010101010101010101010101010101010101010101010101010101010101010101010101010101010101010101010101010101010101010101010101010101010101010101b1ff0101010101010101010101010101010101010101010101010101010101010101010101010101010101010101010101010101010101010101010101010101010101010101010100ff0101010101010101010101010101010101010101010101010101010101010101010101010101010101010101010101010101010101010101010101010101010101010111120db1ff01010101010101010101010101010101010101010101010101010101010101010101010101010101010101010101010101010101010101010101010101010101010101010f1049ff010108000000090a01111200090a0f10000013010102030000000d0101010e00000000000013111200090a0f10000013010108090a0101010101010e00000000000013011112ffff01050013010108001301010e13010108001301010203040101080013010102190a0101010e1301010e1301010800130101010f101301010101010102190a0101010e130111129eff11120b0c010111120b0c0111180a0f10040101010e06070101010e06070101050b0c01010813010111180a0f100401010101010e0607010101010101050b0c01010813010101ffff0f1004010101010e060701010f16170607010111120b0c01010105090a0101010e04010101010101010f161706070101010101020313010101010101010e0401010101010101ffff11120b0c01011112060701010108090a01010111120b0c0101010e06070101011112040101010101010108090a010101010101010e0b0c010101010101111204010101010101ffff010203130101050013010101020315040101011112000b0c0102030401010101011112130101010101020315040101010101010108000d010101010101011112130101010101ffff01010f100000060701010111120b0c05130101010e06140300000b0c01010101010102030d01010111120b0c0513010101010101111204010101010101010102030d01010101ffff01080013010108000d01010e090a0111120d010108000d0101010101010101010101010e060701010e090a0111120d01010101010105090a01010101010101010e0607010101ffff11120b0c0101010e0b0c0e00000b0c0500000d0111120401010101010101010101010108000d010e00000b0c0500000d01010101010f1013010101010101010108000d010101ffff11120b0c0101010e060701010101010101010101010203130101010101010e1301010105000d0101010101010101010101010101010105060701010e1301010105000d010101ffff0105000d01010800040101010101010101010101010102030401010101010e090a010f10060701010101010101010101010e0d01010102030d01010e090a010f100607010101ffff0101020300000004010101010101010101010101010101010500060701010108000000090a010101010101010101010101050000000000000b0c010108000000090a01010101ffff01010101010101010101010101010101010101010101010101010101010101010101010101010101010101010101010101010101010101010101010101010101010101010101ffff01010101010101010101010101010101010101010101010101010101010101010101010101010101010101010101010101010101010101010101010101010101010101010101e80501010101010101010101010101010101010101010101010101010101010101010101010101010101010101010101010101010101010101010101010101010101010101010101ffff0101010101010101010101010101010101010101010101010101010101010101010101010101010101010101010101010101010101010101010101010101010101010101010154064c0000006400000000000000000000004800000015000000000000000000000049000000160000002900aa0000000000000000000000803f00000000000000000000803f0000000000000000000000000000000000000000000000000000000000000000220000000c000000ffffffff460000001c00000010000000454d462b024000000c000000000000000e000000140000000000000010000000140000000400000003010800050000000b0200000000050000000c0216004900030000001e000400000007010400040000000701040049030000410b2000cc001500460000000000160049000000000028000000460000001500000001000800000000000000000000000000000000001a0000000000000000000000ffffff00a6e3ff0000005400c680000054a6e30080000000ffffc60080c6ff0054000000ffe3a600a6540000ffffe300ffc680000080c600c6ffff0000008000e3ffff000054a600e3a65400a6e3c6005454540080008000008080005454a600540054000101010101010101010101010101010101010101010101010101010101010101010101010101010101010101010101010101010101010101010101010101010101010101010100ff01010101010101010101010101010101010101010101010101010101010101010101010101010101010101010101010101010101010101010101010101010101010101010101b1ff0101010101010101010101010101010101010101010101010101010101010101010101010101010101010101010101010101010101010101010101010101010101010101010100ff0101010101010101010101010101010101010101010101010101010101010101010101010101010101010101010101010101010101010101010101010101010101010111120db1ff01010101010101010101010101010101010101010101010101010101010101010101010101010101010101010101010101010101010101010101010101010101010101010f1049ff010108000000090a01111200090a0f10000013010102030000000d0101010e00000000000013111200090a0f10000013010108090a0101010101010e00000000000013011112ffff01050013010108001301010e13010108001301010203040101080013010102190a0101010e1301010e1301010800130101010f101301010101010102190a0101010e130111129eff11120b0c010111120b0c0111180a0f10040101010e06070101010e06070101050b0c01010813010111180a0f100401010101010e0607010101010101050b0c01010813010101ffff0f1004010101010e060701010f16170607010111120b0c01010105090a0101010e04010101010101010f161706070101010101020313010101010101010e0401010101010101ffff11120b0c01011112060701010108090a01010111120b0c0101010e06070101011112040101010101010108090a010101010101010e0b0c010101010101111204010101010101ffff010203130101050013010101020315040101011112000b0c0102030401010101011112130101010101020315040101010101010108000d010101010101011112130101010101ffff01010f100000060701010111120b0c05130101010e06140300000b0c01010101010102030d01010111120b0c0513010101010101111204010101010101010102030d01010101ffff01080013010108000d01010e090a0111120d010108000d0101010101010101010101010e060701010e090a0111120d01010101010105090a01010101010101010e0607010101ffff11120b0c0101010e0b0c0e00000b0c0500000d0111120401010101010101010101010108000d010e00000b0c0500000d01010101010f1013010101010101010108000d010101ffff11120b0c0101010e060701010101010101010101010203130101010101010e1301010105000d0101010101010101010101010101010105060701010e1301010105000d010101ffff0105000d01010800040101010101010101010101010102030401010101010e090a010f10060701010101010101010101010e0d01010102030d01010e090a010f100607010101ffff0101020300000004010101010101010101010101010101010500060701010108000000090a010101010101010101010101050000000000000b0c010108000000090a01010101ffff01010101010101010101010101010101010101010101010101010101010101010101010101010101010101010101010101010101010101010101010101010101010101010101ffff01010101010101010101010101010101010101010101010101010101010101010101010101010101010101010101010101010101010101010101010101010101010101010101e80501010101010101010101010101010101010101010101010101010101010101010101010101010101010101010101010101010101010101010101010101010101010101010101ffff0101010101010101010101010101010101010101010101010101010101010101010101010101010101010101010101010101010101010101010101010101010101010101010154060c00000040092900aa000000000000001600490000000000040000002701ffff030000000000 твердость поверхностей 0100090000031e08000000002a05000000002a05000026060f004a0a574d464301000000000001004e420000000001000000280a000000000000280a0000010000006c00000000000000000000003d000000150000000000000000000000570600003f02000020454d4600000100280a00000c00000001000000000000000000000000000000900600001a040000b801000013010000000000000000000000000000c0b6060038320400460000002c00000020000000454d462b014001001c000000100000000210c0db010000006000000060000000460000001003000004030000454d462b224004000c000000000000001e4009000c00000000000000244001000c000000000000003040020010000000040000000000803f214007000c00000000000000084000055c020000500200000210c0db01000000000000000000000000000000000000000100000089504e470d0a1a0a0000000d494844520000003b00000015080200000077e101a2000000017352474200aece1ce9000000097048597300000e2600000e2601a2ef25fc000001d749444154484bed564b6ec2400c9df41c4462c58a0b50a95b0e508545b94cc365c2a2510fc0b6125c8015ab4ae11ee9c49e8fed71a652451791322bf06f9eed674f8abeefcda4ced3a4d00e6067c4ffdf325fe3cba1f0e770c16ba36877bc3b24c42cd817519de065f6895d5e6beec75d02cade60270f4fd754f66f7d0e0255846655d365dc9cea5cdb78c112c347c7bcd6ddedcc1934819801ee212a1721622a9329848cad37c94c5624af85ab89374112102748789a14074f42c4262de23fb5f4a385d026c6511010a717abc5d372a795d4018ff621f2910549ed2389c2e49d6c1bda7d19e7a928f7ad31ebe5828ed3fdfbcacc4e5b7be7c71bb361e387c305a19493d7528772358c01d9c78084331669b2dd30c05f9f2d31eb9aeb736e5358d7cd7b98eba11e7e0fb9a079edc8a6c4807fe304fac9d91c6332df0ed28a694758012545565c2c27aad717dadceed64a91814e089e8c144211c7c66a3e4cbb58ae2df96e1d37ac56a515006205c990434262e004e5095861a0e40cfb9fbd19430d42c8bcd600fefae4de322ca9f7759410bd553b28a823df04d167f1228946e7b51e147d41fc3231e80ac74f9e22728c1585fc6dad41dee188a7086760541b2a0916e4a662fe3ed628fd50d9fc7dfcd072aac1a657e31f17652a2df25c86af0000000049454e44ae42608200000840010824000000180000000210c0db01000000030000000000000000000000000000001b40000040000000340000000100000002000000000000bf000000bf00006c420000a841030000000000008000000080ffff77420000008000000080ffffaf412100000008000000620000000c00000001000000150000000c00000004000000150000000c0000000400000051000000b405000000000000000000003d00000015000000000000000000000000000000000000003b000000150000005000000078000000c8000000ec040000000000002000cc003e00000016000000280000003b000000150000000100080000000000000000000000000000000000140000000000000000000000ffffff0080c6ff00ffc68000c6ffff0000008000e3a65400a6540000ffffe30054000000ffe3a600e3ffff000054a60080000000ffffc60054a6e300a6e3ff0000005400c68000000080c6000101010101010101010101010101010101010101010101010101010101010101010101010101010101010101010101010101010101010101010101010101010101010101010101010101010101010101010101010101010101010101010101010101010101010101010101010101010101010101010101010101010101010101010101010101010101010101010101010101010101010101010101010101010101010101010101010101010101010101010101010101010101010101010101010101010101010101010101010101010101010101010101010101010101010101010101010101010101010101010101010101010101010101010101010101010101010101010101010101010101010101010101010101010101010101010101010101010101010101010101010f00000d0e011011000003010102000000000000060101010101010101010405000000120101010104050000001201010101010405000007080101ff011300030101010200060101010102090a0101101107080101010101010b0c0d0e010b0c0708010b0c0d0e010b0c07080101040507080b0c0708010e01101103010101040512010101011011030101010200060101010101010b0c06010101020003010b0c0601010102000301010f00030101020003010101040506010101011307080101010b0c12010101040512010101010101010101010101101106010101010101011011060101130d0e0101040506010101011307080101010f090a01010101130708010104051201010101010101010101010102000601010101010101020006010b0c07080101040512010101010f0d0e010101101103010101010f0d0e01010f090a010101010101010101010110110d0e01010101010110110d0e010b0c070801010b0c07080101010200000000000000120101010110110000000d0e0101010101010101010405000007080101010104050000070801010b0c070801010b0c0708ff01010405060101010b0c07080101010405060101040507080101010101010101010b0c07080101010101010b0c070801010b0c07080101040507080101010b0c12010101010f090a0101010113120101010405060101010101010101010101130d0e01010101010101130d0e0101130d0e010104051201010101010f0d0e010101020003010101010f0d0e01010b0c0708010101010113060101010f0003010113060101010f0003010102090a0101020003010e0101010f0003010101101112010101010f090a010110111201010101010113090a010b0c090a010113090a010b0c090a01010b0c07080b0c0d0e01010101020000000301040500000601010200000000000007080101010101010102000000090a0101010102000000090a010101010b0c00000d0e0101010101010101010101010101010101010101010101010101010101010101010101010101010101010101010101010101010101010101010101010101ff01010101010101010101010101010101010101010101010101010101010101010101010101010101010101010101010101010101010101010101010e0101010101010101010101010101010101010101010101010101010101010101010101010101010101010101010101010101010101010101010101010101010101010101010101010101010101010101010101010101010101010101010101010101010101010101010101010101010101010101010101014c0000006400000000000000000000003d0000001500000000000000000000003e000000160000002900aa0000000000000000000000803f00000000000000000000803f0000000000000000000000000000000000000000000000000000000000000000220000000c000000ffffffff460000001c00000010000000454d462b024000000c000000000000000e000000140000000000000010000000140000000400000003010800050000000b0200000000050000000c0216003e00030000001e0004000000070104000400000007010400bf020000410b2000cc0015003b000000000016003e0000000000280000003b000000150000000100080000000000000000000000000000000000140000000000000000000000ffffff0080c6ff00ffc68000c6ffff0000008000e3a65400a6540000ffffe30054000000ffe3a600e3ffff000054a60080000000ffffc60054a6e300a6e3ff0000005400c68000000080c6000101010101010101010101010101010101010101010101010101010101010101010101010101010101010101010101010101010101010101010101010101010101010101010101010101010101010101010101010101010101010101010101010101010101010101010101010101010101010101010101010101010101010101010101010101010101010101010101010101010101010101010101010101010101010101010101010101010101010101010101010101010101010101010101010101010101010101010101010101010101010101010101010101010101010101010101010101010101010101010101010101010101010101010101010101010101010101010101010101010101010101010101010101010101010101010101010101010101010101010101010f00000d0e011011000003010102000000000000060101010101010101010405000000120101010104050000001201010101010405000007080101ff011300030101010200060101010102090a0101101107080101010101010b0c0d0e010b0c0708010b0c0d0e010b0c07080101040507080b0c0708010e01101103010101040512010101011011030101010200060101010101010b0c06010101020003010b0c0601010102000301010f00030101020003010101040506010101011307080101010b0c12010101040512010101010101010101010101101106010101010101011011060101130d0e0101040506010101011307080101010f090a01010101130708010104051201010101010101010101010102000601010101010101020006010b0c07080101040512010101010f0d0e010101101103010101010f0d0e01010f090a010101010101010101010110110d0e01010101010110110d0e010b0c070801010b0c07080101010200000000000000120101010110110000000d0e0101010101010101010405000007080101010104050000070801010b0c070801010b0c0708ff01010405060101010b0c07080101010405060101040507080101010101010101010b0c07080101010101010b0c070801010b0c07080101040507080101010b0c12010101010f090a0101010113120101010405060101010101010101010101130d0e01010101010101130d0e0101130d0e010104051201010101010f0d0e010101020003010101010f0d0e01010b0c0708010101010113060101010f0003010113060101010f0003010102090a0101020003010e0101010f0003010101101112010101010f090a010110111201010101010113090a010b0c090a010113090a010b0c090a01010b0c07080b0c0d0e01010101020000000301040500000601010200000000000007080101010101010102000000090a0101010102000000090a010101010b0c00000d0e0101010101010101010101010101010101010101010101010101010101010101010101010101010101010101010101010101010101010101010101010101ff01010101010101010101010101010101010101010101010101010101010101010101010101010101010101010101010101010101010101010101010e0101010101010101010101010101010101010101010101010101010101010101010101010101010101010101010101010101010101010101010101010101010101010101010101010101010101010101010101010101010101010101010101010101010101010101010101010101010101010101010101010c00000040092900aa0000000000000016003e0000000000040000002701ffff030000000000, неподвижное соединение с реверсивным движением.
По стандарту ГОСТ 1139 – 80 выбираем размеры шлицевого соединения
0100090000035c0a000000005806000000005806000026060f00a60c574d46430100000000000100d2f60000000001000000840c000000000000840c0000010000006c000000000000000000000057000000150000000000000000000000000900003f02000020454d4600000100840c00000c00000001000000000000000000000000000000900600001a040000b801000013010000000000000000000000000000c0b6060038320400460000002c00000020000000454d462b014001001c000000100000000210c0db010000006000000060000000460000004c03000040030000454d462b224004000c000000000000001e4009000c00000000000000244001000c000000000000003040020010000000040000000000803f214007000c0000000000000008400005980200008c0200000210c0db01000000000000000000000000000000000000000100000089504e470d0a1a0a0000000d4948445200000054000000150802000000570d5e5f000000017352474200aece1ce9000000097048597300000e2600000e2601a2ef25fc00000215494441545847ed57bb8d8340101dae0e5bbae82237604b4e5d00c201a457c1d1807103d78153080eb900a796a00147179d047d703bbbb0ec1f2143627b23c33ef6cd9b19de60af691a78d6f5f6acc251f74bfcb356bfab7c79f4d4b5cfeae9b352677b8dc8f3442a29925962e85511c363ab4a038020ad842be19ac3eefc51249014c2199495df21bb0227bd92e177b22b8f832c5e0c8cc635277797f19e94c8e5e9ef76678ca0178f791699d55e9836e9ec349d5366a1b5973aa5dd674da16cb26af1de19c670f18638e62ebdfca219926bd5ceba822cb15ed83678a74fd610a633bcfaef06b07a5f6816177c2ccdb667b048c9ca06bdaabe9e7348e250e7648475f68d0671585b6dd78fd3203f5f992f97975b1afb241b72c02e4c2b9e05b29379aadfdc9c104ab63eb85f841fab2a26a63c453a65afb3cebe22482b8774825d6efd563dc914c42160c4ca72605af1a853ad7179212f969a106b15c66ee0e941fa692e2b1988cb68550ce50f6011c6491e9d4a92c995523a1e901dc3c41b9a9e369d4bfb5d6d4f4f0ffcadb1e5cb232a6fdc45efb4ad77e4ddd86c6eb63cd226b561f888d7c7ef7c43c6e164e882e2d029127904099f25ed063ed106afb8361a1efb703163a8dbcbcfb413c33461261a77f609a74ac7d0ace2f5e228491524f7910b18a0ca9565a69b48b96bba1b62317f657640fd9308a5b0bbc3188fa0c67ad5c3e05f7f691fa6942385bc2a3f32610f03ff07bcac647c0aeecb960000000049454e44ae4260820840010824000000180000000210c0db01000000030000000000000000000000000000001b40000040000000340000000100000002000000000000bf000000bf0000a8420000a841030000000000008000000080feffaf420000008000000080feffaf412100000008000000620000000c00000001000000150000000c00000004000000150000000c0000000400000051000000d40700000000000000000000570000001500000000000000000000000000000000000000540000001500000050000000a0000000f0000000e4060000000000002000cc00580000001600000028000000540000001500000001000800000000000000000000000000000000001e0000000000000000000000ffffff0080c6ff0054000000ffe3a60054a6e300a6540000ffffe300e3ffff000054a600e3a654000080c600ffc68000a6e3ff0000005400c6ffff000000800080000000ffffc6005454540054540000c6800000a654540054a6c6005480c600a6c6a60054005400a6e3e300c68054008000540001010101010101010101010101010101010101010101010101010101010101010101010101010101010101010101010101010101010101010101010101010101010101010101010101010101010101010101010101010101010101010101010101010101010101010101010101010101010101010101010101010101010101010101010101010101010101010101010101010101010101010101010101010101010101010101010101010101010101010101010101010101010101010101010101010101010101010101010101010101010101010101010101010101010101010101010101010101010101010101010101010101010101010101010101010101010101010101010101010101010101010101010101010101010101010101010101010101010101010101010101010101010101010101010101010101010101010101010101010101010101010101010101010101010101010101010101010101010101010101010101010101010101010101010101010101010101010101010101010101010101010101010101010101010101010101010101010101010101010101010102000000000003040101010101010101010101010101010101010101010101010101010101010203040101010101010b0000000000000a01010101010f1000060701010d0e0003040f1000060701010d0e00030401020304010105001501010101010101010101010101010101010101010101010101010101010f100a0101010101010d1a040101010b0a0101010101010d1d120101010102000c01010d1d120101010102000c01010d0e0c0101010d0e1501010101010101010101010101010101010101010101010101010101010b11120101010101010506070101020a0101010101010d160708090c0102030401010d160708090c0102030401010809150101010105000c01010101010101010b000000000000000000030401010101010101010d0e0a010101010101010b15010101010101010101010d16070200060702030401010d1607020006070203040101010b06070101010f101501010101010101010101010101010101010101010101010101010101010b06070101010101010809150101010101010101010d16070b150b0c02030401010d16070b150b0c020304010101051112010101010b11120101010101010101010101010101010101010101010101010101010102000c0101010101010108090a01010101010101010d161b1a040d1c02030401010d161b1a040d1c0203040101010d0e0c01010101050304010101010101010b000000000000000000030401010101010101010108091501010101010101010d0e0c010101010101010d161706070118191a0401010d161706070118191a040101010f100a0101010105000c010101010101010101010101010101010101010101010101010101010105030401010101010101010b11120101010101010d130e0a010102140e0c01010d130e0a010102140e0c010101010b060701010105030401010101010101010101010101010101010101010101010101010101010f100a010101010101010102000c01010101010f10001112010108090003040f100011120101080900030401010105111201010809111201010101010101010101010101010101010101010101010101010101010105111201010b0a01010105000c0101010101010101010101010101010101010101010101010101010101010101050304010809000a01010101010101010101010101010101010101010101010101010b0c0101010d0e0c01010b0304010f10111201010101010101010101010101010101010101010101010101010101010101020000000000030401010101010101010101010101010101010101010101010101010105000000000000060701010200000003040101010101010101010101010101010101010101010101010101010101010101010101010101010101010101010101010101010101010101010101010101010101010101010101010101010101010101010101010101010101010101010101010101010101010101010101010101010101010101010101010101010101010101010101010101010101010101010101010101010101010101010101010101010101010101010101010101010101010101010101010101010101010101010101010101010101010101010101010101010101010101010101010101010101010101010101010101010101010101010101010101010101010101010101010101010101010101010101010101010101010101010101010101010101010101010101010101010101010101010101010101010101010101010101010101010101010101010101010101010101010101010101010101010101010101010101010101010101010101010101010101010101014c0000006400000000000000000000005700000015000000000000000000000058000000160000002900aa0000000000000000000000803f00000000000000000000803f0000000000000000000000000000000000000000000000000000000000000000220000000c000000ffffffff460000001c00000010000000454d462b024000000c000000000000000e000000140000000000000010000000140000000400000003010800050000000b0200000000050000000c0216005800030000001e0004000000070104000400000007010400cf030000410b2000cc001500540000000000160058000000000028000000540000001500000001000800000000000000000000000000000000001e0000000000000000000000ffffff0080c6ff0054000000ffe3a60054a6e300a6540000ffffe300e3ffff000054a600e3a654000080c600ffc68000a6e3ff0000005400c6ffff000000800080000000ffffc6005454540054540000c6800000a654540054a6c6005480c600a6c6a60054005400a6e3e300c68054008000540001010101010101010101010101010101010101010101010101010101010101010101010101010101010101010101010101010101010101010101010101010101010101010101010101010101010101010101010101010101010101010101010101010101010101010101010101010101010101010101010101010101010101010101010101010101010101010101010101010101010101010101010101010101010101010101010101010101010101010101010101010101010101010101010101010101010101010101010101010101010101010101010101010101010101010101010101010101010101010101010101010101010101010101010101010101010101010101010101010101010101010101010101010101010101010101010101010101010101010101010101010101010101010101010101010101010101010101010101010101010101010101010101010101010101010101010101010101010101010101010101010101010101010101010101010101010101010101010101010101010101010101010101010101010101010101010101010101010101010101010102000000000003040101010101010101010101010101010101010101010101010101010101010203040101010101010b0000000000000a01010101010f1000060701010d0e0003040f1000060701010d0e00030401020304010105001501010101010101010101010101010101010101010101010101010101010f100a0101010101010d1a040101010b0a0101010101010d1d120101010102000c01010d1d120101010102000c01010d0e0c0101010d0e1501010101010101010101010101010101010101010101010101010101010b11120101010101010506070101020a0101010101010d160708090c0102030401010d160708090c0102030401010809150101010105000c01010101010101010b000000000000000000030401010101010101010d0e0a010101010101010b15010101010101010101010d16070200060702030401010d1607020006070203040101010b06070101010f101501010101010101010101010101010101010101010101010101010101010b06070101010101010809150101010101010101010d16070b150b0c02030401010d16070b150b0c020304010101051112010101010b11120101010101010101010101010101010101010101010101010101010102000c0101010101010108090a01010101010101010d161b1a040d1c02030401010d161b1a040d1c0203040101010d0e0c01010101050304010101010101010b000000000000000000030401010101010101010108091501010101010101010d0e0c010101010101010d161706070118191a0401010d161706070118191a040101010f100a0101010105000c010101010101010101010101010101010101010101010101010101010105030401010101010101010b11120101010101010d130e0a010102140e0c01010d130e0a010102140e0c010101010b060701010105030401010101010101010101010101010101010101010101010101010101010f100a010101010101010102000c01010101010f10001112010108090003040f100011120101080900030401010105111201010809111201010101010101010101010101010101010101010101010101010101010105111201010b0a01010105000c0101010101010101010101010101010101010101010101010101010101010101050304010809000a01010101010101010101010101010101010101010101010101010b0c0101010d0e0c01010b0304010f10111201010101010101010101010101010101010101010101010101010101010101020000000000030401010101010101010101010101010101010101010101010101010105000000000000060701010200000003040101010101010101010101010101010101010101010101010101010101010101010101010101010101010101010101010101010101010101010101010101010101010101010101010101010101010101010101010101010101010101010101010101010101010101010101010101010101010101010101010101010101010101010101010101010101010101010101010101010101010101010101010101010101010101010101010101010101010101010101010101010101010101010101010101010101010101010101010101010101010101010101010101010101010101010101010101010101010101010101010101010101010101010101010101010101010101010101010101010101010101010101010101010101010101010101010101010101010101010101010101010101010101010101010101010101010101010101010101010101010101010101010101010101010101010101010101010101010101010101010101010101010c00000040092900aa000000000000001600580000000000040000002701ffff030000000000 – наружный диаметр;
010009000003760a000000006c06000000006c06000026060f00ce0c574d4643010000000000010072110000000001000000ac0c000000000000ac0c0000010000006c000000000000000000000055000000150000000000000000000000cb0800003f02000020454d4600000100ac0c00000c00000001000000000000000000000000000000900600001a040000b801000013010000000000000000000000000000c0b6060038320400460000002c00000020000000454d462b014001001c000000100000000210c0db01000000600000006000000046000000680300005c030000454d462b224004000c000000000000001e4009000c00000000000000244001000c000000000000003040020010000000040000000000803f214007000c0000000000000008400005b4020000a80200000210c0db01000000000000000000000000000000000000000100000089504e470d0a1a0a0000000d49484452000000520000001508020000005a132e18000000017352474200aece1ce9000000097048597300000e2600000e2601a2ef25fc00000230494441545847ed57317283301094f30e33e3ca151fc03369fd800c2e4ceb17d81f307c2079815b28c2f801693d031f70e5ca33f00f722781908424e2109a6075c0a1bbdd5bf6c4acaa2a32bdf5323dc888f809bbed7b1ecde88af2ffaa056db7bd63958584f84b6724d865b2d1f0dab04d1f6d9272a4e4745bb034cd2a629f9030d33f1c7497eedcdd1a69267e5cb0bde9d538f95902036ccc3b026a8a998313e98384e27d03398308175f1660338a29cd3194a7ad6e50de4724448bd111cfab141f3296b85efa636ad8521b4692981189864b5b2cd40a4b540d4a05efb44cf4c550d88af6fabad2ca426f3a7a9dd4487863c46f59016e2f0021c599a0c72c94af19226b0c3a797e0a52121eb6f31a45714bad2e0e466f5d9f7c278196f27e45d9aef6e483bd0c95a581a3999165b20f485c1c3d9b933baf6f7e7abe80db97c93b396c09d4ac2e4b0cc0a605856b9e855ebb8b86045bf2479f810e3827f3ed017df34b3e1bc068730237d3322765c3d7d3e09443cfdcb676b920730cc0569a5b5eced07bd34eb8af345fd9c1465a3f1db9ce12bec7eb5d98cf7984982b7ba31b68de3a04f5acaef1ceac0b538c7a5c4185d9254ec8af443e5fb884a4b742e807f22dc80a1a0d185a71e7510f7fde0e3e70e1e3d469cf14531b1a3341348718a487a6445da13e3e0c9a5bcdcbca2c960f28d456a57cca246f4bc0c8ce6853acbf2f863ab93ce7eaabbfc5cc6d4c688958bb763ae84a6802bb879beedc36c7ccf0a436bdf5fcf19c52cf9fdd9e52b7bf01e6ab2e17ab73b7ac0000000049454e44ae426082000840010824000000180000000210c0db01000000030000000000000000000000000000001b40000040000000340000000100000002000000000000bf000000bf0000a4420000a841030000000000008000000080ffffab420000008000000080ffffaf412100000008000000620000000c00000001000000150000000c00000004000000150000000c0000000400000051000000e00700000000000000000000550000001500000000000000000000000000000000000000520000001500000050000000ac000000fc000000e4060000000000002000cc0056000000160000002800000052000000150000000100080000000000000000000000000000000000210000000000000000000000ffffff00c6ffff0000008000c6800000e3a6540054a6e30080000000ffffc60080c6ff0054000000ffe3a600a6e3ff0000005400ffc680000080c60054a6a600a6540000ffffe300e3ffff000054a6005454540054540000a6e3c600a654540054a6c6005480c600a6c6a60054005400a6e3e300c6805400a6a65400800054000101010101010101010101010101010101010101010101010101010101010101010101010101010101010101010101010101010101010101010101010101010101010101010101010101010101010101010101010101010101010101010101010101010101010101010101010101010101010101010101010101010101010101010101010101010101010101010101010101010101010101010101010101010101010101010101010101010101010101010101010101010101010101010101010101010101010101010101010101010101010101010101010101010101010101010101010101010101010101010101010101010101010101010101010101010101010101010101010101010101010101010101010101010101010101010101010101010101010101010101010101010101010101010101010101010101010101010101010101010101010101010101010101010101010101010101010101010101010101010101010101010101010101010101010101010101010101010101010101010101010101010101010101010101010101010101010101010101010101010101010109000004010f00111201010101010101010101010101010101010101010101010101010c0d0000000e0101010f000000000000050101010101020300111201010c0d000a0b020300111201010c0d000a0b030413140401091f03050c18120101010101010101010101010101010101010101010101010c0d04010109000501010c1c0b0101010f050101010101010c20080101010109000e01010c20080101010109000e010c0102030501010600050101010101010101010101010101010101010101010101010101010f07080101010f07080101061112010109050101010101010c181213140e01090a0b01010c181213140e01090a0b01040102030501011314040101010101010101010f0000000000000000000a0b010101010113141112010101060a0b0101010f04010101010101010101010c181209001112090a0b01010c181209001112090a0b01040113140401010106070801010101010101010101010101010101010101010101010101131411120101010f07080101011314040101010101010101010c18120f040f0e090a0b01010c18120f040f0e090a0b010401010f07080101090a0b010101010101010101010101010101010101010101010101011314001112010c0d04010101010113140501010101010101010c181d1c0b0c1e090a0b01010c181d1c0b0c1e090a0b010401010c0d0501010c0d0e01010101010101010f0000000000000000000a0b0101010101010f07170d000011120101010101010c0d0e010101010101010c18191112011a1b1c0b01010c18191112011a1b1c0b0104010101060a0b01090004010101010101010101010101010101010101010101010101010109000e0101010101010101010101010f07080101010101010c150d05010109160d0e01010c150d05010109160d0e010c01010101090000071011120101010101010101010101010101010101010101010101010113140401010101010101010101010109000e0101010101020300070801011314000a0b020300070801011314000a0b03040101010101010109070801010101010101010101010101010101010101010101010101010c0d050101010101010f0501010106000e01010101010101010101010101010101010101010101010101010101010101010101010101010c0d0e0101010101010101010101010101010101010101010101010101010c0d0401010101010f0a0b01020307080101010101010101010101010101010101010101010101010101010101010101010101010101020305010101010101010101010101010101010101010101010101010101010106000708010101090000000a0b01010101010101010101010101010101010101010101010101010101010101010101010101010203000401010101010101010101010101010101010101010101010101010101010101010101010101010101010101010101010101010101010101010101010101010101010101010101010101010101010101010101010101010101010101010101010101010101010101010101010101010101010101010101010101010101010101010101010101010101010101010101010101010101010101010101010101010101010101010101010101010101010101010101010101010101010101010101010101010101010101010101010101010101010101010101010101010101010101010101010101010101010101010101010101010101010101010101010101010101010101010101010101010101010101010101010101010101010101010101010101010101010101010101010101010101010101010101010101010101010101010101010101014c0000006400000000000000000000005500000015000000000000000000000056000000160000002900aa0000000000000000000000803f00000000000000000000803f0000000000000000000000000000000000000000000000000000000000000000220000000c000000ffffffff460000001c00000010000000454d462b024000000c000000000000000e000000140000000000000010000000140000000400000003010800050000000b0200000000050000000c0216005600030000001e0004000000070104000400000007010400d5030000410b2000cc00150052000000000016005600000000002800000052000000150000000100080000000000000000000000000000000000210000000000000000000000ffffff00c6ffff0000008000c6800000e3a6540054a6e30080000000ffffc60080c6ff0054000000ffe3a600a6e3ff0000005400ffc680000080c60054a6a600a6540000ffffe300e3ffff000054a6005454540054540000a6e3c600a654540054a6c6005480c600a6c6a60054005400a6e3e300c6805400a6a65400800054000101010101010101010101010101010101010101010101010101010101010101010101010101010101010101010101010101010101010101010101010101010101010101010101010101010101010101010101010101010101010101010101010101010101010101010101010101010101010101010101010101010101010101010101010101010101010101010101010101010101010101010101010101010101010101010101010101010101010101010101010101010101010101010101010101010101010101010101010101010101010101010101010101010101010101010101010101010101010101010101010101010101010101010101010101010101010101010101010101010101010101010101010101010101010101010101010101010101010101010101010101010101010101010101010101010101010101010101010101010101010101010101010101010101010101010101010101010101010101010101010101010101010101010101010101010101010101010101010101010101010101010101010101010101010101010101010101010101010101010101010109000004010f00111201010101010101010101010101010101010101010101010101010c0d0000000e0101010f000000000000050101010101020300111201010c0d000a0b020300111201010c0d000a0b030413140401091f03050c18120101010101010101010101010101010101010101010101010c0d04010109000501010c1c0b0101010f050101010101010c20080101010109000e01010c20080101010109000e010c0102030501010600050101010101010101010101010101010101010101010101010101010f07080101010f07080101061112010109050101010101010c181213140e01090a0b01010c181213140e01090a0b01040102030501011314040101010101010101010f0000000000000000000a0b010101010113141112010101060a0b0101010f04010101010101010101010c181209001112090a0b01010c181209001112090a0b01040113140401010106070801010101010101010101010101010101010101010101010101131411120101010f07080101011314040101010101010101010c18120f040f0e090a0b01010c18120f040f0e090a0b010401010f07080101090a0b010101010101010101010101010101010101010101010101011314001112010c0d04010101010113140501010101010101010c181d1c0b0c1e090a0b01010c181d1c0b0c1e090a0b010401010c0d0501010c0d0e01010101010101010f0000000000000000000a0b0101010101010f07170d000011120101010101010c0d0e010101010101010c18191112011a1b1c0b01010c18191112011a1b1c0b0104010101060a0b01090004010101010101010101010101010101010101010101010101010109000e0101010101010101010101010f07080101010101010c150d05010109160d0e01010c150d05010109160d0e010c01010101090000071011120101010101010101010101010101010101010101010101010113140401010101010101010101010109000e0101010101020300070801011314000a0b020300070801011314000a0b03040101010101010109070801010101010101010101010101010101010101010101010101010c0d050101010101010f0501010106000e01010101010101010101010101010101010101010101010101010101010101010101010101010c0d0e0101010101010101010101010101010101010101010101010101010c0d0401010101010f0a0b01020307080101010101010101010101010101010101010101010101010101010101010101010101010101020305010101010101010101010101010101010101010101010101010101010106000708010101090000000a0b01010101010101010101010101010101010101010101010101010101010101010101010101010203000401010101010101010101010101010101010101010101010101010101010101010101010101010101010101010101010101010101010101010101010101010101010101010101010101010101010101010101010101010101010101010101010101010101010101010101010101010101010101010101010101010101010101010101010101010101010101010101010101010101010101010101010101010101010101010101010101010101010101010101010101010101010101010101010101010101010101010101010101010101010101010101010101010101010101010101010101010101010101010101010101010101010101010101010101010101010101010101010101010101010101010101010101010101010101010101010101010101010101010101010101010101010101010101010101010101010101010101010101010c00000040092900aa000000000000001600560000000000040000002701ffff030000000000 - внутренний диаметр;
010009000003880b000000000007000000000007000026060f00f60d574d464301000000000001004a920000000001000000d40d000000000000d40d0000010000006c000000000000000000000062000000150000000000000000000000200a00003f02000020454d4600000100d40d00000c00000001000000000000000000000000000000900600001a040000b801000013010000000000000000000000000000c0b6060038320400460000002c00000020000000454d462b014001001c000000100000000210c0db010000006000000060000000460000009403000088030000454d462b224004000c000000000000001e4009000c00000000000000244001000c000000000000003040020010000000040000000000803f214007000c0000000000000008400005e0020000d40200000210c0db01000000000000000000000000000000000000000100000089504e470d0a1a0a0000000d494844520000005f000000150802000000afeda5a8000000017352474200aece1ce9000000097048597300000e2600000e2601a2ef25fc0000025a494441545847ed98bdadc23010808f37074854545900245a06405040cb042f0b1016784c401b8a1731002d1259808a0a29d923cf67c78e49727622b01e45ae4040cee7f3e7fb537a599641270481af8e8c814047c7141e399d78d7e3b28bbb58d209b0ba23e41a000457f5d3d597245cc0224c2ae6717b25750ac50a3421c5adc72037a5bc7e232505a07c78fe40fd29d4a8637334b9aec0e41090a2c37c32dfd86b986464ea87d3c356dfdb7468b4a3e97292eef0483ad27b79bfae76aca553064f9fb9f284525571aa1f44a5a4e06bd7c9e9e0ba20c40fac3c0e6fa4091d7afbeaeae7a4d431335d267aa4617ae03f05309b4edeb3927b04c109f6d976cc42753062366e8fb4ae7fc9ee267a5c5596c7da65cd5b617afc09d801b82376e1ae9232f7c34574ba088fe2f32df4e70cd768a02f30e9083af119abce7ed5b7bb33de9a0bd06f1323f436e9f17b0d61d2908dd5ddc1749ee361d0c15f018b82b21874389df47183c57caad8602481376cc0caea5e2b85f4b81cacbd6b1bc03657fb2b3f88d687383eacbd19118eb40ed2492fa748878191040161cb5d66c53b4423729b90fed00388eec9f3e352aa94d68e672c5127935bb8a10d533a4807f96b3b8834a36c39ca2c1636ec004546c5bbda02c6cb4c7056133dbf484b948f37d86d7c63c6533a59f6345e34e929af4c3ef5f62ba3a8367d9556e84dcae82c6fc3e5d9bfd40e6d3a807058fb57bddfd56ca58fff32f6a5f3c5e65a56c8998fe8e242931c60a5c9ea94592cb3ebf43efefd0e2b74133097a356a5bf8df287bfc1c072f45f6818c6cf8f9d3677fd6edd0f8f9d771fb7a5bd8e8e09d81f80fc4366cd9365a70000000049454e44ae4260820000000840010824000000180000000210c0db01000000030000000000000000000000000000001b40000040000000340000000100000002000000000000bf000000bf0000be420000a841030000000000008000000080ffffc5420000008000000080ffffaf412100000008000000620000000c00000001000000150000000c00000004000000150000000c0000000400000051000000dc08000000000000000000006200000015000000000000000000000000000000000000005f0000001500000050000000ac000000fc000000e0070000000000002000cc006300000016000000280000005f000000150000000100080000000000000000000000000000000000210000000000000000000000ffffff000080c60080000000ffffc600c6800000a6e3ff0054005400ffe3a60080c6ff0054000000e3ffff000054a600e3a65400c6ffff0000008000a6540000ffffe3005400800054a6e300ffc68000a6800000545454000000540054540000a654540054a6c6005480c600a6c6a600a6e3e300c68054008000540080c6e300010101010101010101010101010101010101010101010101010101010101010101010101010101010101010101010101010101010101010101010101010101010101010101010101010101010101010101010101010101010101010101010101010101010101010101010101010101010101010101010101010101010101010101010101010101010101010101010101010101010101010101010101010101010101010101010101010101010101010101010101010101010101010101010101010101010101010101010101010101010101010101010101010101010101010101010101010101010101010101010101010101010101010101010101010101010101010101010101010101010101010101010101010101010101010101010101010101010101010101010101010101010101010101010101010101010101010101010101010101010101010101010101010101010b0c14010101010101010101010101010101010101010101010101010101010101010101010101010101010101010101010101010101010101010101010101010101010101010101010101010101010101010101010101010101010101010101010e0f1401010101010101010101010101010101010101010101010101010101010101010101010101010103061920000003040101010101010101010101010101010101010101010101010101010b0c0000000000050101020000000000000d010b0c101101010e0f000010110101010101010e0f00101101010617000a080e0f00101101010617000a080c0b0c030401130a080101010101010101010101010101010101010101010101010101010101130a0801010101060708010101020d010b0c1011010e0f10110b0c1011010101010101061f04010101010900140101061f0401010101090014010101021011010102101101010101010101010101010101010101010101010101010101010101130a0801010101011310110101090d01010101010113001401010900140101010101010619110b0c1401090a0801010619110b0c1401090a08010101130304010109001401010101010101020000000000000000000a08010101010101010101130a0801010101010102050101010101010101010102030401010e0f0d01010101010106191109001011090a08010106191109001011090a0801010106070801010e0f0501010101010101010101010101010101010101010101010101010101130a080101010101010b0c0501010101010101010b0c101101010e0f0501010101010106191102050214090a08010106191102050214090a08010f010e0f0d01010b0c1011010101010101010101010101010101010101010101010101010101130a08010101010101010b0c0d010101010101010b0c101101010b0c1011010101010106191d0708061e090a08010106191d0708061e090a0801010101020a08010b0c1011010101010101020000000000000000000a08010101010101010101130a0801010101010101010617140101010101010b0c101101010b0c1011010101010106191a1011011b1c0708010106191a1011011b1c07080103010113150c140e0f0501010101010101010101010101010101010101010101010101010101130a0801010101010101010102030401010101010b0c101101010e0f101101010101010616170d01010918171401010616170d010109181714010101010903040200030401010101010101010101010101010101010101010101010101010101130a0801010101010101010109001401010101010102030401010e0f0501010101010e0f00030401010b0c000a080e0f00030401010b0c000a080101010e12080101010101010101010101010101010101010101010101010101010101090304130a0801010101020d010101130014010101010101090a08010109001401010101010101010101010101010101010101010101010101010101010101010b0c0d0101010101010101010101010101010101010101010101010101010101010e0f000a0801010101020a08010e0f03040101010101010b0c10110b0c0304010101010101010101010101010101010101010101010101010101010101010101020501010101010101010101010101010101010101010101010101010101010101010607080101010101090000000a0801010101010101010b0c00000304010101010101010101010101010101010101010101010101010101010101010101020003040101010101010101010101010101010101010101010101010101010101010101010101010101010101010101010101010101010101010101010101010101010101010101010101010101010101010101010101010101010101010101010101010101010101010101010101010101010101010101010101010101010101010101010101010101010101010101010101010101010101010101010101010101010101010101010101010101010101010101010101010101010101ff0101010101010101010101010101010101010101010101010101010101010101010101010101010101010101010101010101010101010101010101010101010101010101010101010101010101010101010101010101010101010101010101ff0101010101010101010101010101010101010101010101010101010101010101010101010101010101010101010101010101010101010101010101010101010101010101010101010101010101010101010101010101010101010101010101ff4c0000006400000000000000000000006200000015000000000000000000000063000000160000002900aa0000000000000000000000803f00000000000000000000803f0000000000000000000000000000000000000000000000000000000000000000220000000c000000ffffffff460000001c00000010000000454d462b024000000c000000000000000e000000140000000000000010000000140000000400000003010800050000000b0200000000050000000c0216006300030000001e000400000007010400040000000701040053040000410b2000cc0015005f00000000001600630000000000280000005f000000150000000100080000000000000000000000000000000000210000000000000000000000ffffff000080c60080000000ffffc600c6800000a6e3ff0054005400ffe3a60080c6ff0054000000e3ffff000054a600e3a65400c6ffff0000008000a6540000ffffe3005400800054a6e300ffc68000a6800000545454000000540054540000a654540054a6c6005480c600a6c6a600a6e3e300c68054008000540080c6e300010101010101010101010101010101010101010101010101010101010101010101010101010101010101010101010101010101010101010101010101010101010101010101010101010101010101010101010101010101010101010101010101010101010101010101010101010101010101010101010101010101010101010101010101010101010101010101010101010101010101010101010101010101010101010101010101010101010101010101010101010101010101010101010101010101010101010101010101010101010101010101010101010101010101010101010101010101010101010101010101010101010101010101010101010101010101010101010101010101010101010101010101010101010101010101010101010101010101010101010101010101010101010101010101010101010101010101010101010101010101010101010101010101010b0c14010101010101010101010101010101010101010101010101010101010101010101010101010101010101010101010101010101010101010101010101010101010101010101010101010101010101010101010101010101010101010101010e0f1401010101010101010101010101010101010101010101010101010101010101010101010101010103061920000003040101010101010101010101010101010101010101010101010101010b0c0000000000050101020000000000000d010b0c101101010e0f000010110101010101010e0f00101101010617000a080e0f00101101010617000a080c0b0c030401130a080101010101010101010101010101010101010101010101010101010101130a0801010101060708010101020d010b0c1011010e0f10110b0c1011010101010101061f04010101010900140101061f0401010101090014010101021011010102101101010101010101010101010101010101010101010101010101010101130a0801010101011310110101090d01010101010113001401010900140101010101010619110b0c1401090a0801010619110b0c1401090a08010101130304010109001401010101010101020000000000000000000a08010101010101010101130a0801010101010102050101010101010101010102030401010e0f0d01010101010106191109001011090a08010106191109001011090a0801010106070801010e0f0501010101010101010101010101010101010101010101010101010101130a080101010101010b0c0501010101010101010b0c101101010e0f0501010101010106191102050214090a08010106191102050214090a08010f010e0f0d01010b0c1011010101010101010101010101010101010101010101010101010101130a08010101010101010b0c0d010101010101010b0c101101010b0c1011010101010106191d0708061e090a08010106191d0708061e090a0801010101020a08010b0c1011010101010101020000000000000000000a08010101010101010101130a0801010101010101010617140101010101010b0c101101010b0c1011010101010106191a1011011b1c0708010106191a1011011b1c07080103010113150c140e0f0501010101010101010101010101010101010101010101010101010101130a0801010101010101010102030401010101010b0c101101010e0f101101010101010616170d01010918171401010616170d010109181714010101010903040200030401010101010101010101010101010101010101010101010101010101130a0801010101010101010109001401010101010102030401010e0f0501010101010e0f00030401010b0c000a080e0f00030401010b0c000a080101010e12080101010101010101010101010101010101010101010101010101010101090304130a0801010101020d010101130014010101010101090a08010109001401010101010101010101010101010101010101010101010101010101010101010b0c0d0101010101010101010101010101010101010101010101010101010101010e0f000a0801010101020a08010e0f03040101010101010b0c10110b0c0304010101010101010101010101010101010101010101010101010101010101010101020501010101010101010101010101010101010101010101010101010101010101010607080101010101090000000a0801010101010101010b0c00000304010101010101010101010101010101010101010101010101010101010101010101020003040101010101010101010101010101010101010101010101010101010101010101010101010101010101010101010101010101010101010101010101010101010101010101010101010101010101010101010101010101010101010101010101010101010101010101010101010101010101010101010101010101010101010101010101010101010101010101010101010101010101010101010101010101010101010101010101010101010101010101010101010101010101ff0101010101010101010101010101010101010101010101010101010101010101010101010101010101010101010101010101010101010101010101010101010101010101010101010101010101010101010101010101010101010101010101ff0101010101010101010101010101010101010101010101010101010101010101010101010101010101010101010101010101010101010101010101010101010101010101010101010101010101010101010101010101010101010101010101ff0c00000040092900aa000000000000001600630000000000040000002701ffff030000000000 - ширина шлица;
0100090000036a06000000001a04000000001a04000026060f002a08574d4643010000000000010062f50000000001000000080800000000000008080000010000006c00000000000000000000002b0000001500000000000000000000007f0400003f02000020454d4600000100080800000c00000001000000000000000000000000000000900600001a040000b801000013010000000000000000000000000000c0b6060038320400460000002c00000020000000454d462b014001001c000000100000000210c0db01000000600000006000000046000000380200002c020000454d462b224004000c000000000000001e4009000c00000000000000244001000c000000000000003040020010000000040000000000803f214007000c000000000000000840000584010000780100000210c0db01000000000000000000000000000000000000000100000089504e470d0a1a0a0000000d494844520000002a000000150802000000bf8deb74000000017352474200aece1ce9000000097048597300000e2600000e2601a2ef25fc0000010049444154484bed9631128320104531e7303356a93c41ce81456e8397d1c29c03ef9056ef416041d84d94829158442a1d06defebf1fb4504ab1e3c6e538b4219ff85ff83ff74d81463b3aa88e5eee31755cc3845c38521836bcb3dc6ca580cebb0991a000c3b7d11b5bec0c3c37fd9cb729fc76d5005393a9cf9707c506a7f67007c406fd5ebb335f0a3f67a6a851986fbbb63db6572abc348823bdcf201c8aa7ddb749b495227c5c787a13bea3178ec272ebe9737917420e8f3266ee4a44496657f33abd9e8cd515dab8acea8502aa8870948474c968e5867a705f9b4f720f95ec9b7bdbfacfe4bbdeaf843992df643b0826008af37b9ff7768dedfedfbf1b6ff44dd58b8406ed920000000049454e44ae426082000840010824000000180000000210c0db01000000030000000000000000000000000000001b40000040000000340000000100000002000000000000bf000000bf000028420000a841030000000000008000000080feff2f420000008000000080feffaf412100000008000000620000000c00000001000000150000000c00000004000000150000000c00000004000000510000006c04000000000000000000002b00000015000000000000000000000000000000000000002a000000150000005000000080000000d00000009c030000000000002000cc002c00000016000000280000002a000000150000000100080000000000000000000000000000000000160000000000000000000000ffffff00a6e3ff0000005400c680000054a6e300ffc6800080c6ff00e3ffff000054a600a6540000ffffe3000080c60080000000ffffc600c6ffff0000008000e3a6540054005400ffe3a600540000005480c600010101010101010101010101010101010101010101010101010101010101010101010101010101010101ffff010101010101010101010101010101010101010101010101010101010101010101010101010101010101ffff010101010101010101010101010101010101010101010101010101010101010101010101010101010101ffff010101010101010101010101010101010101010101010101010101010101010101010101010101010101ffff010101010101010101010101010101010101010101010101010101010101010101010101010101010101ffff0c00000000000a0b01010101010101010101010101010101010101010101010101010700000014130101ffff0809110101070d0e01010101010101010101010101010101010101010101010101050011010107001101ffff010f10110101151301010101010101010101010101010101010101010101010108090a0b010108090a0be3ff0101020306010101010101010101010c000000000000000000141301010101010f1004010101010c0d0e80ff010101071413010101010101010101010101010101010101010101010101010108090a0b010108090d0e54ff01010101050d0e010101010101010101010101010101010101010101010101010102031101010500110154ff01071101010c0a0b010101010101010c0000000000000000001413010101010101010f1000000d0e010154ff010212130108090401010101010101010101010101010101010101010101010101070011010107000601a6ff010f10000000000011010101010101010101010101010101010101010101010108090a0b0101010c0a0be3ff010101010101010101010101010101010101010101010101010101010101010108090a0b0101010c0d0effff010101010101010101010101010101010101010101010101010101010101010101050006010107000401ffff010101010101010101010101010101010101010101010101010101010101010101010203000000040101ffff010101010101010101010101010101010101010101010101010101010101010101010101010101010101ffff010101010101010101010101010101010101010101010101010101010101010101010101010101010101ffff010101010101010101010101010101010101010101010101010101010101010101010101010101010101ffff010101010101010101010101010101010101010101010101010101010101010101010101010101010101ffff4c0000006400000000000000000000002b0000001500000000000000000000002c000000160000002900aa0000000000000000000000803f00000000000000000000803f0000000000000000000000000000000000000000000000000000000000000000220000000c000000ffffffff460000001c00000010000000454d462b024000000c000000000000000e000000140000000000000010000000140000000400000003010800050000000b0200000000050000000c0216002c00030000001e00040000000701040004000000070104001b020000410b2000cc0015002a000000000016002c0000000000280000002a000000150000000100080000000000000000000000000000000000160000000000000000000000ffffff00a6e3ff0000005400c680000054a6e300ffc6800080c6ff00e3ffff000054a600a6540000ffffe3000080c60080000000ffffc600c6ffff0000008000e3a6540054005400ffe3a600540000005480c600010101010101010101010101010101010101010101010101010101010101010101010101010101010101ffff010101010101010101010101010101010101010101010101010101010101010101010101010101010101ffff010101010101010101010101010101010101010101010101010101010101010101010101010101010101ffff010101010101010101010101010101010101010101010101010101010101010101010101010101010101ffff010101010101010101010101010101010101010101010101010101010101010101010101010101010101ffff0c00000000000a0b01010101010101010101010101010101010101010101010101010700000014130101ffff0809110101070d0e01010101010101010101010101010101010101010101010101050011010107001101ffff010f10110101151301010101010101010101010101010101010101010101010108090a0b010108090a0be3ff0101020306010101010101010101010c000000000000000000141301010101010f1004010101010c0d0e80ff010101071413010101010101010101010101010101010101010101010101010108090a0b010108090d0e54ff01010101050d0e010101010101010101010101010101010101010101010101010102031101010500110154ff01071101010c0a0b010101010101010c0000000000000000001413010101010101010f1000000d0e010154ff010212130108090401010101010101010101010101010101010101010101010101070011010107000601a6ff010f10000000000011010101010101010101010101010101010101010101010108090a0b0101010c0a0be3ff010101010101010101010101010101010101010101010101010101010101010108090a0b0101010c0d0effff010101010101010101010101010101010101010101010101010101010101010101050006010107000401ffff010101010101010101010101010101010101010101010101010101010101010101010203000000040101ffff010101010101010101010101010101010101010101010101010101010101010101010101010101010101ffff010101010101010101010101010101010101010101010101010101010101010101010101010101010101ffff010101010101010101010101010101010101010101010101010101010101010101010101010101010101ffff010101010101010101010101010101010101010101010101010101010101010101010101010101010101ffff0c00000040092900aa0000000000000016002c0000000000040000002701ffff030000000000 – число шлицов.
Принимаем центрирование по наружному диаметру 010009000003281100000000380a00000000380a000026060f006614574d46430100000000000100e2b00000000001000000441400000000000044140000010000006c0000000000000000000000a1000000150000000000000000000000921000003f02000020454d4600000100441400000c00000001000000000000000000000000000000900600001a040000b801000013010000000000000000000000000000c0b6060038320400460000002c00000020000000454d462b014001001c000000100000000210c0db010000006000000060000000460000003405000028050000454d462b224004000c000000000000001e4009000c00000000000000244001000c000000000000003040020010000000040000000000803f214007000c000000000000000840000580040000740400000210c0db01000000000000000000000000000000000000000100000089504e470d0a1a0a0000000d494844520000009b000000150802000000deb90b73000000017352474200aece1ce9000000097048597300000e2600000e2601a2ef25fc000003fc494441546843ed594d6e2a310ccebc7380d455575c00a46e7b004417b07d27682fc0700138c1dbc2a28803b0ad041760c5aa12dc639eed2433f971929996a92a209baae324fee2cf76ec90154521eee38a2cf0e78ace723f0a5ac065f4bc7ac9b2d9fe6e9cd62cb09f65d9cbeadcdafe26a3c8e6ab5814c5b4df9abe2bdef8bc9ad521aa3f2d8a85786d2f6ee01ea5715a8ec46879d2fffed4df5d6e70ece98f4b09b31ef9ae0dc81100a67205c2c11f8517b2b7a1511fa9fa5429b080691b9058283be08c768c123634a12a41caf33b988352e9827aba5cfb05fc0021e8c67178527f58651a5e8853e630dcf94c053a241190643481ae0def873d1d733ab0e3525c6c9241e66f40a98a9f58564a0088dbac0ebc00a5ccc6dce9bc698a62629403c7241519dcbcd9aa2ca0e4ea4383441e27c5917a936b53aa8035605f3ab4ab20ca683d782ca5ccbe6e389678ac432827a2cae8745c8bd163d7ab5a241d958a20cb42f4a75a2d9555fbd940c0c5c6667bae38c2a26c7000756c51e64bcf9f0708510ff2e1f31c2ebdb0c884317fa462a151f51787e7abac09aff3d013ebe3c95eef9371fed8003fc3a78e3971bf850ba332001c6e908f968b7127d68fba9b88cef8cd2c6418e3f51e482da8cb9f81d9fef47d6ce1f097483b77276b968ab8d45cd27dc4ab941dd4916519f958512411597b24001ce6b4358e78471286e778213225d693aede561b47595683239f31a66d9ff5d19051923a2b80bd77e6ec507aa79d1b02f4b0fc5bb303c2625e657e04e8b4c27169381e0dc97ed69df488cb34727fc33080ced3107c68b830d05fa0cd242eec1b41e6480c906a50d856d34ecbc340bb14328ac12fa209ab96e970523ec060c8bde84e6f001e84393a9fb33d5d5c8abb63b2f2dc1205781fc079617ce7e18401009fca80ef8c1760f7f5e62394f583f01ccb8472ae73c138d32879ae27fff065e8c2af80d26d763d88b6e60e1b499c80d49292137a5710570ba0c782e91195205e9be352468fc3b3103581672547ba1ded1b93c8732e5136ab2a98c42862f5cc930eabe08cfe14c24db94c781bbcde2cf35a7e1c974a7ef36df95c49d78f7b73d8ba55027d3bd21d950cd80400b8602df07631540f1eaeb1bc90618a3b98ccb9661ea6596aab743fcaf405c1fea86c566886fd9fdb2f38fda753a2c7a5ba9b501ad8f23eda45a7fbd10400fb80fe1380290fc0f39a17d91a782d89f708e234bb52b93676eacdc8e83f8cd6d267b49a67f7a3125fa859b4bb1b97f2b8546f2b03b141df6b320d2a222b9bc063b6e16d57aa7708355a436d08e613df119aca335040268124d3dd0c4fcd6afb6f64e65b5fda9abd4b46efa4fea08f219dd8527da59f4ac1346b5dac095bfd9d2705e626e4f866d1e66f96668cde8441affe9017ee47afde5ebfff80ff017ef608759972cbaf0000000049454e44ae426082000840010824000000180000000210c0db01000000030000000000000000000000000000001b40000040000000340000000100000002000000000000bf000000bf00001b430000a841030000000000008000000080ffff21430000008000000080ffffaf412100000008000000620000000c00000001000000150000000c00000004000000150000000c0000000400000051000000ac0d00000000000000000000a100000015000000000000000000000000000000000000009b000000150000005000000090000000e0000000cc0c0000000000002000cc00a200000016000000280000009b0000001500000001000800000000000000000000000000000000001a0000000000000000000000ffffff0054a6e30080000000ffffc6000080c600a6540000ffffe300e3ffff000054a600e3a6540080a6e300ffe3a600a6e3ff0000005400ffc6800080c6ff005400000054005400c6ffff000000800054008000c6800000800080005480c600545454000101010101010101010101010101010101010101010101010101010101010101010101010101010101010101010101010101010101010101010101010101010101010101010101010101010101010101010101010101010101010101010101010101010101010101010101010101010101010101010101010101010101010101010101010101010101010101010101010101010101010101010101ff0101010101010101010101010101010101010101010101010101010101010101010101010101010101010101010101010101010101010101010101010101010101010101010101010101010101010101010101010101010101010101010101010101010101010101010101010101010101010101010101010101010101010101010101010101010101010101010101010101010101010101010101ff0101010101020304010101010101010101010101010101010101010101010101010101010101010101010101010101010101010101010101010101010101010101010101010101010101010101010101010101010101010101010101010101010101010101010101010101010101010101010101010101010101010506070101010101010101010101010101010101010101010101010101010101ff01010108090a010101010101010101010101010101010101010101010101010101010101010101010101010101010101010101010101010101010101010101010101010101010101010101010101010101010101010101010101010101010101010101010101010101010101010101010101010101010101010101010d0e0f01010101010101010101010101010101010101010101010101010101ff010108090a0101010101010101010101010101010101010101010101010101010101010101010101010101010101010101010101010101010101010101010101010101010101010101010101010101010101010101010101010101010101010101010101010101010101010101010101010101010101010101010101010d120c010101010101010101010101010101010101010101010101010101ff01011003040101010101100000000a0101131416010101131400000f011000000f13141601010101011314000000160101010113140000001601010101011314000006070101010101010101010101010101010113150c01010101010101131400000016010101011314000000060701010101131400000607010101010102060701010200000304010d0e00000f0101100000000000000a010101ff010809160101010101010110000f010101131416010101010d0e0a010105110c01131416010101010809030401080906070108090304010809060701011314060708090607010101010101010101010101010d0e110c01010101010101080903040108090607010105110c010809030401011314060708090607010101010d120c01010105000f01010110000a0101010110110c01010d0e06070100010d0e0f010101010101010d0e0f010101010101010101010d0e0f0113141601010101010101010108090a01010110000f0108090a01010110000f010102000f010110000f01010101010101010101011000030401010101010101010108090a01010110000f0101050a0101010d0e0a010102000f010110000f0101010108090a0101010d0e0f010101131416010101010d0e0f01010110000a01ff0110110c010101010101010d0e0f010101010101010101010d0e0f0105110c0101010101010101010101010101010d0e0a010101010101010d0e0a0101050304010113140a0101010101010101010500060701010101010101010101010101010101010d0e0a010101010101011314160101050304010113140a0101010101051601010113140a0101010105060701010108091601010113141601ff0110110c010101010101010d0e0f010101010101010101010d0e000006070101010101010101010101010101010110000a0101010101010110000a0108090607010113141601010101010108090016010101010101010101010101010101010101010110000a010101010101010d0e0a01080906070101131416010101010105060701010105060701010102110c010101010506070101131416010001020304010101010101010d0e0f010101010101010101010d0e0f13150c0101010101010101010101010101010d0e03040101010101010d0e03040108090607010108090607010101010105160101010101010101010101010101010101010101010d0e0304010108090a010809110c0108090607010108090607010101010506070101010203040101010d0e0f01010101020304010102110c01ff0110110c01010101020a010d0e0f011016010101010101010d0e0f01101601010101010101010101010113140000060701010101131400000607010108090607010108090607010101010108090016010101010101010101010101010101011314000006070101010d0e190000110c01010809060701010809060701010101050607010101100000000000000016010101010d0e00000003040101ff0110110c010101010206070d0e0f080916010101010101010d0e0a01131704180c01010101010101010101010809060701010101010108090607010108090607010113140607010101010101010105000607010101010101010101010101010101080906070101010d0e0f010101010101080906070101131406070101010105160101010113140a0101010809060701010113140a01011314060780010d0e0f01010101020000000000000016010101010101131400000f011000110c01010101010101010101010101050304010101010101010503040101050304010113141601010101010101010101011000030401010101010101010101010101010105030401010d0e0f0101010101010105030401011314160101010108090a010101010809160101010102110c01010101051601010113140aff0108091601010101010101010101010101010101010101010101010101010101010101010101010101050a01010102000f0101050a01010102000f010110110c010110000f010101010101010101010101010d0e110c0101010101010101050a01010102000f01010d0e0f0101010101010110110c010110000f010101010d120c010101010102030401010110000f010101010203040101080906ff010110030401010101010101010101010101010101010101010101010101010101010101010101010105110c010809110c010105110c010809110c0101080906070809030401010101010101010101010101010113150c0101010101010105110c010809110c01010d0e0f01010101010101080906070809030401010101020607010101010102000f0101010d0e160101010102110c01010d0e16ff010108090a0101010101010101010101010101010101010101010101010101010101010101010101010110000000110c0101010110000000110c0101010108090000030401010101010101010101010101010101010101010101010101010110000000110c0101010d0e00000000110c010101080900000304010101010d120c0101010101100000000f01131400000a0101100000000000000607ff01010108090a01010101010101010101010101010101010101010101010101010101010101010101010101010101010101010101010101010101010101010101010101010101010101010101010101010101010101010101010101010101010101010101010101010101010101010b0c0101010101010101010101010d0e0f01010101010101010101010101010101010101010101010101010101900101010101020304010101010101010101010101010101010101010101010101010101010101010101010101010101010101010101010101010101010101010101010101010101010101010101010101010101010101010101010101010101010101010101010101010101010101010101010101010101010101010506070101010101010101010101010101010101010101010101010101010101be01010101010101010101010101010101010101010101010101010101010101010101010101010101010101010101010101010101010101010101010101010101010101010101010101010101010101010101010101010101010101010101010101010101010101010101010101010101010101010101010101010101010101010101010101010101010101010101010101010101010101010101015f0101010101010101010101010101010101010101010101010101010101010101010101010101010101010101010101010101010101010101010101010101010101010101010101010101010101010101010101010101010101010101010101010101010101010101010101010101010101010101010101010101010101010101010101010101010101010101010101010101010101010101010101e24c000000640000000000000000000000a1000000150000000000000000000000a2000000160000002900aa0000000000000000000000803f00000000000000000000803f0000000000000000000000000000000000000000000000000000000000000000220000000c000000ffffffff460000001c00000010000000454d462b024000000c000000000000000e000000140000000000000010000000140000000400000003010800050000000b0200000000050000000c021600a200030000001e0004000000070104000400000007010400bb060000410b2000cc0015009b00000000001600a20000000000280000009b0000001500000001000800000000000000000000000000000000001a0000000000000000000000ffffff0054a6e30080000000ffffc6000080c600a6540000ffffe300e3ffff000054a600e3a6540080a6e300ffe3a600a6e3ff0000005400ffc6800080c6ff005400000054005400c6ffff000000800054008000c6800000800080005480c600545454000101010101010101010101010101010101010101010101010101010101010101010101010101010101010101010101010101010101010101010101010101010101010101010101010101010101010101010101010101010101010101010101010101010101010101010101010101010101010101010101010101010101010101010101010101010101010101010101010101010101010101010101ff0101010101010101010101010101010101010101010101010101010101010101010101010101010101010101010101010101010101010101010101010101010101010101010101010101010101010101010101010101010101010101010101010101010101010101010101010101010101010101010101010101010101010101010101010101010101010101010101010101010101010101010101ff0101010101020304010101010101010101010101010101010101010101010101010101010101010101010101010101010101010101010101010101010101010101010101010101010101010101010101010101010101010101010101010101010101010101010101010101010101010101010101010101010101010506070101010101010101010101010101010101010101010101010101010101ff01010108090a010101010101010101010101010101010101010101010101010101010101010101010101010101010101010101010101010101010101010101010101010101010101010101010101010101010101010101010101010101010101010101010101010101010101010101010101010101010101010101010d0e0f01010101010101010101010101010101010101010101010101010101ff010108090a0101010101010101010101010101010101010101010101010101010101010101010101010101010101010101010101010101010101010101010101010101010101010101010101010101010101010101010101010101010101010101010101010101010101010101010101010101010101010101010101010d120c010101010101010101010101010101010101010101010101010101ff01011003040101010101100000000a0101131416010101131400000f011000000f13141601010101011314000000160101010113140000001601010101011314000006070101010101010101010101010101010113150c01010101010101131400000016010101011314000000060701010101131400000607010101010102060701010200000304010d0e00000f0101100000000000000a010101ff010809160101010101010110000f010101131416010101010d0e0a010105110c01131416010101010809030401080906070108090304010809060701011314060708090607010101010101010101010101010d0e110c01010101010101080903040108090607010105110c010809030401011314060708090607010101010d120c01010105000f01010110000a0101010110110c01010d0e06070100010d0e0f010101010101010d0e0f010101010101010101010d0e0f0113141601010101010101010108090a01010110000f0108090a01010110000f010102000f010110000f01010101010101010101011000030401010101010101010108090a01010110000f0101050a0101010d0e0a010102000f010110000f0101010108090a0101010d0e0f010101131416010101010d0e0f01010110000a01ff0110110c010101010101010d0e0f010101010101010101010d0e0f0105110c0101010101010101010101010101010d0e0a010101010101010d0e0a0101050304010113140a0101010101010101010500060701010101010101010101010101010101010d0e0a010101010101011314160101050304010113140a0101010101051601010113140a0101010105060701010108091601010113141601ff0110110c010101010101010d0e0f010101010101010101010d0e000006070101010101010101010101010101010110000a0101010101010110000a0108090607010113141601010101010108090016010101010101010101010101010101010101010110000a010101010101010d0e0a01080906070101131416010101010105060701010105060701010102110c010101010506070101131416010001020304010101010101010d0e0f010101010101010101010d0e0f13150c0101010101010101010101010101010d0e03040101010101010d0e03040108090607010108090607010101010105160101010101010101010101010101010101010101010d0e0304010108090a010809110c0108090607010108090607010101010506070101010203040101010d0e0f01010101020304010102110c01ff0110110c01010101020a010d0e0f011016010101010101010d0e0f01101601010101010101010101010113140000060701010101131400000607010108090607010108090607010101010108090016010101010101010101010101010101011314000006070101010d0e190000110c01010809060701010809060701010101050607010101100000000000000016010101010d0e00000003040101ff0110110c010101010206070d0e0f080916010101010101010d0e0a01131704180c01010101010101010101010809060701010101010108090607010108090607010113140607010101010101010105000607010101010101010101010101010101080906070101010d0e0f010101010101080906070101131406070101010105160101010113140a0101010809060701010113140a01011314060780010d0e0f01010101020000000000000016010101010101131400000f011000110c01010101010101010101010101050304010101010101010503040101050304010113141601010101010101010101011000030401010101010101010101010101010105030401010d0e0f0101010101010105030401011314160101010108090a010101010809160101010102110c01010101051601010113140aff0108091601010101010101010101010101010101010101010101010101010101010101010101010101050a01010102000f0101050a01010102000f010110110c010110000f010101010101010101010101010d0e110c0101010101010101050a01010102000f01010d0e0f0101010101010110110c010110000f010101010d120c010101010102030401010110000f010101010203040101080906ff010110030401010101010101010101010101010101010101010101010101010101010101010101010105110c010809110c010105110c010809110c0101080906070809030401010101010101010101010101010113150c0101010101010105110c010809110c01010d0e0f01010101010101080906070809030401010101020607010101010102000f0101010d0e160101010102110c01010d0e16ff010108090a0101010101010101010101010101010101010101010101010101010101010101010101010110000000110c0101010110000000110c0101010108090000030401010101010101010101010101010101010101010101010101010110000000110c0101010d0e00000000110c010101080900000304010101010d120c0101010101100000000f01131400000a0101100000000000000607ff01010108090a01010101010101010101010101010101010101010101010101010101010101010101010101010101010101010101010101010101010101010101010101010101010101010101010101010101010101010101010101010101010101010101010101010101010101010b0c0101010101010101010101010d0e0f01010101010101010101010101010101010101010101010101010101900101010101020304010101010101010101010101010101010101010101010101010101010101010101010101010101010101010101010101010101010101010101010101010101010101010101010101010101010101010101010101010101010101010101010101010101010101010101010101010101010101010506070101010101010101010101010101010101010101010101010101010101be01010101010101010101010101010101010101010101010101010101010101010101010101010101010101010101010101010101010101010101010101010101010101010101010101010101010101010101010101010101010101010101010101010101010101010101010101010101010101010101010101010101010101010101010101010101010101010101010101010101010101010101015f0101010101010101010101010101010101010101010101010101010101010101010101010101010101010101010101010101010101010101010101010101010101010101010101010101010101010101010101010101010101010101010101010101010101010101010101010101010101010101010101010101010101010101010101010101010101010101010101010101010101010101010101e20c00000040092900aa000000000000001600a20000000000040000002701ffff030000000000
Посадки
шлицевого соединения принимаем по
рекомендации [2, с. 59] центрирующих
;
боковых 010009000003b60700000000e60400000000e604000026060f00c209574d4643010000000000010052700000000001000000a009000000000000a0090000010000006c000000000000000000000037000000150000000000000000000000ba0500003f02000020454d4600000100a00900000c00000001000000000000000000000000000000900600001a040000b801000013010000000000000000000000000000c0b6060038320400460000002c00000020000000454d462b014001001c000000100000000210c0db01000000600000006000000046000000d0020000c4020000454d462b224004000c000000000000001e4009000c00000000000000244001000c000000000000003040020010000000040000000000803f214007000c00000000000000084000051c020000100200000210c0db01000000000000000000000000000000000000000100000089504e470d0a1a0a0000000d4948445200000036000000150802000000821f8a12000000017352474200aece1ce9000000097048597300000e2600000e2601a2ef25fc0000019949444154484be596d96dc3300c86edced155ba44e1ece32ee3bc045da280bb435fed3d5cdde2f153519a020d50bf18a628f2132f793c8e6378ece7e9b1f13cddff44fc7c1bc7d379a7e9d9cf2725eb4f9fab45ffac33de32af49615b26aa51e469b9bebc25b9ea65d3b2295d26101e92b769198a56d0a076aaddb8b9fa8de7c19488b08d9657dd4e663278751281c874d639122bf81474c4f87342798e4c58118b441fd94004990346720589f3f0c20287ad392c51a4e5e23d8978bac456a4601f98f5fb34b8e696beb42d1a958c28db4503500d5c869830d40903e7ccee4b1d8b69244426731f8281a73a760fb48bda5697a79505d238244b09b13915742dca16cf63cb22c461b20691808988edb9050ead45562bdb6d98e6a02c1a159080d8e8e6b2acab8949ba095915591380617bc4d6240e4196c517367411eafcb0b3e8ec817c0ee4da695e51ace585e69564eaf955ae52e912555cbd5dfa6e29a4650c1b7c2fddeee6177ec6f68ff7cbf4faf20cfe43b6afcb602cf5ffe8dc1f453b86d7c65f6740ef4684f3cab8983b9984dae8be6f88f95fa87e036eabb9fa8bcb9e460000000049454e44ae4260820840010824000000180000000210c0db01000000030000000000000000000000000000001b40000040000000340000000100000002000000000000bf000000bf000058420000a841030000000000008000000080feff5f420000008000000080ffffaf412100000008000000620000000c00000001000000150000000c00000004000000150000000c00000004000000510000006c050000000000000000000037000000150000000000000000000000000000000000000036000000150000005000000084000000d400000098040000000000002000cc0038000000160000002800000036000000150000000100080000000000000000000000000000000000170000000000000000000000ffffff0080c6ff0054000000ffe3a600e3ffff000054a600a6540000ffffe300c6800000a6e3ff00000054000080c600c6ffff0000008000e3a6540054a6e300ffc6800080000000ffffc6005480c60054005400c68054000101010101010101010101010101010101010101010101010101010101010101010101010101010101010101010101010101010101010101010101010101010101010101010101010101010101020304010101010200001101010101010101010101010101010101010101010101010101010101010101010101010101010101010101010105060f0101010101010200110101010101010101010101010101010101010101010101010101010101010101010101010101010101010101011007080101010101010c070801010101010101010101010101010101010101010101010101010101010101010101010101010101010101010a150401010101010110030401010101010101010101010101010101010101010101100000030401010101010101010200000003040101010506090101010101010a0b1101010102000000000f01010101020304010101010101010c0011010101010101010110000f010102000f01010102121301010101010d0e0f010101021213010d0e0f0101010d0e0f010101010705010a0b11010101010101010506070801010506070801010d0e1101010101010506090101010a160101050609010101010c12130101010101010d0e0f010101010101010d0e09010101010c12130101010c09010101010101101213010101010105060011010101010a0b0f010101130801010c0708010101010101050607080101050612130101010203040101010101020304010101010a0b03040101010101010c0708010112130101101213010a16010101010a0b0f010110000f0101010105060f01010101010d0e110101010d0e0901010101010101010200110101010c010102000000001213010101010d0e000012130101010101011007080101010105060f0101010a0b110101100f010101010506090101010101010d0e0f0105061101010102000f010102001101010101010a1504010101010506090101010d0e0f0105060901010101011003040101010101050609010101010101050607080101010c070801010101050609010101010c0012130101010d0e0000000901010101010d0e0f0101090101011012130101011404050607080101010c1213010101010102121301010101010101010101010101010101010101010101101213050101010110030401010d0e0f0110001101010200090101010101010d0e1101010101010101010101010101010101010c110101010a0b110101010102000000000000000901010a0b0000000901010101010101010c09010101010d0e0f010101010101010101011000000000000007010101010101010101010101010101010101010101010101010101010102030401010105060708010101010101010101010101010101010101010101010101010101010101010101010101010101010101010101010101010101010101010101010101010101010101010101010101010101010101010101010101010101010101010101010101010101010101010101010101010101010101010101010101010101010101010101010b01010101010101010101010101010101010101010101010101010101010101010101010101010101010101010101010101010101010101014c0000006400000000000000000000003700000015000000000000000000000038000000160000002900aa0000000000000000000000803f00000000000000000000803f0000000000000000000000000000000000000000000000000000000000000000220000000c000000ffffffff460000001c00000010000000454d462b024000000c000000000000000e000000140000000000000010000000140000000400000003010800050000000b0200000000050000000c0216003800030000001e00040000000701040004000000070104009b020000410b2000cc00150036000000000016003800000000002800000036000000150000000100080000000000000000000000000000000000170000000000000000000000ffffff0080c6ff0054000000ffe3a600e3ffff000054a600a6540000ffffe300c6800000a6e3ff00000054000080c600c6ffff0000008000e3a6540054a6e300ffc6800080000000ffffc6005480c60054005400c68054000101010101010101010101010101010101010101010101010101010101010101010101010101010101010101010101010101010101010101010101010101010101010101010101010101010101020304010101010200001101010101010101010101010101010101010101010101010101010101010101010101010101010101010101010105060f0101010101010200110101010101010101010101010101010101010101010101010101010101010101010101010101010101010101011007080101010101010c070801010101010101010101010101010101010101010101010101010101010101010101010101010101010101010a150401010101010110030401010101010101010101010101010101010101010101100000030401010101010101010200000003040101010506090101010101010a0b1101010102000000000f01010101020304010101010101010c0011010101010101010110000f010102000f01010102121301010101010d0e0f010101021213010d0e0f0101010d0e0f010101010705010a0b11010101010101010506070801010506070801010d0e1101010101010506090101010a160101050609010101010c12130101010101010d0e0f010101010101010d0e09010101010c12130101010c09010101010101101213010101010105060011010101010a0b0f010101130801010c0708010101010101050607080101050612130101010203040101010101020304010101010a0b03040101010101010c0708010112130101101213010a16010101010a0b0f010110000f0101010105060f01010101010d0e110101010d0e0901010101010101010200110101010c010102000000001213010101010d0e000012130101010101011007080101010105060f0101010a0b110101100f010101010506090101010101010d0e0f0105061101010102000f010102001101010101010a1504010101010506090101010d0e0f0105060901010101011003040101010101050609010101010101050607080101010c070801010101050609010101010c0012130101010d0e0000000901010101010d0e0f0101090101011012130101011404050607080101010c1213010101010102121301010101010101010101010101010101010101010101101213050101010110030401010d0e0f0110001101010200090101010101010d0e1101010101010101010101010101010101010c110101010a0b110101010102000000000000000901010a0b0000000901010101010101010c09010101010d0e0f010101010101010101011000000000000007010101010101010101010101010101010101010101010101010101010102030401010105060708010101010101010101010101010101010101010101010101010101010101010101010101010101010101010101010101010101010101010101010101010101010101010101010101010101010101010101010101010101010101010101010101010101010101010101010101010101010101010101010101010101010101010101010b01010101010101010101010101010101010101010101010101010101010101010101010101010101010101010101010101010101010101010c00000040092900aa000000000000001600380000000000040000002701ffff030000000000.

Условное изображение при центрировании по наружному диаметру:
Отверстие:

вал - 010009000003e213000000009e0b000000009e0b000026060f003217574d46430100000000000100d89c0000000001000000101700000000000010170000010000006c0000000000000000000000c30000001500000000000000000000000c1400003f02000020454d4600000100101700000c00000001000000000000000000000000000000900600001a040000b801000013010000000000000000000000000000c0b6060038320400460000002c00000020000000454d462b014001001c000000100000000210c0db01000000600000006000000046000000580500004c050000454d462b224004000c000000000000001e4009000c00000000000000244001000c000000000000003040020010000000040000000000803f214007000c0000000000000008400005a4040000980400000210c0db01000000000000000000000000000000000000000100000089504e470d0a1a0a0000000d49484452000000bc000000150802000000733813da000000017352474200aece1ce9000000097048597300000e2600000e2601a2ef25fc0000041f494441546843ed594b6edb3014a47b8e18c82a2b5fa001baed010a65115fa6f2057a0c6711a39728605f20abac0258f770f9e7fbf123b94093805ad912df70de70f84851abcbe5a2fad51598a3c097398d7bdbae8051a09ba6fb60b602dd34b325fb1401d3d3c36af5f0342d4a2698e6b45bd16b29648187a59aaedd692ee700802311f956da848b6705a317c1928c64c2d5b44d9894482b25989ca8f2f9f5a0861fdf6e8a4c721229bd1176d7793f2835eccfe01ff81f9b2dfe61f1d5780c00c7d1104eff6bc034deb7b73091f60c50dd14756ef1e39dc5b0298d0ce15a9e2e0598d4dc4ce1482e24e1bacc49444c0365bcaa3f260df664e0d4ea1a213a49192d13ac3fc38a78ce204b5f059b275c328d318ce12046eb874d940c0868684dd83e370bf4e2b44aa6217db1da539b2195e719d3d8ece2e472c93ab78254711128770434aac142209e3dee064bef91ddd0846ec0c0640937526ab25cc60dec36bd21f0f56505ac5582cb9244d134826affb6d43871d3141086012d8e64216b9c2b4421dca74948c4a90e12800d20b62aec3d2206284eee164a553ec1ab3c1b1e4a740fd50085c2d1971d0f718369a4962dd467d69f34d358c94cbde95fb00efb2188f54758ee030b218b2c2c605eab645971f0662a0c438d709d525df92c651e2adf810abbda1e5d44f4b742a116de342287c28481832f6dc011253f3c98bcf300a73e0ca41a04b3903dba50314c4ba163d72f85059e291606a71787c541b04d03e11aa59a693299c6d115640d6f386125c2fa552470ab440cf1a6111627d270664969d8083b71397932408280528ac56a21a51719161fe660f1b0a1566d84ebbd4a138f4dfa069d995a62d7deea72a724c29dd34c6f2f4a6d6ee15bfbf4f4cb2cdadfbf4a8564c13d733080bbb8b9dd109cd3ee5e8de361bbae1ce0acefb4dd5edea6147edaadb79be3e5a7c8b6086bf3cc9d586461a73fbf0f201b935c492a46b835532e743153dddcaa7a783de3c8e16e1d6f08836de21e9f4d4dd5e2afa8fa5c22d9bb5215b8aed654d7dab892d299c1eb0ab9438bf57104f3250bebd229d4e5122c9e7a6422d608572815de5b8b99c25d003d0f2bbdd969d0f458a8ac3c1dbb3ce1a47da16a7c5d69b612ddc4582ef0548ebc58a5bfc4c138906f39f4f326589e39cc856d1b202c91d630f2c72be0cc207f5098cd146de8d94a51a204e7241488cf55b63805f67112e18e85c54c81439258c072ab69b341720d6d3ae1a2a7cfc142a911f54d88847e4690083a6c48bd8524d8fcc6220f4b5f25c27fbcad8f9d5b4a817095120e73e9a09732ba5e05898839007d698bc85eb78551f1632849b4d2cf16ec507ac83b53407f94ba57b94d1de0aa3f27adb76a7f7e7e2c7f762aa6d7bf72bfb3d15f42473ba1c9311abbe943658d43af3435853ed373538f46bd36c96f99cd9976d3344bf5a11b5abbb80dd2958ed120dd341fda0bff87fc5fede6a770bf9eaaf40000000049454e44ae42608200000840010824000000180000000210c0db01000000030000000000000000000000000000001b40000040000000340000000100000002000000000000bf000000bf00003c430000a841030000000000008000000080feff43430000008000000080feffaf412100000008000000620000000c00000001000000150000000c00000004000000150000000c0000000400000051000000541000000000000000000000c30000001500000000000000000000000000000000000000bc000000150000005000000098000000e80000006c0f0000000000002000cc00c40000001600000028000000bc0000001500000001000800000000000000000000000000000000001c0000000000000000000000ffffff00e3ffff000054a600a6540000ffffe30080c6ff0054000000ffe3a600a6e3ff0000005400c680000054a6e30080000000ffffc60054005400c6ffff0000008000e3a65400ffc680000080c60054a6a600a6e3c6005454540080008000008080005454a600c680540001010101010101010101010101010101010101010101010101010101010101010101010101010101010101010101010101010101010101010101010101010101010101010101010101010101010101010101010101010101010101010101010101010101010101010101010101010101010101010101010101010101010101010101010101010101010101010101010101010101010101010101010101010101010101010101010101010101010101010101010101010101010101010101010101010101010101010101010101010101010101010101010101010101010101010101010101010101010101010101010101010101010101010101010101010101010101010101010101010101010101010101010101010101010101010101010101010101010101010101010101010101010101010101010101010101010101010101010101010101010101010101010101010101010101010101010101010600001301010101010101010101010101010101010101010101010101010101010101010101010101010101010101010101010101010101010101010101010101010101010101010101010101010101010101010101010101010101010101010101010101010101010101010101010101010101010101010101010101010101010101010101010101010101010101010101010101010101010101010101010101010101010101010101010101010101010101010101010101010101010106001301010101010101010101010101010101010101010101010101010101010101010101010101010101010101010101010101010101010101010101010101010101010101010101010101010101010101010101010101010101010101010101010101010101010101010101010101010101010101010101010101010101010101010101010101010101010101010101010101010101010101010101010101010101010101010101010101010102031301010101010101010101010114040501010101010101010101010101010101010101010101010101010101010101010101010101010101010101010101010101010101010101010101010101010101010101010101010101010101010101010101010101010101010101010101010101010101010101010101010101010101010101010101010101010101010101010101010101010101010101010101010101010101010101010101010101010101010101010101010101010110111301010101010101010101010c0708010101010101010101010101010101010101010106000000000007080101010101010101010101010101010101010101010101010101010106000000070801020300070810110000120101090a00000013010101140000000000001202030007081011000012010106070801010101010114000000000000120102030b0101010c0007080101090a00000013010203000708101100001201020300000000000b01011400000000000012010203040501101100000405010101090a1301010106000000001201010101060708010101010106070801010c000b01010101010101010101010101010101010101010101010101010c001201010600120101141201010600120101090a0b01010600120101090f080101011412010114120101060012010101101112010101010101090f08010101141201010c0d0e0101140b021a08090a0b010106001201011412010106001201010101010c070801010101090f080101011412010203040510110405020304050101101112010101060d0e011011120101011011120101010101090a13010101090a0b0101010101010101010101010101010101010101010101010203040501010203040501021a0810110b010101140d0e010101140d0e01010c0405010106120101021a0810110b0101010101140d0e0101010101010c040501010612010106070801011404050101140d0e010101140d0e01021a0810110b0101010101010c070801010101010c04050101061201010101010c00130101060013010102030b010101091b010102030b01010101140d0e0101010102030b010101010c0013010101010101010101010101010101010101010101010110110b01010101140d0e01011018190d0e0101020304050101010c0708010101140b010101010101011018190d0e0101010101090a1201010101010101140b010101010101090a130101060d0e01020304050101010c070801011018190d0e0101010101010c0708010101010101140b010101010101010101140d0e01011011120101010c0d0e01010101010203001301010101090a12010101010114040501010110110b010101010101010101010101010101010101010101010102030405010102030d0e01010106070801010102030405010101140d0e01010102030b010101010101010607080101010101010114040501010101010102030b01010101010203120101090a130102030405010101140d0e010101060708010101010101010c070801010101010102030b0101010101010102030405010110110b01010106070801010101090a0708010101010101140405010101010c0d0e01010101140d0e0101010101011400000000000000000007080101010101090a1201010c0012010101090a170b010101020300040501090a0b01010101010203120101010101090a170b01010101010101060013010101010101010203120101010101140d0e0102031201020300040501090a0b010101090a170b010101010101010c07080101010101010102031201010101010102030405010102030405010110111301010110110b010101010101010106001301010101090a13010101010c0708010101010101010101010101010101010101010101010101101100000d0e010101020304050c12010101140d160a00000405010101010101090a13010101020304050c1201010101010102030b0101010101010101090a13010101010c00120101140b0101140d160a000004050101020304050c120101010101010c07080101010101010101090a130101010101020304050101020304050101020312010101090a1301010c120101010102030b01010101101112010101010c0013010101010101010101010101010101010101010101010106001201010600130101140708010203130101060013010101010101010101010101140d0e0101140708010203130101010101010c07080101010101010101140d0e020313060d150b0203040501060013010101010101011407080102031301010101010c0708010101010101010101140d0e0101010102030405010110110405010102030b0101011011120102030b01010101010c0708010101011404050101010c0708010101010101010101010101010101010101010101010203040501010114040514000004050c0000130102030b0101010101010101010101010600130114000004050c0000130101010101101112010101010101010106001301011400040506000013010102030b01010101010114000004050c000013010101010c07080101010101010101010600130101010101140d0e010110110b01010114000d0e01010110110000000b0101010101101112010101010c0d0e010102030d0e0101010101010101010101010101010101010101010102030405010101140d0e0101010101010101010101090a1201010101010114120101010c0013010101010101010101010101010101010c0d0e010114120101010c001301010101010101010101010101090a12010101010101010101010101010101060d0e0c07080101010114120101010c001301010101010607080101060013010101010101010101010101010101010101010101010c0d0e0101010c070801020300120101010101010101010101010101010101010101010101010c0013010106000b01010101010101010101010101090a0b01010101011407080110110d0e01010101010101010101011413010101090a1301011407080110110d0e0101010101010101010101010101090a0b0101010101010101010101010101011011000708010101011407080110110d0e01010101010203040502030d0e01010101010101010101010101010101011413010101090a13010106000000000007080101010101010101010101010101010101010101010101010101090a0000000b010101010101010101010101010101010c000d0e0101010600000007080101010101010101010101010c0000000000000405010106000000070801010101010101010101010101010101010c000d0e0101010101010101010101010101090f08010101010106000000070801010101010101020300000d0e0101010101101112010101010101010101010c0000000000000401010101010101010101010101010101010101010101010101010101010101010101010101010101010101010101010101010101010101010101010101010101010101010101010101010101010101010101010101010101010101010101010101010101010101010101010101010101010101010101010101010101010101010101010101010101010101010101010101010101010101010101010101010101010101010101010203040501010101010101010101010101010101010101010101010101010101010101010101010101010101010101010101010101010101010101010101010101010101010101010101010101010101010101010101010101010101010101010101010101010101010101010101010101010101010101010101010101010101010101010101010101010101010101010101010101010101010101010101010101010101010101010101010101010101010101010101010101010101010101010101010101010101010101010101010101010101010101010101010101010101010101010101010101010101010101010101010101010101010101010101010101010101010101010101010101010101010101010101010101010101010101010101010101010101010101010101010101010101010101010101010101010101010101010101010101010101010101010101010101010101010101010101010101010101010101010101010101010101010101010101010101010101010101010101010101010101010101010101010101010101010101010101010101010101010101010101010101010101010101010101010101010101010101010101010101010101010101010101010101010101010101010101010101010101010101010101010101010101010101010101010101010101010101010101010101010101010101010101010101010101010101010101010101010101010101010101010101010101010101010101010101010101010101010101010101010101010101010101010101010101014c000000640000000000000000000000c3000000150000000000000000000000c4000000160000002900aa0000000000000000000000803f00000000000000000000803f0000000000000000000000000000000000000000000000000000000000000000220000000c000000ffffffff460000001c00000010000000454d462b024000000c000000000000000e000000140000000000000010000000140000000400000003010800050000000b0200000000050000000c021600c400030000001e00040000000701040004000000070104000f080000410b2000cc001500bc00000000001600c4000000000028000000bc0000001500000001000800000000000000000000000000000000001c0000000000000000000000ffffff00e3ffff000054a600a6540000ffffe30080c6ff0054000000ffe3a600a6e3ff0000005400c680000054a6e30080000000ffffc60054005400c6ffff0000008000e3a65400ffc680000080c60054a6a600a6e3c6005454540080008000008080005454a600c680540001010101010101010101010101010101010101010101010101010101010101010101010101010101010101010101010101010101010101010101010101010101010101010101010101010101010101010101010101010101010101010101010101010101010101010101010101010101010101010101010101010101010101010101010101010101010101010101010101010101010101010101010101010101010101010101010101010101010101010101010101010101010101010101010101010101010101010101010101010101010101010101010101010101010101010101010101010101010101010101010101010101010101010101010101010101010101010101010101010101010101010101010101010101010101010101010101010101010101010101010101010101010101010101010101010101010101010101010101010101010101010101010101010101010101010101010101010600001301010101010101010101010101010101010101010101010101010101010101010101010101010101010101010101010101010101010101010101010101010101010101010101010101010101010101010101010101010101010101010101010101010101010101010101010101010101010101010101010101010101010101010101010101010101010101010101010101010101010101010101010101010101010101010101010101010101010101010101010101010101010106001301010101010101010101010101010101010101010101010101010101010101010101010101010101010101010101010101010101010101010101010101010101010101010101010101010101010101010101010101010101010101010101010101010101010101010101010101010101010101010101010101010101010101010101010101010101010101010101010101010101010101010101010101010101010101010101010101010102031301010101010101010101010114040501010101010101010101010101010101010101010101010101010101010101010101010101010101010101010101010101010101010101010101010101010101010101010101010101010101010101010101010101010101010101010101010101010101010101010101010101010101010101010101010101010101010101010101010101010101010101010101010101010101010101010101010101010101010101010101010101010110111301010101010101010101010c0708010101010101010101010101010101010101010106000000000007080101010101010101010101010101010101010101010101010101010106000000070801020300070810110000120101090a00000013010101140000000000001202030007081011000012010106070801010101010114000000000000120102030b0101010c0007080101090a00000013010203000708101100001201020300000000000b01011400000000000012010203040501101100000405010101090a1301010106000000001201010101060708010101010106070801010c000b01010101010101010101010101010101010101010101010101010c001201010600120101141201010600120101090a0b01010600120101090f080101011412010114120101060012010101101112010101010101090f08010101141201010c0d0e0101140b021a08090a0b010106001201011412010106001201010101010c070801010101090f080101011412010203040510110405020304050101101112010101060d0e011011120101011011120101010101090a13010101090a0b0101010101010101010101010101010101010101010101010203040501010203040501021a0810110b010101140d0e010101140d0e01010c0405010106120101021a0810110b0101010101140d0e0101010101010c040501010612010106070801011404050101140d0e010101140d0e01021a0810110b0101010101010c070801010101010c04050101061201010101010c00130101060013010102030b010101091b010102030b01010101140d0e0101010102030b010101010c0013010101010101010101010101010101010101010101010110110b01010101140d0e01011018190d0e0101020304050101010c0708010101140b010101010101011018190d0e0101010101090a1201010101010101140b010101010101090a130101060d0e01020304050101010c070801011018190d0e0101010101010c0708010101010101140b010101010101010101140d0e01011011120101010c0d0e01010101010203001301010101090a12010101010114040501010110110b010101010101010101010101010101010101010101010102030405010102030d0e01010106070801010102030405010101140d0e01010102030b010101010101010607080101010101010114040501010101010102030b01010101010203120101090a130102030405010101140d0e010101060708010101010101010c070801010101010102030b0101010101010102030405010110110b01010106070801010101090a0708010101010101140405010101010c0d0e01010101140d0e0101010101011400000000000000000007080101010101090a1201010c0012010101090a170b010101020300040501090a0b01010101010203120101010101090a170b01010101010101060013010101010101010203120101010101140d0e0102031201020300040501090a0b010101090a170b010101010101010c07080101010101010102031201010101010102030405010102030405010110111301010110110b010101010101010106001301010101090a13010101010c0708010101010101010101010101010101010101010101010101101100000d0e010101020304050c12010101140d160a00000405010101010101090a13010101020304050c1201010101010102030b0101010101010101090a13010101010c00120101140b0101140d160a000004050101020304050c120101010101010c07080101010101010101090a130101010101020304050101020304050101020312010101090a1301010c120101010102030b01010101101112010101010c0013010101010101010101010101010101010101010101010106001201010600130101140708010203130101060013010101010101010101010101140d0e0101140708010203130101010101010c07080101010101010101140d0e020313060d150b0203040501060013010101010101011407080102031301010101010c0708010101010101010101140d0e0101010102030405010110110405010102030b0101011011120102030b01010101010c0708010101011404050101010c0708010101010101010101010101010101010101010101010203040501010114040514000004050c0000130102030b0101010101010101010101010600130114000004050c0000130101010101101112010101010101010106001301011400040506000013010102030b01010101010114000004050c000013010101010c07080101010101010101010600130101010101140d0e010110110b01010114000d0e01010110110000000b0101010101101112010101010c0d0e010102030d0e0101010101010101010101010101010101010101010102030405010101140d0e0101010101010101010101090a1201010101010114120101010c0013010101010101010101010101010101010c0d0e010114120101010c001301010101010101010101010101090a12010101010101010101010101010101060d0e0c07080101010114120101010c001301010101010607080101060013010101010101010101010101010101010101010101010c0d0e0101010c070801020300120101010101010101010101010101010101010101010101010c0013010106000b01010101010101010101010101090a0b01010101011407080110110d0e01010101010101010101011413010101090a1301011407080110110d0e0101010101010101010101010101090a0b0101010101010101010101010101011011000708010101011407080110110d0e01010101010203040502030d0e01010101010101010101010101010101011413010101090a13010106000000000007080101010101010101010101010101010101010101010101010101090a0000000b010101010101010101010101010101010c000d0e0101010600000007080101010101010101010101010c0000000000000405010106000000070801010101010101010101010101010101010c000d0e0101010101010101010101010101090f08010101010106000000070801010101010101020300000d0e0101010101101112010101010101010101010c0000000000000401010101010101010101010101010101010101010101010101010101010101010101010101010101010101010101010101010101010101010101010101010101010101010101010101010101010101010101010101010101010101010101010101010101010101010101010101010101010101010101010101010101010101010101010101010101010101010101010101010101010101010101010101010101010101010101010203040501010101010101010101010101010101010101010101010101010101010101010101010101010101010101010101010101010101010101010101010101010101010101010101010101010101010101010101010101010101010101010101010101010101010101010101010101010101010101010101010101010101010101010101010101010101010101010101010101010101010101010101010101010101010101010101010101010101010101010101010101010101010101010101010101010101010101010101010101010101010101010101010101010101010101010101010101010101010101010101010101010101010101010101010101010101010101010101010101010101010101010101010101010101010101010101010101010101010101010101010101010101010101010101010101010101010101010101010101010101010101010101010101010101010101010101010101010101010101010101010101010101010101010101010101010101010101010101010101010101010101010101010101010101010101010101010101010101010101010101010101010101010101010101010101010101010101010101010101010101010101010101010101010101010101010101010101010101010101010101010101010101010101010101010101010101010101010101010101010101010101010101010101010101010101010101010101010101010101010101010101010101010101010101010101010101010101010101010101010101010101010101010101010101010c00000040092900aa000000000000001600c40000000000040000002701ffff030000000000
Находим предельные размеры, зазоры и натяги, строим схему расположения полей допусков соединения 010009000003021300000000440b00000000440b000026060f007e16574d46430100000000000100107800000000010000005c160000000000005c160000010000006c0000000000000000000000630000002700000000000000000000003a0a00001704000020454d46000001005c1600000c00000001000000000000000000000000000000900600001a040000b801000013010000000000000000000000000000c0b6060038320400460000002c00000020000000454d462b014001001c000000100000000210c0db01000000600000006000000046000000b0050000a4050000454d462b224004000c000000000000001e4009000c00000000000000244001000c000000000000003040020010000000040000000000803f214007000c0000000000000008400005fc040000f00400000210c0db01000000000000000000000000000000000000000100000089504e470d0a1a0a0000000d4948445200000060000000260802000000b4fb091e000000017352474200aece1ce9000000097048597300000e2600000e2601a2ef25fc00000477494441546843ed5a3d6eeb300c76df3912a053a75c2005baf600453a346b4fd0778138177839415767a89103642d605f2053a702f63dfc4851bf9495c689a3380fcf4b229b92c5cfe4478ad24dd334c9ff2b8cc0af2b05a75c3eafeb1873bf56803836e5f2465c1c3676bf5e3f939c2d19ea2bdef16f00542eef9302c8a2ca92f97b69c06bbb3fcb2a902cd27cf3294c30d4578d02c2d77455d98c194f5a002e3352dbfae7b68c04290b6de8b75f8624afc482d03584f78c5e3ec4bc8b5442d22ca6dda84878d9789eefe9853eb79486181320e5ebf46ea765710331849a1f08e2b3b764d57cbc8c024a8d6e27e430f5e7269fdc8eb00bc2e9ddc707efb7087195edeec53b7c9924992e9ae6712bf92ca67fa17fa80f2fcc5cb7aa2c251fd9e326ce4c8d05a93e041e398ef628ed91c6a114c87a225c46bd870649620254a40c1fa90f53ddbecbc923e67411b9342640808f4fb04c6306889823b1e9052e9c4c440eaabf7796b242f5474eb0e5fb7cf23bc835ddd8b817e93c1e4048a006116ccdeec6ae12f5facf2e7bed18957ac161004b0d1711d17a7a70c3d2e0cc07609b8538c8e7530f64138f302db11edb0f4c641202f448c50d47b09d8e0744d22c47b5a911d477985288ea3b021cad2b41d51fb15e8ea6ed304fe0b82a87b574f141ebb14d818d757af0b90c44ca74858be15777123868b8f76c35c34f484ad8507f26a4c76cf1dcd3d16f1dc1d61001c2b65148f913b3132bbfb4d1f45f700e7cce04c421c30240ee02c0e4f0ad9612804dbfeaa7e787cc6950329007555f66658b99088fbe76f882489cb7e4774aa45ebfcd93acf217d8aa4a757dbf00d0f84e97587eca44ca2d127220958395f2783e295a17dd83328a4e937138c85922bb9e87830af70951a54b649de63068610448f2869b93f90cb4877d3998ac18d13702671ede992e65d23249d4a1accd56c2d1ddb3359619f58d8f554ed443ab549e1b38bb6f65c32cb5b5935d7bc27aa9c16a115e1eb33f2fdabb0e393f40766ad2b604d0b9a6f612fd0dcdc76cffacc6827a4eedfa42c5364fb61af20b884714ed0d2c123c46a654eec05278d7e277cf650659a2b66ad17e35faf48a3d4c9a15eda7afb05534c6f44316f29d8234c8f7f5a54f18279cb30742a647d2ca0c942b294fe2f7cd768fbfc0536e4a8a685f8c0610b9076a2cd94e291f5a8bba41d5c1df8f62daf98e28dacb10c528464d2b1240422554394dc58e9d4145fccbd476a0bbe771515a941f2852c975ba80041bd634f9ee6e8564077fa9e08aa5c524ddc0b697b06ba00387857a26ba8ec3e55f55ccbd795ca7a4549187bfb2e00afb76e0772baad38f1e9e66c9eebbfe498f68473b6022912c086d053735681b03ffc20668bd5e97b81254c708c89c7067b4fb7596d31d68e4d100e2db18e93dec273f4c31c32826146721d09a52005ad301c644509ee17487dac58e44d2c724017e78eb2f5134ab15132c9db0a91bd12ca8bbd78c5e56ea8481ecdc4ba248a9e2f6317c160225de364f448c030688127c3865e11d1be3601f7eba43a083474516d372d97eba03d90c24347ec718ffa5fbf492285a274b64c1b035edfa0b23241b059fb3ccd00000000049454e44ae42608200000840010824000000180000000210c0db01000000030000000000000000000000000000001b40000040000000340000000100000002000000000000bf000000bf0000c04200001842030000000000008000000080feffc7420000008000000080feff1f422100000008000000620000000c00000001000000150000000c00000004000000150000000c0000000400000051000000480f00000000000000000000630000002700000000000000000000000000000000000000600000002600000050000000b800000008010000400e0000000000002000cc0064000000280000002800000060000000260000000100080000000000000000000000000000000000240000000000000000000000ffffff005480c600ffe3a60080c6ff00e3a65400a6e3ff0000005400c6ffff0080008000ffffc60080005400a6545400ffffe300a6540000c6800000e3ffff005454a60054a6e300ffc68000540054000080c600000080000054a60054008000c6805400a680a6008000000054000000a6e3c600e3e3a60054808000a6a68000a6a6e300e3ffc6008080c60001010101010101010101010101010101010101010101010101010101010101010101010101010101010101010101010101010101010101010101010102030101010112000013011205011200001301060700000e0d01120000130101010101010101010101010101010101010101010101010101010101010101010101010101010101010101010101010101010101010101010101041c03010101010203010101081803060b0a1205081803060b0a01120501230a081803060b0a150e0d010101010101010101010101010101010101010101010101010101010101010101010101010101010101010101010101010101010101120f0101010101010203010101060c0d1011030101060c0d1011030101120f0101060c0d10110301060c0d01010101010101010101010101010101010101010101010101010101010101010101010101010101010101010101010101010101060b0a0101010607000000000f01060c0d1011030101060c0d101103010101040501060c0d101103010112050101010101010101010101010101010101010101010101010101010101010101010101101705011017000501081600000e0d0101120501010101010101020301010108090a060b0a010108090a060b0a060c0d040e0d08090a060b0a0101060b0a0101010101010101010101010101010101010101010101010101010101010101010101120f01101713212217050110170f01101713010101010101010203010101010400000501010101040000050106070000050101040000050101011011030101010101010101010101010101010101010101010101010101010101010101010101041b0a011505010818030101120e0d10171301010101010101020301010101010101010101010101010101010101010101010101010101010101101713010101010101010101010101010101010101010101010101010101010101010101010108160501040e0d06070e0d10170f011017130101010101010101010101010101010101010101010101010101010101010101010101010101010110171301010101010101010101010101010101010101010101010101010101010101010101021e111f13060b0a10172007000e0d01101713010101010101010101010101010101010101010101010101010101010101010101010101010101011011030101010101010101010101010101010101010101010101010101010101010101010110171c0315000e0d01120f010101010101120501010101010101020301010101120000130112050112000013010607000005010106070f01010101060b0a0101010101010101010101010101010101010101010101010101010101010101010101010101010101010110170f0101010101060c0d0101010101010203010101081803060b0a1205081803060b0a061901060b0a010101040f01010112050101010101010101010101010101010101010101010101010101010101010101010101010101010101010101010104001b0a010101120e0d01010101010203010101060c0d1011030101060c0d101103010607001301101700001c0301040e0d010110171301010101010101010101010101010101010101010101010101010101010101010101010101010101010101010101010101061403010607000000000f01060c0d1011030101060c0d101103010101121301040e0d101103150f010101010108160000001b0a01010101041c030101010101011500000000000005010101010101010101010101010101010101010101010101010101010101020301010108090a060b0a010108090a060b0a060c0d040e0d040e0d081803010101010101101700130101121c03010101081605010101010101061403010101150501010101010101010101010101010101010101010101010101010101010102030101010104000005010101010400000501060700000501011500000501010101010101121b1d0c0d0101150e0d010101151b0a010101010101120e0d0101040501010101010101010101010101010101010101010101010101010101010102030101010101010101010101010101010101010101010101010101010101010101010101150f010203010106140301010106070501010101010101150f0101010101010101010101010101010101010101010101010101010101010101010101010101010101010101010101010101010101010101010101010101010101010101010110170501040f010108160501010101150e0d01010101010110170f01010101010101010101010101010101010101010101010101010101010101010101010101010101010101010101010101010101010101010101010101010101010101010108160501101103010816050101010104001301010101010101101705010101010101000000000000000000000000000000000000000000000000000000000000000000000000000000000000000000000000000000000000000000000000000010170501010405010816050101010110170f01010101010101010607130101010101010101010101010101010101010101010101010101010101010101010101010101010101010101010101010101010101010101010101010101010101010101150f010108090a0607130101010101121c030101010101010101151b0a01010101010101010101010101010101010101010101010101010101010101010101010101010101010101010101010101010101010101010101010101010101010101041c0301011205150e0d0101010101081605010101010101010104001301010101010101010101010101010101010101010101010101041c0301010101010101010101010101010101010101010101010101010101010101010101150e0d010110171b0a010816001301010101010101121b0a01011505010101120013010101010101010101010101010101010101010101010101120f01010101010101010101010101010101010101010101010101010101010101010101010101060c0d01010112000000001301010115130101010607130101151c030108161b0a0101010101010101010101010101010101010101010101060b0a01010101010101010101010101010101010101010101010101010101010101010101010101011205010101010101010818030101120000000000000e0d0101040000001c03010101010112001c031017000e0d010110110301010101011205010101010101010101010101010101010101010101010101010101010101010101010101010101060b01010101010101010101010101010101010101010101010101010101010101010101101705010106140301010101040f0101010110171301010101010101010101010101010101010101010101010101010101010101010101010101010110110101010101010101010101010101010101010101010101010101010101010101010101120f01011017050101010110110301010110171301010101010101010101010101010101010101010101010101010101010101010101010101010110170101010101010101010101010101010101010101010101010101010101010101010101060b0a0101120f0101010101040f010101101713010101010101010101010101010101010101010101010101010101010101010101010101010101101701010101010101010101010101010101010101010101010101010101010101010101010816000000001b0a0101010110110301011017130101010101010101010101010101010101010101010101010101010101010101010101010101011011010101010101010101010101010101010101010101010101010101010101010101010101150501010607130101010101040f0101011205010101010101010101010101010101010101010101010101010101010101010101010101010101060b010101010101010101010101010101010101010101010101010101010101010101010101120e0d0110170501101a0d011011030101060c0d0101010101020301010112000013011205011200001301060700000501011200001301010101120501010101010101010101010101010101010101010101010101010101010101010101010816000f01040000131017000000000f010101120e0d0101010102030101081803060b0a1205081803060b0a061901060b0a081803060b0a0101040e0d0101010101010101010101010101010101010101010101010101010101010101010101010101010101010101010101010101010101010106140301010102030101060c0d1011030101060c0d101103010607001301060c0d10110301150f0101010101010101010101010101010101010101010101010101010101010101010101010101010101010101010101010101010101010101010101010607000000000f060c0d1011030101060c0d101103010101121301060c0d1011030101010101010101010101010101010101010101010101010101010101010101010101010101010101010101010101010101010101010101010101010101010101010203010108090a060b0a010108090a060b0a060c0d040e0d08090a060b0a01010101010101010101010101010101010101010101010101010101010101010101010101010101010101010101010101010101010101010101010101010101010102030101010400000501010101040000050106070000050101040000050101010101010101010101010101010101010101010101010101010101010101010101010101010101010101010101010101010101010101010101010101010101010102030101010101010101010101010101010101010101010101010101010101010101010101010101010101010101010101010101010101010101010101010101010101010101010101010101010101010101010101010101010101010101010101010101010101010101010101010101010101010101010101010101010101010101014c0000006400000000000000000000006300000027000000000000000000000064000000280000002900aa0000000000000000000000803f00000000000000000000803f0000000000000000000000000000000000000000000000000000000000000000220000000c000000ffffffff460000001c00000010000000454d462b024000000c000000000000000e000000140000000000000010000000140000000400000003010800050000000b0200000000050000000c0228006400030000001e000400000007010400040000000701040089070000410b2000cc00260060000000000028006400000000002800000060000000260000000100080000000000000000000000000000000000240000000000000000000000ffffff005480c600ffe3a60080c6ff00e3a65400a6e3ff0000005400c6ffff0080008000ffffc60080005400a6545400ffffe300a6540000c6800000e3ffff005454a60054a6e300ffc68000540054000080c600000080000054a60054008000c6805400a680a6008000000054000000a6e3c600e3e3a60054808000a6a68000a6a6e300e3ffc6008080c60001010101010101010101010101010101010101010101010101010101010101010101010101010101010101010101010101010101010101010101010102030101010112000013011205011200001301060700000e0d01120000130101010101010101010101010101010101010101010101010101010101010101010101010101010101010101010101010101010101010101010101041c03010101010203010101081803060b0a1205081803060b0a01120501230a081803060b0a150e0d010101010101010101010101010101010101010101010101010101010101010101010101010101010101010101010101010101010101120f0101010101010203010101060c0d1011030101060c0d1011030101120f0101060c0d10110301060c0d01010101010101010101010101010101010101010101010101010101010101010101010101010101010101010101010101010101060b0a0101010607000000000f01060c0d1011030101060c0d101103010101040501060c0d101103010112050101010101010101010101010101010101010101010101010101010101010101010101101705011017000501081600000e0d0101120501010101010101020301010108090a060b0a010108090a060b0a060c0d040e0d08090a060b0a0101060b0a0101010101010101010101010101010101010101010101010101010101010101010101120f01101713212217050110170f01101713010101010101010203010101010400000501010101040000050106070000050101040000050101011011030101010101010101010101010101010101010101010101010101010101010101010101041b0a011505010818030101120e0d10171301010101010101020301010101010101010101010101010101010101010101010101010101010101101713010101010101010101010101010101010101010101010101010101010101010101010108160501040e0d06070e0d10170f011017130101010101010101010101010101010101010101010101010101010101010101010101010101010110171301010101010101010101010101010101010101010101010101010101010101010101021e111f13060b0a10172007000e0d01101713010101010101010101010101010101010101010101010101010101010101010101010101010101011011030101010101010101010101010101010101010101010101010101010101010101010110171c0315000e0d01120f010101010101120501010101010101020301010101120000130112050112000013010607000005010106070f01010101060b0a0101010101010101010101010101010101010101010101010101010101010101010101010101010101010110170f0101010101060c0d0101010101010203010101081803060b0a1205081803060b0a061901060b0a010101040f01010112050101010101010101010101010101010101010101010101010101010101010101010101010101010101010101010104001b0a010101120e0d01010101010203010101060c0d1011030101060c0d101103010607001301101700001c0301040e0d010110171301010101010101010101010101010101010101010101010101010101010101010101010101010101010101010101010101061403010607000000000f01060c0d1011030101060c0d101103010101121301040e0d101103150f010101010108160000001b0a01010101041c030101010101011500000000000005010101010101010101010101010101010101010101010101010101010101020301010108090a060b0a010108090a060b0a060c0d040e0d040e0d081803010101010101101700130101121c03010101081605010101010101061403010101150501010101010101010101010101010101010101010101010101010101010102030101010104000005010101010400000501060700000501011500000501010101010101121b1d0c0d0101150e0d010101151b0a010101010101120e0d0101040501010101010101010101010101010101010101010101010101010101010102030101010101010101010101010101010101010101010101010101010101010101010101150f010203010106140301010106070501010101010101150f0101010101010101010101010101010101010101010101010101010101010101010101010101010101010101010101010101010101010101010101010101010101010101010110170501040f010108160501010101150e0d01010101010110170f01010101010101010101010101010101010101010101010101010101010101010101010101010101010101010101010101010101010101010101010101010101010101010108160501101103010816050101010104001301010101010101101705010101010101000000000000000000000000000000000000000000000000000000000000000000000000000000000000000000000000000000000000000000000000000010170501010405010816050101010110170f01010101010101010607130101010101010101010101010101010101010101010101010101010101010101010101010101010101010101010101010101010101010101010101010101010101010101150f010108090a0607130101010101121c030101010101010101151b0a01010101010101010101010101010101010101010101010101010101010101010101010101010101010101010101010101010101010101010101010101010101010101041c0301011205150e0d0101010101081605010101010101010104001301010101010101010101010101010101010101010101010101041c0301010101010101010101010101010101010101010101010101010101010101010101150e0d010110171b0a010816001301010101010101121b0a01011505010101120013010101010101010101010101010101010101010101010101120f01010101010101010101010101010101010101010101010101010101010101010101010101060c0d01010112000000001301010115130101010607130101151c030108161b0a0101010101010101010101010101010101010101010101060b0a01010101010101010101010101010101010101010101010101010101010101010101010101011205010101010101010818030101120000000000000e0d0101040000001c03010101010112001c031017000e0d010110110301010101011205010101010101010101010101010101010101010101010101010101010101010101010101010101060b01010101010101010101010101010101010101010101010101010101010101010101101705010106140301010101040f0101010110171301010101010101010101010101010101010101010101010101010101010101010101010101010110110101010101010101010101010101010101010101010101010101010101010101010101120f01011017050101010110110301010110171301010101010101010101010101010101010101010101010101010101010101010101010101010110170101010101010101010101010101010101010101010101010101010101010101010101060b0a0101120f0101010101040f010101101713010101010101010101010101010101010101010101010101010101010101010101010101010101101701010101010101010101010101010101010101010101010101010101010101010101010816000000001b0a0101010110110301011017130101010101010101010101010101010101010101010101010101010101010101010101010101011011010101010101010101010101010101010101010101010101010101010101010101010101150501010607130101010101040f0101011205010101010101010101010101010101010101010101010101010101010101010101010101010101060b010101010101010101010101010101010101010101010101010101010101010101010101120e0d0110170501101a0d011011030101060c0d0101010101020301010112000013011205011200001301060700000501011200001301010101120501010101010101010101010101010101010101010101010101010101010101010101010816000f01040000131017000000000f010101120e0d0101010102030101081803060b0a1205081803060b0a061901060b0a081803060b0a0101040e0d0101010101010101010101010101010101010101010101010101010101010101010101010101010101010101010101010101010101010106140301010102030101060c0d1011030101060c0d101103010607001301060c0d10110301150f0101010101010101010101010101010101010101010101010101010101010101010101010101010101010101010101010101010101010101010101010607000000000f060c0d1011030101060c0d101103010101121301060c0d1011030101010101010101010101010101010101010101010101010101010101010101010101010101010101010101010101010101010101010101010101010101010101010203010108090a060b0a010108090a060b0a060c0d040e0d08090a060b0a01010101010101010101010101010101010101010101010101010101010101010101010101010101010101010101010101010101010101010101010101010101010102030101010400000501010101040000050106070000050101040000050101010101010101010101010101010101010101010101010101010101010101010101010101010101010101010101010101010101010101010101010101010101010102030101010101010101010101010101010101010101010101010101010101010101010101010101010101010101010101010101010101010101010101010101010101010101010101010101010101010101010101010101010101010101010101010101010101010101010101010101010101010101010101010101010101010101010c00000040092900aa000000000000002800640000000000040000002701ffff030000000000






Масштаб: 1мм=1мкм

Рисунок 3.3.1 – Схема расположения полей допусков посадки 010009000003021300000000440b00000000440b000026060f007e16574d46430100000000000100107800000000010000005c160000000000005c160000010000006c0000000000000000000000630000002700000000000000000000003a0a00001704000020454d46000001005c1600000c00000001000000000000000000000000000000900600001a040000b801000013010000000000000000000000000000c0b6060038320400460000002c00000020000000454d462b014001001c000000100000000210c0db01000000600000006000000046000000b0050000a4050000454d462b224004000c000000000000001e4009000c00000000000000244001000c000000000000003040020010000000040000000000803f214007000c0000000000000008400005fc040000f00400000210c0db01000000000000000000000000000000000000000100000089504e470d0a1a0a0000000d4948445200000060000000260802000000b4fb091e000000017352474200aece1ce9000000097048597300000e2600000e2601a2ef25fc00000477494441546843ed5a3d6eeb300c76df3912a053a75c2005baf600453a346b4fd0778138177839415767a89103642d605f2053a702f63dfc4851bf9495c689a3380fcf4b229b92c5cfe4478ad24dd334c9ff2b8cc0af2b05a75c3eafeb1873bf56803836e5f2465c1c3676bf5e3f939c2d19ea2bdef16f00542eef9302c8a2ca92f97b69c06bbb3fcb2a902cd27cf3294c30d4578d02c2d77455d98c194f5a002e3352dbfae7b68c04290b6de8b75f8624afc482d03584f78c5e3ec4bc8b5442d22ca6dda84878d9789eefe9853eb79486181320e5ebf46ea765710331849a1f08e2b3b764d57cbc8c024a8d6e27e430f5e7269fdc8eb00bc2e9ddc707efb7087195edeec53b7c9924992e9ae6712bf92ca67fa17fa80f2fcc5cb7aa2c251fd9e326ce4c8d05a93e041e398ef628ed91c6a114c87a225c46bd870649620254a40c1fa90f53ddbecbc923e67411b9342640808f4fb04c6306889823b1e9052e9c4c440eaabf7796b242f5474eb0e5fb7cf23bc835ddd8b817e93c1e4048a006116ccdeec6ae12f5facf2e7bed18957ac161004b0d1711d17a7a70c3d2e0cc07609b8538c8e7530f64138f302db11edb0f4c641202f448c50d47b09d8e0744d22c47b5a911d477985288ea3b021cad2b41d51fb15e8ea6ed304fe0b82a87b574f141ebb14d818d757af0b90c44ca74858be15777123868b8f76c35c34f484ad8507f26a4c76cf1dcd3d16f1dc1d61001c2b65148f913b3132bbfb4d1f45f700e7cce04c421c30240ee02c0e4f0ad9612804dbfeaa7e787cc6950329007555f66658b99088fbe76f882489cb7e4774aa45ebfcd93acf217d8aa4a757dbf00d0f84e97587eca44ca2d127220958395f2783e295a17dd83328a4e937138c85922bb9e87830af70951a54b649de63068610448f2869b93f90cb4877d3998ac18d13702671ede992e65d23249d4a1accd56c2d1ddb3359619f58d8f554ed443ab549e1b38bb6f65c32cb5b5935d7bc27aa9c16a115e1eb33f2fdabb0e393f40766ad2b604d0b9a6f612fd0dcdc76cffacc6827a4eedfa42c5364fb61af20b884714ed0d2c123c46a654eec05278d7e277cf650659a2b66ad17e35faf48a3d4c9a15eda7afb05534c6f44316f29d8234c8f7f5a54f18279cb30742a647d2ca0c942b294fe2f7cd768fbfc0536e4a8a685f8c0610b9076a2cd94e291f5a8bba41d5c1df8f62daf98e28dacb10c528464d2b1240422554394dc58e9d4145fccbd476a0bbe771515a941f2852c975ba80041bd634f9ee6e8564077fa9e08aa5c524ddc0b697b06ba00387857a26ba8ec3e55f55ccbd795ca7a4549187bfb2e00afb76e0772baad38f1e9e66c9eebbfe498f68473b6022912c086d053735681b03ffc20668bd5e97b81254c708c89c7067b4fb7596d31d68e4d100e2db18e93dec273f4c31c32826146721d09a52005ad301c644509ee17487dac58e44d2c724017e78eb2f5134ab15132c9db0a91bd12ca8bbd78c5e56ea8481ecdc4ba248a9e2f6317c160225de364f448c030688127c3865e11d1be3601f7eba43a083474516d372d97eba03d90c24347ec718ffa5fbf492285a274b64c1b035edfa0b23241b059fb3ccd00000000049454e44ae42608200000840010824000000180000000210c0db01000000030000000000000000000000000000001b40000040000000340000000100000002000000000000bf000000bf0000c04200001842030000000000008000000080feffc7420000008000000080feff1f422100000008000000620000000c00000001000000150000000c00000004000000150000000c0000000400000051000000480f00000000000000000000630000002700000000000000000000000000000000000000600000002600000050000000b800000008010000400e0000000000002000cc0064000000280000002800000060000000260000000100080000000000000000000000000000000000240000000000000000000000ffffff005480c600ffe3a60080c6ff00e3a65400a6e3ff0000005400c6ffff0080008000ffffc60080005400a6545400ffffe300a6540000c6800000e3ffff005454a60054a6e300ffc68000540054000080c600000080000054a60054008000c6805400a680a6008000000054000000a6e3c600e3e3a60054808000a6a68000a6a6e300e3ffc6008080c60001010101010101010101010101010101010101010101010101010101010101010101010101010101010101010101010101010101010101010101010102030101010112000013011205011200001301060700000e0d01120000130101010101010101010101010101010101010101010101010101010101010101010101010101010101010101010101010101010101010101010101041c03010101010203010101081803060b0a1205081803060b0a01120501230a081803060b0a150e0d010101010101010101010101010101010101010101010101010101010101010101010101010101010101010101010101010101010101120f0101010101010203010101060c0d1011030101060c0d1011030101120f0101060c0d10110301060c0d01010101010101010101010101010101010101010101010101010101010101010101010101010101010101010101010101010101060b0a0101010607000000000f01060c0d1011030101060c0d101103010101040501060c0d101103010112050101010101010101010101010101010101010101010101010101010101010101010101101705011017000501081600000e0d0101120501010101010101020301010108090a060b0a010108090a060b0a060c0d040e0d08090a060b0a0101060b0a0101010101010101010101010101010101010101010101010101010101010101010101120f01101713212217050110170f01101713010101010101010203010101010400000501010101040000050106070000050101040000050101011011030101010101010101010101010101010101010101010101010101010101010101010101041b0a011505010818030101120e0d10171301010101010101020301010101010101010101010101010101010101010101010101010101010101101713010101010101010101010101010101010101010101010101010101010101010101010108160501040e0d06070e0d10170f011017130101010101010101010101010101010101010101010101010101010101010101010101010101010110171301010101010101010101010101010101010101010101010101010101010101010101021e111f13060b0a10172007000e0d01101713010101010101010101010101010101010101010101010101010101010101010101010101010101011011030101010101010101010101010101010101010101010101010101010101010101010110171c0315000e0d01120f010101010101120501010101010101020301010101120000130112050112000013010607000005010106070f01010101060b0a0101010101010101010101010101010101010101010101010101010101010101010101010101010101010110170f0101010101060c0d0101010101010203010101081803060b0a1205081803060b0a061901060b0a010101040f01010112050101010101010101010101010101010101010101010101010101010101010101010101010101010101010101010104001b0a010101120e0d01010101010203010101060c0d1011030101060c0d101103010607001301101700001c0301040e0d010110171301010101010101010101010101010101010101010101010101010101010101010101010101010101010101010101010101061403010607000000000f01060c0d1011030101060c0d101103010101121301040e0d101103150f010101010108160000001b0a01010101041c030101010101011500000000000005010101010101010101010101010101010101010101010101010101010101020301010108090a060b0a010108090a060b0a060c0d040e0d040e0d081803010101010101101700130101121c03010101081605010101010101061403010101150501010101010101010101010101010101010101010101010101010101010102030101010104000005010101010400000501060700000501011500000501010101010101121b1d0c0d0101150e0d010101151b0a010101010101120e0d0101040501010101010101010101010101010101010101010101010101010101010102030101010101010101010101010101010101010101010101010101010101010101010101150f010203010106140301010106070501010101010101150f0101010101010101010101010101010101010101010101010101010101010101010101010101010101010101010101010101010101010101010101010101010101010101010110170501040f010108160501010101150e0d01010101010110170f01010101010101010101010101010101010101010101010101010101010101010101010101010101010101010101010101010101010101010101010101010101010101010108160501101103010816050101010104001301010101010101101705010101010101000000000000000000000000000000000000000000000000000000000000000000000000000000000000000000000000000000000000000000000000000010170501010405010816050101010110170f01010101010101010607130101010101010101010101010101010101010101010101010101010101010101010101010101010101010101010101010101010101010101010101010101010101010101150f010108090a0607130101010101121c030101010101010101151b0a01010101010101010101010101010101010101010101010101010101010101010101010101010101010101010101010101010101010101010101010101010101010101041c0301011205150e0d0101010101081605010101010101010104001301010101010101010101010101010101010101010101010101041c0301010101010101010101010101010101010101010101010101010101010101010101150e0d010110171b0a010816001301010101010101121b0a01011505010101120013010101010101010101010101010101010101010101010101120f01010101010101010101010101010101010101010101010101010101010101010101010101060c0d01010112000000001301010115130101010607130101151c030108161b0a0101010101010101010101010101010101010101010101060b0a01010101010101010101010101010101010101010101010101010101010101010101010101011205010101010101010818030101120000000000000e0d0101040000001c03010101010112001c031017000e0d010110110301010101011205010101010101010101010101010101010101010101010101010101010101010101010101010101060b01010101010101010101010101010101010101010101010101010101010101010101101705010106140301010101040f0101010110171301010101010101010101010101010101010101010101010101010101010101010101010101010110110101010101010101010101010101010101010101010101010101010101010101010101120f01011017050101010110110301010110171301010101010101010101010101010101010101010101010101010101010101010101010101010110170101010101010101010101010101010101010101010101010101010101010101010101060b0a0101120f0101010101040f010101101713010101010101010101010101010101010101010101010101010101010101010101010101010101101701010101010101010101010101010101010101010101010101010101010101010101010816000000001b0a0101010110110301011017130101010101010101010101010101010101010101010101010101010101010101010101010101011011010101010101010101010101010101010101010101010101010101010101010101010101150501010607130101010101040f0101011205010101010101010101010101010101010101010101010101010101010101010101010101010101060b010101010101010101010101010101010101010101010101010101010101010101010101120e0d0110170501101a0d011011030101060c0d0101010101020301010112000013011205011200001301060700000501011200001301010101120501010101010101010101010101010101010101010101010101010101010101010101010816000f01040000131017000000000f010101120e0d0101010102030101081803060b0a1205081803060b0a061901060b0a081803060b0a0101040e0d0101010101010101010101010101010101010101010101010101010101010101010101010101010101010101010101010101010101010106140301010102030101060c0d1011030101060c0d101103010607001301060c0d10110301150f0101010101010101010101010101010101010101010101010101010101010101010101010101010101010101010101010101010101010101010101010607000000000f060c0d1011030101060c0d101103010101121301060c0d1011030101010101010101010101010101010101010101010101010101010101010101010101010101010101010101010101010101010101010101010101010101010101010203010108090a060b0a010108090a060b0a060c0d040e0d08090a060b0a01010101010101010101010101010101010101010101010101010101010101010101010101010101010101010101010101010101010101010101010101010101010102030101010400000501010101040000050106070000050101040000050101010101010101010101010101010101010101010101010101010101010101010101010101010101010101010101010101010101010101010101010101010101010102030101010101010101010101010101010101010101010101010101010101010101010101010101010101010101010101010101010101010101010101010101010101010101010101010101010101010101010101010101010101010101010101010101010101010101010101010101010101010101010101010101010101010101014c0000006400000000000000000000006300000027000000000000000000000064000000280000002900aa0000000000000000000000803f00000000000000000000803f0000000000000000000000000000000000000000000000000000000000000000220000000c000000ffffffff460000001c00000010000000454d462b024000000c000000000000000e000000140000000000000010000000140000000400000003010800050000000b0200000000050000000c0228006400030000001e000400000007010400040000000701040089070000410b2000cc00260060000000000028006400000000002800000060000000260000000100080000000000000000000000000000000000240000000000000000000000ffffff005480c600ffe3a60080c6ff00e3a65400a6e3ff0000005400c6ffff0080008000ffffc60080005400a6545400ffffe300a6540000c6800000e3ffff005454a60054a6e300ffc68000540054000080c600000080000054a60054008000c6805400a680a6008000000054000000a6e3c600e3e3a60054808000a6a68000a6a6e300e3ffc6008080c60001010101010101010101010101010101010101010101010101010101010101010101010101010101010101010101010101010101010101010101010102030101010112000013011205011200001301060700000e0d01120000130101010101010101010101010101010101010101010101010101010101010101010101010101010101010101010101010101010101010101010101041c03010101010203010101081803060b0a1205081803060b0a01120501230a081803060b0a150e0d010101010101010101010101010101010101010101010101010101010101010101010101010101010101010101010101010101010101120f0101010101010203010101060c0d1011030101060c0d1011030101120f0101060c0d10110301060c0d01010101010101010101010101010101010101010101010101010101010101010101010101010101010101010101010101010101060b0a0101010607000000000f01060c0d1011030101060c0d101103010101040501060c0d101103010112050101010101010101010101010101010101010101010101010101010101010101010101101705011017000501081600000e0d0101120501010101010101020301010108090a060b0a010108090a060b0a060c0d040e0d08090a060b0a0101060b0a0101010101010101010101010101010101010101010101010101010101010101010101120f01101713212217050110170f01101713010101010101010203010101010400000501010101040000050106070000050101040000050101011011030101010101010101010101010101010101010101010101010101010101010101010101041b0a011505010818030101120e0d10171301010101010101020301010101010101010101010101010101010101010101010101010101010101101713010101010101010101010101010101010101010101010101010101010101010101010108160501040e0d06070e0d10170f011017130101010101010101010101010101010101010101010101010101010101010101010101010101010110171301010101010101010101010101010101010101010101010101010101010101010101021e111f13060b0a10172007000e0d01101713010101010101010101010101010101010101010101010101010101010101010101010101010101011011030101010101010101010101010101010101010101010101010101010101010101010110171c0315000e0d01120f010101010101120501010101010101020301010101120000130112050112000013010607000005010106070f01010101060b0a0101010101010101010101010101010101010101010101010101010101010101010101010101010101010110170f0101010101060c0d0101010101010203010101081803060b0a1205081803060b0a061901060b0a010101040f01010112050101010101010101010101010101010101010101010101010101010101010101010101010101010101010101010104001b0a010101120e0d01010101010203010101060c0d1011030101060c0d101103010607001301101700001c0301040e0d010110171301010101010101010101010101010101010101010101010101010101010101010101010101010101010101010101010101061403010607000000000f01060c0d1011030101060c0d101103010101121301040e0d101103150f010101010108160000001b0a01010101041c030101010101011500000000000005010101010101010101010101010101010101010101010101010101010101020301010108090a060b0a010108090a060b0a060c0d040e0d040e0d081803010101010101101700130101121c03010101081605010101010101061403010101150501010101010101010101010101010101010101010101010101010101010102030101010104000005010101010400000501060700000501011500000501010101010101121b1d0c0d0101150e0d010101151b0a010101010101120e0d0101040501010101010101010101010101010101010101010101010101010101010102030101010101010101010101010101010101010101010101010101010101010101010101150f010203010106140301010106070501010101010101150f0101010101010101010101010101010101010101010101010101010101010101010101010101010101010101010101010101010101010101010101010101010101010101010110170501040f010108160501010101150e0d01010101010110170f01010101010101010101010101010101010101010101010101010101010101010101010101010101010101010101010101010101010101010101010101010101010101010108160501101103010816050101010104001301010101010101101705010101010101000000000000000000000000000000000000000000000000000000000000000000000000000000000000000000000000000000000000000000000000000010170501010405010816050101010110170f01010101010101010607130101010101010101010101010101010101010101010101010101010101010101010101010101010101010101010101010101010101010101010101010101010101010101150f010108090a0607130101010101121c030101010101010101151b0a01010101010101010101010101010101010101010101010101010101010101010101010101010101010101010101010101010101010101010101010101010101010101041c0301011205150e0d0101010101081605010101010101010104001301010101010101010101010101010101010101010101010101041c0301010101010101010101010101010101010101010101010101010101010101010101150e0d010110171b0a010816001301010101010101121b0a01011505010101120013010101010101010101010101010101010101010101010101120f01010101010101010101010101010101010101010101010101010101010101010101010101060c0d01010112000000001301010115130101010607130101151c030108161b0a0101010101010101010101010101010101010101010101060b0a01010101010101010101010101010101010101010101010101010101010101010101010101011205010101010101010818030101120000000000000e0d0101040000001c03010101010112001c031017000e0d010110110301010101011205010101010101010101010101010101010101010101010101010101010101010101010101010101060b01010101010101010101010101010101010101010101010101010101010101010101101705010106140301010101040f0101010110171301010101010101010101010101010101010101010101010101010101010101010101010101010110110101010101010101010101010101010101010101010101010101010101010101010101120f01011017050101010110110301010110171301010101010101010101010101010101010101010101010101010101010101010101010101010110170101010101010101010101010101010101010101010101010101010101010101010101060b0a0101120f0101010101040f010101101713010101010101010101010101010101010101010101010101010101010101010101010101010101101701010101010101010101010101010101010101010101010101010101010101010101010816000000001b0a0101010110110301011017130101010101010101010101010101010101010101010101010101010101010101010101010101011011010101010101010101010101010101010101010101010101010101010101010101010101150501010607130101010101040f0101011205010101010101010101010101010101010101010101010101010101010101010101010101010101060b010101010101010101010101010101010101010101010101010101010101010101010101120e0d0110170501101a0d011011030101060c0d0101010101020301010112000013011205011200001301060700000501011200001301010101120501010101010101010101010101010101010101010101010101010101010101010101010816000f01040000131017000000000f010101120e0d0101010102030101081803060b0a1205081803060b0a061901060b0a081803060b0a0101040e0d0101010101010101010101010101010101010101010101010101010101010101010101010101010101010101010101010101010101010106140301010102030101060c0d1011030101060c0d101103010607001301060c0d10110301150f0101010101010101010101010101010101010101010101010101010101010101010101010101010101010101010101010101010101010101010101010607000000000f060c0d1011030101060c0d101103010101121301060c0d1011030101010101010101010101010101010101010101010101010101010101010101010101010101010101010101010101010101010101010101010101010101010101010203010108090a060b0a010108090a060b0a060c0d040e0d08090a060b0a01010101010101010101010101010101010101010101010101010101010101010101010101010101010101010101010101010101010101010101010101010101010102030101010400000501010101040000050106070000050101040000050101010101010101010101010101010101010101010101010101010101010101010101010101010101010101010101010101010101010101010101010101010101010102030101010101010101010101010101010101010101010101010101010101010101010101010101010101010101010101010101010101010101010101010101010101010101010101010101010101010101010101010101010101010101010101010101010101010101010101010101010101010101010101010101010101010101010c00000040092900aa000000000000002800640000000000040000002701ffff030000000000
Находим предельные зазоры, натяги и размеры, строим схему расположения полей допусков соединения 010009000003001400000000e80b00000000e80b000026060f00c617574d4643010000000000010090c50000000001000000a417000000000000a4170000010000006c000000000000000000000068000000260000000000000000000000bd0a0000fc03000020454d4600000100a41700000c00000001000000000000000000000000000000900600001a040000b801000013010000000000000000000000000000c0b6060038320400460000002c00000020000000454d462b014001001c000000100000000210c0db010000006000000060000000460000004406000038060000454d462b224004000c000000000000001e4009000c00000000000000244001000c000000000000003040020010000000040000000000803f214007000c000000000000000840000590050000840500000210c0db01000000000000000000000000000000000000000100000089504e470d0a1a0a0000000d4948445200000065000000250802000000d446b0f4000000017352474200aece1ce9000000097048597300000e2600000e2601a2ef25fc0000050b494441546843ed5a3d72ea301076de396026552a2e0033693900430a6873027281980b2427480b45180e409b19b80055aaccc03dfc76575a692559d88e03226f9e9b1079f5e34ffbf3ed4a37455164ff9fda08fca92d798d82bbf9c3f278d185fd6ebc4aa0dacd6fe8f181f4da8fcb072527245924e82ba6f9c7f0dacd07d9165ccc61914ddf76f63bcbdac78b03486ef3d5fa03751444f6d4526c7bd3594c6d7f155ea814a437ac1d837c35ed9292cc099ce3d77e7cd7851f9dfbd178ff654c356cef4cdedf271dea913fe10ff174efc6f81faa9b1af60af4cbe8be6715a2ddb528846896bd16f495f0b5a808a01c4a498ae2b9dfd88d11e8dde94a77ec3f824e12f8baadff5c14c38d6f9c345b82e7b01867fcb1603ee31ccc48b66df3ccbec73746582cd6e2a51ba117c9e1487a44fadf6fe719ada41d1564b1ab7ebc99b3045069d5c8e4b2c236048cd71d814be897f83ca52faaabe988008a7602543f762354a3004b0f219a52e165d1103ae2eb97802bc0f672fbec6c56227f0f6e16367280de6290f76eb5bf05b77418ad9503c76055e9942ec5bf569f07ad8c69f03a7eac57da0c40bd28a2e988d4fd7c529a43c005e1a9daa9d7e45f34107a7c6f0ad53d3e6f12bc08aed13d6955ff99221e2d1f958e9fce6daf1a9c40a23eff4260666b6700846f332c8bb6764b5dffe5042d270e8981cb029595158e34e27358a2641cd95944c7203c3a7265eeddeb615d901b399c50882e3508017e0035fa458a68d988c5075f30f3a5c00c1431a6afb043dd69a6281172844199663379327a25944af32a825fbc07fae9f0f51fe15f9e7222a7e5958bc9c016b2c5a36177841742828a186e9b1a73bc78659b0156073137dff8bc97e4766f53704b5ab63379820d8b483635b5cee475b11f54ba33306295dda0c56318810d44da1bb497cf6fdd3abf3f2e67eb91f9786c957199f03a6d6ea461217332f4c9b1c1b8e8f7d880cb61618c80afda2dafe05f8e6e18bd624e469d83d970d18df18a6310a24db255f87f0fba54bd1ac6c7e3f205b3854a62a4f45927ae4d8def9ae51be105d68cdebc265ae167736efd8bffd6c78b625f6f5b12d5a2fa70f884e4dfb077d757a632a896f3d6c56b3747b04e964d886106214650bd6bb6b3ba6bab8517a89693ce45d23672578240ec36e0ef857ad55d5353b94b6591b8ae1a7829af254808e1a01e62b94c8b34e37a51b55c0a0d6341f59ac2d046be7e1619485654f155726bab4166955c4c116982fd02260921bb8864152dddc6c9ee6555435a3d570db937a73fb63d68e1c2a22d31ba53a7aa7fb5c0cf24b9edb3c830afb478e977b26c098bae618f6dec22dad71c5d8412e2a84b110f9106fd7c15df9bbfb28adf62a3cfd4f5b0c8f52186a827b3dbf8d92a7e58d737df14a9e2a7b0476d47a64e1e777991457b1bd5228bf4f34debcc2355fc1478b98ed8f118ce2abd530edf7b9f49bd23c3eac5a4f15f40fc0d8fed0ff1d095aa2e9377996a4175a8e71fa59ec597d61d14b97812bcb0f06c792c9e8baa630e59df02fab64f44de4ee197022f2adfab430e88770412a816d8a538c16fa95c67e1abb8e61478a135ead30ef8a94ed5a8e66d728852e5f2ee449cd08226a71edefd94d8ad132ed826c00bd329b646b4457e64bd5edf067131f1abf801516b7ceb24763f05e7758a77a68a7f79bc10ae7cd8fc7a0859ad53c5e7530f0bf9b72b73666302beaabc86ade25f302a6bded5b6405d5a57773e83290a331026267e7bc93d9480af7ab3a5e15fe7de24ef768921725ebbac3458e6577aeb8457fc17faf75bd889b6047b0000000049454e44ae42608200000840010824000000180000000210c0db01000000030000000000000000000000000000001b40000040000000340000000100000002000000000000bf000000bf0000ca4200001442030000000000008000000080ffffd1420000008000000080ffff1b422100000008000000620000000c00000001000000150000000c00000004000000150000000c0000000400000051000000fc0f00000000000000000000680000002600000000000000000000000000000000000000650000002500000050000000a4000000f4000000080f0000000000002000cc00690000002700000028000000650000002500000001000800000000000000000000000000000000001f0000000000000000000000ffffff005480c600ffe3a60080c6ff00e3a65400a6e3ff00000054000080c600c6ffff0080008000ffffc60080005400a6545400ffffe300a65400005400800054005400c6800000e3ffff005454a60054a6e300ffc68000000080000054a60054000000c680540080000000a654800054545400a680a600010101010101010101010101010101010101010101010101010101010101010101010101010101010101010101010101010101010101010101010101010101010101010101010115000016011505011500001601011500001601010607120101010101010101010101010101010101010101010101010101010101010101010101010101010101010101011318000501010101010101010101010101010101010101010419030101010101010101091003060c0b1505091003060c0b091003060c0b010101041201080f0e010101010101010101010101010101010101010101010101010101010101010101010101010101010101091716010101010101010101010101010101010101151201010101010101010101060d0e1314030101060d0e131403060d0e13140313180000190301060d0e01010101010101010101010101010101010101010101010101010101010101010101010101010101010108120101010101010101010101010101010101060c0b01010607000000001201060d0e1314030101060d0e131403060d0e131403040f0e13140301011505010101010101010101010101010101010101010101010101010101010101010101010101010101010101040f0e0108000000050101131403010101010115050101010101010101010101090a0b060c0b0101090a0b060c0b090a0b060c0b040f0e0910030101060c0b0110170101010101010101010101010101010101010101010101010101010101010101010101010101061103011516010910030101041201010101131816010101010101010101010101040000050101010104000005010104000005010108000005010101131403010112010101010101010101010101010101010101010101010101010101010101010101010101010113181601010113181b0b0101131403010101131816010101010101010101010101010101010101010101010101010101010101010101010101010101131816010101010101010101010101010101010101010101010101010101010101010101010101010101010101080501010400050101010101041201010113181601010101010101010101010101010101010101010101010101010101010101010101010101010113181601010101010101010101010101010101010101010101010101010101010101010101010101010101010115120101080501061a0101011314030101131816010101010101010101010101010101010101010101010101010101010101010101010101010101131403130112010101010101010101010101010101010101010101010101010101010101010101010101010106071b0b01091700000f0e01010104120101011505010101010101020301010101150000160115050115000016010115000016010106071201010101060c0b0b0a06010101010101010101010101010101010101010101010101010101010101010101010101010101010101010101010101131e0e011314030101060d0e01010101010203010101091003060c0b1505091003060c0b091003060c0b010101041201010115050110170001010101010101010101010101010101010101010101010101010101010101010101010101010113180501010101010113180000000012010101150f0e010101010203010101060d0e1314030101060d0e131403060d0e13140313180000190301040f0e0101010101010101010101010101010101010101010101010101010101010101010101010101010101010101010101010101010101010101010101010101010611030607000000001201060d0e1314030101060d0e131403060d0e131403040f0e13140308120101010101120113180000000000120101080000000000000501091712010101091700000f0e0101010101010101010101010101010101010101010101010101010101010101010203010101090a0b060c0b0101090a0b060c0b090a0b060c0b040f0e091003010101010101151b0101010115190301010101061103010101080501091712010109170f0e13180f0e0101010101010101010101010101010101010101010101010101010101010101020301010101040000050101010104000005010104000005010108000005010101010101010101010101011519030101010101150f0e010104050101010101011500160101040016010101010101010101010101010101010101010101010101010101010101010102030101010101010101010101010101010101010101010101010101010101010101010101010101010101151903010101010101081201010101010101010101081b0b0101091705010101010101010101010101010101010101010101010101010101010101010101010101010101010101010101010101010101010101010101010101010101010101010100000001010101151903010101010101131812010101010101010113180f0e0101091712010101010101010101010101010101010101010101010101010101010101010101010101010101010101010101010101010101010101010101010101010101010101010101010101010101151903010101010101011318050101010101010113180f0e010113180f0e0101000000000000000000000000000000000000000000000000000000000000000000000000000000000000000000000000000000000000000000000000000000000001010101010101151903010101010101010106071601010101010113180f0e010113180f0e0101010101010101010101010101010101010101010101010101010101010101010101010101010101010101010101010101010101010101010101010101010101010101010101010101151903010101010101010101081b0b010101010113180f0e010109170f0e0101010101010101010101010101010101010101010101010101010101010101010101010101010101010101010101010101010101010101010101010101010101010101010101010101151903010101010101010101040016010101010101081b0b010109171201010101010101010101010101010101010101010101010104190301010102030101010115000016011505011500001601131800001903011500001201080f0e0101010101010101041b0b15190301010101080501010115001601010101010104190301010400160101010101010101010101010101010101010101010101151201010101010203010101091003060c0b1505091003060c0b010104120101060c0b13181601060d0e01010101010101010917001903010101010819030109171b0b01010101010113180f0e13181b0b01010101010101010101010101010101010101010101060c0b01010101010203010101060d0e1314030101060d0e131403010104120101060d0e131816010115050101010110110101010106110301010101010400000019030101010101010101131800001b0b010101010101150019030101010101150000000f0e010115050101010607000000001201060d0e1314030101060d0e131403010104120101091700000f0e0101060c0b01010101010101010101010101010101010101010101010101010101010101010101010101010101010101131805010101010106071601010812011318160101010101010203010101090a0b060c0b0101090a0b060c0b09171d12010101151201010101011314030101010101010101010101010101010101010101010101010101010101010101010101010101010101010101150f0e091c0e0109171601131812011318160101010101010203010101010400000501010101040000050101011512010101010400120101011318160101010101010101010101010101010101010101010101010101010101010101010101010101010101010101060700001b0b01011318000005010113181601010101010102030101010101010101010101010101010101010101010101010101010101010113181601010101010101010101010101010101010101010101010101010101010101010101010101010101010101010917160102030113180501091716011318160101010101010101010101010101010101010101010101010101010101010101010101010101011314030101000f01010101010101010101010101010101010101010101010101010101010101010101010101010101010812010101010917160101081201011505010101010101020301010101150000160115050115000016010607000005010106071201010101060c0b010101010101010101010101010101010101010101010101010101010101010101010101010101010101010101150f0e01061a131805010917050101060d0e01010101010203010101091003060c0b1505091003060c0b061a01060c0b010101041201010115050101010101010101010101010101010101010101010101010101010101010101010101010101010101010101010917000000000f0e091700000f0e010101150f0e010101010203010101060d0e1314030101060d0e13140301060700160113180000190301040f0e0101010203010101010101010101010101010101010101010101010101010101010101010101010101010101010101010101010101010101010101010101010611030607000000001201060d0e1314030101060d0e131403010101151601040f0e131403081201010101010501010101010101010101010101010101010101010101010101010101010101010101010101010101010101010101010101010101010101010101010101010101010203010101090a0b060c0b0101090a0b060c0b060d0e040f0e040f0e091003010101010101010101010101010101010101010101010101010101010101010101010101010101010101010101010101010101010101010101010101010101010101010101010101010203010101010400000501010101040000050106070000050101080000050101010101010101010101010101010101010101010101010101010101010101010101010101010101010101010101010101010101010101010101010101010101010101010101010101020301010101010101010101010101010101010101010101010101010101010101010101010101010101010101010101010101010101010101010101010101010101010101010101010101010101010101010101010101010101010101010101010101010101010101010101010101010101010101010101010101010101010101010101010101010101010101010101014c0000006400000000000000000000006800000026000000000000000000000069000000270000002900aa0000000000000000000000803f00000000000000000000803f0000000000000000000000000000000000000000000000000000000000000000220000000c000000ffffffff460000001c00000010000000454d462b024000000c000000000000000e000000140000000000000010000000140000000400000003010800050000000b0200000000050000000c0227006900030000001e0004000000070104000400000007010400e3070000410b2000cc002500650000000000270069000000000028000000650000002500000001000800000000000000000000000000000000001f0000000000000000000000ffffff005480c600ffe3a60080c6ff00e3a65400a6e3ff00000054000080c600c6ffff0080008000ffffc60080005400a6545400ffffe300a65400005400800054005400c6800000e3ffff005454a60054a6e300ffc68000000080000054a60054000000c680540080000000a654800054545400a680a600010101010101010101010101010101010101010101010101010101010101010101010101010101010101010101010101010101010101010101010101010101010101010101010115000016011505011500001601011500001601010607120101010101010101010101010101010101010101010101010101010101010101010101010101010101010101011318000501010101010101010101010101010101010101010419030101010101010101091003060c0b1505091003060c0b091003060c0b010101041201080f0e010101010101010101010101010101010101010101010101010101010101010101010101010101010101091716010101010101010101010101010101010101151201010101010101010101060d0e1314030101060d0e131403060d0e13140313180000190301060d0e01010101010101010101010101010101010101010101010101010101010101010101010101010101010108120101010101010101010101010101010101060c0b01010607000000001201060d0e1314030101060d0e131403060d0e131403040f0e13140301011505010101010101010101010101010101010101010101010101010101010101010101010101010101010101040f0e0108000000050101131403010101010115050101010101010101010101090a0b060c0b0101090a0b060c0b090a0b060c0b040f0e0910030101060c0b0110170101010101010101010101010101010101010101010101010101010101010101010101010101061103011516010910030101041201010101131816010101010101010101010101040000050101010104000005010104000005010108000005010101131403010112010101010101010101010101010101010101010101010101010101010101010101010101010113181601010113181b0b0101131403010101131816010101010101010101010101010101010101010101010101010101010101010101010101010101131816010101010101010101010101010101010101010101010101010101010101010101010101010101010101080501010400050101010101041201010113181601010101010101010101010101010101010101010101010101010101010101010101010101010113181601010101010101010101010101010101010101010101010101010101010101010101010101010101010115120101080501061a0101011314030101131816010101010101010101010101010101010101010101010101010101010101010101010101010101131403130112010101010101010101010101010101010101010101010101010101010101010101010101010106071b0b01091700000f0e01010104120101011505010101010101020301010101150000160115050115000016010115000016010106071201010101060c0b0b0a06010101010101010101010101010101010101010101010101010101010101010101010101010101010101010101010101131e0e011314030101060d0e01010101010203010101091003060c0b1505091003060c0b091003060c0b010101041201010115050110170001010101010101010101010101010101010101010101010101010101010101010101010101010113180501010101010113180000000012010101150f0e010101010203010101060d0e1314030101060d0e131403060d0e13140313180000190301040f0e0101010101010101010101010101010101010101010101010101010101010101010101010101010101010101010101010101010101010101010101010101010611030607000000001201060d0e1314030101060d0e131403060d0e131403040f0e13140308120101010101120113180000000000120101080000000000000501091712010101091700000f0e0101010101010101010101010101010101010101010101010101010101010101010203010101090a0b060c0b0101090a0b060c0b090a0b060c0b040f0e091003010101010101151b0101010115190301010101061103010101080501091712010109170f0e13180f0e0101010101010101010101010101010101010101010101010101010101010101020301010101040000050101010104000005010104000005010108000005010101010101010101010101011519030101010101150f0e010104050101010101011500160101040016010101010101010101010101010101010101010101010101010101010101010102030101010101010101010101010101010101010101010101010101010101010101010101010101010101151903010101010101081201010101010101010101081b0b0101091705010101010101010101010101010101010101010101010101010101010101010101010101010101010101010101010101010101010101010101010101010101010101010100000001010101151903010101010101131812010101010101010113180f0e0101091712010101010101010101010101010101010101010101010101010101010101010101010101010101010101010101010101010101010101010101010101010101010101010101010101010101151903010101010101011318050101010101010113180f0e010113180f0e0101000000000000000000000000000000000000000000000000000000000000000000000000000000000000000000000000000000000000000000000000000000000001010101010101151903010101010101010106071601010101010113180f0e010113180f0e0101010101010101010101010101010101010101010101010101010101010101010101010101010101010101010101010101010101010101010101010101010101010101010101010101151903010101010101010101081b0b010101010113180f0e010109170f0e0101010101010101010101010101010101010101010101010101010101010101010101010101010101010101010101010101010101010101010101010101010101010101010101010101151903010101010101010101040016010101010101081b0b010109171201010101010101010101010101010101010101010101010104190301010102030101010115000016011505011500001601131800001903011500001201080f0e0101010101010101041b0b15190301010101080501010115001601010101010104190301010400160101010101010101010101010101010101010101010101151201010101010203010101091003060c0b1505091003060c0b010104120101060c0b13181601060d0e01010101010101010917001903010101010819030109171b0b01010101010113180f0e13181b0b01010101010101010101010101010101010101010101060c0b01010101010203010101060d0e1314030101060d0e131403010104120101060d0e131816010115050101010110110101010106110301010101010400000019030101010101010101131800001b0b010101010101150019030101010101150000000f0e010115050101010607000000001201060d0e1314030101060d0e131403010104120101091700000f0e0101060c0b01010101010101010101010101010101010101010101010101010101010101010101010101010101010101131805010101010106071601010812011318160101010101010203010101090a0b060c0b0101090a0b060c0b09171d12010101151201010101011314030101010101010101010101010101010101010101010101010101010101010101010101010101010101010101150f0e091c0e0109171601131812011318160101010101010203010101010400000501010101040000050101011512010101010400120101011318160101010101010101010101010101010101010101010101010101010101010101010101010101010101010101060700001b0b01011318000005010113181601010101010102030101010101010101010101010101010101010101010101010101010101010113181601010101010101010101010101010101010101010101010101010101010101010101010101010101010101010917160102030113180501091716011318160101010101010101010101010101010101010101010101010101010101010101010101010101011314030101000f01010101010101010101010101010101010101010101010101010101010101010101010101010101010812010101010917160101081201011505010101010101020301010101150000160115050115000016010607000005010106071201010101060c0b010101010101010101010101010101010101010101010101010101010101010101010101010101010101010101150f0e01061a131805010917050101060d0e01010101010203010101091003060c0b1505091003060c0b061a01060c0b010101041201010115050101010101010101010101010101010101010101010101010101010101010101010101010101010101010101010917000000000f0e091700000f0e010101150f0e010101010203010101060d0e1314030101060d0e13140301060700160113180000190301040f0e0101010203010101010101010101010101010101010101010101010101010101010101010101010101010101010101010101010101010101010101010101010611030607000000001201060d0e1314030101060d0e131403010101151601040f0e131403081201010101010501010101010101010101010101010101010101010101010101010101010101010101010101010101010101010101010101010101010101010101010101010101010203010101090a0b060c0b0101090a0b060c0b060d0e040f0e040f0e091003010101010101010101010101010101010101010101010101010101010101010101010101010101010101010101010101010101010101010101010101010101010101010101010101010203010101010400000501010101040000050106070000050101080000050101010101010101010101010101010101010101010101010101010101010101010101010101010101010101010101010101010101010101010101010101010101010101010101010101020301010101010101010101010101010101010101010101010101010101010101010101010101010101010101010101010101010101010101010101010101010101010101010101010101010101010101010101010101010101010101010101010101010101010101010101010101010101010101010101010101010101010101010101010101010101010101010101010c00000040092900aa000000000000002700690000000000040000002701ffff030000000000






Масштаб: 1мм=1мкм

Рисунок
3.3.2 – Схема расположения полей допуска
посадки 

Рисунок 3.3.3 – Схема сечения вала с простановкой размеров и требований по чистоте шероховатости и погрешности формы

Рисунок 3.3.4 – Изображение сечения ступицы с простановкой размеров и требований по чистоте шероховатости и погрешностей формы
3.4 Взаимозаменяемость резьбовых соединений
Задание: для резьбового соединения на сборочном чертеже выбрать размер, шаг резьбы, наружный диаметр, средний диаметр, внутренний диаметр в соответствии со стандартами на резьбу. Назначить точность (степень точности) и поле допусков наружной и внутренней резьбы. Начертить профили резьбы в соответствии с принятой посадкой.
Для крепления крышки подшипника по рекомендациям [4,с.126] в зависимости от среднего диаметра подшипника D=110 мм для крепления крышки выбираем толщину стенки крышки σ=8 мм, диаметр винтов крепления крышки δ=10 мм; количество винтов n=6.
Анализируя конструкцию крепления крышки подшипника приходим к выводу, что резьбовое соединение выполняет малоответственную работу, т.к. крышка только предотвращает попадание инородных тел к подшипнику качения. Следовательно, принимаем класс точности резьбы грубый, шаг крупный и с учетом толщины стенки принимаем нормальную длину свинчивания.
По стандарту
ГОСТ 8724 – 81 и по чертежу принимаем
номинальный диаметр резьбы
.
По стандарту
ГОСТ 24705 – 81 рассчитываем по формулам
и уточняем по таблицам средний
и внутренний 0100090000037604000000001e03000000001e03000026060f003206574d464301000000000001003e630000000001000000100600000000000010060000010000006c000000000000000000000012000000150000000000000000000000f10100003f02000020454d4600000100100600000c00000001000000000000000000000000000000900600001a040000b801000013010000000000000000000000000000c0b6060038320400460000002c00000020000000454d462b014001001c000000100000000210c0db010000006000000060000000460000003002000024020000454d462b224004000c000000000000001e4009000c00000000000000244001000c000000000000003040020010000000040000000000803f214007000c00000000000000084000057c010000700100000210c0db01000000000000000000000000000000000000000100000089504e470d0a1a0a0000000d4948445200000012000000150802000000c4a929b8000000017352474200aece1ce9000000097048597300000e2600000e2601a2ef25fc000000f749444154384fad94410e8230104507cf21892b565e4013b71ec0948db7e00670026f4137c44b98c0055cb13269ef51674a91012988e1ef28fdedfc3703813106966bb3dc428e356d5516586595b716cc36a6320510b9f2bc359e22f5eb09b0df6d7db7796caa2e203d1fbc35325b9b083349bc4c44e104e5a67a958b2e0be502484b5f306af597c99d31e9b2367b3adb3643912ec26c961acb3f47d14d095163f9f5e33e429178b1ee0f1ba06572ed9d025ac63830478be923b4859180a256b45465095cdc06dc1e4b8d8ba75b8b9af9286043bce5e29efaa3451d62d46c037ed0c0b6e687333254849b6bb6403b779d9ac8c17fff9237553c732fecb8cf590000000049454e44ae42608200000840010824000000180000000210c0db01000000030000000000000000000000000000001b40000040000000340000000100000002000000000000bf000000bf000090410000a841030000000000008000000080ffff97410000008000000080ffffaf412100000008000000620000000c00000001000000150000000c00000004000000150000000c00000004000000510000007c020000000000000000000012000000150000000000000000000000000000000000000012000000150000005000000088000000d8000000a4010000000000002000cc0013000000160000002800000012000000150000000100080000000000000000000000000000000000180000000000000000000000ffffff00c6ffff0000008000c6800000e3a65400a6e3ff0000005400ffc6800080c6ff0080000000ffffc60054a6a600a6540000ffffe30054a6e30054000000ffe3a6000080c600e3ffff000054a600a6a65400a6545400e3e3e300010101010101010101010101010101010101010101010101010101010101010f00000000050101010101010101010101010101010112040101010101010101010101010101010101010f040101010101010101010101010101010101010f04010101010101090000040112000d0e0101010f040101010101131404010915030506160e17010f04010101010102030501010f00050101010f000004010101010102030501011314040101010101120401010101011314040101010f0a0b010101010101010101010101120a0b01010910110101010101010101010101010607050101060708010101010101010101011401010f10110109000401010101010101010101140101010900000a0c0d0e0101010101010101011401010101010101090a0b010101010101010101010101010101010106070801010101010101010101010101010101010203050101010101010101010101010101010102030004010101010101010101010101010101010101010101010101010101010101010101010101010101010101010101010101010101010101010101010101010101010101010101014c0000006400000000000000000000001200000015000000000000000000000013000000160000002900aa0000000000000000000000803f00000000000000000000803f0000000000000000000000000000000000000000000000000000000000000000220000000c000000ffffffff460000001c00000010000000454d462b024000000c000000000000000e000000140000000000000010000000140000000400000003010800050000000b0200000000050000000c0216001300030000001e000400000007010400040000000701040023010000410b2000cc00150012000000000016001300000000002800000012000000150000000100080000000000000000000000000000000000180000000000000000000000ffffff00c6ffff0000008000c6800000e3a65400a6e3ff0000005400ffc6800080c6ff0080000000ffffc60054a6a600a6540000ffffe30054a6e30054000000ffe3a6000080c600e3ffff000054a600a6a65400a6545400e3e3e300010101010101010101010101010101010101010101010101010101010101010f00000000050101010101010101010101010101010112040101010101010101010101010101010101010f040101010101010101010101010101010101010f04010101010101090000040112000d0e0101010f040101010101131404010915030506160e17010f04010101010102030501010f00050101010f000004010101010102030501011314040101010101120401010101011314040101010f0a0b010101010101010101010101120a0b01010910110101010101010101010101010607050101060708010101010101010101011401010f10110109000401010101010101010101140101010900000a0c0d0e0101010101010101011401010101010101090a0b010101010101010101010101010101010106070801010101010101010101010101010101010203050101010101010101010101010101010102030004010101010101010101010101010101010101010101010101010101010101010101010101010101010101010101010101010101010101010101010101010101010101010101010c00000040092900aa000000000000001600130000000000040000002701ffff030000000000
диаметр.
Средний диаметр:
0100090000036a0e00000000a00800000000a008000026060f003611574d4643010000000000010055630000000001000000141100000000000014110000010000006c000000000000000000000085000000150000000000000000000000b50d00003f02000020454d4600000100141100000c00000001000000000000000000000000000000900600001a040000b801000013010000000000000000000000000000c0b6060038320400460000002c00000020000000454d462b014001001c000000100000000210c0db010000006000000060000000460000005004000044040000454d462b224004000c000000000000001e4009000c00000000000000244001000c000000000000003040020010000000040000000000803f214007000c00000000000000084000059c030000900300000210c0db01000000000000000000000000000000000000000100000089504e470d0a1a0a0000000d494844520000008000000015080200000001f7716c000000017352474200aece1ce9000000097048597300000e2600000e2601a2ef25fc00000316494441546843ed57cb6de33010a5b70e19c8292737e0057c4d018172b0bbd86d207203d90af62a1d2ca4005f03480df8945300a90f2d674889c39f42dba11460cd1b259233f3decc1b72d1751dbb8df910f8319fe99b6540e046c0cc79e024a0de2f70eceb99bdfb0fcc3b09583f7755c6587abf9c08819e71c13b8ea7a29dc83898698b27657a3cefe8526ba516883784fe08dcce9bb0633479ca5856b97fc6f88a06d3bc1167e38ccc63581cce14c6866021f5bca153378d7d98b32a049cd9e7989b3a0f01b07d4afc05e4d4a2e5692c126cc0b1fafb5cd0cc1a7ff4ad7c46773902d0b34c9c4c244895cfbef8384d2840902acd7ba95b4c368f9c92d3476c216a79a846accbfb9495af6fb6e5fac8a959dd25bd36ae1f204f8fb25372e13e6c877f2cb95be91ada16bf766556d135ea1604aaf4f32459afd86e575243f1c518424b1f37ca7d69b27c6f221b479cc2cc38b802e73c49826c650febdefffa2f0795cce577ac00e426cdff48fe20031c4bc79170f451d2523f69aa181a49adc1d419f7804b1d1069fc32f47c0423907544ca39dae225e392faacf0177c2c49b7174d9acb90a9827e0d8ca4c3ce963fda0cbfd611d9f30592699e73a85c1dd0967097a8f79708bd8bf4268c7b4656f10ac0f423b5e14dc7c0b4387f99d500f81166059f7f6af88e647b508c1e36ccea0abea3c071ab72b99c2f772b53eb05b7cdd00192ed6f28892327c008bf7d7b35b48a14b7ff8a7ca9028002da028415ac29a87c1bfa9f875738a0e18bf1bbfa9168ab56bb3054b2de03fa9dd21e6f1ea07e9db804698a234a85940fb95c4592265b801c37ecdea3483ea80218533ee7cddfbc3b53e9a9b261e6beedb28c134000800da080b08d7f362ec3b0d07d3fbe4a92754ca558fa1e21917ca0ef3fcdb4a1f208a3c4c06a00966fdacbc0f5dee327e1430c8f8581b6e5cc82da66e42adcc5e6c1b4aad4318ea3f830f6f4b6db2cf158f7d4118af1a0d39abd6cf39e97b00d2d3f7ed2a7b18bdc197c0054a3c61d44003017d58b80529ac387296c061040f3aecae621e23bf8109025172cf9940053d9e620e03bf87001b6415b167c55f88be5b6f2cb11f8074d4320140df43b9c0000000049454e44ae4260820000000840010824000000180000000210c0db01000000030000000000000000000000000000001b40000040000000340000000100000002000000000000bf000000bf000000430000a841030000000000008000000080ffff05430000008000000080ffffaf412100000008000000620000000c00000001000000150000000c00000004000000150000000c0000000400000051000000600b0000000000000000000085000000150000000000000000000000000000000000000080000000150000005000000090000000e0000000800a0000000000002000cc00860000001600000028000000800000001500000001000800000000000000000000000000000000001a0000000000000000000000ffffff00c6ffff0000008000c6800000e3a6540080c6ff0054000000ffe3a600a6e3ff000000540080000000ffffc600e3ffff000054a60054a6e300ffc680000080c600a6540000ffffe30054a6a600a6e3c600a6a6540054008000a6545400540054000101010101010101010101010101010101010101010101010101010101010101010101010101010101010101010101010101010101010101010101010101010101010101010101010101010101010101010101010101010101010101010101010101010101010101010101010101010101010101010101010101010101010101010101010101010101010203000000001001010101010101010101010101010101010101010101010101010101010101010101010101020300000000100101010101010101010101010101010101010101010101010101010101010101010101010101010101010101010101010101010101010101010101010101010101010101010101010101010101010604010106100101010101010101010101010101010101010101010101010101010101010101010101010101060401010610010101010101010101010101010101010101010101010101010101010101010101010101010101010101010101010101010101010101010101010101010101010101010101010101010101010101010f040101010101010101010101010101010101010101010101010101010101010101010101010101010101010f040101010101010101010101010101010101010101010101010101010101010101010101010d0e1001010101010101010101010101010101010101010101010101010101010101010101010101010101010101010604010101010101010101010101010101010101010101010101010101010101010101010101010101010101060401010101010101010101010101010101010101010101010101010101010101010101010102031001010101010101010101010101010101010101010101010101010101010101060000040111001213010101010f050101010101010101010101010101010101010101010101010101060000000000070801010101010101010f05010101010101010101010101010101010101010101010101010101090a0708010101010d0e121301010203000012130101011100000000000005010101090a00000010010d0e040106160305091813010101091908010101010101010101010101010101010101010101010101010106070801010f00040101010101010109190801010101010101010101010101010101010101010101010101010101090a040101010d0e121301020312130d0e1213010109190801010111050101090a04010106000502030501010f00050101021708010607080101010101010101010101010101010101010101010101010101090a10010101090a040101021708010607080101010101010101010101010101010101010101010101010101010101020304010101010101010f001001010600100101010f1213010106050101110b0c010101110b02030501010d0e0401010102030000040101010101010101110000000000000000000708010101010101010d0e04010101010f001001010203000004010101010101011100000000000000000007080101010101010101010101010f0708010101010101110b0c010102030501010101110401010101010d0e12130101010f070d0e040101010f0b0c01010101010101010101010101010101010101010101010101010101010101010101011112130101010203040101010101010101010101010101010101010101010101010101010101010101010101010101090a0501010101010d0e12130101020304010101010d0e04010101010d0e1213010101110b01110b0c010106070801010101010101010101010101010101010101010101010101010101010101010101010f0b0c01010101110b0c01010101010101010101010101010101010101010101010101010101010101010d0e00000016030401010101010d0e121301010d0e1213010101010d0e050101010d0e00121301090a0401090a050101090a100101010101010101010101010101011100000000000000000007080101010101010101090a10010101010f0708010101010101010101010101011100000000000000000007080101010101010111070801010f001213010101010d0e121301010d0e12130101010101090a10010101110b150a0000121301010f0708010600040101010101010101010101010101010101010101010101010101010101010101010101020305010101010f0010010101010101010101010101010101010101010101010101010101010101010203040101010d0e1213010101010d0e1213010102031213010101010101110b0c010106001001010101010101010600000b14121301010101010101010101010101010101010101010101010101010101010101010101011112130101010f070801010101010101010101010101010101010101010101010101010101010101090a050101010d0e12130101010101110b0c01010203040101010101010106001001010d0e04010101010101010101010101060b0c01010101010101010101010101010101010101010101010101010101010101010101010f0b0c01010d0e0b0c010101010101010101010101010101010101010101010101010101010101010203040101010203050101010101010607080101060010010111050101010f0010010101090a050101010101010101010101090a1001010101010101010101010101010101010101010101010101010101010101010101010f0708010d0e00050101010101010101010101010101010101010101010101010101010101010101010f00100101110b0c0101010101010d0e12130d0e0b0c01011107080102030b0c01010101090a04010101010101010101010203050101010101010101010101010101010101010101010101010101010101010101010106000000000007080101010101010101010101010101010101010101010101010101010101010101010101090a00000b0c01010101010101010d0e00000b0c01010101060000000708010101010101010f000b0c01010101010102030004010101010101010101010101010101010101010101010101010101010101010101010101010101010101010101010101010101010101010101010101010101010101010101010101010101010101010101010101010101010101010101010101010101010101010101010101010101010101010101010101010101010101010101010101010101010101010101010101010101010101010101010101010101010101010101010101010101010101010101010101010101010101010101010101010101010101010101010101010101010101010101010101010101010101010101010101010101010101010101010101010101010101010101010101010101010101010101010101010101010101010101010101010101010101010101010101010101010101010101010101010101010101010101010101010101010101010101010101010101010101010101010101010101010101010101010101010101010101010101010101010101010101010101010101010101010101010101010101010101010101010101010101010101010101010101010101010101010101010101010101010101010101010101010101010101010101010101010101010101010101010101010101010101010101010101010101010101010101010101010101010101010101010101010101010101010101010101014c0000006400000000000000000000008500000015000000000000000000000086000000160000002900aa0000000000000000000000803f00000000000000000000803f0000000000000000000000000000000000000000000000000000000000000000220000000c000000ffffffff460000001c00000010000000454d462b024000000c000000000000000e000000140000000000000010000000140000000400000003010800050000000b0200000000050000000c0216008600030000001e000400000007010400040000000701040095050000410b2000cc001500800000000000160086000000000028000000800000001500000001000800000000000000000000000000000000001a0000000000000000000000ffffff00c6ffff0000008000c6800000e3a6540080c6ff0054000000ffe3a600a6e3ff000000540080000000ffffc600e3ffff000054a60054a6e300ffc680000080c600a6540000ffffe30054a6a600a6e3c600a6a6540054008000a6545400540054000101010101010101010101010101010101010101010101010101010101010101010101010101010101010101010101010101010101010101010101010101010101010101010101010101010101010101010101010101010101010101010101010101010101010101010101010101010101010101010101010101010101010101010101010101010101010203000000001001010101010101010101010101010101010101010101010101010101010101010101010101020300000000100101010101010101010101010101010101010101010101010101010101010101010101010101010101010101010101010101010101010101010101010101010101010101010101010101010101010604010106100101010101010101010101010101010101010101010101010101010101010101010101010101060401010610010101010101010101010101010101010101010101010101010101010101010101010101010101010101010101010101010101010101010101010101010101010101010101010101010101010101010f040101010101010101010101010101010101010101010101010101010101010101010101010101010101010f040101010101010101010101010101010101010101010101010101010101010101010101010d0e1001010101010101010101010101010101010101010101010101010101010101010101010101010101010101010604010101010101010101010101010101010101010101010101010101010101010101010101010101010101060401010101010101010101010101010101010101010101010101010101010101010101010102031001010101010101010101010101010101010101010101010101010101010101060000040111001213010101010f050101010101010101010101010101010101010101010101010101060000000000070801010101010101010f05010101010101010101010101010101010101010101010101010101090a0708010101010d0e121301010203000012130101011100000000000005010101090a00000010010d0e040106160305091813010101091908010101010101010101010101010101010101010101010101010106070801010f00040101010101010109190801010101010101010101010101010101010101010101010101010101090a040101010d0e121301020312130d0e1213010109190801010111050101090a04010106000502030501010f00050101021708010607080101010101010101010101010101010101010101010101010101090a10010101090a040101021708010607080101010101010101010101010101010101010101010101010101010101020304010101010101010f001001010600100101010f1213010106050101110b0c010101110b02030501010d0e0401010102030000040101010101010101110000000000000000000708010101010101010d0e04010101010f001001010203000004010101010101011100000000000000000007080101010101010101010101010f0708010101010101110b0c010102030501010101110401010101010d0e12130101010f070d0e040101010f0b0c01010101010101010101010101010101010101010101010101010101010101010101011112130101010203040101010101010101010101010101010101010101010101010101010101010101010101010101090a0501010101010d0e12130101020304010101010d0e04010101010d0e1213010101110b01110b0c010106070801010101010101010101010101010101010101010101010101010101010101010101010f0b0c01010101110b0c01010101010101010101010101010101010101010101010101010101010101010d0e00000016030401010101010d0e121301010d0e1213010101010d0e050101010d0e00121301090a0401090a050101090a100101010101010101010101010101011100000000000000000007080101010101010101090a10010101010f0708010101010101010101010101011100000000000000000007080101010101010111070801010f001213010101010d0e121301010d0e12130101010101090a10010101110b150a0000121301010f0708010600040101010101010101010101010101010101010101010101010101010101010101010101020305010101010f0010010101010101010101010101010101010101010101010101010101010101010203040101010d0e1213010101010d0e1213010102031213010101010101110b0c010106001001010101010101010600000b14121301010101010101010101010101010101010101010101010101010101010101010101011112130101010f070801010101010101010101010101010101010101010101010101010101010101090a050101010d0e12130101010101110b0c01010203040101010101010106001001010d0e04010101010101010101010101060b0c01010101010101010101010101010101010101010101010101010101010101010101010f0b0c01010d0e0b0c010101010101010101010101010101010101010101010101010101010101010203040101010203050101010101010607080101060010010111050101010f0010010101090a050101010101010101010101090a1001010101010101010101010101010101010101010101010101010101010101010101010f0708010d0e00050101010101010101010101010101010101010101010101010101010101010101010f00100101110b0c0101010101010d0e12130d0e0b0c01011107080102030b0c01010101090a04010101010101010101010203050101010101010101010101010101010101010101010101010101010101010101010106000000000007080101010101010101010101010101010101010101010101010101010101010101010101090a00000b0c01010101010101010d0e00000b0c01010101060000000708010101010101010f000b0c01010101010102030004010101010101010101010101010101010101010101010101010101010101010101010101010101010101010101010101010101010101010101010101010101010101010101010101010101010101010101010101010101010101010101010101010101010101010101010101010101010101010101010101010101010101010101010101010101010101010101010101010101010101010101010101010101010101010101010101010101010101010101010101010101010101010101010101010101010101010101010101010101010101010101010101010101010101010101010101010101010101010101010101010101010101010101010101010101010101010101010101010101010101010101010101010101010101010101010101010101010101010101010101010101010101010101010101010101010101010101010101010101010101010101010101010101010101010101010101010101010101010101010101010101010101010101010101010101010101010101010101010101010101010101010101010101010101010101010101010101010101010101010101010101010101010101010101010101010101010101010101010101010101010101010101010101010101010101010101010101010101010101010101010101010101010101010101010101010101010101010c00000040092900aa000000000000001600860000000000040000002701ffff030000000000;
Внутренний диаметр:
0100090000033c0e000000007408000000007408000026060f00de10574d4643010000000000010051b60000000001000000bc10000000000000bc100000010000006c0000000000000000000000840000001500000000000000000000009a0d00003f02000020454d4600000100bc1000000c00000001000000000000000000000000000000900600001a040000b801000013010000000000000000000000000000c0b6060038320400460000002c00000020000000454d462b014001001c000000100000000210c0db01000000600000006000000046000000fc030000f0030000454d462b224004000c000000000000001e4009000c00000000000000244001000c000000000000003040020010000000040000000000803f214007000c0000000000000008400005480300003c0300000210c0db01000000000000000000000000000000000000000100000089504e470d0a1a0a0000000d494844520000007f000000150802000000e0b0a678000000017352474200aece1ce9000000097048597300000e2600000e2601a2ef25fc000002c2494441546843ed583152c3301054784798a1a2e2036186960730a6809617f082381fe007b47641864f30e37c20151533f63f8c74b6ecbbd34909c6b28b449d2d597bb777da3b7951d7b53a8f9918b89809f70c6b1838b33f671e88ecef360b189bdd9ca69d00b6c8fe6a5d17a952c9f5e5140cd858371187f198575320b71855fe88b04339474c2546b23d027ed89590dabaea0aa3cc12a5d2429e1cfd2da02559d96c0c4fe8797438bc6103d67b6ab24ef61c669891dda3c9564297482007ab3dec1ba8c9c86ff8c6708e99b12240e30e28c0b2e0bb7edf936d73c4c79140be005523e5e98fd526ffd94fa53b26d5caef2d855bde3de878ec7fa6d41f2c7592e66a39fe785a76ab8ccd2abd5f890ab97b7fde26d90b9aacf2d7e76d5ae01dcc97e8b4dbd0fa4f5f9c14841a637507abcf14a78f0a8a37f389e7521aa305c71f28609f2d1f24fa4dc8fc83d1cb8d65441ff0cfc982e1e89dd8b4a687238e70bc0e09f4b56ad656344082cf0dfb5ce9845c8c93f47d91e53efbc4777c3ba48aefcf148bdff228854a30ddb2ce6a765a68f679ac06a5fe705aa4584f46be7bc68e2ef84cb22c01923b5e29d25597d5bceaeb73eb9613539283972fa16bc74db4b785af74815737577d3953aacadf4ccb452b5ad880a1e8503b09faf2ea262ca176f6f21a1a633ac0f4e4e10ebb236e075fef75ee936835a1775b2bb3458c22e81e3427f97ab51cdf004fee0bd2635692d7d2f90c74ab8cbe6625559e224db2aced40341ca095a5b90519f0f19d67a1b7172d0a14d5009e6d444f706c5852886d81bf60b2af2d0af43c5d2507b7db271aff28ec0b9d4ab09388117eec7ed78bb422ce28a6e6bac684bb15dcf0d883e0b9eb3a45340afb7f29d5731860e88c14f1c6f5f31f665f8dd57fc36e5551afe5dbec7195f9d0aa63d987e660ce31b901cba78fb8d41b360f9e7eaa57fc97c0c1cfffbf607603feef826f87859e9833a54f1bfb174c3b6a38b73780000000000049454e44ae4260820000000840010824000000180000000210c0db01000000030000000000000000000000000000001b40000040000000340000000100000002000000000000bf000000bf0000fe420000a841030000000000008000000080feff04430000008000000080ffffaf412100000008000000620000000c00000001000000150000000c00000004000000150000000c00000004000000510000005c0b000000000000000000008400000015000000000000000000000000000000000000007f00000015000000500000008c000000dc000000800a0000000000002000cc008500000016000000280000007f000000150000000100080000000000000000000000000000000000190000000000000000000000ffffff00c6ffff0000008000c6800000e3a6540080c6ff0054000000ffe3a600a6e3ff000000540054a6e300a6540000ffffe30080000000ffffc600ffc68000e3ffff000054a6000080c60054a6a600a6e3c600a6a65400a6545400e3e3e300010101010101010101010101010101010101010101010101010101010101010101010101010101010101010101010101010101010101010101010101010101010101010101010101010101010101010101010101010101010101010101010101010101010101010101010101010101010101010101010101010101010101010101010101010101010101010b0000000005010101010101010101010101010101010101010101010101010101010101010101010101010b000000000501010101010101010101010101010101010101010101010101010101010101010101010101010101010101010101010101010101010101010101010101010101010101010101010101010101010101010113040101010101010101010101010101010101010101010101010101010101010101010101010101010101130401010101010101010101010101010101010101010101010101010101010101010101010101010101010101010101010101010101010101010101010101010101010101010101010101010101010101010101010b0401010101010101010101010101010101010101010101010101010101010101010101010101010101010b0401010101010101010101010101010101010101010101010101010101010101010101011112100101010101010101010101010101010101010101010101010101010101010101010101010101010101010101010b0401010101010101010101010101010101010101010101010101010101010101010101010101010101010b040101010101010101010101010101010101010101010101010101010101010101010101010203100101010101010101010101010101010101010101010101010101010101010101060000040113000c0d0101010b0401010101010101010101010101010101010101010101010101010600000000000708010101010101010b0401010101010101010101010101010101010101010101010101010101060000000708010111120c0d01020300000004010101010106070801010101010101090a000000100101111204010616030509170d18010b0401010101010101010101010101010101010101010101010101010106070801010b00040101010118010b040101010101010101010101010101010101010101010101010101010b000501010600050111120c0d11120e0f0111120c0d010101020305010101010101090a0401010600050502030501010b00050101010b000004010101010101010101010101010101010101010101010101010101090a10010101090a040101010b000004010101010101010101010101010101010101010101010101010111120c0d010111120c0d0101010111120501010106001001010101130e0f0101010101130e0f010101130e0b020305010111120401010101011304010101010101010101130000000000000000000708010101010101111204010101010b0010010101011304010101010101010113000000000000000000070801010101010102030401010101130e0f01010101010101010101090a0501010101090a050101010111120c0d0101010b07071112040101010b0e0f01010101010101010101010101010101010101010101010101010101010101010101130c0d010101020304010101010101010101010101010101010101010101010101010101010101010111120c0d010111120e0f010101010101010101010600050101010101130c0d01010111120c0d010101130e0b01130e0f0101060708010101010101010101010101010101010101010101010101010101010101010101010b0e0f01010101130e0f0101010101010101010101010101010101010101010101010101010101010101090a0501010b000501010101010101010101090a0e0f01010101010600100101011112000c0d01090a040401090a050101090a1001010101010101010101010101010113000000000000000000070801010101010101090a10010101010b0708010101010101010101010101011300000000000000000007080101010101010101020300000e0f0101010101010101020300000c0d01010101010111120401010101130e150a00000c0d1301010b07080106000401010101010101010101010101010101010101010101010101010101010101010101020305010101010b00100101010101010101010101010101010101010101010101010101010101010101060005010106001001010101010101010111120c0d010101010101010b07080101010600100101010101010101010600000e140c0d01010101010101010101010101010101010101010101010101010101010101010101130c0d0101010b07080101010101010101010101010101010101010101010101010101010101010111120c0d010101130c0d01010101010101010101130e0f01010101010102030501010111120401010101010101010101010101060e0f010101010101010101010101010101010101010101010101010101010101010101010b0e0f010111120e0f0101010101010101010101010101010101010101010101010101010101010111120c0d010101130e0f010101010113050101010b0010010101010101010b0e0f010101090a05010101010101010101010101090a10010101010101010101010101010101010101010101010101010101010101010101010b070801111200050101010101010101010101010101010101010101010101010101010101010101010b00100101060004010101010101130708011112070801011310010101090a1001010101090a04010101010101010101010102030501010101010101010101010101010101010101010101010101010101010101010106000000000007080101010101010101010101010101010101010101010101010101010101010101010101090a0000000401010101010101010600000007080101010b0000000000000c0d01010101010b000e0f0c01010101010102030004010101010101010101010101010101010101010101010101010101010101010101010101010101010101010101010101010101010101010101010101010101010101010101010101010101010101010101010101010101010101010101010101010101010101010101010101010101010101010101010101010101010101010101010101010101010101010101010101010101010101010101010101010101010101010101010101010101010101010101010101010101010101010101010101010101010101010101010101010101010101010101010101010101010101010101010101010101010101010101010101010101010101010101010101010101010101010101010101010101010101010101010101010101010101010101010101010101010101010101010101010101010101010101010101010101010101010101010101010101010101010101010101010101010101010101010101010101010101010101010101010101010101010101010101010101010101010101010101010101010101010101010101010101010101010101010101010101010101010101010101010101010101010101010101010101010101010101010101010101010101010101010101010101010101010101010101010101010101010101010101010101010101010101010101010101010101010101014c0000006400000000000000000000008400000015000000000000000000000085000000160000002900aa0000000000000000000000803f00000000000000000000803f0000000000000000000000000000000000000000000000000000000000000000220000000c000000ffffffff460000001c00000010000000454d462b024000000c000000000000000e000000140000000000000010000000140000000400000003010800050000000b0200000000050000000c0216008500030000001e000400000007010400040000000701040093050000410b2000cc0015007f00000000001600850000000000280000007f000000150000000100080000000000000000000000000000000000190000000000000000000000ffffff00c6ffff0000008000c6800000e3a6540080c6ff0054000000ffe3a600a6e3ff000000540054a6e300a6540000ffffe30080000000ffffc600ffc68000e3ffff000054a6000080c60054a6a600a6e3c600a6a65400a6545400e3e3e300010101010101010101010101010101010101010101010101010101010101010101010101010101010101010101010101010101010101010101010101010101010101010101010101010101010101010101010101010101010101010101010101010101010101010101010101010101010101010101010101010101010101010101010101010101010101010b0000000005010101010101010101010101010101010101010101010101010101010101010101010101010b000000000501010101010101010101010101010101010101010101010101010101010101010101010101010101010101010101010101010101010101010101010101010101010101010101010101010101010101010113040101010101010101010101010101010101010101010101010101010101010101010101010101010101130401010101010101010101010101010101010101010101010101010101010101010101010101010101010101010101010101010101010101010101010101010101010101010101010101010101010101010101010b0401010101010101010101010101010101010101010101010101010101010101010101010101010101010b0401010101010101010101010101010101010101010101010101010101010101010101011112100101010101010101010101010101010101010101010101010101010101010101010101010101010101010101010b0401010101010101010101010101010101010101010101010101010101010101010101010101010101010b040101010101010101010101010101010101010101010101010101010101010101010101010203100101010101010101010101010101010101010101010101010101010101010101060000040113000c0d0101010b0401010101010101010101010101010101010101010101010101010600000000000708010101010101010b0401010101010101010101010101010101010101010101010101010101060000000708010111120c0d01020300000004010101010106070801010101010101090a000000100101111204010616030509170d18010b0401010101010101010101010101010101010101010101010101010106070801010b00040101010118010b040101010101010101010101010101010101010101010101010101010b000501010600050111120c0d11120e0f0111120c0d010101020305010101010101090a0401010600050502030501010b00050101010b000004010101010101010101010101010101010101010101010101010101090a10010101090a040101010b000004010101010101010101010101010101010101010101010101010111120c0d010111120c0d0101010111120501010106001001010101130e0f0101010101130e0f010101130e0b020305010111120401010101011304010101010101010101130000000000000000000708010101010101111204010101010b0010010101011304010101010101010113000000000000000000070801010101010102030401010101130e0f01010101010101010101090a0501010101090a050101010111120c0d0101010b07071112040101010b0e0f01010101010101010101010101010101010101010101010101010101010101010101130c0d010101020304010101010101010101010101010101010101010101010101010101010101010111120c0d010111120e0f010101010101010101010600050101010101130c0d01010111120c0d010101130e0b01130e0f0101060708010101010101010101010101010101010101010101010101010101010101010101010b0e0f01010101130e0f0101010101010101010101010101010101010101010101010101010101010101090a0501010b000501010101010101010101090a0e0f01010101010600100101011112000c0d01090a040401090a050101090a1001010101010101010101010101010113000000000000000000070801010101010101090a10010101010b0708010101010101010101010101011300000000000000000007080101010101010101020300000e0f0101010101010101020300000c0d01010101010111120401010101130e150a00000c0d1301010b07080106000401010101010101010101010101010101010101010101010101010101010101010101020305010101010b00100101010101010101010101010101010101010101010101010101010101010101060005010106001001010101010101010111120c0d010101010101010b07080101010600100101010101010101010600000e140c0d01010101010101010101010101010101010101010101010101010101010101010101130c0d0101010b07080101010101010101010101010101010101010101010101010101010101010111120c0d010101130c0d01010101010101010101130e0f01010101010102030501010111120401010101010101010101010101060e0f010101010101010101010101010101010101010101010101010101010101010101010b0e0f010111120e0f0101010101010101010101010101010101010101010101010101010101010111120c0d010101130e0f010101010113050101010b0010010101010101010b0e0f010101090a05010101010101010101010101090a10010101010101010101010101010101010101010101010101010101010101010101010b070801111200050101010101010101010101010101010101010101010101010101010101010101010b00100101060004010101010101130708011112070801011310010101090a1001010101090a04010101010101010101010102030501010101010101010101010101010101010101010101010101010101010101010106000000000007080101010101010101010101010101010101010101010101010101010101010101010101090a0000000401010101010101010600000007080101010b0000000000000c0d01010101010b000e0f0c01010101010102030004010101010101010101010101010101010101010101010101010101010101010101010101010101010101010101010101010101010101010101010101010101010101010101010101010101010101010101010101010101010101010101010101010101010101010101010101010101010101010101010101010101010101010101010101010101010101010101010101010101010101010101010101010101010101010101010101010101010101010101010101010101010101010101010101010101010101010101010101010101010101010101010101010101010101010101010101010101010101010101010101010101010101010101010101010101010101010101010101010101010101010101010101010101010101010101010101010101010101010101010101010101010101010101010101010101010101010101010101010101010101010101010101010101010101010101010101010101010101010101010101010101010101010101010101010101010101010101010101010101010101010101010101010101010101010101010101010101010101010101010101010101010101010101010101010101010101010101010101010101010101010101010101010101010101010101010101010101010101010101010101010101010101010101010101010101010101010101010c00000040092900aa000000000000001600850000000000040000002701ffff030000000000
По стандарту ГОСТ 16093 – 81 выбираем поле допусков и степень точности для наружной и внутренней резьбы. С учетом толщины стенки, прмнимаем длину свинчивания нормальную N=5-15 мм. Выбираем N=9мм.
Наружная резьба 010009000003de07000000000405000000000405000026060f00fe09574d464301000000000001001f250000000001000000dc09000000000000dc090000010000006c000000000000000000000038000000150000000000000000000000d40500003f02000020454d4600000100dc0900000c00000001000000000000000000000000000000900600001a040000b801000013010000000000000000000000000000c0b6060038320400460000002c00000020000000454d462b014001001c000000100000000210c0db01000000600000006000000046000000f8020000ec020000454d462b224004000c000000000000001e4009000c00000000000000244001000c000000000000003040020010000000040000000000803f214007000c000000000000000840000544020000380200000210c0db01000000000000000000000000000000000000000100000089504e470d0a1a0a0000000d49484452000000370000001508020000006ddde12c000000017352474200aece1ce9000000097048597300000e2600000e2601a2ef25fc000001bf49444154484bd5973d6e833014c74dcf015226262e9048597b004486b0f6049ca07090ae3014f500592bc517c8942912dc833e1bb09f6d4cdd844ac49b83edf77fbff761c7ebba8eac7ebcac5e2113f8c42a69e1f151d0b59086bc9c1ae79c90a46c2c5feffdb92913ec777e763cc812f1f6762124daf80bb26cab8317a49110061cf29d6bb8ec289d3d7502c231aad161f1224e5610cb311b211f2b409984c182246d479956a48c43d5c28417470f42f194fbe8e6a413c661113f56d29c22d9e7ed80174db84a2d1a7c3a1389de0bfb98a93abcd5b0a02785ac60a652f7ea7fea5b63d193c20ee970d01c54ce7cfd4b407f596b568f125e23a03dbc8137544f73ad71a9b4df5f35c95fb7f688cafcee9bbf3e20ebcdcdcc8adadbfc4d8497e90be82917b2f47ed95659aa889e10bb7d9fe7f6799ce8b3410811bedc907ede936d9d84163b4039766c50c9f6d7d786c9a14546e2a136a00b4f42b9b33df9fb18cca499e04c3f188e783f7a84dc00d3a710f256bac0b088cae36930cc96bf1f9121e6aa6140dc9fec0bca4a785b2e58200f1c059acc7b49b6aa55a854b889068efae96ade97a8b06811a47552bea136f3409816dcaa3ee98c8cf59ee27fcf0f8ab2052715a1cfa70000000049454e44ae42608200000840010824000000180000000210c0db01000000030000000000000000000000000000001b40000040000000340000000100000002000000000000bf000000bf00005c420000a841030000000000008000000080fdff63420000008000000080ffffaf412100000008000000620000000c00000001000000150000000c00000004000000150000000c000000040000005100000080050000000000000000000038000000150000000000000000000000000000000000000037000000150000005000000098000000e800000098040000000000002000cc00390000001600000028000000370000001500000001000800000000000000000000000000000000001c0000000000000000000000ffffff00c6ffff0000008000c6800000e3a65400a6e3ff0000005400ffc6800054a6e30080c6ff0080000000ffffc600e3ffff000054a600a6540000ffffe3000080c60054a6a60054000000c6e3a60080008000ffe3a600a6a65400a6545400a6805400c6ffe30054008000010101010101010101010101010101010101010101010101010101010101010101010101010101010101010101010101010101010101010201010101010101010101010101010101010101010101010101010101010101010101010101010101010101010d0e0000000f1001010101000101010101010101010101010101010101010101010101010101010101010101010101010101010101010101110f10010111131601010100010101010101010101010101010101010101010101010101010101010101010101010101010101010101010111040101010d0e04010101ff0101010101010101010101010101010101010101010101010101010101010101010101010101010101010101021b160101010a0b0c010100010a0000040111000f1001010101010101010101010101010101010101010101010101010a0000001316010101010607000f1a03080101000d0e04010a17030506181001010101010101010101010101010101010101010101010109000501010a000501010d0e0f1006190e05010100020305010109000501010101010101010101010101010101010101010101010101010d0e0f1001010d0e0f100102030401010a00040101e302030501010d0e04010101010101010101110000000000000000001316010101010102030401010101110b0c01020304010101110f1001000d0e04010101090b0c010101010101010101010101010101010101010101010101010d0e0f1001010d0e0b0c010d0e0f1001010a0b0c018001110b0c01010a131601010101010101010101010101010101010101010101010101010607050101090005010101090b0c01010607080139010607050101060708010101010101010111000000000000000000131601010101010101020300000b0c01010101060705010102030501000101091316010a000401010101010101010101010101010101010101010101010101010a000501010a0008010101010900080106070401000101010a00000b120f100101010101010101010101010101010101010101010101010d0e0f10010101110f10010101010a00001314150c00010101010101010a0b0c0101010101010101010101010101010101010101010101010d0e0f10010101110b0c010101010101010101010180010101010101010607080101010101010101010101010101010101010101010101010109000801010a0004010101010101010101010101ff0101010101010102030501010101010101010101010101010101010101010101010101010607000000040101010101010101010101010100010101010101020300040101010101010101010101010101010101010101010101010101010101010101010101010101010101010101010001010101010101010101010101010101010101010101010101010101010101010101010101010101010101010101010101010101010101ff010101010101010101010101010101010101010101010101010101010101010101010101010101010101010101010101010101010101010001010101010101010101010101010101010101010101010101010101010101010101010101010101010101010101010101010101010101004c0000006400000000000000000000003800000015000000000000000000000039000000160000002900aa0000000000000000000000803f00000000000000000000803f0000000000000000000000000000000000000000000000000000000000000000220000000c000000ffffffff460000001c00000010000000454d462b024000000c000000000000000e000000140000000000000010000000140000000400000003010800050000000b0200000000050000000c0216003900030000001e0004000000070104000400000007010400a5020000410b2000cc001500370000000000160039000000000028000000370000001500000001000800000000000000000000000000000000001c0000000000000000000000ffffff00c6ffff0000008000c6800000e3a65400a6e3ff0000005400ffc6800054a6e30080c6ff0080000000ffffc600e3ffff000054a600a6540000ffffe3000080c60054a6a60054000000c6e3a60080008000ffe3a600a6a65400a6545400a6805400c6ffe30054008000010101010101010101010101010101010101010101010101010101010101010101010101010101010101010101010101010101010101010201010101010101010101010101010101010101010101010101010101010101010101010101010101010101010d0e0000000f1001010101000101010101010101010101010101010101010101010101010101010101010101010101010101010101010101110f10010111131601010100010101010101010101010101010101010101010101010101010101010101010101010101010101010101010111040101010d0e04010101ff0101010101010101010101010101010101010101010101010101010101010101010101010101010101010101021b160101010a0b0c010100010a0000040111000f1001010101010101010101010101010101010101010101010101010a0000001316010101010607000f1a03080101000d0e04010a17030506181001010101010101010101010101010101010101010101010109000501010a000501010d0e0f1006190e05010100020305010109000501010101010101010101010101010101010101010101010101010d0e0f1001010d0e0f100102030401010a00040101e302030501010d0e04010101010101010101110000000000000000001316010101010102030401010101110b0c01020304010101110f1001000d0e04010101090b0c010101010101010101010101010101010101010101010101010d0e0f1001010d0e0b0c010d0e0f1001010a0b0c018001110b0c01010a131601010101010101010101010101010101010101010101010101010607050101090005010101090b0c01010607080139010607050101060708010101010101010111000000000000000000131601010101010101020300000b0c01010101060705010102030501000101091316010a000401010101010101010101010101010101010101010101010101010a000501010a0008010101010900080106070401000101010a00000b120f100101010101010101010101010101010101010101010101010d0e0f10010101110f10010101010a00001314150c00010101010101010a0b0c0101010101010101010101010101010101010101010101010d0e0f10010101110b0c010101010101010101010180010101010101010607080101010101010101010101010101010101010101010101010109000801010a0004010101010101010101010101ff0101010101010102030501010101010101010101010101010101010101010101010101010607000000040101010101010101010101010100010101010101020300040101010101010101010101010101010101010101010101010101010101010101010101010101010101010101010001010101010101010101010101010101010101010101010101010101010101010101010101010101010101010101010101010101010101ff010101010101010101010101010101010101010101010101010101010101010101010101010101010101010101010101010101010101010001010101010101010101010101010101010101010101010101010101010101010101010101010101010101010101010101010101010101000c00000040092900aa000000000000001600390000000000040000002701ffff030000000000

Внутренняя резьба 010009000003c408000000007805000000007805000026060f00e60a574d46430100000000000100c9220000000001000000c40a000000000000c40a0000010000006c0000000000000000000000440000001500000000000000000000000e0700003f02000020454d4600000100c40a00000c00000001000000000000000000000000000000900600001a040000b801000013010000000000000000000000000000c0b6060038320400460000002c00000020000000454d462b014001001c000000100000000210c0db01000000600000006000000046000000fc020000f0020000454d462b224004000c000000000000001e4009000c00000000000000244001000c000000000000003040020010000000040000000000803f214007000c0000000000000008400005480200003c0200000210c0db01000000000000000000000000000000000000000100000089504e470d0a1a0a0000000d49484452000000420000001508020000007dbdaff0000000017352474200aece1ce9000000097048597300000e2600000e2601a2ef25fc000001c2494441545847ed57bb6dc33010253387dd6687146e3d80213769b34116b0b44036702b358207701bc05cc0952a03d21e0cc58f7477222d0909051b082beb44deddbb7bef447329257bfef5f2fc105a04ff301ea98fae1b22e374ed8b66a14c9b623f88ce398c0fd2cb84c9aa37b51b95c4cdaaf384b124afc11378eeb6c5f87149597a018e752ac862d3f36c332602039ed5cea8b71828a84f1f0a53650c4da177a65ee27555b2e475ddf368b5d9a993d7db52d47291c5f1bd4cf28f37c4e8e6fb54b2740b8dcdedaae86232ee608873ca92dd6645e55056f5420a31619ae2cb97c8a0c84c03eb3286caf0d1b153cb389d7493efac29aebc849232e4da656cb5e13d0db8378ee16f7604427ad2c3264baa61cfd444533423748c4d2fcd6c2a0b153444a95ecafdb0c5941acc29d057423ed788df920a8f7cd0ded63161243169520d7b4641a853ce8fc7675442f9d2335a01d5d43070660642f083d1be9e22d6b9d882e5314d460cd0269804f30d817b592a1431409052e2bb8591a40362cb8cb0f179ff37d445e6bc9507fc698a2dfc09fe675cd4db0bdc4362805ff131c8225b579fb60f2273d7ccb1538bbd9fa6443a4b0323779ab308bb666a63b1eace0cf40361b70ea8db4acce40000000049454e44ae4260820000000840010824000000180000000210c0db01000000030000000000000000000000000000001b40000040000000340000000100000002000000000000bf000000bf000084420000a841030000000000008000000080ffff89420000008000000080ffffaf412100000008000000620000000c00000001000000150000000c00000004000000150000000c000000040000005100000064060000000000000000000044000000150000000000000000000000000000000000000042000000150000005000000080000000d000000094050000000000002000cc0045000000160000002800000042000000150000000100080000000000000000000000000000000000160000000000000000000000ffffff0080c6ff0054000000ffe3a60054a6e300a6540000ffffe300ffc68000c6ffff0000008000e3a65400e3ffff000054a6000080c600a6e3ff0000005400c680000080000000ffffc60054008000540054000101010101010101010101010101010101010101010101010101010101010101010101010101010101010101010101010101010101010101010101010101010101010101010101010101010101010101090a00000000080101010101010101010101010101010101010101010101010101010101010101010101010101010101010101010101010101010101010101010101010101021101010208010101010101010101010101010101010101010101010101010101010101010101010101010101010101010101010101010101010101010101010101010101051101010101010101010101010101010101010101010101010101010101010101010101010101010101010101010101010101010401010101010101010101010101010101021101010101010101010101010101010101010101010101010101010101010101010101010101010101010101010101010101010102000000000003040101010101010101050b01010101010101010101010101010101010101010101010101010102030401010101010500001213010f1000000801010101010203040101050011010101010101010f15040101010101010101010101010101010101010101010101010101090a0b0101010101010e000801010102000b0101010101010f10080101010f10110101091404010203040101010101010101010101010101010101010101010101010101010e121301010101010f1008010101090a110101010000010c0d11010101010500080101090a000011010101010101010e00000000000000000003040101010101010101010f100b0101010101090a0b010101010e06070101010101010e0607010101090a110101010101010101010101010101010101010101010101010101010101010101010101010e060701010101010e0607010101050304010101010101051213010101010e1213010101010101010101010101010101010101010101010101010101010101010101010102000801010101010512130101010f10080101010101010f100801010101050304010101010101010101010101010e0000000000000000000304010101010101010101010c0d110101010101020000000000000011010101010101090a0b0101010105000801010101010101010101010101010101010101010101010101010101010101010101010105030401010101090a0b0101010c0d0607010f100101010e0607010101050304010101010101010101010101010101010101010101010101010101010101010101010101090a0b010101010c0d110101010105030401010101010105121301010c0d12130101010101010101010101010101010101010101010101010101010101010101010101010105121301010101051213010101020008010101010101050304010c0d000b0101010101010101010101010101010101010101010101010101010101010101010e080101010f1008010101010500080101010f101101010101010200000000000304010101010101010101010101010101010101010101010101010101010101010101010500000000000006070101020000000801090a00000b010101010101010101010101010101010101010101010101010101010101010101010101010101010101010101010101010101010101010101010101010101010101010101010101010101010101010101010101010101010101010101010101010101010101010101010101010101010101010101010101010101010101010101010101010101010101010101010101010101010101010101010101010101010101010101010101010101010101010101010101010101010101010101010101010101010101010101010101e80501010101010101010101010101010101010101010101010101010101010101010101010101010101010101010101010101010101010101010101010101010101010100004c0000006400000000000000000000004400000015000000000000000000000045000000160000002900aa0000000000000000000000803f00000000000000000000803f0000000000000000000000000000000000000000000000000000000000000000220000000c000000ffffffff460000001c00000010000000454d462b024000000c000000000000000e000000140000000000000010000000140000000400000003010800050000000b0200000000050000000c0216004500030000001e000400000007010400040000000701040017030000410b2000cc00150042000000000016004500000000002800000042000000150000000100080000000000000000000000000000000000160000000000000000000000ffffff0080c6ff0054000000ffe3a60054a6e300a6540000ffffe300ffc68000c6ffff0000008000e3a65400e3ffff000054a6000080c600a6e3ff0000005400c680000080000000ffffc60054008000540054000101010101010101010101010101010101010101010101010101010101010101010101010101010101010101010101010101010101010101010101010101010101010101010101010101010101010101090a00000000080101010101010101010101010101010101010101010101010101010101010101010101010101010101010101010101010101010101010101010101010101021101010208010101010101010101010101010101010101010101010101010101010101010101010101010101010101010101010101010101010101010101010101010101051101010101010101010101010101010101010101010101010101010101010101010101010101010101010101010101010101010401010101010101010101010101010101021101010101010101010101010101010101010101010101010101010101010101010101010101010101010101010101010101010102000000000003040101010101010101050b01010101010101010101010101010101010101010101010101010102030401010101010500001213010f1000000801010101010203040101050011010101010101010f15040101010101010101010101010101010101010101010101010101090a0b0101010101010e000801010102000b0101010101010f10080101010f10110101091404010203040101010101010101010101010101010101010101010101010101010e121301010101010f1008010101090a110101010000010c0d11010101010500080101090a000011010101010101010e00000000000000000003040101010101010101010f100b0101010101090a0b010101010e06070101010101010e0607010101090a110101010101010101010101010101010101010101010101010101010101010101010101010e060701010101010e0607010101050304010101010101051213010101010e1213010101010101010101010101010101010101010101010101010101010101010101010102000801010101010512130101010f10080101010101010f100801010101050304010101010101010101010101010e0000000000000000000304010101010101010101010c0d110101010101020000000000000011010101010101090a0b0101010105000801010101010101010101010101010101010101010101010101010101010101010101010105030401010101090a0b0101010c0d0607010f100101010e0607010101050304010101010101010101010101010101010101010101010101010101010101010101010101090a0b010101010c0d110101010105030401010101010105121301010c0d12130101010101010101010101010101010101010101010101010101010101010101010101010105121301010101051213010101020008010101010101050304010c0d000b0101010101010101010101010101010101010101010101010101010101010101010e080101010f1008010101010500080101010f101101010101010200000000000304010101010101010101010101010101010101010101010101010101010101010101010500000000000006070101020000000801090a00000b010101010101010101010101010101010101010101010101010101010101010101010101010101010101010101010101010101010101010101010101010101010101010101010101010101010101010101010101010101010101010101010101010101010101010101010101010101010101010101010101010101010101010101010101010101010101010101010101010101010101010101010101010101010101010101010101010101010101010101010101010101010101010101010101010101010101010101010101e80501010101010101010101010101010101010101010101010101010101010101010101010101010101010101010101010101010101010101010101010101010101010100000c00000040092900aa000000000000001600450000000000040000002701ffff030000000000

Резьба 010009000003580e000000009008000000009008000026060f001611574d46430100000000000100df740000000001000000f410000000000000f4100000010000006c000000000000000000000050000000210000000000000000000000480800007903000020454d4600000100f41000000c00000001000000000000000000000000000000900600001a040000b801000013010000000000000000000000000000c0b6060038320400460000002c00000020000000454d462b014001001c000000100000000210c0db010000006000000060000000460000003404000028040000454d462b224004000c000000000000001e4009000c00000000000000244001000c000000000000003040020010000000040000000000803f214007000c000000000000000840000580030000740300000210c0db01000000000000000000000000000000000000000100000089504e470d0a1a0a0000000d494844520000004e000000210802000000f86a0ac5000000017352474200aece1ce9000000097048597300000e2600000e2601a2ef25fc000002fc494441545847e5593b72db301085720e69c6152b5d409e71ab0378e842697382e802862e609fc02d5584e303a8cd8c780156aa3c43de83d95dfc76414b0e635a3622740088cfc3dbcf0338e9ba4e5d46f99626cc767b371165533920d5c67498165e0356132c4da18bc6eebb29f2dc57a00dea2a34849a4a10a7dcf25e2bbde74dd02091dafed4a1c694761d208d8a3d89447dd53be6d3f7f97a3565d8da979ab18ce6ab970bd39fb201f72925470df62cdc3665a83d2f3d1e929050073558b8f4711bd1c800a21e19e9987560872bbdd946b3a22394e2c2262ab96db81815588d7b4228efe3f40723a23c8da0696cb399f2e3d00e3b36119672ad031f86970afc5e434ccbb399250a93f26e190e4d863bf8becc8b471329a6ab350cd53b9fdee3d878d6ba87dafe7e2ee759a6547968fc0eaacd755d640a12d5ed8d0b738bfbaebbb731adb7d56a07d8e6573e242e965f07ab87da1c4abd5c5dcd95aa5f5a03a1dd3ed4c5e38daac5ee4f3181919e1980fbd4cf785616e3c51c54a0036d7496790b6eb73f316729603ba4a6c17b65130e1e3bf2000b15e97076672c189d740f860a6cbfc2d3fb77e174b854eda176b7b5b6f5ca52c7c69c6887590c5474541215536bc1e4a43fa02176bea118f1a4b8f3faf1e8f2a7ca2fa181e4b2c3222f7deda1c2866c8825833b3ca193e25ae47c5e59bd89934e8ac7351a11a2f79b137ce407c42a3aaa0db1b8d9526b2b2c91ed413ba59362d9e5bd46312674844afbe145a3935abb1eb698cda40fc6d12084e3850a1de12b94a0e2625513b4a2d4445cf73904622cbb46f5d5d43ff8d9484326c6652fa1a47b5f65d9ea546262248e641d679e86dfaad05ffec651126515d3b5933ca8b3a30427f4897b4c4c142a2635a7ac3181f0d40f3841ffd07b2291efef6467b6bcf1960b89e0f8d3a8783c4c9455606e76589b736b6e9f67f681db485c7fe344bec38d324da8a4575d2135da2ff003e01a048c37df645f0c858e1116ec044c5eecc5eba17f461bcf873e71a6fecb285771293f8ec6872a9012ed42affe4f50a39f18b1a6bf200dfc073fd6facad7e64fc50000000049454e44ae426082000840010824000000180000000210c0db01000000030000000000000000000000000000001b40000040000000340000000100000002000000000000bf000000bf00009c4200000442030000000000008000000080ffffa1420000008000000080feff07422100000008000000620000000c00000001000000150000000c00000004000000150000000c00000004000000510000005c0b000000000000000000005000000021000000000000000000000000000000000000004e0000002100000050000000bc0000000c010000500a0000000000002000cc005100000022000000280000004e000000210000000100080000000000000000000000000000000000250000000000000000000000ffffff00e3ffff000054a600c6800000c6ffff000000800080c6ff00ffc68000a680a600ffffe3005454a600ffe3a60054a6e300a6540000e3a654000080c600a6e3ff000000540080000000ffffc6008000540054005400540000008080540080800000a6a680005400800080a6a60080008000c6ffc600e3ffe300e3ffc60080c6e300805400005454800054a6c600010101010101010101010101010101010101010101010101010101010101010101010101010101010101010101010101010101010101010101010101010101010101010101010101010101010101ffff010101010101010101010101010101010101010101010101010101010101010101010101010101010101010101010101010101010101010101010101010101010101010107000000131401010101ffff0101010101010101010101010101010101010101010101010101010101010101010101010101010101010101010101010101010101010101010101010101010101010102030801010d1314010101ffff01010101010101010101010101010101010101010101010101010101010101010101010101010101010101010101010101010101010101010101010101010101010101010d040101020308010101ffff010101010101010101010101010101010101010101010101010101010101010101010101010101010101010101010101010101010101010101010101010d0000000e0a01010506000e2404010101ffff0101010101010101010101010101010101010101010101010101010101010101010101010101010101010101010101010101010101010101010101011112080101100401010d0e0a11120e0a0101ffff0101010101010101010101010101010101010101010101010101010101010101010101010101010101010101010101010101010101010101010101010506080102030401010d0e0a010713140101ffff01010101010101010101010101010101010101010101010101010101010101010101010101010101010101010101010101010101010101010101010101020300000f01010111160c01051b0c0101c6c601010101010101010101010101010101010101010101010101010101010101010101010101010101010101010101010101010101010101010101010102030f01050608010101100e0a02030f0101ffff010101010101010101010101010101010101010101010101010101010101010101010101010101010101010101010101010101010101010101010101050608010110040101010110000000040101ffff01010101010101010101010101010101010101010101010101010101010101010101010101010101010101010101010101010101010101010101010102030f0105060f0101010101010101010101ffff01010101010101010101010101010101010101010101010101010101010101010101010101010101010101010101010101010101010101010101010101050600000e0a01010101010101010101010000010101010101010101010101010101010101010101010101010101010101010101010101010101010101010101010101010101010101010101010101010101010101010101010101010101010101ffff0d00000401010101050600000f0101010203000000000004010101050600000e0a01010101010101010101010101010101010101010101010101010101010101010101010101010101010101010100e301100e0a010713140111120e0a0101010101010d170c0101010105060e0a02030e0a0101010101010101010101010101010101010101010101010101010101010101010101010101010101010101a65401070e0a010700040102030e0a0101010101010d170c010101010d000801010700080101010101010101010101010101010101010101010101010101010101010101010101010101010101010101e3ff01051b0c010d22230c010d13140101010101010d170c01010101101314010105060f0101010101010101010101010101010101010101010101010101010101010101010101010101010101010101ffe30102030801100e210e0a0700080101010101010d170c01010102030e0a01010506040101010101010101010101010101010101010101010101010101010101010101010101010101010101010101ffff01010d0402030401100805060f0101010101010d170c01010102030e0a010102030e0a010101010110000000000000000000170c0101010101010101000000000000000000000000000000000001c6800101070e1f030f0111152003040101010101010d170c01010102030e0a010102030e0a01010101010101010101010101010101010101010101010101010101010101010101010101010101010101ffff0101051d1e060f01010d0f0d131401010101010d170c01010102030e0a010105060e0a010101010101010101010101010101010101010101010101010101010101010101010101010101010101010101010102031a12080101051b1c170c01010101010d170c0101010110131401010506040101010101010101010101010101010101010101010101010101010101010101010101010101010101010101ffff0101010d18160c0101010719060f01010713140d170c0101010107170c0101070008010101010101010101010101010101010101010101010101010101010101010101010101010101010101010154ff0101010d00170c01010102030004010101050600170c0101010102030e0a02031314010101010101010101010101010101010101010101010101010101010101010101010101010101010101010100000101070000131401010101111200040101010111160c010101010102030000131401010101010101010101010101010101010101010101010101010101020b0c010101010d00170c0203000e0a01ffff010101010101010101010101010101010101010101010101010101010101010101010101010101010101010101010101010101010101010101010101010107040101010102030f010111160c0101ffff0101010101010101010101010101010101010101010101010101010101010101010101010101010101010101010101010101010101010101010101010101020b0c010101010d04010102030f0101a6e301010101010101010101010101010101010101010101010101010101010101010101010101010101010101010101010101010101010101010101010101010107040101010111151401010d040101ffff010101010101010101010101010101010101010101010101010101010101010101010101010101010101010101010101010101010101010101010101010101020b0c010101050600000000131401ffff01010101010101010101010101010101010101010101010101010101010101010101010101010101010101010101010101010101010101010101010101010101070401010101100f010111120801ffff01010101010101010101010101010101010101010101010101010101010101010101010101010101010101010101010101010101010101010101010102090a01020b0c0101010d0e0a0102030f018000010101010101010101010101010101010101010101010101010101010101010101010101010101010101010101010101010101010101010101010101020300000000040101050600040107000008ffff010101010101010101010101010101010101010101010101010101010101010101010101010101010101010101010101010101010101010101010101010101010101010101010101010101010101ffff4c0000006400000000000000000000005000000021000000000000000000000051000000220000002900aa0000000000000000000000803f00000000000000000000803f0000000000000000000000000000000000000000000000000000000000000000220000000c000000ffffffff460000001c00000010000000454d462b024000000c000000000000000e000000140000000000000010000000140000000400000003010800050000000b0200000000050000000c0222005100030000001e000400000007010400040000000701040093050000410b2000cc0021004e00000000002200510000000000280000004e000000210000000100080000000000000000000000000000000000250000000000000000000000ffffff00e3ffff000054a600c6800000c6ffff000000800080c6ff00ffc68000a680a600ffffe3005454a600ffe3a60054a6e300a6540000e3a654000080c600a6e3ff000000540080000000ffffc6008000540054005400540000008080540080800000a6a680005400800080a6a60080008000c6ffc600e3ffe300e3ffc60080c6e300805400005454800054a6c600010101010101010101010101010101010101010101010101010101010101010101010101010101010101010101010101010101010101010101010101010101010101010101010101010101010101ffff010101010101010101010101010101010101010101010101010101010101010101010101010101010101010101010101010101010101010101010101010101010101010107000000131401010101ffff0101010101010101010101010101010101010101010101010101010101010101010101010101010101010101010101010101010101010101010101010101010101010102030801010d1314010101ffff01010101010101010101010101010101010101010101010101010101010101010101010101010101010101010101010101010101010101010101010101010101010101010d040101020308010101ffff010101010101010101010101010101010101010101010101010101010101010101010101010101010101010101010101010101010101010101010101010d0000000e0a01010506000e2404010101ffff0101010101010101010101010101010101010101010101010101010101010101010101010101010101010101010101010101010101010101010101011112080101100401010d0e0a11120e0a0101ffff0101010101010101010101010101010101010101010101010101010101010101010101010101010101010101010101010101010101010101010101010506080102030401010d0e0a010713140101ffff01010101010101010101010101010101010101010101010101010101010101010101010101010101010101010101010101010101010101010101010101020300000f01010111160c01051b0c0101c6c601010101010101010101010101010101010101010101010101010101010101010101010101010101010101010101010101010101010101010101010102030f01050608010101100e0a02030f0101ffff010101010101010101010101010101010101010101010101010101010101010101010101010101010101010101010101010101010101010101010101050608010110040101010110000000040101ffff01010101010101010101010101010101010101010101010101010101010101010101010101010101010101010101010101010101010101010101010102030f0105060f0101010101010101010101ffff01010101010101010101010101010101010101010101010101010101010101010101010101010101010101010101010101010101010101010101010101050600000e0a01010101010101010101010000010101010101010101010101010101010101010101010101010101010101010101010101010101010101010101010101010101010101010101010101010101010101010101010101010101010101ffff0d00000401010101050600000f0101010203000000000004010101050600000e0a01010101010101010101010101010101010101010101010101010101010101010101010101010101010101010100e301100e0a010713140111120e0a0101010101010d170c0101010105060e0a02030e0a0101010101010101010101010101010101010101010101010101010101010101010101010101010101010101a65401070e0a010700040102030e0a0101010101010d170c010101010d000801010700080101010101010101010101010101010101010101010101010101010101010101010101010101010101010101e3ff01051b0c010d22230c010d13140101010101010d170c01010101101314010105060f0101010101010101010101010101010101010101010101010101010101010101010101010101010101010101ffe30102030801100e210e0a0700080101010101010d170c01010102030e0a01010506040101010101010101010101010101010101010101010101010101010101010101010101010101010101010101ffff01010d0402030401100805060f0101010101010d170c01010102030e0a010102030e0a010101010110000000000000000000170c0101010101010101000000000000000000000000000000000001c6800101070e1f030f0111152003040101010101010d170c01010102030e0a010102030e0a01010101010101010101010101010101010101010101010101010101010101010101010101010101010101ffff0101051d1e060f01010d0f0d131401010101010d170c01010102030e0a010105060e0a010101010101010101010101010101010101010101010101010101010101010101010101010101010101010101010102031a12080101051b1c170c01010101010d170c0101010110131401010506040101010101010101010101010101010101010101010101010101010101010101010101010101010101010101ffff0101010d18160c0101010719060f01010713140d170c0101010107170c0101070008010101010101010101010101010101010101010101010101010101010101010101010101010101010101010154ff0101010d00170c01010102030004010101050600170c0101010102030e0a02031314010101010101010101010101010101010101010101010101010101010101010101010101010101010101010100000101070000131401010101111200040101010111160c010101010102030000131401010101010101010101010101010101010101010101010101010101020b0c010101010d00170c0203000e0a01ffff010101010101010101010101010101010101010101010101010101010101010101010101010101010101010101010101010101010101010101010101010107040101010102030f010111160c0101ffff0101010101010101010101010101010101010101010101010101010101010101010101010101010101010101010101010101010101010101010101010101020b0c010101010d04010102030f0101a6e301010101010101010101010101010101010101010101010101010101010101010101010101010101010101010101010101010101010101010101010101010107040101010111151401010d040101ffff010101010101010101010101010101010101010101010101010101010101010101010101010101010101010101010101010101010101010101010101010101020b0c010101050600000000131401ffff01010101010101010101010101010101010101010101010101010101010101010101010101010101010101010101010101010101010101010101010101010101070401010101100f010111120801ffff01010101010101010101010101010101010101010101010101010101010101010101010101010101010101010101010101010101010101010101010102090a01020b0c0101010d0e0a0102030f018000010101010101010101010101010101010101010101010101010101010101010101010101010101010101010101010101010101010101010101010101020300000000040101050600040107000008ffff010101010101010101010101010101010101010101010101010101010101010101010101010101010101010101010101010101010101010101010101010101010101010101010101010101010101ffff0c00000040092900aa000000000000002200510000000000040000002701ffff030000000000
По стандарту ГОСТ 16093 – 81 выбираем предельные отклонения.
Внутренняя
резьба 
средний диаметр
010009000003041e000000001610000000001610000026060f002220574d46430100000000000100ec6b0000000002000000002000005802000058220000010000006c000000000000000000000015010000170000000000000000000000701c00007402000020454d4600000100582200000c00000001000000000000000000000000000000900600001a040000b801000013010000000000000000000000000000c0b6060038320400460000002c00000020000000454d462b014001001c000000100000000210c0db01000000600000006000000046000000d0070000c4070000454d462b224004000c000000000000001e4009000c00000000000000244001000c000000000000003040020010000000040000000000803f214007000c00000000000000084000051c070000100700000210c0db01000000000000000000000000000000000000000100000089504e470d0a1a0a0000000d494844520000010a0000001708020000007c96966f000000017352474200aece1ce9000000097048597300000e2600000e2601a2ef25fc0000069749444154785eed5abd6d233b105ebd3a24e022476ec0062ebd020c5d60a55781dd80570d5815389582135c80d303a4061c393a40ea631f67f83724875c72b596bc876524915c72f871be99e19093a669aab18c088c087008fc37c232223022104360a4c75074e3b8f93991e5e7e61808bd5faac6c964b927adb1faaac2f19cbe4341e28c728ef43823d8b95381e67a8a7bdc3c2cae7722126e0eeb6af1e0124470e0f9ea008dcdaeaeea67dd1aab177288f15eab79ae405fa65fda46f0adb6d6b12c71c341563bd2e3cb6c7d4a90fdcb625bffb8812ed3ef77f3edeb1fea406e9e9adff753fc7e7645743e560fe4f8785cdd0d62e944c8a48d80457116e4f8e7b55a6bdbb155962561381c50467a5c52474a029cf9d54c8a3afd765d6d3f0eacdca80b2b4515aa58b47ebf9c7d3c3e21d7640143ca456ccc14055d0b80cdc3216d2362add3fbdfa1ed600c07bb324d0fe26a74109b0958010a91ae666e6646eb19c33019da5821a93bed2dbaa6839a38df999f71d7b62a1014c67ba8564d6314d5749e2db6557dab26295800eabdd60502b653bf5fde563b4b8ee366b9993d35cdaa7ac8388aecdf44f0f668e9e7815220ab112fc421a151691b916e95dec587c71814c11806048c58654c2bdcf25cb921f98ffc37dd3ee7870899b1d4185edbd2566f0566d72157e10fda6d0910d553e9706c6f68663e5e04a8355807f240ab3b32e0a06bf86fc36fecb692b1d4be520d74f63c2e943ad958c1fc95c9bd2a033b5c8bde71972338aa68b2e25144f4a92bda6a0665f48bd9423b4ee5aa15eddba76eb56924e85e0df0061a58af7d35d4c0b87cd633402bd96304a66ccbda6425d6c41f98a10c2b40b0b7ee9c8caadb2fa846995acadd5d6dc58ad56b7b98d48d0008476c06fe62b05b70f00448db88760b226dbe5972caa0680db2f4f0f42af027795ad3b1176ea30fb8943f8a394b8fa077f196e5ad20444b03e66a1c2724e7779c59d98db366d5d17ed86edfe2ea0eb17a132c04a623e5d53cb123f408dd8f9542b451beb6e2e06f45da46f0add4e7d0091386838060e8c1ecf719dd8714d6455cd401d645f408f70c3f4f870c7984a0bd78c785a2ba53756247b93cfd7d11e747240e72039a64b4e9e953313b647ca54a602322adead4a0bed2d2a60c87fc42f6d4f4e0648d2841742ffc39fd2356424935978982d12a363c8aaa9e334fe92272342db2b1b1f57b110ceb7872a63d4b9f58bc13e10d5d7310c3fad8bb2bffc238181054e64a9cdf45b24426d64d397c6cabeafa9b4ca8671438fba70a9353f147bdf95157dbc5cb5e24b19f6b5f9e0c1172bb30893a9b8d8a5c4c9bb121851880256edafebefbc71cc9230fd65c192fd7effdefd19f1c14647ef7ddd105c839ddbedb64cebb48b6d1049d542a9be742800af4e97200c0cc0882a20730c1a4c5945890c43bfbde023faafa6df9b2a8d6bf5cb676438be7f8294c065ce68c702186a81f3eacc35212ad0bc22278ec803ce9766e2f59a6f72b610cd0b6c912ac1e00b2b6621038487a30a282f976d8d17e097f9249d6ca7ff30b0ee4a290ec7a3e31e0ca2cbc33f335347fbcb027e2e2db51e886ac71ed2b12c633b978ab274dd3708a7fdd019287760757668bdf0101d2779bf276b318876e0fcfa48e736fccdaee23911e616885a64144fcfafa28eb12fe14936c51854713ddbd163eaaa8dfccab3c74813d3a74195831d4652c4cdf739f8d4e3e5ec80e3f4444a41d9a23043153246e234fde894e0fcf942be3de98251f9e2108480f372c0046897b5b71d0b277abd1d73bfd6d99415abc022057c985134cef1fc1e9a95779d2d4f713a5a120b1c0aa42dab805d9c1680be855ec5148e16afbef0e2ace45d9e1010acd987ec384d80004c45912fe08957abb827490751ef27958110edd1e9e49cfc1bc318b3f3c2320044973315a2a0f2a4e9b7da7494df623953327c92b9920748b933521e9947e658d245b8840f46a5b49c827743ee3aaf2f4d416939f4ae65f9d645d80b5c14527e8993ba1021cc464895b73bb785f45550e14a4092e4cdd4a7be3ab26b2d78259d8ea6c6b56e7b1530c8158f6f4d28845d8d1c1c638aa0ccb6297cc54f2d9f18c47251a3b5f45cd7fc984c3ba9697699229b4528d404128a00747b44befe750e78fdfbe5d70459c50dd040dd43ee6828a86a7a3f21f862aca441af3f52e0c3f220fcfb2e94149495ff55c703b873d7591667cfe527905ee28a41784a24788b9a082292c3fe847a6b6454559f3ee56062064d2c377790511e3e7efec706748c6f5e75b56e4482523a20e91950a5aece9b06d8c6c1cac1e663f3c2321130814bc79d595ec5a27e2ebfef31fe3882302ff0402ff031f9d600e0db955eb0000000049454e44ae42608200000840010824000000180000000210c0db01000000030000000000000000000000000000001b40000040000000340000000100000002000000000000bf000000bf000085430000b841030000000000008000000080ffff8a430000008000000080feffbf412100000008000000620000000c00000001000000150000000c00000004000000150000000c00000004000000510000002419000000000000000000001501000017000000000000000000000000000000000000000a0100001700000050000000c00000001001000014180000000000002000cc001601000018000000280000000a010000170000000100080000000000000000000000000000000000260000000000000000000000ffffff00e3ffff000054a600e3a65400c6ffff0000008000c6800000a6e3ff0000005400ffc6800054a6e30054005400ffe3a6005400800080c6ff00540000005454a60000545400e3c6800080000000ffffc6000080c600a6540000ffffe30080008000a680a60000808000a6800000a6e3c600c6c68000c6ffc600c6e3a600e3ffc600c6ffe30080005400a680540054a6c600010101010101010101010101010101010101010101010101010101010101010101010101010101010101010101010101010101010101010101010101010101010101010101010101010101010101010101010101010101010101010101010101010101010101010101010101010101010101010101010101010101010101010101010101010101010101010101010101010101010101010101010101010101010101010101010101010101010101010101010101010101010101010101010101010101010101010101010101010101010101010101010101010101010101010101010101010101010101010101010101010101010101010101010101010101010101010101010101010100000101010101010101010101010506000000000a0101010101010101010101010101010101010101010101010101010101010101010101010101010101010101010101010101010101010101010101010101010101010101010101010101010101010101010101010101010101010101010101010101010101010101010101010b141501010101010101010101010101010101010101010101010101010101010101010101010101010101010116171801010101010f100d01010101010101010101010101010101020300000017180101010101010101010b141501010101010101010101050600000a01010f141f06000000000a010101010b0014150101010b001415161718010101010000010101010101010101010101010f0701010f0a0101010101010101010101010101010101010101010101010101010101010101010101010101010101010101010101010101010101010101010101010101010101010101010101010101010101010101010101010101010101010101010101010101010101010101010102030401010101010101010101010101010101010101010101010101010101010101010101010101010101010101010108090a0101010102030401010101010101010101010101010101161718010116100d010101010101020304010101010101010101010101160701080c0d010f14150f0701010f0a0101010102030a0101010102030a010108090a010101000001010101010101010101010101010b070101010101010101010101010101010101010101010101010101010101010101010101010101010101010101010101010101010101010101010101010101010101010101010101010101010101010101010101010101010101010101010101010101010101010101010101010203040101010101010101010101010101010101010101010101010101010101010101010101010101010101010101010101080c0d010101010b17180101010101010101010101010101011607010101020307010101010102030401010101010101010101010105060a0102030401010101010b07010101010b000000000017250000000000171801080c0d010100000101010101010101010101010101010f0701010101010101010101010101010101010101010101010101010101010101010101010101010101010101010101010101010101010101010101010101010101010101010101010101010101010101010101010101010101010101010101010101010101010101010101010f14150101010101010101010101010101010101010101010101010101010101010101010101010101010101010101010101010b1718010101080c0d010101010101010101010101010101050e0d0101010f1415010101010f141501010105060000000000000a050e0d010116070101010101010f070101010519150203131a2219150203131a1801010b171801ffff0f0000000000100d01010101010101010b0401010101010101010101010101010101010101010101010101050600100d010101010506000007010102030000000000070101010506000017180101010101010101010101010101010101010101010101010f100d01010101010b0000141501080900000a0101010102030701010101010101010101010101010101010101010101010101010101010101010101010101010101010101010101010101080c0d010101020307010101010101010f000000100d010101010809001722060a01010102030701010101010101010101010101050e0d01011607010101010101010b040101010f0702030a01010f0702030a01010101080c0d01ffff010f100d01010b000701010101010101080c0d01010101010101010101010101010101010101010101010101050e0d0101010101010506070101010101010b100d010101010506171802031718010101010101010101010101010101010101010101010105060401010101010116000a0101010f0004010101010108090a01010101010101010101010101010101010101010101010101010101010101010101010101010101010101010101010101020304010101010f141501010101010b000401010f00040101020317180824030401010108090a0101010101010101010101010105060a0102030401010101010101080c0d0101010b13030a0101010b13030a010101010203040100000108090a0101010809070101050e0d010f100d010101010101010101010101010101010101010101010101010519150102030701010506070101010101010b100d010101010b000a01010f000a010101010101010101010101010101010101010101010101161415010101010108090a01010105060701010101010f100d010101010101010101010101010101010101010101010101010101010101010101010101010101010101010101010101010116070101010105060a01010101020317180101020317180105060701010f00070101010f100d01010101010101010101010101010b0701080c0d010101050e0d010f100d0101010211120a0101010211120a0101010101160701000001020307010101010b000a010105060000070101010101010116000000000000000000100d010101010101010519150108091415010506070101010101010b100d010101011614150101050604010101010101010101010101010101010101010101010101080904010101010105060401010101161718010101010f100d010101010101010101010101010101010101010101010101010101010101010101010101010101010101010101010101010116171801010101160701010101050607010101011614150105060701010116171801010f100d0101010101010101010101010101020300000401010101010506000007010101010108090a0101010108090a0101010101161718020001011617180101010506070101010101010101010101010101010101010101010101010101010101010101010519150116141b04010506070101010101010b100d0101010203171801010506070101010101010101010101010101010101010101010101010116171801010101011617180101010b100d010101010b14150101010101010101010101010101010101010101010101010101010101010101010101010101010101010101010101010101161718010101010f100d01010102031718010102031415010203171801010f141501010b141501010101010101010101010101010101010101010101010101010101010101010101010101010101010101010101010101161718a6e301010b14150101010116141501010101010101010101010101010101010101010101010101010101010101010519150506070823150506070101010101010b100d010101020317180101020317180101010116000000000000000000100d01010101010101010f000a01010101010b141501010108090a010101010f100d0101010101010101010101010101010101010101010101010101010101010101010101010101010101010101010101010101161718010101010203040101010108090401010b00040101010b1415010108090a01010f100d010101010101010101010101010101010101010101010101010101010101010101010101010101010101010101010101011617180000010108090a010101010b100d0101010101010101010101010116000000000000000000100d010101010101010519150f100d01160a0506070101010101010b100d0101010203171801010203171801010101010101010101010101010101010101010101010102030701010101010f0000000000000007010101010f100d010101010101010101010101010101010101010101010101010101010101010101010101010101010101010101010101010116070101010101010b17180101010105060000141501010101080904010105060401010f100d0101010101010101010101010101010101010101010101010101010101010101010101010101010101010101010101010116070154000101050604010101010b000a0101010101010101010101010101010101010101010101010101010101010101051921031718010f172206070101010101010b100d01010102031718010105061718010101010101010101010101010101010101010101010101010b100d010101010506040101010203171801010108090a01010101010101010101010101010101010101010101010101010101010101010101010101010101010101010101010101020304010101010101080c0d0101010f000401010f000a010101010b000a01080907010108090a0101010101010101010101010101050600000a01010f1415050600000a0101010b00000004010506000000000a01010102030401ffff0101011617180101010b100d010101010101010101010101010101010101010101010101010101010101010105191d0904010102031e06070101010101010b100d010101011614150101050607010101010101010101010101010101010101010101010101010105060401010101020307010101010b100d010101020307010101010101010102030a01010101050600000a01010f141f06000000000a010506000000000a0101010b001415010101080c0d010101010101020307010102031718010101161718010101010f000010201915010203070101010101010101010101010101160701080c0d010f1415160701080c0d01050e0d0108090a010f0701010f0a010101080c0d01ffff0101010b1415010102031415010101010101010101010101010101010101010101010101010101010101010105191b14150101010b1c03070101010f14150b100d010101010f100d01010f000a0101010101010101010101010101010101010101010101010101010b1415010101010b14150101010f000a010101010f14150101010101010102030a01010101160701080c0d010f14150f0701010f0a01010f0701010f0a01010102030a010101010b1718010101010101010f14150102031718010101161415010101010101010101010101010f141501010101010101010101010105060a0102030401010105060a01020304010101010108090a01010b070101010101010b17180100000101010b100d010203000401010101010101010101010101010101010101010101010101010101010101010105060007010101010506000701010101050600100d01010101020317180203141501010101010101010101010101010101010101010101160a01010108090a010101010b000a010101080907010101010203040101010101010102030a01010105060a0102030401010101010b070101010101010b070101010b0000000000171801080c0d010101010101010105060a01010b000a01010f0007010101010101010101010101010102030401010105060000000000000a050e0d01011607010101050e0d010116070101011600000a010101010f0701010101080c0d0101000001010f0000000000100d010101010101010101010101010101010101010101010101010101010101010101050600100d01010101010b0000070101010101080c0d010101010102030000141501010101010101010101010101010101010101010101010b000000000000171801010f0000000a0105060000040101010102030401010105060000000000000a050e0d010116070101010101010f070101010101010f0701010519150203131a1808090a010101010101010101011607010101080900000007010101010101010101010101010101010203040101010101010101010101050e0d01011607010101050e0d010116070101010102030a01010101010b04010108090a0101010000010101010101010101010101010101010101010101010101010101010101010101010101010101010101010101010101010101010101010101010101010101010101010101010101010101010101010101010101010101010101010101010101010101010101010101010101010101010101010101010101010101010101010b14150101010102030a010101050e0d01011607010101010101010b040101010101010b0401010f0702030a0116171801010101010101010101010f100d01010101010101010101010101010101010101010101010101010b141501010101010101010105060a0102030401010105060a010203040101010101080c0d01010101080c0d161718010101010000010101010101010101010101010101010101010101010101010101010101010101010101010101010101010101010101010101010101010101010101010101010101010101010101010101010101010101010101010101010101010101010101010101010101010101010101010101010101010101010101010101010101010101010101010102030a01010105060a0102030401010101010101080c0d0101010101080c0d01010b13030a0101010101010101010101010101010101010101010101010101010101010101010101010101010101010101010101010101010101010101010b0701080c0d010101010b0701080c0d0102110d010f100d050e0d010f100d010101010101010000010101010101010101010101010101010101010101010101010101010101010101010101010101010101010101010101010101010101010101010101010101010101010101010101010101010101010101010101010101010101010101010101010101010101010101010101010101010101010101010101010101010101010101010101010102030a010101010b0701080c0d010101050e0d010f100d01050e0d010f100d01010211120a0101010101010101010101010101010101010101010101010101010101010101010101010101010101010101010101010101010101010101010203000004010101010102030000040101010b00000004010105060000070101010101010101000001010101010101010101010101010101010101010101010101010101010101010101010101010101010101010101010101010101010101010101010101010101010101010101010101010101010101010101010101010101010101010101010101010101010101010101010101010101010101010101010101010101010101010101010101010101010101010102030000040101010101050600000701010105060000070101010108090a010101010101010101010101010101010101010101010101010101010101010101010101010101010101010101010101010101010101010101010101010101010101010101010101010101010101010101010101010101010101010101010100000101010101010101010101010101010101010101010101010101010101010101010101010101010101010101010101010101010101010101010101010101010101010101010101010101010101010101010101010101010101010101010101014201000026060f007a02574d464301000000000001000000000000000200000058020000000000005822000001010101010101010101010101010101010101010101010101010101010101010101010101010101010101010101010101010101010101010101010101010101010101010101010101010101010101010101010101010101010101010101010101010101010101010101010101010101010101010101010101010101010101010101010101010101010101010101010101010101010101010101010101010101010101010101010101010000010101010101010101010101010101010101010101010101010101010101010101010101010101010101010101010101010101010101010101010101010101010101010101010101010101010101010101010101010101010101010101010101010101010101010101010101010101010101010101010101010101010101010101010101010101010101010101010101010101010101010101010101010101010101010101010101010101010101010101010101010101010101010101010101010101010101010101010101010101010101010101010101010101010101010101010101010101010101010101010101010101010101010101010101010101010101010101010101010100004c0000006400000000000000000000001501000017000000000000000000000016010000180000002900aa0000000000000000000000803f00000000000000000000803f0000000000000000000000000000000000000000000000000000000000000000220000000c000000ffffffff460000001c00000010000000454d462b024000000c000000000000000e000000140000000000000010000000140000000400000003010800050000000b0200000000050000000c0218001601030000001e0004000000070104000400000007010400770c0000410b2000cc0017000a01000000001800160100000000280000000a010000170000000100080000000000000000000000000000000000260000000000000000000000ffffff00e3ffff000054a600e3a65400c6ffff0000008000c6800000a6e3ff0000005400ffc6800054a6e30054005400ffe3a6005400800080c6ff00540000005454a60000545400e3c6800080000000ffffc6000080c600a6540000ffffe30080008000a680a60000808000a6800000a6e3c600c6c68000c6ffc600c6e3a600e3ffc600c6ffe30080005400a680540054a6c600010101010101010101010101010101010101010101010101010101010101010101010101010101010101010101010101010101010101010101010101010101010101010101010101010101010101010101010101010101010101010101010101010101010101010101010101010101010101010101010101010101010101010101010101010101010101010101010101010101010101010101010101010101010101010101010101010101010101010101010101010101010101010101010101010101010101010101010101010101010101010101010101010101010101010101010101010101010101010101010101010101010101010101010101010101010101010101010101010100000101010101010101010101010506000000000a0101010101010101010101010101010101010101010101010101010101010101010101010101010101010101010101010101010101010101010101010101010101010101010101010101010101010101010101010101010101010101010101010101010101010101010101010b141501010101010101010101010101010101010101010101010101010101010101010101010101010101010116171801010101010f100d01010101010101010101010101010101020300000017180101010101010101010b141501010101010101010101050600000a01010f141f06000000000a010101010b0014150101010b001415161718010101010000010101010101010101010101010f0701010f0a0101010101010101010101010101010101010101010101010101010101010101010101010101010101010101010101010101010101010101010101010101010101010101010101010101010101010101010101010101010101010101010101010101010101010101010102030401010101010101010101010101010101010101010101010101010101010101010101010101010101010101010108090a0101010102030401010101010101010101010101010101161718010116100d010101010101020304010101010101010101010101160701080c0d010f14150f0701010f0a0101010102030a0101010102030a010108090a010101000001010101010101010101010101010b070101010101010101010101010101010101010101010101010101010101010101010101010101010101010101010101010101010101010101010101010101010101010101010101010101010101010101010101010101010101010101010101010101010101010101010101010203040101010101010101010101010101010101010101010101010101010101010101010101010101010101010101010101080c0d010101010b17180101010101010101010101010101011607010101020307010101010102030401010101010101010101010105060a0102030401010101010b07010101010b000000000017250000000000171801080c0d010100000101010101010101010101010101010f0701010101010101010101010101010101010101010101010101010101010101010101010101010101010101010101010101010101010101010101010101010101010101010101010101010101010101010101010101010101010101010101010101010101010101010101010f14150101010101010101010101010101010101010101010101010101010101010101010101010101010101010101010101010b1718010101080c0d010101010101010101010101010101050e0d0101010f1415010101010f141501010105060000000000000a050e0d010116070101010101010f070101010519150203131a2219150203131a1801010b171801ffff0f0000000000100d01010101010101010b0401010101010101010101010101010101010101010101010101050600100d010101010506000007010102030000000000070101010506000017180101010101010101010101010101010101010101010101010f100d01010101010b0000141501080900000a0101010102030701010101010101010101010101010101010101010101010101010101010101010101010101010101010101010101010101080c0d010101020307010101010101010f000000100d010101010809001722060a01010102030701010101010101010101010101050e0d01011607010101010101010b040101010f0702030a01010f0702030a01010101080c0d01ffff010f100d01010b000701010101010101080c0d01010101010101010101010101010101010101010101010101050e0d0101010101010506070101010101010b100d010101010506171802031718010101010101010101010101010101010101010101010105060401010101010116000a0101010f0004010101010108090a01010101010101010101010101010101010101010101010101010101010101010101010101010101010101010101010101020304010101010f141501010101010b000401010f00040101020317180824030401010108090a0101010101010101010101010105060a0102030401010101010101080c0d0101010b13030a0101010b13030a010101010203040100000108090a0101010809070101050e0d010f100d010101010101010101010101010101010101010101010101010519150102030701010506070101010101010b100d010101010b000a01010f000a010101010101010101010101010101010101010101010101161415010101010108090a01010105060701010101010f100d010101010101010101010101010101010101010101010101010101010101010101010101010101010101010101010101010116070101010105060a01010101020317180101020317180105060701010f00070101010f100d01010101010101010101010101010b0701080c0d010101050e0d010f100d0101010211120a0101010211120a0101010101160701000001020307010101010b000a010105060000070101010101010116000000000000000000100d010101010101010519150108091415010506070101010101010b100d010101011614150101050604010101010101010101010101010101010101010101010101080904010101010105060401010101161718010101010f100d010101010101010101010101010101010101010101010101010101010101010101010101010101010101010101010101010116171801010101160701010101050607010101011614150105060701010116171801010f100d0101010101010101010101010101020300000401010101010506000007010101010108090a0101010108090a0101010101161718020001011617180101010506070101010101010101010101010101010101010101010101010101010101010101010519150116141b04010506070101010101010b100d0101010203171801010506070101010101010101010101010101010101010101010101010116171801010101011617180101010b100d010101010b14150101010101010101010101010101010101010101010101010101010101010101010101010101010101010101010101010101161718010101010f100d01010102031718010102031415010203171801010f141501010b141501010101010101010101010101010101010101010101010101010101010101010101010101010101010101010101010101161718a6e301010b14150101010116141501010101010101010101010101010101010101010101010101010101010101010519150506070823150506070101010101010b100d010101020317180101020317180101010116000000000000000000100d01010101010101010f000a01010101010b141501010108090a010101010f100d0101010101010101010101010101010101010101010101010101010101010101010101010101010101010101010101010101161718010101010203040101010108090401010b00040101010b1415010108090a01010f100d010101010101010101010101010101010101010101010101010101010101010101010101010101010101010101010101011617180000010108090a010101010b100d0101010101010101010101010116000000000000000000100d010101010101010519150f100d01160a0506070101010101010b100d0101010203171801010203171801010101010101010101010101010101010101010101010102030701010101010f0000000000000007010101010f100d010101010101010101010101010101010101010101010101010101010101010101010101010101010101010101010101010116070101010101010b17180101010105060000141501010101080904010105060401010f100d0101010101010101010101010101010101010101010101010101010101010101010101010101010101010101010101010116070154000101050604010101010b000a0101010101010101010101010101010101010101010101010101010101010101051921031718010f172206070101010101010b100d01010102031718010105061718010101010101010101010101010101010101010101010101010b100d010101010506040101010203171801010108090a01010101010101010101010101010101010101010101010101010101010101010101010101010101010101010101010101020304010101010101080c0d0101010f000401010f000a010101010b000a01080907010108090a0101010101010101010101010101050600000a01010f1415050600000a0101010b00000004010506000000000a01010102030401ffff0101011617180101010b100d010101010101010101010101010101010101010101010101010101010101010105191d0904010102031e06070101010101010b100d010101011614150101050607010101010101010101010101010101010101010101010101010105060401010101020307010101010b100d010101020307010101010101010102030a01010101050600000a01010f141f06000000000a010506000000000a0101010b001415010101080c0d010101010101020307010102031718010101161718010101010f000010201915010203070101010101010101010101010101160701080c0d010f1415160701080c0d01050e0d0108090a010f0701010f0a010101080c0d01ffff0101010b1415010102031415010101010101010101010101010101010101010101010101010101010101010105191b14150101010b1c03070101010f14150b100d010101010f100d01010f000a0101010101010101010101010101010101010101010101010101010b1415010101010b14150101010f000a010101010f14150101010101010102030a01010101160701080c0d010f14150f0701010f0a01010f0701010f0a01010102030a010101010b1718010101010101010f14150102031718010101161415010101010101010101010101010f141501010101010101010101010105060a0102030401010105060a01020304010101010108090a01010b070101010101010b17180100000101010b100d010203000401010101010101010101010101010101010101010101010101010101010101010105060007010101010506000701010101050600100d01010101020317180203141501010101010101010101010101010101010101010101160a01010108090a010101010b000a010101080907010101010203040101010101010102030a01010105060a0102030401010101010b070101010101010b070101010b0000000000171801080c0d010101010101010105060a01010b000a01010f0007010101010101010101010101010102030401010105060000000000000a050e0d01011607010101050e0d010116070101011600000a010101010f0701010101080c0d0101000001010f0000000000100d010101010101010101010101010101010101010101010101010101010101010101050600100d01010101010b0000070101010101080c0d010101010102030000141501010101010101010101010101010101010101010101010b000000000000171801010f0000000a0105060000040101010102030401010105060000000000000a050e0d010116070101010101010f070101010101010f0701010519150203131a1808090a010101010101010101011607010101080900000007010101010101010101010101010101010203040101010101010101010101050e0d01011607010101050e0d010116070101010102030a01010101010b04010108090a0101010000010101010101010101010101010101010101010101010101010101010101010101010101010101010101010101010101010101010101010101010101010101010101010101010101010101010101010101010101010101010101010101010101010101010101010101010101010101010101010101010101010101010101010b14150101010102030a010101050e0d01011607010101010101010b040101010101010b0401010f0702030a0116171801010101010101010101010f100d01010101010101010101010101010101010101010101010101010b141501010101010101010105060a0102030401010105060a010203040101010101080c0d01010101080c0d161718010101010000010101010101010101010101010101010101010101010101010101010101010101010101010101010101010101010101010101010101010101010101010101010101010101010101010101010101010101010101010101010101010101010101010101010101010101010101010101010101010101010101010101010101010101010101010102030a01010105060a0102030401010101010101080c0d0101010101080c0d01010b13030a0101010101010101010101010101010101010101010101010101010101010101010101010101010101010101010101010101010101010101010b0701080c0d010101010b0701080c0d0102110d010f100d050e0d010f100d010101010101010000010101010101010101010101010101010101010101010101010101010101010101010101010101010101010101010101010101010101010101010101010101010101010101010101010101010101010101010101010101010101010101010101010101010101010101010101010101010101010101010101010101010101010101010101010102030a010101010b0701080c0d010101050e0d010f100d01050e0d010f100d01010211120a0101010101010101010101010101010101010101010101010101010101010101010101010101010101010101010101010101010101010101010203000004010101010102030000040101010b00000004010105060000070101010101010101000001010101010101010101010101010101010101010101010101010101010101010101010101010101010101010101010101010101010101010101010101010101010101010101010101010101010101010101010101010101010101010101010101010101010101010101010101010101010101010101010101010101010101010101010101010101010101010102030000040101010101050600000701010105060000070101010108090a0101010101010101010101010101010101010101010101010101010101010101010101010101010101010101010101010101010101010101010101010101010101010101010101010101010101010101010101010101010101010101010101000001010101010101010101010101010101010101010101010101010101010101010101010101010101010101010101010101010101010101010101010101010101010101010101010101010101010101010101010101010101010101010101010101010101010101010101010101010101010101010101010101010101010101010101010101010101010101010101010101010101010101010101010101010101010101010101010101010101010101010101010101010101010101010101010101010101010101010101010101010101010101010101010101010101010101010101010101010101010101010101010101010101010101010101010101010101010101010101010101010000010101010101010101010101010101010101010101010101010101010101010101010101010101010101010101010101010101010101010101010101010101010101010101010101010101010101010101010101010101010101010101010101010101010101010101010101010101010101010101010101010101010101010101010101010101010101010101010101010101010101010101010101010101010101010101010101010101010101010101010101010101010101010101010101010101010101010101010101010101010101010101010101010101010101010101010101010101010101010101010101010101010101010101010101010101010101010101010101010100000c00000040092900aa000000000000001800160100000000040000002701ffff030000000000
наружный диаметр
010009000003ba1300000000b60b00000000b60b000026060f006217574d4643010000000000010000380000000001000000401700000000000040170000010000006c0000000000000000000000b00000001600000000000000000000001b1200005902000020454d4600000100401700000c00000001000000000000000000000000000000900600001a040000b801000013010000000000000000000000000000c0b6060038320400460000002c00000020000000454d462b014001001c000000100000000210c0db0100000060000000600000004600000008060000fc050000454d462b224004000c000000000000001e4009000c00000000000000244001000c000000000000003040020010000000040000000000803f214007000c000000000000000840000554050000480500000210c0db01000000000000000000000000000000000000000100000089504e470d0a1a0a0000000d49484452000000aa000000160802000000df1c90db000000017352474200aece1ce9000000097048597300000e2600000e2601a2ef25fc000004cf494441546843ed5a3d52eb301076de399219aa545c0066687300261449cb09920be05c809c80d629c870005a66e20ba44ac54c720f3fedea6f25ad6ccb246f786075c8fa59ed7efbed4f18545595f5e3b76ae0cf6f7df8f77cf769f33090e36173e2446416d8296757b952270d06ab32f6dadefcdf0807a7cd627ebd137c5c1d8b6cbe0801c02d387dbc65c5113655bb7cab7609db3f8ff564963ff358124fc77dfdb8a0068ec534cb72b46afdd8e5761d6c9a2aab9a5d4d0bd84d7a123607276aef2754a13923423f5ff216730d73b825b190ace01b2b0f65be38c77593999e2d94d2e578386291adabeae9a6950cd3f148ae1b5e5d67dbc331d854b34052c3eb6ce86c4272588bc99ba7aa5a670bef1d065a0852030ffc8b814b13829bbf030a61f8fed0341f425750a415590adcc6c99a4544f6758f93d2a51d1ff5e0100978b0b8c3ba27f5742d717481d61da7544f6657284bfe01479d59a1e40d790eca74e482cbf2c2a749ad03179ae4248a09d4419a81a248602e4c3e9e33602df49ab81df0611ec861cb3521aa94893974a74dfd8e876d66a805f9e7ee5e78c0fe93cd405b515974d1e41144230989a0a86d3eb912223803082b4a9be5bbd0c6f595e1ba9b0968e73d9ae57e4d64dcede807676cd014b149fc6122c469f39c67f9a41de74bd1e0014a7ed0c7f4fe0edf0657c863d905e2331716cbd5e8b054ca2b573470815db76f1fd2ac115782e9cbb8bf80b0c0a4eb5e8ad5a20ec6797f3887db83eca615d7878bbcc338d11cfd78ca6a9defb9371b16277eebb008b340c569894f5303b8607759c0fabf363f272e4fb9142f750e15b383343f463a2d2d9d8af2956fd850ba7a793bc0c0ea9a892afe6de43deeeb3a5c7ce92d06518afc816c02aa827040d93524e63a31fd14d4870a30d976fe52664093692c994ae34c59635a22b1160be4ecb77b5d7a1d8bfdaddb8a911a5b9a3cfbf4b9af5156aac4ff603d467565fe20f043cc81d87a41bba858bd7a9967c5634a8c8ce9260a574821d2900a45d4768a05138ee16c2db21544ab1c687d9a0ac0e55659ff0b18a4f919693175a9b37e1797f2f803134031ac0f25a01e2ae3b0340e93b38423edd21049785d7c01f80ab91b5777c89a1b9bbef1562e6ef57b13ec2479069a3fa47e44bf08c335dd8a74970a0c216b8bae04331ac3669be9fb954027bbab4d78b6633ef49018b8cad5adf015528574bbbba9e95bd3ca155bdf3221b333d849bd02a545f3bbd40f8819cdb7223f6bd9aa4a7eabd1eb70f6daba21168267b6047e52e523b2d5f43c514415bdba810e37972fc21d742926fe26f810fa7a1f438f5677ec603d7ce7ba7675ba823b942f38c599d9233c4e675478bf19c2ce87e5fa3e307e38894b00ca4a5accc0bd71aee229524ec16de115440e5ba6d0a2460be9143164d7d9a57634139c6e44832f4e7186cfee50f9a9f2576a2d3c916a539cee340841276e9b4755535cef87f47dfa9f7c3a14598e9da2b6e20dc8789bc075bba62fa9b9ad0fe8aa5999ff58e4128e728534bf9c548376fd7af3279b3f306bccd1b9be6cdd6df4e0e85ecf9d197a9c163bf9830d1dce8f3996387af377323f0905e8ceb1c09386006b7fba8fa2c278358687b09717f4f85db40440edcd9f6c7edd0dd7ced59473a46401363438ecae98dc0f1cd4d89a06821fd2404c9884cd81a803f1faba6cb4fff6a335d0ffb3d78f366fd3e3fe0266b0f097e4a40df50000000049454e44ae42608200000840010824000000180000000210c0db01000000030000000000000000000000000000001b40000040000000340000000100000002000000000000bf000000bf00002a430000b041030000000000008000000080feff30430000008000000080feffb7412100000008000000620000000c00000001000000150000000c00000004000000150000000c0000000400000051000000d40f00000000000000000000b00000001600000000000000000000000000000000000000aa0000001600000050000000bc0000000c010000c80e0000000000002000cc00b10000001700000028000000aa000000160000000100080000000000000000000000000000000000250000000000000000000000ffffff00e3ffff000054a600e3a6540054a6e300c6ffff0000008000c6800000a6e3ff0054005400ffe3a6005454a60080c6ff00540000005400800080000000ffffc600ffc680000080c600a6540000ffffe300000054008000800000808000a6800000a6e3c600c6c68000c6e3a600e3ffc600c6ffe3008000540000545400a6805400e3c68000a680a60054a6c6000101010101010101010101010101010101010101010101010101010101010101010101010101010101010101010101010101010101010101010101010101010101010101010101010101010101010101010101010101010101010101010101010101010101010101010101010101010101010101010101010101010101010101010101010101010101010101010101010101010101010101010101010101010101010101010101010101010101010101010101010101010101010101010101010101010101010101010101010101010101010101010101010101010101010101010101010101010101010101010101010101010101010101010101010101010101010101010101010101010101010101010101010101010101010101010101010101010101010101010101010101010101010101010101010101010101010101010101010101010101010101010101010101010101010101010101010101010101010101010101010101010101010101010101010101010101010101010101010101010101010101010101010101010101010101010101010101010101010101010101010101010101010101010101010101010101010101010101010101020300000014150101010101010101010510110101010101010101010101060700001201010d10110607000000001201010105001011010101050010111314150101010101010101010101010101010101010101010101010101010101010101010101010101010101010101010101010101010101010101010101010101010101010101010101010101010101010101010101010101010101010101010101010101010101010101010101011314150101130e0b01010101010102030401010101010101010101010101130801090a0b010d1011010d0801010d120101010203120101010102031201010916120101010101010101010101010101010101010101010101010101010101010101010101010101010101010101010101010101010101010101010101010101010101010101010101010101010101010101010101010101010101010101010101010101010101010101010101130801010102030801010101010203040101010101010101010101010106071201020304010101010101050801010105000000000014240000000000141501090a0b01010101010101010101010101010101010101010101010101010101010101010101010101010101010101010101010101010101010101010101010101010101010101010101010101010101010101010101010101010101010101010101010101010101010101010101060f0b0101010d1011010101010d101101010101060700000000000012060f0b01011308010101010101010d080101061711020322231e1711020322231501010514150101010d00000000000e0b010101010101010101010101010101010101010101010101010101010607000e0b01010101060700000801010203000000000008010101060700001415010101010101010101010101010101010101010101010101010d0000000e0b01010101091600141e07120101010203080101010101010101010101010101060f0b010113080101010101010101050401010d0802031201010d0802031201010101090a0b010e0a010d0e0b010105000801010101010101010101010101010101010101010101010101010101060f0b010101010101060708010101010101050e0b010101010607141502031415010101010101010101010101010101010101010101010105000401010d0004010102031415092103040101010916120101010101010101010101010101060712010203040101010101010101090a0b010105220312010101052203120101010102030401010101091612010101091608010101010101010101010101010101010101010101010101010101061711010203080101060708010101010101050e0b0101010105001201010d001201010101010101010101010101010101010101010101020314150101020314150106070801010d00080101010d0e0b010101010101010101010101010101050801090a0b01010101060f0b010d0e0b0101020c2012010101020c20120101010101130801030e01020308010101010500120101010101010101130000000000000000000e0b010101010101061711010916101101060708010101010101050e0b01010101131011010106070401010101010101010101010101010101010101010101060708010101011310110106070801010113141501010d0e0b0101010101010101010101010101010203000004010101010101060700000801010101091612010101010916120101010101131415010101011314150101010607080101010101010101010101010101010101010101010101010101061711011310180401060708010101010101050e0b0101010203141501010607080101010101010101010101010101010101010101010102031415010102031011010203141501010d101101010510110101010101010101010101010101010101010101010101010101010101010101010101010101010101010101010101010101131415010101010510110101010113101101010101010101010101010101010101010101010101010101061711060708091f11060708010101010101050e0b010101020314150101020314150101010101130000000000000000000e0b01010101010916040101050004010101051011010109161201010d0e0b01010101010101010101010101010101010101010101010101010101010101010101010101010101010101010101010101011314150704010109161201010101050e0b01010101010101130000000000000000000e0b0101010101010617110d0e0b011312060708010101010101050e0b01010102031415010102031415010101010101010101010101010101010101010101010106070000101101010101091604010106070401010d0e0b01010101010101010101010101010101010101010101010101010101010101010101010101010101010101010101010101011308010d040101060704010101010500120101010101010101010101010101010101010101010101010106171d031415010d141e0708010101010101050e0b01010102031415010106071415010101010101010101010101010101010101010101010d000401010d001201010101050012010916080101091612010101010101010101010101010101060700001201010d1011010607000012010105000000040106070000000012010101020304010101010101131415010101050e0b0101010101010101010101010101010101010101010101010106171a1604010102031b0708010101010101050e0b0101010113101101010607080101010101010101010101010101010101010101010102031415010101131415010101010d00000e1c171101020308010101010101010101010101010101130801090a0b010d101101130801090a0b060f0b01091612010d0801010d12010101090a0b010101010101051011010102031011010101010101010101010101010101010101010101010101010617181011010101051903080101010d1011050e0b010101010d0e0b01010d00120101010101010101010101010101010101010101010102031415010101131011010101010101010101010101010d101101010101010101010101010101060712010203040101010106071201020304010101010916120101050801010101010105141501ffff010101050e0b01020300040101010101010101010101010101010101010101010101010101060700080101010106070008010101010607000e0b010101010203141502031011010101010101010101010101010101010101010101010105001201010d0008010101010101010101010101010102030401010101060700000000000012060f0b0101130801010101060f0b01011308010113000012010101010d0801010101090a0b0101ffff01010d00000000000e0b01010101010101010101010101010101010101010101010101010607000e0b0101010101050000080101010101090a0b01010101010203000010110101010101010101010101010101010101010101010101010109160000000801010101010101010101010101010101020304010101010101010101010101060f0b0101130801010101060f0b01011308010101020312010101010105040101091612010101ffff010101010101010101010101010101010101010101010101010101010101010101010101010101010101010101010101010101010101010101010101010101010101010101010101010101010101010101010101010101010101010101010101010101010101010101010101010101010101010101010510110101010101010101010106071201020304010101010607120102030401010101090a0b01010101090a0b13141501010101ffff010101010101010101010101010101010101010101010101010101010101010101010101010101010101010101010101010101010101010101010101010101010101010101010101010101010101010101010101010101010101010101010101010101010101010101010101010101010101010101010101010101010101010101010101050801090a0b0101010101050801090a0b020c0b010d0e0b060f0b010d0e0b01010101010101ffff01010101010101010101010101010101010101010101010101010101010101010101010101010101010101010101010101010101010101010101010101010101010101010101010101010101010101010101010101010101010101010101010101010101010101010101010101010101010101010101010101010101010101010101010102030000040101010101010203000004010105000000040101060700000801010101010101010101010101010101010101010101010101010101010101010101010101010101010101010101010101010101010101010101010101010101010101010101010101010101010101010101010101010101010101010101010101010101010101010101010101010101010101010101010101010101010101010101010101010101010101010101010101010101010101010101010101010101010101010101010101010101010101010101010101014c000000640000000000000000000000b0000000160000000000000000000000b1000000170000002900aa0000000000000000000000803f00000000000000000000803f0000000000000000000000000000000000000000000000000000000000000000220000000c000000ffffffff460000001c00000010000000454d462b024000000c000000000000000e000000140000000000000010000000140000000400000003010800050000000b0200000000050000000c021700b100030000001e0004000000070104000400000007010400cf070000410b2000cc001600aa00000000001700b1000000000028000000aa000000160000000100080000000000000000000000000000000000250000000000000000000000ffffff00e3ffff000054a600e3a6540054a6e300c6ffff0000008000c6800000a6e3ff0054005400ffe3a6005454a60080c6ff00540000005400800080000000ffffc600ffc680000080c600a6540000ffffe300000054008000800000808000a6800000a6e3c600c6c68000c6e3a600e3ffc600c6ffe3008000540000545400a6805400e3c68000a680a60054a6c6000101010101010101010101010101010101010101010101010101010101010101010101010101010101010101010101010101010101010101010101010101010101010101010101010101010101010101010101010101010101010101010101010101010101010101010101010101010101010101010101010101010101010101010101010101010101010101010101010101010101010101010101010101010101010101010101010101010101010101010101010101010101010101010101010101010101010101010101010101010101010101010101010101010101010101010101010101010101010101010101010101010101010101010101010101010101010101010101010101010101010101010101010101010101010101010101010101010101010101010101010101010101010101010101010101010101010101010101010101010101010101010101010101010101010101010101010101010101010101010101010101010101010101010101010101010101010101010101010101010101010101010101010101010101010101010101010101010101010101010101010101010101010101010101010101010101010101010101010101020300000014150101010101010101010510110101010101010101010101060700001201010d10110607000000001201010105001011010101050010111314150101010101010101010101010101010101010101010101010101010101010101010101010101010101010101010101010101010101010101010101010101010101010101010101010101010101010101010101010101010101010101010101010101010101010101010101011314150101130e0b01010101010102030401010101010101010101010101130801090a0b010d1011010d0801010d120101010203120101010102031201010916120101010101010101010101010101010101010101010101010101010101010101010101010101010101010101010101010101010101010101010101010101010101010101010101010101010101010101010101010101010101010101010101010101010101010101010101130801010102030801010101010203040101010101010101010101010106071201020304010101010101050801010105000000000014240000000000141501090a0b01010101010101010101010101010101010101010101010101010101010101010101010101010101010101010101010101010101010101010101010101010101010101010101010101010101010101010101010101010101010101010101010101010101010101010101060f0b0101010d1011010101010d101101010101060700000000000012060f0b01011308010101010101010d080101061711020322231e1711020322231501010514150101010d00000000000e0b010101010101010101010101010101010101010101010101010101010607000e0b01010101060700000801010203000000000008010101060700001415010101010101010101010101010101010101010101010101010d0000000e0b01010101091600141e07120101010203080101010101010101010101010101060f0b010113080101010101010101050401010d0802031201010d0802031201010101090a0b010e0a010d0e0b010105000801010101010101010101010101010101010101010101010101010101060f0b010101010101060708010101010101050e0b010101010607141502031415010101010101010101010101010101010101010101010105000401010d0004010102031415092103040101010916120101010101010101010101010101060712010203040101010101010101090a0b010105220312010101052203120101010102030401010101091612010101091608010101010101010101010101010101010101010101010101010101061711010203080101060708010101010101050e0b0101010105001201010d001201010101010101010101010101010101010101010101020314150101020314150106070801010d00080101010d0e0b010101010101010101010101010101050801090a0b01010101060f0b010d0e0b0101020c2012010101020c20120101010101130801030e01020308010101010500120101010101010101130000000000000000000e0b010101010101061711010916101101060708010101010101050e0b01010101131011010106070401010101010101010101010101010101010101010101060708010101011310110106070801010113141501010d0e0b0101010101010101010101010101010203000004010101010101060700000801010101091612010101010916120101010101131415010101011314150101010607080101010101010101010101010101010101010101010101010101061711011310180401060708010101010101050e0b0101010203141501010607080101010101010101010101010101010101010101010102031415010102031011010203141501010d101101010510110101010101010101010101010101010101010101010101010101010101010101010101010101010101010101010101010101131415010101010510110101010113101101010101010101010101010101010101010101010101010101061711060708091f11060708010101010101050e0b010101020314150101020314150101010101130000000000000000000e0b01010101010916040101050004010101051011010109161201010d0e0b01010101010101010101010101010101010101010101010101010101010101010101010101010101010101010101010101011314150704010109161201010101050e0b01010101010101130000000000000000000e0b0101010101010617110d0e0b011312060708010101010101050e0b01010102031415010102031415010101010101010101010101010101010101010101010106070000101101010101091604010106070401010d0e0b01010101010101010101010101010101010101010101010101010101010101010101010101010101010101010101010101011308010d040101060704010101010500120101010101010101010101010101010101010101010101010106171d031415010d141e0708010101010101050e0b01010102031415010106071415010101010101010101010101010101010101010101010d000401010d001201010101050012010916080101091612010101010101010101010101010101060700001201010d1011010607000012010105000000040106070000000012010101020304010101010101131415010101050e0b0101010101010101010101010101010101010101010101010106171a1604010102031b0708010101010101050e0b0101010113101101010607080101010101010101010101010101010101010101010102031415010101131415010101010d00000e1c171101020308010101010101010101010101010101130801090a0b010d101101130801090a0b060f0b01091612010d0801010d12010101090a0b010101010101051011010102031011010101010101010101010101010101010101010101010101010617181011010101051903080101010d1011050e0b010101010d0e0b01010d00120101010101010101010101010101010101010101010102031415010101131011010101010101010101010101010d101101010101010101010101010101060712010203040101010106071201020304010101010916120101050801010101010105141501ffff010101050e0b01020300040101010101010101010101010101010101010101010101010101060700080101010106070008010101010607000e0b010101010203141502031011010101010101010101010101010101010101010101010105001201010d0008010101010101010101010101010102030401010101060700000000000012060f0b0101130801010101060f0b01011308010113000012010101010d0801010101090a0b0101ffff01010d00000000000e0b01010101010101010101010101010101010101010101010101010607000e0b0101010101050000080101010101090a0b01010101010203000010110101010101010101010101010101010101010101010101010109160000000801010101010101010101010101010101020304010101010101010101010101060f0b0101130801010101060f0b01011308010101020312010101010105040101091612010101ffff010101010101010101010101010101010101010101010101010101010101010101010101010101010101010101010101010101010101010101010101010101010101010101010101010101010101010101010101010101010101010101010101010101010101010101010101010101010101010101010510110101010101010101010106071201020304010101010607120102030401010101090a0b01010101090a0b13141501010101ffff010101010101010101010101010101010101010101010101010101010101010101010101010101010101010101010101010101010101010101010101010101010101010101010101010101010101010101010101010101010101010101010101010101010101010101010101010101010101010101010101010101010101010101010101050801090a0b0101010101050801090a0b020c0b010d0e0b060f0b010d0e0b01010101010101ffff01010101010101010101010101010101010101010101010101010101010101010101010101010101010101010101010101010101010101010101010101010101010101010101010101010101010101010101010101010101010101010101010101010101010101010101010101010101010101010101010101010101010101010101010102030000040101010101010203000004010105000000040101060700000801010101010101010101010101010101010101010101010101010101010101010101010101010101010101010101010101010101010101010101010101010101010101010101010101010101010101010101010101010101010101010101010101010101010101010101010101010101010101010101010101010101010101010101010101010101010101010101010101010101010101010101010101010101010101010101010101010101010101010101010101010c00000040092900aa000000000000001700b10000000000040000002701ffff030000000000
внутренний диаметр
0100090000039215000000008a0c000000008a0c000026060f000a19574d4643010000000000010012210000000001000000e818000000000000e8180000010000006c0000000000000000000000ba000000180000000000000000000000211300008e02000020454d4600000100e81800000c00000001000000000000000000000000000000900600001a040000b801000013010000000000000000000000000000c0b6060038320400460000002c00000020000000454d462b014001001c000000100000000210c0db01000000600000006000000046000000a80500009c050000454d462b224004000c000000000000001e4009000c00000000000000244001000c000000000000003040020010000000040000000000803f214007000c0000000000000008400005f4040000e80400000210c0db01000000000000000000000000000000000000000100000089504e470d0a1a0a0000000d49484452000000b30000001808020000003ead5b89000000017352474200aece1ce9000000097048597300000e2600000e2601a2ef25fc00000471494441546843ed593b4e33311036ff3912898a2a1708122d07889622db7202b800cb05e004b449c12a07a0454a2e40458594bd477ecff8b1637b1ce27d8480d615ac5fdf7cf3793c9e9ced763b31b4818180817f032703032c0383327e8b30aae5cd996a37cbca035df7d5bdf41b4e7bdca8596e47b8985e7b50c6092a037c67fca8e155cbbb7cb29657ff6ebb10f99dab8dea7d25165be8dcad8bd2f64ef4379893658bdba935b5c095b0bdce473c0383324e501921a4cd4b5e16d7e8dad1d52c2b57ef346c8ce6afc6c1e38b4ccf1ecd1f8cd3e5ecc97d4c0131fb0765fca43230b07bd1218627bb18abaed1f944949f5b6e9c8a2c5e18a8964f1f3460c889c5a5be98d4e69b47ee8ad241655d043b653618d9d0d3c31f7663663b1904352a12fe3406e86311d693240375d46c0d9dae5b734521100ecdc6f5a7006b6800e303f022d820bbea05605c60999decf7c88e180d6892eea47f2357c232865d767bcdc351d4618c626c4217c4be33caa04628133a1387cf704025e600c1963c8aa8aed11dd0ebe2a662d83bd7478519864a4198e62ee5fee72983e2e998d9f8a105ce0b88590e1b48cf82a85a67586a98ab63b33610488840c975260dd7004e180a55e85356db7b7085ca80a0a157b1feab3f9188e221600206d14a00976aa35686c7aa390147881a08df77b56227ea5b5619c1e8fea411b26508733dcee164454575c728032f14f76a2571444778ec270e6303061d1b445d220dab0cc6d463050d256c97437d0c9294117a01a7f7a06d3e62a1f3dcdd1a09a3754ad462815a1ae66d527d7d0831390fdfb63625e67261f71ba4b8fb5ab4a882cb8ce6f78530cfb1cd5b5124bfb34284f51bee7bf4092364fda014213e095a88321f130ec67919d0bafd2c4502ab09b83a185a3f7cb43294adeac16c1b98c0aa258260fab05facd1a28a5e6f7a2da591bf6c6495eea9f0c174603559a29588a1b81090256b8b70b898bba45f4bbae545adf6f15509a195c1e9188fc051cd026988e2edf12517de03bca1fd516db71131f0e2541435b890433c6f7e788846e78636f6354d2983410be73610061cb57861a6d541441cd35bc83b656b749340240c6b401d076ee4259b5d05f72e0ac6fd8e5af187224a3c95a7dd5019e15d02c5341931d70fe67e513fc35c4ab1c45b9b83a85785d26ff340856945f1a67f3992b53d887a5cf2d4dc27ea266184cb1cae1eb66f0e3c65265286ca70e3208840664ef2c6b4ba9063ae9e6d2527659303c7da33247f02d839fb1eb8000ec32456144feaf72675babbb9960c8ad84d2250316e436130110bf41ba96ea718dbcf5810b8c64cdec976afe83b8f7d68b77823a9baaf6ae1a6f50b9e2476ce735c4f75d23e32abf3f72a5bc530a54f0463a010984149ebdb7a463b46dbcc26f58c33a8901fdc6438197fde373ed307eff3d707ca8cec52b831f9244c06ffae665b7c440ebfb5fe844b20d33697de4feccfef09c9a5583ceb9febd39481afc0a1b56740a653dbd96abcbff6d77e9b8415205cb8bfe01f782b79d77be737f88130fed8b013c938d8f4292dcf48d0e030f4973390769bfc726307f8090cfc07705113d6deaf42420000000049454e44ae4260820840010824000000180000000210c0db01000000030000000000000000000000000000001b40000040000000340000000100000002000000000000bf000000bf000033430000c041030000000000008000000080feff3a430000008000000080feffc7412100000008000000620000000c00000001000000150000000c00000004000000150000000c0000000400000051000000dc1100000000000000000000ba0000001800000000000000000000000000000000000000b30000001800000050000000ac000000fc000000e0100000000000002000cc00bb0000001900000028000000b3000000180000000100080000000000000000000000000000000000210000000000000000000000ffffff00e3ffff000054a600e3a6540054a6e300c680000054000000ffe3a600ffc68000a6e3ff00540054005454a60080c6ff00a680a600ffffe300c6ffff000000800080000000ffffc600540080000080c600a6540000000054008000800000808000a6800000a6e3c600c6c68000e3ffc600c6ffe30080005400e3e3e3000101010101010101010101010101010101010101010101010101010101010101010101010101010101010101010101010101010101010101010101010101010101010101010101010101010101010101010101010101010101010101010101010101010101010101010101010101010101010101010101010101010101010101010101010101010101010101010101010101010101010101010101010101010101010101010101010101010101010101010101ff0101010101010101010101010101010101010101010101010101010101010101010101010101010101010101010101010101010101010101010101010101010101010101010101010101010101010101010101010101010101010101010101010101010101010101010101010101010101010101010101010101010101010101010101010101010101010101010101010101010101010101010101010101010101010101010101010101010101010101010101ff0101010101010101010101010105000000000401010101010101010101010101010101010101010101010101010101010101010101010101010101010101010101010101010101010101010101010101010101010101010101010101010101010101010101010101010101010101010101010101010101010101010101010105121301010101010101010101010101010101010101010101010101010101010101010101010101010101010115160f01010101ff01010101010101010101010101010115060101010101010101010101010101010101010101010101010101010101010101010101010101010101010101010101010101010101010101010101010101010101010101010101010101010101010101010101010101010101010101010101010101010101010101010101010203040101010101010101010101010101010101010101010101010101010101010101010101010101010101010101010a1709010101ff0101010101010101010101010101010506010101010101010101010101010101010101010101010101010101010101010101010101010101010101010101010101010101010101010101010101010101010101010101010101010101010101010101010101010101010101010101010101010101010101010101010102030401010101010101010101010101010101010101010101010101010101010101010101010101010101010101010101010a0b080101ff010101010101010101010101010101050601010101010101010101010101010101010101010101010101010101010101010101010101010101010101010101010101010101010101010101010101010101010101010101010101010101010101010101010101010101010101010101010101010101010101010101010d121301010101010101010101010101010101010101010101010101010101010101010101010101010101010101010101010105160f01ff0d000000000007080101010101010105060101010101010101010101010101010101010101010101010110110007080101010110110000060101020300000000000601010110110000160f010101010101010101010101010101010101010101010101010d070801010101010500001213010a1700000901010101020306010101010101010101010101010101010101010101010101010101010101010101010101010101010101010101010101010a0b0801ff010d0708010105000601010101200105060101010101010101010101010101010101010101010101010101101408010101010101101106010101010101050708010101011011160f0203160f0101010101010101010101010101010101010101010101011011040101010101011500090101010d000401010101010a17090101010101010101010101010101010101010101010101010101010101010101010101010101010101010101010101010102030401ff010a17090101010a17060101010500000601010101010101010101010101010101010101010101010101011018130102030601011011060101010101010507080101010105000901010d00090101010101010101010101010101010101010101010101010115121301010101010a170901010110110601010101010d07080101010101010101010101010101010101010101010101010101010101010101010101010101010101010101010101010101150601ff01020306010101010500090101010115060101010101010101150000000000000000000708010101010101101813010a17121301101106010101010101050708010101011512130101101104010101010101010101010101010101010101010101010101010a170401010101011011040101010115160f010101010d0708010101010101010101010101010101010101010101010101010101010101010101010101010101010101010101010101010115160fff010115160f01010110110601010101010101010101010101010101010101010101010101010101010101011018130115121904011011060101010101010507080101010203160f0101101106010101010101010101010101010101010101010101010101010115160f010101010115160f01010105070801010101051213010101010101010101010101010101010101010101010101010101010101010101010101010101010101010101010101010115160fff010105121301010101151213010101010101010101010101010101010101010101010101010101010101011018131011060a1f131011060101010101010507080101010203160f01010203160f010101010115000000000000000000070801010101010101010d000901010101010512130101010a1709010101010d0708010101010101010101010101010101010101010101010101010101010101010101010101010101010101010101010101010115160fff01010a170901010101050708010101010101010101010101011500000000000000000007080101010101011018130d07080115091011060101010101010507080101010203160f01010203160f0101010101010101010101010101010101010101010101010102030601010101010d0000000000000006010101010d07080101010101010101010101010101010101010101010101010101010101010101010101010101010101010101010101010101150601ff0101101104010101010500090101010101010101010101010101010101010101010101010101010101010110181d03160f010d161e11060101010101010507080101010203160f01011011160f0101010101010101010101010101010101010101010101010101050708010101011011040101010203160f0101010a17090101010101010101010101010101010101010101010101010101010101010101010101010101010101010101010101010102030401ff01010115160f0101010507080101010101010101010101010101010101010101010101010101010101010110181b1704010102031c110601010101010105070801010101151213010110110601010101010101010101010101010101010101010101010101010110110401010101020306010101010507080101010203060101010101010101020309010101011011000009010d12130105000000040101020c0801010101020300000004010101010a0b0801ff010101051213010102031213010101010101010101010101010101010101010101010101010101010101011018191213010101051a03060101010d1213050708010101010d070801010d000901010101010101010101010101010101010101010101010101010101051213010101010512130101010d0009010101010d121301010101010101020309010101011506010a0b080d1213101408010a170901010d0601010101020c08010a170901010105160f01ff01010105070801020300040101010101010101010101010101010101010101010101010101010101010101101100060101010110110006010101011011000708010101010203160f02031213010101010101010101010101010101010101010101010115090101010a1709010101010500090101010a1706010101010203040101010101010102030901010110110901020304010101010101010a17090101020c080101010101010102030401010a0b080101ff01010d000000000007080101010101010101010101010101010101010101010101010101010101010101101100070801010101010500000601010101010a0b08010101010102030000121301010101010101010101010101010101010101010101010105000000000000160f01010d000000090110110000040101010102030401010110110000000000000910140801011506010101010115000009010101010d06010101010101010a1709010a1709010101ff01010101010101010101010101010101010101010101010101010101010101010101010101010101010101010101010101010101010101010101010101010101010101010101010101010101010101010101010101010101010101010101010101010101010101010101010101010101010101010101010101010101010101051213010101010203090101011014080101150601010101010102030901010101020c0801010105000000060115160f01010101ff010101010101010101010101010101010101010101010101010101010101010101010101010101010101010101010101010101010101010101010101010101010101010101010101010101010101010101010101010101010101010101010101010101010101010101010101010101010101010101010101010101010101010101010101010102030901010110110901020304010101010101010a0b08010101010d0601010105090101010101010101010101ff0101010101010101010101010101010101010101010101010101010101010101010101010101010101010101010101010101010101010101010101010101010101010101010101010101010101010101010101010101010101010101010101010101010101010101010101010101010101010101010101010101010101010101010101010101020309010101010506010a0b08010101020c08010d0708020e0f01020c08010105090101010101010101010101ff0101010101010101010101010101010101010101010101010101010101010101010101010101010101010101010101010101010101010101010101010101010101010101010101010101010101010101010101010101010101010101010101010101010101010101010101010101010101010101010101010101010101010101010101010101010101010101010203000004010101010105000000040102030000000006010105000000070801010101010101ff0101010101010101010101010101010101010101010101010101010101010101010101010101010101010101010101010101010101010101010101010101010101010101010101010101010101010101010101010101010101010101010101010101010101010101010101010101010101010101010101010101010101010101010101010101010101010101010101010101010101010101010101010101010101010101010101010101010101010101010101ff0101010101010101010101010101010101010101010101010101010101010101010101010101010101010101010101010101010101010101010101010101010101010101010101010101010101010101010101010101010101010101010101010101010101010101010101010101010101010101010101010101010101010101010101010101010101010101010101010101010101010101010101010101010101010101010101010101010101010101010101ff4c000000640000000000000000000000ba000000180000000000000000000000bb000000190000002900aa0000000000000000000000803f00000000000000000000803f0000000000000000000000000000000000000000000000000000000000000000220000000c000000ffffffff460000001c00000010000000454d462b024000000c000000000000000e000000140000000000000010000000140000000400000003010800050000000b0200000000050000000c021900bb00030000001e0004000000070104000400000007010400d3080000410b2000cc001800b300000000001900bb000000000028000000b3000000180000000100080000000000000000000000000000000000210000000000000000000000ffffff00e3ffff000054a600e3a6540054a6e300c680000054000000ffe3a600ffc68000a6e3ff00540054005454a60080c6ff00a680a600ffffe300c6ffff000000800080000000ffffc600540080000080c600a6540000000054008000800000808000a6800000a6e3c600c6c68000e3ffc600c6ffe30080005400e3e3e3000101010101010101010101010101010101010101010101010101010101010101010101010101010101010101010101010101010101010101010101010101010101010101010101010101010101010101010101010101010101010101010101010101010101010101010101010101010101010101010101010101010101010101010101010101010101010101010101010101010101010101010101010101010101010101010101010101010101010101010101ff0101010101010101010101010101010101010101010101010101010101010101010101010101010101010101010101010101010101010101010101010101010101010101010101010101010101010101010101010101010101010101010101010101010101010101010101010101010101010101010101010101010101010101010101010101010101010101010101010101010101010101010101010101010101010101010101010101010101010101010101ff0101010101010101010101010105000000000401010101010101010101010101010101010101010101010101010101010101010101010101010101010101010101010101010101010101010101010101010101010101010101010101010101010101010101010101010101010101010101010101010101010101010101010105121301010101010101010101010101010101010101010101010101010101010101010101010101010101010115160f01010101ff01010101010101010101010101010115060101010101010101010101010101010101010101010101010101010101010101010101010101010101010101010101010101010101010101010101010101010101010101010101010101010101010101010101010101010101010101010101010101010101010101010101010203040101010101010101010101010101010101010101010101010101010101010101010101010101010101010101010a1709010101ff0101010101010101010101010101010506010101010101010101010101010101010101010101010101010101010101010101010101010101010101010101010101010101010101010101010101010101010101010101010101010101010101010101010101010101010101010101010101010101010101010101010102030401010101010101010101010101010101010101010101010101010101010101010101010101010101010101010101010a0b080101ff010101010101010101010101010101050601010101010101010101010101010101010101010101010101010101010101010101010101010101010101010101010101010101010101010101010101010101010101010101010101010101010101010101010101010101010101010101010101010101010101010101010d121301010101010101010101010101010101010101010101010101010101010101010101010101010101010101010101010105160f01ff0d000000000007080101010101010105060101010101010101010101010101010101010101010101010110110007080101010110110000060101020300000000000601010110110000160f010101010101010101010101010101010101010101010101010d070801010101010500001213010a1700000901010101020306010101010101010101010101010101010101010101010101010101010101010101010101010101010101010101010101010a0b0801ff010d0708010105000601010101200105060101010101010101010101010101010101010101010101010101101408010101010101101106010101010101050708010101011011160f0203160f0101010101010101010101010101010101010101010101011011040101010101011500090101010d000401010101010a17090101010101010101010101010101010101010101010101010101010101010101010101010101010101010101010101010102030401ff010a17090101010a17060101010500000601010101010101010101010101010101010101010101010101011018130102030601011011060101010101010507080101010105000901010d00090101010101010101010101010101010101010101010101010115121301010101010a170901010110110601010101010d07080101010101010101010101010101010101010101010101010101010101010101010101010101010101010101010101010101150601ff01020306010101010500090101010115060101010101010101150000000000000000000708010101010101101813010a17121301101106010101010101050708010101011512130101101104010101010101010101010101010101010101010101010101010a170401010101011011040101010115160f010101010d0708010101010101010101010101010101010101010101010101010101010101010101010101010101010101010101010101010115160fff010115160f01010110110601010101010101010101010101010101010101010101010101010101010101011018130115121904011011060101010101010507080101010203160f0101101106010101010101010101010101010101010101010101010101010115160f010101010115160f01010105070801010101051213010101010101010101010101010101010101010101010101010101010101010101010101010101010101010101010101010115160fff010105121301010101151213010101010101010101010101010101010101010101010101010101010101011018131011060a1f131011060101010101010507080101010203160f01010203160f010101010115000000000000000000070801010101010101010d000901010101010512130101010a1709010101010d0708010101010101010101010101010101010101010101010101010101010101010101010101010101010101010101010101010115160fff01010a170901010101050708010101010101010101010101011500000000000000000007080101010101011018130d07080115091011060101010101010507080101010203160f01010203160f0101010101010101010101010101010101010101010101010102030601010101010d0000000000000006010101010d07080101010101010101010101010101010101010101010101010101010101010101010101010101010101010101010101010101150601ff0101101104010101010500090101010101010101010101010101010101010101010101010101010101010110181d03160f010d161e11060101010101010507080101010203160f01011011160f0101010101010101010101010101010101010101010101010101050708010101011011040101010203160f0101010a17090101010101010101010101010101010101010101010101010101010101010101010101010101010101010101010101010102030401ff01010115160f0101010507080101010101010101010101010101010101010101010101010101010101010110181b1704010102031c110601010101010105070801010101151213010110110601010101010101010101010101010101010101010101010101010110110401010101020306010101010507080101010203060101010101010101020309010101011011000009010d12130105000000040101020c0801010101020300000004010101010a0b0801ff010101051213010102031213010101010101010101010101010101010101010101010101010101010101011018191213010101051a03060101010d1213050708010101010d070801010d000901010101010101010101010101010101010101010101010101010101051213010101010512130101010d0009010101010d121301010101010101020309010101011506010a0b080d1213101408010a170901010d0601010101020c08010a170901010105160f01ff01010105070801020300040101010101010101010101010101010101010101010101010101010101010101101100060101010110110006010101011011000708010101010203160f02031213010101010101010101010101010101010101010101010115090101010a1709010101010500090101010a1706010101010203040101010101010102030901010110110901020304010101010101010a17090101020c080101010101010102030401010a0b080101ff01010d000000000007080101010101010101010101010101010101010101010101010101010101010101101100070801010101010500000601010101010a0b08010101010102030000121301010101010101010101010101010101010101010101010105000000000000160f01010d000000090110110000040101010102030401010110110000000000000910140801011506010101010115000009010101010d06010101010101010a1709010a1709010101ff01010101010101010101010101010101010101010101010101010101010101010101010101010101010101010101010101010101010101010101010101010101010101010101010101010101010101010101010101010101010101010101010101010101010101010101010101010101010101010101010101010101010101051213010101010203090101011014080101150601010101010102030901010101020c0801010105000000060115160f01010101ff010101010101010101010101010101010101010101010101010101010101010101010101010101010101010101010101010101010101010101010101010101010101010101010101010101010101010101010101010101010101010101010101010101010101010101010101010101010101010101010101010101010101010101010101010102030901010110110901020304010101010101010a0b08010101010d0601010105090101010101010101010101ff0101010101010101010101010101010101010101010101010101010101010101010101010101010101010101010101010101010101010101010101010101010101010101010101010101010101010101010101010101010101010101010101010101010101010101010101010101010101010101010101010101010101010101010101010101020309010101010506010a0b08010101020c08010d0708020e0f01020c08010105090101010101010101010101ff0101010101010101010101010101010101010101010101010101010101010101010101010101010101010101010101010101010101010101010101010101010101010101010101010101010101010101010101010101010101010101010101010101010101010101010101010101010101010101010101010101010101010101010101010101010101010101010203000004010101010105000000040102030000000006010105000000070801010101010101ff0101010101010101010101010101010101010101010101010101010101010101010101010101010101010101010101010101010101010101010101010101010101010101010101010101010101010101010101010101010101010101010101010101010101010101010101010101010101010101010101010101010101010101010101010101010101010101010101010101010101010101010101010101010101010101010101010101010101010101010101ff0101010101010101010101010101010101010101010101010101010101010101010101010101010101010101010101010101010101010101010101010101010101010101010101010101010101010101010101010101010101010101010101010101010101010101010101010101010101010101010101010101010101010101010101010101010101010101010101010101010101010101010101010101010101010101010101010101010101010101010101ff0c00000040092900aa000000000000001900bb0000000000040000002701ffff030000000000
По стандарту ГОСТ 16093-81 выписываем предельные отклонения:
для
внутренней резьбы
EI=0
По таблице 5 с.5-6 определяем допуск TD1=0.375 мм; TD2=0,224 мм.
Находим верхнее отклонение:
ESD1=EI+ TD1=0.375 мм
ESD2=EI+ TD2=0,224 мм
По среднему диаметру
D2=9.026-7H=9.026
По внутреннему диаметру
D1=8.376-7H=8.376
Для наружной резьбы 010009000003ae0a00000000a60600000000a606000026060f00420d574d46430100000000000100cf410000000001000000200d000000000000200d0000010000006c000000000000000000000055000000150000000000000000000000cb0800003f02000020454d4600000100200d00000c00000001000000000000000000000000000000900600001a040000b801000013010000000000000000000000000000c0b6060038320400460000002c00000020000000454d462b014001001c000000100000000210c0db01000000600000006000000046000000e0030000d4030000454d462b224004000c000000000000001e4009000c00000000000000244001000c000000000000003040020010000000040000000000803f214007000c00000000000000084000052c030000200300000210c0db01000000000000000000000000000000000000000100000089504e470d0a1a0a0000000d49484452000000520000001508020000005a132e18000000017352474200aece1ce9000000097048597300000e2600000e2601a2ef25fc000002a8494441545847ed573d72ea301096df39ec192a2a2e0033693900430adce604c905225f2039012d14f17000dacce00b50a5ca8c7d0fbf5dfd7957b2b19f4913786a1259d2a7fdf6e7d312d5752dee6ffcb93fcac8f83fed7b8a3b44bbc8223d1ef7954fbdda3f9ac5ac685b6b39224473288ac263d77997628365a3e141d2eafa24b531f2a4a66ef47d17eb5dc94fd4e56e2dec67f57f00ea1d183ef5e1b475becd83f084a52d2582300cbc46eed074fa192fc339e5c71d457ca12c1b6558687dcb85a3e11b495b3e21cbb726d1abcf432e9793af9ca7e5fcb5ae5fe71da95a1c81e76c12dbe5f9129d740c0ae4ba4c67a7d7d3c44373558b650b93964a204a1e3facd6223f7c9a022fb6a9d83d75f16bb7bbfa3e438607769cbf03d118c13bdebc4891a7cf2e3045b69042be6c9c9301146b7f214d7e95ab430293a526a1bc61c4883e601ad7f086b87988232c1522996279ffd0c0443bcdd2c4a8ec4240adb1c4abf6cf690e35663ec693595b14c01afe6e634ee6e9b600a7bd392ffd90cd14a64943c3c0fbd3fa4098509ead8a96bbf3823f3f589634fc2af95cc9a1d3ea0f9d1b5ebb626a311b91e0edde29511a48b1eb5dca820bc318c7214d28df6d52c79b77502315253d146b5a6278b94d718ee5776973256c3078c90c8cb8caaafcabe4dbc3621f08c7b7851e54d735c3df80fada7177d09c2a61ebf051bfb5aa948972fbcade8fd0bd43613375ec50500da1042f4c34bde8683bbc78f371e185eab15ba9a27b065121a075f9c7e7a0eb0afdd25025dfa690d4ab07abe4c42f20e8c729e42d0d36557268576c2bd6d272b925da73e866890fd6919053611737a889eade44b05d33d8ec76a6e1bdb6afb2cbeaa83148776937308014f7b1cf9a71bc11da014715f7eeaef8867e6f13b52bb204db960ba27203f9ad2870c5e9d394084e5cf3aafcd2b37f014e1f142668878d530000000049454e44ae426082000840010824000000180000000210c0db01000000030000000000000000000000000000001b40000040000000340000000100000002000000000000bf000000bf0000a4420000a841030000000000008000000080ffffab420000008000000080ffffaf412100000008000000620000000c00000001000000150000000c00000004000000150000000c0000000400000051000000dc0700000000000000000000550000001500000000000000000000000000000000000000520000001500000050000000a8000000f8000000e4060000000000002000cc0056000000160000002800000052000000150000000100080000000000000000000000000000000000200000000000000000000000ffffff00c6ffff000000800054000000ffe3a60054a6e300c6800000a6e3ff0054005400e3ffff000054a60080000000ffffc60000005400a6540000ffffe300ffc6800080c6ff008000800000808000a68000000080c600a6e3c600e3a65400c6c68000c6e3a600e3ffc600c6ffe3008000540054008000a68054000101010101010101010101010101010101010101010101010101010101010101010101010101010101010101010101010101010101010101010101010101010101010101010101010101010101010101010101010101010101010101010101010101010101010101010101010101010101010101010101010101010101010101010101010101010101010101010101010101010101010a0b0000000f100101010101010101010101010101010101010101010101010101010101010101010101010101010101010101010101010101010101010101010101010101010101010101010101010101010101160f1001011604050101010101010101010101010101010101010101010101010101010101010101010101010101010101010101010101010101010101010101010101010101010101010101010101010101010116070101010a0b0701010101010101010101010101010101010101010101010101010101010101010101010101010101010101010101010101010101010101010101010101010101010101010101010101010101021e05010101120c0d0101010101010101ff020300040501010101020300000701010a0b000000000007010101020300000f100101010101010101010101010101010101010101010101010112000000040501010101080e000f1c031101010116040501010101021e050101010101010203070101010101010604050101010102030f100a0b0f100101010101010101010101010101010101010101010101060018010112001801010a0b0f10081f0b180101011604050101010102130d010a0b070101020307010101010101060405010101010600110101120011010101010101010101010101010101010101010101010a0b0f1001010a0b0f100102030701011200070101010101010101010102130d01080e0c0d0102030701010101010106040501010101160c0d01010203180101010101010101010101010101010101010101010102030701010101160c0d01020307010101160f1001010101010101010102130d01160c1418010203070101010101010604050101010a0b0f100101020307010101010101010101010101010101010101010101010a0b0f1001010a0b0c0d010a0b0f100101120c0d01010101010101ff0102130d020307081d0d0203070101010101010604050101010a0b0f1001010a0b0f1001010101160000000000000000000405010101010101080e180101060018010101060c0d0101080e110101010101010a0b0102130d1204050116110203070101010101010604050101010a0b0f1001010a0b0f100101010101010101010101010101010101010101010101020300000c0d01010101080e18010102031801011604050101020102131b0b0f1001120f1c03070101010101010604050101010a0b0f10010102030f100101010101010101010101010101010101010101010112001801011200110101010106001101080e070101160405010101010213170e1801010a0b19030701010101010106040501010101160c0d0101020307010101010101010101010101010101010101010101010a0b0f10010101160f1001010101120000041a130d01010101010801010213140c0d01010106150b07010101120c0d060405010101011204050101120011010101010101010101010101010101010101010101010a0b0f10010101160c0d0101010101010101010101010101010101ff01020300070101010102030007010101010203000405010101010a0b0f100a0b0c0d01010101010101010101010101010101010101010101010600110101120007010101010101010101010101010101010101010203000405010101010106000007010101010108090501010101010a0b00000c0d01010101010101010101010101010101010101010101010101080e0000000701010101010101010101010101010101010101010101010101010101010101010101010101010101010101010101010101010101010101010101010101010101010101010101010101010101010101010101010101010101010101010101010101010101010101800101010101010101010101010101010101010101010101010101010101010101010101010101010101010101010101010101010101010101010101010101010101010101010101010101010101010101010101ff0101010101010101010101010101010101010101010101010101010101010101010101010101010101010101010101010101010101010101010101010101010101010101010101010101010101010101010101010101010101010101010101010101010101010101010101010101010101010101010101010101010101010101010101010101010101010101010101010101010101010101010101010101010101010101010101004c0000006400000000000000000000005500000015000000000000000000000056000000160000002900aa0000000000000000000000803f00000000000000000000803f0000000000000000000000000000000000000000000000000000000000000000220000000c000000ffffffff460000001c00000010000000454d462b024000000c000000000000000e000000140000000000000010000000140000000400000003010800050000000b0200000000050000000c0216005600030000001e0004000000070104000400000007010400d3030000410b2000cc00150052000000000016005600000000002800000052000000150000000100080000000000000000000000000000000000200000000000000000000000ffffff00c6ffff000000800054000000ffe3a60054a6e300c6800000a6e3ff0054005400e3ffff000054a60080000000ffffc60000005400a6540000ffffe300ffc6800080c6ff008000800000808000a68000000080c600a6e3c600e3a65400c6c68000c6e3a600e3ffc600c6ffe3008000540054008000a68054000101010101010101010101010101010101010101010101010101010101010101010101010101010101010101010101010101010101010101010101010101010101010101010101010101010101010101010101010101010101010101010101010101010101010101010101010101010101010101010101010101010101010101010101010101010101010101010101010101010101010a0b0000000f100101010101010101010101010101010101010101010101010101010101010101010101010101010101010101010101010101010101010101010101010101010101010101010101010101010101160f1001011604050101010101010101010101010101010101010101010101010101010101010101010101010101010101010101010101010101010101010101010101010101010101010101010101010101010116070101010a0b0701010101010101010101010101010101010101010101010101010101010101010101010101010101010101010101010101010101010101010101010101010101010101010101010101010101021e05010101120c0d0101010101010101ff020300040501010101020300000701010a0b000000000007010101020300000f100101010101010101010101010101010101010101010101010112000000040501010101080e000f1c031101010116040501010101021e050101010101010203070101010101010604050101010102030f100a0b0f100101010101010101010101010101010101010101010101060018010112001801010a0b0f10081f0b180101011604050101010102130d010a0b070101020307010101010101060405010101010600110101120011010101010101010101010101010101010101010101010a0b0f1001010a0b0f100102030701011200070101010101010101010102130d01080e0c0d0102030701010101010106040501010101160c0d01010203180101010101010101010101010101010101010101010102030701010101160c0d01020307010101160f1001010101010101010102130d01160c1418010203070101010101010604050101010a0b0f100101020307010101010101010101010101010101010101010101010a0b0f1001010a0b0c0d010a0b0f100101120c0d01010101010101ff0102130d020307081d0d0203070101010101010604050101010a0b0f1001010a0b0f1001010101160000000000000000000405010101010101080e180101060018010101060c0d0101080e110101010101010a0b0102130d1204050116110203070101010101010604050101010a0b0f1001010a0b0f100101010101010101010101010101010101010101010101020300000c0d01010101080e18010102031801011604050101020102131b0b0f1001120f1c03070101010101010604050101010a0b0f10010102030f100101010101010101010101010101010101010101010112001801011200110101010106001101080e070101160405010101010213170e1801010a0b19030701010101010106040501010101160c0d0101020307010101010101010101010101010101010101010101010a0b0f10010101160f1001010101120000041a130d01010101010801010213140c0d01010106150b07010101120c0d060405010101011204050101120011010101010101010101010101010101010101010101010a0b0f10010101160c0d0101010101010101010101010101010101ff01020300070101010102030007010101010203000405010101010a0b0f100a0b0c0d01010101010101010101010101010101010101010101010600110101120007010101010101010101010101010101010101010203000405010101010106000007010101010108090501010101010a0b00000c0d01010101010101010101010101010101010101010101010101080e0000000701010101010101010101010101010101010101010101010101010101010101010101010101010101010101010101010101010101010101010101010101010101010101010101010101010101010101010101010101010101010101010101010101010101010101800101010101010101010101010101010101010101010101010101010101010101010101010101010101010101010101010101010101010101010101010101010101010101010101010101010101010101010101ff0101010101010101010101010101010101010101010101010101010101010101010101010101010101010101010101010101010101010101010101010101010101010101010101010101010101010101010101010101010101010101010101010101010101010101010101010101010101010101010101010101010101010101010101010101010101010101010101010101010101010101010101010101010101010101010101000c00000040092900aa000000000000001600560000000000040000002701ffff030000000000
es=-0.032 мм
По таблице 5 с.5-6 определяем допуск Td1=0.375 мм; Td2=0,170 мм
Находим нижнее отклонение:
eid1=es- Td1=-0.032-0.375= -0.407 мм
eid2=es- Td2=-0.032-0.170= -0.202 мм
По среднему диаметру
d2=9.026-
=9.026010009000003be08000000009805000000009805000026060f00260b574d4643010000000000010080920000000001000000040b000000000000040b0000010000006c00000000000000000000003a000000160000000000000000000000080600005902000020454d4600000100040b00000c00000001000000000000000000000000000000900600001a040000b801000013010000000000000000000000000000c0b6060038320400460000002c00000020000000454d462b014001001c000000100000000210c0db01000000600000006000000046000000880300007c030000454d462b224004000c000000000000001e4009000c00000000000000244001000c000000000000003040020010000000040000000000803f214007000c0000000000000008400005d4020000c80200000210c0db01000000000000000000000000000000000000000100000089504e470d0a1a0a0000000d4948445200000039000000160802000000f580a331000000017352474200aece1ce9000000097048597300000e2600000e2601a2ef25fc0000024f49444154484bd5563b8ec230109dec3912898a8a0b8044bb0740d9026e0117805c809c60db501071806d91920b50512125f7c88e7ff138714c0808edba4ac633e367fb8ddf785555c13f191f4fe02c0f5f9e185f87b295c73eabad46541ec94c9e17e59d90f05c878d22096197b158f615268591a66316cdca33db818cc2afb6d1020a1a36b68684e0de025b4a40b58175cf7604914c7a230405e500bb9f35c455b59df66246380e849f3f9a407a2dcc20f76c7958af26d971e91b41e5f904498cc6e9b6aa62589b8ca8b122d0e0b428cc6842a39a4f4e46f5d9234f1aacd2966f1e05d78d06e02f8f457299915a90674c2fad177f5fc201cd36cd6f73755a0b82afbd594a1269b0349fb2da672b5246744d342beea34bfdd9a8058e7508540c6378c4d0d93546dbac5c4a46d1e2a78430b092578663b5565d2f26bcc3a9defe335ad0a7905ee473b9a1d830ace5ed02301999cfc78b1679651a86953d8fc0913f36dc1aeb944d1eda5453ab91401ace01f19a8bd284d5daec0810e87e2c5497d5f8de9cc5d013a03e9a3a60332a0f7eeb1c6b300edbba73e78cf3ef55bafbe402e7cf17617a3ad37b41dd518f3a4bde0475ddc48b1e46eec2182a349063658bc1eea7bbc1b1e376aba88ca96553fe73716a8ab8d52802303e0d1773564c8203fe728337d506fbb4c6366413f2680699465a1e226487d5a8b7aaa042dd67d91a3bd7eb79bf936acb26d71c7384496633ca06d304457bc2c7e0ba359697946c199bb2a9a4d2d427a99fdad852d3c1fdab5b63b5c08a636cc05207dc527ee56b55520fd7b457cedfb30e7f5fdfbf975f90ef895251ea39ff0000000049454e44ae42608200000840010824000000180000000210c0db01000000030000000000000000000000000000001b40000040000000340000000100000002000000000000bf000000bf000064420000b041030000000000008000000080ffff6b420000008000000080ffffb7412100000008000000620000000c00000001000000150000000c00000004000000150000000c00000004000000510000001806000000000000000000003a0000001600000000000000000000000000000000000000390000001600000050000000a0000000f000000028050000000000002000cc003b0000001700000028000000390000001600000001000800000000000000000000000000000000001e0000000000000000000000ffffff00e3ffff000054a600e3a6540054a6e300c6ffff0000008000c6800000a6e3ff0054005400ffe3a6005454a60080c6ff00540000005400800080000000ffffc600ffc680000080c600a6540000ffffe3000000540000545400e3c6800080008000a680a600c6ffe30054a6c600c6ffc60001010101010101010101010101010101010101010101010101010101010101010101010101010101010101010101010101010101010101010100000001010101010101010101010101010101010101010101010101010101010101010101010101010101010101010101010101010101010101010100000001010101010510110101010101010101010101060700001201010d101d0700000000120101010105001011010101050010111314150101010100000001010102030401010101010101010101010101130801090a0b010d10110d0801010d1201010101020312010101010203120101091612010101000000010102030401010101010101010101010101060712010203040101010101050801010101050000000000141c0000000000141501090a0b010100000001010d101101010101060700000000000012060f0b010113080101010101010d080101010619110203181a1b19110203181a15010105141501ffffff010203080101010101010101010101010101060f0b010113080101010101010105040101010d0802031201010d0802031201010101090a0b01ffffff0109161201010101010101010101010101010607120102030401010101010101090a0b01010105180312010101051803120101010102030401000000010d0e0b010101010101010101010101010101050801090a0b010101060f0b010d0e0b010101020c1712010101020c1712010101010113080180c6ff010d0e0b010101010101010101010101010101020300000401010101010607000008010101010109161201010101091612010101010113141580c6ff010510110101010101010101010101010101010101010101010101010101010101010101010101010101010101010101010101010101131415ffffe3010d0e0b0101010101010101010101010101010101010101010101010101010101010101010101010101010101010101010101010101131415ffffff010d0e0b0101010101010101010101010101010101010101010101010101010101010101010101010101010101010101010101010101130801201c0001091612010101010101010101010101010101060700001201010d10110607000012010101050000000401060700000000120101010203040154000001020308010101010101010101010101010101130801090a0b010d1011130801090a0b01060f0b01091612010d0801010d12010101090a0b01ffffff01010d101101010101010101010101010101060712010203040101010607120102030401010101010916120101050801010101010105141501ffffff010102030401010101060700000000000012060f0b01011308010101060f0b0101130801010113000012010101010d0801010101090a0b0101ffffff010101020304010101010101010101010101060f0b01011308010101060f0b01011308010101010203120101010101050401010916120101010080c601010101010510110101010101010101010106071201020304010101060712010203040101010101090a0b01010101090a0b13141501010101a6540001010101010101010101010101010101010101050801090a0b01010101050801090a0b01020c0b010d0e0b060f0b010d0e0b0101010101010100c7810101010101010101010101010101010101010102030000040101010101020300000401010105000000040101060700000801010101010101010000000101010101010101010101010101010101010101010101010101010101010101010101010101010101010101010101010101010101010101010000004c0000006400000000000000000000003a0000001600000000000000000000003b000000170000002900aa0000000000000000000000803f00000000000000000000803f0000000000000000000000000000000000000000000000000000000000000000220000000c000000ffffffff460000001c00000010000000454d462b024000000c000000000000000e000000140000000000000010000000140000000400000003010800050000000b0200000000050000000c0217003b00030000001e0004000000070104000400000007010400f1020000410b2000cc00160039000000000017003b000000000028000000390000001600000001000800000000000000000000000000000000001e0000000000000000000000ffffff00e3ffff000054a600e3a6540054a6e300c6ffff0000008000c6800000a6e3ff0054005400ffe3a6005454a60080c6ff00540000005400800080000000ffffc600ffc680000080c600a6540000ffffe3000000540000545400e3c6800080008000a680a600c6ffe30054a6c600c6ffc60001010101010101010101010101010101010101010101010101010101010101010101010101010101010101010101010101010101010101010100000001010101010101010101010101010101010101010101010101010101010101010101010101010101010101010101010101010101010101010100000001010101010510110101010101010101010101060700001201010d101d0700000000120101010105001011010101050010111314150101010100000001010102030401010101010101010101010101130801090a0b010d10110d0801010d1201010101020312010101010203120101091612010101000000010102030401010101010101010101010101060712010203040101010101050801010101050000000000141c0000000000141501090a0b010100000001010d101101010101060700000000000012060f0b010113080101010101010d080101010619110203181a1b19110203181a15010105141501ffffff010203080101010101010101010101010101060f0b010113080101010101010105040101010d0802031201010d0802031201010101090a0b01ffffff0109161201010101010101010101010101010607120102030401010101010101090a0b01010105180312010101051803120101010102030401000000010d0e0b010101010101010101010101010101050801090a0b010101060f0b010d0e0b010101020c1712010101020c1712010101010113080180c6ff010d0e0b010101010101010101010101010101020300000401010101010607000008010101010109161201010101091612010101010113141580c6ff010510110101010101010101010101010101010101010101010101010101010101010101010101010101010101010101010101010101131415ffffe3010d0e0b0101010101010101010101010101010101010101010101010101010101010101010101010101010101010101010101010101131415ffffff010d0e0b0101010101010101010101010101010101010101010101010101010101010101010101010101010101010101010101010101130801201c0001091612010101010101010101010101010101060700001201010d10110607000012010101050000000401060700000000120101010203040154000001020308010101010101010101010101010101130801090a0b010d1011130801090a0b01060f0b01091612010d0801010d12010101090a0b01ffffff01010d101101010101010101010101010101060712010203040101010607120102030401010101010916120101050801010101010105141501ffffff010102030401010101060700000000000012060f0b01011308010101060f0b0101130801010113000012010101010d0801010101090a0b0101ffffff010101020304010101010101010101010101060f0b01011308010101060f0b01011308010101010203120101010101050401010916120101010080c601010101010510110101010101010101010106071201020304010101060712010203040101010101090a0b01010101090a0b13141501010101a6540001010101010101010101010101010101010101050801090a0b01010101050801090a0b01020c0b010d0e0b060f0b010d0e0b0101010101010100c7810101010101010101010101010101010101010102030000040101010101020300000401010105000000040101060700000801010101010101010000000101010101010101010101010101010101010101010101010101010101010101010101010101010101010101010101010101010101010101010000000c00000040092900aa0000000000000017003b0000000000040000002701ffff030000000000
По наружному диаметру
d=8.376-
Строим схему расположения полей допусков резьбы по среднему диаметру.

Рисунок 3.4.1 – Схема расположения полей допусков резьбы по среднему диаметру.

Рисунок 3.4.2 – Положение полей допусков наружной резьбы с основным отклонением 8g.

Рисунок 3.4.3 – Положение полей допусков внутренней резьбы с основным отклонением 7Н.
4 Расчет размерной цепи
Задание: для заданной размерами цепи сформулировать задачу, решаемую расчетом заданной размерной цепи, расчет произвести двумя методами: максимум – минимум и вероятностным.
Исходные данные: замыкающее звено 010009000003e20b000000003607000000003607000026060f00620e574d46430100000000000100e5d40000000001000000400e000000000000400e0000010000006c000000000000000000000064000000150000000000000000000000540a00003f02000020454d4600000100400e00000c00000001000000000000000000000000000000900600001a040000b801000013010000000000000000000000000000c0b6060038320400460000002c00000020000000454d462b014001001c000000100000000210c0db01000000600000006000000046000000b8030000ac030000454d462b224004000c000000000000001e4009000c00000000000000244001000c000000000000003040020010000000040000000000803f214007000c000000000000000840000504030000f80200000210c0db01000000000000000000000000000000000000000100000089504e470d0a1a0a0000000d4948445200000061000000150802000000d9d71723000000017352474200aece1ce9000000097048597300000e2600000e2601a2ef25fc0000027e494441545847ed58416ec2301074fa0e2271e2940fc00378011cc82fe0038417f0825ec3a1511fc0b512f9404e9c90927fd0f53a76ecc489b7568a90c0a7365daf77c733b35683fbfdcede6b10818f373e4e04de183921626f8ce818e587c0bad6a7ca9d64b488eab40e02e2913cf690538ec6acf522ed901bea60c9a3f9be4c578cadd2124c5c2cfc104d2794324689a94edb381b25939604fa0d6326da828e92c530b0084f78dd2102fb39266a694d8764328d58b214610f58f9218ca32419f9a4fc33ce56e97183373dd9ec207f72ee639fc2b30647d6a26873e1db2fead707ff00a7730ef322742e0f54c169eeac97e733a23a1f9a135037b68c8a47f919aa9c85023a70279270c7baf4fcb028e4658f9593e7a96e05602ebb52998b9bc56439e3ecba911861b62c0e85b52d121f91f5f9bef4cb3e33a62264e60f794b0b7dd050cc3e9c01596c8b7304200a357f97f96a8caa9f6f38b1561a90ae8b3de17ae7fb61817e0957301778808543f0b54b64337f576bd6fc84ba15e300f32d3baa8905941145882f4e1f20a9dfc3c3d01faccbe535948a3ab31a1bb5994e37b209153c42a50d8d7921d6de81209af4d15a8b7bda5db5660b910f66181fcd2cbb96e657a2485096dcba1023a13463cc9bae9d9f8bf4028f8b6190bcb4e6d53b7913f6a9958dae63238305cdf20a8f358cb529ad3d052f09273e85dc1e6ad3b75818df9b91580e8aab7e4eb4d29bbac33f3632d4f63121bbee6a5e29fc758a6e4eacca1ba7a612e213897892d6a191b8e34d0226b99421d69e3dfc56d3069efbd9462cdc23acdfdf455be322db14e8c448b1488ad2356f3c9a7ff22daeff8dc0408b1a339f2f1374fa175bc37768a3f77f51fa69d91440652fc68a3fb7fb0bcd643594ad41d33d0000000049454e44ae4260820000000840010824000000180000000210c0db01000000030000000000000000000000000000001b40000040000000340000000100000002000000000000bf000000bf0000c2420000a841030000000000008000000080feffc9420000008000000080ffffaf412100000008000000620000000c00000001000000150000000c00000004000000150000000c0000000400000051000000240900000000000000000000640000001500000000000000000000000000000000000000610000001500000050000000a0000000f000000034080000000000002000cc00650000001600000028000000610000001500000001000800000000000000000000000000000000001e0000000000000000000000ffffff0080c6ff00a6540000ffffe30054a6e30054000000ffe3a600e3ffff000054a600ffc6800080000000ffffc600c6800000a6e3ff00000054000080c600c6ffff000000800080808000e3a6540054008000a6e3c600a654540080008000c6a654008080c600c6805400800054008054a600010101010101010101010101010101010101010101010101010101010101010101010101010101010101010101010101010101010101010101010101010101010101010101010101010101010101010101010101010101010101010101010101010054ff01010101010101010101100000000000060701010101010101010101010101010101010101010101010101010101010101010101010101010101010101010101010101010101010101010101010101010101010101010101010101010101010101ffffff01010101010101010101020d01010102030401010101010101010101010101010101010101010101010101010101010101010101010101010101010101010101010101010101010101010101010101010101010101010101010101010101010101ffffff01010101010101010101081d0c0101100d0101010101010101010101010101010101010101010101010101010101010101010101010101010101010101010101010101010101010101010101010101010101010101010101010101010101010101ffffff0101010101010101010101050a0108090a0101010101010101010101010101010101010101010101010101010101010101010101010101010110000000000000000000060701010101010101010101010101010101010101010101010101010101ffff5402000000000000001401010e1b010e1c0c01010101010101010101010101010101010101010101010101010101010200000607010101010101010101010101010101010101010101010101111200000304010111120d0101010e0f0000000a0101ffffff01020607010108090d0101011a0c050d01010101010101010101010101010101010101010101010101010101010101050607010101010101010101010108090a0101010101010101010111120304080903040111120d01010e0f0d010102001401ffffff010e0f0a01010111180c01010219090a01010101010101010101010101010101010101010101010101010101010101020607010101010101010101010108090a0101010101010101010105000a010102000a010101010101100b0c010101100b0cffffff0108090d010101010101010111120b0c01010101010101010110000000000000000000060701010101010101010101020607010101010101010101010108090a01010101010101010101100b0c0101111214010101010108090304010101050607ffffff01011003040101010101010101050d0101010101010101010101010101010101010101010101010101010200000000000000000a01010101010101010108090a01010101010101010108090304010111120d010101010108090304010101100b0cffffff0101050b0c010e17040101010101010101010101010101010101010101010101010101010101010101010809140101020607050a01010101010101010108090a01010101010101010108090304010108090304010101010809000304010e0f0d01ffffff01010e0f0000000b0c01010101010101010101010101010101100000000000000000000607010101010101111507010206070101010101010110000000000000000000060701010101080903040101080903040101010101100b160f0000030401ffffff01011112140101100a0101010101010101010101010101010101010101010101010101010101010101010101020304020607010101010101010101010108090a01010101010101010108090304010111120304010101010102000a010101010101ffffff010101100d010101010101010101010101010101010101010101010101010101010101010101010101010101011014020607010101010101010101010108090a01010101010101010101100b0c010111120d01010101010108090d010101010101ffffff010101050b0c010101100a010101010101010101010101010101010101010101010101010101010101010101011112130607010101010101010101010108090a01010101010101010101020607010102000a010101010101010e0f140101010101000080010101050607010108090d01010101010101010101010101010101010101010101010101010101010101010101010e0f0607010101010101010101010108090a010101010101010101010809030408090b0c01010101010101010e0f0d01010101ffffff0101020000000000000003040101010101010101010101010101010101010101010101010101010101010101010101050607010101010101010101010108090a0101010101010101010101080900000b0c010101010101010101010105000b0c01ff008001010101010101010101010101010101010101010101010101010101010101010101010101010101010101010101010101010101010101010101010101010101010101010101010101010101010101010101010101010101010101010101010101ffe3ff01010101010101010101010101010101010101010101010101010101010101010101010101010101010101010101010101010101010101010101010101010101010101010101010101010101010101010101010101010101010101010101010101ff80c6010101010101010101010101010101010101010101010101010101010101010101010101010101010101010101010101010101010101010101010101010101010101010101010101010101010101010101010101010101010101010101010101018000ff01010101010101010101010101010101010101010101010101010101010101010101010101010101010101010101010101010101010101010101010101010101010101010101010101010101010101010101010101010101010101010101010101ffffff4c0000006400000000000000000000006400000015000000000000000000000065000000160000002900aa0000000000000000000000803f00000000000000000000803f0000000000000000000000000000000000000000000000000000000000000000220000000c000000ffffffff460000001c00000010000000454d462b024000000c000000000000000e000000140000000000000010000000140000000400000003010800050000000b0200000000050000000c0216006500030000001e000400000007010400040000000701040077040000410b2000cc001500610000000000160065000000000028000000610000001500000001000800000000000000000000000000000000001e0000000000000000000000ffffff0080c6ff00a6540000ffffe30054a6e30054000000ffe3a600e3ffff000054a600ffc6800080000000ffffc600c6800000a6e3ff00000054000080c600c6ffff000000800080808000e3a6540054008000a6e3c600a654540080008000c6a654008080c600c6805400800054008054a600010101010101010101010101010101010101010101010101010101010101010101010101010101010101010101010101010101010101010101010101010101010101010101010101010101010101010101010101010101010101010101010101010054ff01010101010101010101100000000000060701010101010101010101010101010101010101010101010101010101010101010101010101010101010101010101010101010101010101010101010101010101010101010101010101010101010101ffffff01010101010101010101020d01010102030401010101010101010101010101010101010101010101010101010101010101010101010101010101010101010101010101010101010101010101010101010101010101010101010101010101010101ffffff01010101010101010101081d0c0101100d0101010101010101010101010101010101010101010101010101010101010101010101010101010101010101010101010101010101010101010101010101010101010101010101010101010101010101ffffff0101010101010101010101050a0108090a0101010101010101010101010101010101010101010101010101010101010101010101010101010110000000000000000000060701010101010101010101010101010101010101010101010101010101ffff5402000000000000001401010e1b010e1c0c01010101010101010101010101010101010101010101010101010101010200000607010101010101010101010101010101010101010101010101111200000304010111120d0101010e0f0000000a0101ffffff01020607010108090d0101011a0c050d01010101010101010101010101010101010101010101010101010101010101050607010101010101010101010108090a0101010101010101010111120304080903040111120d01010e0f0d010102001401ffffff010e0f0a01010111180c01010219090a01010101010101010101010101010101010101010101010101010101010101020607010101010101010101010108090a0101010101010101010105000a010102000a010101010101100b0c010101100b0cffffff0108090d010101010101010111120b0c01010101010101010110000000000000000000060701010101010101010101020607010101010101010101010108090a01010101010101010101100b0c0101111214010101010108090304010101050607ffffff01011003040101010101010101050d0101010101010101010101010101010101010101010101010101010200000000000000000a01010101010101010108090a01010101010101010108090304010111120d010101010108090304010101100b0cffffff0101050b0c010e17040101010101010101010101010101010101010101010101010101010101010101010809140101020607050a01010101010101010108090a01010101010101010108090304010108090304010101010809000304010e0f0d01ffffff01010e0f0000000b0c01010101010101010101010101010101100000000000000000000607010101010101111507010206070101010101010110000000000000000000060701010101080903040101080903040101010101100b160f0000030401ffffff01011112140101100a0101010101010101010101010101010101010101010101010101010101010101010101020304020607010101010101010101010108090a01010101010101010108090304010111120304010101010102000a010101010101ffffff010101100d010101010101010101010101010101010101010101010101010101010101010101010101010101011014020607010101010101010101010108090a01010101010101010101100b0c010111120d01010101010108090d010101010101ffffff010101050b0c010101100a010101010101010101010101010101010101010101010101010101010101010101011112130607010101010101010101010108090a01010101010101010101020607010102000a010101010101010e0f140101010101000080010101050607010108090d01010101010101010101010101010101010101010101010101010101010101010101010e0f0607010101010101010101010108090a010101010101010101010809030408090b0c01010101010101010e0f0d01010101ffffff0101020000000000000003040101010101010101010101010101010101010101010101010101010101010101010101050607010101010101010101010108090a0101010101010101010101080900000b0c010101010101010101010105000b0c01ff008001010101010101010101010101010101010101010101010101010101010101010101010101010101010101010101010101010101010101010101010101010101010101010101010101010101010101010101010101010101010101010101010101ffe3ff01010101010101010101010101010101010101010101010101010101010101010101010101010101010101010101010101010101010101010101010101010101010101010101010101010101010101010101010101010101010101010101010101ff80c6010101010101010101010101010101010101010101010101010101010101010101010101010101010101010101010101010101010101010101010101010101010101010101010101010101010101010101010101010101010101010101010101018000ff01010101010101010101010101010101010101010101010101010101010101010101010101010101010101010101010101010101010101010101010101010101010101010101010101010101010101010101010101010101010101010101010101ffffff0c00000040092900aa000000000000001600650000000000040000002701ffff030000000000 - зазор между верхним подшипником качения и крышкой.
Расчетом данной размерной цепи решается прямая задача, при которой по заданному значению замыкающего звена определяется точность составляющих звеньев.
4.1 Расчет методом максимум – минимум
По сборочному чертежу выявляем составляющие звенья размерной цепи.
Замыкающее
звено 010009000003e20b000000003607000000003607000026060f00620e574d46430100000000000100e5d40000000001000000400e000000000000400e0000010000006c000000000000000000000064000000150000000000000000000000540a00003f02000020454d4600000100400e00000c00000001000000000000000000000000000000900600001a040000b801000013010000000000000000000000000000c0b6060038320400460000002c00000020000000454d462b014001001c000000100000000210c0db01000000600000006000000046000000b8030000ac030000454d462b224004000c000000000000001e4009000c00000000000000244001000c000000000000003040020010000000040000000000803f214007000c000000000000000840000504030000f80200000210c0db01000000000000000000000000000000000000000100000089504e470d0a1a0a0000000d4948445200000061000000150802000000d9d71723000000017352474200aece1ce9000000097048597300000e2600000e2601a2ef25fc0000027e494441545847ed58416ec2301074fa0e2271e2940fc00378011cc82fe0038417f0825ec3a1511fc0b512f9404e9c90927fd0f53a76ecc489b7568a90c0a7365daf77c733b35683fbfdcede6b10818f373e4e04de183921626f8ce818e587c0bad6a7ca9d64b488eab40e02e2913cf690538ec6acf522ed901bea60c9a3f9be4c578cadd2124c5c2cfc104d2794324689a94edb381b25939604fa0d6326da828e92c530b0084f78dd2102fb39266a694d8764328d58b214610f58f9218ca32419f9a4fc33ce56e97183373dd9ec207f72ee639fc2b30647d6a26873e1db2fead707ff00a7730ef322742e0f54c169eeac97e733a23a1f9a135037b68c8a47f919aa9c85023a70279270c7baf4fcb028e4658f9593e7a96e05602ebb52998b9bc56439e3ecba911861b62c0e85b52d121f91f5f9bef4cb3e33a62264e60f794b0b7dd050cc3e9c01596c8b7304200a357f97f96a8caa9f6f38b1561a90ae8b3de17ae7fb61817e0957301778808543f0b54b64337f576bd6fc84ba15e300f32d3baa8905941145882f4e1f20a9dfc3c3d01faccbe535948a3ab31a1bb5994e37b209153c42a50d8d7921d6de81209af4d15a8b7bda5db5660b910f66181fcd2cbb96e657a2485096dcba1023a13463cc9bae9d9f8bf4028f8b6190bcb4e6d53b7913f6a9958dae63238305cdf20a8f358cb529ad3d052f09273e85dc1e6ad3b75818df9b91580e8aab7e4eb4d29bbac33f3632d4f63121bbee6a5e29fc758a6e4eacca1ba7a612e213897892d6a191b8e34d0226b99421d69e3dfc56d3069efbd9462cdc23acdfdf455be322db14e8c448b1488ad2356f3c9a7ff22daeff8dc0408b1a339f2f1374fa175bc37768a3f77f51fa69d91440652fc68a3fb7fb0bcd643594ad41d33d0000000049454e44ae4260820000000840010824000000180000000210c0db01000000030000000000000000000000000000001b40000040000000340000000100000002000000000000bf000000bf0000c2420000a841030000000000008000000080feffc9420000008000000080ffffaf412100000008000000620000000c00000001000000150000000c00000004000000150000000c0000000400000051000000240900000000000000000000640000001500000000000000000000000000000000000000610000001500000050000000a0000000f000000034080000000000002000cc00650000001600000028000000610000001500000001000800000000000000000000000000000000001e0000000000000000000000ffffff0080c6ff00a6540000ffffe30054a6e30054000000ffe3a600e3ffff000054a600ffc6800080000000ffffc600c6800000a6e3ff00000054000080c600c6ffff000000800080808000e3a6540054008000a6e3c600a654540080008000c6a654008080c600c6805400800054008054a600010101010101010101010101010101010101010101010101010101010101010101010101010101010101010101010101010101010101010101010101010101010101010101010101010101010101010101010101010101010101010101010101010054ff01010101010101010101100000000000060701010101010101010101010101010101010101010101010101010101010101010101010101010101010101010101010101010101010101010101010101010101010101010101010101010101010101ffffff01010101010101010101020d01010102030401010101010101010101010101010101010101010101010101010101010101010101010101010101010101010101010101010101010101010101010101010101010101010101010101010101010101ffffff01010101010101010101081d0c0101100d0101010101010101010101010101010101010101010101010101010101010101010101010101010101010101010101010101010101010101010101010101010101010101010101010101010101010101ffffff0101010101010101010101050a0108090a0101010101010101010101010101010101010101010101010101010101010101010101010101010110000000000000000000060701010101010101010101010101010101010101010101010101010101ffff5402000000000000001401010e1b010e1c0c01010101010101010101010101010101010101010101010101010101010200000607010101010101010101010101010101010101010101010101111200000304010111120d0101010e0f0000000a0101ffffff01020607010108090d0101011a0c050d01010101010101010101010101010101010101010101010101010101010101050607010101010101010101010108090a0101010101010101010111120304080903040111120d01010e0f0d010102001401ffffff010e0f0a01010111180c01010219090a01010101010101010101010101010101010101010101010101010101010101020607010101010101010101010108090a0101010101010101010105000a010102000a010101010101100b0c010101100b0cffffff0108090d010101010101010111120b0c01010101010101010110000000000000000000060701010101010101010101020607010101010101010101010108090a01010101010101010101100b0c0101111214010101010108090304010101050607ffffff01011003040101010101010101050d0101010101010101010101010101010101010101010101010101010200000000000000000a01010101010101010108090a01010101010101010108090304010111120d010101010108090304010101100b0cffffff0101050b0c010e17040101010101010101010101010101010101010101010101010101010101010101010809140101020607050a01010101010101010108090a01010101010101010108090304010108090304010101010809000304010e0f0d01ffffff01010e0f0000000b0c01010101010101010101010101010101100000000000000000000607010101010101111507010206070101010101010110000000000000000000060701010101080903040101080903040101010101100b160f0000030401ffffff01011112140101100a0101010101010101010101010101010101010101010101010101010101010101010101020304020607010101010101010101010108090a01010101010101010108090304010111120304010101010102000a010101010101ffffff010101100d010101010101010101010101010101010101010101010101010101010101010101010101010101011014020607010101010101010101010108090a01010101010101010101100b0c010111120d01010101010108090d010101010101ffffff010101050b0c010101100a010101010101010101010101010101010101010101010101010101010101010101011112130607010101010101010101010108090a01010101010101010101020607010102000a010101010101010e0f140101010101000080010101050607010108090d01010101010101010101010101010101010101010101010101010101010101010101010e0f0607010101010101010101010108090a010101010101010101010809030408090b0c01010101010101010e0f0d01010101ffffff0101020000000000000003040101010101010101010101010101010101010101010101010101010101010101010101050607010101010101010101010108090a0101010101010101010101080900000b0c010101010101010101010105000b0c01ff008001010101010101010101010101010101010101010101010101010101010101010101010101010101010101010101010101010101010101010101010101010101010101010101010101010101010101010101010101010101010101010101010101ffe3ff01010101010101010101010101010101010101010101010101010101010101010101010101010101010101010101010101010101010101010101010101010101010101010101010101010101010101010101010101010101010101010101010101ff80c6010101010101010101010101010101010101010101010101010101010101010101010101010101010101010101010101010101010101010101010101010101010101010101010101010101010101010101010101010101010101010101010101018000ff01010101010101010101010101010101010101010101010101010101010101010101010101010101010101010101010101010101010101010101010101010101010101010101010101010101010101010101010101010101010101010101010101ffffff4c0000006400000000000000000000006400000015000000000000000000000065000000160000002900aa0000000000000000000000803f00000000000000000000803f0000000000000000000000000000000000000000000000000000000000000000220000000c000000ffffffff460000001c00000010000000454d462b024000000c000000000000000e000000140000000000000010000000140000000400000003010800050000000b0200000000050000000c0216006500030000001e000400000007010400040000000701040077040000410b2000cc001500610000000000160065000000000028000000610000001500000001000800000000000000000000000000000000001e0000000000000000000000ffffff0080c6ff00a6540000ffffe30054a6e30054000000ffe3a600e3ffff000054a600ffc6800080000000ffffc600c6800000a6e3ff00000054000080c600c6ffff000000800080808000e3a6540054008000a6e3c600a654540080008000c6a654008080c600c6805400800054008054a600010101010101010101010101010101010101010101010101010101010101010101010101010101010101010101010101010101010101010101010101010101010101010101010101010101010101010101010101010101010101010101010101010054ff01010101010101010101100000000000060701010101010101010101010101010101010101010101010101010101010101010101010101010101010101010101010101010101010101010101010101010101010101010101010101010101010101ffffff01010101010101010101020d01010102030401010101010101010101010101010101010101010101010101010101010101010101010101010101010101010101010101010101010101010101010101010101010101010101010101010101010101ffffff01010101010101010101081d0c0101100d0101010101010101010101010101010101010101010101010101010101010101010101010101010101010101010101010101010101010101010101010101010101010101010101010101010101010101ffffff0101010101010101010101050a0108090a0101010101010101010101010101010101010101010101010101010101010101010101010101010110000000000000000000060701010101010101010101010101010101010101010101010101010101ffff5402000000000000001401010e1b010e1c0c01010101010101010101010101010101010101010101010101010101010200000607010101010101010101010101010101010101010101010101111200000304010111120d0101010e0f0000000a0101ffffff01020607010108090d0101011a0c050d01010101010101010101010101010101010101010101010101010101010101050607010101010101010101010108090a0101010101010101010111120304080903040111120d01010e0f0d010102001401ffffff010e0f0a01010111180c01010219090a01010101010101010101010101010101010101010101010101010101010101020607010101010101010101010108090a0101010101010101010105000a010102000a010101010101100b0c010101100b0cffffff0108090d010101010101010111120b0c01010101010101010110000000000000000000060701010101010101010101020607010101010101010101010108090a01010101010101010101100b0c0101111214010101010108090304010101050607ffffff01011003040101010101010101050d0101010101010101010101010101010101010101010101010101010200000000000000000a01010101010101010108090a01010101010101010108090304010111120d010101010108090304010101100b0cffffff0101050b0c010e17040101010101010101010101010101010101010101010101010101010101010101010809140101020607050a01010101010101010108090a01010101010101010108090304010108090304010101010809000304010e0f0d01ffffff01010e0f0000000b0c01010101010101010101010101010101100000000000000000000607010101010101111507010206070101010101010110000000000000000000060701010101080903040101080903040101010101100b160f0000030401ffffff01011112140101100a0101010101010101010101010101010101010101010101010101010101010101010101020304020607010101010101010101010108090a01010101010101010108090304010111120304010101010102000a010101010101ffffff010101100d010101010101010101010101010101010101010101010101010101010101010101010101010101011014020607010101010101010101010108090a01010101010101010101100b0c010111120d01010101010108090d010101010101ffffff010101050b0c010101100a010101010101010101010101010101010101010101010101010101010101010101011112130607010101010101010101010108090a01010101010101010101020607010102000a010101010101010e0f140101010101000080010101050607010108090d01010101010101010101010101010101010101010101010101010101010101010101010e0f0607010101010101010101010108090a010101010101010101010809030408090b0c01010101010101010e0f0d01010101ffffff0101020000000000000003040101010101010101010101010101010101010101010101010101010101010101010101050607010101010101010101010108090a0101010101010101010101080900000b0c010101010101010101010105000b0c01ff008001010101010101010101010101010101010101010101010101010101010101010101010101010101010101010101010101010101010101010101010101010101010101010101010101010101010101010101010101010101010101010101010101ffe3ff01010101010101010101010101010101010101010101010101010101010101010101010101010101010101010101010101010101010101010101010101010101010101010101010101010101010101010101010101010101010101010101010101ff80c6010101010101010101010101010101010101010101010101010101010101010101010101010101010101010101010101010101010101010101010101010101010101010101010101010101010101010101010101010101010101010101010101018000ff01010101010101010101010101010101010101010101010101010101010101010101010101010101010101010101010101010101010101010101010101010101010101010101010101010101010101010101010101010101010101010101010101ffffff0c00000040092900aa000000000000001600650000000000040000002701ffff030000000000
- зазор между верхним подшипником качения
и крышкой.
0100090000030a0f00000000f20800000000f208000026060f00da11574d4643010000000000010070f80000000001000000b811000000000000b8110000010000006c0000000000000000000000840000001600000000000000000000009a0d00005902000020454d4600000100b81100000c00000001000000000000000000000000000000900600001a040000b801000013010000000000000000000000000000c0b6060038320400460000002c00000020000000454d462b014001001c000000100000000210c0db01000000600000006000000046000000580400004c040000454d462b224004000c000000000000001e4009000c00000000000000244001000c000000000000003040020010000000040000000000803f214007000c0000000000000008400005a4030000980300000210c0db01000000000000000000000000000000000000000100000089504e470d0a1a0a0000000d494844520000007f0000001608020000006624d4d6000000017352474200aece1ce9000000097048597300000e2600000e2601a2ef25fc0000031f494441546843ed584d6eea301036ef1c89d4152b2e0052b71c00d105d97282e6024d2ec03b41b761d1a807605b895c8015ab4ac93d783376ecd8897f028da1e8e1152493f9f9663cf3d9a3d3e9441eeb4608fcb991dd875944e081fe2debe081fe6f40bf4847daf5b2ad7cbba798eed8b3bff5ed9b6ffd3075d92ab32521cbac541f247bf1dfc78f7d02f109a3f41f694caa6fa9838a873e3cbaaace56e7993c0522ddc1d38424f3a9eff42fb3bfabdae8748d0027bba2b129bd0d9e17f0363f96be3dbaa27e916b2c34cf95eeae2b5aed262fac2fddba8796603bb5e52fdba0628f3a6408f709e5e41670934498f1edf4c5a1b1bc441f38054bee8610007dd2a06795e19da7fa3ec0ae8e42367a67c9d92dc734b6f92cef31beabed2601bfdfd466c71487517ec5867086a9459c2df3cf2fc64d8add218b17908e7128ab30cad4e8575f9fb94818a64bfdbc8737d3377bf57cf0e66ed2556d5f2392952dec09e18ac12bac8e541a0a3ddcf22f12c23862f043f59078458edd3a31c9d4e897f089403c587d38b11a38aa6afb124693bdcd2c784547d3c63f073e2fb860152779f45e14efd1c444520c320c7dda7764bed3b18ffbdf5a763fe93c458ad09f3a65dff6221cd723cd0d0fa4b3ee799696a70b4a8aa389d7a16d3a878e399b1db2b599216a6528faacef287903276ae3ccf28c0f7853e017771ed00f7e371da748395e6859c10e77a8bd486aefb08b413ae9298644afdddd62080aa2de8cd98907f619df664e6d8452e524b63657ad4c6dc97cce2a4b740739870f1a847ae5231e46cdff33f626acf6a73d3279ee1860474b6750cd77666d5a505abccd2a43305cdd5220f186bed6b8645a7ddf37fd520669119beac65252c83cea73bf491bf7ad733f40e1644f1d3282ef3bf8aeafdabf8466b36ff4554313f463f4b1ed882b96beda2e08e57eef38f583864f6e71218184e22cfe8c2361375729c0e5daecfca02ffa74e0ddcba2fc82dd1621a1582e9ed94552432558249aa0807e1de31afa22a5c4c3a46d08349cfb45dc5c306bad79e0fcfc46024d5f520efdbca118826a7733fead4edb10818d40c91049bc031d4065bfd7d73e46da71f98fd0ff8505f20f31ab4c89a16658200000000049454e44ae42608200000840010824000000180000000210c0db01000000030000000000000000000000000000001b40000040000000340000000100000002000000000000bf000000bf0000fe420000b041030000000000008000000080feff04430000008000000080ffffb7412100000008000000620000000c00000001000000150000000c00000004000000150000000c0000000400000051000000fc0b000000000000000000008400000016000000000000000000000000000000000000007f0000001600000050000000ac000000fc000000000b0000000000002000cc008500000017000000280000007f000000160000000100080000000000000000000000000000000000210000000000000000000000ffffff0080c6ff00a6540000ffffe30054000000ffe3a60054a6e300e3ffff000054a600c68000000080c600c6ffff000000800080000000ffffc600ffc68000e3a65400a6e3ff00545454000000540054540000a654540054a6c6005480c600a6c6a60054005400a6e3e300c68054008000800054008000e3e3e300800054000101010101010101010101010101010101010101010101010101010101010101010101010101010101010101010101010101010101010101010101010101010101010101010101010101010101010101010101010101010101010101010101010101010101010101010101010101010101010101010101010101010101010111010101010101010101010101010101010101010101010101010101010101010101010101010101010101010101010101010101010101010101010101010101010101010101010101010101010101180601010101010101010101010101010101010101010101010101010101010101010101010101010101010101010101011101010101010101010101010700000000110101010101010101010101010101010101010101010101010101010101010101010101010101010101010101010101010101010101010c0d000010010112200f01070000000011010c0d0000000010010c0d0000100101010101010101010101010101010101010101010101010111010101010101010101010101010b0a01010101010101010101010101010101010101010101010101010101010101010101010101010101010101010101010101010101010101010b0a01121a06010c1d0f0101010b0a01010101020a01010210010b0a01121a060101010101010101010101010101010101010101010101011101010101010101010101010101070a010101010101010101010101010101010101010101010101010101010101010101010101010101010101010101010101010101010101010c0d100108091101010101010101070a0101010101070a0101010c0d10010809110101010101010101010101010101010101010101010101011101010101010101010101010101070a010101010101010101010101010101010101010101010101010101010101010101010101010101010101010101010c0d000000000000100c1e0601010b0a01010101010101070a010101010101020a01010c1e0601010b0a0101010101010101010101010101010101010101010101011102000000000000001101010101070a0101010101010101010101010101010101010101010101010101010b0000000000001101010c0d0000000a0101010101010101010101010c1e0601010b0a01010101010101070a010101010101010711010c1e0601010b0a010c0d000304010112140005060c0d0003040101121400051101020506010108090a01011f01070a010101010101010101010101010101010101010101010101010101121a060101010b110108090e0f0108090304010101010101010101010c0d100108091101010101011f01070a01010101010101121a060c0d1001080911010112200f01010101020010010112200f0101010102001011011214100101010c1d0f010700000a0101010101010101010101010101010101010101010101010101010107030401010211010809110101010200100101010101010101010101070a01121a0601010101010700000a0101010c1e060102050601070a01121a06010112160408091001020506010112160408091001020506110108090a0101010101010101010b0a0101010101010101010b000000000000000000050601010101010101010b0a01010101010101010101011214110101010101010101010101080900001101010101010101010b0a010101010c0d00000a01010809000011010101121604020003040205060101121604020003040205061101010b030401010101010101010101010101010101010101010101010101010101010101010101010101010108090a010101010101010101010200110101010101010101010101010101010101010101010101010101010101010101010101010101010101010101011216040b0a0b1002050601011216040b0a0b10020506010101070e0f01121604010101010101010101010101010101010101010101010101010101010101010101010101080911010101010101010112140e0f01010101010101010101010101010101010101010101010101010101010101010101010101010101010101010112161b1a06121c020506010112161b1a06121c02050611010112140000000e0f0101010101010101010101010101010b000000000000000000050601010101010101010101121410010101010c0d000003040101010101010101010101010101010101010101010101010101010101010101010101010101010101010101010112161703040118191a06010112161703040118191a061101010c0d1101010b1001010101010101010101010101010101010101010101010101010101010101010101010101010b0e0f0101010101080903040101010101010101010101010101010101010101010101010101010101010101010101010101010101010101010112131411010102151410010112131411010102151410110101010b0a010101010101010101010101010101010101010101010101010101010101010101010101010101010101020010010101010101010b0e0f01010101010101010101010101010101010101010101010101010101010101010101010101010101010101010c0d000e0f010108090005060c0d000e0f01010809000511010101070e0f0101010b10010101010101010101010101010101010101010101010101010101010101010b1101010107001001010b110101010700100101010101010101010101010101010101010101010101010101010101010101010101010101010101010101010101010101010101010101010101010101010101010111010101070506010108090a010101010101010101010101010101010101010101010101010101010101010b0506010c0d0e0f01010b050601080905060101010101010101010101010101010101010101010101010101010101010101010101010101010101010101010101010101010101010101010101010101010101010111010102000000000000000304010101010101010101010101010101010101010101010101010101010101010200000005060101010102000000050601010101010101010101010101010101010101010101010101010101010101010101010101010101010101010101010101010101010101010101010101010101010101011101010101010101010101010101010101010101010101010101010101010101010101010101010101010101010101010101010101010101010101010101010101010101010101010101010101010101010101010101010101010101010101010101010101010101010101010101010101010101010101010101010101010101110101010101010101010101010101010101010101010101010101010101010101010101010101010101010101010101010101010101010101010101010101010101010101010101010101010101010101010101010101010101010101010101010101010101010101010101010101010101010101010101010101010101010111010101010101010101010101010101010101010101010101010101010101010101010101010101010101010101010101010101010101010101010101010101010101010101010101010101010101010101010101010101010101010101010101010101010101010101010101010101010101010101010101010101010101011101010101010101010101010101010101010101010101010101010101010101010101010101010101010101010101010101010101010101010101010101010101010101010101010101010101010101010101010101010101010101010101010101010101010101010101010101010101010101010101010101010101010101014c0000006400000000000000000000008400000016000000000000000000000085000000170000002900aa0000000000000000000000803f00000000000000000000803f0000000000000000000000000000000000000000000000000000000000000000220000000c000000ffffffff460000001c00000010000000454d462b024000000c000000000000000e000000140000000000000010000000140000000400000003010800050000000b0200000000050000000c0217008500030000001e0004000000070104000400000007010400e3050000410b2000cc0016007f00000000001700850000000000280000007f000000160000000100080000000000000000000000000000000000210000000000000000000000ffffff0080c6ff00a6540000ffffe30054000000ffe3a60054a6e300e3ffff000054a600c68000000080c600c6ffff000000800080000000ffffc600ffc68000e3a65400a6e3ff00545454000000540054540000a654540054a6c6005480c600a6c6a60054005400a6e3e300c68054008000800054008000e3e3e300800054000101010101010101010101010101010101010101010101010101010101010101010101010101010101010101010101010101010101010101010101010101010101010101010101010101010101010101010101010101010101010101010101010101010101010101010101010101010101010101010101010101010101010111010101010101010101010101010101010101010101010101010101010101010101010101010101010101010101010101010101010101010101010101010101010101010101010101010101010101180601010101010101010101010101010101010101010101010101010101010101010101010101010101010101010101011101010101010101010101010700000000110101010101010101010101010101010101010101010101010101010101010101010101010101010101010101010101010101010101010c0d000010010112200f01070000000011010c0d0000000010010c0d0000100101010101010101010101010101010101010101010101010111010101010101010101010101010b0a01010101010101010101010101010101010101010101010101010101010101010101010101010101010101010101010101010101010101010b0a01121a06010c1d0f0101010b0a01010101020a01010210010b0a01121a060101010101010101010101010101010101010101010101011101010101010101010101010101070a010101010101010101010101010101010101010101010101010101010101010101010101010101010101010101010101010101010101010c0d100108091101010101010101070a0101010101070a0101010c0d10010809110101010101010101010101010101010101010101010101011101010101010101010101010101070a010101010101010101010101010101010101010101010101010101010101010101010101010101010101010101010c0d000000000000100c1e0601010b0a01010101010101070a010101010101020a01010c1e0601010b0a0101010101010101010101010101010101010101010101011102000000000000001101010101070a0101010101010101010101010101010101010101010101010101010b0000000000001101010c0d0000000a0101010101010101010101010c1e0601010b0a01010101010101070a010101010101010711010c1e0601010b0a010c0d000304010112140005060c0d0003040101121400051101020506010108090a01011f01070a010101010101010101010101010101010101010101010101010101121a060101010b110108090e0f0108090304010101010101010101010c0d100108091101010101011f01070a01010101010101121a060c0d1001080911010112200f01010101020010010112200f0101010102001011011214100101010c1d0f010700000a0101010101010101010101010101010101010101010101010101010107030401010211010809110101010200100101010101010101010101070a01121a0601010101010700000a0101010c1e060102050601070a01121a06010112160408091001020506010112160408091001020506110108090a0101010101010101010b0a0101010101010101010b000000000000000000050601010101010101010b0a01010101010101010101011214110101010101010101010101080900001101010101010101010b0a010101010c0d00000a01010809000011010101121604020003040205060101121604020003040205061101010b030401010101010101010101010101010101010101010101010101010101010101010101010101010108090a010101010101010101010200110101010101010101010101010101010101010101010101010101010101010101010101010101010101010101011216040b0a0b1002050601011216040b0a0b10020506010101070e0f01121604010101010101010101010101010101010101010101010101010101010101010101010101080911010101010101010112140e0f01010101010101010101010101010101010101010101010101010101010101010101010101010101010101010112161b1a06121c020506010112161b1a06121c02050611010112140000000e0f0101010101010101010101010101010b000000000000000000050601010101010101010101121410010101010c0d000003040101010101010101010101010101010101010101010101010101010101010101010101010101010101010101010112161703040118191a06010112161703040118191a061101010c0d1101010b1001010101010101010101010101010101010101010101010101010101010101010101010101010b0e0f0101010101080903040101010101010101010101010101010101010101010101010101010101010101010101010101010101010101010112131411010102151410010112131411010102151410110101010b0a010101010101010101010101010101010101010101010101010101010101010101010101010101010101020010010101010101010b0e0f01010101010101010101010101010101010101010101010101010101010101010101010101010101010101010c0d000e0f010108090005060c0d000e0f01010809000511010101070e0f0101010b10010101010101010101010101010101010101010101010101010101010101010b1101010107001001010b110101010700100101010101010101010101010101010101010101010101010101010101010101010101010101010101010101010101010101010101010101010101010101010101010111010101070506010108090a010101010101010101010101010101010101010101010101010101010101010b0506010c0d0e0f01010b050601080905060101010101010101010101010101010101010101010101010101010101010101010101010101010101010101010101010101010101010101010101010101010101010111010102000000000000000304010101010101010101010101010101010101010101010101010101010101010200000005060101010102000000050601010101010101010101010101010101010101010101010101010101010101010101010101010101010101010101010101010101010101010101010101010101010101011101010101010101010101010101010101010101010101010101010101010101010101010101010101010101010101010101010101010101010101010101010101010101010101010101010101010101010101010101010101010101010101010101010101010101010101010101010101010101010101010101010101010101110101010101010101010101010101010101010101010101010101010101010101010101010101010101010101010101010101010101010101010101010101010101010101010101010101010101010101010101010101010101010101010101010101010101010101010101010101010101010101010101010101010101010111010101010101010101010101010101010101010101010101010101010101010101010101010101010101010101010101010101010101010101010101010101010101010101010101010101010101010101010101010101010101010101010101010101010101010101010101010101010101010101010101010101010101011101010101010101010101010101010101010101010101010101010101010101010101010101010101010101010101010101010101010101010101010101010101010101010101010101010101010101010101010101010101010101010101010101010101010101010101010101010101010101010101010101010101010101010c00000040092900aa000000000000001700850000000000040000002701ffff030000000000 - ширина кольца подшипника;
0100090000031c0a000000003e06000000003e06000026060f00720c574d46430100000000000100d9ca0000000001000000500c000000000000500c0000010000006c0000000000000000000000520000001500000000000000000000007d0800003f02000020454d4600000100500c00000c00000001000000000000000000000000000000900600001a040000b801000013010000000000000000000000000000c0b6060038320400460000002c00000020000000454d462b014001001c000000100000000210c0db010000006000000060000000460000006403000058030000454d462b224004000c000000000000001e4009000c00000000000000244001000c000000000000003040020010000000040000000000803f214007000c0000000000000008400005b0020000a40200000210c0db01000000000000000000000000000000000000000100000089504e470d0a1a0a0000000d49484452000000500000001508020000005ee6fe25000000017352474200aece1ce9000000097048597300000e2600000e2601a2ef25fc0000022b494441545847ed574d8e8230142e730e495cb9f20290ccd6031866e16cbd0117102ee0317031c603b835810bb0726502f760de6b29d09652865867a2d3153f8fbebfeffb5e71aaaa22afb4de5e2959ccf53fe167ef38ef70163bbdebe3503ea004e5e1a3eb3dce2cfa04d162ab48024282a4101f4469736fe982fa25ad9f34c26cadf99538bc9ccf9ae2cee64b12ad3c8bc5c6adcbcbe90875de367ebc1da61c9d2d75b94db8b81ea5fcbc5db5b39dafae9cc1c2955f35aceb22be2103e3de081b0e542c6b0368b8b18629851914c32d97e86dbf77403f2cc9983e69ed4d36bcc3e52d27e4f8e932edf0a31f6359a77a5c8cf4ea0740aad22577edf80464438fac759804c7d385496976ce93700d1510f1306453274c99c4cb8445521165e032863db4be36ad3a885b212afd9cab6591e4bee30c0c07f77d5d675c1ef624dc10a0a2bc866c589002a02dc971ffb6ca7060e3a217d4d8092c0c55b5b4e69d14bac986759802baabd042c93a68d54fc8a99046ad145de374185ede0a34c60754b4daae7ca0b3a10933400b1308e267c9c1c57ec186339674af3b884c85b4bb807ee6b7cef186567f9853de165010855a9660e03a9b3e405350a942898fbb2793fb409f215852e97e3768aa8425a9bac9865042f42cd52567c77df214761162d0d5941b29a7411a3d7b6ab671c6fe0f03b4cfabdf3b8818583dfef5a8df431c1c4f912dd46544c259ec5ec3bab7596cf54f667ca3a65b9a182953fc71474e5364d3de8fe6f0f492fead2fbf0187febdf872e7ccdc0000000049454e44ae42608200000840010824000000180000000210c0db01000000030000000000000000000000000000001b40000040000000340000000100000002000000000000bf000000bf0000a0420000a841030000000000008000000080ffffa5420000008000000080ffffaf412100000008000000620000000c00000001000000150000000c00000004000000150000000c0000000400000051000000880700000000000000000000520000001500000000000000000000000000000000000000500000001500000050000000a8000000f800000090060000000000002000cc0053000000160000002800000050000000150000000100080000000000000000000000000000000000200000000000000000000000ffffff0080c6ff00a6540000ffffe300a6e3ff0000005400c680000054a6e30054000000ffe3a600e3ffff000054a600ffc6800080000000ffffc6000080c600c6ffff0000008000e3a654005454540054540000a654540054a6c6005480c600a6c6a60054005400a6e3e300c68054008000800054008000800054000101010101010101010101010101010101010101010101010101010101010101010101010101010101010101010101010101010101010101010101010101010101010101010101010101010101010101010101010101010101011112000000000d010101010101010101010101010101010101010101010101010101010101010101010101010101010101010101010101010101010101010101010101010101010101010101010101010102070101020d01010101010101010101010101010101010101010101010101010101010101010101010101010101010101010101010101010101010101010101010101010101010101010101010101010108070101010101010101010101010101010101010101010101010101010101010101010101010101010101010101010101010101010101010101010101010101010101010101010101010101010101010102070101010101010101010101010101010101010101010101010101010101010101010101010101010101010101010101010101010101010101010101010101010101020000000000000013010101010108130101010101010101010101010101010101010101010101010101010102000000090a01010101010111120003040101050600090a11120003040101050600090a0102090a01010b0c070101010101051a0a01010101010101010101010101010101010101010101010101010800130101020013010101010101051f0f0101010102000d0101051f0f0101010102000d010105060d010101111d0f111e0a0102090a010101010101010101010101010101010101010101010101010b0c030401010b0c030401010101010516040b0c0d0102090a01010516040b0c0d0102090a01010b0c07010101010101011112000007010101010101010110000000000000000000090a01010101010111120701010101100e0f01010101010516040200030402090a01010516040200030402090a010101100304010101010101010101010101010101010101010101010101010101010101010101010101010b0c030401010b0c0e0f01010101010516041007100d02090a01010516041007100d02090a010101080e0f0105160401010101010101010101010101010101010101010101010101010101010101010101050613010108001301010101010105161b1a0a051c02090a010105161b1a0a051c02090a01010105060000000e0f01010101010101010101010101010110000000000000000000090a0101010101010101111200000e0f0101010101010105161703040118191a0a010105161703040118191a0a0101011112130101100d01010101010101010101010101010101010101010101010101010101010101010101020013010102000d0101010101010514061301010215060d01010514061301010215060d010101011007010101010101010101010101010101010101010101010101010101010101010101010101010b0c0304010101100304010101011112000e0f01010b0c00090a1112000e0f01010b0c00090a010101080e0f010101100d010101010101010101010101010101010101010101010101010101010101010b0c0304010101100e0f0101010101010101010101010101010101010101010101010101010101010108090a01010b0c07010101010101010101010101010101010101010101010101010101010101010108000d01010200070101010101010101010101010101010101010101010101010101010101010102000000000000000304010101010101010101010101010101010101010101010101010101010101010105060000000701010101010101010101010101010101010101010101010101010101010101010101010101010101010101010101010101010101010101010101010101010101010101010101010101010101010101010101010101010101010101010101010101010101010101010101010101010101010101010101010101010101010101010101010101010101010101010101010101010101010101010101010101010101010101010101010101010101010101010101010101010101010101010101010101010101010101010101010101010101010101010101010101010101010101010101010101010101010101010101010101010101010101010101010101010101010101010101010101010101010101010101010101010101010101010101010101010101010101010101010101010101010101010101010101010101010101010101010101010101010101010101010101010101010101010101010101014c0000006400000000000000000000005200000015000000000000000000000053000000160000002900aa0000000000000000000000803f00000000000000000000803f0000000000000000000000000000000000000000000000000000000000000000220000000c000000ffffffff460000001c00000010000000454d462b024000000c000000000000000e000000140000000000000010000000140000000400000003010800050000000b0200000000050000000c0216005300030000001e0004000000070104000400000007010400a9030000410b2000cc00150050000000000016005300000000002800000050000000150000000100080000000000000000000000000000000000200000000000000000000000ffffff0080c6ff00a6540000ffffe300a6e3ff0000005400c680000054a6e30054000000ffe3a600e3ffff000054a600ffc6800080000000ffffc6000080c600c6ffff0000008000e3a654005454540054540000a654540054a6c6005480c600a6c6a60054005400a6e3e300c68054008000800054008000800054000101010101010101010101010101010101010101010101010101010101010101010101010101010101010101010101010101010101010101010101010101010101010101010101010101010101010101010101010101010101011112000000000d010101010101010101010101010101010101010101010101010101010101010101010101010101010101010101010101010101010101010101010101010101010101010101010101010102070101020d01010101010101010101010101010101010101010101010101010101010101010101010101010101010101010101010101010101010101010101010101010101010101010101010101010108070101010101010101010101010101010101010101010101010101010101010101010101010101010101010101010101010101010101010101010101010101010101010101010101010101010101010102070101010101010101010101010101010101010101010101010101010101010101010101010101010101010101010101010101010101010101010101010101010101020000000000000013010101010108130101010101010101010101010101010101010101010101010101010102000000090a01010101010111120003040101050600090a11120003040101050600090a0102090a01010b0c070101010101051a0a01010101010101010101010101010101010101010101010101010800130101020013010101010101051f0f0101010102000d0101051f0f0101010102000d010105060d010101111d0f111e0a0102090a010101010101010101010101010101010101010101010101010b0c030401010b0c030401010101010516040b0c0d0102090a01010516040b0c0d0102090a01010b0c07010101010101011112000007010101010101010110000000000000000000090a01010101010111120701010101100e0f01010101010516040200030402090a01010516040200030402090a010101100304010101010101010101010101010101010101010101010101010101010101010101010101010b0c030401010b0c0e0f01010101010516041007100d02090a01010516041007100d02090a010101080e0f0105160401010101010101010101010101010101010101010101010101010101010101010101050613010108001301010101010105161b1a0a051c02090a010105161b1a0a051c02090a01010105060000000e0f01010101010101010101010101010110000000000000000000090a0101010101010101111200000e0f0101010101010105161703040118191a0a010105161703040118191a0a0101011112130101100d01010101010101010101010101010101010101010101010101010101010101010101020013010102000d0101010101010514061301010215060d01010514061301010215060d010101011007010101010101010101010101010101010101010101010101010101010101010101010101010b0c0304010101100304010101011112000e0f01010b0c00090a1112000e0f01010b0c00090a010101080e0f010101100d010101010101010101010101010101010101010101010101010101010101010b0c0304010101100e0f0101010101010101010101010101010101010101010101010101010101010108090a01010b0c07010101010101010101010101010101010101010101010101010101010101010108000d01010200070101010101010101010101010101010101010101010101010101010101010102000000000000000304010101010101010101010101010101010101010101010101010101010101010105060000000701010101010101010101010101010101010101010101010101010101010101010101010101010101010101010101010101010101010101010101010101010101010101010101010101010101010101010101010101010101010101010101010101010101010101010101010101010101010101010101010101010101010101010101010101010101010101010101010101010101010101010101010101010101010101010101010101010101010101010101010101010101010101010101010101010101010101010101010101010101010101010101010101010101010101010101010101010101010101010101010101010101010101010101010101010101010101010101010101010101010101010101010101010101010101010101010101010101010101010101010101010101010101010101010101010101010101010101010101010101010101010101010101010101010101010101010101010c00000040092900aa000000000000001600530000000000040000002701ffff030000000000 - ширина дистанционного кольца;
0100090000033e0b00000000de0600000000de06000026060f00b20d574d464301000000000001003ebb0000000001000000900d000000000000900d0000010000006c00000000000000000000005c000000150000000000000000000000830900003f02000020454d4600000100900d00000c00000001000000000000000000000000000000900600001a040000b801000013010000000000000000000000000000c0b6060038320400460000002c00000020000000454d462b014001001c000000100000000210c0db01000000600000006000000046000000a003000094030000454d462b224004000c000000000000001e4009000c00000000000000244001000c000000000000003040020010000000040000000000803f214007000c0000000000000008400005ec020000e00200000210c0db01000000000000000000000000000000000000000100000089504e470d0a1a0a0000000d4948445200000059000000150802000000a2f3d5ef000000017352474200aece1ce9000000097048597300000e2600000e2601a2ef25fc00000267494441545847ed573b8ec2301075f61c44a2da8a0b04899603a05040cb09e002840bec0db60dc5465c02295c20d55648c93db2e35f6cc7bfb0c268578a2b628f3dbff76686a86d5b342e1281b7310e5d04c65808308cb1d063713b45c6b53e372f6051735e0beda75b4fa3721a45daf9d30c84da49579da708a579ad6e6465f71de807d18b3a3d65267f51abc4694b8ea5ef671a851cae83def0a1e8f90ee6e01d9e132d41f4388c5da25ed4df05ca968904b8e4d81ee5efa761517aa8b957e0f97b2c6dc5ef292a2e571737d50be46e477299421dbb28d53d321d2ee46ce0d887470445a49e66150be45c50d7810ab807ab274c76842f4e191e0bca4bb11e0e0525b27dc995482179cf596688222ebf6d370cfb9997e007bf5b66ea372d8a7619c691e67a0186b03a892f28a81d420e2094737d6d26e6679223e82bb6316b247bb4c2519d4d993886f9bce225bdceab7914399a5bbc58a59460cdf9031d360898df5f561981546be69e59abfd6f2914d16b67bfb1880749cea10d62146525a3b9427d860b9b0cc505a9605d2ad438cadddd9110db80c2e786a1830a4168ba5a5058e082ae1a3699ce3c304d9650ede680a59dbdf01b65482c2843941e02aed1820c678821b4cc8aedde367bfd9a23aa67b7cf2d9872e084c23d055577a9a7181a4f3f36c90e8a8678c3183aa30cafe503a62c0ccf904432c19feef5fa88d9082caa5556c3e86695416c92d382a7e933aaf2d37f9084a979888b4a8bb225830b6939259ed15d8f8c983b1d4677c63cdc690745e2af080dfa9fca6a016968e1fe190de9dc4165bcb180223ab4050435f4158f7b012a4fa4212ba7d790e00211687845c8ff838e1f497bcba6c211cde40000000049454e44ae42608200000840010824000000180000000210c0db01000000030000000000000000000000000000001b40000040000000340000000100000002000000000000bf000000bf0000b2420000a841030000000000008000000080feffb9420000008000000080ffffaf412100000008000000620000000c00000001000000150000000c00000004000000150000000c00000004000000510000008c08000000000000000000005c0000001500000000000000000000000000000000000000590000001500000050000000b0000000000100008c070000000000002000cc005d000000160000002800000059000000150000000100080000000000000000000000000000000000220000000000000000000000ffffff0080c6ff00a6540000ffffe300a6e3ff000000540080000000ffffc600c680000054a6e30054000000ffe3a600e3ffff000054a600ffc680000080c600c6ffff0000008000e3a654005454540054540000a654540054a6c6005480c600a6c6a60054005400a6a65400a6e3e300c6805400800080005454a6008000540054008000010101010101010101010101010101010101010101010101010101010101010101010101010101010101010101010101010101010101010101010101010101010101010101010101010101010101010101010101010101010101111201010101010101010101010a00000013010101010101010101010101010101010101010101010101010101010101010101010101010101010101010101010101010101010101010101010101010101010101010101010101010101010101010101010101010111210c0105060f010101010101010101010101010101010101010101010101010101010101010101010101010101010101010101010101010101010101010101010101010101010101010101010101010101010101010101010101010101010105060f0101010101010101010101010101010101010101010101010101010101010101010101010101010101010101010101010101010101010101010101010101010101010101010101010101010101010101010101010101011000000f01010101010101010101010101010101010101010101010101010101010101010101010101010101010101010101010101010101010101010101010101010101010101010101010101120003020000000000000013010101010d0e0f0101010101010101010101010101010101010101010101010101010105060b0c010101010101020000000b0c010101010101111200030401010506000b0c111200030401010506000b051f0f01020b0c01010d0e090101010101051a0c0101010101010101010101010101010101010101010101010101010101050609010101010a001301010200130101010101010520080101010102000f01010520080101010102000f0b0c070105060f010101111e080d1f0c01020b0c01010101010101010101010101010101010101010101010101010101010111120901010d0e030401010d0e030401010101010516040d0e0f01020b0c01010516040d0e0f01020b0c010101010d0e09010101010101010a000000130101010101010101100000000000000000000b0c0101010101010101010101010a0b0c0111120901010101100708010101010105160402000304020b0c010105160402000304020b0c010101010110030401010101010101010101010101010101010101010101010101010101010101010101010101010101010101050613010d0e030401010d0e070801010101010516041009100f020b0c01010516041009100f020b0c01010101010a070801051604010101010101010101010101010101010101010101010101010101010101010101010d0e0000001b1209010105061301010a001301010101010105161c1a0c051d020b0c010105161c1a0c051d020b0c000d01010105060000000708010101010101010101010101010101100000000000000000000b0c01010101010101100b0c01010a00030401011112000007080101010101010105161703040118191a0c010105161703040118191a0c01010b01011112130101100f0101010101010101010101010101010101010101010101010101010101010101011112090101010d0e030401020013010102000f0101010101010514061301010215060f01010514061301010215060f0101010101011009010101010101010101010101010101010101010101010101010101010101010101010101010506130101010d0e03040d0e030401010110030401010101111200070801010d0e000b0c111200070801010d0e000b0000000101010a0708010101100f01010101010101010101010101010101010101010101010101010101010101111209010101111213010d0e03040101011007080101010101010101010101010101010101010101010101010101010101010101010a0b0c01010d0e0901010101010101010101010101010101010101010101010101010101010101010a000f010110070801010a000f01010200090101010101010101010101010101010101010101010101010101010101010101010200000000000000030401010101010101010101010101010101010101010101010101010101010101010506000007080101010105060000000901010101010101010101010101010101010101010101010101010101010101010101010101010101010101010101010101010101010101010101010101010101010101010101010101010101010101010101010101010101010101010101010101010101010101010101010101010101010101010101010101010101010101010101010101010101010101010101010101010101010101010101010101010101010101010101010101010101010101010101010101010101010101010101010101010101010101010101010101010101010101010101010101010101010101010101010101010101010101010101010101010101010101010101010101010101010101010101010101010101010101010101010101010101010101010101010101010101010101010101010101010101010101020101010101010101010101010101010101010101010101010101010101010101010101010101010101010101010101010101010101010101010101010101010101010101010101010101010101010101010101010101010101f94f064c0000006400000000000000000000005c0000001500000000000000000000005d000000160000002900aa0000000000000000000000803f00000000000000000000803f0000000000000000000000000000000000000000000000000000000000000000220000000c000000ffffffff460000001c00000010000000454d462b024000000c000000000000000e000000140000000000000010000000140000000400000003010800050000000b0200000000050000000c0216005d00030000001e00040000000701040004000000070104002b040000410b2000cc00150059000000000016005d00000000002800000059000000150000000100080000000000000000000000000000000000220000000000000000000000ffffff0080c6ff00a6540000ffffe300a6e3ff000000540080000000ffffc600c680000054a6e30054000000ffe3a600e3ffff000054a600ffc680000080c600c6ffff0000008000e3a654005454540054540000a654540054a6c6005480c600a6c6a60054005400a6a65400a6e3e300c6805400800080005454a6008000540054008000010101010101010101010101010101010101010101010101010101010101010101010101010101010101010101010101010101010101010101010101010101010101010101010101010101010101010101010101010101010101111201010101010101010101010a00000013010101010101010101010101010101010101010101010101010101010101010101010101010101010101010101010101010101010101010101010101010101010101010101010101010101010101010101010101010111210c0105060f010101010101010101010101010101010101010101010101010101010101010101010101010101010101010101010101010101010101010101010101010101010101010101010101010101010101010101010101010101010105060f0101010101010101010101010101010101010101010101010101010101010101010101010101010101010101010101010101010101010101010101010101010101010101010101010101010101010101010101010101011000000f01010101010101010101010101010101010101010101010101010101010101010101010101010101010101010101010101010101010101010101010101010101010101010101010101120003020000000000000013010101010d0e0f0101010101010101010101010101010101010101010101010101010105060b0c010101010101020000000b0c010101010101111200030401010506000b0c111200030401010506000b051f0f01020b0c01010d0e090101010101051a0c0101010101010101010101010101010101010101010101010101010101050609010101010a001301010200130101010101010520080101010102000f01010520080101010102000f0b0c070105060f010101111e080d1f0c01020b0c01010101010101010101010101010101010101010101010101010101010111120901010d0e030401010d0e030401010101010516040d0e0f01020b0c01010516040d0e0f01020b0c010101010d0e09010101010101010a000000130101010101010101100000000000000000000b0c0101010101010101010101010a0b0c0111120901010101100708010101010105160402000304020b0c010105160402000304020b0c010101010110030401010101010101010101010101010101010101010101010101010101010101010101010101010101010101050613010d0e030401010d0e070801010101010516041009100f020b0c01010516041009100f020b0c01010101010a070801051604010101010101010101010101010101010101010101010101010101010101010101010d0e0000001b1209010105061301010a001301010101010105161c1a0c051d020b0c010105161c1a0c051d020b0c000d01010105060000000708010101010101010101010101010101100000000000000000000b0c01010101010101100b0c01010a00030401011112000007080101010101010105161703040118191a0c010105161703040118191a0c01010b01011112130101100f0101010101010101010101010101010101010101010101010101010101010101011112090101010d0e030401020013010102000f0101010101010514061301010215060f01010514061301010215060f0101010101011009010101010101010101010101010101010101010101010101010101010101010101010101010506130101010d0e03040d0e030401010110030401010101111200070801010d0e000b0c111200070801010d0e000b0000000101010a0708010101100f01010101010101010101010101010101010101010101010101010101010101111209010101111213010d0e03040101011007080101010101010101010101010101010101010101010101010101010101010101010a0b0c01010d0e0901010101010101010101010101010101010101010101010101010101010101010a000f010110070801010a000f01010200090101010101010101010101010101010101010101010101010101010101010101010200000000000000030401010101010101010101010101010101010101010101010101010101010101010506000007080101010105060000000901010101010101010101010101010101010101010101010101010101010101010101010101010101010101010101010101010101010101010101010101010101010101010101010101010101010101010101010101010101010101010101010101010101010101010101010101010101010101010101010101010101010101010101010101010101010101010101010101010101010101010101010101010101010101010101010101010101010101010101010101010101010101010101010101010101010101010101010101010101010101010101010101010101010101010101010101010101010101010101010101010101010101010101010101010101010101010101010101010101010101010101010101010101010101010101010101010101010101010101010101010101010101020101010101010101010101010101010101010101010101010101010101010101010101010101010101010101010101010101010101010101010101010101010101010101010101010101010101010101010101010101010101f94f060c00000040092900aa0000000000000016005d0000000000040000002701ffff030000000000 - ширина ступицы червячного колеса;
010009000003400b00000000de0600000000de06000026060f00b20d574d46430100000000000100d9850000000001000000900d000000000000900d0000010000006c00000000000000000000005c000000150000000000000000000000830900003f02000020454d4600000100900d00000c00000001000000000000000000000000000000900600001a040000b801000013010000000000000000000000000000c0b6060038320400460000002c00000020000000454d462b014001001c000000100000000210c0db010000006000000060000000460000009c03000090030000454d462b224004000c000000000000001e4009000c00000000000000244001000c000000000000003040020010000000040000000000803f214007000c0000000000000008400005e8020000dc0200000210c0db01000000000000000000000000000000000000000100000089504e470d0a1a0a0000000d4948445200000059000000150802000000a2f3d5ef000000017352474200aece1ce9000000097048597300000e2600000e2601a2ef25fc00000264494441545847ed5841ae823010adff1c90b872e50530f95b0f6070215b4ff0b980f502ff066e7121f1006e4de402ae5cfd04eec19fb658a6961688d6b8a02b814767e67566dee0a82c4b322ccec0d7c0836460e0a24e86810b9d8b6c3b6a5ccb7df1862a52aceb268bfd523ab7cddcf903bd53ac3c090909935cbd412ff2dad18f0b85e0a45d7e45b055ec17ffad3c7da553c4123af8e59e8a12ac682780ec3272d073ce9523af6a2e981547467a1d9e1aad16bb890c91504d39c56e0a365b30920b85fff7644423456aac5ae18a787022e1c40e43a5ce59cab13bf511c37e66cc5d478abf2b2169e48b1e35a3741ef4eb51a6e67b6f7add9a70b1ff6585b9311bf727ac6598d6224ec2f47816fd3e3b5d937801cc4d7c8c37622a2e8af33195f431f2d4d73bd0126cec95705879adbb14fb9f8824b98589d62dfcef454506d04ae215b9a5da3b264cc5450eafc8f8bdd5a18be7ad7ef5038070fad1f4d26699794aa66323b1de2aa669b4cbb25d3435e5b60123b8e0156231c0204ce32de2fe648d645b4644f99812de780aa57bcb555aed591bcca1cc66b36bb236575a238673212a44611142c38143f61e89ad50c93335023c83eb756d645bd95d787ba02739606527e89df65323c11ac6101a5b8bb211c3aafc41c3c5d885f415aee985dd74a2b96c634518d489030b872e2ba849353af820c1560ca945f7210fe5045a09ac2b2ea4e863fbaa682248a39adecfb39e24d028cdb755e70b7db6e3987ad632c8801c3504177942d198de6b88fa78700b17e2034059c693f9f858db1c1c75fe5f8b69de2dd63a7d3fe1fc6c741b59f82b162271d23d3bfae01ad63d2f3efb485fe1dd3f2b700b65ffe6855e0000000049454e44ae426082000840010824000000180000000210c0db01000000030000000000000000000000000000001b40000040000000340000000100000002000000000000bf000000bf0000b2420000a841030000000000008000000080feffb9420000008000000080ffffaf412100000008000000620000000c00000001000000150000000c00000004000000150000000c00000004000000510000009008000000000000000000005c0000001500000000000000000000000000000000000000590000001500000050000000b4000000040100008c070000000000002000cc005d000000160000002800000059000000150000000100080000000000000000000000000000000000230000000000000000000000ffffff0080c6ff00a6540000ffffe30054000000ffe3a600e3ffff000054a60080000000ffffc60054a6e300c68000000080c600c6ffff0000008000ffc68000e3a65400a6e3ff00545454000000540054540000a654540054a6c6005480c600a6c6a60054005400a6e3e300c6805400800080005454a60000545400e3c6800080005400a680a6000101010101010101010101010101010101010101010101010101010101010101010101010101010101010101010101010101010101010101010101010101010101010101010101010101010101010101010101010101010101011112010101010101010101010101010b00090a0101010101010101010101010101010101010101010101010101010101010101010101010101010101010101010101010101010101010101010101010101010101010101010101010101010101010101010101010101010107081001010101010101010101010101010101010101010101010101010101010101010101010101010101010101010101010101010101010101010101010101010101010101010101010101010101010101010101010101010b000000000003040101010101010101010101010101010101010101010101010101010101010101010101010101010101010101010101010101010101010101010101010101010101010101010101010101010101010101010101010e1d0a070820220401010101010101010101010101010101010101010101010101010101010101010101010101010101010101010101010101010101010101010101010101010101010101010101011200030200000000000000110101020c0708100101010101010101010101010101010101010101010101010101010d000000000000110101010e0f000003040101010101010e0f000304010112140005060e0f000304010112140005051f0f01020506010107080c0101010b200810010101010101010101010101010101010101010101010101010101121a060101010d1101010e0f03040708030401010101010112210a01010101020010010112210a010101010200100b0c07011214100101010e1d0a0101071e1f10010101010101010101010101010101010101010101010101010101010b03040101021101010b00100101020010010101010101121604070810010205060101121604070810010205060101010107080c01010101010101010112141001010101010101010d00000000000000000005060101010101010101010d0c0101010101010d090a01010e0f110101010101011216040200030402050601011216040200030402050601010101010d03040101010101010101010101010101010101010101010101010101010101010101010101010101010107080c010101010708030401010e0f0c0101010101011216040d0c0d1002050601011216040d0c0d1002050601010101010b090a011216040101010101010101010101010101010101010101010101010101010101010101010101010107081101010107080304010107080304010101010112161b1a06121c020506010112161b1a06121c020506000d0101011214000000090a0101010101010101010101010101010d00000000000000000005060101010101010101010101121410010107080304010107080304010101010112161703040118191a06010112161703040118191a0601010b01010e0f1101010d100101010101010101010101010101010101010101010101010101010101010101010101010101010d090a010708030401010e0f03040101010101121314110101021514100101121314110101021514100101010101010d0c0101010101010101010101010101010101010101010101010101010101010101010101010101010101010102001001010d090a01010e0f0c01010101010e0f00090a010107080005060e0f00090a0101070800050000000101010b090a0101010d1001010101010101010101010101010101010101010101010101010101010101010d110101010b001001010205060101020010010101010101010101010101010101010101010101010101010101010101010101010b0506010107080c01010101010101010101010101010101010101010101010101010101010101010d0506010e0f090a0101070803040708090a0101010101010101010101010101010101010101010101010101010101010101010200000000000000030401010101010101010101010101010101010101010101010101010101010101010200000005060101010107080000090a01010101010101010101010101010101010101010101010101010101010101010101010101010101010101010101010101010101010101010101010101010101010101010101010101010101010101010101010101010101010101010101010101010101010101010101010101010101010101010101010101010101010101010101010101010101010101010101010101010101010101010101010101010101010101010101010101010101010101010101010101010101010101010101010101010101010101010101010101010101010101010101010101010101010101010101010101010101010101010101010101010101010101010101010101010101010101010101010101010101010101010101010101010101010101010101010101010101010101010101010101010101010101020101010101010101010101010101010101010101010101010101010101010101010101010101010101010101010101010101010101010101010101010101010101010101010101010101010101010101010101010101010101f94f064c0000006400000000000000000000005c0000001500000000000000000000005d000000160000002900aa0000000000000000000000803f00000000000000000000803f0000000000000000000000000000000000000000000000000000000000000000220000000c000000ffffffff460000001c00000010000000454d462b024000000c000000000000000e000000140000000000000010000000140000000400000003010800050000000b0200000000050000000c0216005d00030000001e00040000000701040004000000070104002d040000410b2000cc00150059000000000016005d00000000002800000059000000150000000100080000000000000000000000000000000000230000000000000000000000ffffff0080c6ff00a6540000ffffe30054000000ffe3a600e3ffff000054a60080000000ffffc60054a6e300c68000000080c600c6ffff0000008000ffc68000e3a65400a6e3ff00545454000000540054540000a654540054a6c6005480c600a6c6a60054005400a6e3e300c6805400800080005454a60000545400e3c6800080005400a680a6000101010101010101010101010101010101010101010101010101010101010101010101010101010101010101010101010101010101010101010101010101010101010101010101010101010101010101010101010101010101011112010101010101010101010101010b00090a0101010101010101010101010101010101010101010101010101010101010101010101010101010101010101010101010101010101010101010101010101010101010101010101010101010101010101010101010101010107081001010101010101010101010101010101010101010101010101010101010101010101010101010101010101010101010101010101010101010101010101010101010101010101010101010101010101010101010101010b000000000003040101010101010101010101010101010101010101010101010101010101010101010101010101010101010101010101010101010101010101010101010101010101010101010101010101010101010101010101010e1d0a070820220401010101010101010101010101010101010101010101010101010101010101010101010101010101010101010101010101010101010101010101010101010101010101010101011200030200000000000000110101020c0708100101010101010101010101010101010101010101010101010101010d000000000000110101010e0f000003040101010101010e0f000304010112140005060e0f000304010112140005051f0f01020506010107080c0101010b200810010101010101010101010101010101010101010101010101010101121a060101010d1101010e0f03040708030401010101010112210a01010101020010010112210a010101010200100b0c07011214100101010e1d0a0101071e1f10010101010101010101010101010101010101010101010101010101010b03040101021101010b00100101020010010101010101121604070810010205060101121604070810010205060101010107080c01010101010101010112141001010101010101010d00000000000000000005060101010101010101010d0c0101010101010d090a01010e0f110101010101011216040200030402050601011216040200030402050601010101010d03040101010101010101010101010101010101010101010101010101010101010101010101010101010107080c010101010708030401010e0f0c0101010101011216040d0c0d1002050601011216040d0c0d1002050601010101010b090a011216040101010101010101010101010101010101010101010101010101010101010101010101010107081101010107080304010107080304010101010112161b1a06121c020506010112161b1a06121c020506000d0101011214000000090a0101010101010101010101010101010d00000000000000000005060101010101010101010101121410010107080304010107080304010101010112161703040118191a06010112161703040118191a0601010b01010e0f1101010d100101010101010101010101010101010101010101010101010101010101010101010101010101010d090a010708030401010e0f03040101010101121314110101021514100101121314110101021514100101010101010d0c0101010101010101010101010101010101010101010101010101010101010101010101010101010101010102001001010d090a01010e0f0c01010101010e0f00090a010107080005060e0f00090a0101070800050000000101010b090a0101010d1001010101010101010101010101010101010101010101010101010101010101010d110101010b001001010205060101020010010101010101010101010101010101010101010101010101010101010101010101010b0506010107080c01010101010101010101010101010101010101010101010101010101010101010d0506010e0f090a0101070803040708090a0101010101010101010101010101010101010101010101010101010101010101010200000000000000030401010101010101010101010101010101010101010101010101010101010101010200000005060101010107080000090a01010101010101010101010101010101010101010101010101010101010101010101010101010101010101010101010101010101010101010101010101010101010101010101010101010101010101010101010101010101010101010101010101010101010101010101010101010101010101010101010101010101010101010101010101010101010101010101010101010101010101010101010101010101010101010101010101010101010101010101010101010101010101010101010101010101010101010101010101010101010101010101010101010101010101010101010101010101010101010101010101010101010101010101010101010101010101010101010101010101010101010101010101010101010101010101010101010101010101010101010101010101010101020101010101010101010101010101010101010101010101010101010101010101010101010101010101010101010101010101010101010101010101010101010101010101010101010101010101010101010101010101010101f94f060c00000040092900aa0000000000000016005d0000000000040000002701ffff030000000000 - ширина дистанционного кольца;
010009000003140f00000000fa0800000000fa08000026060f00ea11574d4643010000000000010045cb0000000001000000c811000000000000c8110000010000006c000000000000000000000085000000160000000000000000000000b50d00005902000020454d4600000100c81100000c00000001000000000000000000000000000000900600001a040000b801000013010000000000000000000000000000c0b6060038320400460000002c00000020000000454d462b014001001c000000100000000210c0db010000006000000060000000460000006404000058040000454d462b224004000c000000000000001e4009000c00000000000000244001000c000000000000003040020010000000040000000000803f214007000c0000000000000008400005b0030000a40300000210c0db01000000000000000000000000000000000000000100000089504e470d0a1a0a0000000d4948445200000080000000160802000000876303c2000000017352474200aece1ce9000000097048597300000e2600000e2601a2ef25fc0000032b494441546843ed583b8ee240106df61cb6341111170069530e809800a79c607c813117604f30a909c69a03908e842f403411927d0fb6aadbfdb3dd1f3eb6d12e1d81bb5cbf57fdaadaa3f3f94c9e6bb80cfc1acef4d33266e009c0c075f004e04100c837a3d6f5ba2b7bf050b3de3069dfedc1bd4e4d401366ab4897842cd3427f901cc4ff8e7e1c12884fd8a5ff88b4aaef521f35273b72aa3fb5350a9abc0402eee0654292f9b453f899f265fa6755d99dae31c7c93e976695dde0f70276b39fa207a7fa3221b0c65aebbededda5456bdee48875d3adfbde12ecbcd6fc65c7549c54870ce13ea19c4a044361614e718323ef9dce6bf48153b0545a8400e8139940ab0ca7a0f27484b31d85ac13cf928bb9c7d4c5796bf7ebe6e56e9b80ebef3af131dd6194f5450b97d959c4e932fbfa66d34abe3fa6f102101987aa16a34c0540f9fd9509cc1031fd750f87a6eff602fae42c6fd155eede229216b5f413c275836358231ba5417878d6bd4808ad8921000544e215f969968a49a602a0805744d283d5a74fbaee1c58b97b0da3c9c166191ca39d6adbcb6c7c417cc12a4eb2e823cf3fa289696c31c830002801a91390621c12a3dc108c4c722305e51bccfeb951fcf52c84e3aac3b9d3231db7d01fbaad9d28250eedb943db740ed4399b1dd3b5796c6c95a1003002d2a0033fa47da5211b0bf4160a82e0c075493df986a70cc3d6d28747d5542a1a2648678028bde090e8ad796658466770a2e482a8b763761382a3a69c34a73642e7e724b6126dab4c65cc7c0503e2ed7622c2e946bd0062ecfc3f1be9847dff41481daa1b06d8c5b3c04ce35e6b78da4b666dadefd72639ab0cc170db964889186b51aa03285aed2b80e8fbbe0e2820d26a36796e02000711f955c0a48dfbd6f8804033ca9e3a64c43dc06308a650f866c043dfcd22edb5433dbc0d00e41ff51b8cafb62b22bae46b28fd10703cb179f711567bdfe18d5c7cb1c011c37faec6deb09f37c6812bb5b9d3e4024d398b0f77026cbe4bdaa9b379bdb6b562576bff900851833657f23cf69d14a4b500ad577a681f54441294f65580e75b0bac22ec3aa72958b569bb47782350e23e26ff8a04ccb7a7f500974c4bfefe2f001eb090fe02117cad65d4e213cb0000000049454e44ae42608200000840010824000000180000000210c0db01000000030000000000000000000000000000001b40000040000000340000000100000002000000000000bf000000bf000000430000b041030000000000008000000080ffff05430000008000000080feffb7412100000008000000620000000c00000001000000150000000c00000004000000150000000c0000000400000051000000000c00000000000000000000850000001600000000000000000000000000000000000000800000001600000050000000b000000000010000000b0000000000002000cc0086000000170000002800000080000000160000000100080000000000000000000000000000000000220000000000000000000000ffffff0080c6ff00a6540000ffffe30054000000ffe3a60054a6e300e3ffff000054a600c68000000080c600c6ffff000000800080000000ffffc600ffc68000e3a65400a6e3ff00545454000000540054540000a654540054a6c6005480c600a6c6a60054005400a6e3e300c68054008000800054008000e3e3e300800054005454a600010101010101010101010101010101010101010101010101010101010101010101010101010101010101010101010101010101010101010101010101010101010101010101010101010101010101010101010101010101010101010101010101010101010101010101010101010101010101010101010101010101010101010101010101010101010101010101010101010101010101010101010101010101010101010101010101010101010101010101010101010101010101010101010101010101010101010101010101010101180601010101010101010101010101010101010101010101010101010101010101010101010101010101010101010101010101010101010101010108090000001101010101010101010101010101010101010101010101010101010101010101010101010101010101010101010101010101010101010101010c0d000010010112200f010700000000110c0d000000001001010c0d000010010101010101010101010101010101010101010101010101010101010101010101010108210601121410010101010101010101010101010101010101010101010101010101010101010101010101010101010101010101010101010101010101010b0a01121a06010c1d0f0101010b0a010101020a0101021001010b0a01121a0601010101010101010101010101010101010101010101010101010101010101010101010101010809110101010101010101010101010101010101010101010101010101010101010101010101010101010101010101010101010101010101010c0d100108091101010101010101070a01010101070a010101010c0d100108091101010101010101010101010101010101010101010101010101010101010101010101010101011214100101010101010101010101010101010101010101010101010101010101010101010101010101010101010101010c0d000000000000100c1e0601010b0a01010101010101070a0101010101020a0101010c1e0601010b0a0101010101010101010101010101010101010101010101010200000000000000110101070000000a0101010101010101010101010101010101010101010101010101010b0000000000001101010c0d0000000a0101010101010101010101010c1e0601010b0a01010101010101070a010101010101071101010c1e0601010b0a010c0d000304010112140005060c0d00030401011214000501020506010108090a01010710010101010101010101010101010101010101010101010101010101010101121a060101010b110108090e0f0108090304010101010101010101010c0d100108091101010101011f01070a010101010101121a06010c0d1001080911010112200f01010101020010010112200f01010101020010011214100101010c1d0f0107100101010101010101010101010101010101010101010101010101010101010107030401010211010809110101010200100101010101010101010101070a01121a0601010101010700000a01010c1e06010205060101070a01121a060101121604080910010205060101121604080910010205060108090a01010101010101070000000506010101010101010b00000000000000000005060101010101010101010b0a01010101010101010101011214110101010101010101010101080900001101010101010101010b0a0101010c0d00000a01010108090000110101011216040200030402050601011216040200030402050601010b03040101010101010101010101010101010101010101010101010101010101010101010101010101010108090a010101010101010101010200110101010101010101010101010101010101010101010101010101010101010101010101010101010101010101011216040b0a0b1002050601011216040b0a0b100205060101070e0f0112160401010101010101010101010101010101010101010101010101010101010101010101010101080911010101010101010112140e0f01010101010101010101010101010101010101010101010101010101010101010101010101010101010101010112161b1a06121c020506010112161b1a06121c020506010112140000000e0f0101010101010101010101010101010b00000000000000000005060101010101010101010101121410010101010c0d000003040101010101010101010101010101010101010101010101010101010101010101010101010101010101010101010112161703040118191a06010112161703040118191a0601010c0d1101010b100101010101010101010101010101010101010101010101010101010101010101010101010101010b0e0f01010101010809030401010101010101010101010101010101010101010101010101010101010101010101010101010101010101010101121314110101021514100101121314110101021514100101010b0a01010101010101010101010101010101010101010101010101010101010101010101010101010101010101020010010101010101010b0e0f01010101010101010101010101010101010101010101010101010101010101010101010101010101010101010c0d000e0f010108090005060c0d000e0f010108090005010101070e0f0101010b1001010101010101010101010101010101010101010101010101010101010101010b1101010107001001010b1101010107001001010101010101010101010101010101010101010101010101010101010101010101010101010101010101010101010101010101010101010101010101010101010101010101070506010108090a01010101010101010101010101010101010101010101010101010101010101010b0506010c0d0e0f01010b0506010809050601010101010101010101010101010101010101010101010101010101010101010101010101010101010101010101010101010101010101010101010101010101010101010102000000000000000304010101010101010101010101010101010101010101010101010101010101010102000000050601010101020000000506010101010101010101010101010101010101010101010101010101010101010101010101010101010101010101010101010101010101010101010101010101010101010101010101010101010101010101010101010101010101010101010101010101010101010101010101010101010101010101010101010101010101010101010101010101010101010101010101010101010101010101010101010101010101010101010101010101010101010101010101010101010101010101010101010101010101010101010101010101010101010101010101010101010101010101010101010101010101010101010101010101010101010101010101010101010101010101010101010101010101010101010101010101010101010101010101010101010101010101010101010101010101010101010101010101010101010101010101010101010101010101010101010101010101010101010101010101010101010101010101010101010101010101010101010101010101010101010101010101010101010101010101010101010101010101010101010101010101010101010101010101010101010101010101010101010101010101010101010101010101010101010101010101010101010101010101010101010101010101010101010101010101010101010101010101010101010101010101010101010101010101010101010101010101010101010101010101010101010101010101010101010101010101010101010101010101010101010101010101010101010101010101010101014c0000006400000000000000000000008500000016000000000000000000000086000000170000002900aa0000000000000000000000803f00000000000000000000803f0000000000000000000000000000000000000000000000000000000000000000220000000c000000ffffffff460000001c00000010000000454d462b024000000c000000000000000e000000140000000000000010000000140000000400000003010800050000000b0200000000050000000c0217008600030000001e0004000000070104000400000007010400e5050000410b2000cc00160080000000000017008600000000002800000080000000160000000100080000000000000000000000000000000000220000000000000000000000ffffff0080c6ff00a6540000ffffe30054000000ffe3a60054a6e300e3ffff000054a600c68000000080c600c6ffff000000800080000000ffffc600ffc68000e3a65400a6e3ff00545454000000540054540000a654540054a6c6005480c600a6c6a60054005400a6e3e300c68054008000800054008000e3e3e300800054005454a600010101010101010101010101010101010101010101010101010101010101010101010101010101010101010101010101010101010101010101010101010101010101010101010101010101010101010101010101010101010101010101010101010101010101010101010101010101010101010101010101010101010101010101010101010101010101010101010101010101010101010101010101010101010101010101010101010101010101010101010101010101010101010101010101010101010101010101010101010101180601010101010101010101010101010101010101010101010101010101010101010101010101010101010101010101010101010101010101010108090000001101010101010101010101010101010101010101010101010101010101010101010101010101010101010101010101010101010101010101010c0d000010010112200f010700000000110c0d000000001001010c0d000010010101010101010101010101010101010101010101010101010101010101010101010108210601121410010101010101010101010101010101010101010101010101010101010101010101010101010101010101010101010101010101010101010b0a01121a06010c1d0f0101010b0a010101020a0101021001010b0a01121a0601010101010101010101010101010101010101010101010101010101010101010101010101010809110101010101010101010101010101010101010101010101010101010101010101010101010101010101010101010101010101010101010c0d100108091101010101010101070a01010101070a010101010c0d100108091101010101010101010101010101010101010101010101010101010101010101010101010101011214100101010101010101010101010101010101010101010101010101010101010101010101010101010101010101010c0d000000000000100c1e0601010b0a01010101010101070a0101010101020a0101010c1e0601010b0a0101010101010101010101010101010101010101010101010200000000000000110101070000000a0101010101010101010101010101010101010101010101010101010b0000000000001101010c0d0000000a0101010101010101010101010c1e0601010b0a01010101010101070a010101010101071101010c1e0601010b0a010c0d000304010112140005060c0d00030401011214000501020506010108090a01010710010101010101010101010101010101010101010101010101010101010101121a060101010b110108090e0f0108090304010101010101010101010c0d100108091101010101011f01070a010101010101121a06010c0d1001080911010112200f01010101020010010112200f01010101020010011214100101010c1d0f0107100101010101010101010101010101010101010101010101010101010101010107030401010211010809110101010200100101010101010101010101070a01121a0601010101010700000a01010c1e06010205060101070a01121a060101121604080910010205060101121604080910010205060108090a01010101010101070000000506010101010101010b00000000000000000005060101010101010101010b0a01010101010101010101011214110101010101010101010101080900001101010101010101010b0a0101010c0d00000a01010108090000110101011216040200030402050601011216040200030402050601010b03040101010101010101010101010101010101010101010101010101010101010101010101010101010108090a010101010101010101010200110101010101010101010101010101010101010101010101010101010101010101010101010101010101010101011216040b0a0b1002050601011216040b0a0b100205060101070e0f0112160401010101010101010101010101010101010101010101010101010101010101010101010101080911010101010101010112140e0f01010101010101010101010101010101010101010101010101010101010101010101010101010101010101010112161b1a06121c020506010112161b1a06121c020506010112140000000e0f0101010101010101010101010101010b00000000000000000005060101010101010101010101121410010101010c0d000003040101010101010101010101010101010101010101010101010101010101010101010101010101010101010101010112161703040118191a06010112161703040118191a0601010c0d1101010b100101010101010101010101010101010101010101010101010101010101010101010101010101010b0e0f01010101010809030401010101010101010101010101010101010101010101010101010101010101010101010101010101010101010101121314110101021514100101121314110101021514100101010b0a01010101010101010101010101010101010101010101010101010101010101010101010101010101010101020010010101010101010b0e0f01010101010101010101010101010101010101010101010101010101010101010101010101010101010101010c0d000e0f010108090005060c0d000e0f010108090005010101070e0f0101010b1001010101010101010101010101010101010101010101010101010101010101010b1101010107001001010b1101010107001001010101010101010101010101010101010101010101010101010101010101010101010101010101010101010101010101010101010101010101010101010101010101010101070506010108090a01010101010101010101010101010101010101010101010101010101010101010b0506010c0d0e0f01010b0506010809050601010101010101010101010101010101010101010101010101010101010101010101010101010101010101010101010101010101010101010101010101010101010101010102000000000000000304010101010101010101010101010101010101010101010101010101010101010102000000050601010101020000000506010101010101010101010101010101010101010101010101010101010101010101010101010101010101010101010101010101010101010101010101010101010101010101010101010101010101010101010101010101010101010101010101010101010101010101010101010101010101010101010101010101010101010101010101010101010101010101010101010101010101010101010101010101010101010101010101010101010101010101010101010101010101010101010101010101010101010101010101010101010101010101010101010101010101010101010101010101010101010101010101010101010101010101010101010101010101010101010101010101010101010101010101010101010101010101010101010101010101010101010101010101010101010101010101010101010101010101010101010101010101010101010101010101010101010101010101010101010101010101010101010101010101010101010101010101010101010101010101010101010101010101010101010101010101010101010101010101010101010101010101010101010101010101010101010101010101010101010101010101010101010101010101010101010101010101010101010101010101010101010101010101010101010101010101010101010101010101010101010101010101010101010101010101010101010101010101010101010101010101010101010101010101010101010101010101010101010101010101010101010101010101010101010101010c00000040092900aa000000000000001700860000000000040000002701ffff030000000000 - ширина кольца подшипника;
010009000003220a000000004206000000004206000026060f007a0c574d464301000000000001000b450000000001000000580c000000000000580c0000010000006c0000000000000000000000520000001500000000000000000000007d0800003f02000020454d4600000100580c00000c00000001000000000000000000000000000000900600001a040000b801000013010000000000000000000000000000c0b6060038320400460000002c00000020000000454d462b014001001c000000100000000210c0db01000000600000006000000046000000680300005c030000454d462b224004000c000000000000001e4009000c00000000000000244001000c000000000000003040020010000000040000000000803f214007000c0000000000000008400005b4020000a80200000210c0db01000000000000000000000000000000000000000100000089504e470d0a1a0a0000000d49484452000000500000001508020000005ee6fe25000000017352474200aece1ce9000000097048597300000e2600000e2601a2ef25fc0000022e494441545847ed57416ec2301074fa0e2271e2c40712a9571e80c2815ef9413e40f840fb8b7068c403b822850fe4d41352f28f74bd8eedd889638a308aa03e3561ebddd99d9905afae6bf24ae7ed95c052acff809f7de27cc2e79dd77b56fbea012da8f6ab76f6ddd9614e302d76ca3422244a4bf545928b67477f605e22f3e40945eb2cafa6e1f974229a3b99ce49b2081c369b5e5d9d0e19f47923f2045b0a39393a9ab2045cfe641abe605b6f5de335b5339af9fa4742756dc60b3130ed5d11c3894adb2a080d0fce38d5510672586a091ffbb303fbe168c1f846c6db62f884ab4b4148f6e133ef08933f73d9e47adc8cccee0744aaf3394fed85046cc3ccac659c46d9e1c4acf47c2cd278091d50f93014d3004625f136d126751965d1322d7be87cafa53ba8575156860577cb322d42cf1b580efefbb2415ced3f49bc262045fd0cc5b02215423bb2e3fe6b3bcb81ad8b5e52d349d0c6a0abe58deeb4d26d316cc248e8b64377c7d950d6b8226fa534f54a3535dd0ec3275880c784c00ae9ed9d7f30c520604668650341fd021b3ae1718113328aeb564afb33986771697dbdc1ee0f6b2ad8000b92d8a8120aca14d3476824554bd14e2d9b315873e9f6172029051adaf16fcdd56d310405d173784abc20c5a294baee2a74a5867eb04cb97a0dac5bf2ad3d86580a57faaf4cfeae881f7799ede721759028fd626a99c04650f5667197117e6c034cc054c49e47731b36f31142d44aba824c2d8599f475c52d2309f1a08ef14fe58e15fe0297aa977105f5e7420000000049454e44ae4260820000000840010824000000180000000210c0db01000000030000000000000000000000000000001b40000040000000340000000100000002000000000000bf000000bf0000a0420000a841030000000000008000000080ffffa5420000008000000080ffffaf412100000008000000620000000c00000001000000150000000c00000004000000150000000c00000004000000510000008c0700000000000000000000520000001500000000000000000000000000000000000000500000001500000050000000ac000000fc00000090060000000000002000cc0053000000160000002800000050000000150000000100080000000000000000000000000000000000210000000000000000000000ffffff0080c6ff00a6540000ffffe300a6e3ff0000005400c680000054a6e30054000000ffe3a600e3ffff000054a600ffc6800080000000ffffc6000080c600c6ffff0000008000e3a654005454540054540000a654540054a6c6005480c600a6c6a60054005400a6e3e300c68054008000800080005400a6a680005400800001010101010101010101010101010101010101010101010101010101010101010101010101010101010101010101010101010101010101010101010101010101010101010101010101010101010101010101010101010101010101111200000304010101010101010101010101010101010101010101010101010101010101010101010101010101010101010101010101010101010101010101010101010101010101010101010101010b0c13010b0c070101010101010101010101010101010101010101010101010101010101010101010101010101010101010101010101010101010101010101010101010101010101010101010101010111200a0101080304010101010101010101010101010101010101010101010101010101010101010101010101010101010101010101010101010101010101010101010101010101010101010101010101050603040b0c07010101010101010101010101010101010101010101010101010101010101010101010101010101010101010101010101010101010101010101010101010101020000000000000013010b0c1f0600030401010101010101010101010101010101010101010101010101010102000000090a01010101010111120003040101050600090a11120003040101050600090a0102090a01010b0c07010108070101010101010101010101010101010101010101010101010101010101010800130101020013010101010101051e0f0101010102000d0101051e0f0101010102000d010105060d010101111d0f010b0c07010101010101010101010101010101010101010101010101010101010b0c030401010b0c030401010101010516040b0c0d0102090a01010516040b0c0d0102090a01010b0c0701010101010101010102000e0f0101010101010110000000000000000000090a01010101010111120701010101100e0f01010101010516040200030402090a01010516040200030402090a010101100304010101010101010101010101010101010101010101010101010101010101010101010101010b0c030401010b0c0e0f01010101010516041007100d02090a01010516041007100d02090a010101080e0f0105160401010101010101010101010101010101010101010101010101010101010101010101050613010108001301010101010105161b1a0a051c02090a010105161b1a0a051c02090a01010105060000000e0f01010101010101010101010101010110000000000000000000090a0101010101010101111200000e0f0101010101010105161703040118191a0a010105161703040118191a0a0101011112130101100d01010101010101010101010101010101010101010101010101010101010101010101020013010102000d0101010101010514061301010215060d01010514061301010215060d010101011007010101010101010101010101010101010101010101010101010101010101010101010101010b0c0304010101100304010101011112000e0f01010b0c00090a1112000e0f01010b0c00090a010101080e0f010101100d010101010101010101010101010101010101010101010101010101010101010b0c0304010101100e0f0101010101010101010101010101010101010101010101010101010101010108090a01010b0c07010101010101010101010101010101010101010101010101010101010101010108000d01010200070101010101010101010101010101010101010101010101010101010101010102000000000000000304010101010101010101010101010101010101010101010101010101010101010105060000000701010101010101010101010101010101010101010101010101010101010101010101010101010101010101010101010101010101010101010101010101010101010101010101010101010101010101010101010101010101010101010101010101010101010101010101010101010101010101010101010101010101010101010101010101010101010101010101010101010101010101010101010101010101010101010101010101010101010101010101010101010101010101010101010101010101010101010101010101010101010101010101010101010101010101010101010101010101010101010101010101010101010101010101010101010101010101010101010101010101010101010101010101010101010101010101010101010101010101010101010101010101010101010101010101010101010101010101010101010101010101010101010101010101010101010101010101014c0000006400000000000000000000005200000015000000000000000000000053000000160000002900aa0000000000000000000000803f00000000000000000000803f0000000000000000000000000000000000000000000000000000000000000000220000000c000000ffffffff460000001c00000010000000454d462b024000000c000000000000000e000000140000000000000010000000140000000400000003010800050000000b0200000000050000000c0216005300030000001e0004000000070104000400000007010400ab030000410b2000cc00150050000000000016005300000000002800000050000000150000000100080000000000000000000000000000000000210000000000000000000000ffffff0080c6ff00a6540000ffffe300a6e3ff0000005400c680000054a6e30054000000ffe3a600e3ffff000054a600ffc6800080000000ffffc6000080c600c6ffff0000008000e3a654005454540054540000a654540054a6c6005480c600a6c6a60054005400a6e3e300c68054008000800080005400a6a680005400800001010101010101010101010101010101010101010101010101010101010101010101010101010101010101010101010101010101010101010101010101010101010101010101010101010101010101010101010101010101010101111200000304010101010101010101010101010101010101010101010101010101010101010101010101010101010101010101010101010101010101010101010101010101010101010101010101010b0c13010b0c070101010101010101010101010101010101010101010101010101010101010101010101010101010101010101010101010101010101010101010101010101010101010101010101010111200a0101080304010101010101010101010101010101010101010101010101010101010101010101010101010101010101010101010101010101010101010101010101010101010101010101010101050603040b0c07010101010101010101010101010101010101010101010101010101010101010101010101010101010101010101010101010101010101010101010101010101020000000000000013010b0c1f0600030401010101010101010101010101010101010101010101010101010102000000090a01010101010111120003040101050600090a11120003040101050600090a0102090a01010b0c07010108070101010101010101010101010101010101010101010101010101010101010800130101020013010101010101051e0f0101010102000d0101051e0f0101010102000d010105060d010101111d0f010b0c07010101010101010101010101010101010101010101010101010101010b0c030401010b0c030401010101010516040b0c0d0102090a01010516040b0c0d0102090a01010b0c0701010101010101010102000e0f0101010101010110000000000000000000090a01010101010111120701010101100e0f01010101010516040200030402090a01010516040200030402090a010101100304010101010101010101010101010101010101010101010101010101010101010101010101010b0c030401010b0c0e0f01010101010516041007100d02090a01010516041007100d02090a010101080e0f0105160401010101010101010101010101010101010101010101010101010101010101010101050613010108001301010101010105161b1a0a051c02090a010105161b1a0a051c02090a01010105060000000e0f01010101010101010101010101010110000000000000000000090a0101010101010101111200000e0f0101010101010105161703040118191a0a010105161703040118191a0a0101011112130101100d01010101010101010101010101010101010101010101010101010101010101010101020013010102000d0101010101010514061301010215060d01010514061301010215060d010101011007010101010101010101010101010101010101010101010101010101010101010101010101010b0c0304010101100304010101011112000e0f01010b0c00090a1112000e0f01010b0c00090a010101080e0f010101100d010101010101010101010101010101010101010101010101010101010101010b0c0304010101100e0f0101010101010101010101010101010101010101010101010101010101010108090a01010b0c07010101010101010101010101010101010101010101010101010101010101010108000d01010200070101010101010101010101010101010101010101010101010101010101010102000000000000000304010101010101010101010101010101010101010101010101010101010101010105060000000701010101010101010101010101010101010101010101010101010101010101010101010101010101010101010101010101010101010101010101010101010101010101010101010101010101010101010101010101010101010101010101010101010101010101010101010101010101010101010101010101010101010101010101010101010101010101010101010101010101010101010101010101010101010101010101010101010101010101010101010101010101010101010101010101010101010101010101010101010101010101010101010101010101010101010101010101010101010101010101010101010101010101010101010101010101010101010101010101010101010101010101010101010101010101010101010101010101010101010101010101010101010101010101010101010101010101010101010101010101010101010101010101010101010101010101010101010c00000040092900aa000000000000001600530000000000040000002701ffff030000000000 – высота буртика нижней крышки;
010009000003780e000000008a08000000008a08000026060f000a11574d46430100000000000100fb550000000001000000e810000000000000e8100000010000006c00000000000000000000007e000000160000000000000000000000fd0c00005902000020454d4600000100e81000000c00000001000000000000000000000000000000900600001a040000b801000013010000000000000000000000000000c0b6060038320400460000002c00000020000000454d462b014001001c000000100000000210c0db01000000600000006000000046000000dc030000d0030000454d462b224004000c000000000000001e4009000c00000000000000244001000c000000000000003040020010000000040000000000803f214007000c0000000000000008400005280300001c0300000210c0db01000000000000000000000000000000000000000100000089504e470d0a1a0a0000000d494844520000007a000000160802000000800d1f92000000017352474200aece1ce9000000097048597300000e2600000e2601a2ef25fc000002a3494441546843ed583dae8240105edf3924b17a1517c0e4b51ec06801ad27900b8817f006b658483c80ad895cc0caca04eee1db1ff607d98135ca620c5b29ceeccc7eb37cf38d83fbfd8efa650b811f5b81fa3804811e6eabf7a087bb13b8d3f540bbe6bbdc5a3ef96e3eb019cfdac164207ebbbd5516cf109ac519ee9d6cd107ee6868232b5a6d27486cc4ea32c60399a8e80e472e8a265eebd911a88f93a2bcad47eb3880b8cce708a1e82cbedaff5079bdeca7501f912044970a13cd9a2c460c0d3688472076824af017fbc87f3cdcf405c44be55c8c147d22e1aab5e16492df2e082581c3fae5387a9a45a05ecb1bf0d7f4c06918cf92c3892988f47889c329c6ffd751590ab429e0ce4f87445488d4a7ec6e4078deaafe4ddcfb567aae41a6af9a387fd302ef7cb741a18faed50e0fd9147067d845403cf4f7df03ceabe06afc877e1825c1364db7810b4909c086c14da944aff988182ead75aa3d411764227303a84a494aa60d7935ee26cfed4d70731b8f2ff102166e5a1b0a37a39252a170a23c41576871c2325004fb6492ef96814ba55416a3605999c7f01136bf6c8c20ad7fc30c20afa6ddca77cc5b60411285b504a9b529b2a90e385569d2b25e795299a8c295b8aa13da631b91bf435e66bb917d2ab850ed575226b00d924ab15cbf4af6f46acb99f38da25848572583661d4a2498c8a77e68505287bc4c76e39aba327a6b743760237477137c2d5f6d20bc981a4a7781d6c20420c124627c7b05ee26880c7e37fc47104b9edabed042ffa75bea3bc2aa6850c935638149abd76a57d2fef01f04dc811a435ecdbbbde194062561ada6cbf95e9ba4249012752bb9aa699f237602c00b7c6e848fb1910999b4c7dac669ea0d25d5e83ad52311711b9d172f04bbbfed5dad010ef48677e463b648d7f3dbe27387b46f83fb63eaae4fe41f59a7e7016f9bfce50000000049454e44ae42608200000840010824000000180000000210c0db01000000030000000000000000000000000000001b40000040000000340000000100000002000000000000bf000000bf0000f4420000b041030000000000008000000080fdfffd420000008000000080feffb7412100000008000000620000000c00000001000000150000000c00000004000000150000000c0000000400000051000000a80b000000000000000000007e00000016000000000000000000000000000000000000007a0000001600000050000000b000000000010000a80a0000000000002000cc007f00000017000000280000007a000000160000000100080000000000000000000000000000000000220000000000000000000000ffffff0080c6ff00a6540000ffffe300a6e3ff0054005400ffe3a60054a6e30054000000e3ffff000054a600c6800000c6ffff000000800080000000ffffc6000080c600ffc68000e3a65400545454000000540054540000a654540054a6c6005480c600a6c6a600a6e3e300c680540080008000a680a6005454a6005400800080005400010101010101010101010101010101010101010101010101010101010101010101010101010101010101010101010101010101010101010101010101010101010101010101010101010101010101010101010101010101010101010101010101010101010101010101010101010101010101010101010101010101010101010101010101010101010101010101010101010101010101010101010101010101010101010101010101010101010101010101010101010101010101010101010101011907010101010101010101010101010101010101010101010101010101010101010101010101010101010101010101010101010101010101010101010101010101010a1f070101010101010101010101010101010101010101010101010101010101010101010101010101010101010101010101010d0e00001201010521100d0e0000000012010d0e0000120101010d0e00001201010101010101010101010101010101010101010101010101010101010101010101010101010101010101020c010101010101010101010101010101010101010101010101010101010101010101010101010101010101010101010101110c01050607010d1d1001020c0101021201110c010506070101110c010506070101010101010101010101010101010101010101010101010101010101010101010101010101010101010a1f07010101010101010101010101010101010101010101010101010101010101010101010101010101010101010101010d0e12010a0b13010101010101080c0101010d0e12010a0b13010d0e12010a0b1301010101010101010101010101010101010101010101010101010101160401010101010101010101010101020c010101010101010101010101010101010101010101010101010101010101010101010101010d0e000000000000120d20070101110c01010101010101020c01010d20070101110c010d20070101110c010101010101010101010101010101010101010101010101010101010101020000000000000013010101010a1f070101010101010101010101010101010101010101010101010101010a0b00000000000c010101010101010101010d20070101110c01010101010101010813010d20070101110c010d20070101110c01010101010d0e000304010105150009070d0e0003040101051500090a010102090701010a0b0c0101010101020c0101010101010101010101010101010101010101010101010101010101010809070101010101010101010101010d0e12010a0b1301010101010101010506070d0e12010a0b13010d0e12010a0b13010101010101052110010101010200120101052110010101010200120101010515120101010d1d100a1e04010a1f07010101010101010101010101010101010101010101010101010101010108090701010101010101010101010101080c01050607010101010d20070102090701080c010506070101080c010506070101010101010517040a0b120102090701010517040a0b1201020907010b010a0b0c0101010101010a0b000000000c0101010101010111000000000000000000090701010101010101010101080907010101010101010101010101010a0b0000130101010101010d0e00000c01010a0b0000130101010a0b0000130101010101010105170402000304020907010105170402000304020907010101011103040101010101010101010101010101010101010101010101010101010101010101010101010101010101080907010101010101010101010101010101010101010101010101010101010101010101010101010101010101010101010101010101051704110c11120209070101051704110c111202090701010101080f10010517040101010101010101010101010101010101010101010101010101010101010101010101010108090701010101010101010101010101010101010101010101010101010101010101010101010101010101010101010101010101010105171b0607051c020907010105171b0607051c0209070101010105150000000f1001010101010101010101010101010111000000000000000000090701010101010101010101080907010101010101010101010101010101010101010101010101010101010101010101010101010101010101010101010101010101051718030401191a06070101051718030401191a0607010101010d0e130101111201010101010101010101010101010101010101010101010101010101010101010101010101080907010101010101010101010101010101010101010101010101010101010101010101010101010101010101010101010101010101051415130101021615120101051415130101021615120101010101110c010101010101010101010101010101010101010101010101010101010101010101010101010101010108090701010101010101010101010101010101010101010101010101010101010101010101010101010101010101010101010101010d0e000f1001010a0b0009070d0e000f1001010a0b00090101010101080f1001010111120101010101010101010101010101010101010101010101010101010101010101020f1008090701010101010101010101010101010101010101010101010101010101010101010101010101010101010101010101010101010101010101010101010101010101010101010101010101010101010108090701010a0b0c0101010101010101010101010101010101010101010101010101010101010101010d0e00090701010101010101010101010101010101010101010101010101010101010101010101010101010101010101010101010101010101010101010101010101010101010101010101010101090501010200000000000000030401010101010101010101010101010101010101010101010101010101010101010101050607010101010101010101010101010101010101010101010101010101010101010101010101010101010101010101010101010101010101010101010101010101010101010101010101010200010101010101010101010101010101010101010101010101010101010101010101010101010101010101010101010101010101010101010101010101010101010101010101010101010101010101010101010101010101010101010101010101010101010101010101010101010101010101010101010101010101010101010101010101010101010101010101010101010101010101010101010101010101010101010101010101010101010101010101010101010101010101010101010101010101010101010101010101010101010101010101010101010101010101010101010101010101010101010101010101010101010101010101010101010101010101010101010101010101010101010101010101010101010101010101010101010101010101010101010101010101010101010101010101010101010101010101010101010101010101010101010101010101010101010101010101010101010101010101010101010101010101010101010101010101010101010101010101010101010101010101010101010101010101010101010101010101010101010101010101010101010101010101010101010101010101010101010101010101010101010101010101010101010101010101010101010101010101010101010101010101010101010101010101010101014c0000006400000000000000000000007e0000001600000000000000000000007f000000170000002900aa0000000000000000000000803f00000000000000000000803f0000000000000000000000000000000000000000000000000000000000000000220000000c000000ffffffff460000001c00000010000000454d462b024000000c000000000000000e000000140000000000000010000000140000000400000003010800050000000b0200000000050000000c0217007f00030000001e0004000000070104000400000007010400b9050000410b2000cc0016007a000000000017007f0000000000280000007a000000160000000100080000000000000000000000000000000000220000000000000000000000ffffff0080c6ff00a6540000ffffe300a6e3ff0054005400ffe3a60054a6e30054000000e3ffff000054a600c6800000c6ffff000000800080000000ffffc6000080c600ffc68000e3a65400545454000000540054540000a654540054a6c6005480c600a6c6a600a6e3e300c680540080008000a680a6005454a6005400800080005400010101010101010101010101010101010101010101010101010101010101010101010101010101010101010101010101010101010101010101010101010101010101010101010101010101010101010101010101010101010101010101010101010101010101010101010101010101010101010101010101010101010101010101010101010101010101010101010101010101010101010101010101010101010101010101010101010101010101010101010101010101010101010101010101011907010101010101010101010101010101010101010101010101010101010101010101010101010101010101010101010101010101010101010101010101010101010a1f070101010101010101010101010101010101010101010101010101010101010101010101010101010101010101010101010d0e00001201010521100d0e0000000012010d0e0000120101010d0e00001201010101010101010101010101010101010101010101010101010101010101010101010101010101010101020c010101010101010101010101010101010101010101010101010101010101010101010101010101010101010101010101110c01050607010d1d1001020c0101021201110c010506070101110c010506070101010101010101010101010101010101010101010101010101010101010101010101010101010101010a1f07010101010101010101010101010101010101010101010101010101010101010101010101010101010101010101010d0e12010a0b13010101010101080c0101010d0e12010a0b13010d0e12010a0b1301010101010101010101010101010101010101010101010101010101160401010101010101010101010101020c010101010101010101010101010101010101010101010101010101010101010101010101010d0e000000000000120d20070101110c01010101010101020c01010d20070101110c010d20070101110c010101010101010101010101010101010101010101010101010101010101020000000000000013010101010a1f070101010101010101010101010101010101010101010101010101010a0b00000000000c010101010101010101010d20070101110c01010101010101010813010d20070101110c010d20070101110c01010101010d0e000304010105150009070d0e0003040101051500090a010102090701010a0b0c0101010101020c0101010101010101010101010101010101010101010101010101010101010809070101010101010101010101010d0e12010a0b1301010101010101010506070d0e12010a0b13010d0e12010a0b13010101010101052110010101010200120101052110010101010200120101010515120101010d1d100a1e04010a1f07010101010101010101010101010101010101010101010101010101010108090701010101010101010101010101080c01050607010101010d20070102090701080c010506070101080c010506070101010101010517040a0b120102090701010517040a0b1201020907010b010a0b0c0101010101010a0b000000000c0101010101010111000000000000000000090701010101010101010101080907010101010101010101010101010a0b0000130101010101010d0e00000c01010a0b0000130101010a0b0000130101010101010105170402000304020907010105170402000304020907010101011103040101010101010101010101010101010101010101010101010101010101010101010101010101010101080907010101010101010101010101010101010101010101010101010101010101010101010101010101010101010101010101010101051704110c11120209070101051704110c111202090701010101080f10010517040101010101010101010101010101010101010101010101010101010101010101010101010108090701010101010101010101010101010101010101010101010101010101010101010101010101010101010101010101010101010105171b0607051c020907010105171b0607051c0209070101010105150000000f1001010101010101010101010101010111000000000000000000090701010101010101010101080907010101010101010101010101010101010101010101010101010101010101010101010101010101010101010101010101010101051718030401191a06070101051718030401191a0607010101010d0e130101111201010101010101010101010101010101010101010101010101010101010101010101010101080907010101010101010101010101010101010101010101010101010101010101010101010101010101010101010101010101010101051415130101021615120101051415130101021615120101010101110c010101010101010101010101010101010101010101010101010101010101010101010101010101010108090701010101010101010101010101010101010101010101010101010101010101010101010101010101010101010101010101010d0e000f1001010a0b0009070d0e000f1001010a0b00090101010101080f1001010111120101010101010101010101010101010101010101010101010101010101010101020f1008090701010101010101010101010101010101010101010101010101010101010101010101010101010101010101010101010101010101010101010101010101010101010101010101010101010101010108090701010a0b0c0101010101010101010101010101010101010101010101010101010101010101010d0e00090701010101010101010101010101010101010101010101010101010101010101010101010101010101010101010101010101010101010101010101010101010101010101010101010101090501010200000000000000030401010101010101010101010101010101010101010101010101010101010101010101050607010101010101010101010101010101010101010101010101010101010101010101010101010101010101010101010101010101010101010101010101010101010101010101010101010200010101010101010101010101010101010101010101010101010101010101010101010101010101010101010101010101010101010101010101010101010101010101010101010101010101010101010101010101010101010101010101010101010101010101010101010101010101010101010101010101010101010101010101010101010101010101010101010101010101010101010101010101010101010101010101010101010101010101010101010101010101010101010101010101010101010101010101010101010101010101010101010101010101010101010101010101010101010101010101010101010101010101010101010101010101010101010101010101010101010101010101010101010101010101010101010101010101010101010101010101010101010101010101010101010101010101010101010101010101010101010101010101010101010101010101010101010101010101010101010101010101010101010101010101010101010101010101010101010101010101010101010101010101010101010101010101010101010101010101010101010101010101010101010101010101010101010101010101010101010101010101010101010101010101010101010101010101010101010101010101010101010101010101010101010101010c00000040092900aa0000000000000017007f0000000000040000002701ffff030000000000 - толщина прокладки верхней крышки;
010009000003e60b000000003807000000003807000026060f00660e574d46430100000000000100286e0000000001000000440e000000000000440e0000010000006c000000000000000000000066000000150000000000000000000000890a00003f02000020454d4600000100440e00000c00000001000000000000000000000000000000900600001a040000b801000013010000000000000000000000000000c0b6060038320400460000002c00000020000000454d462b014001001c000000100000000210c0db01000000600000006000000046000000b8030000ac030000454d462b224004000c000000000000001e4009000c00000000000000244001000c000000000000003040020010000000040000000000803f214007000c000000000000000840000504030000f80200000210c0db01000000000000000000000000000000000000000100000089504e470d0a1a0a0000000d4948445200000063000000150802000000dd22c71e000000017352474200aece1ce9000000097048597300000e2600000e2601a2ef25fc00000280494441545847ed583b8ec2301075f61c44a2da8a0b10695b0e1041012d27d85c8070813d46281671806d91e002a9a890927b64c7ff4f6cc77c2544a6c299b13d7e7e6fc6bb51d334a8b700043e0262fa108c408f54280f7aa42e45eab88eac36dbd4a14bdd1c576f66916d3ffc5db1f551dbc9efbd3929b90054746a553145685a54fa87fc20c68ffc71c859466a02222b24b3a0817c4c72767aef9b30f20003593d03287c78bc4febaa6cd7d734042b9a976586e2bd2f508dac53d5698bf2c958a1eb78d5acd4f11d99ac2e05db5cbacff433f62463f18ae2a24a57e8964abe2346700a5f86a0fe93d8a4dfba8d538c4252930667c8d0e955d787d5c18c60f245eac61bc339559f4b84b68b9856ce24d7d915c026574be0a5f8dad680197718f1c4a20481ee24d3fd5e33ed342ba6dbdd9ef6a8e35f59642940a7f3d319c390aaf73bd01eabde185a2fbd6dc0e19c7df63b1f04e0dd0ec112494ade68aaa24c22a541fabdadd5e2af9441556f7e50364750714c73c6d0d369dabb73290c5d2eaca2abedae3dc36c86726f7cfd186fda3f5879318eed8da19c22da1b0d1db7ae08cbada1c7a80fb7193db1c1702458e0f7da293c9e40474f80a54b77b3b2c610a4a8f6b4be0707a76d02f82dc87fc8b78b6fc753f431ea8b3fa1e49667e5f54b2e951507bfd721f6f1121e6179e62d06d6189bf6088759d5e2af1d21d2873db1acbd8fcac9e86e62e8f76ab2c7a1add48d4eea8d41f425d7369e0d9ecd7f6ba885969fee387a5eddd44369199a8f783dff9697edce9768fd0d4276a55f3b62e41bdd7d2279125722dd68bc7e44e7ff12a060c5a78c1eb44a77312b5f5775fc979ed4851429a0dcd4bef3d2a7be2af94e596855e48de51701525721fc7693fe011791f832abff15220000000049454e44ae426082000840010824000000180000000210c0db01000000030000000000000000000000000000001b40000040000000340000000100000002000000000000bf000000bf0000c6420000a841030000000000008000000080feffcd420000008000000080ffffaf412100000008000000620000000c00000001000000150000000c00000004000000150000000c0000000400000051000000280900000000000000000000660000001500000000000000000000000000000000000000630000001500000050000000a4000000f400000034080000000000002000cc00670000001600000028000000630000001500000001000800000000000000000000000000000000001f0000000000000000000000ffffff0080c6ff00a6540000ffffe300a6e3ff0054005400ffe3a60000005400c680000054a6e30054000000e3ffff000054a600c6ffff0000008000ffc6800080000000ffffc6000080c600e3a654005454540054540000a654540054a6c6005480c600a6c6a600a6e3e300c680540080008000800054000101010101010101010101010101010101010101010101010101010101010101010101010101010101010101010101010101010101010101010101010101010101010101010101010101010101010101010101010101010101010101010101010101010101010101010101010101010a0000000304010101010101010101010101010101010101010101010101010101010101010101010101010101010101010101010101010101010101010101010101010101010101010101010101010101010101010101010101010101010101010101050810010113090101010101010101010101010101010101010101010101010101010101010101010101010101010101010101010101010101010101010101010101010101010101010101010101010101010101010101010101010101010101010101010e0f10010c0d09010101010101010101010101010101010101010101010101010101010101010101010101010101010101010101010101010101010101010101010101010101010101010101010101010101010101010101010101010101010101010101010c0d000014010101010101010101010101010101010101010101010101010101010101010101010101010101010101010101010101010101010101010101010101010101010101010101010101010101010101010101010101020000000000000014010c0d14010e0f1001010101010101010101010101010101010101010101010101010c0d000000000009010101020000000b0701010101020000000b070101010101010e0f00030401010508000b070e0f00030401010508000b0101020b0701010c0d09010e0f100101130901010101010101010101010101010101010101010101010101010101010a0b07010101010a0014010102001401010a00140101020014010101010101051e12010101010200100101051e12010101010200100d010508100101010e1d120c0d14010e0f1401010101010101010101010101010101010101010101010101010101010a0b070101010c0d030401010c0d03040c0d030401010c0d030401010101010517040c0d1001020b0701010517040c0d1001020b0701010c0d09010101010101010e0f0000030401010101010101130000000000000000000b07010101010101010101010a0b070101010e0f09010101011311120e0f0901010101131112010101010105170402000304020b07010105170402000304020b0701010113030401010101010101010101010101010101010101010101010101010101010101010101010101010101010a0b070101010c0d030401010c0d11120c0d030401010c0d1112010101010105170413091310020b07010105170413091310020b070d01010a111201051704010101010101010101010101010101010101010101010101010101010101010101010101010a0b070101010105081401010a0014010105081401010a001401010101010105171b0607051c020b07010105171b0607051c020b0702010105080000001112010101010101010101010101010101130000000000000000000b07010101010101010101010a0b0701010101010e0f00001112010101010e0f0000111201010101010101051718030401191a06070101051718030401191a06070001010e0f1401011310010101010101010101010101010101010101010101010101010101010101010101010101010a0b07010101010200140101020010010102001401010200100101010101010515081401010216081001010515081401010216081001010101130901010101010101010101010101010101010101010101010101010101010101010101010101010101010a0b070101010c0d03040101011303040c0d0304010101130304010101010e0f00111201010c0d000b070e0f00111201010c0d000b010101010a1112010101131001010101010101010101010101010101010101010101010101010101010101010211120a0b070101010c0d03040101011311120c0d0304010101131112010101010101010101010101010101010101010101010101010101010101010a0b0701010c0d090101010101010101010101010101010101010101010101010101010101010101010e0f000b07010101010a0010010102000901010a00100101020009010101010101010101010101010101010101010101010101010101010101010200000000000000030401010101010101010101010101010101010101010101010101010101010101010101050607010101010105080000000901010101050800000009010101010101010101010101010101010101010101010101010101010101010101010101010101010101010101010101010101010101010101010101010101010101010101010101010101010101010101010101010101010101010101010101010101010101010101010101010101010101010101010101010101010101010101010101010101010101010101010101010101010101010101010101010101010101010101010101010101010101010101010101010101010101010101010101010101010101010101010101010101010101010101010101010101010101010101010101010101010101010101010101010101010101010101010101010101010101010101010101010101010101010101010101010101010101010101010101010101010101010101010101010101010101010101010101010101010101010101010101010101010101010101010101010101010101010101010101010101010101010101010101010101010101010101010101010101010101010101010101010101010101010101010101010101010101010101010101010101010101010101010101010101010101010101014c0000006400000000000000000000006600000015000000000000000000000067000000160000002900aa0000000000000000000000803f00000000000000000000803f0000000000000000000000000000000000000000000000000000000000000000220000000c000000ffffffff460000001c00000010000000454d462b024000000c000000000000000e000000140000000000000010000000140000000400000003010800050000000b0200000000050000000c0216006700030000001e000400000007010400040000000701040079040000410b2000cc001500630000000000160067000000000028000000630000001500000001000800000000000000000000000000000000001f0000000000000000000000ffffff0080c6ff00a6540000ffffe300a6e3ff0054005400ffe3a60000005400c680000054a6e30054000000e3ffff000054a600c6ffff0000008000ffc6800080000000ffffc6000080c600e3a654005454540054540000a654540054a6c6005480c600a6c6a600a6e3e300c680540080008000800054000101010101010101010101010101010101010101010101010101010101010101010101010101010101010101010101010101010101010101010101010101010101010101010101010101010101010101010101010101010101010101010101010101010101010101010101010101010a0000000304010101010101010101010101010101010101010101010101010101010101010101010101010101010101010101010101010101010101010101010101010101010101010101010101010101010101010101010101010101010101010101050810010113090101010101010101010101010101010101010101010101010101010101010101010101010101010101010101010101010101010101010101010101010101010101010101010101010101010101010101010101010101010101010101010e0f10010c0d09010101010101010101010101010101010101010101010101010101010101010101010101010101010101010101010101010101010101010101010101010101010101010101010101010101010101010101010101010101010101010101010c0d000014010101010101010101010101010101010101010101010101010101010101010101010101010101010101010101010101010101010101010101010101010101010101010101010101010101010101010101010101020000000000000014010c0d14010e0f1001010101010101010101010101010101010101010101010101010c0d000000000009010101020000000b0701010101020000000b070101010101010e0f00030401010508000b070e0f00030401010508000b0101020b0701010c0d09010e0f100101130901010101010101010101010101010101010101010101010101010101010a0b07010101010a0014010102001401010a00140101020014010101010101051e12010101010200100101051e12010101010200100d010508100101010e1d120c0d14010e0f1401010101010101010101010101010101010101010101010101010101010a0b070101010c0d030401010c0d03040c0d030401010c0d030401010101010517040c0d1001020b0701010517040c0d1001020b0701010c0d09010101010101010e0f0000030401010101010101130000000000000000000b07010101010101010101010a0b070101010e0f09010101011311120e0f0901010101131112010101010105170402000304020b07010105170402000304020b0701010113030401010101010101010101010101010101010101010101010101010101010101010101010101010101010a0b070101010c0d030401010c0d11120c0d030401010c0d1112010101010105170413091310020b07010105170413091310020b070d01010a111201051704010101010101010101010101010101010101010101010101010101010101010101010101010a0b070101010105081401010a0014010105081401010a001401010101010105171b0607051c020b07010105171b0607051c020b0702010105080000001112010101010101010101010101010101130000000000000000000b07010101010101010101010a0b0701010101010e0f00001112010101010e0f0000111201010101010101051718030401191a06070101051718030401191a06070001010e0f1401011310010101010101010101010101010101010101010101010101010101010101010101010101010a0b07010101010200140101020010010102001401010200100101010101010515081401010216081001010515081401010216081001010101130901010101010101010101010101010101010101010101010101010101010101010101010101010101010a0b070101010c0d03040101011303040c0d0304010101130304010101010e0f00111201010c0d000b070e0f00111201010c0d000b010101010a1112010101131001010101010101010101010101010101010101010101010101010101010101010211120a0b070101010c0d03040101011311120c0d0304010101131112010101010101010101010101010101010101010101010101010101010101010a0b0701010c0d090101010101010101010101010101010101010101010101010101010101010101010e0f000b07010101010a0010010102000901010a00100101020009010101010101010101010101010101010101010101010101010101010101010200000000000000030401010101010101010101010101010101010101010101010101010101010101010101050607010101010105080000000901010101050800000009010101010101010101010101010101010101010101010101010101010101010101010101010101010101010101010101010101010101010101010101010101010101010101010101010101010101010101010101010101010101010101010101010101010101010101010101010101010101010101010101010101010101010101010101010101010101010101010101010101010101010101010101010101010101010101010101010101010101010101010101010101010101010101010101010101010101010101010101010101010101010101010101010101010101010101010101010101010101010101010101010101010101010101010101010101010101010101010101010101010101010101010101010101010101010101010101010101010101010101010101010101010101010101010101010101010101010101010101010101010101010101010101010101010101010101010101010101010101010101010101010101010101010101010101010101010101010101010101010101010101010101010101010101010101010101010101010101010101010101010101010101010101010101010c00000040092900aa000000000000001600670000000000040000002701ffff030000000000 – ширина корпуса;
010009000003780e000000008e08000000008e08000026060f001211574d4643010000000000010031f90000000001000000f010000000000000f0100000010000006c00000000000000000000007d000000160000000000000000000000e30c00005902000020454d4600000100f01000000c00000001000000000000000000000000000000900600001a040000b801000013010000000000000000000000000000c0b6060038320400460000002c00000020000000454d462b014001001c000000100000000210c0db01000000600000006000000046000000ec030000e0030000454d462b224004000c000000000000001e4009000c00000000000000244001000c000000000000003040020010000000040000000000803f214007000c0000000000000008400005380300002c0300000210c0db01000000000000000000000000000000000000000100000089504e470d0a1a0a0000000d49484452000000790000001608020000006b3aa491000000017352474200aece1ce9000000097048597300000e2600000e2601a2ef25fc000002b3494441546843ed583bae8240141dde3a24b17a951bc0c4d605182da47505b2017103eec0160a890bb035910d585999c03e7cf3633e3003e313466398eae9bb3fce1dce3d57e7f17880fe5841e0c74a963e0942a0c7dade3de8b1b68f75ba75946711e7768ac9e385632d999d472a6729eeb5b7c9a23900f32883c3921cfcc56838e8bc30dc67d74f3a4ff4e604250e11a11d0c47209c7add1688703e4d6963bb4df5fee8ec1a5f4200c20bfb68f98fca5b65397f633a040f3e2246b86a74081f34d8802209b2630c023f5886fde3b1c6af1e3c22cf4298f0371cab5a9b8243f2fb1580c477c9801c874f93876eb81613f73be6de2c88e6c9f14cf4427aba46c10c82ffeb8afca4b5a158e7e763c2da839a23bb1b509db7a97f0d0fcbee87ac4199af9ab89319053b8f772058825b75a4eb6c28d6197461f80e96872f41e6556415fe83651026fe3e4df7fe48271c3436046bcc203a7987942f3d3544f00e0ee195690a138adaa605704aafc6501c766f0aa7d9787c8d567a8da6b4c158130691ba04ab24d5a55bd71f11799245c07779cd72d3ed73481eaf6965a8b07565e9828fb0fb25eb029af53b62a0f46a0a557ad415941f61504b8a9eca869652dd62c8709595201abcc2b6d32894cc0d9ed7216265c8bbae30fe7fa597592814a4a2ceb0cc937488de06705128378f962e3d0506a46531c824aa90de2885d4f7fae5000d7b7a45945e26a10aed5cd9ac15fa5a63c3f4b5f60a96c0e8e85eabd2b3d540ba0545234c006204c276b47f636dfe8a6a2d9b7fe783aa44d877e6b38935eda61e011b3e91925b46da8066bb52a6a291077f02107ce016a1f26a0ed582a631ee97b4581a7b7568c87943223a61e715d7df4b581e4082972654cbc5377308fb5dc888455b2eaf3e1c2719d5742a5390403ef48e0a4fa40ad5f6b33830600b6fc7c78448b78bfbea4337b16fc3fa639aae28e40fbbc4bf3e22a41b240000000049454e44ae42608200000840010824000000180000000210c0db01000000030000000000000000000000000000001b40000040000000340000000100000002000000000000bf000000bf0000f2420000b041030000000000008000000080fefffb420000008000000080feffb7412100000008000000620000000c00000001000000150000000c00000004000000150000000c0000000400000051000000a00b000000000000000000007d0000001600000000000000000000000000000000000000790000001600000050000000a8000000f8000000a80a0000000000002000cc007e000000170000002800000079000000160000000100080000000000000000000000000000000000200000000000000000000000ffffff0080c6ff00a6540000ffffe300a6e3ff0054005400ffe3a60054a6e30054000000e3ffff000054a600c6800000c6ffff000000800080000000ffffc6000080c600ffc68000e3a65400545454000000540054540000a654540054a6c6005480c600a6c6a600a6e3e300c6805400800080005400800080005400010101010101010101010101010101010101010101010101010101010101010101010101010101010101010101010101010101010101010101010101010101010101010101010101010101010101010101010101010101010101010101010101010101010101010101010101010101010101010101010101010101010101010101010101010101010101010101010101010101010101010101010101010101010101010101010101010101010101010101010101010101010101010101010101011907010101010101010101010101010101010101010101010101010101010101010101010101010101010101010101010101010101010101010101010101010101010a0b001201010101010101010101010101010101010101010101010101010101010101010101010101010101010101010101010d0e0000120101051f100d0e0000000012010d0e00001201010d0e0000120101010101010101010101010101010101010101010101010101010101010101010101010101010101010101010d0e1301010101010101010101010101010101010101010101010101010101010101010101010101010101010101010101110c01050607010d1d1001020c0101021201110c0105060701110c010506070101010101010101010101010101010101010101010101010101010101010101010101010101010101010101010d1e0701010101010101010101010101010101010101010101010101010101010101010101010101010101010101010d0e12010a0b13010101010101080c0101010d0e12010a0b130d0e12010a0b13010101010101010101010101010101010101010101010101010101010101010101010101010101010101080000000013010101010101010101010101010101010101010101010101010101010101010101010d0e00000000000012010d1e070101110c01010101010101020c01010d1e070101110c0d1e070101110c0101010101010101010101010101010101010101010101010101010101010102000000000000001301050607010a0b0c010101010101010101010101010101010101010101010101010a0b00000000000c01010101010101010101010d1e070101110c01010101010101010813010d1e070101110c0d1e070101110c01010101010d0e000304010105150009070d0e0003040101051500090101010102090701010a0b0c01020f100101111301010101010101010101010101010101010101010101010101010101080907010101010101010101010101010d0e12010a0b1301010101010101010506070d0e12010a0b130d0e12010a0b13010101010101051f10010101010200120101051f1001010101020012051704010515120101010d1d100d0e1201051512010101010101010101010101010101010101010101010101010101010809070101010101010101010101010101080c01050607010101010d1e070102090701080c0105060701080c010506070101010101010517040a0b120102090701010517040a0b1201020907010101010a0b0c010101010101010515000013010101010101010111000000000000000000090701010101010101010108090701010101010101010101010101010a0b0000130101010101010d0e00000c01010a0b00001301010a0b0000130101010101010105170402000304020907010105170402000304020907010101010111030401010101010101010101010101010101010101010101010101010101010101010101010101010101080907010101010101010101010101010101010101010101010101010101010101010101010101010101010101010101010101010101051704110c11120209070101051704110c1112020907040c0d0101080f100105170401010101010101010101010101010101010101010101010101010101010101010101010108090701010101010101010101010101010101010101010101010101010101010101010101010101010101010101010101010101010105171b0607051c020907010105171b0607051c020907010101010105150000000f10010101010101010101010101010101110000000000000000000907010101010101010101080907010101010101010101010101010101010101010101010101010101010101010101010101010101010101010101010101010101051718030401191a06070101051718030401191a060700030401010d0e130101111201010101010101010101010101010101010101010101010101010101010101010101010108090701010101010101010101010101010101010101010101010101010101010101010101010101010101010101010101010101010105141513010102161512010105141513010102161512010101010101110c0101010101010101010101010101010101010101010101010101010101010101010101010101010108090701010101010101010101010101010101010101010101010101010101010101010101010101010101010101010101010101010d0e000f1001010a0b0009070d0e000f1001010a0b0009010101010101080f10010101111201010101010101010101010101010101010101010101010101010101010101020f100809070101010101010101010101010101010101010101010101010101010101010101010101010101010101010101010101010101010101010101010101010101010101010101010101010101010101010108090701010a0b0c01010101010101010101010101010101010101010101010101010101010101010d0e0009070101010101010101010101010101010101010101010101010101010101010101010101010101010101010101010101010101010101010101010101010101010101010101010101010100080101010200000000000000030401010101010101010101010101010101010101010101010101010101010101010105060701010101010101010101010101010101010101010101010101010101010101010101010101010101010101010101010101010101010101010101010101010101010101010101010101010200010101010101010101010101010101010101010101010101010101010101010101010101010101010101010101010101010101010101010101010101010101010101010101010101010101010101010101010101010101010101010101010101010101010101010101010101010101010101010101010101010101010101010101010101010101010101010101010101010101010101010101010101010101010101010101010101010101010101010101010101010101010101010101010101010101010101010101010101010101010101010101010101010101010101010101010101010101010101010101010101010101010101010101010101010101010101010101010101010101010101010101010101010101010101010101010101010101010101010101010101010101010101010101010101010101010101010101010101010101010101010101010101010101010101010101010101010101010101010101010101010101010101010101010101010101010101010101010101010101010101010101010101010101010101010101010101010101010101010101010101010101010101010101010101010101010101010101010101010101010101010101010101010101010101010101010101010101010101010101010101010101010101010101010101010101014c0000006400000000000000000000007d0000001600000000000000000000007e000000170000002900aa0000000000000000000000803f00000000000000000000803f0000000000000000000000000000000000000000000000000000000000000000220000000c000000ffffffff460000001c00000010000000454d462b024000000c000000000000000e000000140000000000000010000000140000000400000003010800050000000b0200000000050000000c0217007e00030000001e0004000000070104000400000007010400b5050000410b2000cc00160079000000000017007e00000000002800000079000000160000000100080000000000000000000000000000000000200000000000000000000000ffffff0080c6ff00a6540000ffffe300a6e3ff0054005400ffe3a60054a6e30054000000e3ffff000054a600c6800000c6ffff000000800080000000ffffc6000080c600ffc68000e3a65400545454000000540054540000a654540054a6c6005480c600a6c6a600a6e3e300c6805400800080005400800080005400010101010101010101010101010101010101010101010101010101010101010101010101010101010101010101010101010101010101010101010101010101010101010101010101010101010101010101010101010101010101010101010101010101010101010101010101010101010101010101010101010101010101010101010101010101010101010101010101010101010101010101010101010101010101010101010101010101010101010101010101010101010101010101010101011907010101010101010101010101010101010101010101010101010101010101010101010101010101010101010101010101010101010101010101010101010101010a0b001201010101010101010101010101010101010101010101010101010101010101010101010101010101010101010101010d0e0000120101051f100d0e0000000012010d0e00001201010d0e0000120101010101010101010101010101010101010101010101010101010101010101010101010101010101010101010d0e1301010101010101010101010101010101010101010101010101010101010101010101010101010101010101010101110c01050607010d1d1001020c0101021201110c0105060701110c010506070101010101010101010101010101010101010101010101010101010101010101010101010101010101010101010d1e0701010101010101010101010101010101010101010101010101010101010101010101010101010101010101010d0e12010a0b13010101010101080c0101010d0e12010a0b130d0e12010a0b13010101010101010101010101010101010101010101010101010101010101010101010101010101010101080000000013010101010101010101010101010101010101010101010101010101010101010101010d0e00000000000012010d1e070101110c01010101010101020c01010d1e070101110c0d1e070101110c0101010101010101010101010101010101010101010101010101010101010102000000000000001301050607010a0b0c010101010101010101010101010101010101010101010101010a0b00000000000c01010101010101010101010d1e070101110c01010101010101010813010d1e070101110c0d1e070101110c01010101010d0e000304010105150009070d0e0003040101051500090101010102090701010a0b0c01020f100101111301010101010101010101010101010101010101010101010101010101080907010101010101010101010101010d0e12010a0b1301010101010101010506070d0e12010a0b130d0e12010a0b13010101010101051f10010101010200120101051f1001010101020012051704010515120101010d1d100d0e1201051512010101010101010101010101010101010101010101010101010101010809070101010101010101010101010101080c01050607010101010d1e070102090701080c0105060701080c010506070101010101010517040a0b120102090701010517040a0b1201020907010101010a0b0c010101010101010515000013010101010101010111000000000000000000090701010101010101010108090701010101010101010101010101010a0b0000130101010101010d0e00000c01010a0b00001301010a0b0000130101010101010105170402000304020907010105170402000304020907010101010111030401010101010101010101010101010101010101010101010101010101010101010101010101010101080907010101010101010101010101010101010101010101010101010101010101010101010101010101010101010101010101010101051704110c11120209070101051704110c1112020907040c0d0101080f100105170401010101010101010101010101010101010101010101010101010101010101010101010108090701010101010101010101010101010101010101010101010101010101010101010101010101010101010101010101010101010105171b0607051c020907010105171b0607051c020907010101010105150000000f10010101010101010101010101010101110000000000000000000907010101010101010101080907010101010101010101010101010101010101010101010101010101010101010101010101010101010101010101010101010101051718030401191a06070101051718030401191a060700030401010d0e130101111201010101010101010101010101010101010101010101010101010101010101010101010108090701010101010101010101010101010101010101010101010101010101010101010101010101010101010101010101010101010105141513010102161512010105141513010102161512010101010101110c0101010101010101010101010101010101010101010101010101010101010101010101010101010108090701010101010101010101010101010101010101010101010101010101010101010101010101010101010101010101010101010d0e000f1001010a0b0009070d0e000f1001010a0b0009010101010101080f10010101111201010101010101010101010101010101010101010101010101010101010101020f100809070101010101010101010101010101010101010101010101010101010101010101010101010101010101010101010101010101010101010101010101010101010101010101010101010101010101010108090701010a0b0c01010101010101010101010101010101010101010101010101010101010101010d0e0009070101010101010101010101010101010101010101010101010101010101010101010101010101010101010101010101010101010101010101010101010101010101010101010101010100080101010200000000000000030401010101010101010101010101010101010101010101010101010101010101010105060701010101010101010101010101010101010101010101010101010101010101010101010101010101010101010101010101010101010101010101010101010101010101010101010101010200010101010101010101010101010101010101010101010101010101010101010101010101010101010101010101010101010101010101010101010101010101010101010101010101010101010101010101010101010101010101010101010101010101010101010101010101010101010101010101010101010101010101010101010101010101010101010101010101010101010101010101010101010101010101010101010101010101010101010101010101010101010101010101010101010101010101010101010101010101010101010101010101010101010101010101010101010101010101010101010101010101010101010101010101010101010101010101010101010101010101010101010101010101010101010101010101010101010101010101010101010101010101010101010101010101010101010101010101010101010101010101010101010101010101010101010101010101010101010101010101010101010101010101010101010101010101010101010101010101010101010101010101010101010101010101010101010101010101010101010101010101010101010101010101010101010101010101010101010101010101010101010101010101010101010101010101010101010101010101010101010101010101010101010101010101010c00000040092900aa0000000000000017007e0000000000040000002701ffff030000000000 - толщина прокладки нижней крышки;
010009000003e60a00000000b00600000000b006000026060f00560d574d464301000000000001005a4b0000000001000000340d000000000000340d0000010000006c00000000000000000000005a0000001500000000000000000000004e0900003f02000020454d4600000100340d00000c00000001000000000000000000000000000000900600001a040000b801000013010000000000000000000000000000c0b6060038320400460000002c00000020000000454d462b014001001c000000100000000210c0db01000000600000006000000046000000980300008c030000454d462b224004000c000000000000001e4009000c00000000000000244001000c000000000000003040020010000000040000000000803f214007000c0000000000000008400005e4020000d80200000210c0db01000000000000000000000000000000000000000100000089504e470d0a1a0a0000000d4948445200000057000000150802000000bc3ae55c000000017352474200aece1ce9000000097048597300000e2600000e2601a2ef25fc0000025f494441545847ed57418e823014ad730e485ccdca0b40e2d603185cc8d613c805c40bcc9cc02d2e241ec0ad895c80952b13b887f37f4b4b0b14088a4ca25d8dce6ffbfafeffef7d47f7fb9dbcfdfa7a7b0690800f0b1f167823f05a88b6a3cab5d8a743f74cba5f5068dba83f24a08e6c258143881324ea17fe457c1ee00f8a89f48fa1a00b93b1210837c613e2cfacfe12d07032d480e91248cba67f0c22c317ff15acb72e285a06cd5580a8e992435909c162a5dd1c43382c0c15fd001f9a01b47e5097408abc150678322cb999612ffd26dfde14c33b22bdc58484aec924d2f69fd30a3acde542acd5dee8849539333361c4f83a9d9e7b81131ecf4cc8a3531c7873a0e5db947bae2e2663213d1f43c11d32a79ed0551bac4d7d1d1c96b90cc977d09c10df5e935f21dd9022bd4b98d3794643baff21de925cc312e69a988c85047689971bcb830e5e573abaec83fe14308ca587c571d29a250684ee2e8a76ee44a7e8fa18c602e55ef687126aaced622ab891ebabb57347945933bfa1d3e39b7e7ab1662066b61d072bbda5e862280bac1f140a017ff668f6561bd54a59e97eed4ee8349104c45d574e575d3b024d9a84d744ba10abb53e51d60aacc1f7344dc68ed2c5e033147fe0031457d82441b741f351245b3656fca73c6f753185c29ec2bc442da3fa8a1232fe22d523ca8623d910c9dd544d75e1ca2a16f2905e660de1fa1498c635f92c501a7ae926755ed0c78879a1217f03b0f0848a6a7bc423bfac45e3a2b83ec95bbb98c9e37bdab240c5495e546e9973a1b83af369b5f53f0ef1152734168dda9eb24489f9bcdda8db78d3700123b8fa1564ffef3bfe00811c28aa0ee9a5690000000049454e44ae42608200000840010824000000180000000210c0db01000000030000000000000000000000000000001b40000040000000340000000100000002000000000000bf000000bf0000ae420000a841030000000000008000000080feffb5420000008000000080feffaf412100000008000000620000000c00000001000000150000000c00000004000000150000000c00000004000000510000003808000000000000000000005a0000001500000000000000000000000000000000000000570000001500000050000000b00000000001000038070000000000002000cc005b000000160000002800000057000000150000000100080000000000000000000000000000000000220000000000000000000000ffffff0080c6ff00a6540000ffffe30054a6e30080000000ffffc60054000000ffe3a600e3ffff000054a600c6800000a6e3ff00000054000080c600ffc68000e3a65400c6ffff00000080005454540054540000a6e3c600a654540054a6c6005480c600a6c6a60054005400a6e3e300c680540080008000e3e3e30080005400540080000101010101010101010101010101010101010101010101010101010101010101010101010101010101010101010101010101010101010101010101010101010101010101010101010101010101010101010101010101010101010101010101010101010500000000110101121300001001010101010101010101010101010101010101010101010101010101010101010101010101010101010101010101010101010101010101010101010101010101010101010101010101010101010f0c010101010f0c010d1b0901010101010101010101010101010101010101010101010101010101010101010101010101010101010101010101010101010101010101010101010101010101010101010101010101010101050c010101121310010a0b1101010101010101010101010101010101010101010101010101010101010101010101010101010101010101010101010101010101010101010101010101010101010101010101010101010101050c01010112210901010f0c01010101010101010101010101010101010101010101010101010101010101010101010101010101010101010101010101010101010101010101010101010702000000000000001101010101050c01010112210901010f0c01010101010101010101010101010101010101010101010101010d0e00000010010101010101121300030401010d0e000809121300030401010d0e000809010102080901010a0b0c01011f01050c010101121310010a0b11010101010101010101010101010101010101010101010101010d0e0c01010200110101010101010d20070101010102001001010d2007010101010200100101010d0e10010101121e07010500000c01010101050c010d1b09010101010101010101010101010101010101010101010101010f06070101010f060701010101010d17040a0b100102080901010d17040a0b10010208090101010a0b0c0101010101010101010f0c010101010a0b000011010101010101010f00000000000000000008090101010101010a0b030401010105080901010101010d17040200030402080901010d170402000304020809010001010f030401010101010101010101010101010101010101010101010101010101010101010101010101010101010101010a0b03040101010f060701010101010d17040f0c0f1002080901010d17040f0c0f10020809010f0101050607010d1704010101010101010101010101010101010101010101010101010101010101010101010101010101010a0b000304010d0e0c0101010101010d171c1b090d1d02080901010d171c1b090d1d020809010501010d0e0000000607010101010101010101010101010101010101010101010f0000000000000000000809010101010101010f06160e000003040101010101010d1718030401191a1b0901010d1718030401191a1b09010c010112131101010f10010101010101010101010101010101010101010101010101010101010101010101010101010101010102001001010101010101010101010d140e11010102150e1001010d140e11010102150e1001000101010f0c0101010101010101010101010101010101010101010101010101010101010101010101010101010101010101010a0b0c01010101010101010101121300060701010a0b000809121300060701010a0b000809000101010506070101010f10010101010101010101010101010101010101010101010101010101010101010101010101010101010d0e110101010101010101010101010101010101010101010101010101010101010101010101010105080901010a0b0c01010101010101010101010101010101010101010101010101010101010101010101010101010101010d0e0c0101010101010101010101010101010101010101010101010101010101010101010101020000000000000003040101010101010101010101010101010101010101010101010101010101010101010101010101010101010500060701010101010101010101010101010101010101010101010101010101010f0101010101010101010101010101010101010101010101010101010101010101010101010101010101010101010101010101010101010101010101010101010101010101010101010101010101010101010101010101010101010101010101010101010101010101010101010101010101010101010101010101010101010101010101010101010101010101010101010101010101010101010101010101010101010101010101010101010101010101010101010101010101010101010101010101010101010101010101010101010101010101010101010101010101010101010101010101010101010101010101010101010101010101010101010101010101010101010101010101010101010101010101010101010101010101010101010101010101010101010101010101010101010101010101010101010101010101010101010101010101010101010101010101010101010101010101010101010e4c0000006400000000000000000000005a0000001500000000000000000000005b000000160000002900aa0000000000000000000000803f00000000000000000000803f0000000000000000000000000000000000000000000000000000000000000000220000000c000000ffffffff460000001c00000010000000454d462b024000000c000000000000000e000000140000000000000010000000140000000400000003010800050000000b0200000000050000000c0216005b00030000001e000400000007010400040000000701040001040000410b2000cc00150057000000000016005b00000000002800000057000000150000000100080000000000000000000000000000000000220000000000000000000000ffffff0080c6ff00a6540000ffffe30054a6e30080000000ffffc60054000000ffe3a600e3ffff000054a600c6800000a6e3ff00000054000080c600ffc68000e3a65400c6ffff00000080005454540054540000a6e3c600a654540054a6c6005480c600a6c6a60054005400a6e3e300c680540080008000e3e3e30080005400540080000101010101010101010101010101010101010101010101010101010101010101010101010101010101010101010101010101010101010101010101010101010101010101010101010101010101010101010101010101010101010101010101010101010500000000110101121300001001010101010101010101010101010101010101010101010101010101010101010101010101010101010101010101010101010101010101010101010101010101010101010101010101010101010f0c010101010f0c010d1b0901010101010101010101010101010101010101010101010101010101010101010101010101010101010101010101010101010101010101010101010101010101010101010101010101010101050c010101121310010a0b1101010101010101010101010101010101010101010101010101010101010101010101010101010101010101010101010101010101010101010101010101010101010101010101010101010101050c01010112210901010f0c01010101010101010101010101010101010101010101010101010101010101010101010101010101010101010101010101010101010101010101010101010702000000000000001101010101050c01010112210901010f0c01010101010101010101010101010101010101010101010101010d0e00000010010101010101121300030401010d0e000809121300030401010d0e000809010102080901010a0b0c01011f01050c010101121310010a0b11010101010101010101010101010101010101010101010101010d0e0c01010200110101010101010d20070101010102001001010d2007010101010200100101010d0e10010101121e07010500000c01010101050c010d1b09010101010101010101010101010101010101010101010101010f06070101010f060701010101010d17040a0b100102080901010d17040a0b10010208090101010a0b0c0101010101010101010f0c010101010a0b000011010101010101010f00000000000000000008090101010101010a0b030401010105080901010101010d17040200030402080901010d170402000304020809010001010f030401010101010101010101010101010101010101010101010101010101010101010101010101010101010101010a0b03040101010f060701010101010d17040f0c0f1002080901010d17040f0c0f10020809010f0101050607010d1704010101010101010101010101010101010101010101010101010101010101010101010101010101010a0b000304010d0e0c0101010101010d171c1b090d1d02080901010d171c1b090d1d020809010501010d0e0000000607010101010101010101010101010101010101010101010f0000000000000000000809010101010101010f06160e000003040101010101010d1718030401191a1b0901010d1718030401191a1b09010c010112131101010f10010101010101010101010101010101010101010101010101010101010101010101010101010101010102001001010101010101010101010d140e11010102150e1001010d140e11010102150e1001000101010f0c0101010101010101010101010101010101010101010101010101010101010101010101010101010101010101010a0b0c01010101010101010101121300060701010a0b000809121300060701010a0b000809000101010506070101010f10010101010101010101010101010101010101010101010101010101010101010101010101010101010d0e110101010101010101010101010101010101010101010101010101010101010101010101010105080901010a0b0c01010101010101010101010101010101010101010101010101010101010101010101010101010101010d0e0c0101010101010101010101010101010101010101010101010101010101010101010101020000000000000003040101010101010101010101010101010101010101010101010101010101010101010101010101010101010500060701010101010101010101010101010101010101010101010101010101010f0101010101010101010101010101010101010101010101010101010101010101010101010101010101010101010101010101010101010101010101010101010101010101010101010101010101010101010101010101010101010101010101010101010101010101010101010101010101010101010101010101010101010101010101010101010101010101010101010101010101010101010101010101010101010101010101010101010101010101010101010101010101010101010101010101010101010101010101010101010101010101010101010101010101010101010101010101010101010101010101010101010101010101010101010101010101010101010101010101010101010101010101010101010101010101010101010101010101010101010101010101010101010101010101010101010101010101010101010101010101010101010101010101010101010101010101010101010e0c00000040092900aa0000000000000016005b0000000000040000002701ffff030000000000 - высота буртика верхней крышки;
010009000003440e000000009008000000009008000026060f001611574d464301000000000001007f620000000001000000f410000000000000f4100000010000006c000000000000000000000080000000150000000000000000000000320d00003f02000020454d4600000100f41000000c00000001000000000000000000000000000000900600001a040000b801000013010000000000000000000000000000c0b6060038320400460000002c00000020000000454d462b014001001c000000100000000210c0db010000006000000060000000460000005c04000050040000454d462b224004000c000000000000001e4009000c00000000000000244001000c000000000000003040020010000000040000000000803f214007000c0000000000000008400005a80300009c0300000210c0db01000000000000000000000000000000000000000100000089504e470d0a1a0a0000000d494844520000007c0000001508020000000b871d7b000000017352474200aece1ce9000000097048597300000e2600000e2601a2ef25fc00000325494441545847ed58bd6df33010a5328705a44ae50524e06b3d80a114569b09a2052c2de04c90562e226400b701ac0554b90a60ede1ef78a46849fc8d6c29316056897d3cde3ddebb7bb4773a9dc87d4d8bc0c3b4c7dd4fa308dc41ff853ab883fe8ba09799a75ccfdb7ac2a8eaedb3e7391e496db3d22538f4ca97d38e668393b14b043d9ba6d283f5318f0889f2234c56b6f083f9e36c80d7615beaed6b5c0cdbaadf0500fa31616941466968be29c4db3f2488c03ab87634cc5fafbdb4319e3dce49ba18e95c399b32f3e3799a5e39cdf23d2ea2fc6d85a5335b25e03fdde9f8212e682cb49be44461ef693c7bf1efc47fc0e99465348836db0c5150225ae3a5fe3a56d207e71390d9568f1822aeb629eea58b056fb111955eee20ed279f6d850e3f563f535672998555538ed72cf5fabb021c9aac84e7ea5b31a828275c988d8d1816493762dec15e029fc03d7c20a72c360de8185e11fb6cde84e98ffb8a6e123713cc301e5d21ef1ee1538cc2f6f47799c0fe132fc9feddd2a203ccfdd6d035f95b2679547c7eb1cb2b77559e2ca5ebd5da70d0ebaf4f488137177a935275d80a30589b1b122b0179411f5554397c2a53ad7b84dc5e7447d842a7df63d1c125be92372123a006f57cf7ff2d39eaf57643921539c81a4067c3413fc21601f46cf57149fc2e390a1b24b56018508cf18d96f1288b26aa9564d09045e2b6a18b53b988df4bc860ae931b1a1b063adeb3451d52721b1afdc0f6d223486b905e43415001468ac3b17b7f8e34c64ea46cffdc5db048811bc0d317bdc453da20e8acb974aeab3f4acb6c5345a61086b69751ea593845e05a1a113bb7aaba14d76324059e10bc500595681a270b4269433b585fa849e2699f02f39c34da654a537aa05d2a19b97ae32ab4e7be2b1f99ea133a10bf54ab5725103d2d6ab421674dd9e3e0f96d8a90b317aa5dc65e80ba50b7ae52ddf1acb3dfae6349b30bb58d5068726dbc498f77dcd4d5e91a1b620d1c0ee1c7f3078c75c758062df0944dc9f155355678ee7e3d3035b555e8edbb05ff1102fe0ec97eb45f24c6edee7fc9bbf9a75d78b690bd9011da87c55f4ae8266231904245e79ba1b03bd9a7b7b4b5979b289c5b0bf23f48fbda4fbb1d39d90000000049454e44ae4260820840010824000000180000000210c0db01000000030000000000000000000000000000001b40000040000000340000000100000002000000000000bf000000bf0000f8420000a841030000000000008000000080ffff00430000008000000080ffffaf412100000008000000620000000c00000001000000150000000c00000004000000150000000c0000000400000051000000340b000000000000000000008000000015000000000000000000000000000000000000007c0000001500000050000000b8000000080100002c0a0000000000002000cc008100000016000000280000007c000000150000000100080000000000000000000000000000000000240000000000000000000000ffffff0080c6ff00a6540000ffffe30054a6e30054000000ffe3a600e3ffff000054a600ffc6800080000000ffffc600c6800000a6e3ff00000054000080c600c6ffff000000800080808000e3a65400545454005454000054008000a6e3c600a654540054a6c6005480c600a6c6a60054005400a6e3e300c6805400800080000054540080005400a6548000010101010101010101010101010101010101010101010101010101010101010101010101010101010101010101010101010101010101010101010101010101010101010101010101010101010101010101010101010101010101010101010101010101010101010101010101010101010101010101010101010101010101010101010101011000000000000607010101010101010101010101010101010101010101010101010101010101010101010101010101010101010101010101010101010101010101010101010101010101010101010101010101010101010101010101010101010101010101010101010101010101010101010101010101010101010111200c01010e220c010101010101010101010101010101010101010101010101010101010101010101010101010101010101010101010101010101010101010101010101010101010101010101010101010101010101010101010101010101010101010101010101010101010101010101010101010101010101010101020d0101020b0c01010101010101010101010101010101010101010101010101010101010101010101010101010101010101010101010101010101010101010101010101010101010101010101010101010101010101010101010101010101010101010101010101010101010101010101010101010101010101010101100a0102030401010101010101010101010101010101010101010101010101010101010101010101010101010101100000000000000000000607010101010101010101010101010101010101010101010101010101010101010101010101010101010101010101010101010101010101010200000000000000140101112304050d0101010101010101010101010101010101010101010101010101010101010200000607010101010101010101010101010101010101010101010101111200000304010111120d0101010e0f0000000a010101010101111200030401010e0f000607111200030401010e0f000601020607010108090d0101010214050d01010101010101010101010101010101010101010101010101010101010101050607010101010101010101010108090a0101010101010101010111120304080903040111120d01010e0f0d01010200140101010101010e220c0101010102000a01010e220c0101010102000a010e0f0a01010111200c0101011b211401010101010101010101010101010101010101010101010101010101010101020607010101010101010101010108090a0101010101010101010105000a010102000a010101010101100b0c010101100b0c01010101010e190408090a0102060701010e190408090a010206070108090d01010101010101010111120a01010101010101011000000000000000000006070101010101010101010101020607010101010101010101010108090a01010101010101010101100b0c010111121401010101010809030401010105060701010101010e19040200030402060701010e1904020003040206070101100304010101010101010101010101010101010101010101010101010101010101010101010101010200000000000000000a01010101010101010108090a01010101010101010108090304010111120d010101010108090304010101100b0c01010101010e1904100d100a02060701010e1904100d100a0206070101050b0c010e19040101010101010101010101010101010101010101010101010101010101010101010809140101020607050a01010101010101010108090a01010101010101010108090304010108090304010101010809000304010e0f0d0101010101010e191e1d070e1f02060701010e191e1d070e1f02060701010e0f0000000b0c01010101010101010101010101010110000000000000000000060701010101010101111707010206070101010101010110000000000000000000060701010101080903040101080903040101010101100b180f000003040101010101010e191a0304011b1c1d0701010e191a0304011b1c1d0701011112140101100a0101010101010101010101010101010101010101010101010101010101010101010101020304020607010101010101010101010108090a01010101010101010108090304010111120304010101010102000a01010101010101010101010e150f14010102160f0a01010e150f14010102160f0a010101100d010101010101010101010101010101010101010101010101010101010101010101010101010101011014020607010101010101010101010108090a01010101010101010101100b0c010111120d01010101010108090d010101010101010101011112000b0c010108090006071112000b0c010108090006010101050b0c010101100a010101010101010101010101010101010101010101010101010101010101010101011112130607010101010101010101010108090a01010101010101010101020607010102000a010101010101010e0f140101010101010101010101010101010101010101010101010101010101010101010101050607010108090d01010101010101010101010101010101010101010101010101010101010101010101010e0f0607010101010101010101010108090a010101010101010101010809030408090b0c01010101010101010e0f0d010101010101010101010101010101010101010101010101010101010101010101020000000000000003040101010101010101010101010101010101010101010101010101010101010101010101050607010101010101010101010108090a0101010101010101010101080900000b0c010101010101010101010105000b0c01010101010101010101010101010101010101010101010101010101010101010101010101010101010101010101010101010101010101010101010101010101010101010101010101010101010101010101010101010101010101010101010101010101010101010101010101010101010101010101010101010101010101010101010101010101010101010101010101010101010101010101010101010101010101010101010101010101010101010101010101010101010101010101010101010101010101010101010101010101010101010101010101010101010101010101010101010101010101010101010101010101010101010101010101010101010101010101010101010101010101010101010101010101010101010101010101010101010101010101010101010101010101010101010101010101010101010101010101010101010101010101010101010101010101010101010101010101010101010101010101010101010101010101010101010101010101010101010101010101010101010101010101010101010101010101010101010101010101010101010101010101010101010101010101010101010101010101010101010101010101010101010101010101010101010101010101010101010101010101010101010101010101010101010101010101010101010101010101010101010101010101010101010101010101014c0000006400000000000000000000008000000015000000000000000000000081000000160000002900aa0000000000000000000000803f00000000000000000000803f0000000000000000000000000000000000000000000000000000000000000000220000000c000000ffffffff460000001c00000010000000454d462b024000000c000000000000000e000000140000000000000010000000140000000400000003010800050000000b0200000000050000000c0216008100030000001e00040000000701040004000000070104007f050000410b2000cc0015007c00000000001600810000000000280000007c000000150000000100080000000000000000000000000000000000240000000000000000000000ffffff0080c6ff00a6540000ffffe30054a6e30054000000ffe3a600e3ffff000054a600ffc6800080000000ffffc600c6800000a6e3ff00000054000080c600c6ffff000000800080808000e3a65400545454005454000054008000a6e3c600a654540054a6c6005480c600a6c6a60054005400a6e3e300c6805400800080000054540080005400a6548000010101010101010101010101010101010101010101010101010101010101010101010101010101010101010101010101010101010101010101010101010101010101010101010101010101010101010101010101010101010101010101010101010101010101010101010101010101010101010101010101010101010101010101010101011000000000000607010101010101010101010101010101010101010101010101010101010101010101010101010101010101010101010101010101010101010101010101010101010101010101010101010101010101010101010101010101010101010101010101010101010101010101010101010101010101010111200c01010e220c010101010101010101010101010101010101010101010101010101010101010101010101010101010101010101010101010101010101010101010101010101010101010101010101010101010101010101010101010101010101010101010101010101010101010101010101010101010101010101020d0101020b0c01010101010101010101010101010101010101010101010101010101010101010101010101010101010101010101010101010101010101010101010101010101010101010101010101010101010101010101010101010101010101010101010101010101010101010101010101010101010101010101100a0102030401010101010101010101010101010101010101010101010101010101010101010101010101010101100000000000000000000607010101010101010101010101010101010101010101010101010101010101010101010101010101010101010101010101010101010101010200000000000000140101112304050d0101010101010101010101010101010101010101010101010101010101010200000607010101010101010101010101010101010101010101010101111200000304010111120d0101010e0f0000000a010101010101111200030401010e0f000607111200030401010e0f000601020607010108090d0101010214050d01010101010101010101010101010101010101010101010101010101010101050607010101010101010101010108090a0101010101010101010111120304080903040111120d01010e0f0d01010200140101010101010e220c0101010102000a01010e220c0101010102000a010e0f0a01010111200c0101011b211401010101010101010101010101010101010101010101010101010101010101020607010101010101010101010108090a0101010101010101010105000a010102000a010101010101100b0c010101100b0c01010101010e190408090a0102060701010e190408090a010206070108090d01010101010101010111120a01010101010101011000000000000000000006070101010101010101010101020607010101010101010101010108090a01010101010101010101100b0c010111121401010101010809030401010105060701010101010e19040200030402060701010e1904020003040206070101100304010101010101010101010101010101010101010101010101010101010101010101010101010200000000000000000a01010101010101010108090a01010101010101010108090304010111120d010101010108090304010101100b0c01010101010e1904100d100a02060701010e1904100d100a0206070101050b0c010e19040101010101010101010101010101010101010101010101010101010101010101010809140101020607050a01010101010101010108090a01010101010101010108090304010108090304010101010809000304010e0f0d0101010101010e191e1d070e1f02060701010e191e1d070e1f02060701010e0f0000000b0c01010101010101010101010101010110000000000000000000060701010101010101111707010206070101010101010110000000000000000000060701010101080903040101080903040101010101100b180f000003040101010101010e191a0304011b1c1d0701010e191a0304011b1c1d0701011112140101100a0101010101010101010101010101010101010101010101010101010101010101010101020304020607010101010101010101010108090a01010101010101010108090304010111120304010101010102000a01010101010101010101010e150f14010102160f0a01010e150f14010102160f0a010101100d010101010101010101010101010101010101010101010101010101010101010101010101010101011014020607010101010101010101010108090a01010101010101010101100b0c010111120d01010101010108090d010101010101010101011112000b0c010108090006071112000b0c010108090006010101050b0c010101100a010101010101010101010101010101010101010101010101010101010101010101011112130607010101010101010101010108090a01010101010101010101020607010102000a010101010101010e0f140101010101010101010101010101010101010101010101010101010101010101010101050607010108090d01010101010101010101010101010101010101010101010101010101010101010101010e0f0607010101010101010101010108090a010101010101010101010809030408090b0c01010101010101010e0f0d010101010101010101010101010101010101010101010101010101010101010101020000000000000003040101010101010101010101010101010101010101010101010101010101010101010101050607010101010101010101010108090a0101010101010101010101080900000b0c010101010101010101010105000b0c01010101010101010101010101010101010101010101010101010101010101010101010101010101010101010101010101010101010101010101010101010101010101010101010101010101010101010101010101010101010101010101010101010101010101010101010101010101010101010101010101010101010101010101010101010101010101010101010101010101010101010101010101010101010101010101010101010101010101010101010101010101010101010101010101010101010101010101010101010101010101010101010101010101010101010101010101010101010101010101010101010101010101010101010101010101010101010101010101010101010101010101010101010101010101010101010101010101010101010101010101010101010101010101010101010101010101010101010101010101010101010101010101010101010101010101010101010101010101010101010101010101010101010101010101010101010101010101010101010101010101010101010101010101010101010101010101010101010101010101010101010101010101010101010101010101010101010101010101010101010101010101010101010101010101010101010101010101010101010101010101010101010101010101010101010101010101010101010101010101010101010101010101010101010101010c00000040092900aa000000000000001600810000000000040000002701ffff030000000000 – замыкающее звено.
010009000003b408000000006005000000006005000026060f00b60a574d46430100000000000100e61e0000000001000000940a000000000000940a0000010000006c000000000000000000000046000000150000000000000000000000430700003f02000020454d4600000100940a00000c00000001000000000000000000000000000000900600001a040000b801000013010000000000000000000000000000c0b6060038320400460000002c00000020000000454d462b014001001c000000100000000210c0db01000000600000006000000046000000bc020000b0020000454d462b224004000c000000000000001e4009000c00000000000000244001000c000000000000003040020010000000040000000000803f214007000c000000000000000840000508020000fc0100000210c0db01000000000000000000000000000000000000000100000089504e470d0a1a0a0000000d494844520000004400000015080200000070a3dfb7000000017352474200aece1ce9000000097048597300000e2600000e2601a2ef25fc00000185494441545847ed96cb6dc3300c86e9cc910239e59405ba402670f65196712e4507e83540bc40062860efe1ea61d1a4a558947b506194a7d860fe90fcf848350c036cc5765b49c4e4f19fcc5fa5e9c9b4d72a6a975b9f1b7a4129bd009c754d0d50371d7fa11ef82cff504a6a3633a7c31e41ec0f2750e7f75c30debf8414d6fba1005671088995924232ed9782faf8e6eaaadbfedaae4502e5a4e8c490f07fc1c84e4c11a9914c7ffffcc026d3d120a37c3c25a51c19d3e57493c93757e05950ca91e9bf9f0074fd4c40fadb851fa0c4302d48b961f496be608b5224ae49094f0c9f125d5ff7a26b14de1ed37fe410c5f0d981792955237e01bf2529b22f891bc49a2c2233bab13083db18e9572ac536365fdf9952fccbfac9d518ecb8442c40106209224848197f2f3b3b45995254c9fd75b155b66424867d3739afb88dd3dae6c5ca969aed7f4f469289c97e86caa8651e231a316dbf15523468ec3221990816510d98139fc46c16f11f648b44d2668225264b8df5466a2fa6244731da1d95999badd80f5cbfb9fdb8e46e1e0000000049454e44ae4260820840010824000000180000000210c0db01000000030000000000000000000000000000001b40000040000000340000000100000002000000000000bf000000bf000088420000a841030000000000008000000080ffff8d420000008000000080ffffaf412100000008000000620000000c00000001000000150000000c00000004000000150000000c000000040000005100000074060000000000000000000046000000150000000000000000000000000000000000000044000000150000005000000090000000e000000094050000000000002000cc00470000001600000028000000440000001500000001000800000000000000000000000000000000001a0000000000000000000000ffffff0080c6ff00a6540000ffffe30054a6e30054000000ffe3a600e3ffff000054a600c680000080000000ffffc6000080c600ffc68000c6ffff0000008000e3a65400a6e3ff0000005400a654540080008000a680a6005454a60054005400540080000101010101010101010101010101010101010101010101010101010101010101010101010101010101010101010101010101010101010101010101010101010101010101010101010101010101010108170701010101010101010101010101010101010101010101050000000304010101010101010101010101010101010101010809000e010101010101010101010101010101020a01010101010101010101010101010101010101010112130e01010d0a0101010101010101010101010101010101010101010f1011010101010101010101010101010108170701010108090e01010101010101010101010101010f100e0108090a0108090e0101010101010101010101010101010101010f19070101010101010101010101010101020a010101010f100e010101010101010101010101010108090000110101010f100e0101010101010101010101010101050000000011010200000000000000110101010108170701010108090304010102000000000000001101080911010f100e0101080903040101020000000000000011011218070108090a0101020607010108090a0101010101020a01010108090304010101020607010108090a010f100e01010d0a010108090304010101020607010108090a01020b0c01010d11010112130e0101010f150c0816040108170701010101010101010112130e0101010f150c080911010f101101010101010101010112130e0101010f150c0f100e0112130e010108090a0101010101010809000000000a01010101010101010108090a010101010101010f100000030401010101010101010108090a010101010101011213000011010101010d0304010101010101010101010101010101010101010101010d0304010101010101010101010101010101010101010101010d0304010101010101010101010101010101050b0c01121404010101010101010101010101010101010101050b0c01121404010101010101010101010101010101010101050b0c01121404010101010101010101010112130000000b0c01010101010101010101010101010101010112130000000b0c01010101010101010101010101010101010112130000000b0c01010101010101010101010f101101010d0e0101010101010101010101010101010101010f101101010d0e0101010101010101010101010101010101010f101101010d0e0101010101010101010101010d0a01010101010101010101010101010101010101010101010d0a01010101010101010101010101010101010101010101010d0a01010101010101010101010101010101050b0c0101010d0e0101010101010101010101010101010101050b0c0101010d0e0101010101010101010101010101010101050b0c0101010d0e01010101010101010101050607010108090a0101010101010101010101010101010101050607010108090a0101010101010101010101010101010101050607010108090a01010101010101010102000000000000000304010101010101010101010101010101020000000000000003040101010101010101010101010101010200000000000000030401010101010101010101010101010101010101010101010101010101010101010101010101010101010101010101010101010101010101010101010101010101010101010101010101010101010101010101010101010101010101010101010101010101010101010101010101010101010101010101010101010101010101010101010101010101010101010101010101010101010101010101010101010101010101010101010101010101010101010101010101010101010101010101010101010101010101010101010101010101010101010101010101010101010101010101010101010101010101010101010101010101010101010101010101010101010101010101010101010101010101010101010101014c0000006400000000000000000000004600000015000000000000000000000047000000160000002900aa0000000000000000000000803f00000000000000000000803f0000000000000000000000000000000000000000000000000000000000000000220000000c000000ffffffff460000001c00000010000000454d462b024000000c000000000000000e000000140000000000000010000000140000000400000003010800050000000b0200000000050000000c0216004700030000001e00040000000701040004000000070104001f030000410b2000cc001500440000000000160047000000000028000000440000001500000001000800000000000000000000000000000000001a0000000000000000000000ffffff0080c6ff00a6540000ffffe30054a6e30054000000ffe3a600e3ffff000054a600c680000080000000ffffc6000080c600ffc68000c6ffff0000008000e3a65400a6e3ff0000005400a654540080008000a680a6005454a60054005400540080000101010101010101010101010101010101010101010101010101010101010101010101010101010101010101010101010101010101010101010101010101010101010101010101010101010101010108170701010101010101010101010101010101010101010101050000000304010101010101010101010101010101010101010809000e010101010101010101010101010101020a01010101010101010101010101010101010101010112130e01010d0a0101010101010101010101010101010101010101010f1011010101010101010101010101010108170701010108090e01010101010101010101010101010f100e0108090a0108090e0101010101010101010101010101010101010f19070101010101010101010101010101020a010101010f100e010101010101010101010101010108090000110101010f100e0101010101010101010101010101050000000011010200000000000000110101010108170701010108090304010102000000000000001101080911010f100e0101080903040101020000000000000011011218070108090a0101020607010108090a0101010101020a01010108090304010101020607010108090a010f100e01010d0a010108090304010101020607010108090a01020b0c01010d11010112130e0101010f150c0816040108170701010101010101010112130e0101010f150c080911010f101101010101010101010112130e0101010f150c0f100e0112130e010108090a0101010101010809000000000a01010101010101010108090a010101010101010f100000030401010101010101010108090a010101010101011213000011010101010d0304010101010101010101010101010101010101010101010d0304010101010101010101010101010101010101010101010d0304010101010101010101010101010101050b0c01121404010101010101010101010101010101010101050b0c01121404010101010101010101010101010101010101050b0c01121404010101010101010101010112130000000b0c01010101010101010101010101010101010112130000000b0c01010101010101010101010101010101010112130000000b0c01010101010101010101010f101101010d0e0101010101010101010101010101010101010f101101010d0e0101010101010101010101010101010101010f101101010d0e0101010101010101010101010d0a01010101010101010101010101010101010101010101010d0a01010101010101010101010101010101010101010101010d0a01010101010101010101010101010101050b0c0101010d0e0101010101010101010101010101010101050b0c0101010d0e0101010101010101010101010101010101050b0c0101010d0e01010101010101010101050607010108090a0101010101010101010101010101010101050607010108090a0101010101010101010101010101010101050607010108090a01010101010101010102000000000000000304010101010101010101010101010101020000000000000003040101010101010101010101010101010200000000000000030401010101010101010101010101010101010101010101010101010101010101010101010101010101010101010101010101010101010101010101010101010101010101010101010101010101010101010101010101010101010101010101010101010101010101010101010101010101010101010101010101010101010101010101010101010101010101010101010101010101010101010101010101010101010101010101010101010101010101010101010101010101010101010101010101010101010101010101010101010101010101010101010101010101010101010101010101010101010101010101010101010101010101010101010101010101010101010101010101010101010101010101010101010c00000040092900aa000000000000001600470000000000040000002701ffff030000000000 – увеличивающие звенья;
010009000003ac13000000003a0b000000003a0b000026060f006a16574d4643010000000000010043a50000000001000000481600000000000048160000010000006c0000000000000000000000c60000001500000000000000000000005b1400003f02000020454d4600000100481600000c00000001000000000000000000000000000000900600001a040000b801000013010000000000000000000000000000c0b6060038320400460000002c00000020000000454d462b014001001c000000100000000210c0db010000006000000060000000460000003404000028040000454d462b224004000c000000000000001e4009000c00000000000000244001000c000000000000003040020010000000040000000000803f214007000c000000000000000840000580030000740300000210c0db01000000000000000000000000000000000000000100000089504e470d0a1a0a0000000d49484452000000bf000000150802000000980fa8d9000000017352474200aece1ce9000000097048597300000e2600000e2601a2ef25fc000002fd494441546843ed9acb6ddc301086a9d4e1003ee5e406d2402a90fb919b595f0c17e06b80dd065240006d1f1b51a486c387f8fc09e4409dd60bf3d33f0fcd8cc69e1e8f8718d7f0409507be559d1a878607a40746f68c3ca8f7c0c89e7adf8d9347f6dcdea6e0f5fa7e6f7112100b44718b7a60814c20aa87d5dbd4acaef5320b315f56fb8be54a3fd77d006281286e4b0f2c900944c1ad763ad7cbf313a5e8d3f38b587efd6c293dc759201688e296f5c002994014d46acac7eb224473a5f1eb13100b44719d3db040261005b79a6acfed6b11f38fef2a33b76efb7643141d01c40251d608d0c170a05420aa83d57cea61785015da9b36060b4479fd1fa3d09e1831ccffdb6a5d7beebf3f3fa86f6d8aa90ab51520201688e236f5c00299405417abd503239b2b7fdfaa7bbff24e01b14094dbfed18603a502513dac56b5e7fef78f107caef74a8edc3b148f42712c5b65a4c931d4fdfd95765585fba9b4e162a7a7051a8fe54a9da6a4d80c79da8b25022bc36ddc6c74d3aac79e74b6a4d75f98ce5b3a0bed274fb01bff78e4739eaf184a365abda6ca417943cf99e1c7166c9ee79297d19854b9542bf06214a5377405386bb3571a6ea9459d919fb4c345a86f59aad7552e10cd61e37d6f8fe5742e37960167386a8e80796d14888a557057e11e6cdff4a8e151a9e7d91362a6502749dd14979370f3bd81491fb18f3c81cb19068ab3270fabf2d2be97677c2eaa22cc51c375fd2dc1a6a45aaf50d6e35f6af5aeea72bcd25a1e4c267745b859af5053f22e7eaf3d1957287b107b2cd32149440d96a2e615e492a663f9819429d3d7cb427fc5a951e8fad82d73854c95863a691c56212a147d2fdce0ec09a5534616ba5387dbb6dbb076cba54e5da88b4641fb1965a1aa18363c0d6c7c08ce0509d1563819abcd817c34b28c3ceb5c79ae05e4b33f1591beebd2100fe6c793c92acfc4b3dfc2c4e318e98e1ed32ad54dbeea1a1b34db0fb7f986dd39ddb9ac560ddb0ab9034243f6a8ff0ed0177a7743f016811420cb97cd52990f9b59618956b8cdedc817939c7dc6353c50e5817f9f6ed72baeabefee0000000049454e44ae4260820840010824000000180000000210c0db01000000030000000000000000000000000000001b40000040000000340000000100000002000000000000bf000000bf00003f430000a841030000000000008000000080ffff46430000008000000080ffffaf412100000008000000620000000c00000001000000150000000c00000004000000150000000c0000000400000051000000b01000000000000000000000c60000001500000000000000000000000000000000000000bf0000001500000050000000a0000000f0000000c00f0000000000002000cc00c70000001600000028000000bf0000001500000001000800000000000000000000000000000000001e0000000000000000000000ffffff0080c6ff00a6540000ffffe30054a6e30054000000ffe3a600e3ffff000054a600c680000080000000ffffc6000080c600ffc68000c6ffff0000008000e3a65400a6e3ff0000005400a654540080008000540080005454a6000054540054005400e3e3e300e3c68000a6a68000a680a6000101010101010101010101010101010101010101010101010101010101010101010101010101010101010101010101010101010101010101010101010101010101010101010101010101010101010101010101010101010101010101010101010101010101010101010101010101010101010101010101010101010101010101010101010101010101010101010101010101010101010101010101010101010101010101010101010101010101010101010101010101010101010101010101010101010101010101010101050000000011010101010101010101010101010101010101010101010f10000000000e010101010101010101010101010101010101010500000011010101010101010101010101010101010101010101010101010105000b0c01010101010101010101010101010101010101010108090000001101010101010101010101010101010101010101010f1000000304010101010101010101010101010101010101010101010105000000001101010f1000000e0101ff010101010101010101010101010d0a01010101010101010101010101010101010101010101010101020a0101020e0101010101010101010101010101010101010f16070112130e0101010101010101010101010101010101010101010101010108090e010101010101010101010101010101010101010101010817070112130e0101010101010101010101010101010101010809110108090a010101010101010101010101010101010101010101010101010d0a010101010d0a01121907010101010101010101010101010101050a01010108090e0101010101010101010101010101010101010101050a0101010108090e01010101010101010101010101010101010112130e0108090e010101010101010101010101010101010101050000000000030408090e0101010101010101010101010101010101010101010809110108090e01010101010101010101010101010f1607010105030408090e010101010101010101010101010101010101010101050a0101010f100e0108091101ff01010101010101010101010101050a010101010f100e0101010101010101010101010101010101010101020a010101010f100e0101010101010101010101010101010d00000e0101010f100e01010101010101010101010101010101010f150c08091b1d04010f100e010101010101010101010101010101010101010112130e01010f100e010101010101010101010101011213030408090a01010f100e0101010101010101010101010101010101010101050a0101010f160701010d0a010102000000000000001101010101050a0101010108090304010101010101020000000000000011010101010105110101010809030401010200000000000000110101010108090e010101080903040101010101010200000000000000110101020a08090e0101010809030401010101010200000000000000110101050000000a0101010809030401010200000000000000110108091c1300030401010809030401010101010102000000000000001101010101050a0101010f160701010d0a01ff01020607010108090a01011a01050a010101010809030401010101010101020607010108090a0101010101121907010108090304010101020607010108090a010101010112190701010809030401010101010101020607010108090a010101051b090e01010108090304010101010101020607010108090a0101050e01010101010108090304010101020607010108090a0101050a0101010101010809030401010101010101020607010108090a01011a01050a0101010f100e0108091101010112130e0101010f150c010500000a01010101010101010101010101010112130e0101010f150c0f16070102060701010101010101010112130e0101010f150c081707010206070101010101010101010101010112130e0101010f150c01010817180e0101010101010101010101010112130e0101010f150c01050e0101010101010101010101010112130e0101010f150c0108090a0101010101010101010101010101010112130e0101010f150c010500000a01010101050a0112190701ff0108090a0101010101010101010d0a01010101010101010101010101010108090a010101010101010f1000000a0101010101010101010108090a010101010101010500000011010101010101010101010101010108090a01010101010101010112130e0101010101010101010101010108090a0101010101010105000000060701010101010101010108090a01010101010101010102000b0c0101010101010101010101010108090a0101010101010101010d0a01010101080900001101010101010d030401010101010101010101010101010101010101010101010101010d0304010101010101010101010101010101010101010101010d030401010101010101010101010101010101010101010101010101010d0304010101010101010101010101010101010101010101010101010d0304010101010101010101010101010101010101010101010d030401010101010101010101010101010101010101010101010101010d0304010101010101010101010101010101010101010101ff0101050b0c0112140401010101010101010101010101010101010101010101050b0c01121404010101010101010101010101010101010101050b0c0112140401010101010101010101010101010101010101010101050b0c01121404010101010101010101010101010101010101010101050b0c01121404010101010101010101010101010101010101050b0c0112140401010101010101010101010101010101010101010101050b0c01121404010101010101010101010101010101010101010112130000000b0c0101010101010101010101010101010101010101010112130000000b0c01010101010101010101010101010101010112130000000b0c0101010101010101010101010101010101010101010112130000000b0c01010101010101010101010101010101010101010112130000000b0c01010101010101010101010101010101010112130000000b0c0101010101010101010101010101010101010101010112130000000b0c01010101010101010101010101010101010101010f101101010d0e010101010101010101010101010101010101010101010f101101010d0e0101010101010101010101010101010101010f101101010d0e010101010101010101010101010101010101010101010f101101010d0e0101010101010101010101010101010101010101010f101101010d0e0101010101010101010101010101010101010f101101010d0e010101010101010101010101010101010101010101010f101101010d0e0101010101010101010101010101010101010101010d0a0101010101010101010101010101010101010101010101010101010d0a01010101010101010101010101010101010101010101010d0a0101010101010101010101010101010101010101010101010101010d0a01010101010101010101010101010101010101010101010101010d0a01010101010101010101010101010101010101010101010d0a0101010101010101010101010101010101010101010101010101010d0a01010101010101010101010101010101010101010101010101050b0c0101010d0e010101010101010101010101010101010101010101050b0c0101010d0e0101010101010101010101010101010101050b0c0101010d0e010101010101010101010101010101010101010101050b0c0101010d0e0101010101010101010101010101010101010101050b0c0101010d0e0101010101010101010101010101010101050b0c0101010d0e010101010101010101010101010101010101010101050b0c0101010d0e01010101010101010101010101010101010101050607010108090a010101010101010101010101010101010101010101050607010108090a0101010101010101010101010101010101050607010108090a010101010101010101010101010101010101010101050607010108090a0101010101010101010101010101010101010101050607010108090a0101010101010101010101010101010101050607010108090a010101010101010101010101010101010101010101050607010108090a010101010101010101010101010101150101020000000000000003040101010101010101010101010101010101010102000000000000000304010101010101010101010101010101020000000000000003040101010101010101010101010101010101010102000000000000000304010101010101010101010101010101010101020000000000000003040101010101010101010101010101010200000000000000030401010101010101010101010101010101010101020000000000000003040101010101010101010101010101090101010101010101010101010101010101010101010101010101010101010101010101010101010101010101010101010101010101010101010101010101010101010101010101010101010101010101010101010101010101010101010101010101010101010101010101010101010101010101010101010101010101010101010101010101010101010101010101010101010101010101010101010101010101010101010101010101010101010101010101010101010101010101010101010101010101010101010101010101010101010101010101010101010101010101010101010101010101010101010101010101010101010101010101010101010101010101010101010101010101010101010101010101010101010101010101010101010101010101010101010101010101010101010101010101010101010101010101010101010101010101010101010101010101010101010101010101010101010101010101010101010101010101010101010101010101010101010101010101010101010101010101010101010101010101010101010101010101010101010101010101010101010101010101010101010101010101010101010101010101010101010101010101010101010101010101010101010101010101010101010101010101010101010101010101010101010101010101010101010101010101010101010101010101010101010101010101010101010101010101010101010101010101010101010101010101010101010101010101010101010101010101010101010101010101010101010101010101010101010101010101010101010101010101010101010101010101010101010101010101010101010101010101010101010101010101010101010101010101010101010101010101010101010101010101010101010101010101010101010101010101010101010101010101010101010101010101010101010101010101010101010101010101010101010101010101010101010101010101010101010101010101010101010101010101010101004c000000640000000000000000000000c6000000150000000000000000000000c7000000160000002900aa0000000000000000000000803f00000000000000000000803f0000000000000000000000000000000000000000000000000000000000000000220000000c000000ffffffff460000001c00000010000000454d462b024000000c000000000000000e000000140000000000000010000000140000000400000003010800050000000b0200000000050000000c021600c700030000001e00040000000701040004000000070104003d080000410b2000cc001500bf00000000001600c7000000000028000000bf0000001500000001000800000000000000000000000000000000001e0000000000000000000000ffffff0080c6ff00a6540000ffffe30054a6e30054000000ffe3a600e3ffff000054a600c680000080000000ffffc6000080c600ffc68000c6ffff0000008000e3a65400a6e3ff0000005400a654540080008000540080005454a6000054540054005400e3e3e300e3c68000a6a68000a680a6000101010101010101010101010101010101010101010101010101010101010101010101010101010101010101010101010101010101010101010101010101010101010101010101010101010101010101010101010101010101010101010101010101010101010101010101010101010101010101010101010101010101010101010101010101010101010101010101010101010101010101010101010101010101010101010101010101010101010101010101010101010101010101010101010101010101010101010101050000000011010101010101010101010101010101010101010101010f10000000000e010101010101010101010101010101010101010500000011010101010101010101010101010101010101010101010101010105000b0c01010101010101010101010101010101010101010108090000001101010101010101010101010101010101010101010f1000000304010101010101010101010101010101010101010101010105000000001101010f1000000e0101ff010101010101010101010101010d0a01010101010101010101010101010101010101010101010101020a0101020e0101010101010101010101010101010101010f16070112130e0101010101010101010101010101010101010101010101010108090e010101010101010101010101010101010101010101010817070112130e0101010101010101010101010101010101010809110108090a010101010101010101010101010101010101010101010101010d0a010101010d0a01121907010101010101010101010101010101050a01010108090e0101010101010101010101010101010101010101050a0101010108090e01010101010101010101010101010101010112130e0108090e010101010101010101010101010101010101050000000000030408090e0101010101010101010101010101010101010101010809110108090e01010101010101010101010101010f1607010105030408090e010101010101010101010101010101010101010101050a0101010f100e0108091101ff01010101010101010101010101050a010101010f100e0101010101010101010101010101010101010101020a010101010f100e0101010101010101010101010101010d00000e0101010f100e01010101010101010101010101010101010f150c08091b1d04010f100e010101010101010101010101010101010101010112130e01010f100e010101010101010101010101011213030408090a01010f100e0101010101010101010101010101010101010101050a0101010f160701010d0a010102000000000000001101010101050a0101010108090304010101010101020000000000000011010101010105110101010809030401010200000000000000110101010108090e010101080903040101010101010200000000000000110101020a08090e0101010809030401010101010200000000000000110101050000000a0101010809030401010200000000000000110108091c1300030401010809030401010101010102000000000000001101010101050a0101010f160701010d0a01ff01020607010108090a01011a01050a010101010809030401010101010101020607010108090a0101010101121907010108090304010101020607010108090a010101010112190701010809030401010101010101020607010108090a010101051b090e01010108090304010101010101020607010108090a0101050e01010101010108090304010101020607010108090a0101050a0101010101010809030401010101010101020607010108090a01011a01050a0101010f100e0108091101010112130e0101010f150c010500000a01010101010101010101010101010112130e0101010f150c0f16070102060701010101010101010112130e0101010f150c081707010206070101010101010101010101010112130e0101010f150c01010817180e0101010101010101010101010112130e0101010f150c01050e0101010101010101010101010112130e0101010f150c0108090a0101010101010101010101010101010112130e0101010f150c010500000a01010101050a0112190701ff0108090a0101010101010101010d0a01010101010101010101010101010108090a010101010101010f1000000a0101010101010101010108090a010101010101010500000011010101010101010101010101010108090a01010101010101010112130e0101010101010101010101010108090a0101010101010105000000060701010101010101010108090a01010101010101010102000b0c0101010101010101010101010108090a0101010101010101010d0a01010101080900001101010101010d030401010101010101010101010101010101010101010101010101010d0304010101010101010101010101010101010101010101010d030401010101010101010101010101010101010101010101010101010d0304010101010101010101010101010101010101010101010101010d0304010101010101010101010101010101010101010101010d030401010101010101010101010101010101010101010101010101010d0304010101010101010101010101010101010101010101ff0101050b0c0112140401010101010101010101010101010101010101010101050b0c01121404010101010101010101010101010101010101050b0c0112140401010101010101010101010101010101010101010101050b0c01121404010101010101010101010101010101010101010101050b0c01121404010101010101010101010101010101010101050b0c0112140401010101010101010101010101010101010101010101050b0c01121404010101010101010101010101010101010101010112130000000b0c0101010101010101010101010101010101010101010112130000000b0c01010101010101010101010101010101010112130000000b0c0101010101010101010101010101010101010101010112130000000b0c01010101010101010101010101010101010101010112130000000b0c01010101010101010101010101010101010112130000000b0c0101010101010101010101010101010101010101010112130000000b0c01010101010101010101010101010101010101010f101101010d0e010101010101010101010101010101010101010101010f101101010d0e0101010101010101010101010101010101010f101101010d0e010101010101010101010101010101010101010101010f101101010d0e0101010101010101010101010101010101010101010f101101010d0e0101010101010101010101010101010101010f101101010d0e010101010101010101010101010101010101010101010f101101010d0e0101010101010101010101010101010101010101010d0a0101010101010101010101010101010101010101010101010101010d0a01010101010101010101010101010101010101010101010d0a0101010101010101010101010101010101010101010101010101010d0a01010101010101010101010101010101010101010101010101010d0a01010101010101010101010101010101010101010101010d0a0101010101010101010101010101010101010101010101010101010d0a01010101010101010101010101010101010101010101010101050b0c0101010d0e010101010101010101010101010101010101010101050b0c0101010d0e0101010101010101010101010101010101050b0c0101010d0e010101010101010101010101010101010101010101050b0c0101010d0e0101010101010101010101010101010101010101050b0c0101010d0e0101010101010101010101010101010101050b0c0101010d0e010101010101010101010101010101010101010101050b0c0101010d0e01010101010101010101010101010101010101050607010108090a010101010101010101010101010101010101010101050607010108090a0101010101010101010101010101010101050607010108090a010101010101010101010101010101010101010101050607010108090a0101010101010101010101010101010101010101050607010108090a0101010101010101010101010101010101050607010108090a010101010101010101010101010101010101010101050607010108090a010101010101010101010101010101150101020000000000000003040101010101010101010101010101010101010102000000000000000304010101010101010101010101010101020000000000000003040101010101010101010101010101010101010102000000000000000304010101010101010101010101010101010101020000000000000003040101010101010101010101010101010200000000000000030401010101010101010101010101010101010101020000000000000003040101010101010101010101010101090101010101010101010101010101010101010101010101010101010101010101010101010101010101010101010101010101010101010101010101010101010101010101010101010101010101010101010101010101010101010101010101010101010101010101010101010101010101010101010101010101010101010101010101010101010101010101010101010101010101010101010101010101010101010101010101010101010101010101010101010101010101010101010101010101010101010101010101010101010101010101010101010101010101010101010101010101010101010101010101010101010101010101010101010101010101010101010101010101010101010101010101010101010101010101010101010101010101010101010101010101010101010101010101010101010101010101010101010101010101010101010101010101010101010101010101010101010101010101010101010101010101010101010101010101010101010101010101010101010101010101010101010101010101010101010101010101010101010101010101010101010101010101010101010101010101010101010101010101010101010101010101010101010101010101010101010101010101010101010101010101010101010101010101010101010101010101010101010101010101010101010101010101010101010101010101010101010101010101010101010101010101010101010101010101010101010101010101010101010101010101010101010101010101010101010101010101010101010101010101010101010101010101010101010101010101010101010101010101010101010101010101010101010101010101010101010101010101010101010101010101010101010101010101010101010101010101010101010101010101010101010101010101010101010101010101010101010101010101010101010101010101010101010101010101010101010101010101010101010101010101010101010101010101010101010101000c00000040092900aa000000000000001600c70000000000040000002701ffff030000000000 - уменьшающие звенья.
Составим схему размерной цепи.

Рисунок 4.1.1 – Схема размерной цепи.
Проверяем правильность составления схемы размерной цепи по основному уравнению
(4.1)
где
- номинальное значение замыкающего
звена;
010009000003ce0700000000fa0400000000fa04000026060f00ea09574d46430100000000000100e2db0000000001000000c809000000000000c8090000010000006c000000000000000000000037000000140000000000000000000000ba0500002502000020454d4600000100c80900000c00000001000000000000000000000000000000900600001a040000b801000013010000000000000000000000000000c0b6060038320400460000002c00000020000000454d462b014001001c000000100000000210c0db01000000600000006000000046000000f0020000e4020000454d462b224004000c000000000000001e4009000c00000000000000244001000c000000000000003040020010000000040000000000803f214007000c00000000000000084000053c020000300200000210c0db01000000000000000000000000000000000000000100000089504e470d0a1a0a0000000d4948445200000036000000140802000000494359b7000000017352474200aece1ce9000000097048597300000e2600000e2601a2ef25fc000001b849444154484bcd56bb71c3300ca53d47d46687e42e4be4e4c66d169197911bcf41ef9096de8301087ec08f4448296c542405010f0f048883b556bdb61c5f1b1ea27b2ec4c7f57400b9dc15ad4ed787ba5ff08804f74a41a29f29661ec7d920023df9453cd2939a34dc433858cc352a584b1a93f69a6008fe45a1cfff158206c683b988c8430616c961e1cfe9b9333dcfc6eddc1f4e19cf994d01481f544646f0886481c478238b7ee1121d78ca7c799ac3f7c828c5961224004879e434c0ce7354d9e2d1381d7f179b20a3f388b608d068edae9140d0014b549603cd286c988ae5b202b246e87987eb2385986863d969a7af44c92a9a4026fe05dc8855b2bbb8b1ccb2a6b39e6e319e5a91a539f616b1b90ae2c610458e10e1feec3088599515ae65059c576d325158de4864805807da44dc68f4448fbb6ce398956dc0985733b72b8a9c20162da1388aedba97d58699f032349b76cf1e7d47882dbed2eb52f5d665c34d888bead2c88f30587c4eea761ed27c81abe17c4b819b5ff5fdf5867b3f9a705d9a4676c8c70f8c10ef43ff4f01d9d46cb5ee4e0ddb584cb3cd3a06c930d69c334ab3d5d3da8d5d1ab90462d7d93e0551e460fa0fe394c8e6a9d1adb10000000049454e44ae426082000840010824000000180000000210c0db01000000030000000000000000000000000000001b40000040000000340000000100000002000000000000bf000000bf000058420000a041030000000000008000000080ffff5f420000008000000080ffffa7412100000008000000620000000c00000001000000150000000c00000004000000150000000c0000000400000051000000740500000000000000000000370000001400000000000000000000000000000000000000360000001400000050000000c40000001401000060040000000000002000cc0038000000150000002800000036000000140000000100080000000000000000000000000000000000270000000000000000000000ffffff00e3ffff000054a600ffc6800054a6e300e3a6540080c6ff00a6540000ffffe300a6e3ff00a6545400c6ffff00a65480005454a600ffe3a60080008000ffffc600c68000000000540080c6e300800000005480c6005400000000008000a6a6c600a6e3e3008054a6000080c60080800000c6808000c6c6e30080005400c6805400540054005454000054008000c6ffc600ffc6c600010101010101010101010101010101010101010101010101010101010101010101010101010101010c18151101010101010101010101010101010101010101010101010c1815110101010101010101011c0000000601010101010101010101010c10252601010101010101010101010101010101010101010101010c102526010101010101010101010a201101010101010101010101010101160f010101010101010101010101011c0000000000000000120101160f010a1300000000170f01010a201101010101010101010101010101050601010101010101010101010105011c06010101010203120101050601010101010101010101010a20110101010101010101010101010c18120101010101010101010101010101020304010101010512010c181201010101010101010101010a20110101010107000000000015110101010101010101010101010101010101010a220f010101070809010101010a1300000000170f0c182320110101010101051201010c240f01020e0f010101010101010101010101010101070809010101010101020e0f01010101010101010101071511010101010107080901010706010101010101010101010101010101010101010105120101010101010101010101010101010101010101010101010101010a220f010101010101010101010101010101010101010101010101050004010101010101010101010101010101010101010101010101010102030401070601010101010101010101010101010101010101010a1308090101010101010101010101010101010101010101010101010101011c00000012010101010101010101010101010101010101010203151101010101010c1011020e0f01050021090101010101010101010101010708090c1011010203151101010101010101010101050101050004010101010101011c040105060105061f090101010101010101010101010a201101010a2101010c1e0101010101010101010101010a131201010101071201010512010a0b090a0b09010101010101010101010101010c1804010107080901020e0f010107000000080901010c18151101010102031201191a13060c1812021b11010101010101010101010101011c0000000000151101071d1e0101020e0f020e0f0b1005000000000000000012010a13120500081400151101010101010101010101010101010101010101010101160f050401020300170f0101010101010101010101010101010101010101010101010101010101010101010101010101010101010101010a0b090c0d09020e0f0c101101010101010101010101010101010101010101010101010101010101010101010101010101010101010101020300040500060700000008090101010101010101010101010101010101010101010101010101010101010101010101010101010101010101010101010101010101010101010101010101010101010101010101010101010101010101010101010101010101010101010101010101010101010101010101010101010101014c0000006400000000000000000000003700000014000000000000000000000038000000150000002900aa0000000000000000000000803f00000000000000000000803f0000000000000000000000000000000000000000000000000000000000000000220000000c000000ffffffff460000001c00000010000000454d462b024000000c000000000000000e000000140000000000000010000000140000000400000003010800050000000b0200000000050000000c0215003800030000001e00040000000701040004000000070104009f020000410b2000cc00140036000000000015003800000000002800000036000000140000000100080000000000000000000000000000000000270000000000000000000000ffffff00e3ffff000054a600ffc6800054a6e300e3a6540080c6ff00a6540000ffffe300a6e3ff00a6545400c6ffff00a65480005454a600ffe3a60080008000ffffc600c68000000000540080c6e300800000005480c6005400000000008000a6a6c600a6e3e3008054a6000080c60080800000c6808000c6c6e30080005400c6805400540054005454000054008000c6ffc600ffc6c600010101010101010101010101010101010101010101010101010101010101010101010101010101010c18151101010101010101010101010101010101010101010101010c1815110101010101010101011c0000000601010101010101010101010c10252601010101010101010101010101010101010101010101010c102526010101010101010101010a201101010101010101010101010101160f010101010101010101010101011c0000000000000000120101160f010a1300000000170f01010a201101010101010101010101010101050601010101010101010101010105011c06010101010203120101050601010101010101010101010a20110101010101010101010101010c18120101010101010101010101010101020304010101010512010c181201010101010101010101010a20110101010107000000000015110101010101010101010101010101010101010a220f010101070809010101010a1300000000170f0c182320110101010101051201010c240f01020e0f010101010101010101010101010101070809010101010101020e0f01010101010101010101071511010101010107080901010706010101010101010101010101010101010101010105120101010101010101010101010101010101010101010101010101010a220f010101010101010101010101010101010101010101010101050004010101010101010101010101010101010101010101010101010102030401070601010101010101010101010101010101010101010a1308090101010101010101010101010101010101010101010101010101011c00000012010101010101010101010101010101010101010203151101010101010c1011020e0f01050021090101010101010101010101010708090c1011010203151101010101010101010101050101050004010101010101011c040105060105061f090101010101010101010101010a201101010a2101010c1e0101010101010101010101010a131201010101071201010512010a0b090a0b09010101010101010101010101010c1804010107080901020e0f010107000000080901010c18151101010102031201191a13060c1812021b11010101010101010101010101011c0000000000151101071d1e0101020e0f020e0f0b1005000000000000000012010a13120500081400151101010101010101010101010101010101010101010101160f050401020300170f0101010101010101010101010101010101010101010101010101010101010101010101010101010101010101010a0b090c0d09020e0f0c101101010101010101010101010101010101010101010101010101010101010101010101010101010101010101020300040500060700000008090101010101010101010101010101010101010101010101010101010101010101010101010101010101010101010101010101010101010101010101010101010101010101010101010101010101010101010101010101010101010101010101010101010101010101010101010101010101010c00000040092900aa000000000000001500380000000000040000002701ffff030000000000 - сумма номинальных значений увеличивающих звеньев;
010009000003c608000000009a05000000009a05000026060f002a0b574d46430100000000000100fad80000000001000000080b000000000000080b0000010000006c000000000000000000000040000000140000000000000000000000a50600002502000020454d4600000100080b00000c00000001000000000000000000000000000000900600001a040000b801000013010000000000000000000000000000c0b6060038320400460000002c00000020000000454d462b014001001c000000100000000210c0db010000006000000060000000460000008003000074030000454d462b224004000c000000000000001e4009000c00000000000000244001000c000000000000003040020010000000040000000000803f214007000c0000000000000008400005cc020000c00200000210c0db01000000000000000000000000000000000000000100000089504e470d0a1a0a0000000d494844520000003e0000001408020000005a941943000000017352474200aece1ce9000000097048597300000e2600000e2601a2ef25fc0000024949444154484bd5563b8ec2301075380748545b710122d17200140ab8c572019c0bc0096843b18803d022c5174845b552720f76c6ff24c6385976255cd98e3df3e6e5cd78a2fbfd4ede730cde1336a2fe1be82c8da294f561a53a2e23187059cc96c7ca6c81417b018279e9c82938489284d0bc9fdd324b92acc4bb39959332a35946c122eef0097e1ec83030d4d610c4891330472e390f3e3aa75bb0ba5ff4615cdc19ae3693f3b502b73bb2590d95a1d93627f1ee63bf1aab9d019c449e9a2441ecf208bb923dac681c5de6c884d87644fc24a646308287fa901a9bce27eb437ab86db653fb1290f26542812f48bdc0d9f8c30052ede07731b7367d7230173ca79005e31356521e02506d61d0494af11e87fe00bc76ab018b499e092d3e1e21d01b67f0c7eaecc86940a648e85ef086102117bf5925293c69a86b8759b3aa4d3a05e0e6484357e07ddefa950cf72d3bc27ed5c882fe4c36af04ced34b52ad6b6047072de80122ebe8c2751c91fff6ff5ad06b39de195ead28d809ee5443c3572fe2552300753a2eb2bd5537a1f076abd4aec2bd2bd4f350fb5a7d17643256cf0d4be36231132bc011ec55d7c686528c1855d2cb920aff59a658ed869b756795ac65a808a98f4c51302ea5709cdc205671bee2dae46e715fd561f3ec6a5e2d11871478a34d6d3c48aec44181c6d07e4d35b72d923bb0ee7dcac29377c0dba50743f510e5ed44e7d84f54d733e1aa1413c298b7156ba8fff9b2bc09f34123a45f6717da408ea64febd1e7c5e7031bacd1fa44a0710b4c787004c9cb5860a71f24ab7f3a14d26718283fed7d2e30534d5f110000000049454e44ae4260820840010824000000180000000210c0db01000000030000000000000000000000000000001b40000040000000340000000100000002000000000000bf000000bf000078420000a041030000000000008000000080ffff81420000008000000080ffffa7412100000008000000620000000c00000001000000150000000c00000004000000150000000c00000004000000510000002406000000000000000000004000000014000000000000000000000000000000000000003e0000001400000050000000d40000002401000000050000000000002000cc004100000015000000280000003e0000001400000001000800000000000000000000000000000000002b0000000000000000000000ffffff0080c6ff0080000000ffffc600e3ffff000054a600ffc6800054a6e300e3a65400c6800000a6e3ff0000005400c6ffff00000080005454000080005400a6545400ffffe300a6548000a680a6000080a600c6c68000a65400005480c600ffe3a600c6ffe300540080000080c600a6a6c600a6e3e3005400000080800000c68080005454a600c6805400800080005400540080c6e3008054a600c6c6e300c6ffc600ffc6c600010101010101010101010101010101010101010101010101010101010101010101010101010101010101010101010d0e0304010101010101010101010101010101010101010101010101010d2404052219010800231201010809010101011c0000000901010101010101010101010d24292a01010101010101010101010126010101010101010101010101011c0701080901080928120101080901010101010b1004010101010101010101010101011819010101010101010101010101010f011c00000000000000000a0101080a010b11120b1112010101080901010101010b1004010101010101010101010101010809010101010101010101010101010101011c090101010105060a011d1e0c090d0e0a0527040b0c000000001f1901010b10040101010101010101010101010d0e0a0101010101010101010101010115110105060701010101080a010b0c0a08001726000304010101080901010101010b100401010101020000000000030401010101010101010101010101010101010101010b25190101010217120101010101010101010101010108090101010d0e0f10040101010101080a01010d1b190105221901010101010101010101010101010101010217120101010101010101010101010101010101010809010101010102030401010101010217120101020901010101010101010101010101010101040101010101080a0101010101010101010101010101010101010101010101010101010101010101010b251901010101010101010101010101010101010101010101010101010800070101010101010101010101010101010101010101010101010101010101010101050607010209010101010101010101010101010101010101010101010b0c17120101010101010101010101010101010101010101010101010101010101010101011c0000000a0101010101010101010101010101010101010101010506030401010101010d1b19011c00070101010101010101011c0000000901010101010101010217120d24040105060304010101010101010101010101070101080007010101010101011c07011c071d120101010101010101010b10040101010101010101010b100401010b2301010d2101010101010101010101010101010b0c0a01010101020a0101080a01020a01010101010101010101010b10040101010101010101010d0e070101021712010522190101080007010b0c030401010d0e030401010105060a011d1e0c0a0d13120b0c000000001f1901010b10040101010101010101011c0000000000030401022021010105141201011c070101010800000000000000000a010b0c0a02001712010101010101010101010b1004010101010101010101010101010101010101181908070105141a1b191c0701010101010101010101010101010101010101010101010101010101010d0e0f100401010101010101010101010101010101010b11120d13120514151613150701010101010101010101010101010101010101010101010101010101010101020304010101010101010101010101010101010506000708000908000a010b0c0304010101010101010101010101010101010101010101010101010101010101010101010101010101010101010101010101010101010101010101010101010101010101010101010101010101010101010101010101010101010101010101010101010101010101010101010101010101010101010101010101010101010101010101014c0000006400000000000000000000004000000014000000000000000000000041000000150000002900aa0000000000000000000000803f00000000000000000000803f0000000000000000000000000000000000000000000000000000000000000000220000000c000000ffffffff460000001c00000010000000454d462b024000000c000000000000000e000000140000000000000010000000140000000400000003010800050000000b0200000000050000000c0215004100030000001e0004000000070104000400000007010400f7020000410b2000cc0014003e00000000001500410000000000280000003e0000001400000001000800000000000000000000000000000000002b0000000000000000000000ffffff0080c6ff0080000000ffffc600e3ffff000054a600ffc6800054a6e300e3a65400c6800000a6e3ff0000005400c6ffff00000080005454000080005400a6545400ffffe300a6548000a680a6000080a600c6c68000a65400005480c600ffe3a600c6ffe300540080000080c600a6a6c600a6e3e3005400000080800000c68080005454a600c6805400800080005400540080c6e3008054a600c6c6e300c6ffc600ffc6c600010101010101010101010101010101010101010101010101010101010101010101010101010101010101010101010d0e0304010101010101010101010101010101010101010101010101010d2404052219010800231201010809010101011c0000000901010101010101010101010d24292a01010101010101010101010126010101010101010101010101011c0701080901080928120101080901010101010b1004010101010101010101010101011819010101010101010101010101010f011c00000000000000000a0101080a010b11120b1112010101080901010101010b1004010101010101010101010101010809010101010101010101010101010101011c090101010105060a011d1e0c090d0e0a0527040b0c000000001f1901010b10040101010101010101010101010d0e0a0101010101010101010101010115110105060701010101080a010b0c0a08001726000304010101080901010101010b100401010101020000000000030401010101010101010101010101010101010101010b25190101010217120101010101010101010101010108090101010d0e0f10040101010101080a01010d1b190105221901010101010101010101010101010101010217120101010101010101010101010101010101010809010101010102030401010101010217120101020901010101010101010101010101010101040101010101080a0101010101010101010101010101010101010101010101010101010101010101010b251901010101010101010101010101010101010101010101010101010800070101010101010101010101010101010101010101010101010101010101010101050607010209010101010101010101010101010101010101010101010b0c17120101010101010101010101010101010101010101010101010101010101010101011c0000000a0101010101010101010101010101010101010101010506030401010101010d1b19011c00070101010101010101011c0000000901010101010101010217120d24040105060304010101010101010101010101070101080007010101010101011c07011c071d120101010101010101010b10040101010101010101010b100401010b2301010d2101010101010101010101010101010b0c0a01010101020a0101080a01020a01010101010101010101010b10040101010101010101010d0e070101021712010522190101080007010b0c030401010d0e030401010105060a011d1e0c0a0d13120b0c000000001f1901010b10040101010101010101011c0000000000030401022021010105141201011c070101010800000000000000000a010b0c0a02001712010101010101010101010b1004010101010101010101010101010101010101181908070105141a1b191c0701010101010101010101010101010101010101010101010101010101010d0e0f100401010101010101010101010101010101010b11120d13120514151613150701010101010101010101010101010101010101010101010101010101010101020304010101010101010101010101010101010506000708000908000a010b0c0304010101010101010101010101010101010101010101010101010101010101010101010101010101010101010101010101010101010101010101010101010101010101010101010101010101010101010101010101010101010101010101010101010101010101010101010101010101010101010101010101010101010101010101010c00000040092900aa000000000000001500410000000000040000002701ffff030000000000 - сумма номинальных значений уменьшающих звеньев;
010009000003fe0300000000d20200000000d202000026060f009a05574d46430100000000000100b6470000000001000000780500000000000078050000010000006c00000000000000000000000f000000150000000000000000000000a20100003f02000020454d4600000100780500000c00000001000000000000000000000000000000900600001a040000b801000013010000000000000000000000000000c0b6060038320400460000002c00000020000000454d462b014001001c000000100000000210c0db01000000600000006000000046000000f0010000e4010000454d462b224004000c000000000000001e4009000c00000000000000244001000c000000000000003040020010000000040000000000803f214007000c00000000000000084000053c010000300100000210c0db01000000000000000000000000000000000000000100000089504e470d0a1a0a0000000d494844520000000f00000015080200000016f923e0000000017352474200aece1ce9000000097048597300000e2600000e2601a2ef25fc000000b649444154384fe552310ec3200c347d472b75ead4e7c07fc8676089f280ae91c2073a75aa04ffa0363624441db2c71242c7dd616ca372ce70382e8795243c8f3a0c8ac2f884650b5043a02654c41c80d360979c170b609d80883b68e76ca10aa75da4c9e0c228bc1c098f6e92fe5393bdb1ecadda2de2bb89e65c2d5113f323394d99659aa7119ef7abfc82f819413f6e82c2cb3654d43d9dbe6f58bd1d22754fefbcf5a6e48df1f8eebea64dbfd68ed47ea953fcef1f8e97c5e1539809f00000000049454e44ae4260820000000840010824000000180000000210c0db01000000030000000000000000000000000000001b40000040000000340000000100000002000000000000bf000000bf000070410000a841030000000000008000000080ffff7f410000008000000080ffffaf412100000008000000620000000c00000001000000150000000c00000004000000150000000c00000004000000510000002402000000000000000000000f00000015000000000000000000000000000000000000000f000000150000005000000084000000d400000050010000000000002000cc001000000016000000280000000f000000150000000100080000000000000000000000000000000000170000000000000000000000ffffff000080c600a6540000ffffe30080c6ff00ffc6800054000000ffe3a6000054a6008000000054a6a600c6800000e3ffff000080a600c6ffff0000008000e3a6540054a6e300ffffc600a6e3ff0000005400a654540001010101010101010101010101010100010101010101010101010101010101000101010101010101010101010101018001010101010101010101010101010108010101010101010101010101010101080d090c01010f1011010101020003043b01120a130101020304010f10111416ff010507080101120a13010d090c0101c6011415060101050708010102030401ff010d091101011415060101050a1301ff0101020a13010d090c010114150601ff01011200110101020006010f101101ff0906050a0b0c0d09030e060f101101ff010200030405000006010200070801ff010101010101010101010101010101ff010101010101010101010101010101ff010101010101010101010101010101ff010101010101010101010101010101ff010101010101010101010101010101ff010101010101010101010101010101ff010101010101010101010101010101ff4c0000006400000000000000000000000f00000015000000000000000000000010000000160000002900aa0000000000000000000000803f00000000000000000000803f0000000000000000000000000000000000000000000000000000000000000000220000000c000000ffffffff460000001c00000010000000454d462b024000000c000000000000000e000000140000000000000010000000140000000400000003010800050000000b0200000000050000000c0216001000030000001e0004000000070104000400000007010400f7000000410b2000cc0015000f00000000001600100000000000280000000f000000150000000100080000000000000000000000000000000000170000000000000000000000ffffff000080c600a6540000ffffe30080c6ff00ffc6800054000000ffe3a6000054a6008000000054a6a600c6800000e3ffff000080a600c6ffff0000008000e3a6540054a6e300ffffc600a6e3ff0000005400a654540001010101010101010101010101010100010101010101010101010101010101000101010101010101010101010101018001010101010101010101010101010108010101010101010101010101010101080d090c01010f1011010101020003043b01120a130101020304010f10111416ff010507080101120a13010d090c0101c6011415060101050708010102030401ff010d091101011415060101050a1301ff0101020a13010d090c010114150601ff01011200110101020006010f101101ff0906050a0b0c0d09030e060f101101ff010200030405000006010200070801ff010101010101010101010101010101ff010101010101010101010101010101ff010101010101010101010101010101ff010101010101010101010101010101ff010101010101010101010101010101ff010101010101010101010101010101ff010101010101010101010101010101ff0c00000040092900aa000000000000001600100000000000040000002701ffff030000000000 – число увеличивающих звеньев;
0100090000039803000000009c02000000009c02000026060f002e05574d46430100000000000100781000000000010000000c050000000000000c050000010000006c00000000000000000000000a0000001500000000000000000000001f0100003f02000020454d46000001000c0500000c00000001000000000000000000000000000000900600001a040000b801000013010000000000000000000000000000c0b6060038320400460000002c00000020000000454d462b014001001c000000100000000210c0db01000000600000006000000046000000e4010000d8010000454d462b224004000c000000000000001e4009000c00000000000000244001000c000000000000003040020010000000040000000000803f214007000c000000000000000840000530010000240100000210c0db01000000000000000000000000000000000000000100000089504e470d0a1a0a0000000d494844520000000b0000001508020000001f12839a000000017352474200aece1ce9000000097048597300000e2600000e2601a2ef25fc000000ac49444154285363fcffff3f035ec0845f1a283bb4541c6f640481d0e54f804e8772181b8fc37cb92c84a1e1d8ffffc71a18181a9641398f813443c8b2c7c0b002861698fc0f16830b42d403f58100343c1edf5a03142b8a94011bfde4c115861035598835101560a165c99610b12787d7ad61d05180a886a84015620019d8e006550e510112829bca707c5703120fac026407c254b0d1203b9e2c0f050700d41f3097c3fd05f719e390491f0036196fa63b4e842b0000000049454e44ae426082000840010824000000180000000210c0db01000000030000000000000000000000000000001b40000040000000340000000100000002000000000000bf000000bf000030410000a841030000000000008000000080ffff2f410000008000000080ffffaf412100000008000000620000000c00000001000000150000000c00000004000000150000000c0000000400000051000000c401000000000000000000000a00000015000000000000000000000000000000000000000b000000150000005000000078000000c8000000fc000000000000002000cc000b00000016000000280000000b000000150000000100080000000000000000000000000000000000140000000000000000000000ffffff000080c600a6540000ffffe30080c6ff00ffc680000054a6008000000054a6a600c6800000e3ffff0054a6e300e3a65400ffffc600a6e3ff000000540054000000ffe3a6005454a6000101010101010101010101ff0101010101010101010101ff0101010101010101010101ff0101010101010101010101ff0101010101010101010101ff0b070a0101010c00111201ff010c080e0101020a0b1312ff0105111201010203040101ff010f1006010105080e0101ff010b070d01010f10060101ff010102080e010b070d0101ff01010c000d0101020a0101ff07060508090a0b07030401ff0102000304050000060101ff0101010101010101010101ff0101010101010101010101ff0101010101010101010101ff0101010101010101010101ff0101010101010101010101ff0101010101010101010101ff0101010101010101010101ff4c0000006400000000000000000000000a0000001500000000000000000000000b000000160000002900aa0000000000000000000000803f00000000000000000000803f0000000000000000000000000000000000000000000000000000000000000000220000000c000000ffffffff460000001c00000010000000454d462b024000000c000000000000000e000000140000000000000010000000140000000400000003010800050000000b0200000000050000000c0216000b00030000001e0004000000070104000400000007010400c7000000410b2000cc0015000b000000000016000b0000000000280000000b000000150000000100080000000000000000000000000000000000140000000000000000000000ffffff000080c600a6540000ffffe30080c6ff00ffc680000054a6008000000054a6a600c6800000e3ffff0054a6e300e3a65400ffffc600a6e3ff000000540054000000ffe3a6005454a6000101010101010101010101ff0101010101010101010101ff0101010101010101010101ff0101010101010101010101ff0101010101010101010101ff0b070a0101010c00111201ff010c080e0101020a0b1312ff0105111201010203040101ff010f1006010105080e0101ff010b070d01010f10060101ff010102080e010b070d0101ff01010c000d0101020a0101ff07060508090a0b07030401ff0102000304050000060101ff0101010101010101010101ff0101010101010101010101ff0101010101010101010101ff0101010101010101010101ff0101010101010101010101ff0101010101010101010101ff0101010101010101010101ff0c00000040092900aa0000000000000016000b0000000000040000002701ffff030000000000 – всего звеньев.



Равенство соблюдается, значит схема размерной цепи составлена правильно.
Определим коэффициент точности для составляющих звеньев
(4.2)
где
- допуск замыкающего звена;
0100090000034e0c000000008e07000000008e07000026060f00120f574d4643010000000000010043ce0000000001000000f00e000000000000f00e0000010000006c0000000000000000000000580000001800000000000000000000001a0900008e02000020454d4600000100f00e00000c00000001000000000000000000000000000000900600001a040000b801000013010000000000000000000000000000c0b6060038320400460000002c00000020000000454d462b014001001c000000100000000210c0db010000006000000060000000460000004004000034040000454d462b224004000c000000000000001e4009000c00000000000000244001000c000000000000003040020010000000040000000000803f214007000c00000000000000084000058c030000800300000210c0db01000000000000000000000000000000000000000100000089504e470d0a1a0a0000000d4948445200000055000000180802000000045126bf000000017352474200aece1ce9000000097048597300000e2600000e2601a2ef25fc00000306494441545847e558cb6ddb40102555070de4a4931b20015f5540401f5446d200570d445d88070b2940d70052033af96480ec8399d91ff7af11490b31b217d3cbd9d999796fde2e950fc390fdc763f580dc2fbb3cdf5d1eb0d1842d567dfb9a27c76bdb4ff02b9608e7159bece0d317ae8aedfe50e336ec0cad608db315b7c805ab8178cac75bf1bdecc1632736f8a421a34182292c39d9e4bc11aa3903d3829298b10c305c81fad081c999c15fb0ab19abd10e97f8f66e05c5ff71db546546ef360e63194564189b0a85fbf3c282f7d274b45473bcff250758e57669b95114289bb76dd1bd1f8fd7f5be29b30c1eebf5132e76aa2a7b89d6efe0458566868ecfd23bee5036fca54a5723f6fcad303905e8ff787f36a8a6e870da0c10bc3465158f50cf29c8a21c1831451c6471c7928621b766a3f88f70080aaa0c916712db914136aec652813f2768986a11fcb943adffc5f62762ed734097b8ffb8666c03d843a3c12354bf6f5b8aac23cac151360372090767c2f7178152b17d1b01536fe5d6d291b114675875dad84b00fc94723fadebecfa01ca6e22251b2ddcd79c94121549161ba400139cfe8edbf39da37a826ff55a1379d9fdbc0228df4602d6d6c2b3ad23c2a195bfe58040ecc54cc2bae5b4a6a610557729e139f79fb2e1b516caf6b8c1d91fdbb4fff3fba8b981d2b06874fe917f93d594bade657307fbeff24b30b6f0bfec2ac6ceb68e2c40825bf75f5453a5acfe76fcad73d42d109472a16b94ee41422903c7dc2842899ef50e77eff07494d1524053960941ba264aff88d95b12eae414cabf438d4ddf15458d68da2f9d916f9eb70b22f28f666f856e1c43a194a269a6f2370a1a2841e4e66b1fc3b3f40af38f636f1ebc6e2954b8e118cd64d2f8dfc6286131db75e6dc0a7c6591e5b5fa2c78fd9d84ffaceccd4f9f898e56ed2fbc7a258627bd20e715d37755821447efbf84b56993cb89cdbd0d90eba6b51cbf35420a94d47f9ec7ac4e8d5cafa1d1bac3c1fbed829a9673ff252d0ba74f5abaac11f53324b1eb84fc85e02d79095fb62a7779cbc17a761b7e61078ff8fdf75f2ecf5fc6e2bf3891e7012d0000000049454e44ae4260820000000840010824000000180000000210c0db01000000030000000000000000000000000000001b40000040000000340000000100000002000000000000bf000000bf0000aa420000c041030000000000008000000080feffb1420000008000000080feffc7412100000008000000620000000c00000001000000150000000c00000004000000150000000c00000004000000510000004c0900000000000000000000580000001800000000000000000000000000000000000000550000001800000050000000bc0000000c01000040080000000000002000cc0059000000190000002800000055000000180000000100080000000000000000000000000000000000250000000000000000000000ffffff000080c600c680000054a6e300e3a65400e3ffff000054a600ffc6800054000000ffe3a600a6540000ffffe300e3e3e30080c6ff0080000000ffffc600a6e3ff0000005400c6ffff00000080005480c600e3e3a6005454a600548080008000540054008000540054008054540000548000a6545400c6c68000a6548000e3ffe300a6a6e3008000800080c6c60001010101010101010101010101010101010101010101010101010101010101010101010101010101010101010101010101010101010101010101010101010101010101010101010101010101010101010101010101ffffff01010101010101010101010101010101010101010101010101010101010101010101010101010101010101010101010101010101010101010101010101010101010101010101010101010101010101010101010101ffffff0101010101010101010101010101010113140f100101010101010101010101010101010101010101010101010101010101010101010101010101010101010101010101010101010101010101010101010101010101ffffff01010101010101010101010101010101010208010101010101010101010101010101010101010101010101010101010101010101010101010101010101010607000501010101010101010101010101010101010101ffffff010101010101010101010101010607000f2403010101010106070801010101040000000005010101010101010101010101010101010101010101010101010607082210010101010101010101010101010101010101ffffff07000000000000000000000801111b0a13140b0c0101010106070801010101010102030101010101010101010101010101010101010101010101010101010102050101010101010101010101010101010101010101ffffff0e000000000000000000000501111b0a01131a0a010101010607080101010101010403010101010101010101010101010101010101010101010101010101010e030101010101010101010101010101010101010101ffffff01040f10010101010113140501060708010102080113140000000000000801010104030101010101010101010101010101010101010101010101010101010111191001010101010101010101010101010101010101ffffff01060703010101010101040301010e090a010403010101010607080101010101010403010101010101010e0000000801010101010e0000000000000005010607090a01010101010101010101010101010101010101ffffff0101111208010101010101010101010e0000000f10010101060708010101010d0104030101010101010101040008010101010101010e090a0101060703010101010101010101010101010101010101010101010101ffffff010101040f1001010101010101010101010101010101010106070801010101040000030101010101010101111205010101010101011112080101011323100101040b0c010101010101010101010101010101010101ffffff01010101020301010101010101010101010101010101010101010101010101010102030101010101010101060703010101010101010607030101010101010101010101010101010101010101010101010101010101ffffff0101010113140501010101010101010101010101010101010101010101010101010101010101010101010101020f1001010101010101020b0c010101010101010101010101010101010101010101010101010101010000ff01010101010e090a0101010101010101010101010101010101010101010101010101010101010101010101010e090a01010101010101040f1001111e0c010101010101010101010101010101010101010101010101ffffff01010101131400080101010101010101010101010101010101010101010101010101010101010101010101011112080101010101010111120000000f10010101010101010101010101010101010101010101010101ffffff010101010200030101010101010607050106070005010101010101010101010400000000050101010101010113140301010101010101131405010102080101010e000f100e000f100400000003010e000000000501ffffff0101010e000f100101010101010104030106070822100101010101010101010101020301010101010101010101020b0c0101010101010102030101010101010101020f1006070801040501131a0a01020801111b0a54a6ff01010607000801010101010101010e0f100102050101010101010101010101010104030101010101010e03010104090a01111e0c010101040f1001010102080101021f2021070801010101131a0a010208010e0f10ffffff0101040003010101010102050101131405010e0b0c13140000000000000801010104030101010101011314050111120801111b0a01010104090a010106070301010208111c1d08010104000f100101020000030101ffffff0111120f10010101011314050115161718081119100101010101010101010101010403010101010101060700000000000000000801010e000000000000000b0c0102080111120801010101131a0a010208010e0b0c8000ff060700080101010101020005010607090a02000b0c010101010101010101010d01040301010101010101010101010101010101010101010101010101010101010e000f1004000f100e0000000b0c0e000000000301c6ffff04000000000000000000000501010101010101010101010101010101010101040000030101010101010101010101010101010101010101010101010101010101010101010101010101010101010101010101010101ffffff01010101010101010101010101010101010101010101010101010101010101010102030101010101010101010101010101010101010101010101010101010101010101010101010101010101010101010101010101ffffff01010101010101010101010101010101010101010101010101010101010101010101010101010101010101010101010101010101010101010101010101010101010101010101010101010101010101010101010101ffffff4c0000006400000000000000000000005800000018000000000000000000000059000000190000002900aa0000000000000000000000803f00000000000000000000803f0000000000000000000000000000000000000000000000000000000000000000220000000c000000ffffffff460000001c00000010000000454d462b024000000c000000000000000e000000140000000000000010000000140000000400000003010800050000000b0200000000050000000c0219005900030000001e00040000000701040004000000070104008b040000410b2000cc00180055000000000019005900000000002800000055000000180000000100080000000000000000000000000000000000250000000000000000000000ffffff000080c600c680000054a6e300e3a65400e3ffff000054a600ffc6800054000000ffe3a600a6540000ffffe300e3e3e30080c6ff0080000000ffffc600a6e3ff0000005400c6ffff00000080005480c600e3e3a6005454a600548080008000540054008000540054008054540000548000a6545400c6c68000a6548000e3ffe300a6a6e3008000800080c6c60001010101010101010101010101010101010101010101010101010101010101010101010101010101010101010101010101010101010101010101010101010101010101010101010101010101010101010101010101ffffff01010101010101010101010101010101010101010101010101010101010101010101010101010101010101010101010101010101010101010101010101010101010101010101010101010101010101010101010101ffffff0101010101010101010101010101010113140f100101010101010101010101010101010101010101010101010101010101010101010101010101010101010101010101010101010101010101010101010101010101ffffff01010101010101010101010101010101010208010101010101010101010101010101010101010101010101010101010101010101010101010101010101010607000501010101010101010101010101010101010101ffffff010101010101010101010101010607000f2403010101010106070801010101040000000005010101010101010101010101010101010101010101010101010607082210010101010101010101010101010101010101ffffff07000000000000000000000801111b0a13140b0c0101010106070801010101010102030101010101010101010101010101010101010101010101010101010102050101010101010101010101010101010101010101ffffff0e000000000000000000000501111b0a01131a0a010101010607080101010101010403010101010101010101010101010101010101010101010101010101010e030101010101010101010101010101010101010101ffffff01040f10010101010113140501060708010102080113140000000000000801010104030101010101010101010101010101010101010101010101010101010111191001010101010101010101010101010101010101ffffff01060703010101010101040301010e090a010403010101010607080101010101010403010101010101010e0000000801010101010e0000000000000005010607090a01010101010101010101010101010101010101ffffff0101111208010101010101010101010e0000000f10010101060708010101010d0104030101010101010101040008010101010101010e090a0101060703010101010101010101010101010101010101010101010101ffffff010101040f1001010101010101010101010101010101010106070801010101040000030101010101010101111205010101010101011112080101011323100101040b0c010101010101010101010101010101010101ffffff01010101020301010101010101010101010101010101010101010101010101010102030101010101010101060703010101010101010607030101010101010101010101010101010101010101010101010101010101ffffff0101010113140501010101010101010101010101010101010101010101010101010101010101010101010101020f1001010101010101020b0c010101010101010101010101010101010101010101010101010101010000ff01010101010e090a0101010101010101010101010101010101010101010101010101010101010101010101010e090a01010101010101040f1001111e0c010101010101010101010101010101010101010101010101ffffff01010101131400080101010101010101010101010101010101010101010101010101010101010101010101011112080101010101010111120000000f10010101010101010101010101010101010101010101010101ffffff010101010200030101010101010607050106070005010101010101010101010400000000050101010101010113140301010101010101131405010102080101010e000f100e000f100400000003010e000000000501ffffff0101010e000f100101010101010104030106070822100101010101010101010101020301010101010101010101020b0c0101010101010102030101010101010101020f1006070801040501131a0a01020801111b0a54a6ff01010607000801010101010101010e0f100102050101010101010101010101010104030101010101010e03010104090a01111e0c010101040f1001010102080101021f2021070801010101131a0a010208010e0f10ffffff0101040003010101010102050101131405010e0b0c13140000000000000801010104030101010101011314050111120801111b0a01010104090a010106070301010208111c1d08010104000f100101020000030101ffffff0111120f10010101011314050115161718081119100101010101010101010101010403010101010101060700000000000000000801010e000000000000000b0c0102080111120801010101131a0a010208010e0b0c8000ff060700080101010101020005010607090a02000b0c010101010101010101010d01040301010101010101010101010101010101010101010101010101010101010e000f1004000f100e0000000b0c0e000000000301c6ffff04000000000000000000000501010101010101010101010101010101010101040000030101010101010101010101010101010101010101010101010101010101010101010101010101010101010101010101010101ffffff01010101010101010101010101010101010101010101010101010101010101010102030101010101010101010101010101010101010101010101010101010101010101010101010101010101010101010101010101ffffff01010101010101010101010101010101010101010101010101010101010101010101010101010101010101010101010101010101010101010101010101010101010101010101010101010101010101010101010101ffffff0c00000040092900aa000000000000001900590000000000040000002701ffff030000000000 - сумма допусков звеньев, предельные отклонения которых известны;
010009000003940c00000000aa0700000000aa07000026060f004a0f574d46430100000000000100db6e0000000001000000280f000000000000280f0000010000006c00000000000000000000005d0000001800000000000000000000009d0900008e02000020454d4600000100280f00000c00000001000000000000000000000000000000900600001a040000b801000013010000000000000000000000000000c0b6060038320400460000002c00000020000000454d462b014001001c000000100000000210c0db010000006000000060000000460000002404000018040000454d462b224004000c000000000000001e4009000c00000000000000244001000c000000000000003040020010000000040000000000803f214007000c000000000000000840000570030000640300000210c0db01000000000000000000000000000000000000000100000089504e470d0a1a0a0000000d494844520000005a000000180802000000f55a7d32000000017352474200aece1ce9000000097048597300000e2600000e2601a2ef25fc000002eb494441545847ed583b6ee33010957c0e1948e52a17b080b43ec0c229bced9e20b980e90b6c4eb06d5438d803a85dc0ba80abad0258f75086ffe188b2487d5c18616553e4cc9b37e41b9269d334c977d30c2cbea9c00c44d2511d52db0ed5dd71b9a88b6714a1e7e77351aba8818bfcfc7e81edd55cdeb709dbacef8e8e4486068d9d789cb89d18efdf4a0224037a0c7c6a8fa7f3affee7c6b5e9fe89128af0a9e01afffabf8aa06ba4ea1766a45fdca3e3073a7a085198b957031f2c8587e20d5604811925e0ccbad37e50027062f83469c6f4da912d27028a056f47ea3e4147372176aaa543001fc9868f22011edb75a2f1e5b29561315b0509b3b78ca1154d97159ead13a3a434dbbd8974e5441ed7fbe6b8cb78aab2a71fdb8f9f4b109772030e1f1f44efe40ddbcd1e1e1d81d298edf6c09b9933acb04277757849de8ebf560860b63b8a2c6ccad4eaa1b2097d290fdd54966cf7cab3de22c4d8d3d69a7d52b23132aac59b16a6cbff0f22cf908cfd75b95eae20477f648503bb3a4c96971b4b0df9e84b21d849ce9f5033dadad9279272d98e52529f8e3a7d54aaaf48a9d9458e400a789e59820b89dddd7e72b6438763a05fee078ff0499cbb0346d23d18193986adf72249abe5e4a2800df26d417cd4fffec25651759cabe0cc10bae273898c3b0d0c4c8253b3958d9b38eec7ebac8eea903376723568fa65221602a94cf5e73999ad5ac5846018f39f59fa098d1ee159081edf8e98fad653b4df90095a4ac3c88882650f8c0e10e3097e68b1a00c85a109892f728ca4a3d3bd735109364dae11649efe8a8edfbee58cef4ab39c827de1703aba7381b326a3c0d7164f10eafa70e1357c18951e909319eacf67422f76ad18ed2d221256e4f06eacf44cd61fd5e0118be2b7386476375b03e0b830e6701e23f0786c55b29b9d4216ea5ed3cda7b935b8b09c7731f36a34c30319afc19092ba286ef0f816fe384860c1f5cad3f08d8b9f3d276a2c4f5f92a75b3cbe056f335510421e3ac8fd23644a308c7907a6607ea214de83992f3b8265e68845c40e0000000049454e44ae42608200000840010824000000180000000210c0db01000000030000000000000000000000000000001b40000040000000340000000100000002000000000000bf000000bf0000b4420000c041030000000000008000000080feffbb420000008000000080ffffc7412100000008000000620000000c00000001000000150000000c00000004000000150000000c0000000400000051000000a009000000000000000000005d00000018000000000000000000000000000000000000005a0000001800000050000000b000000000010000a0080000000000002000cc005e00000019000000280000005a000000180000000100080000000000000000000000000000000000220000000000000000000000ffffff0080c6ff0080000000ffffc60054a6e300e3a6540054000000ffe3a600c6800000e3ffff000054a600ffc680000080c600a6540000ffffe300a6e3ff0000005400c6ffff00000080005400540054008000805454000054800080c6c600c6c68000a6548000e3ffe300a6545400800080008054a600e3e3e30080005400a6a6e3000101010101010101010101010101010101010101010101010101010101010101010101010101010101010101010101010101010101010101010101010101010101010101010101010101010101010101010101010101010101010101010101010101010101010101010a0b0006010101010101010101010105000000000601010101010101010101010101010101010101010101010101010101010101010101010101010101010101010101010101010101010101010101010101010101010101010101010a0b0c21040101010101010101010101010d090101010101010101010101010101010101010101010a0b0006010101010101010101010101010101010101010101010101010101010101010101010101010101010101010101010101010d06010112130000000000000c01010105090101010101010101010101010101010101010101010a0b0c2104010101010101010101010101010101010101010101010101010101010101010107000b000000000000000000000c0101020901010101010101010101010101010509010101010101010101010101010101010101010101010d06010101010101010101010101010101010101010101010101010101010101010101010b0c0200000000000000000000060101102004010101010101010101010101010509010101010101010101010101010101010101010101010209010101010101010101010101010101010101010101010101010101010101010101010101010503040101010101121306010a0b07080112130000000000000c011f010509010101010101010101010101010101010101010101011020040101010101010101010101010101010101010101010101010101010101010101010000010a0b09010101010101050901010101010101010101010101010101050000090101010101010500070801020000000000000006010a0b07080101010101010101010101010101010101010101010101010101010101010101010101010110110c01010101010101010101050e0f0101010101010101010101010d0901010101010a0b090a1e040102070801010a0b090101010101010101010101010101010101010101010101010101010101010101010101010101030101010105030401010101010101010101010101010101010101010101010101010101010101010d0e0f01010110110c010101121d040101050e0f01010101010101010101010101010101010101010101010101010101010101010101010101010d0901010101010101010101010101010101010101010101010101010101010101010503040101010a0b090101010101010101010101010101010101010101010101010101010101010101010101010101010101010101060101010112130601010101010101010101010101010101010101010101010101010101010101101408010101010d0e0f010101010101010101010101010101010101010101010101010101010101010101010101010101010101100101010101010207080101010101010101010101010101010101010101010101010101010101011213060101010105030401101c0f01010101010101010101010101010101010101010101010101010101010101010101010101010101010101011213000c0101010101010101010101010101010101010101010101010101010101010a0b09010101011011000000030401010101010101010101010101010101010101010101010101010101010101010101010101011112010101010d000901010101010101010112130304010101010101010101010101010101010101010d0e0f01010112130601010d0c0101010200030405000304010200000e0f020003040200030405000000090102000000000601010201010102000304010101010101010101010d0c0101010101010101010101010101010101010105000304010101010d0901010101010101010d0c010a0b0c0110110c01101c0f0d03040a0b0c01050601121508010d0c01101408010101010a0b000c010101010101010a0b000318090101010101010101010101010101010101010101010101010101010503040101010d0c01010d0c010a0b0c01020e0f010101010d191a1b0b0c01010101121508010d0c010203041f20010105000901010101010d060110140812130e0f010101010101010101010101010101010101010101010101010105070801010a0b0901010d000000000c0102000000000e0f0d0c1016170c01010500030401010d000009010108010110110304010101011213060110140801121508010101010101010101010101010101010101010a0b0901010102000000000000000e0f010d0c010a0b0c0112130c010509010d0c0110110c01010101121508010d0c01020e0f01130a0b000c01010101010d0006010a0b0c01010d0c01010101010101010101010101010101010101010d0e0f01010101010101010101010102000304050003040110110003040200030405000304020000000e0f020000000009010e000500000000000000000000060101020708010509010101010101010101010101010101010101010101010101010101010101010101010101010101010101010101010101010101010101010101010101010101010101010101010101010101010101010101010101010101020000000304010101010101010101010101010101010101010101010101010101010101010101010101010101010101010101010101010101010101010101010101010101010101010101ffff0101010101010101010101010101010101010101010101010101010101010101010101010101010101010101010101010101010101010101010101010101010101010101010101010101010101010101010101010101010101010901010101010101010101010101010101010101010101010101010101010101010101010101010101010101010101010101010101010101010101010101010101010101010101010101010101010101010101010101010101010101ffff4c0000006400000000000000000000005d0000001800000000000000000000005e000000190000002900aa0000000000000000000000803f00000000000000000000803f0000000000000000000000000000000000000000000000000000000000000000220000000c000000ffffffff460000001c00000010000000454d462b024000000c000000000000000e000000140000000000000010000000140000000400000003010800050000000b0200000000050000000c0219005e00030000001e0004000000070104000400000007010400b5040000410b2000cc0018005a000000000019005e0000000000280000005a000000180000000100080000000000000000000000000000000000220000000000000000000000ffffff0080c6ff0080000000ffffc60054a6e300e3a6540054000000ffe3a600c6800000e3ffff000054a600ffc680000080c600a6540000ffffe300a6e3ff0000005400c6ffff00000080005400540054008000805454000054800080c6c600c6c68000a6548000e3ffe300a6545400800080008054a600e3e3e30080005400a6a6e3000101010101010101010101010101010101010101010101010101010101010101010101010101010101010101010101010101010101010101010101010101010101010101010101010101010101010101010101010101010101010101010101010101010101010101010a0b0006010101010101010101010105000000000601010101010101010101010101010101010101010101010101010101010101010101010101010101010101010101010101010101010101010101010101010101010101010101010a0b0c21040101010101010101010101010d090101010101010101010101010101010101010101010a0b0006010101010101010101010101010101010101010101010101010101010101010101010101010101010101010101010101010d06010112130000000000000c01010105090101010101010101010101010101010101010101010a0b0c2104010101010101010101010101010101010101010101010101010101010101010107000b000000000000000000000c0101020901010101010101010101010101010509010101010101010101010101010101010101010101010d06010101010101010101010101010101010101010101010101010101010101010101010b0c0200000000000000000000060101102004010101010101010101010101010509010101010101010101010101010101010101010101010209010101010101010101010101010101010101010101010101010101010101010101010101010503040101010101121306010a0b07080112130000000000000c011f010509010101010101010101010101010101010101010101011020040101010101010101010101010101010101010101010101010101010101010101010000010a0b09010101010101050901010101010101010101010101010101050000090101010101010500070801020000000000000006010a0b07080101010101010101010101010101010101010101010101010101010101010101010101010110110c01010101010101010101050e0f0101010101010101010101010d0901010101010a0b090a1e040102070801010a0b090101010101010101010101010101010101010101010101010101010101010101010101010101030101010105030401010101010101010101010101010101010101010101010101010101010101010d0e0f01010110110c010101121d040101050e0f01010101010101010101010101010101010101010101010101010101010101010101010101010d0901010101010101010101010101010101010101010101010101010101010101010503040101010a0b090101010101010101010101010101010101010101010101010101010101010101010101010101010101010101060101010112130601010101010101010101010101010101010101010101010101010101010101101408010101010d0e0f010101010101010101010101010101010101010101010101010101010101010101010101010101010101100101010101010207080101010101010101010101010101010101010101010101010101010101011213060101010105030401101c0f01010101010101010101010101010101010101010101010101010101010101010101010101010101010101011213000c0101010101010101010101010101010101010101010101010101010101010a0b09010101011011000000030401010101010101010101010101010101010101010101010101010101010101010101010101011112010101010d000901010101010101010112130304010101010101010101010101010101010101010d0e0f01010112130601010d0c0101010200030405000304010200000e0f020003040200030405000000090102000000000601010201010102000304010101010101010101010d0c0101010101010101010101010101010101010105000304010101010d0901010101010101010d0c010a0b0c0110110c01101c0f0d03040a0b0c01050601121508010d0c01101408010101010a0b000c010101010101010a0b000318090101010101010101010101010101010101010101010101010101010503040101010d0c01010d0c010a0b0c01020e0f010101010d191a1b0b0c01010101121508010d0c010203041f20010105000901010101010d060110140812130e0f010101010101010101010101010101010101010101010101010105070801010a0b0901010d000000000c0102000000000e0f0d0c1016170c01010500030401010d000009010108010110110304010101011213060110140801121508010101010101010101010101010101010101010a0b0901010102000000000000000e0f010d0c010a0b0c0112130c010509010d0c0110110c01010101121508010d0c01020e0f01130a0b000c01010101010d0006010a0b0c01010d0c01010101010101010101010101010101010101010d0e0f01010101010101010101010102000304050003040110110003040200030405000304020000000e0f020000000009010e000500000000000000000000060101020708010509010101010101010101010101010101010101010101010101010101010101010101010101010101010101010101010101010101010101010101010101010101010101010101010101010101010101010101010101010101020000000304010101010101010101010101010101010101010101010101010101010101010101010101010101010101010101010101010101010101010101010101010101010101010101ffff0101010101010101010101010101010101010101010101010101010101010101010101010101010101010101010101010101010101010101010101010101010101010101010101010101010101010101010101010101010101010901010101010101010101010101010101010101010101010101010101010101010101010101010101010101010101010101010101010101010101010101010101010101010101010101010101010101010101010101010101010101ffff0c00000040092900aa0000000000000019005e0000000000040000002701ffff030000000000 - сумма единиц допусков звеньев с неизвестными допусками;
010009000003b20300000000ae0200000000ae02000026060f005205574d4643010000000000010014740000000001000000300500000000000030050000010000006c000000000000000000000009000000150000000000000000000000050100003f02000020454d4600000100300500000c00000001000000000000000000000000000000900600001a040000b801000013010000000000000000000000000000c0b6060038320400460000002c00000020000000454d462b014001001c000000100000000210c0db01000000600000006000000046000000f8010000ec010000454d462b224004000c000000000000001e4009000c00000000000000244001000c000000000000003040020010000000040000000000803f214007000c000000000000000840000544010000380100000210c0db01000000000000000000000000000000000000000100000089504e470d0a1a0a0000000d494844520000000a000000150802000000f0d0e8a4000000017352474200aece1ce9000000097048597300000e2600000e2601a2ef25fc000000c049444154285363fcffff3f036ec084470e283534a48f37324241e8f2e3cb4343973f013a1de86f2078bc2c84812164d96330e75803c8b70dc74041822109550b96054b835543b870dd509380c1f2e4c115a0ac9b252cfcc07c1d0519101f28fdf8d61a86103559b8ece175083e7aa03e595e1805940db2056b06e996550b615873eb318877bcb1902108e812a8d1508f417c02711fc88b301f423d067733c45308d9ffe87683dc89301a3dbe8fef6a40f6052c50a1c683c316398c18f1a73500d5d7ac2323c764f90000000049454e44ae426082000840010824000000180000000210c0db01000000030000000000000000000000000000001b40000040000000340000000100000002000000000000bf000000bf000020410000a841030000000000008000000080ffff1f410000008000000080ffffaf412100000008000000620000000c00000001000000150000000c00000004000000150000000c0000000400000051000000d401000000000000000000000900000015000000000000000000000000000000000000000a000000150000005000000088000000d8000000fc000000000000002000cc000a00000016000000280000000a000000150000000100080000000000000000000000000000000000180000000000000000000000ffffff0080c6ff0054000000a6c6a600a6545400ffffe30054a6e300ffe3a600c6800000a6e3ff0000005400e3a65400ffc680000080c60080000000ffffc600e3ffff000054a600c6ffff0000008000a6540000a6a654005400540001010101010101010101ffff010101010a0b000d0101ffff0101010113140c010101ffff01010101010e09010101ffff01010101010715060101ffff01020000090a17080101ffff111209010216140d0101ffff13140c010107000c0101ffff13140c01011112150601ffff111209010101070f1001ffff010e0f10010102030801ffff010a0b0c01010a0b0d01ffff01010703080102000901ffff01010102000003040506ffff01010101010101010101ffff01010101010101010101ffff01010101010101010101ffff01010101010101010101ffff01010101010101010101ffff01010101010101010101ffff01010101010101010101ffff4c000000640000000000000000000000090000001500000000000000000000000a000000160000002900aa0000000000000000000000803f00000000000000000000803f0000000000000000000000000000000000000000000000000000000000000000220000000c000000ffffffff460000001c00000010000000454d462b024000000c000000000000000e000000140000000000000010000000140000000400000003010800050000000b0200000000050000000c0216000a00030000001e0004000000070104000400000007010400cf000000410b2000cc0015000a000000000016000a0000000000280000000a000000150000000100080000000000000000000000000000000000180000000000000000000000ffffff0080c6ff0054000000a6c6a600a6545400ffffe30054a6e300ffe3a600c6800000a6e3ff0000005400e3a65400ffc680000080c60080000000ffffc600e3ffff000054a600c6ffff0000008000a6540000a6a654005400540001010101010101010101ffff010101010a0b000d0101ffff0101010113140c010101ffff01010101010e09010101ffff01010101010715060101ffff01020000090a17080101ffff111209010216140d0101ffff13140c010107000c0101ffff13140c01011112150601ffff111209010101070f1001ffff010e0f10010102030801ffff010a0b0c01010a0b0d01ffff01010703080102000901ffff01010102000003040506ffff01010101010101010101ffff01010101010101010101ffff01010101010101010101ffff01010101010101010101ffff01010101010101010101ffff01010101010101010101ffff01010101010101010101ffff0c00000040092900aa0000000000000016000a0000000000040000002701ffff030000000000 – число звеньев, для которых нужно определить точность.

По таблице 13 [1, с. 182] определим квалитет – принимаем точность составляющих размеров по IТ 10, для которого 0100090000031808000000001605000000001605000026060f00220a574d464301000000000001006f020000000001000000000a000000000000000a0000010000006c00000000000000000000003a000000150000000000000000000000080600003f02000020454d4600000100000a00000c00000001000000000000000000000000000000900600001a040000b801000013010000000000000000000000000000c0b6060038320400460000002c00000020000000454d462b014001001c000000100000000210c0db01000000600000006000000046000000cc020000c0020000454d462b224004000c000000000000001e4009000c00000000000000244001000c000000000000003040020010000000040000000000803f214007000c0000000000000008400005180200000c0200000210c0db01000000000000000000000000000000000000000100000089504e470d0a1a0a0000000d49484452000000390000001508020000007314d19f000000017352474200aece1ce9000000097048597300000e2600000e2601a2ef25fc0000019449444154484bed96418e8320148671ce5193aebaf202f6007380095d8cdb9ea027285c461763e61293c805baeaaa89dec33e10111030633b4e9ac852e0f1bdff3d7e8cdab6452f32de5e849363aeac7f53acffd1b5290e111f94b9b212b387a219cdc1dd5a74d439060652790fed16209cd7f692657505c5e20c01c539f5b409a3719610e29e1de02bb502e7558e1d893d5800a15840d1b605047e2c27711c8fbaf38dca74d0c1a073a845d85054492a90bdac8274482498ffa0bebb4ede724854d98e62b3b156910659ed8479b8a77740cfa8021ba5348fec7585af7a1da0076c19a7db6a4e0758b5e321068dfcc5d259c107ea6b89f02eee4bdafc7c9788bcfb2faa7046ef70f9a2e7cec73b68bdcb0d7c343d1be96bfdaa1b86ed594d71ca0c74fb1c2bec48e2afcf8d136db34d102aafb536c94542c9d6bdde110458797a3208a327f421ad0bbcf0171a4dbfaae911ae01d9aba78ad13d77a8e3b880cded628663b47be354e3289f92cdf3f4dba5acb10771fb976ef3f2e9928d1dadffafd32d3163c5b2ff033300b52d2beb63faf976df01785339ea374142d30000000049454e44ae426082000840010824000000180000000210c0db01000000030000000000000000000000000000001b40000040000000340000000100000002000000000000bf000000bf000064420000a841030000000000008000000080feff6b420000008000000080ffffaf412100000008000000620000000c00000001000000150000000c00000004000000150000000c0000000400000051000000d005000000000000000000003a000000150000000000000000000000000000000000000039000000150000005000000094000000e4000000ec040000000000002000cc003b0000001600000028000000390000001500000001000800000000000000000000000000000000001b0000000000000000000000ffffff0054a6e30080000000ffffc60054000000ffe3a600a6e3ff0000005400c6800000e3a65400c6ffff00000080008080800080c6ff00a6c6a600a6545400ffffe300e3ffff000054a6000080c600ffc68000a6540000a6e3c6005400800054005400a6a65400010101010101010101010101010101010101010101010101010101010101010101010101010101010101010101010101010101010101010101ffffff010101010101010101010101010101010101010101010101010101010101010101010101010101010101010101010101010101010101010101ffffff010101010101010101010101010101010101010101010101010101010101010101010101010101010101010101010101010101010101010101ffffff010101010101010101010101010101010101010101010101010101010101010101010101010101010101010101010101010101010101010101ffffff010101010101010101010101010101010101010101010101010101010101010101010101010101010101010101010101010101010101010101ffffff010e000009011400161101010101010101010101010101010101010101010101010101010708000000150101010101010e00000506010b0c09ffffff121309010e1a0c0a07101101010101010101010101010101010101010101010101010107080901010e000a01010101010102050601010b0c09ffffff0b0c0a010102000a01010101010101010101010101010101010101010101010101010114030401010114030401010101010e05060101010101ffffff0b0c0a010112130901010101010101011400000000000000000005060101010101011213161101010102050601010101010e05060101010101ffffff12130901010102030401010101010101010101010101010101010101010101010101121316110101011403040e000000000000000015010101ffffff011403040101071906010101010101010101010101010101010101010101010101011213001611010708090112130a01010e05060215010101ffffff0107080a01010708150101010101010114000000000000000000050601010101010101140317080000161101010b1806010e05060101010101ffffff0101020015010e000901010101010101010101010101010101010101010101010101010e001501010101010101010e16110e05060101010101ffffff0101010e0000050f101101010101010101010101010101010101010101010101010101121309010101010101010101140a0e05060101010101ffffff01010101010101010101010101010101010101010101010101010101010101010101010107080a01010101010101010b0c0d05060101010101ffffff010101010101010101010101010101010101010101010101010101010101010101010101010708090101010101010101070805060101010101ffffff010101010101010101010101010101010101010101010101010101010101010101010101010101020003040101010101010205060101010101ffffff010101010101010101010101010101010101010101010101010101010101010101010101010101010101010101010101010101010101010101ff0101010101010101010101010101010101010101010101010101010101010101010101010101010101010101010101010101010101010101010101ffffff010101010101010101010101010101010101010101010101010101010101010101010101010101010101010101010101010101010101010101ffffff010101010101010101010101010101010101010101010101010101010101010101010101010101010101010101010101010101010101010101ffffff4c0000006400000000000000000000003a0000001500000000000000000000003b000000160000002900aa0000000000000000000000803f00000000000000000000803f0000000000000000000000000000000000000000000000000000000000000000220000000c000000ffffffff460000001c00000010000000454d462b024000000c000000000000000e000000140000000000000010000000140000000400000003010800050000000b0200000000050000000c0216003b00030000001e0004000000070104000400000007010400cd020000410b2000cc00150039000000000016003b000000000028000000390000001500000001000800000000000000000000000000000000001b0000000000000000000000ffffff0054a6e30080000000ffffc60054000000ffe3a600a6e3ff0000005400c6800000e3a65400c6ffff00000080008080800080c6ff00a6c6a600a6545400ffffe300e3ffff000054a6000080c600ffc68000a6540000a6e3c6005400800054005400a6a65400010101010101010101010101010101010101010101010101010101010101010101010101010101010101010101010101010101010101010101ffffff010101010101010101010101010101010101010101010101010101010101010101010101010101010101010101010101010101010101010101ffffff010101010101010101010101010101010101010101010101010101010101010101010101010101010101010101010101010101010101010101ffffff010101010101010101010101010101010101010101010101010101010101010101010101010101010101010101010101010101010101010101ffffff010101010101010101010101010101010101010101010101010101010101010101010101010101010101010101010101010101010101010101ffffff010e000009011400161101010101010101010101010101010101010101010101010101010708000000150101010101010e00000506010b0c09ffffff121309010e1a0c0a07101101010101010101010101010101010101010101010101010107080901010e000a01010101010102050601010b0c09ffffff0b0c0a010102000a01010101010101010101010101010101010101010101010101010114030401010114030401010101010e05060101010101ffffff0b0c0a010112130901010101010101011400000000000000000005060101010101011213161101010102050601010101010e05060101010101ffffff12130901010102030401010101010101010101010101010101010101010101010101121316110101011403040e000000000000000015010101ffffff011403040101071906010101010101010101010101010101010101010101010101011213001611010708090112130a01010e05060215010101ffffff0107080a01010708150101010101010114000000000000000000050601010101010101140317080000161101010b1806010e05060101010101ffffff0101020015010e000901010101010101010101010101010101010101010101010101010e001501010101010101010e16110e05060101010101ffffff0101010e0000050f101101010101010101010101010101010101010101010101010101121309010101010101010101140a0e05060101010101ffffff01010101010101010101010101010101010101010101010101010101010101010101010107080a01010101010101010b0c0d05060101010101ffffff010101010101010101010101010101010101010101010101010101010101010101010101010708090101010101010101070805060101010101ffffff010101010101010101010101010101010101010101010101010101010101010101010101010101020003040101010101010205060101010101ffffff010101010101010101010101010101010101010101010101010101010101010101010101010101010101010101010101010101010101010101ff0101010101010101010101010101010101010101010101010101010101010101010101010101010101010101010101010101010101010101010101ffffff010101010101010101010101010101010101010101010101010101010101010101010101010101010101010101010101010101010101010101ffffff010101010101010101010101010101010101010101010101010101010101010101010101010101010101010101010101010101010101010101ffffff0c00000040092900aa0000000000000016003b0000000000040000002701ffff030000000000
По таблице предельных отклонений определяем допуски и результаты расчетов сводим в таблицу.
Таблица 4.1 – Результаты расчета размерной цепи методом максимум-минимум.
-
Обозначение звеньев
Номинальный размер, мм
Квалитет точности
Допуск, мм
Номинальный размер, мм
ES; es
EI; ei
1
2
3
4
5
6

23
-
0.120
0
-0.120

8
IТ 10
0.058
0
-0.058

98
IТ 10
0.127
-0.038
-0.156

20
IТ 10
0.084
0
-0.084

23
-
0.120
0
-0.120

8
IТ 10
0.058
+0.029
-0.029

1
-
0.200
0
-0.200

188
IТ 10
0.185
0
-0.185

1
-
0.200
0
-0.200

6
IТ 10
0.048
+0.024
-0.024

4
-
1.200
+0.600
-0.600
Определим предельные отклонения на размеры составляющих звеньев по правилу:
а) если размер охватываемый, то предельные отклонения назначаются как для вала;
б) если размер охватывающий, то предельные отклонения назначаются для основного отверстия;
в) если размер явно нельзя отнести
к первому или второму случаю, то допуск
делится пополам 
Проверяем правильность назначения допусков по условию
(4.3)


Условие (4.3) не выполняется, по этому вводим корректирующие звено 0100090000036e04000000001403000000001403000026060f001e06574d46430100000000000100e1ed0000000001000000fc05000000000000fc050000010000006c000000000000000000000012000000150000000000000000000000f10100003f02000020454d4600000100fc0500000c00000001000000000000000000000000000000900600001a040000b801000013010000000000000000000000000000c0b6060038320400460000002c00000020000000454d462b014001001c000000100000000210c0db01000000600000006000000046000000180200000c020000454d462b224004000c000000000000001e4009000c00000000000000244001000c000000000000003040020010000000040000000000803f214007000c000000000000000840000564010000580100000210c0db01000000000000000000000000000000000000000100000089504e470d0a1a0a0000000d4948445200000012000000150802000000c4a929b8000000017352474200aece1ce9000000097048597300000e2600000e2601a2ef25fc000000e149444154384fc554c10d83300c743a079578f5c5025da013c03e6119f8541da0df4a64810e5089ec91263832a6318dd24ffd022b77e73b1394730ecaeb500e0988ffc04cafc4ea462bdaf09160cd430bd00ef3b6a1277ae70f1fde9aba22f2aa6e405fce7266c43169801dee5490d4cc5d437b3a22b777da9bafabe1ced8c18c6e54b38fdb9546f4e190ee9e24aa05633c45313ed64435fb7a02f01499881d3bdae8ba455ad9d68d97c74698382e938d04d288cbe6d350423b52c0624ba8c4690011d5a2962b622e83f1dd22327bdffc0723dd82dc807833629161e5613ffc17decbeeda66064028150000000049454e44ae4260820840010824000000180000000210c0db01000000030000000000000000000000000000001b40000040000000340000000100000002000000000000bf000000bf000090410000a841030000000000008000000080ffff97410000008000000080ffffaf412100000008000000620000000c00000001000000150000000c00000004000000150000000c00000004000000510000008002000000000000000000001200000015000000000000000000000000000000000000001200000015000000500000008c000000dc000000a4010000000000002000cc0013000000160000002800000012000000150000000100080000000000000000000000000000000000190000000000000000000000ffffff0080c6ff00a6540000ffffe30054a6e30054000000ffe3a600e3ffff000054a600c680000080000000ffffc6000080c600ffc68000c6ffff0000008000e3a65400a6e3ff0000005400a6545400800080005454a600540054005400800001010101010101010101010101010101010101010101010101010101010101050000001101010101010101010101010101010f18070112130e010101010101010101010101010101010112130e0101010101010101010101010101010d00000e010101010200000000000000110101010108090e0101010101020607010108090a01010101011217070101010112130e0101010f150c081607010206070101010108090a0101010101010105000000110101010101010d03040101010101010101010101010101010101050b0c011214040101010101010101010101010112130000000b0c010101010101010101011401010f101101010d0e01010101010101010101140101010d0a010101010101010101010101010114010101050b0c0101010d0e010101010101010101010101050607010108090a010101010101010101010102000000000000000304010101010101010101010101010101010101010101010101010101010101010101010101010101010101010101010101010101010101010101010101010101010101010101010101010101010101010101010101010101014c0000006400000000000000000000001200000015000000000000000000000013000000160000002900aa0000000000000000000000803f00000000000000000000803f0000000000000000000000000000000000000000000000000000000000000000220000000c000000ffffffff460000001c00000010000000454d462b024000000c000000000000000e000000140000000000000010000000140000000400000003010800050000000b0200000000050000000c0216001300030000001e000400000007010400040000000701040025010000410b2000cc00150012000000000016001300000000002800000012000000150000000100080000000000000000000000000000000000190000000000000000000000ffffff0080c6ff00a6540000ffffe30054a6e30054000000ffe3a600e3ffff000054a600c680000080000000ffffc6000080c600ffc68000c6ffff0000008000e3a65400a6e3ff0000005400a6545400800080005454a600540054005400800001010101010101010101010101010101010101010101010101010101010101050000001101010101010101010101010101010f18070112130e010101010101010101010101010101010112130e0101010101010101010101010101010d00000e010101010200000000000000110101010108090e0101010101020607010108090a01010101011217070101010112130e0101010f150c081607010206070101010108090a0101010101010105000000110101010101010d03040101010101010101010101010101010101050b0c011214040101010101010101010101010112130000000b0c010101010101010101011401010f101101010d0e01010101010101010101140101010d0a010101010101010101010101010114010101050b0c0101010d0e010101010101010101010101050607010108090a010101010101010101010102000000000000000304010101010101010101010101010101010101010101010101010101010101010101010101010101010101010101010101010101010101010101010101010101010101010101010101010101010101010101010101010101010c00000040092900aa000000000000001600130000000000040000002701ffff030000000000, так как его легче изготовить. Предельные отклонения для этого звена определяем по формуле 93 [1, с. 238] для увеличивающего звена.



010009000003641e000000001610000000001610000026060f002220574d464301000000000001003ad20000000002000000002000000002000000220000010000006c000000000000000000000017010000180000000000000000000000a41c00008e02000020454d4600000100002200000c00000001000000000000000000000000000000900600001a040000b801000013010000000000000000000000000000c0b6060038320400460000002c00000020000000454d462b014001001c000000100000000210c0db010000006000000060000000460000006006000054060000454d462b224004000c000000000000001e4009000c00000000000000244001000c000000000000003040020010000000040000000000803f214007000c0000000000000008400005ac050000a00500000210c0db01000000000000000000000000000000000000000100000089504e470d0a1a0a0000000d494844520000010c00000018080200000080de54fd000000017352474200aece1ce9000000097048597300000e2600000e2601a2ef25fc0000052649444154785eed5b3d6e2a311076de3988942a552e40a4b41c2022056973827001cc059213a48522d13b00ed93e002a9a8222df7e0d96b7bf1efceece085e5bd75932c78ec99f9e6cfb3e66abfdfb37ef41ae83590d6c0af5e39476b60b77cba9263be614cffffb4dcb1cdbcfa546ea1bf9193fa71260dd42355c2a57174191499a41fc76aa0588cd9785194cb88fff95a2db8e67c21be918ff253cecb7ffb71460d249132d0ac798564c5e645661213108ceb077f65203fe5184ca6fcebf71fb9e9e6e3f7e3cbb0dafc467cc3dfe6f3d7ed74363a254b5ddaab4378a591e2f7a519ad46fbcfc9c0d5de453ac960f22e02b41861601681e02c6338525eb259b1a9abe3e1cb8271369d1d1ce72c0c9e73d34ee195424adbd268a5ea667b1827d105743a265b139c3540c256d0d16ae7f7be3cc359c24d507cfa930eab83e4d2179e5f9f56b7561a51a20f269ffb365c0464a94390b5801759ba345212adebdb31fbfef10a91aaf092d59a538e951f58b1ba7c8e046f90b0a51254f1133214ab2af561a14e40570c5ff8f25401ebc71c4cd489c4614f3b2f782a91fb8093944a512c7506b2cc7869f12906691f4c0e4899686e63a8f4ec955b773787726c7073c7f8c8ab12820ff4d22061fe84928a4ec359585556bb27f9dc7c3c7f8d17efa6541a3c3c8ec7b7d73ed78098dc2eb5041f625439443de6cf29a0e6bb02595ebc0c3244e9224899581e1c4918abc2bc8c7475112c085b8612226c299194cb62c3b3999b1430291d423fc5828bced69a872188227a834c0269be7b9065c32b96476183242255398964bf42593c04e6e44cb0d00709299682a741ab1de0d32b8e02066ac8551d91c7455411812bb740cd7711b25c78a90019537a4ea47489a8ad413f55e545d44762e08184b5f60e35a3309687533bcca7e1256aa13039deafeb67a29d0464a91428220d48984b94f83a99f03a89748e9338e754f11018677890551a0009db55b85a3d1553acbd717c1af3a9173fa69f63c4a4450a50a29620a371ebe827075e2d4917c551975b20dba8dc768ca5d06941de917ee4e454cf4d507bd045b029b1990464890c199603a2bc20e328bcc8d211b856ddadddcf3763769bc4efea6c56e26dfde383f726124158de604adf574af5facdfb1af8d5f9667ecff93ad291704400053ccc96ef6419fbda16d6020dc8f377f1e22b822c9121937d3ec6572ddd31cb8417593a123e41cd545530fe2b925475eb7e7e38f31f4a5fdc3994e0e2a99ceb2f1599e7f0e9e68d2048d59213d8ae25c1c5719025543912c35a76e9d6e8e64133e9b3e095b0d8b0fa8f49d78c5f3dbb2cb77cabf06549767e6a098b42def8c3614ee21dab724040ef0418391042fa918c605a0c2829710a8358a24156da82be8f896cb1a164529332e1a50d36da9380d4d218a97241665e35f869a802ddea8504392396bb3c6bc161de40d5666a52e5fe8e8993a6756bd71523721c89c899cd2962590f48bd8044ca1ad5680899a05414f961cb85d711d211ac4ca99a40d88824bfb681a8843a17361201ac8ef2bd24c9c71769a5ca47b27b493a8b9c0c2f153a9a053795792ed34932b421494614256a290ce46310bd92e523aa44cd7598ec085e4d91126c973ed5fa55f962fb456a28d410ed966f65124c8fba465d6e6e989030758128fb5ead2e28da5a7787bb7ae24a79781d96b47f67f06a8a54750b101d661a4fb42a63a9db6679aef16e672330e1e66c0ce4da3816eeff29d0c8485d091593c2434fa434207e7577bd9dee5f7e96c564f21fffb0aafbf64047aaf572abfbca3b9e43f1cbcf57f6d07bc8f19a6c7b051a527d26691b977efd8bd7c05f9d56da3aeff848900000000049454e44ae4260820000000840010824000000180000000210c0db01000000030000000000000000000000000000001b40000040000000340000000100000002000000000000bf000000bf000086430000c041030000000000008000000080ffff8b430000008000000080ffffc7412100000008000000620000000c00000001000000150000000c00000004000000150000000c00000004000000510000003c1a000000000000000000001701000018000000000000000000000000000000000000000c0100001800000050000000cc0000001c01000020190000000000002000cc001801000019000000280000000c010000180000000100080000000000000000000000000000000000290000000000000000000000ffffff00e3ffff000054a600c6800000e3a6540080c6ff0080000000ffffc600a6e3ff000000540054005400ffe3a600c68054008080c60054a6a6008054a60000808000ffc680000080c600a6540000ffffe30054a6e3005480c600c6ffc6005400800054808000c6ffe300c6808000c6ffff00000080008054540054000000a6545400a680a600a654800080008000c6a65400e3e3e30080005400a6a6e300010101010101010101010101010101010101010101010101010101010101010101010101010101010101010101010101010101010101010101010101010101010101010101010101010101010101010101010101010101010101010101010101010101010101010101010101010101010101010101010101010101010101010101010101010101010101010101010101010101010101010101010101010101010101010101010101010101010101010101010101010101010101010101010101010101010101010101010101010101010101010101010101010101010101010101010101010101010101010101010101010101010101010101010101010101010101010101010101010101010101010101010101010101010101010101010101010101010101010101010101010101010101010101010101010101010101010101010101010101010101010101010101010101010101010101010101010101010101010101010101010101010101010101010101010102030005010101010101010101010101010101010101010101010101010101010101010101010101010101010101010101010101010101010101010101010101010101010101010101010101010101010101010101010101010101010101010101010101010101010101010101010101010101010101010101010101010101010101010101010101010101010101020300050101010101010101010101010101010101010101010101010101010101010101010101010101010101010101010101010101010101010101010101010101010101010101010101010101010101010101010101010101010101010101010101010101010101010101010101010101010101010101010101010101020312280801010101010101010101010101010101010101010101010101010101010101010101010101010101010101010101010101010101010101010101010101010101010101010101010101010101010101010101010101010101010101010101010101010101010101010101010101010101010101010101010101010101010101010101010101010101010203122808010101010101010101010101010101010101010101010101010101010101010101010101010101010101010101160000000005010101010101010101010101010101010101010101010101010101010101010101010101010101010101010101010101010101010101010101010101010101010101010101010113050101010101010101010101010101010101010101010101010101010101010101010101010101010101010101010101010101010101010101010101010101010101130000000000200c010101010101010101010101010101010101010101010101010101010101010101010101010101010101010101010101010101010101010101010101010101010101011305010101010101010101010101010101010101010101010101010101010101010101010101010101010101010101010101011304010101010101010101010101010101010101010101010101010203000000000000000000001201010101010101010101010101010101010101010101010101010101010101010101010604010101010101010101010101010101010101010101010101010101010101010101010101010101010101010101010101010101010101010101010101010101010106040101010614150101010101010101010101010101010101010101010203000000000000000000001201010101010101010101010101010101010101010101010101010101010101010106040101010101010101010101010101010101010101010101010101010101010101010101010101010101010101010101010116040101010101010101010101010101010101010101010101010101060000000000000000000005010101010101010101010101010101010101010101010101010101010101010101010109270801010101010101010101010101010101010101010101010101010101010101010101010101010101010101010101010101010101010101010101010101010101021008010113040101010101010101010101010101010101010101010101060000000000000000000005010101010101010101010101010101010101010101010101010101010101010101092708010101010101010101010101010614150101010101010101010101010101010101010101010101010101010101010101160401010101010101010101010101010101010101010101010101010116070801010101011d1e05010101010101010101010101010101010101010101010101010101010101010101010203200c010101010101010101010101010101010101010101010101010101010101010101010101010101010101010101010101010101010101010101010101010101010116120102031201010101010101010101010101010101010101010101010116070801010101011d1e0501010101010101010101010101010101010101010101010101010101010101010203200c0101010101010101010101010101161406000000000000000501011600000708010101060000000000000005010101011604010101010101010101010101010101010101010101010101010101020304010101010101160401010106000000000000000501020300000000141501010106000000000000000501010101010101010101010101010101010101010101010101010101020312010101010101010101060000000000000005010116000007080101010600000000000000050101090d010927080101010101010101010101010101010101010101010101010203040101010101011604010101060000000000000005010116000007080101010600000000000000050101010101010101010101010101010101010106000106200c0101020304010101130012010101010106200c010102030401012601160401010101010101010101010101010101010101010101010101010101090a12010101010101010101010106200c01010203040101130708010113070801010106200c0101020304010101161415010101010101010101010101010101010101010101010203120101010101010101010106200c0101020304010101130012010101010106200c01010203040101010e0816040101010101010101010101010101010101010101010101010101090a12010101010101010101010106200c0101020304010101130012010101010106200c010102030401010116141501010101010101010101010101062001090a120101011d24080101090a120101010101090a120101011d24080116000004010101010101010101010101010101010101010101010101010101010116070801010101010101010101090a120101011d24080116050101011d1e05010101090a120101011d240801010101010101010101010101010101010101010101010101010102031201010101010101010101090a120101011d24080101090a120101010101090a120101011d240801010625031201010101010101010101010101010101010101010101010101010116070801010101010101010101090a120101011d24080101090a120101010101090a120101011d240801010101010101010101010101010101010101010102030401010101010101011d1e0501010101010203040101010101010101011304010101010101010113000000000000000000200c010101010101010101011304010101010101010101010203040101010101010101010101011d1e040101010203040101010101010101010101010101010101010101010101010101010101010101010203120101010101010101010102030401010101010101011d1e05010101010102030401010101010101011d1e07080101010101010101010101010101010101010101010101010101010113040101010101010101010102030401010101010101011d1e0501010101010203040101010101010101010101010101010101010101010101010101010113141501010101010101011314150101010101131415010101010101010101010101010101010101010101010101010101010101010101010101010101011d1e050101010101010101010113141501010101010101010101011600050101010113141501010101010101010101010101010101010101010101010101010101010101010203120101010101010101010101131415010101010101010113141501010101011314150101010101010101160401010101010101010101010101010101010101010101010101010101011d1e05010101010101010101011314150101010101010101131415010101010113141501010101010101010101010101010101010101010101010101010116070801092115010101011607080101010101160708010921150101010101010101010101010101010101010101010101010101010101010101010101010106200c0101010101010101011607080109211501010101010203001415010101011607080109211501010101010101010101010101010101010101010101010113000000000000000000200c0101010101011607080109211501010101160708010101010116070801092115010101010101010101010101010113000000000000000000200c0101010101010101010106200c01010101010101010116070801092115010101011607080101010101160708010921150101010101010101010101010101010101010101010101090a0000000708010101010600120101010101090a0000000708010101010101010101010101010113000000000000000000200c010101010101010101011d1e0012010101010101010101090a0000000708010101011d1e0004010101010101090a0000000708010101010101010101010101010101010101010101010101010101010203120101010101010101010101090a0000000708010101010600120101010101090a000000070801010101010101010101010101010101010101010101010101010101010101010101011d1e0012010101010101010101090a0000000708010101010600120101010101090a000000070801010101010101010101010101010101010101160001011d1e0501011312010101011d1e0501010101011d1e0501011312010101010101010101010101010101010101010101010101010101010101010101010101130004010101010101010101011d1e050101131201010101130012010101010101011d1e050101131201010203200c0101010101010101010101010101010101010101010102031201010101010101010101011d1e0501011312010101011d1e0501010101011d1e05010113120101010101010101010101010101010101010101010101010101010101010101010101130004010101010101010101011d1e0501011312010101011d1e0501010101011d1e050101131201010203200c010101010101010101010101011600010101130401010101010101010203141501010101011304010101010101010101010101010101010101010101010101010101010101010101010101010101060007080101010101010101010101130401010101010101020314150101010101010101130401010101010102221b2315010101010101010101010101010101010101010101020312010101010101010101010101130401010101010101010203141501010101011304010101010101010101010101010101010101010101010101010101010101010101010101010106000708010101010101010101010113040101010101010101020314150101010101130401010101010102221b231501010101010101010101010101010101011607080101011312010101160708010101010116070801010113120101010101010101010101010101010101010101010101010101010101010101020300120101010101010101010101011607080101011312010113141501010921150101011607080101011312010101161201010101010101010101010101010101010101010102031201010101010101010101010116070801010113120101011607080101010101160708010101131201010101010101010101010101010101010101010101010101010101010101020300120101010101010101010101011607080101011312010101160708010101010116070801010113120101011612010101010101010101010101010101010116200c0101020304010101160012010101010116200c010102030401010101010101010101010101010101010101010101010101010101010101011600040101010101130501010101010116200c01010203040101090a05010116070801010116200c0101020304010101161415010106000401010600070801010101010101010102031201010101010101010101010116200c0101020304010101160012010101010116200c0101020304010101010101010101010101010101010101010101010101010101010101011600040101010101130501010101010116200c0101020304010101160012010101010116200c01010203040101011614150101060000000005010101010101010600000000000000141501060000001201010106000000000000001415010101010101010101010101010101010101010101010101010101010101090a0708010101011d1e0501010101010600000000000000141501011d1e00000000120101060000000000000014150102031f0c0101010e08010101131201010101010101010101010101010101010101010101010106000000000000001415010600000012010101060000000000000014150101010101010101010101010101010101010101010101010101010101090a0708010101011d1e05010101010106000000000000001415010600000012010101060000000000000014150102031f0c010101131201090b0c010101010101010101010101010101010101010101010101010101010101010101010101010101010101010101010101010101010101010101010101010101010203001201010101011300050101010101010101010101010101010101010101010101010101010101010101010101010106141b1c0101010e081604011312010101010101010101010101010101010101010101010101010101010101010101010101010101010101010101010101010101010101010101010101010101010101010101010101010101010101010101020300120101010101130005010101010101010101010101010101010101010101010101010101010101010101010106141b1c0101011312010607080101010101010101010101010101010101010101010101010101010101010101010101010101010101010101010101010101010101010101010101010101010116000000000000000000000501010101010101010101010101010101010101010101010101010101010101010101010101130501170c01010e18191a1213120101010101010101010101010101010101010101010101010101010101010101010101010101010101010101010101010101010101010101010101010101010101010101010101010101010101010101011600000000000000000000050101010101010101010101010101010101010101010101010101010101010101010101130501170c010113000004010101010101010101010101010101010101010101010101010101010101010101010101010101010101010101010101010101010101010101010101010101010101010101010101010101010101010101010101010101010101010101010101010101010101010101010101010101010101090b0c01090d01010e0f040210111201010101010101010101010101010101010101010101010101010101010101010101010101010101010101010101010101010101010101010101010101010101010101010101010101010101010101010101010101010101010101010101010101010101010101010101010101010101010101010101010101010101010101090b0c01090d010113120106141501010101010101010101010101010101010101010101010101010101010101010101010101010101010101010101010101010101010101010101010101010101010101010101010101010101010101010101010101010101010101010101010101010101010101010101010101010102030004020300050600070801090a07080101010101010101010101010101010101010101010101010101010101010101010101010101010101010101010101010101010101010101010101011601000026060f002202574d4643010000000000010000000000000002000000000200000000000000220000010101010101010101010101010101010101010101010101010101010101010101010101010101010101010101010101010101010101010101010101010101010102030004020300050600000000040101010101010101010101010101010101010101010101010101010101010101010101010101010101010101010101010101010101010101010101010101010101010101010101010101010101010101010101010101010101010101010101010101010101010101010101010101010101010101010101010101010101010101010101010101010101010101010101010101010101010101010101010101010101010101010101010101010101010101010101010101010101010101010101010101010101010101010101010101010101010101010101010101010101010101010101010101010101010101010101010101010101010101010101010101010101010101010101010101010101010101014c0000006400000000000000000000001701000018000000000000000000000018010000190000002900aa0000000000000000000000803f00000000000000000000803f0000000000000000000000000000000000000000000000000000000000000000220000000c000000ffffffff460000001c00000010000000454d462b024000000c000000000000000e000000140000000000000010000000140000000400000003010800050000000b0200000000050000000c0219001801030000001e0004000000070104000400000007010400030d0000410b2000cc0018000c01000000001900180100000000280000000c010000180000000100080000000000000000000000000000000000290000000000000000000000ffffff00e3ffff000054a600c6800000e3a6540080c6ff0080000000ffffc600a6e3ff000000540054005400ffe3a600c68054008080c60054a6a6008054a60000808000ffc680000080c600a6540000ffffe30054a6e3005480c600c6ffc6005400800054808000c6ffe300c6808000c6ffff00000080008054540054000000a6545400a680a600a654800080008000c6a65400e3e3e30080005400a6a6e300010101010101010101010101010101010101010101010101010101010101010101010101010101010101010101010101010101010101010101010101010101010101010101010101010101010101010101010101010101010101010101010101010101010101010101010101010101010101010101010101010101010101010101010101010101010101010101010101010101010101010101010101010101010101010101010101010101010101010101010101010101010101010101010101010101010101010101010101010101010101010101010101010101010101010101010101010101010101010101010101010101010101010101010101010101010101010101010101010101010101010101010101010101010101010101010101010101010101010101010101010101010101010101010101010101010101010101010101010101010101010101010101010101010101010101010101010101010101010101010101010101010101010101010101010102030005010101010101010101010101010101010101010101010101010101010101010101010101010101010101010101010101010101010101010101010101010101010101010101010101010101010101010101010101010101010101010101010101010101010101010101010101010101010101010101010101010101010101010101010101010101010101020300050101010101010101010101010101010101010101010101010101010101010101010101010101010101010101010101010101010101010101010101010101010101010101010101010101010101010101010101010101010101010101010101010101010101010101010101010101010101010101010101010101020312280801010101010101010101010101010101010101010101010101010101010101010101010101010101010101010101010101010101010101010101010101010101010101010101010101010101010101010101010101010101010101010101010101010101010101010101010101010101010101010101010101010101010101010101010101010101010203122808010101010101010101010101010101010101010101010101010101010101010101010101010101010101010101160000000005010101010101010101010101010101010101010101010101010101010101010101010101010101010101010101010101010101010101010101010101010101010101010101010113050101010101010101010101010101010101010101010101010101010101010101010101010101010101010101010101010101010101010101010101010101010101130000000000200c010101010101010101010101010101010101010101010101010101010101010101010101010101010101010101010101010101010101010101010101010101010101011305010101010101010101010101010101010101010101010101010101010101010101010101010101010101010101010101011304010101010101010101010101010101010101010101010101010203000000000000000000001201010101010101010101010101010101010101010101010101010101010101010101010604010101010101010101010101010101010101010101010101010101010101010101010101010101010101010101010101010101010101010101010101010101010106040101010614150101010101010101010101010101010101010101010203000000000000000000001201010101010101010101010101010101010101010101010101010101010101010106040101010101010101010101010101010101010101010101010101010101010101010101010101010101010101010101010116040101010101010101010101010101010101010101010101010101060000000000000000000005010101010101010101010101010101010101010101010101010101010101010101010109270801010101010101010101010101010101010101010101010101010101010101010101010101010101010101010101010101010101010101010101010101010101021008010113040101010101010101010101010101010101010101010101060000000000000000000005010101010101010101010101010101010101010101010101010101010101010101092708010101010101010101010101010614150101010101010101010101010101010101010101010101010101010101010101160401010101010101010101010101010101010101010101010101010116070801010101011d1e05010101010101010101010101010101010101010101010101010101010101010101010203200c010101010101010101010101010101010101010101010101010101010101010101010101010101010101010101010101010101010101010101010101010101010116120102031201010101010101010101010101010101010101010101010116070801010101011d1e0501010101010101010101010101010101010101010101010101010101010101010203200c0101010101010101010101010101161406000000000000000501011600000708010101060000000000000005010101011604010101010101010101010101010101010101010101010101010101020304010101010101160401010106000000000000000501020300000000141501010106000000000000000501010101010101010101010101010101010101010101010101010101020312010101010101010101060000000000000005010116000007080101010600000000000000050101090d010927080101010101010101010101010101010101010101010101010203040101010101011604010101060000000000000005010116000007080101010600000000000000050101010101010101010101010101010101010106000106200c0101020304010101130012010101010106200c010102030401012601160401010101010101010101010101010101010101010101010101010101090a12010101010101010101010106200c01010203040101130708010113070801010106200c0101020304010101161415010101010101010101010101010101010101010101010203120101010101010101010106200c0101020304010101130012010101010106200c01010203040101010e0816040101010101010101010101010101010101010101010101010101090a12010101010101010101010106200c0101020304010101130012010101010106200c010102030401010116141501010101010101010101010101062001090a120101011d24080101090a120101010101090a120101011d24080116000004010101010101010101010101010101010101010101010101010101010116070801010101010101010101090a120101011d24080116050101011d1e05010101090a120101011d240801010101010101010101010101010101010101010101010101010102031201010101010101010101090a120101011d24080101090a120101010101090a120101011d240801010625031201010101010101010101010101010101010101010101010101010116070801010101010101010101090a120101011d24080101090a120101010101090a120101011d240801010101010101010101010101010101010101010102030401010101010101011d1e0501010101010203040101010101010101011304010101010101010113000000000000000000200c010101010101010101011304010101010101010101010203040101010101010101010101011d1e040101010203040101010101010101010101010101010101010101010101010101010101010101010203120101010101010101010102030401010101010101011d1e05010101010102030401010101010101011d1e07080101010101010101010101010101010101010101010101010101010113040101010101010101010102030401010101010101011d1e0501010101010203040101010101010101010101010101010101010101010101010101010113141501010101010101011314150101010101131415010101010101010101010101010101010101010101010101010101010101010101010101010101011d1e050101010101010101010113141501010101010101010101011600050101010113141501010101010101010101010101010101010101010101010101010101010101010203120101010101010101010101131415010101010101010113141501010101011314150101010101010101160401010101010101010101010101010101010101010101010101010101011d1e05010101010101010101011314150101010101010101131415010101010113141501010101010101010101010101010101010101010101010101010116070801092115010101011607080101010101160708010921150101010101010101010101010101010101010101010101010101010101010101010101010106200c0101010101010101011607080109211501010101010203001415010101011607080109211501010101010101010101010101010101010101010101010113000000000000000000200c0101010101011607080109211501010101160708010101010116070801092115010101010101010101010101010113000000000000000000200c0101010101010101010106200c01010101010101010116070801092115010101011607080101010101160708010921150101010101010101010101010101010101010101010101090a0000000708010101010600120101010101090a0000000708010101010101010101010101010113000000000000000000200c010101010101010101011d1e0012010101010101010101090a0000000708010101011d1e0004010101010101090a0000000708010101010101010101010101010101010101010101010101010101010203120101010101010101010101090a0000000708010101010600120101010101090a000000070801010101010101010101010101010101010101010101010101010101010101010101011d1e0012010101010101010101090a0000000708010101010600120101010101090a000000070801010101010101010101010101010101010101160001011d1e0501011312010101011d1e0501010101011d1e0501011312010101010101010101010101010101010101010101010101010101010101010101010101130004010101010101010101011d1e050101131201010101130012010101010101011d1e050101131201010203200c0101010101010101010101010101010101010101010102031201010101010101010101011d1e0501011312010101011d1e0501010101011d1e05010113120101010101010101010101010101010101010101010101010101010101010101010101130004010101010101010101011d1e0501011312010101011d1e0501010101011d1e050101131201010203200c010101010101010101010101011600010101130401010101010101010203141501010101011304010101010101010101010101010101010101010101010101010101010101010101010101010101060007080101010101010101010101130401010101010101020314150101010101010101130401010101010102221b2315010101010101010101010101010101010101010101020312010101010101010101010101130401010101010101010203141501010101011304010101010101010101010101010101010101010101010101010101010101010101010101010106000708010101010101010101010113040101010101010101020314150101010101130401010101010102221b231501010101010101010101010101010101011607080101011312010101160708010101010116070801010113120101010101010101010101010101010101010101010101010101010101010101020300120101010101010101010101011607080101011312010113141501010921150101011607080101011312010101161201010101010101010101010101010101010101010102031201010101010101010101010116070801010113120101011607080101010101160708010101131201010101010101010101010101010101010101010101010101010101010101020300120101010101010101010101011607080101011312010101160708010101010116070801010113120101011612010101010101010101010101010101010116200c0101020304010101160012010101010116200c010102030401010101010101010101010101010101010101010101010101010101010101011600040101010101130501010101010116200c01010203040101090a05010116070801010116200c0101020304010101161415010106000401010600070801010101010101010102031201010101010101010101010116200c0101020304010101160012010101010116200c0101020304010101010101010101010101010101010101010101010101010101010101011600040101010101130501010101010116200c0101020304010101160012010101010116200c01010203040101011614150101060000000005010101010101010600000000000000141501060000001201010106000000000000001415010101010101010101010101010101010101010101010101010101010101090a0708010101011d1e0501010101010600000000000000141501011d1e00000000120101060000000000000014150102031f0c0101010e08010101131201010101010101010101010101010101010101010101010106000000000000001415010600000012010101060000000000000014150101010101010101010101010101010101010101010101010101010101090a0708010101011d1e05010101010106000000000000001415010600000012010101060000000000000014150102031f0c010101131201090b0c010101010101010101010101010101010101010101010101010101010101010101010101010101010101010101010101010101010101010101010101010101010203001201010101011300050101010101010101010101010101010101010101010101010101010101010101010101010106141b1c0101010e081604011312010101010101010101010101010101010101010101010101010101010101010101010101010101010101010101010101010101010101010101010101010101010101010101010101010101010101010101020300120101010101130005010101010101010101010101010101010101010101010101010101010101010101010106141b1c0101011312010607080101010101010101010101010101010101010101010101010101010101010101010101010101010101010101010101010101010101010101010101010101010116000000000000000000000501010101010101010101010101010101010101010101010101010101010101010101010101130501170c01010e18191a1213120101010101010101010101010101010101010101010101010101010101010101010101010101010101010101010101010101010101010101010101010101010101010101010101010101010101010101011600000000000000000000050101010101010101010101010101010101010101010101010101010101010101010101130501170c010113000004010101010101010101010101010101010101010101010101010101010101010101010101010101010101010101010101010101010101010101010101010101010101010101010101010101010101010101010101010101010101010101010101010101010101010101010101010101010101090b0c01090d01010e0f040210111201010101010101010101010101010101010101010101010101010101010101010101010101010101010101010101010101010101010101010101010101010101010101010101010101010101010101010101010101010101010101010101010101010101010101010101010101010101010101010101010101010101010101090b0c01090d010113120106141501010101010101010101010101010101010101010101010101010101010101010101010101010101010101010101010101010101010101010101010101010101010101010101010101010101010101010101010101010101010101010101010101010101010101010101010101010102030004020300050600070801090a0708010101010101010101010101010101010101010101010101010101010101010101010101010101010101010101010101010101010101010101010101010101010101010101010101010101010101010101010101010101010101010101010101010101010101010101010101010101010101010101010101010101010102030004020300050600000000040101010101010101010101010101010101010101010101010101010101010101010101010101010101010101010101010101010101010101010101010101010101010101010101010101010101010101010101010101010101010101010101010101010101010101010101010101010101010101010101010101010101010101010101010101010101010101010101010101010101010101010101010101010101010101010101010101010101010101010101010101010101010101010101010101010101010101010101010101010101010101010101010101010101010101010101010101010101010101010101010101010101010101010101010101010101010101010101010101010101010101010c00000040092900aa000000000000001900180100000000040000002701ffff030000000000

Получим 0100090000035818000000002a0e000000002a0e000026060f004a1c574d46430100000000000100390b0000000001000000281c000000000000281c0000010000006c0000000000000000000000e6000000160000000000000000000000a11700005902000020454d4600000100281c00000c00000001000000000000000000000000000000900600001a040000b801000013010000000000000000000000000000c0b6060038320400460000002c00000020000000454d462b014001001c000000100000000210c0db010000006000000060000000460000009c06000090060000454d462b224004000c000000000000001e4009000c00000000000000244001000c000000000000003040020010000000040000000000803f214007000c0000000000000008400005e8050000dc0500000210c0db01000000000000000000000000000000000000000100000089504e470d0a1a0a0000000d49484452000000dd000000160802000000cb890e3a000000017352474200aece1ce9000000097048597300000e2600000e2601a2ef25fc00000564494441546843ed5a3b521b41101df91ca88a88880b882aa71c8012014a7d029d0071017302a752808a0390ba0a5d80c81155d23dd6f39ffecdecec2e4832d666daf9f6eb376fba7b356a9a469d9e13024786c0b723dbcf7eb6b35bdd8edc73bbdab12585d6f48a0ed93cf899e4b9f663cfd75be57fe4e56e359f5dbeea8ba2d92ed56c4e9829b5ee7e3fabe5d68c685e17eb3444d3f5ea4d6af87a44d9b74516ecaff06c9753a516966ee5e77591fa9941534f2c37aadc6aa80c46c0ce7ea47985676cdbcfa95d4020e825b88ee2bd94bbe73efee8c06b72f4b0210ba0d6116f57caf498abc7a6b99f546d6e7a3176fdcece2fd5facf160f2ab43a317dba3b7323c61753f5f6ee2281cdcb422dae2793fba6795473719b68196215423d417058bf5860c3c3fcc2a136dda5c80859813ac828dcae54e4aad51b78d2ab0568d881b7cb24a1337a03648fb45a5122b2c835cfcb1ec7cdcaa99e22998914cfeba5dcea56a68b5bfd740f52497153082820ac106936f0507e715743b08afa81f93cc2432f0bdb105f52ffe9dfe88e0b50105ea23e74cc30fe6546131e7a4a053b9853dc450b6d61cc6adbe6f07b3c2e4fa782fb6a6126001719a97f60cf7279d88b5f1cd0602bdc5111e80083e02d22039eecd9782b1a9b78d9d9bf6dfeaf6a174c61c7940780e94d1f514f9646ee00e3855628b154dbb0d2c373dd2e991ea172487a18bff0f3cf0481fb57e425ed56e037380a9197089c3d9dc8906708528e851fdfacf49aaf4976303af1d2095321e7b3d670caf97d9d6e717a91eb052b8959721451ad3dfa85730c5fc892ead4f0b2602d1c1e78890066415485f42567f2b08e455f703e62aedf08d24838372661596a2ab6fda95daaa4aeacf883fd928db5939bc4f201e7583beb2a7b64740401e1f3715da05b471932214e48586592096f4d1e5a7a620e4bc74eeef57aebd9d8a77d73756302c8cb739ff29a842dd608b504bd5dfd5b05ec90ae6781dcfe59ab2cdcc3fda2d7eded9a6ae7577634d50c5d07968b269b5f334dc16b5f50f1bc44e09cdd3d655954b9834eddf47a89d14fdfd59b8eb7fdb93096aca7cbc7509839bb7bd449e27af6cbd59276efba6fa470a7458fa5b3292fe54d38a85f0844662f03c0d6023386353632bbc161bafc11ea7c8e9725ffe63fc1a1997385b650fd92ca5a1237ac424c6fbe3bb9e458988a637cec8f5645e2cb94bf439afec61c50b0c36536668b37bea2c247f762918f2a21b666ce5da55fbc2da83c4a7e88aeb1d0e64bbb5d8ff5e6c190325b5fdead7e6a5a06af9bc98d5209214e8cb041dd621fc11c098bdba29c5e5b3293ba1847ca4c524407e220fdb2262a22814c7b7c598ec80eea178743b2ba9c9e59cb73d650985f1724a4e5735b5e52ef6642f1cafcb2772a419188a6923a38f8594e1ae49d40b608266db7e64378e26e405ce425e9861724930b5e932c06731cd82f3023259b97492af39261ac07974a7f1600e5bfa0305d66495ad105bdb9e8067a8dca7c5746a93ee9d3839808969ca4715e268412436daf65f8e2236c8d7d3f832f805d02e933058ebdfa0592835748300e9441a155b4834d46cd4a75f502b5e2d4dd2b8503095b315c6696ecd58aef907ec5ec298407c11d270f293d21924c54fdafa4c266dfe5a8fd526f86d4b38a97c0571f8cecb0cd27b1edf20f9e967b3c4d2a9f42c83724bd888894959f7edb1ca3640cf06eebff2f75aa599b4a77cdd13ea8bf2e336d6f9ec7d5bb9c5cebff0abcd8429349fe6d1648d26f5f08881bd4b96f98ded60b428aacff4fb47efebd73358dd42094444c2dacf2cf4e75b01cbf5feaecc8f56ae5b48ffdecf82eb2d43af10777e81269a65bdecb0cd050686f3019bde331bbc7d636f4aa10f481e25ff14b1fdb9a6664729fd37342e0c81068bdc78f6cbfa7edfc1f08fc05dee1f9a9be3c6d2f0000000049454e44ae426082000840010824000000180000000210c0db01000000030000000000000000000000000000001b40000040000000340000000100000002000000000000bf000000bf00005d430000b041030000000000008000000080feff66430000008000000080ffffb7412100000008000000620000000c00000001000000150000000c00000004000000150000000c0000000400000051000000281400000000000000000000e60000001600000000000000000000000000000000000000dd000000160000005000000098000000e800000040130000000000002000cc00e70000001700000028000000dd0000001600000001000800000000000000000000000000000000001c0000000000000000000000ffffff00e3ffff000054a600e3a6540054a6e300c6ffff0000008000a6540000ffffe300c6800000a6e3ff0054005400ffe3a6005454a60080c6ff005400000080000000ffffc600ffc680000080c6000000540054008000a6545400a6a6540080008000e3e3e300a6a68000010101010101010101010101010101010101010101010101010101010101010101010101010101010101010101010101010101010101010101010101010101010101010101010101010101010101010101010101010101010101010101010101010101010101010101010101010101010101010101010101010101010101010101010101010101010101010101010101010101010101010101010101010101010101010101010101010101010101010101010101010101010101010101010101010101010101010101010101010101010101010101010101010101010106070101010101010101010101010101010101010101010101010101010101010101010101010101010101010101010101010101010101010101010101010101010101010101010101010101010101010101010101010101010101010101010101010101010101010101010101010101010101010101010101010101010101010101010101010101010101010101010101010101010101010101010101010101010101010101010101010101010101010101010101010101010101010101010101010101010101010101010101010101010101010101010101010101010101010101010101010101010101010101050000000401010101010101010101010101010101010101010101010101010101010101010101010101010101010101010101010101010105111201010101010101010101010607000013010f111201050000000004020300000004010101060700000809140809010101010101010101010101010101010101010101010101010101010101010105000000040101010101010101010101010101010101010101010101010101010101010101010101010101010101010101010101010101010101010101010101010101010101010101010114150101010101010101010106160d010b151301010101010101010101010101010101010101010101010101010101010101010101010101010101010101010101010102030401010101010101010101010101140a010b0c0d0f1112010101140a0101020e0d010b1513010203040102030a010b151301010101010101010101010101010101010101010101010101010101010106160d010b1513010101010101010101010101010101010101010101010101010101010101010101010101010101010101010101010101010101010101010101010101010101010101010101010101010101010101010101010101010b151301010101010101010101010101010101010101010101010101010101010101010101010101010101010101010101010203040101010101010101010101010106071301020304010101010101050a0101010101010203040106160d0101050809010b0c0d0101020313010101010101010101010101010101010101010101010101010101010b15130101010101010101010101010101010101010101010101010101010101010101010101010101010101010101010101010101010101010101010101010101010101010101010101010101010101010101010101140000130101010101010101010101010101010101010101010101010101010101010101010101010101010101010101010101010f11120101010106070000000000001306160d0101140a010101010101050a0101010101010b1513010b15080902030a010101050809010106071301010101010101010101010101010101010101010101010101140000130101010101010101010101010101010101010101010101010101010101010101010101010101010101010101010101010101010101010101010101010101010101010101010101010f000000000000000401010101020313010101010101010101010101010101010101010101010101010101010b15100d0101010101010f000000100d01010102030a010101010101010101010101010106160d0101140a010101010101050a010101050000000a010102031b150008090101010b0c0d01010203080901010f0000001301010101010f00000000000000040101010102031301010101010101010101010101010101010101010101010101010101060700000809010106070a0101020300000000000a010114000000000000040101010f100d01010101010203010f100d010102030a01010101010b0c0d01010101010101010101010101010101010101010101010101010101010b150a0101010105000401010f000401010b1513010101010101010101010101010106071301020304010101011a01050a0101010513010101010101050a01010101010101020304010102030809010101050013010101010101010f100d010102030a01010101010b0c0d010101010101010101010101010101010101010101010101010106070809020308090106070a010101010105100d010101010b0c0d010101140401010106070401010101010110010b1513010101061912020e0d010f100d01010101010101010101010101010101010101010101010101010101010106070a010102030809010102030809010f100d010101010101010101010101010101050a010b0c0d010101010500000a010101051301010101010102030a01010101010101140a0101010101010101010b1504010101010101010b1513010101061912020e0d010f100d010101010101010101010101010101010101010101010101010105001301010f001301010101010101010105100d010101010105080901010f04010101011411120101011415130102030a010101010101010500000004010101010101010114000000000000000000100d01010101010101010101010105100d0106070a01010101141112010f100d010101010101010101010101010101020300000401010101010101140a01010105000000100d010101010f00111201010101140809010101010101010102030a0101010101010102030a01010101010101050000000401010101010101010114000000000000000000100d010101010101141112010106070401010101010101010105100d010101010101140a01010101010101010b15040101010906070101140809010101010101010101010101010101010101010101010101010101010101010101010101010101010101010b15040102030809010102031112010511120101010101010101010101010101010101010101010101010101010101010101010101010101010101010101010101010101140809010101010101010101141112010101010101011408090101010101010101010101010101010101010101010101010101010101010101010101010102030809010106070a01010101010101010105100d01010101010102030a010101010101010114080901010101010101051112010b170901010101010101010101010101010101010101010101010101010101010101010101020300000018070a01010b1504010105000401010f100d01010101010101010101010101010101010101010101010101010101010101010101010101010101010101010101010101011408090101010101010101010f100d01010101010101051112010b170901010101010101010101010101010101010101010101010101010101010101010102030809010102030809010101010101010105100d01010101010101020304010101010101010f0013010101010101010b15000000111201010101010101010101010101010114000000000000000000100d0101010101010114100d01010500080901010607000011120101010f100d0101010101010101010101010101010101010101010101010101010101010101010101010101010101010101010101010101140a010101010101010101010b1513010101010101010b1500000011120101010101010101010101010101010114000000000000000000100d010101010102030809010102030809010101010101010105100d01010101010101010b151301010101010102030a010101010101010607040101141301010101010101010101010101010101010101010101010101010101010101010106070a01010102030809010f000401010f001301010b15130101010101010101010101010101010607000013010f1112010607000013010105000000040101010500000008090101010203040101010101010101010106070a010101010101010607040101141301010101010101010101010101010101010101010101010101010101010101010102030809010106070809010101010101010105100d01010101010101010114111201010101010105100d01110c01010101140a010101010101010101010101010101010101010101010101010101010101010101010101010b150401010102030809020308090101011408090102030a010101010101010101010101010101140a010b0c0d0f111201140a010b0c0d06160d010b1513010b15130101140a0101010b0c0d010101010101010101010114080901010101010101140a0101010101010101010101010101010101010101010101010101010101010101010101010101141112010106070a01010101010101010105100d0101010101010101010f00130101010101010607040101010101010105111201010114130101010101010101010101010101010101010101010101010101010101010106070a010101060704010203080901010114111201010f1112010101010101010101010101010607130102030401010106071301020304010101010b1513010607130102030a010101050809010101010101010f0a010105100d010b1709010101051112010101141301010101010101010101010101010101010101010101010101010101010101010f100d01010f00130101010101010f111205100d0101010114040101010500130101010101010105111201010101010105100d010102030a01010101010101010101010101010101010101010101010101010101010101010500130101141112010105001301010f000a0101010203040101010106070000000000001306160d0101140a01010106160d0101140a01011400001301010102030000040101010b0c0d0101010101010101060704010b1513010b0c0d01010105100d010102030a0101010101010101010101010101010101010101010101010101010101010101020308090203111201010101010101060700100d0101010114100d0106071112010114130101010b151301010101010f00000000000000080901010101010101010101010101010101010101010101010101010101010101010b1500001112010101010b150000000a010101010102030401010101010101010101010106160d0101140a01010106160d0101140a010101020313010102030401060713010b1513010101010101010101020300000000000000001301010f0000000000000008090101010101010101010101010101010101010101010101010101010101010101020300001112010101010101010101010b0c0d01010101010f000000100d010101050000000000000801010101010101010101010101010101010101010101010101010101010101010101010101010101010101010101010101010101010101010101010101010101010101010101051112010101010101010101010607130102030401010106071301020304010101010b0c0d010607130101140a14080901010101010101010101010101010101010101010101010101010101010101010101010101010101010101010101010101010101010101010101010101010101010101010101010101010101010101010101010101010101010101010101010101010101010101010101010101010101010101010101010101010101010101010101010101010101010101010101010101010101010101010101010101010101010101010101010101010101010101010101010101010101010101010101050a010b0c0d01010101050a010b0c0d020e0d010f100d010203040106070401010101010101010101010101010101010101010101010101010101010101010101010101010101010101010101010101010101010101010101010101010101010101010101010101010101010101010101010101010101010101010101010101010101010101010101010101010101010101010101010101010101010101010101010101010101010101010101010101010101010101010101010101010101010101010101010101010101010101010101010101010101010101010101010101020300000401010101010203000004010105000000040101010607000008090101010101010101010101010101010101010101010101010101010101010101010101010101010101010101010101010101010101010101010101010101010101010101010101010101010101010101010101010101010101010101010101010101010101010101010101010101010101010101010101010101010101010101010101010101010101010101010101010101010101010101010101010101010101010101010101010101010101010101010101010101010101010101010101010101010101010101010101010101010101010101010101010101010101010101010101010101010101010101010101010101010101010101010101010101010101010101010101010101010101010101010101010101010101010101010101010101010101010101010101010101010101010101010101010101010101010101010101010101010101010101010101014c000000640000000000000000000000e6000000160000000000000000000000e7000000170000002900aa0000000000000000000000803f00000000000000000000803f0000000000000000000000000000000000000000000000000000000000000000220000000c000000ffffffff460000001c00000010000000454d462b024000000c000000000000000e000000140000000000000010000000140000000400000003010800050000000b0200000000050000000c021700e700030000001e0004000000070104000400000007010400f9090000410b2000cc001600dd00000000001700e7000000000028000000dd0000001600000001000800000000000000000000000000000000001c0000000000000000000000ffffff00e3ffff000054a600e3a6540054a6e300c6ffff0000008000a6540000ffffe300c6800000a6e3ff0054005400ffe3a6005454a60080c6ff005400000080000000ffffc600ffc680000080c6000000540054008000a6545400a6a6540080008000e3e3e300a6a68000010101010101010101010101010101010101010101010101010101010101010101010101010101010101010101010101010101010101010101010101010101010101010101010101010101010101010101010101010101010101010101010101010101010101010101010101010101010101010101010101010101010101010101010101010101010101010101010101010101010101010101010101010101010101010101010101010101010101010101010101010101010101010101010101010101010101010101010101010101010101010101010101010101010106070101010101010101010101010101010101010101010101010101010101010101010101010101010101010101010101010101010101010101010101010101010101010101010101010101010101010101010101010101010101010101010101010101010101010101010101010101010101010101010101010101010101010101010101010101010101010101010101010101010101010101010101010101010101010101010101010101010101010101010101010101010101010101010101010101010101010101010101010101010101010101010101010101010101010101010101010101010101010101050000000401010101010101010101010101010101010101010101010101010101010101010101010101010101010101010101010101010105111201010101010101010101010607000013010f111201050000000004020300000004010101060700000809140809010101010101010101010101010101010101010101010101010101010101010105000000040101010101010101010101010101010101010101010101010101010101010101010101010101010101010101010101010101010101010101010101010101010101010101010114150101010101010101010106160d010b151301010101010101010101010101010101010101010101010101010101010101010101010101010101010101010101010102030401010101010101010101010101140a010b0c0d0f1112010101140a0101020e0d010b1513010203040102030a010b151301010101010101010101010101010101010101010101010101010101010106160d010b1513010101010101010101010101010101010101010101010101010101010101010101010101010101010101010101010101010101010101010101010101010101010101010101010101010101010101010101010101010b151301010101010101010101010101010101010101010101010101010101010101010101010101010101010101010101010203040101010101010101010101010106071301020304010101010101050a0101010101010203040106160d0101050809010b0c0d0101020313010101010101010101010101010101010101010101010101010101010b15130101010101010101010101010101010101010101010101010101010101010101010101010101010101010101010101010101010101010101010101010101010101010101010101010101010101010101010101140000130101010101010101010101010101010101010101010101010101010101010101010101010101010101010101010101010f11120101010106070000000000001306160d0101140a010101010101050a0101010101010b1513010b15080902030a010101050809010106071301010101010101010101010101010101010101010101010101140000130101010101010101010101010101010101010101010101010101010101010101010101010101010101010101010101010101010101010101010101010101010101010101010101010f000000000000000401010101020313010101010101010101010101010101010101010101010101010101010b15100d0101010101010f000000100d01010102030a010101010101010101010101010106160d0101140a010101010101050a010101050000000a010102031b150008090101010b0c0d01010203080901010f0000001301010101010f00000000000000040101010102031301010101010101010101010101010101010101010101010101010101060700000809010106070a0101020300000000000a010114000000000000040101010f100d01010101010203010f100d010102030a01010101010b0c0d01010101010101010101010101010101010101010101010101010101010b150a0101010105000401010f000401010b1513010101010101010101010101010106071301020304010101011a01050a0101010513010101010101050a01010101010101020304010102030809010101050013010101010101010f100d010102030a01010101010b0c0d010101010101010101010101010101010101010101010101010106070809020308090106070a010101010105100d010101010b0c0d010101140401010106070401010101010110010b1513010101061912020e0d010f100d01010101010101010101010101010101010101010101010101010101010106070a010102030809010102030809010f100d010101010101010101010101010101050a010b0c0d010101010500000a010101051301010101010102030a01010101010101140a0101010101010101010b1504010101010101010b1513010101061912020e0d010f100d010101010101010101010101010101010101010101010101010105001301010f001301010101010101010105100d010101010105080901010f04010101011411120101011415130102030a010101010101010500000004010101010101010114000000000000000000100d01010101010101010101010105100d0106070a01010101141112010f100d010101010101010101010101010101020300000401010101010101140a01010105000000100d010101010f00111201010101140809010101010101010102030a0101010101010102030a01010101010101050000000401010101010101010114000000000000000000100d010101010101141112010106070401010101010101010105100d010101010101140a01010101010101010b15040101010906070101140809010101010101010101010101010101010101010101010101010101010101010101010101010101010101010b15040102030809010102031112010511120101010101010101010101010101010101010101010101010101010101010101010101010101010101010101010101010101140809010101010101010101141112010101010101011408090101010101010101010101010101010101010101010101010101010101010101010101010102030809010106070a01010101010101010105100d01010101010102030a010101010101010114080901010101010101051112010b170901010101010101010101010101010101010101010101010101010101010101010101020300000018070a01010b1504010105000401010f100d01010101010101010101010101010101010101010101010101010101010101010101010101010101010101010101010101011408090101010101010101010f100d01010101010101051112010b170901010101010101010101010101010101010101010101010101010101010101010102030809010102030809010101010101010105100d01010101010101020304010101010101010f0013010101010101010b15000000111201010101010101010101010101010114000000000000000000100d0101010101010114100d01010500080901010607000011120101010f100d0101010101010101010101010101010101010101010101010101010101010101010101010101010101010101010101010101140a010101010101010101010b1513010101010101010b1500000011120101010101010101010101010101010114000000000000000000100d010101010102030809010102030809010101010101010105100d01010101010101010b151301010101010102030a010101010101010607040101141301010101010101010101010101010101010101010101010101010101010101010106070a01010102030809010f000401010f001301010b15130101010101010101010101010101010607000013010f1112010607000013010105000000040101010500000008090101010203040101010101010101010106070a010101010101010607040101141301010101010101010101010101010101010101010101010101010101010101010102030809010106070809010101010101010105100d01010101010101010114111201010101010105100d01110c01010101140a010101010101010101010101010101010101010101010101010101010101010101010101010b150401010102030809020308090101011408090102030a010101010101010101010101010101140a010b0c0d0f111201140a010b0c0d06160d010b1513010b15130101140a0101010b0c0d010101010101010101010114080901010101010101140a0101010101010101010101010101010101010101010101010101010101010101010101010101141112010106070a01010101010101010105100d0101010101010101010f00130101010101010607040101010101010105111201010114130101010101010101010101010101010101010101010101010101010101010106070a010101060704010203080901010114111201010f1112010101010101010101010101010607130102030401010106071301020304010101010b1513010607130102030a010101050809010101010101010f0a010105100d010b1709010101051112010101141301010101010101010101010101010101010101010101010101010101010101010f100d01010f00130101010101010f111205100d0101010114040101010500130101010101010105111201010101010105100d010102030a01010101010101010101010101010101010101010101010101010101010101010500130101141112010105001301010f000a0101010203040101010106070000000000001306160d0101140a01010106160d0101140a01011400001301010102030000040101010b0c0d0101010101010101060704010b1513010b0c0d01010105100d010102030a0101010101010101010101010101010101010101010101010101010101010101020308090203111201010101010101060700100d0101010114100d0106071112010114130101010b151301010101010f00000000000000080901010101010101010101010101010101010101010101010101010101010101010b1500001112010101010b150000000a010101010102030401010101010101010101010106160d0101140a01010106160d0101140a010101020313010102030401060713010b1513010101010101010101020300000000000000001301010f0000000000000008090101010101010101010101010101010101010101010101010101010101010101020300001112010101010101010101010b0c0d01010101010f000000100d010101050000000000000801010101010101010101010101010101010101010101010101010101010101010101010101010101010101010101010101010101010101010101010101010101010101010101051112010101010101010101010607130102030401010106071301020304010101010b0c0d010607130101140a14080901010101010101010101010101010101010101010101010101010101010101010101010101010101010101010101010101010101010101010101010101010101010101010101010101010101010101010101010101010101010101010101010101010101010101010101010101010101010101010101010101010101010101010101010101010101010101010101010101010101010101010101010101010101010101010101010101010101010101010101010101010101010101010101050a010b0c0d01010101050a010b0c0d020e0d010f100d010203040106070401010101010101010101010101010101010101010101010101010101010101010101010101010101010101010101010101010101010101010101010101010101010101010101010101010101010101010101010101010101010101010101010101010101010101010101010101010101010101010101010101010101010101010101010101010101010101010101010101010101010101010101010101010101010101010101010101010101010101010101010101010101010101010101010101020300000401010101010203000004010105000000040101010607000008090101010101010101010101010101010101010101010101010101010101010101010101010101010101010101010101010101010101010101010101010101010101010101010101010101010101010101010101010101010101010101010101010101010101010101010101010101010101010101010101010101010101010101010101010101010101010101010101010101010101010101010101010101010101010101010101010101010101010101010101010101010101010101010101010101010101010101010101010101010101010101010101010101010101010101010101010101010101010101010101010101010101010101010101010101010101010101010101010101010101010101010101010101010101010101010101010101010101010101010101010101010101010101010101010101010101010101010101010101010101010101010101010c00000040092900aa000000000000001700e70000000000040000002701ffff030000000000.
Проводим повторную проверку по формуле (4.3).


Условие выполняется, расчет выполнен правильно.
4.2 Вероятностный метод
При расчете размерных цепей методом максимум – минимум исходим из того, что даже при самом неблагоприятном сочетании размеров звеньев (например, когда все увеличивающие звенья будут наименьшими) замыкающие звено должно находиться в пределах поля допуска. Этим достигается полная (или абсолютная) взаимозаменяемость.
В крупносерийном и массовом производстве при расчете размерных цепей необходимо использовать основные положения теории вероятностей. Размер замыкающего звена можно рассматривать как сложное случайное событие, зависящее от рода независимых простых случайных событий размеров составляющих звеньев.
Определим расчетный коэффициент точности для составляющих звеньев размерной цепи.

где
- коэффициент риска замыкающего звена,
определяющий вероятность появления
брака

где
– коэффициент риска составляющих
звеньев;
010009000003200400000000ee0200000000ee02000026060f00d205574d46430100000000000100218b0000000001000000b005000000000000b0050000010000006c00000000000000000000000f000000150000000000000000000000a20100003f02000020454d4600000100b00500000c00000001000000000000000000000000000000900600001a040000b801000013010000000000000000000000000000c0b6060038320400460000002c00000020000000454d462b014001001c000000100000000210c0db010000006000000060000000460000001c02000010020000454d462b224004000c000000000000001e4009000c00000000000000244001000c000000000000003040020010000000040000000000803f214007000c0000000000000008400005680100005c0100000210c0db01000000000000000000000000000000000000000100000089504e470d0a1a0a0000000d494844520000000f00000015080200000016f923e0000000017352474200aece1ce9000000097048597300000e2600000e2601a2ef25fc000000e549444154384fcd93310e832014861f3d874d9c3a790187ae1ea0c1a13d464f8007e98a8be9015c9bc8059c9c4ce01e942768319560b7be85009f2ffffff3245a6bd85d87dd24827f48abba2465ad22364c26581d331cebdc2eb480d692d375c7f047869e5b532e23adb54d508d3d409626b1f02d2d8706e8e9188361528216b775a027cf06d293cd4d6b5352de152a09ea106dcf3b4e592b9cc6794e9a41e289a848355f8168e17ecdcf170f47dd9fc43d3de6d0ee3ced2eefefa017d8c74313ab5ecfacc8addc24cdc06a0fd0e2715b6080bc60d08f38719b8f6d935b173e08f9e9bf7c03a14848125fd3da560000000049454e44ae4260820840010824000000180000000210c0db01000000030000000000000000000000000000001b40000040000000340000000100000002000000000000bf000000bf000070410000a841030000000000008000000080ffff7f410000008000000080ffffaf412100000008000000620000000c00000001000000150000000c00000004000000150000000c00000004000000510000003002000000000000000000000f00000015000000000000000000000000000000000000000f000000150000005000000090000000e000000050010000000000002000cc001000000016000000280000000f0000001500000001000800000000000000000000000000000000001a0000000000000000000000ffffff00e3ffff000054a600e3a6540080c6ff00ffc68000c68000000080c600a6540000ffffe300c6ffff000000800054000000ffe3a60054a6e30080000000ffffc600c6a65400800080008080c600a6e3ff0000005400c6805400800054008054a60001010101010101010101010101010100010101010101010800000000000d0e0001010101010101050701010105090a800101010101010102191101010807010801010101010101010f060102030601080115160010110101151701151811013b010810110b1311010114110f070101010108090a010101010105120306010101010f101101010101010b0c101101010101050d0e0101010101010f0701010101010b0c0401010101010101010101010101020307010101010101010101010101010108090a010101010101010101010102030000000007010101010101010101010105000601010101010101010101010101020304010101010101010101010101010101010101010101010101010101010101010101010101010101010101010101010101010101010101010101010101010101010101010101010101010101010101010101010101010101010101014c0000006400000000000000000000000f00000015000000000000000000000010000000160000002900aa0000000000000000000000803f00000000000000000000803f0000000000000000000000000000000000000000000000000000000000000000220000000c000000ffffffff460000001c00000010000000454d462b024000000c000000000000000e000000140000000000000010000000140000000400000003010800050000000b0200000000050000000c0216001000030000001e0004000000070104000400000007010400fd000000410b2000cc0015000f00000000001600100000000000280000000f0000001500000001000800000000000000000000000000000000001a0000000000000000000000ffffff00e3ffff000054a600e3a6540080c6ff00ffc68000c68000000080c600a6540000ffffe300c6ffff000000800054000000ffe3a60054a6e30080000000ffffc600c6a65400800080008080c600a6e3ff0000005400c6805400800054008054a60001010101010101010101010101010100010101010101010800000000000d0e0001010101010101050701010105090a800101010101010102191101010807010801010101010101010f060102030601080115160010110101151701151811013b010810110b1311010114110f070101010108090a010101010105120306010101010f101101010101010b0c101101010101050d0e0101010101010f0701010101010b0c0401010101010101010101010101020307010101010101010101010101010108090a010101010101010101010102030000000007010101010101010101010105000601010101010101010101010101020304010101010101010101010101010101010101010101010101010101010101010101010101010101010101010101010101010101010101010101010101010101010101010101010101010101010101010101010101010101010101010c00000040092900aa000000000000001600100000000000040000002701ffff030000000000 - коэффициент риска замыкающего звена.
Для закона нормального распределения


Принимаем
точность составляющих звеньев по УТ
13, для которого
По таблице предельных отклонений
определяем допуски, и результаты расчетов
сводим в таблицу.
Таблица 4.2 – Результаты расчета размерной цепи вероятностным методом.
|
Обозначение звеньев |
Номинальный размер, мм |
Квалитет точности |
Допуск, мм |
Номинальный размер, мм |
|
|
ES; es |
EI; ei |
||||
|
1 |
2 |
3 |
4 |
5 |
6 |
|
|
23 |
- |
0.120 |
0 |
-0.120 |
|
|
8 |
IТ 13 |
0,220 |
0 |
-0.360 |
|
|
98 |
IТ 13 |
0,540 |
+0,270 |
-0,270 |
|
|
20 |
IТ 13 |
0,330 |
0 |
-0,520 |
|
|
23 |
- |
0.120 |
0 |
-0.120 |
|
|
8 |
IТ 13 |
0,220 |
+0,110 |
-0.110 |
|
|
1 |
- |
0.200 |
0 |
-0.200 |
|
|
188 |
IТ 13 |
0,720 |
0 |
-0.185 |
|
|
1 |
- |
0.200 |
0 |
-0.200 |
|
|
6 |
IТ 13 |
0,180 |
+0,090 |
-0.090 |
|
|
4 |
- |
1.200 |
+0.600 |
-0.600 |
Проводим проверку правильности назначения допусков по условию 99 [1, с. 244]

=1,076

Условие выполняется, задача решена правильно.
Литература
Серый И. А. Взаимозаменяемость, стандартизация и технические изменения - М.: Колос, 1987 г.
Дунаев П. Ф., Леликов О. П. Конструирование узлов и деталей машин – М.: Высшая школа, 1984г.
Дунаев П. Ф., Леликов О. П., Варламова Л. П. Допуски и посадки. Обоснование выбора. Учебное пособие – М.: Высшая школа, 1984 г.
Р.Д. 50-38-86 Выбор универсальных средств измерения линейных размеров до 500 мм. Методические указания М.: Издательство стандартов, 1987г.