Експлуатація зварювальних трансформаторів
Тема:
Експлуатація зварювальних трансформаторів
Зміст
Вступ
1. Загальні відомості про трансформатори
2. Будова і принцип дії зварювальних трансформаторів
3. Підготовка трансформатора до роботи
4. Ремонт зварювального устаткування
Список використаної літератури
1. Загальні відомості про трансформатори
Трансформатор — статичний електромагнітний пристрій із двома або більшим числом індуктивно зв'язаних обмоток, який служить для перетворення за допомогою електромагнітної індукції змінного струму однієї напруги в змінний струм іншої напруги.
Класифікація
За призначенням трансформатори бувають: силові, узгоджувальні та імпульсні;
за потужністю – малої, середньої та великої потужності;
за кількістю обмоток – двообмоткові та багатообмоткові;
за способом охолодження – сухі і масляні;
за типом осердя – стержньові, броньові і тороїдні; а також – без осердя (повітряні);
за кількістю фаз – однофазні і трифазні.
Силові трансформатори призначені для перетворення електричної енергії в електричних мережах та в установках для її приймання і використання. Вони складають основну, найбільш численну групу.
Потужні силові трансформатори встановлюють на електростанціях для підвищення електричної енергії генераторів. Передача електроенергії по лінії електропередачі високою напругою і малими струмами значно зменшує втрати потужності, що дає можливість зменшити переріз проводів та істотно знизити витрати кольорового металу.
У кінці лінії електропередачі встановлюють трансформатори, які знижують напругу до рівня, необхідного для розподілу її між великими споживачами (міста, населені пункти, промислові підприємства, цехи підприємств та ін.).
У місцях споживання електроенергії встановлюють трансформатори, які знижують напругу до експлуатаційної. Більшість споживачів працюють при напрузі 220, 380 і 660 В.
Отже, електроенергія, яка передається від електростанції до електроприймачів, трансформується декілька разів. Спочатку підвищується, а потім знижується.
Трансформатори, призначені для підвищення напруги, називаються підвищувальними, а трансформатори, призначені для зниження напруги,— знижувальними.
Трансформатори широко використовують у радіо- і телеапаратурі, у вимірювальних пристроях, місцевому освітленні тощо.
Трансформатори, які використовуються для узгодження напруги або опорів між каскадами в радіопристроях, називаються узгоджувальними.
Трансформатори, призначені для передачі імпульсів напруги або струмів з однієї мережі в іншу, називаються імпульсними. Вони широко використовуються в імпульсній техніці.
Залежно від потужності трансформатори випускають з природним і масляним охолодженням. Активні частини трансформаторів у потужних енергетичних установках занурюють в мінеральне трансформаторне масло для кращого відведення тепла і поліпшення ізоляції.
Трансформатори малої потужності випускають з повітряним охолодженням.
Принцип дії трансформатора
Магнітопровід - це феромагнітне осердя трансформатора, на якому розташовуються обмотки.
Обмотка – це провід, обмотаний навколо стержня магнітопроводу для створення магнітного поля під дією струму, що протікатиме обмоткою, або для зворотного явища (електромагнітної індукції).
Обмотка, до якої підводиться електрична енергія, називається первинною, а обмотка, від якої відводиться електрична енергія,— вторинною.

Умовне позначення однофазного трансформатора
В основі роботи будь-якого трансформатора лежить явище електромагнітної індукції.
Розглянемо принцип дії трансформатора на прикладі однофазного двообмоткового трансформатора.
010009000003350200000200a80100000000a801000026060f004603574d46430100000000000100e0100000000001000000240300000000000024030000010000006c0000000000000000000000350000006f0000000000000000000000602a0000871c000020454d4600000100240300001300000002000000000000000000000000000000c0120000aa1a0000cb00000021010000000000000000000000000000c0190300c7680400160000000c000000180000000a0000001000000000000000000000000900000010000000020a0000bd060000250000000c0000000e000080250000000c0000000e000080120000000c00000001000000520000007001000001000000a4ffffff00000000000000000000000090010000000000cc04400022430061006c006900620072006900000000000000000000000000000000000000000000000000000000000000000000000000000000000000000000000000000000000000000000000000000000000000000000000000000000000000000000000000000000000000000000000000000000000000bc84110054861100708b9905f08211007c5f6d31548611002000000048831100ffffffff38861100d0831100ec017831488311005486110020000000ffffffff6c3d98056102783101000000000000005802000025000000372e9001cc00020f0502020204030204ff0200e1ffac004009000000000000009f01000000000000430061006c006900620072000000000000000000000000000000000000000000000000007c831100bd4c703107000000ffffffdfb883110068756e31c883110058616232e08311006c3d98056476000800000000250000000c00000001000000250000000c00000001000000250000000c00000001000000180000000c0000000000000254000000540000000000000000000000350000006f0000000100000055558740637b87400000000057000000010000004c000000040000000000000000000000030a0000bd060000500000002000000036000000180000000c0000000000000246000000280000001c0000004744494302000000ffffffffffffffff030a0000be060000000000004600000014000000080000004744494303000000250000000c0000000e000080250000000c0000000e0000800e000000140000000000000010000000140000000400000003010800050000000b0200000000050000000c0217019e01040000002e0118001c000000fb020300010000000000bc02000000cc0102022253797374656d0000000000000000000000000000000000000000000000000000040000002d010000040000002d01000004000000020101001c000000fb02f1ff0000000000009001000000cc0440002243616c6962726900000000000000000000000000000000000000000000000000040000002d010100040000002d010100040000002d010100050000000902000000020d000000320a0e00000001000400000000009e0117012000090005000000090200000002040000002d010000040000002d010000030000000000
Під час вмикання первинної обмотки трансформатора до мережі змінного струму з напругою U>1> у ній виникає струм I>1>, який збуджує в магнітопроводі змінний магнітний потік Ф. Замикаючись по магнітопроводу, змінний магнітний потік перетинає витки обмоток та індукує в первинній обмотці (w>1>) е.р.с. е>1>, а у вторинній обмотці (w>2>) е.р.с. е>2>.
Під час вмикання вторинної обмотки до навантажування е.р.с. е>2> створить у ній струм I>2>.
Отже, у трансформаторі електрична енергія первинного кола з параметрами U>1>, I>1>> >та частотою f перетворюється в електричну енергію змінного струму з параметрами U>2>, I>2>> >та частотою f.
В електротехніці та радіотехніці широко використовують трансформатори, які служать для перетворення змінного струму однієї напруги в змінний струм іншої. Силові трансформатори застосовують для живлення анодних кіл радіопристроїв, трансформаторних підстанцій, блоків живлення, живлення транзисторних схем тощо, а сигнальні трансформатори - в підсилювачах низької частоти.
Потужний трансформатор високої напруги - це пристрій, який складається з великої кількості конструктивних елементів, основними з яких є: магнітна система (магнітопровод), обмотки, ізоляція, виводи, бак, охолоджувальний пристрій, механізм регулювання напруги, захисні та вимірювальні пристрої, візок.
У трансформаторах невеликої потужності бак має верхню знімну кришку, тому під час ремонту необхідно зняти цю кришку, а потім підняти активну частину з бака.
Якщо маса активної частини перевищує 25т, вона встановлюється на донну частину бака, а потім накривається дзвоникоподібною верхньою частиною бака і заливається маслом. Такі трансформатори з нижнім рознімним дном не потребують вантажопідйомних пристроїв, щоб вийняти активну частину, тому що після зливання масла верхня частина бака піднімається, відкриваючи доступ до обмострум і магнітопровода. Для зменшення втрат від пострумів розсіювання стальні баки екрануються з внутрішньої сторони пакетами з електротехнічної сталі або пластинами з немагнітних матеріалів (мідь, алюміній).
У магнітній системі наявний магнітний потік трансформатора (звідси назва «магнітопровод»). Магнітопровод є конструктивною і механічною основою трансформатора. Слід зазначити, що якість електротехнічної сталі впливає на допустиму магнітну індукцію та втрати в магнітопроводі.
Протягом багатьох років застосовувалася гарячекатана сталь ЭЧ1, ЭЧ2 з товщиною листів 0,5-0,35мм, яка допускає індукцію 1,4—1,45Тл, з питомими втратами 2,5-3,5Вт/кг. Тепер використовують холоднокатану текстуровану сталь марок 3405, 3406, тобто сталь з певною орієнтованістю зерен, яка допускає індукцію до 1,7Тл, з питомими втратами 0,9-1,1Вт/кг. Використання такої сталі дало змогу значно зменшити переріз магнітопровода за рахунок значної допустимої магнітної індукції, зменшити діаметр витків обмотки, зменшити масу і габарити трансформаторів Маса трансформаторів на одиницю потужності в 1930 р сягала 3,33т/(МВА), а в теперішній час 0, 74т/(МВА)
Зменшення питомих втрат в сталі, ретельна збірка магнітопровода, використання безшпилевих конструкцій, з'єднання стержнів з ярмом за допомогою косої шихтовки дають змогу зменшити втрати холостого ходу та струм намагнічування трансформатора В сучасних потужних трансформаторах струм намагнічування становить 0,5-0,6% від Іном тоді як у трансформаторі з гарячекатаною сталлю струм сягав 3%, втрати холостого ходу зменшабося вдвічі
Листи трансформаторної сталі повинні бути ретельно ізольовані один від одного Спочатку застосовувалася паперова ізоляція - листи оклеювалися з одного боку тонким шаром спеціального паперу. Хоча папір створює повну електричну ізоляцію між листами, але він легко пошкоджується при складанні та збільшує розміри магнітопровода. Широко використовують ізоляцію листів лаком з товщиною шару 0,01мм Лакова плівка створює достатньо міцну ізоляцію між листами, забезпечує добре охолодження магнітопровода, володіє високою нагрівостійкістю і не пошкоджується під час збирання. Останнім часом все ширше застосовують двостороннє жаростійке покриття листів сталі, яке наноситься на металургійному заводі після прокату. Товщина покриття менше 0,01мм, що забезпечує кращі властивості магнітної системи. Стяжка стержнів здійснюється склобандажами, ярм - сталевими напівбандажами і бандажами.
Магнпопровод і його конструктивні деталі є основою трансформатора, на якій встановлюють обмотки і кріплять провідники, що з'єднують обмотки з вводами, створюючи активну частину.
Магнітопровод з насадженими на його стержні обмотками - це активна частина трансформатора
Магнітопровод в трансформаторі виконує дві функції по-перше, він утворює магнітне коло, по якому замикається основний магнітний потік трансформатора, а по-друге, є основою для встановлення та кріплення обмострум, виводів, перемикачів.
2. Будова і принцип дії зварювальних трансформаторів
Джерела змінного струму широко використовують для ручного дугового зварювання покритими електродами, на автоматах для зварювання під флюсом, для зварювання неплавкими електродами в інертних газах (алюміній та його сплави), у спеціальних установках і при електрошлаковому зварюванні. Джерела змінного струму порівняно дешеві й надійні у роботі.
Зварювальні трансформатори призначені для зниження напруги з 220 або 380 В до безпечної напруги, але достатньої для легкого запалювання та стійкого горіння електричної дуги (не більше 80 В) регулювання сабо зварювального струму залежно від діаметра електродного дроту та товщини зварюваного металу.
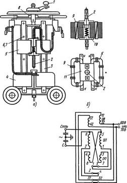
Принцип дії трансформатора ґрунтується на явищі електромагнітної індукції. Він складається з корпусу, в середині якого розміщений магнітопровід 1 (осердя), зібраний з тонких (0,5 мм) лакованих пластин електротехнічної сталі (рис. 2.1) і на якому розміщені первинна 3 та вторинна 2 обмотки. Для підвищення коефіцієнта трансформації в трансформаторах ТСК використовують батарею конденсаторів 4, яку вмикають паралельно до первинної обмотки.

Рис. 2.1. Зварювальний трансформатор:
а — загальний вигляд; б — схема регулювання зварювального струму,
в — електрична схема
Якщо по первинній обмотці з більшою кількістю витків пропустити змінний струм (напругою 220 або 380 В), то він буде намагнічувати осердя трансформатора, створюючи в ньому змінний магнітний погік. Впливаючи на вторинну обмотку з меншою кількістю витків цей магнітний потік буде створювати (індукувати) в ній змінний струм меншої напруги але більшої величини. Знижуючи за допомогою трансформатора напругу, у стільки ж разів збільшують струм у вторинному колі, який у 3-6 разів більший первинного.
Котушки первинної обмотки вмикають у мережу змінного струму, а від котушок вторинної обмотки зварювальний струм подається на електрод і виріб. У момент підключення первинної обмотки до електромережі (вторинна обмотка розімкнена) встановлюється режим холостого (неробочого) ходу трансформатора. Напруга вторинної обмотки при холостому ході максимальна; її називають напругою холостого ходу. Відношення напруги первинної обмотки до напруги вторинної при холостому ході називають коефіцієнтом трансформації. Він дорівнює відношенню кількості витків первинної обмотки до кількості витків вторинної. Таким чином у трансформаторах знижується напруга з 220 В або 380 до 60-90 В і їх називають знижувальними. Коли під час запалювання дуги коло вторинної обмотки замикається, то встановлюється режим навантаження.
Зварювальний струм регулюють зміною напруги холостого ходу й опором трансформатора.
Плавне регулювання струму можна забезпечити пересуванням рухомих обмострум за допомогою гвинтового механізму 5 (рис. 2.1.) і рукоятки 6, збільшуючи або зменшуючи відстань між первинною або вторинною обмотками. При збільшенні відстані магнітний зв'язок між обмотками зменшується (збільшується індуктивний опір) і, відповідно, зменшується зварювальний струм, а при зменшенні відстані між обмотками — зварювальний струм збільшується. Регулювання струму можна здійснювати за допомогою введення магнітного шунта між обмотками, що збільшить магнітний потік розсіювання і струм зменшиться. Змінюючи розташування шунта забезпечують плавне регулювання зварювального струму. Використовують також і нерухомий магнітний шунт, який підмагнічується обмоткою керування постійного струму. Якщо в цій обмотці струм збільшити, то магнітний опір шунта зросте, магнітний потік розсіювання зменшиться, а зварювальний струм збільшиться.
Змінюючи способи з'єднання обмострум, можна змінювати опір трансформатора ступінчасто. При послідовному з'єднанні первинних і вторинних обмострум опір трансформатора збільшується, а при паралельному з'єднанні первинних і вторинних обмострум загальний опір трансформатора зменшується. Коли використовується одна первинна і одна вторинна обмотки, то опір трансформатора стає рівним індуктивному опору. Таким чином, при зміні з'єднань обмострум, отримують три ступені регулювання, або чотирикратну зміну струму.
Для ручного дугового зварювання використовують трансформатори типу ТД, ТДП, ТСП із рухомими котушками; СТШ, ТДМ — із рухомими магнітними шунтами, а також ТСМ — із намоткою кабеля безпосередньо на кожух трансформатора для регулювання струму. Трансформатори деяких типів оснащують пристроями для зниження напруги холостого ходу із збудником-стабілізатором ВСД і конденсаторами для підвищення коефіцієнта потужності.
Для механізованого зварювання використовують трансформатори типу ТДФ, ТДФЖ із тиристорним регулюванням. Для електрошлакового зварювання застосовують трансформатори типу ГСШ, ТРМК.
ТРАНСФОРМАТОР ЗВАРЮВАЛЬНИЙ ТДМ-401-1 У2
Зварювальний трансформатор ТДМ-401-1 У2 призначений для живлення одного зварювального поста однофазним змінним струмом частотою 50 Гц при ручному дуговому зварюванні, різанні і плавленні металів. Для підвищення електробезпеки при ручному зварюванні трансформатор має пристрій зниження напруги холостого ходу.
Трансформатор ТДМ-401-1 У2 призначений для роботи у районах помірного климату на відкритому повітрі під навісом із дотриманням слідуючих вимог:
висота над рівнем моря не болше 1000 м;
температура навколишнього середовища от 233 К до 313 К (от -40°С до +40°С);
відносна вологість повітря не болше 80% при температуре 293 К С+20°С).
Таблиця 1. Технічна характеристика
|
Параметри |
Норма |
|
Номінальний зварювальний струм |
400 |
|
Номінальна дія навантаження, % |
60 |
|
Частота, Гц |
50 |
|
Номінальна напруга мережі, В |
220 або 380 |
|
Первинний струм розрахунковий, А: При виконанні на 220 В При виконанні на 380 В |
120 70 |
|
Напруга холостого ходу знижена, В не більше Подібне в діапазоні великих струмів,В не більше Подібне в діапазоні малих струмів, В не більше |
12 64 80 |
|
Номінальна вторинна напруга під навантаженням, В |
36 |
|
Вторинна напруга під навантаженням в залежності від величини зварювального струму І>2>, В |
20+0,04І>2> |
|
Межі регулювання зварювального струму: в діапазоні малих струмів, А в діапазоні великих струмів, А |
70 – 200 200 - 460 |
|
Цикл зварювання, хв |
5 |
|
Коефіцієнт корисної дії,% |
84 |
|
Ступінь захисту |
І Р 22 |
|
Маса трансформатора з пристроєм УСНТ-0,6 У2, кг не більше |
158 |
|
Клас ізоляції |
Н |
|
Коди ОКП трансформатора: При виконанні на 220 В 50 Гц код ОКП При виконанні на 380 В 50 Гц код ОКП |
34 4185 1123 34 4185 1124 |
Трансформатор ТДМ-401 1 У2 представляє собою рухому установку в однокорпусному виконанні з природньою вентиляцією, що складається з зварювального трансформатора та обмежувача напруги холостого ходу УСНТ-06 У2 який навішений на кожух.
Трансформатором забезпечується перетворення електричної енергії напруги мережі в електричну енергію, яка потрібна для процесу дугового зварювання.
Режим роботи трансформатора повторно-короткочасний ПК — це відношення дії навантаження до дії цикла зварювання. Дія циклу зварювання дорівнює сумі його періоду й холостого ходу. Залежність допустимих значень ПН від величини зварювального струму показана на рис 2.3.
Під час роботи неможна допускати перевантаження трансформатора.
Кожний трансформатор виконується тільки на одну напругу мережі 220 або 380 В.
010009000003350200000200a80100000000a801000026060f004603574d46430100000000000100e0100000000001000000240300000000000024030000010000006c0000000000000000000000350000006f0000000000000000000000602a0000871c000020454d4600000100240300001300000002000000000000000000000000000000c0120000aa1a0000cb00000021010000000000000000000000000000c0190300c7680400160000000c000000180000000a0000001000000000000000000000000900000010000000020a0000bd060000250000000c0000000e000080250000000c0000000e000080120000000c00000001000000520000007001000001000000a4ffffff00000000000000000000000090010000000000cc04400022430061006c006900620072006900000000000000000000000000000000000000000000000000000000000000000000000000000000000000000000000000000000000000000000000000000000000000000000000000000000000000000000000000000000000000000000000000000000000000bc84110054861100708b9905f08211007c5f6d31548611002000000048831100ffffffff38861100d0831100ec017831488311005486110020000000ffffffff6c3d98056102783101000000000000005802000025000000372e9001cc00020f0502020204030204ff0200e1ffac004009000000000000009f01000000000000430061006c006900620072000000000000000000000000000000000000000000000000007c831100bd4c703107000000ffffffdfb883110068756e31c883110058616232e08311006c3d98056476000800000000250000000c00000001000000250000000c00000001000000250000000c00000001000000180000000c0000000000000254000000540000000000000000000000350000006f0000000100000055558740637b87400000000057000000010000004c000000040000000000000000000000030a0000bd060000500000002000000036000000180000000c0000000000000246000000280000001c0000004744494302000000ffffffffffffffff030a0000be060000000000004600000014000000080000004744494303000000250000000c0000000e000080250000000c0000000e0000800e000000140000000000000010000000140000000400000003010800050000000b0200000000050000000c0217019e01040000002e0118001c000000fb020300010000000000bc02000000cc0102022253797374656d0000000000000000000000000000000000000000000000000000040000002d010000040000002d01000004000000020101001c000000fb02f1ff0000000000009001000000cc0440002243616c6962726900000000000000000000000000000000000000000000000000040000002d010100040000002d010100040000002d010100050000000902000000020d000000320a0e00000001000400000000009e0117012000090005000000090200000002040000002d010000040000002d010000030000000000
Рис. 2.3. Схема електрична принципова
С - фільтр захисту від радіопошкоджень (конденсатори КБГ-И; 0,02 мкФ; Uроб.=600 В); К - перемикач діапазону струмів; W>1> — первинна обмотка, W> 2> – обмотка вторинна;
I-з’єднання обмострум паралельне — великі зварювальні струми;
II — з’єднання обмострум послідовне — малі зварювальні струми
а — для трансформаторів на 220 В;
б — для трансформаторів на 380 В
Трансформатор складається з: магнітопровода-осердя, трансформаторних обмострум.
Трансформатор однофазний стержньового типу. Котушки первинної обмотки, нерухомі і закріплені біля нижнього ярма. Котушки вторинної обмотки — рухомі.
Для ізоляції котушки застосовується склотканина. Позазоною вікна котушки є ізоляційні рейки. Котушки вторинної обмотки намотані на «ребро» голої алюмінієвої шиною марки АДО. Витки вторинних котушок ізольовані скляною стрічкою.
Обмотки від осердя магнітопровода ізольовані пресованими планками.
Обмоткові дані трансформатора наведені у таблиці 2.
Осердя трансформатора набрано з листів електромеханічної стали марки 3413 та виконане безшпилькової конструкції
Таблиця 2
|
Параметри |
Первинна обмотка |
Вторинна обмотка |
|
|
Напруга живлячої мережі (частота 50- Гц), В |
220 |
380 |
- |
|
Число витків в шарі |
2 |
2 |
2 |
|
Разміри головного проводу, мм |
4,0X6,3 |
2,8X5,3 |
4,0X25 |
|
Марка дроту |
АПСД |
АПСД |
АДО |
|
Кількість параллельніх проводів |
1 |
1 |
1 |
|
Перетин витка, мм2 |
24,34 |
14.29 |
100 |
|
Число шарів |
8 |
11 |
1 |
|
Число витків в котушці |
90 |
154 |
26 |
|
Відгалуження |
0.72-90 |
0-126-154 |
0-26 |
|
З’єднання котушок |
Паралельне або послідовне |
||
|
Опір котушок при паралельному з'єднанні при 293 До (+20° С) |
0,0322 |
0.0935 |
0,00202 |
|
Маса обмотки (компл.), кг |
7,84 |
8,04 |
7,46 |
Через верхнє ярмо осердя трансформатора пропущений ходовий гвинт, який вгвинчується в ходову гайку, вмонтовану в обойму рухомих вторинних котушок. При обертанні ходового гвинта, за допомогою рукоятки, що знаходиться зверху трансформатора, переміщуються вторинні котушки и тим самим змінюється відстань між обмотками. Для виключння вібрації рухомих котушок обойма кріплення котушок обладнана плоскими пружинами, які при переміщенні ковзають по магнітопроводу.
Підключення мережних та зварних проводів до трансформатора відбувається через специальні роз’єми, що розміщені з лицьової сторони трансформатора.
Переключення діапазонів струму відбувається перемиканням, рукоятка якого виведена на кришу.
Відлік зварювального струму відбувається по шкалі, що розташована на боковині кожуха. Шкала градуйована для двох діапазонів струмів при номінальній напрузі живлячої мережі та при напрузі U2 = 20+0,04І>2> у вольтах на вихідних зажимах вторинної мережі. Точність показань шкали може знмежах ±7,5% від значень максимального струму, що вказаний на шкалі, та являється орієнтовною як величина зварювального струму залежить від нульового. Тому при необхідності більш точної установки величини зварювального струму повинен застосовуватися амперметр.
Кінці шкали обладнані написами «Стоп», що попереджують про кінець ходу рухомих котушок.
Трансформатор обладнаний фільтром для зниження радіопошкоджень, що створює трансформатор при зварюванні. Фильтр складається з конденсаторів, підключених між кожним зажимом первичної обмотки та кожухом.
Для зручності переміщення трансформатор обладнано ручкою, а для підйому є скоби.
Захисний кожух трансформатора кріпиться гвинтами до візка.
Струм регулюється перемикачем обмоток чим досягається два діапазона регулювання струму, та зміною відстані між первинною і вторинною обмотками, що забезпечує плавне регулювання струму всередині кожного діапазону. Велика напруга холостого ходу має місце при здвинути котушках, меншу — при раздвинутих.
Попарне паралельне з’єднання катушок обмоток дає діапазон більших струмів, а послідовне - діапазон малих струмів. При послідовному з’єднанні невелика частина витків первинної обмотки вимикається, і напруга холостого ходу підвищується. Це добре відбивається на стійкості горіння зварювальної дуги при зварюванні на малих струмах.
3. Підготовка трасформатора до роботи
Перед початком експлуатації новий трансформа потрібно розконсервувати,
Перед першим пуском нового трансформатора, або перед пуском трансформатора, що довгий час не працював, а також при зміні місця установки трансформатора:
а) очистіть трансформатор від пилу або, продуваючи його стиснутим повітрям, у випадку необхідності підфарбуйте пошкоджені місця, попередньо очистивши від іржі та знежиривши;
б) перевірте мегаомметром на 500 В опір ізоляції обмоток трансформатора, який повинен бути не нижче 10 Мом.
г) заземліть трансформатор.
Вмикати трансформатор без заземлення неприпустимо;
д) перевірте стан електричних проводів та контактів;
е) впевнитесь, що кінці робочого кабеля не торкаються один одного; приєднаний електротримач та канець другого робочого провода не торкаються одночасно металевих поверхонь;
ж) поставте перемикач діапазонів струмів на необхідний діапазон. Рукоятку перемикача переводіть з одного крайнього положення в інше, обов’язково до упору;
з) перевірте відповідність напруги мережі напрузі, вказаній на заводскій табличці трансформатора;
и) підключіт зварювальний трансформатор до мережі через рубильник та запобіжники.
Рекомендований переріз мідних ізольованих проводів, підключаючих трансформатор до мережі, а також переріз зварних проводів для трансформатора приведени в табл.3,
Орієнтовний вибір зварювального режиму в залежності від товщини зварювального матеріалу відповідному розміру електрода.
4. Ремонт зварювального устаткування
Зварювальне устаткування є переносною апаратурою і тому при неакуратному поводженні при перевезеннях і переміщеннях, особливо на будівельних майданчиках, утворюються вм'ятини металевих оболонок, кришок, козирків, спостерігаються поломка колес, ручок, забоїни, задирки ходового гвинта, знос деталей і пошкодження інших деталей і елементів.
При роботі на повітрі без відповідного захисту від дощу і снігу, без періодичного просушування пристрою ізоляція обмоток і з'єднань відволожується і останні виходять з ладу. Часті і ненадійні підключення до мережі, бруд і пил приводять до підгорання контактів.

Рис. 4.1. Зварювальний трансформа тор ТД-500:
а - загальний вигляд, б - група рухомої котушки, в - схема, ПД - перемикач діапазонів, 3 - конденсатори (захист від перешкод).
Ремонт зварювального трансформатора ТД-500
Трансформатор, який тривалий час не був у вживанні, а також якщо було змінено місце установки, необхідно очистити від пилу, продувши його сухим стислим повітрям і в доступних місцях протерши чистим, м'яким дрантям. Перевірити мегаомметром на 500 В опір ізоляції обмоток, який повинен бути не нижче 1 Мом. У разі зниження опору ізоляції трансформатор слід просушити обдуванням теплого повітря. Перевірити наявність і цілісність заземляючих контактів. Включати трансформатор без заземлення не дозволяється!
Перевірити стан електричних проводів і контактів і у разі потреби підтягнути останні. Перевірити цілісність конденсаторів фільтру захисту від радіоперешкод. Перевірити і у разі потреби очистити контакти і ізоляційні частини перемикача діапазону струму ПД від пилу і нальоту. Контактні поверхні перемикача після очищення змастити мастилом ЦИАТІМ-201. Частини, що все труться, - ходовий гвинт 2, подпятники перемикача, поверхні магнітопровода в місцях ковзання плоских пружин рухомих котушок 5 - кожні 6 місяців слід змащувати тугоплавким універсальним мастилом УТ-1.
Найчастіше при експлуатації ушкоджуються обмотки трансформатора 4 і 5 (первинна ОП, вторинна ОВ). Виткове замикання і пошкодження ізоляції між обмотками і корпусом супроводжуються сильним перегрівом трансформатора, підвищеним гудінням і великою величиною струму холостого ходу. Причиною гудіння трансформатора може бути також ослаблення болтів 6 і 7, що стягують осердя 3, ослаблення гвинтів, що кріплять кожух, порушення кріплення осердя і механізму переміщення котушок. Пошкодження ізоляції в місцях проходження шпильок, порушення ізоляції між листами осердя або порушення контакту в з'єднаннях приводять до місцевих перегрівів.
В більшості випадків для усунення вказаних вище пошкоджень потрібне повне або часткове розбирання трансформатора, яке виконується в такій послідовності: відключити трансформатор від мережі; вивернути гвинти кріплення і зняти рукоятки механізму регулювання і перемикача; вивернути болти кріплення і сняти кожух; зняти перемикач діапазонів струмів; зняти струмовказівний механізм. Якщо необхідно зняти ходовий гвинт, треба вивернути гвинти, що кріплять траверсу з кутником, що стягує осердя магнітопровода. Обертаючи рукоятку (тимчасово надітою), вивернути ходовий гвинт 2 з ходової гайки обойми 10 і разом з траверсою 8 вийняти з трансформатора. Щоб зняти котушки обмотки, скріплені бандажами 9, необхідно розібрати верхнє ярмо осердя.
При незначних пошкодженнях ізоляцію обмоток відновлюють без знімання котушок з осердя. При значних пошкодженнях, наприклад при вигоранні ізоляції декількох витків, котушки слід виготовити знов, користуючись заводською документацією. Пружини струмопровідних шин, що лопнули, замінюють. Вм'ятини кожуха, зрив різьблення і інші механічні пошкодження усувають.
Збирати трансформатор слід в порядку, зворотному розбиранню. Після збірки трансформатор необхідно випробувати відповідно до ГОСТ 95-77Е. Відсутність пошкоджень і деформацій деталей перевіряють зовнішнім оглядом. Опір ізоляції обмоток на корпусі і між обмотками повинен бути не менше 2,5 Мом. Електричну міцність ізоляції обмоток трансформатора відносно корпусу і між обмотками перевіряють змінним струмом напругою 2500 В протягом 1 м; міжвиткову ізоляцію перевіряють змінним струмом при частоті 50 Гц протягом 1 м.
Ремонт зварювального перетворювача ПСГ-500-1УЗ. Перетворювач (Рис.30, а) складається з генератора, асинхронного двигуна і розподільного пристрою з пускорегулюючою і контрольною апаратурою і ходовою частинами.
За допомогою роз'єму 1 (Рис.30, б) асинхронний двигун перетворювача приєднується до мережі змінного струму. Вимикачем 8 двигун 7 включається в роботу. Подстроєним опором 3 встановлюється режим роботи генератора 6. Регулювальним реостатом 10 регулюєтьсяся зварювальний струм. Від колодки затисків 2 генератори подається живлення до зварювального поста. Вольтметр 9 контролює напругу зварювання.
Перед включенням в роботу оглядають преобразователь з метою виявлення і усунення випадкових пошкоджень; контакти заземлення; болтові з'єднання і струмо-провідні частини, які у разі ослаблення підтягують. Колектор генератора повинен бути покритий політурою.
У разі виявлення на колекторі слідів нагару необхідно встановити причину їх виникнення, 8 колектор прошліфувати дрібнозернистою пресованою пемзою або дрібним скляним папером, натягнутим на деревяний брусок.
Список використаної літератури
1. Принц М.В., Цимбалістий В.М. Трансформатори. Монтаж, обслуговування та ремонт.
2 Вернер В.В. Електромонтер-ремонтник: Учеб. для профессион. обучения рабочих на производстве.
Атабеков В.Б. Монтаж злектрических сетей и силового злектрооборудования:
Учеб. для сред. проф.-тех. училищ. - 4-е изд., испр. - М.: Вьюш. шк., 1985. -176 с, ил. - (Профтехобразование).
Корнилов Ю.В., Бредихин А.Н. Слесарь-злектрик: Учеб. пособ. для СПТУ. 2-е изд., перераб. и доп. - М.: Вьюш. шк., 1988. - 256 с: ил.
Родштейн Л.А. Злектрические аппаратьі: Учебник для техникумов. - 4-е изд., перераб. и доп. - Л.: Знергоатомиздат. Ленингр. отд-ние, 1989. -304 с: ил.