Замкнутые системы управления
ЗАМКНУТые СУЭП
В замкнутой СУЭП (или системе с отрицательной обратной связью) управление U(t) формируется в зависимости от отклонения управляемой переменной у(t) от задающего воздействия x(t).
U(t)=f[x(t)-y(t)]=f[(t)].
Точность стабилизации координаты оценивается отклонением ее от заданного значения под действием возмущающего воздействия.
Во многих промышленных механизмах системы регулирования предназначены для стабилизации с заданной точностью скорости и момента М электродвигателя и связанного с ним рабочего механизма при действии на систему различного рода возмущений. Одним из основных возмущающих воздействий, влияние которого должно быть скомпенсировано системой является момент статического сопротивления М>с>(t) на валу ЭД.
Регулирование скорости с высокими статическими и динамическими свойствами в настоящее время проектируются с помощью одно- и многоконтурных систем с различными видами обратных связей.
В одноконтурных системах применяются следующие обратные связи: отрицательная по скорости, отрицательная или положительная по току и отрицательная по напряжению;
В двухконтурных системах - сочетание перечисленных обратных связей одноконтурных систем.
По структуре замкнутые СУЭП выполняются трех видов:
с общим сумматором;
с независимым регулированием параметров;
системы подчиненного регулирования.
Система с общим сумматором

Рис. 1
В системе для регулирования параметров используется непрерывное и задержанное (с отсечками) ОС.
Все сигналы суммируются с задающим сигналом Uз на входе усилителя У, который служит для повышения коэффициента усиления системы.
Такие системы обычно используют для регулирования одного параметра (скорости).
Настройка качеств регулирования осуществляется компромиссно для разных параметров. Независимая настройка каждого параметра невозможна.
Система с независимым регулированием

Рис.2
Каждому параметру соответствует свой регулятор Р>1>-Р>n> и свой сигнал задания ( U>з1>...U>зn>) .В такой системе в каждый момент времени регулируется только один параметр. Это обеспечивает логическое переключающее устройство ЛПУ , которое подключает на вход системы выход регулятора воздействие которого в данный момент является определяющим .
Система подчиненного регулирования

Рис. 3
Регулирование параметров осуществляется последовательно. Каждому регулирующему параметру соответствует свой регулятор . Задающий сигнал каждого последующего регулируемого параметра соответствует выходу предыдущего регулятора.
Поэтому регулирование каждой координаты подчинено регулированию предыдущей. Эта система позволяет настраивать каждый параметр отдельно начиная с внутреннего.
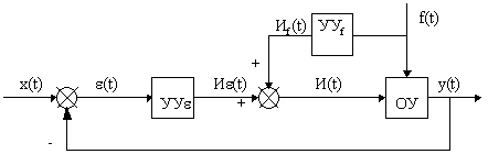
КОМБИНИРОВАННАЯ СУЭП (замкнуто-разомкнутая)
Управление U(t) формируется в зависимости как от отклонения (t), так и от внешних воздействий x(t), f(t).
U(t) = f[(t), x(t), f(t)]
Комбинированные системы различают по виду используемых внешних воздействий на системы:
- с разомкнутой цепью управления по возмущающему воздействию; (рис.4)
- с разомкнутой цепью управления по задающему воздействию. (рис. 5)


Рис. 4
U(t) = U>>(t) + U>f>(t)
Комбинированную СУЭП с разомкнутой цепью по возмущающему воздействию; применяют при действии интенсивной помехи.



Рис. 5
U(t) = U>>(t) + U>x>(t)
Комбинированная СУЭП с разомкнутым каналом по управляющему воздействию, применяется для улучшения отработки задания. Улучшенные точность и быстродействие есть результат совместной работы грубой разомкнутой и точной замкнутой систем управления.
Проектирование САУ ЭП с заданными показателями качества
Главное требование к САУ ЭП - обеспечение заданных статических и динамических характеристик, при которых работа ЭП удовлетворяет требования техпроцесса. Основное требование к системе управления - обеспечение допустимого значения ошибки управления (t) = х(t)-y(t) в установившихся и переходных режимах, что определяется статическими и динамическими характеристиками САУ ЭП.
Статическая характеристика замкнутой СУЭП - зависимость регулируемой переменной от основного возмущающего воздействия f>1> при постоянном задающем воздействии X и при отсутствии других возмущающих воздействий. Статическая характеристика может иметь несколько участков разной формы, каждый из которых соответствует определенным структурам и параметрам системы (рис. 6).

Рис. 6
I- участок стабилизации скорости, CУ с отрицательной обратной связью по скорости.
II- участок стабилизации момента, СУ с О.О.С. по моменту сопротивления.
Данная статическая характеристика имеет два участка I и II, каждому из которых соответствует определенная структура СУЭП.
Статизм системы определяет точность работы системы в установившемся режиме.
,
где
-
статизм, обусловленный задающим
воздействием,
-
статизм, обусловленный возмущающим
воздействием,
X- заданное значение установившейся регулируемой величины,
Y>1>- установившееся значение регулируемой величины, соответствующее возмущающему воздействию f>1>,
Y>о>- установившееся значение регулируемой величины при f>1>=0.
Определим, как зависит величина S>x> и S>f> от параметра К - коэффициент передачи системы.

Рис.7
f>1>
= 0; >о>
= Х-Y>o>;





Рис. 8
f>1 >
0; >1>
= X- Y>1>
;


учитывая, что Y>01> = Y>1> + Y>1Р>, определим:

тогда:
где

Рис. 9
Y>1>- падение значения регулируемой переменной в замкнутой системе под действием возмущения f>1> (Рис. 9);
Y>1Р>- падение регулируемой переменой в разомкнутой системе при действии f>1>;
Y>o>- значение регулируемой переменной при f>1>=0 по характеристике замкнутой системы;
Y>01>- значение регулируемой переменной при f>1>=0 по характеристике разомкнутой системы, проходящей через точку (Y>1>;f>1>) характеристики.
Следовательно: величины S>x> и S>f> обратно пропорциональны величине К, а S>f>, кроме этого, зависит от величины задания Х, т.е. максимален на нижнем диапазоне регулирования при Х=Х>min>.

Рис. 10
Динамическая характеристика замкнутой СУЭП отражает поведение системы в переходном процессе (п/п) пуска, торможения, регулирования скорости, наброса и сброса нагрузки, т.е. при изменении задающего или возмущающего воздействия. При исследовании системы применяют воздействие в виде скачка: x(t) = X (t) и f>1>(t) = F>1>(t), где (t)- единичная ступенчатая функция.
Прямые показатели качества:

Рис 11
Быстродействие- продолжительность п/п, т.е. длительность t>п/п> до условно установившегося значения регулируемой переменной, когда ее отклонение не превышает a (3 5% от установившегося значения) т.е.
(Y(t)- Y)/(Y- Y>нач>) a.
От быстродействия зависят: динамическая ошибка в системе стабилизации при набросе нагрузки, точность в системах следящих и программного управления. Быстродействие системы ограничивается перегрузочной способностью двигателя, di/dt, допустимым ускорением механизма.
Перерегулирование
-
отклонение величины max превышения
регулируемого параметра над установившемся
значением к величине приращения ее
установившейся величины. Обычно >доп.
>
18
30%, иногда >доп.>=
0 (привода подачи станков).
Число колебаний регулируемой величины за время t>п/п>- определяет демпфирование колебаний в системе. Обычно число колебаний не более трех для избежания резонанса в ЭП.
Для систем, работающих в режиме пуска торможения, оптимальным по быстродействию будет трапецеидальный график изменения крутящего момента ЭД (при Мс = 0). Время переходного процесса будет минимально, если п/п будет происходить при :
Мmax = Мmax>доп>;
dМ/dt = мах доп., соответствует >доп.> (рис. );
Мmax>доп> и >доп> (допустимое ускорение) определяются перегрузочной способностью двигателя, механизма передачи, технологическими характеристиками.
Формирование требуемых переходных процессов производится за счет линейных законов изменения или формирования сложных зависимостей задания Х(t) для нескольких контуров регулирования.
Проектирование СУЭП с заданными показателями качества невозможно без анализа и исследования модели САУЭП. Моделью может быть реальное техническое устройство и абстрактное математическое описание, т.е. различают моделирование физическое и математическое. В основу физического моделирования положено изучение процессов на моделях одной физической природы с оригиналом. Математическое моделирование основано на тождественности дифференциальных уравнений, описывающих процессы в оригинале и функциональные зависимости между выходными величинами на модели. Математическое моделирование позволяет прогнозировать динамические характеристики реальной системы при свойственных ей внешних воздействиях, определить показатели качества системы и их соответствие заданию. Математическое моделирование реализуют на ЭВМ. Машинное моделирование наиболее широко применяется в форме структурного моделирования.
Математическая модель при структурном моделировании представляет собой систему дифференциальных уравнений, каждое из которых представляет элементы САУЭП: преобразователь, якорную цепь двигателя и его механическую часть, регуляторы, цепи обратных связей и другое. Составлять математическую модель удобно на основании структурной схемы для исследования динамики СУЭП. При составлении дифференциального уравнении, описывающего звено ЭП, учитываются его статические и динамические характеристики: коэффициент передачи звена, постоянные времени.

Рис. 12
Тиристорный преобразователь в динамике представляет сложное нелинейное звено, что связано с его неполной управляемостью. Частота управления ограничена
>к> = m>o>/2,
где
>о> = 2f>с>; f>с> = 50 Гц; m- число фаз. (рис. 12).
СИФУ - система импульсно-фазового управления тиристорами;
СВП - собственно вентильный преобразователь.
При безинерционном СИФУ передаточная функция ТП,
W>тп>=е(Р)/Uу(Р)=К>п>е-р- импульсное звено чистого запаздывания; где
- среднестатическое запаздывание: =1/Р>п>f>c>;
Р>п>- число пульсаций за период;
f>с>- частота сети.
Импульсное звено чистого запаздывания аппроксимируется апериодическим звеном:

где

Если на входе СИФУ находится
фильтр (апериодическое звено) для
уменьшения помех с постоянной времени
Т>ф>,
передаточная функция ТП примет вид:

Дифференциальное уравнение, описывающее зависимость между Е>п> и U>у> ТП:

К>п>- статический коэффициент передачи ТП. В зависимости от вида опорного напряжения СИФУ К>п> может быть постоянной или переменной величиной. (рис. 13).


Рис. 13
При синусоидальном опорном напряжении статическая характеристика ТП линейная, т.е. К>п> = const. При пилообразном опорном напряжении статическая характеристика нелинейна. Такой ТП моделировать сложнее. Внутренне сопротивление и индуктивность силовой цепи ТП учитываются в эквивалентных параметрах якорной цепи двигателя, питаемого от ТП.
В оптимизированных замкнутых системах Т>п> принимают за некомпенсированную постоянную времени Т>>=Т>п>=(320) мс.
Генератор постоянного тока

ПД-приводной двигатель;
ГПТ-генератор постоянного тока;
ОВГ-обмотка возбуждения генератора;
U>г>-напряжение на зажимах генератора;
U>вг>-напряжение ОВГ.
Передаточная функция, описывающая генератор постоянного тока:
,
где U>г >-
коэффициент усиления генератора:

;
U>гн>-номинальное напряжение;
T>вг >- постоянная времени ОВГ,
;
R>вг>,L>вг >- сопротивление и индуктивность ОВГ.
В случае использования
генераторов с несколькими обмотками
его постоянная времени:

T>вгi >- постоянная времени i-ой обмотки.
Аналогично рассматриваются параметры других звеньев СУЭП.
Cтруктурное представление ЭП постоянного тока. Передаточные функции по управляющему и возмущающему воздействию.

Рис. 14
Считая, что ТП-безинерционный
элемент

,
система уравнений, описывающая ЭП имеет
вид:
,
.
Коэффициенты передачи по ЭДС и моменту в системе СИ одинаковы, поэтому будем их обозначать как –КФ
,
.
Запишем уравнения в операторной форме
,
,
где
.
Выразим из 1-го уравнения ток
,а из 2-го -скорость, разделим 1-е уравнение
на
и
обозначим:
,
,
тогда
,
.
Получим передаточные функции между напряжением и током и между моментом и скоростью.

Рис. 15

Рассмотрим передаточную функцию всей системы по управляющему воздействию


=
.
,
-
коэффициент передачи ЭП по управляющему
воздействию .

Рис. 16
Рассмотрим передаточную функцию по возмущающему воздействию

при U>п >= 0


Характер переходного процесса по управляющему воздействию определяется корнями характеристического уравнения
Т>м>Т>э>p2+T>м>p+1=0.
- корни уравнения будут вещественными отрицательными при Т>м><4T>э>- апериодический характер ПП;
- корни комплексные сопряженные
при
-колебательный
характер ПП.
Числитель передаточной функции по возмущающему воздействию представляет собой параллельно включенное дифференциально-пропорциональное звено. Наличие дифференциальной составляющей повышает динамичность ПП.
С учетом W>ув>(p) и W>вв>(p) структурная схема ЭП может быть представлена в виде

Рис. 17

Рис. 18
Или в статике при р=0
т.е.
.
уравнение механической характеристики.
Методы исследования устойчивости.
Создание замкнутых систем требует решения следующих задач:
1.Определение факта динамической и запаса устойчивости.
2.Синтез корректирующих устройств, т.е. придание систем заданных динамических показателей.
Алгебраические методы.
Введение ОС изменяет структуру системы, оказывая влияние на ее устойчивость и характер переходного процесса по сравнению с разомкнутой системой.
Передаточная функция разомкнутой системы в общем виде может быть представлена

Динамические характеристики замкнутой системы зависят от порядка характеристического полинома Р(р) .
Например, для инерционного звена охваченного отрицательной обратной связью увеличивается свободный член в полиноме знаменателя
,
.
Для звена охваченного положительной обратной связью
.

Рис. 19
C увеличением k>c >уменьшается коэффициент усиления замкнутой системы.
Кривая 1 пройдет ниже-2.
В зависимости от kk>c >возможны три случая :
1. kk>c><1.Передаточная функция соответствует апериодическому звену.
2. kk>c>=1. Передаточная функция соответствует интегрирующему звену
- прямая 3.
3. kk>c>>1. Корень уравнения положительный. Система неустойчива-4.
Разомкнутая САУ с характеристическим полиномом 2-го порядка соответствует колебательному звену. Передаточная функция замкнутой системы также колебательное звено. Корни уравнения:
;
.
-разомкнутая
;
-замкнутая
.
Из условия для разомкнутой системы получим
,
для замкнутой
,
с ростом kk>c> увеличивается склонность к колебательному процессу.
Однако при любых kk>c> замкнутая система остается устойчивой, т.к. у обоих корней вещественная часть отрицательная.
Этот метод анализа называется корневым методом.
Критерий Гурвица.
Согласно критерию замкнутая система устойчива если
,
.
Этот критерий позволяет определить факт устойчивости: главный определитель и его диагональные миноры должны быть >0.
3. В системах высоких порядков, при большой Т>ос> могут возникнуть колебания. Это можно исследовать по диаграмме Вышнеградского.
Из характеристического уравнения 3-го порядка определим координаты M,N.

p3+b>1>p2+b>2>p+b>3>=0
;

1-монотонный процесс
2-сходящийся колебательный
3-монотонный колебательный
4-неустойчивая область
Частотные методы.
1.Найквиста - позволяет судить об устойчивости замкнутой системы по АФХ разомкнутой. Соответственно передаточная функция разомкнутой системы заменяется p jи строится АФХ на комплексной плоскости. Если АФХ не охватывает точку (-1; j0) то замкнутая система устойчива.
2.Михайлова – определяет устойчивость замкнутой системы. Система устойчива, если при увеличении от до конец вектора на комплексной плоскости опишет кривую, которая начинается на (+)-й части вещественной оси и последовательно обойдет против часовой стрелки n-квадратов, где n – порядок характеристического уравнения.
3.Метод вещественно-частотной характеристики и ЛАЧХ.
Методы графические и графо-аналитические (методы Башарина и Суворова), методы цифрового и аналового моделирования.
СИСТЕМЫ АВТОМАТИЧЕСКОГО РЕГУЛИРОВАНИЯ С
СУММИРУЮЩИМ УСИЛИТЕЛЕМ
Упрощенная принципиальная схема регулятора ЭП постоянного тока с отрицательной обратной связью по напряжению, току и скорости на рисунке 20.

Рис. 20
На рисунке приняты следующие обозначения:
М- ДПТ с независимым возбуждением;
ТП- тиристорный управляемый преобразователь;
УС- сумматор-инвертор на базе УПТ с коэффициентом усиления 1;
УК- корректирующее устройство на базе УПТ;
Rш- шунт датчика тока;
Rп- делитель напряжения (датчика напряжения);
ТГ- тахогенератор;
ДТ, ДН, ДС- датчики тока, напряжения, скорости (усилитель, преобразователь, фильтр).
СУЭП строятся на типовых элементах УБСР: УБСР-А (аналоговые), УБСР-Д (дискретные), УБСР-АИ, УБСР-ДИ (с интегральными составляющими в регуляторах).
В состав УБСР входят источники питания, задатчики входных сигналов, датчики измерения регулируемых параметров, усилители, корректирующие устройства КУ, гальванические развязывающие устройства; устройства защиты УЗ, устройства коммутации, устройства логики УЛ и т.д. Основной элемент аналоговой серии УБСР-АИ является УПТ (операционный усилитель) на микросхемах К553УД2 и К140УД7.
К140УД7 - операционный усилитель с внутренней коррекцией АЧХ,
коэффициент усиления - К>у>=(23)104;
напряжение питания - U>пит> 15В;
входное напряжение - U>вых> = 10В.
УС - операционный усилитель для суммирования задающего сигнала U>3> и сигналов обратной связи: U>от>, U>он>, U>ос>.
Если R>3> = R>c> = R>н> = R>т> + R>ос>, коэффициент усиления равен 1.
U =U>3> - U>он> - U>от> - U>ос>.
УК- операционный усилитель, может выполнять функцию:
инвертора напряжения, если Z>вх >= Z>ос> = R;
усилителя напряжения с К = R>ос>/R>вх>, если Z>ос> = R>oc>, Z>вх> = R>вх>; R>oc> R>вх>;
корректирующего устройства, структура и параметры которого определяются характером комплексных сопротивлений Z>вх> и Z>oc>.
В этом случае КУ может быть интегральным, дифференциальным, пропорционально- интегральным регулятором и т.п.
Датчики: для получения сигналов обратных связей.
Основные четыре вида датчиков: скорости, напряжения, тока и положения. Датчики момента, усилия, мощности получают путем соответствующей обработки сигналов датчиков тока и напряжения.
Датчики скорости: аналоговые и дискретные.
Аналоговые - тахогенераторы постоянного тока (серии ПТ) и переменного тока (серии ТТ).
Дискретные - модуляция источника света на фотоприемник.
Датчики тока и напряжения должны обеспечить гальваническую развязку сигнала обратной связи от силовой цепи. Датчики системы УБСР обеспечивают гальваническую развязку до 1000В, а датчики тока и магнитного потока, использующие эффект Холла - несколько тысяч вольт. Сигнал на ДТ снимается с шунта или трансформатора тока, на ДН- с делителя напряжения. Сигнал усиливается, выпрямляется (после демодуляции в устройстве гальванической развязки) и фильтруется (RС- фильтр).
Пример датчиков тока и напряжения производства ХЭМЗ:
ДТ- ЗАИ и ДН- 2АИ.
ДТ подключается к шунту, сигнал гальванически развязан, Uвых=10В; Кус=35- 135 погрешность менее 1%; на выходе RС фильтр с постоянной времени >ф> = 2мс.
Командные устройства:
Бесконтактные сельсинные командоаппараты с ручным приводом - для ввода задания.
Тип СКАЗ- 41, U>пит> = 110В, f=50Гц, U>вых> снимается с роторной обмотки; угол =60о.
Задатчик скорости - для систем автоматического регулирования скорости.
Блоки задания скорости: БЗС - на базе б/к сельсина БД- 404, связано с исполнительным двигателем РД- 09. Угол поворота задается микровыключателями.
БЕШД - б/к сельсин с приводом от шагового двигателя через редуктор.
БСР - задатчик скорости реостатного типа с приводом от РД-09 через редуктор. Интенсивность роста задающего напряжения задается заменяемым редуктором с различными коэффициентами передачи. На выходе сельсинов устанавливается фазочувствительный усилитель ФВ-1АИ с U>вых>=10В.
Реализация регуляторов.
Регуляторы в системе неподчиненного регулирования строятся на базе ОУ, которые имеют специальные свойства:
-выход усилителя инверсный по отношению ко входу.
-ОУ может и должен работать в условиях действия глубоких ОС, вплоть до закорачивания вход/выход.
П - регулятор.

.

Рис. 21
И - регулятор.

Д - регулятор.

Рис. 22
выходной сигнал - импульс амплитуды и длительности.

Является источником высокочастотной помехи.

Рис. 23
ПИ - регулятор.

где К>п>- коэффициент усиления пропорциональной части ПИ-регулятора;

Т>и>- постоянная времени интегральной части;
.

Рис. 24
ПИД - регулятор.
Передаточная функция звена будет иметь вид:
.
Апериодический регулятор.


Тогда
- апериодическое звено;
Т>о>=С>ос>R>oc>;
или> >
>
.
>
> >
Реализация сложных регуляторов по их передаточным функциям.
Сложный регулятор - регулятор, который не может быть реализован на одном ОУ.
>
>

Рис. 25
>
>
> >
Регулятор скорости с отрицательной обратной связью по скорости
Рассмотрим статические и динамические характеристики регуляторов скорости с различными видами обратных связей. При этом понимаем, что все элементы , образующие систему , являются линейными стационарными .
Структурная схема системы регулирования скорости с обратной связью по скорости представлена на рис.10-3

На структурной схеме (Рис.10-3.) приняты следующие обозначения:
R(Р)- передаточная функция регулятора;
-
датчик скорости;
Т>с> - постоянная времени фильтра;
K>c>- коэффициент передачи обратной связи по скорости;
K>п>, Т>п>- коэффициент усиления и постоянная времени тиристорного преобразователя;
Т>э>, Т>м> - электромагнитная и электромеханическая постоянная времени двигателя;
;
R>э> и L>э>- эквивалентные сопротивления и индуктивность якорной цепи;
1/К>д>=C- внутренняя отрицательная обратная связь по ЭДС двигателя,
C- постоянная двигателя при Ф=const. C=кф;
Т>э>=L>э>/R>э>;
J-момент инерции двигателя с рабочей машиной.
Статический регулятор скорости
Регулятор пропорционального типа с коэффициентом передачи К>р>.
Определение статических характеристик:
=f(U>3>); =f(>cт>), т.е. зависимости скорости от задающего и возмущающего воздействия.
Преобразуем структурную схему: вынесем возмущение >ст> из замкнутого контура, затем преобразуем замкнутый контур двигателя в динамическое звено без обратной связи (Рис. 10-4.).

Положив в полученной схеме р=0,что
соответствует установившемуся режиму
получим
:

где К=К>р>К>п>К>с>К>д>- коэффициент усиления разомкнутой системы;
В разомкнутой системе :
>ор> = К>р>К>п>К>д> U>3> -скорость идеального холостого хода;
>р> = К>д>R>э>>с>-падение скорости;
следовательно: >03> = >ор>/(1+К); >3с> = >р>/(1+К).
На рис. представлены статические характеристики
а)
при I>С>=0;
в)
при
.

Т.к. в прямой цепи замкнутого контура системы нет идеального интегрирующего звена, рассматриваемая система является статической как по возмущающему (>с>), так и по управляющему (U>3>) воздействиям и имеет статические ошибки по этим воздействиям.
Определим статическую ошибку по
возмущающему воздействию >с>.
т.е. выражение для >>
совпадает с величиной падения скорости
в замкнутой системе.

Рисунок 10-6- статическая характеристика >> = f(c).
Характеристика построена для >03>=const для различных коэффициентов усиления К2>К1>0.
Статическая ошибка по возмущающему воздействию прямо пропорциональна величине нагрузки, характеризуемой с, и обратно пропорциональна коэффициенту усиления К.
Статическая ошибка по управляющему воздействию U>3>


U>>>о>- статическая ошибка по управляющему воздействию замкнутой системы при >с> = 0,
U>>- приращение статической ошибки, обусловленное >с>.
U>> увеличивается с возрастанием нагрузки >с> Рис. 10-7.
При К= U>>=0.
Динамические характеристики:
для оценки влияния отрицательной обратной связи по скорости, типа и параметров регулятора на свойства регулятора скорости сравним передаточные функции (п.ф.) разомкнутых и замкнутых систем регулирования W.
Примем Т>с> и Т>п> равными 0 ввиду их малости по сравнению с Т>э> и Т>м>. Передаточная функция системы по управляющему воздействию:
.
Линейная стационарная система второго порядка всегда устойчива. Предельный коэффициент усиления К>пр> = . Качество переходного процесса полностью определяется относительным коэффициентом демпфирования и собственной частотой колебания >о> (при = 0).
Собственная частота >о> характеризует быстродействие системы; чем больше >о>, тем быстрее затухает переходной процесс.
Для разомкнутой системы :


При <1- переходной процесс колебательный затухающий.
При >1- переходной процесс апериодический.
При =0- незатухающие гармонические колебания.
-коэффициент демпфирования.
Передаточная функция замкнутой системы по управляющему воздействию

Для замкнутой системы:


То есть, жесткая отрицательная обратная
связь по скорости увеличивает >о>
и уменьшает >3>
в
раз. Значит с ростом К возрастает скорость
затухания и уменьшается колебательность
(перерегулирование) переходного процесса.
Жесткая отрицательная обратная связь
по улучшает
устойчивость, т.к. уменьшается Т>м>
и Т>э>Т>м> в (1+К) раз. Аналогично
исследуются переходные процессы,
обусловленные действием нагрузки в
виде ударного приложения Мс (или >с>
= К>д>М>с>) к валу двигателя.
Переходная функция замкнутой системы по возмущающему воздействию:


где I>д>, M>д>- динамические ток и момент.
Если Р=0 (установившийся режим) >д> = >с> ;

М>д> =М>с>.

На кривых переходного процесса = f(t) и
М>д> = f(t) (Рис. 10-8.) наибольшее отклонение скорости >дин> от ее начального значения называют динамическим падением скорости, а статическую ошибку >>- статическим падением скорости.
Отклонение
характеризует перерегулирование по
скорости, а отношение М>д>/М
>дуст> - по моменту.
АСТАТИЧЕСКИЙ РЕГУЛЯТОР СКОРОСТИ
Рассмотрим характеристики САР скорости с ПИ- регулятором. Структурная схема аналогична рассмотренной ранее для статического регулятора скорости, передаточная функция регулятора:

Передаточные функции разомкнутых и замкнутых систем по управляющему воздействию.


где К>v>=К>п>К>д>К>с>/>о> - коэффициент усиления разомкнутой системы по .
Из структурной схемы и передаточной функции следует, что регулятор скорости является астатической системой с астатизмом первого порядка, как по управляющему, так и по возмущающему >с> воздействиям. Следовательно: статические ошибки >> и U>> равны нулю, однако устойчивость системы ухудшается, т.к. интегратор вносит фазовый сдвиг в замкнутый контур- 90о на всех частотах. Это так же следует из выражения для предельного коэффициента системы.
К>vпр> = 1/(Т>э>- >R>);
т.е. К>vпр> имеет предельное значение. Оптимальное значение постоянной времени регулятора с точки зрения устойчивости >Rотп> = Т>э>. В этом случае К>vпр> = .
Регулятор скорости с отрицательной обратной связь по току.
На рис представлена структурная схема САР с обратной связь по току.

К>т>/(Т>т>+1)- датчики тока$;
К>т>- коэффициент передачи ОС по току;
Т>т>- постоянная времени фильтра/
Преобразуем структурную схему на рис к виду рис

Учитывая, что в статическом режиме р=0, >д> = >с>
,
(+)- при положительной обратной связи по току.
(-)- при отрицательной обратной связи по току.
Скорость идеального холостого хода в замкнутой и разомкнутой системах одинакова.
,
где >р> = >с>R>э>К>д>- падение скорости в разомкнутой системе.
При К>т>=0, >зт>=>p>>т>
На рис приведены статические характеристики =f(I) для положительной а) ,
и для отрицательной б) ОС при U>з>= const
К>т>=0соответствует характеристике разомкнутой системы

При положительной обратной связи по току возможны три режима работы ЭП :
- режим недокомпенсации,
когда

В этом случае с ростом нагрузки скорость уменьшается.
режим полной компенсации:
и
>3> = 0,
т.е. с изменением нагрузки = const,
режим перекомпенсации:

с ростом нагрузки скорость возрастает. Указанные режимы могут иметь место при К>т> = const и при изменении К>р>
При отрицательной обратной связи по
току
всегда, падение скорости под нагрузкой
больше, чем в разомкнутой системе.
Поэтому отрицательная обратная связь
по току в регуляторах скорости применяется
только в сочетании с отрицательной
обратной связью по скорости.
Передаточные функции по задающему воздействию разомкнутой W(p) и замкнутой Ф(p) систем:


-для
разомкнутой системы;
-
для замкнутой системы;
т.е. >03>=>ОР>
Здесь «-» cоответствует положительной обратной связи по току;
«+» cоответствует отрицательной обратной связи по току;
При положительной обратной связи по току в режиме недокомпенсации система устойчива;
в режиме перекомпенсации система не устойчива;
в режиме компенсации система находится на границе устойчивости.
При отрицательной обратной связи система всегда устойчива.
Характер переходного процесса в системе зависит от коэффициента >3> и >03.> Так как >ор> = >03>, скорость затухания переходного процесса в замкнутой и разомкнутой системах одинакова. Если принять >р> = 1, тогда в режиме:
недокомпенсации
>3><1; переходной
процесс затухающий;
компенсации
>3>=0;- гармонические
незатухающие колебания;
перекомпенсации
>3><0; переходной
процесс расходящийся.
В системе с отрицательной обратной связью по току >3>>1; переходной процесс апериодический.
Хотя в режиме недокомпенсации система устойчивости, регулятор скорости в таком режиме самостоятельно практического применения не получил; он широко используется совместно с отрицательной обратной связи по скорости в системах с повышенными требованиями к жесткости статической характеристики.
Регулятор скорости с отрицательной обратной свзью по напряжению

Для установившегося режима составим структурную схему (Рис. 10-14.).
В данном случае имеем систему стабилизации напряжения, подводимого к якорю ДПТ. Полагая выходным сигналом напряжение U>д>, находим:
,
где Uдо - напряжение на входе ДПТ при >с> = 0
-
падение напряжения в ТП в замкнутой
системе при >с>
> 0.
U>др>- падение напряжения в ТП в разомкнутой системе;
R>п>- внутреннее сопротивление ТП;
К>н>- коэффициент обратной связи по напряжению.
U>з> выражения для U>дз> и U>др> видно, что падение напряжения в замкнутой системе при одинаковых >с> в (1+К>р>К>п>К>н>) раз меньше, чем в разомкнутой; замкнутая система обеспечивает стабилизацию напряжения U>д>, компенсируя падение напряжения в силовой цепи преобразователя. Величина U>дз> является статической ошибкой по возмущению. При К = имеем идеальный источник питания неограниченной мощности и статическая характеристика регулятора будет представлять естественную характеристику ДПТ НВ (К = К>р>К>п>К>н>).
В общем случае статическая характеристика регулятора скорости:

Следовательно: обратная связь по напряжению не может быть использована для стабилизации ЭП. Обычно она используется в регуляторах в сочетании с другими видами обратных связей.

Динамические характеристики замкнутой системы авт. регулирования с отрицательной обратной связью по напряжению такие же как и в разомкнутой системе, т.е.
