Изготовление вала-шестерни
Содержание
1 Назначение и техническое описание детали
2 Отработка конструкции детали на технологичность
3 Выбор заготовки и обоснование выбора
4 Назначение допусков, формирование минимальных припусков
5 Выбор технологических маршрутов обработки детали
6 Теоретический анализ технологических вариантов изготовления детали. Назначение операционных размеров и допусков
7 Выбор оптимального технологического маршрута обработки
Список использованной литературы
1. Назначение и техническое описание детали
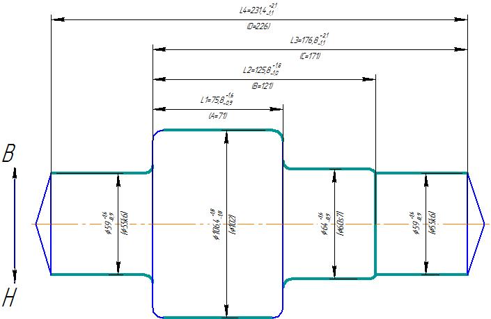
Данная деталь “Вал-шестерня” представляет собой тело вращения и относится к классу валов. Изготовлена из легированной стали 38Х2Н2МА, ГОСТ 4543-71, σв=930МПа и предназначена для передачи крутящих моментов посредством шестерни и зубчатого колеса в редукторе.
Деталь “Вал-шестерня” состоит
из: двух подшипниковых шеек
l=55мм и
l=50мм с
шероховатостью поверхностей -
,
также для установки зубчатого колеса
посредствам шпонки предусмотрена
поверхность
l=105мм с шероховатостью
и закрытым шпоночным пазом
,
глубиной h=8+0.2, шероховатостью торцов
и дна шпоночного паза
.
Между подшипниковой шейкой
l=55 мм и
поверхностью под установку зубчатого
колеса
l=105мм, расположена косозубая
шестерня с числом зубьев Z=31, модулем
m=3, Ø102,01-0,07мм и длинной L=71мм. С шероховатостью
по наружному и среднему диаметру зубьев
,
по торцам
и внутреннему диаметру зубьев
.Также
у основания шестерни с обеих сторон
имеются галтели радиусом R=3мм,2 фаски
2,5х45° и 3 фаски 2х45°.
К детали предъявляют следующие требования:
- допуск радиального биения
подшипниковых шеек
l=55мм и
l=50мм , не более 0,02мм,
относительно базы Б,Г (оси летали);
- допуск профиля продольного
сечения и круглости подшипниковых шеек
l=55мм и
l=50мм , не более 0,01мм;
- допуск радиального биения косозубой шестерни, не более 0,04мм, относительно базы Б,Г (оси детали) и не более 0,016мм, относительно базы Д (оси зубообрабатывающего станка);
- допуск симметричности торцов
шпоночного паза
на диаметр, не более 0,16мм, относительно
базы В (поверхности
l=105мм);
- допуск параллельности торцов
шпоночного паза
,
не более 0,04мм, относительно базы В
(поверхности
l=105мм);
- Гр.III 248…293 HB ГОСТ 8479-70;
- Азотировать h=0,2…0,6 HRN 15 ≥ B2 (HRC>Э> ≥ 45);
- H24,H24, ±IT 14/2;
- Маркировать по РД 24.854.01-89 на бирке.
Основными базовыми поверхностями
являются подшипниковые шейки
l=55мм и
l=50мм.
Вспомогательными базовыми
поверхностями являются поверхности
l=105мм для посадки зубчатого
колеса , поверхности шпоночного паза
и косозубая шестерня Ø102,01-0,07мм и длинной
L=71мм.
2. Отработка конструкции детали на технологичность
Данная деталь вал-шестерня,
представляет собой деталь типовой
конфигурации,
шеек
увеличиваются к середине детали. В
конструкции детали присутствуют
стандартные и унифицированные элементы:
галтели, центровочные отверстия,
шпоночный паз. Однако имеют место и
более сложные в изготовлении поверхности:
косозубая шестерня, требующая специального
режущего инструмента, но так же
стандартизованного. Шпоночный паз
закрытого исполнения несколько усложняет
обработку и требует применения
специализированного инструмента.
Размеры и шероховатости поверхностей соответствуют конструкции и назначению детали. Однако шероховатость торцовых поверхностей косозубой шестерни слишком завышена, можно применить шероховатость Ra6,3мкм, вместо Ra1,25мкм. Возможность одновременной обработки нескольких деталей можно реализовать только на горизонтально расточной операции, поместив на поворотный стол несколько призм с заготовками и производя поочередную обработку торцов, центровочного отверстия и шпоночных пазов, с поворотом стола и без раскрепления деталей. К высокотехнологичному и высокопроизводительному оборудованию, применимому для обработки данной детали относятся: токарно-винторезный станок с ЧПУ 16К20Ф3, фрезерно-центровальный полуавтомат, гидрокопировальный полуавтомат (на черновой обработке), многорезцовый полуавтомат, многошпиндельный обрабатывающий центр. В целом конструкция детали обеспечивается применением типовых технологических процессов и ее можно считать технологичной. Особое внимание необходимо уделить станочным приспособлениям и контрольно-измерительным средствам, которые применяются в условиях серийного производства. В данных условиях наиболее целесообразно применение универсальных и специальных станочных приспособлений. Таких как 3-ёх кулачковый патрон, гидро- и пневмозажимы, опоры, упоры и призмы на расточных и фрезерных операциях и т.п. В качестве контрольно-измерительных средств наиболее широко применяются предельные калибры и контрольно-измерительные приспособления, как более производительные и точные способы контроля, в отличие от контрольно-измерительных инструментов, применяемых в единичном производстве. Также необходимо уделить внимание грамотному базированию, так как это во многом определяет погрешности изготовления размеров. Поэтому необходимо соблюдать правило постоянства и совмещения баз.
3. Выбор заготовки и обоснование выбора
Для данной детали в условиях серийного производства, учитывая специфику курсовой работы и ее учебный характер, в качестве заготовки принимаем штамповку, полученную на молоте. Масса заготовки m>заг>≈8,82 кг.
Класс точности поковки – Т4
Группа стали – М2
Степень сложности – С1
Плоскость разъема – Плоская
Исходный индекс – 13
Эскиз заготовки приведен на рисунке 3.1.

Технические требования:
Штамповочные уклоны 5˚ и 7˚.
Штамповочные радиусы 1.6 мм.
Нагрев индукционный.
Очистка механическая.
Рисунок 3,1 – Эскиз заготовки
4. Назначение допусков, формирование минимальных припусков
Левый торец Ø102>-0,07> l=71мм с Ra1,25мкм
1. Заготовка – штамповка Rz=240,
δ=2,5мм,
; Т=250мкм
2. Точение предварительное Rz=50, Н14, δ=0,74мм; Т=50 мкм
3. Точение окончательное Rz=30, Н13, δ=0,46мм; Т=30 мкм
4. Шлифование однократное Rа=1,25, Н12, δ=0,3мм; Т=10 мкм
|
Переход |
Элементы припуска |
Расч. прип. Zmin |
|||
|
Rz |
T |
ρ |
ε |
||
|
Загот |
240 |
250 |
2000,65 |
- |
- |
|
Точ.пр. |
50 |
50 |
120,04 |
100 |
2590,65 |
|
Точ.ок. |
30 |
30 |
80,03 |
5 |
225,04 |
|
Шлиф.одн. |
10 |
10 |
40,01 |
0 |
140,03 |
>общ>=
=
=2000,65
мкм
где >см> =2000 мкм – допустимые погрешности поковок по смещению осей фигур, что штампуються в разных половинах штампов;
>кор >– общая кривизна заготовки.
>кор >=Δ к×D=0,5×102=51 мкм
где Δ к=0,5 мкм/мм – суммарное коробление, мкм/мм;
D=102 мм – наибольший размер заготовки, мм;
>пр.точ>=К>у1>×>общ>=0,06×2000,65=120,039 мкм
>ок.точ>=К>у2>×>общ>=0,04×2000,65=80,026 мкм
>одн.шлиф>=К>у3>×>общ>=0,02×2000,65=40,013 мкм
где К>у1> – коэффициент уточнения формы
На операции предварительного точения используют 3-ёх кулачковый самоцентрирующийся патрон >упр.точ.>=100 мкм.
Для окончательного точения >уок.точ.>=5 мкм (торцовый патрон с жёсткими центрами).
Для однократного шлифования >уодн.шлиф.>=0 мкм (поводковый патрон с жёсткими центрами).
Определение минимальной величины операционного припуска:
Z>пр.точ.> >min >= Rz>і-1 >+ Т >і-1 >+ >i-1 >+> > >уі>=240+250+2000,65+100=2590,65 мкм
Z>ок.точ.> >min >=50+50+120,04+5=225,04 мкм
Z>одн.шлиф.> >min >=30+30+80,03+0=140,03 мкм
Правый торец Ø102>-0,07> l=71мм с Ra1,25мкм
1. Заготовка – штамповка Rz=240,
δ=2,5мм,
; Т=250мкм
2. Точение предварительное Rz=50, Н14, δ=0,74мм; Т=50 мкм
3. Точение окончательное Rz=30, Н13, δ=0,46мм; Т=30 мкм
4. Шлифование однократное Rа=1,25, Н12, δ=0,3мм; Т=10 мкм
|
Переход |
Элементы припуска |
Расч. прип. Zmin |
|||
|
Rz |
T |
ρ |
ε |
||
|
Загот |
240 |
250 |
2000,65 |
- |
- |
|
Точ.пр. |
50 |
50 |
120,04 |
100 |
2590,65 |
|
Точ.ок. |
30 |
30 |
80,03 |
5 |
225,04 |
|
Шлиф.одн |
10 |
10 |
40,01 |
0 |
140,03 |
>общ>=
=
=2000,65
мкм
где >см> =2000 мкм
>кор >=Δ к×D=0,5×102=51 мкм
>пр.точ>=К>у1>×>общ>=0,06×2000,65=120,039 мкм
>ок.точ>=К>у2>×>общ>=0,04×2000,65=80,026 мкм
>одн.шлиф>=К>у3>×>общ>=0,02×2000,65=40,013 мкм
На операции предварительного точения используют 3-ёх кулачковый самоцентрирующийся патрон >упр.точ.>=100 мкм.
Для окончательного точения >уок.точ.>=5 мкм (торцовый патрон с жёсткими центрами).
Для однократного шлифования >уодн.шлиф.>=0 мкм (поводковый патрон с жёсткими центрами).
Определение минимальной величины операционного припуска:
Z>пр.точ.> >min >= Rz>і-1 >+ Т >і-1 >+ >i-1 >+> > >уі>=240+250+2000,65+100=2590,65 мкм
Z>ок.точ.> >min >=50+50+120,04+5=225,04 мкм
Z>одн.шлиф.> >min >=30+30+80,03+0=140,03 мкм
Торец Ø60s7 l=50мм c Ra1,25мкм
1. Заготовка – штамповка Rz=240,
δ=2,5мм,
; Т=250мкм
2. Точение предварительное Rz=50, Н14, δ=0,74мм; Т=50 мкм
3. Точение окончательное Rz=30, Н13, δ=0,46мм; Т=30 мкм
4. Шлифование однократное Rа=1,25, Н12, δ=0,3мм; Т=10 мкм
|
Переход |
Элементы припуска |
Расч. прип. Zmin |
|||
|
Rz |
T |
ρ |
ε |
||
|
Загот |
240 |
250 |
2000,65 |
- |
- |
|
Точ.пр. |
50 |
50 |
120,04 |
100 |
2590,65 |
|
Точ.ок. |
30 |
30 |
80,03 |
5 |
225,04 |
|
Шлиф.одн |
10 |
10 |
40,01 |
0 |
140,03 |
>общ>=
=
=2000,65
мкм
где >см> =2000 мкм
>кор >=Δ к×D=0,5×102=51 мкм
>пр.точ>=К>у1>×>общ>=0,06×2000,65=120,039 мкм
>ок.точ>=К>у2>×>общ>=0,04×2000,65=80,026 мкм
>одн.шлиф>=К>у3>×>общ>=0,02×2000,65=40,013 мкм
На операции предварительного точения используют 3-ёх кулачковый самоцентрирующийся патрон >упр.точ.>=100 мкм.
Для окончательного точения >уок.точ.>=5 мкм (торцовый патрон с жёсткими центрами).
Для однократного шлифования >уодн.шлиф.>=0 мкм (поводковый патрон с жёсткими центрами).
Определение минимальной величины операционного припуска:
Z>пр.точ.> >min >= Rz>і-1 >+ Т >і-1 >+ >i-1 >+> > >уі>=240+250+2000,65+100=2590,65 мкм
Z>ок.точ.> >min >=50+50+120,04+5=225,04 мкм
Z>одн.шлиф.> >min >=30+30+80,03+0=140,03 мкм
Торец Ø55k6 l=50мм с Ra6,3 мкм
1. Заготовка – штамповка Rz=240,
δ=3,2мм,
; Т=250мкм
2. Фрезерование предварительное Rz=50, H24, δ=1,5мм; Т=50 мкм
3. Фрезерование окончательное Rz=30, H22, δ=0,46мм; Т=30 мкм
|
Переход |
Элементы припуска |
Расч. прип. Zmin |
|||
|
Rz |
T |
ρ |
ε |
||
|
Загот. |
240 |
250 |
2000,65 |
||
|
Точ.пр. |
50 |
50 |
120,04 |
140 |
2630,65 |
|
Точ.ок. |
30 |
30 |
80,03 |
90 |
330,04 |
>общ>=
=
=2000,65
мкм
>кор >=Δ к×D=0,5×102=51 мкм
>см> =2000 мкм
>пр.точ>=К>у1>×>общ>=0,06×2000,65=120,039 мкм
>ок.точ>=К>у2>×>общ>=0,04×2000,65=80,026 мкм
На операции предварительной подрезки торцов используют пневмозажим с призмами и упором >упр.точ.>=140 мкм.
Для окончательной подрезки торцов >уок.точ.>=90 мкм (пневмозажим с призмами и упором).
Определение минимальной величины операционного припуска:
Z>пр.точ.> >min >= Rz>і-1 >+ Т >і-1 >+ >i-1 >+> > >уі>=240+250+2000,65+140=2630,65 мкм
Z>ок.точ.> >min >=50+70+120,04+90=330,04 мкм
Торец Ø55k6 l=50мм с Ra6,3мкм
1. Заготовка – штамповка Rz=240,
δ=3,2мм,
; Т=250мкм
2. Фрезерование предварительное Rz=50, H24, δ=1,5мм; Т=50 мкм
3. Фрезерование окончательное Rz=30, H22, δ=0,46мм; Т=30 мкм
|
Переход |
Элементы припуска |
Расч. прип. Zmin |
|||
|
Rz |
T |
ρ |
ε |
||
|
Загот. |
240 |
250 |
2000,65 |
||
|
Точ.пр. |
50 |
50 |
120,04 |
140 |
2630,65 |
|
Точ.ок. |
30 |
30 |
80,03 |
90 |
330,04 |
>общ>=
=
=2000,65
мкм
>кор >=Δ к×D=0,5×102=51 мкм
>см> =2000 мкм
>пр.точ>=К>у1>×>общ>=0,06×2000,65=120,039 мкм
>ок.точ>=К>у2>×>общ>=0,04×2000,65=80,026 мкм
На операции предварительной подрезки торцов используют пневмозажим с призмами и упором >упр.точ.>=140 мкм.
Для окончательной подрезки торцов >уок.точ.>=90 мкм (пневмозажим с призмами и упором).
Определение минимальной величины операционного припуска:
Z>пр.точ.> >min >= Rz>і-1 >+ Т >і-1 >+ >i-1 >+> > >уі>=240+250+2000,65+140=2630,65 мкм
Z>ок.точ.> >min >=50+70+120,04+90=330,04 мкм
Торцы Ø55k6 l=226мм с Ra6,3мкм;
1. Заготовка – штамповка Rz=240,
δ=3,2мм,
; Т=250мкм
2. Фрезерование предварительное Rz=50, H24, δ=1,5мм; Т=70 мкм
3. Фрезерование окончательное Rz=30, H22, δ=0,46мм; Т=30 мкм
|
Переход |
Элементы припуска |
Расч. прип. 2Zmin |
|||
|
Rz |
T |
ρ |
ε |
||
|
Загот. |
240 |
250 |
2000,65 |
||
|
Фрезер.пр. |
50 |
70 |
120,04 |
140 |
5261,3 |
|
Фрезер.ок. |
30 |
30 |
80,03 |
90 |
660,08 |
>общ>=
=
=2000,65
мкм
>кор >=Δ к×D=0,5×102=51 мкм
>см> =2000 мкм
>пр.фрез>=К>у1>×>общ>=0,06×2000,65=120,039 мкм
>ок.фрез>=К>у2>×>общ>=0,04×2000,65=80,026 мкм
На операции предварительного фрезерования торцов используют пневмозажим с призмами >упр.фрез.>=140 мкм.
Для окончательного фрезерования >уок.фрез.>=90 мкм (пневмозажим с призмами). Определение минимальной величины операционного припуска:
2Z>пр.фрез.> >min >= 2(Rz>і-1 >+ Т >і-1 >+ >i-1 >+> > >уі>)=2(240+250+2000,65+140)=5261,3 мкм
2Z>ок.фрез.> >min >=2(50+70+120,04+90)=660,08 мкм
5. Выбор технологических маршрутов обработки детали
Таблица 5.1 – Варианты маршрутов обработки
|
Вариант 1 |
Вариант 2 |
Вариант 3 |
|
005 Горизонтально-расточная Горизонтально-расточной станок мод 2М165
|
005 Горизонтально-расточная Горизонтально-расточной станок мод 2М165
|
Фрезерно-центровальный МР-71М
|
|
010 Токарно-копировальная Токарный многорезцовый копировальный полуавтомат 1716Ц |
Токарно-винторезный станок 16К20
|
010 Токарно-винторезная с ЧПУ Токарно-винторезный
станок с ЧПУ 16К20Ф3 |
|
015 Токарно-винторезная Токарно-винторезный станок 16К20
|
||
|
Токарный многорезцовый копировальный полуавтомат 1716Ц
|
020 Токарно-винторезная Токарно-винторезный станок 16К20
|
|
|
025 Токарно-винторезная Токарно-винторезный станок 16К20
|
||
|
020 Термическая Печь |
030 Термическая Печь |
015 Термическая Печь |
|
025 Горизонтально-расточная Горизонтально-расточной станок мод 2М165
|
035 Горизонтально-расточная Горизонтально-расточной станок мод 2М165 |
020 Фрезерно-центровальная Фрезерно-центровальный МР-71М |
|
030 Токарно-копировальная Токарный многорезцовый копировальный полуавтомат 1716Ц |
040 Токарно-винторезная Токарно-винторезный станок 16К20
|
025 Токарно-винторезная с ЧПУ Токарно-винторезный станок с ЧПУ 16К20Ф3 |
|
045 Токарно-винторезная Токарно-винторезный станок 16К20
|
||
|
Токарный многорезцовый копировальный полуавтомат 1716Ц |
050 Токарно-винторезная Токарно-винторезный станок 16К20
|
|
|
055 Токарно-винторезная Токарно-винторезный станок 16К20
|
||
|
040 Круглошлифовальная Круглошлифовальный станок с ЧПУ 3М151Ф2 |
060 Круглошлифовальная Круглошлифовальный станок с ЧПУ 3М151Ф2 |
030 Круглошлифовальная Круглошлифовальный станок с ЧПУ 3М151Ф2 |
|
035 Круглошлифовальная Круглошлифовальный станок с ЧПУ 3М151Ф2 |
||
|
045 Шпоночно-фрезерная Шпоночно-фрезерный станок 692А |
065 Шпоночно-фрезерная Шпоночно-фрезерный станок 692А |
040 Шпоночно-фрезерная Шпоночно-фрезерный станок 692А |
|
050 Зубофрезерная Зубофрезерный станок мод. 5К324А |
070 Зубофрезерная Зубофрезерный станок мод. 5К324А |
045 Зубофрезерная Зубофрезерный станок мод. 5К324А |
|
055 Зубошлифовальная Зубошлифовальный станок мод. 5В832 |
055 Зубошлифовальная Зубошлифовальный станок мод. 5В832 |
050 Зубошлифовальная Зубошлифовальный станок мод. 5В832 |
|
060 Слесарная |
075 Слесарная |
055 Слесарная |
|
065 Контрольная |
080 Контрольная |
060 Контрольная |
6. Теоретический анализ технологических вариантов изготовления детали. Назначение операционных размеров и допусков
Конструкторские размеры детали «вал» имеют следующие значения:

Припуски на линейные размеры заготовки назначаются по предварительному расчету:



Допуски на линейные размеры заготовки определены по ГОСТу 7505-89, и составляют:

Рассмотрим вариант №1. Из уравнения 1

Номинальный размер
мм

Из уравнения 2

Номинальный размер
мм

Из уравнения 3

Номинальный размер
мм

Из уравнения 4

Номинальный размер
мм

Из уравнения 5

Номинальный размер
мм

Из уравнения 6

Номинальный размер
мм

Из уравнения 7

Номинальный размер
мм

Из уравнения 8

Номинальный размер
мм

Из уравнения 9

Номинальный размер
мм

Из уравнения 10

Номинальный размер
мм

Из уравнения 11

Из уравнения 12

Из уравнения 13

Рассмотрим вариант №2
Из уравнения 1

Номинальный размер
мм

Из уравнения 2

Номинальный размер
мм

Из уравнения 3

Номинальный размер
мм

Из уравнения 4

Номинальный размер
мм

Из уравнения 5

Номинальный размер
мм

Из уравнения 6

Номинальный размер
мм

Из уравнения 7

Номинальный размер
мм

Из уравнения 8

Номинальный размер
мм

Из уравнения 9

Номинальный размер
мм

Из уравнения 10

Номинальный размер
мм

Из уравнения 11

Из уравнения 12

Из уравнения 13

Рассмотрим вариант №3
Из уравнения 1

Номинальный размер
мм

Из уравнения 2

Номинальный размер
мм

Из уравнения 3

Номинальный размер
мм

Из уравнения 4

Номинальный размер
мм

Из уравнения 5

Номинальный размер
мм

Из уравнения 6

Номинальный размер
мм

Из уравнения 7

Номинальный размер
мм

Из уравнения 8

Номинальный размер
мм

Из уравнения 9

Номинальный размер
мм

Из уравнения 10

Номинальный размер
мм

Из уравнения 11

Из уравнения 12

Из уравнения 13

7. Выбор оптимального технологического маршрута обработки
После выполнения теоретического анализа технологических вариантов изготовления детали, расчета размеров операционных припусков, формирования размеров заготовки, возможно определить оптимальный маршрут обработки. Критериями оптимальности технологического маршрута являются:
- минимальные размеры заготовки, а так же составляющие операционные припуски на механическую обработку
- расчетная точность операционных размеров, должна находиться в пределах экономически достижимой точности обработки на данном оборудовании
- минимальное количество звеньев в каждой из сформированных цепей.
Исходя из данных условий – оптимальным является вариант №1
Список использованной литературы
1 Корсаков В.С. Основы технологии машиностроения: Учебник. – 3-е изд., перераб. и доп. – М.: Машиностроение, 2001. - 591 с.
2 Маталин А.А. Технология машиностроения: Учебник. – Л.: Машиностроение, 1985. - 496 с.
3 Конспект лекций по дисциплине "Теоретические основы технологии производства типовых деталей и сборки машин" /Сост. С.В. Ковалевский, А.Г. Косенко, С.Г. Онищук. – Краматорск: ДГМА, 2003. - 48 с.
4 Анурьев В. И. Справочник конструктора-машиностроителя. – М.: Машиностроение, 1978. – т. 1. – 728 с.
5 Допуски и посадки: Справочник. В 2 ч. / В. Д. Мягков, М. А. Палей, А. Б. Романов, В. А. Брагинский. – С: Машиностроение, 1982. – Ч. 2.
































010
Токарно-винторезная
















