Инвертор. Принцип работы, разновидность, область применения
Инвертор. Принцип работы, разновидность, область применения
Последовательный инвертор
Электрическая схема, рабочие фазы и формы выходных сигналов последовательного инвертора изображены на рис. 1. Такая схема называется последовательным инвертором, поскольку в ней нагрузочное сопротивление включено последовательно с емкостью. R - нагрузочное сопротивление, L и С - коммутационные элементы. Такой тип инвертора содержит два тиристора. Рассмотрим подробнее фазы работы такой схемы.
Фаза I. Тиристор Т>1> включается в момент времени t>o>. Начинается заряд конденсатора от источника питания. Последовательная цепь R, L и С формирует синусоидальный ток через нагрузочное сопротивление и выполняет функцию демпфирующей цепи. Когда ток в цепи уменьшается до нуля, тиристор Т>1> запирается. Напряжение на нагрузочном сопротивлении находится в фазе с током тиристора. Формы напряжений V>L> и V>c> можно получить с помощью теоремы Кирхгофа: (V>L>+ V>c> = E), величины V>L> и V>c> должны удовлетворять условиям этого уравнения.
Фаза II. Тиристор Т>2> не должен включаться сразу после того, как ток через тиристор Г, уменьшится до нуля. Для лучшего запирания тиристора Т>1>, к нему необходимо приложить небольшое обратное напряжение. Если тиристор Т>2> включается без запаздывания, или мертвая зона отсутствует, напряжение источника питания замыкается через открытые тиристоры Т>1> и Т>г>.>.> Если оба тиристора находятся в закрытом состоянии, то V>R> = 0, V>L>= 0, следовательно, L di/dt = 0 и конденсатор С остается незаряженным.
Фаза III. В момент времени t>2> тиристор Т>2> включается и инициирует отрицательный полупериод. Конденсатор разряжается через L, R и Т>2>. Следует заметить, что электрический ток через нагрузочное сопротивление R протекает в противоположном направлении. В момент времени, когда этот ток уменьшается до нуля, тиристор Т>2> выключается. Формы напряжений V>L> и V>c> можно получить с помощью теоремы Кирхгофа: (V>L> + V>c> = 0), величины V>L> и V>c> должны удовлетворять условиям этого уравнения.
Р
ис.1
- Последовательный инвертор:
а) Электрическая схема;
б) Фазы работы схемы;
в) Формы
напряжений и токов в цепях
последовательного
инвертора
Если тиристор Т>1> запустить с задержкой на величину мертвого времени, вышеупомянутые процессы повторятся.
Преимущества:
1. Простая конструкция.
2. Выходное напряжение близко к синусоидальному.
Недостатки:
1. Индуктивность L и конденсатор С имеют большие габариты.
2. Источник питания используется только в течение положительного полупериода.
3. В выходном напряжении имеются высшие гармоники из-за наличия мертвой зоны.
Последовательный инвертор лучше всего подходит для высокочастотных устройств, так как для требуемых значений 1 и С уменьшаются их габариты. Время периода для одного цикла составляет:
T>0>=T + 2t>d>. где Г = l/f>t> и t>6> - мертвое время.
Выходная частота последовательного инвертора всегда меньше резонансной частоты вследствие наличия мертвой зоны. Значение выходной частоты может варьироваться путем изменения мертвого времени.
Р
ис.1г.
-Форма выходного напряжения последователного
инвертора
Параллельный инвертор
Базовая схема параллельного инвертора изображена на рис.2а. Когда ключ 1 замкнут, помеченные точкой выводы обмоток A, D и С имеют положительный потенциал. Выходное напряжение - положительное. Во второй половине периода ключ 1 размыкается и замыкается ключ 2. Помеченные точкой выводы обмоток A, D и С имеют отрицательный потенциал и выходное напряжение - отрицательное.
Электрическая схема, рабочие фазы и формы выходных сигналов параллельного инвертора изображены на рис.2. Параллельные инверторы применяются в низкочастотных устройствах. В них используются трансформатор с отводом из центра первичной обмотки, два тиристора и коммутирующий конденсатор. Источник питания включается между центральным выводом и общей точкой катодов тиристоров. Эквивалентное нагрузочное сопротивление, пересчитанное в цепь первичной обмотки, подключено параллельно коммутационному конденсатору. Следовательно, инвертор такого типа является параллельным.
В момент времени t= t>x> тиристор Т>1> включается. Напряжение источника питания Е приложено к обмотке трансформатора А. Согласно закону самоиндукции такое же напряжение Е индуцируется на обмотке трансформатора В, но противоположной полярности. Поскольку обмотки А и В соединены последовательно, на них будет суммарное напряжение 2Е. Этим напряжением конденсатор предварительно заряжается до напряжения +2Е.
В момент времени t= t>2> тиристор Т>2> включается. Полярность напряжений на обмотках А и В меняется на обратную, к конденсатору, и тем самым к тиристору Т>1>, прикладывается обратное напряжение, за счет чего тиристор Т>1> выключается. Полярность напряжения на конденсаторе меняется, и он перезаряжается до напряжения - 2Е. Также меняет на обратное направление ток во вторичной обмотке, то есть через нагрузочное сопротивление протекает переменный ток прямоугольной формы. Форма выходного напряжения аналогична форме напряжения на конденсаторе.
Р
ис.2
- а) Базовая схема параллельного инвертора;
б) Фазы работы схемы;
в) Формы напряжений и токов в цепях параллельного инвертора
Недостатки
Номинальное напряжение конденсатора должно быть 2Е.
Ток источника питания не является чистым постоянным током.
Колебания тока источника питания, являются причиной дополнительного выделения тепла в первичной цепи параллельного инвертора.
Мостовые инверторы. Однофазный полумостовой инвертор
Однофазный полумостовой инвертор состоит из двух источников питания и двух коммутаторов. Нагрузка подключена между общим выводом источников питания и общей точкой коммутаторов.
Полумостовой инвертор с RLC – нагрузкой
Р
ис.5
- а) Схема полумостового инвертора с
RLC-нагрузкой,
б) Форма
напряжения и тока полумостового инвертора
Электрическая схема и форма выходного сигнала однофазного полумостового инвертора с RLС-нагрузкой изображены на рис.5. Если инвертор питает RLС-нагрузку, отдельная цепь коммутирования не требуется. Это можно объяснить с помощью символического изображения на рис.5б. Рабочая частота инвертора должна быть выбрана такой, чтобы Х>с> > X>L>. При этих условиях в этой схеме ток опережает по фазе напряжение. Ток в нагрузке изменяется синусоидально. В промежутке времени от t>0> до t>l> тиристор Т>1> находится в проводящем состоянии. В момент времени t>1> = t>2> тиристор Т>1>, выключается, так как ток в цепи уменьшается до нуля. В промежутке времени от t>1> до t>2> диод D>1> находится в проводящем состоянии и мощность передается от нагрузки к источнику питания. Диод D>1> находится в проводящем состоянии до тех пор, пока на конденсаторе присутствует напряжение. Когда диод D>1> находится в состоянии проводимости, тиристор Т>1> смещен в обратном направлении. Таким образом, специальная цепь принудительной коммутации в этом случае не требуется. В этой схеме RLC-нагрузка обеспечивает коммутацию тиристоров. В течение отрицательного полупериода тиристор Т>2 >находится в проводящем состоянии, через некоторое время диод D>2> начинает проводить, вследствие этого тиристор Т>2> смещается в обратном направлении и запирается.
Инвертор Мак-Мюррея (инвертирующий преобразователь)
Принцип работы инвертора Мак-Мюррея основан на коммутировании тока. Полумостовой инвертор работает на индуктивную нагрузку, как изображено на рис.6. Тиристоры Т>А1> и Т>А2> в этой схеме являются вспомогательными. Они используются для коммутации основных тиристоров Т>1> и Т>2>. Индуктивность L и емкость С являются коммутирующими элементами. Конденсатор предварительно заряжен слева отрицательно, а справа -положительно. Рабочие фазы этой схемы устройства следующие.
Фаза I. Тиристор Т>1> запускается, тем самым инициируется положительный полупериод преобразования. Постоянный ток нагрузки протекает через тиристор Т>1>.
Фаза I I. В момент времени t>1> запускается вспомогательный тиристор Т>А1>. По замкнутой цепи L, С, Т>{> и Т>А1 >начинает протекать ток, при этом ток через конденсатор синусоидально нарастает, как показано на рис.6в. В промежутке времени от t>1> до t>2> значение i>c> <I>0>. В момент времени t= t>2>;> >t>c> = I>0>. Ток, текущий через тиристор Т>1>, становится равным нулю, и тиристор выключается. Следует заметить, что в этой фазе ток через тиристор Т>1>, уменьшается до нуля.
Фаза III. После выключения тиристора Т>1> ток продолжает протекать через D>1>. Диод находится в состоянии проводимости до момента времени t>3> до тех пор пока i>c> - I>0> положительны. В момент времени t = t>3> диод D>1>, перестает проводить, так как ток через него уменьшается до нуля.
Фаза IV. После того как диод D>1> запирается, постоянный ток нагрузки протекает через конденсатор и дозаряжает его слева отрицательно, а справа положительно. Напряжение на конденсаторе изменяется линейно, так как через конденсатор протекает постоянный ток.
Фаза V. Ток через диод увеличивается, в то время как ток через конденсатор уменьшается. Когда ток через тиристор T>a> уменьшается до нуля, тиристор выключается.
Фаза VI. На индуктивной нагрузке изменяется полярность напряжения, и диод D>1> смещается в прямом направлении. Начинается процесс рециркуляции. Энергия, запасенная в нагрузке, передается обратно в источник питания V>r> После запирания диода D>1> запускается тиристор Т>2>. Чтобы выключить тиристор Т>2> необходимо включить тиристор Т>A>>2>. Далее подобные процессы повторяются аналогично вышеизложенным.
Инвертор Мак-Мюррея – Бедфорда
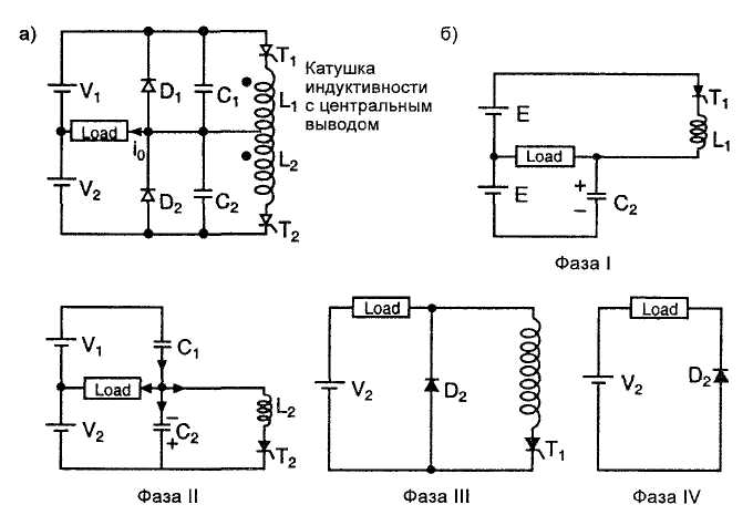
Инвертор Мак-Мюррея содержит два вспомогательных тиристора. Инвертор Мак-Мюррея-Бедфорда не требует никаких вспомогательных тиристоров. Один основной тиристор в этой схеме коммутирует другой основной тиристор. Электрическая схема, рабочие фазы и форма выходного сигнала инвертора Мак-Мюррея - Бедфорда изображены на рис.7. Рабочие фазы этой схемы устройства следующие.
Фаза I. Тиристор Т>1> запущен. Постоянный ток протекает через тиристор Т>1> , и индуктивность L>1>. Напряжение на индуктивности L>1> равно нулю, так как через нее протекает постоянный ток. Конденсатор С, замкнут через Т>1> и L>1>. Конденсатор С>2> заряжен до напряжения V>1 >+ V>2>: верхняя обкладка заряжена положительно, а нижняя - отрицательно.
Р
ис.7
- а) Схема инвертора Мак-Мюррея; б)
Фазы работы схемы
Фаза II. После включения тиристора Т>2> напряжение с конденсатора С>2> подается на индуктивность L>2>. Это напряжение равно удвоенному напряжению питания. За счет взаимной индукции на индуктивности L>1 >появляется напряжение, равное напряжению на индуктивности L>2>.> >Напряжение на катоде тиристора Т>1> равно учетверенному напряжению питания, а на аноде удвоенному напряжению питания. Таким образом, после включения тиристора Т>2> тиристор Т>1> выключается. Быстрое выключение тиристора L>1> возможно благодаря тому, что энергия, запасенная в индуктивности L>1> передается на индуктивность L>2> поскольку общий магнитный поток должен оставаться постоянным. Из рис.7в видно, что ток в схеме перераспределяется от тиристора Т>1> на тиристор Т>2 >в начале фазы II. По цепи L>2> и С>2> начинает протекать ток. Диод D>2> смещается в обратном направлении напряжением на конденсаторе С>2>.
Фаза III. Как только полярность напряжения на конденсаторе изменяется на обратную, диод D>2> переходит в проводящее состояние и тем самым шунтирует конденсатор С>2>. Энергия, запасенная на индуктивности L>2> поддерживает неизменное направление тока через тиристор Т>2> и диод D>2>. Постепенно запасенная в индуктивности L>2> энергия рассеивается на активном сопротивлении нагрузки, и тиристор Т>2> выключается.
Фаза IV. Диод D>2> по-прежнему смещен в прямом направлении за счет тока, протекающего через индуктивность нагрузки. Здесь имеет место процесс рециркуляции энергии, запасенной на индуктивности нагрузки. Диод D>2> находится в проводящем состоянии до тех пор, пока запасенная энергия передается источнику питания V>2>.
Тиристор Т>2> снова включается, тем самым инициируя аналогичный отрицательный полупериод инвертора. В конце отрицательного полупериода тиристор Т>1> остается в проводящем состоянии и процесс, описанный выше, повторяется.
1