Металлические конструкции рабочей площадки
МОСКОВСКИЙ ГОСУДАРСТВЕННЫЙ УНИВЕРСИТЕТ
ПУТЕЙ СООБЩЕНИЯ (МИИТ)
Кафедра «Строительные конструкции, здания и сооружения»
РАСЧЁТНО-КОНСТРУКТИВНАЯ РАБОТА
по дисциплине
Металлические конструкции и сварка
Металлические конструкции рабочей площадки
Выполнил: ст.гр. СГС-311
Козырев Ю.А.
МОСКВА – 2010
Исходные данные
|
Тип балочной клетки |
нормальный |
|
Шаг колонн в продольном направлении (пролёт главных балок) |
L = 12 м |
|
Шаг колонн в поперечном направлении (шаг главных балок) |
l = 4 м |
|
Отметка верха настила рабочей площадки |
H = 8,5 м |
|
Временная (технологическая) нормативная нагрузка на перекрытие |
v>n> = 26 кН/м2 |
|
Марка стали (кроме балки настила) |
С345 |
|
Класс бетона фундамента |
В15 |
|
Сопряжение главной балки с колонной |
шарнирное |
|
Сопряжение колонны с фундаментом |
шарнирное |
ПОПЕРЕЧНЫЙ РАЗРЕЗ
Рис. 1. Поперечный разрез и план рабочей площадки:
1 – настил;
2 – балки настила;
3 – главные балки;
4 – колонны;
5 – железобетонные фундаменты
1 2 3
4
4
5
1 2 3
8.50
0.00
L = 12 000
L = 12 000
11 a = 11 000
a/2
a/2 = 500
ПЛАН
1.Сбор нагрузок на элементы рабочей площадки
Нормативное значение рабочей (технологической) нагрузки на перекрытие:
v>n> = 26 кН/м2 (по заданию).
Нормативная линейная нагрузка на балку настила:
q>n> = v>n> a = 26 1 1,05 = 27,3 кН/м = 0,273 кН/см,
где a – шаг балок настила; принимаем a = 1 м (рис. 2);
– коэффициент, учитывающий собственный вес настила и балок настила; = 1,05.
Расчётная линейная нагрузка на балку настила:
q = q>n> >f> >n> = 27,3 1,2 0,95 = 31,122 кН/м,
где >f> – коэффициент надёжности по нагрузке; для временной нагрузки >f> = 1,2;
>n> – коэффициент надёжности по назначению сооружения; для сооружений обычного уровня ответственности >n> = 0,95.
Расчётная линейная нагрузка на главную балку:
g = v>n> l >f> >n> = 26 4 1,05 1,2 0,95 = 124,488 кН/м,
где l – шаг главных балок; l = 6 м (по заданию);
– коэффициент, учитывающий собственный вес конструкций; = 1,05.
Расчётное значение опорной реакции главной балки:
V = g L / 2 =124,488 12 / 2 = 746,928 кН,
где L – пролёт главных балок; L = 12 м (по заданию).
Расчётная сосредоточенная нагрузка на колонну: N = 2V = 2 746,928 = 1493,856 кН.
L
a
a
1
2
3
L
L
Рис. 2. Передача нагрузок на элементы рабочей площадки:
1 – грузовая площадь балки настила;
2 – грузовая площадь главной балки;
3 – грузовая площадь колонны
2.Подбор и проверка сечения балки настила
Балка настила выполняется из прокатного двутавра, марка стали определяется непосредственно в процессе расчёта. =
В расчётной схеме балка настила рассматривается как статически определимая шарнирно опёртая пролётом l = 6 м (рис. 3).
Рис. 3. Расчётная схема балки настила
M>max>
Q>max>
q
Максимальные значения внутренних усилий в балке настила от расчётной нагрузки:

Сечение балки подберём из условия жёсткости (прогибов). Предельно допустимый прогиб балки для пролёта l = 6 м (по прил. 4):
.
Требуемый момент инерции сечения при действии нормативной нагрузки:
.
где E – модуль упругости стали; Е = 2,06 104 кН/см2 (независимо от марки стали).
Принимаем по сортаменту (прил. 7) наименьший двутавровый профиль, у которого момент инерции J>x> будет выше требуемого. Назначаем сечение и выписываем его основные геометрические характеристики (рис. 4).

-
Номер профиля
I22
Момент инерции
J>x> = 2550 см4
Момент сопротивления при изгибе
W>x> = 232 см3
Статический момент полусечения
S>x> = 131 см3
Высота сечения
h = 220 мм
Ширина полки
b = 110 мм
Толщина стенки
d = 5,4 мм
Средняя толщина полки
Рис. 4. Поперечное сечение балки настила
t = 8,7 мм
Марку стали назначаем из условия прочности балки по нормальным напряжениям:
,
где с – коэффициент, учитывающий возможность ограниченного развития пластических деформаций; для прокатных балок с = 1,12; R>y> – расчётное сопротивление стали по пределу текучести;
>с> – коэффициент условий работы; во всех случаях, кроме специально оговоренных, >с> = 1,0.

Принимаем по таблице (прил. 1) наименьшую марку стали, для которой расчётное сопротивление R>y> будет выше требуемого (расчётное сопротивление зависит от толщины полки t; в данном случае t = 8,7 мм).
Назначаем для балки настила сталь марки С245, у которой
расчётное сопротивление изгибу R>y> = 240 МПа = 24,0 кН/см2 (при толщ. 2…20 мм);
расчётное сопротивление срезу R>s> = 0,58R>y> = 0,58 24 = 13,92 кН/см2.
Проверка прочности по касательным напряжениям:
;
.
Проверка общей устойчивости балки настила не требуется, так как сжатая полка закреплена от горизонтальных перемещений приваренными к ней листами настила.
Проверка местной устойчивости поясов и стенки прокатной балки не требуется, так как она обеспечена их толщинами, принятыми из условий проката.
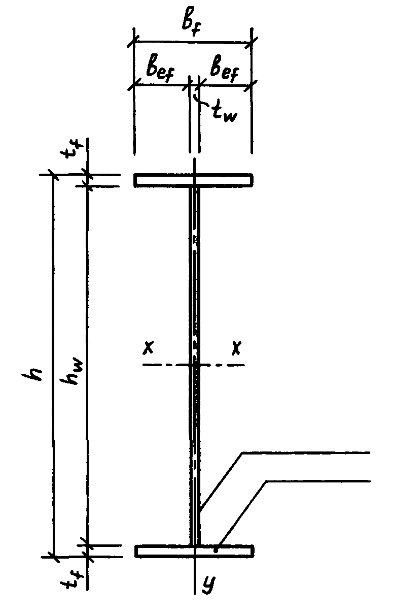
3.Подбор и проверка сечения главной балки

В расчётной схеме главная балка рассматривается как разрезная свободно опёртая, нагруженная равномерно распределенной нагрузкой (рис. 5, а-б). Сечение главной балки – двутавровое, сварное из трёх листов (рис. 5, в). Марка стали – по заданию.
в)
полка
стенка
g
Рис. 5. Главная балка:
а – конструктивная схема; б – расчётная схема; в – поперечное сечение
Максимальные значения внутренних усилий в главной балке от расчётной нагрузки:

Требуемый момент сопротивления сечения балки:
,
где R>y> – расчётное сопротивление стали по пределу текучести; по прил. 1 принимаем R>y> = 300 МПа = 30,0 кН/см2 (марка стали С345 – по заданию; предполагаемая толщина листового проката 20…40 мм).
Оптимальная высота балки – высота, при которой вес поясов будет равен весу стенки, а общий расход материала на балку – минимальным:
,
где k – конструктивный коэффициент; для сварной балки переменного по длине сечения k = 1,1;
t>w> – толщина стенки балки; предварительно принимаем t>w> = 1,2 см.
Минимальная высота балки – высота, при которой обеспечивается необходимая жесткость балки при полном использовании несущей способности материала:
,
где f>u> – предельно допустимый прогиб; балки для пролёта L = 12 м: f>u> = L/217 (по прил. 4);
>f>> >– коэффициент надёжности по нагрузке; для временной нагрузки >f> = 1,2.
Окончательно принимаем высоту балки так, чтобы она была примерно равна оптимальной (h h>opt>), но не менее минимальной (h > h>min>). Отступление от оптимальной высоты на 20…25% слабо влияет на расход материала. Высота стенки балки h>w> должна соответствовать ширине листов по сортаменту (прил. 5).
Назначаем высоту стенки h>w> = 900 мм; h>min> = 67,81 см < h>w> = 90,0 см h>opt> = 86,78 см.
Рекомендуемая толщина стенки (здесь h>w> принимается в мм):
,
Принимаем в соответствии с сортаментом (прил. 5) t>w> = 10 мм.
Наименьшая толщина стенки t>w,min> из условия её работы на срез:

где R>s> – расчётное сопротивление стали срезу; марка стали С345 (по заданию); толщина листа соответствует толщине стенки t>w>: для листового проката толщиной 4…10 мм R>s> = 0,58R>y> = 0,58 33,5 = 19,43 кН/см2.
Момент инерции стенки:

Толщина полок (поясов) принимается примерно в два раза больше толщины стенки:
t>f> 2t>w> = 210 = 20 мм.
В соответствии с сортаментом (прил. 5) принимаем t>f> = 20 мм.
Полная высота балки: h = h>w> + 2t>f> = 900 + 220 = 940 мм.
Расстояние между центрами тяжести полок: h>0> = h – t>f> = 940 – 20 = 920 мм.
Уточняем расчётное сопротивление стали: для листового проката толщ. 10…20 мм R>y> = 315 МПа = 31,5 кН/см2 (по прил. 1); тогда требуемый момент сопротивления сечения:
.
Минимально допустимая ширина полок (поясов) определяется из условия обеспечения прочности балки на изгиб:

В соответствии с сортаментом (прил. 5) принимаем b>f> = 34 см.
Для возможности размещения болтов ширина полки b>f> должна составлять не менее 18 см. Кроме того, ширина полки не должна превышать следующих значений:
b>f>> > 30 t>f> = 302,0 = 60 см (для обеспечения равномерности распределения напряжений по ширине полки);
(для обеспечения
местной устойчивости).
Принятая ширина полки b>f>> >= 38 см этим требованиям соответствует.
Ширина рёбер жёсткости:
;
принимаем b>h>
= 70
мм (кратно 10 мм).
Толщина рёбер жёсткости:
;
принимаем по сортаменту t>h> = 0,8 см.
В целях экономии материала ширину полки у опор можно уменьшить (рис. 6). Назначаем место изменения сечения на расстоянии x>1> = L/6 от опоры: x>1> = 12/6 = 2м.
Расчётные внутренние усилия в месте изменения сечения:

Требуемый момент сопротивления сечения:
.
Уменьшенная ширина полки (пояса) b>f> определяется из пяти условий:
из условия обеспечения прочности балки на изгиб:
;
из условия обеспечения сопротивления балки кручению:
,
в целях уменьшения концентрации напряжений:
,
для
обеспечения размещения болтов:
,
из условия установки поперечных ребер жесткости, которые не должны выступать за пределы полки

В соответствии с сортаментом принимаем: b>f> = 20 см.
Если уменьшенная ширина получается меньше исходной всего на 2…3 см, то изменение ширины устраивать нецелесообразно.
Геометрические характеристики сечения балки (в середине пролёта)
Площадь стенки:
,
Площадь полки:
,
Момент инерции сечения балки:

Момент сопротивления сечения балки:
.
Геометрические характеристики уменьшенного сечения
Площадь
полки:
.
Момент инерции сечения:

Момент сопротивления сечения:
.
Статический момент полусечения:
.
Статический момент сечения полки:
.
Проверка прочности по нормальным напряжениям (расчётные точки расположены на наружных гранях поясов в середине пролета):

Проверка прочности по касательным напряжениям (расчётная точка находится посередине высоты стенки у опоры):

Проверка прочности по приведённым напряжениям. Расчётная точка располагается: по высоте балки – в краевом участке стенки на уровне поясных швов; по длине пролёта – в месте изменения сечения балки).
Нормальные и касательные напряжения в расчётной точке:
;

Приведённые напряжения (англ. reduced – приведённый):
,

Проверки прочности балки по нормальным, касательным и приведённым напряжениям выполняются.
Проверка жёсткости балки. Принятая высота балки h больше минимальной h>min>, поэтому прогиб балки не будет превышать предельного значения, и выполнять проверку жёсткости нет необходимости.
4.Расчёт и конструирование узлов соединения элементов главной балки
1. Опорный узел главной балки
Нагрузка от главной балки передаётся на колонну через опорное ребро, приваренное к торцу балки и выступающее вниз на величину а>r> = 10…15 мм (рис. 7). Для обеспечения равномерной передачи давления торец ребра необходимо строгать.
Рис. 7. Опорное ребро главной балки
торец строгать
t>r>
V
Ш>1>
Рис. 6. Изменение сечения балки по длине
верхний пояс
нижний пояс
L/2
Определение размеров опорного ребра
Ширину
опорного ребра удобно принять равной
ширине пояса балки:
.
Толщина ребра определяется из условия его работы на смятие:
,
где V – опорная реакция главной балки; V = Q>max> = 746бб928 кН; R>p> – расчётное сопротивление стали смятию торцевой поверхности; равно расчётному сопротивлению стали по временному сопротивлению R>u> (прил. 1); для листовой стали толщиной 10…20 мм R>p> = R>u> = 460 МПа = 46,0 кН/см2.
В соответствии с сортаментом принимаем t>r> = 1,0 cм.
Расчёт сварных швов крепления опорного ребра к стенке балки
Через сварной шов Ш>1> опорная реакция V передаётся с ребра на стенку балки. Сварное соединение осуществляется полуавтоматической сваркой.
Расчётное сопротивление металла шва R>wf> = 240 МПа (прил. 2); коэффициент проплавления β>f> = 0,9 (табл. 34* СНиП [2]); R>wf> β>f> = 240 0,9 = 216 МПа.
Расчётное сопротивление металла границы сплавления шва R>wz> = 0,45 R>un> = 0,45 470 = 211 МПа, где R>un> – нормативное сопротивление стали по временному сопротивлению, для листового проката толщиной 10…20 мм R>un> = 470 МПа (прил. 1); коэффициент проплавления β>z> = 1,05 (табл. 34* СНиП [2]); R>wz> β>z> = 211 1,05 = 221 МПа.
R>wf> β>f> < R>wz> β>z> (216 МПа < 221 МПа), поэтому расчётной является проверка по металлу шва.
Необходимая величина катета шва крепления опорного ребра с учётом ограничения по предельной длине шва (l>w> < 85 >f>> >k>f>):
,
где n = 2 (ребро приваривается двусторонними швами).
Минимальный катет шва определяем по прил. 3 в зависимости от толщины более толстого из свариваемых элементов: k>f,min> = 5 мм (соединение тавровое с двусторонними угловыми швами, стенка толщиной t>w> = 10 мм соединяется с ребром толщиной t>r> = 12 мм). Принимаем окончательно катет шва k>f> = 6 мм > k>f,min> .
Расчётная длина шва не должна превышать высоту стенки балки (с учетом 2 см на дефекты по концам шва):

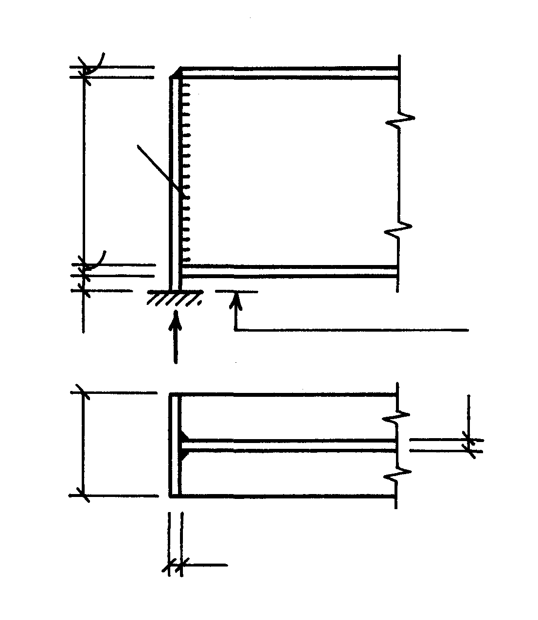
2. Сопряжение главной балки и балки настила
Сопряжение балок происходит в одном уровне и выполняется на болтах. Стенка балки настила прикрепляется к поперечному ребру жесткости главной балки, для этой цели предусматривается обрезка полок и части стенки балки (рис. 8).
Определение необходимого количества болтов
Для соединения используем болты нормальной точности, класса точности С, класса прочности 5.6, диаметром 20 мм (d>b> = 20 мм). Диаметр отверстия назначаем на 2 мм больше диаметра болта: d>0> = 22 мм.
Расчетное усилие, воспринимаемое одним болтом при его работе на срез:
,
где R>bs> – расчетное сопротивление болтов срезу; для болтов класса прочности 5.6
R>bs>> >= 190 МПа = 19 кН/см2 (табл. 58* СНиП [2]);
γ>b> – коэффициент условий работы болтового соединения; при установке нескольких болтов для учёта неравномерности их работы принимается γ>b> = 0,9 (табл. 35* СНиП [2]);
А>b> – расчётная площадь сечения болта; для болтов диаметром 20 мм А>b> = 3,14 см2 (табл. 62* СНиП [2]);
n>s> – число расчётных срезов болта; n>s> = 1 (односрезное соединение).
Расчетное усилие, воспринимаемое одним болтом из условия работы на смятие поверхности отверстия:

где t>min> – наименьшая суммарная толщина элементов, сминаемых в одном направлении; болты соединяют стенку балки настила толщиной d = 0,65 см (двутавр I30, см. п. 2) с ребром жёсткости толщиной t>h> = 0,8 см (см. п. 3), тогда t>min> = d = 0,65 см;
R>bp> – расчётное сопротивление смятию элементов, соединяемых болтами; определяется по табл. 59* СНиП [2] (см. ниже) в зависимости от сопротивления R>un> элемента, имеющего t>min>: для балки настила R>un> = 370 МПа (сталь С245), тогда R>bp> = 450 МПа = 45 кН/см2.
|
R>un>, МПа |
370 |
380 |
390 |
470 |
490 |
510 |
|
R>bp>, МПа |
450 |
465 |
485 |
675 |
690 |
735 |
Наименьшее значение расчетного усилия, воспринимаемого одним болтом:

Необходимое число болтов в соединении:
шт.,
где 1,2 – коэффициент, учитывающий возможное увеличение опорной реакции вследствие частичного защемления балки в закреплении;
D = Q>max> = 62,24 кН – опорная реакция балки настила (из п. 2).
Принимаем n = 2 (крепление на двух болтах).
Размещение болтов
Назначаем расстояния между центрами болтов и от центров болтов до края элемента (рис. 8).
скос ребра жёсткости 4060 мм для пропуска поясных швов и снижения усадочных напряжений
Рис. 8. Узел сопряжения главной балки и балки настила
скруглять углы для снижения концентрации напряжений
Таблица 4.1.
|
Расстояние |
между центрами болтов |
от центра болта до края элемента (вдоль усилия) |
|
Минимальное |
s>1> 2,5 d>b> = 2,520 = 50 мм |
s>2> 2 d>b> = 220 = 40 мм |
|
Максимальное |
s>1> 8 d>b> = 820 = 160 мм s>1> 12 t>min> = 125,4 = 64б8 мм |
s>2> 4 d>b> = 420 = 80 мм s>2> 8 t>min> = 85,4= 43,2 мм |
|
Принятое |
s>1> = 50 мм |
s>2> = 40 мм |
Высота стенки балки настила на участке размещения болтов (при двух болтах):
а>w> = s>1> + 2s>2> = 50 + 240 = 130 мм < h = 300 мм.
Проверка опорного сечения балки настила на срез
Срез ослабленного (отверстиями и вырезом полок) сечения балки настила не произойдёт, если выполняется условие:
,
где R>s>> >– расчетное сопротивление стали балки настила на срез; R>s> = 13,92 кН/см2 (из п. 2); d – толщина стенки балки настила; γ>с> – коэффициент условий работы; для учёта упругопластической работы материала соединяемых элементов принимается γ>с> = 1,1 (табл. 6* СНиП [2], поз. 8); l>s> – расчетная длина среза; при двух болтах (n = 2):
,
тогда

Если проверка не выполняется, устанавливают три болта, заново вычисляют а>w>, l>s>, :
а>w> = 2s>1> + 2s>2>=180; l>s> = a>w> – 3d>0>=180-3*22=1,14; =12,31
При необходимости уменьшают диаметр болта.
3. Соединение поясов балки со стенкой
Соединение поясов балки (толщина t>f> = 20 мм) со стенкой (толщина t>w> = 10 мм) осуществляется двусторонними (n = 2) поясными сварными швами; швы выполняются в заводских условиях автоматической сваркой.
Расчётное сопротивление металла шва R>wf> = 240 МПа (прил. 2); коэффициент проплавления β>f> = 1,1 (табл. 34* СНиП [2]); R>wf> β>f> = 240 1,1 = 264 МПа.
Расчётное сопротивление металла границы сплавления шва R>wz> = 0,45 R>un> = 0,45 470 = 211 МПа, где R>un> – нормативное сопротивление стали по временному сопротивлению, для более толстого элемента – пояса балки (толщ. 10…20 мм) R>un> = 470 МПа (прил. 1); коэффициент проплавления β>z> = 1,15 (табл. 34* СНиП [2]); R>wz> β>z> = 211 1,15 = 242 МПа.
R>wf> β>f> > R>wz> β>z> (264 МПа > 242 МПа), поэтому расчётной является проверка по металлу границы сплавления металла шва с основным металлом.
Сдвигающая сила, приходящаяся на 1 см длины балки (Q>max> принимается из п.3):
.
Сдвигающая сила стремится срезать поясные швы, поэтому сопротивление швов срезу должно быть не меньше силы Т, тогда необходимый катет шва:
.
Минимальная величина катета шва по табл. 38* СНиП [2] k>f,min> = 6 мм (вид соединения: тавровое с двусторонними угловыми швами; вид сварки: автоматическая; толщина более толстого свариваемого элемента – пояса балки 20 мм).
Принимаем k>f >= k>f,min> = 6 мм.
Предельная длина сварного шва в данном не ограничивается, так как усилие возникает на всём протяжении шва.
4. Стыки балок
Устраивать монтажный стык нет необходимости, т.к. длина балки L = 12 м < 18 м.
Заводские стыки располагаются в местах изменения ширины поясов балки. Листы верхнего (сжатого) пояса соединяются прямым стыковым швом, листы нижнего (растянутого) – наклонным с уклоном 1:2 (см. рис. 6).
5.Подбор и проверка сечения колонны
1. Формирование конструктивной и расчётной схемы
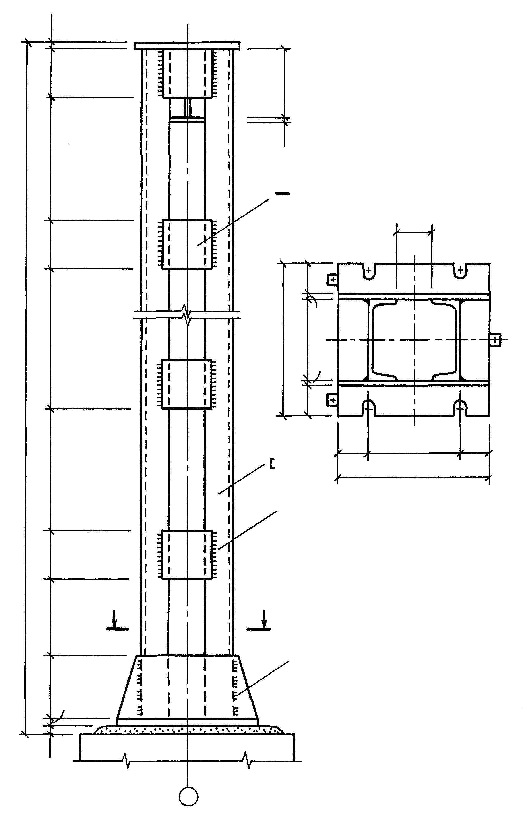
Колонна состоит из трёх основных частей: оголовка, стержня и базы (рис. 9,а). В расчётной схеме колонна представлена стержнем, шарнирно закреплённым по концам (рис. 9,б). Тип сечения колонны: сквозное из двух швеллеров (рис 9, в).
Высота колонны определяется как расстояние от верха фундамента до точки опирания главной балки:
H>k> = H – t – h – a>r> + h>f> = 8 500 – 10 – 1 940 – 15 + 800 = 8 335 мм,
где H – отметка верха настила рабочей площадки (по заданию) H = 9 м = 9 000 мм,
t – толщина настила; принимаем t = 10 мм; h – высота главной балки; h = 1290 мм (из п. 3);
a>r> – выступающая вниз часть опорного ребра; принимаем а>r> = 15 мм,
h>f> – заглубление фундамента относительно нулевой отметки пола; принимаем h>f> = 800 мм.

Рис. 9. Центрально-сжатая колонна:
а – конструктивная схема; б – расчётная схема; в – поперечное сечение.
2. Определение номера профиля
Задаём оптимальную величину гибкости колонны λ = 65.
По принятой величине гибкости и табл. прил. 6 определяем коэффициент продольного изгиба (сталь С345 – по заданию): для R>y> = 320 МПа
φ = (766 + 687)/2000 = 0,7265.
Требуемая площадь сечения ветви колонны из условия устойчивости:
,
R>y> назначается здесь уже для стали толщиной 10…20 мм.
Необходимый радиус инерции сечения:

где l>ef> – расчётная длина колонны; в соответствии с условиями закрепления> >l>ef> = H>k>.
По сортаменту подбираем подходящий номер профиля (по параметрам А>1> и i>x>) и выписываем его характеристики (если в сортаменте не оказывается подходящего швеллера, принимают двутавр):
Номер профиля: [33, площадь сечения: А>1> = 46,5 см2;
Радиусы инерции относительно осей х, у:
i>x> = 13,1 см; i>y>>1> = 2,97 см;
Моменты инерции относительно осей х, у:
J>x> = 7980 см4; J>y>>1> = 410 см4;
Геометрические размеры (см. рис 7, в):
h = 330 мм, b>f> = 105 мм, t>w> = 7 мм, t>f> = 11,7 мм, z>0> = 2,59 см.
Площадь всего сечения: А = 2А>1> = 2 46,5 = 93 см2.
Фактическая гибкость стержня колоны относительно материальной оси:
|
>x> |
R>y> |
||
|
280 |
320 |
315 |
|
|
60 |
785 |
766 |
768,4 |
|
70 |
724 |
687 |
691,6 |
|
63,62 |
|
|
740,6 |
.
Коэффициент продольного изгиба по прил. 6:
φ = 0,74 (по интерполяции ).
Проверка устойчивости колонны относительно материальной оси:
;
.
Проверка выполняется.
3. Проверка устойчивости ветви
Задаем оптимальную величину гибкости ветви: λ>1> = 30.
Расстояние между центрами планок определяется по условию равноустойчивости:
l>1> λ>1>i>y>>1> = 30 2,97 = 89,1 см;
принимаем l>1> = 90 см (кратно 10 мм).
Фактическая гибкость ветви:
< 40.
Коэффициент продольного изгиба ветви по прил. 6: φ>1> = 0,9166.
Нагрузка, приходящаяся на ветвь колонны: N>1> = N / 2 = 933,66 кН.
Проверка устойчивости ветви:
;
.
Проверка выполняется.
4. Определение расстояния между ветвями
Необходимая гибкость колонны относительно свободной оси:

Требуемый радиус инерции сечения:
.
Требуемая ширина сечения:
,
где >2> – отношение радиуса инерции к ширине сечения; определяется по справочной таблице (табл. 8.1 [3]): для сечения из двух швеллеров полками внутрь >2> = 0,44; из двух двутавров >2> = 0,50.
Для окраски внутренней поверхности колонны между полками ветвей необходимо обеспечить зазор не менее 10 см, поэтому ширина сечения также должна быть не менее
.
Окончательно принимаем ширину колонны b = 35 cм (кратно 10 мм).
Расстояние между центрами тяжестей ветвей: с>0> = b – 2z>0> = 35 – 22,59 = 29,82 cм,
Величина зазора между ветвями: b>0> = b – 2b>f> = 35 – 210,5 = 14 cм > 10 см.
Момент инерции сечения колонны относительно свободной оси:
.
Радиус инерции сечения:
.
Физическая гибкость:

Приведённая гибкость:
,
поэтому проверку устойчивости колонны относительно свободной оси можно не проводить.
Иначе определяется коэффициент продольного изгиба φ>y> по прил. 6 и выполняется проверка устойчивости колонны относительно свободной оси из условия:
.
5. Определение высоты оголовка колонны
Высота оголовка колонны определяется из условия прочности стенки швеллера на срез:
,
где 4 – расчётное число срезов (по 2 на каждой ветви); t>w> – толщина стенки швеллера; t>w> = 0,7 см;
R>s> – расчетное сопротивление стали на срез; R>s> = 0,58R>y> = 0,58 33,5 = 19,43 кН/см2.
Принимаем h>r> = 35 см (кратно 10 мм).
6. Определение площади опорной плиты базы колонны
Требуемая площадь опорной плиты определяется из условия сопротивления бетона фундамента местному сжатию:

где R>b> – расчётное сопротивление бетона класса В15 осевому сжатию; R>b> = 8,5 МПа = 0,85 кН/см2;
|
Класс бетона (по заданию) |
В12,5 |
В15 |
В20 |
|
R>b>, МПа |
7,5 |
8,5 |
11,5 |
φ>b> – коэффициент, учитывающий повышение прочности бетона за счёт включения в работу ненагруженной части фундамента; принимаем φ>b> = 1,2.
Размеры опорных плит в плане принимаются из двух условий:
из условия обеспечения требуемой площади, необходимой для обеспечения прочности бетона фундамента;
из конструктивных соображений, обусловленных необходимостью обеспечения величины свесов плиты не менее 5…6 см.
Длина плиты по конструктивным соображениям:
L = b + (10…12) cм = 35 + (10…12) cм = 45…47 cм;
принимаем L = 46 см (кратно 10 мм).
Необходимая ширина плиты:
по конструктивным соображениям:
В = h + 2t>tr> + (10…12) cм = 33 + 2 1,2 + (10…12) cм = 45,4…47,4 cм,
где t>tr> – толщина траверсы; принимаем t>tr> = 12 мм (обычно t>tr> = 10…14 мм);
по условию обеспечения требуемой площади:
;
принимаем В = 46 см (кратно 10 мм).
Толщина опорной плиты определяется из условия её работы на изгиб под действием реактивного отпора (давления) фундамента; в данной работе принимаем (условно) плиту толщиной 30 мм.
7. Расчёт сварных швов крепления траверсы к колонне
Принимаем высоту траверсы h>tr> = 40 см, тогда расчётная длина шва:
l>w> = h>tr> – 1 см = 40 – 1 = 39 см.
Требуемая величина катета шва:
,
где 4 – число швов крепления траверсы к колонне; при выполнении шва полуавтоматической сваркой расчёт осуществляется по металлу шва (см. п. 4): R>wf> = 240 МПа; β>f> = 0,9; R>wf> β>f> = 240 0,9 = 216 МПа.
Принимаем k>f >= 0,6 см; k>f> > k>f,min> = 0,5 cм (k>f,min >определяется по табл. 38 СНиП [2]).
Проверка по предельной длине шва:
l>w,max> = 85k>f> = 85 0,9 0,6 = 45,9 см > l>w> = 39 см.
Конструктивное решение колонны показано на рис. 10.
10 180 (k>f> l>w>)
k>f> = 6
1 1
1 – 1
b = 350
L = 460
55
55
b>0> = 140
200 200 10
33
Рис. 10. Конструктивное решение колонны сквозного сечения
b>1> = 200 мм (принято конструктивно);
60 + 30 + 400 + 200 + 20 = 710 мм;
m = [(H – 710)/l>1>)] – 2 =
= [(8335 – 710)/2] – 2 = 6,5;
принимаем m = 6;
h>1> = H – [l>1>(m + 2) + 710] =
= 8335 – [900(6 + 2) + 710] = 425 мм.
Список литературы
СНиП 2.01.07 – 85*. Нагрузки и воздействия / Госстрой России. – М.: ГУП ЦПП, 2001. – 44 с.
СНиП II-23-81*. Стальные конструкции / Госстрой России. – М.: ГУП ЦПП, 2001. – 96 с.
СП 53-102-2004. Общие правила проектирования стальных конструкций. – М., 2005. // www.complexdoc.ru
Металлические конструкции. Общий курс: учебник для ВУЗов. Под ред. Е.И. Беленя. – М.: Стройиздат, 1986. – 560 с.
Металлические конструкции. Общий курс: учебник для ВУЗов. Под ред. Г.С. Веденикова. – М.: Стройиздат, 1998. – 760 с.
Металлические конструкции. Общий курс: учебник для ВУЗов. Под ред. А.Ю. Кудишина. – М.: Академия, 2006.
Мандриков А.П. Примеры расчёта металлических конструкций. Учебное пособие для техникумов. – М.: Стройиздат, 1991. – 431 с.
Строительные конструкции: Учебник для ВУЗов / Под ред. В.П. Чиркова. – М.: ГОУ «Учебно-методический центр по образованию на железнодорожном транспорте», 2007. – 448 с.
Левитский В.Е. Металлические конструкции рабочей площадки: Методические указания к практическим занятиям для студентов специальности «Промышленное и гражданское строительство». – [Электронная версия].
Приложения
Приложение 1
Нормативные и расчётные сопротивления проката, МПа (по табл. 51* СНиП [2])
|
Марка стали |
Толщина проката, мм |
Нормативные |
Расчётные |
||||||
|
листового, широкополочного, универсального |
фасонного |
листового, широкополочного, универсального |
фасонного |
||||||
|
R>yn> |
R>un> |
R>yn> |
R>un> |
R>y> |
R>u> |
R>y> |
R>u> |
||
|
С 245 |
от 2 до 20 св. 20 до 30 |
245 - |
370 - |
245 235 |
370 370 |
240 - |
360 - |
240 230 |
360 360 |
|
С 255 |
от 4 до 10 св. 10 до 20 св. 20 до 40 |
245 245 235 |
380 370 370 |
255 245 235 |
380 370 370 |
240 240 230 |
370 360 360 |
250 240 230 |
370 360 360 |
|
С 275 |
от 2 до 10 св. 10 до 20 |
275 265 |
380 370 |
275 275 |
390 380 |
270 260 |
370 360 |
270 270 |
380 370 |
|
С 345 |
от 2 до 10 св. 10 до 20 св. 20 до 40 |
345 325 305 |
490 470 460 |
345 325 305 |
490 470 460 |
335 315 300 |
480 460 450 |
335 315 300 |
480 460 450 |
|
С 375 |
от 2 до 10 св. 10 до 20 св. 20 до 40 |
375 355 335 |
510 490 480 |
375 355 335 |
510 490 480 |
365 345 325 |
500 480 470 |
365 345 325 |
500 480 470 |
Примечания:
За толщину фасонного проката принимается толщина полки; минимальная его толщина 4 мм.
Чем больше толщина элемента, тем сильнее сказывается влияние дефектов структуры материала, поэтому сопротивления с увеличением толщины снижаются.
Если неизвестно, какой толщиной обладает рассчитываемый элемент, используется наиболее вероятное её значение, при котором расчётное сопротивление материала будет наименьшим.
Приложение 2
Материалы для сварки, соответствующие стали (по табл. 55*, 56 СНиП [2])
|
Марка стали |
Материалы для сварки |
R>wf> , МПа |
|
|
автоматической и полуавтоматической – сварочная проволока |
ручной - электроды |
||
|
С 245 С 255 С 275 |
Св – 08А |
Э42 |
180 |
|
С 345 С 375 |
Св – 10НМА |
240 |
|
|
Э50 |
215 |
Примечание. Указанные материалы применяются для выполнения сварных швов в конструкциях 2-й группы (балки перекрытий) и 3-й группы (колонны, элементы настила) в нормальных климатических районах строительства (не характеризующихся сильными морозами – ниже -40С).
Приложение 3
Минимальные катеты угловых сварных швов (табл. 38* СНиП [2])
|
Вид соединения |
Вид сварки |
Предел текучести стали, МПа (кгс/см2) |
Минимальные катеты швов k>f>, мм, при толщине более толстого из свариваемых элементов t, мм |
||||||
|
4–6 |
6–10 |
11–16 |
17–22 |
23–32 |
33–40 |
41–80 |
|||
|
Тавровое с двусторонними угловыми швами; нахлёсточное и угловое |
Ручная |
До 430 (4400) |
4 |
5 |
6 |
7 |
8 |
9 |
10 |
|
Св. 430 (4400) до 530 (5400) |
5 |
6 |
7 |
8 |
9 |
10 |
12 |
||
|
Автоматическая и полуавтоматическая |
До 430 (4400) |
3 |
4 |
5 |
6 |
7 |
8 |
9 |
|
|
Св. 430 (4400) до 530 (5400) |
4 |
5 |
6 |
7 |
8 |
9 |
10 |
||
|
Тавровое с односторонними угловыми швами |
Ручная |
До 380 (3900) |
5 |
6 |
7 |
8 |
9 |
10 |
12 |
|
Автоматическая и полуавтоматическая |
4 |
5 |
6 |
7 |
8 |
9 |
10 |
Приложение 4
Таблица 1 Предельные прогибы балок и настилов перекрытий (по табл. 19 СНиП [1])
|
Пролёт l, м |
l 1 |
l = 3 |
l = 6 |
l = 24 |
l = 36 |
|
Предельный прогиб f>u> |
l / 120 |
l / 150 |
l / 200 |
l / 250 |
l / 300 |
Примечание. Для промежуточных значений пролётов предельные прогибы определяются линейной интерполяцией. Ниже представлены вычисленные указанным образом значения предельных прогибов для пролётов, встречающихся в данной работе.
Таблица 2
|
Пролёт l, м |
l = 4 |
l = 5 |
l = 9 |
l = 12 |
l = 15 |
l = 18 |
l = 21 |
|
Предельный прогиб f>u> |
l / 167 |
l / 184 |
l / 209 |
l / 217 |
l / 225 |
l / 234 |
l / 242 |
Приложение 5
Сортамент листовой стали
|
Толщина листов, мм |
Ширина листов, мм |
Длина листов, мм |
||||||||||||
|
Сталь универсальная |
||||||||||||||
|
6; 8; 10; 12; 14; 16; 18; 20; 22; 25; 28; 30; 32; 36; 40 |
200; 210; 220; 240; 250; 260; 280; 300; 340; 360; 380; 400; 420; 450; 480; 530; 560; 630; 650; 670; 700; 800; 850; 900; 950; 1000; 1050. |
5 000–18 000 |
||||||||||||
|
Сталь толстолистовая |
||||||||||||||
|
6 |
1250 |
1400 |
1500 |
1600 |
1800 |
- |
- |
2800 |
3500 |
4500 |
5000 |
5500 |
6000 |
7000 |
|
8 |
1250 |
1400 |
1500 |
1600 |
1800 |
2000 |
2200 |
|||||||
|
10 |
1250 |
1400 |
1500 |
1600 |
1800 |
2000 |
2200 |
|||||||
|
12; 14; 16; 18; 20; 22; 25; 28 |
- |
1400 |
1500 |
1600 |
1800 |
2000 |
2200 |
4500 |
5000 |
5500 |
6000 |
7000 |
8000 |
- |
|
30; 32; 36; 40; 50; 60; 80; 100 |
- |
- |
1500 |
1600 |
1800 |
2000 |
2500 |
Приложение 6
Коэффициенты продольного изгиба центрально-сжатых элементов (табл. 72 СНиП [2])
|
Гиб-кость |
Коэффициенты для элементов из стали с расчетным сопротивлением R>y>,МПа (кгс/см2) |
|||||||||||
|
|
200 (2050) |
240 (2450) |
280 (2850) |
320 (3250) |
360 (3650) |
400 (4100) |
440 (4500) |
480 (4900) |
520 (5300) |
560 (5700) |
600 (6100) |
640 (6550) |
|
10 20 30 40 50 60 70 80 90 100 110 120 130 140 150 160 170 180 190 200 210 220 |
988 967 939 906 869 827 782 734 665 599 537 479 425 376 328 290 259 233 210 191 174 160 |
987 962 931 894 852 805 754 686 612 542 478 419 364 315 276 244 218 196 177 161 147 135 |
985 959 924 883 836 785 724 641 565 493 427 366 313 272 239 212 189 170 154 140 128 118 |
984 955 917 873 822 766 687 602 522 448 381 321 276 240 211 187 167 150 136 124 113 104 |
983 952 911 863 809 749 654 566 483 408 338 287 247 215 189 167 150 135 122 111 102 094 |
982 949 905 854 796 721 623 532 447 369 306 260 223 195 171 152 136 123 111 101 093 086 |
981 946 900 846 785 696 595 501 413 335 280 237 204 178 157 139 125 112 102 093 085 077 |
980 943 895 839 775 672 568 471 380 309 258 219 189 164 145 129 115 104 094 086 079 073 |
979 941 891 832 764 650 542 442 349 286 239 203 175 153 134 120 107 097 088 080 074 068 |
978 938 887 825 746 628 518 414 326 267 223 190 163 143 126 112 100 091 082 075 069 064 |
977 936 883 820 729 608 494 386 305 250 209 178 153 134 118 105 094 085 077 071 065 060 |
977 934 879 814 712 588 470 359 287 235 197 167 145 126 111 099 089 081 073 067 062 057 |
|
Примечание. Значение коэффициентов в таблице увеличены в 1000 раз. |
Приложение 7
Сортамент прокатной стали
|
|
Двутавры (ГОСТ 8239-89) |
||||||||||||
|
h – высота балки; b – ширина полки; d – толщина стенки; t – средняя толщина полки |
J – момент инерции; W – момент сопротивления; S – статический момент полусечения; i – радиус инерции |
||||||||||||
|
№ про- филя |
Площадь сечения А, см2 |
Размеры, мм |
Ось х-х |
Ось у-у |
Масса ед. дл., кг/м |
||||||||
|
h |
b |
d |
t |
J>x>, см4 |
W>x>, см3 |
i>x>, см |
S>x>, см3 |
J>y>, см4 |
W>y>, см3 |
i>y>, см |
|||
|
10 |
12,0 |
100 |
55 |
4,5 |
7,2 |
198 |
39,7 |
4,06 |
23 |
17,9 |
6,49 |
1,22 |
9,46 |
|
12 |
14,7 |
120 |
64 |
4,8 |
7,3 |
350 |
58,4 |
4,88 |
33,7 |
27,9 |
8,72 |
1,38 |
11,5 |
|
14 |
17,4 |
140 |
73 |
4,9 |
7,5 |
572 |
81,7 |
5,73 |
46,8 |
41,9 |
11,5 |
1,55 |
13,7 |
|
16 |
20,2 |
160 |
81 |
5,0 |
7,8 |
873 |
109 |
6,57 |
62,3 |
58,6 |
14,5 |
1,70 |
15,9 |
|
18 |
23,4 |
180 |
90 |
5,1 |
8,1 |
1290 |
143 |
7,42 |
81,4 |
82,6 |
18,4 |
1,88 |
18,4 |
|
20 |
26,8 |
200 |
100 |
5,2 |
8,4 |
1840 |
184 |
8,28 |
104 |
115 |
23,1 |
2,07 |
21,0 |
|
22 |
30,6 |
220 |
110 |
5,4 |
8,7 |
2550 |
232 |
9,13 |
131 |
157 |
28,6 |
2,27 |
24,0 |
|
24 |
34,8 |
240 |
115 |
5,6 |
9,5 |
3460 |
289 |
9,97 |
163 |
198 |
34,5 |
2,37 |
27,3 |
|
27 |
40,2 |
270 |
125 |
6,0 |
9,8 |
5010 |
371 |
11,2 |
210 |
260 |
41,5 |
2,54 |
31,5 |
|
30 |
46,5 |
300 |
135 |
6,5 |
10,2 |
7080 |
472 |
12,3 |
268 |
337 |
49,9 |
2,69 |
36,5 |
|
33 |
53,8 |
330 |
140 |
7,0 |
11,2 |
9840 |
597 |
13,5 |
339 |
419 |
59,9 |
2,79 |
42,2 |
|
36 |
61,9 |
360 |
145 |
7,5 |
12,3 |
13380 |
743 |
14,7 |
423 |
516 |
71,1 |
2,89 |
48,6 |
|
40 |
72,6 |
400 |
155 |
8,3 |
13,0 |
19062 |
953 |
16,2 |
545 |
667 |
86,1 |
3,03 |
57,0 |
|
45 |
84,7 |
450 |
160 |
9,0 |
14,2 |
27696 |
1231 |
18,1 |
708 |
808 |
101 |
3,09 |
66,5 |
|
50 |
100,0 |
500 |
170 |
10,0 |
15,2 |
39727 |
1598 |
19,9 |
919 |
1043 |
123 |
3,23 |
78,5 |
|
|
Швеллеры (ГОСТ 8240-89) |
|||||||||||||
|
h – высота швеллера; b – ширина полки; d – толщина стенки; t – средняя толщина полки |
J – момент инерции; W – момент сопротивления; S – статический момент полусечения; i – радиус инерции z>0> – расстояние от оси у-у до наружной грани стенки |
|||||||||||||
|
№ про- филя |
Площадь сечения А, см2 |
Размеры, мм |
Ось х-х |
Ось у-у |
Масса ед. дл., кг/м |
|||||||||
|
h |
b |
d |
t |
J>x>, см4 |
W>x>, см3 |
i>x>, см |
S>x>, см3 |
J>y>, см4 |
W>y>, см3 |
i>y>, см |
z>0>, см |
|||
|
5 |
6,16 |
50 |
32 |
4,4 |
7,0 |
22,8 |
9,10 |
1,92 |
5,59 |
5,61 |
2,75 |
0,954 |
1,16 |
4,84 |
|
6,5 |
7,51 |
65 |
36 |
4,4 |
7,2 |
48,6 |
15 |
2,54 |
9,0 |
8,7 |
3,68 |
1,08 |
1,24 |
5,90 |
|
8 |
8,98 |
80 |
40 |
4,5 |
7,4 |
89,4 |
22,4 |
3,16 |
13,3 |
12,8 |
4,75 |
1,19 |
1,31 |
7,05 |
|
10 |
10,9 |
100 |
46 |
4,5 |
7,6 |
174 |
34,8 |
3,99 |
20,4 |
20,4 |
6,46 |
1,37 |
1,44 |
8,59 |
|
12 |
13,3 |
120 |
52 |
4,8 |
7,8 |
304 |
50,6 |
4,78 |
29,6 |
31,2 |
8,52 |
1,53 |
1,54 |
10,4 |
|
14 |
15,6 |
140 |
58 |
4,9 |
8,1 |
491 |
70,2 |
5,60 |
40,8 |
45,4 |
11,0 |
1,70 |
1,67 |
12,3 |
|
16 |
18,1 |
160 |
64 |
5,0 |
8,4 |
747 |
93,4 |
6,42 |
54,1 |
63,3 |
13,8 |
1,87 |
1,80 |
14,2 |
|
18 |
20,7 |
180 |
70 |
5,1 |
8,7 |
1090 |
121 |
7,24 |
69,8 |
86,0 |
17,0 |
2,04 |
1,94 |
16,3 |
|
20 |
23,4 |
200 |
76 |
5,2 |
9,0 |
1520 |
152 |
8,07 |
87,8 |
113 |
20,5 |
2,20 |
2,07 |
18,4 |
|
22 |
26,7 |
220 |
82 |
5,4 |
9,5 |
2110 |
192 |
8,89 |
110 |
151 |
25,1 |
2,37 |
2,21 |
21,0 |
|
24 |
30,6 |
240 |
90 |
5,6 |
10,0 |
2900 |
242 |
9,73 |
139 |
208 |
31,6 |
2,60 |
2,42 |
24,0 |
|
27 |
35,2 |
270 |
95 |
6,0 |
10,5 |
4160 |
308 |
10,9 |
178 |
262 |
37,3 |
2,73 |
2,47 |
27,7 |
|
30 |
40,5 |
300 |
100 |
6,5 |
11,0 |
5810 |
387 |
12,0 |
224 |
327 |
43,6 |
2,84 |
2,52 |
31,8 |
|
33 |
46,5 |
330 |
105 |
7,0 |
11,7 |
7980 |
484 |
13,1 |
281 |
410 |
51,8 |
2,97 |
2,59 |
36,5 |
|
36 |
53,4 |
360 |
110 |
7,5 |
12,6 |
10820 |
601 |
14,2 |
350 |
513 |
61,7 |
3,10 |
2,68 |
41,9 |
|
40 |
61,5 |
400 |
115 |
8,0 |
13,5 |
15220 |
761 |
15,7 |
444 |
642 |
73,4 |
3,23 |
2,75 |
48,3 |

