Механизмы компрессора
КУРСОВОЙ ПРОЕКТ
на тему: «Механизмы компрессора»
1. Структурный анализ механизмов
1.1 Структурный анализ рычажного механизма

Рисунок 1.1. Подвижные звенья механизма
1-кривошип
2-шатун
3-ползун
4-шатун
5-ползун
Кинематические пары.
О (0-1),вр.,5 кл.
А (1-4),вр.,5 кл.
А'(1-2),вр.,5 кл.
В (2-3),вр.,5 кл.
В'(3-0),пост.,5 кл.
С (4-5),вр.,5 кл.
С'(5-0),пост.,5 кл.
Найдём число степеней свободы.
Запишем формулу Чебышева.
W=3∙n-2∙P>5>-P>4 > (1.1)
Где, W-число степеней свободы,
n-число подвижных звеньев,
P>4 >- число пар 4-го класса,
P>5 >- число пар 5-го класса.
W=3∙5-2∙7=1
Число степеней свободы рычажного механизма равно 1.
Разобьём механизм на группы Асура и рассмотрим каждую группу в отдельности.
Г
руппа
2-3 (Рисунок 1.2)
A'(1-2)-внешняя
B'(3-0)-внешняя
B (2-3)-внутренняя
W=3∙2-2∙3=0
II кл. 2 вид Рисунок 1.2
Г
руппа
4-5 (Рисунок 1.3)
А (1-4)-внешняя
С' (5-0)-внешняя
C (4-5)-внутренняя
W=3∙2-2∙3=0
II кл. 2 вид

O (0-1)
W=3-2=1
Рисунок 1.4
Составим структурную
формулу:

Механизм является механизмом 2кл.,2в..
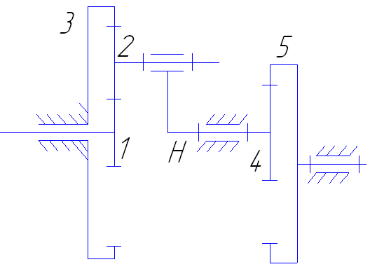
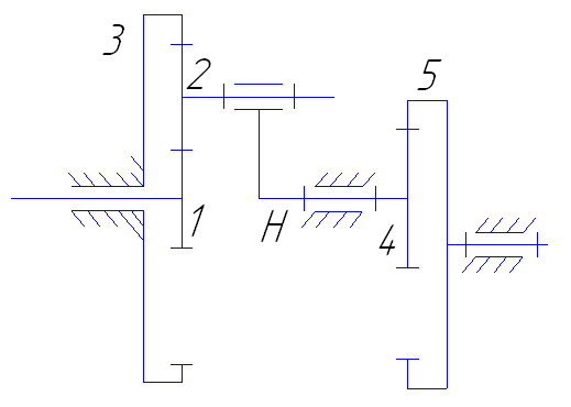
1.2 Структурный анализ зубчатого механизма

Рисунок 1.5. Подвижные звенья механизма
1 – центральное колесо
2 – сателлит
3 – зубчатое колесо
H – водило
4 – зубчатое колесо
5 – зубчатое колесо
Кинематические пары.
(1-0),вр.,5 кл.
(5-0),вр.,5 кл.
(2-H),вр.,5 кл.
(4-0),вр.,5 кл.
(1-2),вр.,4 кл.
(2-3),вр.,4 кл.
(4-5),вр.,4 кл.
Найдём число степеней свободы.
Исходя из формулы Чебышева имеем,
W=3∙4-2∙4-3=1
Число степеней свободы зубчатого механизма равно 1, следовательно, данный механизм является планетарным.
1.3 Структурный анализ кулачкового механизма

Рисунок 1.6. Подвижные звенья механизма
1-кулачок
2-ролик
3-коромысло
Кинематические пары.
О (1-0),вр.,5 кл.
А (3-0),вр.,5 кл.
В (2-3),вр.,5 кл.
С (1-2),пост.,4 кл.
Найдём число степеней свободы.
W=3∙n-2∙P>5>-P>4 >
W=3∙3-2∙3-1=2
Число степеней свободы равно 2.
Так как W≠1, то присутствует лишнее звено - ролик.
2. Динамический анализ рычажного механизма
2.1 Определение скоростей
Для заданной схемы механизма строим 12 положений.
Определяем масштабный коэффициент построения механизма:
(2.1)
где,
- масштабный коэффициент,

- длина звена,

- длина звена на чертеже,



Запишем длинны звеньев механизма на чертеже




Приступаем к построению повёрнутых планов скоростей для каждого положения. Рассмотрим пример построения для положения №5:
У кривошипа определяем скорость точки А
(2.2)
где,
- длина звена,

- угловая скорость кривошипа,





Для построения вектора скорости точки А определяем масштабный коэффициент
(2.3)
где,
- скорость точки А,

- вектор скорости точки А,

- полюс, выбираемый произвольно


Для определения скорости точки B запишем систему уравнений:
(2.4)


- из задания
Для определения скорости центра масс 2-го звена S>2> воспользуемся соотношением:
(2.5)
где,
,
-
расстояния между соответствующими
точками на механизме, м
,
- длинны векторов скоростей на плане,
мм
мм
Соединив, точку
и π получим скорость центра масс второго
звена.


Для определения скорости точки C запишем систему уравнениё:
(2.6)


- из задания
Для определения скорости центра масс 4-го звена S>4> воспользуемся соотношением:
(2.7)
где,
,
-
расстояния между соответствующими
точками на механизме, м
,
- длинны векторов скоростей на плане,
мм
мм
Соединив, точку
и π получим скорость центра масс второго
звена.


Определим значения угловых скоростей звеньев.




Направление
определяем, перенеся вектор ab
в точку S>2>
– второе звено вращается против часовой
стрелки. Аналогично получим, что
направлена по часовой стрелке.
Скорости точек остальных положений определяются аналогичным образом. Все значения сводим в таблицу(2.1).
Таблица 2.1 – Значения линейных и угловых скоростей
|
N положения |
V>B>=V>S3,>
|
V>S2,>
|
V>С>=V>S5,>
|
V>S>>4>>,>
|
V>BA>= V>CA,>
|
|
|
1 |
0 |
5,58 |
0 |
5,58 |
8,37 |
33,48 |
|
2 |
5,36 |
6,66 |
3,01 |
6,14 |
7,34 |
29,37 |
|
3 |
8,46 |
8,14 |
6,04 |
7,39 |
4,36 |
17,42 |
|
4 |
8,37 |
8,37 |
8,37 |
8,37 |
0 |
0 |
|
5 |
6,04 |
7,39 |
8,46 |
8,14 |
4,36 |
17,42 |
|
6 |
3,01 |
6,14 |
5,36 |
6,66 |
7,34 |
29,37 |
|
7 |
0 |
5,58 |
0 |
5,58 |
8,37 |
33,48 |
|
8 |
3,01 |
6,14 |
5,36 |
6,66 |
7,34 |
29,37 |
|
9 |
6,04 |
7,39 |
8,46 |
8,14 |
4,36 |
17,42 |
|
10 |
8,37 |
8,37 |
8,37 |
8,37 |
0 |
0 |
|
11 |
8,46 |
8,14 |
6,04 |
7,39 |
4,36 |
17,42 |
|
12 |
5,36 |
6,66 |
3,01 |
6,14 |
7,34 |
29,37 |
2.2 Определение приведённого момента инерции звеньев
Приведённый момент инерции определяется по формуле:
(2.8)
где,
- масса i-го
звена рычажного механизма, кг
- линейная скорость центра масс
i-го
звена,
- угловая скорость i-го
звена,

- приведённый момент инерции
i-го
звена по отношению к центру масс
(2.9)
- для звена, совершающего сложное
движение
- для звена, совершающего
вращательное или колебательное движения
- для звена, совершающего
поступательное движение
Запишем формулу для нашего механизма:
(2.10)
Для 5-го положения
приведём расчёт, а для остальных положений
сведём значение
в таблицу 2.2
кг∙м2
кг∙м2
кг∙м2
Записав формулу (2.11) для положения №5 и подставив известные величины, получим:
Таблица 2.2 – Приведённые моменты инерции
|
N положения |
|
N положения |
|
|
1 |
0,0592 |
7 |
0,0592 |
|
2 |
0,0886 |
8 |
0,0886 |
|
3 |
0,1441 |
9 |
0,1441 |
|
4 |
0,1701 |
10 |
0,1701 |
|
5 |
0,1441 |
11 |
0,1441 |
|
6 |
0,0886 |
12 |
0,0886 |
Для построения графика приведённого момента инерции необходимо Рассчитать масштабные коэффициенты.
,
(2.11)
где,
- масштабный коэффициент по оси

- максимальное значение
,
кг∙м2
- значение
на графике, мм


,
(2.12)
где,
- масштабный коэффициент по оси φ
- принятая длинна одного оборота
по оси φ

2.3 Определение приведённого момента сопротивления
Определим максимальную
силу
,
которая действует на ползун В по следующей
формуле:
(2.13)
где,
-
Максимальное индикаторное давление,

- диаметр поршня,



Определим расстояние
от оси
до графика по формуле (2.14)


На планах скоростей прикладываем все силы, действующие на механизм, и указываем их плечи. Составляем сумму моментов относительно полюса и решаем уравнение.
Для 1-го положения:
(2.14)
где,
плечи соответствующих сил, снятые с
плана скоростей, мм.
H,
,
во всех положениях
H
Находим момент привидения:
(2.15)
где,
- приведённая сила, Н
- длина соответствующего звена,
м
Н∙м
Для 2-го положения:
H
Н∙м
Для 3-го положения:
H
Н∙м
Для 4-го положения:
H
Н∙м
Для 5-го положения:
H
Н∙м
Для 6-го положения:
H
Н∙м
Для 7-го положения:
H
Н∙м
Для 8-го положения:
H
Н∙м
Для 9-го положения:
H
Н∙м
Для 10-го положения:
H
Н∙м
Для 11-го положения:
H
Н∙м
Для 12-го положения:

H
Н∙м
Все значения сводим в таблицу.
Таблица 2.4 – Приведённые моменты сопротивления
|
N положения |
|
N положения |
|
|
1 |
8,88 |
7 |
8,88 |
|
2 |
650,08 |
8 |
634,72 |
|
3 |
180,7 |
9 |
171,81 |
|
4 |
681,01 |
10 |
681,01 |
|
5 |
1665,43 |
11 |
1674,32 |
|
6 |
1242,3 |
12 |
1257,69 |
Определяем масштабный коэффициент построения графика моментов сопротивления:
,
(2.16)
где,
- масштабный коэффициент по оси

- максимальное значение
,

- значение
на графике, мм


По данным расчёта
строится график
.
Путём графического
интегрирования графика приведённого
момента строится график работ сил
сопротивления
.
График работ движущих
сил
получаем в виде прямой, соединяющей
начало и конец графика работ сил
сопротивления.
Масштабный коэффициент графика работ:
,
(2.17)
где, Н – полюсное расстояние для графического интегрирования, мм
Н=60мм


Момент движущий
является величиной постоянной и
определяется графически.


Путём вычитания
ординат графика
из соответствующих ординат
строится график изменения кинетической
энергии
.
(2.18)


По методу Ф. Витенбауэра
на основании ранее построенных графиков
и
строим диаграмму энергия-масса
.
Определяем углы
и
под которыми к диаграмме энергия-масса,
проводятся касательные.
(2.19)
(2.20)
где,
- коэффициент неравномерности вращения
кривошипа.





Из чертежа определим


Определяем момент инерции маховика
,
(2.21)


Маховик устанавливается на валу звена приведения.
Определим основные параметры маховика.
,кг
(2,22)
где,
- масса маховика, кг
- плотность материала,
(материал-Сталь 45)
- ширина маховика, м
- диаметр маховика, м
,м
(2,23)
где,
- коэффициент (0,1÷0,3),

м
м
кг
3. Силовой анализ рычажного механизма
3.1 Построение плана скоростей для расчётного положения
Расчётным положением является положение №11. Построение плана скоростей описано в разделе №2. Масштабный коэффициент плана скоростей


3.2 Определение ускорений
Определяем угловое ускорение звена 1.
,
(3.1)
где,
- момент от сил движущих,

- момент от сил сопротивления,

- приведённый момент инерции
маховика,

- приведённый момент инерции
рычажного механизма для расчётного
положения,

- первая производная от приведённого
момента инерции механизма для расчётного
положения
,
(3.2)
где,
- масштабный коэффициент по оси
,

- масштабный коэффициент по оси
φ,

- угол между касательной,
проведённой к кривой графика
в расчётном положении и осью φ.



Знак минуса говорит
о том, что кривошип ОА замедляется.
Направляем
против направления
и берём значение ускорения по модулю.
Строим план ускорений для расчётного положения.
Скорость точки А определяем по формуле
,
(3.3)
где,
- ускорение точки А,

- нормальное ускорение точки А
относительно точки О,

- тангенциальное (касательное)
ускорение точки А,

Ускорение
найдём по формуле:
,
(3.4)
где,
- угловая скорость кривошипа,

- длина звена ОА, м


Ускорение
найдём по формуле:
,
(3.5)


Из произвольно
выбранного полюса
откладываем
вектор
длиной
100 мм. Найдём масштабный коэффициент
плана скоростей.
,
(3.6)


Определим длину
вектора
:

Ускорение точки А определим из следующеё формулы:


Определим ускорение точки B из следующей системы уравнений:
,
(3.7)
Для определения нормальных ускорений точки В относительно точек А и С
Воспользуемся следующими формулами:


Определим длину
векторов
:


Ускорение направляющей
равно
нулю, т.к. она неподвижна.
Кореолисово ускорение
точки В относительно направляющей
рано
нулю, т.к. точка В движется только
поступательно относительно
.
Ускорение точки В найдём, решив системе (3.7) векторным способом:
Из вершины вектора
ускорения точки А (
)
откладываем вектор
(параллелен звену АВ и направлен от В к
А), из вершины вектора
проводим прямую
перпендикулярную звену АВ (линия действия
);
из полюса
проводим
горизонтальную прямую (линия действия
);
на пересечении линий действия векторов
и
получим точку b,
соединив полученную точку с полюсом,
получим вектор ускорения точки В.
Из плана ускорений
определяем вектор ускорения точки В и
вектор тангенциального ускорения
:




Ускорение сочки С определяем аналогично ускорению точки B.


Определим длину
векторов
:




Из полученных тангенциальных ускорений найдём угловые ускорения 2-го и 3-го звеньев:


Определим ускорения центров масс звеньев:
Ускорение центра
масс 2-го звена
найдём из соотношения (3.10)
(3.8)
Из плана ускорений
мм
мм
мм


Ускорение центра
масс 4-го звена
найдём из соотношения (3.11)
(3.9)
Из плана ускорений
мм
мм
мм


Ускорения центров масс 3-го и 5-го звеньев равны ускорениям точек D и D’ соответственно:




Значения всех ускорений сведём в таблицу:
Таблица 3.1 – Ускорения звеньев
|
Ускорение точек механизма |
Значение,
|
Ускорение центров масс и угловые ускорения |
значение,
|
|
|
|
|
|
|
|
|
|
|
|
|
|
|
|
|
|
|
|
|
|
|
|
|
|
|
|
|
|
|
|
|
|
|
|
|
|
|
--- |
--- |
|
|
|
--- |
--- |
3.3 Определение сил и моментов инерции звеньев
Силы инерции определяем по формуле:
(3.10)
где.
- масса i-го
звена, кг;
- ускорение центра масс i-го
звена,









Определяем моменты инерции звеньев:
(3.11)
где,
- момент инерции i-го
звена,
- момент инерции i-го
звена относительно центра масс,

- угловая скорость i-го
звена,







Рассчитаем силу тяжести каждого звена:










3.4 Определение реакций в кинематических парах и уравновешивающей силы методом планов
Рассмотрим группу Асура 2-3:
Найдём тангенциальную реакцию из следующего уравнения:
(3.12)
Из уравнения (3.12) получим

С помощью плана сил
определим неизвестные реакции
и
:

Найдём масштабный коэффициент


Из плана сил определяем значения неизвестных сил:




Реакцию
определяем из следующего векторного
уравнения



найдём
из векторного уравнения
,
отсюда


Таблица 3.3 – Силы и вектора сил 2-го и 3-го звеньев
|
|
|
|
|
|
|
|
|
|
|
|
|
9196,598 |
2149,35 |
9444,472 |
6572,285 |
83,3 |
384,65 |
47,04 |
2981,904 |
1370,979 |
|
|
279,86 |
65,4 |
287,4 |
200 |
2,53 |
11,7 |
1,43 |
90,74 |
41,72 |
Рассмотрим группу Асура 4-5:
Найдём тангенциальную реакцию из следующего уравнения:
(3.13)
Из уравнения (3.13) получим

С помощью плана сил
определим неизвестные реакции
и
:

Найдём масштабный коэффициент


Из плана сил определяем значения неизвестных сил:




Реакцию
определяем из следующего векторного
уравнения



найдём
из векторного уравнения
,
отсюда


Таблица 3.3 – Силы и вектора сил 2-го и 3-го звеньев.
|
|
|
|
|
|
|
|
|
|
|
|
|
13499,197 |
3550,439 |
13958,357 |
7378,425 |
83,3 |
24183,7 |
47,04 |
4432,944 |
3459,338 |
|
|
365,91 |
96,24 |
378,356 |
200 |
2,25 |
655,524 |
1,27 |
120,159 |
93,769 |
Рассмотрим начальный механизм.
Определим
уравновешивающую силу




Уравновешивающий момент равен


Реакцию
определяем
графически



Из плана сил находим


3.5 Определение уравновешивающей силы методом Жуковского
Для этого к повёрнутому
на
плану скоростей в соответствующих
точках прикладываем все внешние силы
действующие на механизм, не изменяя их
направления. Моменты раскладываем на
пару сил, изменив их направления.
,
(3.14)
где,
и
- пара сил,

- момент инерции i-го
звена,

- длина i-го
звена,







Записываем уравнение
моментов сил
относительно полюса
:
,
отсюда

Уравновешивающий момент равен


3.6 Расчёт погрешности 2-х методов
,
(3.15)
где,
- сила полученная методом Жуковского,

- сила полученная методом планов,

- погрешность,


4. Проектирование кинематической схемы планетарного редуктора и расчёт эвольвентного зацепления
4.1 подбор числа зубьев и числа сателлитов планетарного редуктора

Рисунок 4.1
Определим неизвестное число зубьев 3-го колеса из условия соосности:
(4.1)
где,
- число зубьев 1-го колеса
- число зубьев 2-го колеса

Определим передаточное
отношение
(4.2)
где,
- передаточное отношение от 1-го звена
к водилу, при неподвижном третьем звене
- передаточное отношение от 4-го
звена к пятому
(4.3)
где,
- число зубьев 4-го колеса
- число зубьев 5-го колеса

(4.4)
где,
- передаточное число от 1-го ко 3-му колесу
при неподвижном водиле
(4.5)
где,
- передаточное число от 1-го ко 2-му колесу
- передаточное число от 2-го ко
3-му колесу



Проверяем условие соседства:
(4.6)
где,
- число сателлитов планетарного механизма
Из формулы (4.4) выразим K
Примем


- условие соседства выполняется
Проверяем условие сборки
(4.7)
где,
- сумма чисел зубьев в одной из ступеней
механизма
- целое число
- условие сборки выполняется
4.2 Исследование планетарного механизма графическим и аналитическим способом
Рассчитаем радиусы колёс
(4.8)
где,
- радиус колеса,

- модуль











Изображаем механизм в выбранном масштабе

(4.9)
Определим радиусы колёс на схеме










Строим план линейных скоростей. Для построения прямой распределения скоростей точек звена необходимо знать скорости двух точек. Для 1-го звена это точки А и О. Скорость точки О равна нулю, так как ось неподвижна. Скорость точки А определим по формуле
(4.10)
где,
- угловая скорость 1-го звена,

Угловую скорость 1-го звена определим по формуле
(4.11)
где,
- частота вращения двигателя,





Определим угловую скорость вращения водила и второго зубчатого колеса




Вектор скорости
точки А
изображаем в виде отрезка Aa.
Принимаем
.
Определим масштабный коэффициент
(4.12)
где,
- масштабный коэффициент скорости,



Прямая Оа является линией распределения скоростей точек 1-го звена.
Скорость точки В равна нулю, так как колесо 3 неподвижно.
Прямая Оb является линией распределения скоростей тачек водила.
Строим план угловых скоростей.
Из произвольно выбранной точки Р строим пучок лучей, параллельных прямым Оа, Оb и Eb. При пересечении этих прямых с горизонтальной осью расположенной от точки Р на произвольном расстоянии РS, получим отрезки S1, S5 и SH, которые являются аналогами угловых скоростей.
Найдём передаточное отношение
(4.13)

Рассчитаем погрешность двух методов
(4.14)
где,
- передаточное отношение, заданное в
условии
- передаточное отношение найденное
с помощью плана угловых скоростей

4.3 Расчёт параметров зубчатых колёс
Рассчитываем смещение колёс
Так как
,
то

Так как
,
то

Коэффициент суммы смещений
(4.15)
где,
- смещение 1-го колеса
- смещение 2-го колеса

Определим угол зацепления по формуле
(4.16)
где,
,
- эвольвентная функция углов
и



Межосевое расстояние определим по формуле
(4.17)
где,
- модуль зубчатой передачи


Определим делительные диаметры
(4.18)




Делительное межосевое расстояние
(4.19)


Коэффициент воспринимаемости смещения
(4.20)
где,
- межосевое расстояние,

- делительное межосевое расстояние,


Коэффициент уравнительного смещения
(4.21)

Определим радиусы начальных окружностей
(4.22)




Радиусы вершин зубьев
(4.23)
где,
- коэффициент высоты головки зуба




Радиусы впадин зубьев
(4.24)
где,
- коэффициент радиального зазора




Высота зуба
(4.25)




Толщины зубьев по делительной окружности
(4.26)




Радиусы основных окружностей
(4.27)




Углы профиля в точке на окружности вершин
(4.28)


Толщины зубьев по окружности вершин
(4.29)


Проверим зубья на заострение
(4.30)
Зубья удовлетворяют условию
заострения
Угловой шаг зубьев
(4.31)


4.4 Определение коэффициента относительного скольжения
Для 1-го колеса:
(4.32)
где,
- коэффициент относительного скольжения
1-го зубчатого колеса
- передаточное отношение от
второго колеса к первому
- длина теоретической линии
зацепления
- переменное расстояние от точки
к точке

и

Для 2-го колеса:
(4.33)
Определим масштабный коэффициент относительного скольжения

Результаты сводим в таблицу
Таблица 4.1 – Коэффициенты скольжения
|
|
|
|
|
|
|
0 |
|
|
1 |
25 |
|
20 |
-8,2605 |
-206,51 |
0,892014 |
22,3 |
|
40 |
-3,13025 |
-78,26 |
0,757884 |
18,95 |
|
60 |
-1,42017 |
-35,50 |
0,586805 |
14,67 |
|
80 |
-0,56513 |
-14,13 |
0,361073 |
9,03 |
|
100 |
-0,0521 |
-1,3 |
0,04952 |
1,24 |
|
120 |
0,289917 |
7,25 |
-0,40829 |
-10,21 |
|
140 |
0,534214 |
13,36 |
-1,14691 |
-28,67 |
|
160 |
0,717438 |
17,94 |
-2,53904 |
-63,48 |
|
180 |
0,859944 |
21,5 |
-6,14002 |
-153,5 |
|
200 |
0,97395 |
24,35 |
-37,3877 |
-934,69 |
|
224,28 |
1 |
25 |
|
|
4.5 Определение коэффициента перекрытия зубчатой передачи графическим и аналитическим способом
Коэффициент перекрытия зубчатой передачи определяем (графически) по формуле
(4.34)
где,
- длина активной линии зацепления
- основной шаг,

Для определения коэффициента перекрытия зубчатой передачи аналитически воспользуемся формулой
(4.35)
где,
- углы профиля в точке на окружности при
вершине
- угол зацепления

5. Синтез кулачкового механизма
5.1 Вычисление масштабных коэффициентов диаграмм движения толкателя
После построения и графического интегрирования заданного графика аналога ускорения толкателя мы получили диаграмму аналога скорости толкателя, которую также графически интегрируем, в результате также получаем диаграмму аналога пути толкателя.
Исходя из диаграммы пути, определяем масштабные коэффициенты на фазе удаления и фазе возврата. Воспользуемся для этого формулой
(5.1)
где,
- масштабный коэффициент для графика
пути,

- ход толкателя,

- максимальное значение пути,

Для фазы удаления


Для фазы возврата


Определим масштабный
коэффициент по углу
(5.2)
где,
- рабочая фаза,

- расстояние между 1-й и 18-й точками
на чертеже.





Определим масштабные коэффициенты для диаграммы скорости
(5.3)
где,
- масштабный коэффициент скорости,

- полюсное расстояние на диаграмме
скорости,

Для фазы удаления


Для фазы возврата


Определим масштабные коэффициенты для аналога ускорения
(5.4)
где,
- масштабный коэффициент ускорения,

- полюсное расстояние на диаграмме
ускорения,

Для фазы удаления


Для фазы возврата


5.2 Определение минимального радиуса кулачка
Для его нахождения
исходными данными являются график пути
и график скоростей
и
,
ход толкателя
,
угол давления
,
эксцентриситет

На основании этих
данных строится зависимость
.
По оси
откладываются расстояния пути, которые
берутся с графика пути в определённом
масштабе, т.к. у нас разные масштабы на
фазе удаления и фазе возврата, то мы
должны привести их к одному.
Найдём поправочные коэффициенты
(5.5)
где,
- поправочный коэффициент
- новый масштабный коэффициент,
одинаковый для оси
и
,
он принимается произвольно.


Через полученные
точки на линии параллельной
откладываем отрезки аналогов скоростей
для соответствующего интервала, взятые
с графика скорости.
Отрезок скорости приводится к тому же масштабу, что и графики пути.
Определим поправочные коэффициенты
(5.6)
где,
- поправочный коэффициент


После построения
получили некоторую кривую, к ней под
углом
проводим касательные.
Из области выбора
центра
выбираем с учётом масштаба

.
5.3 Определение углов давления
Найдём зависимость
угла давления
от угла
.
(5.7)
где,
- угол давления,

- расстояние
,

- длина коромысла АВ,

- отрезок скорости,

- угол между отрезком АВ и расчётной
прямой на чертеже,

Произведём расчёт
при



Остальные значения угла давления определяем аналогично, и результаты сносим в таблицу
Таблица 5.1 – Углы давления
|
|
0 |
14,37 |
27,75 |
43,12 |
57,5 |
71,87 |
86,25 |
100,62 |
115 |
|
|
-13,56 |
13,91 |
30,29 |
35,8 |
35,27 |
32,23 |
26,84 |
19,45 |
10,04 |
|
|
135 |
152,5 |
170 |
187,5 |
205 |
222,5 |
240 |
257,5 |
275 |
|
|
10,04 |
-0,31 |
-10,52 |
-19,58 |
-27,28 |
-34,7 |
-36,88 |
-30,67 |
-13,56 |
При построении используем следующие масштабные коэффициенты


5.4 Построение центрового и действительного профиля кулачка
Определим полярные координаты для построения центрового профиля кулачка.
(5.8)
где,
- радиус вектор,

- отрезок пути,

(5.9)


(5.10)
Рассчитываем
и
для положения 5




Все
остальные значения сводим в таблицу
Таблица 5.2 – Значения полярных координат
|
Полож |
1 |
2 |
3 |
4 |
5 |
6 |
7 |
8 |
9 |
|
|
0 |
14,37 |
28,75 |
43,12 |
57,5 |
71,87 |
86,25 |
100,62 |
115 |
|
|
20 |
21,24 |
24,7 |
29,89 |
36 |
42,11 |
47,3 |
50,76 |
52 |
|
Полож |
10 |
11 |
12 |
13 |
14 |
15 |
16 |
17 |
18 |
|
|
135 |
152,5 |
170 |
187,5 |
205 |
222,5 |
240 |
257,5 |
275 |
|
|
52 |
50,58 |
46,96 |
41,85 |
36 |
29,53 |
25,04 |
21,42 |
20 |
Определим масштабный коэффициент для построения кулачка


По полученным
значениям
и
строим центровой профиль кулачка. Для
этого в масштабе
проводим окружность радиусом
.
От радиуса
в направлении противоположном вращению
кулачка, отложим полярные углы
,
на сторонах которых отложим
.
Соединив плавной кривой концы
радиусов-векторов получим центровой
профиль кулачка.
Действительный профиль кулачка найдём, как кривую, отстоящую от центрового профиля на расстоянии, равном радиусу ролика.
Определим радиус ролика
(5.11)
где,
- радиус ролика,



(5.12)
где,
- радиус кривизны профиля кулачка,
определяется графически
Радиус кривизны
профиля кулачка приближённо определяется
как радиус вписанной окружности участка
кулачка, где его кривизна кажется
наибольшей. На этом участке произвольно
выбираются точки
.
Точку
соединим с точками
и
.
К серединам получившихся хорд восстановим
перпендикуляры, точку пересечения
которых примем за центр вписанной
окружности.


Принимаем


На центровом профиле кулачка выбираем ряд точек, через которые проводим окружность с радиусом ролика. Огибающая эти окружности является действительным профилем кулачка.
Литература
Артоболевский И.И. Теория механизмов и машин; Учеб. для втузов. – 4-е изд., перераб. и доп. – М.: Наука. 1988;
Девойно Г.Н. Курсовое проектирование по теории механизмов и машин. 1986.

=
,
кг∙м2
,
















































,
,



