Нормирование точности соединений деталей машин
КУРСОВОЙ ПРОЕКТ
на тему:
«Нормирование точности соединений деталей машин»
Содержание
Задание
1. Гладкие сопряжения и калибры
1.1 Гладкие сопряжения
1.2 Калибры
2. Шероховатость, отклонение формы и расположения поверхностей
3. Резьбовые соединения
4. Подшипники качения
5. Шпоночные и шлицевые соединения
6. Размерные цепи
6.1 Составление схемы размерной цепи
6.2 Расчёт подетальной размерной цепи методом максимума и минимума
6.3 Сложение и вычитание размеров и предельных отклонений
6.4 Расчёт подетальной размерной цепи методом максимума-минимума. Проектная задача
6.5 Расчёт подетальной размерной цепи вероятностным методом. Проектная задача
6.6 Замена размеров в размерной цепи
7. Зубчатые передачи
Приложние
Литература
1. Гладкие сопряжения и калибры
1.1 Гладкие сопряжения
Исходные данные для варианта №50:
|
Ø67 H7/e8 |
|
Ø55 Н8/r6 |
|
Ø28 H7/m6 |
|
Ø13 D9/h8 |
|
Ø38 T7/h7 |
|
Ø19 E9/e9 |
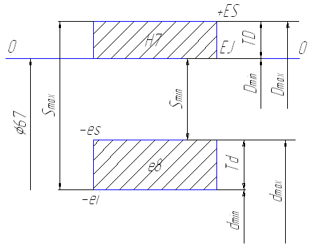
Задана посадка Ø67 H7/e8. Предельное отклонение отверстия Ø67 H7: верхнее ES=30мкм; нижнее EJ=0мкм. Предельное отклонение вала: верхнее es=-66мкм; нижнее ei=-106мкм.
Предельные размеры отверстия и вала:

,

,

,

.
Допуски размеров отверстия и вала:

,

.
Параметры посадки с зазором:

,

,

.
Проверка:
,

Изобразим схему посадки Ø67 H7/e8 на Рисунке 1.1.

Рисунок 1.1
Задана посадка Ø55 H8/r6. Предельное отклонение отверстия Ø55 H8: верхнее ES=46мкм; нижнее EJ=0мкм. Предельное отклонение вала: верхнее es=60мкм; нижнее ei=41мкм.
Предельные размеры отверстия и вала:

,

,

,

.
Допуски размеров отверстия и вала:

,

.
Параметры переходной посадки:

,

,

.
Проверка:
,

Изобразим схему посадки Ø55 H8/r6 на Рисунке 1.2.

Рисунок 1.2
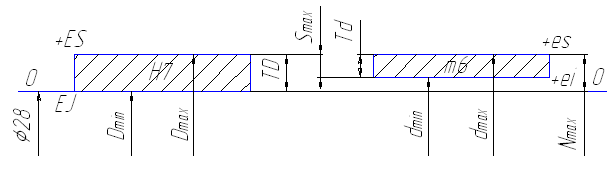
Задана посадка Ø28 H7/m6. Предельное отклонение отверстия Ø28 H7: верхнее ES=21мкм; нижнее EJ=0мкм. Предельное отклонение вала: верхнее es=21мкм; нижнее ei=8мкм.
Предельные размеры отверстия и вала:

,

,

,

.
Допуски размеров отверстия и вала:

,

.
Параметры переходной посадки:

,

,

.
Проверка:
,

Изобразим схему посадки Ø28 H7/m6 на Рисунке 1.3.

Рисунок 1.3
Задана посадка Ø13 D9/h8. Предельное отклонение отверстия Ø13 D9: верхнее ES=93мкм; нижнее EJ=50мкм. Предельное отклонение вала: верхнее es=0мкм; нижнее ei=-27мкм.
Предельные размеры отверстия и вала:

,

,

,

.
Допуски размеров отверстия и вала:

,

.
Параметры переходной посадки:

,

,

.
Проверка:
,

Изобразим схему посадки Ø13 D9/h8 на Рисунке 1.4.

Рисунок 1.4
Задана посадка Ø38 T7/h7. Предельное отклонение отверстия Ø38 T7: верхнее ES=-39мкм; нижнее EJ=-64мкм. Предельное отклонение вала: верхнее es=0мкм; нижнее ei=-25мкм.
Предельные размеры отверстия и вала:

,

,

,

.
Допуски размеров отверстия и вала:

,

.
Параметры переходной посадки:

,

,

.
Проверка:
,

Изобразим схему посадки Ø38 T7/h7 на Рисунке 1.5.

Рисунок 1.5
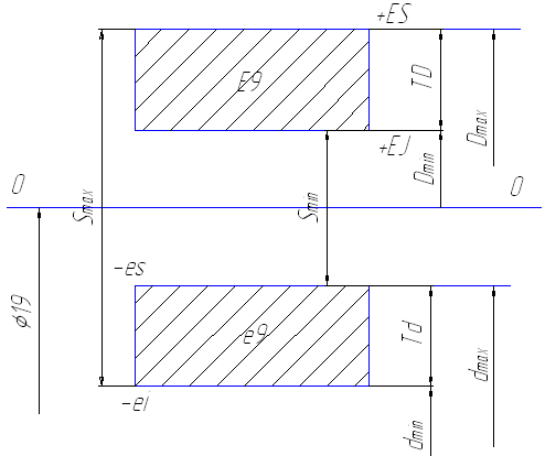
Задана посадка Ø19 E9/e9. Предельное отклонение отверстия Ø19 E9: верхнее ES=92мкм; нижнее EJ=40мкм. Предельное отклонение вала: верхнее es=-40мкм; нижнее ei=-92мкм.
Предельные размеры отверстия и вала:

,

,

,

.
Допуски размеров отверстия и вала:

,

.
Параметры переходной посадки:

,

,

.
Проверка:
,

Изобразим схему посадки Ø19 E9/e9 на Рисунке 1.6.

Рисунок 1.6
Таблица 1.1 Размера отверстий.
|
Обозначение посадки |
Поле Допуска отверстия |
Предельные отклонения |
Предельные размеры |
Допуск Отверстия
|
||
|
Верхнее ES,мм |
Нижнее EJ,мм |
наибольшее
|
наименьшее
|
|||
|
Ø67 H7/e8 |
Ø67 H7 |
0,030 |
0 |
67,03 |
67 |
0,03 |
|
Ø55 Н8/r6 |
Ø55 Н8 |
0,046 |
0 |
55,046 |
55 |
0,046 |
|
Ø28 H7/m6 |
Ø28 H7 |
0,021 |
0 |
28,021 |
28 |
0,021 |
|
Ø13 D9/h8 |
Ø13 D9 |
0,093 |
0,050 |
13,093 |
13,050 |
0,043 |
|
Ø38 T7/h7 |
Ø38 T7 |
-0,039 |
-0,064 |
37,961 |
37,936 |
0,025 |
|
Ø19 E9/e9 |
Ø19 E9 |
0,092 |
0,040 |
19,092 |
19,040 |
0,052 |
Таблица 2.2 Размера валов.
|
Обозначение посадки |
Поле Допуска отверстия |
Предельные отклонения |
Предельные размеры |
Допуск Отверстия
|
||
|
Верхнее es,мм |
Нижнее si,мм |
наибольшее
|
наименьшее
|
|||
|
Ø67 H7/e8 |
Ø67 e8 |
-0,066 |
-0,106 |
66,934 |
66,894 |
0,04 |
|
Ø55 Н8/r6 |
Ø55 r6 |
0,060 |
0,041 |
55,060 |
55,041 |
0,019 |
|
Ø28 H7/m6 |
Ø28 m6 |
0,021 |
0,008 |
28,021 |
28,008 |
0,013 |
|
Ø13 D9/h8 |
Ø13 h8 |
0 |
-0,027 |
13 |
12,973 |
0,027 |
|
Ø38 T7/h7 |
Ø38 h7 |
0 |
-0,025 |
38 |
37,975 |
0,025 |
|
Ø19 E9/e9 |
Ø19 E9 |
-0,040 |
-0,092 |
18,96 |
18,908 |
0,052 |
Таблица 2.3 Типы и параметры посадок.
|
Обозначение посадки |
Предельные размеры |
Параметры посадок |
Группа посадок |
Допуск посадки |
||||||
|
отверстия |
вала |
зазор |
натяг |
|||||||
|
мм |
мм |
мм |
мм |
мм |
мм |
|
мм |
|||
|
Ø67 H7/e8 |
67,03 |
67 |
66,934 |
66,894 |
0,136 |
0,066 |
- |
- |
с зазор. |
0,07 |
|
Ø55 Н8/r6 |
55,046 |
55 |
55,060 |
55,041 |
0,005 |
- |
0,060 |
- |
перех. |
0,065 |
|
Ø28 H7/m6 |
28,021 |
28 |
28,021 |
28,008 |
0,013 |
- |
0,021 |
- |
перех. |
0,034 |
|
Ø13 D9/h8 |
13,093 |
13,050 |
13 |
12,973 |
0,12 |
0,05 |
- |
- |
с зазор. |
0,07 |
|
Ø38 T7/h7 |
37,961 |
37,936 |
38 |
37,975 |
- |
- |
0,064 |
0,014 |
с натяг. |
0,05 |
|
Ø19 E9/e9 |
19,092 |
19,040 |
18,96 |
18,908 |
0,184 |
0,08 |
- |
- |
с зазор. |
0,104 |
1.2 Калибры
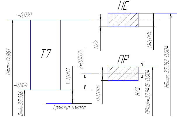
Для контроля деталей сопряжения Ø38 T7/h7разработаем предварительные калибры.
Устанавливаем допуски на изготовление предельных калибров:
Для отверстия
допуск на изготовление

,
- сдвиг поля допуска проходной стороны

,
координата границы износа -

;
сдвиг поля допуска непроходной стороны
- 0
;
для вала:

,

,

,

.
Исполнительный размер проходной стороны калибра-пробки:

.
Размер на чертеже Ø 37,9415 – 0,004 мм.
Исполнительный размер проходной стороны калибра-пробки:

.
Размер на чертеже Ø 37,963 – 0,004 мм.
Исполнительный размер проходной стороны калибра-скобы:

.
Размер на чертеже Ø 37,9945 + 0,004 мм.
Исполнительный размер непроходной стороны калибра-скобы:

.
Размер на чертеже Ø 37,973 + 0,004 мм.
Исполнительный размер контрольного калибра

.
Размер на чертеже Ø 38,00375 - 0,0015 мм.
Исполнительный
размер контрольного калибра
:

.
Размер на чертеже Ø 37,99725 - 0,0015 мм.
Исполнительный
размер контрольного калибра
:

.
Размер на чертеже Ø 37,97575 - 0,0015 мм.
Изображение схемы расположения полей допусков для калибра-скобы показано на Рисунке 1.6, для калибра-пробки показано на Рисунке 1.7.
Шероховатость рабочих поверхностей калибров с допусками размеров 4мкм и высокой геометрической точностью поверхностей.
;

,
принимаем
для робки.

,
принимаем
для скобы.

Рисунок 1.7

Рисунок 1.8
2. Шероховатость, отклонение формы и расположения поверхностей
Исходные данные:
|
I= Ø35к6 |
IX=10h9 |
|
II= Ø48n7 |
X= Ø72h8 |
|
III= Ø35к6 |
XI= Ø62H7 |
|
IV= Ø30r6 |
XII= Ø92±0,3 |
|
V= Ø42-0,2 |
XIII= Ø10+0,5 |
|
VI= Ø48-0,3 |
XIV=12-0,2 |
|
VII=15-0,03 |
XV=22h8 |
|
VIII=10H25 |
Шероховатости
отмеченных поверхностей находим
сообразно назначению этих поверхностей
и допуску их размера. Так, поверхности
Ø35к6, Ø48n8, Ø35K6 согласно полям допусков
их размеров являются ответственными
поверхностями, образующими с сопрягаемыми
поверхностями других деталей определённые
посадки. В общем случае выделенные
поверхности можно считать поверхностями
нормальной геометрической точности,
для которых параметр шероховатости

Для поверхности
Ø35к6, где

,

,
принимаем
из табл.0

.
Для поверхности
Ø48n7, где

,

,
принимаем
из табл.0

.
Для поверхности
Ø30r6, где

,

,
принимаем
из табл.0

.
Для поверхности
Ø72h8, где

,

,
принимаем
из табл.0

.
Для поверхности
Ø62H7, где

,

,
принимаем
из табл.0

.
Для поверхности
Ø10+0,5, где

,

,
принимаем
из табл.0

.
К точности обработки, и следовательно, к шероховатости поверхностей Ø42-0,2, Ø48-0,3, Ø95±0,3, Ø10+0,5 не предъявляются столь высокие требования.
Для поверхности
Ø42-0,2,

,
принимаем
из табл.0

.
Для поверхности
Ø48-0,3,

,
принимаем
из табл.0

.
Для поверхности
Ø92±0,3,

,
принимаем
из табл.0

.
Для поверхности
Ø10+0,5,

,
принимаем
из табл.0

.
Шероховатость
поверхностей шпоночного паза принимается
обычно в пределах

,
причём большее значение соответствует
дну паза.
Допуски на отклонение формы и расположения поверхностей также определим приближённым методом. Допуски на отклонение от круглости и цилиндричности поверхностей Ø35к6, Ø48n7, Ø30r6, Ø72h8, Ø62H7можно рассчитать следующим образом:
Для поверхности Ø35к6

(принимаем
4
);

(принимаем
4
);
Для поверхности Ø62H7

(принимаем
8
);

(принимаем
8
);
Для поверхности Ø48n7

(принимаем

);
Для поверхности Ø30r6

(принимаем
3
);
Для поверхности Ø72h8

(принимаем

);
Допуски на радиальное биение поверхностей Ø48n8, Ø30r6 относительно поверхности АБ (поверхности Ø35к6) приближённо могут быть найдены:
Для поверхности Ø48n8

(принимаем
допуск, равным 0,03мм)
Для поверхности Ø30r6

(принимаем
допуск, равным 0,012мм)
Допуски на
радиальное биение поверхности Ø72h8
относительно поверхности А (поверхности
Ø62H7) приближённо могут быть найдены
следующим образом:
(принимаем
0,04мм)
Допуск на отклонение от ┴ торца поверхности Ø42-0,2 для фиксации подшипника зависит от допуска размера на ширину подшипника. Поэтому

(принимаем 0,008мм),
для поверхности Ø48-0,3

(принимаем 0,016мм),
для поверхности Ø92±0,3

(принимаем 0,016мм),
для поверхности Ø72h8

(принимаем 0,025мм),
Допуск на отклонение от симметричного расположения шпоночного паза:

(принимаем
0,12мм).
Для отверстий допуск равен:
Ø
,
где
мм
Ø
мм
(принимаем 0,5мм).
3. Резьбовые соединения
Задано
резьбовое соединение:
и отклонения

,

,
,
,
,
.
По условию записи резьбового соединения устанавливаем:
резьба
метрическая, номинальный диаметр
;
резьба однозаходная, шаг резьбы мелкий
и равен 2,5мм, направление навивки –
правое; поля допусков на диаметры гайки
и
- 5Н; диаметры
и
болта
имеют поля допусков 5g и 6g соответственно;
длинна свинчивания, не выходит за пределы
нормальной; впадины резьбы выполнены
без закруглений.
Определяем по формулам размеры сопрягаемых параметров резьбы:
мм;
мм;
мм.
По справочнику согласно указанным полям допусков устанавливаем предельные отклонения для нормируемых параметров болта и гайки:
На средний
диаметр
,
,
,
;
На наружный
диаметр
,
,
,
;
На внутренний
диаметр
,
,
,
;
Определяем предельные размеры сопрягаемых параметров соответственно гайки и болта:

;

;
,
Так как
не нормируется, то записываем
не менее 52,000
;

;

;

;

;

;

;

;

;
,
Так как
в не нормируется, то записываем
не более 49,294
.
Находим допуски на сопряжённые размеры резьбового соединения:

;
- не нормируемый;

;

;

;
- не нормируемый;
Определяем зазоры по сопряженным поверхностям резьбового соединения:
по среднему диаметру:

;

;
по наружному диаметру:

;

;
Данные расчётов заносим в Таблицу 3.1, а по их результатам строим схему заданного резьбового соединения (Рисунок 3.1)
Таблица 3.1 Данные расчёта
|
Обозначение диаметров резьбового соединения |
Номин. р-ры |
Гайка |
Болт |
Допуски размеров |
|||||
|
Пред-е откл. мм |
Предельные д-ры |
Пред-е откл. мм |
Предельные д-ры |
Гайки |
Болта |
||||
|
max |
min |
max |
min |
||||||
|
Наружный d(D) |
52,000 |
не норм. |
не менее 52,000 |
52,000 |
|
51,952 |
51,577 |
не норм. |
0,375 |
|
|
|
||||||||
|
Средний d2(D2) |
50,381 |
|
50,681 |
50,381 |
|
50,333 |
50,163 |
0,3 |
0,17 |
|
|
|
||||||||
|
Внутренний d1(D1) |
49,294 |
|
49,594 |
49,294 |
|
49,246 |
не более 49,294 |
0,3 |
не норм. |
|
|
не норм. |

Рисунок 3.1
Находим компенсационные поправки, обусловленные наличием указанных в задании дополнительных неточностей в шаге и угла профиля болта и гайки:
суммарная погрешность накопленного шага

;
суммарная погрешность правой половины профиля резьбы
;
суммарная погрешность левой половины профиля резьбы
;
суммарная погрешность угла профиля резьбы
;
поправка для расчёта зазоров, вносимая наличием погрешностей в шаге и угле профиля:

.
Поскольку
ошибка, вносимая в соединение погрешностями
в шаге и угле профиля, не превышает
(
,
так как
),
то для получения гарантированного
зазора в резьбовом соединении с указанными
погрешностями изготовления можно
считать, что коррекция посадки выполнена
правильно.
4. Подшипники качения
Исходные
данные: радиальная сила
;
внутренний диаметр подшипника
;
в соединении вращающимся является вал.
1. Для данного
соединения можно применить радиальный
подшипник средней серии шестого класса
точности, например 207, со следующими
параметрами:
,
,
,
.
В рассматриваемом узле вращающимся кольцом является внутреннее, поэтому его посадку на вал производим с натягом, а наружное кольцо устанавливаем в корпус с зазором.
2. Приняв коэффициент k для средней серии подшипника равным 2,3, определим минимальный потребный натяг для внутренней обоймы подшипника:


3. Находим максимальный допустимый натяг для внутреннего кольца подшипника:


4. По значению
подбираем из числа рекомендуемых,
посадку для внутреннего кольца подшипника,
например Ø35H0/m6, для которой предельные
отклонения размеров: для отверстия

,

,
для вала

,
.
5. Определим минимальный и максимальный натяги в рассматриваемом соединении:

;


Так как
(
)
и
(
),
можно заключить, что посадка внутреннего
кольца подшипника выполнена правильно.
6. Выбираем
посадку для наружного кольца подшипника,
например Ø72Н7/h0, для которой предельные
отклонения размеров равны: для отверстия

;

;
для вала:

;

.
Для выбранной
посадки максимальный зазор

;
минимальный зазор
,
что свидетельствует о том, что посадка относится к посаде с зазором.
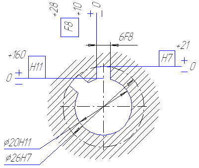
Строим схему полей допусков выбранных посадок для колец подшипника качения Рисунок 4.1.

Рисунок 4.1
8. Чертим условные рабочие чертежи посадочных мест подшипников с указанием требований Рисунок 4.2.
9. Чертим условные рабочие чертежи сборочных узлов с указанием требуемых размеров, обозначений Рисунок 4.3.


Рисунок 4.2

Рисунок 4.3
5. Шпоночные и шлицевые соединения
В задании
указаны диаметр вала и втулки

,
длина соединения

,
тип соединения 3.
По СТ СЭВ
189-78 выбираем основные размеры соединения:

,

,
интервал длин
от

,
до

,

,

.
Записываем
условное обозначение шпонки: Шпонка
СТ СЭВ 189-78. Для заданного вида соединения
назначаем поля допусков для деталей
шпоночного соединения, пользуясь СТ
СЭВ 189-78, для ширины шпонки b – h9; для
высоты шпонки h – H21; для длины шпонки l
– H24; для ширины паза на валу - N9; для
ширины паза во втулке - Js9.
Определяем предельные отклонения пользуясь СТ СЭВ 144-88 на гладкие соединения:
Диаметр вала
– 35m6

Диаметр
втулки – 35H7

Ширина шпонки
– 10h9

Высота шпонки
– 8H21

Длина шпонки
– 42H24

Ширина паза
на валу – 10P9

Ширина паза
во втулке – 10P9

Глубина паза
на валу –

Глубина паза
во втулке –

Строим схемы расположения полей допусков Рисунок 5.1.

Рисунок 5.1
В задании
указаны параметры эвольвентного
соединения: номинальный диаметр

;
модуль

.
Вид центрирования по наружному диаметру.
По ГОСТ 6033-70 выбираем недостающие
параметры -
.
Находим диаметр делительной окружности:


По СТ СЭВ
259-68 назначаем поля допусков втулки и
вала из рекомендуемых посадок. Выбираем
по наружному центрирующему диаметру
для втулки
;
для вала
,
посадка по
;
для ширины впадин втулки
(толщина зуба S) – для ширины впадины
,
для толщины зуба
посадка
;
поле допуска втулки и вала по центрирующему
диаметру при плоской форме дна впадин
для втулки
,
для вала
,
посадка -
.
Величины придельных отклонений диаметров определяем, пользуясь стандартом СЭВ 144-88. Величины придельных отклонений по боковым сторонам зубьев определяем, пользуясь стандартом СЭВ 259-88.
Для втулки
СТ СЭВ 259-88 центрирующий диаметр
;
ширина впадин
,
;

;
.
Для вала
:
центрирующий диаметр

,
толщина зуба
,

;

;
.
Условное
обозначение соединения
СТ СЭВ 259-88.
Пользуясь величинами предельных отклонений, строим схему расположения полей допусков Рисунок 5.2.


Рисунок 5.2
В задании
указаны параметры прямобочного шлицевого
соединения
.
Вид центрирования по
.
По ГОСТ 1139-80 выбираем недостающие данные
-

,
.
По ГОСТ1139-80 назначаем поля допусков втулки и вала из рекомендуемых посадок, выбираем по наружному центрирующему диаметру
для втулки -
,
для вала
,
посадка по
-
;
для ширины шлица (вала)
для втулки -
,
для вала -
,
посадка по
-
,
поле допуска втулки по нецентрирующему
диаметру
-
,
предельное отклонение вала по
нецентрирующему диаметру
- не менее

.
Величины придельных отклонений определяем, пользуясь стандартом СЭВ 144-88 на гладкие сопряжения.
Для втулки
:
Центрирующий
диаметр

Не центрирующий
диаметр -

Ширина паза

Для вала
:
Центрирующий
диаметр

Не центрирующий
диаметр -

Ширина зуба

Условно
обозначение:
.
Пользуясь величинами придельных отклонений, строим схему расположения полей допусков Рисунок 5.3.


Рисунок 5.3
6. Размерные цепи
6.1 Составление схемы размерной цепи
Из приложения 2 выбираем вариант задания:

Рисунок 6.1
Составим и поясним схему заданной размерной цепи:

Рисунок 6.2
Замыкающий
размер
в трехзвенной цепи (Рисунок 6.1) зависит
от размера
,
называемого увеличивающим (чем больше
этот размер, тем больше значение
),
и размера
,
называемого уменьшающим (при его
увеличении
уменьшается). Замыкающее звено может
быть положительным, отрицательным или
равным нулю. Размерную цепь можно условно
изображать в виде схемы (Рисунок 6.2). По
схеме удобно выявлять увеличивающие и
уменьшающие звенья. Над буквенными
обозначениями звеньев принято изображать
стрелку, направленную вправо, для
увеличивающих звеньев и влево — для
уменьшающих.
6.2 Расчёт подетальной размерной цепи методом максимума и минимума
Проверочная задача
Таблица 6.1 Исходные данные
|
|
15 |
|
25 |
|
15 |
|
|
-0,15 |
|
0 |
|
+0,15 |
|
|
-0,25 |
|
-0,15 |
|
+0,05 |
|
|
2 |
|
8 |
||
|
|
-0,05 |
|
+0,24 |
||
|
|
-0,15 |
|
0 |


Эскиз детали Схема размерной цепи
Рисунок 6.3
Параметры составляющих звеньев: передаточное отношение

Номинальный размер и предельные отклонения Допуски:
;
;
;
.
;
Координата середины полей допусков:
;
;
;
.
;
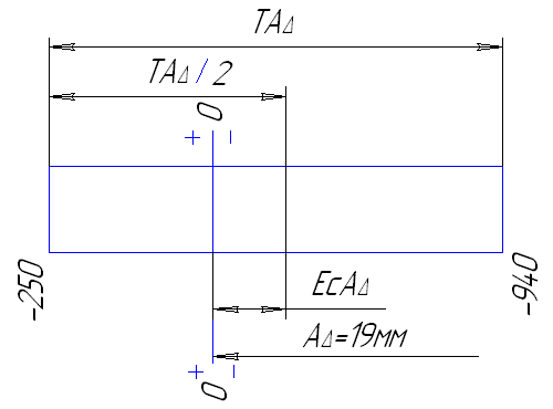
Расчёт номинального размера замыкающего звена:


Расчёт допуска замыкающего звена:

Расчёт предельных отклонений замыкающего звена:




Расчёт координаты середины поля допуска, замыкающего звена:



.
Схема расположения поля допуска замыкающего звена показана на Рисунке 6.4.

Рисунок 6.4
6.3 Сложение и вычитание размеров и предельных отклонений
Исходные данные:
Таблица 6.2 Размеры и предельные отклонения
|
55-0,1 |
+20-0,1 |
-35+0,1 |
+15±0,2 |
-20±0,2 |
|

Подготовим уравнение к сложению и вычитанию придельных отклонений:

6.4 Расчёт подетальной размерной цепи методом максимума-минимума. Проектная задача.
Исходные данные:


Эскиз детали Схема размерной цепи
Рисунок 6.5
Передаточные отношения составляющих звеньев:
.
Требования к замыкающему звену:
;
;
;
.
Звенья с
известными допусками в размерной цепи
отсутствуют
.
В качестве
корректирующего звена можно принять
звено
с размером 15мм, так как положение
внутренней торцовой поверхности не
будет влиять на служебное назначение
детали.
Расчёт производится методом максимума-минимума. Связь между допусками замыкающего звена и допусками составляющих звеньев устанавливается способом одинакового квалитета.
Расчёт количества единиц допуска производится по следующей формуле:

- принимаем из таблицы
П.7.1 и записываем в таблицу 6.3.
Назначаем
квалитет по таблице П.7.2 в зависимости
от стандартного
,
ближайшего к расчётному
.
Принимаем 12-й квалитет.
Назначаем
стандартный допуск по таблице П.7.3 в
зависимости от номинального размера и
принятого 12-го квалитета. Допуски
составляющих звеньев, кроме
,
записаны в таблице 6.3.
Расчёт допуска корректирующего звена из условия формулы:
.
Назначенные
предельные отклонения составляющих
звеньев
записаны в таблице 6.3.
Расчёт
координат, середины поля допуска
составляющих звеньев проводим по формуле
,
а результаты записываем в табл.6.1.
Таблица 6.3 Сведения о размерной цепи, рассчитанной методом максимума-минимума
|
Символ звена |
Номин. размер |
Характер действия |
|
|
Квалитет |
мкм |
мкм |
мкм |
мкм |
мкм |
Исполн. размер |
|
|
15 |
увел. |
+1 |
1,08 |
12 |
180 |
90 |
+180 |
0 |
-90 |
|
|
|
35 |
увел. |
+1 |
1,56 |
12 |
250 |
125 |
+250 |
0 |
-125 |
|
|
|
20 |
увел. |
+1 |
1,31 |
12 |
210 |
105 |
+210 |
0 |
-105 |
|
|
|
25 |
увел. |
+1 |
1,31 |
12 |
210 |
105 |
+160 |
-50 |
55 |
|
|
|
15 |
уменш. |
-1 |
1,08 |
12 |
160 |
80 |
+160 |
0 |
50 |
|
Расчёт координаты середины поля допуска, корректирующего звена по формуле:

Расчёт предельных отклонений корректирующего звена:
;
.
Решение проверочной задачи способом сложения и вычитания номинального размера и предельных отклонений.

Подготовим уравнение для сложения и вычитания:

6.5 Расчёт подетальной размерной цепи вероятностным методом. Проектная задача
Метод расчёта
– вероятностный, способ – одинакового
квалитета
.
Расчёт количества единиц допуска:

Назначаем
квалитет по таблице П.7.2 в зависимости
от стандартного
,
ближайшего к расчётному
.
Принимаем 13-й квалитет.
Допуски
звеньев
устанавливаем по 13-му квалитету, а допуск
звена
по 14-му квалитету. Допуски записаны в
таблице 6.4.
Расчёт допуска корректирующего звена из условия следующей формулы:
,
тогда
,
откуда

.
Назначение предельных составляющих звеньев:

Расчёт координаты середины поля допуска:

Расчёт предельных отклонений корректирующего звена;
;
.
Допуск замыкающего звена:


Координата середины поля допуска:


Предельные отклонения замыкающего звена:




Таблица 6.4 Сведения о размерной цепи, рассчитанной теоретико-вероятностным методом
|
Символ звена |
Номин. размер |
|
|
|
|
|
|
|
|
|
|
Исполн. размер |
|
|
15 |
+1 |
1,08 |
1,17 |
270 |
72900 |
135 |
18225 |
+270 |
0 |
135 |
|
|
|
35 |
+1 |
1,56 |
2,43 |
390 |
152100 |
195 |
38025 |
+390 |
0 |
195 |
|
|
|
20 |
+1 |
1,31 |
1,72 |
520 |
270400 |
260 |
67600 |
+520 |
0 |
260 |
|
|
|
25 |
+1 |
1,31 |
1,72 |
330 |
108900 |
165 |
27225 |
+165 |
-165 |
0 |
|
|
|
15 |
-1 |
1,08 |
1,17 |
644 |
415800 |
322 |
103950 |
+617 |
-27 |
295 |
|
Заключение Сравнение допусков (табл.6.3 и табл.6.4) на изготовление составляющих звеньев одной и той же размерной цепи показывает, что величину допуска можно рассчитать в 1,6-2,6 раза точней, если распределение погрешностей изготовления подчиняется закону нормального распределения.
6.6 Замена размеров в размерной цепи
Исходные данные:

Рисунок 6.6
Первый вариант замены. Вместо размера С указать на чертеже размер X:
Запишем
уравнение расчёта и подставим в него
предельные значения размеров C и D.
;
,
откуда
;
,
т.е.

Это указывает на то, что замена размера С размером X без уменьшения допуска размера С невозможна рисунок 6.7.

Рисунок 6.7
Второй вариант замены. Вместо размера D указать на чертеже размер X:
Запишем
уравнение
;
.
;
,
откуда
;
,
Следовательно

Схема замены показана на рисунке 6.8.

Рисунок 6.8
Сумма допусков
размеров D и X после замены должна быть
равна допуску заменяемого размера
мм.
Поверхность I получают, как правило,
чистовым точением. Поэтому обеспечить
точность размеров D и X с суммарным
допуском 0,3мм практически возможно.
7. Зубчатые передачи
Исходные данные:
Обозначение точности колеса: 10 – 8 – 6 – А.
Модуль:

.
Число зубьев:

Коэффициент
смещения исходного контура колеса:
.
Расшифруем условное обозначение передачи: 10 – 8 – 6 – А
10 – степень точности по норме кинематической точности;
8 – степень точности по норме плавности работы;
6 – степень точности по норме контакта зубьев;
А – вид сопряжения, ограничивающего боковой зазор.
Так как вид допуска на боковой зазор не указан, то он совпадает с видом сопряжения, то есть, обозначен символом “А”.
Устанавливаем комплекс контроля по ГОСТ 1643-81
Выписываем нормируемые погрешности:
- наибольшая кинематическая
погрешность зубчатого колеса (по норме
кинематической точности),
- местная кинематическая
погрешность (по норме плавности работы),
- погрешность направления
зуба (по норме контакта),
- наименьшее отклонение
толщины зуба и допуск на толщину зуба
(по норме бокового зазора).
Назначаем допуски на погрешности:
Допуск
определи по следующей формуле

где:
- допуск на накопленную погрешность
зубчатого колеса
- допуск на погрешность
профиля зуба колеса
;
;

Допуск
- определяем в зависимости от степени
точности по норме плавности – 8, модуля
m=4мм, делительного диаметра
:

Допуск
определяем
с учётом степени точности по норме
контакта – 6, модуля m=4мм, ширины венца

где:
- коэффициент ширины зуба колеса,
для цилиндрических
прямозубых колёс
Принимаем
,
,
.
Наименьшее
отклонение толщины зуба
исходя из вида сопряжения А, степени
точности по нормам плавности – 8,
делительному диаметру
:

Допуск на
толщину зуба
выбираем в зависимости от допуска на
радиальное биение зубчатого венца
и вида сопряжения А. В свою очередь
выбирается в зависимости от степени
точности по нормам кинематической
точности–10,модуля m=4мм, делительного
диаметра
:
,

Определяем размеры, необходимые для оформления чертежа зубчатого колеса.
Высота головки
зуба до постоянной хорды
и
кинематическая толщина зуба колеса без
смещения по постоянной хорде
,
определяем по формулам:
;
.
Определяем параметры точности формы, расположения и шероховатости отдельных поверхностей.
На ширину венца назначаем из конструктивных и технологических соображений поле допуска по H21…H24.

Поле допуска
диаметра выступов принимаем по h. Диаметр
окружности выступов:
.
Допуск на
диаметр выступа
рассчитываем по формуле:
.
Так как
окружность выступов используется как
измерительная база для измерения толщины
зуба принимаем
и округляем его до стандартного
,
что соответствует допуску h9
.
Допуск на
радиальное биение диаметра выступов
назначаем в зависимости от допуска
на радиальное биение зубчатого венца:
,
тогда
.
Округляем значение допуска до стандартного
.
Допуск биения
торцев колеса назначаем в зависимости
от допуска на направление зуба
,
ширины венца b и диаметра выступов
:
,
округляем до стандартного
.
Шероховатость
рабочих эвольвентных поверхностей
берём в зависимости от допуска отклонения
профиля
:
,
принимаем
.
Увязываем посадку отверстия с точностью зубчатой передачи, в частности, с той нормой точности, которая является основой в оценке работоспособности передачи. Степень точности – 6 по норме контакта зубьев предполагает высоконагруженную передачу с посадкой H7/t6 колеса на вал (без шпонок). Соответственно отверстие по H7.
Диаметр отверстия выбираем конструктивно, учитывая, что минимальная толщина обода должна быть не менее 3m, чтобы обеспечить равнопрочность обода и зубьев. Принимаем отверстие:
.
Шероховатость отверстия назначаем следующим образом:
,
где:
- допуск соответствующего размера. При
.
Шероховатости
торцев и окружности вершин колеса
рассчитываем по формулам:
;
,
;
.
Шероховатость
торцев колеса:
.
Принимаем
.
Шероховатость
окружности вершин колеса:
.
Принимаем
.
Выбор средств измерения:
Первый из
измеряемых параметров, выбранного
колеса – кинематическая погрешность
зубчатого колеса
,
допуск
.
Выбираем прибор БВ-5094. Проверяем,
соответствуют ли размеры нашего колеса
размерам измеряемых на приборе.
Второй
измеряемый параметр – кинематическая
погрешность
,
допуск
.
Выбираем прибор БВ-5058.
Третий
измеряемый параметр – погрешность
направления зуба
,
допуск
.
Выбираем прибор по БВ-5055 ЧЗИП.
Толщину зуба
(наименьшее отклонение
и допуск на толщину
)
проверяем зубомером ЗИМ-16.
Литература
Единая система допусков и посадок СЭВ в машиностроении и приборостроении: справочник в двух томах – М: изд. стандартов, 1989-том 1-263 с., том.2: Контроль деталей 208с.
Якушев А.И. Взаимозаменяемость, стандартизация и технические измерения: учебник – 6-е издание - М.: М-е, 1986-352с.
Берестнёв О.В. Самоустанавливающиеся зубчатые колёса – Мн.: Наука и техника, 1983-312с.
,мм
,мм
,мм
,мм
,мм

мм









































