Основы теории живучести
Министерство Образования и Науки Республики Казахстан
Атырауский Институт Нефти и Газа
Факультет «Экономика и информационные системы»
Кафедра «Информационные системы»
КУРСОВАЯ РАБОТА
на тему «Основы теории живучести»
по дисциплине: «Надежность систем автоматизации»
Выполнил: ст. гр. АиУ-05 к\о
Мухамедияров Д.
Проверила: доцент
Алымов Н.К.
Атырау – 2008 г.
Введение
Впервые в мире понятие живучести было сформулировано русским адмиралом Степаном Осиповичем Макаровым – это способность судна продолжать бой, имея повреждения в различных боевых частях.[1]
В энергетике под живучестью понимается свойство объекта противостоять возмущениям, не допуская их каскадного развития с массовым нарушением питания потребителей.[2]
Толчком к развитию методов оценки и прогнозирования цепочечных аварий в энергосистемах (ЭС) послужила авария, случившаяся 9 ноября 1965 года в США, которая привела к тому, что на территории с населением около 30 млн. человек более чем на 10 часов была прекращена подача электроэнергии. Ущерб от аварии составил более 100 млн. долларов. Последовавшие после этого десяток мелких (с экономической точки зрения), но подобных аварий по стране завершились 13 июля 1977 года аварией в Нью-Йорке. В течение 25 часов была парализована жизнь Нью-Йорка. Ущерб от последствий этой аварии составил более 1 млрд. долларов.[3,4]
Спустя 26 лет, 14 августа 2003 года в 16 часов 11 минут по местному времени из-за повреждения на линии Ниагара – Мохок без электричества осталась почти вся восточная часть Северной Америки, т.е.50 млн. человек.[5]
О каждой из перечисленных аварий можно сказать, что данная энергосистема потеряла живучесть. Живучесть электроэнергетической системы (ЭЭС) зависит от ее структуры, конфигурации, надежности электрооборудования, средств релейной защиты и противоаварийной автоматики, а также от квалификации обслуживающего персонала, запаса устойчивости, резерва активной мощности и т.д.[6] При эксплуатации ЭЭС наблюдается появление так называемых цепочных аварий из-за последовательного отказа в срабатывании нескольких выключателей при отключении повреждений.[7]
Цепочные аварии наблюдались в 25 ЭЭС и двух ОЭС бывшего СССР. За 5 лет было зафиксировано 75 цепочных аварий. В 81 % случаев цепочные аварии происходили из-за повреждений в сети и отказа в функционировании защитных коммутационных аппаратов.[8] На цепочечные аварии приходится 90 % народнохозяйственного ущерба.[9]
Под глубиной цепочной аварии понимается уровень расстройства функционирования установок энергосистемы при авариях и нарушениях в работе.[7,8,10]
Показателем живучести может служить частота появления системных цепочных аварий с различной глубиной нарушения электроснабжения.[8]
Поэтому работа, направленная на разработку новых и совершенствование известных математических моделей и методик по оценке живучести узлов нагрузки, является актуальной. Решение этих проблем позволит практически не допускать появление каскадных аварий в энергосистемах.
Научная ценность работы
В этой работе рассматривается живучесть электрической подстанции В работе 110\10 В. получена новая аналитическая зависимость живучести подстанции от интенсивности появления КЗ в ее элементах, надежности систем отключения защитных коммутационных аппаратов и сроков ее контроля.
Практическая ценность работы
Полученная в работе зависимость
позволяет прогнозировать живучесть
подстанции, сравнивать полученный
результат с нормируемым отраслевыми
документами уровнем и если полученный
уровень живучести узла нагрузки будет
больше нормируемого
,то
представляется возможность разрабатывать
организационные и технические мероприятия,
при которых нормируемый уровень будет
обеспечен, т.е.
.
Состояние вопроса
На современном этапе развития техники и технологии для оценки живучести узлов нагрузки и надежности схем систем электроснабжения (СЭС) широкое распространение получили элементные методы. В этих методах предполагается, что СЭС состоит из отдельных самостоятельных (в смысле анализа надежности) элементов, исключаются из рассмотрения функциональные зависимости между параметрами отдельных элементов устройства.[11-14] Рассматриваемые СЭС состоят из элементов : линии электропередачи, трансформаторы, выключатели, отделители, разъединители, автоматические выключатели и т.д.
Под узлами схемы понимают физические пункты СЭС, которые непосредственно связаны не менее чем с тремя направлениями передачи энергии, т.е. обычно это сборные шины или секции распределительных устройств и т.д.[13]
Для элементов СЭС в работе[14] введены понятия: отказ типа «обрыв цепи» и отказ типа «короткое замыкание» («КЗ»). В работе кроме перечисленных видов отказов предлагается учитывать и переход аварии через коммутационный аппарат. Факторы, которые целесообразно было бы учесть при расчетах надежности СЭС, перечислены в [15] . В работе [16] обосновано, что нецелесообразно делить отказы, которым подвергается электрооборудование в процессе эксплуатации более чем на три вида.
Результаты исследований
Для Донбасской электроэнергетической системы (Артемовские МЭС, Чайкинские МЭС, Мариупольские МЭС, Луганские МЭС) за 5 лет была обработана статистическая информация о повреждениях электрооборудования подстанций.
Получены функции распределения интервалов времени между выходами из строя оборудования по вине человека. Установлено, что для различных энергосистем число выходов из строя оборудования по вине человека колеблется в пределах от 50 % до 54%.
В работе рассматриваются следующие виды отказов элементов схемы: отказ типа «короткое замыкание», отказ типа «обрыв цепи» и отказ в срабатывании (скрытый отказ).
Все остальные отказы, которые встречались в СЭС промышленных предприятий Украины, появлялись на порядок реже отобранных и поэтому в расчетах не учитывались.
Перечисленные виды отказов
следует относить к следующим типам
электрооборудования:
1.Отказ типа
«короткое замыкание». Такой вид отказа
может происходить во всех элементах
схемы, через которые проходит ток
нагрузки в нормальном режиме работы.
Короткие замыкания (КЗ) в таких элементах
отключаются основной релейной защитой,
в зоне действия которой находится
рассматриваемый элемент сети, либо
резервной с выдержкой времени. Перекрытие
изоляции в самом защитном коммутационном
аппарате в этих расчетах не учитываем,
так как повреждения встречаются на
порядок реже, чем КЗ в защищаемых этими
коммутационными аппаратами элементах
сети. 2.Для защитных коммутационных
аппаратов учитываются два вида отказов:
а) отказ выключателя типа «обрыв
цепи». К таким отказам будем относить
ложные и излишние отключения выключателей
в результате действия релейной защиты,
которые ликвидируются с помощью ручного
переключения (т.е. без средств автоматики),
а также автоматические отключения
выключателей в результате повреждений
во вторичных цепях релейной защиты; б)
отказ выключателя в срабатывании. Эти
отказы выявляются в результате
профилактических осмотров выключателей:
привода, катушки отключения, дугогасительной
камеры , контактной системы , оценивается
возможность перекрытия изоляции при
внешних и внутренних перенапряжениях,
проверяются пути утечки тока. Производится
осмотр релейных защит, контактов самих
реле, проверяются уставки защит,
оперативные цепи питания, работа
устройства автоматического повторного
включения (АПВ),устройства автоматического
ввода резерва (АВР) и т.д.
Все выявленные в результате профилактики отказы, которые могли бы привести к отказу в срабатывании выключателя при появлении КЗ в зоне действия его релейной защиты, заносятся в специальный журнал и эта информация используется для определения параметров потока отказов системы отключения выключателя.
В качестве показателя живучести узла нагрузки в работе используется частота появления цепочной аварии, т.е. частота отключения узла нагрузки при возникновении КЗ в защищаемом элементе сети и отказе в срабатывании ряда защитных коммутационных аппаратов(ЗКА) ,через которые прошел сквозной аварийный ток [17]
, (1)
где
- параметр потока независимых КЗ в j-том
элементе сети;
-
параметр потока отказов в срабатывании
i- го защитного коммутационного аппарата;
–
интервал времени между
профилактическими осмотрами системы
отключения i-го защитного коммутационного
аппарата вместе с его релейной защитой
или системы АВР;
m – число защитных коммутационных
аппаратов, через которые прошел сквозной
аварийный ток (при этом действие их
основной или резервной релейной защиты
обязательно), или число коммутационных
аппаратов с АВР, которые отказали во
включении; n – число единиц
электрооборудования, получающих
электроэнергию от данного узла нагрузки.
Формула (1) справедлива при выполнении
двух условий: - интервал времени
между появлениями КЗ в элементе сети и
интервалы времени между отказами в
срабатывании системы отключения
защитного коммутационного аппарата не
противоречат экспоненциальной функции
распределения вероятностей с параметрами
соответственно
и
;
- должно выполняться неравенство
. В том случае, если второе условие
не соблюдается на кафедре электроснабжения
промышленных предприятий и городов
Донецкого национального технического
университета предложены математические
модели в виде систем линейных
дифференциальных уравнений, позволяющих
прогнозировать вероятность появления
цепочечных (каскадных) аварий практически
любой глубины в энергосистемах и сетях
промышленных предприятий. Там же
разработаны принципы построения схем
замещения для оценки сложных аварийных
ситуаций, дана методика сбора и обработки
необходимой для расчетов статистической
информации.
При выводе формулы (1) приняты
следующие допущения: - устройства
релейной защиты могут выходить из строя
только тогда, когда они находятся в
режиме ожидания; - если к моменту
возникновения повреждения в сети, на
которое должна реагировать релейная
защита, она находилась в работоспособном
состоянии, то маловероятен ее выход из
строя в режиме тревоги [18,19]; - отказы
в схемах релейной защиты и приводе
выключателя выявляются и устраняются
только в результате абсолютно надежных
профилактических проверок
;
- под отказом в срабатывании защитного
коммутационного аппарата будем понимать
такой, который приводит к отказу в
отключении поврежденного элемента сети
при КЗ в зоне действия его релейной
защиты [20]. В том случае, если сроки
профилактики систем отключения всех
защитных коммутационных аппаратов
рассматриваемой системы будут одинаковы
(т.е.
),
тогда формула (1) примет вид
,
(2)
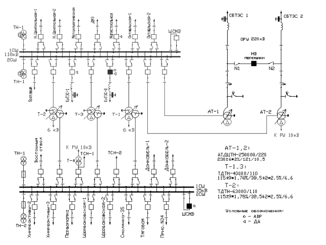
Для подстанции, изображенной на рис.1, была составлена схема замещения и получена формула для определения ее живучести.
Под потерей живучести подстанции
будем понимать вероятность наступления
такого события в течение времени t, при
котором подстанция перестает снабжать
электроэнергией все потребители.

Рис. 1- Схема
подстанции Смолянка-220 кВ

Телекоммуникационные системы и услуги.
В этом разделе рассматривается живучесть и надежность телекоммуникационных систем. Бурный рост телекоммуникационных услуг (на фоне всеобщего промышленного спада) определил необходимость разделения отдела на два с одновременным усилением направлений, связанных с моделированием систем информатики. Таким образом, новый отдел телекоммуникационных систем был основан с целью разработки новых технологий в области информационных телекоммуникационных систем и доведения этих технологий до реального пользователя.
В связи с этим перед отделом были поставлены следующие задачи:
-- разработка математических и имитационных моделей и методов анализа и синтеза информационных сетей, удовлетворяющих заданным требованиям. Например, живучестью, надежностью или качеством функционирования;
-- разработка ГИС-технологий проектирования и эксплуатации сетей электросвязи различного назначения;
-- разработка новых информационных технологий и систем для предоставления принципиально новых услуг для населения и организаций.
Работы по первым двум направлениям ведутся почти с самого основания института. Здесь получены практически важные и интересные результаты. Так, например, разработка нового математического объекта "гиперсети" и соответствующей теории позволили провести еще в 1981 году системный анализ живучести правительственных сетей связи СССР, который показал их высокую уязвимость. Было показано, что при проектировании этих сетей не учитывались специальные требования к трассировке арендных каналов на магистральных сетях связи страны.
Новая математическая модель и разработанные в связи с данной задачей методы позволили не только анализировать живучесть любых сетей, но и решать задачи синтеза коммуникационных и транспортных сетей с заданными структурными требованиями и ограничениями. В настоящее время эти методы могут использоваться при создании современных цифровых сетей связи.
Методы автоматизации проектирования сетей электросвязи, разработанные в те же годы, нашли свое продолжение в технологии паспортизации сетей электросвязи г.Бердска и Искитимского района с помощью геоинформационной системы, созданной нашими коллегами, сотрудниками фирмы "СОТО".
В настоящее время эти работы интегрируются в единую систему моделирования и оптимизации транспортных и коммуникационных сетей различного назначения (связь, дороги, трубопроводы, ж.д. транспорт и т.д.). Система используется не только в науке и учебном процессе, но и в различных отраслях. В этой системе будут заложены ранее полученные результаты по оптимальному построению систем дискретного имитационного моделирования и их интеллектуализации -- работы велись еще в отделе моделирования систем информатики. В последние два года они получили развитие уже в рамках отдела телекоммуникационных систем.
К сожалению, по третьему направлению прошла черная полоса. Что касается научных и технологических результатов, то здесь все в порядке, а вот их практического воплощения, несмотря на принятые колоссальные усилия, не получилось. Например, разработанные нами еще в 1992 году программно-аппаратные средства для предоставления услуг "речевой почты" и организации автоматических справочных служб для населения не нашли своего заказчика. Работа выполнялась в рамках программы "Информатизация России". В те годы таких услуг не было не только у нас, но и за рубежом. Впрочем, и сейчас населению недоступны автоматические телефонные справочные, управляемые абонентом.
Новые технологии можно было бы использовать для создания автоматических аудио-библиотек для слепых (да и не только для них): заказываешь по телефону нужную литературу и тут же прослушиваешь (данный проект финансировался РФФИ).
Еще более интересен и достаточно хорошо проработан проект создания городской системы приема-передачи сигнальной информации для принципиально новых услуг, а также -- существующих, но по более низким расценкам.
Суть системы заключается в том, что на структуру городской телефонной сети накладывается сеть передачи данных для обработки сигналов, полученных от абонентов, по радиоканалу. Причем, число приемопередатчиков на сети достаточно, для того чтобы определить место нахождения абонента с точность до 10 метров. Компьютеры сети вычисляют место передачи сигнала и определяют посланный код, затем принимается решение по соответствующей услуге. Система позволяет организовать:
технологию наблюдений за объектами (как подвижными, так и стационарными) с целью предупреждения чрезвычайных ситуаций;
комплекс услуг по охране и помощи подвижных объектов для предприятий и граждан города;
поисковые службы и определения местонахождения абонента (поиск и навигация);
дуплексную связь передачи данных по радиоканалам.
Очевидно, что систему можно использовать и для сотен других полезных услуг, так как она универсальна и значительно дешевле любой известной городской навигационной системы.
Кроме названных направлений, в отделе проводятся исследования в области проектирования и развития интеллектуальных сетей связи. Создаем статистические и динамические математические модели сетевых систем и занимаемся решением оптимизационных задач на сетях.
Результаты исследования в области математических моделей связности и соответствующих разделов теории живучести информационных сетей нашли применение в практике проектирования реальных сетей связи специального назначения. Разработанные алгоритмы решения NP-трудных задач теории графов и гиперграфов, потоковых задач, задач составления расписания использовались в процессе моделирования сложных иерархических структур.
Решены задачи моделирования ремонтных и регламентных работ и оптимизации их расписания.
Проводятся исследования и разрабатываются методы проектирования сетей абонентского доступа на базе ГИС-технологий. Разработана технология описания сети, позволяющая моделировать структуру сети и ее анализ с применением цифровой карты и в трехмерном пространстве.
Созданы программно-аппаратные средства для интеллектуальных сетей связи и работы в области компьютерной телефонии. В частности, разработан программный комплекс автоматизированного телефонного сервиса, включающий в себя речевую почту, факс по телефону, систему оповещения абонентов и автоматизированную справочную службу.
Проводятся исследования экономических и технических предпосылок создания автономных цифровых радиосетей для общественных телекоммуникационных услуг. Разработана концепция автономной цифровой радиосети быстрого развертывания с использованием аэростатов в качестве носителей антенн и части приемо-передающего оборудования. Данный проект финансировался институтом CNET Francs-Telecom и получил одобрение французских специалистов. Такие системы связи могли бы быть полезными при чрезвычайных ситуациях или в районах, где разворачивание обычных средств связи невозможно.
Разрабатываются математические модели, программные системы моделирования и оптимизации цифровых информационных систем для различных режимов их функционирования. В частности -- модели катастрофических процессов в информационных сетях.
На базе читаемых сотрудниками отдела курсов в различных вузах Новосибирска и полученных научных результатов ведутся работы по созданию открытой обучающей системы моделирования и оптимизации сетевых структур. Ставятся и решаются актуальные вопросы разработки автоматизированных обучающих систем, методика построения которых основана на комплексе математических моделей. Ведется разработка диалоговой системы гибридного моделирования и оптимизации транспортных и коммуникационных сетей.
Развернуты работы по проекту "Опорная оптоволоконная сеть Новосибирского научного центра". Главная целью проекта -- создание высокоскоростной транспортной сети ННЦ для интегрированной передачи аудио- и видеоинформации и данных. Основное научное направление в этой области - создание и моделирование протоколов для обмена в сетях передачи данных. В рамках проекта создается современная цифровая сеть в здании ИВМиМГ СО РАН.
Многопроцессорные вычислительные системы реального времени.
Рассматривается возможность использования принципов теории живучести многопроцессорных вычислительных систем реального времени (МВС РВ) с целью увеличения срока их функционирования в условиях локальных радиационных воздействий на их аппаратуру.
Естественным способом борьбы за работоспособность системы в условиях локальных радиационных воздействий можно считать резервирование. При этом ВС с резервированием вычислительного элемента формально является многопроцессорной, однако производительность такой системы не превосходит производительности однопроцессорной ВС. Выбор соотношения между эффективностью использования аппаратуры и ее безотказностью в условиях локальных радиационных воздействий является актуальной проблемой при проектировании любой высоконадежной аппаратуры, включая бортовую РЭА. Однако специальные методы проектирования МВС, основанные на использовании аппарата теории живучести, позволяют значительно повысить эффективность использования аппаратуры, имея при этом стойкость МВС к локальным неблагоприятным воздействиям различной природы близкой к стойкости резервированной ВС с тем же объемом аппаратуры. МВС РВ представляет собой совокупность аппаратных и программно-алгоритмических средств, в совокупности обеспечивающих допустимую (оптимальную) реализацию алгоритма функционирования. МВС, подвергнутая ограниченному в пространстве радиационному воздействию, теряет часть своей аппаратуры, что, как следствие, ведет к потере не только аппаратной поддержки какой-либо ветви рабочего алгоритма, но и к неработоспособности программ, тем или иным образом связанных с отказавшей частью аппаратуры. Без использования возможностей повышения живучести, потенциально заложенных МВС, следствием локального воздействия на аппаратуру МВС обычно является полный функциональный отказ системы, чем можно считать как аварийный останов, так и работу с выдачей неверных результатов или снижение производительности системы ниже критического уровня.
Теория живучести предоставляет методы повышения живучести МВС, следствием чего
является увеличение времени функционирования МВС в условиях локальных радиационных воздействий.
В работе живучесть понимается как способность МВС функционировать с заданным качеством благодаря самоорганизации и адаптации системы к текущим условиям функционирования путем выбора оптимального режима функционирования в данных условиях за счет своих внутренних ресурсов, взаимосвязанных программной и аппаратной реконфигурации перестраиваемой структуры, изменения функций отдельных подсистем и их поведения на основании результатов внутреннего контроля и самодиагностирования системы. Использование в системе некоторого множества С методов оперативного контроля и самодиагностирования, определение текущего состояния S, безусловно, увеличивает время решения основных задач. Однако взаимосвязанная аппаратно-программная реконфигурация R системы по результатам контроля с переходом к оптимальной в текущих условиях конфигурации, продолжение функционирования в новой конфигурации с допустимой потерей качества функционирования, значительно увеличивает эффективное время работы МВС до наступления функционального отказа. Особый уровень реконфигурации – алгоритмический, когда МВС РВ выполняет лишь некоторое приоритетное подмножество из первоначального множества возложенных на нее задач с использованием работоспособных ресурсов, отбираемых у менее приоритетных задач. Приоритетное подмножество задач является динамически изменяющимся по мере накопления отказов компонентов системы и формируется с учетом временных ограничений на время выполнения каждой задачи, ее важности для системы и допустимой потери качества функционирования МВС РВ.
Математическая модель МВС РВ с повышенной живучестью содержит модель состояния, модель контроля и диагностики, модель реконфигурации. Взаимосвязь моделей состояния S, контроля и диагностики С, реконфигурации R в МВС РВ с повышенной живучестью представлена на рис.2.

Рис.2. Взаимосвязь моделей состояния, контроля и диагностики, реконфигурации для
МВС с повышенной живучестью
Таким образом, применение средств и методов теории живучести МВС РВ позволяет более эффективно использовать аппаратуру системы и значительно увеличить время функционирования МВС РВ в условиях локальных радиационных воздействий.
Литература
Макаров С.О. Разбор элементов, составляющих боевую силу судов.// Морской сборник, 1894,№6, с.1-106.
2. Надежность систем энергетики. Терминология. М.: Наука, 1980. Вып.95 – 44с.
3. Китушин В.Г. Надежность энергетических систем. М.: высшая школа, 1984. – 256 с.
4. Prevention of power failures Vol.3 studies of the task groups on the northeast power interruption. Areport to the federal power commission. June 1967, 142 p.
5. Горохов К. Америке устроили темную. Комсомольская правда в Украине, 16 августа 2003 г.
6. Руденко Ю.Н., Ушаков И.А. Надежность систем энергетики. М.: Наука, 1986. – 276 с.
7. Китушин В.Г. Определение характеристик отказов системы при цепочечном развитии аварий. – Изв. АН СССР. Энергетика и транспорт, 1977, №3. с. 20-30.
8. Гук Ю.Б. Теория надежности в электроэнергетике: Учеб. Пособие для вузов. – Л.: Энергоатомиздат, 1990. – 208 с.
9. Гук Ю.Б. Анализ надежности электроэнергетических установок – Л.: Энергоатомиздат. Ленинградское отделение, 1988. – 224 с.
10. Розанов М.Н. Надежность электроэнергетических систем.: Энергоатомиздат, 1984. – 176 с.
11. Рябинин И.А. Основы теории и расчета надежности судовых электроэнергетических систем. -2-е изд. – Л.: Судостроение, 1971. – 456 с.
12. Нечипоренко В.И. Структурный анализ систем(эффективность и надежность). – М.: Сов. радио, 1977. – 216 с.
13. Фокин Ю.А., Харченко А.М. Расчет надежности систем электроснабжения. – Электричество, 1982, № 8, с. 5-10.
14. Константинов Б.А., Лосев Э.А. Логико-аналитический метод расчета надежности восстанавливаемых систем электроснабжения. - Электричество, 1971,№ 12, с.21-25.
15. Синьчугов Ф.И. Основные положения расчета надежности электроэнергетических систем. – Электричество, 1980, №4, с. 12-16.
16. Лосев Э.А. Отклик на статью Синьчугова Ф.И. – Электричество, 1981, №9, с. 72-73.
17. Ковалев А.П., Якимишина В.В. О живучести объектов энергетики. – Промышленная энергетика, 2006, №1, С. 20-26.
18. Фабрикант В.П. О применении теории надежности к оценке устройств релейной защиты. – Электричество, 1965, №9, с. 36-40.
19. Белоусенко И.В., Ершов М.С., Ковалев А.П., Якимишина В.В., Шевченко О.А. О расчете надежности систем электроснабжения газовых промыслов. – Электричество, 2004, №3, с. 23-28.
20. Эндрени Дж. Моделирование при расчетах надежности в электроэнергетических системах. – М.: Энергоатомиздат, 1983. – 336 с.