Особенности проектирования трехступенчатого цилиндрического редуктора
Оглавление
Задание
1. Выбор электродвигателя и кинематический расчет
2. Выбор материалов шестерен и колес и определение допускаемых напряжений
3. Расчет третьей ступени редуктора
4. Расчет второй ступени редуктора
5. Расчет первой ступени редуктора
6. Основные размеры корпуса и крышки редуктора
7. Расчет ведомого вала и расчет подшипников для него
8. Расчет промежуточного (третьего) вала и расчет подшипников для него
9. Расчет промежуточного (второго) вала и расчет подшипников для него
10. Смазка
11. Проверка прочности шпоночных соединений
Список использованной литературы
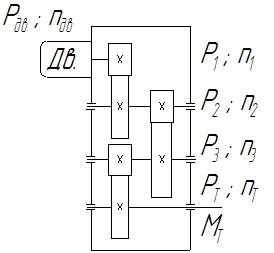
Задание
Спроектировать трехступенчатый цилиндрический редуктор.
Принять:
Расчетный ресурс: 14294 часа.

Техническая характеристика редуктора:
Мощность двигателя Рдв, кВт: 19,5.
Частота вращения двигателя nдв, об/мин: 945.
Момент на тихоходном валу Мт, Н·м: 8000.
Зацепление: прямозубое.
1. Выбор электродвигателя и кинематический расчет
Кинематический расчет.
КПД редуктора:
ηред = ηцп3 · ηп3
ηцп = 0,95…0,97; принимаем ηцп = 0,96 – КПД закрытой цилиндрической передачи;
ηп = 0,99 – КПД пары подшипников качения.
ηред = 0,963 · 0,993 = 0,86
Электродвигатель:
Pдв = 19,5 кВт; nдв = 945 об/мин.
Мощности на валах:
Р1 = Рдв = 19,5 кВт;
Р2 = Р1 · ηцп · ηп = 19,5 · 0,96 · 0,99 = 18,53 кВт;
Р3 = Р2 · ηцп · ηп = 18,53 · 0,96 · 0,99 = 17,61 кВт;
Рт = Р3 · ηцп · ηп = 17,61 · 0,96 · 0,99 = 16,74 кВт;
Передаточное число редуктора [1].
Uред = U1 · U2 · U3 = nдв / nт = 945/20 = 47,3
nт = 30ωт/π = (30Рт/Мт)/ π = (30·16740/8000)/3,14 = 20 об/мин
U1 – передаточное число первой ступени;
U2 – передаточное число второй ступени;
U3 – передаточное число третьей ступени.
Примем: U1 = 3,15; U2 = 3,75; U3 = 4.
Частота вращения валов:
n1 = nдв = 945 об/мин;
n2 = n1 / U1 = 945 / 3,15 = 300 об/мин;
n3 = n2 / U2 = 300 / 3,75 = 80 об/мин;
n4 = nт = 20 об/мин.
Угловые скорости валов:
ω1 = πn1 / 30 = 3,14 · 945 / 30 = 98,9 рад/с;
ω2 = πn2 / 30 = 3,14 · 300 / 30 = 31,4 рад/с;
ω3 = πn3 / 30 = 3,14 · 80 / 30 = 8,4 рад/с;
ω4 = ωт = πn4 / 30 = 3,14 · 20 / 30 = 2,1 рад/с.
Вращающие моменты на валах:
М1 = Р1 / ω 1 = 19,5 / 98,9 = 0,2 кН·м = 200 Н·м;
М2 = Р2 / ω 2 = 18,53 / 31,4 = 0,6 кН·м = 600 Н·м;
М3 = Р3 / ω 3 = 17,61 / 8,4 = 2,1 кН·м = 2100 Н·м;
М4 = Мт = Рт / ω т = 16,74 / 2,1 = 8 кН·м = 8000 Н·м;
2. Выбор материалов шестерен и колес и определение допускаемых напряжений
Материал колес – сталь 45; термообработка – улучшение: 235…262 НВ2;
248,5 НВСР2; σв = 780 МПа; σ-1 = 540 МПа; τ = 335 МПа.
Материал шестерен – сталь 45; термообработка – улучшение: 269…302 НВ1;
285,5 НВСР1; σв = 890 МПа; σ-1 = 650 МПа; τ = 380 МПа. табл. 3.2 [1].
Допускаемые контактные напряжения для шестерни и колеса.
NK6 = 573 · ω 4 · Lh = 573 · 2,1 · 14294 = 17,2 · 106 циклов;
NK5 = NK6 · U3 = 17,2 · 106 · 4 = 68,8 · 106 циклов.
NHO = 16,5 · 106 табл. 3.3 [1] – число циклов перемены напряжений, соответствующих пределу выносливости.
При NK > NHO, коэффициент долговечности КНL = 1._NFO = 4 · 106 - число циклов перемены напряжений при изгибе для всех видов сталей, стр. 56 [1].
При NK > NFO, коэффициент долговечности КFL = 1.
[σ]H5 = 1,8HBCP1 + 67 = 285,5 · 1,8 + 67 = 581 МПа
[σ]H6 = 1,8HBCP2 + 67 = 248,5 · 1,8 + 67 = 514 МПа
[σ]F5 = 1,03HBCP1 = 285,5 · 1,03 = 294 МПа
[σ]F6 = 1,03HBCP2 = 248,5 · 1,03 = 256 МПа
3. Расчет третьей ступени редуктора
Межосевое расстояние из условия контактной прочности зубьев:
α3 = Кα(U3 + 1)
= 495 · (4 + 1)
= 415,5 мм.
Кα = 495 – для прямозубых передач [2].
КНβ = 1 – при постоянной нагрузке.
Принимаем α3 = 400 мм.
m = (0,01-0,02) α3 = 4-8 мм, принимаем m = 6 мм.
z5 = 2α3 / m(U3 + 1) = 2 · 400 / 6 · (4 + 1) = 26
z6 = z5U3 = 26 · 4 = 104
d5 = m z5 = 6 · 26 = 156 мм
da5 = d5 + 2m = 156 + 2 · 6 = 168 мм
dt5 = d5 – 2,5m = 156 – 2,5 · 6 = 141 мм
d6 = m z6 = 6 · 104 = 624 мм
da6 = d6 + 2m = 624 + 2 · 6 = 612 мм
dt6 = d6 – 2,5m = 624 – 2,5 · 6 = 609 мм
b6 = ψва · α3 = 0,4 · 400 = 160 мм
b5 = b6 + 5 = 160 + 5 = 165 мм_Окружная скорость:
V3 =
=
= 0,65 м/с
Назначим 8 степень точности изготовления зубьев [1].
Коэффициент формы зуба: уF5 = 3,9, уF6 = 3,6 [1].
[σF5] / уF5 = 294 / 3,9 = 75,4 МПа; [σF6] / уF6 = 256 / 3,6 = 71 МПа
71<75,4 – следовательно, расчет ведем по зубьям колеса.
Коэффициент нагрузки:
КF = КFβ · KFV = 1,03 · 1,1 = 1,14
Усилия в зацеплении:
окружное:
Ft5 = Ft6 = 2М3 / d5 = 2 · 2100 / 0,156 = 26923 H
радиальное:
Fr5 = Fr6 = Ft5 · tgα = 26923 · tg 20° = 9799 H
Напряжение изгиба в зубьях колеса:
σF6 = Ft6 · КF · уF6 / b6 · m = 26923 · 1,14 · 3,6 / 160 · 6 = 115,1 МПа<[σ]F6 = 256 МПа
Прочность зубьев по изгибу обеспечена.
Проверочный расчет зубьев по контактному напряжению:
σН6 =

=

= 496 МПа
КН = КНα· КНβ · КНV = 1 · 1 · 1,05 = 1,05
КНα = 1; КНβ = 1; КНV = 1,05 [1].
σН6 < [σ]Н6
Следовательно, прочность зубьев по контактному напряжению обеспечена.
4. Расчет второй ступени редуктора
Межосевое расстояние из условия контактной прочности зубьев:
α2 = Кα(U2 + 1)
= 495 · (3,75 + 1)
= 264 мм.
Кα = 495 – для прямозубых передач [2].
КНβ = 1 – при постоянной нагрузке._Принимаем α2 = 250 мм.
m = (0,01-0,02) α2 = 2,5-5 мм, принимаем m = 4 мм.
z3 = 2α2 / m(U2 + 1) = 2 · 250 / 4 · (3,75 + 1) = 26
z4 = z3U2 = 26 · 3,75 = 98
d3 = m z3 = 4 · 26 = 104 мм
da3 = d3 + 2m = 104 + 2 · 4 = 112 мм
dt3 = d3 – 2,5m = 104 – 2,5 · 4 = 94 мм
d4 = m z4 = 4 · 98 = 392 мм
da4 = d4 + 2m = 392 + 2 · 4 = 400 мм
dt4 = d4 – 2,5m = 392 – 2,5 · 4 = 382 мм
b4 = ψва · α2 = 0,4 · 250 = 100 мм
b3 = b4 + 5 = 100 + 5 = 105 мм
Окружная скорость:
V2 =
=
= 1,63 м/с
Назначим 8 степень точности изготовления зубьев [1].
Коэффициент формы зуба: уF3 = 3,9, уF6 = 3,4 [1].
[σF3] / уF3 = 294 / 3,9 = 75,4 МПа; [σF4] / уF4 = 256 / 3,4 = 75 МПа
75<75,4 – следовательно, расчет ведем по зубьям колеса.
Коэффициент нагрузки:
КF = КFβ · KFV = 1,03 · 1,1 = 1,14
Усилия в зацеплении:
окружное:
Ft3 = Ft4 = 2М2 / d3 = 2 · 600 / 0,104 = 11538 H
радиальное:
Fr3 = Fr4 = Ft3 · tgα = 11538 · tg 20° = 4200 H
Напряжение изгиба в зубьях колеса:
σF4 = Ft4 · КF · уF4 / b4 · m = 11538 · 1,14 · 3,4 / 100 · 4 = 111,8 МПа<[σ]F4 = 256 МПа
Прочность зубьев по изгибу обеспечена._Проверочный расчет зубьев по контактному напряжению:
σН4 =

=

= 508 МПа
КН = КНα· КНβ · КНV = 1 · 1 · 1,05 = 1,05
КНα = 1; КНβ = 1; КНV = 1,05 [1].
σН4 < [σ]Н4
Следовательно, прочность зубьев по контактному напряжению обеспечена.
5. Расчет первой ступени редуктора
U1 = 3,15
Материалы и допускаемые напряжения одинаковы с тихоходной ступенью
α1 = Кα(U1 + 1)
= 495 · (3,15 + 1)
= 171 мм.
Кα = 495 – для прямозубых передач, стр. 135 [1].
КНβ = 1 – при постоянной нагрузке.
Принимаем α1 = 180 мм.
m = (0,01-0,02) α1 = 1,8-3,6 мм, принимаем m = 2,5 мм.
z1 = 2α1 / m(U1 + 1) = 2 · 180 / 2,5 · (3,15 + 1) = 34
z2 = z1U1 = 34 · 3,15 = 107
d1 = m z1 = 2,5 · 34 = 85 мм
da1 = d1 + 2m = 85 + 2 · 2,5 = 90 мм
dt1 = d1 – 2,5m = 85 – 2,5 · 2,5 = 78,75 мм
d2 = m z2 = 2,5 · 107 = 267,5 мм
da2 = d2 + 2m = 267,5 + 2 · 2,5 = 272,5 мм
dt2 = d2 – 2,5m = 267,5 – 2,5 · 2,5 = 261,25 мм_b2 = ψва · α1 = 0,4 · 180 = 72 мм
b1 = b2 + 5 = 72 + 5 = 77 мм
Коэффициент формы зуба: уF1 = 3,85, уF2 = 3,55 [1].
Усилия в зацеплении:
окружное:
Ft1 = Ft2 = 2М1 / d1 = 2 · 200 / 0,085 = 4706 H
радиальное:
Fr1 = Fr2 = Ft1 · tgα = 4706 · tg 20° = 1713 H
[σF1] / уF1 = 294 / 3,85 = 76 МПа; [σF2] / уF2 = 256 / 3,55 = 72 МПа
72<76 – следовательно, расчет на изгиб ведем по зубьям колеса.
Коэффициент нагрузки:
КF = КFβ · KFV = 1,04 · 1,25 = 1,3
КFβ = 1,04 [1], KFV = 1,25 [1].
Напряжение изгиба в зубьях колеса:
σF2 = Ft2 · КF · уF2 / b2 · m = 4706 · 1,3 · 3,55 / 72 · 2,5 = 120 МПа<[σ]F2 = 256 МПа
Прочность зубьев по изгибу обеспечена.
Напряжение изгиба при перегрузке:
σFmax = σF · Мmax / Мном = 120 · 2,2 = 264 < [σFmax] = 681 МПа
[σFmax] = 2,74НВ2 = 2,74 · 248,5 = 681 МПа
Проверочный расчет зубьев по контактному напряжению:
σН2 =

=

=
432 МПа < [σ]Н2=514 МПа
КН = КНα· КНβ · КНV = 1 · 1 · 1,05 = 1,05
КНα = 1; КНβ = 1; КНV = 1,05 [1].
Проверка контактных напряжений при перегрузке:
σmax = σН ·
= 432 ·
= 642 МПа < [σНпр] = 1674 МПа
[σНпр] = 3,1 · σТ = 3,1 · 540 = 1674 МПа
Окружная скорость в зацеплении:
V1 =
= 3,14 · 0,085 · 945 / 60 = 4,2 м/с
Назначим 8 степень точности изготовления зубьев.
6. Основные размеры корпуса и крышки редуктора
Толщина стенок:
δ = 0,025α3 + 3 = 0,025 · 400 + 3 = 13 мм
δ1 = 0,02α3 + 3 = 0,02 · 400 + 3 = 11 мм
Принимаем: δ = δ1 = 13 мм
Толщина поясов стыка:
b = b1 = 1,5δ = 1,5 · 13 = 19,5 мм
Толщина бобышки крепления на раму:
p = 2,35δ = 2,35 · 13 = 30 мм
Диаметры болтов:
d1 = 0,03α3 + 12 = 0,03 · 400 + 12 = 24 мм – М24
d2 = 0,75d1 = 0,75 · 24 = 18 мм – М18
d3 = 0,6d1 = 0,6 · 24 = 14,4 мм – М14
d4 = 0,5d1 = 0,5 · 24 = 12 мм – М12
7. Расчет ведомого вала и расчет подшипников для него
Диаметр выходного конца вала, исходя из расчета на кручение:
d4 =
=
= 117 мм
Принимаем: выходной диаметр Ø118 мм, под подшипники – Ø130 мм, под колесо – Ø140 мм.

Опасное сечение – место под колесо второй цилиндрической передачи.
Материал вала – сталь 45, НВ = 240, σв = 780 МПа, σт = 540 МПа, τт = 290 МПа, σ-1 = 360 МПа, τ-1 = 200 МПа, ψτ = 0,09, табл. 10.2 [2].
Найдем значения изгибающих моментов в наиболее опасном сечении:
Му = REX(k+l) – Ft2l = 5922 · 0,281 – 4706 · 0,165 = 887 Н·м;
Мх = REY(k+l) – Fr2l= 2156 · 0,281 – 1713 · 0,165 = 323 Н·м;
Мсеч =
=
=
944 Н·м.
My = RByb = 6561 · 0,1315 = 863 H · м
Реакции от усилия муфты:
FM(a + b + c) – RAFм(a + b) = 0;
RAFм = FM(a + b + c) / (a + b) = 22360 · 498 / 398 = 27978 H
RBFм = RAFм - FM = 27978 – 22360 = 5618 H
RA =
=
= 9466 H
RB =
=
= 19185 H
Для расчета подшипников:
RA' = RA + RAFм = 9466 + 27978 = 37444 H
RB' = RB + RBFм = 19185 + 5618 = 24803 H
Опасное сечение I – I. Концентрация напряжений в сечении I – I вызвана напрессовкой внутреннего кольца подшипника на вал с натягом.
Материал вала – сталь 45, НВ = 240, σв = 780 МПа, σт = 540 МПа, τт = 290 МПа, σ-1 = 360 МПа, τ-1 = 200 МПа, ψτ = 0,09, табл. 10.2 [2].
Расчет вала в сечении I - I на сопротивление усталости.
σа = σu = МAFм / 0,1d63 = 2236 · 103 / 0,1 · 6093 = 1,2 МПа
τа = τк /2 = М4 / 2 · 0,2d63 = 8000 · 103 / 0,4 · 6093 = 1 МПа
Кσ / Кdσ = 3,8 табл. 10.13 [2]; Кτ / Кdτ = 2,2 табл. 10.13 [2];
KFσ = KFτ = 1 табл. 10.8 [2]; KV = 1 табл. 10.9 [2].
KσД = (Кσ / Кdσ + 1 / КFσ – 1) · 1 / KV = (3,8 + 1 – 1) · 1 = 3,8
KτД = (Кτ / Кdτ + 1 / КFτ – 1) · 1 / KV = (2,2 + 1 – 1) · 1 = 2,2
σ-1Д = σ-1 / KσД = 360 / 3,8 = 94,7 МПа
τ-1Д = τ -1 / KτД = 200 / 2,2 = 91 МПа_
Sσ = σ-1Д / σа = 94,7 / 1,2 = 79; Sτ = τ -1Д / τ а = 91 / 1 = 91
S = Sσ Sτ /
= 79 · 91 /
= 59 > [S] = 2,5
Прочность вала обеспечена.
Выбор типа подшипника.
Осевые нагрузки отсутствуют, поэтому берем радиальные шарикоподшипники №326, С = 229 кН, С0 = 193 кН, d×D×B = 130×280×58
QA = RA' Kδ KT = 37444 · 1,3 · 1 = 48677 H
Ресурс подшипника:
Lh = a23(C / QA)m (106 / 60n4) = 0,8 · (229 / 48,677)3 · (106 / 60 · 20) = 6,9 · 104 ч
6,9 · 104 ч > [t] = 2,5 · 104 ч
Подшипник подходит.
8. Расчет промежуточного (третьего) вала и расчет подшипников для него
Диаметр выходного конца вала, исходя из расчета на кручение:
d3 =
=
= 74,8 мм
Принимаем: диаметр под подшипники – Ø75 мм, под колесо – Ø85мм.
Ft5 = 26923 H, Fr5 = 9799 H, d = 121 мм, e = 165 мм, f = 91 мм.
Ft4 = 11538 H, Fr4 = 4200 H.
Реакции опор:
в плоскости xz:
RDX = (Ft5d + Ft4(d+e))/(d+e+f) =(26923·121 + 11538·286)/377 = 17394 Н;
RCX = (Ft4f + Ft5(f+e))/(d+e+f) =(11538·91 + 26923·256)/377 = 21067 Н;
Проверка:
RDX + RCX - Ft5 – Ft4 = 17394 + 21067 - 26923 – 11538 = 0.

в плоскости yz:
RDY = (Fr5d + Fr4(d+e))/(d+e+f) =(9799·121 + 4200·286)/377 = 6331 Н;
RCY = (Fr4f + Fr5(f+e))/(d+e+f) =(4200·91 + 9799·256)/377 = 7668 Н;
Проверка:
RDY + RCY – Fr5 – Fr4 = 6331 + 7668 – 9799 - 4200 = 0.
Суммарные реакции:
RD =
=
= 18510 H;
RC =
=
= 22419 H;
Опасное сечение – место под колесо третьей цилиндрической передачи.
Материал вала – сталь 45, НВ = 240, σв = 780 МПа, σт = 540 МПа, τт = 290 МПа, σ-1 = 360 МПа, τ-1 = 200 МПа, ψτ = 0,09, табл. 10.2 [2].
Найдем значения изгибающих моментов в наиболее опасном сечении:
Му = RDX(e+f) – Ft4e = 17394 · 0,256 – 11538 · 0,165 = 2549,1 Н·м;
Мх = RDY(e+f) – Fr4e = 6331 · 0,256 – 4200 · 0,165 = 928 Н·м;
Мсеч =
=
=
2712,7 Н·м.
Расчет вала в опасном сечении на сопротивление усталости.
σа = σu = Мсеч / 0,1d3 = 2712,7 · 103 / 0,1 · 1413 = 9,6 МПа
τа = τк /2 = М3 / 2 · 0,2d3 = 2100 · 103 / 0,4 · 1413 = 6,5 МПа
Кσ / Кdσ = 3,8 табл. 10.13 [2]; Кτ / Кdτ = 2,2 табл. 10.13 [2];
KFσ = KFτ = 1 табл. 10.8 [2]; KV = 1 табл. 10.9 [2].
KσД = (Кσ / Кdσ + 1 / КFσ – 1) · 1 / KV = (3,8 + 1 – 1) · 1 = 3,8
KτД = (Кτ / Кdτ + 1 / КFτ – 1) · 1 / KV = (2,2 + 1 – 1) · 1 = 2,2
σ-1Д = σ-1 / KσД = 360 / 3,8 = 94,7 МПа
τ-1Д = τ -1 / KτД = 200 / 2,2 = 91 МПа
Sσ = σ-1Д / σа = 94,7 / 9,6 = 9,8; Sτ = τ -1Д / τ а = 91 / 6,5 = 14
S = Sσ Sτ /
= 9,8 · 14 /
= 8,07 > [S] = 2,5
Прочность вала обеспечена.
Выбор типа подшипника.
Осевые нагрузки отсутствуют, поэтому берем радиальные шарикоподшипники №315, С = 112 кН, С0 = 72,5 кН, d×D×B = 75×160×37
QA = RC Kδ KT = 22419 · 1,3 · 1 = 29144,7 H
Ресурс подшипника:
Lh = a23(C / QA)m (106 / 60n3) = 0,8 · (112 / 29,1447)3 · (106 / 60 · 80) = 3,9 · 104 ч
3,9 · 104 ч > [t] = 2,5 · 104 ч
Подшипник подходит.
9. Расчет промежуточного (второго) вала и расчет подшипников для него
Диаметр выходного конца вала, исходя из расчета на кручение:
d2 =
=
= 49,3 мм
Принимаем: диаметр под подшипники – Ø50 мм, под колесо – Ø60мм.
Ft2 = 4706 H, Fr2 = 1713 H, k = 116 мм, l = 165 мм, m = 86 мм.
Ft3 = 11538H, Fr3 = 4200 H.
Реакции опор:
в плоскости xz:
RFX = (Ft2k + Ft3(k+l))/(k+l+m) =(4706·116 + 11538·281)/367 = 10322 Н;
REX = (Ft3m + Ft2(m+l))/(k+l+m) =(11538·86 + 4706·251)/367 = 5922 Н;
Проверка:
RFX + REX - Ft2 – Ft3 = 10322 + 5922 - 4706 – 11538 = 0.
в плоскости yz:
RFY = (Fr2k + Fr3(k+l))/(k+l+m) =(1713·116 + 4200·281)/367 = 3757 Н;
REY = (Fr3m + Fr2(m+l))/(k+l+m) =(4200·86 + 1713·251)/367 = 2156 Н;
Проверка:
RFY + REY – Fr2 – Fr3 = 3757 + 2156 – 1713 - 4200 = 0.
Суммарные реакции:
RF =
=
= 10984 H;
RE =
=
= 6302 H; _Усилие от муфты: FM = 250
= 250
= 22360 H

Ft6 = 26923 H, Fr6 = 9799 H, a = 266,5 мм, b = 131,5 мм, с = 100 мм.
Реакции от усилий в зацеплении:
RAx(a + b) – Ft6b = 0; RAx = Ft6b / (a + b) = 26923 · 131,5 / 398 = 8895 H
RBx = Ft6 - RAx = 26923 – 8895 = 18028 H
Mx = RBxb = 18028 · 0,1315 = 2371 H · м
RAy = Fr6b / (a + b) = 9799 · 131,5 / 398 = 3238 H
RBy = Fr6 - RAy = 9799 – 3238 = 6561 H
Расчет вала в опасном сечении на сопротивление усталости.
σа = σu = Мсеч / 0,1d3 = 944 · 103 / 0,1 · 943 = 11,4 МПа
τа = τк /2 = М2 / 2 · 0,2d3 = 600 · 103 / 0,4 · 943 = 1,8 МПа
Кσ / Кdσ = 3,8 табл. 10.13 [2]; Кτ / Кdτ = 2,2 табл. 10.13 [2];
KFσ = KFτ = 1 табл. 10.8 [2]; KV = 1 табл. 10.9 [2].
KσД = (Кσ / Кdσ + 1 / КFσ – 1) · 1 / KV = (3,8 + 1 – 1) · 1 = 3,8
KτД = (Кτ / Кdτ + 1 / КFτ – 1) · 1 / KV = (2,2 + 1 – 1) · 1 = 2,2
σ-1Д = σ-1 / KσД = 360 / 3,8 = 94,7 МПа
τ-1Д = τ -1 / KτД = 200 / 2,2 = 91 МПа
Sσ = σ-1Д / σа = 94,7 / 11,4 = 8,3; Sτ = τ -1Д / τ а = 91 / 1,8 = 50,6
S = Sσ Sτ /
= 8,3 · 50,6 /
= 8,2 > [S] = 2,5
Прочность вала обеспечена.
Выбор типа подшипника.
Осевые нагрузки отсутствуют, поэтому берем радиальные шарикоподшипники №310, С = 61,8 кН, С0 = 36 кН, d×D×B = 50×110×27
QA = RF Kδ KT = 10984 · 1,3 · 1 = 14280 H
Ресурс подшипника:
Lh = a23(C / QA)m (106 / 60n2) = 0,8 · (61,8 / 14,28)3 · (106 / 60 · 300) = 3,6 · 104 ч
3,6 · 104 ч > [t] = 2,5 · 104 ч
Подшипник подходит.
10. Смазка
Смазка зубчатых зацеплений осуществляется окунанием одного из зубчатых колес в масло на полную высоту зуба.
Вязкость масла по табл. 11.1 [2]:
V1 = 4,2 м/с – V40° = 27 мм2/с
V2 = 1,63 м/с – V40° = 33 мм2/с
V3 = 0,65 м/с – V40° = 35 мм2/с
V40°ср = 31 мм2/с
По таблице 11.2 [2] принимаем масло индустриальное И-Г-А-32, у которого
V40°C = 29-35 мм2/с. Подшипники смазываются тем же маслом, что и зацепления за счет разбрызгивания масла и образования масляного тумана.
11. Проверка прочности шпоночных соединений
Напряжение смятия:
σсм = 2М / d(l – b)(h – t1) < [σ]см = 120 МПа
Промежуточный вал (третий) Ø85 мм, шпонка 22 × 14 × 90, t1 = 9 мм.
σсм = 2 · 2100 · 103 / 85 · (90 – 22)(14 – 9) = 115 МПа < [σ]см
Промежуточный вал (второй) Ø60 мм, шпонка 18 × 11 × 63, t1 = 7 мм.
σсм = 2 · 600 · 103 / 60 · (63 – 18)(11 – 7) = 111 МПа < [σ]см
Ведомый вал Ø140 мм, шпонка 32 × 18 × 140, t1 = 11 мм.
σсм = 2 · 8000 · 103 / 140 · (140 – 32)(18 – 11) = 118,3 МПа < [σ]см
Список использованной литературы
А.Е. Шейнблит – Курсовое проектирование деталей машин, Калининград, «Янтарный сказ», 2002
М.Н. Иванов – Детали машин, Москва, «Высшая школа», 1998 г.