Пресс для правки коленчатого вала с гидравлическим приводом
1
Реферат
Пояснительная записка - 96 стр., 13 рис., 29 табл., 9 литературных источников; графическая часть - 9 листов формата А1.
Автобусы, реконструкция корпусов, поты ремонта, оборудование, пресс, безопасность труда, экономическая эффективность.
Объектом разработок является производственная база ГУП СПАТП-4.
Цель –на основании современного состояния дел на предприятии разработать проект реконструкции.
В проекте предлагаются оптимальные типоразмеры секций зданий, допускающие установку автобусов. Разработан пресс для правки коленчатого вала с гидравлическим приводом. Разработаны мероприятия по охране труда и БЖД. Рассчитана технико-экономическая эффективность принятых решений.
Содержание
Введение
Основная часть
1. Проект реконструкции СПАТП-4 в г. Саратова
1.1 Назначение и краткая характеристика СПАТП-4
1.2 Исходные данные
1.3 Корректирование нормативных значений исходных данных
1.4 Определение трудоемкости ТО и ЕО
1.5 Расчет годовой производственной программы по количеству воздействий
1.6 Расчет трудоемкости ТО и ТР подвижного состава
1.7 Расчет численности ремонтно-обслуживающих рабочих распределение их по специальностям
1.8 Технологическое проектирование зон ТО и ТР автомобилей
1.9 Расчет площадей складских помещений
1.10 Выбор технологического оборудования
II Исследовательская часть
2. Патентный поиск
2.1 Анализ элементов патентного поиска существующих
устройств для правки коленчатых валов
2.2 Конструкции прессов для правки коленчатых валов
III Конструкторская часть
3. Разработка элементов конструкции пресса для правки коленчатых валов
3.1 Назначение, описание конструкции, принцип работы и техническая характеристика пресса
3.2 Расчет клинового механизма
3.3 Расчет на смятие коренной шейки коленчатого вала и штока
3.4 Расчет направляющих скольжения
3.5 Расчет силового цилиндра
3.6 Определение параметров насоса
3.7 Определение размеров трубопроводов.
3.8 Выбор масла.
IV. Безопасность технологического процесса
4 Разработка мероприятий по обеспечению безопасности выполнения операций технологического процесса восстановления коленчатого вала
4.1 Анализ опасных и вредных производственных факторов слесарно-механического участка ГУП СПАТП-4
4.2 Рекомендации по снижению воздействия опасных и вредных факторов на производстве
4.3 Инженерные решения по обеспечению безопасности
4.3.1 Освещенность
4.3.2 Загазованность
V. Экономическая часть
5. Определение технико-экономических показателей разработанных мероприятий.
5.1 Описание услуги
5.2 Сравнительные технико-экономические характеристики восстановления коленчатого вала двигателя
5.3 Себестоимость восстановления коленчатого вала двигателя
5.3.1 Переменные затраты на изготовление 1 ед. продукции
5.3.1.1 Затраты на материалы при восстановлении 1 ед. коленчатого вала
5.3.2.1 Отчисления на текущий ремонт здания, производственного помещения
5.3.2.2 Отчисления на текущий ремонт оборудования
5.3.2.3 Амортизационные отчисления на полное восстановление зданий и сооружений
5.3.2.4 Амортизационные отчисления на полное восстановление оборудования
5.3.2.5 Отчисления на капитальный ремонт зданий и сооружений
5.3.2.6 Отчисления на капитальный ремонт оборудования
5.3.2.7 Заработная плата повременная и единый социальный налог
5.3.2.8 Коммунальные затраты
5.3.2.9 Вспомогательные материалы (моющие средства и т.п)
5.3.2.10 Административно-управленческие расходы
5.4 Расчет объема инвестиций в проект
5.5 Оценка экономической состоятельности проекта
Заключение
Список использованных источников
Введение
Ремонт автомобилей является объективной необходимостью, которая обусловлена техническими и экономическими причинами.
Во-первых, потребность народного хозяйства в автомобилях частично удовлетворяется путем эксплуатации отремонтированных деталей.
Во-вторых, ремонт обеспечивает дальнейшее использование тех элементов автомобилей, которые не полностью изношены. В результате сохраняется значительный объем прошлого труда. В-третьих, ремонт способствует экономии материалов, идущих на изготовление новых автомобилей.
Ремонт машин как производственный процесс восстановления утраченной ими работоспособности возник одновременно с появлением машин. По мере увеличения наработки машин под действием нагрузок и окружающей среды искажаются формы рабочих поверхностей и изменяются размеры деталей; увеличиваются зазоры в подвижных и снижаются натяги в неподвижных соединениях и т.д. В результате отдельные детали и соединения при различных наработках теряют работоспособность.
Эффективность использования техники, уровень ее надежности во многом зависит от развития технического сервиса.
В данной работе представлен проект реконструкции СПАТП-4, сконструирован пресс для правки коленчатых валов, подобрано технологическое оборудование для производственных корпусов, выполнены экономическая проработка разделов проекта и решение задач по охране труда и БЖД.
Основная часть
I. Проектная часть
1. Проект реконструкции СПАТП-4 в г. Саратова
1.1 Назначение и краткая характеристика СПАТП-4
Главная цель деятельности СПАТП-4 – стабильное, бесперебойное пассажирских перевозок г. Саратова, а так же осуществление пассажирских перевозок между городами, районами и промышленными центрами и сельскими населенными пунктами. Предприятие обслуживает 12 междугородних маршрутов, общей протяженностью 2605,2 км. Работает по17 графикам. пригородные перевозки производятся на 12 маршрутах по 22 графикам. Длина маршрутной сети 507,4 км. Городские перевозки осуществляются на 15 маршрутах по 68 графикам. Длина маршрутной сети 176,1 км. Предприятие имеет несколько производственных корпусов, открытые и закрытые стоянки.
Задачей технологического расчета является определение необходимых данных (расчет производственной программы, объема работ и численности производственных рабочих) для разработки планировочного решения производственных корпусов АТП и организации технологического процесса ТО и ТР подвижного состава СПАТП-4.
1.2 Исходные данные
Предприятие имеет разномарочный подвижной состав, поэтому для удобства расчетов разобьем подвижной состав по технологически совместимым группам (таблица 1.).
Таблица 1.
Исходные данные
|
Подвижной состав |
Технологически совместимые группы по типам и базовым маркам |
||||
|
Легковые атомобили,грузовыеавтомобил,Автобусы |
Ι |
ІІ |
ІІІ |
ІV |
V |
|
- |
ГАЗель |
ПАЗ-3205 |
ЛАЗ-695 ЛиАЗ-677 |
Икарус-256 Икарус-260 Икарус-280 ЛиАЗ-5256 |
В таблице 2 приведено количество автотранспорта и его пробег для каждой технологически совместимой группы.
Таблица 2.
Исходные данные
|
|
II |
ІІІ |
IV |
V |
|
Преобладающая категория эксплуотации. |
3 |
3 |
3 |
3 |
|
Количество автотранспорта, ед. |
3 |
9 |
30 |
70 |
|
Пробег автомобилей |
150 |
150 |
160 |
180 |
Таблица 3.
Дополнительные исходные данные
|
II |
III |
IV |
V |
|
|
Преобладающая категория эксплуотации. |
3 |
3 |
3 |
3 |
|
Число дней работы в году |
365 |
365 |
365 |
365 |
|
Число дней обслуживания и ремонта в году |
253 |
253 |
253 |
253 |
|
Среднее время работы в наряде, ч. |
8 |
8 |
8 |
8 |
|
Число смен |
2 |
2 |
2 |
2 |
|
Ресурс или пробег до КР не менее, тыс.км. |
250 |
250 |
250 |
250 |
|
Нормативная трудоемкость: |
||||
|
ЕОс чел.ч |
0,3 |
0,3 |
0,5 |
0,8 |
|
Еот чел.ч |
0,15 |
0,15 |
0,25 |
0,4 |
|
ТО-1 чел.ч |
3,6 |
6 |
9 |
18 |
|
ТО-2 чел.ч |
14,4 |
24 |
36 |
72 |
|
ТР,чел.ч/1000 км |
3 |
3 |
4,2 |
6,2 |
После получения исходных данных определяются нормативные значения периодичности ТО-1 (L>1>н ), ТО-2 (L>2>н) пробега до капитального ремонта подвижного состава (L>кр>н ), трудоемкости ежедневного обслуживания (ЕО) t>ео>н, ТО-1 (t>1>н), ТО-2 (t>2>н), текущего ремонта (t>тр>н), простоя в ТО-2 и текущем ремонте dн и простоя в КР (D>кр>н) [1].
1.3 Корректирование нормативных значений исходных данных
Нормативные значения перечисленных выше величин определены для автомобилей, работающих в категории условий эксплуатации. После выбора категории условий эксплуатации для расчета проекта приступают к корректированию этих нормативов с помощью коэффициентов корректирования.
Корректировочные коэффициенты учитывают следующие факторы: К>1> - категорию условий эксплуатации; К>2> - модификацию подвижного состава и организацию его работы; К>3> - природно-климатические условия; К>4> и К>4>` - пробег с начала эксплуатации; К>5> - количество обслуживаемых и ремонтируемых автомобилей на АТП и количество технологически совместимых групп подвижного состава.
Значения коэффициентов К>4> и К>4>` определяются как средневзвешенные по всем возрастным группам подвижного состава:
(1)
>
>
где К>4> и К>4>` - табличные значения коэффициентов для конкретной (i-той) возрастной группы автомобилей;
P>i>- доля автомобилей i-той возрастной группы;
n- число возрастных групп автомобилей в АТП.
Для определения коэффициента К>5> нужно предварительно определить количество технологически совместимых при проведении ТО и ТР групп подвижного состава [1].
Полученные коэффициенты корректирования нормативов заносим в таблицу 4.
Таблица 4.
Коэффициенты корректирования нормативов.
|
Коэффициент К1корректирования нормативов пробега подвижного состава до: |
II |
III |
IV |
V |
|
пробег до КР |
0,8 |
0,8 |
0,8 |
0,8 |
|
периодичность ТО |
0,8 |
0,8 |
0,8 |
0,8 |
|
простой в ТО и ТР |
1 |
1 |
1 |
1 |
|
трудоёмкость ЕО |
1 |
1 |
1 |
1 |
|
трудоёмкость ТО |
1 |
1 |
1 |
1 |
|
трудоёмкость ТР |
1,2 |
1,2 |
1,2 |
1,2 |
|
Коэффициент К2 корректирования нормативов пробега подвижного состава до: |
||||
|
пробег до КР |
1 |
1 |
1 |
1 |
|
периодичность ТО |
1 |
1 |
1 |
1 |
|
простой в ТО и ТР |
1 |
1,1 |
1,1 |
1,1 |
|
трудоёмкость ЕО |
1 |
1,25 |
1,25 |
1,25 |
|
трудоёмкость ТО |
1 |
1,25 |
1,25 |
1,25 |
|
трудоёмкость ТР |
1 |
1,25 |
1,25 |
1,25 |
|
Коэффициент К3 корректирования нормативов пробега подвижного состава до: |
||||
|
пробег до КР |
1 |
1 |
1 |
1 |
|
периодичность ТО |
1 |
1 |
1 |
1 |
|
простой в ТО и ТР |
1 |
1 |
1 |
1 |
|
трудоёмкость ЕО |
1 |
1 |
1 |
1 |
|
трудоёмкость ТО |
1 |
1 |
1 |
1 |
|
трудоёмкость ТР |
1 |
1 |
1 |
1 |
|
Коэффициент К4 корректирования нормативов пробега подвижного состава до: |
II |
III |
IV |
V |
|
пробег до КР |
1 |
1 |
1 |
1 |
|
периодичность ТО |
1 |
1 |
1 |
1 |
|
простой в ТО и ТР |
1 |
1 |
1 |
1 |
|
трудоёмкость ЕО |
1 |
1 |
1 |
1 |
|
трудоёмкость ТО |
0,7 |
1,55 |
1,55 |
1,55 |
|
трудоёмкость ТР |
0,7 |
1,55 |
1,55 |
1,55 |
|
Коэффициент К5 корректирования нормативов пробега подвижного состава до: |
II |
III |
IV |
V |
|
пробег до КР |
1 |
1 |
1 |
1 |
|
периодичность ТО |
1 |
1 |
1 |
1 |
|
простой в ТО и ТР |
1 |
1 |
1 |
1 |
|
трудоёмкость ЕО |
1 |
1 |
1 |
1 |
|
трудоёмкость ТО |
1,15 |
1,15 |
1,15 |
1,2 |
|
трудоёмкость ТР |
1,15 |
1,15 |
1,15 |
1,2 |
|
Нормативы простоя в: |
||||
|
ТОиТР,дней/1000км |
0,3 |
0,6 |
0,5 |
0,5 |
|
КР,календарных дней |
25 |
35 |
20 |
20 |
|
Нормативная периодичность обслуживания,км: |
II |
III |
IV |
V |
|
ТО-1 |
2800 |
2800 |
2800 |
4000 |
|
ТО-2 |
14000 |
14000 |
14000 |
16000 |
Корректирование нормативов производится по формулам:
- периодичность ТО-1 и ТО-2, км :
L>1>= L>1>н * К>1 >* К>3> , L>2>= L>2>н * К>1 >* К>3> ; (2)
-пробег до КР, км:
L>кр>= L>кр>н * К>1 >* К>2>* К>3> (3)
где L>1>, L>2,> L>кр.>- нормативная периодичность обслуживания и пробег.
Полученные значения заносим в таблицу 5.
Таблица 5.
Скорректированные нормативы.
|
II |
III |
IV |
V |
|
|
Ресурсный пробег, Lкp |
200000 |
200000 |
200000 |
200000 |
|
Периодичность ТО-1, L1 |
2160 |
3200 |
2160 |
2240 |
|
Периодичность ТО-2, L2 |
11200 |
12800 |
11200 |
11200 |
-простой автомобилей в ТО-2 и ТР, дни/1000 км определяем по ниже приведенной формуле (4) и заносим значения в таблицу 6 :
d=dн * К>4>` * К>см>, (4)
где Ксм- коэффициент, учитывающий объем работ, выполняемых в межсменное время Ксм=0,5.
Таблица 6.
Простой автобусов для каждой технологически совместимой группы.
|
II |
III |
IV |
V |
|
|
Простоя автобусов в ТО-2: |
80 |
147 |
128 |
128 |
1.4 Определение трудоемкости ТО и ЕО
Определяем трудоемкость ТО, чел-ч:
t>м>=t>м>н * К>2>* К>5> * К>м>;
t>1>=t>1>н * К>2>* К>5> * К>м>; (5)
t>2>=t>2>н * К>2>* К>5> * К>м> ,
где К>м> - коэффициент, учитывающий уровень автоматизации и механизации работ (0,3);
t>м>н=0,65 * t>ео>н - нормативное значение трудоемкости уборочно-моечных воздействий;
- трудоемкость ТР, чел-ч/1000 км:
t>тр>=t>тр>н * К>1> * К>2>* К>3> * К>4> * К>5> ; (6)
- периодичность уборочно-моечных работ, входящих в работы ежедневного обслуживания, определяется средней периодичностью мойки в днях (Д>м>=4 дня) и среднесуточным пробегом (l>сс>):
L>м> = l>cc> * Д>м> . (7)
Таблица 7.
Периодичность уборочно-моечных работ.
|
Расчётная нормативная трудоёмкость: |
II |
III |
IV |
V |
|
Еос |
0,3 |
0,37 |
0,62 |
1 |
|
Еот |
0,15 |
0,18 |
0,31 |
0,5 |
|
ТО-1 |
2,52 |
11,62 |
17,43 |
34,87 |
|
ТО-2 |
10,08 |
46,5 |
69,75 |
139,5 |
|
ТР |
2,898 |
8,02 |
11,22 |
17,29 |
Для улучшения планирования технического обслуживания автомобилей периодичность ТО следует откорректировать по величине среднесуточного пробега, то есть пробег до ТО-1 должен быть кратным среднесуточному пробегу, а пробег до ТО-2 - кратным пробегу до ТО-1. Аналогично пробег до капитального ремонта должен быть кратным пробегу до ТО-2. Откорректированные значения приведены в таблице 8.
Таблица 8.
Периодичность ТО и ТР.
|
II |
III |
IV |
V |
|
|
Ресурсный пробег, Lp |
202500 |
211200 |
201600 |
202500 |
|
Периодичность ТО-1, L1 |
2250 |
3300 |
2240 |
2700 |
|
Периодичность ТО-2, L2 |
11250 |
13200 |
11200 |
13500 |
1.5 Расчет годовой производственной программы по количеству воздействий
В первую очередь рассчитываются основные показатели технической готовности и работы подвижного состава.
Определяется величина простоев в капитальном ремонте:
Д>р> = Д>кр>н +Д>транс>, (8)
где Д>кр>н - нормативный простой в КР на АРЗ, дни;
Д>транс> - число дней транспортировки автомобиля на АРЗ и обратно (Д>транс> = 10...30 дней).
Коэффициент технической готовности:
.
(9)
Таблица 9.
Коэффициент технической готовности.
|
II |
III |
IV |
V |
|
0,9435 |
0,9011 |
0,9072 |
0,8968 |
Коэффициент использования парка:
,
(10)
где
- число рабочих дней парка в году (365
дней).
Обще-парковый годовой пробег Рассчитываем по формуле (11) и заносим в таблицу 10.
L>г>
= А>и> * l>сс> * 365 *
,
(11)
где А>и> - инвентарное количество автомобилей АТП.
Таблица 10.
Обще-парковый годовой пробег
|
II |
III |
IV |
V |
|
51659 |
49339 |
52980 |
58923 |
Значения в таблице 11 рассчитываем по формуле (12)
(12)
Таблица 11.
Количество КР автомобилей по АТП за год.
-
II
III
IV
V
2,551109558
9,344645902
5,256033639
5,8196313
Годовая программа по ТО-2:
.
(13)
Годовая программа по ТО-1:
(14)
Годовая программа по сезонному обслуживанию:
N>со> = 2 * А>и> . (15)
Годовая программа уборочно-моечных воздействий:
.
(16)
Полученные значения записываем в таблицу 12
Таблица 12.
Годовой объем работ.
|
Годовой объём работ: |
II |
III |
IV |
V |
|
Еос |
309 |
1110 |
6208 |
22914 |
|
Еот |
16 |
40 |
354 |
1221 |
|
ТО-1 |
138 |
1173 |
9898 |
42621 |
|
ТО-2 |
128 |
1517 |
9828 |
42482 |
|
ТР |
449 |
3561 |
17848 |
71348 |
1.6 Расчет трудоемкости ТО и ТР подвижного состава
Трудоемкость уборочно-моечных воздействий:
Т>м> = N>м> * t>м> . (17)
Трудоемкость ТО-1 и ТО-2:
Т>1> = N>1> * t>1> , Т>2> = N>2> * t>2> . (18)
Трудоемкость сезонного обслуживания:
Т>со> = N>со> * t>2> * 0,2 (19)
Трудоемкость текущего ремонта:
Т>тр> = Lг * t>тр >/ 1000. (20)
Трудоемкость вспомогательных работ:
Т>всп> = 0,3 * (Т>м> + Т>1 >+ Т>2> + Т>со> + Т>тр>). (21)
Итоговая трудоемкость технических воздействий:
Т = Т>м> + Т>1 >+ Т>2> + Т>со> + Т>тр> + Т>всп>. (22)
Таблица 13.
Трудоемкость подвижного состава.
|
Расчет трудоемкости ТО и ТР подвижного состава |
|
II |
III |
IV |
V |
|
Трудоемкость у/м воздействий |
121,2 |
782,9 |
1767,1 |
17103,6 |
|
|
Трудоемкость ТО-1 |
15,9 |
43,0 |
455,5 |
16106,2 |
|
|
Трудоемкость ТО-2 |
18,5 |
46,9 |
581,4 |
22015,8 |
|
|
Трудоемкость СО |
5,1 |
16,1 |
57,2 |
2064 |
|
|
Трудоемкость ТР |
507,3 |
1433,6 |
16445,8 |
269652 |
|
|
Тркдоемкость вспомогательных работ |
145,2 |
580,6 |
4826,8 |
81735,5 |
|
|
Итоговая трудоемкость |
1054,4 |
2903,4 |
24134,0 |
408677 |
|
|
t1 |
0,5 |
0,9 |
1,3 |
4,6 |
|
|
t2 |
2,1 |
3,6 |
5,5 |
20 |
|
|
tр |
4,3 |
7,1 |
15,5 |
21,0 |
|
|
tм |
0,6 |
0,6 |
0,6 |
0,6 |
1.7 Расчет численности ремонтно-обслуживающих рабочих распределение их по специальностям
Штатная численность рабочих:
(23)
Явочная численность рабочих:
(24)
где
и
- годовой фонд времени (штатной и явочной
единицы рабочих).
Распределение трудоемкости по видам работ (специальностям рабочих) представляем в виде таблиц 14 и15, в которых указывают объем работ определенных видов в процентах и чел.ч., а также расчетные и принимаемые значения числа рабочих.
Таблица 14.
Распределение объема ЕО, ТО и ТР по видам работ
|
Вид работ ТО и ТР |
II |
III |
IV |
V |
||||
|
Техническое обслуживание |
% |
Число |
% |
Число |
% |
Число |
% |
Число |
|
ЕО с (выполняется ежедневно): |
||||||||
|
уборочные |
25 |
77,4 |
20 |
222,0 |
20 |
1241,7 |
20 |
4582,9 |
|
моечные |
15 |
2,4 |
10 |
111,0 |
10 |
620,8 |
10 |
2291,4 |
|
заправочные |
12 |
16,6 |
11 |
122,1 |
11 |
682,9 |
11 |
2520,6 |
|
контрольно-диагностические |
13 |
16,74 |
12 |
133,2 |
12 |
745,0 |
12 |
2749,7 |
|
ремонтные (устранение мелких неисправностей) |
35 |
157,19 |
47 |
521,7 |
47 |
2918,0 |
47 |
10769 |
|
Итого: |
100 |
309,9 |
100 |
1110,1 |
100 |
6208,6 |
100 |
22914 |
|
ЕО т (выполняется перед ТО и ТР): |
||||||||
|
уборочные |
60 |
9,7 |
55 |
22,0 |
40 |
141,7 |
40 |
488,5 |
|
моечные по двигателю и шасси |
40 |
55,5 |
45 |
18,0 |
60 |
212,5 |
60 |
732,7 |
|
Итого: |
100 |
128,7 |
100 |
40,06 |
100 |
354,2 |
100 |
1221,3 |
|
ТО-1: |
||||||||
|
общее диагностирование |
15 |
20,8 |
8 |
93,8 |
8 |
791,8 |
8 |
3409,7 |
|
крепежные, регулировочные, смазочные и др. |
85 |
118,0 |
92 |
1079,3 |
92 |
9106,5 |
92 |
39211 |
|
Итого: |
100 |
138,8 |
100 |
1173,2 |
100 |
9898,4 |
100 |
42621 |
|
ТО-2: |
||||||||
|
углубленное диагностирование |
13 |
16,7 |
7 |
106,2 |
5 |
491,4 |
5 |
2124 |
|
крепежные, регулировочные, смазочные и др. |
88 |
113,3 |
93 |
1411,5 |
95 |
9337,2 |
95 |
40357 |
|
Итого: |
100 |
128,7 |
100 |
1517,7 |
100 |
9828,6 |
100 |
42482 |
|
Текущий ремонт |
||||||||
|
Постовые работы: |
||||||||
|
общее диагностирование |
1 |
4,4 |
1 |
35,6 |
1 |
178,4 |
1 |
713,4843 |
|
углубленное диагностирование |
1 |
4,4 |
1 |
35,6 |
1 |
178,4 |
1 |
713,4 |
|
регулировочные и разборочно-сборочные |
33 |
148,2 |
27 |
961,7 |
34 |
6068,6 |
34 |
24258 |
|
Сварочные |
4 |
17,9 |
5 |
178,0 |
8 |
1427,907247 |
8 |
5707,8 |
|
Жестяницкие |
2 |
8,9 |
2 |
71,2 |
3 |
535,4 |
3 |
2140,4 |
|
Окрасочные |
8 |
35,9 |
8 |
284,9 |
3 |
535,4 |
3 |
2140,4 |
|
Итого по постам: |
49 |
220,0 |
44 |
1567,2 |
50 |
8924,4 |
50 |
35674 |
|
Участковые работы: |
||||||||
|
Агрегатный |
7 |
31,4 |
9 |
320,5 |
9 |
1606,3 |
9 |
6421,3 |
|
Слесарно-механический |
5 |
22,4 |
6 |
213,7 |
5 |
892,4 |
6 |
4280,9 |
|
Участок мойки агрегатов |
3 |
13,4 |
4 |
142,4 |
3 |
535,4 |
4 |
2853,9 |
|
Аккумуляторный |
2 |
8,9 |
3 |
106,8 |
2 |
356,9 |
2 |
1426,9 |
|
Ремонт приборов системы питания |
3 |
13,4 |
3 |
106,8 |
3 |
535,4 |
3 |
2140,4 |
|
Шиномонтажный |
1 |
4,4 |
2 |
71,2 |
1 |
178,4 |
2 |
1426,9 |
|
Вулканизационный |
1 |
4,4 |
1 |
35,6 |
2 |
356,9 |
2 |
1426,9 |
|
Кузнечный |
1 |
4,4 |
3 |
106,8 |
3 |
535,4 |
3 |
2140,4 |
|
Медницкий |
2 |
8,9 |
2 |
71,2 |
2 |
356,9 |
2 |
1426,9 |
|
Малярный |
2 |
8,9 |
2 |
71,23794 |
2 |
356,9 |
2 |
1426,9 |
|
Цех по ремонту кузовов |
2 |
8,9 |
2 |
71,2 |
1 |
178,4 |
1 |
713,48 |
|
Обмоточный |
2 |
8,9 |
3 |
106,8 |
2 |
356,9 |
1 |
713,48 |
|
Участок по ремонту ДВС и ГМП |
2 |
8,9 |
3 |
106,8 |
2 |
356,9 |
1 |
713,48 |
|
Участок по ремонту электрооборудования |
2 |
8,9 |
2 |
71,2 |
1 |
178,4 |
1 |
713,48 |
|
Электромеханический участок |
2 |
8,9 |
2 |
71,2 |
2 |
356,9 |
2 |
1426,9 |
|
Токарно-расточный |
2 |
8,9 |
1 |
35,6 |
1 |
178,4 |
1 |
713,4 |
|
Обойный |
2 |
8,9 |
2 |
71,2 |
2 |
356,9 |
1 |
713,4 |
|
Участок обкатки ДВС |
2 |
8,9 |
2 |
71,2 |
1 |
178,4 |
2 |
1426,969 |
|
Участок ремонта ГМП |
2 |
8,9 |
1 |
35,6 |
2 |
356,9 |
2 |
1426,9 |
|
Участок ремонта мостов |
2 |
8,9 |
1 |
35,6 |
1 |
178,4 |
1 |
713,4 |
|
Токарный участок |
2 |
8,9 |
1 |
35,6 |
1 |
178,4 |
1 |
713,4 |
|
Малярный участок(сушильная камера) |
2 |
8,9 |
1 |
35,6 |
2 |
356,9 |
1 |
713,4 |
|
Итого по участкам: |
51 |
229,0 |
56 |
1994,6 |
50 |
8924,420295 |
50 |
35674 |
|
Всего по ТР |
100 |
449,1 |
100 |
3561,8 |
100 |
17848 |
100 |
71348 |
Таблица 15.
Распределение работ по специальностям.
|
II |
III |
IV |
V |
||||||
|
Виды работ |
Технологически необходимое число рабочих |
Штатное число рабочих |
Технологически необходимое число рабочих |
Штатное число рабочих |
Технологически необходимое число рабочих |
Штатное число рабочих |
Технологически необходимое число рабочих |
Штатное число рабочих |
Принятое число рабочих |
|
уборочные |
0,037435 |
0,042577 |
0,107260283 |
0,121994 |
0,599873404 |
0,682274 |
2,213990165 |
2,51811 |
2 |
|
моечные |
0,001181 |
0,001343 |
0,053630142 |
0,060997 |
0,299936702 |
0,341137 |
1,106995082 |
1,259055 |
|
|
заправочные |
0,00805 |
0,009156 |
0,058993156 |
0,067097 |
0,329930372 |
0,37525 |
1,217694591 |
1,38496 |
2 |
|
контрольно-диагностические |
0,008088 |
0,009199 |
0,06435617 |
0,073196 |
0,359924043 |
0,409364 |
1,328394099 |
1,510866 |
2 |
|
ремонтные (устранение мелких неисправностей) |
0,07594 |
0,086371 |
0,252061666 |
0,286686 |
1,4097025 |
1,603343 |
5,202876887 |
5,917558 |
6 |
|
Итого: |
0,149739 |
0,170308 |
0,536301417 |
0,609969 |
2,999367022 |
3,411368 |
11,06995082 |
12,59055 |
12 |
|
ЕО т (выполняется перед ТО и ТР): |
|||||||||
|
уборочные |
0,004722 |
0,005371 |
0,010646318 |
0,012109 |
0,068460342 |
0,077864 |
0,236004362 |
0,268423 |
2 |
|
моечные по двигателю и шасси |
0,026833 |
0,030519 |
0,008710624 |
0,009907 |
0,102690513 |
0,116796 |
0,354006542 |
0,402634 |
|
|
Итого: |
0,062214 |
0,070759 |
0,019356942 |
0,022016 |
0,171150855 |
0,194661 |
0,590010904 |
0,671056 |
2 |
|
ТО-1: |
|||||||||
|
общее диагностирование |
0,010062 |
0,011445 |
0,045341847 |
0,05157 |
0,38254784 |
0,435096 |
1,647208683 |
1,873474 |
2 |
|
крепежные, регулировочные, смазочные и др. |
0,057021 |
0,064853 |
0,521431241 |
0,593056 |
4,399300156 |
5,0036 |
18,94289985 |
21,54495 |
23 |
|
Итого: |
0,067083 |
0,076298 |
0,566773088 |
0,644627 |
4,781847995 |
5,438695 |
20,59010853 |
23,41842 |
25 |
|
ТО-2: |
|||||||||
|
углубленное диагностирование |
0,008088 |
0,009199 |
0,051326358 |
0,058377 |
0,237407617 |
0,270019 |
1,026135861 |
1,167089 |
2 |
|
крепежные, регулировочные, смазочные и др. |
0,054748 |
0,062268 |
0,681907325 |
0,775576 |
4,510744726 |
5,130353 |
19,49658137 |
22,17468 |
23 |
|
Итого: |
0,062214 |
0,070759 |
0,733233683 |
0,833953 |
4,748152343 |
5,400371 |
20,52271723 |
23,34177 |
25 |
|
Текущий ремонт |
|||||||||
|
Постовые работы: |
|||||||||
|
общее диагностирование |
0,00217 |
0,002468 |
0,017207231 |
0,019571 |
0,086226283 |
0,098071 |
0,344678417 |
0,392024 |
2 |
|
углубленное диагностирование |
0,00217 |
0,002468 |
0,017207231 |
0,019571 |
0,086226283 |
0,098071 |
0,344678417 |
0,392024 |
|
|
регулировочные и разборочно-сборочные |
0,071601 |
0,081436 |
0,464595236 |
0,528413 |
2,931693624 |
3,334399 |
11,71906617 |
13,32883 |
12 |
|
Сварочные |
0,008679 |
0,009871 |
0,086036155 |
0,097854 |
0,689810264 |
0,784564 |
2,757427335 |
3,136195 |
2 |
|
Жестяницкие |
0,004339 |
0,004936 |
0,034414462 |
0,039142 |
0,258678849 |
0,294212 |
1,034035251 |
1,176073 |
|
|
Окрасочные |
0,017358 |
0,022317 |
0,137657848 |
0,176989 |
0,258678849 |
0,332587 |
1,034035251 |
1,329474 |
2 |
|
Итого по постам: |
0,106316 |
0,12092 |
0,757118162 |
0,861118 |
4,311314152 |
4,903528 |
17,23392084 |
18,60122 |
18 |
|
Участковые работы: |
|||||||||
|
Агрегатный |
0,015188 |
0,017274 |
0,154865079 |
0,176138 |
0,776036547 |
0,882635 |
3,102105752 |
3,528219 |
4 |
|
Слесарно-механический |
0,010849 |
0,012339 |
0,103243386 |
0,117425 |
0,431131415 |
0,490353 |
1,89465265 |
1,954875 |
2 |
|
Участок мойки агрегатов |
0,006509 |
0,007403 |
0,068828924 |
0,078283 |
0,258678849 |
0,294212 |
1,378713667 |
1,568097 |
2 |
|
системы питания |
0,006509 |
0,007403 |
0,051621693 |
0,058713 |
0,258678849 |
0,294212 |
1,034035251 |
1,176073 |
2 |
|
Шиномонтажный |
0,00217 |
0,002468 |
0,034414462 |
0,039142 |
0,086226283 |
0,098071 |
0,689356834 |
0,784049 |
1 |
|
Вулканизационный |
0,00217 |
0,002468 |
0,017207231 |
0,019571 |
0,172452566 |
0,196141 |
0,689356834 |
0,784049 |
|
|
Кузнечный |
0,00217 |
0,002468 |
0,051621693 |
0,058713 |
0,258678849 |
0,294212 |
1,034035251 |
1,176073 |
1 |
|
Медницкий |
0,004339 |
0,004936 |
0,034414462 |
0,039142 |
0,172452566 |
0,196141 |
0,689356834 |
0,784049 |
1 |
|
Цех по ремонту кузовов |
0,004339 |
0,004936 |
0,034414462 |
0,039142 |
0,086226283 |
0,098071 |
0,344678417 |
0,392024 |
1 |
|
Обмоточный |
0,004339 |
0,004936 |
0,051621693 |
0,058713 |
0,172452566 |
0,196141 |
0,344678417 |
0,392024 |
1 |
|
Участок по ремонту электрооборудования |
0,004339 |
0,004936 |
0,034414462 |
0,039142 |
0,086226283 |
0,098071 |
0,344678417 |
0,392024 |
2 |
|
Аккумуляторный |
0,004339 |
0,004936 |
0,051621693 |
0,058713 |
0,172452566 |
0,196141 |
0,689356834 |
0,784049 |
|
|
Электромеханический участок |
0,004339 |
0,004936 |
0,034414462 |
0,039142 |
0,172452566 |
0,196141 |
0,689356834 |
0,784049 |
|
|
Токарно-расточный |
0,004337 |
0,004933 |
0,017198922 |
0,01956 |
0,086184648 |
0,098017 |
0,344511986 |
0,391809 |
|
|
Обойный |
0,004335 |
0,00493 |
0,034381243 |
0,039099 |
0,172286106 |
0,195926 |
0,344345716 |
0,391594 |
|
|
Участок обкатки ДВС |
0,004333 |
0,004927 |
0,034364658 |
0,039077 |
0,086101498 |
0,097909 |
0,688359212 |
0,782758 |
1 |
|
Участок по ремонту ДВС и ГМП |
0,004339 |
0,004936 |
0,051621693 |
0,058713 |
0,172452566 |
0,196141 |
0,344678417 |
0,392024 |
1 |
|
Участок ремонта ГМП |
0,004331 |
0,004925 |
0,017174044 |
0,019528 |
0,172119967 |
0,195711 |
0,688027312 |
0,782329 |
1 |
|
Участок ремонта мостов |
0,004329 |
0,004922 |
0,017165768 |
0,019517 |
0,086018509 |
0,097802 |
0,343847866 |
0,39095 |
|
|
Токарный участок |
0,004327 |
0,004919 |
0,017157499 |
0,019507 |
0,085977074 |
0,097748 |
0,343682236 |
0,390736 |
|
|
Малярный |
0,004339 |
0,004936 |
0,034414462 |
0,039142 |
0,172452566 |
0,196141 |
1,689356834 |
0,784049 |
2 |
|
Малярный участок(сушильная камера) |
0,004325 |
0,004917 |
0,017149238 |
0,019496 |
0,171871359 |
0,19539 |
1,343516766 |
0,390522 |
|
|
Итого по участкам: |
0,110656 |
0,125856 |
0,963604934 |
1,095968 |
4,311314152 |
4,903528 |
17,23392084 |
19,60122 |
22 |
|
Всего |
102 |
Основанием для распределения трудоемкости работ ТР могут служат рекомендации [1,3]. Практически же от 20 до 30% трудоемкости работ ТО-2 выполняется в производственных отделениях. При ТР доля постовых работ составляет 30...40%, остальные работы выполняются в отделениях. В тех случаях, когда трудоемкость работ в каких-либо производственных отделениях мала, то есть расчетное число рабочих в отделении менее одного, целесообразно объединять сходные по характеру работ отделения.
Распределение трудоемкости работ по самообслуживанию АТП по специальностям рабочих приведено в [1,3].
В крупных АТП все работы по самообслуживанию могут выполняться в отделе главного механика (ОГМ). В малых АТП трудоемкость вспомогательных работ суммируется с трудоемкостью работ соответствующих производственных отделений.
Трудоемкость работ по техническому обслуживанию (ЕО, ТО-1, ТО-2) распределяется по видам работ согласно таблице, приведенной в [3].
1.8 Технологическое проектирование зон ТО и ТР автомобилей
ТО-1 в АТП чаще всего выполняется поточным методом, обладающим рядом преимуществ.
Число постов зоны ТО-1:
,
(25)
где
- такт поста, время между заменами
автомобилей на посту:
,
(26)
где
- число рабочих на посту [3];
t>п> - время на замену автомобилей на посту (0,5.);
R - ритм зоны :
,(27)
где
- годовой фонд времени при односменной
работе (равный фонду времени одного
рабочего);
- суточная программа ТО-1;
C - число смен работы зоны;
Т>см> - продолжительность смены.
Аналогично рассчитывается число постов в зоне уборочно-моечных работ. ТО-2 планируется выполнять на универсальных постах тупикового (или проездного для автопоездов) типа, то за время обслуживания одного автомобиля принимается одна смена, тогда
,(28)
где Д>рз> - число дней работы зоны в году;
- технологически необходимое среднее
число смен для выполнения ТО-2 .
Число постов в зоне текущего ремонта:
,(29)
где
- трудоемкость постовых работ ТР
(определяется суммированием трудоемкости
постовых работ из предыдущих расчетов
или умножением общей трудоемкости ТР
на коэффициент постовых работ В=0,35);
К>нп> - коэффициент неравномерности подачи автомобилей на ремонт (К>нп>=1,2);
Ф>з> - годовой фонд времени рабочего места при 1-сменной работе;
С - число смен работы зоны;
Р>п> - среднее число рабочих на посту;
- коэффициент использования рабочего времени поста (=0,9).
Полученные значения приведены в таблице 16.
Таблица 16.
Необходимое число постов.
|
II |
III |
IV |
V |
|
|
необходимое число постов |
необходимое число постов |
необходимое число постов |
необходимое число постов |
|
|
|
|
|
|
|
|
0,037153 |
0,124194 |
0,615199 |
0,854568 |
ЕОс |
|
0,002604 |
0,005763 |
0,041899 |
0,126873 |
ЕОт |
|
0,014538 |
0,117427 |
0,986519 |
1,954874 |
ТО-1 |
|
0,01435 |
0,167182 |
0,973302 |
3,896212 |
ТО-2 |
|
0,006253 |
0,031974 |
0,239631 |
0,954877 |
Д-1 |
|
0,003747 |
0,025033 |
0,11821 |
0,500703 |
Д-2 |
|
0,093569 |
0,821254 |
1,812282 |
9,548741 |
ТР |
Оптимальное число постов в зоне ТР для данного АТП и условий эксплуатации указано в таблице 17.
Таблице 17.
Оптимальное число постов.
|
|
ПРИНЯТОЕ ЧИСЛО ПОСТОВ |
||||
|
|
II |
III |
IV |
V |
Общее число |
|
Еос |
1 |
1 |
1 |
1 |
4 |
|
Еот |
|||||
|
ТО-1 |
1 |
1 |
1 |
2 |
5 |
|
Д-1 |
|||||
|
ТО-2 |
1 |
1 |
1 |
4 |
7 |
|
Д-2 |
|||||
|
ТР |
1 |
1 |
2 |
10 |
14 |
После определения числа постов зоны подбирается основное технологическое оборудование [6,7] (инструмент не включается) и определяется ориентировочная площадь зоны (таблица 18) по формуле (30):
F>з >= f>а >* Х>з >* К>п>, (30)
где f>а> - площадь горизонтальной проекции автомобиля, м2;
Х>з> - число постов зоны;
К>п> - коэффициент плотности расстановки постов.
Исходные данные и результаты расчета приводятся в таблице18.
Таблица 18
Площадь зон ЕО, ТО, ТР
|
ЗОНЫ И УЧАСТКИ |
Коэффициент плотности расстановки |
Суммарная площадь горизонтальной проекции оборудования, м |
Общая площадь участков и зон, м |
Площадь проеции автомобиля, м |
|
|
||||
|
ЗОНЫ |
||||
|
ЕО |
4,5 |
29,4 |
742,5 |
41,2 |
|
ТО-1 |
4,5 |
2,4 |
928,1 |
41,2 |
|
ТО-2 |
4,5 |
114,5 |
1524,2 |
41,2 |
|
ТР |
4,5 |
60,1 |
2485,4 |
41,2 |
|
Итого по зонам |
|
206,6 |
5680,3 |
|
|
ПРОИЗВОДСТВЕННЫЕ УЧАСТКИ |
|
|
|
|
|
Агрегатный |
3,5 |
17,61 |
61,635 |
|
|
Слесарно-механический |
3,5 |
18,5 |
64,75 |
|
|
Участок мойки агрегатов |
3,5 |
16,12 |
56,42 |
|
|
Аккумуляторный |
3,5 |
12,9 |
45,15 |
|
|
Ремонт приборов системы питания |
3,5 |
4,22 |
14,77 |
|
|
Шиномонтажный |
4,5 |
9,4 |
42,3 |
|
|
Вулканизационный |
4 |
6,8 |
27,2 |
|
|
Кузнечный |
5 |
19,49 |
97,45 |
|
|
Медницкий |
4 |
19,92 |
79,68 |
|
|
Малярный |
4 |
103,24 |
412,96 |
|
|
Цех по ремонту кузовов |
4,5 |
21,5 |
96,75 |
|
|
Обмоточный |
4 |
4,9 |
19,6 |
|
|
Участок по ремонту ДВС и ГМП |
4 |
33,3 |
133,2 |
|
|
Участок по ремонту электрооборудования |
4 |
17,04 |
68,16 |
|
|
Электромеханический участок |
4 |
17,67 |
70,68 |
|
|
Токарно-расточный |
4,5 |
19,54 |
87,93 |
|
|
Обойный |
3,5 |
5,32 |
18,62 |
|
|
Участок обкатки ДВС |
4 |
3,17 |
12,68 |
|
|
Участок ремонта ГМП |
4 |
11,92 |
47,68 |
|
|
Участок ремонта мостов |
4 |
8,5 |
34 |
|
|
Токарный участок |
4 |
12 |
48 |
|
|
Малярный участок(сушильная камера) |
1 |
24,2 |
24,2 |
|
|
Итого по участкам |
|
407,26 |
1563,815 |
|
|
Общая площадь зон и участков |
|
613,91 |
7244,128 |
|
Зону ЕО располагаем в отдельно стоящем здании, не входящем в состав производственного корпуса АТП.
1.9 Расчет площадей складских помещений
Расчет площадей складов по удельной площади на 1млн. км пробега.
При этом методе расчета учитывается тип, списочное число и разномарочность подвижного состава. Площадь склада
(31)
где L>г>- среднегодовой пробег одного автомобиля;
А>и>- списочное число автомобилей;
f>у>- удельная площадь данного вида склада на 1 млн. км пробега автомобиля [1] ;
К>пс>, К>р>, К>раз>- коэффициенты, учитывающие соответственно тип подвижного состава, его число и разномарочность.
Таким образом, заносим значения площадей в таблицу 19.
Таблица 19.
Площади складских помещений.
|
|
Зап.частей |
Агрегатов |
Материалов |
Шин |
Смаз.мат. |
Лакокрас. |
Химик-в |
Инстр.раз |
Пормеж.ск |
|
II |
0,7 |
1,4 |
0,7 |
0,8 |
1,0 |
0,4 |
0,1 |
0,1 |
1,8 |
|
III |
2,7 |
5,4 |
2,7 |
2,9 |
3,9 |
1,3 |
0,2 |
0,2 |
3,6 |
|
IV |
5,7 |
11,5 |
5,7 |
6,1 |
8,2 |
2,9 |
0,5 |
0,5 |
9,0 |
|
V |
15,1 |
30,1 |
15,1 |
6,9 |
21,6 |
7,5 |
1,3 |
1,3 |
23,4 |
|
итого |
24,2 |
48,4 |
24,2 |
16,6 |
34,7 |
12,1 |
2,0 |
2,0 |
37,8 |
|
Общая плщадь |
202,1 |
1.10 Выбор технологического оборудования
К технологическому оборудованию относятся стационарные и переносные станки, стенды, приборы, приспособления и производственный инвентарь (верстаки, стеллажи, шкафы, сварочные столы), необходимые для обеспечения производственного процесса на участках и зонах участка. Оборудование приведено в приложении.
II. Исследовательская часть
2. Патентный поиск
2.1 Анализ элементов патентного поиска существующих устройств для правки коленчатых валов
Авторское свидетельство СССР № 1606221 кл В 21 D 3/16.
Опубликовано 15.09.94. Бюллетень № 17.
Автор изобретения: С.К.Буравцев
Способ правки детали.
Изобретение относится к обработке металлов давлением, в частности к правке деталей из хрупких материалов, например, к правке чугунных коленчатых валов.
Известен способ правки детали путем установки ее на опору и воздействия на ее вогнутую часть двумя инденторами с оставлением следов.
Известный способ применим для правки стальных коленчатых валов, поскольку галтели являются наиболее слабым местом шейки вала. При правке коленчатых валов из чугуна этот способ не обеспечивает качества правки, вызывая трещины и поломки.
Задачей изобретения является возможность правки детали с большим прогибом при усилиях правки в допустимых пределах, ограниченных пределом прочности материала детали.
Технический результат достигается за счет того, что в способе правки детали путем установки ее на опору и воздействия на ее вогнутую часть двумя инденторами с оставлением следов при сохранении искривленности детали после первоначального приложения максимально допустимой нагрузки инденторы смещают и воздействуют ими на деталь за пределами следа на ней от первоначального воздействия инденторов. При этом при правке коленчатого вала инденторы смещают навстречу друг другу и воздействуют ими на деталь на одинаковом расстоянии от первоначальных следов их воздействия.
Смещение инденторов при правке детали со значительным прогибом позволяет прикладывать многократно нагрузку без образования наклепа на детали в зонах ее контакта с инденторами.
При правке вала со смещением инденторов за пределы их первоначальных следов вдоль плоскости правки происходит дополнительная пластическая деформация вала вне зон наклепа, позволяющая устранить искривленность, оставшуюся после первоначальной правки вала (до смещения инденторов).
Формула изобретения.
1. Способ правки детали путем установки ее на опору и воздействия на ее вогнутую часть двумя инденторами с оставлением следов, отличающийся тем, что при сохранении искривленности детали после первоначального приложения максимально допустимой нагрузки инденторы смещают и воздействуют ими на деталь за пределами следов на ней от первоначального воздействия инденторов.
2. Способ по п.1, отличающийся тем, что инденторы смещают навстречу друг другу и воздействуют или на деталь на одинаковом расстоянии, от первоначальных следов их воздействия.
Авторское свидетельство СССР № 1606221 кл В 21 D 3/16.
Опубликовано 30.09.94. Бюллетень № 18.
Автор изобретения: С.К. Буравцев
Устройство для правки и упрочнения вала.
Изобретение относится к обработке металов давлением и касается оборудования для правки вала, в частности, коленчатого вала.
Известно устройство для правки и упрочнения вала, содержащее выправляющий блок, включающий инденторы, установленные с возможностью регулировочного перемещения параллельно оси вала, и опорный блок с постелью.
В известном устройстве сложно осуществить поворот обрабатываемого коленчатого вала относительно постели из-за грубой обработки поверхности вала.
Технический результат заключается в улучшении условий обслуживания устройства.
Это достигается за счет того, что в устройстве, содержащем выправляющий блок, включающий инденторы, установленные с возможностью регулировочного перемещения параллельно оси вала, и опорный блок с постелью, последняя установлена с возможностью регулировочного поворота относительно оси вала и снабжена фиксаторами ее, углового положения и стопором для вала, и выправляющий блок выполнен в виде основания с опорной площадкой, на которой размещены инденторы. при этом постель и инденторы выполнены сменными.
Формула изобретения.
Устройство для правки и упрочнения вала, содержащее выправляющий блок, включающий инденторы, установленные с возможностью регулировочного перемещения параллельно оси вала, и опорный блок с постелью, отличающееся тем, что постель установлена с возможностью регулировочного поворота относительно оси вала и снабжена фиксаторами ее углового положения и стопором для вала, а выправляющий блок выполнен в виде основания с опорной площадкой, на которой размещены инденторы, при этом постель и иденторы выполнены сменными.
Авторское свидетельство СССР № 1606221 кл В 21 D 3/16.
Опубликовано 15.11.93. Бюллетень № 41-42.
Автор изобретения: С.К. Буравцев
Способ правки вала.
Изобретение относится к обработке металлов давлением и касается правки валов, например коленчатых валов двигателей внутреннего сгорания.
Одним из наиболее близких по технической сущности к предлагаемому способу является способ правки вала путем установки ого на опору и приложения к нему нагрузки в плоскости его прогиба со стороны, противоположной опоре.
Известный способ правки может быть использован для правки вала со сравнительно небольшим прогибом, таким, который устраняется при приложении к валу нагрузки, допустимой по условию прочности материала вала. Однако, при значительном прогибе вала приложение к нему даже максимальной нагрузки, выдерживаемой им без поломки, не обеспечивает устранение прогиба полностью, т.е. остается некоторый прогиб вала, (искривление его оси), что препятствует дальнейшему использованию вала.
Цель изобретения – обеспечение возможности правки валов с большим прогибом при нагрузках, ограниченных пределом прочности материала вала.
Для этого при правке вала путем его установки, на опору и приложения к нему нагрузки в плоскости прогиба при сохранении искривленности вала после его правки в плоскости прогиба вал поворачивают от первоначального положения поочередно в разные стороны и правят его в повернутых положениях.
При правке вала о повернутых положениях происходит дополнительная пластическая его деформация, позволяющая устранить искривленность, оставшуюся после правки вала в плоскости прогиба.
Вал при правке поворачивают от первоначального положения е каждую сторону преимущественно на одинаковый угол и правят одинаковыми усилиями, которые могут быть равны усилию, прикладываемому к валу при правке его в плоскости прогиба, или быть меньше этого усилия. Причем вал поворачивают от первоначального положения в каждую сторону предпочтительно на угол, равный половине угла между плоскостью прогиба и перпендикулярной плоскостью, проходящей через ось поворота вала.
Формула изобретения.
Способ правки вала путем установки на опору и приложения нагрузки в плоскости прогиба вала, отличающийся тем, что при сохранении остаточной искривленности вала в плоскости прогиба после приложения первоначальной нагрузки вал поворачивают поочередно в противоположных направлениях на одинаковый угол в пределах между плоскостью прогиба и перпендикулярной плоскостью и в повернутых положениях прикладывают равные нагрузки.
Авторское свидетельство СССР № 1606221 кл В 21 D 3/16.
Опубликовано 15.09.92. Бюллетень № 34.
Автор изобретения: С.К. Буравцев
Способ правки изделия.
Изобретение относится к обработке металлов давлением, и касается правки изделия, в частности коленчатых валов.
Известен способ правки изделия, при котором изделие устанавливают на опоры и прикладывают между опорами сосредоточенную нагрузку против направления наибольшего прогиба.
При осуществлении известного способа на участке между опорами возникает момент, вызывающий изгиб, а иногда и скручивание изделия между опорами. При этом под нагрузкой находится весь отрезок изделия между опорами независимо от расположения погнутого участка. В результате правки по известному способу у изделия в наиболее податливых местах возникают напряжения растяжения, которые способствуют ослаблению изделия в виде появления или расширения трещин, а при применении хрупких материалов, например чугунов – поломок.
Известен способ правки изделий, при котором, помимо прило-жения выправляющих усилий, направленных перпендикулярно продольной оси вала, дополнительно сжимают вал с торцов вдоль его продольной оси.
Однако в известном способе сжимающие усилия с торцов коленчатого вала, которым он подвержен на всей длине, вызывают нежелательные деформации, ослабления наиболее слабых участков (например, щек в местах перекрытия шеек коленчатого вала) и появления в них трещин. Наиболее близким по технической сущности к разработанному решению является способ правки изделий, в частности коленчатых валов, при котором вал устанавливают выпуклой стороной погнутого участка на опору и прикладывают правящие усилия к шейке вала в местах сопряжения ее со щеками кривошипа.
Известный способ может быть применен в основном для правки стальных коленчатых валов, поскольку в этом случае изгибающие усилия, передающиеся через инденторы на погнутый участок, действуют нормально к частям шейки вала, вызывая напряжения растяжения на вогнутой поверхности шейки, способствующие появлению трещин или поломке изделия из хрупких материалов.
Кроме того, при таком способе правки подвергаются силовому воздействию и деформации как искривленный, так и не искривленный участки шейки вала, что снижает качество выправляемых изделий.
Цель изобретения - повышение качества правки и обеспечение возможности правки изделий из хрупких материалов, например из чугуна.
Указанная цель достигается тем, что при правке изделий, включающей установку изделия выпуклой стороной на опору и воздействие на вогнутую часть изделия в направлении опоры двумя инденторами, установленными на границах выправляемого участка, выправляемый участок сжимают усилиями, прикладываемыми инденторами наклонно к изделию в направлении от границ выправляемого участка к опоре.
При предлагаемом способе результирующие выправляющие усилия, прикладываемые инденторами, направленные наклонно к продольной оси изделия, например к шейке коленчатого, вала, своими вертикальными составляющими создают изгибающий момент на вогнутом участке, а горизонтальными составляющими сжимают вогнутый участок.
В результате воздействия нагрузки под инденторами выправляемого блока на поверхности изделия создается сжатие, распространяющееся как вдоль шейки, так и в тело детали. Сжатие в свою очередь вызывает сдвиг слоев металла, вдоль шейки вала, т.е. перпендикулярно направлению направляющего усилия, тем самым участок изделия, находящийся между инденторами выправляющего, блока находится под воздействием продольных сжимающих напряжений, компенсирующих растягивающие напряжения, создаваемые изгибом участка изделия относительно опоры. Таким образом уменьшаются растягивающие напряжения изгиба в плоскости правки, что позволяет увеличить величину изгибающих усилий без опасности поломки изделия.
Формула изобретения.
Способ правки изделий, включающий установку изделия выпуклой стороной на опору и воздействие на вогнутую часть изделия в направлении опоры двумя инденторами, установленными на границах выправляемого участка, отличающийся тем, что, с целью повышения качества правки изделий из хрупких материалов, выправляемый участок сжимают усилиями, прикладываемыми инденторами наклонно к изделию в направлении от границ выправляемого участка к опоре.
2.2 Конструкции прессов для правки коленчатых валов
Кроме исследовании патентного поиска было проведено исследование в области существующих конструкций. Технологической единицей оборудования для восстановления коленчатых валов является пресс для правки модели CP 150 компании «AZspa», который уже используется в области ремонтного оборудования. Имея простую конструкцию, компактность и неприхотливость в использовании, этот пресс является довольно эффективным в своей области эксплуатации.
Привод данной конструкции осуществляется гидравлическим цилиндром , который создает усилие в 8000 кгс. К тому же, давление в гидросистеме создается механическим гидронасосом.
Общий вид пресса CP 150 представлен на рис. 2, а технические характеристики приведены в таблице 15.

Рис.1. Общий вид пресса CP 150 компании «AZspa»
Таблица 15.
Технические характеристики пресса CP 150 для правки коленчатых валов
Характеристика |
Величина параметра |
|
Длина стола |
1900 мм |
|
Максимальное расстояние между опорами |
1600 мм |
|
Высота оси вращения вала над столом |
215 мм |
|
Максимальный диаметр шейки |
110 мм |
|
Максимальное усилие |
8000 кгс |
|
Габариты |
2100х850х1300 мм |
|
Вес |
280 кгс |
Так же, наиболее интересной конструкцией считаю пресс для правки коленчатых валов двигателей автомобилей опубликованного в 2003 г.
Авторами этого изобретения являются: Г.А. Боровиков, Д.Н. Панкратов.
Изобретение относится к обработке металлов давлением и касается правки коленчатых валов двигателей внутреннего сгорания автомобилей различных марок.
Цель изобретения – эффективность, универсальность и простота эксплуатации.
Пресс состоит (рис. 1) из сварной станины с направляющими для двух пар тяг с перекладинами и установочных призм, силового механизма, в основу конструкции которого положен принцип червячно-винтового редуктора с ручным приводом и клинового механизма, а так же измерительно-контрольного узла.
Конструкция червячно-винтового редуктора состоит из корпуса, в котором расположены червячное колесо с винтовой втулкой. Червяк, изготовленный за одно целое с валом, установленным на двух шариковых радиально-упорных подшипниках по схеме «в распор». Венец червячного колеса конструктивно должен быть изготовлен методом литья в форму с предварительно установленной в нее стальной винтовой втулкой. Опорами винтовой втулки червячного колеса являются роликовые радиально-упорные подшипники. Получение необходимого натяга в этих подшипниках, а также регулирование осевого положения червячного колеса относительно оси червяка обеспечивается двумя кольцами-компенсаторами, расположенными между наружными кольцами роликовых подшипников и упорными фланцами.

Рисунок 2. Пресс для правки коленчатых валов.
Для правки коленчатый вал устанавливают крайними опорными шейками на двух призмах и закрепляют двумя перекладинами при помощи гаек. Затем, вращая рукоятку червячного винта приводят во вращение червячное колесо, в котором в осевом направлении перемешается винт с клином, по наклонной поверхности которого перемещается вверх ролик с направляющей штока, который и осуществляет давление на среднюю коренную опорную шейку коленчатого вала, изгибая при этом его на величину до 3 мм. После этого снимают давление штока на коленчатый вал и производят контроль величины изгиба измерительным блоком с точностью 0,01 мм. Подобные переходы операции правки коленчатого вала осуществляют до тех пор, пока величина изгиба по средней опорной шейке будет не более 0.02 мм.
В качестве прототипа, для дальнейшего использования в конструкционной части дипломного проекта, принимаем конструкцию пресса для правки коленчатых валов двигателей автомобилей авторами изобретения которого являются: Г.А. Боровиков, Д.Н. Панкратов и пресс СР 150 компании «AZspa». Данные конструкции считаю самыми оптимальными, так как они обладают эффективностью, универсальностью и простотой эксплуатации и конструкции.
III. Конструкторская часть
3. Разработка элементов конструкции пресса для правки коленчатых валов
3.1 Назначение, описание конструкции, принцип работы и техническая характеристика пресса
Пресс состоит (рис. 3) из сварной станины с двумя парами тяг, которые можно передвигать относительно оси коленчатого вала, что позволит править коленчатые валы различных автомобилей. В основе конструкции лежит принцип передачи усилия шейки коленчатого вала от гидроцилиндра через клиновый механизм.
Для правки, коленчатый вал устанавливают крайними опорными шейками на крепление и фиксируют при помощи гаек. При включении станка, гидроцилиндр начинает поступательное движение вдоль оси направляющей приводя в действие клиновый механизм, по наклонной поверхности которого перемещается вверх шток, который и осуществляет давление на среднюю коренную опорную шейку коленчатого вала, изгибая при этом его на величину до 5 мм. После этого снимают давление штока на коленчатый вал и производят контроль величины изгиба измерительным блоком с точностью 0,01 мм. Подобные переходы операции правки коленчатого вала осуществляют до тех пор, пока величина изгиба по средней опорной шейке будет не более 0.02 мм.

Рисунок 3. Пресс для правки коленчатых валов.
3.2 Расчет клинового механизма
“А” - Клин, “Б” - Ползун, “В”- Основание.

Рисунок 4. Клиновый механизм.
Сила действующая со стороны клина на шейку коленчатого вала равна:
,
(32)
где
- угол трения скольжения на поверхности
клина.
а
- угол трения скольжения на основании
“В” (рисунок 4).
–
угол клина.
Исходное усилие:

3.3 Расчет на смятие коренной шейки коленчатого вала и штока
Коленчатый вал выполнен из Стали 50Г с закалкой с охлаждением в воде:
(33)
Находим площадь смятия для шейки:
(34)

Отсюда по формуле (34) находим:

что значительно меньше допустимого [σ>см>] = 4100 кг/см2.
Шток выполнен из Стали 45 с закалкой с охлаждением в воде до
HRC 48:

Находим площадь смятия для штока:
(35)

Отсюда находим:

что меньше допустимого [σ>см>] = 6000 кг/см2.
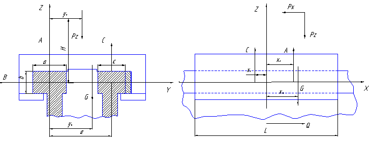
3.4 Расчет направляющих скольжения
Исходные данные (рисунок 5): ширина
рабочих граней

расстояние
между серединами граней
длина
стола
расстояния

коэффициент
трения
сил

сила
тяжести подвижных частей


Рисунок 5. Направляющая.
Уравнения равновесия подвижного узла:


(36)



Из первых четырех уравнений находим реакции граней направляющих и тяговую силу:




Определяем средние давления на направляющих:
(37)

(38)

Максимальные давления
могут
быть определены зная координаты
равнодействующих реакций. Для их
определения используется два последних
уравнения равновесия стола и дополнительное
уравнение перемещений, являющихся
результатом деформирования поверхностей
рабочих граней. Это уравнение следует
из предположения, что момент внешних
сил относительно оси Y:
(39)
равный моменту реакций направляющих относительно той же оси
(40)
распределяется между направляющими пропорционально их жесткости, которая сама пропорциональна их ширине. Следовательно, уравнение перемещений имеет вид:
(41)
Теперь находим координаты
:
(42)

(43)

Максимальное давления на направляющие определяют по зависимостям:
;
(44)



что меньше допустимого 2,5-3 МПа.
Расчет направляющих на жесткость включает определение контактных деформаций их рабочих граней в предположении, что они пропорциональны давлениям на гранях:
(45)


3.5 Расчет силового цилиндра
Силовой цилиндр изготовляется из толстостенной бесшовной стальной трубы (выполненной из Стали 45 с закалкой с охлаждением в воде до HRC 48) (рисунок 6.).
Величину давления выбираем в зависимости от требуемого тягового усилия [8]:
Так как необходимое усилие Р = 100 кН , то принимаем значение давления р = 60 н/м2.
Подобрав значение р ,определяем площадь поршня и диаметр цилиндра:
;
(46)
где F- площадь поршня


Выбираем ближайшее большее значение диаметра цилиндра из установленного ряда [9]: D=0.16 м.

Рисунок 6. Гидроцилиндр.
1-корпус, 2-поршень, 3- крышка.
Диаметр штока определяем в зависимости от заданного соотношения между скоростями прямого и обратного ходов поршня с учетом прочности и устойчивости.
Для обычных цилиндров диаметр штока вычисляется по уравнению:
(47)
Принимая
и решая это уравнение относительно d,
получим



Стенки цилиндра проверяют на прочность (Па)
(48)

что
меньше допустимого

3.6 Определение параметров насоса
Основными параметрами насоса являются
производительность и давление. При
определении потребной производительности
исходят из наибольшей заданной скорости
поршня
.
Согласно уравнению ,
(49)

Найденное количество масла увеличивают на 15—20%, учитывая неизбежные утечки в цилиндре, клапанах, трубопроводах и т.д.
Таким образом, искомая производительность насоса

Для упрощения расчетов при определении давления, развиваемого насосом, при подборе гидроаппаратуры и расчете трубопроводов исходят из наибольшего давления в полости цилиндра со стороны штока, т. е. принимают

(50)

Мощность насоса определяют по формуле
(51)

3.7 Определение размеров трубопроводов
Внутренний диаметр трубы вычисляют по формуле
(52)
где Q>н> – расход в м3/сек; v —скорости движения масла в трубе в м/сек. Скорость движения масла в системе при расчете принимают для всасывающих трубопроводов 1,5—2 м/сек, для нагнетающих 3,5 м/сек и для мест сужения на коротких участках до 5,5 м/сек.



Толщина стенки трубы
(53)



где р — наибольшее давление в н/м
—
допускаемое напряженно при растяжении.
Для стальных труб [σ]>р> = 400 * 105
н/м2
3.8 Выбор масла
Основной характеристикой для выбора масла является его вязкость. Ее величина зависит от рабочего давления. При давлении р > 100*105 н/м2 v = (1-2) * 10 4 м2/сек. Такой вязкостью обладает масло «Турбинное 22» по ГОСТу 32—53 [v = (0,17- 2) * 104 м2/сек], которое применяют также для гидроприводов вращательного движения и при меньших давлениях.
IV Безопасность технологического процесса
4 Разработка мероприятий по обеспечению безопасности выполнения операций технологического процесса восстановления коленчатого вала
Технологический процесс восстановления коленчатых валов включает в себя ряд неблагоприятных, для исполнителей работ, факторов. Опасности, имеющие место на рабочих местах, подразделяются на импульсные и аккумулятивные.
Источники импульсных опасностей: подвижные массы, потоки воздуха, газов и жидкостей, незаземленные источники электрической энергии, неправильное размещение оборудования на рабочем месте. Импульсная опасность, приводящая к травме, мгновенно реализуется в случайные моменты времени и может быть представлена дискретной, случайной функцией производственного процесса. Источниками аккумулятивных опасностей: повышенный шум, вибрация, загрязненность воздушной среды газами и пара-ми. В результате действия этих факторов организм человека переутомляется, нарушается координация движений, притупляется реакция организма на внешние раздражители. Аккумулятивная опасность реализуется на протяжении всего производственного процесса, представляя его непрерывную функцию, и приводит к повышенному утомлению и заболеваниям.
4.1 Анализ опасных и вредных производственных факторов слесарно-механического участка ГУП СПАТП-4
Любое производство связано с наличием тех или иных вредных факторов. Для поддержания здоровья рабочих в нормальном состоянии необходимо выполнять и придерживаться технических, санитарно-гигиенических мероприятий, направленных на создание безопасных высокопроизводительных условий труда.
На рабочих местах, в слесарно-механическом участке, присутствуют следующие вредные факторы как:
Таблица 14.
Характеристика опасных и вредных факторов.
|
№ п/п |
Опасные и вредные факторы |
Характеристика опасных и вредных факторов |
|
1 |
Освещенность |
Свет является
естественным условием жизнедеятельности
человека и играет Недостаточная освещенность требует не только постоянного напряжения глаз, что приводит к переутомлению и снижению работоспособности, но также может привести к тому, что будут незамечены некоторые погрешности в изготовлении. |
|
2 |
Опасность травмирования вращающимися частями |
При работе шлифовального станка его вращающейся частью является коленчатый вал, поэтому существует опасность травмирования при работе. |
|
3 |
Опасность травмирования при работе с подъемными механизмами |
При работе, коленчатые валы подаются к рабочему месту кран-балкой, поэтому может возникнуть аварийная ситуация в следствии обрыва троса, неправильного крепления груза и другими факторами, связанными с эксплуатацией подъемно-транспортного оборудования. |
|
4 |
Пожароопасность |
На рабочем месте имеются смазочные материалы, которые могут быть разлиты и при небрежном отношении к мерам пожарной безопасности может возникнуть пожар. Пожарная опасность может быть связана с коротким замыканием проводов. Хранение тары из-под нефтепродуктов представляет опасность. |
|
5 |
Опасность поражения электрическим током |
В своем устройстве станок имеет электрооборудование, поэтому наличие электрооборудования и токоведущих частей при неправильной эксплуатации и не соблюдении правил техники безопасности электроустановок может привести к поражению обслуживающего персонала электрическим током. Большая опасность электрического тока для здоровья и жизни людей обусловлена тем, что проходящий ток не виден человеку и не воспринимается им как источник непосредственной опасности. Поэтому не соблюдение правил техники безопасности изучение основ электротехники лицами, обслуживающими электрические установки и рабочими электрифицированных предприятий должно выполняться в соответствии с правилами техники безопасности при работе с электрическими приборами. Эти факторы резко увеличивают число несчастных случаев на производстве. Опасность поражения человека электрическим током зависит от многих факторов: напряжения в сети, схемы самой сети, режимы ее нейтрали, способы заземления и зануления, а также зависит от емкости токоведущих частей относительно земли. А наибольшую опасность для человека проявляет подключение его к одной фазе в установке с изолирующей нейтралью. |
|
6 |
Выделения вредных веществ процесса сгорания (дыма, газов, пыли) |
Работа шлифовального станка и электропечи сопровождаются загрязнением воздушной среды рабочей зоны различными испарениями, оказывающие вредное воздействие на организм человека. Во время работы на шлифовальном станке, при высокой температуре, происходит испарение охлаждающей жидкости, так же происходит испарение при сгорании веществ с поверхности изделия при нагреве ее в электропечи. Пары, конденсируясь, превращаются в аэрозоль, частицы которого по дисперсности приближаются к дымам и попадают в дыхательную систему работающего. Отложение пыли в легких влечет за собой развитие такого заболевания как пневмокониоз. |
|
7 |
Шум |
Шум как физиологическое явление представляет собой неблагоприятный фактор внешней среды и определяется как звуковой процесс, неблагоприятный для восприятия и мешающий работе и отдыху. По физической природе шум обусловлен процессами работы оборудования. С физической стороны шум характеризуется звуковым давлением, интенсивностью звука, частотой и другими параметрами. |
|
8 |
Вибрация |
Отрицательное влияние на состояние здоровья работающих оказывает вибрация. Причинами, вызывающими вибрацию, являются удары отдельных частей оборудования и машин друг об друга, жесткое крепление вибрирующих частей машин к невибрирующим частям оборудования. |
Выделяем 3 наиболее опасных и вредных фактора:
- освещенность;
- загазованность;
- электрический ток.
4.2 Рекомендации по снижению воздействия опасных и вредных факторов на производстве
Таблица 15.
Мероприятия по снижению опасных и вредных факторов.
|
№ n/п |
Опасные и вредные факторы |
Мероприятия по снижению опасных и вредных факторов |
|
1 |
Опасность травмирования вращающимися частями |
Работы проводятся только в спецодежде, рукавицах, защитных очках на технически исправном оборудовании. |
|
2 |
Опасность травмирования при работе с подъемными механизмами |
Перед работой необходимо проверять техническое состояние подъемного механизма (сварные и клепальные соединения, проверить степень износа, наличие трещин, деформаций и коррозии), троса. Следить за перемещением груза. Все подъемные механизмы должны проходить необходимое освидетельствование. |
|
3 |
Пожароопасность |
Не разрешается проводить работы в спецодежде и рукавицах со следами масел, жиров и горючих жидкостей. Расстояние до легковоспламеняющихся предметов не менее 5 метров. После окончания работ необходимо отключить аппараты от источника энергии. |
|
4 |
Шум |
Одним из методов борьбы с шумом является применение звукопоглощающих материалов для облицовки стен, потолков и пола производственных помещений. В качестве оперативного способа профилактики вредного воздействия шума на работающих целесообразно использовать средства индивидуальной защиты, в частности противошумные наушники. Наушники снижают уровень звукового давления от 3 до 36 дБ. |
|
6 |
Вибрация |
Для уменьшения вибрации станки и оборудование следует устанавливать на фундаменте углубленном ниже фундамента стен изолированном от почвы воздушными разрывами, либо на специально рассчитанных амортизаторах из стальных пружин. |
4.3 Инженерные решения по обеспечению безопасности
4.3.1 Освещенность
Стены и оборудование следует окрашивать в светлые тона с рассеянным отражением света. На рабочем месте должно находиться необходимое количество светильников. Организация рационального освещения рабочих мест является одним из основных вопросов охраны труда. При неудовлетворительном освещении зрительная способность глаза снижается, и могут появиться близорукость, резь в глазах, катаракта, головные боли.
Организация рационального освещения рабочих мест является одним из основных вопросов охраны труда. При неудовлетворительном освещении зрительная способность глаза снижается, и могут появиться близорукость, резь в глазах, катаракта, головные боли.
Увеличение освещенности рабочей поверхности улучшает видимость объектов за счет повышения яркости, увеличивает скорость различения деталей, что сказывается на росте производительности труда.
В зависимости от источника света производственное освещение может быть трех видов: естественное, искусственное и совмещенное.
Естественное освещение помещений осуществляется прямым или отраженным светом неба. Искусственное освещение, при котором освещается помещение и рабочие поверхности.
Источники освещения делят в основном на лампы накаливания и люминесцентные лампы. В зависимости от распределения светового потока по спектру различают несколько типов люминесцентных ламп: дневного света (ЛД); дневного света с улучшенной цветопередачей (ЛДЦ); холодно-белого света (ЛХБ); тепло-белого света (ЛТБ); белого света (ЛБ). Люминесцентные лампы более экономичны и долговечны (срок службы 10000 ч) по сравнению с лампами накаливания (1000 ч), имеют невысокую температуру, большую световую отдачу 44 - 70 лм/Вт. Недостатки: значительное снижение светового потока в процессе горения до 60%; пульсация светового потока; влияние температуры окружающей среды на работу ламп; стробоскопический эффект.
Светильники служат для перераспределения светового потока с целью повышения экономичности осветительной установки, для предохранения глаз от воздействия источников света большой яркости, для предохранения источников света от загрязнения и механического повреждения, обеспечения пожарной и взрывной безопасности, для крепления лампы.
В зависимости от конструктивного исполнения различают светильники: открытые, защищенные, пыленепроницаемые, влагозащитные, взрывозащищенные и взрывобезопасные. По назначению светильники делятся на светильники общего и местного освещения.
Величина достаточной освещенности не является постоянной для всех производственных процессов и зависит от характера выполняемой работы. Нормы освещенности рабочих принимают согласно
СниП 23-05-95. Расчет искусственного освещения методом светового потока производится в следующей последовательности:
Выбираем тип источника света. Для освещения слесарно-механического участка выбираем газоразрядные лампы согласно
ГОСТ 6728-91.
Таблица 16
|
Тип лампы |
Мощность,Вт |
Напряжение, В |
Ток, А |
Световой поток, лм |
||
|
ном |
мин |
Расчетное значение |
||||
|
ЛД 65-4 |
65 |
110 |
0,67 |
3570 |
3210 |
3490 |
2. Выбираем систему освещения. В гигиеническом отношении система общего освещения более совершенна, то есть создает равномерное распределение света в пределах помещения.
Таблица 17.
Разряды и подразряды зрительной работы для слесарно-механического участка.
|
Помещение |
Разряд и подразряд зрительной работы |
Плоскость нормирования освещенности, высота плоскости над полом, м |
|
Предприятие по обслуживанию автомобилей: слесарно-механическое |
IV-б |
Г-0,8 |
3. По нормам СниП 23-05-95 определяем минимальное значение требуемой освещенности (Е>ном>) на данном участке.
Таблица 18.
Нормированное значение освещенности на рабочих поверхностях при искусственном освещении
|
Характеристика зрительной работы |
Разряд, подразряд зрительной работы |
Характеристика фона |
Освещенность, лк |
Наименьший размер различения, мм |
|
Средней точности |
IV-б |
Малый-средний |
200 |
Св. 0,5 до 1,0 |
4. Выбираем тип светильника для ламп с учетом характеристик светораспределения, ограничения прямой блескости, по условиям среды (загазованность, запыленность)
Таблица 19.
Светильники для производственных помещений с люминесцентными лампами.
|
Тип |
Число, шт., мощность, Вт |
Модифика- ция |
Обозначение модифи-кации |
Габаритные размеры, мм |
Исполнение по пыле защите |
||
|
длина |
ширина |
высота |
|||||
|
ЛД |
2х80 |
Без отверстий в отражателе, с решеткой |
ЛДР |
1540 |
270 |
210 |
Частично пыленепроницаем |
5. Определяется схема размещения светильников. Светильники с люминесцентными лампами располагаются непрерывными рядами.
6. Определяем расстояние между светильниками:
L=λ*hсв (54)
где λ – заданный коэффициент (λ=1,28);
hсв – высота расположения светильника над рабочей поверхностью (4 м.).
L=λ*hсв =1,28*1,4=1,795 м
7. Расстояние от крайних светильников или рядов светильников до стены принимаем в пределах 0,3 - 0,5*L:
l=0,45*1,795=0,8 м
8. При расчете люминесцентного освещения чаще всего первоначально намечается число рядов N. В нашем случае N=2. Рассчитываем потребный световой поток ламп одного ряда Фр:
(55)
где E – минимально требуемая освещенность (Е=200лк);
-
коэффициент запаса (
=1,5);
P- освещаемая площадь;
-
коэффициент неравномерности освещения
(
=1,1);
-
число рядов;
-
коэффициент использования светового
потока.
=


Рисунок 7. Схема освещения слесарно-механического участка.
Число светильников в ряду:
N=
(56)
N=
=
=8
10. Всего необходимо 16 светильников.
Расположение светильников показано на рисунке 3.
4.3.2 Загазованность
Применение индивидуальных средств защиты (масок и респираторов), позволяет избежать отравлений.
Необходимо обеспечить соответствующую местную и общую вентиляцию. При работах в особо тяжелых условиях применяют шланговые противогазы или автономные дыхательные приборы. В настоящее время существуют маски осуществляющие комплексную защиту от выделяющихся газов.
Одним из многочисленных факторов, которые ухудшают самочувствие и вызывают заболевания рабочих, является избыточное выделение пыли и вредных веществ.
Допустимые концентрации пыли в воздухе рабочей зоны производственных помещений указаны в ГОСТ 12.1.005-88. В целях предупреждения заболеваний и отравлений согласно требованиям санитарии, утверждены предельно допустимые концентрации вредных веществ в воздухе рабочей зоны согласно ГОСТ 12.1.005-88.
С помощью вентиляции удается уменьшить запыленность воздуха и загрязнение его вредными газами, пылью, чтобы содержание в рабочей зоне производственного помещения токсичных газов, пыли и других вредных веществ не превышало предельно допустимой концентрации.
Вентиляцию предприятий подразделяют по способу перемещения воздуха, месту действия и функциональному признаку. По способу воздухообмена вентиляция может быть естественная и механическая.
Естественная вентиляция - это воздухообмен, происходящий под влиянием естественных сил природы, то есть разности температур воздуха внутри и снаружи здания и под воздействием ветра.
Искусственная вентиляция это механическая вентиляция, при которой для воздухообмена используют электрическую энергию, приводящую в действие вентиляторы. Механическая вентиляция используется, когда количество и токсичность вредных веществ требует постоянного воздухообмена.
Расчет воздухообмена:
Необходимое количество поступающего воздуха определяется по-разному. Оно зависит от характера вредных выделений и типа вентиляционных установок.
Определяем объем приточного воздуха для удаления вредных веществ:
Vпр
=
(57)
где Vуч. – объем слесарно-механического участка;
m
– количество вредных веществ, выделяющихся
в помещении, мг/ м
;
mд
– допустимое количество вредных веществ,
мг/ м
;
mн
–количество вредных веществ в наружном
воздухе, мг/ м
;
Vпр
=
=
337536 м

Рисунок 8. Схема вентиляции слесарно-механического участка
Воздухообмен по борьбе с пылью рассчитывается по формуле:
Vп.
=
(58)
где S1
– концентрация пыли в наружном воздухе,
мг/ м
;
S2
– допустимая концентрация пыли, мг/ м
;
Vп.
=

=
527400 м
,
Определение объема воздуха отсасываемого от оборудования
V=
(59)
где F
– площадь рабочего отверстия (F=0,5
м
);
–
скорость отсасываемого воздуха (
=3
м/ с);
V=
=5400
м
/ч
5. Потребляемая вентилятором мощность определяется по
формуле :
N
=
(60)
где V
– объем воздуха отсасываемого вытяжным
зонтом, м
/ч;
P
– давление создаваемое вентилятором,
кгс/м
(р=20
кгс/м
);
-
к.п.д. вентилятора;
-
к.п.д. передачи.
N
=
=0,44
кВт
6. Установочную мощность двигателя определяют по формуле:
Nуст.
=
,
(61)
где
- коэффициент запаса мощности (
=1,1
– 1,5).
Nуст. = 1,1 * 0,44= 0,48
7. Для вентиляции участка выбираем осевой вентилятор низкого давления ВО 14 – 320.
8. Для местной вентиляции участка выбираем радиальный вентилятор среднего давления ВР 300 – 45.
4.3.3 Электрический ток (защитное зануление)
Необходимо все корпуса генераторов, электродвигателей, трансформаторов и других установок следует обязательно занулять.
Зануление — это преднамеренное электрическое соединение с нулевым защитным проводником металлических нетокопроводящих частей, которые могут оказаться под напряжением. Зануление применяется в сетях напряжением до 1000 В, действие его основано на автоматическом отключении электрической установки в случае присоединения одной фазы на корпус.
Поврежденная установка отключается в результате сгорания предохранителей или отключения автомата. Например, если произойдет замыкание на корпус электродвигателя.
Для быстрого отключения поврежденного объекта необходимо, чтобы сила тока короткого замыкания превышала в 2,5 раза силу номинального тока ближайшего предохранителя. Или в 1,2 раза силу тока отключения ближайшего автоматического выключателя.
Однако зануление не лишено недостатков. Например, при обрыве нулевого провода все оборудование за точкой обрыва оказались бы лишенные защиты. При пробое изоляции в одном из электроприемников не только на его корпус, но и на все другие части соединенных нулевым проводом за точкой обрыва, могло бы оказаться напряжение, равному фазному, из-за связи через общий кусок нулевого провода.
Чтобы не допускать таких случаев, нужно прокладывать нулевые защитные проводники столь же тщательно как фазные не допускать установку плавких предохранителей или однополюсных выключателей в нулевом проводе на участках, где он используется как защитный, регулярно контролировать в процессе эксплуатации целостность защитных проводников и качество контактов. Кроме того, на случай если нулевой провод все же оборвется, для уменьшения напряжения на зануленных частях при замыкание на них за точкой обрыва повторно замыкают запуленные провода по концам, как магистралей, так и ответвлений при их длине более 200 м, а также на входах в здания, внутри которых применяется зануление. Нулевой провод должен иметь одинаковую проводимость с фазными проводами в следующих случаях: на линиях со стальными проводами, а также при сечении 10 мм2 сталеалгоминевые или биметаллические провода на линиях. Как видно благодаря этому снижается падение напряжения на нулевом про-воде, а значит, уменьшается и напряжение на корпусе поврежденного оборудования.

Рисунок 9. Принципиальная схема зануления:
R>O> - сопротивление заземления нейтрали источника тока; R>П> - сопротивление пов-торного заземления нулевого защитного проводника; I>К> - ток короткого замыкания; I>Н> – часть тока короткого замыкания, протекающая через нулевой проводник; I>З> – часть тока короткого замыкания протекающая через землю; U>Ф> и U>Л> - фазное и линейное напряжения электросети.
Диаметры проводов зануления могут быть меньше, чем заземляющих, лишь бы нулевые и фазные провода были одинаковыми: для стальных проводов ВЛ до 1000 В допускается диаметр не менее 4 мм, а на ответвлениях для ввода в помещение при длине пролета на вводе до 10 м - 3 мм.
В качестве нулевых защитных могут применяться проводники из цветных металлов, наименьшее допустимое их сечение указано в таблице 20.
Таблица 20.
Наименьшие сечения медных и алюминиевых защитных проводников
|
Материал |
Минимальное
сечение (мм |
||
|
неизолированных |
изолированных |
Нулевых жил, кабелей или многожильных проводников в общей защитной оболочке с фазными жилами |
|
|
медь |
4 |
1,5 |
1,0 |
|
алюминий |
6 |
2,5 |
2,5 |
При проектирование зануления надо соблюдать условие, чтобы расчетный ток металлического однофазного короткого замыкания в конце слесарно-механического участка превышал не менее чем в 3 раза номинальный ток плавкой вставки защищающего его предохранителя или номинальный ток расцепителя у автоматического выключателя, если расцепитель имеет зависимую от тока характеристику.

Рисунок 10. Схема зануления слесарно-механического участка
Рассчитаем зануление для четырехпроводной линии состоящей из двух участков L1=0,2 км, L2=0,19 км, выполненных алюминиевыми проводами 4хАп35 и 4хАп25, Iн.р. - 110А - номинальный ток катушки комбинированного расцепителя, S>н.т. >= 100 кВт - номинальная мощность трансформатора.
2. Удельные омические
сопротивления алюминиевых проводов
Rф.у.=0,83
и Rф.у.
= l,14
Ом/км соответственно.
Общая длина линии L=200+190=390 м, то есть менее 500 м, но более 200 м, принимаем суммарное сопротивление контактов в линии
R>к = >0,025 Ом и Rкi=0,025/2=0,0125Ом.
Удельное внешнее индуктивное сопротивление петли провода фазный - нулевой на участке Х п.у. =0,6 Ом/км.
Сопротивление фазы трансформатора току однофазного к. з. z(1)>T>/3=7,5/100=0,075 Ом;
Полное сопротивление петли провода «фазный - нулевой»:
на первом участке:
Z1n=
(62)
Z1n
=
=0,366
Ом
на втором участке
Z1n
=
=0,213
Ом
Определяем ток короткого замыкания
I
=U
/(z
+
z
/3)
(63)
I
=
220/(0,366+0,213+0,075)=336 А
Проверяем эффективность зануления:
I
Кт * I
(64)
где Кт – коэффициент кратности тока (Кт=3),
336 А
3*110 = 330 А
Зануление эффективно.
Общие выводы
В данной части дипломного проекта была проведена разработка мероприятий по обеспечению безопасности выполнения операций технологического процесса восстановления коленчатого вала. Разработаны необходимые условия для здорового и производительного труда, в числе которых: обеспечение чистоты воздуха, нормальных метеорологических условий, электробезопасность и освещенность.
V. Экономическая часть
5. Определение технико-экономических показателей разработанных мероприятий
Проект слесарно-механического участка ГУП СПАТП-4 в г.Саратове.
Основные функции предприятия: осуществление пассажирских перевозок г.Саратова, а также осуществление пассажирских перевозок между городами, районами и промышленными центрами и сельскими населенными пунктами. Для организации вышеуказанных транспортных работ предприятия имеется автомобильный парк, указанный в таблице 1.
Для обслуживания автомобильного парка предприятие имеет автообслуживающий комплекс – производственный корпус, в котором производятся работы по техническому обслуживанию, текущему и капитальному ремонту всего подвижного состава, зона ЕО, крытая и открытая стоянки, снабжение материально-техническими ресурсами. Для текущего и капитального ремонта предприятие имеет все необходимые для этого отделения.
Таблица 21.
Основные показатели работы.
|
Показатели |
|
|
Число дней работы в году, дни |
256 |
|
Продолжительность смены, ч. |
8 |
|
Число смен |
1 |
Технико-экономическое обоснование метода правки коленчатого вала двигателя будет относиться к технологической части дипломного проекта.
В данном дипломном проекте разрабатывается процесс правки коленчатого вала. Такие дефекты устраняются на слесарно-механическом участке.
5.1 Описание услуги
Правка коленчатого вала двигателя КамАЗ-740 проводим на прессе для правки коленчатого вала. Далее проводим шлифование и нагрев изделия в электропечи.
Доставка коленчатого вала до места ремонта будет осуществляться заказчиком.
Срок восстановления 1 день.
Для выполнения данной услуги дополнительных материалов не требуется.
Гарантия 6 месяцев или пробег 60 тыс. км.
Метод ремонта - обезличенный.
5.2 Сравнительные технико-экономические характеристики восстановления коленчатого вала двигателя
Целью является уточнить конкурентные преимущества производства, а так же конкурентные недостатки.
Таблица 22.
Сравнительные технико-экономические характеристики восстановления коленчатого вала КамАЗ-740.
Показатели |
Проект |
Альтернативные аналоги |
|
|
У конкурентов |
В магазине |
||
|
Срок службы, тыс. км. |
300 т. км |
300 т. км |
300 т. км |
|
Вероятность отказа коленчатого вала в процессе эксплуатации, шт./100шт. |
- |
- |
0,9 |
|
Вероятность отказа коленчатого вала после правки, шт./100шт. |
0,1 |
0,2 |
- |
|
Объем продаж, шт. |
300 |
||
|
Срок исполнения заказа |
1 |
1 |
2 |
|
Гарантия |
70 тыс. км |
45 тыс. км |
70 тыс. км |
|
Цена услуги, руб. |
9000 руб. |
12000 руб. |
33200 руб. |
5.3 Себестоимость восстановления коленчатого вала двигателя
Таблица 23.
Затраты на восстановление 1 ед. коленчатого вала
Наименование статей расходов |
Цена, руб. |
|
Материалы |
170 |
|
Затраты на электроэнергию |
216 |
|
Стоимость работ по восстановлению к/в на смежных участках |
2100 |
|
Итого: |
2486 |
|
Постоянные затраты |
|
|
Отчисления на текущий ремонт здания |
21120 |
|
Отчисления на текущий ремонт оборудования |
9207 |
|
Амортизационные отчисления на полное восстановление зданий и сооружений |
8448 |
|
Амортизационные отчисления на полное восстановление оборудования |
37312 |
|
Отчисления на капитальный ремонт зданий и сооружений |
9856 |
|
Отчисления на капитальный ремонт оборудования |
44352 |
|
Заработная плата повременная |
184320 |
|
Единый социальный налог |
47923,2 |
|
Коммунальные затраты, итого в т.ч. |
23731,6 |
|
- водоснабжение и водоотведение |
309 |
|
- электроэнергия |
22354 |
|
- тепло |
1068,6 |
|
Вспомогательные материалы (моющие средства и т.п.) |
6750 |
|
Административно-управленческие расходы всего |
77751,2 |
|
- общезаводские(з/п АУП, телефон, а/машина и т.п.) |
58313,4 |
|
-общецеховые(з/п мастера, телефон, Интернет и т.п.) |
19437,8 |
|
ИТОГО |
466507 |
С= Сперем+Sпост(год)/Nгод=2486+466507/300=4041,1 руб/ед (65)
5.3.1. Переменные затраты на изготовление 1 ед. продукции
5.3.1.1 Затраты на материалы при восстановлении 1 коленчатого вала
Таблица 24
Затраты на материалы
|
Наименование материала |
Норма расхода |
Цена за единицу, руб. |
Стоимость, руб. |
|
Шлифовальный круг |
0,02 22 |
1000 |
20 |
|
Жидкость для шлифовки, л. |
3 |
50 |
150 |
|
ИТОГО |
170 |
5.3.2 Постоянные затраты за год
5.3.2.1 Отчисления на текущий ремонт здания, производственного помещения
Для расчета стоимости самого производственного помещения требуются его габаритные размеры и стоимость 1 м 3 помещения.
Таблица 25
Стоимость производственных помещений
|
Наименова ние |
Площадь помеще ния, м2 |
Высота помеще ния, м |
Стои мость 1 м3 , руб. |
Стоимость Производствен ных помещений, руб. |
Отчисления на текущий ремонт, руб. |
|
Производственное помещение |
2665 |
8 |
1000 |
21320000 |
639600 |
|
Производственный участок в помещении |
88 |
8 |
1000 |
704000 |
21120 |
Отчисления на текущий ремонт производственного помещения составят 3% от стоимость помещения или участка.
5.3.2.2 Отчисления на текущий ремонт оборудования
Сначала необходимо составить список оборудования, требующегося для работы.
Таблица 26
Список необходимого оборудования
|
№ |
Наименование оборудование |
Модель |
Стоимость, руб. |
Кол-во |
Отчисления,руб. |
|
1 |
Станок для шлифовки шеек коленчатого вала |
Ш 12 С20 |
120 000 |
1 |
|
|
2 |
пресс |
CP 150 |
100 000 |
1 |
|
|
3 |
печь для нагрева коленчатого вала |
ТМ 1500 |
80 000 |
1 |
|
|
6 |
Стелаж хранения |
- |
500 |
1 |
|
|
8 |
Кран балка |
- |
5 000 |
1 |
|
|
10 |
Тележка |
- |
500 |
1 |
|
|
11 |
Инструменты |
- |
900 |
1 |
|
|
Итого: |
306900 |
9207 |
Срок службы оборудования устанавливается согласно инструкции по эксплуатации.
5.3.2.3 Амортизационные отчисления на полное восстановление зданий и сооружений
Сумма амортизационных отчислений зданий и сооружений за год определяется согласно норм амортизационных отчислений зданий и сооружений на полное восстановление
АОоф>в >= Соф>балансовая >*n>ао >= 8448 руб., (66)
где Соф>балансовая>> >– балансовая стоимость зданий, сооружений, руб.
nао – норма амортизационных отчислений основных фондов на полное восстановление, (1,2 %)
5.3.2.4 Амортизационные отчисления на полное восстановление оборудования
Сумма отчислений за год определяется согласно норм амортизационных
отчислений на полное восстановление:
АОоб>в >= С об>балансовая >*n>ао >, руб = 37312 руб (67)
где Соб>балансовая>> >– балансовая стоимость оборудования, руб.
n>ао >– норма амортизационных отчислений оборудования на полное восстановление, (5,3 %)
5.3.2.5 Отчисления на капитальный ремонт зданий и сооружений
Сумма отчислений на капитальный ремонт зданий и сооружений за год определяется согласно норм отчислений для зданий и сооружений на капитальный ремонт:
АОоф>в >= Соф>балансовая >*nк>ао >= 9856 руб., (68)
где Соф>балансовая>> >– балансовая стоимость зданий, сооружений, руб.
nк>ао >– норма отчислений основных фондов на капитальный ремонт, (1,4 %)
5.3.2.6 Отчисления на капитальный ремонт оборудования
Сумма отчислений оборудования за год определяется согласно норм амортизационных отчислений оборудования на капитальный ремонт:
АОоб>в >= Соб>балансовая >*nк>АО>=44352> >, руб., (69)
где Соб>балансовая>> >– балансовая стоимость оборудования, руб.
nк>ао >– норма амортизационных отчислений оборудования на капитальный ремонт, (6,3 %)
5.3.2.7 Заработная плата повременная и единый социальный налог
а) заработная плата повременная.
Заработная плата рабочих при повременном тарифе:
(70)
где S>СР >= 40 руб./час- повременная тарифная ставка; t>СУТ >– время работы в сутки (8час).
руб/сут.
Среднемесячный оклад одного рабочего:
(71)
руб/мес.
где Т – количество рабочих дней в месяце.
Заработанная плата рабочих за год:
(72)
N>рабочих> – необходимое количество рабочих для выполнения работ принимаем из проектной части (2 чел);
руб.
б) единый социальный налог:
ЕСН = З>пл>год*26%/100% =184320*26%/100%=47923,2 руб. (73)
5.3.2.8 Коммунальные затраты
а) водоснабжение и водоотведение
Стоимость потребляемой воды определена из расчета цены 10,06 рублей м3 . Расчет учитывает расход воды:
для санитарно-технических нужд из расчета 60 литров на одного работающего в день.
санитарно-технические нужды: S=(2*256*0,06)*10,06=309 руб.
б) электроэнергия
Стоимость расходуемой электроэнергии определена исходя из цены в 2 руб. за кВт.
для технологических целей:
(74)
кВт.ч.
руб.
где - коэффициент использования устан. мощности (0,55);
- коэффициент одновременности работы (0,7);
N>уст >- суммарная мощность устан. эл. двигателей (60 кВт);
D>рг >– количество дней работы в году(256), дн.
на освещение из расчета 15 Вт на освещение 1 м2 помещений и 5 Вт на освещение 1 м2 территории в час:
кВт
руб. (75)
руб. (76)
в) тепловая энергия
Стоимость тепловой энергии для отопления помещения определена исходя из принятой для базового периода цены гигаколории тепла в размере 30 рублей.
Расход тепла:
(77)
где C>r>> >- норма расхода тепла на 1 м3 зданий (15), ккал/час;
t – продолжительность отопительного периода (4320), час;
V – объем отапливаемых помещений, м3
P тепла = (15х4320х704х30)/1000000 = 1068,6руб.
5.3.2.9 Вспомогательные материалы (моющие средства и т.п.)
Рассчитываем расходы на вспомогательные моющие средства (порошок, обтирочные материалы и т.д):
(78)
где V>МС> – объем моющих средств; Q – количество замен за год;
C>МС> – стоимость 1 л. моющего средства (27 руб)
руб
5.3.2.10 Административно-управленческие расходы
а) общезаводские(з/пл АУП, телефон, а/машина и т.п.)
После того, как была рассчитана себестоимость за год, умножим ее на процент административно-управленческих общезаводских расходов (от 15% до 20%) и получим сумму административно-управленческих общезаводских расходов. Прибавим ее к постоянным годовым затратам
Соз=388755,8*15%=58313,4 руб.
б) общецеховые(з/пл мастера, телефон, интернет и т.п.)
Соц=388755,8*5%=19437,8 руб.
5.3.3.1 Определяем объем продаж расчетный (N >расч >)
Для этого необходимо провести маркетинговое исследование рынка услуг (продукции):
Границы рынка (г. Саратов и Саратовская область);
б) Емкость рынка около 7500 единиц автобусов по области.
в) Объем неудовлетворенного спроса 350 штук в год.
После этого построим график зависимости цены от спроса. Исходные данные сведем в таблицу 27.
Таблица 27
Зависимость цены от спроса
|
Це-на |
3 т.руб |
4 т.руб |
5 т.руб |
6 т.руб |
7 т.руб |
8 т.руб |
9 т.руб |
10 т.руб |
11 т.руб |
|
N |
450 |
360 |
320 |
300 |
250 |
200 |
150 |
120 |
100 |
|
Nкр. |
908 |
308 |
186 |
133 |
103 |
85 |
72 |
62 |
55 |
|
Прибыль |
-235207 |
78533 |
337973 |
587693 |
661993 |
636293 |
510593 |
435173 |
384893 |

Рисунок 11. График зависимости цены от спроса.
Критический объем – это объем безубыточной работы. Рассчитываем его по формуле:
;
(79)
После того, как построим график зависимости спроса от цены, на него нанесем кривую критического объема. В местах соединения кривых объема продаж и критического объема проведем линии вниз до соединения с осью Х (Цена). В полученном ценовом интервале выбираем цену продаж, т.к. в этом интервале цена является безубыточной.
Прибыль рассчитываем по формуле:
;
(80)
Построим график зависимости прибыли от цены. Если установленная нами цена находится в интервале прибыли со знаком «+» значит, нами выбрана верная цена.

Рисунок 12. График зависимости цены от спроса.
Далее находим расчетный годовой объем продаж:
=300+67=367
шт. (81)
Nвнутр=67
Пересчитываем себестоимость при расчетном годовом объеме продаж:
=2486+466507/367=3757,2
руб. (82)
Рассчитываем экономический эффект проекта:
=1512859,2
+284271,9 =1727131,1 руб. (83)
который состоит из прибыли от внешних объемов продаж:
и
экономии от внутренних объемов:
П=300*(9000-3757,2)=1512859,2 руб. (84)
ΔЗ=67*(8000-3757,2)=284271,9 руб. (85)
5.4 Расчет объема инвестиций в проект
Любой проект нуждается в инвестициях, т.е. в финансовых и материальных вложениях. Рассчитаем их потребность и полученные результаты представим в виде таблицы 28.
Таблица 28
Объем инвестиций в проекте
|
Наименование капитальных затрат |
Стоимость, тыс. руб. |
|
Проектирование (разработка проекта участка) |
110 |
|
Инженерная, организационная и технологическая подготовка проекта (технология, организация производства) |
85 |
|
Строительство, ремонт зданий и сооружений |
420 |
|
Приобретение, монтаж, наладка нового оборудования |
306,9 |
|
Подготовка кадров для работы |
70 |
|
Создание производственных запасов, без которых нельзя осуществлять производственный процесс |
250 |
|
Административно-управленческие расходы в период выполнения проекта (руководитель проекта, прораб или мастер) |
120 |
|
Подготовка производства к вхождению в рынок (реклама, маркетинговые исследования) |
200 |
|
Покрытие убытков на начальном периоде освоения мощностей |
130 |
|
Прочие инвестиции |
70 |
|
ИТОГО инвестиций (I) |
1750,9 |
Оценка экономической состоятельности проекта
Проведя все исследования определим:
Чистый Дисконтированный Доход
Срок окупаемости
Таблица 29
Результаты расчетов
|
Шаг расчета, (год), n |
Коммерческий эффект |
Коэффициент дисконти-рования
|
Дисконтированный доход (эффект) ДД |
Чистый дисконтированный доход, ЧДД |
|
|
Базовый,
|
В
прогнози-руемых ценах,
|
||||
|
1 |
1536012, |
1658893,4 |
1,18 |
760960, |
-445939,7 |
|
2 |
1536012, |
1791604,9 |
1,39 |
748873, |
302933,8 |
|
3 |
1536012, |
1934933,3 |
1,64 |
732088, |
1035022,3 |
|
4 |
1536012, |
2089728,0 |
1,94 |
711087, |
1746109,7 |
|
5 |
1536012, |
2256906,2 |
2,29 |
686457, |
2432567,3 |
Шаг расчета примем 1 год так как I больше Э за год. Продолжительность расчетного примем 5 лет.
Коммерческий эффект равен прибыль минус налоги за счет прибыли:
Налог на прибыль 24%.
Базовый
(86)
4. В прогнозируемых ценах на опережение
Шаг один год, то:
;
(87)
где i- коэффициент инфляции деленный на 100, равен 8% (для 2006 г.).
(88)
Коэффициент дисконтирования (r) – это процентная ставка инвестора (банка). Для 2006 г. в среднем 18%
годовых.Дисконтированный доход (эффект) – это стоимость будущих денег сегодня, т.е. равноудаленные суммы приведем к одному моменту времени.
Шаг расчета 1 год, то:
;
(89)
Чистый дисконтированный доход ЧДД
,
(90)
Срок окупаемости наступит в том периоде (на том шаге), когда ЧДД будет со знаком «+».

Рисунок 13. График зависимости дохода от времени.
Вывод: Расчет чистого дисконтированного дохода показывает, что проект окупается на 2-м году, это указывает на приемлемую целесообразность проекта.
Заключение
В ходе проделанной работы был спланирован проект реконструкции СПАТП-4, подобрано технологическое оборудование которое необходимо для работы производственных корпусов. Так же в дипломном проекте был спроектирован пресс для правки коленчатых валов автомобилей, рассчитан его привод.
Список использованных источников
Напольский Г.М. Технологическое проектирование АТП и СТО.- М.: Транспорт, 1993.-271 с.
Афанасьев Л.Л., Колясинский Б.С., Маслов А.А. Гаражи и станции технического обслуживания автомобилей.- М.: Транспорт, 1980.-216 с.
Карташов В.П. Технологическое проектирование автотранспортных предприятий. -М.: Транспорт, 1981. -175 с.
Карташов В.П. Технологическое проектирование автотранспортных предприятий. -М.: Транспорт, 1981. -175 с.
Положение о техническом обслуживании и ремонте подвижного состава автомобильного транспорта/ М-во автомоб. трансп. РСФСР. – М.: Транспорт, 1986. -73 с.
Специализированное технологическое оборудование: Номенклатурный каталог. - М.: ЦБНТИ Минавтотранса РСФСР, 1986. -194 с.
Табель технологического оборудования и специализированного инструмента для АТП, СТО и БЦТО.-М.: ЦБНТИ Минавтотранса РСФСР, 1983.-98с.
Терган В.С. и Доктор Л.Ш. Приводы станков . -М.: Транспорт, 1984. -155 с.
Курсовое проектирование по деталям машин и подъемно-транспортным машинам. Под редакцией д-ра техн. наук, проф. П.Г. Гузенкова.


