Привод индивидуальный
ФЕДЕРАЛНОЕ АГЕНСТВО ПО КУЛЬТУРЕ И КИНЕМАТОГРАФИИ
САНКТ-ПЕТЕРБУРГСКИЙ ГОСУДАРСТВЕННЫЙ
УНИВЕРСИТЕТ КИНО И ТЕЛЕВИДЕНИЯ
Кафедра механики
Расчетно-пояснительная записка к курсовому проекту
на тему «Привод индивидуальный»
Санкт-Петербург
2009г.
Содержание
Техническое задание на курсовое проектирование.
1 Кинематический расчет и выбор электродвигателя
2 Выбор материалов и определение допускаемых напряжений
3 Расчет тихоходной ступени привода
3.1 Проектный расчет
3.2 Проверочный расчет по контактным напряжениям
3.3 Проверочный расчет зубьев на изгиб
4 Расчет быстроходной ступени привода
5 Проектный расчет валов редуктора
5.1 Расчет тихоходного вала редуктора
5.2 Расчет быстроходного вала редуктора
5.3 Расчет промежуточного вала редуктора
6 Подбор и проверочный расчет шпонок
6.1 Шпонки быстроходного вала
6.2 Шпонки промежуточного вала
6.1 Шпонки тихоходного вала
7 Проверочный расчет валов на статическую прочность
8 Выбор и проверочный расчет подшипников
9 Выбор масла, смазочных устройств
Список использованной литературы
Техническое задание на курсовое проектирование
Механизм привода

электродвигатель;
муфта упругая;
редуктор зубчатый цилиндро-червячный;
передача зубчатая цилиндрическая;
передача червячная;
муфта;
исполнительный механизм.
Вариант 10
Потребный момент на валу исполнительного механизма (ИМ) Т>им>=11Нм;
Угловая скорость вала ИМ ω>им>=12с-1.
Разработать:
сборочный чертеж редуктора;
рабочие чертежи деталей тихоходного вала: зубчатого колеса, вала, крышки подшипника.
1 Кинематический расчет и выбор электродвигателя
Исходные данные:
потребный момент на валу исполнительного механизма (ИМ) Т>им>=11Нм;
угловая скорость вала ИМ ω>им>=12с-1;
Определяем мощность на валу ИМ N>им>= Т>им>х ω>им>=11х12=132Вт.
Определяем общий КПД привода по схеме привода
η>общ>=η>зп> η>чп> η>м> η>п> (1.1)
где [1, с.9,10]: η>зп>=0,97- КПД зубчатой цилиндрической передачи;
η>чп>=0,8- КПД червячной передачи;
η>м>=0,982 – потери в муфтах;
η>п>=0,994- коэффициент, учитывающий потери на трение в подшипниках 4-х валов.
Сделав подстановку в формулу (1.1) получим:
η>общ.>=0,97*0,85*0,982*0,994=0,7
Определяем потребную мощность электродвигателя [1,с.9]
N>эд>≥N>им>/η>общ.> (1.2)
где N>эд> – требуемая мощность двигателя:
N>эд>=132/0,7=188,6Вт
Выбираем электродвигатель [1,с.18,табл.П2]
Пробуем двигатель АИР56В2: N>дв.>=0,25кВт;
Синхронная частота вращения n>дв>=3000об/мин; S=8%.
Определяем номинальную частоту вращения электродвигателя по формуле (5) [1,c.11]:
n>ном>=n>дв>·(1-S/100);
n>ном>=3000·(1-0,08);
n>ном>=2760 об/мин
Определяем угловую скорость вала двигателя
ω>дв>=πn>дв>/30=π*2760/30=289рад/с;
Определяем общее передаточное число привода
U=ω>дв.>/ω>им>=289/12=24,1
Производим разбивку передаточного числа по ступеням. По схеме привода
U>общ.>=U>1>· U>2>; (1.3)
Назначаем по рекомендации [1,табл.2.3]: U>2>=10;
Тогда U>1>= U>общ.>/U>2>; U>1>=2,4. Принимаем U>1>=2,5. Тогда U>общ.>=25
Принимаем окончательно электродвигатель марки АИР56В2.
Угловые скорости определяем по формуле
ω=πn/30 (1.4)

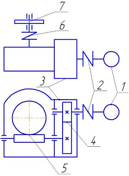
Рис.1 Схема валов привода
1 – быстроходный вал;
2 – промежуточный вал;
3 – тихоходный вал.
По схеме валов (рис.1) и формуле (1.4) определяем частоты вращения и угловые скорости каждого вала
n>1>= n>ном.>
ω>1>= ω>дв>=289рад/с;
n>2>= n>ном>/U>1>=2760/2,5=1104об/мин;
ω>2>=πn>2>/30=π*1104/30=115,6 рад/с;
n>3>= n>2>/U>2>=1104/10=110,4 об/мин;
ω>3>=πn>3>/30=π*110,4/30=11,5 рад/с.
Определяем мощность на каждом валу по схеме привода
N>1>=N>дв> η>м>=0,25*0,98=245Вт;
N>2>=N>1> η>зп> η>п>2=245*0,97*0,992=233Вт;
N>3>=N>2> η>чп >η>п> =233*0,8*0,99=184,5Вт;
N>им>=N>3> η>м> =224*0,98=181Вт.
Определяем вращающие моменты на каждом валу привода по формулам [1,с.12,14]:
; Т>2>=Т>1>•U>1>;
Т>3>=Т>2>•U>2>; (1.5)
Т>1>=245/289=0,85 Н•м;
Т>2>=0,85•2,5=2,1 Н•м;
Т>3>=2,1•10=21 Н•м.
Все рассчитанные параметры сводим в табл.1.
Таблица 1
Параметры кинематического расчета
|
№ вала |
n, об/мин |
ω, рад/с |
N, Вт |
Т, Нм |
U |
|
Дв |
2760 |
289 |
250 |
0,85 |
|
|
1 |
2760 |
289 |
245 |
0,85 |
2,5 |
|
2 |
1104 |
115,6 |
233 |
2,1 |
|
|
10 |
|||||
|
3 |
110,4 |
11,5 |
184,5 |
21 |
|
|
ИМ |
110,4 |
11.,5 |
181 |
21 |
2 Выбор материалов и определение допускаемых напряжений
Выбираем материал для шестерни, червяка и колеса по табл.3.2 [4,c.52]:
шестерня и червяк– сталь 40Х, термообработка – улучшение 270НВ,
колесо - сталь 40Х, термообработка – улучшение 250НВ.
Для выбора марки материала червячного колеса рассчитаем скорость скольжения
, (2.1)
где Т – вращающий момент на валу червячного колеса,
ω – угловая скорость тихоходного вала,
U – передаточное число.
Подставив значения в формулу 2.1 получим:
;
v>s>=2,2 м/с.
В соответствии с табл. 3.5 [4] для червячного колеса примем бронзу БрА9Ж3Л, отлитую в кокиль с σ>в>=500Н/мм2 и σ>т>=230Н/мм2.
Определяем допускаемое контактное напряжение для стальных деталей по формуле [4,c.53]:
(2.2)
где σ>Hlimb> – предел контактной выносливости при базовом числе циклов;
К>HL> – коэффициент долговечности;
[S>H>] – коэффициент безопасности;
по [1,c.33]: К>HL> =1; [S>H>] =1,1.
Определяем σ>Hlimb> по табл.3.1[4,c.51]:
σ>Hlimb> =2НВ+70; (2.3)
σ>Hlimb>>1> =2270+70; σ>Hlimb>>1> =610МПа;
σ>Hlimb>>2> =2250+70; σ>Hlimb>>1> =570МПа.
Сделав подстановку в формулу (2.1) получим
;
МПа;
;
МПа.
Определяем допускаемое расчетное напряжение по формуле [4,c.53]:
(2.4)
;
МПа.
Определяем допускаемые напряжения по по табл.3.1[4,c.51]:
[σ]>Fo> =1,03НВ;
[σ]>Fo>>1> =1,03x270=281МПа;
[σ]>Fo>>2> =1,03x250=257МПа.
Определяем допускаемое контактное и изгибное напряжения для червячного колеса по формулам табл. 3.6 [4,c.58]:
[σ]>Н> =250-25v>s>, [σ]>F> =(0,08σ>в>+0,25 σ>т>) (2.5)
[σ]>Н> =250-25∙2,2=195Н/мм2;
[σ]>F> =(0,08∙500+0,25∙230)=97,5Н/мм2.
3 Расчет тихоходной ступени привода
3.1 Проектный расчет
Определяем межосевое расстояние передачи по формуле [4,c.74]:
(3.1)
где Т – вращающий момент на колесе ,Т>3> =21 Нм (см. табл.1).
Подставив значения в формулу (3.1) получим:


Принимаем окончательно по
ГОСТ6636-69 [4,табл.13.15]

Число витков червяка Z>1> принимаем в зависимости от передаточного числа.
При U = 10 принимаем Z>1> = 4.
Число зубьев червячного колеса Z>2> = Z>1> x U = 4 x 10 = 40.
Определяем модуль [4,c.74]:
m>n>=(1,5…1,7)·а>w>/z>2>; (3.2)
m>n>=(1,5…1,7)·50/40.
Принимаем модуль m>n>=2мм . Из условия жесткости определяем коэффициент диаметра червяка [4,c.75]:
q=(0,212…0,25) z>2>;
Принимаем модуль q=8.
Определяем основные размеры червяка и червячного колеса по формулам [4,c.76]:
Делительный диаметр червяка


Диаметры вершин и впадин витков червяка




Длина нарезной части шлифованного червяка :


Принимаем b>1>=28мм .
Делительный угол подъема
γ=arctg(z>1>/q);
γ=arctg(4/8);
γ=26°33'54''.
Делительный диаметр червячного колеса


Диаметры вершин и впадин зубьев червячного колеса




Наибольший диаметр червячного колеса


Ширина венца червячного колеса


Принимаем b>2>=28мм
Окружная скорость


червяка -

колеса -

Определяем силы в зацеплении [4, табл.6.1]:
- окружные
(3.7)
> >
- радиальные
> >
;
где γ=26°33'54'' - угол подъема витка; (3.8)

-осевые
> >
> >(3.9)
> >
Все вычисленные параметры заносим в табл.2.
Таблица 2
Параметры червячной передачи тихоходной ступени
|
Параметр |
Червяк |
Колесо |
|
m,мм |
1 |
|
|
q |
8 |
|
|
z |
4 |
40 |
|
d,мм |
16 |
80 |
|
d>а>,мм |
20 |
84 |
|
d>f>,мм |
11,2 |
75,2 |
|
b, мм |
28 |
28 |
|
F>t>, Н |
262,5 |
525 |
|
F>r>, Н |
262,5 |
262,5 |
|
F>а>, Н |
525 |
262,5 |
3.2 Проверочный расчет по контактным напряжениям
Проверку контактных напряжений производим по формуле [4, c.77]:
; (3.10)
где: К – коэффициент нагрузки, при окружной скорости колеса менее 3м/с К=1.

Определяем ∆σ>Н>
;
;
недогрузки,
что допускается.
3.3 Проверочный расчет зубьев на изгиб
Расчетное напряжение изгиба в основании ножки зубьев колеса [4,с.78]:
; (3.11)
где: Y>F>– коэффициент формы зуба колеса, Y>F> =1,55 [4,табл.4.10].
Подставив значения в формулу получим:
;
Прочность зубьев на изгиб обеспечивается.
Определяем ∆σ>F>
;
Все вычисленные параметры проверочных расчетов заносим в табл.3.
Таблица 3
Параметры проверочных расчетов
|
Параметр |
Обозн. |
Допускаемое |
Расчетное |
Недогрузка(-) или перегрузка(+) |
|
Контактное напряжение, МПа |
σ>Н> |
195 |
154 |
-20% |
|
Напряжение изгиба, МПа |
σ>F>>1> |
97,5 |
10,1 |
-79% |
4 Расчет быстроходной ступени привода
Межосевое расстояние для быстроходной ступени для того, чтобы корпус редуктора был разъемным по осям валов принимаем равным 50мм. а=50мм. Определяем модуль [2,c.36]:

m>n>=(0,01…0,02)·50;
m>n>=0,5…1;
Принимаем m>n>=1.
Определяем суммарное число зубьев по формуле (3.12) [1,c.36]:
z>Σ>=2а/m>n>;
z>Σ>=2·50/1; z>Σ>=100
Принимаем z>Σ>=100.
Определяем число зубьев шестерни и колеса по формулам (3.13) [2,c.37]:
z>1>= z>Σ>/(U>1>+1); z>1>=100/(2,5+1);
z>1>=28,5; принимаем z>1>=28.
Тогда z>2>= z>Σ>-z>1>=100-28=72
Фактическое передаточное соотношение U>1>=72/28=2,57
Отклонение передаточного числа от номинального незначительное.
Определяем делительные диаметры шестерни и колеса по формуле (3.17) [2,c.37]:
d>1>=m>n>·z>1>=1х28=28мм;
d>2>=m>n>·z>2>=1х72=72мм;
Определяем остальные геометрические параметры шестерни и колеса по формулам [2,c.37]:
;
; 
;
; 
; 
мм;
;
мм;
;
мм;
;
мм;
;
мм;
;
мм;
;
мм
;
мм;

;
мм;
Определяем окружные скорости колес

;
м/с.
Назначаем точность изготовления зубчатых колес – 7А [2,c.32].
Определяем силы в зацеплении [4, табл.6.1]:
- окружная

;
Н;
- радиальная
;
где α=20° - угол зацепления;
;
Н;
Осевые силы в прямозубой передачи отсутствуют.
Все вычисленные параметры заносим в табл.4.
Таблица 4
Параметры зубчатой передачи быстроходной ступени
|
Параметр |
Шестерня |
Колесо |
|
m>n>,мм |
1 |
|
|
h>a>,мм |
1 |
|
|
h>t>,мм |
1,25 |
|
|
h,мм |
2,25 |
|
|
с, мм |
0,25 |
|
|
z |
28 |
72 |
|
d,мм |
28 |
72 |
|
d>а>,мм |
30 |
74 |
|
d>f>,мм |
25,5 |
69,5 |
|
b, мм |
15 |
18 |
|
а>W>,мм |
50 |
|
|
v, м/с |
4 |
|
|
F>t>, Н |
58.3 |
|
|
F>r>, Н |
21,2 |
5 Проектный расчет валов редуктора
По кинематической схеме привода составляем схему усилий, действующих на валы редуктора по закону равенства действия и противодействия. Для этого мысленно расцепим шестерни и колеса редуктора, при этом дублирующий вал не учитываем.
Схема усилий приведена на рис.1.

Рис.2 Схема усилий, действующих на валы редуктора.
Из табл.1,2,4 выбираем рассчитанные значения:
Т>1>=0,85 Нм; Т>2>=2,1 Нм; Т>3>=21 Нм;
F>t>>1>= F>t>>2>=58,3 Н; F>t>>3>=262,5 Н; F>t>>4>=525 Н; F>r>>1>= F>r>>2>=21,2 Н;
F>r>>3>= F>r>>4>=262,5 Н; d>1>=28мм; d>2>=72мм; d>3>=16мм; d>4>=80мм.
F>m>>1> и F>m>>1> – консольные силы от муфт, которые равны [4, табл.6.2]:
;
;
Н;
Н.
R>x>> >и R>y> – реакции опор, которые необходимо рассчитать.
Так как размеры промежуточного вала определяются размерами остальных валов, расчет начнем с тихоходного вала.
5.1 Расчет тихоходного вала редуктора
Схема усилий действующих на валы редуктора представлена на рис.2.
Назначаем материал
вала. Принимаем
сталь 40Х, для которой [2,
табл.8.4] σ>в>=730Н/мм2;
Н/мм2;
Н/мм2;
Н/мм2.
Определяем диаметр выходного конца вала под полумуфтой из расчёта на чистое кручение [2,c.161]:

где [τ>к>]=(20…25)МПа
Принимаем [τ>к>]=20МПа.
;
мм.
Принимаем окончательно с учетом
стандартного ряда размеров R>а>20
(ГОСТ6636-69):
мм.
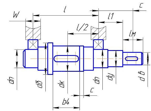
Намечаем приближенную конструкцию ведомого вала редуктора (рис.3), увеличивая диаметр ступеней вала на 5…6мм, под уплотнение допускается на 2…4мм и под буртик на 10мм.

Рис.3 Приближенная конструкция тихоходного вала
мм;
мм
– диаметр под уплотнение;
мм
– диаметр под подшипник;
мм
– диаметр под колесо;
мм
– диаметр буртика;
b>4>=28мм.
Учитывая, что осевые нагрузки
на валу имеются предварительно назначаем
подшипники шариковые радиально-упорные
однорядные серии диаметров 2 по
мм
подшипник №46205, у которого D>п>=52мм;
В>п>=15мм
[4,табл.К27].
Выбираем конструктивно остальные размеры: W=20мм; l>м>=20мм; l>1>=35мм; l=60мм; с=5мм.
Определим размеры для расчетов: l/2=30мм;
с=W/2+ l>1>+ l>м>/2=55мм – расстояние от оси полумуфты до оси подшипника.
Проводим расчет тихоходного вала на изгиб с кручением.
Заменяем вал балкой на опорах в местах подшипников (см. рис.4). Назначаем характерные точки 1,2, 3 и 4.
Определяем реакции в подшипниках в вертикальной плоскости.
ΣМ>2>>y>=0; R>Fy>·0,06-F>r>>4>·0,03=0
R>Fy>= 262,5·0,03/ 0,06;
R>Е>>y>= R>Fy>=131Н.
Определяем изгибающие моменты в характерных точках: М>1у>=0; М>2у>=0; М>3у>= R>Е>>y>·0,03; М>3у> =4Нм2; М>3у>=0;
Строим эпюру изгибающих моментов М>у>, Нм2 (рис.3)
Определяем реакции в подшипниках в горизонтальной плоскости.
ΣМ>4>>x>=0; F>m>>2>·0,115- R>Е>>x>·0,06+ F>t>>4>·0,03=0;
R>Е>>x>=( 1145·0,115+ 525·0,03)/ 0,06;
R>Е>>x>=4820Н;
ΣМ>2>>x>=0; -F>m>>2>·0,055+ F>t>>4>·0,03+ R>Fx>·0,06=0;
R>Fx>= (1145·0,055- 525·0,03)/ 0,06;
R>Fx>=787Н.
Определяем изгибающие моменты:
М>1х>=0;
М>2>= -F>r>>4>·0,03
М>2х>=-262,5·0,03;
М>2х>=-8Нм;
М>3хслева>=-F>m>>2>·0,085-R>Ех> ·0,055;
М>3хслева>==-1145·0,085-787·0,03;
М>3хслева>=-121Нм;
М>3х>=- R>E>>х> ·0,055;
М>3х>=- 4820 ·0,03;
М>3х>=- 144;
М>4х>=0;
Строим эпюру изгибающих моментов М>х>.

Рис.4 Эпюры изгибающих моментов тихоходного вала
Крутящий момент Т>1-1>= Т>2-2>= Т>3-3>= T>3>=21Нм; T>4-4>=0.
Определяем суммарные радиальные реакции [4,рис 8.2]:
;
;
;
Н;
;
Н.
Определяем результирующий изгибающий момент в наиболее опасном сечении (в точке 3) [4,рис 8.2]:
;
;
Нм2.
Эквивалентный момент:
;
;
Нм2.
5.2 Расчет быстроходного вала редуктора
Схема усилий, действующих на быстроходный вал представлена на рис.2.
Назначаем материал
вала. Принимаем
сталь 40Х, для которой [2,
табл.8.4] σ>в>=730Н/мм2;
Н/мм2;
Н/мм2;
Н/мм2.
Определяем диаметр выходного конца вала под полумуфтой из расчёта на чистое кручение [2,c.161]:

где [τ>к>]=(20…25)Мпа
Принимаем [τ>к>]=20Мпа.
;
мм.
Принимаем окончательно с учетом
стандартного ряда размеров R>а>10
(ГОСТ6636-69):
мм.
Намечаем приближенную конструкцию быстроходного вала вала редуктора (рис.5), увеличивая диаметр ступеней вала на 5…6мм, под уплотнение допускается на 2…4мм и под буртик на 10мм.
мм;
мм
– диаметр под уплотнение;
мм
– диаметр под подшипник;
мм
– диаметр под ступицу шестерни;
мм
– диаметр буртика;
b>1>=15мм.
Учитывая, что осевых нагрузок
на валу нет предварительно назначаем
подшипники шариковые радиальные
однорядные особо легкой серии по
мм
подшипник №100, у которого D>п>=26мм;
В>п>=8мм
[4,табл.К27].
Выбираем конструктивно остальные размеры:
W=14мм; l>м>=16мм; l>1>=25мм; l=60мм.
Определим размеры для расчетов:
l/2=30мм; с=W/2+ l>1>+ l>м>/2=40мм – расстояние от оси полумуфты до оси подшипника.
Проводим расчет быстроходного вала на изгиб с кручением.

Рис.5 Приближенная конструкция быстроходного вала
Заменяем вал балкой на опорах в местах подшипников (см. рис.6). Назначаем характерные точки 1,2, 3 и 4.
Определяем реакции в подшипниках в вертикальной плоскости.
ΣМ>2y>=0; R>А>>y>·0,06-F>r1>·0,03=0 R>А>>y>= 21,2·0,03/ 0,06; R>А>>y>= R>В>>y>=10,6Н.
Определяем изгибающие моменты в характерных точках:
М>1у>=0;
М>2у>=0;
М>3у>= R>А>>y>·0,03;
М>3у> =0,5Нм2;
М>3у>=0;
Строим эпюру изгибающих моментов М>у>, Нм2 (рис.6).
Определяем реакции в подшипниках в горизонтальной плоскости.
ΣМ>4>>x>=0; F>m>>1>·0,1- R>А>>x>·0,06+ F>t>>1>·0,03=0;
R>А>>x>= (64,5·0,1+ 58,3·0,03)/ 0,06;
R>А>>x>=137Н;

Рис.6 Эпюры изгибающих моментов быстроходного вала
ΣМ>2>>x>=0; F>m>>1>·0,02- F>t>>1>·0,03+ R>В>>x>·0,06=0;
R>В>>x>= (58,3·0,03- 64,5·0,02)/ 0,06;
R>В>>x>=7,7Н
Определяем изгибающие моменты:
М>1х>=0;
М>2>= -F>m>>1>·0,04
М>2х>=-64,5·0,04;
М>2х>=-2,6Нм;
М>3хсправа>=-F>m>>1>·0,1+R>Вх> ·0,03;
М>3хсправа>==-64,5·0,1+7,7 ·0,03;
М>3хсправа>=-6,2Нм;
М>3х>=- R>Ах> ·0,03;
М>3х>=- 137 ·0,03;
М>3х>=- 4,1;
М>4х>=0;
Строим эпюру изгибающих моментов М>х>. Крутящий момент
Т>1-1>= Т>2-2>= Т>3-3>= T>1>=0,85Нм;
T>4-4>=0.
Определяем суммарные радиальные реакции [4,рис 8.2]:
;
;
;
Н;
;
Н.
Определяем результирующий изгибающий момент в наиболее опасном сечении (в точке 3) [4,рис 8.2]:
;
;
Нм2.
Эквивалентный момент:
;
;
Нм2.
5.3 Расчет промежуточного вала - червяка
Назначаем материал
вала. Принимаем
сталь 40Х, для которой [1,
табл.8.4] σ>в>=730Н/мм2;
Н/мм2;
Н/мм2;
Н/мм2.
Определяем диаметр выходного конца червяка из расчёта на чистое кручение
;
где [τ>к>]=(20…25)Мпа [1,c.161]
Принимаем [τ>к>]=20Мпа.
;
мм.
Принимаем d>в>=8мм.
Принимаем диаметр вала под подшипник 10мм.
Намечаем приближенную конструкцию червяка (рис.7), увеличивая диаметр ступеней вала на 5…6мм

Рис.7 Приближенная конструкция промежуточного вала
х=8мм;
W=20мм;
r=2,5мм;
b>2>=18мм;
b>3>=28мм.
Расстояние l определяем из суммарных расстояний тихоходного и быстроходного валов с зазором между ними 25…35мм.
l=60+30+30=120мм.
l>1>=30мм; l>2>=30мм.
Учитывая, что осевые нагрузки
на валу имеются предварительно назначаем
подшипники шариковые радиально-упорные
однорядные серии диаметров 1 по
мм
подшипник №36100К6, у которого D>п>=26мм;
В>п>=8мм
[4,табл.К27].
Заменяем вал балкой на опорах в местах подшипников.
Рассматриваем вертикальную плоскость (ось у)
Определяем реакции в подшипниках в вертикальной плоскости.
М>Су>=0;
-R>D>>у>·0,09+F>r>>3>·0,03+F>r>>2>·0,12=0
R>Dy>=(262,5·0,03+21,2·0,12)/ 0,09;
R>Dy>==116Н.
М>D>>у>=0;
R>Cy>·0,09- F>r3>·0,06+ F>r2>·0,03=0;
R>Cy>=(262,5·0,06-21,2·0,03)/ 0,09;
R>Cy>=168Н.
Назначаем характерные точки 1, 2, 3, и 4 и определяем в них изгибающие моменты:
М>1у>=0;
М>2у>=-R>Cy>·0,03;
М>2у>=-5Нм;
М>3услева>=-R>Cy>·0,09+F>r>>3>·0,06;
М>3услева>=0,6Нм
М>3усправа>= F>r>>2>·0,03;
М>3усправа>= 0,6Нм
М>4у>=0;
Строим эпюру изгибающих моментов М>у>, Нм (рис.8).
Определяем реакции в подшипниках в горизонтальной плоскости.
М>Сх>=0;
R>Dx>·0,09-F>t3>·0,03-F>t2>·0,12=0;
R>Dx>=( 262,5·0,03+ 58,3·0,12)/0,09;
R>Dx>=87,5Н;
М>D>>х>=0;
R>Cx>·0,09- F>t3>·0,06-F>t2>·0,03=0;
R>Cx>=(262,5·0,03+58,3·0,06)/ 0,09;
R>Cx>=126Н.
Назначаем характерные точки 1, 2, 3 и 4 и определяем в них изгибающие моменты:
М>1>>x>=0;
М>2>>x>=-R>Cx>·0,03;
М>2>>x>=-3,8Нм;
М>3>>x>>слева>= -R>Cx>·0,09-F>t>>3>·0,06;
М>3>>x>>слева>=-27Нм;
М>3>>x>>справа>= F>t>>2>·0,03;
М>3>>x>>справа>=1,7Нм;
М>4у>=0.
Строим эпюру изгибающих моментов М>у>, Нм (рис.8)

Рис.8 Эпюры изгибающих и крутящих моментов промежуточного вала.
Крутящий момент
Т>1-1>=0;
Т>2-2>=-Т>3-3>=- T>2>=-2,1Нм;
Т>4-4>=0.
Определяем суммарные радиальные реакции [4,рис 8.2]:
;
;
;
Н;
;
Н.
Определяем результирующий изгибающий момент в наиболее опасном сечении (в точке 3) [4,рис 8.2]:
;
;
Нм.
Эквивалентный момент:
;
;
Нм.
Все рассчитанные значения сводим в табл.5.
Таблица 5
Параметры валов
|
R>1>, H |
R>2>, H |
M>И>, Нм |
M>Иэкв>, Нм |
|
|
Тихоходный вал |
4821 |
798 |
144 |
146 |
|
Быстроходный вал |
137,4 |
13,1 |
6,2 |
6,3 |
|
Промежуточный вал - червяк |
1419 |
405 |
92,5 |
93 |
6 Подбор и проверочный расчет шпонок
Выбор и проверочный расчет шпоночных соединений проводим по [4]. Обозначения используемых размеров приведены на рис.9.

Рис.9 Сечение вала по шпонке
6.1 Шпонки быстроходного вала
Для выходного конца быстроходного вала при d=6 мм подбираем призматическую шпонку со скругленными торцами по ГОСТ23360-78 bxh=2x2 мм2 при t=1,2мм (рис.9).
При длине ступицы полумуфты l>м>=16 мм выбираем длину шпонки l=14мм.
Материал шпонки – сталь 40Х нормализованная. Напряжения смятия и условия прочности определяем по формуле:
(6.1)
где Т – передаваемый момент, Нмм; Т>1>=0,85 Нм.
l>р> – рабочая длина шпонки, при скругленных концах l>р>=l-b,мм;
[]>см> – допускаемое напряжение смятия.
С учетом того, что на выходном конце быстроходного вала устанавливается полумуфта из ст.3 ([]>см>=110…190 Н/мм2) вычисляем:

Условие выполняется.
Для зубчатого колеса вала при d=15 мм подбираем призматическую шпонку со скругленными торцами bxh=5x5 мм2 при t=3мм, t>1>=2,3мм. Т>1>=0,85Нм.
При длине ступицы шестерни l>ш>=15 мм выбираем длину шпонки l=12мм.
Материал шпонки – сталь 45 нормализованная. Проверяем напряжение смятия, подставив значения в формулу (6.1):

Условие выполняется.
6.2 Шпонки промежуточного вала
Для зубчатого колеса вала при d=8 мм подбираем призматическую шпонку со скругленными торцами bxh=2x2 мм2 при t=1,2мм, t>1>=1мм. Т>2>=2,1Нм. При длине ступицы шестерни l>ш>=18 мм выбираем длину шпонки l=14мм.
Материал шпонки – сталь 45 нормализованная. Проверяем напряжение смятия, подставив значения в формулу (6.1):

Условие выполняется.
6.3 Шпонки тихоходного вала
Передаваемый момент Т>3>=21Нм.
Для выходного конца вала при d= 18мм подбираем призматическую шпонку со скругленными торцами bxh=6x6 мм2 при t=3,5мм.
При длине ступицы полумуфты l>М>=20 мм выбираем длину шпонки l=16мм.

Для червячного колеса тихоходного вала при d=30 мм подбираем призматическую шпонку со скругленными торцами bxh=8x7мм2 при t=4мм.
При длине ступицы шестерни l>ш>=28 мм выбираем длину шпонки l=22мм.
С учетом того, что на ведомом валу устанавливается колесо из бронзы ([]>см>=70…90 Н/мм2) вычисляем по формуле (6.1):

условие выполняется.
Таблица 6
Параметры шпонок и шпоночных соединений
|
Параметр |
тих.вал- полум |
тих.вал- колесо |
промвал-шестерня |
быстр валшестер. |
быстр. валполум. |
|
Ширина шпонки b,мм |
6 |
8 |
2 |
5 |
2 |
|
Высота шпонки h,мм |
6 |
6 |
2 |
5 |
2 |
|
Длина шпонки l,мм |
16 |
22 |
14 |
12 |
14 |
|
Глубина паза на валу t,мм |
3,5 |
4 |
1,2 |
3 |
1,2 |
|
Глубина паза во втулке t>1>,мм |
2,8 |
3,3 |
1 |
2,3 |
1 |
7 Проверочный расчет валов на статическую прочность
В соответствии с табл.5 наиболее опасным является сечение 3-3 тихоходного вала, в котором имеются концентраторы напряжений от посадки зубчатого колеса с натягом, шпоночного паза и возникают наибольшие моменты. Исходные данные для расчета:
М>Иэкв>= 146Нм;
М>И>=144Нм;
Т>3-3>=21Нм;
d>в>=30мм;
в=8мм – ширина шпонки,
t=4мм – глубина шпоночного паза,
l=22мм – длина шпонки.
При расчете принимаем, что напряжения изгиба изменяются по симметричному циклу, а напряжения кручения – по отнулевому циклу.
Определяем диаметр вала в рассчитываемом сечении при допускаемом напряжении при изгибе [σ>-1>]>и>=60МПа:
мм;
30>23.
Условие соблюдается.
Определяем напряжения изгиба: σ>и>=М>и>/W;
где W – момент сопротивлению изгибу. По [4,табл.11.1]:
;
мм3;
σ>и>=144000/32448=4,4Н/мм2.
При симметричном цикле его амплитуда равна: σ>а>= σ>и> =4,4Н/мм2.
Определяем напряжения кручения: τ>к>=Т>3-3>/W>к>;
где W>к> – момент сопротивлению кручению. По [4,табл.22.1]:
;
мм3;
τ>к>=21000/64896=0,3Н/мм2.
При отнулевом цикле касательных напряжений амплитуда цикла равна:
τ>а>= τ>к> /2=0,3/2=0,15Н/мм2.
Определяем коэффициенты концентрации напряжении вала [4, с.258]:
(К>σ>)>D>=( К>σ>/К>d>+ К>F>-1)/ К>y>;
(К>τ>)>D>=( К>τ>/К>d>+ К>F>-1)/ К>y>; (7.1)
где К>σ> и К>τ> – эффективные коэффициенты концентрации напряжений,
по табл.11.2 [4] выбираем для шпоночных пазов, выполненных концевой фрезой К>σ> =1,6, К>τ> =1,4;
К>d> – коэффициент влияния абсолютных размеров поперечного сечения, по табл.11.3 [4] выбираем К>d> =0,75;
К>F>- коэффициент влияния шероховатости, по табл.11.4 [4] выбираем для шероховатости R>а>=1,6 К>F>=1,05;
К>y> - коэффициент влияния поверхностного упрочнения, по табл.11.4 [4] выбираем для закалки с нагревом ТВЧ К>y> =1,5.
Подставив значения в формулы (7.1) получим:
(К>σ>)>D>=( 1,6/0,75+ 1,05-1)/ 1,5=1,45;
(К>τ>)>D>=( 1,4/0,75+ 1,05-1)/ 1,5=1,28.
Определяем пределы выносливости вала [4, c263]:
(σ>-1>)>D>=σ>-1>/(К>σ>)>D>; (τ>-1>)>D>=τ>-1>/(К>τ>)>D>; (7.2)
где σ>-1> и τ>-1> – пределы выносливости гладких образцов при симметричном цикле изгиба и кручения, по табл.3. [4] σ>-1> = 380Н/мм2 , τ>-1> ≈0,58 σ>-1> =220Н/мм2;
(σ>-1>)>D>=380/1,45=262Н/мм2; (τ>-1>)>D>=220/1,28=172 Н/мм2.
Определяем коэффициенты запаса прочности по нормальным и касательным напряжениям 4, c263]:
s>σ>=(σ>-1>)>D>/ σ>а>; s>τ>=(τ>-1>)>D>/ τ>а>. (7.3)
s>σ>=262/ 4,4=59; s>τ>=172/ 0,15=1146.
Определяем общий коэффициент запаса по нормальным и касательным напряжениям [4, c263]:
(7.4)
где [s]=1,6…2,1 – допускаемый коэффициент запаса прочности.

Сопротивление усталости вала в сечении 3-3 обеспечивается, расчет остальных валов не проводим, т.к. расчет проведен на самом опасном сечении, и коэффициент запаса прочности значительно превышает допустимый.
8 Выбор и проверочный расчет подшипников
Предварительно выбранные подшипниками с действующими на них радиальными нагрузками приведены в табл.7.
Таблица 7
Параметры выбранных подшипников
|
Быстроходный вал |
Промежуточный вал |
Тихоходный вал |
|
|
№ |
100 |
36100 |
46205 |
|
d, мм |
10 |
10 |
25 |
|
D, мм |
26 |
26 |
52 |
|
В, мм |
8 |
8 |
15 |
|
С, кН |
4,62 |
5,03 |
15,7 |
|
С>о>, кН |
1,96 |
2,45 |
8,34 |
|
R>А>, Н |
137,4 |
1419 |
4821 |
|
R>Б>, Н |
13,1 |
405 |
798 |
Подшипники устанавливаем по схеме «враспор». Пригодность подшипников определяем по условиям [4, c.129]:
С>р>≤С; L>р>≥L>h>;
где С>р> – расчетная динамическая грузоподъемность;
L>h> – требуемая долговечность подшипника, для зубчатых редукторов L>h> =10000ч.
; [4,
c.129] (8.1)
где ω – угловая скорость соответствующего вала (см. табл.1); m=3 для шариковых подшипников; R>Е> – эквивалентная динамическая нагрузка, при отсутствии осевых усилий [4, табл.9.1]:
R>Е>=VR>А>К>δ>К>τ> (8.2)
где K>> - коэффициент безопасности; K>> =1,1…1,2 [4, табл.9.4]. Принимаем K>> =1,1.
V – коэффициент вращения, при вращении внутреннего кольца V=1
K>τ> – температурный коэффициент; K>τ> =1 (до 100ºС) [4, табл.9.4].
Определяем расчетную долговечность подшипников в часах [4, c.129]:
(8.3)
Подставив значения в формулы (8.1)-(8.3) проверяем подшипники.
Для быстроходного вала:
R>Е>=137,4х1,1=151Н;
>-
условие выполняется;>
>-
условие выполняется.>
>Для промежуточного вала:>
R>Е>=1419х1,1=1560Н;
>-
условие выполняется;>
>-
условие выполняется.>
>Для тихоходного вала:>
R>Е>=4821х1,1=5300Н;
>-
условие выполняется.>
>-
условие выполняется.>
>Окончательные параметры подшипников приведены в табл.7.>
9 Выбор масла, смазочных устройств
Используем картерную систему смазывания. В корпус редуктора заливаем масло так, чтобы червяк был в него погружен на глубину h>м >(рис.10):
h>м >>max> =(0,1…0,5)d>1 >= 2…8мм;
h>м >>min>> >= 2,2m = 21 = 2,2мм.
При вращении колеса масло будет увлекаться его зубьями, разбрызгиваться, попадать на внутренние стенки корпуса, откуда стекать в нижнюю его часть. Внутри корпуса образуется взвесь частиц масла в воздухе, которым покрываются поверхности расположенных внутри корпуса деталей, в том числе и подшипники.

Рис.10 Схема определения уровня масла в редукторе
Объем масляной ванны принимаем из расчета 0,5 л на 1кВт передаваемой мощности V = 0,5N>дв> = 0,50,25 = 0,125 л.
Контроль
уровня масла производится круглым
маслоуказателем, который крепится к
корпусу редуктора при помощи винтов.
Для слива масла предусмотрена сливная
пробка. Заливка масла в редуктор
производится через съемную крышку в
верхней части корпуса.

Выбираем смазочный материал. Для этого ориентировочно рассчитаем необходимую вязкость:
где ν>50> – рекомендуемая кинематическая вязкость смазки при температуре 50°С;
ν>1> =170мм2/с – рекомендуемая вязкость при v=1м/с для зубчатых передач с зубьями без термообработки;
v=4м/с – окружная скорость в зацеплении

Принимаем по табл.10.29 [4] масло И-220А.
Для обоих валов выберем манжетные уплотнения типа 1 из ряда 1 по ГОСТ 8752-79. Установим их рабочей кромкой внутрь корпуса так, чтобы обеспечить к ней хороший доступ масла.
Список использованной литературы
1. Основы конструирования: Методические указания к курсовому проектированию/ Сост. А.А.Скороходов, В.А Скорых.-СПб.:СПбГУКиТ, 1999.
2. Дунаев П.Ф., Детали машин, Курсовое проектирование. М.: Высшая школа, 1990.
3. Скойбеда А.Т., Кузьмин А.В., Макейчик Н.Н., Детали машин и основы конструирования, Минск: «Вышейшая школа», 2000.
Шейнблит А.Е. Курсовое проектирование деталей машин: Учеб. пособие. – М.: Высш. шк., 1991
5. Анурьев В.И. Справочник конструктора-машиностроителя: В 3 т. -8-е изд. перераб. и доп. Под ред. И.Н.Жестковой. – М.: Машиностроение, 1999