приспособление для сборки–сварки изделия "Вал запора заднего борта"
Содержание
Введение
1 Технологический раздел
Анализ технических требований
Характеристика и оценка свариваемости
Обоснование способа сварки и сварочных материалов
Расчет режимов сварки
Выбор электротехнического оборудования
Расчет технических норм времени на сварочные операции
Расчет норм расхода вспомогательных материалов
Конструкторский раздел
Расчет и конструирование узла сборочно–сварочного приспособления
Расчет элементов узла приспособления
Описание работ спроектированного узла приспособления
Организационная часть
Мероприятия по защите окружающей среды
Охрана окружающей среды на предприятиях отрасли
Утилизация промышленных отходов
Заключение
Список литературы
Введение
Сваркой называется процесс получения неразъемного соединения посредством установления межатомных связей между свариваемыми частями при их местном нагреве или пластическом деформировании или совместном действии того и другого.
Целесообразность применения сварки не исчерпывается её экономическими преимуществами. В ряде отраслей промышленности сварка металлов незаменимый технологический процесс, без которого нельзя создать современные конструкции. При применении сварки отпадают многие ограничения по толщине соединяемых элементов, снижается масса конструкции, становится возможным применение высокопрочных и специальных сталей.
В современном сварочном производстве характерные разнообразные способов дуговой сварки, широкий масштаб их применения в различных отраслях промышленности и привлечение большого числа рабочих.
Трубопроводы, корпуса судов, изделия судового машиностроения изготовляют с применением прогрессивных материалов и способов дуговой сварки. К последним, в основном, относятся ручная дуговая сварка покрытыми электродами, механизированная сварка сталей под флюсом и в углекислом газе, механизированная сварка в аргоне и в азоте сплавов на основе алюминия, меди, титана.
Успехи в разработке и производстве покрытия электродов обусловили высокую производительность ручной дуговой сварки сталей, не уступающих механизированной сварке под флюсом и в углекислом газе, поэтому этот способ широко применяют в отрасли. При изготовлении стальных корпусов судов применение сварки под флюсом позволило в основном механизировать выполнение швов в нижнем положении. Однако на корпусах современных судов более половины объема сварочных работ выполняется в положениях, отличных от нижнего. Механизация сварки этой группы швов в значительной мере осуществляется за счет сварки в углекислом газе электродной проволокой диаметром от 0.8 до 1.4 мм.
Механизированная сварка в углекислом газе получила широкое применение при изготовлении стальных судовых трубопроводов диаметром 22 мм и более, при варке к трубопроводам фланцев, штуцеров. При изготовлении трубопроводов из медно–никелевых сплавов применяют механизированную сварку в азоте плавящимся вольфрамовым электродом. На заводах освоена и широко применяется ручная аргонодуговая сварка неплавящимся вольфрамовым электродом и механизированная сварка плавящимся электродом сплавов алюминия и титана.
Внедрение в производство большой номенклатуры конструкционных и сварочных материалов, способов дуговой сварки обусловило необходимость исследования влияния технологии сварки на характер излучения электрической дуги с целью определения его опасности для органов зрения, эффективности выпускаемых промышленных средств защиты глаз и соответствия параметров отечественных светофильтров физиологическим особенностям органов зрения.
Выше перечисленные способы сварки, широко применяемые не только в судостроение, но и в других отраслях промышленности, значительно отличающихся друг от друга, в связи с чем позволяют более полно исследовать влияние технологии сварки на излучение электрической дуги и определить его интенсивность в различных областях спектра.
Основная цель технологического процесса сборки заключается в определении последовательности сборки деталей, обеспечение технических требований на изготовление данного изделия при минимальных затратах рабочей силы, времени и вспомогательных материалов.
Для обеспечения качества, заданного ритма производства требуется современное сборочно–сварочное оборудование.
В сварочном производстве применяют приспособления, предназначенные для различных целей для базирования, обеспечения требуемого взаимного расположения деталей, их фиксации и для уменьшения сварочных деформаций на этапах сборки–сварки.
На ОАО «НефАЗе» используют различные способы сварки: контактная, точечная, полуавтоматическая, аргонодуговая, в среде СО2, ручная дуговая и так далее.
Данным способом сварки изготавливают различные конструкции, цистерны, вахтовые автобусы, автобусы, прицепы и так далее. Для изготовления какого–либо изделия используют приспособления, которые могут быть ручными, механизированными и автоматизированными.
Целью курсового проекта является спроектировать приспособление для сборки–сварки изделия «Вал запора заднего борта»
1 Технологический раздел
1.1 Анализ технических требований сварной конструкции
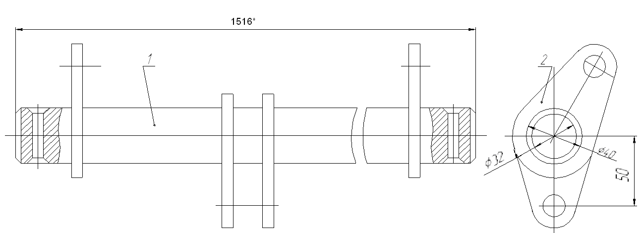
Сварная конструкция «Вал запора заднего борта» предназначена для открывания и закрывания заднего борта и его установки в вертикальное положение.

вал запора заднего борта
кронштейн вала запора
Рисунок 1– Изделие «Вал запора заднего борта»
В зависимости от степени ответственности в условиях эксплуатации изделие относится к третьему классу ответственности по ОСТ 23.2.429–80. При эксплуатации подвергается статическим и переменным нагрузкам. в данной конструкции : – не допускаются без исправления трещины, прожоги, непровары; – допускаются единичные поры: не более 3 пор на длине 100 мм шва , при расстоянии между порами не менее 100 мм и диметром не более 2 мм; – допускаются местные подрезы основного металла если глубина подреза не превышает 10 % толщины свариваемого металла, протяженностью не более 15 % длины шва. Количество исправлений дефектов на одном и том же месте допускаются не более двух раз.
К сварным соединениям и конструкции в целом предъявляются требования прочности и жесткости.
1.2 Характеристика материала и оценка свариваемости
Для изготовления данной сварной конструкции используется Сталь 20 поставляется по ГОСТ 13663–86 .Рассмотрим ее химический состав и механические свойства.
Таблица 1–Химический состав, в процентах
|
С |
Si |
Mn |
Cr |
S |
Сu |
Ni |
As |
P |
|
Не более |
||||||||
|
0,17–024 |
0,14–0,37 |
0,35–0,65 |
0.25 |
0,04 |
0,25 |
0,25 |
0,08 |
0,035 |
Механические свойства: Gв=365–470 МПа, бв=8%, НВ не более 197.
Требование при сварке рассматриваемой стали – обеспечение равнопрочности сварного соединения с основным металлом и отсутствие дефектов в сварном шве. В некоторых случаях конкретные условия работы конструкции допускают снижение отдельных показателей механических свойств сварного соединения. Однако во всех случаях особенно при сварке ответственных конструкций, швы не должны иметь трещины, непровары, поры, подрезы. Сварное соединение должно быть стойким против перехода в хрупкое состояние.
Свариваемость – способность металла образовывать при установленной технологии сварки сварное соединение, металл шва которого имел бы механические свойства, близкие к основному металлу.
По содержанию углерода, стали подразделяются на четыре группы свариваемости:
а) I – хорошосвариваемые, стали с эквивалентным содержанием углерода ≤ 0,25%
б) II – удовлетворительно свариваемые, стали с эквивалентным содержанием ≥ 0,25–0,35%
в) III – ограниченно свариваемые, стали с эквивалентным содержанием ≥ 0,35–0,45%
г) IV – плохо свариваемые, стали с эквивалентным содержанием ≥ 0,45%.
Сталь 20 относится к первой группе свариваемости – хорошо сваривается, так как содержание углерода не превышает 0,25%.
Сталь 20 имеет благоприятные показатели свариваемости и при соблюдение определенных условий может быть сварена всеми видами сварки, имеющими промышленное значение. При этом сварные швы обладают необходимой стойкостью против образования кристаллизационных трещин, вследствие пониженного содержания углерода. Образование кристаллизационных трещин возможна лишь в случае неблагоприятной формы провара, например в угловых швах, в первом слое многослойного шва, односторонних швах с полным проваром кромок.
1.3 Обоснование способа сварки и сварочных материалов
Для изготовления различных сварных конструкций применяют следующие виды сварки:
1. специальная;
2. контактная;
3. электрическая сварка плавлением.
Специальные виды сварки включают в себя:
1. плазменная;
2. электро-лучевая.
Эти способы сварки имеют ряд преимуществ и недостатков, а именно:
а) повышенная трудоемкость;.
б) громоздкость оборудования;
в) дороговизна;
г) вредность для человеческого организма.
Поэтому, учитывая все эти недостатки, специальные виды сварки не допустимы для сварки данной конструкции.
Применение контактной сварки не возможно по конструктивным причинам.
Исходя из этого для изготовления этой конструкции наиболее подходит электрическая сварка плавлением, которая подразделяется на:
1. ручная дуговая сварка;
2. электрошлаковая;
3. под флюсом;
4. в среде защитного газа.
В массовом или крупносерийном производстве не выгодно использование ручной дуговой сварки, так как:
а) низкая производительность;
б) большое выделение вредных веществ;
в) большой расход сварочных материалов.
Электрошлаковая сварка не возможно, так как она ведется при сварке деталей больших толщин.
Наиболее применима полуавтоматическая сварка в среде СО>2>. Сущность полуавтоматической сварки в среде защитных газов состоит в том, что защита сварочной ванны от вредных воздействий окружающей среды происходит за счет подачи углекислого газа в зону сварки. Преимущество данного вида способа сварки : хорошая защита зоны сварки от воздействия кислорода и азота воздуха, хорошие механические качества сварного шва; высокая производительность достигающая при ручной сварке 50…60 м/ч; а при автоматической 200 м/ч; отсутствие необходимости применения флюсов и последующей очистки шва от шлаков ; возможность наблюдения за процессом формирования сварного шва; малая зона термического влияния; возможность полной автоматизации сварки. Особенности: высокая производительность, небольшой расход сварочных материалов, возможность сварки в любых пространственных положениях.
Так как для изготовления конструкции выбрана полуавтоматическая сварка в СО2 , то в качестве сварочных материалов применяют сварочную проволоку и защитный газ. Для сварки необходимо выбрать проволоку из следующих марок Св08ГА, Св08Г2С ГОСТ 2246–70 со следующим химическим составом. Рассмотрим их химический состав.
Таблица 2– Химический состав сварочной проволоки Св08Г2С
|
С % |
Si % |
Mn% |
Cr % |
Ni % |
Mo% |
S% |
Р% |
|
0,11 |
0,37 |
1,8 |
0,20 |
0,25 |
0,3 |
0,25 |
0,09 |
Таблица 3– Химический состав сварочной проволоки Св08ГА
|
С % |
Si % |
Mn% |
Cr % |
Ni % |
S% |
Р% |
|
0,10 |
0,03 |
0,8–1,1 |
0,15 |
0,25 |
0,25 |
0,03 |
Св08ГА – проволока легированная Мn и c пониженным содержанием S и Р, для сварки низколегированных и низкоуглеродистых сталей.
Для сварки необходимо применение сварочной проволоки марки Св08Г2С проволока содержащая 2% Мn и легированная Si. Применяется для сварки низкоуглеродистых и низколегированных сталей в среде СО>2>. При сварке проволокой Св08Г2С сварной шов получается максимально приближенным по химическому составу к основному металлу. Поэтому выбираем Св08Г2С.
Углекислый газ СО2 выпускают по ГОСТ 8050–76 трех марок. Для сварки используют сварочный газ чистотой не менее 99,5%. Хранят и транспортируют его в жидком виде в стальных баллонах емкостью 40 литров под давлением 6–7 МПа. Баллон окрашивают в черный цвет. Углекислый газ относиться к окислительным. Поэтому его в основном используют для сварки низкоуглеродистых и низколегированных сталей. Назначение его состоит в защите расплавленного металла от азота воздуха.
Углекислота в нормальных условиях представляет собой бесцветный газ с едва ощутимым запахом. При повышенном давлении и низкой температуре углекислота переходит в жидкое или твердое состояние. Под давлением 528 кПа и при температуре –56 градусов по Цельсию углекислота находиться во всех трех состояниях. Недостатками использования углекислоты является разбрызгивание металла, замерзание редуктора при выпуске углекислоты из баллона температура уменьшается поэтому требуется применение подогревателя для подогрева газа.
1.4 Расчет режимов сварки
Режимом сварки называют совокупность характеристик сварочного процесса, обеспечивающих получение сварных соединений заданных размеров, формы и качества. При сварке такими характеристиками являются: диаметр сварочной проволоки, сила сварочного тока, напряжение сварочной дуги, вылет электродной проволоки, скорость подачи электродной проволоки и другое.

е– ширина шва;
q– высота усиления шва;
к– катет шва;
Рисунок 2– Сварное соединение– тавровое Т1–Δ4
Рассчитаем режим сварки для таврового соединения:
1)Площадь поперечного сечения шва вычисляется по формуле
F>сеч> =K2/2+0.75*q*L [2] стр. 311 (1)
где, К– катет шва, мм
q– выпуклость шва, мм
L– длина шва, мм
F – площадь сечения шва, мм2
Принятые числовые значения символов:
К= 4 мм
q= 2 мм
L= 0,51 мм
Решение:
F>сеч> =4 2/2+0,75*2*0,51 =9 мм2
2) Определяем расчетную глубину проплавления по формуле:
hр=(0,4…1,1)*К [2]стр.278 (2)
где, К– катет шва, мм;
Принятые числовые значения символов:
К=4 мм
Решение:
hр=0,4*4=1,6 мм
3) Рассчитываем диаметр электродной проволоки:
d>эл>=
±0,05h>Р>
[2]стр.278(3)
Решение:
d>эл>=
±0,05*1,6=1,4
мм
4) Рассчитываем скорость сварки по формуле:
Vс = KV * (hр 1,6 /e 3.36 ) [2]стр.278(4)
где, KV – коэффициент, учитывающий диаметр проволоки;
e– ширина шва, мм
Принятые числовые значения символов:
KV =1065
e=к
Решение:
Vс=1065*(1,6 1,6 / 4 3.36 )=21 м/ч
5)Определяем силу сварочного тока по формуле:
Iсв =180* d эл [2]стр.279(5)
Решение:
Iсв=180*1,4 =250 А
6) Определяем напряжение сварочной дуги по формуле:
Uс=14+0,05* Iсв [2]стр.279 (6)
Решение:
Uс=14+0,05*250=26,5 В
Принимаем Uс= 30 В
7) Рассчитываем вылет электродной проволоки по формуле:
Lэл =10* d эл ±2* d эл [2]стр.279(7)
где,Lэл– вылет электродной проволоки, мм
Решение:
Lэл =10*1,4±2*1,4=14±2,8мм
8) Рассчитываем скорость подачи электродной проволоки по формуле:
Vпэл=0,53*(Iсв/ d эл²)+6,94*10–4* (Iсв²/ d эл³) [2]стр.279(8)
Решение:
Vпэл=0,53*(250/1,4²)+6,94*10–4 *(250²/1,4³)=303 м/ч
9) Рассчитываем расход защитного газа по формуле:
q>З,.Г>= 3.3*10–3*I>СВ>0,75 [2]стр.279(9)
Решение:
q зг= 3,3*10–3*2500,75=0,208 л/мин
1.5 Выбор электротехнического сварочного оборудования
Для осуществления устойчивого дугового разряда между электродом и свариваемым изделием к ним необходимо подвести напряжение от специального источника питания электрическим током. Такой источник должен обеспечивать легкое и надежное возбуждение дуги, устойчивое горение ее в установившемся режиме сварки, регулирование мощности (силы тока).
С технологических позиций источник питания дуги должен легко настраиваться на нужный режим сварки. Для этой цели в них необходимо регулирующие устройства, позволяющие получать семейства однотипных внешних характеристик, различающихся значениями своих параметров.
Все сварочные источники в промышленности классифицируются по ряду признаков: переменного тока– сварочные трансформаторы, генераторы повышенной частоты; постоянного тока– генераторы, выпрямители. Далее разделение происходит по конструктивным особенностям, виду внешних характеристик, по количеству подключаемых одновременно постов сварки и др. Требования к источникам и их характеристики определяются соответствующими ГОСТами.
Выбор электротехнического сварочного оборудования производится исходя из параметров режимов сварки и технологических требований. Для сварки конструкции "Вал запора заднего борта" необходимо выбрать полуавтомат имеющий жесткую вольтамперную характеристику, так как сварочный ток I>св>=180– 200 А.
Наиболее подходящими моделями полуавтоматов для сварки данной конструкции в среде защитных газов являются:
а) ПДГ–525 (ВДУ–504)
Предназначен для дуговой сварки стальных конструкций различного назначения толщиной 0,4–4 мм плавящимся электродом сплошной стальной проволокой диаметром 0,6–1,0 мм в среде углекислого газа, а также самозащитной или активированной порошковой проволокой тех же диаметров.
б) Дуга – 315
Предназначен для сварки конструкций из алюминия и его сплавов толщиной 2–14 мм, низкоуглеродистых и низколегированных сталей толщиной 2–14 мм, низкоуглеродистых и низколегированных сталей толщиной 0,8–20мм с использованием защитных газов Ar,He,CO2, и др. плавящимся электродом в любых пространственных положениях.
в) УСП –180.
Предназначен для сварки низкоуглеродистых сталей в среде углекислого газа автоматическим подаваемым плавящимся электродом. Совмещение надежного, мощного источника питания и устройства подачи проволоки в едином корпусе на колесах– преимущество данного полуавтомата.
Таблица 4– Технические характеристики полуавтоматов для сварки в среде защитных газов
|
Марка |
U, В |
I>св> , А |
I>НОМ> , А |
d>ЭЛ> , мм |
Габариты,мм |
Масса,кг |
|
ПДГ–525, ВДУ–504 |
18–50 |
500 |
500 |
До 2 |
470*298*260 1275*816*94 |
80 380 |
|
Дуга–315 |
380 |
200 |
– |
0,8–2,0 |
750*530*670 |
130 |
|
УСП–180 |
380 |
410 |
315 |
0,8–1,2 |
750*530*670 |
105 |
Выбираем полуавтомат Дуга–315, так как соответствует режимам сварки изделия.
1.6 Расчет технических норм времени по сварочной операции
Под технической нормой времени понимается продолжительность времени, необходимого для выполнения операций в условиях для нее предусмотренных общая длительность изготовления сварочной конструкции, которая состоит из основного и вспомогательного времени.
Таблица 5– Нормы времени для таврового соединения
|
№ |
Наименование работ и тип производства |
Время, мин |
Значение коэффициента |
№ карты |
|
1 |
Зачистка поверхности деталей , подлежащих сварке от жирной смазки, влаги |
0,64 |
76.1б |
|
|
2 |
Установка и снятие изделия вручную |
0,78 |
82.12б |
|
|
3 |
Сварка |
3,1 |
6.5б |
|
|
4 |
Поворот |
0,26 |
82.12в |
|
|
5 |
Зачистка околошовной зоны от брызг |
0,9 |
75.13а |
|
|
6 |
Осмотр и промер шва |
0,57 |
70б |
|
|
7 |
Тип производства– серийное |
1,2 |
||
|
8 |
Подготовительное– заключительное время |
17 |
86.6а |
Рассчитываем штучное время по формуле:
Тшт=( Тнш* L +Тви)* К 1–п [2]стр.6 (10)
где, Тшт – штучное время, мин;
Тнш – неполное штучное время, мин;
К1–п – поправочный коэффициент на измененные условия труда;
L–длина шва,м;
Тви – вспомогательное время, связанное с изделием, мин.
Принятые числовые значения:
К1–п=1,2
L=0,51м
Решение:
Тшт=[(3,1+0,64+0,9+0,57)*0,51+0,78+0,26]*1,2=4,43 мин
Рассчитываем норму времени по формуле:
Нвр = Тшт+Тпз/п [2]стр.6(11)
где, Нвр – норма времени, мин;
Тпз – подготовительное – заключительное время ,мин;
п – число деталей в партии
Принятые числовые значения:
Тшт=4,43 мин
Тпз=17 мин
п=1
Решение:
Нвр =4,43 +17/1=21,43 мин
1.7 Расчет нормы расхода вспомогательных материалов
Техническая норма расхода материалов– это минимальное количество материалов необходимое для изготовления изделия в соответствии с проектом.
Вспомогательные сварочные материалы обеспечивают протекание процессов сварки, пайки, наплавки, резки, определяя качество получаемых соединений и заготовок. К вспомогательным сварочным материалам относятся электроды, присадочные материалы, защитные газы, флюсы и т.д.
Норма электродов и электродной проволоки определяется по формуле:
Нпр= qпр *L [3]стр.20(12)
Удельную норму расходов материалов определяем по формуле:
qпр = Кр*mн [3]стр.20 (13)
где, Кр – коэффициент расхода, учитывающий неизбежные потери электродной проволоки;
mн – расчетная масса наплавленного металла, кг/м;
Массу наплавленного металла определяем по формуле:
mн = p*Fн*10–3,кг/м [3]стр.20(14)
где, р – плотность наплавленного металла шва, г/см³;
Fн – площадь поперечного сечения, мм²
Принятые числовые значения символов:
Кр=1,15
Fн=9 мм²
Решение:
mн=7,8*9*10–3=0,07 кг/м
qпр=1,15*0,07=0,08 кг/м
Нпр=0,08*0,51=0,04 кг
Расход защитного газа Н г при сварке в СО2 определяем по формуле:
Нг= Qг * L+ Qдоп, л [3]стр.21(15)
где,Qг– удельная норма расхода газа на 1 м шва
L–длина шва, м
Qдоп – дополнительный расход газа на подготовительно-заключительные операции.
Удельная норма расхода газа определяем по формуле:
Qг= q зг * t0 [3] стр.21(16)
где,q зг– оптимальный расход газа, л/мин;
t0 – время сварки одного метра шва, мин
Дополнительный расход газа определяем по формуле:
Qдоп = Тпз * q зг [3] стр.21(17)
где, Тпз – подготовительно–заключительное время, мин
Принятые числовые значения символов:
Тпз=17 мин
q зг=0,208 л/мин
Решение:
Qдоп=17*0,208=3,5л
Определяем основное время сварки по формуле:
tо = Fн* р*60/I св* αн [3] стр. 22 (18)
где, αн – коэффициент наплавки, г/ А ч
Принятые числовые значения символов:
αн=8÷12 г/ А ч
Fн=9 мм²
I св =250 А
Р=7,8 г/см³
Решение:
Находим основное время сварки:
tо=9*7,8*60/250*8=2,11мин
Находим удельную норму расхода газа
Qг=0,208*2,11=0,43 л
Рассчитываем расход защитного газа Н г при сварке в СО2:
Н г=0,43 *0,51+3,5=0.37 кг
2 Конструкторский раздел
2.1 Расчет и конструирование узла сборочно-сварочного приспособления
В целях повышения эффективности сборочно-сварочных работ большая роль отводиться сварочным приспособлениям, использование которых эффективно не только в условиях цехов и мастерских, но и на строительных и монтажных участках. Так же сборочно-сварочная оснастка позволяет существенно сократить трудоемкость технологических операций, повышает качество изделий, способствует увеличению производительности труда, уменьшает возникающие деформации, обеспечивает безопасные условия труда. Номенклатура применяемой сборочно-сварочной исключительно широка и многообразна.
При проектировании технологической оснастки требуется выполнять следующее:
начертить контур собираемого узла в приспособление в трех проекциях, так чтобы осталось место для расположения всех элементов приспособления;
начертить опорные, установочные элементы приспособления;
начертить зажимные (постоянные, откидные, отводные, поворотные) и вспомогательные элементы приспособления;
начертить корпус, показать сечения, разрезы, проставить габаритные и контролируемые в приспособлении размеры;
указать заданные технические условия, предъявляемые с позиции качественного изготовления сварных соединений и достижения проектных параметров конструкции;
увязать технологическую оснастку со средствами межоперационного транспорта;
Произвести расчет по определению усилий зажатия прижимных элементов. Использование сборочно-сварочной оснастки позволяет расширять технологические возможности сварочного оборудования, обеспечивать условия стабилизации качества выполняемых работ. Применение сборочно-сварочной оснастки является необходимым условием повышения общего уровня механизации и автоматизации сварочного производства.
Требования, предъявляемые к сварочным приспособлениям:
удобство в эксплуатации (доступность к местам установки деталей);
обеспечение заданной последовательности сборки и наложения швов в соответствии с разработанным технологическим процессом;
обеспечение заданного качества сварного изделия (приспособление должно быть достаточно прочным и жестким, а закрепленные детали оставаться в требуемом положении без деформирования при сварке);
возможность использования при конструировании и изготовлении сварочных приспособлений типовых, унифицированных, нормализованных и стандартных деталей, узлов и механизмов.
Обеспечение сборки всей конструкции с одной установки, наименьшего числа поворотов при сборке и прихватке, свободного съема собранного и сваренного изделия или монтажного приспособления;
Обеспечение быстрого отвода тепла от места сварки для меньшего коробления, заданного угла поворота;
технологичность деталей и узлов приспособления, а так же приспособления в целом;
использование механизмов для загрузки, подачи и установки деталей, снятия, выталкивания и выгрузки собранного изделия. применения других;
средств комплексной механизации;
приспособление должно быть ремонтоспособным, безопасным в эксплуатации, иметь достаточно высокий срок службы.
Для проектирования сборочно-сварочной оснастки необходимо выполнить базирование изделия, которое заключается в определенном положении деталей в изделии друг относительно друга или изделия относительно приспособления. Установочной базой следует считать каждую поверхность детали, которой она соприкасается с приспособлением.
Исходя из вышеперечисленных требований, произведем базирование изделия с учетом опорных и фиксирующих элементов приспособления.
Базирование – это определение положения детали в изделии относительно друг друга или самого изделия относительно приспособления.
Исходя из вышеперечисленных требований, произведем базирование изделия с учетом опорных и фиксирующих элементов приспособления изделия « Вал заднего запора»

Рисунок 3– Базирование изделия «Вал запора заднего борта»
2.2.Расчет элементов узла приспособления
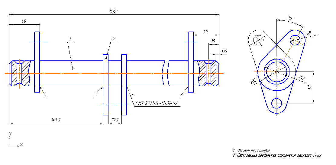
Для фиксации деталей в приспособлении используется рычажной прижим.

Рисунок 4– Кинематическая схема рычажного прижима
Расчет усилия прижима:
Pp*l2 = Pз*l1; Pз = Pp*l2/l1; [5] стр. 14 (30)
где, Pp–усилия, прикладываемые к рукоятке, Н;
Рз–усилия прижима, Н;
l1, l2–плечи прижима, мм;
Принятые числовые значения символов:
Pp=150Н;
l1=35 мм;
l2=70 мм;
Решение:
Pз=150*70/35=300Н=0,3кН;
2.3 Описание работы спроектированного узла приспособления
Последовательность работы на сборочно–сварочном приспособлении
1. По упорам и прижимам приспособления разместить вал запора заднего борта (поз 1)
–1 шт под установку кронштейнов вала запора (поз 2)
–4 шт, выдерживая размеры согласно эскизу.
2. Установить по упорам приспособления на вал запора заднего борта (п 1)
–кронштейны вала запора (поз 2)
– 4 шт, выставив отверстия на валу по отношению отверстий в кронштейнах, согласно эскизу.
3. Прихватить и приварить детали согласно эскизу швом Т1–Δ 4 по замкнутому контуру.
3 Организационная часть
3.1 Мероприятия по защите окружающей среды
Наиболее эффективной формой защиты природной среды от выбросов промышленных предприятий является разработка и внедрение безотходных и малоотходных технологических процессов во всех отраслях промышленности.
Безотходная технология – это активная форма защиты окружающей среды от вредного воздействия, которая представляет собой комплекс мероприятий в технологических процессах от обработки сырья до использования готовой продукции, в результате чего сокращается до минимума количества вредных выбросов.
К пассивным методам защиты относят устройства и системы окружающей среды, которые применяют для очистки вентиляционных и технологических выбросов от вредных примесей; рассеяния их в атмосфере; очистки сточных вод; глушения шума уменьшением уровней инфразвука, ультразвука и вибраций на путях их распространения; экранирования источников энергетического загрязнения окружающей среды; захоронения, ликвидации и обезвреживания токсичных и радиоактивных отходов.
Можно выделить два основных направления по обеспечению чистоты атмосферы от загрязнений: сокращения количества выбросов вредных веществ и их обезвреживание. Первое направление включает применение прогрессивных технологических схем, второе– использование сорбционных методов с утилизацией извлекаемых компонентов, а в отдельных случаях –их сжиганием.
Широко применяются газо–, пыле– и туманоулавливающие аппараты и системы. Очистка сточных вод от механических примесей осуществляется процеживанием, отстаиванием, фильтрованием, отделением механических частиц в поле действия центробежных сил; от маслосодержащих примесей отстаиванием, обработкой в гидроциклонах, флотацией, фильтрованием, обработкой специальными реагентами.
Для очистки сточных вод от металлов и их солей применяют следующие методы: реагентные, ионнобменные, сорбционные, электрохимические, биохимические.
Основными направлениями ликвидации и переработки твердых отходов являются вывоз и захоронения на полигонах, сжигание, складирование и хранение на территории промышленного предприятия до появления новой технологии переработки их в полезные продукты.
Первичная обработка металлоотходов подвергают высокотемпературному нагреву без доступа воздуха (гидролиз), в результате которого из отходов пластмасс в смеси с другими отходами получаются ценные продукты: пирокарбон, горючий газ и жидкая смола. Для защиты окружающей среды от шума и вибраций, используют те же методы, что и в производственных условиях.
Для уменьшения шума в окружающей среде применяют экраны, кожухи, глушители, окна с повышенными звукоизолирующими свойствами, зеленые насаждения между источниками шума и жилой застройкой. Важная роль в деле охраны окружающей среды отводится организационным мероприятиям и архитектурно-планировочным решениям: выведение промышленных предприятий из крупных городов и сооружение новых в малонаселенных районах с малоприродными для сельского хозяйства землями с обязательным учетом топографии местности и розы ветров; рациональная планировка городской застройки , которая обеспечивала бы оптимальные экологические условия для человека и растений; установление санитарно-защитных зон вокруг предприятий.
3.2 Охрана окружающей среды на предприятии
Способы защиты окружающей среды – ряд политических, социально-экономических, правовых воспитательных и образовательных мер.
В настоящее время на многих предприятиях созданы системы внедрения безопасных в экологическом отношении технологических процессов.
Для эффективной реализации этих задач необходимо, чтобы каждый специалист и руководитель любого профиля имел глубокие знания по охране окружающей среды, знали природоохранительное законодательство, умело использовали их в повседневной деятельности. В настоящее время разработаны меры по защите окружающей среды:
а) регулярный технический осмотр автотранспорта;
б) проверка транспорта на содержание углекислого газа в выхлопных газах;
в) предотвращение испарения при сливоналивных операциях в системах автомобилей;
г) предотвращение работ на второстепенном производстве, загрязняющем атмосферу;
д) бесперебойная работа очистных сооружений;
е) усиление контроля за качеством работ пыле-очистных систем;
ж) уменьшение движения транспорта по территории предприятия и цехов.
Также в целях повышения качества защиты окружающей среды разработаны три режима загрязнения атмосферного воздуха:
– Сокращение выбросов на 15–20%
– Сокращение выбросов на 20–40%
– Сокращение выбросов на 40–60%
3.3 Утилизация промышленных отходов
Для уменьшения засорения производственных площадей и окружающей среды отходами производства ежегодно разрабатываются мероприятия по их утилизации;
а) мусор после уборки территории предприятия или города, вывозится на свалку;
б) металлоотходы подвергаются прессованию и отправляются на переплав;
в) отработанные жидкости, масла из автотранспортных цехов собираются в специальный контейнер и подвергаются дальнейшей переработке;
г) сточные воды предприятий проходят фильтрацию или физика – химическую очистку;
д) при наличии или выработке вредных газов на предприятии имеются фильтрационные системы для их очитки;
е) для очистки пыли применяются пыле – очистные системы.
Отходами производства являются остатки сырья, материалов, химических соединений, образование при производстве продукции или выполнения работ и утрачивании полностью или частично исходные потребительские свойства, вторичными материальными ресурсами , которые в настоящее время могут вторично использоваться в народном хозяйстве.
Охрана природы, водных ресурсов, а также для утилизации содержащихся отходов ценных веществ и компонентов в моровой практике ведется разработка и широкое внедрение различных технологий механизированного обезвреживания и переработке отходов. Выбор метода обезвреживания и переработке отходов для конкретного города определяется необходимостью, в первую очередь, оптимального решения, проблем охраны природной среды и здоровья населения с учетом экономической эффективности, рационального использования земельных ресурсов.
В процессе производства образуются твердые промышленные отходы в виде лома, стружки, шлаков, окалины золы пыли и мусора. Чтобы эти отходы не попадали в почву и атмосферу их подвергают переработке и используют вторично.
Важное значение практически во всех отраслях промышленности имеет решение проблемы улучшения качественных характеристик потребляемых материальных ресурсов , их комплексной переработки, т.к. снижения уровня материальных издержек в целом по промышленности на 1% приводит к снижению общих издержек производства больше, чем на 0,7%. Все то свидетельствует об определяющем воздействии материальных издержек на уровень себестоимости продукции.
Одним из наиболее важных путей рационального использования материальных ресурсов является их комплексная переработка. При этом исключительное место отводится вопросам сбора, хранения и переработки производственных отходов, содержащих определенное количество как полезных. Так и вредных для окружающей среды веществ.
Наиболее большое распространение у нас получили складирование на полигоне, сжигание, переплавка, биотермическое компостирование.
Заключение
В выполненном курсовом рассмотрели анализ технических требований, описали характеристики и оценку свариваемости основного материала, рассчитали режимы сварки, нормы времени на сварочные операции и нормы расхода вспомогательных материалов, произвели выбор электротехнического оборудования.
В конструкторском разделе произвели проектирование узла сборочно-сварочного приспособления, расчет элементов узла приспособления, и описали работу спроектированного узла приспособления.
В организационном разделе описали мероприятия по защите окружающей среды, охране окружающей среды на предприятиях и утилизации промышленных отходов.
При этом разработан комплект технологической документации, в которой подробной форме рассмотрели технологический процесс на сборку-сварку изделия « Вал запора заднего борта».
Список литературы
Гитлевич А.Д., Этингоф Л.А. «Механизация и автоматизация сварочного производства»– М.Машиностроение, 1979 г.
Думов С.И. «Технология электрической сварки плавлением» –Л: Машиностроение,1987 г.
Куркин С.А., Хохов В.М., Рыбачук А.М. Атлас: «Технология, механизация и автоматизация производства сварных конструкций»–М.Машиностроение, 1989г.
Козьяков А.Ф., Морозова Л.Л. «Охрана труда в машиностроении»–М. Машиностроение. 1990г.
Рыморов К.С. «Механизация и автоматизация сварочного производства»–М: Машиностроение, 1990 г.
СТ–НМТ–97. Стандарт техникума
Сорокин В.Г., Волосникова А.В., Вяткин С.А. «Марочник сталей и сплавов»– М: Машиностроение, 1989 г.
Общемашиностроительные укрупненные нормативы для дуговой сварки в среде защитных газов. Москва. Экономика ,1989 г.
Методическое пособие по курсовому проектированию, НМТ, 2003 г
Дубл |
Изм |
лист |
№ докум |
Подп |
Дата |
||||||||
|
Взам. |
Изм |
Лист |
№ докум |
Подп |
Дата |
||||||||
|
Подп. |
|||||||||||||
|
37.172.02 90.30 338 |
1 |
1 |
|||||||||||
|
Разработал |
Фардиев |
НМТ |
КП.ПСК.СП-061.Ф338.КТД |
37.172.30.190.30.338 |
|||||||||
|
Проверил |
Туйкова |
||||||||||||
|
Вал запора заднего борта |
А |
||||||||||||
|
Н контр |
Туйкова |
||||||||||||
|
С |
НПП |
Обозначение ДСЕ |
Наименование ДСЕ |
КП |
|||||||||
|
Т |
Опер |
Обозначение ТО |
Кол. |
Наименование ТО |
|||||||||
|
Т01 |
005 |
ННП-Э-205-У1 |
1 |
Щиток ГОСТ 12.4.035-78 |
|||||||||
|
02 |
1 |
Приспособление |
|||||||||||
03 |
|
1 |
Плоскогубцы ГОСТ5547-93 |
||||||||||
|
04 |
Р1Н2Д |
1 |
Рулетка ГОСТ 7502-98 |
||||||||||
05 |
1 |
Чертилка цеховая |
|||||||||||
|
06 |
|||||||||||||
07 |
010 |
1 |
Зубило слесарное ГОСТ 7211-86 |
||||||||||
|
08 |
ОД2-72-В1 |
1 |
Очки защитные ГОСТ Р 12.4.013-97. |
||||||||||
|
09 |
010/005 |
1 |
Молоток слесарный ГОСТ 2310-77 |
||||||||||
11 |
|||||||||||||
12 |
015 |
Р1Н2Д |
1 |
Рулетка ГОСТ 7502-98 |
|||||||||
|
13 |
0890-6030 |
1 |
Шаблон для замера катета швов |
||||||||||
14 |
1 |
Угломер ГОСТ 3749-77 |
Дубл |
Изм |
лист |
№ докум |
Подп Подп, Подп, |
Дата Дата Дата |
||||||||
|
Взам. |
Изм |
Лист |
№ докум |
Подп |
Дата |
||||||||
|
Подп. |
|||||||||||||
|
37.172.02 90.30 338 |
|||||||||||||
|
Разработал |
Фардиев |
НМТ |
КП ПСК СП-061 Ф-338 КТД |
37.172.02 90.30 338 |
|||||||||
|
Проверил |
Туйкова |
||||||||||||
|
Вал запора заднего борта |
А |
||||||||||||
|
Н контр |
Туйкова |
||||||||||||
|
|
Дубл |
Изм |
лист |
№ докум |
Подп |
Дата |
||||||||
|
Взам. |
|
Лист |
№ докум |
Подп |
Дата |
||||||||
|
Подп. |
|||||||||||||
|
37.172.02 90.30 338. |
|||||||||||||
|
Разработал |
Фардиев |
НМТ |
КП ПСК СП-061 Ф-338 КТД |
37.172.20.190.30.338 |
|||||||||
|
Проверил |
Туйкова |
||||||||||||
|
Вал запора заднего борта |
А |
||||||||||||
|
Н контр |
Туйкова |
Дубл |
Изм |
лист |
№ докум |
Подп |
Дата |
|||||||||||
|
Взам. |
Изм |
Лист |
№ докум |
Подп |
Дата |
|||||||||||
|
Подп. |
||||||||||||||||
|
37.172.02 90.30 338. |
1 |
1 |
||||||||||||||
|
Разработал |
Фардиев |
НМТ |
КП.ПСК.СП061.Ф-338.КТД. |
37.172.30.190.30.338 |
||||||||||||
|
Проверил |
Туйкова |
|||||||||||||||
|
Вал запора заднего борта |
||||||||||||||||
|
Н контр |
Туйкова |
|||||||||||||||
|
к/м |
цех |
Уч |
РМ |
Опер |
поз |
Наименование |
Обозначение |
опп |
ев |
ен |
кн |
Нрасх |
||||
|
я |
Раз.п |
Общ.п |
Кг |
|||||||||||||
|
01 |
005 |
1 |
Вал запора заднего борта |
КП. ПСК.СП061. Ф-338ЧИ 00.01. |
Шт |
1 |
8.4 |
|||||||||
02 |
Лист Б-ПН-O ГОСТ 19903-74 20 ГОСТ 13663-86 |
. |
|
|||||||||||||
|
03 |
005 |
2 |
Кронштейн вала запора |
КП. ПСК.СП061. Ф-338ЧИ 00.02 |
Шт |
2 |
0.4 |
|||||||||
04 |
Лист 4 ГОСТ ГОСТ 19772-72 20 ГОСТ 13663-86 |
|||||||||||||||
|
изм |
лист |
№докум |
подп |
дата |
изм |
лист |
№докум |
подп |
дата |
изм |
лист |
№докум |
подп |
дата |
||
|
КК |
Комплектовочная карта |
|
Изм. |
Лист |
№ докум. |
Подпись |
Дата |
||||||||||||
|
Дубл. |
||||||||||||||||
|
Взам. |
Изм. |
Лист |
№ докум. |
Подпись |
Дата |
|||||||||||
|
Подл. |
||||||||||||||||
|
37.172.02.190.30.338 |
||||||||||||||||
|
Разработал |
Фардиев |
НМТ |
КП.ПСК.Ф-338.СП061.КТД. |
37.172.10.190.30.338 |
||||||||||||
|
Проверил |
Туйкова |
|||||||||||||||
А |
Цех |
Уч. |
РМ |
Опер. |
Код, наименование операции |
Обозначение документа |
||||||||||
Б |
Код, наименование оборудования |
СМ |
Проф. |
Р |
УТ |
КР |
КОИД |
ЕН |
ОП |
Кшт |
Тпз |
Тшт |
||||
к/м |
Наименование детали, сб. единицы или материала |
Обозначение, код |
ОПП |
ЕВ |
ЕН |
КИ |
Н.расх |
|||||||||
А01 |
||||||||||||||||
|
015 Контрольная ИОТ 37.172.960-2003; 2,43 |
||||||||||||||||
Б02 |
||||||||||||||||
|
|
||||||||||||||||
03 |
||||||||||||||||
О04 |
||||||||||||||||
|
1. Проверить качество сборки, сварки, зачистки внешним осмотром 100% 0 ,55 |
||||||||||||||||
05 |
||||||||||||||||
|
Не допускаются без исправления трещины, прожоги, непровары, подрезы, сетка пор |
||||||||||||||||
06 |
||||||||||||||||
|
Допускаются единичные поры, но не более 4 пор на 100 мм шва |
||||||||||||||||
О07 |
||||||||||||||||
|
2. Проверить размеры сварных швов: 50% 0,5 |
||||||||||||||||
Т08 |
||||||||||||||||
|
шаблон для замера катета швов 0890-6030; |
О09 |
||||||||||||||||
|
3. Проверить размеры 1,2,3, 25% 1,38 |
||||||||||||||||
Т10 |
||||||||||||||||
рулетка Р1НД ГОСТ 7502-98; угломер ГОСТ 3749-77 |
||||||||||||||||
11 |
||||||||||||||||
12 |
||||||||||||||||
|
Т шт.=21,43 мин |
||||||||||||||||
13 |
||||||||||||||||
|
L шва= 0,51 м. |
||||||||||||||||
14 |
||||||||||||||||
|
Q со2 =0,37 кг |
||||||||||||||||
15 |
||||||||||||||||
|
Q пр.=0.04 кг |
||||||||||||||||
16 |
||||||||||||||||
КК |
||||||||||||||||
|
|
|
Изм. |
Лист |
№ докум. |
Подпись |
Дата |
||||||||||||
|
Дубл. |
||||||||||||||||
|
Взам. |
Изм. |
Лист |
№ докум. |
Подпись |
Дата |
|||||||||||
|
Подл. |
||||||||||||||||
|
37.172.02.190.30. 338 |
||||||||||||||||
|
Разработал |
Фардиев |
НМТ |
КП.ПСК.Ф-338.СП061.КТД. |
37.172.10.190.30.338 |
||||||||||||
|
Проверил |
Туйкова |
|||||||||||||||
А |
Цех |
Уч. |
РМ |
Опер. |
Код, наименование операции |
Обозначение документа |
||||||||||
Б |
Код, наименование оборудования |
СМ |
Проф. |
Р |
УТ |
КР |
КОИД |
ЕН |
ОП |
Кшт |
Тпз |
Тшт |
||||
к/м |
Наименование детали, сб. единицы или материала |
Обозначение, код |
ОПП |
ЕВ |
ЕН |
КИ |
Н.расх |
|||||||||
Р01 |
||||||||||||||||
|
Пс; Пл; Lэ ,м; U, В; I св.,А ; V, м/ч; Q пр,кг; QСО2 Lш, м; Вид шва Δ мм |
||||||||||||||||
02 |
||||||||||||||||
А03 |
||||||||||||||||
|
005 Сборочно-сварочная ИОТ 37.172.968-2004; 17,45 |
||||||||||||||||
04 |
||||||||||||||||
|
ИБ 37.172.013-2001; |
||||||||||||||||
Б05 |
||||||||||||||||
|
1011 4 121 1 |
||||||||||||||||
06 |
||||||||||||||||
|
|
||||||||||||||||
07 |
||||||||||||||||
|
Дуга 315-сварочный полуавтомат |
||||||||||||||||
М08 |
||||||||||||||||
|
Сварочная проволока св.08Г2С ГОСТ 2246-70 |
||||||||||||||||
Т9 |
||||||||||||||||
|
Углекислый газ сварочный ГОСТ 8050-85. |
||||||||||||||||
10 |
||||||||||||||||
Т11 |
||||||||||||||||
|
плоскогубцы ГОСТ 5547-93; молоток слесарный ГОСТ 2310-77; рулетка Р1Н2Д ГОСТ 7502-98 |
||||||||||||||||
12 |
||||||||||||||||
|
щиток ННП-Э-205-У1 ГОСТ 12.4.035-78., приспособление, чертилка цеховая |
||||||||||||||||
13 |
||||||||||||||||
|
|
||||||||||||||||
14 |
||||||||||||||||
16 |
||||||||||||||||
МК |
||||||||||||||||
|
Маршрутная карта |
|
но |
||||||||||||||||
|
Взам. |
Изм. |
Лист |
№ докум. |
Подпись |
Дата |
|||||||||||
|
Подл. |
||||||||||||||||
|
37.172.02.190.30. 338 |
||||||||||||||||
|
Разработал |
Фардиев |
НМТ |
КП.ПСК.Ф-338.СП061.КТД. |
37.172.10.190.30.338 |
||||||||||||
|
Проверил |
Туйкова |
|||||||||||||||
А |
Цех |
Уч. |
РМ |
Опер. |
Код, наименование операции |
Обозначение документа |
||||||||||
Б |
Код, наименование оборудования |
СМ |
Проф. |
Р |
УТ |
КР |
КОИД |
ЕН |
ОП |
Кшт |
Тпз |
Тшт |
||||
к/м |
Наименование детали, сб. единицы или материала |
Обозначение, код |
ОПП |
ЕВ |
ЕН |
КИ |
Н.расх |
|||||||||
Р01 |
||||||||||||||||
|
Пс; Пл; Lэ ,м; U, В; I св.,А ; V, м/ч; Vп, м/ч; QСО2,кг Q пр,кг; Lш, м; Вид шва Δ м |
||||||||||||||||
О02 |
||||||||||||||||
1. По упорам и прижимам приспособления разместить вал запора заднего борта (поз 1)-1 шт под установку |
||||||||||||||||
03 |
054 |
|||||||||||||||
|
кронштейнов вала запора (поз 2) -4 шт, выдерживая размеры согласно эскизу 3,75 |
||||||||||||||||
04 |
||||||||||||||||
|
|
||||||||||||||||
О05 |
||||||||||||||||
|
2. Установить по разметке на вал запора заднего борта (поз 1) кронштейны вала запора (поз 2)- 7,0 |
||||||||||||||||
06 |
||||||||||||||||
|
4 шт, выставив отверстия на валу по отношению отверстий в кронштейнах, согласно эскизу. |
||||||||||||||||
07 |
||||||||||||||||
О08 |
||||||||||||||||
|
3. Прихватить и приварить детали согласно эскизу швом Т1-Δ 4 по замкнутому контуру. 6,7 |
||||||||||||||||
09 |
||||||||||||||||
|
|
||||||||||||||||
Р 10 |
||||||||||||||||
|
Н О 14±2 30 250 21 303 0,37 0,04 0,51 Т1 Δ 4 |
||||||||||||||||
11 |
||||||||||||||||
А12 |
||||||||||||||||
|
010 Зачистка ИОТ 37.172.967-2004; ИБ 37.172.013-2001; 1,56 |
||||||||||||||||
Б13 |
||||||||||||||||
|
1013 2 3 1 |
||||||||||||||||
О14 |
||||||||||||||||
|
1. Зачистить сварной узел от брызг наплавленного металла; |
||||||||||||||||
Т15 |
||||||||||||||||
|
Зубило слесарное ГОСТ 7211-86; молоток слесарный ГОСТ 2310-77; очки защитные ОД2-72-В1 |
||||||||||||||||
16 |
ГОСТ Р 12.4.013-97. |
|||||||||||||||
17 |
|
|||||||||||||||
МК |
||||||||||||||||
|
Маршрутная карта |
|
Изм. |
Лист |
№ докум. |
Подпись |
Дата |
|||||||||||||||||
|
Дубл. |
|||||||||||||||||||||
|
Взам. |
Изм. |
Лист |
№ докум. |
Подпись |
Дата |
||||||||||||||||
|
Подл. |
|||||||||||||||||||||
|
37.172.02.190.30.338 |
1 |
1 |
|||||||||||||||||||
|
Разработал |
Фардиев |
НМТ |
КП.ПСК.Ф-338.СП061.КТД. |
37.172.25.190.30.338 |
|||||||||||||||||
|
Проверил |
Туйкова |
||||||||||||||||||||
Вал запора заднего борта |
|||||||||||||||||||||
|
Н. контр. |
Туйкова |
||||||||||||||||||||
|
Наименование операции |
Тип оборудования |
Тип приспособления |
Характеристика заготовки |
||||||||||||||||||
|
Сборка-сварка |
Дуга 315 |
Ручной прижим |
Лист,вал |
||||||||||||||||||
|
|
№ п/п |
Основные приемы безопасной работы, индивидуальные средства защиты |
|||||||||||||||||||
|
Защитные средства: |
|||||||||||||||||||||
|
1 |
Спецодежда ГОСТ 12.4.045-87 |
||||||||||||||||||||
|
2 |
Рукавицы ГОСТ 12.4.010-75 |
||||||||||||||||||||
|
3 |
Щиток ННП-3-205У1 ГОСТ 12.4.035-78 |
||||||||||||||||||||
|
4 |
Очки защитные ОД2-72-В1 ГОСТ Р 12.4.013-97 |
||||||||||||||||||||
|
Во время проведения сборочно-сварочных работ соблюдать требования инструкций по |
|||||||||||||||||||||
|
Условное обозначение: |
|||||||||||||||||||||
|
1. Источник питания |
технике безопасности: |
|
|
2. Приспособление |
ИОТ 37.172.967-2004 |
|
|
3. Рабочее место |
ИОТ 37.172.968-2004 |
|
|
4. Место складирования заготовок |
ИБ 37.172.013-2001 |
|
|
5. Место складирования готовых узлов |
ИОТ 37.172.960-2003 |
|
|
6. Пожарный щит |
||
|
7. Подвод углекислого газа |
К работе допускаются лица, прошедшие аттестацию, медосмотр и достигшие 18 лет |
|
|
8. Подвод электроэнергии |
||
|
9. Вентиляция |
||
|
Освещенность рабочего места не менее 100 лк согласно СНИП 23-05-95 |
||
|
ИК |
Инструкционная карта |

