Проект осветительной установки (стригательный пункт для овец)
МИНИСТЕРСТВО СЕЛЬСКОГО ХОЗЯЙСТВА
РОССИЙСКОЙ ФЕДЕРАЦИИ
ФГОУ ВПО
ЧЕЛЯБИНСКИЙ ГОСУДАРСТВЕННЫЙ
АГРОИНЖЕНЕРНЫЙ УНИВЕРСИТЕТ
КУРСОВАЯ РАБОТА
«Проект осветительной установки стригальный пункт для овец на 24 машинки»
2009
Содержание
Введение 3
1. Светотехнический раздел 5
1.1 Выбор вида и системы освещения 5
1.2 Выбор нормированной освещенности и коэффициента запаса 8
1.3 Помещение №1 (Помещение для стрижки овец) 9
1.4 Помещение №2 (Помещение классировки и прессования шерсти) 15
1.5 Помещение №3 (Лаборатория) 18
1.6 Помещение №4 (Инвентарная) 22
1.7 Помещение №5 (Электрощитовая) 25
1.8 Помещение №6 (Площадка перед входом) 28
2. Электротехнический раздел 33
2.1 Выбор схемы электроснабжения и напряжения питания осветительной сети 33
2.2 Компоновка осветительной сети 33
2.3 Выбор марок проводов и способа их прокладки 34
2.4 Выбор сечения проводов и кабелей 34
2.5 Выбор защитной аппаратуры 38
2.6 Выбор щита управления 39
Список использованной литературы 40
Введение
Свет является одним из важнейших параметров микроклимата. От уровня освещенности и спектрального состава света зависят здоровье людей, продуктивность животных, расход кормов и качество получаемой продукции.
При научной организации труда, как в сельскохозяйственном производстве, так и в промышленности, качество освещения занимает одно из важных мест. Исследованиями установлено, что при современном интенсивном производстве правильно спроектированное освещение позволяет повысить производительность труда на 10…20%. Оно включает в себя не только соблюдение норм освещенности, но и соблюдение качественных характеристик освещения с учетом технологического процесса. Поэтому до начала проектирования следует тщательно разобраться с технологическим процессом, схемой размещения оборудования, механизмов и животных. Нужно ясно представлять, где находятся работающие люди и характер зрительных работ. Это даст возможность правильно выбрать норму освещенности и расположение светильников.
В настоящее время внимание уделяется охране труда, созданию нормальных условий труда. Ведь основной упор, сейчас, поставлен на человеческий фактор. Одним из мероприятий по охране труда является создание нормального уровня освещенности на рабочем месте. Человек, который работает с нормальным уровнем освещенности, меньше устает, у него меньше утомляются глаза, внимание и работа мозга остается практически неизменной.
Но не следует забывать, что и измененная освещенность может также сказываться на усталости глаз. Нельзя забывать и о животных, для которых освещение является так же немаловажным фактором.
Рационально спроектированные и грамотно эксплуатируемые установки позволяют компенсировать нехватку естественного света при минимальных затратах электроэнергии, электрического оборудования и материала.
1. Светотехнический раздел
Таблица 1 – Характеристика здания
|
№ |
Наименование помещения |
Площадь, м2 |
Длина, м |
Ширина, м |
Высота, м |
Среда |
Коэф-т отражения |
|
1 |
Помещение для стрижки овец |
288 |
24 |
12 |
2,4 |
Влажная, пыльная |
(п)=50 (с)=30 (рп)=10 |
|
2 |
Помещение классировки и прессования шерсти |
108 |
9 |
12 |
2,4 |
Сухое |
(п)=70 (с)=50 (рп)=30 |
|
3 |
Лабораторная |
12 |
3 |
4 |
2,4 |
Сухое |
(п)=70 (с)=50 (рп)=30 |
|
4 |
Инвентарная |
6 |
3 |
2 |
2,4 |
Сухое |
(п)=50 (с)=30 (рп)=10 |
|
5 |
Электрощитовая |
6 |
3 |
2 |
2,4 |
Сухая, отапливаемая |
(п)=70 (с)=50 (рп)=30 |
|
6 |
Площадка перед входом |
6 |
3 |
2 |
2,4 |
Сырое |
0 |
1.1 Выбор вида и системы освещения
В сельскохозяйственных помещениях предусматривают следующие виды освещения: рабочее, технологическое, дежурное, аварийное, ремонтное.
Рабочее освещение должно обеспечивать нормированную освещенность во всех точках рабочих поверхностей и иметь соответствующее качество, которое определяется отклонениями питающего напряжения, пульсацией светового потока, спектральным составом света, направлением света, равномерностью освещения и др. Рабочее освещение включается только при выполнении персоналом работ в данном помещении.
Технологическое освещение выполняется теми же светильниками, что и рабочее освещение. Включение и выключение технологического освещения производится по программе в зависимости от вида и возраста животных и птиц. Светильники технологического освещения располагаются в зоне обитания животных.
Дежурное освещение следует предусматривать во всех помещениях, предназначенных для содержания животных. В помещениях для содержания животных они должны составлять 15…20% от количества светильников рабочего освещения. К дежурному освещению может относиться наружное освещение входов и проходов.
Аварийное освещение для продолжения работ должно предусматриваться на инкубаторных станциях, электрических станциях, подстанциях, ветпунктах, на зернопунктах, имеющих протравливатели, на сушильных установках и т.д. Наименьшая освещенность рабочих поверхностей в этом случае применяется в пределах 5% от рабочей освещенности, но не менее 2 лк внутри помещения и 1 лк для наружных площадок. Аварийное освещение для эвакуации людей надлежит устраивать в местах, опасных для прохода людей, а также в основных проходах и на лестницах, служащих для эвакуации людей из производственных и общественных зданий, где работают или пребывают более 50 человек; в производственных помещениях с постоянно работающими в них людьми, где выход из помещения при внезапном отключении рабочего освещения связан с опасностью травматизма, т.к. оборудование продолжает работать, а также в производственных помещениях, где одновременно могут пребывать более 100 человек. Аварийное освещение для эвакуации должно обеспечивать освещенность основных проходов и лестниц не меньше чем 0,5 лк в помещениях, 0,2 лк на открытых территориях. Для аварийного освещения разрешается применять лампы накаливания и газоразрядные лампы низкого давления. Светильники аварийного освещения должны отличаться от светильников рабочего освещения типом или специальной покраской. Светильники аварийного освещения должны быть запитаны от автономного источника или присоединены к сети, которая не зависит от сети рабочего освещения, начиная от щита подстанции, а при одном вводе в здание – от вводного щита.
Различают две системы освещения: общую (равномерную или локализованную) и комбинированную. При любой системе освещения допускается отклонение расчетной освещенности от нормированной в любой точке поверхности не более чем на +20…-10%.
Общее освещение рекомендуется устраивать во всех животноводческих и других помещениях, где нормированная освещенность при лампах накаливания не превышает 50 лк, при люминесцентных лампах – 150 лк. При устройстве общего освещения предпочтение следует отдавать локализованному, обеспечивающему повышенную освещенность в главных точках рабочей поверхности. Однако при этом на других участках рабочей поверхности помещения освещенность должна быть не менее 75% от средней.
В установках, где нормированная освещенность более 75 лк при лампах накаливания и 150 лк при газоразрядных лампах, рекомендуется комбинированная система освещения, включающая как общую так и местную систему. Для местного освещения светильники устанавливают на рабочем месте или применяют переносной светильник. Применение только местного освещения в помещениях недопустимо. Общее освещение в комбинированной системе рекомендуется выполнять газоразрядными лампами. При этом общая освещенность должна составлять не менее 10% нормируемой освещенности для комбинированной системы независимо от типа ламп местного освещения, но не ниже 50 лк при лампах накаливания, 150 лк при газоразрядных лампах. В помещениях без естественного света нормы увеличиваются на 20%.
Для освещения данного здания будем проектировать рабочее освещение, а также дежурное освещение на площадке перед входом. Во всех помещениях будем проектировать общую равномерную систему освещения.
1.2 Выбор нормированной освещенности и коэффициента запаса
Нормированная освещенность выбирается в зависимости от размеров объекта, контраста этого объекта с фоном, характеристикой фона и вида источника света. Величина нормированной освещенности приведена в СниП 2305-95 и в отраслевых нормах освещения сельскохозяйственных предприятий, зданий и сооружений.
Правильно спроектированная и выполненная осветительная установка спустя некоторое время может перестать удовлетворять предъявляемым требованиям из-за старения источника света, загрязнения светильника и источника света, снижения отражательной способности поверхностей светильника. Чтобы освещенность не снизилась ниже нормируемого значения, на стадии проектирования осветительной установки необходимо ввести коэффициент запаса КЗ. Для ламп накаливания КЗ=1,15…1,7, для газоразрядных ламп КЗ=1,3…2,1.
Выбор нормированной освещенности и коэффициента запаса [4] по всем помещениям представлен в таблице 2.
Таблица 2 – Выбор нормированной освещенности и коэффициента запаса
|
Наименование помещения |
Нормированная освещенность, ЕН, лк. |
Норм. плоскость |
Мин. степень защиты СП |
Коэф-т запаса |
|
Помещение для стрижки овец |
ЛЛ – 100 |
Г – 0 |
IP 54 |
1,3 |
|
Помещение классировки и прессования шерсти |
ЛЛ - 200 |
Г – 0,8 |
IP 20 |
1,3 |
Таблица 2 – Выбор нормированной освещенности и коэффициента запаса
|
Лаборатория |
ЛЛ - 300 |
Г – 0,8 |
IP 20 |
1,3 |
|
Инвентарная |
ЛН - 10 |
Г – 0 |
IP 54 |
1,15 |
|
Электрощитовая |
ЛН - 75 |
В – 1,5 |
IP 20 |
1,15 |
|
Площадка перед входом |
ЛН - 2 |
Г – 0 |
IP 54 |
1,15 |
1.3 Помещение №1 (Помещение для стрижки овец)
1.3.1 Выбор светового прибора
Разнообразие типов и мощности источников света, условий среды, а также светотехнических и конструктивных требований к светильникам определяет необходимость иметь в ассортименте большое число их типоразмеров. Поэтому выбор типа светового прибора является сложной технико-экономической задачей.
Световые приборы обычно выбирают по трем категориям:
конструктивному исполнению;
светотехническим характеристикам;
экономическим показателям.
От конструктивного исполнения СП зависит их надежность и долговечность в данных условиях среды, безопасность в отношении пожара, взрыва и поражения электрическим током, а также удобство обслуживания. В практике проектирования решение этой задачи сводится к выбору степени защиты световых приборов IP от воздействия окружающей среды.
Распределение светового потока в верхнюю и нижнюю полусферы окружающего пространства, а также форма кривой силы света являются основными показателями, определяющими качество освещения. С увеличением доли потока, направляемого световым прибором в верхнюю полусферу, смягчаются и исчезают тени, уменьшается блескость, улучшаются условия освещения различно ориентированных в пространстве поверхностей, но при этом всегда возрастает мощность осветительной установки. Поэтому в производственных помещениях следует применять световые приборы класса П и Н, в общественных – класса Н и реже Р. Выбор светового прибора с той или иной кривой силы света зависит от характеристики помещения. Для очень высоких помещений наиболее выгодны светильники с концентрированной кривой силы света К, а по мере уменьшения высоты – с кривыми Г и Д. В помещениях, где рабочие поверхности находятся в произвольно расположенных или вертикальных плоскостях, применяются светильники с кривой силы света Л и М. Для большинства сельскохозяйственных помещений выбираются световые приборы с кривыми силы света М, Д и Г.
Основным фактором, определяющим энергетическую эффективность для данного типа источника света, является коэффициент использования светового потока, который зависит от КПД светильника и, в наибольшей степени, от формы кривой силы света. Таким образом, нужно выбирать световые приборы с наибольшим КПД и более концентрированной (в пределах светотехнических требований) кривой силы света.
Наиболее целесообразный тип светового прибора должен выбираться на основе полного технико-экономического сопоставления различных возможных вариантов.
Таблица 3 – Выбор светового прибора [1, стр. 240].
|
IP 53-54 |
КСС |
КПД |
|
ЛСП 16 |
ЛСП 16 (Д1) |
ЛСП 16 (60%) |
|
ПВЛ П |
ПВЛ П (Д1) |
ПВЛ П (65%) |
|
ЛСП 13 |
ЛСП 13 (Д1) |
ЛСП 13 (80%) |
|
ЛВП 04 |
ЛВП 04 (Г1) |
ЛВП 04 (45%) |
|
ЛВП 31 |
ЛВП 31 (Г1) |
ЛВП 31 (45%) |
Выберем световой прибор ЛСП 13.
1.3.2 Размещение световых приборов
Существует два вида размещения световых приборов: равномерное и локализованное. При локализованном способе размещения вопрос выбора места расположения светового прибора должен решаться в каждом случае индивидуально на основе размещения освещаемых объектов. При равномерном размещении световых приборов следует руководствоваться рядом общих положений. Световые приборы обычно размещают по вершинам квадратов или ромбов, оптимальный размер стороны которых определяется по формуле:
, (1)
где Э и С – относительные светотехническое и энергетическое наивыгоднейшее расстояние между светильниками; НР – расчетная высота осветительной установки, м.
Численные значения Э и С зависят от типа кривой силы света [2, с. 12].
, (2)
где Н0 – высота помещения, м;
hСВ – высота свеса светильника, м;
hР – высота рабочей поверхности от пола, м.
Крайние светильники устанавливаются на расстоянии (0,5…0,7)L от стены. Светильники с люминесцентными лампами располагаются обычно рядами параллельно стенам с окнами или длинной стороне помещения. В зависимости от уровня нормированной освещенности светильники располагаются непрерывными рядами или рядами с разрывами. Расстояние между рядами определяется так же, как и в случае одинарных светильников по формуле (1).
Так как световой прибор ЛСП 13 имеет кривую силы света типа Д1, то
с=1,4 и э=1,6.
м.
м.
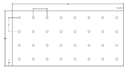
Определим количество световых приборов в помещении:
.
.
.
Согласно расчету в данном помещении необходимо разместить 32 световых приборов данного типа.

Рисунок 1 – Помещение для стрижки овец
1.3.3 Определение мощности осветительной установки
Для решения этой задачи в практике применяют три метода: точечный, метод коэффициента использования светового потока и метод удельной мощности.
Точечный метод применяется для расчета общего равномерного и локализованного освещения помещений и открытых пространств, а также местного освещения при любом расположении освещаемых поверхностей.
Метод коэффициента использования светового потока применяется для общего равномерного освещения горизонтальных поверхностей только закрытых помещений со светлыми ограждающими поверхностями. Когда нормирована средняя освещенность, его можно применять и для расчета наружного освещения.
Метод удельной мощности является упрощенным методом коэффициента использования и рекомендуется для расчета освещения второстепенных помещений, а также осветительной нагрузки, когда расчет освещения не входит в задание проекта.
Помещение для стрижки овец рассчитываем методом коэффициента использования, так как этот метод используется для расчета закрытых помещений при общей равномерной системе освещения.
Определим индекс помещения по следующей формуле:
, (3)
где а, b – длина и ширина помещения, м.
.
По справочной литературе [2] определим коэффициент использования светового потока. Этот коэффициент учитывает долю светового потока генерируемого источником света, доходящую до рабочей поверхности. Коэффициент использования светового потока СП прямо пропорционален КПД светильника. Он зависит от кривой силы света светильника, возрастает с увеличением степени концентрации светового потока, с увеличением площади помещения и уменьшением расчетной высоты, с увеличением коэффициента отражения ограждающих конструкций; убывает по мере удаления формы помещения от квадрата, так как при этом уменьшается среднее расстояние светильника от стен и увеличивается доля светового потока, падающего на стены.
Вычислим световой поток лампы в светильнике по следующей формуле:
Фр = Енор·А·Кз·Z / N·ηоу·ηсв, (4)
где А – площадь помещения, м2
Z = 1,1 – коэффициент неравномерности;
N – число светильников.
К3 – коэффициент запаса, К=1,3.
лм.
лм.
По численному значению потока и каталожным данным выберем типоразмер стандартной лампы и ее мощность: ЛБ – 20 - 1 Фк=1200 лм.
Рассчитаем отклонение каталожного потока от расчетного по формуле:
(5)
.
- отклонение находится в
допустимых пределах.
Мощность светильника: Рл = 20 Вт. Рсв = 40 Вт.
Определим удельную мощность осветительной установки по формуле:
Руд = Рл∙N/A, Вт/м2 (6)
Руд = 40·32/288 = 4,44 Вт/м2.
1.4 Помещение №2 (Помещение классировки и прессования шерсти)
Вид освещения: рабочее; система: общая – равномерная.
Нормированная освещенность Енор = 200 лк, при ГРЛ.
Коэффициент запаса для с. – х. помещений при ЛН: Кз = 1,3, выбирается для того, чтобы освещенность не снижалась ниже нормируемого значения.
Выбор светового прибора:
По конструктивному исполнению выбираем светильник со степенью защиты IP20, так как среда в помещении сухая. По светотехническим характеристикам световой прибор выбирается с кривой силы света М или Д.
Выбираем светильник: ЛСП 13 с КСС – «Д» ηобщ = 80%
1.4.1 Определяем расчетную высоту осветительной установки
Нр = Н0 – hсв – hр
где Н0 = 2,4 – высота помещения, м.
hсв = 0 – высота свеса светильника, м.
hр = 0,8 – высота рабочей поверхности от пола, м.
Нр = 2,4-0-0,8 = 1,6 м.
1.4.2 Найдем оптимальные расстояния между светильниками
с·Нр L э·Нр,
где с и э – относительное светотехническое и энергетическое наивыгоднейшее расстояние между светильниками.
Нр – расчетная высота осветительной установки, м.
с = 1,4; э = 1,6 для КСС – «Д».
2,24м ≤ L ≤ 2,56м.
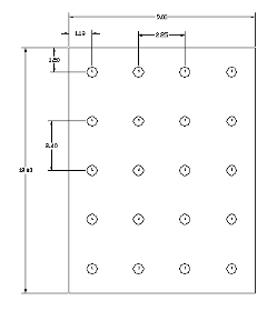
Определим количество световых приборов в помещении:
.
.
.

Рисунок 2 – Помещение классировки и прессования шерсти
1.4.3 Определение мощности светового прибора
Помещение классировки и прессования шерсти рассчитываем методом коэффициента использования, так как этот метод используется для расчета закрытых помещений при общей равномерной системе освещения.
Коэффициенты отражения ограждающих конструкций:
ρпотолка = 70%; ρстен = 50%; ρпола = 30%.
Индекс помещения:
i = a·b/Hр·(a + b)
где a, b – длина и ширина помещения, м.
i = 9·12 / 1,6·(9+12) = 3,21
Коэффициент использования светового потока осветительной установки: ηоу = 0,47.
Этот коэффициент учитывает долю светового потока генерируемого источником света, доходящую до рабочей поверхности.
Световой поток светильника:
Фр = Енор·А·Кз·Z / N·ηоу·ηсв
где А – площадь помещения, м2;
Z = 1,1 – коэффициент неравномерности;
N – число светильников.
Фсв = 200·108·1,3·1,1 / 20·0,79·0,75 = 2444 лм.
Фл =2444/2=1222 лм
По численному значению потока и каталожным данным выбираем лампу:
ЛЖ – 40 с Фк = 1450 лм.
Определим отклонение расчетного светового потока от каталожного:
-0,1 ≤ (Фк – Фр)/Фр ≤ +0,2
(1450-1222)/1222 = 0,187 – отклонение находится в допустимых пределах.
Мощность светильника: Рл = 40 Вт. Рсв = 80 Вт.
Удельная мощность:
Руд = Рсв·N/A, Вт/м2;
Руд = 80·20/108 = 14,81 Вт/м2;
1.5 Помещение №3 (Лаборатория)
Вид освещения: рабочее; система: общая – равномерная.
Нормированная освещенность Енор = 10 лк, при лампах накаливания.
Коэффициент запаса для с.–х. помещений при ГРЛ: Кз = 1,3, выбирается для того, чтобы освещенность не снижалась ниже нормируемого значения.
Выбор светового прибора:
По конструктивному исполнению выбираем светильник со степенью защиты IP20, так как среда в помещении сухая. По светотехническим характеристикам световой прибор выбирается с кривой силы света М или Д.
Выбираем светильник: ЛСП 02 с КСС – «Д-2» ηобщ = 75%
1.5.1 Определяем расчетную высоту осветительной установки
Нр = Н0 – hсв – hр
где Н0 = 2,4 – высота помещения, м.
hсв = 0 – высота свеса светильника, м.
hр = 0,8 – высота рабочей поверхности от пола, м.
Нр = 2,4-0-0,8 = 1,6 м.
1.5.2 Найдем оптимальные расстояния между светильниками
с·Нр L э·Нр
где с и э – относительное светотехническое и энергетическое наивыгоднейшее расстояние между светильниками.
Нр – расчетная высота осветительной установки, м.
с = 1,4; э = 1,6 для КСС – «Д»
2,24м ≤ L ≤ 2,56м.
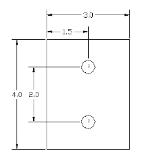
Определим количество световых приборов в помещении:
.
.
.

Рисунок 3 – Лаборатория
1.5.3 Определение мощности светового прибора
Лабораторию рассчитываем методом коэффициента использования, так как этот метод используется для расчета закрытых помещений при общей равномерной системе освещения.
Коэффициенты отражения ограждающих конструкций:
ρпотолка = 70%; ρстен = 50%; ρпола = 30%.
Индекс помещения:
i = a·b/Hр·(a + b)
где a, b – длина и ширина помещения, м.
i = 3·4 / 1,6·(3+4) = 1,07.
Коэффициент использования светового потока осветительной установки: ηоу = 0,51.
Этот коэффициент учитывает долю светового потока генерируемого источником света, доходящую до рабочей поверхности.
Световой поток светильника:
Фр = Енор·А·Кз·Z / N·ηоу·ηсв
где А – площадь помещения, м2;
Z = 1,1 – коэффициент неравномерности;
N – число светильников.
Фсв = 300·12·1,3·1,1 / 2·0,51·0,75 = 6729 лм.
Фл =6729/2=3365 лм.
По численному значению потока и каталожным данным выбираем лампу:
ЛБ – 40 -1 с Фк = 3200 лм.
Определим отклонение расчетного светового потока от каталожного:
-0,1 ≤ (Фк – Фр)/Фр ≤ +0,2
(3200-3365)/3365 = - 0,049 – отклонение находится в допустимых пределах.
Мощность светильника: Рл = 40 Вт Рсв = 80 Вт.
Удельная мощность:
Руд = Рсв·N/A, Вт/м2;
Руд = 80·2/12 = 13,33 Вт/м2.
1.6 Помещение №4 (Инвентарная)
Вид освещения: рабочее; система: общая – равномерная.
Нормированная освещенность Енор = 10 лк, при лампах накаливания.
Коэффициент запаса для с. – х. помещений при ЛН: Кз = 1,15, выбирается для того, чтобы освещенность не снижалась ниже нормируемого значения.
Выбор светового прибора:
По конструктивному исполнению выбираем светильник со степенью защиты IP54, так как среда в помещении сухая и пыльная. По светотехническим характеристикам световой прибор выбирается с кривой силы света М или Д.
Выбираем светильник: НСР 01 с КСС – «М» ηобщ = 75%
1.6.1 Определяем расчетную высоту осветительной установки
Нр = Н0 – hсв – hр
где Н0 = 2,4 – высота помещения, м.
hсв = 0,3 – высота свеса светильника, м.
hр = 0 – высота рабочей поверхности от пола, м.
Нр = 2,4-0,3-0 = 2,1 м.
1.6.2 Найдем оптимальные расстояния между светильниками
с·Нр L э·Нр
где с и э – относительное светотехническое и энергетическое наивыгоднейшее расстояние между светильниками.
Нр – расчетная высота осветительной установки, м.
с = 2,0; э = 2,6 для КСС – «М»
4,2 м ≤ L ≤ 5,46 м.
Определим количество световых приборов в помещении:
.
.
.

Рисунок 4 – Инвентарная
1.6.3 Определение мощности светового прибора
Инвентарную рассчитываем методом коэффициента использования, так как этот метод используется для расчета закрытых помещений при общей равномерной системе освещения.
Коэффициенты отражения ограждающих конструкций: ρпотолка = 50%; ρстен = 30%; ρпола = 10%.
Индекс помещения:
i = a·b/Hр·(a + b)
где a, b – длина и ширина помещения, м.
i = 3·2 / 2,1 ·(3+2) = 0,57.
Коэффициент использования светового потока осветительной установки: ηоу = 0,14.
Этот коэффициент учитывает долю светового потока генерируемого источником света, доходящую до рабочей поверхности.
Световой поток светильника:
Фр = Енор·А·Кз·Z / N·ηоу·ηсв
где А – площадь помещения, м2;
Z = 1,1 – коэффициент неравномерности;
N – число светильников.
Фр = 10·6·1,15·1,1 / 1·0,14·0,75 = 723 лм.
По численному значению потока и каталожным данным выбираем лампу:
Б 215-225-60 с Фк = 730 лм.
Определим отклонение расчетного светового потока от каталожного:
-0,1 ≤ (Фк – Фр)/Фр ≤ +0,2
(730-723)/723 = 0,009 – отклонение находится в допустимых пределах.
Мощность светильника: Рл = 60 Вт.
Удельная мощность:
Руд = Рл·N/A, Вт/м2;
Руд = 60·1/6 = 10 Вт/м2.
1.7 Помещение №5 (Электрощитовая)
Вид освещения: рабочее; система: общая – равномерная.
Нормированная освещенность Енор = 75 лк, при лампах накаливания.
Коэффициент запаса для с. – х. помещений при ЛН: Кз = 1,15, выбирается для того, чтобы освещенность не снижалась ниже нормируемого значения.
По конструктивному исполнению выбираем светильник со степенью защиты IP20, так как среда в помещении сухая, отапливаемая. По светотехническим характеристикам световой прибор выбирается с кривой силы света М или Д.
Выбираем светильник: НСП 01 с КСС – «Д2» ηобщ = 76%
1.7.1 Определяем расчетную высоту осветительной установки
Нр = Н0 – hсв – hр
где Н0 = 2,4 – высота помещения, м.
hсв = 0 – высота свеса светильника, м.
hр = 1,5 – высота рабочей поверхности от пола, м.
Нр = 2,4-1,5 = 0,9 м.
1.7.2 Найдем оптимальные расстояния между светильниками
с·Нр L э·Нр
где с и э – относительное светотехническое и энергетическое
наивыгоднейшее расстояние между светильниками.
Нр – расчетная высота осветительной установки, м.
с = 1,4; э = 1,6 для КСС – «Д2».
1,26м ≤ L ≤ 1,44м.
Определим количество световых приборов в помещении:
.
.
.
1.7.3 Определение мощности светового прибора
Электрощитовую рассчитываем точечным методом, так как он применяется для расчета общего равномерного и локализованного освещения помещений и открытых пространств, а также местного освещения при любом расположении освещаемых поверхностей и дает наиболее точные результаты расчета.

Рисунок 5 – Электрощитовая
Далее определяют в данной контрольной точке условную освещенность по формуле:
,
где еi – условная освещенность контрольной точки i-го светильника, которую в свою очередь определяют по следующей формуле:
,
где - угол между вертикалью и направлением силы света светильника в расчетную точку; J1000 - сила света i-го светильника с условной лампой (со световым потоком в 1000 лм) в направлении расчетной точки. Численное значение J1000 определяют по кривым силы света.
.
.
кд.
лк.
С учетом этой освещенности рассчитывают световой поток источника света в светильнике по следующей формуле:
,
где - коэффициент, учитывающий дополнительную освещенность за счет влияния удаленных светильников и отражения от ограждающих конструкций;
1000 – световой поток лампы;
св – КПД светильника.
лм.
По численному значению потока и каталожным данным выберем стандартную лампу: БК-215-225-100, ФН=1380 лм.
Рассчитаем отклонение расчетного потока от каталожного по формуле:
.
.
Определим удельную мощность осветительной установки по формуле:
Вт/м2.
1.8 Помещение №6 (Площадка перед входом)
Вид освещения: дежурное; система: общая – равномерная.
Нормированная освещенность Енор = 2 лк, при лампах накаливания.
Коэффициент запаса для с. – х. помещений при ЛН: Кз = 1,15, выбирается для того, чтобы освещенность не снижалась ниже нормируемого значения.
Выбор светового прибора:
По конструктивному исполнению выбираем светильник со степенью защиты IP54, так как помещение сырое и пыльное. По светотехническим характеристикам световой прибор выбирается с кривой силы света М или Д.
Выбираем светильник: НСП 03М с КСС – «М» ηобщ = 85%
1.8.1 Определяем расчетную высоту осветительной установки
Нр = Н0 – hсв – hр,
где Н0 = 2,4 – высота помещения, м.
hсв = 0,3 – высота свеса светильника, м.
hр = 0 – высота рабочей поверхности от пола, м.
Нр = 2,4-0,3-0 = 2,1 м.
1.8.2 Найдем оптимальные расстояния между светильниками
с·Нр L э·Нр
где с и э – относительное светотехническое и энергетическое наивыгоднейшее расстояние между светильниками.
Нр – расчетная высота осветительной установки, м.
с = 2,0; э = 2,6 для КСС – «М»
4,2м ≤ L ≤ 5,46м.
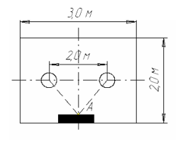
Определим количество световых приборов в помещении:
.
.
.

Рисунок 6 – Площадка перед входом
1.8.3 Определение мощности светового прибора
Площадку перед входом рассчитываем точечным методом, так как он применяется для расчета общего равномерного и локализованного освещения помещений и открытых пространств, а также местного освещения при любом расположении освещаемых поверхностей и дает наиболее точные результаты расчета.
Определим условную освещенность контрольной точки А от светильника:
еi = Iα1000·Cos3α/Hp2
где Iα1000 – сила света i-го светильника с условной лампой (со световым потоком 1000 лм);
α – угол между вертикалью и направлением силы света светильника в расчетную точку.
α = arctg d/Hp = arctg 3,76/2,1 = 60,81º;
Iα = 132 лк – так как КСС – «М»
еА = Iα11000·Cos3α1/Hp2 = 132·0,116/2,12 = 3,47 лк.
Определим световой поток источника света в светильнике:
Фсв =
Ен·1000·kз/μ·
еА·ηс
где μ = 1,1…1,2 – коэффициент, учитывающий дополнительную освещенность за счет влияния удаленных светильников и отражения от ограждающих конструкций;
1000 – световой поток лампы;
ηс – КПД светильника.
Фсв = 2·1000·1,15/1,15·3,472·0,85 = 677,69 лм.
По численному значению потока и каталожным данным выбираем лампу: БК 215-225-60 с Фк = 730 лм.
Определим отклонение расчетного светового потока от каталожного:
-0,1 ≤ (Фк – Фр)/Фр ≤ +0,2
(730-677,7)/677,7 = 0,077 отклонение находится в допустимых пределах.
Мощность светильника: Рл = 60 вт.
Удельная мощность:
Руд = Рл·N/A, Вт/м2;
Руд = 60∙1/6 = 10 Вт/м2.
2. Электротехнический раздел
2.1 Выбор схемы электроснабжения и напряжения питания осветительной сети
Для питания осветительных приборов общего внутреннего и наружного освещения, как правило, должно применяться напряжение не выше 220В. Поэтому для питания осветительной сети данного здания выберем сеть с напряжением 220В.
2.2 Компоновка осветительной сети
На этой стадии проектирования решаются вопросы о месте расположения осветительных щитов, о числе групп и количестве проводов на участках сети.
Далее составим расчетную схему, на которой покажем все осветительные щиты и группы, число проводов и длину групп, мощность источников света и места ответвления (рисунок 7).

Рисунок 7
2.3 Выбор марок проводов и способа их прокладки
Для прокладки в данном здании выберем провод АППВ.
2.4 Выбор сечения проводов и кабелей
Сечение проводов и кабелей выбирают, исходя из механической нагрузки на них, нагрева и потери напряжения.
Сечение жилы провода определяют по следующей формуле:
, (7)
где с – коэффициент, зависящий от напряжения сети, материала токоведущей жилы и числа проводов в группе; Мi – электрический момент i-го приемника (светильника), кВтм; U – допустимая потеря напряжения (примем равной 2,3%).
Электрический момент Мi находится по формуле:
, (8)
где Рi – мощность i-го светильника, кВт; li – расстояние от щита до i-го светильника, м.
При вычислении также следует учитывать, что мощность светового прибора с ГРЛ примерно на 25% больше мощности лампы.
Выберем сечение провода в первой группе (Г-1). Для этого найдем электрический момент по формуле (8) и рассчитаем сечение по потере напряжения по формуле (7):
.
мм2.
Полученное значение округлим до ближайшего большего стандартного сечения: 2,0 мм2.
Проверим сечение на нагрев:
.
А.
.
Выберем сечение провода во второй группе (Г-2). Для этого найдем электрический момент по формуле (8) и рассчитаем сечение по потере напряжения по формуле (7):
.
мм2.
Полученное значение округлим до ближайшего большего стандартного сечения: 2 мм2.
Проверим сечение на нагрев:
.
А.
.
Выберем сечение провода в третьей группе (Г-3). Для этого найдем электрический момент по формуле (8) и рассчитаем сечение по потере напряжения по формуле (7):
.
мм2.
Полученное значение округлим до ближайшего большего стандартного сечения: 2 мм2.
Проверим сечение на нагрев:
.
А.
.
Сечение провода между силовым и осветительным щитами определяют по формуле (8) с той лишь разницей, что U примем равной 0,2%, а момент определим как произведение расстояния между щитами на суммарную мощность светильников.
Выберем сечение провода на участке от силового щита до осветительного щита. Для этого найдем электрический момент по формуле (8) и рассчитаем сечение по потере напряжения по формуле (7):
.
мм2.
Полученное значение округлим до ближайшего большего стандартного сечения: 2 мм2.
Проверим сечение на нагрев:
.
А.
.
Определим фактические потери напряжения на каждой группе, для чего уравнение решим относительно U:
%.
%.
%.
%.
2.5 Выбор защитной аппаратуры
Согласно ПУЭ все осветительные сети подлежат защите от токов короткого замыкания.
Ток уставки теплового расцепителя автоматического выключателя определяется по формуле:
, (9)
где IP – расчетный ток группы; k’ – коэффициент, учитывающий пусковые токи; для газоразрядных ламп низкого давления k’=1, а для других типов ламп – k’=1,4.
А.
А.
А.
Выберем по
справочным данным стандартную уставку
автоматического выключателя:
А,
А.
Проверим согласование тока уставки с допустимым током провода:
, (10)
А
А
А
Выберем для защиты осветительной сети от токов короткого замыкания автоматические выключатели АЕ-2036
2.6 Выбор щита управления
Для приема и распределения электроэнергии и защиты отходящих линий в осветительных сетях применяют вводно-распределительные устройства и вводные щиты. В каждом конкретном случае в зависимости от окружающей среды, назначения, количества групп, схем соединений, аппаратов защиты выбирают то или иное вводно-распределительное устройство.
Выберем групповой осветительный щит ПР11-3012-IP21УЗ.
Список использованной литературы
Справочная книга по светотехнике / Под ред. Ю.Б. Айзенберга. – М.: Энергоатомиздат, 1983
Справочные материалы для проектирования электрического освещения. / Под. ред. В.Г. Быкова – Челябинск, 2005
Методические указания к курсовой работе по проектированию электрических осветительных установок. – Челябинск, 2003
Козинский В.А. Электрическое освещение и облучение. – М.: Агропромиздат, 1995
Кнорринг Г.М. Осветительные установки. – М., Энергоиздат, 1981
Справочная книга для проектирования электрического освещения / Под ред. Г.М. Кнорринга – СПб.: Энергия, 1992
Правила устройства электроустановок. 7-е издание. – М.:, 2007