Проектирование гидроприводов передней стойки шасси и элеронов самолета
Курсовой проект по дисциплине: "Системы энергооборудования ЛА"
На тему:
Проектирование гидроприводов передней стойки шасси и элеронов самолета
Задание на курсовой проект
Спроектировать гидроприводы передней стойки шасси и элеронов самолета.
Содержание проекта:
Введение
Описание носителя (назначение; характеристики; режим (или график) полета; состав гидросистемы; описание ГС; структурная схема; сведения о блоках питания; их параметры).
Расчет гидроприводов (описание кинематических схем (существующих или вновь выбранных) заданных гидроприводов; расчет мощности гидроприводов; гидравлический расчет подсистемы одного из заданных гидроприводов; оценка потерь мощности на гидравлику; расчет мощности с учетом потерь).
Литература
Графическая часть должна содержать:
Изображение носителя с трассировкой гидросистемы.
Принципиальная схема гидросистемы с выделенными заданными гидроприводами.
Содержание
Введение
Описание носителя
Назначение и описание конструкция
Летно-технические характеристики
Режим полета
Состав гидросистемы
Описание гидросистемы
Расчет гидроприводов
Передняя стойка шасси
Кинематическая схема передней стойки шасси
Расчет мощности гидропривода передней стойки шасси
Элероны
Кинематическая схема элерона
Расчет мощности гидропривода элерона
Гидравлический расчет подсистемы уборки – выпуска шасси
Литература
Введение
Непрерывное развитие авиационной техники привело к созданию летательных аппаратов (ЛА) самых различных классов и назначений. Современный этап создания ЛА характерен прежде всего тем, что разрабатываются совершенно новые самолеты, практически без аналогов, что требует значительных затрат времени, материалов и средств. Гидравлические системы (ГС) на данном этапе развития самолетостроения занимают одну из лидирующих позиций в компоновке самолета. Ввиду своих "плюсов" они зачастую превосходят такие аналоги как электросистема, так как имеют меньший вес и габаритные размеры, что немаловажно для авиации. Самолетные ГС уже достаточно изучены и вряд ли в ближайшее время перестанут использоваться. Сравнение гидравлических, электромеханических и газовых систем ЛА по основным техническим показателям позволяет сделать вывод о том, что в настоящее время и в ближайшем будущем основными энергетическими системами (для механизации и автоматизации процессов управления) будут оставаться гидравлические системы, комплектуемые с устройствами управления, а так же с электрическими или аварийными пневматическими системами.
Целью данной работы является получение навыков проектирования гидросистем, разработки конструкции ГС на самолете, на примере гидросистемы самолета ИЛ-86.
Описание носителя
Назначение и описание конструкции
К концу 1960-х гг. быстрый рост объема пассажирских авиаперевозок привел к перегрузке главных аэропортов. Для прибывающих самолетов резко увеличилось время ожидания в воздушной зоне аэропорта: соответственно сократились интервалы между взлетами и посадками, а также значительно уменьшилась свободная площадь аэропортов из-за большого скопления самолетов и наземной обслуживающей техники. В некоторых крупных аэропортах время ожидания пассажирским самолетом разрешения на посадку стало превышать время его рейса из пункта отправления, а интервал между посадками или взлетами принимаемых и отправляемых самолетов сократился до 45с. Такая перегруженность аэропортов ухудшала условия технического обслуживания пассажирских самолетов на земле, а также снижала уровень безопасности полетов, из-за сложности управления воздушным движением большого числа скоростных машин в зоне аэропорта.
Эти проблемы и необходимость обеспечения дальнейшего роста объема пассажирских перевозок заставили авиационных конструкторов и эксплуатационников искать новые пути при создании перспективных пассажирских самолетов.
Проектные разработки, проводившиеся во многих конструкторских организациях, показали, что основные затруднения гражданской авиации могли быть решены созданием и введением в эксплуатацию самолетов большой пассажировместимости, рассчитанных на 250-500 мест, которые позволили бы уменьшить число машин, потребных для обеспечения заданного объема перевозок, обеспечивали бы лучшее использование самолетов, их техническое обслуживание и, что очень важно, способствовали бы повышению безопасности эксплуатации вследствие уменьшения частоты посадок и взлетов в наиболее загруженных аэропортах. Кроме того, самолеты большой пассажировместимости обеспечивали бы более низкие значения эксплуатационных расходов, в том числе и топлива на пассажирокилометр, что позволило бы не только окупить затраты на проектирование, разработку и постройку необходимого парка машин, но и снизить себестоимость эксплуатации, а следовательно, в дальнейшем увеличить объем пассажирских авиаперевозок.
Ил-86 представляет собой моноплан с низкорасположенным стреловидным крылом и стреловидным оперением с переставным стабилизатором. Фюзеляж круглого сечения диаметром 6,08 метра типа монокок с силовым набором из шпангоутов и стрингеров и работающей обшивкой, состоящей из крупных панелей. Соединения в основном клепаныые и клеесварные. С 1 по 90 шпангоут фюзеляж герметичный, из зоны герметизации выведены вырезы под центроплан крыла, отсек высотного оборудования и отсеки основной и средней опор шасси. В герметичной части фюзеляжа на верхней палубе размещены кабина экипажа, три салона на 110, 141, 99 пассажиров, 8 вестибюлей с аварийными дверями, 2 гардероба, 8 туалетов и 2 буфета, на нижней палубе находятся электроотсек, 2 багажно-грузовых отсека с переставными перегородками, кухня с лифтом, 2 технических отсека, 3 входные двери с раскладывающимися трапами на гидроприводах, 2 кухни и 2 грузовых люка. Палубы соединены между собой тремя лестницами и шахтой лифта. Взаимная компоновка салонов и лестниц позволяет разделить пассажиров на три непересекающихся потока и втрое сократить время посадки и высадки. В негерметичной части фюзеляжа (шпангоуты с 90-107) располагаются отсек агрегатов управления, вырез под центроплан стабилизатора и отсек ВСУ. Для осмотра двигателей в полете в районе передних аварийных дверей имеются две фары, обеспечивающие подсветку мотогондол. Все двери снабжены сигнализацией открытого положения дверей и замков, а также электроблокировкой, препятствующей открытию дверей при перепаде давления свыше 0,98 кПа.
Крыло кессонное, трехлонжеронное, со стреловидностью 35 градусов, имеет аэродинамическую и геометрическую крутки. Для максимального удаления воздухозаборников двигателей от земли, крылу пришлось придать угол поперечного V=6,8. Механизация крыла состоит из предкрылков, двухщелевых выдвижных закрылков с фиксированным дефлектором, тормозных щитков и спойлеров. Между третьим лонжероном и силовой балкой крепятся левая и правая основные стойки шасси с закрепленными на них посадочными фарами. Двигатели НК-86, оснащенные внутренним реверсом, подвешены на вынесенных вперед пилонах и дополнительно выполняют функцию противофлаттерных балансиров. Для защиты двигателей от попадания в них посторонних предметов на рулении включается подача воздуха от компрессора двигателя, сдувающая пыль и камешки перед воздухозаборником. Правда, перед взлетом эту защиту необходимо выключать из-за дефицита тяги двигателей.
Стабилизатор переставляется на углы от +2 до -12, причем гашетка управления стабилизатором находится на штурвалах пилотов, и может быть использована для триммирования (балансировки) самолета. Руль высоты состоит из четырех секций (по две на каждой стороне) с независимыми гидроприводами, руль направления - двухсекционный.
Шасси для уменьшения давления на покрытие четырехопорное. Носовая и средняя основная стойки убираются против потока, боковые–в ниши зализа крыла. Колеса одинакового размера, 1300 мм на 480 мм. Колеса основных опор КТ-171 тормозные и снабжены электрогидросистемой с вентилятором и таходатчиком, установленными внутри колеса для охлаждения тормозов воздухом. Колеса основной опоры КТ-185 имеют систему автоматического подтормаживания при уборке шасси. В свободном положении средняя тележка выдвинута чуть ниже боковых и отклонена передними колесами к земле. Интересно то, что в случае необходимости шасси можно выпустить вручную, с помощью впечатляющих размеров рычага на задней переборке кабины экипажа. Встречный поток "дожимает" стойки до закрытия замков выпущенного положения.
Электросистема Ил-86 состоит из первичной системы переменного трехфазного тока напряжением 200/115 Гц, питаемой четырьмя генераторами ГТ40ПЧ6 установленными на двигателях, и двух вторичных: переменного тока 36/400 Гц и постоянного тока 27 В. Питание бортсети на земле при неработающих двигателях осуществляется от генератора ВСУ, разъема аэродромного питания или аккумуляторов. Запуск двигателя воздушный, от ВСУ, от работающего двигателя или от аэродромного источника сжатого воздуха. Запуск в воздухе обеспечивается авторотацией.
Система управления гидравлическая, бустерная. Особое внимание конструкторы уделили пилотажно-навигационному комплексу и эргономике кабине экипажа. Система автоматического управления обеспечивает как автоматический, так и штурвальный режимы управления. Необходимость использования САУ в штурвальном режиме обусловлена чрезмерной путевой устойчивостью самолета из-за большого поперечного V крыла и необходимостью демпфирования переходных процессов, особенно при полете в условиях турбулентности. САУ чрезвычайно удобна в управлении, позволяет практически весь полет производить в автоматическом режиме, набор высоты можно стабилизировать кА по постоянной приборной скорости, так и по постоянной вертикальной. Автомат обеспечивает заход на посадку по второй категории ИКАО.
Система дальней навигации "Омега" позволяет выдерживать маршрут на необеспеченных радиомаяками участках трасс, а бортовой навигационный комплекс (БНК) "Пижма-1" дает возможность летать в любое время года и суток по внутренним и международным трассам в сложных метеоусловиях без штурмана. БНК выдерживает заданную программу полета, которую можно оперативно откорректировать, и даже заходить на посадку по схеме аэропорта.
Летно-технические характеристики

Режим полета

Рис. 1. График полета
Старт, отрыв от земли со скоростью V>отр>=340км/>ч>
Крейсерский полет на Н=11000м, со скоростью V=950км/>ч>
Спуск до Н=4км
Заход на посадку
Посадка со скоростью V>пос>=280км/>ч>
Состав гидросистемы
ГС Ил-86 состоит из систем управления:
стабилизатором;
рулем высоты и направления;
элеронами и спойлерами;
тормозными щитками;
предкрылками и закрылками;
уборки и выпуска шасси;
торможения и поворота колес;
стеклоочистителей;
входными и грузовыми дверями.
Описание гидросистемы
Гидравлическая система самолёта состоит из четырёх самостоятельных и независимых одна от другой систем №1, 2, 3 и 4. Каждая гидросистема не имеет агрегатов, трубопроводов и исполнительных механизмов, общих с другими гидросистемами.
Гидросистема № 1 обеспечивает:
работу левого нижнего гидропривода стабилизатора;
управление левой и правой внешними секциями руля высоты;
управление нижней секцией руля направления, а также работу рулевого агрегата демпфера рыскания;
управление левым элероном и работу рулевого агрегата демпфера крена;
управление левым спойлером № 4, левым и правым тормозными щитками № 1, правым спойлером № 3;
работу вспомогательного рулевого привода;
управление предкрылками и закрылками;
уборку и выпуск левой главной ноги шасси;
аварийный выпуск правой главной ноги шасси.
Гидросистема № 2 обеспечивает:
работу левого верхнего гидропривода стабилизатора;
управление левой и правой внутренними секциями руля высота;
управление нижней и верхней секциями руля направления, а также работу рулевого агрегата демпфера рыскания;
управление левым и правым элеронами, а также работу рулевого агрегата демпфера крена;
управление левым и правым спойлерами № 2;
работу вспомогательного рулевого привода;
торможения задних колес левой и правой главных ног шасси;
поворот колес носовой ноги шасси;
управление левым стеклоочистителем.
Гидросистема № 3 обеспечивает:
работу правого верхнего гидропривода стабилизатора;
управление правой внутренней и левой внешней секциями руля высоты;
управление нижней и верхней секциями руля направления, а также работу рулевого агрегата демпфера рыскания;
управление левым и правым элеронами, а также работу рулевого агрегата демпфера крена;
управление левым и правым спойлерами № 1;
работу вспомогательного рулевого привода;
управление предкрылками и закрылками;
уборку и выпуск средней ноги шасси;
торможение колес средней ноги шасси;
управление входными, грузовыми дверями и дверью кухни;
уборку и выпуск носовой ноги шасси;
поворот колес носовой ноги шасси;
управление правым стеклоочистителем.
Гидросистема № 4 обеспечивает:
работу правого нижнего гидропривода стабилизатора;
управление правой внешней и левой внутренней секциями руля высоты;
управление верхней секцией руля направления и работу рулевого агрегата демпфера рыскания;
управление правым элероном и работу рулевого агрегата демпфера крена;
управление правым спойлером № 4, правым и левым тормозными щитками № 2, левым спойлером № 3;
работу вспомогательного рулевого привода;
уборку и выпуск правой главной ноги шасси;
аварийный выпуск левой главной ноги шасси;
торможение передних колес левой и правой главных ног шасси.
Из назначений гидросистем № I, 2, 3 и 4 следует, что многие потребители питаются от двух или более гидросистем. Такое резервирование повышает надежность их работы. Так, например, гидроприводы рулей высоты и направления, элеронов, спойлеров и стабилизатора получают питание от всех четырех гидросистем. При выходе из строя одной гидросистемы управляемость самолета сохраняется полностью, а при выходе из строя двух или трех гидросистем обеспечивается ограниченная управляемость.
Номинальное рабочее давление в гидросистеме 210 кгс/см2. Характеристики гидросистемы и работоспособность потребителей сохраняется при отклонении давления от номинального на +20 кгс/cм2. В качестве рабочей жидкости применяется взрывопожаробезопасная жидкость НГК-5У (совместима с НГЖ-4), в дальнейшем НГЖ.

Рис. 2. Блок-схема гидросистемы самолёта.
Заменителем жидкости HГЖ является жидкость Скайдрол LD-4, Скайдрол 500B-4 и Хайджет IУ-А, которые могут смешиваться с жидкостью НГЖ в любых соотношениях. В гидросистему заливается около 360 л. жидкости. Источниками давления в каждой гидросистеме являются два аксиально-поршневых гидронасоса НП-108 переменной подачи. Подача насоса не менее 92 л/мин. Каждый гидронасос имеет регулятор подачи, который изменяет его подачу в зависимости от давления в системе.
Расчет гидроприводов
Передняя стойка шасси

Рис. 3. Передняя стойка шасси
Носовая нога шасси установлена в передней части фюзеляжа в плоскости симметрии самолета. Нога убирается вперед, по направлению полета, в негерметичный отсек фюзеляжа, закрываемый створками. Носовая нога оборудована механизмом управления поворотом колес.
Уборка ноги, а также открытие и закрытие створок отсека ноги осуществляется с помощью гидравлических цилиндров. Выпуск ноги происходит под действием собственного веса и встречного потока воздуха. На носовой ноге устанавливаются два колеса КТ 185, подтормаживаемые при
уборке шасси. Система управления поворотом колес носовой ноги – дистанционная, электрогидравлическая, следящая.
Описание и работа.
Основные элементы конструкции ноги:
траверса;
амортизатор;
боковые раскосы;
поворотный хомут;
коромысло с осью колес;
гидравлические цилиндры управления поворотом колес;
два колеса с подтормаживаемыми устройствами.
Траверса состоит из двух штампованных половин. Каждая половина имеет с одной стороны проушины для стыковки с ответным узлом цилиндра амортизатора, а с другой – цапфу для подвески ноги к узлу в отсеке ноги. Смазка к цапфам траверсы подается через пресс-масленки узлов подвески ноги. При уборке и выпуске нога поворачивается цапфами в бронзовых втулках, запрессованных в узлы подвески ноги, расположенные на стенках отсека ноги в районе шпангоута №15. Цапфы могут перемещаться в продольном направлении в гнездах траверсы с фиксацией в крайних положениях. Это необходимо при монтаже (демонтаже) ноги. Рядом с цапфами на траверсе имеются проушины для крепления боковых раскосов, которые вторыми концами подсоединяются к проушинам цилиндра амортизатора. В верхней части цилиндра амортизатора выполнен прилив, в который вставлен и закреплен болтом шип, предназначенный для подсоединения штока гидроцилиндра уборки ноги.
Рядом с проушинами для крепления боковых раскосов на цилиндре амортизатора выполнен прилив с проушинами, к которым подсоединяется серьга замка выпущенного положения ноги. Эта серьга состоит из двух щек, проушины которых соединены через распорные втулки болтами, установленными на смазке АМС-3 (ГОСТ 2712-52).
Верхние и нижние щеки ноги (одинаковые по конструктивному исполнению) имеют по три пары проушин, которыми они соединяются с помощью болтов с соответствующими проушинами амортизатора, а также по две проушины для установки на бронзовых втулках цапф гидроцилиндров управления поворотом колес. Щеки имеют пресс-масленки для подвода смазки к бронзовым втулкам, в которых поворачиваются цапфы хвостовиков гидроцилиндров. Рядом с пресс-масленками в отверстиях щек установлены в распорных втулках два стяжных болта. На двух крайних болтах крепления щек к проушинам цилиндра амортизатора установлено двуплечие качалки. Одно плечо каждой качалки связано со штоком гидроцилиндра, а другое- с тягой. Тяги подсоединены посредством осей с втулками к проушинам поворотного хомута ноги. Крайние болты крепления щек и болты каждого плеча качалок неподвижны относительно поверхностей соответствующих щек и качалок благодаря контровке головок болтов. Болты подсоединения к качалкам штоков гидроцилиндров и тяг, болты подсоединения тяг к поворотному хомуту, а также и сами качалки в местах подсоединения к щекам имеют пресс-масленки. Таким образом, при перемещении штока одного из гидроцилиндров усилие через качалку, тягу и звено с упором поворачивает поворотный хомут и связанное с ним коромысло с осью колес.
В отверстиях центральной части щек на четырех болтах установлен кронштейн с серьгой замка убранного положения ноги. Серьга может регулироваться по длине благодаря резьбовому соединению с вилкой, а также отклоняться благодаря пазу в кронштейне, в который входит хвостовик вилки серьги.
Шток амортизатора посредством серьги и болта, установленного в бронзовых втулках серьги, связан с коромыслом. Поворотный хомут, внутри которого запрессованы бронзовые втулки, поворачивается на хромированных поясках нижней части цилиндра амортизатора и снизу опирается на гайку, законтренную четырьмя болтами. Бронзовые втулки смазываются через пресс-масленки. Передняя часть поворотного хомута выполнена в виде вынесенного вперед патрубка с ухом, в отверстии которого крепится рычаг коромысла колес.
В задней части хомута имеется ухо для установки стяжного тандера при снятии колес со стойки. Над этим ухом выполнено резьбовое отверстие с пробкой для доступа к штифтам, контрящим нижнюю буксу амортизатора.
Поворотный хомут соединен с коромыслом пустотелой осью, неподвижной по отношению к хомуту. Коромысло может поворачиваться относительно оси на бронзовых втулках.
Ось со стороны гайки закрыта заглушкой, а со стороны головки – шкалой указателя обжатия амортизатора. Стрелка указателя закреплена болтами на рычаге коромысла. Стрелка-указатель предельного обжатия амортизатора установлена на шкале и законтрена срезной заклепкой d=2мм.
Ось колес пустотелая, соединена болтом с коромыслом. На патрубке коромысла на болте крепления оси колес установлен кронштейн с рычагом открытия створок при аварийном выпуске шасси. Этот рычаг через шайбы с
насечкой крепится двумя болтами к кронштейну. Такая конструкция обеспечивает регулировку ролика рычага по высоте. На кронштейне имеется проушина для установки стяжного тандера, фиксирующего коромысло относительно поворотного хомута при снятии колес, а также при заливке жидкости в амортизатор.
Кинематическая схема передней стойки шасси

Рис.4. Кинематическая схема уборки-выпуска шасси
1-колесо;
2-коромысло;
3-амортизационная стойка;
4-ГЦ уборки-выпуска шасси.
Расчет мощности гидропривода передней стойки шасси
Рассчитаем скоростной напор:
-
скорость полета;
-
плотность воздуха у земли.
.
Определим шарнирный момент от действия силы тяжести на конструкцию стойки шасси по формуле:
где,
-
коэффициент шарнирного момента при
уборке и выпуске;
-
вес стойки шасси;
-
длина стойки шасси;
-
угол поворота при выпуске стойки шасси.
.
Определим шарнирный момент, возникающий при действии набегающего потока на конструкцию стойки шасси по формуле:
где,
-
коэффициент лобового сопротивления;
-
площадь шасси находящаяся в потоке;
-
радиус приложения аэродинамической
силы.
.
Полный шарнирный момент ищем по следующей формуле:
где,
-
суммарный момент;
-
момент от сил трения.

Угловая скорость уборки – выпуска шасси:
где,
-
время уборки и выпуска шасси.

Определим
мощность потребляемую механизмом уборки
– выпуска шасси, если КПД равно 0.9 (
):
.
Элероны
Элероны предназначены для обеспечения поперечной управляемости самолета. Они размещаются в хвостовой части крыла между нервюрами №35-42 и навешиваются на узлы, расположенные на хвостовиках нервюр №35, 37, 37А, 38, 39, 41 и 41А.
Элерон состоит из двух секций – внутренней и наружной, соединенных двумя серьгами. Оба элерона отклоняются синхронно вверх и вниз на 250. Они имеют весовую балансировку, выполненную в виде сосредоточенного груза, установленного в передней части внутренней секции между нервюрами №18-24.
Описание.
Конструкция обеих секций однотипна и состоит из лонжерона, стрингеров, нервюр, хвостовиков нервюр, диафрагм, профилей и накладок, хвостовой части и кронштейнов навески.
Лонжерон элерона типовой конструкции. Он состоит из поясов и стенки, подкрепленных стойками. Пояса и стойки изготовлены из профилей уголкового и таврового сечений, стенка – из листового материала.
Стрингеры установлены в носовой части элерона, они выполнены составными из листов дюралюминия швеллерного сечения.
Нервюры установлены по всей длине хорды профиля элерона, хвостовики расположены между лонжероном и хвостовой частью, диафрагмы – в носовой части элерона.
Балансировочный груз представляет собой пустотелую отливку с четырьмя полостями, в которые заливается свинец. Груз крепится к каркасу элерона посредством 16 футорок, установленных по ребрам отливки.
Диафрагмы составляют силовой набор носовой части элерона и изготовлены из листового дюралюминия.
Хвостовая часть элерона состоит из лонжерона, обшивки, сотового заполнителя и двух торцевых диафрагм. Она винтами крепится к каркасу элерона.
Обшивка элерона изготовлена из листового дюралюминия, в ней сделаны вырезы под технологические и эксплуатационные лючки.
Кинематическая схема элерона

Рис. 6. Кинематическая схема элерона
Расчет мощности гидропривода элерона
-
угол отклонения;
-
время отклонения.
Определим шарнирный момент от аэродинамических сил:
,
где
-
коэффициент шарнирного момента;
-
площадь элеронов;
-
средняя хорда элерона;
-
скоростной напор (взят из расчетов для
шасси).

Мощность для привода элеронов определяем по следующей формуле:
,
где
-
потребная угловая скорость.
.
Гидравлический расчет подсистемы уборки – выпуска шасси
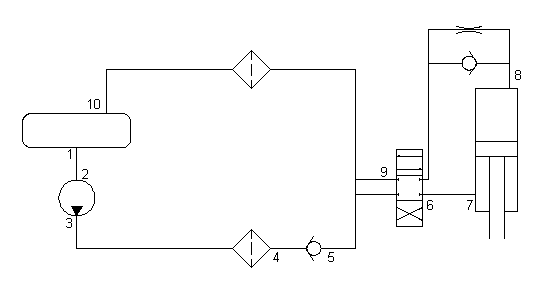
Для расчета воспользуемся гидравлической схемой подсистемы уборки – выпуска шасси, представленной на рисунке 7.

Рис. 7. Гидравлическая схема уборки – выпуска передней стойки шасси.
Исходные данные для расчета:
Давление
подачи
;
Время уборки (выпуска) шасси на 900=12с;
Давление
наддува бака
;
Механический
КПД насоса
;
Объемный
КПД насоса
;
Длины трубопроводов
-
L>1-2>
L>3-4>
L>4-5>
L>5-6>
L>6-7>
L>8-9>
L>9-10>
0.75м
0.75м
0.5м
19м
2м
2м
21м
Расчет:
Определим эффективные площади поршней со стороны штоковых полостей цилиндров:
,
где
-
усилие, действующее вдоль штока
гидроцилиндра;
-
эффективное давление в цилиндре с учетом
потерь;

.
Диаметр
штока силового цилиндра равен 50% поршня
.
Учитывая,
что
получим:


Объем
гидроцилиндра
,
где F-площадь
поршня,
-
ход штока:


Подачу насоса можно определить по формуле:
,
где
-
расход жидкости через дроссельный пакет
на холостом ходе;
.
Потребная мощность для привода насоса:
.
Определим диаметры трубопровода по участкам и скорости движения жидкости в них:
,
где
V- средняя скорость жидкости на выбранном участке.
Линия всасывания: V=1.5м/с;
Линия нагнетания: V=6м/с;
Линия слива: V=2м/с.
Участок 1-2:
V=1.5м/с
-
округлим до 14мм,
тогда скорость:
.
Участок 3-4-5-6-7:
V=6м/с
-
округляем до 6мм,
тогда скорость:
.
Участок 8-9-10:
V=2м/с
-
округляем до 12мм,
тогда скорость:
.
Определяем потери (гидравлические и местные):
Потери на трение по длине трубопровода:
,
где
-
длина участка трубопровода;
-
коэффициент потери на трение по длине;
-
плотность жидкости для АМГ-10;
-
кинематическая вязкость и плотность
АМГ-10.
Местные потери определяются по формуле:
,
где
-
коэффициент местного сопротивления.
Коэффициент потери на трение характеризуется режимом течения, то есть
при
и
при
,
где
.
Участок 1-2:
-
ламинарный режим,
;

Участок 3-4:
-
турбулентный режим,
;
,
где
-потери на обратном клапане,
;

Участок 4-5:
,
где
- потери на фильтре,

.
Участок 5-6:
,
где
- потери на электрокране,


Участок 6-7:

Участок 8-9:
-ламинарный
режим,

,
где
- потери на электрокране,

.
Участок 9-10:
,
где
- потери на фильтре,

.
Суммарные гидравлические потери:


следовательно,
давление, создаваемое насосом (
),
достаточное для работы системы.
Мощность,
требуемая на преодоление
:

Суммарная мощность, потребляемая гидроприводом для уборки (выпуска) стойки шасси:
.
Литература
Сабельников В.И. "Рабочие материалы для курсового и дипломного проектирования по курсу ЭСЛА", Н. 1994.
Матвеенко, Зверев "Проектирование гидрогазовых систем ЛА", М., 1979.
Самолет Ил-86. "Конструкция и техническое обслуживание"
"Гидрогазовые системы" – методические указания к выполнению курсовой работы. Новосибирск. НЭТИ.
Конспект лекций по дисциплине "Энергетические системы Летательных Аппаратов".
Башта Т.М. "Гидравлические приводы летательных аппаратов". М: Машиностроение, 1995 г.
"Системы механического оборудования летательных аппаратов" Новосибирск, НЭТИ, 1988 г.