Проектирование и расчет релейно-контакторной системы управления
Министерство образования и науки Украины
Донбасский государственный технический университет
Кафедра “Автоматизированные электромеханические системы”
СЕМЕСТРОВОЕ ЗАДАНИЕ №2
“Проектирование и расчет релейно-контакторной системы управления”
по курсу: “Теория электропривода”
Вариант №6
Выполнил
Проверила
Алчевск 2009
СОДЕРЖАНИЕ
Введение
Разработка принципиальной схемы управления электроприводом
Описание работы разработанной схемы при пуске
Описание работы разработанной схемы при реверсе
Описание работы разработанной схемы при торможении
Описание работы защит разработанной системы
Расчет пусковой диаграммы
Выбор пусковых сопротивлений, сопротивления противовключения и сопротивления гашения поля
Расчет и выбор реле
Выбор контакторов
Расчет и выбор элементов защит
Расчет и выбор вспомогательного электрооборудования
Выводы
Перечень ссылок
ВВЕДЕНИЕ
Управление электроприводами заключается в осуществлении пуска, регулирования скорости, торможения, реверсирования, а также поддержания режима работы привода в соответствии с требованиями технологического процесса.
В системе управления электроприводом используются: релейно-контактные аппараты, где основными элементами являются различного рода реле, контакторы, путевые выключатели и др.; усилители, преобразовательные устройства и датчики — электромашин ые, электромагнитные, полупроводниковые (транзисторные, тиристорные, интегральные) и т. п.; бесконтактные логические элементы, различные элементы цифровой и аналоговой вычислительной техники, микропроцессоры и микро-ЭВМ и т. п.
Современные регулируемые электроприводы для автоматических линий и механизмов обычно строятся на полупроводниковых устройствах. На релейно-контакторную аппаратуру в таких приводах обычно возлагаются функции включения питания (подсоединение к сети) силовых блоков и блоков управления, защиты и ввода первоначальных и конечных команд в систему управления приводом. Но наряду с электроприводами, выполняющими сложные функции, в ряде случаев содержащими микропроцессоры или программные устройства управления, существует большое количество электроприводов, на которые возлагаются относительно простые функции. Это обычно нерегулируемые или регулируемые ступенчато в небольшом диапазоне электроприводы с невысоким быстродействием. В задачу систем управления такими электроприводами чаще всего входит организация пуска, торможения, перехода с одной ступени скорости на другую, реверса и осуществление этих операций в определенной последовательности во времени или по командам от рабочей машины, завершившей очередную технологическую операцию. Причем необязательно, чтобы система управления выполняла все эти функции: набор функций зависит от требований к приводу. Системы управления такими электроприводами обычно строятся на релейно-контактной аппаратуре при относительно небольшом числе срабатываний ее в час, а при большом числе срабатываний — на бесконтактной аппаратуре.
Автоматическое управление электроприводами имеет большое народнохозяйственное значение потому, что оно дает возможность увеличить производительность труда, облегчить условия труда рабочего, улучшить качество продукции, уменьшить расход электроэнергии и повысить надежность работы производственных механизмов.
Разработка принципиальной схемы управления электроприводом
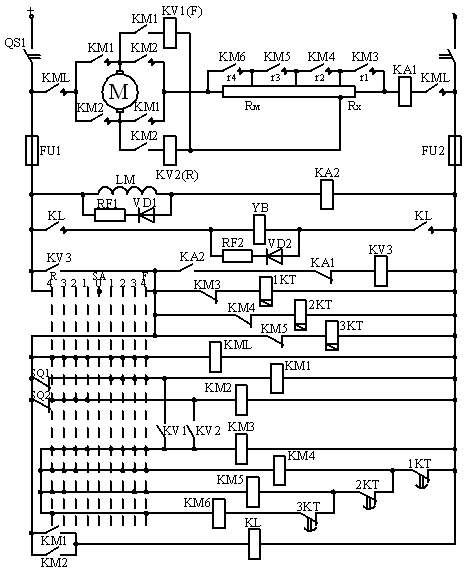
В соответствии с заданием разработана принципиальная схема. Схема питается напряжением 220 В (номинальное напряжение двигателя) и приведена на рис. 1.1.

Рисунок 1.1 – Принципиальная схема управления двигателем Д32
Описание работы разработанной схемы при пуске
Пуск двигателя осуществляется в 4 ступени в функции времени. Перед пуском систему подготавливают к работе. Для этого замыкают рубильник QS1. При этом запитывается параллельная обмотка возбуждения двигателя LM и минимально-токовое реле KA2, которое замыкает свой контакт в цепи реле напряжения KV3, которое осуществляет нулевую защиту двигателя. Далее реле KV3 замыкает свой контакт и запитывает оперативную часть схемы через перемычку.
При установке SA (командоконтроллера)
в 4-е положение допустим “вперед”
(Forward),
получает питание линейный контактор
KML, который подключает к сети якорь
двигателя с полным пусковым сопротивлением.
Ток течет через контактор KM1 или KM2 (в
зависимости от необходимой полярности).
При этом напряжение поступает на реле
напряжения KV1 (или KV2) и оно замыкает свой
контакт в цепи контактора ускорения
KM3. При этом KM3 шунтирует первую ступень
и отключает от питания реле времени
1КТ, оно замыкает свой контакт через
выдержку времени равную расчетному
времени пуска на первой ступени и подает
напряжение на контактор KM4. Контактор
КМ4 шунтирует вторую ступень сопротивления
.
Таким образом, двигатель некоторое
время работает на второй ступени пуска.
КМ4 размыкает свой контакт в цепи реле
времени 2КТ и это реле замыкает свой
контакт через время равное расчетному
времени пуска на второй ступени и подает
питание на контактор КМ5. КМ5 шунтирует
третью ступень сопротивления и отключает
от питания реле времени 3КТ. Реле времени
3КТ замыкает свой контакт через выдержку
времени равную расчетному времени пуска
на третей ступени и подает напряжение
на контактор KM6, который шунтирует
последнюю (четвертую) ступень сопротивления
и двигатель выходит на естественную
характеристику и начнет разгоняться
по ней до скорости, соответствующей
статической нагрузке. Пуск двигателя
в противоположном направлении производится
аналогично после установки командоконтроллера
в 4-е положение “назад” (Reverse).
Описание работы разработанной схемы при реверсе
Рассмотрим реверс двигателя, осуществляемый при помощи торможения противовключением до малой скорости и дальнейшего пуска вперед до статической скорости. Противовключение производится в функции ЭДС с косвенным контролем по скорости.
Пусть двигатель вращался в
направлении “вперед”. Команда на реверс
подается переключением командоконтроллера
в положение “назад” (Reverse).
При этом теряют питание контакторы
направления “вперед” KM1 и получают
питание контакторы направления “назад”
KM2. При этом изменяется полярность
напряжения на якоре двигателя, он
переходит в режим противовключения и
начинает тормозиться полным пусковым
сопротивлением в якорной цепи (четыре
пусковых сопротивления RV1-RV4). Эти
сопротивления вводятся в цепь из-за
того, что реле KV1 отключается, а реле KV2
не может включиться из-за малого
напряжения на его катушке. По мере
снижения скорости двигателя примерно
до
напряжение на катушке реле
KV2 увеличивается и оно срабатывает. Это
приводит к запитыванию контактора КМ3
и шунтированию первой ступени пускового
резистора, далее начинается пуск
двигателя в направлении “назад”, как
описано в предыдущем пункте.
Описание работы разработанной схемы при торможении
Торможение двигателя осуществляется в режиме выбега в функции ЭДС двигателя с косвенным контролем по скорости.
Команда на торможение подается переключением командоконтроллера в нулевое положение. При этом теряет питание линейный контактор КМL, который отключает двигатель от сети. Также теряет питание контактор направления КМ1 (или КМ2), который размыкает свой контакт в цепи контактора КL и тем самым отключает его. Контактор КL размыкает свои контакты в цепи электромагнитного тормоза YB. Катушка электромагнитного тормоза теряет питание и отпускает колодки, которые начинают тормозить двигатель до остановки.
Описание работы защит разработанной системы
Нулевую защиту (защиту от самозапуска) реализует реле напряжения KV3. При снижении, либо исчезновении напряжения в схеме реле отпускает свой якорь и обесточивает схему. благодаря этому при восстановлении напряжения схема не запустится автоматически, что могло бы привести к негативным последствиям. Дальнейшая работа при срабатывании нулевой защиты возможна только при повторном запуске (при установке командоконтроллера в 4-е положение).
Защита от коротких замыканий (максимально-токовая) реализована при помощи реле максимального тока КА1 и предохранителей FU1 и FU2. При возникновении режима короткого замыкания срабатывание защиты сводится к отключению цепи управления и торможению двигателя.
Защита от обрыва поля двигателя (минимально-токовая) обеспечивается минимально-токовым реле КА2, включенным последовательно с обмоткой возбуждения двигателя. При значительном снижении, либо полном исчезновении тока возбуждения реле КА2 отпускает свой якорь, отключая схему и двигатель останавливается.
Защита от перенапряжения на обмотке возбуждения двигателя реализована включением параллельно обмотке возбуждения диода VD и резистора гашения поля RF. Защита работает при переходных процессах при изменении полярности напряжения, когда на обмотке возбуждения возникает перенапряжение. При этом в замкнутом контуре LM-VD-RF возникает ток, который гасится на сопротивлении RF.
Блокировка крайних положений механизма реализована включением в цепи контакторов этих направлений размыкающих контактов концевых выключателей SQ1 и SQ2. При достижении механизмом одного из крайних положений теряет питание контактор соответствующего направления и двигатель тормозится.
ВЫВОДЫ
Применение разомкнутых релейно-контакторных систем позволяет осуществлять пуск, реверс и торможение электродвигателей в автоматическом режиме. Для этого используются различные аппараты: контакторы, автоматы, регуляторы, реле, кнопочные станции, путевые выключатели, бесконтактные логические элементы, а также разного рода вспомогательные электрические машины и аппараты.
Автоматизация пускового процесса значительно облегчает управление электродвигателями, устраняет возможные ошибки при пуске, ведет к повышению производительности механизмов и освобождает человека от утомительных операций.
Перечень ССЫЛОК
1. Чиликин М.Г., Сандлер А.С. Общий курс электропривода. – 6-ое изд., – М.: Энергоиздат, 1981. – 576 с.
2. Зимин Е.Н., Яковлев В.И. Автоматическое управление электроприводами. – М.: Высш. шк., 1979. – 319 с.
3. Алексеев Ю.В., Рабинович А.А. Краново-металлургические и экскаваторные двигатели постоянного тока: Справочник. – М.: Энергоатомиздат, 1985. – 168 с.
4. Л.И. Какуевицкий, Т.В.Смирнова Справочник реле защиты и автоматики/ Под ред. М.Э. Хейфица. Изд. 3-е, переработ. и доп. М.: Энергия, 1972. – 344 с.
5. Яуре А.Г., Певзнер Е.М. Крановый электропривод: Справочник. – М.: Энергоатомиздат, 1988. – 344 с.
6. Электрооборудование кранов / А.П. Богословский, Е.М. Певзнер, H.Ф. Семерня и др.- М.: Машиностроение, 1983.- 310 с.
7. Вешеневский С.Н. Характеристики двигателей в электроприводе. М.: Энергия, 1966. – 256 с.