Проектирование конструкции рольганга при производстве вареных колбас
Министерство сельского хозяйства Российской Федерации
Федеральное государственное образовательное учреждение
высшего профессионального образования
«Ижевская государственная сельскохозяйственная академия»
Факультет заочного обучения
Кафедра ТОППП
КУРСОВОЙ ПРОЕКТ
Проектирование конструкции рольганга при производстве вареных колбас
Пояснительная записка
КП 02024 ПЗ
Выполнил: студентка 6 курса
спец. МПСХП
А.А. Сергеева
Руководил: С.П. Игнатьев
Ижевск 2007
РЕФЕРАТ
Курсовая работа содержит 19 страниц печатного текста, рисунков 3, источников 6 , графических листов 3.
Конструкция, расчет, ролики, стойки, рольганг, цепь, подшипник, конвейер, привод.
Темой курсового проекта является «Проектирование конструкции рольганга при производстве вареных колбас».
Основной частью проекта является конструкторская разработка рольганга. Цель разработки; помочь предприятию снизить применение ручного труда при погрузке готовой продукции.
Документация включает пояснительную записку сборочные чертежи, и деталировку.
СОДЕРЖАНИЕ
Введение
1. Обоснование конструкции
2. Расчет роликового конвейера
3. Расчет цепной передачи
4. Расчет подшипников
Заключение
Литература
ВВЕДЕНИЕ
Мясная отрасль агропромышленного комплекса призвана снабжать население высококачественными продуктами питания; мясом, колбасными изделиями, солеными мясными продуктами, полуфабрикатами, готовыми быстро размораживающимися блюдами и продуктами, консервами и другими законсервированными продуктами. Для увеличения выпуска мяса и мясопродуктов ежегодно реконструируются действующие и вводятся новые мясоперерабатывающие предприятия. Постоянно происходит техническое перевооружение и оснащение предприятий мясной отрасли АПК страны. Производится большая работа по повышению качества, улучшению и обогащению ассортимента мясных продуктов.
Особое место в ассортименте мясных продуктов занимают колбасные изделия. Колбасы представляют собой изделия из колбасного фарша в оболочке, подвергнутые теплой обработке до готовности к употреблению. Колбасный фарш представляет собой смесь, состоящую преимущественно из измельченных, природных для питания человека частей туш свинины, КРС, телят, овец и других видов животных. В смесь обязательном порядке добавляют соль, пряности и по необходимости воду (лед), молоко, спирт и другие компоненты.
Производство высококачественных колбасных изделий - это комплексная задача. Ее решение зависит от совершенствования комплексной и безотходной технологии переработки сельскохозяйственного сырья, дальнейшей автоматизации и механизации сельского хозяйства и перерабатывающих отраслей, снижение сырьевых энергетических и трудовых затрат, повышение трудовой производственной дисциплины, профессионального роста кадров, что особенно важно в условиях хозяйственного расчета и самофинансирования.
1. ОБОСНОВАНИЕ КОНСТРУКЦИИ
Транспортирующие машины различаются по способу передачи движущей силы. Рабочий элемент может иметь поступательное, возрастно-поступательное, вращательное или колебательное движение; по характеру перемещения груза – на непрерывно движущимся несущем элементе (ленточные, пластинчатые конвейеры), непрерывно движущихся рабочих элементах (подвесные, тележечные конвейеры), волочение груза по неподвижному желобу (скребковые, винтовые конвейеры), скольжение груза (качающиеся инерционные и вибрационные конвейеры) и другое.
Выбор типа транспортирующей машины зависит от характера груза, требуемой производительности, схемы и размеров трассы транспортирования, допустимых габаритов машин, ее массы и стоимости.
Широкое распространение получили ленточные, пластинчатые, ковшовые, подвесные конвейеры. Эти конвейеры состоят из тягового и несущего органа с поддерживающими и направляющими элементами, ведущего (приводного) и ведомого барабанов или звездочек, натяжного устройства, загрузочного и перегрузочного устройств, рамы.
Выбранная нами конструкция называется рольгангом. Рольганг – это роликовый конвейер, предназначенный для транспортировки штучных грузов. Он состоит из последовательно расположенных на раме вращающихся роликов, по которым перемещается груз. Трасса конвейера может быть прямолинейной и криволинейной.
Роликовые конвейеры различают: по приводу – приводные (рис. 1).

Рис.1. Схемы роликовых конвейеров:
а – приводного (ролики приводятся во вращение от двигателя);
б – неприводного.
Привод роликов приводных конвейеров бывает: индивидуальный; групповой – через продольный вал с коническими колесами (рис. 1), через цепи или через ремни (рис. 2)

Рис.2. Ролики с групповым приводом:
а – передача от ролика к ролику; б – передача секциями;
в – передача одной цепью.
2. РАСЧЕТ РОЛИКОВОГО КОНВЕЙЕРА
1. Найдем производительность конвейера по формуле:
|
Q = 3,6 V т / tr, |
(2.1) |
где – V – скорость движения груза. м / с;
т – масса одного груза, кг,
tr – шаг расположения грузов на конвейере, м.
Q = 3,6 0,1 30 / 0,5 = 21,6 т / ч
2. Штучная производительность конвейера:
|
Z = 1000 Q / т, |
(2.2) |
где Q – производительность конвейера, т / ч;
т – масса одного груза, кг.
Z = 1000 21,6 / 30 = 720 шт / ч
3. Число грузов, одновременно находящихся на конвейере:
|
Zо = Z L / (3600 V) >, 1, |
(2.3.) |
где L – длина конвейера, м;
Z – штучная производительность конвейера, шт / ч.
Zо = 720 6 / (3600 0,1) = 12 шт.
4. Сопротивление движению одного груза на неприводном горизонтальном конвейере:
|
|
(2.4.) |
где т – масса одного груза, кг;
м – коэффициент трения качания груза по роликам (зависит от
материала груза), м 1 10-3 м;
D – диаметр ролика, м;
тр – масса одного ролика, т тр = 21,0 т;
f – коэффициент трения в цапфе ролика, f = 0,04;
Z – число роликов, на которых лежит груз, шт.;
d – диаметр цапфы ролика, м; d (0,2 – 0,25) D;
k – коэффициент, учитывающий распределение массы вращающейся части ролика по его поперечному сечению, k = 0,8 – 0,9;
Z – число роликов в конвейере, шт.;
L - длина пути перемещения груза (длина конвейера), м.


5. Коэффициент сопротивления движения груза на конвейере:
|
W = F / ( т g), |
(2.5.) |
где F – сопротивление движению одного груза, Н;
т – масса одного груза, т;
g – 9,8 м/с ;
W = 1,33 /
(30
9,8) = 4,4
10
6. Мощность двигателя приводного конвейера:
|
|
(2.6.) |
где n – КПД передач от двигателя и роликам, n = 0,97.

7. Наиболее крутящий момент, передающийся на один ролик приводного конвейера
|
|
(2.7.) |
где k1 – коэффициент неравномерности распределения груза на ролик,
k = 1,5 – 1,2;
т – масса одного груза, т; т = 21,0 т;
Z – число роликов, на которых лежит груз;
тр = масса одного ролика, т;
f – коэффициент трения в центре ролика, f = 0,04;
d – диаметр цапфы ролика, м; d (0,2 – 0,25) D = 20,4 м

3. РАСЧЕТ ЦЕПНОЙ ПЕРЕДАЧИ
Исходные данные:
Мощность передачи Рц = 1500 Вт
Угловая скорость ведущей звездочки, W3 = 9,0 рад / с.
Передаточное отношение И3 = 3
Найдем коэффициент нагрузки, учитывающий условия монтажа и эксплуатации передачи:
|
Кэ = Ка Кнак Креч. Ксм Креж Кд , |
(3.1.) |
где Ка – коэффициент межосевого расстояния, Ка = 1,25;
Кнак – коэффициент, учитывающий линию наклона центров звездочек к горизонту, Кнак = 1,0;
Креч – коэффициент регулировки положения оси, Креч = 1,25;
Ксм – коэффициент смазки, Ксм = 1,3;
Креж – коэффициент режима работы, Креж = 1,0;
Кд – коэффициент, учитывающий характер нагрузки, Кд = 1,0
Кэ = 1,25 1,0 1,25 1,3 1,0 1,0 = 2,03
Определим момент ведущей звездочки
|
|
(3.2.) |
где Рц – мощность цепной передачи, Вт;
W3 – угловая скорость вращения ведущей звездочки, рад./с.

Частота вращения ведущей звездочки определяется по формуле:
|
|
(3.3.) |
где W3 – угловая скорость вращения ведущей звездочки, рад.

Число зубьев меньшей звездочки Z1 = 17?
число зубьев большей звездочки
|
Zz
= Z |
(3.4.) |
где Z
– число зубьев меньшей звездочки;
И
– передаточное отношение цепной передачи
Zz = 17 3 = 51
Выбираем ближайшее к частоте вращения ведущей звездочки табличное значение частоты вращения
nоз = 50 мин
Найдем мощность по мощности, передаваемой цепной передачей
|
|
(3.5.) |
где Рц – мощность передаваемой цепной передачей, Вт;
Кэ – коэффициент монтажа и эксплуатации;
Z
– частота зубьев меньшей звездочки;
n
– частота вращения меньшей звездочки,
мин
Z
– число зубьев, равное 25

Характеристика цепи:
допускаемая мощность [Pp] = 1,41 кВт; при n03 = 50 мин.
шаг цепи, t = 19,05 мм;
диаметр оси шарнира, d = 5,96 мм;
длина втулки шарнира, b = 17,75 мм;
количество рядов цепи Jp = 1;
разрушающая нагрузка, Fраз = 32000 Н;
масса одного метра длины, gт = 1,5 т / м;
максимально необходимый коэффициент запаса прочности
[n] = 7,2;
обозначение цепи ПР – 19,05 – 32000 ГОСТ 13568-75
Найдем диаметры длительных окружностей звездочки
|
|
(3.6.) |
где t – шаг цепи, мм;
Z – число зубьев звездочки.


Найти скорость цепи:
|
|
(3.7.) |
где D
– делительной окружности ведущей
звездочки, мм;
W
– угловая скорость вращения ведущей
звездочки, рад / с
м/с
Найдем силу тяги:
|
|
(3.8.) |
где Т
– момент ведущей звездочки;
D
– диаметр делительной окружности
ведущей звездочки, мм.

Давление в шарнире цепи:
|
(3.9.) |
где К – коэффициент монтажа и эксплуатации;
F –
проекция опорной поверхности шарнира,
мм,
105,8мм

Допустимое давление в шарнире
цепи [P]
=
Условия прочности выполняется
28,8 < 35
Предварительное межосевое расстояние
|
а = (30 – 50) t, |
(3.10.) |
где t – шаг цепи, мм
а = 30 19,05 = 571,5 мм
Определим число звеньев
|
|
(3.11.) |
где а – межосевое расстояние, мм;
Z
– число зубьев ведущей звездочки;
Z
– число зубьев ведомой звездочки;
t – шаг цепи, мм

Найдем длину цепи:
|
L = j t, |
(3.12) |
где j – число звеньев;
t – шаг цепи, мм.
L = 102 19,05 = 1943,1 мм
Натяжение цепи от собственного веса
|
|
(3.13.) |
где Кf– коэффициент угла наклона линии
qт – масса одного метра центра, т / м;
а – межосевое расстояние, мм
Ff = 9,81 1,5 1,5 571,5 = 12,60 Н
Натяжение цепи от центробежной силы
|
|
(3.14.) |
где qT– масса одного метра цепи, т / м;
V – скорость цепи, м / с.

Проверим запас прочности цепи
|
|
(3.15.) |
где Fраз – разрушающая нагрузка. Н;
Ft – сила тяги. Н;
Ff – сила, действующая от массы цепи, Н;
FV – сила, действующая от центробежных сил, Н;
Кg – коэффициент динамической нагрузки, К = 1,0

Допустимый запас прочности для данной цепи [n] = 7,2
7,2 < 11,5
Условие запаса прочности выполняется, значит, выбранная нами цепь соответствует требованиям прочности.
4. ВЫБОР И РАСЧЕТ ПОДШИПНИКОВ
Расчет подшипников ведет по определению долговечности подшипников в миллионах оборотов
|
L = (С Ккач / Ррасч), |
(4.1) |
где С – динамическая грузоподъемность, Н;
Ккач. – коэффициент зависящий от класса точности подшипника,
Ккач.=1
Ррасч. – производственная нагрузка, Н;
т – показатель степени, для шарикоподшипников, т = 3
|
Р = (Х V Fr + Уfa) Kб KT, |
(4.2) |
где Fr; Fa – радиальная и осевая нагрузка, Н;
КT – температурный коэффициент, Кт = 1;
Кб – коэффициент безопасности, Кб = 1,3;
V – коэффициент вращения, внутреннего кольца, V = 1$
Х;У – коэффициенты радиальной и осевой нагрузок.
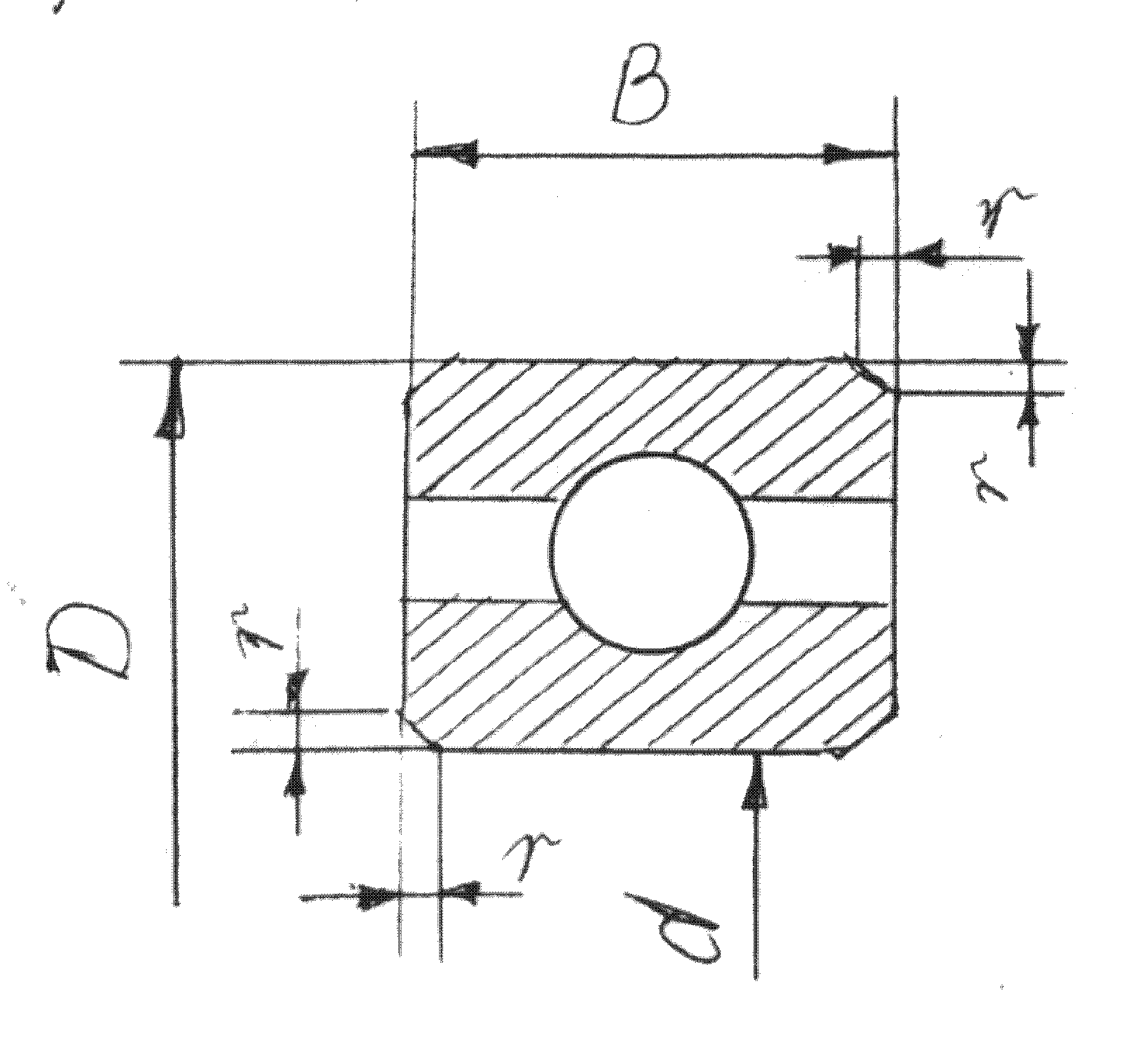
Выбираем шарикоподшипники радиальные специфические однорядные № 205 ГОСТ 8338 – 75
d = 25 мм; D = 52 мм; B = 15 мм; r = 1,5 мм; C = 14 кН; Со = 6,9 кН;
т = 0,12 т.
Рассчитаем приведенную нагрузку.
Определим отношение Fa и сравним ее
VFr
Fa = 485 = 0,46 > e = 0,42
VFr 11047
при Fa > e
VFr х = 0,65; у = 2,33
Ррасч. = (0,65 1 1047 + 2,33 485) 1,3 1 = 2354 Н
Определим долговечность подшипника
L = (C Kкач.) = (14000 1) = 210 млн.об.
Расч. 2354

Рис.3. Шарикоподшипник радиальный специфический однорядный
ЗАКЛЮЧЕНИЕ
Производство высококачественных колбасных изделий – это комплексная задача. Ее решение зависит от совершенствования комплексной и безотходной технологии переработки сельскохозяйственного сырья, дальнейшей автоматизации и механизации сельского хозяйства и перерабатывающих отраслей, снижение сырьевых энергетических и трудовых затрат, повышение трудовой производственной дисциплины, профессионального роста кадров, что особенно важно в условиях хозяйственного расчета и самофинансирования.
Спроектирована новая конструкция «Рольганг», для облегчения ручного труда. Проведены расчеты: расчет роликового конвейера, расчет цепной передачи, расчет подшипников. Выполнены сборочные чертежи и деталировка.
При внедрении рольганга уменьшается объем ручного труда и увеличивается коэффициент механизации при производстве вареных колбас.
ЛИТЕРАТУРА
1. Рогов Н.А. Технология и оборудование колбасного производства. – М.: Агропромиздат, 1989.
2. Черновский С. А., Ицкович Г. М., Боков К. Н. и др. Курсовое проектирование деталей машин. – М.: Машиностроение, 1979.
3. Кузьмин А. В., Марон Ф. Л. Справочник по расчетам механизмов подъемно-транспортных машин. – Минск, Высшая школа, 1983.
4. Котляр Л. И., Основы монтажа, эксплуатации и ремонта технологического оборудования. – М.: Колос, 1981.
5. Анурьев В. И. Справочник конструктора-машиностроителя. В трех томах. Т.1, т.2, т.3. – М.: Машиностроение, 1982.
6. Красников В. В. Подъемно-транспортные машины. – М.: Колос, 1973.
1








,


