Проектирование котельной промышленного предприятия
Содержание
Введение
1. Описание котельной
1.1 Краткое описание котельной
1.2 Описание тепловой схемы существующей котельной
2. Расчет тепловых процессов в котельной
3. Расчет тепловой схемы котельной
4. Тепловой расчет парового котла ДЕ-25-14ГМ
4.1 Исходные данные для расчёта
4.2 Определение присосов воздуха и коэффициентов избытка воздуха по газоходам
4.3 Расчёт объёмов воздуха и продуктов сгорания
4.4 Расчёт энтальпий воздуха и продуктов сгорания
4.5 Расчёт потерь теплоты, КПД и расхода топлива
4.6 Тепловой расчёт топки
4.7 Расчёт первого конвективного пучка
4.8 Расчёт второго конвективного пучка
4.9 Расчёт водяного экономайзера
4.10 Определение невязки теплового баланса
5. Аэродинамический расчет парового котла ДЕ-25-14ГМ
Введение
Теплоснабжение является одной из основных задач энергетики. На теплоснабжение народного хозяйства и населения расходуется около 1/3 всех используемых в Украине первичных топливно-энергетических ресурсов. Одной из важнейших задач ускорения научно-технического прогресса является внедрение новых конструкторских и технологических разработок, надёжных и эффективных, обеспечивающих существенное повышение производительности труда, экономию материальных ресурсов, охрану окружающей среды. Необходимо обновление производства, в первую очередь за счёт замены малоэффективного оборудования прогрессивным, высокопроизводительным; усовершенствование тепловых схем котельных и повышение эффективности их работы за счёт более полного использования теплоты. Развитие промышленности и широкое жилищно-коммунальное строительство вызывают непрерывный рост потребления тепловой энергии. Одновременно идёт процесс концентрации этой нагрузки в крупных городах и промышленных районах, что создаёт предпосылки для дальнейшего развития различных схем теплофикации.
1. Описание котельной
1.1 Краткое описание котельной
Котельная
установка предназначена для производственных
целей и оборудована паровым котлом типа
ДЕ-25-14ГМ. Максимальная паропроизводительность
котельной
(т/ч). Конденсат возвращается в количестве
80% при температуре 70оС.
Давление пара, необходимое потребителю,
равно 7ат. Обычно потребность в паре для
технологических потребителей составляет:
летом
(т/ч), в зимнее время – до 8 т/ч. Т.е., как
в летнее время, так и в зимнее обычно
работает один котёл. Второй котёл
находится в резерве. Котел оборудованы
непрерывной продувкой, принимаемой
равной 5%. Потери на собственные нужды
котельной составляют 5% общего расхода
вырабатываемого пара.
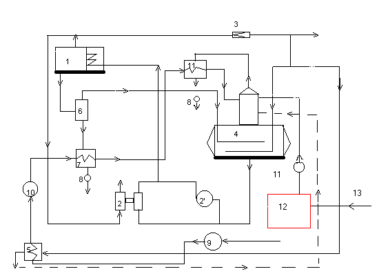
1.2 Описание тепловой схемы существующей котельной
Насыщенный
пар из котла 1 с давлением
атм поступает в общую паровую магистраль
котельной, из которой часть пара
отбирается на привод резервного парового
поршневого насоса 2. К основным
производственным потребителям пар
направляется с давлением 7ат после
прохода через редуктор 3. С этим же
давлением пар используется для нагрева
питательной воды в деаэраторе 4 и исходной
воды в пароводонагревателе 5. Возврат
конденсата по линии 13 от потребителей
осуществляется в конденсатный бак 12,
откуда он при помощи конденсатных
насосов 11 подаётся в деаэратор. В него
поступает также предварительно
обработанная водопроводная вода,
восполняющая потери конденсата, а также
конденсат от пароводонагревателя 5. Для
уменьшения потерь тепла с продувочной
водой устанавливается сепаратор
непрерывной продувки 6. В сепараторе за
счёт снижения давления с 7 до 1,7атм
частично выделяется пар вторичного
вскипания, который направляется в
деаэратор, а остаточная продувочная
вода охлаждается до 40Сo
в водоводяном теплообменнике 7, после
чего сбрасывается в барботёр 8, а затем
в дренаж. Исходная водопроводная вода
с температурой 5Сo,
подаваемая насосом 9, нагревается в
теплообменнике 5 до 25Сo,
затем проходит химическую водоочистку
10 и теплообменник 7, в котором нагревается
до 36Сo.
После этого исходная вода проходит
через охладитель выпара 11, дополнительно
нагреваясь до 39Сo,
и лишь затем попадает в деаэратор. В
головке деаэратора смешиваются три
потока при средней их температуре 80Сo.
Добавочная
вода и конденсат в деаэраторе подогреваются
до 104Сo
как острым паром
,
так и паром, полученным в сепараторе
непрерывной продувки. Из бака-деаэратора
питательным насосом 2 (2’)
вода нагнетается в водяные экономайзеры
котлов. Обычно для питания используются
центробежные насосы 2',
а паровые поршневые 2 являются резервными.
Тепловая схема котельной приведена на
рис.1.1.

Рисунок 1.1. Принципиальная тепловая схема котельной.
2. Расчёт тепловых процессов в котельной

Паропроизводительность
котельной «брутто» составляет
(т/ч).
Общее количество возвращаемого в котельную конденсата
(т/ч).
Расход воды на продувку
(т/ч).
Количество пара, выделяемое в сепараторе непрерывной продувки

(т/ч).
Где
и
– энтальпия воды соответственно при
14 ат и 1,7 ат, в ккал/кг;
– энтальпия
насыщенного пара при 1,7 ат, ккал/кг;
– значение коэффициента, учитывающего
потери тепла.
Количество воды непрерывной продувки, сливаемое в канализацию
(т/ч).
Количество воды, добавляемое для питания котлов
(т/ч).
Количество воды, подвергаемое химической водоподготовке, с учётом собственных нужд (g>хим>=10%)
(т/ч).
Количество питательной воды, поступающей из деаэратора, с учётом непрерывной продувки
(т/ч).
Расход выпара из деаэратора
(т/ч).
Где
т/т – удельный расход выпара в т
на 1т деаэрируемой воды (по данным ЦКТИ).
Расход пара для подогрева исходной воды в теплообменнике 5
(т/ч).
Где
и
– энтальпия исходной воды при входе и
выходе из теплообменника 5 (численно
равные их температурам), ккал/кг;
и
– энтальпия насыщенного греющего пара
и воды при давлении пара 7 ат, ккал/кг.
Количество
конденсата из теплообменника 5,
возвращаемое в деаэратор принимаем
количество возвращаемого конденсата
численно равным расходу пара, т.е.:
(т/ч). А энтальпию конденсата берём при
давлении 7 ат:
ккал/кг.
Энтальпия химически очищенной воды (численно равная её температуре) после её нагрева в теплообменнике 7
(ккал/кг).
Где i”>7> и i’>7 >– энтальпия воды при выходе и входе в теплообменние 7, ккал/кг;
i’>1,7>- энтальпия продувочной воды при давлении 1,7 ат, ккал/кг.
i’>др>- энтальпия сбрасываемой в барботёр воды (принимаемая численно равной температуре 40Сo).
Энтальпия химически очищенной воды после её нагрева в охладителе выпара (теплообменник 11)
ккал/кг.
Где
и
>
>–
энтальпия воды при выходе и входе в
теплообменник 11 (численно равные их
температурам);
i’>1,2> и i”>1,2 >– энтальпия пара и конденсата при давлении 1,2 ат.
Средняя энтальпия (численно равная средней температуре) потоков воды, вошедших в деаэратор

(ккал/кг)
(С
)
Расход пара на подогрев питательной воды в деаэраторе (по пару 7 ат)

(т/ч).
Где
– энтальпия греющего пара при 7 ат,
ккал/кг;
– энтальпия
питательной воды в деаэраторе при
давлении 1,2 ат;
– средняя
энтальпия водяных потоков, поступающих
в деаэратор.
Количество
пара, расходуемое на собственные нужды
котельной

(т/ч).
Количество пара, выдаваемое потребителю

(т/ч).
или
в % это составит
%.
3. Расчёт тепловой схемы котельной
Исходные данные для расчёта тепловой схемы котельной с паровым котлом, работающей на закрытую систему теплоснабжения.
|
Таблица 2.1. |
|||||
|
Физическая величина |
Обозначение |
Обоснование |
Значение величины при характерных режимах работы котельной |
||
|
Максимально-зимнего |
Наиболее холодного месяца |
Летнего |
|||
|
1 |
2 |
3 |
4 |
5 |
6 |
|
Расход пара на технологические нужды (давление 0,6 МПа, температура 180оС), т/ч |
|
Задан |
15 |
15 |
10 |
|
Расход теплоты на нужды отопления и вентиляции, МВт |
|
Задан |
9 |
- |
- |
|
Расход теплоты на ГВС, МВт |
|
Задан |
1,8 |
1,8 |
1,5 |
|
Расчётная температура наружного воздуха для г. Кременчуга, Сo -при расчёте системы отопления -при расчёте системы вентиляции |
|
Задан |
-29 |
-20 |
|
|
|
Задан |
-20 |
- |
- |
|
|
Возврат конденсата технологическими потребителями, % |
|
Задан |
80 |
80 |
80 |
|
Энтальпия пара при давлении 0,6 МПа, (после РУ), кДж/кг |
|
Табл. водяных паров |
2815 |
2815 |
2815 |
|
Температура
питательной воды, Сo |
|
Задана |
104 |
104 |
104 |
|
Энтальпия питательной воды, кДж/кг |
|
Табл. Водяных паров |
436 |
436 |
436 |
|
Непрерывная продувка котла, % |
p>пр> |
Принята |
3 |
3 |
3 |
|
Энтальпия котловой воды, кДж/кг |
i>к.в.> |
Табл. Водяных паров |
829 |
829 |
829 |
|
Степень сухости пара |
X |
Принята |
0,98 |
0,98 |
0,98 |
|
Энтальпия пара на выходе из расширителя непрерывной продувки, кДж/кг |
i>расш> |
Табл. водяных паров |
2691 |
2691 |
2691 |
|
Температура подпиточной воды, Сo |
t>подп> |
Принята |
70 |
70 |
70 |
|
Энтальпия подпиточной воды, кДж/кг |
i>подп> |
Табл. водяных паров |
336 |
336 |
336 |
|
Температура конденсата, возвращаемого от потребителей, Сo |
t>к> |
Задана |
80 |
80 |
80 |
|
Энтальпия конденсата, возвращаемого от потребителей, кДж/кг |
i>к> |
Табл. водяных паров |
336 |
336 |
336 |
|
Температура воды после охладителя непрерывной продувки, Сo |
t>пр> |
Принята |
50 |
50 |
50 |
|
Энтальпия конденсата при давлении 0,6 МПа, кДж/кг |
iроу>к> |
Табл. водяных паров |
669 |
669 |
669 |
|
Температура сырой воды, Сo |
t>с.в.> |
Принята |
5 |
5 |
15 |
|
Температура химически очищенной воды перед охладителем деаэрированной воды, Сo |
t>х.о.в.> |
Принята |
20 |
20 |
20 |
Расчёт тепловой схемы котельной ведётся для трёх наиболее характерных режимов работы:
А. Максимально зимний режим;
В. Режим работы для наиболее холодного месяца;
С. Летний режим работы котельной.
Коэффициент снижения расходов теплоты на отопление и вентиляцию для режима наиболее холодного месяца


Расход воды на подогреватели сетевой воды

А. Для максимально зимнего режима:
(т/ч)
В. Для режима наиболее холодного месяца (Q>о.в.>=7,29 МВт):
(т/ч)
С. Для летнего режима работы:
(т/ч)
Расход пара на подогреватели сетевой воды

А. Для максимально зимнего режима:
(т/ч)
В. Для режима наиболее холодного месяца:
(т/ч)
С. Для летнего режима работы:
(т/ч)
Расход редуцированного пара внешними потребителями

А. Для максимально зимнего режима:
(т/ч)
В. Для режима наиболее холодного месяца:
(т/ч)
С. Для летнего режима работы:
(т/ч)
Суммарный расход свежего пара внешними потребителями

А. Для максимально зимнего режима:
(т/ч)
В. Для режима наиболее холодного месяца:
(т/ч)
С. Для летнего режима работы:
(т/ч)
Количество впрыскиваемой воды

Расход пара на собственные нужды котельной

где
– Расход пара на собственные нужды в %
расхода пара внешними потребителями
(рекомендуется принимать 5-10 %).
А. Для максимально зимнего режима:
(т/ч)
В. Для режима наиболее холодного месяца:
(т/ч)
С. Для летнего режима работы:
(т/ч)
Расход пара на покрытие потерь в котельной∙
где
– Расход пара на покрытие потерь
(рекомендуется принимать 2-3 %).
А. Для максимально зимнего режима:
(т/ч)
В. Для режима наиболее холодного месяца:
(т/ч)
С. Для летнего режима работы:
(т/ч)
Суммарный расход пара на собственные нужды
D>сн>= D>сн>+D>п>
А. Для максимально зимнего режима:
D>сн>= 1,553+0,978 = 2,531 т/ч
В. Для режима наиболее холодного месяца:
D>сн>= 1,425+0,898 = 2,323 т/ч
С. Для летнего режима работы:
D>сн>= 0,61+0,385 = 0,995 т/ч
Суммарная паропроизводительность котельной
D = D>вн>+D>сн>
А. Для максимально зимнего режима:
D = 31,06+2,531 = 33,591 т/ч
В. Для режима наиболее холодного месяца:
D = 28,5+2,323 = 30,823 т/ч
С. Для летнего режима работы:
D = 12,23+0,995 13,23 т/ч
Потери конденсата в оборудовании внешних потребителей и внутри котельной

где
– Потери конденсата в цикле котельной
установки.
А. Для максимально зимнего режима:

(т/ч)
В. Для режима наиболее холодного месяца:
(т/ч)
С. Для летнего режима работы:
(т/ч)
Расход химически очищенной воды

где
– Потери воды в теплосети.
А. Для максимально зимнего режима:
(т/ч)
В. Для режима наиболее холодного месяца:
(т/ч)
С. Для летнего режима работы:
(т/ч)
Расход сырой воды

где
– Коэффициент, учитывающий расход
сырой воды на собственные нужды
химводоочистки.
А. Для максимально зимнего режима:
(т/ч)
В. Для режима наиболее холодного месяца:
(т/ч)
С. Для летнего режима работы:
(т/ч)
Количество воды, поступающей в расширитель с непрерывной продувкой

А. Для максимально зимнего режима:
(т/ч)
В. Для режима наиболее холодного месяца:
(т/ч)
С. Для летнего режима работы:
(т/ч)
Количество пара, получаемого в расширителе непрерывной продувки


где i>расш>= 436 кдж/кг – Энтальпия воды, получаемой в расширителе непрерывной продувки.
А. Для максимально зимнего режима:
(т/ч)
В. Для режима наиболее холодного месяца:
(т/ч)
С. Для летнего режима работы:
(т/ч)
Количество воды на выходе из расширителя непрерывной продувки


А. Для максимально зимнего режима:
(т/ч)
В. Для режима наиболее холодного месяца:
(т/ч)
С. Для летнего режима работы:
(т/ч)
Температура сырой воды после охладителя непрерывной продувки

Здесь
– Энтальпия воды после охладителя
непрерывной продувки, принимается 210
кдж/кг.
А. Для максимально зимнего режима:
C
В. Для режима наиболее холодного месяца:
С
С. Для летнего режима работы:


Расход пара на подогреватель сырой воды

где
– Энтальпия сырой воды после подогревателя,
определяется для температуры воды 20
Сo;
–
Энтальпия
сырой воды после охладителя непрерывной
продувки, определяется по температуре
А. Для максимально зимнего режима:
(т/ч)
В. Для режима наиболее холодного месяца:
(т/ч)
С. Для летнего режима работы:
(т/ч)
Температура хим. очищенной воды в подогревателе перед деаэратором

где

– Температура деаэрированной
(питательной) воды после охладителя.
А. Для максимально зимнего режима:

В. Для режима наиболее холодного месяца:

С. Для летнего режима работы:

Расход пара на подогрев химически очищенной воды в подогревателе перед деаэратором

Здесь
определяется по найденной

А. Для максимально зимнего режима:
(т/ч)
В. Для режима наиболее холодного месяца:
(т/ч)
С. Для летнего режима работы:
(т/ч)
Суммарное количество воды и пара, поступающие в деаэратор, за вычетом греющего пара деаэратора

А. Для максимально зимнего режима:
(т/ч)
В. Для режима наиболее холодного месяца:
(т/ч)
С. Для летнего режима работы:
(т/ч)
Средняя температура воды в деаэраторе


А. Для максимально зимнего режима:

В. Для режима наиболее холодного месяца:

С. Для летнего режима работы:

расход греющего пара на деаэратор

А. Для максимально зимнего режима:
(т/ч)
В. Для режима наиболее холодного месяца:
(т/ч)
С. Для летнего режима работы:
(т/ч
Расход редуцированного пара на собственные нужды котельной

А. Для максимально зимнего режима:
(т/ч)
В. Для режима наиболее холодного месяца:
(т/ч)
С. Для летнего режима работы:
(т/ч)
Действительная паропроизводительность котельной с учётом расхода пара на собственные нужды и потерь пара в котельной

А. Для максимально зимнего режима:
(т/ч)
В. Для режима наиболее холодного месяца:
(т/ч)
С. Для летнего режима работы:
(т/ч)
Невязка с предварительно принятой паропроизводительностью котельной

А. Для максимально зимнего режима:

В. Для режима наиболее холодного месяца:

С. Для летнего режима работы:

Полученная в результате расчёта тепловой схемы невязка с предварительно принятой производительностью менее 3 %, точность расчёта достаточна.
Сводная таблица результатов расчёта тепловой схемы котельной
Таблица 2.2.
|
Физическая величина |
Обозначение |
Значение величины при характерных режимах работы |
||
|
Максимально-зимнем |
наиболее холодного месяца |
летнем |
||
|
1 |
2 |
3 |
4 |
5 |
|
Коэффициент снижения расхода теплоты на отопление и вентиляцию |
|
1 |
0,81 |
- |
|
Расход воды на подогреватели сетевой воды, т/ч |
|
116,1 |
97,7 |
16,125 |
|
Расход пара на подогреватели сетевой воды, т/ч |
|
16,06 |
13,5 |
2,23 |
|
Расход редуцированного пара внешними потребителями, т/ч |
|
31,06 |
28,5 |
12,23 |
|
Суммарный расход пара внешними потребителями, т/ч |
|
31,06 |
28,5 |
12,23 |
|
Расход пара на собственные нужды, т/ч |
|
1,553 |
1,425 |
0,61 |
|
Расход пара на покрытие потерь в котельной, т/ч |
|
0,978 |
0,898 |
0,385 |
|
Суммарный расход пара на собственные нужды, т/ч |
|
2,531 |
2,323 |
0,995 |
|
Суммарная паропроизводительн. котельной, т/ч |
|
33,591 |
30,823 |
13,23 |
|
Потери конденсата у внешних потребителей и внутри котельной, т/ч |
|
4,008 |
3,92 |
2,4 |
|
Расход химически очищенной воды, т/ч |
|
7,491 |
6,758 |
2,88 |
|
Расход сырой воды, т/ч |
|
9,36 |
8,45 |
3,6 |
|
Количество воды, поступающей в расширитель с непрерывной продувкой, т/ч |
|
1,008 |
0,92 |
0,4 |
|
Количество пара, получаемого в расширителе непрерывной продувки, т/ч |
|
0,179 |
0,164 |
0,07 |
|
Количество воды на выходе из расширителя непрерывной продувки, т/ч |
|
0,829 |
0,756 |
0,33 |
|
Температура сырой воды после охладителя непрерывной продувки, оС |
|
9,6 |
9,63 |
9,74 |
|
Расход пара на подогрев сырой воды, т/ч |
|
0,194 |
0,176 |
0,074 |
|
Температура химически очищенной воды после охладителя деаэрированной воды, Сo |
|
35,5 |
34,45 |
25,6 |
|
Расход пара на подогрев химически очищенной воды в подогревателе перед деаэратором, т/ч |
|
0,667 |
0,62 |
0,313 |
|
Суммарное количество воды и пара, поступающее в деаэратор, за вычетом греющего пара деаэратора, т/ч |
|
36,591 |
33,218 |
13,567 |
|
Средняя температура воды в деаэраторе, Сo |
|
84,6 |
84,67 |
85,15 |
|
Расход греющего пара на деаэратор, т/ч |
|
1,266 |
1,145 |
0,456 |
|
Расход редуцированного пара на собственные нужды, т/ч |
|
2,127 |
1,941 |
0,843 |
|
Действительная паропроизводительн. котельной с учётом расхода на собственные нужды и потери пара в котельной, т/ч |
|
34,587 |
31,736 |
13,617 |
|
Невязка с предварительно принятой паропроизв., % |
|
2,88 |
2,88 |
2,84 |
4. Тепловой расчёт парового котла ДЕ-25-14ГМ
4.1 Исходные данные для расчёта
Котёл
ДЕ-25-14ГМ паропроизводительностью 25 т/ч
вырабатывает насыщенный пар с абсолютным
давлением
ата. Питательная вода поступает из
деаэратора при
.
Котёл оборудован индивидуальным водяным
экономайзером системы ВТИ. Непрерывная
продувка котла составляет 3%. Топливом
служит природный газ.
Характеристика топлива:
;
;
;
;
(и более тяжёлые)
– 0,1%;
;
.
Теплота
сгорания низшая сухого газа:
кДж/м3.
Плотность
газа при 0 Сo
и 760 мм.рт.ст.:
кг/м3.
Влагосодержание
на 1 м3
сухого газа при
принимаем равным
г/м3.
4.2 Определение присосов воздуха и коэффициентов избытка воздуха по газоходам
Коэффициент
избытка воздуха на выходе из топки:
.
–
присос воздуха
в первый конвективный пучок;
– присос воздуха
во второй конвективный пучок;
– присос воздуха
в экономайзер.
Таким образом:



4.3 Расчёт объёмов воздуха и продуктов сгорания
Теоретический
объём воздуха, необходимый для полного
сгорания
:
Где
–
число атомов углерода;
– число атомов
водорода.
м3/м3
Теоретический объём азота в продуктах сгорания ( = 1):
м3/м3
Теоретический объём трёхатомных газов ( = 1):
м3/м3
Теоретический
объём водяных паров
:
м3/м3
Определяем объёмы продуктов сгорания, объёмные доли трёхатомных газов и другие характеристики продуктов сгорания в поверхностях нагрева. Результаты сводим в таблицу 4.1.
Таблица 4.1.
|
Наименование величины |
Расчётная формула |
Топка |
1конв. пучок |
2конв. пучок |
Эко-номайзер |
|
Коэффициент избытка воздуха за газоходом, |
Пункт 5.2. |
1,1 |
1,15 |
1,25 |
1,35 |
|
Коэффициент избытка воздуха средний, >ср> |
|
1,1 |
1,125 |
1,2 |
1,3 |
|
Избыточное количество воздуха, Vо>изб>, м3/кг |
|
0,973 |
1,22 |
1,95 |
2,9 |
|
Действительный
объём водяных паров,
|
|
2,2 |
2,21 |
2,22 |
2,237 |
|
Действительный
суммарный объём продуктов сгорания,
|
11,913 |
12,166 |
12,91 |
13,9 |
|
|
Объёмная доля трёхатомных газов, r>RO2> |
V>RO2 >/ V>г> |
0,087 |
0,085 |
0,08 |
0,075 |
|
Объёмная доля водяных паров, r>H3O> |
V>H3O >/ V>г> |
0,185 |
0,182 |
0,172 |
0,164 |
|
Суммарная объёмная доля, r>п> |
r>RO2> + r>H3O> |
0,272 |
0,267 |
0,252 |
0,236 |
4.4 Расчёт энтальпий воздуха и продуктов сгорания
Используем для расчёта следующие формулы:
Энтальпия теоретического объёма воздуха:
,
где (сv)>в> – энтальпия 1 м3 воздуха, кДж/м3, принимается из таблицы 3.4. литературы [1].
Энтальпия теоретического объёма продуктов сгорания:
,
где
;
;
–
также, по таблице 3.4. [1]
Энтальпия избыточного количества воздуха:
Энтальпия
продуктов сгорания при
:
Результаты расчёта сводим в таблицу 4.2.
Таблица 4.2.
|
Поверх- ность нагрева |
Темпера- тура после поверхнос- ти нагрева, Co |
Iо>в>, кДж/м3 |
Iо>г>, кДж/м3 |
Iв>изб>, кДж/м3 |
I, кДж/м3 |
|
Топка, >т> = 1,1 |
2000 |
29910 |
36572 |
2991 |
39563 |
|
1900 |
28275 |
34540 |
2828 |
37368 |
|
|
1800 |
26640 |
32492 |
2664 |
35156 |
|
|
1700 |
25045 |
30475 |
2505 |
32980 |
|
|
1600 |
23459 |
28474 |
2346 |
30820 |
|
|
1500 |
21863 |
26480 |
2187 |
28666 |
|
|
1400 |
20267 |
24523 |
2027 |
26540 |
|
|
1300 |
18671 |
22547 |
1867 |
24414 |
|
|
1200 |
17124 |
20615 |
1712 |
22327 |
|
|
1100 |
15568 |
18730 |
1557 |
20287 |
|
|
1000 |
14011 |
16851 |
1401 |
18252 |
|
|
1конвект. пучок >к> = 1,15 |
1200 |
17124 |
20615 |
2569 |
23184 |
|
1100 |
15568 |
18730 |
2335 |
21065 |
|
|
1000 |
14011 |
16851 |
2102 |
18953 |
|
|
900 |
12503 |
14986 |
1875 |
16861 |
|
|
800 |
11033 |
13151 |
1655 |
14806 |
|
|
2конвект. пучок >к2> = 1,25 |
1100 |
15568 |
18730 |
3892 |
22622 |
|
1000 |
14011 |
16851 |
3503 |
20354 |
|
|
900 |
12503 |
14986 |
3123 |
18109 |
|
|
800 |
11033 |
13151 |
2758 |
15909 |
|
|
700 |
9554 |
11353 |
2389 |
13742 |
|
|
600 |
8095 |
9606 |
2024 |
11630 |
|
|
500 |
6674 |
7913 |
1669 |
9582 |
|
|
400 |
5283 |
6246 |
1321 |
7567 |
|
|
300 |
3931 |
4626 |
983 |
5609 |
|
|
Экономай- зер >э> = 1,35 |
400 |
5283 |
6246 |
1849 |
8095 |
|
300 |
3931 |
4626 |
1376 |
6002 |
|
|
200 |
2598 |
3051 |
909 |
3960 |
|
|
100 |
1294 |
1508 |
453 |
1961 |
4.5 Расчёт потерь теплоты, КПД и расхода топлива
Тепловой баланс котла (общий вид):
,
где
кДж/м3
>
>– полезно
использованное тепло, кДж/м3;
– потери с
уходящими газами, кДж/м3;
– потери от
химической неполноты сгорания, кДж/м3;
–
потери от
механической неполноты сгорания, кДж/м3;
– потери от
наружного охлаждения, кДж/м3;
– потери от
физической теплоты, содержащейся в
удаляемом шлаке, кДж/м3.
Давление
в котле:

ата;
Температура
питательной воды:
Cо;
Процент
продувки:
.
Для этих условий определяем полное тепловосприятие воды и пара в котельном агрегате, отнесённое к 1 кг насыщенного пара:
,
где
кДж/кг – энтальпия насыщенного пара;
кДж/кг –
энтальпия питательной воды;
кДж/кг –
энтальпия котловой воды.
кДж/кг
Температуру
уходящих газов принимаем равной
,
тогда потери тепла с уходящими газами:

,
где
(при сжигании газа);
кДж/м3
– определяется по таблице 4.2. при
Со
и
;
–
энтальпия
теоретического объёма холодного воздуха

,
определяется по формуле:
кДж/м3
- при сжигании
газа (таблица 4.4 [1])
–
(таблица 4.4 [1])
–
(таблица 4.4
[1]).
Определяем
величину коэффициента сохранения тепла
:
КПД брутто парового котла (из уравнения теплового баланса):
определение расхода топлива:
м3/ч
= 0,485 м3/с
Основные конструктивные характеристики котла ДЕ-25-14ГМ, необходимые для теплового расчёта топки и газоходов
Таблица 4.3.
ВЕЛИЧИНА |
КОТЁЛ ДЕ-25-14ГМ |
|
Объём топки, м3 |
29 |
|
Площадь поверхности стен топки, м2 |
64,22 |
|
Диаметр экранных труб, мм |
51 х 2,5 |
|
Шаг труб боковых экранов, мм |
55 |
|
Площадь лучевоспринимающей поверхности нагрева, м2 |
60,46 |
|
Площадь поверхности нагрева конвективных пучков, м2: - 1 конвективный пучок – 2 конвективный пучок |
16,36 196,0 |
|
Диаметр труб конвективного пучка, мм |
51 х 2,5 |
|
Расположение труб конвективного пучка |
1 пучок - шахматное; 2 пучок - коридорное |
|
Площадь живого сечения для прохода продуктов сгорания, м2 |
1 пучок – 1,245; 2 пучок – 0,851 |
|
Поперечный шаг труб, мм |
110 |
|
Продольный шаг труб, мм |
110 |
4.6 Тепловой расчёт топки
Полезное тепловыделение в топке:
,
где
,
т.к. рециркуляция продуктов сгорания
отсутствует;
,
т.к. воздух вне агрегата не подогревается.
Теплота,
вносимая с воздухом в топку для котлов
без воздухоподогревателя:
кДж/кг

По
таблице 4.2. при значениях
и
полезном тепловыделении в топке
,3
кДж/м3
методом интерполирования находим
теоретическую температуру горения в
топке:
Сo.
Для определения температуры на выходе
из топки строим таблицу 4.4.
Таблица 4.4.
|
Величина |
Обозначен. |
Расчётная формула |
Расчёт |
Результат |
|
1 |
2 |
3 |
4 |
5 |
|
Объём топочного пространства, м3 |
|
По конструктивным характеристикам котла. |
- |
29 |
|
Общая площадь ограждающих поверхностей |
|
- |
64,22 |
|
|
Эффективная толщина излучающего слоя, м |
|
|
|
1,626 |
|
Лучевоспринимающая поверхность нагрева, м2 |
|
По констр. характеристикам. |
- |
60,46 |
|
Степень экранирования топки |
|
F>л> / F>ст> |
60,46 / 64,22 |
0,94 |
|
Температура газов на выходе из топки, Сo |
|
Принимается |
- |
1240 |
|
Энтальпия газов на выходе из топки, кДж/м3 |
|
Таблица 4.2. |
- |
23071 |
|
Суммарная объёмная доля трёхатомных газов |
|
Таблица 4.1. |
- |
0,272 |
|
Давление в топочной камере, МПа |
|
Принимается Р>т>=0,1 МПа для котлов без наддува |
0,1 |
|
|
Парциальное давление трёхатомных газов, МПа |
|
|
|
0,0272 |
|
Суммарная
поглощательная способность трёхатомных
газов,
|
|
|
|
0,044 |
|
Коэффициент
ослабления лучей трёхатомными газами,
|
|
Номограмма 5.4. [1] |
- |
7,5 |
|
Коэффициент ослабления лучей сажистыми частицами,
|
|
где
Для газа:
|
1,56 |
|
|
Коэффициент
ослабления лучей топочной средой,
|
|
|
|
3,6 |
|
Параметр m |
|
Таблица 5.2.[1] |
- |
0,25 |
|
Степень черноты светящейся части факела |
|
|
0,89 |
|
|
Степень черноты трёхатомных газов |
|
> |
0,23 |
|
|
Степень черноты факела |
|
|
|
0,4 |
|
Коэффициент загрязнения лучевоспринимающей поверхности нагрева |
|
Таблица 5.1.[1] |
- |
0,65 |
|
Угловой коэффициент |
|
Рисунок 5.3.[1] |
- |
0,95 |
|
Коэффициент тепловой эффективности экранов |
|
|
|
0,62 |
|
Степень черноты топки |
|
|
|
0,52 |
|
Параметр |
|
|
|
0,39 |
|
Средняя
суммарная теплоёмкость продуктов
сгорания на 1 м3
газа при н.у.,
|
|
|
|
21,746 |
|
Действительная температура газов на выходе из топки, Со |
|
По номограмме рисунка 5.7. [1] |
- |
1240 |
|
Удельная нагрузка топочного объёма, кВт/м3 |
|
|
|
614,5 |
|
Тепло,переданное излучением в топке |
|
|
|
13750,3 |
4.7 Расчёт первого конвективного пучка
Для
проведения расчёта задаёмся двумя
значениями температур на выходе из
первого конвективного пучка:
Со
и
Со.
Проводим для этих температур два
параллельных расчёта. Расчёт данного
газохода проводится при
.
Все данные расчёта сводим в таблицу
4.5.
Таблица 4.5.
|
Величина |
Обознач. |
Расчётная формула |
Результат |
|
|
1000 |
900 |
|||
|
1 |
2 |
3 |
4 |
5 |
|
Площадь поверхности нагрева, м2 |
|
По конструктивным характеристикам котла ДЕ-25-14ГМ |
16,36 |
|
|
Расположение труб 1 конвективного пучка |
- |
Шахматное |
||
|
Площадь живого сечения для прохода газов, м2 |
|
1,245 |
||
|
Поперечный шаг труб, мм |
|
110 |
||
|
Продольный шаг труб, мм |
|
110 |
||
|
Диаметр труб конвективного пучка |
|
51 х 2,5 |
||
|
Температура дымовых газов перед газоходом, Со |
|
Из теплового расчёта топки |
1240 |
|
|
Энтальпия дымовых газов перед газоходом, кДж/м3 |
|
23071 |
||
|
Энтальпия дымовых газов после газохода, кДж/м3 |
|
Таблица 4.2. |
18953 |
16861 |
|
Тепловосприятие газохода, кДж/м3 |
|
где
|
4088 |
6154 |
|
Расчётная температура потоков продуктов сгорания в газоходе, Со |
|
|
1120 |
1070 |
|
Температурный напор, Со |
|
|
925 |
875 |
|
Средняя скорость продуктов сгорания в поверхности нагрева, м/с |
|
|
20,8 |
19,9 |
|
Коэффициент теплоотдачи конвекцией от продуктов сгорания к поверхности нагрева |
|
> С>z>=1; С>s>=0,92; С>ф>=1,05 и 1,03 Номограмма 6.2. [1] |
115,9 |
109 |
|
Параметр kps |
|
|
0,066 |
0,069 |
|
Степень черноты газового потока |
|
Номограмма 5.6. [1] |
0,12 |
0,125 |
|
Температура загрязнённой стенки, Сo |
|
t+t, где t=195 оС; t=25 оС (при сжигании газа) |
220 |
220 |
|
Коэффициент
|
|
Номограмма 6.4. [1] |
0,99 |
0,98 |
|
Коэффициент
теплоотдачи, учитывающий передачу
теплоты излучением в конвективной
поверхности нагрева,
|
|
Номограмма 6.4. [1] |
19,6 |
19,0 |
|
Суммарный
коэффициент теплоотдачи от продуктов
сгорания к поверхности нагрева,
|
|
|
135,5 |
128 |
|
Коэффициент тепловой эффективности |
|
Таблица 6.2. [1] |
0,85 |
0,85 |
|
Коэффициент тепло- передачи,
|
|
|
115,18 |
108,8 |
|
Температурный напор, Со |
|
|
920 |
864 |
|
Количество теплоты, воспринятое поверхностью нагрева, кДж/м3 |
|
|
3574 |
3174 |
По
двум принятым значениям температур
(1000 и 900 Сo),
а также полученным двум значениям
и
производится графическая интерполяция
для определения температуры продуктов
сгорания на выходе из поверхности
нагрева.
Полученная
температура 1015 Сo
незначительно отличается от предварительно
принятой (1000 Сo).
Уточняем расчёт
для полученной температуры.
Энтальпия
кДж/м3
(при полученной температуре).
Температурный напор:
Количество теплоты, воспринятое поверхностью нагрева:
4.8 Расчёт второго конвективного пучка
Задаёмся двумя значениями температур на выходе из второго конвективного пучка.

;
.
Проводим для этих температур два
параллельных расчёта. Расчёт проводим
при
.
Результаты расчёта сводим в таблицу
4.6.
Таблица 4.6.
|
Величина |
Обознач. |
Расчётная формула |
Результат |
|
|
1000 |
900 |
|||
|
1 |
2 |
3 |
4 |
5 |
|
Площадь поверхности нагрева, м2 |
|
По конструктивным характеристикам котла ДЕ-25-14ГМ |
196 |
|
|
Расположение труб 2 конвективного пучка |
- |
Коридорное |
||
|
Площадь живого сечения для прохода газов, м2 |
|
0,851 |
||
|
Поперечный шаг труб, мм |
|
110 |
||
|
Продольный шаг труб, мм |
|
110 |
||
|
Диаметр труб конвективного пучка |
|
51 х 2,5 |
||
|
Температура дымовых газов перед газоходом, Сo |
> |
Из теплового расчёта первого конвективного пучка. |
1015 |
|
|
Энтальпия дымовых газов перед газоходом, кДж/м3 |
|
19270 |
||
|
Энтальпия дымовых газов после газохода, кДж/м3 |
|
Таблица 4.2. |
7175 |
6196 |
|
Тепловосприятие газохода, кДж/м3 |
|
где
|
12134 |
13113 |
|
Расчётная температура потоков продуктов сгорания в газоходе, Сo |
|
|
697,5 |
672,5 |
|
Температурный напор, Сo |
|
|
502,5 |
477,5 |
|
Средняя скорость продуктов сгорания в поверхности нагрева, м/с |
|
|
26,15 |
25,5 |
|
Коэффициент теплоотдачи конвекцией от продуктов сгорания к поверхности нагрева |
|
>
Номограмма 6.1. [1] |
126 |
123 |
|
Параметр
|
|
|
0,099 |
0,103 |
|
Степень черноты газового потока |
|
Номограмма 5.6. [1] |
0,1 |
0,105 |
|
Температура загрязнённой стенки, Сo |
|
|
220 |
220 |
|
Коэффициент |
|
Номограмма 6.4. [1] |
0,8 |
0,79 |
|
Коэффициент
теплоотдачи, учитывающий передачу
теплоты излучением в конвективной
поверхности нагрева,
|
|
Номограмма 6.4. [1] |
7,36 |
7,22 |
|
Суммарный
коэффициент теплоотдачи от продуктов
сгорания к поверхности нагрева,
|
|
|
133,36 |
130,22 |
|
Коэффициент тепловой эффективности |
|
Таблица 6.2. [1] |
0,85 |
0,85 |
|
Коэффициент тепло- передачи,
|
|
|
113,36 |
110,69 |
|
Температурный напор, Сo |
|
|
427 |
380 |
|
Количество
теплоты, воспринятое поверхностьюнагрева,
|
|
|
19562 |
16998 |
По
двум принятым значениям температур и
полученным двум значениям
и
производится графическая интерполяция
для определения температуры продуктов
сгорания на выходе из второго конвективного
пучка.
Полученная
температура
,
она отличается от принятой на 50 Сo,
что в соответствии с [1] допустимо. Для
полученной температуры производим
перерасчёт

Энтальпия

кДж/м3.
Температурный напор:

Количество теплоты, воспринятое поверхностью нагрева второго конвективного пучка:

4.9 Расчёт водяного экономайзера
Таблица 4.7.
|
НАИМЕНОВАНИЕ ВЕЛИЧИНЫ |
Обозн |
РАСЧЁТНАЯ ФОРМУЛА |
Результат |
|
1 |
2 |
3 |
4 |
|
Температура газов на входе в экономайзер, Сo |
|
Из расчёта второго конвективного пучка. |
280 |
|
Энтальпия газов на входе в экономайзер, кДж/м3 |
|
Таблица 4.2. |
5594 |
|
Температура уходящих газов, Сo |
|
Принята |
140 |
|
Энтальпия уходящих газов, кДж/м3 |
|
Таблица 4.2. |
2760,6 |
|
Количество теплоты, которое должны отдать продукты сгорания, кДж/м3 |
|
где
|
2838 |
|
Энтальпия воды на входе в экономайзер, кДж/кг |
|
[6] |
436 |
|
Энтальпия воды после экономайзера, кДж/кг |
|
>
|
628,8 |
|
Температура воды после экономайзера, Сo |
|
[6] |
149 |
|
Перепад температур между температурой насыщения и температурой воды на выходе из экономайзера, Сo |
- |
т.е. необходимое условие выполняется. |
46 |
|
Средний температурный напор, Co |
|
|
|
|
Средняя температура дымовых газов, Сo |
|
|
210 |
|
Число труб в ряду, шт. |
|
Принято |
10 |
|
Площадь живого сечения для прохода продуктов сгорания, м2 |
|
где
Таблица 6.3. [1] |
1,84 |
|
Число параллельно включенных змеевиков в пакете, шт. |
|
|
6 |
|
Действительная скорость продуктов сгорания в экономайзере, м/с |
|
|
6,5 |
|
Коэффициент
теплопередачи,
|
|
где
Номограмма 6.9. [1] |
19,57 |
|
Площадь поверхности нагрева экономайзера, м2 |
|
|
837 |
|
Общее число труб, шт. |
|
где
|
187 |
|
Число рядов |
|
|
|
|
Тип устанавливаемого экономайзера |
ВЭ-1Х-20п-3,0 |
4.10 Определение невязки теплового баланса



Невязка:

Полученная точность достаточна, тепловой расчёт закончен.
5. Аэродинамический расчёт парового котла ДЕ-25-14ГМ
Целью аэродинамического расчёта котла является проверка правильности выбора тягодутьевых машин на основе определения производительности тяговой и дутьевой систем и перепада полных давлений в газовом и воздушном трактах.
Газовоздушный тракт включает в себя воздухопровод, запорные и регулирующие органы, газопроводы, элементы собственно парогенератора, тягодутьевые машины и дымовую трубу.
Аэродинамический расчёт ведётся по схеме газовоздушного тракта с разделением его на участки.
Расчёт выполнен для парового котла ДЕ-25-14ГМ, работающем на природном газе. Паропроизводительность котла - 25 т/ч. Котёл оснащён одной газомазутной горелкой типа ГМП-16. Забор воздуха производится из помещения котельной. Воздух, подаваемый вентилятором к горелке, не подогревается.


















1
4
5
3
2
6
Рисунок 6.1. Схема газовоздушного тракта
1 – патрубок забора воздуха; 2 – вентилятор; 3 – горелка; 4 – котёл; 5 - водяной экономайзер; 6 – дымосос; 7 – дымовая труба.
Исходные данные для аэродинамического расчёта:
Таблица 5.1.
|
Расход топлива, м3/с |
|
0,485 |
|
Теоретически необходимый объём воздуха, м3/м3 |
|
9,73 |
|
Коэффициент избытка воздуха в топке |
|
1,1 |
|
Температура воздуха в котельной, Сo |
|
30 |
|
Коэф. избытка воздуха на выходе из котла |
|
1,35 |
|
Температура уходящих газов, Сo |
|
140 |
|
Объём продуктов сгорания, м3/м3 |
|
13,9 |
РАСЧЁТ Таблица 5.2.
|
СОПРОТИВЛЕНИЕ |
Обозн |
ФОРМУЛА |
Расчёт |
|
1 |
2 |
3 |
4 |
РАСЧЁТ ДУТЬЯ |
|||
|
1. Воздушный тракт – от забора воздуха до горелки, горелка |
|||
|
Средний секундный объём воздуха, м3/с |
|
|
6,08 |
Патрубок забора воздуха |
|||
|
Коэффициент местного сопротивления |
|
Таблица 7-3 [5] |
0,2 |
|
Площадь сечения, м2 |
|
По констр. хар-кам |
1,088 |
|
Скорость воздуха, м/с |
|
|
5,6 |
|
Динамическое давление, мм.вод.ст. |
|
Рисунок 7-2 [5] |
1,8 |
|
Сопротивление патрубка, мм.вод.ст. |
|
|
0,36 |
Участок трения 1 |
|||
|
Сопротивление трения, мм.вод.ст.,
|
|
где
Таблица 7-2 [5] |
4,07 |
Карман
|
|||
|
Скорость
воздуха на входе в рабочее колесо,
м/с,
|
|
|
10,1 |
|
Коэффициент сопротивления кармана |
|
Пункт 2-32 [5] |
0,2 |
|
Динамическое давление, мм.вод.ст. |
|
Рисунок 7-2 [5] |
6,0 |
|
Сопротивление кармана, мм.вод.ст. |
|
|
1,2 |
Диффузор за вентилятором |
|||
|
Отношение площадей сечений |
|
|
2,13 |
|
Скорость воздуха, м/с |
|
|
12,16 |
|
Таблица 6.2. (продолжение) |
|||
|
1 |
2 |
3 |
4 |
|
Динамическое давление, мм.вод.ст. |
|
Рисунок 7-2 [5] |
8,5 |
|
Коэффициент сопротивления |
|
Рисунок 7-14 [5] |
0,26 |
|
Сопротивление диффузора, мм.вод.ст. |
|
|
2,21 |
|
Поворот на 90о |
|||
|
Коэффициент сопротивления |
|
Рисунки 7-15,16,17 [5] |
0,22 |
|
Динамическое давление, мм.вод.ст. |
|
Рисунок 7-2 [5] |
8,5 |
|
Сопротивление поворота, мм.вод.ст. |
|
|
1,87 |
Участок трения |
|||
|
Сопротивление трения, мм.вод.ст. |
|
l=4,56 м;
|
1,16 |
|
Поворот – диффузор на 90о |
|||
|
Отношение площадей сечений |
|
|
1,34 |
|
Скорость воздуха, м/с |
|
|
9,1 |
|
Динамическое давление, мм.вод.ст. |
|
Рисунок 7-2 [5] |
4,8 |
|
Коэффициент сопротивления |
|
Рисунок 7-16,17,19 [5] |
0,36 |
|
Сопротивление поворота, мм.вод.ст. |
|
|
1,73 |
|
Суммарное сопротивление тракта холодного воздуха, мм.вод.ст. |
|
|
12,6 |
Горелка газомазутная |
|||
|
Коэффициент сопротивления |
|
Таблица 7-6 [5] |
3 |
|
Суммарная площадь сечения для прохода воздуха, м2 |
|
|
0,196 |
|
Скорость воздуха на выходе из завихрителей, м/с |
|
|
32,7 |
|
Динамическое давление, мм.вод.ст. |
|
Рисунок 7-2 [5] |
57 |
|
Сопротивление горелки, мм.вод.ст. |
|
|
171 |
|
Перепад полных давлений по воздушному тракту, мм.вод.ст. |
|
|
183,6 |
РАСЧЁТ ТЯГИ |
|||
|
Участок – от выхода из топочной камеры до выхода из экономайзера |
|||
|
Разрежение на выходе из топки, мм.вод.ст. |
|
Пункт 2-56 [5] |
2 |
|
Поворот газов на 90о на выходе из топочной камеры |
|||
|
Коэффициент сопротивления |
|
Пункт 1-36 [5] |
1,0 |
|
Температура газов на выходе из топки, Сo |
|
Из данных теплового расчёта |
1240 |
|
Средний секундный объём газов, м3/с |
|
|
35,75 |
|
Средняя площадь, м2 |
|
|
3,1 |
|
Средняя скорость газов в повороте, м/с |
|
|
11,5 |
|
Динамическое давление, мм вод ст. |
|
Рисунок 7-2 [5] |
1,2 |
|
Сопротивление поворота, мм.вод.ст. |
|
|
1,2 |
Первый котельный пучок |
|||
|
Коэффициент сопротивления |
|
Рисунок 7-6 [5] |
24,67 |
|
Площадь сечения, м2 |
|
|
4,16 |
|
Средний секундный объём газов, м3/сек |
|
|
23,43 |
|
Скорость газов, м/с |
|
|
5,63 |
|
Динамическое давление, мм.вод.ст. |
|
Рисунок 7-2 [5] |
0,6 |
|
Сопротивление первого котельного пучка, мм.вод.ст. |
|
|
14,8 |
|
Поворот потока газов на 180о |
|||
|
Коэффициент сопротивления |
|
Пункт 1-36 [5] |
2 |
|
Средний секундный объём газов, м3/c |
|
|
17,6 |
|
Средняя площадь, м2 |
|
|
3,4 |
|
Средняя скорость газов в повороте, м/с |
|
|
5,2 |
|
Динамическое давление, мм.вод.ст. |
|
Рисунок 7-2 [5] |
0,8 |
|
Сопротивление поворота, мм.вод.ст. |
|
|
1,6 |
Второй котельный пучок |
|||
|
Площадь сечения, м2 |
|
|
1,46 |
|
Средний секундный объём газов, м3/с |
|
|
13,78 |
|
Скорость газов, м/с |
|
|
9,44 |
|
Динамическое давление, мм.вод.ст. |
|
Рисунок 7-2 [5] |
2,7 |
|
Коэффициент сопротивления |
|
Рисунок 7-6 [5] |
21,6 |
|
Сопротивление пучка, мм.вод.ст. |
|
|
58,32 |
|
Поворот на 45о |
|||
|
Площадь сечения, м2 |
|
|
1,24 |
|
Коэффициент сопротивления поворота |
|
Пункт 1-29 [5] |
0,35 |
|
Средний секундный объём газов, м3/с |
|
|
12,18 |
|
Скорость газов в повороте, м/c |
|
|
9,8 |
|
Динамическое давление, мм.вод.ст. |
|
Рисунок 7-2 [5] |
2,8 |
|
Сопротивление поворота, мм.вод.ст. |
|
|
0,98 |
Конфузор в прямом канале |
|||
|
Угол сужения конфузора, град. |
|
|
48,1 |
|
Коэффициент сопротивления |
|
Таблица 7-3 [5] |
0,1 |
|
Площадь меньшего сечения, м2 |
|
|
0,63 |
|
Секундный объём газов, м3/с |
|
|
12,18 |
|
Скорость газов в конфузоре, м/с |
|
|
19,3 |
|
Динамическое давление, мм.вод.ст. |
|
Рисунок 7-2 [5] |
10 |
|
Сопротивление конфузора, мм.вод.ст. |
|
|
1,0 |
Сопротивление при внезапном расширении |
|||
|
Коэффициент сопротивления |
|
Рисунок 7-11 [5] |
0,1 |
|
Отношение сечений |
|
|
0,66 |
|
Секундный объём газов, м3/с |
|
|
12,18 |
|
Скорость газов в сечении, м/с |
|
|
12,68 |
|
Динамическое давление, мм.вод.ст. |
|
Рисунок 7-2 [5] |
4,8 |
|
Сопротивление расширения, мм.вод.ст. |
|
|
0,48 |
|
Поворот на 90о с изменением сечения |
|||
|
Коэффициент сопротивления поворота |
|
Рисунок 7-20 [5] |
1,05 |
|
Отношение сечений |
|
|
1,9 |
|
Секундный объём газов, м3/с |
|
|
12,18 |
|
Скорость газов в сечении, м/с |
|
|
6,7 |
|
Динамическое давление, мм.вод.ст. |
|
Рисунок 7-2 [5] |
1,2 |
|
Сопротивление поворота, мм.вод.ст. |
|
|
1,26 |
Экономайзер чугунный |
|||
|
Коэффициент сопротивления |
|
Пункт 2-18 [5] |
10 |
|
Количество рядов, шт. |
|
Из конструктивных характеристик и данных теплового расчёта |
20 |
|
Площадь сечения, м2 |
|
1,656 |
|
|
Живое сечение для прохода газов, м2 |
|
0,184 |
|
|
Количество труб в ряду, шт. |
|
9 |
|
|
Средний секундный объём газов, м3/с |
|
|
10,3 |
|
Скорость газов в экономайзере, м/c |
|
|
6,2 |
|
Динамическое давление, мм.вод.ст. |
|
Рисунок 7-2 [5] |
1,5 |
|
Сопротивление экономайзера, мм.вод.ст. |
|
|
15 |
|
Поворот на 90о с изменением сечения |
|||
|
Коэффициент сопротивления |
|
Рисунки 7-16,17,19 [5] |
0,58 |
|
Отношение сечений |
|
|
0,48 |
|
Секундный объём газов, м3/c |
|
|
8,46 |
|
Скорость газов в сечении, м/с |
|
|
10,6 |
|
Динамическое давление, мм.вод.ст. |
|
Таблица 7-2 [5] |
4,9 |
|
Сопротивление поворота, мм.вод.ст. |
|
|
2,84 |
Участок – от выхода из экономайзера до выхода из дымососа |
|||
Участок трения |
|||
|
Сопротивление трения, мм.вод.ст. |
|
|
0,69 |
|
Секундный объём газов, м3/с |
|
|
8,46 |
|
Площадь сечения, м2 |
|
|
0,8 |
|
Расчётная скорость газов, м/c |
|
|
10,6 |
|
Динамическое давление, мм.вод.ст. |
|
Рисунок 7-2 [5] |
4,9 |
|
Эквивалентный диаметр сечения |
|
|
0,89 |
|
Коэффициент сопротивления трения |
|
Таблица 7-2 [5] |
0,02 |
|
Длина участка, м |
l |
Задано |
6,3 |
|
Два поворота на 30о |
|||
|
Коэффициент сопротивления поворота |
|
Рисунки 7-16,17,19 [5] |
0,18 |
|
Площадь сечения, м2 |
|
|
0,8 |
|
Секундный объём газов, м3/c |
|
|
8,46 |
|
Расчётная скорость, м/c |
|
|
10,6 |
|
Динамическое давление, мм.вод.ст. |
|
Рисунок 7-2 [5] |
4,9 |
|
Сопротивление поворота, мм.вод.ст. |
|
|
1,76 |
|
Поворот на 90о с изменением сечения |
|||
|
Коэффициент сопротивления поворота |
|
Рисунки 7-16,17,19 [5] |
0,94 |
|
Отношение сечений |
|
|
1,5 |
|
Секундный объём газов, м3/c |
|
|
8,46 |
|
Расчётная скорость газов в сечении, м/c |
|
|
7,05 |
|
Таблица 6.2. (продолжение) |
|||
|
1 |
2 |
3 |
4 |
|
Динамическое давление, мм.вод.ст. |
|
Рисунок 7-2 [5] |
2,2 |
|
Сопротивление поворота, мм.вод.ст. |
|
|
2,07 |
Участок – от дымососа до дымовой трубы |
|||
Сопротивление трения |
|||
|
Секундный объём газов, м3/c |
|
|
8,46 |
|
Площадь сечения, м2 |
|
|
0,8 |
|
Расчётная скорость газов, м/c |
|
|
10,6 |
|
Эквивалентный диаметр сечения, м |
|
|
0,89 |
|
Длина участка, м |
l |
Задано |
22,5 |
|
Динамическое давление, мм.вод.ст. |
|
Рисунок 7-2 [5] |
4,9 |
|
Коэффициент сопротивления трения |
|
Таблица 7-2 [5] |
0,02 |
|
Сопротивление трения, мм.вод.ст. |
|
|
2,48 |
|
Поворот на 45о |
|||
|
Площадь сечения, м2 |
|
|
0,8 |
|
Коэффициент сопротивления поворота |
|
Рисунки 7-16,17,19 [5] |
0,57 |
|
Секундный объём газов, м3/c |
|
|
8,46 |
|
Расчётная скорость газов, м/c |
|
|
10,6 |
|
Динамическое давление, мм.вод.ст. |
|
Рисунок 7-2 [5] |
4,9 |
|
Сопротивление поворота, мм.вод.ст. |
|
|
2,79 |
Вход в дымовую трубу |
|||
|
Коэффициент сопротивления входа |
|
Пункт 2-34 [5] |
0,62 |
|
Динамическое давление, мм.вод.ст. |
|
Рисунок 7-2 [5] |
4,9 |
|
Сопротивление входа, мм.вод.ст. |
|
|
3,04 |
Участок – дымовая труба |
|||
Потери давления с выходной скоростью |
|||
|
Коэффициент сопротивления трубы |
|
Пункт 2-44 [5] |
1,0 |
|
Расчётная скорость газов, м/c |
|
Из расчёта дымовой трубы |
16 |
|
Динамическое давление, мм.вод.ст. |
|
Рисунок 7-2 [5] |
37 |
|
Потери давления, мм.вод.ст. |
|
|
6,0 |
Сопротивление трения |
|||
|
Высота трубы, м |
l |
Из расчёта дымовой трубы |
30 |
|
Таблица 6.2. (продолжение) |
|||
|
1 |
2 |
3 |
4 |
|
Диаметр трубы, м |
|
1,2 |
|
|
Коэффициент сопротивления трения |
|
Таблица 7-2 [5] |
0,02 |
|
Сопротивление трения, мм.вод.ст. |
|
|
18,5 |
|
Самотяга дымовой трубы |
|||
|
Высота дымовой трубы |
|
Задано |
30 |
|
Температура уходящих газов, оС |
|
Задано |
140 |
|
Объёмная доля водяных паров в дымовых газах |
|
Из теплового расчёта котла |
0,161 |
|
Значение самотяги на один метр высоты, мм.вод.ст. |
|
Рисунок 7-26 [5] |
0,41 |
|
Самотяга дымовой трубы, мм.вод.ст. |
|
|
12,3 |
|
Среднее барометрическое давление, мм.рт.ст. |
|
Рисунок 2-6 [5] |
760 |
|
Поправка на разницу плотностей дымовых газов и сухого воздуха при 760 мм.рт.ст. |
|
Рисунок 7-26 [5] |
0,98 |
|
Суммарное сопротивление газового тракта, мм.вод.ст. |
|
|
132,02 |
|
Перепад полных давлений по тракту, мм.вод.ст. |
|
|
117,62 |
ВЫБОР ДЫМОСОСА |
|||
|
Коэффициент запаса по производительности |
|
Таблица 4-1 [5] |
1,1 |
|
Расчётная производительность дымососа, м3/час |
|
|
33501,6 |
|
Коэффициент запаса по давлению |
|
Таблица 4-1 [5] |
1,2 |
|
Расчётный напор дымососа, мм.вод.ст. |
|
|
141,144 |
|
Температура, для которой составлена характеристика, Сo |
|
Рисунок 7-53 [5] |
100 |
|
Коэффициент пересчёта |
|
|
1,14 |
|
Приведённый напор, мм.вод.ст. |
|
|
160,9 |
|
Тип дымососа |
ДН – 12,5 (n=1500 об/мин.) |
||
ВЫБОР ВЕНТИЛЯТОРА |
|||
|
Расчётная производительность, м3/ч |
|
|
24076,8 |
|
Расчётный напор вентилятора, мм.вод.ст. |
|
|
220,32 |
|
Температура, для которой составлена характеристика, Сo |
|
Таблица 14-1 [2] |
30 |
|
Коэффициент пересчёта |
|
|
1 |
|
Приведённый напор, мм.вод.ст. |
|
|
220,32 |
|
Тип вентилятора |
ВДН – 11,2 (n=1500 об/мин.) |
В результате произведённого аэродинамического расчёта по напору и производительности были выбраны вентилятор ВДН–11,2 и дымосос типа ДН – 12,5.
Приложение
Основные технические характеристики паровых котлов типа ДЕ-10-14ГМ и ДЕ-25-14ГМ:
Таблица 3.1.
Характеристика |
ДЕ-10-14ГМ |
ДЕ-25-14ГМ |
|
Паропроизводительность, т/ч |
10 |
25 |
|
Рабочее избыточное давление пара, МПа (кгс/см2) |
1,3 (13) |
1,3 (13) |
|
Состояние пара |
Насыщенный |
Насыщенный |
|
Температура питательной воды, Со |
100 |
100 |
|
Общая поверхность нагрева, м2 |
149 |
270 |
|
Водяной объём котла, м3 |
8,4 |
16,5 |
|
Паровой объём котла, м3 |
2,0 |
2,6 |
|
Тип газомазутной горелки |
ГМ-7 |
ГМП-16 |
|
Расчётный расход топлива (газ), м3/ч |
718 |
1792 |
|
Расчётный расход топлива (мазут), кг/ч |
673 |
1682 |
Основные данные тепловых расчётов котлов ДЕ (по данным ВТИ):
Таблица 3.2.
|
НАИМЕНОВАНИЕ |
ДЕ-10-14ГМ |
ДЕ-25-14ГМ |
||
Мазут |
Газ |
Мазут |
Газ |
|
|
КПД котла, % |
98,85 |
92,15 |
91,35 |
92,79 |
|
Расчётный
расход топлива
|
698 |
743 |
1736 |
1845 |
|
Объём топочной камеры, м3 |
17,14 |
29 |
||
|
Лучевоспринимающая
поверхность нагрева
|
38,96 |
60,46 |
||
|
Полная
поверхность стен топки
|
41,47 |
64,22 |
||
|
Коэффициент
избытка воздуха на выходе из топки
|
1,1 |
1,05 |
1,1 |
1,05 |
|
Температура
газов на выходе из топки
|
1071 |
1109 |
1188 |
1240 |
|
Тепловая
нагрузка экранов
|
|
|
|
|
|
Видимое
тепловое напряжение топочного объёма,
|
|
|
|
|
|
Расположение труб котельного пучка |
Коридорное |
1 пучок – шахматное 2 пучок - коридорное |
||
|
Расчётная
поверхность нагрева |
117,69 |
1 пучок – 16,36 2 пучок – 196,0 |
||
|
Сечение
для прохода газов
|
0,41 |
1 пучок – 1,245 2 пучок – 0,851 |
||
|
Средняя
скорость газов
|
18,0 |
16,9 |
1 пучок – 24 2 пучок – 21,5 |
|
|
Коэффициент
теплопередачи
|
233,6 |
287,9 |
1 пучок – 398 2 пучок – 293,3 |
|
|
Температура
газов за пучками
|
306 |
264 |
1 пучок – 1010 2 пучок - 350 |
|
|
Тип чугунного экономайзера ВТИ |
ВЭ-Х11-16п-2м |
ВЭ-1Х-20п-3,0 |
||
|
Поверхность
нагрева
|
236 |
808,2 |
||
|
Средняя
скорость газов
|
8,0 |
7,37 |
7,6 |
7,0 |
|
Коэффициент тепло- передачи
|
57,7 |
73,8 |
55,85 |
71,61 |
|
Температура
воды на выходе из экономайзера
|
133 |
130 |
152 |
145 |
|
Температура
газов за экономайзером
|
172 |
143 |
172 |
140 |
Литература
Драганов Б.Х, Овчаренко Н.И, Теплотехніка Київ 2005 Інкос 503стр
Промышленная енергетика Журнал Промышленная энергетика. Москва.
Сушкин И.Н. Теплотехніка Москва Металлургия 1973 270стр
Головкин П.И. Энергосистема и потребители энергии Техника Киев 1978 130 стр.
Веников В.Л. Энергетические системы Москва "Высшая школа"1979,448с
Алабовский А.Н., Недужий И.А. Техническая термодинамика и теплопередача Киев «Высшая школа» 1990
7. Справочник проектировщика под ред. А.А.Николаева. – Проектирование тепловых сетей.-М. 1965-360с.








>.>


























,
м3/м3
,
м3/м3




















,







>



































,
где
Со
– температура охлаждающей среды, для
парового котла принимается равной
температуре кипения воды при давлении
в котле (температура насыщения).


>
>
>
и



и 11,5;
МПа;
(Таблица
5.1.);


при средней температуре газов


и















>

,
;

,
где
– температура охлаждающей среды, для
парового котла принимается равной
температуре кипения воды при давлении
в котле (температура насыщения).

>
и


и


и

(Таблица
5.1.);
,
где
;
(при сжигании
газа)
и















>
кг/с;
кг/с
,





,





,
;



,
м2
Таблица
6.3. [1]
















;
м;
мм.вод.ст.
,
м







м
;








































































,
м2
,
м2
,Со
,
кДж/(м2/ч)



,






,
м/с
,
Со
,
Со