Проектирование трансформаторной подстанции 35/10 кВ
КОСТРОМСКАЯ ГОСУДАРСТВЕННАЯ СЕЛЬСКОХОЗЯЙСТВЕННАЯ АКАДЕМИЯ
КАФЕДРА ЭЛЕКТРОСНАБЖЕНИЯ
КУРСОВАЯ РАБОТА НА ТЕМУ:
"Проектирование трансформаторной подстанции 35/10 кВ"
Выполнил:
студент 736 группы
Мокроусов В. В.
Проверил: Донских В.С.
Кострома 2003
Содержание
Исходные данные для расчета
Введение
1.Суточный график нагрузки
2. Выбор числа, типа, и мощности трансформаторов
2.1 Выбор числа и типа трансформаторов
2.2. Проверка трансформаторов на систематическую перегрузку
2.3 Выбор трансформаторов на основе технико-экономического сравнения вариантов
3. Схема электрического соединения подстанции
4. Выбор схемы собственных нужд
4.1 Определение и расчет нагрузок собственных нужд подстанции
4.2 Выбор источника оперативного тока
4.3 Выбор числа, типа, мощности трансформаторов собственных нужд
5. Расчет токов короткого замыкания
5.1 Составление схемы замещения
5.2 Определяем сопротивление элементов электрической сети
5.3 Выбор коммутационных аппаратов
5.4 Расчет периодической составляющей тока короткого замыкания
5.5 Расчет ударного тока короткого замыкания
5.6 Расчет теплового импульса
6. Выбор конструкции распределительных устройств
7. Выбор и проверка электрических аппаратов подстанции
7.1 Выбор выключателей
7.2 Выбор разъединителей, отделителей, короткозамыкателей
7.3 Выбор измерительных трансформаторов
Список литературы
Исходные данные для расчета
Схема электрической сети.

Рис 1.1 Схема электрической сети
Таблица 1.1.
-
Напряжение, кВ
Наибольшая нагрузка, МВт
Число линий НН
Мощность на шинах, МВА
ВН
НН
А
В
35
10
2
6
2000
3000
Таблица 1.2.
-
Длина участка, км
1
2
3
4
5
6
7
8
9
10
11
12
15
15
20
15
15
20
10
15
20
25
10
15
Таблица 1.3.
-
Класс потребителей, %
Мощность резерва, МВт
НН1
НН
первая
вторая
третья
первая
вторая
третья
0
50
50
25
25
50
0,4
Район расположения подстанции: Иркутская обл.
Коэффициент мощности: cos=0.88
Введение
Сельскохозяйственное производство все в большей мере базируется на современных технологиях, широко использующих электрическую энергию. В связи с этим возрастают требования к надежности электроснабжения сельскохозяйственных объектов, к качеству электрической энергии, к ее экономичному использованию и рациональному расходованию материальных ресурсов при сооружении систем электроснабжения.
Самый важный показатель системы электроснабжения - надежность подачи электроэнергии. С ростом электрификации сельскохозяйственного производства, особенно с созданием в сельском хозяйстве животноводческих комплексов промышленного типа, птицефабрик, тепличных комбинатов и др., всякое отключение - плановое (для ревизии и ремонта) и особенно неожиданное аварийное - наносит огромный ущерб потребителю и самой энергетической системе.
Поэтому необходимо применять эффективные и экономически целесообразные меры по обеспечению оптимальной надежности электроснабжения сельскохозяйственных потребителей.
Абсолютное большинство сельскохозяйственных потребителей получают электроэнергию от централизованного источника - энергосистемы. При этих условиях основой системы являются электрические сети. Систему сельского электроснабжения необходимо спроектировать таким образом, чтобы она имела наилучшие технико-экономические показатели, то есть чтобы при минимальных затратах денежных средств, оборудования и материалов она обеспечивала требуемые надежность электроснабжения и качество электроэнергии.
Задача обеспечения электроэнергией потребителей при проектировании систем сельского электроснабжения должна решаться комплексно, с учетом развития в рассматриваемой зоне всех отраслей хозяйства, в том числе и не сельскохозяйственных. Проектирование сельских электрических сетей необходимо проводить в соответствии как с общими директивными и нормативными документами (Правила устройства электроустановок, Правила технической эксплуатации и др.), так и со специально разработанными для сельских сетей материалами.
1.Суточный график нагрузки

Рис. 1.1. Суточный график нагрузок подстанции
Суточный график нагрузки необходим для выбора количества и мощности трансформаторов, а также токоведущих элементов п/ст.
В соответствии с заданием от п/ст питаются транспортные потребители.
Суточный график нагрузки для этих потребителей взят из [2].
При заданном коэффициенте мощности ( cos=0.88) строим суточные графики нагрузки полной мощности. (рис.1.1)
Напряжения: а)Высокая – 35 кВ
б) Низкая - 10 кВ
Количество отходящих линий на стороне 10 кВ –6
Наибольшая нагрузка - 2 МВт
Коэффициент мощности - cos=0.88
Тип подстанции - тупиковая.
Резерв мощности на напряжения 10 кВ – 0,4 МВт
2. Выбор числа, типа, и мощности трансформаторов
2.1 Выбор числа и типа трансформаторов
Так как по заданию п/ст питает потребителей первой категории , а резервная
Мощность не достаточно большая , то принимаем к установке на п/ст два трансформатора. Это обеспечит требуемую надежность электроснабжения.
Для двухтранформаторной п/ст мощность трансформаторов принимается из основания технико-экономического сравнения двух вариантов. Мощность трансформатора в первом варианте принимается равной
Sном0.5*Smax ,
где 0.5 - коэффициент, устанавливающий целесообразность систематических перегрузок трансформатора на двухтрансформаторной п/ст в нормальном режиме.
Smax- наибольшая мощность за сутки (рис.1.1)
Sном0.5*5.04
В соответствии с существующей шкалой стандартных номинальных мощностей для первого варианта принимаем два трансформатора марки ТМН-4 МВА.
Во втором варианте мощность трансформатора берется на ступень выше, чем в первом. В соответствии со шкалой мощностей принимаем два трансформатора ТМН-6.3 МВА.
2.2 Проверка трансформаторов на систематическую перегрузку
В связи с тем, что по второму варианту трансформаторы не испытывают, то проверка ведется для трансформаторов, выбранных по первому варианту.
Наносим на заданный график нагрузки прямую, соответствующую суммарной номинальной мощности двух трансформаторов. Верхняя часть графика (рис. 1.2), отсекаемая этой прямой является зоной перегрузки трансформаторов. Так как трансформаторы не испытывают перегрузку, то проверка трансформаторов в данном режиме не производится.

Рис. 1.2. Характер изменения суточной нагрузки
Проверка трансформаторов на аварийную перегрузку
Проверка на аварийную перегрузку производится на случай выхода из строя одного трансформатора или отключения. Цель проверки – сможет ли один трансформатор обеспечить необходимую мощность на шинах п/ст.
Для этого на графике (рис.1.3) проводим прямую, соответствующую максимуму суточной нагрузки, и которая будет являться максимальной нагрузкой для трансформатора. Так как перегрузка одного трансформатора в течении суток не должна превышать 30 на графике проводим линии, соответствующие мощностям одного трансформатора, увеличенным на 30%. Площадь, ограниченная двумя этими линиями будет равняться мощности недоотпущеной электроэнергии.

Рис. 1.3. График изменения суточного потребления энергии, показывающей количество недоотпущеной энергии.
2.3 Выбор трансформаторов на основе технико-экономического сравнения вариантов.
Экономическим критерием, по которому определяется наивыгоднейший вариант, является минимум приведенных затрат.
З=РнК+И+У ,
где Рн- нормативный коэффициент эффективности капитальных вложений, Рн=0.15 (для новой техники)
К- капитальные вложения, И- издержки , руб., У – стоимость недоотпущеной энергии, руб.
Определяем затраты для первого варианта.
Находим потери в стали и меди.
Для стали:
Эст = 8760nРхх ,
где n – количество трансформаторов, Рхх – потери холостого хода, кВт.
Эст = 876026.7 =117384 кВтч.
Для меди:
Эм = 365(1/n)Ркз([Si^2Ti]/Sн^2) ,
где Ркз - потери при коротком замыкании, кВт;
Si – мощность данного участка, МВА ;
Sн – номинальная мощность трансформатора, МВА ;
Ti – время данного участка, ч.
Эм = (36525902513750)/24000^2 = 344858 кВтч.
Определяем стоимость ежегодных потерь трансформатора по формуле:
Ипот = СстЭстСмЭм ,
Где Сст- стоимость потерь стали , руб/кВтч; См – стоимость потерь меди , руб/кВтч.
Ипот = 0.01117384 0.012344858 = 5312.1 руб. (***)
Определяем заводскую стоимость трансформатора по формуле:
Кз = К/ ,
Где - коэффициент для пересчета от заводской к расчетной стоимости трансформатора.
Кз = 24000/2 = 12000 руб.
Находим издержки по формуле:
И = аКз/100 + Ипот ,
Где а – норма амортизационных отчислений, %.
И = 6312000/100 + 5312.1 = 6068.1 руб
Определяем стоимость недоотпущеной электроэнергии по формуле:
У = ЭнУо ,
Где Эн - количество недоотпущеной электроэнергии, руб., Уо – стоимость одного кВАч, руб/кВАч.
Количество недоотпущеной энергии определяем по формуле:
Эн = (365FэТв)/8760 ,
Где Fэ – количество недоотпущеной энергии за сутки при отключении одного трансформатора, кВт; - параметр потока отказов, 1/год; Тв – среднее время восстановления, ч.
Количество недоотпущеной энергии за сутки определяем по формуле:
Fэ = cos(Sнei) ,
Где Sн – недоотпущеная мощность трансформатора , МВА.
Fэ = 0.8(5620 – 5200) + (5750 – 5200)0.84 + (5250 – 5200)0.8 + (5750 – 5200)0.810 = 6.33610^3
Определяем количество недоотпущеной энергии:
Эн1 = (36563360.0280)/8760 = 435.7 кВА.
Определяем стоимость недоотпущеной энергии:
У = Эн*У>0>= 435.1
Определяем затраты по формуле:
З = 0.1224000 + 6068.1 + 261.4 = 9209.9 руб.
Определим затраты для второго варианта, для этого находим потери электроэнергии в стали и в меди по формулам(*,**)
Эст = 876029.4 = 164688 кВтч.
Эм = 0.5365465902513750/6300^2 =192969.4 кВтч.
По формуле (***) находим стоимость ежегодных потерь:
Ипот = 0.01164688 + 0.012192965 = 3962.5 руб.
Определяем заводскую стоимость трансформатора:
Кз = 27500/2 = 13750 руб.
Находим издержки :
И = 6.313750/100 + 3962.5 = 4828.7 руб.
Считаем затраты:
З = 0.1227500 + 4828.7 = 8128.7 руб.
Определяем различие двух вариантов по формуле:
З = [(З1 – З2)100%]/З1 ; З = [(9209.9 – 8128.7)100% ]/9209.9 = 11.7%.
Так как затраты во втором варианте меньше, то принимаем трансформаторы мощностью 6.3 МВА. Данные заносим в таблицу.
-
Параметр
1 Вариант
2 Вариант
Капитальные вложения
24000
27500
Затраты
9209.9
8128.7
Издержки
6068.1
4828.7
Стоимость недоотпущеной электроэнергии
261.4
0
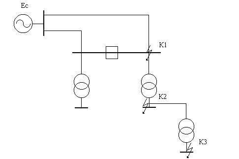
3. Схема электрического соединения подстанции
Схема должна удовлетворять следующим требованиям [1]:
экономичность, надежность, она должна обеспечивать требуемое количество электроэнергии, безопасность обслуживания, учитывать перспективу развития питаемых предприятий.
Норма технологического проектирования стандартных подстанций в зависимости от величины номинального напряжения и типа подстанции рекомендуют в каждом отдельном случае определенные схемы.

Рис 3.1 Схема трансформаторной подстанции
Р – разъединитель; СВ – секционный выключатель; КЗ – короткозамыкатель;
ОД – отделитель; ТСН- трансформатор собственных нужд; РУ- распредилительное устройство; ОРУ- открытое распределительное устройство.
4. Выбор схемы собственных нужд
Состав схемы собственных нужд зависит от типа трансформатора, мощности и ряда других факторов. Определенное количество потребителей собственных нужд имеет подстанция, выполненная по упрощенной схеме.
В состав потребителей входит [2]: обогрев шкафов релейной защиты, обогрев потребителей оперативной цепи; наружное освещение; обогрев шкафов КРУН; обогрев ОД, КЗ; освещение подстанции.
Составляем таблицу:
-
Объект
Количество потребителей
Активная мощность Р,кВт
cos
Полная мощность S,кВА
Обогрев КРУ
17
1
1
17
Отопление и освещение ОПУ
2
1
1
2
Отопление и вентиляция ЗРУ
2
1
1
2
Освещение ОРУ 35 кВ
2
1
1
2
Итого
23
4.1 Определение и расчет нагрузок собственных нужд подстанции
Определяем номинальную мощность трансформатора собственных нужд:
S>ном>0.5S>с.н.> (4.1)
S>ном>0.523
S>ном>11.5
S>ном> = 25 кВА
Таким образом, получаем два трансформатора по 25 кВА.
4.2 Выбор источника оперативного тока
Принимаем переменный источник тока, так как подстанция без постоянного дежурного персонала и небольшой мощности.
Питание для собственных нужд берется до вводного выключателя, что позволяет иметь оперативный ток при отключенной секции сборных шин.
4.3 Выбор числа, типа, мощности трансформаторов собственных нужд.
Берется два трансформатора малой мощности масляного типа на номинальную мощность 25 кВА.
5. Расчет токов короткого замыкания
5.1 Составление схемы замещения


Рис.5.1 Схемы замещения
Выбираем базисные и берем расчетные величины.
Sб = 100 МВА; Sкз = 2000 МВА; Uкз.сн=4.5%; Ку>35>=1.608;
Uб>1>=37 кВ; X>0>=0.4 Ом/км; Sн=6.3 МВА; Кун=1.369
Uб>2>=10.5 кВ; L=30 км; Sн.сн=25 кВА;
Uб>3>=0.4 кВ; Uкз=7.5%; Ес=1.
5.2 Определяем сопротивление элементов электрической сети
Определяем базисный ток для первой точки по формуле:
Iб>1>=Sб/3Uб>1> (5.1)
Iб>1>=1.56103 А.
Для второй точки:
Iб>2>=Sб/3Uб>2> (5.2)
Iб>2>=5.499103 А
Для третьей точки:
Iб>3>= Sб/3Uб>3> (5.3)
Iб>3>=1.443103 А.
Определим сопротивление схемы замещения .
Для генератора:
Xс=Sб/Sкз (5.4)
Xс=0.05 Ом
Для линии:
Xл=XоLSб/Uб2>1>
Xл=0.87 Ом.
Для трансформатора:
Xт=UкзSб/100Sн (5.6)
Xт=1.19 Ом
Для трансформатора собственных нужд:
Xт.сн=Uкз.снSб/100Sн (5.7)
Хт.сн=180 Ом.
Находим результирующее сопротивление до первой точки короткого замыкания:(рис 5.2):

Xр>1>=Xл+Xс (5.8)
Xр>1>=0.92 Ом
Для второй точки короткого замыкания (рис 5.3.):

Xр>2>=Xл+Xс+Xт (5.9)
Xр>2>=2.11 Ом.
Для третьей точки короткого замыкания (рис 5.4):

Xр>3>=Xл+Xс+Xт+Xт.сн (5.10)
Xр>3>=182.11 Ом.
5.3 Выбор коммутационных аппаратов
Для выбора коммутационных аппаратов необходимо задаться трехфазовым коротким замыканием и местом расположения их. Для этого рассматриваются точки:
К1 – ввод на трансформатор со стороны 35 кВ;
К2 – ввод на сборные шины 10 кВ;
К3 – ввод на сборные шины 0.4 кВ.
5.4 Расчет периодической составляющей тока короткого замыкания
Находим ток для каждой точки по формулам:
Iкз>1>=ЕсIб>1>/Xр>1> (5.11)
Iкз>1>=1.495103 А
Iкз>2>=ЕсIб>2>/Xр>2> (5.12)
Iкз>2>=2.619103 А
Iкз>3>=ЕсIб>3>/Xр>3> (5.13)
Iкз>3>=723 А.
5.5 Расчет ударного тока короткого замыкания
Расчет ударного тока короткого замыкания производится по следующим формулам:
Iуд>1>=2Ку>35>Iкз>1> (5.14)
Iуд>1>=3.3103 А
Iуд>2>=2Ку>н>Iкз>2> (5.15)
Iуд>2>=5.022103 А
Iуд>3>=2Ку>н>Iкз>3 >(5.16)
Iуд>3>=1.386103 А.
5.6 Расчет теплового импульса
Расчет теплового импульса проводим по формуле:
Ввн=I2>кз>(t>пз>+T>а>) (5.17)
Где t>пз>- время срабатывания релейной защиты , с.
Т>а> – время затухания апериодической составляющей, с.
Ввн>1>=I2кз>1>(t>пз35>+Т>а35>)
Ввн>1>=156451.7 А2с.
Ввн>2>=I2кз>2>(t>пз10>+Т>ан>)
Ввн>2>=754000 А2с.
Ввн>3>=I2кз>3>(t>пз0.4>+Т>ан>)
Ввн>3>=58000 А2с.
6. Выбор конструкции распределительных устройств
Из экономических соображений распредустройства на напряжение 35 кВ выполняют обычно открытого типа, так как при этом значительно сокращается объем строительной части, упрощается расширение и конструкция РУ.
В качестве проводников для сборных шин и ответвлений от них применяют алюминиевые, сталеалюминевые, стальные провода, полосы, трубы и шины из профиля алюминия, и алюминиевых сплавов электротехнического назначения. Наиболее часто используют гибкие провода, укрепленные при помощи подвесных изоляторов на стальных или железобетонных опорах.
Ручные приводы разъединителей обычно имеют съемные рукоятки. Монтируют их на тех же опорных конструкциях, что и разъединители.
Молниеотводы изготавливают из стальных труб или стержней и закрепляют на опорах распредустройства или на специальных опорах.
Силовые кабели , например , от трансформаторов и сигнальные кабели прокладывают по территории РУ в туннелях или на каналах, которые прикрывают плитами из негорючих материалов.
Для комплектовки трансформаторных подстанций ОРУ 35кВ используют серии КТП –35/10 и КТПБ–35/10 [1], область применения которых аналогична.
Для напряжения 10 кВ используем РУ открытого типа, комплектованных из шкафов или камер КСО. К основному оборудованию, которое выстраивается в РУ, относят: выключатели, разрядники, трансформаторы напряжения, трансформаторы тока, конденсаторы, трансформаторы собственных нужд.
7. Выбор и проверка электрических аппаратов подстанции
7.1 Выбор выключателей
Условие выбора масляного выключателя [2]:
UустUном
IнормIном
IмаксIном
IкзIоткл.ном
IудIдинам
ВкI2>терм>t>терм.возд>
Определяем Iнорм по формуле:
Iнорм=Sном/3Uном (7.1)
Где Sном – мощность трансформатора, кВА
Uном – номинальное напряжение, В.
Iнорм = 364.1 А.
Определяем максимальный ток с учетом коэффициента 0.95:
Iмакс = Sном/3Uном0.95 (7.2)
Iмакс = 283.3 А.
Выбираем масляный выключатель ВММ 10-10,
Номинальное напряжение Uном = 10 кВ.
Номинальный ток Iном = 200-630 А
Ток отключения Iоткл = 10 кА
Действующее значение динамического тока iдин = 25 кА
Динамический ток Iдин = 10 кА
Термический ток Iтерм = 10 кА
Термическое время срабатывания tтерм = 4 с
Полное время отключения tоткл = 0.12 с
Собственное время отключения tс.о. = 0.09 с
Привод ПЭ11 или ПП67.
7.2 Выбор разъединителей, отделителей, короткозамыкателей
Условие выбора:
По напряжению UустUном
По току IнормIном
IмаксIном.
Определяем значения токов по формулам (7.1,7.2):
Iнорм = 104 А
Iмакс = 109.5 А
Условие выбора по электродинамической стойкости:
iдинiпр.с
Iп.оIпр.с
Где iпр.с и Iпр.с – предельный сквозной ток короткого замыкания (амплитуда и действующее значение).
Условие по термической стойкости:
ВкI2термtтерм
Выбираем аппаратуру 35 кВ.
Для наружной установки:
Выбираем три разъединителя РДЗ 35, номинальный ток термической стойкости и допустимое время у которого 25кА/4с.
Предельный сквозной ток iпр.с = 63 кА.
Привод ПР-У1, ПР-Л1, ПД-1У1.
Берем два короткозамыкателя КЗ-35У: Uном = 35 кВ, Iтерм = 12.5 кА; время термической стойкости tс=3 с; iпр.с = 42 кА; полное время включения tп.о = 0.12 с; привод ПРК-1У1.
Берем три отделителя ОД 35/630.
Uном = 35 кВ; Iном = 630 А; iпр.с = 80 кА; Iтерм = 12.5 кА; tс = 3 с; tп.о = 0.5 с;
привод ПРО-1У1.
Выбираем аппаратуру 10 кВ.
Выбираем два разъединителя 3Р 10 У3.
Uном = 10 кВ; iпр.с = 235 кА; Iтерм = 90 кА; tс = 1 с; привод ПУ-50.
7.3 Выбор измерительных трансформаторов
Трансформаторы напряжения выбираются:
По напряжению установки UустUном;
По конструкции и схеме соединения обмоток;
По классу точности;
По вторичной нагрузке.
Трансформаторы тока выбираются:
По напряжению установки UустUном;
По току IнормIном;
IмаксIном;
По конструкции;
По классу точности;
По электродинамической стойкости;
По термической стойкости;
По вторичной нагрузке.
Номинальный ток должен быть как можно ближе к рабочему току установки , так как недогрузка первичной обмотки трансформатора тока приводит к увеличению погрешности.
По электродинамической стойкости:
iудКэд2Iном
iудiдин
где Кэд – коэффициент электродинамический.
По термической стойкости:
Вк(КтI>1>ном)2tтер
ВкI2терtтер,
Где Кт – коэффициент термический.
Берем трансформатор тока типа ТФ3М 35 на стороне высокого напряжения.
Определяем коэффициент трансформации:
Ктр = I1/I2
Ктр = 20.8
Где I1 – сила тока в первичной катушке 104 А;
I1 – сила тока вторичной катушки 5А.
Принимаем к установке на высокой стороне только амперметры.
Класс точности приборов 0.5
Релейная защита 10р.
Предельный ток термической стойкости Iтерм=(0.7-31) кА.
Время термической стойкости tс=3 с.
Действующее значение динамического тока iдин = (0.3-127) кА.
Длина провода от шин к измерительным приборам l = 60 м.
Провод выполнен из алюминия и имеет сечение 4 мм2.
Определяем сопротивление прибора:
Rпр = Sпр/I2>2> (7.4)
Rпр = 0.4 Ом.
Определим сопротивление провода:
Rпров=>уд>L/F ,
Где >уд> – удельное сопротивление по длине и сечению; >уд>=0.0283 Омм/мм2;
L – длина 60 м ;
F – сечение провода, F=4 мм2.
Определим суммарное сопротивление:
Rо = Rкон + Rпров + Rпр (7.6)
Rо = 0.875 Ом.
Где Rкон - сопротивление контактов,
Rкон=0.05 Ом.
Определим мощность на вторичной обмотке:
Sвтор = I2>2>Rо (7.7)
Sвтор = 21.863 Ом.
Допустимая мощность равна 30 ВА и должно выполнятся условие:
SвторSдоп
21.86330.
На стороне 10 кВ.
Принимаем трансформаторы типа ТПЛ-10. Допустимая мощность вторичной обмотки составляет 10 ВА. Нагрузку трансформатора составляет амперметр Э378 и два вольтметра Д-305.Определим их сопротивления:
Для амперметра :
Zа=Sa/I2>2> (7.8)
Za = 410-3 Ом.
Где Sа – мощность амперметра -0.1 кВА;
I2>2> – ток вторичной обмотки трансформатора – 5 А.
Для ваттметра:
Zw = Sw/I2>2> (7.9)
Zw = 0.02 Ом.
Где Sw – мощность ваттметра – 0.5 Вт,
I2>2> – ток вторичной обмотки трансформатора – 5 А.
Определяем сопротивление проводов по формуле (7.5):
Zпров = 7.07510-3 Ом.
Находим общее сопротивление:
Zо = Zпров + Zкон + 2Z+ Za (7.10)
Где Zкон – сопротивление контактов – 0.05 Ом.
Zо = 0.101 Ом.
Определим потребляемую мощность вторичной цепи:
S2 = I2>2>Zо (7.11)
S2 = 2.527 Ом.
Проверка условия:
S2Sдоп
2.52710
на стороне 35 кВ берем трансформатор напряжения 3НОЛ-35 с мощностью вторичной стороны 1000 ВА. На стороне низкого напряжения трансформатор напряжения НТМИ-10 с допустимой мощностью вторичной стороны 400 ВА. На высокой стороне используем два вольтметра типа Э378 мощностью 10 ВА, ваттметр типа Д-305 мощностью 2 ВА, ваттметр типа Д-305 мощностью 3 ВА.
Суммарная мощность приборов 25 ВА. На низкой стороне набор приборов измерения такой же.
Список литературы
Будзко И. А., Зуль М.М. Электроснабжение сельского хозяйства. –М.: Агропромиздат, 1990.- 496 с.
Справочник по электроснабжению промышленных предприятий/под ред. Федорова А.А. -М.:Энергия, 1980-576 с.
Правила устройства электроустановок. Минэнерго СССР.-М.: Энергоатомиздат,1985.-640с.